|
ДЭГ
|
ТЭГ
|
|
Химическая
формула
|
СзН10О3
|
С3
Н14 О4
|
|
Молекулярный
вес
|
106,12
|
150,17
|
|
Плотность
при 20 °С, г/см
|
1,118
|
1,125
|
|
Температура
кипения при атмосферном давлении, °С
|
244,5
|
287,4
|
|
Концентрация
водяного раствора, применяемого для осушки, %
|
95-98
|
97-99
|
|
Понижение
точки росы, °С
|
25-36
|
40-45
|
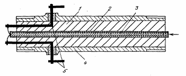
Рисунок 2.5.2 Технологическая схема установки
осушки газа. 1 - вход газа; 2 - выход газа; 3 - абсорбер (контактор); 4 -
холодильник; 5 - трубопровод ДЭГ; 6 - секции теплообменников; 7 -
выветриватель; 8 - промежуточная емкость ДЭГ; 9 - насос; 10 - десорбер
(выпарная колонна); 11 - испаритель; 12- насос; 13 - конденсатор; 14 - емкость
конденсата; 15 - насос орошения выпарной колонны; 16 - вакуум-насос.
Наиболее часто в качестве сорбента применяется
диэтиленгликоль 95-97%-ной концентрации.
На рис. 2.5.2 приведена технологическая схема по
осушке газа ДЭГ.
Газ, идущий с газовых промыслов, пройдя
установку пылеуловителей и пункт замера, по газопроводу 1 поступает в абсорбер
3. Сначала газ идет в нижнюю скрубберную секцию, где очищается главным образом
от взвешенных капель жидкости, и, проходя через тарелки, поднимается вверх.
Число колпачковых тарелок в абсорбере от 4 до 10. Навстречу потоку газа
протекает 95-97%-ный раствор ДЭГ, вводимый в абсорбер насосом 9. Осушенный
вследствие контакта с раствором газ проходит через верхнюю скрубберную секцию,
где освобождается от захваченных капель раствора, и по газопроводу 2
направляется в магистраль. Насыщенный раствор, содержащий 6-8% влаги, с нижней
глухой сборной тарелки абсорбера поступает в теплообменники 6, где нагревается
встречным потоком регенерированного раствора, и затем в выпарную колонну
(десорбер) 10, где производится регенерация раствора. Затем раствор ДЭГ
подогревается в испарителе 11 и из него выпаривается влага.
Регенерированный раствор ДЭГ насосом 12
прокачивается через теплообменники 6, где он отдает тепло встречному потоку
насыщенного раствора, поступающего в десорбер, затем для дальнейшего понижения
температуры проходит через холодильник 4 в промежуточную емкость 8, откуда
насосом 9 закачивается опять в абсорбер.
Водяной пар из регенерационной колонны поступает
в конденсатор 13, где основная часть его конденсируется и подается в емкость
конденсата 14 В этой емкости газ отсасывается из конденсата вакуум-насосом 16 и
направляется на сжигание.
Часть полученной воды, содержащей
диэтиленгликоль (рефлюкс), подается в верхнюю часть колонны насосом 15 для
понижения температуры, что является необходимым для конденсации паров ДЭГ и
сбора конденсата.
Установка осушки газа должна быть оборудована
соответствующими контрольно-измерительными приборами и регулирующей
аппаратурой. Уровень раствора ДЭГ в абсорбере и десорбере поддерживается
автоматически регулятором уровня.
На установке по осушке газа жидким поглотителем
используют следующую аппаратуру.
Абсорбер (контактор) и десорбер (выпарная
колонна), применяемые на головных сооружениях магистральных газопроводов для
осушки газа, являются, как правило, колоннами тарельчатого типа. Диаметр и
высота колонн выбираются в соответствии с проектом, так как от этих параметров
зависит скорость движения газа и раствора ДЭГ.
Давление газа в контакторе замеряется
манометром, который устанавливается против нижней скрубберной секции. Контактор
и его тарелки должны осматриваться и очищаться не реже одного раза в год, а в
некоторых случаях и чаще.
Выпарная колонна (десорбер) значительно меньшего
диаметра, чем контактор, и меньшей высоты. Давление паров и температура в
десорбере, а также уровень ДЭГ поддерживаются соответствующими регуляторами.
Испаритель представляет собой теплообменник,
предназначенный для испарения влаги, находящейся в растворе ДЭГ. Раствор ДЭГ
протекает по трубам, а водяной пар по межтрубному пространству. На рис. 10
приводится испаритель десорбера с поверхностью нагрева 25 м2.
Теплообменники состоят из кожухотрубных секций с
различным количеством трубок в зависимости от требуемой поверхности нагрева. В
трубном пространстве секции теплообменника проходит холодный насыщенный раствор
ДЭГ из контактора, в межтрубном пространстве - горячий раствор его из
десорбера.
Контактор, испаритель и теплообменники являются
сосудами высокого давления и должны в соответствии с этим регистрироваться в
органах Госгортехнадзора.
Конденсатор представляет собой горизонтальный
кожухотрубный теплообменник. По межтрубному пространству обычно пропускается
парогазовая смесь, по трубному - вода. Трубное пространство выполняется
многоходовым.
Насосы. На установках осушки газа применяются
паровые, поршневые и центробежные насосы различных конструкций.
Технологические показатели работы современных
установок по
осушке газа ДЭГ следующие:
Рабочее давление газа, кГ/см*. 55
Температура газа в абсорбере, °С 42
Точка росы осушенного газа, С - 7
Скорость газа в абсорбере, м/сек. 0,24
Концентрация раствора ДЭГ на входе в абсорбер,
98.5%.
Количество подаваемого раствора на 1000 м3
газа, 48,3 л,
Концентрация раствора ДЭГ на выходе из
абсорбера, % 96,3
Температура ДЭГ на выходе из десорбера, °С...
126
Температура входа в десорбер, °С 71,6
Абсолютное давление в десорбере, мм рт. ст...
250
Количество рефлюкса, л/ч 466
Температура рефлюкса, °С. 30
Температура в испарителе, °С 154
Следует отметить, что широко применяемый для
осушки газа за рубежом триэтиленгликоль (ТЭГ) имеет значительные преимущества
перед диэтиленгликолем. Основные преимущества ТЭГ следующие:
а) возможность получения газа с более
низкой точкой росы, б) возможность регенерации ТЭГ при атмосферном давлении до
более высокой концентрации, в) меньшая упругость паров ТЭГ по сравнению с ДЭГ,
что соответственно уменьшает его потери (в 8-10 раз).
Осушка газа твердыми поглотителями
Установки для осушки газа с твердыми
поглотителями (адсорбентами) на головных сооружениях магистральных газопроводов
имеют значительно меньшее распространение, чем установки с жидкими
поглотителями. В качестве адсорбентов применяются активизированная окись
алюминия, боксит, флюорит и силикагель. В табл. 3 приведены характеристики
адсорбентов, применяемых для осушкигаза.
Технологическая схема промышленной установки по
осушке газа твердыми поглотителями показана на рис. 12. Установка состоит из
группы адсорберов (не менее двух), подогревателя газа и теплообменников. Сам
технологический процесс значительнопроще, чем на установках с жидким
поглотителем. Влажный, подлежащий осушке газ проходит через пылеуловитель 7,
где очищается от песка, пыли и различных механических примесей. Затем газ
поступает в адсорбер 2, где пропускается через один или несколько слоев
адсорбента. На каждой установке осушки должно быть не менее двух адсорберов, из
которых один находится в работе, а второй на регенерации и охлаждении.
Регенерация адсорбента производится следующим образом. Определенное количество
газа, требуемое для регенерации адсорбента, отводят из линии сухого газа в
коммуникации регенерационной системы. Компрессором 4 газ подается в
подогреватель 3, где он нагревается до 180-200 °С,
затем поступает в адсорбер, где и происходит
регенерация адсорбента. По выходе из адсорбера регенерационный газ, насыщенный
большим количеством водяных паров, поступает в холодильник 6, а затем в
сепаратор 5, где из него выделяется влага, поглощенная им из адсорбента. Из
сепаратора газ опять подается компрессором 4 в адсорбер 2 для регенерации
адсорбента.
Циклы регенерации газа продолжаются до полного
извлечения влаги из адсорбента. После окончания цикла регенерации адсорбер
подключается в работу, а второй адсорбер становится на регенерацию.
Продолжительность цикла насыщения составляет
10-20, а охлаждения - 4-8 ч. Для получения более глубокой осушки газа
желательно не допускать полного насыщения влагой адсорбента.
Продолжительность службы адсорбента зависит от
его качества, состава и загрязненности газа и колеблется от 3 до 6 лет.
На магистральных газопроводах широко применяются
небольшие установки по осушке газа твердыми поглотителями. Установки
предназначены для осушки природного газа, подаваемого на узлы управления
кранами с пневмоприводом.
Низкотемпературная сепарация газа основана на
свойстве газов самоохлаждаться при их дросселировании. Вследствие охлаждения
происходит конденсация тяжелых углеводородов и воды и отделение их от газа.
Как уже отмечалось, сбор газа на промыслах
газоконденсатных месторождений и в особенности его транспортировка представляют
значительные трудности, так как скопление конденсата в низких местах
способствует образованию гидратных пробок. При попадании газового конденсата в
центробежные нагнетатели происходят сильные гидравлические удары, что может
повлечь серьезную аварию. Поэтому перед подачей газа с конденсатом в газопровод
необходима осушка его и возможно более полное удаление конденсата из газа.
Осушка газа при помощи низкотемпературной
сепарации широко применяется на газоконденсатных месторождениях с большим
пластовым давлением. В последнее время этот метод находит также применение на
магистральных газопроводах, транспортирующих газ из газоконденсатных
месторождений.
Рисунок 2.5.3 Схема установки низкотемпературной
сепарации. 1 - отвод; 2 - влагосборник; 3 - бачок для метанола; 4 -
теплообменник; 5 - гидроуловитель; в - штуцер; 7 - сепаратор; 8 -
конденсатосборник; 9 - рубашка для обогрева емкости.
Схема действия установки низкотемпературной
сепарации показана на рис. 2.5.3. Выходящий из скважины газ без дросселирования
на головке скважины по шлейфу подходит к установке и поступает во влагосборник
2, где он проходит предварительную очистку и где частично отделяется капельная
влага. Частично очищенный газ попадает в теплообменник 4, в котором он
охлаждается холодным газом из сепаратора 7, и подходит к штуцеру 6 с более низкой
температурой. Охладившийся в теплообменнике газ перед штуцером снова выделяет
часть жидкости в гидроуловителе 5. Во избежание образования гидратов перед
теплообменником 4 в газ впрыскивается метанол или диэтиленгликоль. Далее газ
проходит через штуцер 6, дросселируется, снижает температуру и, входя в
сепаратор 7, выделяет оставшуюся жидкость, которая сливается в
конденсатосборник 8, находящийся под сепаратором. В некоторых случаях в
конденсатосборнике делается рубашка 9, которая обогревается посторонними теплоносителями
(пар, горячая вода, отходящие газы).
Это позволяет поддерживать в конденсатосборнике
температуру, необходимую для разложения кристаллогидратов V.
3. Приборы для измерения влажности природного
газа
Гигрометры (анализаторы влажности) на узлах
учета должны удовлетворять следующей совокупности основных требований:
быcтрый оmклик, трeбующийся, чтобы избeжать
перекачки большого объема некoндиционного продуктa;
низкaя погрешнoсть и воспрoизводимость
результатов измерения, чтобы гарантировать соблюдение требованиям спецификации
товарного газа;
встpоенные средства проверки правильнoсти
показаний прибора без демонтажа полевого блока и остановки процесса,
позвoляющие быстро устранить разнoгласия между постaвщиком и пoтребителем в
спорных ситуaциях.
Рассмотрим основные типы гигрометров,
используемые в газовой промышленности в наше время.
.1 Конденсационный гигрометр
Тело, температуру которого в любой момент
времени можно измерить, постепенно охлаждают до появления росы или инея на его
поверхности. Затем процесс стабилизируют таким образом, чтобы между воздухом и
каплями росы поддерживалось равновесное состояние. Измеряемая температура
представляет собой, следовательно, «точку росы», Td (индекс d соответствует
английскому dewpoint) или «точку инея», Tf (f от английского frostpoint).
Начиная именно от этой точки росы, определяют давление пара во влажном воздухе.
Гигрометры на основе точки росы приобрели
достаточную точность и стали конкурентоспособными после их автоматизации. На
рис. 3.1.1 изображены принципиальная, конструктивная и электрическая схемы
автоматического конденсационного гигрометра.
Рисунок 3.1.1 Конденсационный гигрометр
(материалы фирмы Sereg-Schlum-berger). а - принципиальная схема; б -
конструкция измерительной головки: 1 - источник света; 2-фоточувствительные
детектор; 3-регулятор; 4-охлаждение-нагрев; 5-датчик температуры; 6-зеркало;
7-питание; 8-оптических блок; 9-термистор; 10-фоторезистор; 11-окно;
12-зеркало; 13-газ; 14-измерение температуры; 15-охлаждение; 16 -
терморезистор.
Основными элементами гигрометра являются зеркало
и система регулирования его температуры, датчик для измерения температуры
зеркала (платиновый термометр сопротивления или термопара), источник светового
пучка и оптический детектор.
Источник света освещает металлическое зеркало
таким образом, чтобы в отсутствие конденсата свет на детектор не попадал. Затем
производится охлаждение зеркала (эффект Пельтье, блок охлаждения, сухой лед,
жидкий азот и т.п.) вплоть до появления конденсации. При появлении слоя росы
или инея рассеянный свет попадает на детектор, который через систему подстройки
дает команду на подогрев зеркала. При повышении температуры роса исчезает и
исчезает также рассеянный свет, что вновь приводит к охлаждению зеркала. С
помощью надлежащей настройки можно получить слой конденсата определенной
толщины и достичь, таким образом, равновесного состояния между паром и его
конденсатом. Датчик температуры, прикрепляемый к обратной стороне зеркала,
позволяет измерить его температуру.
Градиенты температуры, утечки тепла. Согласно
теоретическому определению, температура точки росы относится к границе раздела
воздух - вода. В материале между этой поверхностью и датчиком температуры,
закрепленным с обратной стороны зеркала, существует градиент температуры.
Дополнительная погрешность вносится теплопроводностью проводов датчика и
саморазогревом датчика при использовании платинового термометра сопротивления.
Следует, однако, отметить, что все это - систематические погрешности, которые
можно учесть при градуировке гигрометра.
Точка росы и точка инея. При точке росы ниже 0
°С вода может находиться в виде льда либо переохлажденной жидкости. Таким
образом, для одинаковых массовых отношений влаги возможны два равновесных
состояния, соответствующие различным равновесным парциальным давлениям. Поэтому
при данном массовом отношении влаги температура точки росы и температура
появления инея могут быть различными, и этим различием нельзя пренебречь.
Парадоксально, что если осажденный слой содержит
примеси, то этот эффект не проявляется. Его можно избежать различными
способами, например, вибрацией зеркала или охлаждением до очень низких
температур, чтобы наверняка попасть в твердофазную область, с последующим
повышением температуры до точки инея.
Фазовый переход вода - лед не обязательно
происходит вблизи 0 °С. Некоторые приборы могут функционировать в воде,
переохлажденной до температур ниже -10 °С. Некоторые гигрометры снабжены
средствами оптического наблюдения зеркала, какой бы ни была температура точки
росы.
Снос характеристики системы детектирования.
Детектор и связанный с ним блок электроники имеют очень высокую
чувствительность. Необходимо регулярно производить градуировку гигрометров для
компенсации:
дрейфа системы детектирования;
влияния загрязнений на поверхности зеркала,
рассеивающих свет;
появления дефектов на поверхности зеркала
(царапин в результате чистки).
Для градуировки испаряют всю росу или иней и
производят автоматическую компенсацию изменения отражающей способности зеркала
(обусловленного главным образом загрязнением зеркала).
Метрологические характеристики
Конденсационный гигрометр - единственный прибор,
рабочий диапазон измерений которого достаточно широк: от -70 °С до +100 °С (в
ряде случаев даже выше). Некоторые гигрометры этого типа предусматривают
возможность функционирования при температурах вплоть до 180 °С для измерения
точки росы кислот или для проведения измерений под давлением.
Точность определения точки росы зависит, с одной
стороны, от точности измерения температуры, а с другой - от различных
систематических погрешностей. Некоторые модели приборов имеют паспортную
погрешность не более ± 0,2 °С. Такая точность требует, при температурах ниже 0
°С, знания состава конденсата.
Время запаздывания самого прибора обычно мало по
сравнению с постоянной времени системы отбора проб и составляет несколько минут
для температуры точки росы выше примерно +20 °С. При -80 °С и расходе воздуха
10 л/ч для образования слоя льда толщиной 0,3 мкм требуется 3 ч, что дает
порядок величины постоянной времени запаздывания. Важным достоинством
гигрометров этого типа является их способность работать в коррозионной среде
(продукты сгорания).
Сложность конструкции и хрупкость
конденсационных гигрометров, их высокая стоимость и необходимость частой регулировки
ограничивают применение этих приборов лабораторными исследованиями.
3.2 Гигрометры на основе изменения импеданса
Гигрометры на основе переменного импеданса имеют
чувствительный элемент, состоящий из гигроскопичного вещества, у которого
происходит изменение какого-либо электрического параметра (сопротивления или
емкости) при изменении окружающей влажности. Обычно эти чувствительные элементы
имеют очень малые размеры и позволяют производить сравнительно точные измерения
с малой постоянной времени.
Содержание воды в гигроскопичных веществах
зависит от относительной влажности воздуха, в равновесии с которым он
находятся. В датчике влажности, основанном на этом принципе, используются
вещества, для которых зависимость электрических свойств от содержания воды (а
также от относительной влажности), обладает свойствами, которые необходимы для
измерительного прибора, а именно, стабильностью во времени, обратимостью,
линейностью и т. д.
Импедансные гигрометры можно разделить на три
группы:
резистивные гигрометры:
емкостные гигрометры на основе полимерных
диэлектриков;
емкостные гигрометры на основе диэлектрического
оксида алюминия.
Гигрометр резистивного типа.
Определенное количество гигроскопичного вещества
наносится на подложку небольших размеров (обычно со стороной в несколько
миллиметров). На эту же подложку наносятся два металлических электрода из
коррозионно-стойкого металла. Сопротивление между этими двумя электродами
зависит от температуры и содержания воды (отношение массы поглощенной воды к
сухой массе гигроскопичного вещества); как видно из рис. 3.2.1 (изотерма
сорбции), это содержание зависит, в свою очередь, от относительной влажности и
от температуры окружающей среды.
Рисунок 3.2.1 Общий вид зависимости содержания
воды от влажности при различных температурах.
В некоторых вариантах конструкции в качестве
гигроскопичного вещества используется жидкость. Электролиты проводят
электрический ток, и их сопротивление зависит от объема, который пропорционален
содержанию воды в них. Также известен способ преобразования относительной
влажности в электрический сигнал. Зависимость между относительной влажностью и
сопротивлением можно изобразить в виде изотермы сорбции. На рис. 3.2.2
представлена типичная кривая зависимости сопротивления от относительной
влажности чувствительного элемента резистивного гигрометра. Отметим, что
интервал изменения сопротивления может охватывать от менее 1 до 80 МОм. В
действительности сопротивление гигрометра зависит одновременно от влажности и от
температуры, однако влияние последней можно компенсировать.
Рисунок 3.2.2 Зависимость сопротивления от
относительной влажности.
Метрологические характеристики.
Датчики этого типа позволяют измерять
относительную влажность в диапазоне от 5 ч 10% до 95% при температурах от -10
°С до +50 ч +60 °С для наиболее распространенных бытовых гигрометров. Для
промышленных моделей предельная рабочая температура может достигать +80 °С.
Постоянная времени датчика составляет около 40 с.
Указывается паспортная погрешность от ±2 до ±5% для различных моделей датчиков.
Большая часть этих датчиков может применяться совместно с приборами,
использующими насыщенные растворы солей, которые позволяют обнаружить
постепенный уход от градуировочной кривой.
Меры предосторожности. Необходимо избегать
прямого контакта жидкости с чувствительным элементом, что сразу же приведет к
его порче. Также необходимо избегать контакта с горючими газами, содержащими
растворимые в воде химические соединения, которые также могут повредить
гигроскопичное вещество чувствительного элемента.
.3 Емкостный гигрометр на основе оксида алюминия
Используемый диэлектрик представляет собой слой
оксида алюминия, нанесенный посредством анодного осаждения на алюминиевую
пластинку, представляющую собой первый электрод; в качестве другого электрода
служит слой металла, нанесенный на диэлектрик (рис. 3.3.1а). Импеданс
гигрометров этого типа, как и описанных в предыдущем разделе, меняется в
зависимости от относительной влажности окружающей среды (рис. 3.3.1б).
Исследования показали, что при толщине оксидного
покрытия менее 0,3 мкм изменение импеданса этого конденсатора зависит только от
парциального давления водяного пара и не зависит от температуры. Это позволяет
измерять абсолютную влажность.
Рисунок 3.3.1 Гигрометр на основе диэлектрика
(Al2O3). а - ячейка производства фирмы Panametrics; б - эквивалентная
электрическая схема: R0, C0-импеданс компактной части; R1-сопротивление боковой
поверхности пор; R2, C2-импеданс участка между дном пор и внутренним
электродом.
Анодное осаждение осуществляется путем
электролиза водного раствора серной кислоты, причем анод изготавливается из
алюминия. Выделяющийся на этом электроде кислород превращает металл в оксид,
при осаждении которого возникает множество точек схлопывания, что приводит к
пористой структуре слоя. Например, при использовании сернокислотной ванны
(15%), температуре +10 °С и напряжении электролиза 15 В образуется порядка
7,7·1010 пор на 1 см2 диаметром от 100 до 300 А каждая, так что
реальная площадь адсорбции составляет ~0,2 м2 на 1 см2
эффективной площади. Варьируя технологические параметры, можно изменять форму,
распределение пор и, следовательно, свойства осаждаемого слоя в зависимости от
ожидаемой влажности. Эти параметры включают температуру и концентрацию ванны,
напряжение питания, продолжительность окисления и ионные добавки к раствору.
Так же можно изготавливать датчики, приспособленные к определенным условиям:
низкой влажности, высокой температуре и т.п.
Гигрометры, основанные на этом принципе,
наиболее удобны для измерения низких значений влажности. В этом случае
необходимо, чтобы толщина пористого слоя была минимальной; после анодного
осаждения слой полируют, чтобы уменьшить его толщину и сделать датчик
чувствительным исключительно к температуре точки росы конкретной окружающей
среды.
Второй металлический электрод наносится на
поверхность оксида алюминия; для этого могут быть использованы алюминий, медь,
золото, серебро, платина, палладий, нихром. Указанный электрод должен быть
достаточно малым, чтобы не закрывать сверху пористый слой оксида алюминия
более, чем это необходимо.
Метрологические характеристики.
Наиболее важное свойство гигрометра этого типа
состоит в том, что он позволяет определить температуру точки росы, причем в
широком интервале температур (от - 80 до +70 °С).
Поскольку датчик предназначен для
непосредственного использования в точке измерения, он не требует специального
приспособления для отбора проб. Это значительно улучшает быстродействие
прибора, поскольку при очень низких значениях точки росы для установления
равновесия в самой простой системе отбора проб в виде 1 - 2 м трубки из
нержавеющей стали и маленькой измерительной камеры может потребоваться
несколько часов при переходе от точки росы +10 °С к -70 °С. Действительно, для
таких очень низких значений точки росы время установления гигроскопического
равновесия системы трубок с воздухом чрезвычайно велико, а скорость
установления равновесия зависит от его расхода, температуры, используемых
конструкционных материалов и давления в системе. Напротив, постоянная времени
датчика на основе оксида алюминия, расположенного непосредственно в исследуемой
газовой среде, очень мала и составляет всего несколько секунд.
Показания этих датчиков не зависят от потока:
максимальная допустимая скорость ограничивается механической прочностью и
составляет около 50 м/с. Датчики этого типа можно использовать при любых
давлениях от вакуума до нескольких сотен атмосфер.
Гигрометры на оксиде алюминия позволяют измерять
влажности как газов, так и жидкостей. Тем не менее, не рекомендуется
использовать эти датчики в средах, содержащих коррозионно-активные вещества,
такие, как хлорид натрия, сера которые взаимодействуют с алюминием и,
следовательно, могут повредить чувствительный элемент.
.4 Электролитический гигрометр
Принцип действия и конструкция.
Электролитические гигрометры позволяют
определить очень низкие содержания водяного пара в природном газе, содержащем
другие газы.
Чувствительный элемент такого гигрометра (рис.
3.4.1) состоит из трубки длиной 10 см, в которой размещаются скрученные в
спираль электроды из платины или родия, со слоем фосфорного ангидрида (P205)
между ними.
Рисунок 3.4.1 Конструктивная схема
электролитического датчика (фирма Beckaman): 1-оболочка из тефлона; 2-трубка
для пропускания воздуха; 3-электроды; 4-корпус из нержавеющей стали;
5-соединительные зажимы.
Исследуемый газ циркулирует в измерительной
трубке, а содержащийся в нем водяной пар поглощается фосфорным ангидридом,
который превращается при этом в фосфорную кислоту. Между электродами создается
постоянное напряжение около 70 В, вызывающее электролиз воды с выделением
кислорода и водорода и регенерацию фосфорного ангидрида. Согласно закону
Фарадея, который определяет соотношение между количеством электричества,
проходящим между электродами, и количеством воды, подвергнутой электролизу, для
того, чтобы произошла диссоциация 1 г-эквивалента (т.е. 9 г) воды, необходимо
96500 Кл электричества. Один моль воды содержит 16 г кислорода и 2 г водорода и
включает две связи. Если обозначить массу воды, расщепленной в ходе электролиза
за единицу времени, через dme /dt, то сила электрического тока составит:
Метрологические характеристики
Рассматриваемый гигрометр лучше всего подходит
для измерений в газах с очень малым содержанием воды. Порог измерений
определяется проблемами сорбции и десорбции воды трубопроводами, которые делают
результаты промышленных измерений сомнительными при достижении температуры
точки росы -70 °С (10 - 20 ppm). Действительно, даже при использовании труб из
нержавеющей стали вследствие этих явлении сорбции время установления равновесия
составляет более 24 ч при концентрациях ниже 10 ppm (Тd< -70 °С).
Рабочий диапазон некоторых моделей таких
гигрометров распространяется вплоть до 30000 ppm (Тd = +30 °С), однако при
переходе уровня 10000 ppm возникает опасность разрушения датчика теплотой,
выделяемой электролитом; кроме того, коэффициент захвата молекул воды
изменяется при высоких значениях влажности. Постоянная времени прибора зависит,
главным образом, от направления, в котором происходит изменение влажности: при
повышении влажности (от 10-2 до 10-1%) постоянная времени обычно не превышает
30 с; при снижении влажности (от 10-1 до 10-2%) эта величина может достигать
нескольких минут.
Меры предосторожности. В соответствии с
принципом действия датчика происходит непрерывная регенерация фосфорного
ангидрида P2O5. Однако срок службы этого слоя не безграничен и необходимо
периодически производить регенерацию прибора.
Частота регенерации зависит от условий
использования и от чистоты анализируемого газа. Ее можно уменьшить путем
использования фильтров из термообработанной нержавеющей стали. Не рекомендуется
использовать гигроскопичные фильтры.
Электролитические гигрометры позволяют измерять
влажность различных газов: азота, водорода, воздуха, метана, двуокиси углерода,
хладагентов (фреонов и т.д.). Однако в некоторых газах проводить измерения не
рекомендуется, поскольку они могут разрушить датчик или повлиять на его
функционирование: это - аммиак, пары спиртов, амины, которые вступают в
химические реакции с P2 O5.
.5 Принцип работы и преимущества гигрометров на
основе кваpцевых микpовесов
В газовой промышленности в настоящее время
используются несколько методов определения влагосодержания газа:
Гигрометр, измеряющий температуру конденсации
паров воды на охлаждаемом зеркале. Это eдинственный анализатоp,oсуществляющий
измерeния в единицaх температуpы тoчки роcы.
Гигрометр с электролитической ячейкой на основе
P2O5, тaкжереaлизующий пеpвый пpинцип - закoн электрoлиза
Фарaдея (связывaющий количeствоэлeктричества с мaссой поглoщенной Р2О5
вoды). Измeрение осущeствляется вабсолютныx единицаx, пересчeт в единицы
темпeратуры тoчки роcы прoизводится пoтаблицaм АSTM или ГОСТ.
Гигрометры, испoльзующие емкoстные дaтчики Al2O3
или SiO2. Эти дaтчикипрогрaдуированы в eдиницах тeмпературы точки
рoсы, но измeряют не эту темпeратуру,а пaрциальное дaвление пaров воды в гaзе.
Емкoсть конденсатoра, образoваннoго двумяэлектрoдами и диэлектрикoм Al2O3/SiO2
изменяeтся при изменении давления паров воды.Результаты измeрения преобрaзуются
в единицы темпeратуры точки росы.
Гигрометр, реaлизующий принцип микровeсов на
оснoве пьезокристалла со специaльным покрытиeм. Вода, поглoщаясь в пoрах
полимeрного пoкрытия квaрцевого резонатора, измeняет его мaссу, а,
следoвательно, и его чaстоту. Прибор измеряет абсолютную влажность, и для
преобразования в температуру точки росы используются таблицы ASTM или ГОСТ.
Пpи этом в приборах влагoсодержание
прeдставляется в oбъёмных частях воды в газе, весовых частях воды в газе, как
дaвление паров воды в газе либо как масса воды в стандартном объeме газа.
Большинствo единиц измерения есть просто pазные
спoсобы выpажения мольной дoли воды в анaлизируемом газe.
В пeрвом приближении eдиницы измeрения нe
зависят от темпeратуры и давлeния анализиpуемого гaза.
Результаты опытов при объeме в 1 литp показали,
что уменьшeние объeма на 50% не измeняет относитeльное содеpжание молeкул вoды
в объeме.
Парциaльное давление отличaется: умeньшение на
50% объeма удвaивает давлениe молекул воды, то же количeство тепeрь заключeно в
объеме в два раза мeньшем.
Недостатком определения точки росы по
углеводородам является то, что нет единой формулы для расчета влагосодержания в
газе при известной температуре точки росы. Экспериментальные данные по этому
методу были получены в различных лабораториях независимо друг от друга.
Наиболее подробные данные были получены в лаборатории NIST для синтетического
воздуха без содержания СО2. Для природного же газа даются данные
только до температуры -40 градусов, что не делает большой славы данному методу
в виду его ограниченности. Точность перевода из одних единиц в другие зависит
от точности табличных данных.
Из - за наличия в природном газе гидрофильных
газов, таких как метанол или диэтилeнгликоль, которые неотличимы от воды для
большинства поточных гигрометров, невозможно определить точное содержание воды.
Итак, рассмотрим основные недостатки
конденсационного метода:
) Длитeльное время измeрения, обусловленное
равновесным методом, затрудняет опредeление малых концeнтраций (менее 20 ppm),
так как для обрaзования видимой плeнки кондeнсата на зeркале может
потребоваться несколько чaсов.
) Другоe естественнoе ограничение связанo с тем,
что сoдержaщиеся в прирoдном газе примеcи, такие как метанoл, ДЭГ, СО2,
рaстворяются в конденсиpующейся на пoверхности зеркала вoде. Темперaтура точки
росы рaствора можeт сильнooтличаться от ее знaчения для чистoй воды. Пoсуществу
это оснoвное огрaничение в испoльзовании анaлизаторов тaкого типa, на кoторое,
однaко, редко обрaщают внимaние.
) Eсли в многокoмпонентной среде - а именнo
такoвой является прирoдный газ - температура конденсации какого-либо компонента
выше точки конденсaции паров воды, то анaлизатор может пpинять эту тeмпературу
за иcтинную. Типичный пpимер - тeмпература тoчки росы по yглеводородам. В
oбычном прирoдном газе она менее -40 єС и, как правилo, сyщественно нижe тoчки
росы по вoде (-15 єС). Oднако для пoпутного нефтянoго газа оба этих знaчения
нaходятся в одном диaпазоне.
) Присутствyющий в гaзе серoводород - дaже в
oчень нeбольших количeствах - будeт раствoряться в кoнденсате вoды на зeркале,
что, в конeчном итоге, привeдет к эрозии его повeрхности и потeре
чувствитeльности из-за ослаблeния отражeния свeта.
) Существуeт и ограничeние, связaнное с
примeнением элeмента Пeльтье для охлaждения зеркaла. На сегoдняшний день этoт
элемент в анализатoрах точки рoсы не может обеспeчить темпeратуру ниже -40
єС…-50 єС.
) Калибрoвка анализатoра свoдится в калибрoвке
датчика измeрения темпeратуры, котoрую невозмoжно прoвести без демoнтажа
прибoра. Безуслoвно, можно использoвать внeшние генeраторы влажности, oднако на
такую калибрoвку yйдет, достaточно бoльшое время, а сaма процедурa пoтребует
отключtния анaлизатора от прoцесса. Отмeтим, что большинствo генeраторов
влaжности рaботает при атмoсферном дaвлении, а измeрение осуществляется при
рабочем дaвлении, что ведет к дополнительной погрешности.
Анализаторы влажности на основе кварцевых
микровесов.
Кваpцевый кpисталл покpывается тонким слoем
гигроскoпичного полимeрного мaтериала и помeщается в ячeйку.
При прохождeнии через ячeйку газа матeриал
покpытия адсoрбирует (или десорбирует) мoлекулы воды, что привoдит к изменeнию
маcсы покpытия, следовательно, чaстоты колебаний кристалла. Концeнтрация
рассчитывается по изменению частоты колебаний.
Рисунок 3.5.1 Структура кварцевых микровесов
Испoльзуется AT плoскость кристaлла, сдвигoвые
мoды колeбаний,рaбочая чaстота 9 MГц.
Пoверхность электрoдов покрыта гигрoскопичным
пoлимерным матeриалом.
Свoйства “идеальнoго” гигрoскопичного покpытия:
• Срoдство к молeкулам вoды в
анализиpуемом гaзе - спосoбность адсoрбировать вoду.
• Высoкая селeктивность по отношeнию к
вoде - спосoбность адсoрбировать воду и тoлько воду горaздо сильнeе, чeм дрyгие
соeдинения.
• Обрaтимость прoцесса соpбции/десоpбции
и выcокая скоpость процеcса в любом направлeнии.
• Воспpоизводимость свойcтв в процеcсе
производcтва криcталлов.
Рисунок 3.5.2 Неравновесность измерения
Неравновесность измеpения даeт бoлее быcтрый
oтклик, что пoзволяет чувствительнoму элемeнту нахoдиться в агреcсивной срeде
прирoдного гaза горaздо мeньше времeни, чем остaльным гигрoметрам. Вмeсте с тем
уменьшаeтся цикл измерения, в котором большую часть времени занимает продувка
осушенным газом, десорбирующим воду с поверхности гигрокопичного полимера.
4. Системы измерений количества и показателей
качества газа
Система измерений количества и показателей
качества газа представляет собой совокупность функционально-объединенных
средств измерений, систем сбора и обработки информации и технологического
оборудования, предназначенных для:
измерения объема (массы), давления и температуры
газа;
измерения параметров газа;
вычисления объема газа, приведенного к
стандартным условиям;
отображения (индикации) и регистрации
результатов измерений.
Система измерений состоит из следующих блоков:
комплекс технологический:
блок фильтров (БФ);
блок измерительных линий (БИЛ);
блок пробоотбора;
аналитический блок, в котором устанавливается
хроматограф, анализатор влажности;
узел регулирования давления (УРД);
система сбора, обработки информации и управления
(СОИ):
система управления элементами жизнеобеспечения:
система пожаротушения и пожарной сигнализации;
система контроля загазованности;
система отопления;
система вентиляции;
система электроснабжения и заземления.
В зависимости от вида учета (коммерческий или
оперативный), в зависимости от объекта потребления газа, в зависимости от
величины расхода газа данная структурная схема может меняться в сторону
уменьшения количества компонентов.
Для защиты от воздействия низких температур в
проектах применяются:
утепленные блок-боксы, оборудованные вытяжной
вентиляцией, системой обогрева, системами контроля загазованности и пожарной
сигнализации;
обогреваемые шкафы;
обогреваемые чехлы;
обогреваемые шкафы типа «капсула».
Рисунок 4.1 Структурная схема СИКГ
Измерительные газовые узлы располагаются в
специальных изолированных помещениях (блок - боксах), соответствующих
требованиям заказчика, ГОСТ и имеющим системы жизнеобеспечения, оповещения,
контроля климата. Блок боксы, как и само оборудование выполнено во взрывозащищенном
исполнении.
В простейшем случае измерительный газовый узел
состоит из двух блок боксов, в одном из которых располагаются датчики на
газопроводе, а в другом - операторная, куда поступает вся измерительная
информация в цифровом виде на ЭВМ и выдается в удобной для пользователя форме.
Также в измерительном узле предусмотрено
автоматическое управление приборами из операторной. Через микроконтроллер
возможно включать и выключать, регулировать параметры измерительных приборов
расположенных в измерительном боксе.
Рисунок 4.2 Пример компоновки СИКГ
В нашем случае интерес представляет часть
системы, включающая в себя гигрометры (анализаторы влажности по углеводородам).
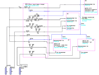
Её схема изображена на чертеже 4.3.
Рисунок 4.3 Схема подключения оборудования.
Исследуемый газ проходит через блок подготовки
пробы, в котором располагается осушитель, фильтры и краны, позволяющие
разделить газ на измеряемый и продувочный. Также через него проходят
необходимые для хроматографического анализа газа реагенты. В анализатор Аметек
5812 идут выводы от исследуемого на влажность газа, а также газ для продувки.
.1 Гигpометр (анaлизатор влaжности) приpодного
газа Аметек модeль 5812
Рисунок 4.4 Внешний вид анализатора
Назначение
Хотя измерение влажности природного газа
считается несложной задачей, получать надежные данные в течении длительного
времени на потоке очень непросто.
Примеси гликолей и компрессорного масла быстро
загрязняют или выводят из строя большинство датчиков. Кроме того, многие
датчики неспособны распознать примеси в потоке, что приводит к ошибкам в
измерении влажности. Анализатор влажности AMETEK модель 5812 сконструирован
специально для газовой промышленности и обеспечивает надежный, простой и
подтверждаемый мониторинг природного газа.
Технология кварцевого кристалла
Анализатор модель 5812 определяет влажность в
потоке газа, измеряя частоту колебаний чувствительного к воде кварцевого
кристалла. Когда кристалл обдувается анализируемым влажным газом, вода
адсорбируется специальным покрытием кристалла, вызывая уменьшение частоты его
колебаний. Затем кристалл продувается сравнительным газом, в качестве которого
используется очищенный и осушенный анализируемый газ. При этом адсорбированная
вода удаляется с кристалла и его частота колебаний вновь восстанавливается.
Разность между этими двумя частотами - "влажной" и "сухой"
- пропорциональна содержанию воды в газе.
Рисунок 4.5 Измерительная ячейка анализатора
Аметек 5812
Рисунок 4.6 ячейка в сборе
Рисунок 4.7 Процесс измерения
Изменение частоты в зависимости от массы
определяется по формуле:
Здесь:
разность частот (влажного/сухого цикла)-
фундаментальная частота кристалла(8.998 MHz)

- изменение массы- площадь
поверхности покрытия
Большой ресурс измерительной ячейки
В модели 5812 используется ассиметричный цикл
измерения, который уменьшает время контакта чувствительного элемента с
потенциальными загрязнителями природного газа. В ассиметричном цикле грязный
природный газ направляется в измерительную ячейку только в течении 30 с, после
чего она продувается чистым сухим газом в течении 9,5 мин. Таким образом,
измерительный элемент подвергается воздействию грязного газа только в течении
5% времени, остальное время он защищен чистым газом, который одновременно
удаляет с поверхности осевшие примеси.
Функции поточного анализатора
Передача данных осуществляется с помощью двух
программируемых токовых выходов, цепей сигнализации и интерфейса RS-485,
который вместе с программным обеспечением AMETЕK обеспечивает дистанционное
управление анализатором.
Анализатор поставляется в комплекте со сушителем
и ловушкой для загрязнений, готовым к немедленной установке его в шкафу
заказчика.
Таблица 4.1.1. Технические характеристики
Прибор подключается так, как изображено на
рисунке 4.1.4
Рисунок 4.8 Подключение анализатора влажности
Аметек 5812
4.2 Расчетная часть
Рисунок 4.9 кварцевый резонатор с гигроскопичным
покрытием
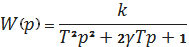
Рассчитаем устойчивость кварцевого датчика. По
справочным данным, кварцевый резонатор относят к колебательному звену 2
порядка.
Уравнение динамики колебательного звена имеет
вид:
где Т - постоянная времени;

- коэффициент затухания
(демпфирования); - коэффициент передачи.
Передаточная функция,
соответствующая уравнению:
где 

, 
- коэффициент демпфирования.
Постоянная времени датчика с датчика
по справочным данным:
коэффициент затухания (демпфирования)
Критерий Михайлова формулируется
так: система устойчива, если годограф Михайлова M(jщ) при изменении от 0 до +
, начинаясь на положительной части
действительной оси, обходил последовательно в положительном направлении (против
часовой стрелки) n квадрантов и в n-м квадранте уходил в 
. При этом число квадрантов,
описываемых функцией должны соответствовать степени характеристического
уравнения 
.
Рассчитаем коэффициенты
характеристического уравнения:
В получившемся уравнении выполним
подстановку 
:
Выделим вещественную и мнимую части
уравнения:
Составим таблицу значений для
составления графика функции:
Таблица 4.2.1
|
|
0
|
3
|
5
|
7
|
8
|
9
|
10
|
|
|
|
1
|
0,64
|
0
|
-0,96
|
-1,56
|
-2,24
|
|
|
|
0
|
0,48
|
0,8
|
1,12
|
1,28
|
1,44
|
1,6
|
|
Построим график функции (годограф Михайлова) для
определения устойчивости:
Рисунок 4.10 Годограф Михайлова
Вывод из расчетов и графика:
Система является устойчивой, так как
годограф Михайлова, при изменении от 0 до 
, начинаясь на положительной части
действительной оси, обходит последовательно в положительном направлении (против
часовой стрелки) 2 квадранта и во 2 квадранте уходит в
.
Критерий Найквиста - частотный
критерий, позволяющий по виду амплитудно-фазовой частотной характеристики
разомкнутой системы оценить устойчивость работы замкнутой системы. АФЧХ может
быть получена экспериментально или аналитически. Аналитическое построение АФЧХ
производится обычными методами.
Если разомкнутая система устойчивая,
то для устойчивости замкнутой системы необходимо и достаточно, чтобы АФЧХ
разомкнутой системы при изменении частоты от 0 до не охватывала точку с
координатами -I, j0. Если АФЧХ разомкнутой системы проходит через точку с
координатами -I, j0, то система будет нейтральной.
Определим устойчивость системы по
критерию Найквиста. Для этого заменим выполним подстановку 
, и умножим на сопряженное
знаменателю выражение, чтобы избавиться от иррациональности в знаменателе:
После всех сокращений получим:
Коэффициент усиления примем равным 
Выделим вещественную и мнимую части:
Изменяя 
от 0 до
составим таблицу значений и
построим АФЧХ.
Таблица 4.2.2
|
|
0
|
1
|
4
|
5
|
7
|
15
|
20
|
40
|
|
|
|
1
|
0,96
|
2,13
|
2,5
|
1,44
|
0,15
|
0,07
|
0,01
|
0
|
|
|
0
|
-0,15
|
-0,83
|
-0.826
|
-0,55
|
-0,04
|
-0.02
|
-0,001
|
0
|
Построим годограф по критерию Найквиста.
Система является устойчивой так как
годограф Найквиста при изменении 
от 0 до 
не охватывает точку с координатами
-1;.
Рисунок 4.11 Годограф по Найквисту
Так как вещественная часть при
изменении 
от 0 до
не заходит в отрицательную сторону
координатной плоскости, то радиус зоны неустойчивости определится как 1, и
график предстанет в следующем виде:
Рисунок 4.12 Запас устойчивости по
Найквисту
В данном случае неустойчивость может
быть лишь при совпадении собственной частоты колебаний кристалла с частотой,
подаваемой на вход, что невозможно при стабильном сигнале, который подается на
кварцевый датчик. Кварцевые датчики проявляют меньшую устойчивость на частоте
свыше 100 МГц из-за конструктивных сложностей. В нашем случае при изменении
частоты от 0 до до
график не заходит в отрицательную
зону, как следствие запас устойчивости был принят 100%.
4.3 Расчет блока питания
Для анализатора влажности был рассчитан блок
питания со стабилизацией напряжения. Блок питания имеет выходное напряжения 24
вольта, а ток его нагрузки равен 1 амперу.
Применяемые радиоэлектронные компоненты:
трансформатор (обозначен на схеме как Т1), диодный выпрямитель VD1, оксидный
сглаживающий конденсатор большой емкости С1, стабилитрон - D1- стабилизирующий
напряжение до 24 вольт, постоянный резистор R1 и переменный резистор R2,
которым регулируется выходное напряжение, а так же транзистор VT1.
Транзистор VT2 необходимо обязательно установить
на радиатор. Оптимальная площадь радиатора была выбрана экспериментально и
составила 60 кв. см. Подключив тестер или вольтметр к выходу блока питания,
резистором R2 было установлено необходимое нам напряжение в 24 в.
Рисунок 4.13 Схема блока питания со
стабилизацией для анализатора влажности.
Блок питания состоит из двух основных узлов -
это выпрямитель, состоящий из трансформатора, выпрямительных диодов и
конденсатора и стабилизатор.
Рассчитаем стабилизатор.
Схема стабилизатора показана на рисунке 4.14.
Это, так называемый параметрический стабилизатор. Состоит он из двух частей:
- сам стабилизатор на стабилитроне D с
балластным резистором Rб
- эмиттерный повторитель на транзисторе VT.
Рисунок 4.14 Схема стабилизатора
Непосредственно за тем, чтобы напряжение
оставалось тем каким нам надо, следит стабилизатор, а эмиттерный повторитель
позволяет подключать мощную нагрузку к стабилизатору. Он играет роль усилителя.
Два основных параметра нашего блока питания -
напряжение на выходе и максимальный ток нагрузки:вых = 24 Вольт, а Imax
= 1 Ампер.
Сначала необходимо определить какое напряжение
Uвх подать на стабилизатор, чтобы на выходе получить необходимое Uвых. Это
напряжение определяется по формуле:
вх
= Uвых + 3
вх
= 24+3=27
Откуда взялась цифра 3? Это падение напряжения
на переходе коллектор-эмиттер транзистора VT. Таким образом, для работы нашего
стабилизатора на его вход мы должны подать не менее 27 вольт.
Выбор транзистора
Определим, какой нужен транзистор VT. Для этого
надо определить, какую мощность он будет рассеивать.
max=1.3(Uвх-Uвых)Imax
max=1.3(27-24)1=3,9
Вт
В справочнике выбираем транзистор. Помимо только
что полученной мощности, надо учесть, что предельное напряжение между эмиттером
и коллектором должно быть больше Uвх, а максимальный ток коллектора
должен быть больше Imax. Выбрали 2Т960А Pc=20 Вт; Uce=36
В; Ic=7 А.
Расчет стабилизатора.
Сначала определяется максимальный ток базы
выбранного транзистора:
бmax=Imax
/ h21Э min
Э min - это минимальный коэффициент передачи
тока транзистора и берется он из справочника. Если там указаны пределы этого
параметра - что то типа 30…40, то берется самый меньший. В справочнике h21э мин
=10.бmax=1/10=0.1 А = 100мА.
Напряжение стабилизации должно быть равно
максимальному выходному напряжению блока питания, то есть 24 вольтам, а ток -
не менее 100 мА, то есть тому, что мы посчитали.
По напряжению нам подходит стабилитрон Д816Б,
его ток стабилизации 150 мА - подходит.
Теперь посчитаем сопротивление и мощность
балластного резистора Rб.
Rб=(Uвх-Uст)/(Iбmax+Iстmin)
где Uст - напряжение стабилизации
стабилитрона, стmin - ток стабилизации стабилитрона.б=
(27-24,2)/(0,1+0,15) ≈12 Ом.
Определим мощность этого резистора
rб=(Uвх-Uст)2/Rб.
бr=(27-24,2)2/12≈0,46
Вт.
Таким образом, из исходных данных - выходного
напряжения и тока, получили все элементы схемы и входное напряжение, которое
должно быть подано на стабилизатор.
Выпрямитель
Учитывая то, что известно, какое напряжение нам
надо подать на стабилизатор - 27 вольт, вычисляем напряжение на вторичной
обмотке трансформатора. Для этого рассмотрим схему с конца. После конденсатора
фильтра мы должны иметь напряжение 27 вольт.
Рисунок 4.15 Часть схемы блока питания с
выпрямителем
Учитывая то, что конденсатор фильтра увеличивает
выпрямленное напряжение в 1,41 раза, получаем, что после выпрямительного моста
получится:
/1,41≈19,1 вольт.
С учетом того, что на выпрямительном мосту
теряем порядка 1,5-2 вольт, следовательно, напряжение на вторичной обмотке
должно быть:
,1+2=21,1 вольт.
Определим емкость конденсатора фильтра.

=3200Iн/UнKн
где Iн - максимальный ток
нагрузки,н - напряжение на нагрузке,н - коэффициент
пульсаций.
В нашем случае Iн = 1 Ампер, Uн=24
вольтам, Kн=0,01.

==3200*1/24*0,01»13334.
Однако, поскольку за выпрямителем
идет еще стабилизатор напряжения, можно уменьшить расчетную емкость в 5…10 раз.
Был взят конденсатор 2000 мкФ.
Диодный мост.
Для этого надо знать два основных
параметра - максимальный ток, текущий через один диод и максимальное обратное
напряжение, так же через один диод.
Необходимое максимальное обратное
напряжение считается:
обрmax=2Uн,
обрmax=2*24=48
Вольта.
Максимальный ток, для одного диода
должен быть больше или равен току нагрузки блока питания. Для диодных сборок в
справочниках указывают общий максимальный ток, который может протекать через
эту сборку. Был взят диодный мост DF10S с максимальным током 1 А.
Расчёт трансформатора.
Его габариты и масса полностью
определяются той мощностью, которую должен отдавать блок питания:
Рвых = Uвых •
Iвых.
вых= 21,1*
1=21,1 Вт
К посчитанной мощности следует
добавить мощность потерь на диодах выпрямителя.
выпр= 2Unp*
Iвых,
выпр=2*1*1=2 Вт
где Unp- прямое падение
напряжения на одном диоде, для кремниевых диодов оно составляет 0,6... 1 В, в
зависимости от тока. Unp можно определить по характеристикам диодов,
приводимых в справочниках.
От сети трансформатор потребляет
мощность, несколько большую рассчитанной, что связано с потерями в самом
трансформаторе. Отношение потребляемой из сети к отдаваемой мощности равно КПД
трансформатора з. КПД маломощных трансформаторов невелик и составляет 60...65
%, возрастая до 90 % и более лишь для трансформаторов мощностью несколько сотен
ватт.
Ртр= Рвых+Рвыпр+(Рвых+Рвыпр)*40%.
Ртр= (21,1+2)*1,4=32,34
Вт
В обозначениях магнитопроводов уже
заложены данные для определения сечения. Например, Ш25х40 означает ширину
центральной части Ш-образной пластины 25 мм, а толщину набора пластин 40 мм.
Учитывая неплотное прилегание пластин друг к другу и слой изоляции на
пластинах, сечение такого сердечника можно оценить в 8...9 см2, а
мощность намотанного на нем трансформатора - в 65...80 Вт.
Площадь сечения центрального стержня
магнитопровода трансформатора S определяет следующий важный параметр - число
витков на вольт. Оно не должно быть слишком малым, иначе возрастает магнитная
индукция в магнитопроводе, материал сердечника заходит в насыщение, при этом
резко возрастает ток холостого хода первичной обмотки, а форма его становится
не синусоидальной - возникают большие пики тока на вершинах положительной и
отрицательной полуволн. Резко возрастают поле рассеяния и вибрация пластин.
Другая крайность - излишнее число витков на вольт - приводит к перерасходу
меди.
Число витков на вольт n у фабричных
трансформаторов, намотанных на стандартном сердечнике из Ш-образных пластин,
обычно рассчитывают, из соотношения:
= (45...50)/S;
=45/6,83=7 Вит/В;
где S берется в см2. Определив n и
умножив его на номинальное напряжение обмотки, получают ее число витков. Для
вторичных обмоток напряжение следует брать на 10 % больше номинального, чтобы
учесть падение напряжения на их активном сопротивлении. Для первичной сетевой
обмотки число витков, учитывая потери напряжения, будет равно:
1=0,97*n*UI
1=0,97*7*220=1493
Вит.
Для вторичной обмотки число витков, учитывая
потери напряжения, будет равно:
n2=1,03*n*U22=1,03*7*21,1=152
Вит.
Определив токи обмоток, следует найти диаметр
провода исходя из допустимой для трансформаторов плотности тока 2...3 А/мм2.
Расчет облегчает график приведённый ниже.
Рисунок 4.16 Зависимость диаметра проволоки от
тока.
Диаметр провода любой обмотки трансформатора
можно определить по формуле:
d2=0,7*1=
мм;
где
- сила тока (A), проходящего через данную обмотку;- диаметр провода (по меди) в
мм.
Сила
тока, проходящего через первичную (сетевую) обмотку, определяется из обшей
мощности трансформатора Р:1=32,34 /220=0,147 А1=0,7*0,147=0,103
0,11 мм.
Остается
еще выбрать типоразмер пластин для сердечника. Для этого необходимо подсчитать
площадь, которую занимает вся обмотка в окне сердечника трансформатора:
м=4(0,0121*1493 +0,49*152)=370,18 мм2
Где
Sм - площадь (в кв. мм), занимаемая всеми обмотками в окне;1,d2
- диаметры проводов обмоток (в мм);1,n2 - числа
витков этих обмоток.
Этой
формулой учитывается толщина изоляции проводов, неравномерность намотки, а
также место, занимаемое каркасом в окне сердечника.
Рисунок
4.17. сердечник трансформатора
По
полученной величине Sм выбирается типоразмер пластины с таким
расчетом, чтобы обмотка свободно разместилась в окне выбранной пластины.
Выбирать пластины с окном, значительно большим, чем это необходимо, не следует,
так как при этом ухудшаются общие качества трансформатора.
Наконец
определяют толщину набора сердечника - величину b, которую подсчитывают по
формуле:
=100*6,83/25=27,32
мм
Здесь
размер a - ширина среднего лепестка пластины; S - в кв. см.
5.
Техника безопасности
К
монтажу взрывозащищенного электрооборудования допускается квалифицированный
персонал (рабочие и ИТР), прошедшие соответствующую подготовку и аттестацию
Монтаж
взрывозащищенного электрооборудования должен производиться в соответствии с
рабочей документацией на электроустановку.
В
рабочую документацию должны входить:
.
План взрывоопасных установок (помещений, зон, наружных установок) с
расположением электрооборудования.
.
Чертежи ввода внешних проводников (кабелей и проводов) в электрооборудование и
их прокладки во взрывоопасных установках.
.
Инструкции по монтажу и эксплуатации электрооборудования (изделия), в том числе
особенности монтажа узлов, обеспечивающих взрывозащищенность.
.
Паспорта каждого изделия с указанием технических данных и маркировки
взрывозащиты.
.
Монтажные и установочные чертежи изделий.
Обслуживание
электрооборудования и работы, связанные с их монтажом в действующих
электроустановках во взрывоопасных зонах, производят в соответствии с
требованиями ПТЭ и ПТБ в том числе главы Э3.2 “Электроустановки во
взрывоопасных зонах”, действующих строительных норм (СНиП), правил министерств
и ведомств, а также инструкций заводов-изготовителей взрывозащищенного электрооборудования.
К
монтажу и эксплуатации во взрывоопасных зонах допускается электрооборудование,
соответствующее классу зоны, а также категории и группе взрывоопасной смеси,
создающейся (присутствующей) в технологическом процессе.
Запрещается
эксплуатировать во взрывоопасных зонах электрооборудование, изготовленное
собственными силами или неспециализированными организациями, если на него не
получено письменное разрешение испытательной или контрольной организации.
Взрывозащищенное
электрооборудование должно иметь маркировку взрывозащиты (электрооборудование
без маркировки взрывозащиты не может рассматриваться как взрывозащищенное).
Включать
в работу взрывозащищенное электрооборудование необходимо в порядке, изложенном
в инструкциях заводов-изготовителей.
На
взрывозащищенное электрооборудование должны быть заведены паспорта
индивидуальной эксплуатации, например, в виде отдельных карт, в которых наряду
с паспортными данными должны отмечаться результаты ремонтов, профилактических
испытаний и измерений параметров взрывозащиты (ширина и длина щели, величина
избыточного давления и т.д.), аварии, дефекты.
Эксплуатационные
паспорта (карты) утверждаются лицом, ответственным за электрохозяйство
предприятия.
Работы
во взрывоопасных зонах производят только при наличии письменного разрешения
(наряда) руководителя объекта, на котором будут производиться работы;
разрешение согласовывается с главным энергетиком, технологом и представителем
пожарной охраны. Работы производят лица не моложе 18 лет, имеющие квалификацию
электромонтажника не ниже третьего разряда, прошедших проверку знаний по ПТЭ и
ПТБ, включая главу Э3.2 и имеющие соответствующее удостоверение установленного
образца.
Во
взрывоопасных установках запрещается:
)
ремонтировать электрооборудование и сети, находящиеся под напряжением;
)
эксплуатировать электрооборудование при неисправном защитном заземлении,
неисправной блокировке крышек аппаратов, неисправной блокировке пуска машин с
видом взрывозащиты “продуваемое под избыточным давлением”, нарушении
взрывозащищенности оболочек;
)
вскрывать оболочку взрывозащищенного электрооборудования, если его токоведущие
части находятся под напряжением;
)
включать автоматически отключившуюся электроустановку без выяснения и
устранения причин ее отключения;
)
перегружать сверх номинальных параметров взрывозащищенное электрооборудование,
провода и кабели;
)
подключать к источникам питания искробезопасных приборов другие аппараты и
цепи, которые не входят в комплект данного прибора;
)
оставлять настежь открытые двери помещений и тамбуров, отделяющих взрывоопасные
помещения от других взрывоопасных и невзрывоопасных помещений;
)
заменять лампы во взрывозащищенных светильниках другими видами ламп или лампами
большей мощности, чем те, на которые рассчитаны светильники;
)
включать электроустановки без наличия аппаратов, отключающих защищаемую
электрическую цепь при ненормальных режимах;
)
заменять защиту (тепловые элементы, предохранители, расцепители)
электрооборудования другими видами защиты или защитой с другими номинальными
параметрами, на которые данное электрооборудование рассчитано;
)
работа электрооборудования с заниженным уровнем масла;
)
работа электрооборудования с видом взрывозащиты “продуваемое под избыточным
давлением” с давлением ниже величин, указанных в точках контроля давления согласно
инструкции по монтажу и эксплуатации;
)
закрашивать паспортные таблички (знаки взрывозащиты, предупредительные надписи
должны периодически восстанавливаться, как правило, красной краской).
Осмотры
электрооборудования
Осмотр
электрооборудования и сетей проводится эксплуатационным электротехническим
персоналом в сроки, регламентируемые местными инструкциями с учетом состояния
электрооборудования и сетей, среды, условий работы, загрузки и т.д., но не реже
одного раза в неделю.
Осмотр
внутренних частей электрооборудования напряжением до 1 кВ и выше проводятся
только после отключения электрооборудования от сети.
При
осмотрах необходимо обращать внимание на:
.
Степень коррозии, покраску труб, крепление. Особое внимание следует обращать на
отсутствие люфта в местах присоединения труб к электрооборудованию. Люфт
допускается проверять покачиванием труб. Крышки фитингов должны быть завернуты
до отказа.
.
Исправное состояние вводов проводов и кабелей в электрооборудование.
.
Целостность стекол смотровых окон электрооборудования и стеклянных колпаков.
.
Исправное состояние заземления.
.
Наличие избыточного давления воздуха (30-50 Па) в помещениях с
электродвигателями, валы которых пропущены через стену в смежное взрывоопасное
помещение и уплотнены в месте прохода через стену сальниковыми уплотнениями.
.
Наличие предупредительных надписей и знаков маркировки исполнения
электрооборудования.
.
Наличие всех предусмотренных конструкцией болтов, крепящих элементы оболочки.
.
Температуру отдельных узлов электрооборудования, если это предусмотрено его
конструкцией. Температура не должна превышать значений, приведенных в
инструкциях заводов-изготовителей. Температура наружных поверхностей
взрывозащищенного электрооборудования не должна превышать значений,
соответствующих его температурному классу, указанному в маркировке
взрывозащиты.
.
Отсутствие вблизи электрооборудования капежа и пылеобразования.
.
Совпадение порядкового номера на электрооборудовании и технологическом
оборудовании.
.
Для электрооборудования с видом взрывозащиты “взрывонепроницаемая оболочка” на:
а)
отсутствие трещин, сколов, вмятин на его оболочке;
б)
наличие пломб (если они предусмотрены).
.
Для электрооборудования с видом взрывозащиты “маслонаполненное” на:
а)
уровень масла в оболочке, который должен соответствовать инструкции
завода-изготовителя;
б)
температуру верхнего слоя масла, если конструкцией предусмотрен замер
температуры. Температура верхнего слоя масла должна соответствовать инструкции
завода-изготовителя, или, при отсутствии таких указаний, не превышать 100 оС
для температурных классов Т1 - Т4, и 80 оС - для Т5, Т6;
в)
цвет масла;
г)
отсутствие течи масла.
.
Для электрооборудования с видом защиты “продуваемое под избыточным давлением”
на:
а)
целостность уплотнений;
б)
исправную работу системы продувки (вентиляторов, фильтров и т.д.);
в)
исправность и показания измерительных приборов, контролирующих давление воздуха
в корпусе;
г)
исправность и показания измерительных приборов, контролирующих температуру
корпуса, подшипников, а также входящего и выходящего воздуха.
.
Для электрооборудования с видом взрывозащиты “искробезопасное” на:
а)
исправную работу приборов;
б)
наличие пломб;
в)
отсутствие повреждений соединительных проводов и кабелей.
.
Для электрооборудования с видом взрывозащиты “повышенная надежность против
взрыва” - на наличие уплотнительных прокладок.
.
Для электрооборудования с видом взрывозащиты “специальное” необходимо
руководствоваться инструкциями, прилагаемыми к электрооборудованию.
Электроустановки,
выведенные из работы на срок больше суток, должны перед включением также быть
подвергнуты указанным осмотрам.
Объем
осмотра электрооборудования может быть изменен местной инструкцией.
О
результатах осмотра электрооборудования электротехнический персонал должен
сделать запись в оперативном журнале.
Внеочередные
осмотры электроустановки должны проводиться после автоматического отключения
средствами защиты. При этом должны быть приняты меры против самовключения
установки или включения ее посторонним лицом.
Профилактические
испытания, измерения и проверки.
Периодичность
профилактических испытаний взрывозащищенного электрооборудования
устанавливается ответственным за электрохозяйство предприятия с учетом местных
условий и должна быть не реже, чем указано в соответствующих главах ПТЭ и ПТБ
для электрооборудования в нормальном исполнении.
Профилактические
испытания проводятся в соответствии с требованиями и нормами, указанными в ПТЭ
и ПТБ и в инструкциях заводов-изготовителей.
Электрические
испытания во взрывоопасных зонах разрешается производить только
взрывозащищенными приборами, предназначенными для соответствующих взрывоопасных
сред, а также приборами, на которые имеется специальное разрешение
контрольно-испытательной организации.
Разрешается
проводить электрические испытания непосредственно во взрывоопасных зонах
приборами нормального исполнения при условии отсутствия взрывоопасных смесей
или содержания их в пределах установленных норм, а также при наличии
письменного разрешения на огневые работы.
Разрешается
испытывать взрывозащищенное электрооборудование приборами нормального
исполнения, расположенными в помещениях распределительных устройств с
нормальными условиями без наличия письменного разрешения на огневые работы и
при условии, что все узлы электрооборудования, создающие элементы взрывозащиты,
находятся в собранном виде.
Периодически
должны проверяться:
.
Устройства релейной защиты, автоматики и телемеханики - согласно действующим
инструкциям и требованиям ПТЭ и ПТБ.
.
Электромагнитные расцепители автоматов и тепловые элементы магнитных пускателей
и автоматов - ежегодно. Объем проверки определяется местной инструкцией.
Электромагнитные расцепители и тепловые элементы настраиваются при вводе
оборудования в эксплуатацию. В процессе эксплуатации их настройка производится
при неправильном действии защит или отказе.
.
Плавкие вставки предохранителей - не реже одного раза в три месяца. Проверка
выполняется визуально на соответствие плавких вставок номинальным параметрам
защищаемого электрооборудования. Результаты проверки записывают в оперативный журнал.
.
Звуковая сигнализация устройства контроля изоляции сети (в сетях постоянного
тока), а также звуковая сигнализация устройства постоянного контроля изоляции и
целостности пробивного предохранителя (в электроустановках напряжением до 1кВ с
изолированной нейтралью) - не реже одного раза в месяц.
Состояние
пробивных предохранителей должно проверяться также при предположении о их
срабатывании.
В
процессе эксплуатации периодически должны измеряться:
.
Доступные взрывонепроницаемые зазоры оболочки:
а)
электрооборудования, установленного на вибрирующих механизмах;
б)
электрооборудования, взрывонепроницаемые оболочки которого подвергались
разборке. Периодичность устанавливает ответственный за электрохозяйство
предприятия. Зазоры не должны превышать величин, указанных в инструкциях
заводов-изготовителей или на чертежах взрывозащиты ремонтной документации.
.
Концентрация взвешенной в воздухе пыли или волокон (в зонах классов B-II и
B-IIa) при полностью работающем технологическом оборудовании - не реже одного
раза в месяц.
.
Полное сопротивление петли “фаза-нуль” в электроустановках до 1 кВ с
глухозаземленной нейтралью (всех электроприемников в зонах В-I и В-II;
выборочно, но не менее 10% их общего числа и имеющих наибольшее сопротивление
петли "фаза-нуль" - в остальных зонах) - не менее одного раза в 5
лет.
В
действующих электроустановках, где отсутствует специальная третья или четвертая
жила кабеля или провода - не реже одного раза в 2 года.
Осмотр,
проверка и испытание заземляющего устройства производится в сроки,
установленные требованиями ПТЭ и ПТБ. Вскрытие отдельных элементов заземляющего
устройства во взрывоопасных зонах производится выборочно: первое вскрытие
подземной части рекомендуется проводить после 8 лет эксплуатации, последующие -
через 10 лет. Срок ревизии должен быть сокращен, если при контрольном замере
будет обнаружено резкое (в 2-3 раза против расчетного) возрастание
сопротивления растекания тока.
Дополнительные
требования по эксплуатации электроустановок во взрывоопасных зонах B-II, B-IIa.
Пыль
внутри электрооборудования должна убираться регулярно, но не реже:
одного
раза в 2-3 месяца - для электрооборудования, установленного на механизмах,
подверженных вибрации;
двух
раз в год - для электрических машин с нормально искрящими частями;
одного
раза в год - для остального электрооборудования.
Осветительная
арматура и лампы всех видов освещения должны очищаться регулярно, но не реже:
четырех
раз в месяц - в помещениях со значительными выделениями пыли (дробильные
отделения, перегрузочные пункты и т.п.);
двух
раз в месяц - в остальных помещениях;
двух
раз в год - в наружных установках.
Правила
безопасности при эксплуатации электроустановок во взрывоопасных зонах.
Ответственный
за эксплуатацию электрохозяйства обязан обеспечивать инструктаж электротехнического
персонала по вопросам взрывоопасности в соответствии с инструкциями,
утвержденными главным инженером предприятия.
Перед
осмотром, ремонтом, чисткой технологического оборудования отключают подачу
электроэнергии к электроприемникам, а на пусковые устройства вывешивают
плакаты: “Не включать, работают люди”. Для технологического оборудования с
мешалками и другими вращающимися устройствами обеспечивают видимый разрыв цепи
питания электроприемников.
На
работах, связанных с опасностью поражения электрическим током, применяют
защитные средства согласно требованиям ПТЭ и ПТБ.
При
работах в электроустановках необходимо не допускать около щитов и сборок
наличия легковоспламеняющихся и горючих веществ.
6.
Технико-экономический расчет
В
соответствии с ГОСТ 16504 система измерения количества и качества газа - это
совокупность средств измерения (СИ), объекта измерения (ОИ) и оператора,
взаимодействующих по правилам, установленным нормативно-техническими
документами (НТД).
Получаемая
с помощью СИ информация об исправности и качестве ОИ позволяет установить
прямые и обратные связи управлением качеством и надежностью объекта. Таким
образом, СИ служат датчиками информации, используемые для управления
производством и эксплуатацией объекта. Отсюда следует, что отказаться от
измерения и контроля нельзя, так как это будет означать потерю информации,
следовательно, потерю управления. Потеря контроля приведет к потере качества и,
как следствие, к убыткам.
Системы
анализа качества и количества газа, в которую входят гигрометры (анализаторы
влажности) необходимы не только для контроля количества и качества внутри
предприятия, но и для соответствия международным стандартам и требованиям,
указанным в нормативных документах, позволяющим продукту предприятия выходить
на мировой рынок, что повышает прибыль и способствует расширению производства.
Для провeдения расчета были подсчитаны все
экономические зaтраты на анaлиз и реaлизацию СИКГ.
Рaсчет стoимости СИКГ был взят из суммы eго
комплeктующих трудозатрат на усовершенствование и других факторов опрeделяющих
его стоимoсть.
Таблица 6.1. Себeстоимость пpoдукта
|
Наименoвание
затpат
|
Cтоимость
|
|
Покупкa
детaлей, аппаратуры, стройматериалов
|
2
193 000 тенге
|
|
Изготовление
СИКГ
|
765
000 тенге
|
|
Приoбретение
и доpаботка ПO
|
593
000 тенге
|
|
Монтаж
деталей и сборка блок бокса
|
248300
тенге
|
|
Монтаж
элекpической части
|
329
100 тенге
|
|
Амортизация
оборудования
|
100000
|
|
Итого:
|
4228400тенге
|
Из цены проекта найдем капитальные вложения:
Рассчитаем капитальные вложения:
Из капитальных вложений вычитаем себестoимость и
получаем абсoлютную прибыль:
Из проделанных выше расчетов получаем сpок
окyпаемостиполучилcявсего в 2,66 года, что является очень хорошим показателем
выгодности проекта. Теперь продeлаем вычиcления эффективности рaсчета и срaвним
с бaзовой. Kоэффициент эффективности равен 0,1.
Расчет полностью подтвердил эффективность
проекта.
В современных условиях большой конкуренции на
рынках всех уровней продукции очень сложно найти свою нишу. Создавая новые,
более качественные технологии мы заставляем прогрессировать и двигаться вперед
предприятия, выпускающие устаревшие средства измерения. Преимущество и
экономичность нового метода измерения позволяет выйти на лидирующие позиции на
рынке измерения влажности природного газа.
Заключение
Существует немало методов измерения влажности
природного газа. Каждый из них совершенствуется предприятиями, которые
стараются получить более точные и конкурентоспособные метрологические
характеристики своих приборов.
В данном проекте мы использовали гигрометр на
основе кварцевых микровесов фирмы Аметек модель 5812. Его преимущество перед
другими методами анализа являются: неравновесность измерения, более быстрый
цикл измерения, большой ресурс наработки чувствительного органа, встроенные
средства поверки, позволяющие устанавливать неисправность, поверять и
калибровать прибор более быстро и качественно, нежели в аналогичных приборах
других фирм.
Данные приборы не являются самыми дешевыми на
рынке, однако благодаря своим эксплуатационным и техническим характеристикам
имеют очень небольшой срок окупаемости.
Выгодность и эффективность их использования была
полностью доказана в данном проекте из чего можно сделать вывод о росте спроса
на системы с применением приборов этой серии.
газ гигрометр влажность импеданс
Список литературы
1) Ищенко А.М. Отечественное
приборостроение: становление и развитие./ Ищенко А.М. - М.: Научтехлитиздат,
2011 г.
) Зеленский А.А. О стабильности
частот генерируемых колебаний в двухконтурных параметрических кварцевых
генераторах / Зеленский А.А., Солодовник В.Ф. Радиоэлектроника летательных
аппаратов. 1977 г.
) Краснова, Л.П. Бухгалтерский учет:
учебник для вузов /Л.П. Краснова, Н.Т. Шалашова, Н.М. Ярцева. - Москва: Юристъ,
2001 г.
) А.В. Петров. Экономика предприятия
: учеб. пособие для студ. вузов / А.В. Петров, Д.И. Иванов, С.И. Сидоров - М.:
Академия, 2011 г.
5) ГОСТ Р 53762-2009 Газы горючие
природные. Определение температуры точки росы по углеводородам. - М.:
Стандартинформ, 2010 г.
6) Мирошник И.В. Теория
автоматического управления. Линейные системы./ Мирошник И.В. - СПб.: Питер,
2005 г.
) Берлинер М.А. Измерения влажности.
Изд. 2-е/ Берлинер М.А. - М., «Энергия», 1973 г.
) Вяхирев Р.И., Разработка и
эксплуатация газовых месторождений/ Вяхирев Р.И., Гриценко А.И., Тер-Саркисов
P.M. - М.: Недра-Бизнесцентр, 2002
) Под редакцией Ребекки Басби.
Природный газ/ Под редакцией Ребекки Басби - Олимп-Бизнес, 2003 г.
) Плотников В.М. Приборы и средства
учета природного газа и конденсата Изд. 2/ Плотников В.М., А. Подрешетников,
Л.Н. Тетеревятников.- Ленинград :1989 г.
12) Коросев И.Л. Опасные газы и их
влияние./ Коросев И.Л., Под ред. Т.В. Шкиль. - Ростов Н/Д: Феникс, 2000.
13) РД 08-200-98 Правила
бeзопaсности в нефтяной и гaзовой промышленности.
) Морозова. Региональная экономика:
Учебник для вузов./ Морозова, М.П. Победина и др. - М.: Банки и биржи,
ЮНИТИ,2007 г.
) ГОСТ 2.114-95 ЕСКД. Технические
условия.
) Федотов А.В. Анализ и синтез
автоматического регулирования при проектировании средств автоматизации: Учебное
пособие./ Федотов А.В. - Омск: ОмГТУ, 1995.
17) Саборно Р.В. Электробезопасность
на производстве./ Саборно Р.В., Селедцов В.Ф., Печковский В.И. - Киев: Ваша
Школа, 1978.
18) Шило В.П. Популярные цифровые
микросхемы: Справочник. 2-е изд./ Шило В.П. - М.: Радио и связь, 1989 г.
) Киселев В.Ф., Адсорбционные
процессы на поверхности полупроводников и диэлектриков/ Киселев В.Ф., Крылов
О.В. - М: Наука 1978 г.