Инженерная графика как эффективная методика в лесном хозяйстве
Введение
В настоящее время учебная дисциплина «Инженерная
графика» обязательна для многих специальностей как дневной, так и заочно формы
обучения. Программы курсов постоянно перерабатываются с учетом и в соответствии
с новыми стандартами ЕСКД, с учетом внедрения в учебный процесс ТСО, ЭВМ и на
основе накопленного за последнее время опыта преподавания данной дисциплины.
Изложение курса следует увязывать с программой средней школы по черчению. В
результате изучения дисциплины студенты должны уметь выполнять и читать чертежи
различного назначения и решать инженерно-геометрические задачи.
Однако, несмотря на обилие литературы в данной
области, существует проблема в преподавании курса инженерной графики
студентам-заочникам. Большинство источников посвящены преподаванию на дневном
отделении и содержат задачи повышенной сложности, при решении которых заочники
сталкиваются с большими затруднениями, точно так же затруднения возникают при
освоении теоретического материала в объеме, предназначенном для дневного отделения,
поэтому задачами курсовой работы являются:
· изучение и анализ литературных
источников, посвященных преподаванию инженерной графики;
· выявление ключевых моментов в
изучаемом теоретическом материале по курсу с целью уменьшить количество
теоретического материала, который должны усвоить студенты-заочники и приведение
количества этого материала к оптимальному объему;
· отбор типовых практических заданий
по курсу с учетом необходимого уровня сложности по всем изучаемым темам;
· на основании вышеперечисленного
разработка методического обеспечения курса инженерной графики для студентов
заочного факультета специальностей АСОИ и «Лесное хозяйство»
В данной курсовой работе приводится необходимый
теоретический материал для успешного усвоения студентами-заочниками курса
«Инженерная графика», а также варианты практических заданий по всем темам
курса, предназначенных для закрепления изученного материала и выработки
необходимых конструкторских и графических умений и навыков.
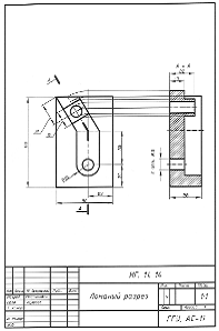
1. Нанесение размеров на
чертеже
.1 Элементы геометрии деталей
Конструирование деталей машин
является сложным творческим процессом, сопровождающимся решением ряда задач; в
частности, обеспечение прочности и износоустойчивости детали, технологичности,
наименьшей массы и т. п.
Решение этих задач во многом
зависит от придания детали рациональных геометрических форм. Какую бы сложную
форму не имела деталь, конструктор выполняет ее как совокупность простейших
геометрических тел или их частей. В учебном процессе перед выполнением рабочего
чертежа детали с натуры необходимо тщательно проанализировать форму детали,
мысленно расчленив ее на отдельные элементы (геометрические тела или их части).
Только при этом условии можно получить полноценный рабочий чертеж детали.
Деталь может состоять,
например, из следующих элементов:
) усеченного прямого кругового
конуса с резьбовым отверстием;
) прямого кругового цилиндра;
) прямоугольного
параллелепипеда;
) двух прямоугольных
параллелепипедов с цилиндрической выемкой;
) двух полых полуцилиндров.
Более подробные сведения о
наименовании деталей машин и их элементов приведены в ГОСТ 3485-46.
1.2 Выносные и размерные линии. Нанесение
размеров фасок, радиусов, уклонов, конусности, длины дуги, сферы, квадрата,
диаметров отверстий. Группировка размеров на чертеже
Надписи, относящиеся к
отдельным элементам изделия, наносятся на полках линий-выносок, идущих от
элементов изделия, к которому относится надпись.
Линия-выноска и полка
выполняются сплошной тонкой линией. Линию-выноску, пересекающую контур
изображения предмета, заканчивают точкой.
Линию-выноску, идущую от линии
видимого или невидимого контура (изображенных основными или штриховыми
линиями), заканчивают стрелкой.
Допускается выполнять
линию-выноску с одним изломом, а также проводить от одной полки две и более
линий-выносок. Линии-выноски не должны пересекаться между собой, не должны быть
параллельны линиям штриховки и не пересекать, по возможности, размерных линий и
элементов изображения, к которым не относится помещенная на полке надпись. На
конце линии-выноски, идущей от всех других линий, не должно быть ни стрелки, ни
точки.
На полках линий-выносок наносят
надписи, относящиеся непосредственно к изображению предмета, например, указания
о количестве элементов (отверстий, канавок и т.п.), указания о лицевой стороне
изделия, его толщине. Надписи могут содержать указания о специальных
технологических процессах (например, «Зачистить», «Раскернить» и т.п.), а также
сведения о покрытии или термической обработке элемента детали. Надписи должны
быть краткими, ясно и определенно передающими сущность их содержания.
Величина изображенного на
чертеже изделия и его элементов (частей) определяется размерными числами,
нанесенными на чертеже.
Размеры разделяются на линейные
и угловые. Линейные определяют длину, ширину, высоту, толщину, диаметр и радиус
элементов детали. Угловые определяют углы между линиями и плоскостями элементов
детали, а также углы между элементами
Линейные размеры на чертежах
указывают в миллиметрах, без обозначения единицы измерения. Для размеров,
приводимых в технических требованиях и пояснительных надписях на поле чертежа,
обязательно указываются единицы измерения. В некоторых случаях, когда размеры
на чертеже необходимо указать не в миллиметрах, а в других единицах измерения
(например, в сантиметрах, метрах), соответствующие размерные числа записывают с
обозначением единицы измерения (см, м) или указывают их в технических
требованиях.
Угловые размеры указывают в
градусах, минутах и секундах с обозначением единицы измерения, например: 6°, 6°
45', 6° 45'30", 0°45'30", 0°0'30".
Для размерных чисел применять
простые дроби не допускается, за исключением размеров в дюймах.
Размеры на чертежах наносятся
без учета масштаба изображения, т.е. значения размерных чисел определяют
действительные размеры, которые должно иметь изготовленное изделие.
Количество размеров на чертеже
должно быть минимальным, но вполне достаточным для изготовления и контроля
изделия.
Повторять размеры одного и того же элемента
детали, как на изображениях, так и в технических требованиях не допускается.
Кроме правил нанесения
размеров, которые необходимо повторить перед выполнением эскизов и рабочих
чертежей, имеются некоторые особенности при нанесении размеров на
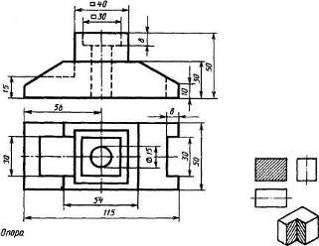
машиностроительных чертежах. Так, например, на рис. 1, а показано, в каком
случае наносится размер радиуса и диаметра.
Рисунок. 1. Примеры нанесения размеров
При указании диаметра
окружности независимо от того, изображено отверстие полностью или частично,
размерные линии допускается проводить с обрывом, при этом обрыв размерной линии
делают далее оси отверстия (рис. 1, а).
Нанесение размеров плоских
фасок (скосов) показано на рис. 1, в.
Нанесение размеров углов
показано на рис. 1, е.
Перед размерными числами,
характеризующими уклон или конусность, наносятся специальные их знаки (рис. 1,
д). На рис. 1, г показан пример нанесения главных размеров литой детали.
При нанесении размеров,
определяющих расстояние между равномерно расположенными одинаковыми элементами
изделия (например, отверстиями), рекомендуется вместо размерной цепи наносить
размер между соседними элементами и размер между крайними элементами в виде
произведения количества промежутков между элементами на размер промежутка (рис.
1, з).
При расположении элементов
предмета (отверстий, пазов, зубьев и т.п.) на одной оси или на одной окружности
размеры, определяющие их взаимное расположение, наносят от общей базы (рис. 1,
и).
При большом количестве
размеров, нанесенных от общей базы, допускается наносить линейные и угловые
размеры, как показано на рис. 1, ж
Размеры нескольких одинаковых
элементов изделия, как правило, наносят на разрезе один раз с указанием
количества этих элементов (рис. 1, к). Если разрез отсутствует, то это
количество указывают на виде (рис. 1, к, справа).
Если деталь имеет несколько одинаковых
фасок на цилиндрической или конической поверхности разного диаметра, то наносят
размер фаски только один раз, с указанием их количества (рис. 1, м). В случаях,
когда деталь имеет две, симметрична расположенные одинаковые фаски, на
одинаковых диаметрах, размер фаски наносят один раз, без указания их количества
(рис. 1, л, внизу и рис. 1,a).
В случае, показанном на рис. 1,
д и м, выносные линии проводят под углом к линии центров. При изображении
детали на одном виде размер ее толщины наносят, как показано на рис. 1, м.
Размеры, относящиеся к одному и
тому же элементу (например, пазу, выступу, отверстию), рекомендуется
группировать в одном месте, наносить их там, где форма элемента показана
наиболее полно. Размеры сквозных и глухих отверстий следует наносить на их
изображении в продольном разрезе. Если же такое изображение на чертеже
отсутствует, то размеры отверстий допускается наносить и на виде.
Поверхности, от которых производится измерение
элементов детали, называются измерительными базами. В качестве измерительной
базы часто принимаются плоскости симметрии детали или их части, в этом случае
их называют скрытыми измерительными базами.
В зависимости от выбора
измерительных баз могут применяться три способа нанесения размеров элементов
деталей: цепной, координатный и комбинированный.
Рисунок. 2 Способы нанесения размеров элементов
деталей
. Цепной способ (рис. 2, а).
Размеры отдельных элементов детали наносятся последовательно, как звенья одной
цепи.
. Координатный способ (рис.
2,б). Размеры являются координатами, характеризующими положение элементов
детали относительно одной и той же поверхности детали.
. Комбинированный способ (рис.
2, в) представляет собой сочетание координатного способа с цепным, т.е. при нанесении
размеров на чертеже детали используются два способа: цепной и координатный.
В зависимости от необходимой
точности изготовления отдельных элементов детали применяют один из указанных
способов нанесения размеров.
Наибольшее распространение
получил комбинированный способ нанесения размеров, обеспечивающий достаточную
точность и удобство изготовления, измерения и контроля деталей без каких-либо
дополнительных подсчетов размеров.
Размеры на чертежах не
допускается наносить в виде замкнутой цепи, за исключением случаев, когда один
из размеров указан как справочный (рис. 2, г и д).
.3 Размеры для справок
Справочными называются размеры,
не подлежащие выполнению по данному чертежу и проставляемые только для удобства
пользования чертежом. Справочные размеры обозначают на чертеже знаком *, а в
технических требованиях записывают: * Размер для справок или * Размеры для
справок.
1.4 Условности и упрощения, применяемые при
выполнении изображений
Для того чтобы сделать чертежи
более простыми и понятными, а также с целью экономии времени при выполнении
чертежа, ГОСТ 2.305-68 устанавливает следующие условности и упрощения.
Например, такие элементы
деталей, как тонкие стенки, ребра жесткости, ушки и т.п., показываются на
разрезе незаштрихованными в том случае, когда секущая плоскость направлена
вдоль оси или длинной стороны этих элементов деталей.
Если на чертеже выполнено
несколько разрезов, причем каждый из них представляет симметричную фигуру, то
части таких разрезов допускается располагать на одном изображении.
Допускается применение сложных
разрезов, представляющих собой сочетание ступенчатых и ломаных разрезов.
Элементы детали, расположенные за секущей плоскостью и проецирующиеся с
искажением их формы, на разрезе можно не изображать, если это не требуется для
понимания конструкции детали.
При общей секущей плоскости для
двух разных разрезов положение секущей плоскости указывается одной общей линией
сечения, а стрелки, указывающие направление взгляда, наносятся на одной линии и
обозначаются разными буквами.
Отверстия, расположенные по
окружности на круглом фланце и не попадающие в секущую плоскость, на разрезе
допускается показывать так, как если бы их оси были расположены в секущей
плоскости.
С целью сокращения количества
изображений допускается часть предмета, находящуюся между наблюдателем и
секущей плоскостью, изображать непосредственно на разрезе штрихпунктирной
утолщенной линией («наложенная проекция»).
Допускается изображать часть
предмета с надлежащими указаниями о количестве элементов, их расположении и
т.п.
Спицы штурвалов, маховичков и
прочих деталей на разрезах показываются не заштрихованными, если секущая
плоскость совпадает с осью спицы. Поперечные сечения спиц заштриховываются.
Спицы, не попадающие в секущую плоскость, на разрезах могут изображаться условно
повернутыми до положения, при котором ось спиц совпадает с секущей плоскостью.
Если деталь имеет сквозное
отверстие, а наружные ее поверхности являются поверхностями вращения, то на
разрезе большей частью принято показывать ее рассеченной полностью. Чтобы
выделить на чертеже плоские поверхности, обычно квадратной или прямоугольной
формы, на них могут проводиться диагонали сплошными тонкими линиями.
Если вид, разрез или сечение
представляют симметричную фигуру, то допускается вычерчивать половину изображения,
ограничивая его осью симметрии, или несколько более половины изображения,
ограничивая его сплошной тонкой волнистой линией. Когда на изображениях уклон
или конусность отчетливо не выявляются, то проводится только одна тонкая линия,
соответствующая меньшему размеру части детали с уклоном или меньшему основанию
конуса.
Для упрощения чертежей
допускается при указании отверстий в ступицах зубчатых колес, шкивов и т.п., а
также шпоночных пазов вместо полного изображения предмета изображать лишь
контур отверстия и паза.
При наличии нескольких
равномерно расположенных элементов предмета допускается изображать один или два
таких элемента, а остальные показывать упрощенно или условно, но так, чтобы
была сохранена ясность расположения всех элементов. Линии пересечения
поверхности, если не требуется точного их построения, можно изображать
упрощенно. Например, вместо лекальной кривой проводить дугу окружности или
совсем не показывать.
На чертежах предметов со
сплошной сеткой, плетенкой, орнаментом, рельефом, рифлением и т.д. допускается
изображать эти элементы частично, с возможным упрощением.
Линии перехода могут совсем не
показываться, если от этого не уменьшается наглядность изображения.
Обозначения видов, разрезов,
сечений выполняются по ГОСТ 2.305-68 прописными буквами русского алфавита за
исключением букв: й, о, х, ъ, ы, ь.
Размер шрифта этих обозначений
берется вдвое больше размера цифр размерных чисел чертежа. Буквенные
обозначения должны быть в алфавитном порядке, без пропусков и повторений;
сначала обозначают виды, затем разрезы, сечения и, если необходимо,
поверхности.
При различных масштабах
какого-либо изображения и масштаба, указанного в основной надписи чертежа,
наносится масштаб непосредственно под надписью, относящейся к изображению.
1.5 Выполнение чертежа модели
Пример выполнения задания
показан на рис. 3.
Рисунок. 3. Пример выполнения
чертежа модели
Задание: по двум проекциям
модели построить ее третью проекцию с применением указанных в схеме разрезов,
построить изометрическую проекцию с вырезом передней четверти.
Варианты заданий:
Вариант 1.
Вариант 2.
Вариант 3.
Вариант 4.
Вариант 5.
Вариант 6.
Вариант 7.
Вариант 8.
Вариант 9
Вариант 10
Вариант 11.
Вариант 12
Вариант 13
Вариант 14.
Вариант 15
Вариант 16
Вариант 17
Вариант 18
Вариант 19
Вариант 20
Вариант 21
Вариант 22
Вариант 23
Вариант 24
Вариант 25
Вариант 26.
Вариант 27
Вариант 28
Вариант 29.
Вариант 30.
.6 Контрольные вопросы по теме
1
Сколько листов формата А4
содержится в листе формата А1?
Как образуются дополнительные
форматы чертежей?
Чем определяется размер шрифта?
Чему равна высота строчных букв
по сравнению с прописными?
Допускается ли применение в
чертежах прямого шрифта?
От чего зависит выбор толщины
линии обводки видимого контура?
Какого начертания и какой
толщины проводят линии осевые, центровые, выносные, размерные и невидимого
контура?
Как обозначают центровые линии
окружности небольшого диаметра (менее 12 мм)?
В каких единицах измерения
проставляют размерные числа на чертежах?
На каком расстоянии от контура
рекомендуется проводить размерные линии?
В каких случаях стрелку
размерной линии заменяют точкой или штрихом?
Как располагают цифры размеров
угла?
В каких случаях проставляют
знак диаметра?
Какие проставляют размеры при
выполнении чертежа в масштабе, отличном от 1:1?
На каких двух положениях
геометрии основано построение сопряжений?
Перечислите элементы сопряжений.
2. Изображения - виды, разрезы,
сечения
.1 Основные, дополнительные,
местные виды. Построение и обозначение
Видом называется изображение,
на котором показана обращенная к наблюдателю видимая часть поверхности
предмета. В целях уменьшения количества изображений допускается показывать на
видах штриховыми линиями невидимые контуры предмета. ГОСТ 2.305-68
устанавливает шесть названий основных видов, получаемых на шести основных
плоскостях проекций:
-вид спереди (главный вид);
-вид сверху;
-вид слева;
-вид справа;
-вид снизу;
-вид сзади.
Виды деталей следует
располагать таким образом, чтобы главный вид давал наиболее полное
представление о форме и размерах детали. Все виды на чертеже должны, по
возможности, располагаться в проекционной связи (рис. 235), что облегчает
чтение чертежа.
В таких случаях на чертеже не
наносятся какие-либо надписи, разъясняющие наименования видов.
В целях более рационального
использования поля чертежа ГОСТ 2.305-68 допускает располагать виды вне
проекционной связи, на любом месте поля чертежа.
Виды обозначают прописными
русскими буквами в порядке алфавита. Размер шрифта буквенных обозначений должен
быть больше размера цифр размерных чисел, применяемых на том же чертеже,
приблизительно в 2 раза (см. ГОСТ 2.316-68).
Вопрос о том, какие из основных
видов следует применить на чертеже изделия, должен решаться так, чтобы при
наименьшем количестве видов в совокупности с другими изображениями чертеж
полностью отражал конструкцию изделия. Кроме того, главный вид и основные виды
должны быть рационально расположены на поле чертежа с учетом нанесения размеров
и размещения текстового материала (в случае необходимости).
Местный вид - изображение
отдельного, ограниченного места поверхности предмета. Местный вид может быть
ограничен линией обрыва, осью симметрии или не ограничен.
Местный вид применяется в тех
случаях, когда из всего вида только часть его необходима для уточнения формы
предмета, остальная же часть вида не дает дополнительных сведений о предмете.
Если изображение имеет ось симметрии,
то допускается показывать его половину. Если местный вид выполняется в
проекционной связи по направлению взгляда, то стрелку и надпись над местным
видом не наносят. Местный вид может быть, и не ограничен линией обрыва.
Применение местных видов позволяет
уменьшить объем графической работы и экономить место на поле чертежа,
обеспечивая полное представление о форме предмета.
Дополнительный вид получается
проецированием предмета на плоскость, не параллельную ни одной из основных
плоскостей проекций. Дополнительные виды применяются в случаях, когда
изображение предмета или его элемента не может быть показано на основных видах
без искажения формы и размеров.
Если дополнительный вид
располагается не в проекционной связи (смещен), то направление взгляда должно
быть указано стрелкой А, а над изображением делается надпись «Вид А».
Дополнительный вид допускается повертывать. В этом случае к надписи с правой
стороны добавляется слово «повернуто». Надпись «Вид А» подчеркивают тонкой
сплошной линией, слово «повернуто» не подчеркивают. На дополнительных видах
наносятся некоторые размеры.
2.2 Разрезы. Классификация, построение и
обозначение разрезов. Соединение половины вида и половины разреза
Для представления о внутренней
форме предмета на чертеже применяются линии невидимого контура. Это затрудняет
чтение чертежа и может приводить к ошибкам. Применение условных
изображений-разрезов упрощает чтение и построение чертежей. Разрезом называется
изображение предмета, полученное при мысленном рассечении его одной или несколькими
секущими плоскостями. При этом часть предмета, расположенная между наблюдателем
и секущей плоскостью, мысленно удаляется, а на плоскости проекций изображается
то, что получается в секущей плоскости (фигура сечения предмета секущей
плоскостью) и что расположено за ней.
В зависимости от положения
секущей плоскости относительно горизонтальной плоскости проекций разрезы
разделяются на горизонтальные, вертикальные и наклонные.
Разрезы называются продольными,
если секущие плоскости направлены вдоль длины или высоты предмета, и
поперечными, если секущие плоскости перпендикулярны длине или высоте предмета.
В зависимости от числа секущих
плоскостей разрезы разделяются на простые (при одной секущей плоскости) и
сложные (при нескольких секущих плоскостях).
В результате выполнения разреза
линии внутреннего контура, изображавшиеся на виде штриховыми линиями,
становятся видимыми и должны быть изображены сплошными основными линиями.
Мысленное рассечение предмета
относится только к данному разрезу и не влечет за собой изменения других
изображений того же предмета.
Штриховка на всех изображениях
детали выполняется, как правило, в одном направлении (с правым или левым
наклоном).
Простым разрезом называется
разрез, получаемый при применении одной секущей плоскости. Наиболее часто
применяются вертикальные и горизонтальные разрезы.
Вертикальными называются
разрезы, образованные секущими плоскостями, перпендикулярными горизонтальной
плоскости проекций.
Вертикальный разрез называется
фронтальным, если секущая плоскость параллельна фронтальной плоскости проекций,
и профильным, если секущая плоскость параллельна профильной плоскости проекций.
Горизонтальными разрезами
называются разрезы, образованные секущими плоскостями, параллельными
горизонтальной плоскости проекций.
Горизонтальные, фронтальные и
профильные разрезы могут размещаться на месте соответствующих основных видов.
Положение каждой секущей
плоскости указывается линией сечения, выполняемой разомкнутой линией. Толщина
штрихов разомкнутой линии равна от s
до 1,5s, где s-
толщина сплошной основной линии; длина штрихов 8...20 мм.
Штрихи разомкнутой линии
сечения не должны пересекать контур изображения. На штрихах линии сечения
перпендикулярно к ним ставят стрелки, указывающие направление взгляда. Стрелки
наносят на расстоянии 2 - 3 мм от внешнего конца штриха линии сечения.
Около каждой стрелки, со
стороны выступающего за них на 2-3 мм внешнего конца штриха линии сечения,
наносится одна и та же прописная буква русского алфавита.
Надпись над разрезом,
подчеркиваемая сплошной тонкой линией, содержит две буквы, которыми обозначена
секущая плоскость, написанные через тире.
На одном изображении
допускается соединять часть вида и часть разреза. Линии невидимого контура на
соединяемых частях вида и разреза обычно не показываются.
Рисунок. 4. Способы изображения разрезов.
Если вид и располагаемый на его
месте разрез представляют собой симметричные фигуры, то можно соединить
половину вида и половину разреза, разделяя их штрихпунктирной тонкой линией,
являющейся осью симметрии. Часть разреза может располагаться правее или ниже
оси симметрии, разделяющей часть вида с частью разреза.
При соединении симметричных
частей вида и разреза, если с осью симметрии совпадает проекция какой-либо
линии, то вид от разреза отделяется тонкой сплошной волнистой линией,
проводимой левее или правее оси симметрии.
При соединении на одном
изображении вида и разреза, представляющих несимметричные фигуры, часть вида от
части разреза отделяется тонкой сплошной волнистой линией.
Допускается поворот разреза до
положения, соответствующего положению, принятому для предмета на главном
изображении. В этом случае к надписи над разрезом должно быть добавлено слово
«повернуто».
Наклонными называются разрезы,
образованные секущими плоскостями, составляющими с горизонтальной плоскостью
проекций угол, отличный от прямого.
Положение секущей плоскости
отмечается линией сечения со стрелками, указывающими направление взгляда.
Наклонные разрезы должны
строиться и располагаться в соответствии с направлением взгляда. При
необходимости допускается располагать наклонные разрезы на любом месте поля
чертежа вне проекционной связи с видом, но с учетом направления взгляда,
указанного стрелками на линии сечения.
Разрез, служащий для выявления
формы предмета лишь в отдельном ограниченном месте, называется местным и
ограничивается на виде сплошной волнистой линией.
Если местный разрез выполняется
на части предмета, представляющей собой тело вращения и, следовательно,
изображенной с осевой линией, то местный разрез с видом могут разделяться этой
осевой линией или линией обрыва.
Сложными называются разрезы,
получаемые с помощью двух и более секущих плоскостей. Они применяются в
случаях, когда количество элементов деталей, их форма и расположение не могут
быть изображены на простом разрезе одной секущей плоскостью и это вызывает
необходимость применения нескольких секущих плоскостей.
Сложные разрезы разделяются на
ступенчатые и ломаные. Они могут быть так же, как и простые разрезы,
горизонтальными, фронтальными и профильными. Сложные разрезы могут быть и
комбинированными, т.е. состоящими из ступенчатого и ломаного.
Ступенчатыми разрезами
называются разрезы, выполненные несколькими параллельными секущими плоскостями.
Перегибы линии сечения
выполняются штрихами разомкнутой линии. Наличие перегибов в линии сечения не
отражается на графическом оформлении сложного разреза. Над разрезом наносится
надпись, указывающая обозначение плоскостей, в результате применения которых
получен разрез.
Допускается сложные ступенчатые
разрезы располагать вне проекционной связи.
Профильные ступенчатые разрезы выполняются
аналогично предыдущим.
Ломаными называются разрезы,
полученные от рассечения предмета не параллельными, а пересекающимися
плоскостями. Секущие плоскости условно повертывают около линии взаимного
пересечения до совмещения с плоскостью, параллельной какой-либо из основных
плоскостей проекций, поэтому ломаные разрезы могут быть фронтальными,
горизонтальными или профильными.
Ломаные разрезы могут быть помещены и на месте
других видов, например, на виде сверху при условии, что совмещенные плоскости
окажутся параллельными горизонтальной плоскости проекций.
При выполнении ломаного разреза, когда одна
секущая плоскость поворачивается до совмещения с другой, элементы предмета, расположенные
за ней, не поворачиваются: они изображаются так, как они проецируются на
соответствующую плоскость проекций при условии, что разрез не выполняется.
Исключением из этого правила
могут быть случаи, когда элементы предмета расположены симметрично относительно
поворачиваемой секущей плоскости. В этих случаях выполняется поворот таких
элементов предмета вместе с секущей плоскостью.
2.3 Вынесенные и наложенные сечения, особенности
их построения и обозначения
Сечением называется изображение
фигуры, получающееся при мысленном рассечении предмета одной или несколькими
плоскостями. Секущие плоскости должны выбираться так, чтобы получились
нормальные поперечные сечения. В отличие от разреза на сечении показывается
только то, что расположено непосредственно в секущей плоскости, а все, что
расположено за ней, не изображается.
В зависимости от формы фигуры,
получаемой при рассечении предмета, сечения можно разделить на симметричные и
несимметричные.
Сечения в зависимости от расположения их на
чертеже делятся на наложенные и вынесенные. Наложенные сечения изображаются
непосредственно на изображении предмета. Вынесенные сечения могут располагаться
на свободном поле чертежа, или в разрыве изображения предмета. Вынесенное
симметричное сечение может располагаться в непосредственной близости от
изображения, причем его ось симметрии должна совпадать с положением секущей
плоскости и пересекать контур изображения предмета. Предпочтение следует
отдавать вынесенным сечениям.
Контур вынесенного сечения изображается сплошными
основными линиями. Контур наложенного сечения выполняется сплошными тонкими
линиями, причем контур изображения предмета в месте расположения сечения не
прерывается.
При выполнении наложенных
симметричных сечений, а также вынесенных симметричных сечений, положение
секущей плоскости не указывается.
Для несимметричных сечений,
расположенных в разрыве или наложенных, положение секущей плоскости указывается
линией сечения со стрелками, но буквами не обозначается.
Во всех остальных случаях
выполнения сечений положение секущей плоскости должно быть показано линией
сечения с указанием стрелками направления взгляда, а над самими сечениями
выполняется надпись.
При совпадении секущей
плоскости с осью поверхности вращения, ограничивающей отверстие или углубление,
контур отверстия или углубления в сечении показывается полностью, хотя этот
контур и не расположен в секущей плоскости, т. е. сечение оформляется как
разрез. Если секущая плоскость проходит через некруглые отверстия и сечение
получается состоящим из отдельных частей, то сечение должно быть заменено
разрезом.
При выполнении нескольких
одинаковых сечений одной и той же детали изображается только одно сечение, а
линии сечения обозначаются одной и той же буквой. Сечение при необходимости
можно поворачивать, добавляя к надписи над ним слово «повернуто». Если при этом
секущие плоскости непараллельны друг другу, то надпись «повернуто» не
наносится.
Сечение может выполняться
несколькими секущими плоскостями.
Допускается вместо секущих
плоскостей применять секущие цилиндрические поверхности, развертываемые затем в
плоскость. Над развернутым сечением выполняется надпись теми же буквами с
добавлением слова «развернуто».
2.4 Построение и обозначение выносных элементов
Если какая-либо часть предмета
требует графического пояснения формы ввиду мелкого ее изображения, то применяют
дополнительное ее изображение (обычно увеличенное), называемое выносным
элементом.
При применении выносного
элемента соответствующее место изображения отмечают замкнутой сплошной тонкой
линией (окружностью или овалом) с обозначением римской цифрой порядкового
номера выносного элемента на полке линии-выноски. Над выносным элементом
указывается та же цифра и масштаб, в котором выполнен выносной элемент
(масштабы могут быть различные). Выносной элемент следует располагать возможно
ближе к соответствующему месту на изображении предмета. Выносной элемент может
содержать подробности, не указанные на соответствующем изображении, и может
отличаться от него по содержанию. Например, изображение может быть видом, а
выносной элемент - разрезом.
2.5 Построение разрезов и
сечений
Задание состоит из четырех
задач, решение которых закрепляет теоретический материал, касающийся правил
выполнения различных разрезов.
На всех чертежах деталей первой
задачи каждого варианта секущая плоскость совпадает с плоскостью симметрии
детали в целом, поэтому положение секущей плоскости на чертеже не отмечается, а
разрез надписью не сопровождается. При решении этой задачи во всех вариантах
учитывается возможность соединения части разреза с частью вида.
В задачах 2…4 вместо одного из
приведенных изображений детали должен быть построен разрез, указанный на другом
ее изображении.
Примеры выполнения заданий
приведены на рисунках 5-8.
Рисунок 5. Пример выполнения
чертежа
Рисунок 6. Пример выполнения
чертежа
Рисунок 7. Пример выполнения
чертежа
Варианты заданий:
Вариант 1.
1. Соединить половину
фронтального разреза с половиной вида спереди.
. Заменить вид слева разрезом А
- А.
. Заменить вид спереди разрезом
А - А.
4. Заменить вид слева разрезом А -А
Вариант 2.
1. Соединить половину
фронтального разреза с половиной вида спереди.
. Заменить вид спереди разрезом
А -А.
3. Заменить вид слева разрезом А-А.
. Заменить вид спереди разрезом А-А
Вариант 3.
1. Соединить половину
фронтального разреза с половиной вида спереди.
. Заменить вид сверху разрезом
А-А.
. Заменить вид слева разрезом
А-А.
4. Заменить вид спереди разрезом А-А
Вариант 4.
1. Соединить половину
фронтального разреза с половиной вида спереди.
. Заменить вид слева разрезом
А-А.
. Заменить вид спереди разрезом
А - А
4. Заменить вид спереди разрезом А-А
Вариант 5.
1. Соединить половину
фронтального разреза с половиной вида спереди.
. Заменить вид спереди разрезом
А - А.
. Заменить вид спереди разрезом
А - А.
4. Заменить вид спереди разрезом А -А
Вариант 6.
1. Соединить половину
фронтального разреза с половиной вида спереди.
. Заменить вид спереди разрезом
А -А.
. Заменить вид спереди разрезом
А -А.
4. Заменить вид спереди разрезом А-А
Вариант 7.
1. Соединить половину
фронтального разреза с половиной вида спереди.
. Заменить вид спереди разрезом
А -А.
. Заменить вид слева разрезом
А-А.
4. Заменить вид спереди разрезом А-А
Вариант 8.
1. соединить половину
фронтального разреза с половиной вида спереди
. Заменить вид слева разрезом А
- А.
. Заменить вид спереди разрезом
А -А.
4. Заменить вид спереди разрезом А-А
Вариант 9.
1. Соединить половину
фронтального разреза с половиной вида спереди.
. Заменить вид спереди разрезом
А-А.
. Заменить вид слева разрезом А
- А.
4. Заменить вид спереди разрезом А-А
Вариант 10.
1. Соединить половину
фронтального разреза с половиной вида спереди.
. Заменить вид спереди разрезом
А - А.
. Заменить вид спереди разрезом
А- А.
4. Заменить вид спереди разрезом А-А
Вариант 11.
1. Соединить половину
фронтального разреза с половиной вида спереди.
. Заменить вид сверху разрезом
А-А.
. Заменить вид спереди разрезом
А-А.
4. Заменить вид спереди разрезом А-А
Вариант 12.
1. Соединить половину
фронтального разреза с половиной вида спереди
. Заменить вид спереди разрезом
А -А.
. Заменить вид спереди разрезом
А -А.
4. Заменить вид спереди разрезом А- А
Вариант 13.
1. Соединить половину
фронтального разреза с половиной вида спереди.
. Заменить вид спереди разрезом
А - А.
. Заменить вид спереди разрезом
А-А.
4. Заменить вид спереди разрезом А-А
Вариант 14.
1. Соединить половину,
фронтального разреза с половиной вида спереди.
. Заменить вид спереди разрезом
А - А
. Заменить вид слева разрезом А
- А.
4. Заменить вид спереди разрезом А-А
Вариант 15.
1. Соединить половину
фронтального разреза с половиной вида спереди.
. Заменить вид сверху разрезом
А-А.
. Заменить вид спереди разрезом
А -А.
4. Заменить вид спереди разрезом А- А
Вариант 16.
1. Соединить половину
фронтального разреза с половиной вида спереди.
. Заменить вид слева разрезом
А-А.
3. Заменить вид спереди разрезом А -А.
. Заменить вид спереди разрезом А -А
Вариант 17.
1. Соединить половину
фронтального разреза с половиной вида спереди.
. Заменить вид сверху разрезом
А -А.
. Заменить вид спереди разрезом
А- А.
4. Заменить вид спереди разрезом А - А

1. Соединить половину
фронтального разреза с половиной вида спереди
. Заменить вид сверху разрезом
А -А.
. Заменить вид слева разрезом
А- А.
4. Заменить вид спереди разрезом А - А
Вариант 19.
1. Соединить половину фронтального
разреза с половиной вида спереди.
2. Заменить вид слева разрезом А - А.
З. Заменить вид слева разрезом А - А.
. Заменить вид спереди разрезом А -А
Вариант 20.
1. Соединить половину
фронтального разреза с половиной вида спереди.
. Заменить вид спереди разрезом
А -А.
3. Заменить вид спереди разрезом А -А.
. Заменить вид слева разрезом А - А
Вариант 21.
1. Соединить половину
фронтального разреза с половиной вида спереди.
. Заменить вид спереди разрезом
А - А.
. Заменить вид спереди разрезом
А-А.
4. Заменить вид сверху разрезом А-А
Вариант 22.
1. Соединить половину
фронтального разреза с половиной разреза спереди.
. Заменить вид слева разрезом А
- А.
. Заменить вид спереди разрезом
А-А.
4. Заманить вид спереди разрезом А-А
Вариант 23
1. Соединить половину
фронтального разреза с половиной вида спереди.
. Заменить вид спереди разрезом
А -А.
. Заменить вид спереди разрезом
А - А.
4. Заменить вид спереди разрезом А -А
Вариант 24
1. Соединить половину
фронтального разреза с половиной вида спереди.
. Заменить вид спереди разрезом
А-А.
. Заменить вид спереди разрезом
А -А.
4. Заменить вид спереди разрезом А - А
Вариант 25.
1. Соединить половину
фронтального разреза с половиной вида спереди.
. Заменить вид слева разрезом А
-А.
. Заменить вид слева разрезом А
-А.
4. Заменить вид слева разрезом А -А
Вариант 26.
1. Соединить половину
фронтального разреза с половиной вида спереди.
. Заменить вид спереди разрезом
А -А.
. Заменить вид слева разрезом А
-А.
4. Заменить вид спереди разрезом А - А
Вариант 27.
1. Соединить половину
фронтального разреза с половиной вида спереди.
. Заменить вид слева разрезом А
-А.
. Заменить вид спереди разрезом
А -А.
4. Заменить вид спереди разрезом А -А
Вариант 28.
1. Соединить половину
фронтального разреза с половиной вида спереди.
. Заменить вид спереди разрезом
А-А.
. Заменить вид слева разрезом А
-А.
4. Заменить вид спереди разрезом А-А
Вариант 29.
1. Соединить половину
фронтального разреза с половиной вида спереди.
. Заменить вид слева разрезом А
- А.
. Заменить вид спереди разрезом
А -А.
4. Заменить вид спереди разрезом А- А
Вариант 30.
1. Соединить половину
фронтального разреза с половиной вида спереди.
. Заменить вид слева разрезом А
- А.
. Заменить вид слева разрезом
А-А.
4. Заменить вид спереди разрезом А-А
2.6 Контрольные вопросы по теме
2
Что такое разрез?
Для какой цели применяют
разрезы?
Что такое полный разрез,
простой и сложный разрезы?
Какой разрез называют
горизонтальным? Вертикальным? Наклонным?
Какие бывают вертикальные
разрезы?
Где могут быть расположены
горизонтальный, фронтальный и профильный разрезы?
В каком случае можно соединить
половину вида с половиной разреза?
При соединении половины вида и
половины разреза как следует выявлять внутреннее или внешнее ребро, совпавшее с
осью симметрии?
Как обозначают простые разрезы?
Каковы соотношения размеров
стрелки, указывающей направление взгляда при выполнении сечения и разреза?
Какой простой разрез можно не
обозначать?
Как проводят секущие плоскости
при образовании разрезов на аксонометрических изображениях?
Как направляются линии
штриховки сечений на аксонометрических изображениях?
Какие разрезы называют
ступенчатыми? Ломаными?
Что такое «местный» разрез?
Что такое сечение?
Как обводят линии контура
наложенного и вынесенного сечений?
Как обозначают сечения?
3. Резьба
.1 Понятие о резьбе. Основные
параметры резьбы
При резьбовом соединении двух
деталей одна из них имеет наружную резьбу, выполненную на наружной поверхности
(на стержне или на трубе), а другая - внутреннюю, выполненную в отверстии (в
гайке или муфте). Наиболее распространенные резьбы можно разделить на
цилиндрические, выполняемые на цилиндрических поверхностях, и конические,
выполняемые на конических поверхностях.
В машиностроении применяются
различные резьбы, каждая из которых наиболее полно отвечает назначению и
условиям функционирования резьбового соединения. В общем случае резьбы могут
выполняться правыми и левыми, а также однозаходными и многозаходными.
Как для цилиндрической, так и
для конической резьб основными параметрами являются: форма профиля, наружный
диаметр резьбы, ее шаг, направление и число заходов.
При изготовлении резьбы
приходится считаться с тем, что размеры диаметров выступов (вершин) и впадин
наружной резьбы несколько отличаются от размеров диаметров впадин и выступов
внутренней резьбы. При конструировании же изделий и при изучении курса
«Черчение» за наружный (d)
и внутренний (d1)
диаметры резьбы принимают соответственно диаметры выступов и впадин наружной
резьбы. При этом условно считают, что наружная и соответствующая ей внутренняя
резьба имеют одинаковые размеры наружных и внутренних диаметров.
Под размером резьбы понимается
значение ее наружного диаметра, который также называют номинальным диаметром
резьбы.
В машиностроении применяются
стандартные, цилиндрические и конические резьбы разных типов, отличающихся друг
от друга назначением и параметрами: метрическая, дюймовая, трубная
цилиндрическая, трубная коническая, трапецеидальная, упорная, круглая и др.
Метрическая резьба наиболее
часто применяется в крепежных деталях (винты, болты, шпильки, гайки). Профиль
такой резьбы по СТ СЭВ 180-75 - равносторонний треугольник с углом 60° при
вершине (рис. 9,а).
Метрическая резьба для
диаметров от 0,25 до 600 мм стандартизована. Кроме того, стандартизованы резьба
метрическая для диаметров от 0,25 до 0,9 мм (ГОСТ 9000-73) и резьба метрическая
для диаметров от 1 до 180 мм на деталях из пластмасс (ГОСТ 11709-71).
В зависимости от назначения детали метрическую
резьбу нарезают с крупным или мелким шагом. При одинаковых наружных
(номинальных) диаметрах шаг мелкой резьбы может быть различным. При выборе
диаметра резьбы следует предпочитать первый ряд второму, а второй-третьему.
Основные размеры метрической
резьбы с крупным шагом установлены СТ СЭВ 182-75 (рис. 9,а).
Метрическая резьба с крупным
шагом по СТ СЭВ 181 - 75 условно обозначается буквой М и номинальным диаметром
(например, M16, М20). Резьба с
мелким шагом обозначается буквой М, номинальным диаметром и шагом через знак х
(например M16 х 1,5; М20 х 2).
Для левой резьбы после условного обозначения ставят буквы LH,
например, M24LH.
Многозаходные резьбы должны
обозначаться, кроме М, d,
Р, числовым значением хода и в скобках буквой Р и числовым значением шага.
Дюймовая резьба для крепежных
деталей стандартизирована (ОСТ НКТП 1260), но применяется лишь при изготовлении
запасных деталей взамен изношенных, которые имели такую резьбу. Во вновь
проектируемых изделиях дюймовая резьба не применяется.
Профиль дюймовой резьбы
равнобедренный треугольник, с углом 55° при вершине (рис. 9,б).
Диаметр резьбы измеряется в
дюймах; один дюйм (1") равен 25,4 мм. Дюймовая резьба характеризуется
количеством витков (или ниток) резьбы на длине, равной 1".
При обозначении дюймовой резьбы
указывается только ее наружный диаметр в дюймах.
Трубная цилиндрическая резьба
применяется в основном для соединения водо- и газопроводных труб.
Профиль резьбы - равнобедренный
треугольник с углом 55° при вершине; вершины и впадины закруглены (рис. 9, в).
Основные размеры трубной
цилиндрической резьбы установлены ГОСТ 6357-73.
Обозначение трубной цилиндрической резьбы
состоит из обозначения размера резьбы с добавлением букв Труб (например, Труб
1").
Рисунок 9. Виды резьбы
Обозначение это условное, так
как указывает диаметр не резьбы, а отверстия в трубе (условный проход Dy
при определенной толщине стенки).
Трубная цилиндрическая резьба
одного и того же номинального диаметра (условного прохода Dy)
может быть выполнена на трубах с различной толщиной стенки и даже на сплошном
стержне.
Практически трубная
цилиндрическая резьба является дюймовой резьбой с мелким шагом и благодаря
малой высоте профиля (треугольника) может выполняться на деталях с тонкими
стенками, не ослабляя их. Трубная цилиндрическая резьба изготовляется различных
классов точности.
Трубная коническая резьба (ГОСТ
6211 - 73) применяется в случаях, когда требуется повышенная герметичность
соединения труб при больших давлениях жидкости или газа (рис. 9, г).
Профиль конической резьбы -
равнобедренный треугольник с углом 55° при вершине, биссектриса которого
перпендикулярна к оси конуса; конусность равна 1:16. Это соответствует углу
наклона образующей конуса к оси 1°47'24".
Условный размер трубной
конической резьбы, а также ее диаметры измеряются в так называемой основной
плоскости.
Коническая дюймовая резьба
(ГОСТ 6111 - 69) отличается от трубной конической резьбы в основном формой
треугольного профиля, угол при вершине которого равен 60° (рис. 9, д). Поэтому
размеры, измеренные в основной плоскости, а также число витков на 1 дюйм и,
следовательно, шаг конической дюймовой резьбы несколько отличаются от
соответствующих параметров трубной конической резьбы с тем же номинальным
размером.
Трапецеидальная резьба (СТ СЭВ
146-75) имеет профиль в виде равнобочной трапеции с углом между ее боковыми
сторонами, равным 30° (рис. 9,е). Эта резьба применяется главным образом в
деталях механизмов для преобразования вращательного движения в поступательное
при значительных нагрузках.
СТ СЭВ 185-75 устанавливает
основные размеры диаметров и шагов трапецеидальной резьбы для диаметров от 10
до 320 мм.
Упорная резьба применяется при
больших односторонних усилиях, действующих в осевом направлении. ГОСТ 10177-62
предусматривает форму профиля и значения диаметров и шагов для однозаходной
упорной резьбы. Профиль резьбы (рис. 9, ж) представляет собой трапецию, одна
сторона которой является рабочей стороной профиля, и ее положение определяется
углом наклона (3°) к прямой, перпендикулярной оси. Другая сторона трапеции
(нерабочая сторона профиля) имеет угол наклона 30°. Упорная резьба может
выполняться с разными шагами при одном и том же диаметре.
Прямоугольная резьба. Ходовые и
грузовые винты (домкратов, прессов и других механизмов) часто выполняют с
резьбой прямоугольного профиля (рис. 9, з). Этот вид резьбы не стандартизован.
.2 Изображение резьбы
Построение винтовой поверхности
на чертеже - длительный и сложный процесс, поэтому на чертежах изделий резьба
изображается условно.
ГОСТ 2.311-68 и СТ СЭВ 284-76
содержат правила условного изображения на чертежах резьбы, а также ее
элементов. Наружная резьба на стержне (рис. 10,а) изображается сплошными
основными линиями по ее наружному диаметру d
и сплошными тонкими линиями по внутреннему диаметру d1.
На изображении, полученном проецированием на плоскость, параллельную оси
стержня с резьбой, сплошные тонкие линии должны пересекать границу фаски. На
изображении, полученном проецированием на плоскость, перпендикулярную оси
резьбы, по наружному диаметру резьбы проводится окружность сплошной основной
линией, а по внутреннему диаметру резьбы тонкой сплошной линией - дуга,
приблизительно равная 3/4 окружности и разомкнутая в
любом месте; на таком виде фаска не изображается.
Внутренняя резьба в отверстии
(рис. 10,б) на продольном разрезе изображается сплошными основными линиями по
внутреннему диаметру dl
и
сплошными тонкими линиями по наружному диаметру резьбы d,
проводимыми только до линий, изображающих фаску. На изображении, полученном
проецированием на плоскость, перпендикулярную оси резьбы по внутреннему
диаметру резьбы, проводится окружность сплошной основной линией, а по наружному
диаметру проводится тонкой сплошной линией дуга окружности, разомкнутая в любом
месте и равная приблизительно 3/4 окружности; фаска на
таком виде не изображается. Расстояние между сплошными основной и тонкой
линиями, применяемыми для изображения резьбы (рис. 10, а и б), должно быть не
менее 0,8 мм и не более шага резьбы.
Штриховка в разрезах и сечениях
всегда выполняется до контурной линии наружного диаметра наружной резьбы и до
контурной линии внутреннего диаметра внутренней резьбы, т.е. всегда до сплошной
основной линии (рис. 10,б и в).
Внутренняя резьба, а также ее конец,
показываемая как невидимая (рис. 10, в), изображается штриховыми линиями одной
толщины по наружному и внутреннему диаметрам.
Рисунок 10. Изображение резьбы на чертеже
Сказанное относительно
цилиндрической резьбы в основном относится также и к изображению на чертежах
конической резьбы. Рис. 10, г и д иллюстрирует особенности выполнения чертежей
конической резьбы. На рис. 10, г изображена деталь с наружной, а на рис. 10, д
- с внутренней конической резьбой. Из этих примеров видно, что на видах,
полученных проецированием на плоскость, перпендикулярную оси стержня с резьбой,
необходимо изображать две окружности основной сплошной линией и тонкой сплошной
линией дугу, приблизительно равную 3/4 окружности,
разомкнутой в любом месте. Сплошную тонкую линию при изображении резьбы наносят
также на расстоянии 0,8 мм от сплошной основной линии контура.
Основная плоскость на наружной
конической резьбе при необходимости указывается тонкой сплошной линией.
Изображение невидимого резьбового отверстия
показано на рис. 10, е.
.3 Обозначение резьбы
Стандарты, устанавливающие
параметры той или иной резьбы, предусматривают также ее условное обозначение.
Обозначение резьбы обычно включает в себя буквенное обозначение, определяющее
тип резьбы, а также размер резьбы. Если при одном и том же размере резьба может
иметь различный шаг или выполняться различной точности, то в обозначении резьбы
должны указываться шаг и степень точности резьбы.
. Метрическая резьба с наружным
диаметром 24 мм, изготовленная с крупным шагом, обозначается:
М24.
Величина шага в обозначение
резьбы с крупным шагом не входит, так как каждому наружному диаметру резьбы по
СТ СЭВ 181-75 соответствует только одно значение крупного шага.
В обозначении метрической
резьбы с мелким шагом должна указываться величина шага, так он может быть
различным при одном и том же наружном диаметре резьбы.
Левая резьба обозначается с
добавлением букв LH:
M20LH,
M64x4LH.
. Условное обозначение
трапецеидальной резьбы:
Тr32
х 12(Р6)
включает в себя сведения о
номинальном диаметре резьбы (32 мм), ее холе Рn=
12 мм и шаге Р = 6 мм.
Число заходов многозаходной
резьбы и ее шаг указываются в обозначении резьбы в виде произведения.
Двухзаходная левая резьба с
номинальным диаметром 32 мм и шагом 6 мм обозначается:
Тг32 х 12(P6)LH.
. Упорная резьба однозаходная с
наружным диаметром 60 мм и шагом 10 мм обозначается по ГОСТ 10177-62:
Уn.
60 х 10.
На рис. 7,б даны примеры
обозначения трапецеидальной и упорной резьб на учебных чертежах деталей.
. Обозначения конических резьб
и трубной цилиндрической резьбы, которые характеризуются условными размерами
резьбы, должны наноситься в соответствии с примерами, указанными на рис. 7, в,
а все ее параметры должны быть взяты по ГОСТу и СТ СЭВ.
. Резьба с нестандартным
профилем изображается одним из способов, представленных на рис. 7, г, с
нанесением всех размеров, необходимых для изготовления резьбы (форма профиля,
наружный и внутренний диаметры, шаг). Дополнительные сведения о числе заходов,
левом направлении резьбы и т.п. наносят на полке линии-выноски в виде надписи с
добавлением слова «Резьба».
Рисунок 7. Обозначение резьбы
на чертеже
.4 Резьбовые детали
Для разъемного соединения
деталей машин, приборов и т.п. широко применяются резьбовые крепежные детали -
болты, винты, шпильки, гайки.
Существует значительное
количество стандартных типов болтов, винтов, шпилек и гаек. Все они
изготавливаются в соответствии с ГОСТ 1759-70, устанавливающим требования к
материалу, покрытию и прочим условиям изготовления этих деталей.
Болт представляет собой
резьбовой стержень с головкой. Размеры и форма головки позволяют использовать
ее для завинчивания болта при помощи стандартного гаечного ключа. Обычно на
головке болта выполняется коническая фаска, сглаживающая острые края головки и
облегчающая пользование гаечным ключом при соединении болта с гайкой (или
другой деталью, имеющей внутреннюю резьбу). Существует значительное количество
типов болтов, отличающихся друг от друга формой и размерами головки и стержня,
а также точностью изготовления. Наиболее распространены болты с шестигранной
головкой нормальной точности. Каждому диаметру резьбы болта d
соответствуют определенные размеры его головки. При одном и том же диаметре
резьбы болта d болт может
изготавливаться различной длины.
На практике иногда возникает
необходимость выполнения чертежей стандартных резьбовых деталей. Обычно
резьбовые крепежные детали изображаются на чертеже так, чтобы ось их резьбы
располагалась параллельно основной надписи чертежа. Чертеж детали выполняется
по действительным размерам, которые установлены соответствующим стандартом.
Винты обычно ввинчиваются в
одну из соединяемых деталей. Винт для металла представляет собой резьбовой
стержень с головкой, форма и размеры которой отличаются от головок болтов. В
зависимости от формы головки винтов они могут завинчиваться или ключами, или
отвертками, для чего в головке винта выполняется специальный шлиц (прорезь) для
отвертки.
Для завертывания в дерево и в
некоторые полимерные материалы (пластмассы) применяются шурупы с заостренным
концом стержня.
Винты и шурупы с потайной головкой имеют головку
конической формы, которая располагается («утапливается») в специальном
углублении (зенковке), выполняемом в закрепляемой детали, благодаря чему
головка не выступает над поверхностью этой детали.
Следует иметь в виду, что под
длиной большинства винтов и шурупов понимается длина их стержня (без головки),
а под длиной винтов и шурупов с потайной головкой понимается общая длина,
включая головку.
Шпилька представляет собой цилиндрический
стержень, концы которого имеют резьбу.
Гайки навинчивают на резьбовой
конец болта или шпильки. При завинчивании гайки соединяемые детали зажимаются
между гайкой и головкой болта.
По форме гайки могут быть
шестигранными, квадратными и круглыми.
Чертеж гайки выполняется по
размерам, взятым из соответствующего ГОСТа. Изображения шестигранной гайки
строятся, как и головки болта.
Шайбы применяются при следующих
условиях:
а) если отверстия под болты или
шпильки некруглые (овальные, прямоугольные), когда мала опорная поверхность у
гаек;
б) если необходимо предохранить
опорную поверхность детали от задиров при затяжке гайки ключом;
в) если детали изготовлены из
мягкого материала (алюминия, латуни, бронзы, дерева и др.); в этом случае нужна
большая опорная поверхность под гайкой для предупреждения смятия детали.
Наиболее часто применяемые
шайбы имеют два исполнения: без фаски и с фаской.
В целях предупреждения
самоотвинчивания болтов, винтов и гаек от вибраций и толчков применяют
пружинные шайбы, которые представляют собой как бы виток резьбы квадратного
профиля с левым направлением винтовой линии.
Шплинт имеет кольцевую петлю и
два конца (большей частью разной длины). На одном из тори гайки выполнены
прорези определенной глубины и ширины. При скреплении деталей прорези гайки
располагаются так, чтобы одна из них совпадала с отверстием, выполненным в стержне
болта. В этом случае в отверстие болта может быть вставлен шплинт, который
разместится в прорези гайки. Длина шплинта выбирается так, чтобы его концы
можно было развести отогнуть в разные стороны для фиксации его в прорези гайки.
Шплинт предотвращает возможность поворота гайки относительно стержня болта.
Под диаметром шплинта
понимается его условный диаметр d,
который равен диаметру отверстия в стержне болта, предназначенного для данного
шплинта. Чтобы предотвратить самоотвинчивание группы болтов, в отверстия
головок всех болтов протягивается проволока, концы которой туго скручиваются.
Проволока предотвращает самоотвинчивание болтов.
Самоотвинчивание гаек можно
обеспечить и другими средствами, например, специальными шайбами с лапками.
.5 Обозначения резьбовых
крепежных деталей
В зависимости от необходимых
механических свойств материала, из которого изготовлена крепежная деталь, она
характеризуется определенным классом прочности или относится к определенной
группе. ГОСТ 1759-70 устанавливает ряд классов прочности и групп для крепежных
деталей.
Каждый класс прочности и каждая группа
определяют требования к механической прочности резьбовой детали и
предусматривают марки материалов, из которых могут изготавливаться эти детали.
Класс прочности болтов, винтов
и шпилек обозначается двумя числами, каждое из которых отражает различные
параметры, характеризующие прочность материала детали.
Класс прочности гаек
обозначается одним числом, которое отражает состояние материала детали при
воздействии на нее испытательной нагрузки.
Для предохранения крепежных
деталей от коррозии применяются соответствующие защитные покрытия
Условное обозначение любой
стандартной крепежной детали должно отражать:
) форму и основные размеры
детали и ее элементов, определяемые соответствующим размерным стандартом;
) класс прочности или группу
детали, характеризующие механические свойства материала детали;
) условное обозначение
покрытия, предохраняющего деталь от коррозии.
С целью упрощения условных
обозначений резьбовых крепежных деталей можно ориентироваться на применение
деталей без покрытия, выполненных с крупным шагом резьбы по 3-му классу
(степени) точности. С учетом изложенного ниже приводятся примеры обозначений,
которые могут применяться при изучении курса «Черчение». В этих обозначениях
условно принято:
. Все детали примеров имеют
резьбу М24 с крупным шагом, выполненную по 3-му классу (степени) точности.
. Болты, винты и шпильки
характеризуются соответствующей длиной l
= 80 мм и имеют класс прочности 3 6.
. Гайки соответствуют классу
прочности 4.
4. Все детали выполнены без защитных покрытий.
.6 Резьбовые соединения
Детали машин и приборов
соединяют крепежными деталями. Кроме того, применяют резьбовые соединения
деталей, на одной из которых нарезана наружная, а на другой - внутренняя
резьба. Такие соединения, называемые разъемными, можно разобрать без
повреждения деталей.
Чертежи разъемных соединений
выполняют с применением рекомендуемых стандартами упрощений и условностей.
На продольных разрезах показана
только часть внутренней резьбы, которая не закрыта завернутой в нее деталью. На
поперечных разрезах, если секущая плоскость рассекает обе соединяемые детали,
штриховка ввернутой детали выполняется до наружной окружности резьбы.
Стандартные крепежные детали можно разделить на
две группы: 1) резьбовые крепежные детали (болты, винты, шпильки, гайки); 2)
крепежные детали без резьбы: шайбы (обыкновенные, пружинные, стопорные) и
шплинты. В зависимости от требований, предъявляемых к соединению, оно может
выполняться или только деталями 1-й группы, или этими же деталями совместно с
деталями 2-й группы.
При изображении болтовых
соединений размеры болта, гайки и шайбы берутся по соответствующим ГОСТам. На
учебных сборочных чертежах, с целью экономии времени, болт, гайку и шайбу
рекомендуется вычерчивать не по всем размерам, взятым из ГОСТа, а только по его
диаметру и длине стержня. Остальные размеры обычно определяются по условным
соотношениям элементов болта и гайки в зависимости от диаметра резьбы.
Длина болта l
подсчитывается по формуле l
= m + n
+ s + H
+ k, где m
и n - толщина
соединяемых деталей в мм;
s
- толщина шайбы в мм;
H
- высота гайки в мм;
к - длина выступающего над
гайкой конца болта в мм.
Подсчитав длину болта,
подбирают ближнее значение l
в зависимости от диаметра d.
Размер l0
длины резьбы болта можно принять примерно равным 2d
+ 2Р.
Внутренний диаметр резьбы d1
= d - 2Р, где Р - шаг
резьбы.
При вычерчивании на сборочных
чертежах шпилечного соединения рекомендуется, как при болтовом соединении,
пользоваться условными соотношениями между диаметром резьбы d
и размерами элементов гайки и шайбы.
Длину l1
ввинчиваемого (посадочного) конца шпильки выбирают в зависимости от материала
детали.
Резьбу в отверстии детали
нарезают метчиком по наружному диаметру d.
Так как на конце метчика имеется заборный конус, предупреждающий поломку
метчика в начале резания, то глубина резьбы будет равна l3
= l1
+ 2Р. Границу резьбы изображают сплошной основной линией, перпендикулярной к
оси отверстия.
Номинальные диаметры резьбы
шпильки и резьбового отверстия принимают одинаковыми.
В винтовом соединении, как и в
шпилечном, резьбовая часть винта ввинчивается в резьбовое отверстие детали.
Граница резьбы винта должна
быть несколько выше линии разъема деталей.
Верхние детали в отверстиях
резьбы не имеют. Между этими отверстиями и винтами должны быть зазоры.
.7 Упрощенные и условные
обозначения резьбовых соединений
ГОСТ 2.315-68 предусматривает
упрощенные и условные изображения крепежных деталей на сборочных чертежах.
На рис. 316 представлены
упрощенные изображения некоторых из рассмотренных соединений. При упрощенных
изображениях резьба показывается по всей длине стержня крепежной резьбовой
детали. Фаски, скругления, а также зазоры между стержнем детали и отверстием не
изображаются. На видах, полученных проецированием на плоскость,
перпендикулярную оси резьбы, резьба на стержне изображается одной окружностью,
соответствующей наружному диаметру резьбы. На этих же видах не изображаются
шайбы, примененные в соединении.
В упрощенных изображениях соединений следует соблюдать
пропорции элементов крепежных деталей по условным соотношениям.
Шлицы на головках винтов и,
шурупов изображаются одной утолщенной линией.
На видах, полученных
проецированием на плоскость, перпендикулярную оси резьбы, шлицы головки винтов
также изображаются одной основной утолщенной линией, под углом 45° к линиям
центра.
Условные изображения применяют
в тех случаях, когда на чертеже диаметры стержней крепежных деталей равны 2 мм
или меньше. Величина и выполнение на чертеже условного изображения должны
давать полное представление о характере соединения.
ГОСТ 2.315-68 предусматривает применение
условных изображений как на виде, так и на разрезе или в сечении.
3.8 Выполнение чертежа резьбового соединения
Задание иллюстрирует соединение, выполненное при
помощи болта. При выполнении изображения необходимо отразить на чертеже все
подробности, характеризующие соединения зазоров, фасок, округлений.
Таблица 1. Варианты заданий к контрольной работе
3
|
№
варианта
|
d
|
n
|
m
|
c
|
№
варианта
|
d
|
n
|
m
|
c
|
|
1
|
16
|
25
|
50
|
2
|
16
|
20
|
15
|
25
|
2,5
|
|
2
|
20
|
18
|
30
|
2,5
|
17
|
30
|
20
|
30
|
2,5
|
|
3
|
16
|
25
|
50
|
2
|
18
|
20
|
30
|
20
|
2,5
|
|
4
|
24
|
16
|
40
|
2,5
|
19
|
24
|
20
|
30
|
2,5
|
|
5
|
30
|
20
|
30
|
2,5
|
20
|
16
|
20
|
45
|
2
|
|
6
|
24
|
20
|
40
|
2,5
|
21
|
20
|
25
|
25
|
2,5
|
|
7
|
20
|
15
|
35
|
2,5
|
22
|
24
|
15
|
40
|
2,5
|
|
8
|
16
|
25
|
50
|
2
|
23
|
30
|
18
|
35
|
2,5
|
|
9
|
24
|
24
|
30
|
2,5
|
24
|
24
|
10
|
40
|
2,5
|
|
10
|
20
|
30
|
25
|
2,5
|
25
|
30
|
20
|
35
|
2,5
|
|
11
|
24
|
30
|
20
|
2,5
|
26
|
20
|
15
|
25
|
2,5
|
|
12
|
30
|
30
|
2,5
|
27
|
24
|
15
|
30
|
2,5
|
|
13
|
20
|
15
|
40
|
2,5
|
28
|
16
|
15
|
25
|
2
|
|
14
|
24
|
30
|
20
|
2,5
|
29
|
24
|
20
|
25
|
2,5
|
|
15
|
30
|
10
|
40
|
2,5
|
30
|
20
|
10
|
30
|
2,5
|
Рисунок 11. Задание к контрольной работе 3
3.9 Контрольные вопросы к теме 3
В чем состоит различие между понятиями «ход
резьбы» и «шаг резьбы»?
Как отличить левую резьбу от правой (на
изображении и в натуре)?
Что такое «недорез» резьбы? Из каких частей он
состоит?
Пояснить эскизом правило: «Резьба стержня
закрывает резьбу отверстия».
В каких случаях устанавливается шаг метрической
резьбы?
Нарисуйте профиль резьбы, обозначаемой символом
«S».
В чем особенность трубной резьбы?
Расшифруйте все составные элементы обозначения
резьбового изделия:
Винт 2М12Х1,25-6gХ50.109.40Х.019
ГОСТ 1491-80.
4. Сборочные чертежи
.1 Понятие о сборочном чертеже
и его содержании
Сборочный чертеж-документ,
содержащий изображение сборочной единицы и другие данные, необходимые для ее
сборки (изготовления и контроля).
Правила оформления сборочных
чертежей установлены ГОСТ 2.109-73.
Сборочный чертеж должен
содержать:
) изображение сборочной
единицы, дающее представление о расположении и взаимной связи составных частей,
соединяемых по данному чертежу;
) сведения, обеспечивающие
возможность сборки и контроля сборочной единицы;
) размеры, предельные
отклонения и другие параметры и требования, которые должны быть
проконтролированы или выполнены по сборочному чертежу;
) указания о характере
сопряжения и методах его осуществления, если точность сопряжения обеспечивается
при сборке (подбор деталей, их пригонка и т. д.);
5) указания о способе выполнения неразъемных
соединений (сварных, паяных и др.);
6) номера позиций составных
частей, входящих в изделие;
) основные характеристики
изделия;
) габаритные размеры,
определяющие предельные внешние или внутренние очертания изделия;
) установочные размеры, по
которым изделие устанавливается на месте монтажа;
) присоединительные размеры, по
которым изделие присоединяется к другим изделиям;
) необходимые справочные
размеры и т. п. При изображении изделия на сборочном чертеже помимо видов могут
применяться разрезы и сечения, поясняющие форму и расположение деталей, входящих
в изделие.
Правила выполнения изображений
(видов, разрезов, сечений) на сборочных чертежах имеют много общего с правилами
изображений деталей.
На сборочном чертеже, как
правило, изображения располагают в проекционной связи, что облегчает чтение
чертежа. Отдельные изображения могут размещаться на свободном месте поля
чертежа.
Основная надпись сборочного
чертежа выполняется по ГОСТ 2.104-68 и СТ СЭВ 365-76.
Для каждой составной части в
спецификации указывают номер позиции. На сборочном чертеже все составные части
нумеруют в соответствии с номерами позиций, указанными в спецификации.
Номера позиций на сборочном
чертеже наносят на полках линий-выносок, проводимых от изображений составных
частей. Линии-выноски могут пересекать контур изображения составной части и
заканчиваться точкой. Номера позиций следует указывать на том изображении, на
котором часть изделия проецируется как видимая. Линии-выноски не должны
пересекаться между собой, не должны быть параллельны линиям штриховки, по
возможности не должны пересекать изображение других составных частей, а также
размерных линий чертежа.
Номера позиций наносят на
чертеже, как правило, один раз. Допускается указывать повторно номера позиций
одинаковых составных частей. При этом все повторяющиеся номера позиций проставляются
на двойной полке.
Номера позиций располагают
параллельно основной надписи чертежа и группируют их в колонку или строчку,
т.е. по вертикальной или горизонтальной прямой.
Размер шрифта номеров позиций
должен быть больше размера шрифта размерных чисел (на 1-2 номера шрифта).
Для группы крепежных деталей,
относящихся к одному и тому же месту крепления, допускается проводить общую
линию-выноску. В этом случае полки для номеров позиций должны располагаться
колонкой и соединяться тонкой линией.
При выполнении сборочных
чертежей может возникнуть необходимость изображения различных соединений: при
помощи стандартных крепежных деталей, шпоночных и зубчатых (шлицевых)
соединений, а также соединений при помощи штифтов, клепаных, сварных и других
неразъемных соединений Кроме того, на сборочных чертежах изображаются различные
передачи.
.2 Изображение сборочных единиц
Процесс сборки изделия обычно
состоит из выполнения различных соединений: разъемных (соединения болтами,
винтами, шпильками и прочими деталями с резьбой, а также штифтами, шпонками и
др.) и неразъемных (соединение запрессовкой, клепкой, сваркой, пайкой,
склеиванием и т.п.).
На рабочих чертежах деталей
изделия детали должны изображаться в том виде, в котором поступают на сборку.
Если при сборке деталей выполняется дополнительная обработка их совместно с
другими деталями (например, выполнение сверления отверстий под штифты и
стопорные винты), то все сведения об этой обработке отражаются на сборочном
чертеже. На рабочих чертежах этих деталей отверстия не изображаются и сведения
о них в технических требованиях не помещаются.
На чертежах общих видов и
сборочных чертежах допускается помещать специальные технологические указания,
если они являются единственными, гарантирующими качество изделия.
На чертежах общих видов и
сборочных чертежах изделия с резьбой, подвергающиеся при эксплуатации действию
вибраций, толчков и ударов, изображают совместно с деталями, предупреждающими
их самоотвинчивание.
Детали, предназначенные для
стопорения резьбовых изделий, стандартизованы, поэтому при вычерчивании таких
деталей необходимо пользоваться соответствующими ГОСТами.
Для фиксации положения
(установки) деталей относительно друг друга широко применяются установочные
винты. Конструктивные формы и размеры установочных винтов определяются
соответствующими стандартами.
Места соединения деталей,
находящихся под воздействием избыточного давления какой-либо среды, должны быть
уплотнены (герметизированы).
В большинстве машин и
механизмов предусматривается специальная, надежно действующая система смазки.
Недостаточная смазка может
привести к быстрому нагреванию и износу трущихся поверхностей, в результате
чего машина выходит из строя.
При выполнении чертежа общего
вида и сборочного чертежа изделия на нем необходимо отразить систему смазки
трущихся поверхностей деталей и правильно изобразить элементы смазочных
устройств.
В современном машиностроении
широкое применение находят подшипники качения, типы и размеры которых
определяются соответствующими стандартами. Размеры этих подшипников даны в СТ
СЭВ 402-76 ГОСТ 831-75, ГОСТ 3395-75 и др.; поля допусков посадочных мест
указаны в СТ СЭВ 773-77.
Подшипники качения состоят из
следующих основных частей: колец (наружного и внутреннего), шариков (или
роликов) и сепаратора, отделяющего шарики (или ролики) друг от друга.
На чертежах общих видов и
сборочных чертежах подшипники качения в осевых разрезах изображаются, как
правило, упрощенно по ГОСТ 2.420-69 без указания типа и особенностей
конструкции. Контурное очертание подшипника здесь выполняется сплошными
основными линиями по его контуру, внутри которого проводятся сплошными тонкими
линиями диагонали.
Если на чертеже общего вида и
сборочном чертеже необходимо указать тип подшипника, то в контуре его
изображения наносится условное графическое изображение по ГОСТ 2.770-68.
Большей частью при сборке пружина предварительно
деформируется: сжимается (пружина сжатия) или растягивается (пружина
растяжения). Для регулирования величины этой деформации применяются различные
устройства, например винт установочный. Вычерчивая сборочные чертежи,
содержащие пружины, следует учитывать их предварительные деформации и
изображать пружины соответственно с измененными расстояниями между витками (в
отличие от рабочих чертежей, на которых пружины изображаются в свободном
состоянии).
Винтовые пружины изображаются,
как правило, с правой навивкой. Если число витков изображаемой пружины больше
четырех, то на каждом конце пружины изображают по 1-2 витка (кроме опорных) и
проводят осевые линии через центры сечений витков по всей длине пружины.
Допускается в разрезе изображать пружину только сечениями витков. Если сечения
витков на чертеже не превышают 2 мм, то их показывают зачерненными.
Пружина, изображенная на
чертеже общего вида и сборочном чертеже лишь сечениями ее витков, условно
считается закрывающей расположенные за ней предметы до контура сечений витков
или до осевых линий сечений витков.
Если диаметр проволоки или толщина сечения
пружины на чертеже не более 2 мм, то пружину можно изображать прямыми линиями,
толщина которых принимается несколько больше толщины сплошной основной линии,
принятой на чертеже.
.3 Условности и упрощения,
применяемые на сборочном чертеже
В целях экономии времени на выполнение чертежей
общих видов и сборочных чертежей по ГОСТ 2.109-73 допускается применять
упрощения и условности.
Например, фаски и галтели, а
также округления, проточки, рифление, насечку, мелкие выступы и впадины не
показывают.
Пружины в разрезе изображают
двумя витками с каждого конца.
Сварное, паяное, клееное
изделие в сборе с другими изделиями в разрезах и сечениях штрихуют как
монолитное тело (в одну сторону), изображая границы между деталями такого
изделия сплошными основными линиями.
Составные части изделия, на которые выполнены
самостоятельные чертежи, а также покупные изделия изображают на разрезах
нерассеченными.
Зазоры между стержнем и
отверстием допускается не показывать.
Болты, винты и шпильки
изображаются на сборочных чертежах упрощенно.
Одинаковые по форме и размерам
равномерно расположенные элементы или детали на чертеже общего вида и сборочном
чертеже не вычерчивают, а изображают лишь один элемент или одну деталь
(например, отверстие или болт).
Покупные детали или изделия
(например, подшипники качения) допускается изображать в виде контурного
очертания, без небольших выступов, впадин и других мелких элементов.
Крышки, щиты и кожухи
допускается не изображать, если необходимо показать закрытые ими составные
части изделия. Над изображением делают соответствующую надпись (например,
«Крышка поз. 4 не показана»).
Линии перехода вычерчивают
упрощенно, заменяя лекальные кривые дугами окружностей или прямыми линиями.
На чертежах общих видов и
сборочных чертежах допускается оставлять часть изображения нерассеченной.
Крайние или промежуточные
положения детали, перемещающейся при работе, при необходимости показывают на
сборочном чертеже штрихпунктирной тонкой линией (с двумя точками) с
соответствующими размерами, причем наносят только контурные очертания детали
(без подробностей).
Изделия, изготовленные из
прозрачного материала, изображаются как непрозрачные. В отдельных случаях
допускается изображать как видимые части изделия, расположенные за прозрачным
предметом (например, шкалы, циферблаты, стрелки приборов и т.п.).
Более подробные сведения об
упрощениях, допускаемых на чертежах общих видов и сборочных чертежах, приведены
в ГОСТ 2.109-73.
.4 Особенности нанесения
размеров
У каждой детали, входящей в
сборочную единицу, существуют поверхности, определяющие положение сопрягаемых с
ней деталей, входящих в ту же сборочную единицу. Эти поверхности называют
конструкторскими базами. В качестве конструкторских баз могут быть условно
выбраны и поверхности, отсутствующие на самой детали (например, плоскости
симметрии детали). Такие поверхности называются скрытыми конструктивными
базами.
Размеры, определяющие расположение сопрягаемых
поверхностей, должны, как правило, наноситься от конструкторских баз с учетом
возможностей выполнения и контроля этих размеров.
4.5 Чтение и деталирование
сборочных чертежей
Чтение чертежей общих видов
развивает умение мысленно представлять устройство изделия и форму его составных
частей.
Прочитать такой чертеж это
значит:
) установись назначение,
устройство и принцип действия изображенного изделия;
) выяснить взаимное
расположение деталей и способы их соединения друг с другом;
) выяснить форму, назначение и
взаимодействие деталей изделия, изображенного на учебном чертеже общего вида.
При чтении чертежа общего вида
вначале надо внимательно его изучить, определив его состав. Для этого следует
ознакомиться со спецификацией и установить наименование, количество и прочие
сведения о составных частях изделия. По номерам позиций, имеющимся в
спецификации и на чертеже, необходимо отыскать на чертеже изображение каждой
детали, выявляя в общих чертах их формы и размеры. При этом надо учитывать
проекционную связь изображений, а также и то, что на всех изображениях в
разрезах одна и та же деталь штрихуется в одном направлении, а смежные детали -
в различных направлениях.
Чтение чертежа значительно
облегчается, если имеется возможность изучить принцип действия изделия по
какому-либо документу (например, по пояснительной записке, паспорту или
описанию устройства).
Необходимо помнить, что по
чертежу общего вида не изготовляют детали, поэтому при выполнении чертежа на
нем допускаются упрощенные изображения деталей. Например, не показывают фаски,
скругления, проточки, углубления, выступы, рифление и т. п. При выполнении по
чертежу общего вида рабочих чертежей деталей большинство этих упрощений не
применяется (см. ГОСТ 2.109-73, ГОСТ 2.305-68 и др.)
Выполнение рабочих чертежей деталей по чертежу
общего вида изделия называется деталированием. В процессе обучения допускается
деталирование и сборочного чертежа, специально разработанного для этой цели.
Прежде чем приступить к
деталированию, надо прочитать описание устройства и действия изделия,
ознакомиться с содержанием спецификации и получить представление о его форме и
форме составных частей.
Уяснив назначение и устройство
сборочной единицы и представив форму каждой детали, можно приступить к
выполнению рабочих чертежей деталей. Начинать следует с определения
необходимого (наименьшего) количества изображений каждой детали.
Расположение изображений
деталей на рабочих чертежах не должно быть обязательно таким же, как на учебном
чертеже общего вида. Все виды, разрезы, сечения и другие изображения
выполняются по рекомендациям ГОСТ 2.305-68 ЕСКД. Для каждой детали выбирается
масштаб изображений по ГОСТ 2.302-68 с учетом ее формы и размеров. Чем сложнее
форма, тем больше разных контурных и размерных линий будет на чертеже, поэтому
подобное изображение деталей следует вычерчивать в более крупном масштабе.
Небольшие проточки, углубления, выступы и т.п. желательно изображать в виде
выносных элементов в большем масштабе.
Все рабочие чертежи деталей
обязательно выполняются на листах бумаги стандартных форматов.
Чертежи стандартных изделий обычно не выполняют.
Если же это потребуется, то размеры таких изделий подбирают по соответствующим
стандартам, пользуясь условными обозначениями, записанными в спецификации.
4.6 Выполнение чертежа детали
со сборочного чертежа
Варианты заданий для выполнения
работы получить у преподавателя.
Дополнительно выполнить
задание, варианты которого приводятся ниже.
Варианты заданий:
Вариант 1.
Дочертить условное изображение резьбы на стержне
I (М20 X
1,5) при длине нарезанной части L.
Начертить
вид слева. Обозначить резьбу
Дочертить условное изображение резьбы на
поверхности, отмеченной I(М20Х1.5),
при длине нарезанной части L.
Начертить
вид слева. Обозначить резьбу
Вариант 2
Дочертить условное изображение резьбы на стержне
I (М20 X
1,5) при длине нарезанной части L.
Начертить
вид слева. Обозначить резьбу
Дочертить условное изображение
резьбы на поверхности, отмеченной I
(М20 X 1,5), при длине
нарезанной части L.
Начертить
вид слева. Обозначить резьбу
Вариант 3
Дочертить условное изображение резьбы на стержне
I (М20 X
1,5) при длине нарезанной части L.
Начертить
вид слева. Обозначить резьбу
Дочертить условное изображение
резьбы на поверхности, отмеченной I
(М20 X 1,5), при длине
нарезанной части L.
Начертить
вид слева. Обозначить резьбу
Вариант 4
Дочертить условное изображение резьбы на стержне
I (M20
X 1,5) при длине
нарезанной части L.
Начертить
вид слева. Обозначить резьбу
Дочертить условное изображение
резьбы на поверхности, отмеченной I
(М20 X 1,5), при длине
нарезанной части L.
Начертить
вид слева. Обозначить резьбу
Вариант 5
Дочертить условное изображение резьбы на
поверхности, отмеченной I
(М20Х 1,5), при длине нарезанной части L.
Начертить
вид слева. Обозначить резьбу
Дочертить условное изображение
резьбы на поверхности, отмеченной I
(М20 X 1,5), при длине
нарезанной части L.
Начертить
вид слева. Обозначить резьбу
Вариант 6
Дочертить условное изображение резьбы на
поверхности, отмеченной I
(М20 X 1,5), при длине
нарезанной части L.
Начертить
вид слева. Обозначить резьбу
Дочертить условное изображение
резьбы на поверхности, отмеченной I
(М20 X 1,5), при длине
нарезанной части L.
Начертить
вид слева. Обозначить резьбу
Вариант 7
Дочертить условное изображение резьбы на
поверхности, отмеченной I
(М20 X 1,5), при длине
нарезанной части L.
Начертить
вид слева. Обозначить резьбу
Дочертить условное изображение резьбы на
поверхности, отмеченной I
(М20 X 1,5), при длине
нарезанной части L.
Начертить
вид слева. Обозначить резьбу
Вариант 8
Дочертить условное изображение
резьбы на поверхности, отмеченной I
(М20Х 1,5), при длине нарезанной части L.
Начертить
вид слева. Обозначить резьбу
Дочертить условное изображение
резьбы на поверхности I.Начертить
вид слева
Вариант 9
Дочертить условное изображение
резьбы на поверхности, отмеченной I
(М20Х 1,5), при длине нарезанной части L.
Начертить
вид слева. Обозначить резьбу
Дочертить условное изображение резьбы на стержне
I (М20 X
1,5) при длине нарезанной части L.
Начертить
вид слева. Обозначить резьбу
Вариант 10
Дочертить условное изображение
резьбы на поверхностях I,
II. Начертить вид
слева
Вариант 11
Дочертить условное изображение
резьбы на поверхностях I,
II. Начертить вид
слева
Вариант 12
Дочертить условное изображение
резьбы на стержне и в отверстии. Начертить виды слева и справа
Вариант 13
Дочертить условное изображение резьбы на стержне
I (М20 X
1,5) при длине нарезанной части L.
Начертить
вид слева. Обозначить резьбу
Дочертить условное изображение
резьбы на поверхности, отмеченной I
(М20Х 1,5), при длине нарезанной части L.
Начертить
вид слева. Обозначить резьбу
Вариант 14
Дочертить условное изображение резьбы на стержне
I (М20 X
1,5) при длине нарезанной части L.
Начертить
вид слева. Обозначить резьбу
Дочертить условное изображение резьбы на
поверхности, отмеченной I(М20Х1.5),
при длине нарезанной части L.
Начертить
вид слева. Обозначить резьбу
Вариант 15
Дочертить условное изображение резьбы на стержне
I (М20 X
1,5) при длине нарезанной части L.
Начертить
вид слева. Обозначить резьбу
Дочертить условное изображение
резьбы на поверхности, отмеченной I
(М20Х 1,5), при длине нарезанной части L.
Начертить
вид слева. Обозначить резьбу
Вариант 16
Дочертить условное изображение
резьбы на поверхности I.Начертить
вид слева
Дочертить условное изображение
резьбы на поверхности, отмеченной I
(М20 X 1,5), при длине
нарезанной части L.
Начертить
вид слева. Обозначить резьбу
Вариант 17
Дочертить условное изображение резьбы на стержне
I (М20 X
1,5) при длине нарезанной части L.
Начертить
вид слева. Обозначить резьбу
Дочертить условное изображение резьбы на
поверхности, отмеченной I
(М20 X 1,5), при длине
нарезанной части L.
Начертить
вид слева. Обозначить резьбу
Вариант 18
Дочертить условное изображение резьбы на
поверхности, отмеченной I
(М20 X 1,5), при длине
нарезанной части L.
Начертить
вид слева. Обозначить резьбу
Дочертить условное изображение
резьбы на поверхности, отмеченной I
(М20 X 1,5), при длине
нарезанной части L.
Начертить
вид слева. Обозначить резьбу
Вариант 19
Дочертить условное изображение резьбы на стержне
I (M20
X 1,5) при длине
нарезанной части L.
Начертить
вид слева. Обозначить резьбу
Дочертить условное изображение
резьбы на поверхности, отмеченной I
(М20 X 1,5), при длине
нарезанной части L.
Начертить
вид слева. Обозначить резьбу
Вариант 20
Дочертить условное изображение резьбы на
поверхности, отмеченной I
(М20 X 1,5), при длине
нарезанной части L.
Начертить
вид слева. Обозначить резьбу
Дочертить условное изображение
резьбы на поверхности, отмеченной I
(М20 X 1,5), при длине
нарезанной части L.
Начертить
вид слева. Обозначить резьбу
Вариант 21
Дочертить условное изображение резьбы на
поверхности, отмеченной I
(М20Х 1,5), при длине нарезанной части L.
Начертить
вид слева. Обозначить резьбу
Дочертить условное изображение резьбы на
поверхности, отмеченной I(М20Х1.5),
при длине нарезанной части L.
Начертить
вид слева. Обозначить резьбу
Вариант 22
Дочертить условное изображение резьбы на стержне
I (М20 X
1,5) при длине нарезанной части L.
Начертить
вид слева. Обозначить резьбу
Дочертить условное изображение резьбы на
поверхности, отмеченной I
(М20 X 1,5), при длине
нарезанной части L.
Начертить
вид слева. Обозначить резьбу
Вариант 23
Дочертить условное изображение резьбы на стержне
I (М20 X
1,5) при длине нарезанной части L.
Начертить
вид слева. Обозначить резьбу
Дочертить условное изображение
резьбы на поверхности, отмеченной I
(М20 X 1,5), при длине
нарезанной части L.
Начертить
вид слева. Обозначить резьбу
Вариант 24
Дочертить условное изображение резьбы на стержне
I (M20
X 1,5) при длине
нарезанной части L.
Начертить
вид слева. Обозначить резьбу
Дочертить условное изображение
резьбы на поверхности, отмеченной I
(М20 X 1,5), при длине
нарезанной части L.
Начертить
вид слева. Обозначить резьбу
Вариант 25.
Дочертить условное изображение резьбы на
поверхности, отмеченной I
(М20 X 1,5), при длине
нарезанной части L.
Начертить
вид слева. Обозначить резьбу
Дочертить условное изображение
резьбы на поверхности, отмеченной I
(М20Х 1,5), при длине нарезанной части L.
Начертить
вид слева. Обозначить резьбу
Вариант 26
Дочертить условное изображение
резьбы на поверхности, отмеченной I
(М20 X 1,5), при длине
нарезанной части L.
Начертить
вид слева. Обозначить резьбу
Дочертить условное изображение
резьбы на поверхности I.Начертить
вид слева
Вариант 27
Дочертить условное изображение резьбы на стержне
I (М20 X
1,5) при длине нарезанной части L.
Начертить
вид слева. Обозначить резьбу
Дочертить условное изображение резьбы на
поверхности, отмеченной I
(М20 X 1,5), при длине
нарезанной части L.
Начертить
вид слева. Обозначить резьбу
Заключение
При написании курсовой работы
изучена литература, посвященная преподаванию инженерной графики. В изученном
материале были выделены ключевые моменты, необходимые для успешного усвоения
курса с учетом требований, предъявляемых к студентам заочного факультета. В
ходе рассмотрения практических заданий различной сложности была сделана выборка
заданий, которые по своей сложности доступны для выполнения
студентами-заочниками и будут способствовать выработке у них необходимых умений
и навыков. Весь отобранный материал приводится в курсовой работе и представляет
собой методическое обеспечение изучения курса инженерной графики для
студентов-заочников.
Материал, приведенный в данной
курсовой работе, можно использовать в процессе преподавания инженерной графики
на заочном факультете студентам специальностей АСОИ и «Лесное хозяйство», а
также для повторения, обобщения и закрепления учебного материала по
соответствующим разделам во время преподавания курса инженерной графики
студентам дневного отделения.
Список использованной
литературы
чертеж сборочный
разрез сечение
1 Э.Д. Мерзон, И.Э. Мерзон. Задачник
по машиностроительному черчению. М: Высшая школа, 1990 г.
С.К. Боголюбов, А.В. Воинов.
Черчение. М: Машиностроение, 1984 г.
С.К. Боголюбов. Индивидуальные
задания по курсу черчения. М: Высшая школа, 1989 г.
Начертательная геометрия. Инженерная
графика. Методические указания и контрольные задания. М: Высшая школа, 1990 г.