Изучение микроструктуры и свойств упрочненного слоя, полученного путем плазменной закалки
Введение
Одной из важнейших задач современного этапа
развития машиностроения является повышение качества, надежности и долговечности
деталей и узлов различных машин и механизмов. Для радикального решения этой
проблемы необходим комплексный подход, включающий создание новых материалов,
разработку и освоение новых технологий.
В частности, для некоторых типов деталей в
соответствии с особенностями нагружения при эксплуатации необходимо обеспечить
высокую твердость, износостойкость поверхностного рабочего слоя и достаточно
хорошую вязкость и пластичность сердцевины. Это касается деталей, работающих в
условиях износа с одновременным действием динамических нагрузок. При
динамической изгибающей нагрузке максимальные напряжения возникают в
поверхностном слое изделия. Это же относится и к касательным напряжениям,
возникающим при кручении. При воздействии на деталь знакопеременной нагрузки
разрушение от усталости также начинается в поверхностном слое.
В процессе эксплуатации многих машин и
механизмов их детали работают в жестких условиях в контакте с агрессивными
средами при высоких температурах, вызывающих как существенный износ
поверхности, так и интенсивную коррозию. Изнашивание рабочих поверхностей
деталей нередко требует их полной замены, что повышает себестоимость
производства, тогда как их массогабаритные характеристики составляют 90-95% от
номинальных. Следовательно, нет необходимости большинству деталей машин
придавать одинаковые свойства по всему сечению способами объемной закалки. В
некоторых случаях это может оказаться не только излишним, но даже вредным.
Наиболее рациональное распределение свойств по
сечению многих деталей - наибольшая твердость поверхностных слоев при
достаточно вязкой сердцевине и плавном переходе между ними. Такое распределение
свойств по сечению наиболее целесообразно и с точки зрения долговечности работы
изделий [1]. Снижается риск поломок при эксплуатации.
Среди методов упрочнения поверхности наиболее
распространенными являются поверхностная термическая закалка и различные
способы химико-термической обработки (цементация, азотирование и др.).
Поверхностная термическая закалка по сравнению с химико-термической обработкой
требует значительно меньшего времени и является, поэтому, более
предпочтительной.
В данной работе отражаются ход и результаты
исследований свойств поверхностного упрочненного слоя заготовок, полученного
методом плазменной закалки. Для проведения данных исследований необходимо
подготовить образцы для упрочнения, выполнить упрочнение, проанализировать
результаты, установить как влияют на свойства получаемого упрочненного слоя
основные параметры режима закалки. Также в данной работе на основании
проведенного исследования предпринята попытка задать оптимальные параметры
режима для упрочнения деталей машин, изготавливаемых из различных марок
конструкционных сталей.
1. Обзор методов поверхностного упрочнения
высококонцентрированными источниками нагрева
К наиболее перспективным и прогрессивно
развивающимся способам поверхностной закалки следует отнести способы,
основанные на применении высококонцентрированных источников нагрева: плазменная
струя, лазерный луч, электронный пучок [3]. Их применение позволяет получить
более высокие эксплуатационные свойства изделий и качество упрочнения.
Внедрение высококонцентрированных источников нагрева позволяет резко сократить
энергозатраты, уменьшить коробление деталей, исключить необходимость
использования различных сред и при этом полностью автоматизировать процесс [5].
В соответствии с применяемым источником нагрева различают следующие способы
поверхностной термической закалки:
электронно-лучевая закалка,
лазерная закалка,
плазменная закалка.
.1 Электронно-лучевая обработка
Электронный луч представляет собой мощное
эффективное средство термического воздействия на материал [8, 9, 10, 11]. Первые
попытки применения электронного луча для выполнения технологических операций
были предприняты более 100 лет назад. В 1905 году Пирани успешно использовал
электронный луч для электронно-лучевой плавки металлов, в том числе и
тугоплавких, например тантала. В 1934 году фон Арденне и Рюле применили
электронные пучки, сфокусированные магнитными линзами, с целью получения в
материалах отверстий малого диаметра. К 1965 году в практику промышленного
применения вошли такие технологические процессы как электронно-лучевая плавка,
сварка, напыление, обработка поверхностей. Электронно-лучевая технология
сформировалась в качестве самостоятельной научно-технической области в течение
последних 40...50 лет [9]. Это стало возможным, главным образом, благодаря
успехам, достигнутым в области разработки и применения вакуумной техники и
электронной оптики. В настоящее время понятие «электронно-лучевые технологии»
охватывает ряд способов получения и обработки материалов, например плавку,
сварку, резку, термическую обработку.
В качестве энергоносителя при реализации
электронно-лучевых технологий выступает электронный луч. Генератором
электронного луча служит электронная пушка, обеспечивающая эмиссию свободных
электронов, их ускорение в электростатическом поле, фокусировку и отклонение
пучка с посредством электрического и магнитного полей [9]. Сформированный
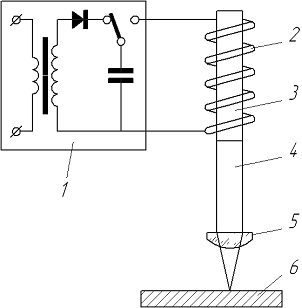
пушкой электронный пучок выводится в изображенную на рисунке 1 рабочую камеру,
из которой предварительно насосами откачивают воздух. При взаимодействии
электронного пучка с поверхностью обрабатываемой детали 1 кинетическая энергия
электронов превращается в другие формы энергии (главным образом в тепловую).
Часть электронов отражается и рассеивается поверхностью объекта, появляется
рентгеновское излучение, кроме того, возникают вторичные и тепловые электроны
[8, 9]. Обрабатываемая деталь 1 при помощи механизма 3 перемещается с заданной
скоростью. Закалка производится электронным лучом 4.
Комплекс устройств, служащих для формирования и
фокусировки электронного луча, называют сварочной электронной пушкой. Оператор,
осуществляющий закалку в зависимости от размеров камеры, находится за ее
пределами или в самой камере.
Характер воздействия электронного пучка на
металлические материалы зависит от энергии электронов, плотности потока, а
также от свойств облучаемых объектов и условий, в которых они находятся
(температура, внешняя среда). Проходя через вещество, электроны взаимодействуют
как с кристаллической решеткой материала в целом, так и с отдельными
встречающимися на его пути микрочастицами: атомами, молекулами, электронами,
что приводит к ослаблению интенсивности электронного пучка [12].
Рисунок 1 - Схема установки для
электронно-лучевой обработки
Рассеивание кинетической энергии ускоренных электронов
происходит в виде тепла, разогревающего металл в области падения электронного
луча [13, 14]. Такая особенность электронно-лучевого воздействия приводит к
возможности реализации в поверхностных слоях обрабатываемых изделий таких
процессов как нагрев, плавление, испарение, взрывное вскипание вещества и т.д.
[9, 15, 16, 17].
Энергия, передаваемая электронами веществу,
распределяется неравномерно. Интенсивность проходящих в нем превращений также
неодинакова. Следовательно, одной из основных задач при выборе технологических
параметров электронно-лучевой обработки является расчет допустимой
неравномерности поглощенной дозы энергии. Это необходимо для того, чтобы
разброс приобретаемых веществом свойств не выходил за пределы технических
условий [12].
Анализ литературных данных позволяет выделить
следующими основные технологические преимущества метода электронно-лучевой
обработки по сравнению другими способами поверхностного упрочнения [2, 3, 18]:
высокая производительность процесса;
минимальное коробление изделия;
не зависящий от изделия характер подвода
энергии;
возможность управления процессом с помощью ЭВМ и
устройств с ЧПУ, встраивание установок в автоматические производственные линии;
независимость степени поглощения энергии от
оптических свойств и шероховатости поверхности, отсутствие необходимости
нанесения покрытия на поверхность для повышения поглощающей способности;
формирование зоны одновременного нагрева с
площадью до сотен см2,
высокая надежность электромагнитной системы
сканирования;
возможность использования одного оборудования
для проведения различных технологических процессов - сварки, поверхностной
закалки, плавления;
возможность быстрой и надежной развертки пучка в
магнитном поле;
отсутствие окисления поверхности;
относительная экологичность процесса за счет
отсутствия вредных выбросов в атмосферу.
Несмотря на ряд перечисленных преимуществ,
большие капитальные затраты на приобретение и монтаж оборудования, затраты,
связанные с его эксплуатацией и обслуживанием, ограничивают применение
электронно-лучевой обработки деталей крупносерийным и массовым производством в
машиностроении и инструментальной промышленности [2, 3].
1.2 Лазерная обработка
Возможность концентрации лазерного излучения в
пространстве и во времени позволяет отнести современные лазеры к
высококонцентрированным источникам энергии [8]. Лазерное излучение представляет
собой вид электромагнитного излучения с набором уникальных свойств. Для него
характерны монохроматичность, когерентность, малая расходимость в пространстве,
высокие удельные энергетические характеристики [8].
При лазерной обработке поверхности нагрев
металла осуществляется мощным световым лучом, получаемым от специальных твердых
или газовых излучателей. Для управления сформированного излучателем луча служат
специальные оптические системы. Вакуум при закалке лазером не нужен, и
последняя может осуществляться на воздухе даже на значительном расстоянии от
генератора, благодаря малому значению угла расходимости лазерного луча и~10-3
рад (высокой направленности), обеспечивающему высокую плотность мощности
излучения [19]. В зоне обработки плотность мощности лазерного луча может
достигать величины 106 Вт/см2. Схема установки для
лазерной обработки показана на рисунке 2.
Важнейшим достоинством лазерного луча является
его высокая универсальность. Один и тот же лазерный комплекс может служить для
выполнения различных технологических операций - термической обработки, сварки,
резки, поверхностного легирования, наплавки. Эти достоинства объясняют широкое
распространение технологических лазеров в современном промышленном
производстве, в том числе и в машиностроении [19-21].
Рисунок 2 - Схема установки для лазерной
обработки: 1 - источник питания; 2 -лампа накачки; 3 резонатор; 4 - луч лазера;
5 - оптическая система; 6 - свариваемое изделие.
Специфику лазерной обработки определяют очень
высокие скорости нагрева и охлаждения материала. В месте встречи лазерного луча
с поверхностью за короткое время выделяется столько тепловой энергии, что
скорость нагрева материала может достигать миллиона градусов в секунду. В то же
время локальность взаимодействия луча с объектом означает, что после
прохождения луча, быстро нагретый участок оказывается в окружении холодного
металла, который интенсивно забирает тепло, обеспечивая интенсивное охлаждение
[20].
Таким образом, лазерная термическая обработка
является эффективным методом поверхностной закалки, обеспечивающим формирование
высокопрочной структуры. В качестве основного недостатка лазерного
термоупрочнения следует отметить высокую отражающую способность многих реальных
металлических изделий, требующих упрочнения, что в итоге негативно отражается
на коэффициенте полезного действия лазеров при реализации поверхностной
упрочняющей обработки.
Основное распространение получили лазеры
мощностью до 5 кВт. Лазеры большей мощности являются дорогостоящим
оборудованием, эксплуатация которого экономически целесообразна при его
загрузке на 80-90% [4, 5].
.3 Плазменная закалка
Плазменное поверхностное упрочнение, как один из
методов упрочнения источниками нагрева с высокой плотностью мощности, в
настоящее время применяется в условиях как мелкосерийного и единичного, так и
крупносерийного и массового производства. Сущность его заключается в термических
фазовых и структурных превращениях, происходящих при быстром концентрированном
нагреве рабочей поверхности детали плазменной струей и последующем отводе тепла
в глубь детали [7].
Для технологических целей используют
низкотемпературную плазму, которая представляет собой частично ионизированный
газ и имеет температуру порядка 103...10s
К. Механизм образования плазмы, свойства и параметры плазменной струи зависят
от рода и свойств плазмообразующей среды, которая может быть однокомпонентной и
многокомпонентной. В качестве однокомпонентной плазмообразующей среды применяют
аргон, гелий, азот и водород. В качестве многокомпонентных используют смеси:
аргон и водород, аргон и гелий, азот и водород, воздух, воду, аммиак, азот и
кислород [13, 22].
Плазмообразующий газ должен обладать высоким
значением удельной теплоемкости и теплопроводности. В этом отношении аргон
обладает худшими электрическими и теплофизическими характеристиками по
сравнению с другими плазмообразующими газами, однако хорошо защищает
вольфрамовый электрод, легко ионизируется под действием дугового разряда и не
оказывает вредного воздействия на поверхностный слой обрабатываемого металла.
Однако аргон и другие инертные газы дорогостоящи. Кроме того, они не могут
диссоциировать в столбе дугового разряда. Активными теплоносителями являются
двух- и трехатомные газы, поэтому их применяют в качестве добавки к аргону.
Наилучшими теплофизическими характеристиками обладает водород. В смеси его
содержание обычно не превышает 15-20%. Дальнейшее увеличение содержания
водорода в смеси приводит к резкому возрастанию напряжения на дуге. [13].
Плазменная обработка материалов обладает рядом
достоинств, обуславливающих ее широкое использование для реализации всех
известных методов термического воздействия на материал: возможностью достижения
высокой концентрации тепловой энергии; пригодностью для плавления или испарения
практически любых известных в природе материалов; повышенной стабильностью
плазменной дуги по сравнению с электрической; высокой скоростью газа в плазменной
струе [22, 23].
Плазменные источники обеспечивают плотность
мощности 104~105 Вт/см2, т.е. меньше, чем
электронный и лазерный луч, но их единичная мощность может достигать 160 кВт и
более, а эффективный КПД нагрева - 0,85. Плазменное оборудование по стоимости и
сложности изготовления вполне сопоставимо с электродуговым, отличается малыми
габаритами и высокой маневренностью. Его широко применяют для резки, наплавки,
напыления, сварки и более ограниченно для упрочнения [5].
2. Закономерности формирования структуры
поверхностных слоев сталей при высокоэнергетическом воздействии
Все методы поверхностного высокоэнергетического
упрочнения сталей предназначены для формирования закаленных слоев,
обеспечивающих повышенный уровень износостойкости рабочих поверхностей деталей,
находящихся в тяжелых условиях внешнего нагружения. Несмотря на принципиальные
различия используемого для поверхностной обработки оборудования, механизм
формирования упрочняемого слоя в общем случае одинаков [12]. Он заключается в
быстром нагреве локального объема детали до аустенитного состояния и
последующем отводе тепла в соседние объемы, не успевшие нагреться в тот период,
когда источник нагрева был включен. В связи с тем, что масса нагретого слоя
значительно меньше, чем масса обрабатываемой детали, скорость охлаждения
поверхностного слоя как правило выше критической [12]. Следовательно, на стадии
охлаждения аустенит претерпевает мартенситное превращение.
Комплекс механических свойств поверхностного
слоя, в первую очередь твердости и показателей прочности, обеспечивается
высокими значениями скоростей нагрева и охлаждения стали [29]. Это
обстоятельство объясняет малый размер мартенситных кристаллов, возникающих в
мелких зернах аустенита и отсутствие явных признаков самоотпуска пересыщенного твердого
раствора [3]. При обработке материала в его поверхностных слоях развиваются
физико-химические процессы, характер которых определяется химическим составом,
температурой, временем, скоростью нагрева и последующего охлаждения [7].
Формирование высокотемпературной фазы в
результате нагрева высококонцентрированными потоками энергии, в отличие от
медленного нагрева, когда превращение перлит → аустенит происходит в
близких к изотермическим условиях, из-за избытка подводимой энергии идет в
условиях непрерывно повышающейся от Aс1нач
до Aс1кон
температуры [20]. График смещения критической точки изображен на рисунке
3.Следует отметить, что аустенит, полученный при высокоскоростном нагреве,
отличается повышенным количеством дефектов. Большое число дефектов обусловлено
наследованием их из б - фазы, а также дополнительным образованием вследствие
усиления эффекта фазового наклепа в условиях превращения при высокой скорости
нагрева. Степень завершенности процесса аустенитизации для конкретного состава
железоуглеродного сплава определяется скоростью и температурой нагрева,
временем теплового воздействия [20, 24], точнее временем пребывания некоторого
объема нагретого металла в диапазоне температур существования аустенита.
Рисунок 3 - Смещение критической точки Aс1
при быстром нагреве стали.
Поскольку при обработке концентрированными
потоками энергии различные слои материала нагреваются до различных температур,
зону термического воздействия условно можно представить состоящей из ряда
слоев, плавно переходящих друг в друга. Схема строения ЗТВ показана на рисунке
4
Первый слой - зона оплавления, имеет место при
закалке из расплавленного состояния. Зона оплавления имеет столбчатое строение
с кристаллами, вытянутыми в направлении теплоотвода. Основная структурная
составляющая для среднеуглеродистой стали - мартенсит [29]. Следует отметить,
что по мере удаления от поверхности упрочняемого изделия в глубь размеры
кристаллов мартенсита плавно изменяются. Обусловлено это тем, что температура материала
в разных зонах быстро нагретого слоя существенно отличается (не смотря на то,
что структура в этих зонах перед охлаждением была одинаковой - аустенит).
Рисунок 4 - Схема строения ЗТВ при плазменном
упрочнении: 1 - зона оплавления; 2- зона закалки; 3 - переходная зона
Тем не менее, мартенсит основного слоя
характеризуется высокой дисперсностью составляющих его элементов. Это
обусловлено тем, что максимальная длина кристалла мартенсита соответствует
размеру аустенитного зерна. Зерно аустенита из-за кратковременности выдержки не
успевает вырасти и поэтому мартенсит, образующийся в его пределах, является
мелкодисперсным. Кроме того, при смещении процесса образования аустенита в
область высоких температур уменьшается концентрация углерода, снижается
устойчивость зародыша, следовательно, скорость зарождения при этом резко
увеличивается, что ограничивает рост зерен [29].
Второй слой - зона закалки из твердой фазы,
образующийся в интервале температур Тпл › Тзак › ТАс1. По глубине слой
характеризуется сильной структурной неоднородностью, так как наряду с полной
закалкой происходит неполная закалка. В верхней границе слоя, ближе к поверхности,
наблюдается мартенсит и остаточный аустенит. В нижней границе слоя, ближе к
исходному металлу, наряду с мартенситом наблюдаются элементы исходной
структуры: феррит в доэвтектоидных сталях и цементит в заэвтектоидных [29].
Третий слой - переходная зона, в которой металл
нагревается до температур ниже точки Ас1, в котором основными структурами
являются структуры отпуска [29].
Металлографические исследования, проведенные
авторами работы [26], показали, что микроструктура переходной зоны зависит от
исходного состояния упрочняемого материала. В зависимости от режимов обработки,
марки стали, ее предварительной термической обработки переходная зона может
иметь различные размеры и строение. В доэвтектоидных сталях с исходной
феррито-перлитной структурой и заэвтектоидных сталях с перлито-цементитной
структурой после поверхностной закалки наблюдаются участки избыточных фаз
(феррита и цементита). Размеры конгломератов этих фаз в направлении от
закаленной зоны к зоне с исходной структурой возрастают.
Слоистое строение упрочненной зоны характерно
для всех способов плазменного упрочнения. Геометрические параметры зоны
плазменного нагрева характеризуются шириной и глубиной упрочненного
поверхностного слоя, которые для большинства способов зависят от параметров режима
упрочнения (мощности плазменной струи (дуги), дистанции упрочнения, скорости
обработки) [29].
C целью обеспечения
высокого уровня конструктивной прочности упрочняемого изделия необходимо
тщательно контролировать структуру не только закаленной, но и переходной зоны.
Изменяя режимы обработки, можно достаточно надежно управлять структурными
параметрами основной и переходной зоны, формируя при этом благоприятный уровень
механических свойств материала [18, 25].
3. Особенности напряженного состояния в поверхностных
слоях металлических материалов, обусловленные нагревом и последующим ускоренным
охлаждением
Для стальных изделий, поверхностные слои которых
были упрочнены методами, основанными на использовании источников
высококонцентрированной энергии, характерным является образование внутренних
напряжений. Уровень этих напряжений достигает высоких значений, что в
значительной степени определяет свойства упрочненного слоя, в первую очередь
трещиностойкость [29]. Появление внутренних напряжений обусловлено, главным
образом, неоднородным распределением деформации по объему материала. В
процессах быстрого нагрева или охлаждения металла внутренние напряжения
возникают вследствие неоднородного расширения (сжатия) поверхностных или
внутренних слоев. Напряжения возникают также в процессе кристаллизации, при
деформации, при термической обработке вследствие неоднородного протекания
структурных превращений по объему материала.
При упрочнении сталей наибольший эффект в
формировании внутренних напряжений обеспечивают процессы, основанные на фазовых
превращениях, происходящие при резком охлаждении металла и приводящие к
образованию мартенситной структуры [27]. Появление мартенсита сопровождается
большими внутренними напряжениями в кристаллической решетке, что способствует ее
перестройке из объемно-центрированной кубической в тетрагональную [27].
Мартенсит по сравнению с другими структурными
составляющими стали и, особенно, с аустенитом имеет наибольший удельный объем.
Увеличение этого параметра является одной из основных причин возникновения при
закалке больших внутренних напряжений, вызывающих деформацию изделий или даже
появление трещин. В процессе роста мартенситного кристалла вследствие разности
удельных объемов аустенита и мартенсита в области когерентного сопряжения решеток
возрастают упругие напряжения, что, в конечном счете, приводит к пластической
деформации и образованию межфазной границы с неупорядоченным расположением
атомов [27].
Упругая аккомодация на границе решеток исходной
и конечной фаз, объемные изменения при возникновении из аустенита новой менее
плотной решетки, а также перемещение межфазной границы при росте мартенситных
кристаллов приводят к возникновению дефектов, присущих структуре мартенсита.
Такого рода дефекты, сконцентрированные у поверхности мартенситных кристаллов,
являются источниками возникновения внутренних напряжений, подразделяемых на
протяженные, образованные в результате упругого изгиба мартенситного кристалла,
и локальные, являющиеся областями объемного растяжения кристаллической решетки
[27].
Опыт эксплуатации конструкций различного
назначения и результаты многочисленных экспериментов показывают, что остаточные
напряжения существенно влияют на надежность и долговечность техники. Высокие
закалочные напряжения, возникающие в изделиях, способны привести к
растрескиванию изделий [28]. Поэтому одна из наиболее важных задач, возникающих
при реализации методов поверхностной закалки с использованием источников
высококонцентрированной энергии, заключается в применении таких решений,
которые способствовали эффективному уменьшению уровня растягивающих внутренних
напряжений в упрочняемых изделиях.
4. Технологические варианты плазменного
упрочнения деталей
Накопленный опыт по практическому применению
плазменного поверхностного упрочнения позволяет выделить следующие варианты
[7]:
) упрочнение без оплавления и с оплавлением
поверхности детали; 2) упрочнение с зазором между упрочненными зонами (ЗТВ),
без перекрытия ЗТВ и с перекрытием ЗТВ.
Плазменное упрочнение без оплавления поверхности
является наиболее распространенным для стальных деталей, поскольку обеспечивает
сохранение качества (шероховатости) поверхности, достигнутого предшествующей
механической обработкой. В этом одно из основных технологических преимуществ
данного процесса, который на практике используется обычно как финишная
операция. Требуемые значения твердости, размеров и эксплуатационных
характеристик ЗТВ регулируются режимом обработки в достаточно широких пределах
[7].
Однако в случаях, когда необходимо получить
особые эксплуатационные свойства, возможно и упрочнение с оплавлением
поверхности стальных деталей. Так, обработка с оплавлением может применяться
для валков черновой группы клетей станов горячей прокатки, к шероховатости
рабочей поверхности которых не предъявляют высоких требований. Оплавленная
твердая поверхность валка в этом случае позволяет обеспечить улучшение захвата
прокатываемого металла и имеет более высокую износостойкость по сравнению
с неоплавленной. [7].
Наиболее широко плазменное упрочнение с
оплавлением поверхности применяется для деталей из чугуна. В этом случае
дополнительным фактором повышения срока службы является создание поверхностного
отбеленного слоя с высокой износостойкостью [7].
Из второй группы технологических вариантов
плазменного упрочнения наибольшее практическое применение получила обработка
без перекрытия ЗТВ. Преимуществом такой обработки является получение
упрочненных слоев на деталях с практически равномерной твердостью на
поверхности. Износостойкость в этом случае наиболее высокая. В то же
время обработка с перекрытием может применяться в специально оговоренных
случаях, когда, например, необходимо обеспечить большую стабильность глубины
упрочненного слоя [7].
5. Схемы получения плазмы
В настоящее время основным методом получения
плазмы для технологических целей является метод пропускания газовой струи через
сжатую электрическую дугу, расположенную в узком медном канале.
В современной сварочной технике применяют три
схемы получения плазмы. Первая соответствует схеме сжатой дуги прямого
действия, когда анодом служит обрабатываемый материал Схема показана на рисунке
5а. Вторая - сжатая дуга косвенного действия возникает между вольфрамовым
электродом и внутренним соплом плазмотрона, из которого выдуваются потоки газа
в виде плазменной струи. Схема показана на рисунке 5б. Третья - схема с
комбинированным подключением плазмотрона к источнику питания.
Схема обработки плазменной дугой прямого
действия имеет определенные особенности. К преимуществам можно отнести
достаточно высокий КПД нагрева дугой прямого действия (до 85% [1]). Кроме того,
плазмотроны с дугой прямого действия обладают сравнительно простой
конструкцией. Преимущество плазменной закалки дугой прямого действия еще и в
том, что имеется возможность повысить ее производительность за счет
сканирования дуги магнитным полем. Схема плазмотрона со сканируемой дугой
изображена на рисунке 6.
Плазма сильно подвержена воздействию магнитных
полей из-за насыщенности ее заряженными частицами [29]. Возможно два случая
воздействия магнитного поля на плазменную дугу при помощи продольного и
поперечного магнитного поля. Благодаря хорошей устойчивости дуги в поперечном
магнитном поле, появляется возможность получать широкие дорожки упрочнения до
45 мм при решении различных технологических задач. Некоторые конструкции магнитных
систем позволяют получать плоскую, веерообразную, конусную, кольцевую
плазменную струю. Продольное магнитное поле используется для стабилизации и
сжатия дуги.
Рисунок 5 - Плазменная дуга: а - прямого и б -
косвенного действия [6]: 1 - водоохлаждаемый электрододержатель; 2 -
вольфрамовый неплавящийся электрод; 3 - водоохлаждаемое сопло; 4 - плазменная
дуга; 5 - изделие
Рисунок 6 - Сканируемая плазменная дуга [6]: 1 -
сопло плазмотрона; 2 - губки магнитопровода; 3 - плазменная дута; 4 - сечение
сканируемой дуги; 5 - сечение дуги без сканирования; 6 - изделие
Необходимо отметить, что при работе с
использованием магнитных отклоняющих систем длина дуги увеличивается из-за
необходимости введения и промежуток между соплом и изделием губок
магнитопровода. Это требует источников питания с более высоким напряжением
холостого хода (до 200 В) [6].
Основным недостатком схемы дуги прямого действия
является то, что при закалке данным способом деталь находится под напряжением.
Это позволяет разогревать и закаливать лишь тонкий поверхностный слой толщиной
1-2 мм. Кроме того, данная схема не позволяет вести закалку неэлектропроводных
деталей и деталей с высоким электрическим сопротивлением. Недостатком также
является сложность возбуждения основной дуги. Вначале приходится возбуждать
вспомогательную дугу между катодом и соплом через сопротивление. Затем, как
только факел коснется детали, автоматически зажигается основная дуга между
катодом и деталью, а вспомогательная дуга отключается.
Дуга косвенного действия (плазменная струя)
электрически не связана с обрабатываемым металлом, что существенно расширяет
диапазон обрабатываемых материалов, а также снимает опасность поражения
электрическим током при проведении упрочнения. Меньший КПД нагрева (тепловая
энергия от дуги к свариваемой детали передается лишь струей плазмы) позволяет
прогреть материал на большую по сравнению с дугой прямого действия глубину при
отсутствии оплавления поверхности, а значит увеличить глубину закаленного слоя.
Недостатками способа являются трудность подбора и поддержании режима. Кроме
того, малый КПД нагрева косвенной дуги накладывает жесткое ограничение на
колебания расстояния между соплом плазмотрона и обрабатываемой поверхностью.
Данное условие особенно трудно соблюсти при обработке деталей, в конструкции
которых присутствуют пазы, канавки.
Третья схема с комбинированным подключением
плазмотрона к источнику питания сочетает в себе преимущества первых двух схем и
при этом лишена некоторых недостатков. В этом случае между вольфрамовым
электродом и соплом анода зажигается вспомогательная сжатая дуга косвенного
действия, обладающая электропроводимостью и образующая при соприкосновении с
токоведущей обрабатываемой деталью сжатую дугу прямого действия. Такая схема
позволяет избежать дополнительных операций по возбуждению дуги, получать
высокий КПД нагрева и вместе с тем упрочнять изделие на большую глубину.
Основным преимуществом данной схему подключения плазмотрона является то, что появляется
возможность, раздельно задавая силу тока на каждой из дуг (прямой и косвенной),
добиваться довольно широких пределов регулирования по прогреву детали.
6. Постановка задачи исследования
Применительно к поверхностной закалке деталей
машин из описанных в предыдущих разделах методов предпочтение следует отдать
плазменной дуге, как более экономичной и производительной. Высокая
себестоимость процесса электронно-лучевой закалки связана с необходимостью
создания вакуумной камеры и высокой стоимостью установок. Лазерное
оборудование, помимо высокой стоимости, характеризуется еще и низким КПД (менее
10%). Для плазменной закалки можно применять оборудование с небольшой единичной
мощностью и, следовательно, с невысокой стоимостью. Кроме того, плазменная закалка
имеет преимущество перед закалкой лазером и электронным лучом в
производительности [6].
Для эффективного применения плазменной закалки
необходимо максимально точно прогнозировать свойства получаемых упрочненных
поверхностей, устанавливать их зависимость от режимов процесса.
Основными регулируемыми параметрами плазменной
закалки являются величина тока, напряжение дуги, тип плазмообразующего газа и
его расход, скорость закалки. Наибольшее влияние на свойства упрочняемой
поверхности имеют величина тока и скорость закалки [6]. Установлено, что для
каждой скорости закалки существует некоторое предельное значение тока Iкр,
начиная с которого происходит оплавление закаливаемой поверхности [6]. При этом
токе имеют место наибольшие твердость, ширина и глубина закаленного слоя.
Таким образом, наиболее актуальным видится
изучение влияния силы тока и скорости плазменной закалки на структуру и
твердость упрочненного слоя, поиск оптимального соотношения этих двух
параметров для достижения наиболее высоких показателей по твердости для
различных деталей, изготовленных из среднеуглеродистых сталей.
7. Материалы и методика эксперимента
В качестве основного (упрочняемого) материала
использовались пластины, изготовленные из указанных ниже конструкционных
сталей:
· образец №1 - конструкционная
углеродистая сталь 45 (отливка)
· образец №2 - конструкционная
углеродистая сталь 45 (отливка)
· образец №3 - конструкционная
легированная сталь 30ХНМА (отливка)
· образец №4 - конструкционная
легированная сталь 30ХНМА (отливка)
· образец №5 - конструкционная
легированная сталь 40ХНМА (отливка)
· образец №6 - конструкционная
легированная сталь 30ХН2МА (отливка)
· образец №7 - конструкционная
легированная сталь 40ХН2МА (поковка)
· образец №8 - конструкционная
легированная сталь 40Х (отливка)
Химический состав материала образцов представлен
в таблицах 1-6.
Таблица 1 - Химический состав стали 45 по ГОСТ
1050-88
|
Массовая
доля элементов, %
|
|
C
|
Si
|
Mn
|
Ni
|
S
|
P
|
Cr
|
Cu
|
As
|
|
0,42
-0,5
|
0,17
- 0,37
|
0,5
- 0,8
|
не
более
|
|
|
|
0,3
|
0,04
|
0,035
|
0,25
|
0,3
|
0,08
|
Таблица 2 - Химический состав стали 30ХНМА по
ГОСТ 4543-71
|
Массовая
доля элементов, %
|
|
C
|
Si
|
Mn
|
Ni
|
Cr
|
Mo
|
S
|
P
|
Cu
|
|
0,27
- 0,34
|
0,17
- 0,37
|
0,3
- 0,6
|
1,25
- 1,65
|
0,6
- 0,9
|
0,15
- 0,25
|
не
более
|
|
|
|
|
|
|
0,025
|
0,025
|
0,3
|
Таблица 3 - Химический состав стали 40ХНМА по
ГОСТ 4543-71
|
Массовая
доля элементов, %
|
|
C
|
Si
|
Mn
|
Ni
|
Cr
|
Mo
|
S
|
P
|
Cu
|
|
0,37
- 0,44
|
0,17
- 0,37
|
0,5
- 0,8
|
1,25
- 1,65
|
0,6
- 0,9
|
0,15
- 0,25
|
не
более
|
|
|
|
|
|
|
0,025
|
0,025
|
0,3
|
Таблица 4 - Химический состав стали 30ХН2МА по
ГОСТ 4543-71
|
Массовая
доля элементов, %
|
|
C
|
Si
|
Mn
|
Ni
|
Cr
|
Mo
|
S
|
P
|
Cu
|
|
0,27
- 0,34
|
0,17
- 0,37
|
0,3
- 0,6
|
1,25
- 1,65
|
0,6
- 0,9
|
0,2
- 0,3
|
не
более
|
|
|
|
|
|
|
0,025
|
0,025
|
0,3
|
Таблица 5 - Химический состав стали 40ХН2МА по
ГОСТ 4543-71
|
Массовая
доля элементов, %
|
|
C
|
Si
|
Mn
|
Ni
|
Cr
|
Mo
|
S
|
P
|
Cu
|
|
0,37
- 0,44
|
0,17
- 0,37
|
0,5
- 0,8
|
1,25
- 1,65
|
0,6
- 0,9
|
0,15
- 0,25
|
не
более
|
|
|
|
|
|
|
0,025
|
0,025
|
0,3
|
Таблица 6 - Химический состав стали 40Х по ГОСТ
4543-71
|
Массовая
доля элементов, %
|
|
C
|
Si
|
Mn
|
Cr
|
Ni
|
S
|
P
|
Cu
|
|
0,36
- 0,44
|
0,17
- 0,37
|
0,5
- 0,8
|
0,8
- 1,1
|
0,3
|
не
более
|
|
|
|
|
|
0,035
|
0,035
|
0,3
|
Размер всех образцов одинаков: длина - 200 мм,
ширина - 50 мм, толщина 30 мм.
После того как образцы были подготовлены,
провели поверхностную закалку плазменной дугой. В качестве источника питания
плазменной дуги использовался серийный сварочный выпрямитель ВДУ-504. В
качестве плазмообразующего газа применялся аргон. Закалка проводилась в ручном
режиме. Режимы закалки указаны в таблице 7.
Таблица 7 - Режимы закалки исследуемых образцов
№ образца Напряжение, В Сила
тока, А Скорость закалки, см/с Погонная энергия; 
;
|
Дж/смРасход
аргона, л/минРасстояние от сопла плазмотрона до изделия, мм
|
|
|
|
|
1
|
45-52
|
210-220
|
3,5
|
2610,7
|
6-8
|
13-15
|
|
2
|
|
190-200
|
5
|
1657,5
|
|
|
|
3
|
|
220-240
|
3
|
3258,3
|
|
|
|
4
|
|
230-250
|
3
|
3400,0
|
|
|
|
5
|
|
220-240
|
3
|
3258,3
|
|
|
|
6
|
|
220-240
|
3
|
3258,3
|
|
|
|
7
|
|
190-210
|
3,5
|
2428,5
|
|
|
|
8
|
|
180
|
4
|
1912,5
|
|
|
Структуру и твердость термообработанного
поверхностного слоя изучали на поперечных микрошлифах с использованием
микроскопа Neophot-2
при увеличениях 50-1000x.
Измерение твердости производилось на микротвердомере Duramin-2
под нагрузкой 4,9x103 H.
Оценка зеренной структуры в зоне термического влияния проводилась по ГОСТ
8233-56 «Сталь. Эталоны микроструктуры».
8. Обсуждение результатов эксперимента
Измерения твердости и изучение структуры
основного и закаленного участков поперечных микрошлифов, изготовленных из
обработанных образцов, дали следующие результаты.
.1 Результаты изучения микроструктуры образца №1
из стали 45
Результаты измерения твердости образца №1
представлены в таблице 8. На основании этих данных для наглядности был построен
изображенный на рисунке 7 график изменения твердости по глубине закаленного
слоя.
Таблица 8 - Изменение твердости по глубине
термоупрочненного слоя образца № 1
|
Глубина,
мм
|
0
|
0,07
|
0,22
|
0,42
|
0,62
|
0,84
|
1,04
|
1,14
|
1,42
|
1,71
|
1,9
|
|
Твердость,
HV
|
348
|
335
|
313
|
310
|
292
|
290
|
281
|
265
|
263
|
255
|
249
|
Закалка образца была проведена без оплавления
поверхности.
Изучение микроструктуры показало, что вблизи от поверхности
упрочненный слой состоит из зерен сорбита и перлита (до 0,84 мм). В переходном
слое (0,84-1,04 мм) помимо сорбита и перлита появляются прожилки феррита.
Структура основного металла - перлит и ферритная сетка.
Рисунок 7 - Изменение твердости по глубине
термоупрочненного слоя образца №1
8.2 Результаты изучения микроструктуры образца
№2 из стали 45
Результаты измерения твердости образца №2
представлены в таблице 9. На основании этих данных был построен изображенный на
рисунке 8 график изменения твердости по глубине закаленного слоя.
Таблица 9 - Изменение твердости по глубине
термоупрочненного слоя образца №2
|
Глубина,
мм
|
0
|
0,11
|
0,24
|
0,39
|
0,54
|
0,7
|
0,87
|
1,03
|
1,19
|
1,35
|
1,54
|
|
Твердость,
HV
|
356
|
335
|
322
|
284
|
275
|
265
|
262
|
253
|
260
|
260
|
254
|
По сравнению с предыдущим образцом, закалка
проведена с большей скоростью и при меньшем значении силы тока. Расчетное
значение погонной энергии значительно снизилось, что привело к снижению
твердости упрочненного слоя и переходной зоны. Таким образом можно сделать
вывод о нецелесообразности дальнейшего снижения величины удельного
тепловложения.
Рисунок 8 - Изменение твердости по глубине
термоупрочненного слоя образца №2
Микроструктура упрочненного, переходного и
основного слоев металла та же, что и у образца №1, с той лишь разницей, что
переходный слой находится на меньшей глубине (0,54-0,7мм).
.3 Результаты изучения микроструктуры образца №3
из стали 30ХНМА
Результаты измерения твердости образца №3
представлены в таблице 10. На основании этих данных был построен изображенный
на рисунке 9 график изменения твердости по глубине закаленного слоя.
Таблица 10 - Изменение твердости по глубине
термоупрочненного слоя образца №3
|
Глубина,
мм
|
0
|
0,11
|
0,44
|
0,51
|
0,75
|
0,84
|
1,03
|
1,15
|
1,51
|
1,63
|
|
Твердость,
HV
|
603
|
538
|
502
|
497
|
464
|
460
|
421
|
411
|
343
|
242
|
245
|
Рисунок 9 - Изменение твердости по глубине
термоупрочненного слоя образца №3
Закалка образца была выполнена без видимого
невооруженным глазом оплавления поверхности.
Микроструктура верхнего слоя термоупрочненной
зоны - слой мартенсита с баллом зерна 6 (участок до 0,2 мм). За ним следует
слой мартенсита с баллом зерна 5 и 6 с прожилками феррита (участок 0,2-0,58
мм). Следующая прослойка - мартенсит с баллом зерна 3 и 4 с прожилками феррита
(участок 0,58-1,28 мм). В переходной зоне наблюдаются зерна мартенсита и
сорбита (участок 1,28-1,51 мм), в зоне основного металла - зерна перлита и
сорбита.
.4 Результаты изучения микроструктуры образца №4
из стали 30ХНМА
Результаты измерения твердости образца №4
представлены в таблице 11. На основании этих данных был построен изображенный
на рисунке 10 график изменения твердости по глубине закаленного слоя.
Таблица 11 - Изменение твердости по глубине
термоупрочненного слоя образца №4
|
Глубина,
мм00,020,140,250,390,570,761,011,661,932,19
|
|
|
|
|
|
|
|
|
|
|
|
|
Твердость,
HV
|
725
|
713
|
566
|
572
|
555
|
532
|
498
|
493
|
312
|
233
|
230
|
Закалка образца была выполнена с незначительным
оплавлением поверхности.
Микроструктурный анализ показал наличие
значительного слоя (до 0,5 мм) мартенсита с баллом зерна 6 и 7. Продвигаясь в
глубь металла, наблюдаем прослойку мартенситных зерен баллом шестого балла с
ферритными вкраплениями (участок на глубине 0,57-0,76 мм), затем переходную
зону (1-1,9 мм), которая начинается с прослойки мартенсита с зернами четвертого
балла и феррита, а потом переходит в перлит и сорбит. Структура основного
металла - зерна феррита и перлита.
8.5 Результаты изучения микроструктуры образца
№5 из стали 40ХНМА
Результаты измерения твердости образца №5
представлены в таблице 12. На основании этих данных был построен изображенный
на рисунке 11 график изменения твердости по глубине закаленного слоя.
Рисунок 10 - Изменение твердости по глубине
термоупрочненного слоя образца №4
Таблица 12 - Изменение твердости по глубине
термоупрочненного слоя образца №5
|
Глубина,
мм
|
0,07
|
0,15
|
0,23
|
0,58
|
0,68
|
0,77
|
1,06
|
1,21
|
1,35
|
1,72
|
1,9
|
|
Твердость,
HV
|
689
|
714
|
685
|
620
|
604
|
581
|
564
|
585
|
556
|
298
|
283
|
Закалка образца была выполнена с частичным
оплавлением поверхности.
Микроструктурный анализ показал наличие у
поверхности упрочненного слоя (участок до глубины 0,15 мм) прослойки
мартенсита, с баллом зерна от 5 до 8. Следующий участок - мартенсит с зерном
четвертого, пятого и шестого баллов (глубина 0,2-1 мм), далее мартенсит с
прожилками феррита (глубина до 1,48 мм). В зоне перехода к основному металлу
наблюдается мартенсит (до глубины 1,55 мм) и сорбит. В зоне основного металла
преобладающие структуры - зерна перлита и сорбита.
Рисунок 11 - Изменение твердости по глубине
термоупрочненного слоя образца №5
.6 Результаты изучения микроструктуры образца №6
из стали 30ХН2МА
Результаты измерения твердости образца №6
представлены в таблице 13. На основании этих данных был построен изображенный
на рисунке 12 график изменения твердости по глубине закаленного слоя.
Таблица 13 - Изменение твердости по глубине
термоупрочненного слоя образца №5
|
Глубина,
мм
|
0
|
0,1
|
0,35
|
0,64
|
0,89
|
1,14
|
1,47
|
1,77
|
2,08
|
2,35
|
2,79
|
|
Твердость,
HV
|
612
|
628
|
698
|
706
|
713
|
718
|
711
|
727
|
720
|
720
|
327
|
Закалка образца была выполнена с незначительным
равномерным оплавлением поверхности.
Микроструктурный анализ показал наличие
глубокого упрочненного слоя (до 2,4 мм), структуру которого представляет
мартенсит с различными баллами зерна. В верхнем слое (до 0,9 мм) это мартенсит
7-го, 8-го баллов; затем прослойка мартенситных кристаллов с баллом зерна 6
(участок 0,9 - 1,5 мм). Далее слой мартенсита с зерном 4-го и 5-го баллов,
который в переходной зоне (до 2,5 мм) заменяют перлит и сорбит.
Рисунок 12 - Изменение твердости по глубине
термоупрочненного слоя образца №6
Результаты изучения микроструктуры образца №3 из
стали 40ХН2МА
Результаты измерения твердости образца №5
представлены в таблице 14. На основании этих данных был построен изображенный
на рисунке 13 график изменения твердости по глубине закаленного слоя.
Таблица 14 - Изменение твердости по глубине
термоупрочненного слоя образца №7
|
Глубина,
мм
|
0
|
0,05
|
0,25
|
0,37
|
0,53
|
0,83
|
0,98
|
1,1
|
1,39
|
1,9
|
2,23
|
|
Твердость,
HV
|
557
|
562
|
573
|
558
|
555
|
474
|
435
|
435
|
389
|
383
|
397
|
Закалка образца была выполнена без оплавления
поверхности.
Микроструктурный анализ показал, что верхний
слой ЗТВ (до 0,7 мм) состоит из мартенсита с зерном 4-го балла. Далее он переходит
в мартенсит с зерном 2-го балла, одновременно с этим в структуре появляются
прожилки феррита (на глубине 0,7-1,4 мм). В зоне основного металла
преобладающая структура - сорбит.
Рисунок 13 - Изменение.твердости по глубине
термоупрочненного слоя образца №7
.7 Результаты изучения микроструктуры образца №3
из стали 40Х
Результаты измерения твердости образца №8
представлены в таблице 15. На основании этих данных был построен изображенный
на рисунке 14 график изменения твердости по глубине закаленного слоя.
Таблица 15 - Изменение твердости по глубине
термоупрочненного слоя образца №8
|
Глубина,
мм
|
0
|
0,04
|
0,11
|
0,17
|
0,29
|
0,43
|
0,58
|
|
Твердость,
HV
|
657
|
558
|
432
|
373
|
341
|
297
|
182
|
Закалка образца была выполнена без оплавления
поверхности.
Микроструктурный анализ показал, что верхний
слой ЗТВ (до 0,11 мм) состоит из мартенсита 5б. Далее он переходит в структуру,
состоящую из мартенсита 5б и сорбита (участок 0,11 - 0,17 мм). Затем
наблюдается прослойка из мартенсита, сорбита и перлита (на глубине 0,17 - 0,29
мм), которая переходит в структуру из зерен сорбита и перлита В зоне основного
металла наблюдается пластинчатый перлит и ферритная сетка.
Рисунок 14 - Изменение твердости по глубине термоупрочненного
слоя образца №8
После обработки поверхности имеющихся образцов
было подтверждено предположение о том, что среднеуглеродистые стали хорошо
поддаются упрочнению плазменной дугой. Было примерно определено, что твердость
поверхностного слоя образцов возрастает в два и более раз по сравнению с
исходными значениями.
Так же было показано, что изменяя режимы
обработки, можно управлять структурными параметрами основной и переходной зоны,
получая таким образом, необходимую твердость и глубину упрочненного слоя.
При увеличении силы тока при неизменной скорости
обработки на образцах из стали 30ХНМА произошло увеличение твердости по всей
глубине упрочненного слоя. Также хорошие результаты по твердости показал
образец из стали 40ХНМА, который обрабатывался при повышенных значениях силы
тока.
Образец № 6 из стали 30ХН2МА, который также
обрабатывался при повышенных значениях тока, обратил на себя внимание самыми
высокими показателями по твердости и глубине упрочненного слоя среди всех
образцов. Это можно объяснить тем, что в данной стали повышенное содержание
никеля, который в свою очередь относится к группе аустенитообразующих
легирующих элементов [37], т.е. расширяет область существования аустенита.
Таким образом процесс аустенизации протекает достаточно полно даже на глубине
порядка двух миллиметров от поверхности образца, а значит там становится
возможным образование мартенсита.
Низкие значения силы тока, согласно ожиданиям не
позволили получить существенного прироста по твердости в зоне термического
влияния (образцы из стали 45, 40ХН2МА).
Эксперимент также показал, что с увеличением
скорости закалки (производительности) максимальная глубина закаленного слоя
уменьшается. Это связано с тем, что снижается время распространения тепла в
тело закаливаемой детали, вследствие чего глубокие слои не успевают прогреться
и пройти аустенизацию, необходимую для последующего мартенситного превращения
[6]. Исследование твердости образца из стали 40Х, обработанной на скорости
около 4 см/м, обнаружило значительный недогрев.
Внедрение результатов исследования
В сфере поверхностного упрочнения металлических
изделий плазменное воздействие концентрированными источниками энергии находит
всё более широкое применение. Но зачастую подходы конструкторов к
проектированию деталей с износостойкой рабочей поверхностью по закалке
ограничиваются требованиями по применению ТВЧ, цементации или азотирования.
Накопленный опыт внедрения плазменной закалки
свидетельствует о высокой экономической эффективности её использования.
Особенно когда предприятие-заказчик является конечным потребителем и комплексно
осуществляет упрочнение и эксплуатацию изделий. Технологически грамотное
применение плазменной закалки может существенно расширить перечень упрочняемых
деталей. Так, эта технология позволяет термообрабатывать детали различных
типоразмеров, как с относительно простой геометрией (прокатные валки, валы,
колёса, бандажи, шкивы и т.п.) в автоматическом режиме, так и поверхности с
развитым профилем (шестерни, гравюры штампов, звёздочки, шлицевые соединения и
т.п.) в ручном и автоматическом режимах.
Плазменная закалка без оплавления не ухудшает
параметров поверхности после механической обработки, поэтому эффективно
встраивается в технологический процесс изготовления или ремонта деталей в
качестве финишной операции.
На основе данной работы удалось установить
оптимальные параметры режимов закалки для нескольких марок конструкционных
сталей. Практически установлено, что закалка на этих режимах приводит к
существенному увеличению твердости поверхностного слоя (до 700 HV).
Глубина упрочненного слоя в среднем составляет около 1,5 мм. На образце из
стали 30ХН2МА глубина упрочненного слоя составила 2 мм.
Таким образом, закалку на полученных в ходе
исследования режимах можно рекомендовать для внедрения в производстве различных
деталей, изготовленных из рассмотренного перечня марок конструкционных сталей.
9. Организационно-экономическая часть
В процессе выполнения научных исследований
оценить ожидаемый экономический эффект от внедрения результатов работы
достаточно сложно. В данном случае возникает необходимость планирования
исследования с оценкой затрат на основе калькуляции потому как именно эти
факторы обуславливают возможность его проведения.
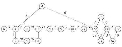
Планирование произведём на основе сетевого
метода и рассчитаем затраты на проведение закалки образцов.
Метод сетевого планирования состоит из
составления перечня событий и работ; установления топологии сети; построения
сетевого графика; определения продолжительности работ; расчета параметров
сетевого графика; проведения анализа сетевого графика и его оптимизации, при
необходимости.
.1 Определение перечня событий и работ
Перечень событий и работ по достижению цели
исследования:
устанавливаем логические связи между работами по
моменту их совершения.
производим кодирование событий и работ на
основании выявленных логических связей между событиями.
составляем таблицу, содержащую перечень событий
и работ, таблица 16.
Таблица 16 - Перечень событий и работ
|
Код
события
|
Наименование
события
|
Код
работы
|
Наименование
работы
|
|
0
|
Задание
на исследование выдано
|
0-1
|
Ознакомление
с заданием и разработка плана работ
|
|
1
|
План
разработан
|
1-2
1-3 1-4
|
Разработка
методики исследований Получение образцов для исследования Выбор и разработка
мероприятий по охране труда
|
|
2
|
Методика
исследования разработана
|
2-5
|
Библиографический
поиск, изучение литературы по теме
|
|
3
|
Образцы
для исследования получены
|
3-7
|
Нанесение
покрытия и изготовление микрошлифов
|
|
4
|
Мероприятия
по охране труда разработаны
|
4-12
|
Фиктивная
работа
|
|
5
|
Необходимая
литература изучена
|
5-6
|
Анализ
литературных данных и написание литобзора
|
|
6
|
Обзор
литературных источников написан
|
6-7
|
Изучение
порядка работы на оборудовании
|
|
7
|
Покрытие
нанесено, микрошлифы изготовлены, порядок работы на оборудовании усвоен
|
7-8
|
Измерение
твёрдости и фотографирование микрошлифов
|
|
8
|
Результаты
измерения твёрдости и фотографии структуры готовы
|
8-9
|
Описание
и обработка полученных результатов
|
|
9
|
Необходимые
данные получены
|
9-10
|
Анализ
данных
|
|
10
|
Анализ
данных выполнен
|
10-11
|
Расчёт
затрат на научно-исследовательскую работу (НИР)
|
|
11
|
Расчёт
затрат на научно-исследовательскую работу выполнен, испытания завершены
|
11-12
|
Оформление
пояснительной записки
|
|
12
|
Пояснительная
записка оформлена
|
12-13
12-14
|
Проверка
пояснительной записки консультантами и руководителем Подготовка демонстрационных
листов
|
|
13
|
Пояснительная
записка проверена
|
13-15
|
Фиктивная
работа
|
|
14
|
Демонстрационные
листы подготовлены
|
14-15
|
Подготовка
к предварительной защите
|
|
15
|
Работа
к предварительной защите подготовлена
|
15-16
5-17
|
Рецензирование
работы Подготовка к защите в ГАК
|
|
16
|
Рецензии
на работу готовы
|
16-17
|
Фиктивная
работа
|
|
17
|
Работа
к защите готова
|
-
|
-
|
9.2 Временная оценка продолжительности работ
Проводим временную оценку продолжительности
работ, т.е. определяем продолжительность выполнения отдельных работ в днях.
Временную оценку проводим путём использования
вероятностного метода установления ожидаемого (среднего) времени выполнения
работ (tij, дни), которое рассчитывается по формуле (1):
,
где j - предшествующее событие;-
последующее событие;min - минимальная продолжительность работы, дни;max
- максимальная продолжительность работы, дни.
Поскольку любая предварительная
оценка содержит некоторый риск, определяем среднеквадратичное отклонение
(дисперсию у2). Оно отражает неопределённость оценки и
рассчитывается по формуле (2):
Небольшая величина дисперсии свидетельствует о
малой неопределённости оценки, т.е. о малом риске и наоборот.
Результаты временной оценки работ заносим в
таблицу 17.
Таблица 17 - Временная оценка продолжительности
работ
|
Код
работы
|
Временная
оценка деятельности работы, дни
|
Дисперсия
s2
|
|
tmax
|
tmin
|
tij
|
|
|
0-1
|
1
|
1
|
1
|
0,00
|
|
1-2
|
4
|
2
|
3
|
0,11
|
|
1-3
|
8
|
6
|
7
|
0,11
|
|
1-4
|
2
|
1
|
1
|
0,03
|
|
2-5
|
12
|
8
|
10
|
0,44
|
|
3-7
|
20
|
16
|
18
|
0,44
|
|
4-12
|
0
|
0
|
0
|
0,00
|
|
5-6
|
18
|
15
|
16
|
0,25
|
|
6-7
|
1
|
1
|
1
|
0,00
|
|
7-8
|
10
|
18
|
15
|
1,78
|
|
8-9
|
8
|
6
|
7
|
0,11
|
|
9-10
|
3
|
2
|
2
|
0,03
|
|
10-11
|
3
|
2
|
2
|
0,03
|
|
11-12
|
16
|
13
|
14
|
0,25
|
|
12-13
|
4
|
4
|
4
|
0,00
|
|
12-14
|
16
|
13
|
14
|
0,25
|
|
13-15
|
0
|
0
|
0
|
|
14-15
|
4
|
2
|
3
|
0,11
|
|
15-16
|
4
|
2
|
3
|
0,11
|
|
15-17
|
3
|
2
|
2
|
0,03
|
|
16-17
|
0
|
0
|
0
|
0,00
|
.3 Сетевой график
На основании таблиц 1 и 2 строим сетевой график
выполнения научно-исследовательской работы, рисунок 15.
Рисунок 15 - Сетевой график выполнения
научно-исследовательской работы
9.3 Расчет параметров сетевого графика
После построения сетевого графика производим
расчёт его параметров.
Время раннего окончания (tijро,
дни) определяется по формуле (4):
,
где tij - ожидаемая (средняя)
продолжительность работы (i-j), дни.
Позднее окончание работы (tijпо,
дни) определяется по формуле (6):
,
Далее определяем полный и частный резерв
времени.
Полный резерв времени (Rij,дни), в
пределах которого можно увеличивать продолжительность работы без изменения
критического пути определяется по формуле:
ij = tijпн
- tijрн,
Частный резерв времени (rij, дни), в
пределах которого можно увеличивать продолжительность работы без изменения
раннего срока любой из работ, следующих за данной, определяется по формуле:
,
Полученные данные заносим в таблицу 18.
Таблица 18 - Расчет параметров сетевого графика
|
Количество
предшествующих работ
|
Код
работы
|
Продолжительность
работы, дни
|
Ранние
сроки, дни
|
Поздние
сроки, дни
|
Резервы
времени, дни
|
|
|
|
tijрн
|
tijро
|
tijпн
|
tijпо
|
Rij
|
rij
|
|
0
|
0-1
|
1
|
0
|
1
|
0
|
1
|
0
|
0
|
|
1
|
1-2
|
3
|
1
|
4
|
1
|
4
|
0
|
0
|
|
1
|
1-3
|
7
|
1
|
8
|
6
|
13
|
5
|
0
|
|
1
|
1-4
|
1
|
1
|
2
|
70
|
71
|
69
|
0
|
|
1
|
2-5
|
10
|
4
|
14
|
4
|
14
|
0
|
0
|
|
1
|
3-7
|
18
|
8
|
26
|
13
|
31
|
5
|
5
|
|
1
|
4-12
|
0
|
2
|
2
|
71
|
71
|
69
|
69
|
|
1
|
5-6
|
16
|
14
|
30
|
14
|
30
|
0
|
0
|
|
1
|
6-7
|
1
|
30
|
31
|
30
|
31
|
0
|
0
|
|
2
|
7-8
|
15
|
31
|
46
|
31
|
46
|
0
|
0
|
|
1
|
8-9
|
7
|
46
|
53
|
46
|
53
|
0
|
0
|
|
1
|
9-10
|
2
|
53
|
55
|
53
|
55
|
0
|
0
|
|
1
|
10-11
|
2
|
55
|
57
|
55
|
57
|
0
|
0
|
|
1
|
11-12
|
14
|
57
|
71
|
57
|
71
|
0
|
0
|
|
2
|
12-13
|
4
|
71
|
75
|
85
|
89
|
14
|
0
|
|
2
|
12-14
|
14
|
71
|
85
|
71
|
85
|
0
|
0
|
|
1
|
13-15
|
0
|
75
|
75
|
89
|
89
|
14
|
13
|
|
1
|
14-15
|
3
|
85
|
88
|
85
|
88
|
0
|
0
|
|
2
|
15-16
|
3
|
88
|
91
|
88
|
91
|
0
|
0
|
|
2
|
15-17
|
2
|
88
|
90
|
89
|
91
|
1
|
1
|
|
1
|
16-17
|
0
|
91
|
91
|
91
|
91
|
0
|
0
|
.4 Расчёт затрат на основные материалы
Затраты на материалы (Зм, руб)
определяются по формуле:
,
где Цм - цена материала, руб./ед;
Рм - расход материала, ед.
На проведение исследования было затрачено: 4,7
кг стали 45. Проведем аналогичные вычисления по остальным образцам и занесем их
в таблицу 19.
Таблица 19 - Затраты на основные материалы.
|
Материал
|
Расход,
кг
|
Цена
руб./кг
|
Сумма,
руб.
|
|
Сталь
45
|
4,7
|
34,00
|
159,66
|
|
30ХНМА
|
4,7
|
40,90
|
192,72
|
|
40ХНМА
|
2,4
|
41,90
|
98,675
|
|
30ХН2МА
|
2,4
|
49,80
|
117,33
|
|
40ХН2МА
|
2,4
|
46,00
|
108,33
|
|
40Х
|
2,3
|
40,00
|
93,84
|
|
Итого:
|
770,56
|
Расчёт затрат на вспомогательные материалы
Данные по количеству и стоимости израсходованных
вспомогательных материалов сведены в таблицу 20.
Таблица 20 - Затраты на вспомогательные
материалы
|
Материал
|
Единицы
измерения
|
Расход
|
Цена
руб./ед
|
Сумма,
руб.
|
|
Бумага
наждачная
|
м2
|
5,0
|
90,00
|
450,0
|
|
Ватман
|
лист
|
15,0
|
8,00
|
120,0
|
|
Кислота
соляная
|
литр
|
1,0
|
8,50
|
8,5
|
|
Кислота
азотная
|
литр
|
1,0
|
12,00
|
12,0
|
|
Кислота
серная
|
литр
|
1,0
|
9,00
|
9,0
|
|
Спирт
этиловый
|
литр
|
0,5
|
110,55
|
55,3
|
|
Купорос
медный
|
кг
|
0,5
|
360,00
|
180,0
|
|
Масло
машинное
|
литр
|
2,0
|
200,00
|
400,0
|
|
Вата
|
кг
|
0,5
|
75,00
|
37,5
|
|
Ветошь
|
м2
|
1,0
|
25,00
|
25,0
|
|
Растворитель
|
флакон
|
1,0
|
30,00
|
30,0
|
|
Полотно
по металлу
|
штук
|
20,0
|
10,00
|
200,0
|
|
Круг
отрезной
|
штук
|
1,0
|
75,00
|
75,0
|
|
Сукно
|
0,5
|
60,00
|
30,0
|
|
Клей
эпоксидный
|
тюбик
|
5,0
|
42,00
|
210,0
|
|
Итого
|
1842,3
|
|
|
|
|
|
|
Расчёт затрат на электроэнергию
Затраты на электроэнергию (Зэ, руб),
использованную непосредственно на эксперименты, определяют по формуле:
где N - паспортная мощность установки, кВт;-
время эксплуатации, ч;
Ц - цена одного кВт ч электроэнергии, руб. Ц =
1,75 руб/кВт∙час;
КN - коэффициент использования
установки по мощности.
Затраты на электроэнергию сведены в таблице 21.
Таблица 21 -
Затраты на электроэнергию
|
Наименование
оборудования
|
Мощность,
кВт
|
Продолжительность
работы, ч
|
Коэффициент
использования оборудования
|
Затраты,
руб.
|
|
Микроскоп
Neophot-2
|
0,10
|
48,0
|
0,70
|
5,85
|
|
Микротвердомер
Duramin-2
|
0,35
|
10,0
|
0,50
|
3,05
|
|
Шлифовально-заточной
станок
|
2,00
|
3,0
|
0,70
|
24,36
|
|
Полировальный
станок
|
2,50
|
60,0
|
0,70
|
121,80
|
|
Итого:
|
155,06
|
Расчёт затрат на амортизацию оборудования
Амортизационные отчисления от стоимости
лабораторного оборудования (ЗА, руб) определяются по формуле:
,
Где С - первоначальная стоимость оборудования,
руб.;A - норма амортизации, %;
Т - время использования оборудования, мес.
Затраты на амортизацию оборудования приведены в
таблице 22.
Таблица 22 - Затраты на амортизацию оборудования
|
Наименование
оборудования
|
Первоначальная
стоимость, руб.
|
Норма
амортизации, %
|
Продолжительность
работы, мес.
|
Затраты,
руб.
|
|
Микроскоп
Neophot-2
|
7800
|
10
|
0,0666
|
25,974
|
|
Микротвердомер
Duramin-2
|
15000
|
10
|
0,0138
|
10,350
|
|
Шлифовально-заточной
станок
|
10000
|
4
|
0,004
|
0,800
|
|
Полировальный
станок
|
3200
|
6
|
0,08
|
7,680
|
|
Итого
|
44,804
|
Затраты на заработную плату
Заработная плата (Зи, руб)
определяется по формуле:
,
где О - часовой оклад, руб./ч;
Т - фактически затраченное время, ч.
Результаты расчета приведены в таблице 23.
Таблица 23 - Затраты на заработную плату
|
Исполнитель
|
Затраченное
время, ч
|
Часовой
оклад, руб.
|
Сумма,
руб.
|
|
Руководитель
|
40
|
220,00
|
8800,00
|
|
Консультант
|
3
|
150,00
|
450,00
|
|
Консультант
|
3
|
150,00
|
450,00
|
|
Консультант
|
1
|
150,00
|
150,00
|
|
Рецензент
|
4
|
110,00
|
440,00
|
|
Председатель
ГАК
|
1
|
150,00
|
150,00
|
|
Члены
ГАК
|
6
1
|
90,00
150,00
|
540,00
150,00
|
|
Итого
|
11130,00
|
Дополнительная заработная плата (Здоп,
руб.) определяется по формуле:
Здоп=Зи·0,15
Здоп=11130,00·0,15=1669,50 (руб.).
Общая заработная плата (Зобщ, руб.)
определяется по формуле (14):
Зобщ=Здоп+Зи
Зобщ=1669,50+11130,00=12799,50
(руб.).
Единый социальный налог (Зсн, руб.)
определяется по формуле:
Зс.н.=(Здоп+Зи)·0,13,
Зс.н.=(1669,50+11130,00)·0,13=1663,94
(руб.).
Накладные расходы (Зн, руб.)
определяются по формуле:
Зн=Зи·1,5, (16)
Зн=11130,00·1,5=16695,00
(руб.).
.5 Смета затрат на проведение исследования
Все затраты, связанные с выполнением
исследовательской работы, приведены в таблице 24.
Таблица 24 - Смета затрат на проведение
исследования
|
Статья
расходов
|
Сумма,
руб.
|
|
Основные
материалы
|
770,56
|
|
Вспомогательные
материалы
|
1842,30
|
|
Электроэнергия
|
155,06
|
|
Амортизационные
отчисления
|
44,80
|
|
Заработная
плата
|
12799,50
|
|
Единый
социальный налог
|
1663,94
|
|
Накладные
расходы
|
16695,00
|
|
Итого:
|
33971,16
|
На работу затрачен 91 день и расходы на
проведение исследования составляют 33971,16 рублей.
10. Безопасность жизнедеятельности
.1 Общая характеристика производства
Экспериментальная часть дипломного проекта
проводилась в лабораториях закалки и электронной микроскопии кафедры СПУТ
НТИ(ф) УрФУ. Работы, проводящиеся в лабораториях, относятся ко второй категории
тяжести (работы, выполняемые в благоприятных (но не комфортных) условиях, в
конце рабочего периода появляется умеренное утомление и несколько снижается
производительность труда). В данной работе проведены исследования структуры и
свойств упрочненного слоя, полученного плазменной закалкой. Сущность работы
состояла в подготовке пластин к нанесению упрочненного слоя, вырезка из пластин
темплетов, шлифовка и полировка темплетов, измерение микротвёрдости упрочненных
покрытий, травление образцов.
В процессе получения упрочненного слоя и
изготовлении темплетов использовались: угловая шлиф-машинка, установка для
ручной плазменной закалки, ножовка по металлу, отрезной, шлифовальный и
полировальный станки. В процессе исследования упрочненного слоя использовались
оптический микроскоп, прибор для измерения микротвердости,, компьютер,
химические реактивы.
При проведении работ на вышеобозначенном
оборудовании могут возникнуть следующие опасные и вредные факторы:
повышенная запыленность и загазованность воздуха
рабочей зоны
наличие шума
наличие сварочных аэрозолей, содержащих окислы
различных металлов (хром, никель, медь, железо)
химическое воздействие при травлении
При несоблюдении правил безопасности возможны
поражение электрическим током и ожоги от теплового и ультрафиолетового излучений.
10.2 Характеристика существующих условий труда
При выполнении работ внутри помещения системы
отопления и вентиляции воздуха должны обеспечивать определенные
метеорологические условия (микроклимат) [10].
Допустимые сочетания температуры, влажности и скорости
движения воздуха в рабочей зоне регламентируются требованиями СанПиН
2.2.4.548-96 «Гигиенические требования к микроклимату производственных
помещений».
В дипломном проектировании осуществлялись
работы, относящиеся к категории средней тяжести. Параметры микроклимата
представлены в таблице 12 [11].
Таблица 25-Оптимальные показатели микроклимата в
рабочей зоне
|
Сезон
года
|
Категория
тяжести работ
|
Параметры
микроклимата
|
Температура
поверхностей єС
|
|
|
Температура,
°С
|
Относительная
влажность, %
|
Скорость
воздуха, м/с
|
|
|
|
факт.
|
оптим.
|
факт.
|
оптим.
|
|
|
|
Холодный
и переходный период
|
Средней
тяжести IIа
|
17-23
|
19-21
|
40-50
|
40-60
|
0,2
|
18-22
|
|
Тёплый
период
|
Средней
тяжести IIа
|
18-27
|
20-22
|
40-50
|
40-60
|
0,3
|
19-23
|
При работе в лаборатории электронной микроскопии
кафедры СПУТ оптимальные параметры микроклимата поддерживаются путем
кондиционирования воздуха. Находящийся в лаборатории кондиционер типа ВК-1500
создает, и автоматически поддерживает внутри помещения независимо от наружных
метеорологических условий заданную температуру, относительную влажность,
чистоту и скорость движения воздуха.
Параметры микроклимата в лаборатории закалки
обеспечиваются с помощью отопления и вентиляции.
Содержание вредных веществ в воздухе рабочей
зоны не должно превышать предельно-допустимых концентраций (ПДК), указанных в
ГН 2.2.5.686-98 «Предельно Допустимые концентрации (ПДК) вредных веществ в
воздухе рабочей зоны».
Предельно-допустимые концентрации содержания
вредных веществ в воздухе рабочей зоны, образование которых возможно при
проведении исследовательских работ, приведены в таблице 22.
Можно сделать вывод, что концентрация содержания
вредных веществ в воздухе рабочей зоны находится в пределах допустимого и
здоровью людей ничего не угрожает. Основное количество вредных веществ
удаляется с помощью системы местной вытяжной вентиляции.
Цель отопления производственных помещений-это
поддержание в них в холодное время года заданной температуры воздуха по ГОСТ
12.1.005-88 «Общие санитарно-гигиенические требования к воздуху рабочей зоны»,
таблица 13.
В лабораториях кафедры СПУТ используется
наиболее приемлемая в эксплуатационном и санитарно-гигиеническом отношении
система водяного отопления с нагревом воды до 90-95 °С. Вода в систему
отопления подается от городской котельной. В качестве нагревательных приборов
системы водяного отопления применяют ребристые батареи [12].
В лаборатории закалки кафедры СПУТ, кроме того,
применяют систему воздушного отопления, которая характеризуется тем, что
подаваемый воздух предварительно нагревается в электрическом калорифере. Данное
отопление является центральным. Нагретый воздух подаётся по системе
воздуходувов от калорифера, расположенного вне помещения, в лабораторию. В
тёплый период отопление не используется. Предельно допустимые концентрации
некоторых вредных веществ в воздухе производственных помещений и атмосферном
воздухе населенных мест представлены в таблице 26.
Таблица 26 - Предельно допустимые концентрации
некоторых вредных веществ
|
Загрязняющее
вещество
|
Предельно
допустимая концентрация, мг/м3
|
|
рабочей
зоны
|
максимальная
разовая
|
среднесуточная
|
|
Азота
диоксид
|
5,0
|
0,085
|
0,085
|
|
Аммиак
|
20,0
|
0,200
|
0,200
|
|
Ацетон
|
200,0
|
0,350
|
0,350
|
|
Сероводород
|
10,0
|
0,008
|
0,008
|
|
Фенол
|
5,0
|
0,010
|
0,010
|
|
Формальдегид
|
0,5
|
0,035
|
0,012
|
|
Хлор
|
1,0
|
0,100
|
0,030
|
|
Бензол
|
5,0
|
1,500
|
0,800
|
|
Дихлорэтан
|
10,0
|
3,000
|
1,000
|
|
Серы
диоксид
|
10,0
|
0,500
|
0,050
|
|
Метанол
|
5,0
|
1,000
|
0,500
|
|
Фтористые
соединения (в пересчете на фтор)
|
0,5
|
0,020
|
0,005
|
|
Пыль
нетоксичная (известняк)
|
6,0
|
0,500
|
0,050
|
|
Этанол
|
1000,0
|
5,000
|
5,000
|
В соответствии с требованиями СНиП 2.04.05-95
«Отопление, вентиляция и кондиционирование» [14] производственные помещения
должны быть оборудованы механической общеобменной приточно-вытяжной вентиляцией
и системой кондиционирования, для поддержания оптимальной температуры в летнее
время.
В лаборатории сварки кафедры СПУТ удаление
воздуха системой механической общеобменной вентиляции осуществляется
преимущественно из верхней зоны помещения над участками, наиболее загрязненными
сварочными аэрозолями. Приток свежего воздуха механический, полностью
компенсирующий объем удаляемого воздуха общеобменной местной вытяжной
вентиляцией.
Системы местной вытяжной вентиляции используются
для улавливания и удаления вредных веществ непосредственно у источников их
образования при наплавке. В лаборатории закалки кафедры СПУТ применяют
поворотно-подъемную панель равномерного всасывания «СОВПЛИМ» KUA-4 с диаметром
воздуховода 160 мм.
Воздухозаборное устройство в установке приточной
вентиляции устанавливается снаружи здания. Устройство для выброса воздухообмена
располагается выше крыши на 1,5-2,0 м, в соответствии с [15].
Расход воздуха (L, м3/ч) для местного
отсоса при ручной и полуавтоматической сварке в защитных газах определяется по
формуле:
,
где F0 - площадь всасываемого
отверстия отсоса, м2;
Скорость воздуха (V0, м/ч)для
простейших круглых и квадратных всасывающих отверстий определяют по формуле:
,
где d - диаметр круглого отверстия
или гидравлический диаметр для квадратного отверстия, м;х - заданная
скорость воздуха в зоне сварки или резки на расстоянии х (м) от центра
всасывающего отверстия. При ручной сварке в углекислом газе Vх - не
более 0,5 м/ч.
(м/ч).
(м3/ч).
В лаборатории электронной
микроскопии кафедры СПУТ применяется периодически действующая естественная
вентиляция, которая осуществляется путем проветривания помещения, а также
местной приточно-вытяжной вентиляции-кондиционер ВК-1500. Для проветривания
предусмотрены открывающиеся створки в окнах, площадью не менее 20 % общей
площади световых проемов. Воздухообмен в холодный период года допускается не
более одного раза в час. При этом нужно следить, чтобы не было снижения
температуры воздуха внутри помещения ниже допустимой, туманообразования и
конденсации водяных паров на поверхности стен, покрытий и остеклений.
На участке травления образцов
работает местная приточно-вытяжная вентиляция, т.е. происходит отсос вредных
веществ в местах их выделения. Местный отсос присоединен к стационарной сети
воздуховодов при помощи гибкого шланга.
Шумовое и вибрационное загрязнение
производственной среды
В соответствии с ГОСТ 12.1.003-83 «ССБТ. Шум.
Общие требования безопасности», уровни звука и эквивалентные уровни звука не
должны превышать на постоянных рабочих местах и в рабочих зонах
производственных помещений - 80 дБ(А) [16].
Основными источниками шума в лаборатории закалки
служат сварочный трансформатор ВДУ - 506 (выпрямитель дуговой универсальный) и
работающая установка для ручной плазменной закалки. Шум, создаваемый указанными
источниками находится в пределах не более 75 дБ(А).
Основными источниками шума в лаборатории
электронной микроскопии являются периферийные устройства (принтеры, системный
блок персонального компьютера). Шум, создаваемый периферийными устройствами
находится в допустимых пределах 50 дБ(А) (уровень шума принтера в нормальном режиме
- 49, в тихом - 47 дБ(А)), что меньше допустимого [16].
Как видно шум в лабораториях кафедры СПУТ не
превышает допустимого уровня, поэтому дополнительных мер снижению шума не
требуется.
Источниками вибраций в лаборатории закалки
служит работающая наплавочная установка (виброускорение - 1,4 м/с2,
виброскорости - 1,4 м/с), а в лаборатории электронной микроскопии периферийные
устройства (виброускорение - 0,5 м/с2, виброскорости - 0,5 м/с).
Предельно допустимые значения локальной производственной вибрации по
виброускорению - 2,0 м/с2, виброскорости - 2,0 м/с. Вибрации которые
создаются в лабораториях меньше допустимых значений.
Освещение и ультрафиолетовое излучение
Согласно СНиП 23-05-95 «Естественное и
искусственное освещение», лаборатории сварки и электронной микроскопии кафедры
СПУТ могут быть отнесены к разрядуIVa с наименьшим объектом различения 0,5...1
мм, с использованием наименьшей искусственной освещенности 300 Лк (система
общего освещения) и нормированным коэффициентом естественной освещенности при
совместном освещении (КЕО) eн = 0,9 (при боковом освещении).
Нормирование искусственной освещённости производится с учётом разряда и
подразряда зрительных работ (размера объекта различия, цвета фона), типа
освещения (общей или комбинированной) и типа люминесцентных ламп и ламп
накаливания.
В лабораториях закалки и электронной микроскопии
используется совмещенное освещение. Источником естественного (дневного) света
является солнце. Освещение осуществляется через световые проёмы - окна. В
тёмное время суток, а также при недостаточном естественном освещении
применяется комбинированное искусственное освещение. Искусственное освещение в
помещениях создается за счет общего освещения, которое обеспечивается
люминесцентными лампами типа ЛД-40 (световой поток составляет 2340 лм) и
местного освещения, обеспечиваемого лампами накаливания НБ-60 (световой поток
820 лм).
Наиболее уязвимыми для ультрафиолетового
излучения являются глаза, причём страдают преимущественно роговица и слизистая
оболочка. Нередко наблюдается эритема кожи лица и век.
Согласно действующему гигиеническому
нормированию ультрафиолетового излучения (УФИ) установлено, что максимальная
облучённость не должна превышать 7,5 мэр×ч/м2, а
максимальная суточная доза - 60 мэр×ч/м2 для
диапазона УФИ с длиной волны больше 280 нм.
Для защиты от (УФИ) в лаборатории закалки
кафедры СПУТ применяется:
экранирование источников излучения и рабочих
мест с помощью ширм и специальных кабин окрашенных в серые тона;
удаление от источника излучения - дистанционное
управление;
использование средств индивидуальной защиты
(рукавицы; защитные очки и щитки со светофильтрами типа С-7 используемые при
сварочном токе до 275 А).
Электробезопасность в рабочем помещении и на
рабочем месте.
По степени поражения электрическим током помещение
лаборатории закалки кафедры СПУТ относится к категории «повышенной опасности»,
характеризующиеся наличием в них одного из следующих условий, создающих
повышенную опасность:
сырости (влажность более 75 %) или
токопроводящей пыли;
токопроводящих полов (металлические, земляные,
железобетонные, кирпичные и т.п.);
возможности одновременного прикосновения
человека к имеющим соединение с землей металлоконструкциям, технологическим
аппаратам, механизмам и т.п., с одной стороны, и к металлическим корпусам электрооборудования
- с другой. (ПУЭ (6-е изд.) в разд. 1.1.13)
Рабочее напряжение оборудования, используемого в
лаборатории закалки, 380 В.
Лаборатория электронной микроскопии кафедры СПУТ
по степени опасности относится к категории «без повышенной опасности», так как
это помещение, в котором отсутствуют условия, создающие повышенную или особую
опасность. Рабочее напряжение оборудования, используемого в лаборатории
электронной микроскопии, 220 В [17].
Для защиты от поражения электрическим током в
лабораториях электронной микроскопии и закалки предусмотрены следующие
мероприятия:
электрооборудование заземлено в соответствии с
ПУЭ (сопротивление защитного заземления не превышает 4 Ом);
все неподвижные провода заключены в
металлические трубы, а подвижные заключены в резиновые рукава или обмотаны в
два слоя прорезиненной изоляционной лентой;
перед присоединением наплавочной установки
производиться внешний осмотр всей установки для проверки ее исправности;
использование средств индивидуальной защиты в
соответствии с ПУЭ;
в лаборатории существуют инструкции по технике
безопасности, предостерегающие плакаты и надписи.
Все лица, имеющие доступ к электросварочной и
наплавочной установкам, периодически проходят инструктаж об опасности поражения
электрическим током и способах оказания первой помощи.
.3 Пожарная безопасность
По степени пожароопасности помещение лабораторий
закалки и электронной микроскопии относятся к категории «Г», т.к. работы
связаны с использованием негорючих веществ и материалов в горячем, раскаленном
или расплавленном состоянии.
По степени огнестойкости здание НТИ(ф) УрФУ
относится к I степени, согласно СНиП 21-01-97 «Пожарная безопасность зданий и
сооружений». Несущие стены лестничных клеток и колонны - несгораемые (предел
огнестойкости 2,5 часа), наружные стены из навесных панелей и наружные
фахверковые стены-несгораемые (предел огнестойкости 0,5 часа), плиты, настилы и
другие несущие конструкции междуэтажных и чердачных перекрытий-несгораемые
(предел огнестойкости 1 час), внутренние несущие стены (перегородки) -
несгораемые (предел огнестойкости 0,5 часа), противопожарные стены -
несгораемые (предел огнестойкости 2,5 часа).
Причиной пожара в лаборатории закалки кафедры
СПУТ может стать неисправность электрооборудования (короткое замыкание,
сопровождаемое сильным нагревом токоведущих проводов, который может привести к
воспламенению изоляции проводов), неправильное хранение легко воспламеняющихся
материалов (спирт, используемый для травления образцов; уайт-спирит, бензин -
для очистки поверхности изделия).
Легковоспламеняющиеся жидкости (спирт,
уайт-спирит) должны храниться в закрытом металлическом шкафу, в герметичных
ёмкостях.
Для устранения возможности пожара от раскаленных
частиц металла, которые могут возникать при закалке, в радиусе 5 м от места
работы нельзя хранить легко воспламеняющиеся материалы.
При закалке и сварке запрещается пользоваться
одеждой и рукавицами со следами масел, жиров, керосина и других
воспламеняющихся жидкостей.
Для тушения в лаборатории закалки
электроустановок, находящихся под напряжением, применяются два пятилитровых
углекислотных огнетушителя ОУ-5. В лаборатории также имеются: противопожарный
стенд с инвентарем и ящик с песком.
Пожарная безопасность лаборатории электронной
микроскопии обеспечивается наличием пожарной сигнализации, внутреннего
водопровода и одного пятилитрового огнетушителя типа ОУ-5.
Любой находящийся в лаборатории, обнаруживший
пожар или его признаки (задымление, запах горения или тления различных
материалов, повышение температуры и т.п.) обязан:
немедленно сообщить об этом по телефону 01;
приступить к эвакуации людей в безопасное место
согласно плану эвакуации;
известить о пожаре заведующему лабораторией;
принять меры по тушению пожара имеющимися в
лаборатории средствами пожаротушения.
При пожаре не допускается выбивать окна - это
усиливает приток воздуха в помещение и способствует усилению огня. Необходимо
сохранять спокойствие и чётко выполнять распоряжения администрации.
Подъезд пожарных машин к зданию обеспечивается
со всех сторон. При входе в здание и в лабораториях имеется план-схема
эвакуации людей. Разработаны инструкции, предусматривающие методы пожаротушения
и меры, предупреждающие пожар.
.4 Техника безопасности при работе с компьютером
Персональный компьютер (ПК) предназначен для
выполнения широкого круга задач, связанных с обработкой данных, решением
математических задач и т.д. К работе с ПК допускаются лица, прошедшие проверку
знаний «Правил, устройства и безопасной эксплуатации электроустановок
потребителей» на первую квалификационную группу и инструктаж на рабочем месте.
Техника безопасности для работающих на
персональных компьютерах должна быть следующей:
а) перед началом работы работники проверяют:
целостность соединительных шнуров, розеток,
разъемов, надежность заземления металлических корпусов;
наличие на местах защитных кожухов и крышек.
б) во время работы:
запрещено загромождать рабочее место и основные
проходы в помещении;
запрещено переносить и перевозить с
установленных мест блоки ПК, включенные в электрическую сеть, то есть
находящихся под напряжением;
при появлении признаков неисправности ПК (шум,
перегрев и так далее) необходимо известить об этом электрика. В аварийном
случае компьютер необходимо выключить;
нельзя оставлять включенный в электросеть ПК без
наблюдения;
запрещается самостоятельно вносить изменения в
аппаратный состав комплекса, снимать и открывать защитные крышки и кожухи,
работать под напряжением со снятыми кожухами и крышками;
непрерывная работа не должна превышать 1,5-2
часа;
по окончании работы привести рабочее место в
исходное состояние.
Режим труда и отдыха при работе с ПК
Рациональный режим труда и отдыха
предусматривает соблюдение определенной длительности непрерывной работы на ПК и
перерывов, регламентированных с учетом продолжительности рабочей смены, вида и
категории трудовой деятельности.
Выделяют 3 вида работ, выполняемых на ПК: группа
А - работа по считыванию информации с экрана с предварительным запросом, группа
Б - работа по вводу информации, группа В - творческая работа в режиме диалога с
ПК.
Категории тяжести и напряженности работы на ПК
(I, II, III) определяются уровнем нагрузки за рабочую смену: для группы А - по
суммарному числу считываемых знаков, для группы Б - по суммарному числу
считываемых или вводимых знаков, для группы В - по суммарному времени непосредственной
работы на ПК представлены в таблице 27.
Таблица 27 - Категории тяжести и напряженности
работы на ПК
|
Категория
работы (по тяжести и напряженности)
|
Уровень
нагрузки за рабочую смену при видах работы на ПК
|
|
Группа
А, кол-во знаков
|
Группа
Б, кол-во знаков
|
Группа
В, час
|
|
I
|
до
15000
|
до
2,0
|
|
II
|
до
40000
|
до
30000
|
до
4,0
|
|
III
|
до
60000
|
до
40000
|
до
6,0
|
Количество и длительность регламентированных
перерывов, их распределение в течение рабочей смены устанавливается в
зависимости от категории тяжести и напряженности работы на ПК и
продолжительности рабочей смены. При 8-часовой рабочей смене и работе с ПК
регламентированные перерывы следует устанавливать:
для 1 категории работ через 2 часа от начала
смены и через 2 часа после обеденного перерыва продолжительностью 15 мин.
каждый;
для II категории работ - через 2 часа от начала
рабочей смены и через 1,5-2,0 часа после обеденного перерыва продолжительностью
15 минут каждый или продолжительностью 10 минут через каждый час работы;
для III категории работ - через 1,5-2,0 часа от
начала рабочей смены и через 1,5-2,0 часа после обеденного перерыва
продолжительностью 20 минут каждый или продолжительностью 15 минут через каждый
час работы.
При 12-часовой рабочей смене регламентированные
перерывы должны устанавливаться в первые 8 часов работы аналогично перерывам
при 8-часовой рабочей смене, а в течение последних 4 часов работы, независимо
от категории и вида работ, каждый час продолжительностью 15 минут.
Продолжительность непрерывной работы на ПК без
регламентированного перерыва не должна превышать 2 часов.
При работе на ПК в ночную смену (с 22 до 6
часов) продолжительность регламентированных перерывов увеличивается на 60
минут, независимо от категории и вида трудовой деятельности.
Эффективными являются нерегламентированные
перерывы (микропаузы) длительностью 1-3 минуты. Число и распределение микропауз
в течение рабочей смены устанавливается индивидуально.
Регламентированные перерывы и микропаузы
целесообразно использовать для выполнения комплекса упражнений и гимнастики для
глаз, пальцев рук, массажа и акупрессуры. Выбор их осуществляется пользователем
индивидуально в зависимости от ощущений усталости. Комплексы упражнений
целесообразно менять через 2-3 недели.
Для уменьшения неблагоприятного влияния монотонии
рекомендуется, при возможности, чередовать виды выполняемой работы.
Регламентированные перерывы желательно проводить
вне рабочего места.
Пользователям ПК, выполняющим работу с высоким
уровнем напряженности, показана психологическая разгрузка во время регламентированных
перерывов и в конце рабочего дня в специально оборудованных помещениях (комната
психологической разгрузки).
.5 Средства индивидуальной защиты
Для защиты тела рабочего от тепловых,
механических и других воздействий применяется специальная одежда и специальная
обувь по ГОСТ 12.4.035-78 «ССБТ. Средства индивидуальной защиты. Щитки защитные
для электросварщиков. Технические условия».
Для защиты глаз и лица применяются очки и
наголовный щиток.
Спецодежда сварщика:
костюм из облегченного брезента с защитными
накладками из ткани фенилон, стойкой к облучению (ТУ 17-08-237-85);
кожаная обувь для защиты от повышенных
температур, искр, брызг расплавленного металла, окалины по ГОСТ 12.4.032-77;
рукавицы защитные для защиты от повышенных
температур, искр, брызг расплавленного металла, окалины по ГОСТ 12.4.010-75;
наголовный щиток - НН-С-701 по ГОСТ 12.4.035-77
со светофильтром С-7 (т.к. ток дуги составляет 200 А) по ГОСТ 12.4.080-79.
Для обеспечения безопасности термиста можно
использовать подобную специальную одежду и обувь.
Для уменьшения опасности попадания кислот при
травлении образцов (в частности соляной кислоты) в отношении химического ожога,
используют резиновые перчатки. Работающие в лабораториях ознакомлены со
свойствами применяемых реактивов и мерами безопасности, а также со средствами
оказания помощи при несчастных случаях.
Для оказания первой помощи в лабораториях
кафедры СПУТ имеются медицинские аптечки.
К работе на установке
плазменной закалки допускаются лица не моложе 18 лет, годные по состоянию
здоровья, прошедшие обучение и аттестацию с присвоением соответствующей
квалификации, имеющие квалификационную группу по электробезопасности, прошедшие
вводный инструктаж по технике безопасности и пожарной безопасности и инструктаж
по технике безопасности непосредственно на рабочем месте.
Рабочее место для выполнения
наплавочных работ необходимо держать в чистоте, не загромождать деталями или
отходами. Рабочий должен уметь оказывать первую помощь при электротравмах и
ожогах.
Перед началом работ необходимо
проверить исправность спецодежды и защитных средств; состояние заземления
корпуса блока управления и источника питания; наличие и исправность ограждений
на рабочих местах; внимательно проследить, чтобы заземление корпуса одного
агрегата не служило для заземления другого, заземляющий провод от каждого
агрегата необходимо присоединять параллельно общему заземлению.
Осмотреть и привести в порядок рабочее место,
проверить исправность приспособлений (струбцин, выводных планок) и инструмента
(отвертки, молотки, гаечные ключи), надежность закрепления и целостность
шлифовального и отрезного кругов, натяжение и целостность приводных ремней,
работоспособность тисков и струбцин, целостность газоподающей аппаратуры
(шлангов, вентилей, соединительных муфт) и т.д. На рабочем месте не должно быть
посторонних предметов, легковоспламеняющихся материалов и жидкостей.
Огнеопасные жидкости для очистки поверхности изделия (уайт-спирит, бензин и
т.д.) должны храниться в металлическом шкафу с отверстиями для вентиляции.
Перед началом работы пульт управления и панели
источника питания должны быть закрыты.
При включении установки сначала включить
рубильник питающей сети, а затем установку.
Прочно установить и закрепить с помощью
струбцины изделие, подлежащее наплавке.
Проверить наличие и исправность защитных кожухов
на рубильниках и предохранителях; рубильник следует включать и выключать
быстро.
При выявлении недостатков в
организации рабочего места, неисправности оборудования, применяемого
инструмента, защитных средств, средств пожаротушения сообщить заведующему
лабораторией и до устранения недостатков и неисправностей к работе не
приступать.
Требования безопасности во время работ
Работу выполнять в спецодежде, выдаваемой по
нормам, головном уборе. Обязательно использование защитного щитка сварщика.
Запрещается во время работы открывать пульт
управления, снимать панели источника питания.
Запрещается работать при утечке газа и воды из
соединений в подводящей арматуре и производить обезжиривание поверхности детали
во время работы.
Запрещается допускать к установке во время
работы посторонних лиц.
Для защиты работающих от излучения, зону горения
дуги оградить непрозрачными огнестойкими экранами.
Во время работы оператор обязан:
следить за наличием протока охлаждающей воды;
следить, чтобы руки, обувь и одежда были всегда
сухими - это уменьшит вероятность электротравмы;
следить, чтобы провода аппаратов были
изолированы и защищены от механических повреждений;
в случае получения травмы немедленно прекратить
работу, обратиться в медицинский пункт и одновременно сообщить об этом
руководителю;
при тяжёлом несчастном случае с товарищем
немедленно вызвать скорую помощь, а до прибытия врача оказать пострадавшему
первую доврачебную помощь;
докладывать лицу, ответственному за эксплуатацию
установки при обнаружении неисправностей и без его указания к работе не
приступать;
не работать на неисправном оборудовании;
при аварийной остановке работы отключить питание
управления и источника дуги, закрыть газ и воду.
Требования безопасности по окончании работы
отключить пульт управления и источник питания от
сети;
перекрыть подачу газа;
выключить местную вентиляцию;
обследовать все места, куда могли долететь искры
и расплавленные брызги металла, и вызвать возгорание;
убрать инструмент и приспособления в специально
отведённое для этого место;
сдать руководителю рабочее место в полном
порядке и сообщить ему обо всех замечаниях и неполадках, имевших место во время
работы;
снять рабочую одежду и убрать её в шкафчик;
вымыть лицо и руки.
.6 Природопользование и охрана окружающей среды
Современный специалист любого профиля должен
обладать не только определенным комплексом и уровнем специальных знаний, но и
определенным уровнем экологического мировоззрения и мышления, который позволит
анализировать и оценивать собственную производственную деятельность
относительно ее воздействия на природную среду. Основой для развития
экологического мышления и мировоззрения может служить знание и понимание
основных понятий и законов экологии.
Наиболее актуальной из экологических проблем в
наше время являются ресурсо- и энергосбережение.
Одной из характерных черт современного этапа
научно-технического прогресса является возрастающий спрос на все виды энергии,
поэтому возникает необходимость в рациональном их использовании. Ресурсоэнергосбережение
- совокупность мер по бережливому и эффективному использованию факторов
производства. Обеспечивается посредством использования ресурсосберегающих и
энергосберегающих технологий; снижения фондоемкости и материалоемкости
продукции; повышения производительности труда; сокращения затрат живого и
овеществленного труда; повышения качества продукции; рационального применения
труда менеджеров и маркетологов; использования выгод международного разделения
труда и др. Способствует росту эффективности экономики, повышению ее
конкурентоспособности.
В процессе производственной деятельности ресурсы
предприятия занимают одно из центральных мест, поэтому вопрос ресурсосбережения
и определения оптимального их соотношения на предприятии очень актуален в
настоящее время. Финансовая политика в области энергосбережения направлено
воздействует на долговременное состояние предприятия, а так же определяет его
текущее состояние. Она диктует тенденции экономического развития, перспективный
уровень научно-технического прогресса, состояние производственных мощностей
производства. Актуальность данной темы помимо прочего заключается в том, что в
процессе производственной деятельности практически все российские предприятия
сталкиваются с проблемой нехватки ресурсов для обеспечения нормальной работы.
В непростых условиях становления российской
экономики максимально повысился интерес к проблеме эффективного и рационального
использования производственных мощностей предприятия. Оптимизация
управленческих решений в области ресурсов требует пристального внимания к
вопросам оценки эффективного анализа будущего положения.
Особенности финансовой политики предприятия
говорят о необходимости всесторонней комплексной экономической оценки различных
вариантов использования производственных мощностей. В свою очередь, выбор
наиболее подходящей стратегии зависит от реальных экономических условий,
которые требуют гибкого изменения сложившейся практики управления финансами
предприятия для нормализации всего производственного процесса.
Существует масса причин заставляющих предприятие
заниматься изучением ресурсов. Причины, обуславливающие эту необходимость,
могут быть различны, однако в целом их можно подразделить на следующие виды:
улучшение финансовых показателей, повышение уровня производства, наращивание
объемов производственной деятельности. Степень проводимых изменений в области
ресурсов различна. Так, если речь идет об увеличении существующих объемов
производства, решение может быть принято достаточно безболезненно, поскольку
руководство предприятия ясно представляет себе, в каком объеме и какие элементы
необходимо при этом увеличить. Задача осложняется, если речь идет о повышении
эффективности использования производственных мощностей, поскольку в этом случае
необходимо учесть целый ряд факторов: возможность изменения состояния
предприятия, доступность дополнительных объемов ресурсов, возможность освоения
новых методик, соответствие существующих форм отчетности новым требованиям.
.7 Основные экологические проблемы отрасли
Оборудование для всех отраслей народного
хозяйства, многие предметы потребления изготовляются на машино- и
приборостроительных заводах.
Производственны процесс включает в себя как
основные действия и процессы, непосредственно направленные на изготовление
изделий, так и вспомогательные, обеспечивающие возможность изготовления
продукции.
Технологический процесс изготовления изделий
включает литье, обработку давлением, сварку, пайку, термическую,
химико-термическую, механическую, гальваническую, электрохимическую обработку и
так далее. Кроме этого, в состав машиностроительных предприятий входят
испытательные станции, ТЭЦ и вспомогательные подразделения.
Машиностроительное производство отличается
исключительным разнообразием создаваемых им загрязнений как материальных, так и
энергетических, что обуславливается не меньшим разнообразием исходных
материалов, применяемых технологических процессов и видов выпускаемой
продукции. При этом характер воздействия разных подразделений завода на
окружающую среду различен. Так, цехи металлургического цикла загрязняют главным
образом атмосферу, тогда как отходы гальванических и травильных цехов
представляют основную опасность для гидросферы; образование же твердых отходов,
а также шума и вибрации характерно для большинства технологических процессов машиностроительного
производства.
Литейное производство - отрасль машиностроения,
производящая фасонное и заготовительное литье из различных металлов и сплавов.
Наиболее крупными источниками пыле- и
газовыделения в атмосферу в литейных цехах являются вагранки, электродуговые и
индукционные печи, участки складирования и переработки шихты и формовочных
материалов, участки выбивки очистки литья.
При плавке 1 т металла в открытых чугунолитейных
вагранках выделяется 900-1200 м колошникового газа, содержащего оксиды углерода,
серы, азота, пары масел, полидисперсную пыль и др. Количество выбросов зависит
от производительности вагранки и расхода дутья. Оксид углерода выделяется от
вагранки и при разливе чугуна в формы. Оксид серы образуется при сжигании
коксового газа в сушилках, печах и другом оборудовании. Химический состав
ваграночной пыли зависит от состава металлозавалки, топлива, условий работы
вагранки. Медианный размер пыли в открытых вагранках при холодном дутье - 70
мкм, при горячем - 20 мкм, а в закрытых вагранках - 35 мкм [39]. При плавке
стали в индукционных печах по сравнению с электродуговыми выделяется
незначительное количество газов и в 5-6 раз меньше пыли, по размеру более
крупной [39].
Установлено, что литейный цех с годовой
программой 100 тыс. т литья, оборудованный пылеуловителями со степенью очистки
70-80 % выбрасывает в окружающий воздух до 1 тыс. т пыли в год [39].
При литье под действием теплоты жидкого металла
из формовочных смесей выделяются бензол, фенол, формальдегид, метанол и другие
токсичные вещества, количество которых зависит от состава формовочных смесей,
массы и способа получения отливки и ряда других факторов. Основное количество
(80 %) всех газовыделений приходится на первые двадцать минут после заливки
металла в формы. К концу первого часа газовыделение практически прекращается.
Одним из способов очистки поверхности металла от
оксидов является травление, сущность которого состоит в химическом растворении
оксидов в соответствующих кислотах, а в некоторых случаях в щелочах или в
расплавленных солях.
Обычно серная кислота в травильных ваннах
применяется в следующих концентрациях: в свежем растворе 15-20%, в
использованном - 4-5 %. Раствор считается непригодным, если концентрация FeSO4
достигает 300-400 г/л. По мере уменьшения концентрации кислоты: температуру
раствора поднимают от 40 до 80 оС [39].
Сточные воды травильных отделений и
гальванических цехов, использующих в технологических целях химические и
электрохимические процессы, содержат отходы, наиболее опасны в санитарном
отношении. Вода, применяемая для приготовления технологических растворов при
травлении деталей, а также для промывки деталей и ванн после сброса
отработанных растворов, содержит пыль, металлическую окалину, щелочи, кислоты,
неорганические соли тяжелых металлов - хрома, цинка, никеля, меди.
В любом травильном отделении образуется два вида
сточных вод: концентрированные и разбавленные. Первые являются отходами
травильных ванн (отработанные растворы), вторые - промывными водами (в
современных травильных отделениях часто применяют противоточную многованную
промывку, что обеспечивает рациональное использование воды).
В травильных отделениях, использующих
сернокислотный травильный раствор, среднее количество концентрированных сточных
вод достигает 10 м на 1 т расходуемой кислоты: или 0,3-0,6 м на 1 т
протравленных стальных заготовок. Количество промывных вод в значительной
степени зависит от системы промывки вида заготовок. В обычных условиях
количество промывных вод колеблется в пределах 0,4-50 м на 1 т стальных
заготовок [39].
Основными примесями сточных вод, используемых
для охлаждения технологического оборудования, поковок, гидросбива металлической
окалины и обработки помещении, являются частицы пыли, окалины и масла.
Например, при прокатке металлов образуется 2- 4 % окалины от массы
прокатываемого металла, при этом масса частиц размером более 1 мм составляет
примерно 90 % всей массы окалины [39].
При использовании в кузнечно-прессовых цехах
пламенных печей в атмосферу выбрасываются оксиды углерода, серы, азота и другие
продукты сгорания.
Для обеспечения установленной чертежом точности
размеров и шероховатости поверхности большинство деталей машин и механизмов
обрабатывают на станках снятием стружки. Стружку снимают с заготовки лезвийными
(резцы, сверла) и абразивными инструментами. Обработка металлов снятием стружки
включает следующие операции: точение, фрезерование, сверление, строгание,
шлифование.
Механическая обработка металлов на станках
сопровождается выделением пыли, стружки, туманов масел и эмульсий. При работе
металлорежущего оборудования всех видов с применением смазочно-охлаждающих
жидкостей (эмульсий, масел) воздух загрязняется аэрозолями этих веществ. За 1
час работы металлорежущего станка в расчете на 1 кВт мощности установленного
электродвигателя выделяется 0,2 г масляного тумана [39].
Пыль, образующаяся в процессе абразивной
обработки, состоит на 0-40% из материала абразивного круга и на 60-70 % из
материала обрабатываемого изделия. Количество выделяющейся пыли зависит от
размеров и твердости обрабатываемого материала, диаметра круга (с увеличением
диаметра круга возрастает количество выделяемой пыли: при диаметре 300 мм - 155
г/ч, а при 900 мм - 310 г/ ч) и окружной скорости круга, а также способа подачи
изделия [39].
Значительное выделение пыли наблюдается при механической
обработке древесины, стеклопластиков, графита и других неметаллических
материалов. При механической обработке полимерных материалов одновременно с
пылеообразованием могут выделяться пары различных химических соединений
(фенола, формальдегида, стирола и др.), входящих в состав обрабатываемых
материалов.
Вода используется для приготовления
смазочно-охлаждающих жидкостей, для гидравлических испытаний оборудования и
обработки помещения. Основными примесями сточных вод являются пыль,
металлические и абразивные частицы, сода, масла, мыла. Содержание в стоках
нефтепродуктов может доходить до 1200 мг/л [39].
На участках сварки и резки металлов состав и
масса выделяющихся вредных веществ зависят от вида и режимов технологического
процесса, свойств применяемых сварочных и свариваемых материалов. Наибольшие
выделения вредных веществ характерны для процесса ручной электродуговой сварки
покрытыми электродами. При расходе 1 кг электродов в процессе ручной дуговой
сварки образуется до 40 г пыли, 2 г фтористого водорода, 1,5 г оксидов углерода
и азота, в процессе сварки чугунов - до 45 г пыли и 1,9 г фтористого водорода
[39].
При полуавтоматической и автоматической сварке
(в защитной среде и без нее) общая масса выделяемых вредных веществ меньше в
1,5-2,0 раза, а при сварке под флюсом - в 4-6 раз [39].
Сварочная пыль на 99 % состоит из частиц
размером от 10 до 1 мкм [39]. Химический состав выделяющихся при сварке
загрязняющих веществ зависит в основном от состава сварочных материалов и в
меньшей степени от состава свариваемых металлов. Сварочный аэрозоль включает
соединения марганца, оксиды хрома, оксид кремния, фториды и др.
В вентиляционный воздух на участках пайки
выделяются токсичные газы (оксид углерода, фтористый водород), аэрозоли (свинец
и его соединения), продукты: сгорания изоляции проводов (оксиды: углерода) и
других веществ на поверхности соединяемых деталей (при обжиге фторопластовой
изоляции выделяется на 1 г изоляции 3 мг фтористого водорода) [39].
Следует отметить, что в сварочных, монтажных,
сборочных цехах сточные воды содержат механические примеси, маслопродукты,
кислоты в значительно меньших концентрациях, чем в ранее рассмотренных цехах.
Вентиляционные выброс из термических цехов
обычно загрязнен парами продуктами горения масла, аммиаком, цианистым водородом
и другими веществами, поступающими в систему местной вентиляции от ванн и
агрегатов для термической обработки. Источниками загрязнения в термических
цехах являются также нагревательные печи, работающие на жидком и газообразном
топливе, а также дробеструйные и дробеметные камеры, где металл очищается после
термической обработки. Концентрация пыли в воздухе, удаляемом из этих камер,
достигает 2-7 г/м3. При закалке и отпуске деталей в масляных ваннах
в отводимом от ванн воздухе содержится до 1 % паров масла от массы: металла.
При цианировании выделяется до 6 г/ч цианистого водорода на один агрегат
цианирования [39].
Для приготовления технологических растворов,
используемых при закалке, отпуске и отжиге деталей, а также для промывки
деталей и ванн после сброса отработанных растворов и для обработки помещения
используют воду. Основные примеси сточных вод - пыль минерального
происхождения, металлическая окалина, тяжелые металлы, цианиды, масла и щелочи.
В воздухе, удаляемом из гальванических цехов,
вредные вещества находятся в виде пыли, тонкодисперсного тумана, паров и газов.
Так, при фосфатировани изделий выделяется фтористый водород, концентрация
которого в отводимом воздухе достигает 1,2-15 г/м3. Концентрации HCl,
H2SO4,
HCN, Cr2O3,
NO2,
NaOH и др. в удаляемом
от гальванических ванн воздухе колеблются в значительных пределах, что требует
специальной очистки воздуха перед выбросом в атмосферу (локальная очистка). При
проведении подготовительных операций в гальванических цехах (механическая
очистка и обезжиривание поверхностей) выделяются пыль, пары бензина, керосина,
трихлорэтилена, туманы щелочей [39].
Анализ дисперсного состояния показал, что размер
частиц находится в пределах 5-6 мкм при травлении, 8-10 мкм при хромировании,
5-8 мкм при цианистом цинковании [39].
Токсичные вещества в окрасочных цехах выделяются
в процессе обезжиривания поверхностей органическими растворителями перед
окраской, при подготовке лакокрасочных материалов, при их нанесении на
поверхность изделий и сушилке покрытия. Воздух, удаляемый вентиляционными
отсосами от окрасочных камер, сушильных установок и других устройств, всегда
загрязнен парами растворителей (до 10 г/м3), а при окраске
распылением еще и окрасочным аэрозолем (до 1 г/м3) [39]. При окраске
изделий порошковыми полимерными материалами в вентиляционном воздухе содержится
пыль. Концентрации вредных веществ в вентиляционных выбросах, удаляемых с мест
окраски, зависит от состава и расхода лакокрасочных материалов, способа их
нанесения на окрашиваемую поверхность, устройства вентиляции, окрасочного
оборудования, метода окрашивания.
Химический состав и концентрация загрязняющих
веществ в сточных водах варьируются в широком диапазоне в зависимости от
характера производства. Около 40 % стоков составляют хромсодержащие сточные воды.
По концентрации сточные воды гальванических цехов, аналогично стокам травильных
отделений, разделяются на концентрированные (электролиты) и разбавленные
(промывные воды). Количество первых значительно меньше, чем вторых, однако
массовая концентрация загрязняющих веществ (200-250 г/л) в сотни раз выше, чем
в промывных водах (100-200 мг/л), что обусловливает целесообразность
регенерации содержащихся в электролитах ценных компонентов [39].
Концентрация примесей (органические
растворители, масла, краски), поступающих в сточные воды из окрасочных
отделений, колеблется в пределах 0,1-0,3 кг/м3 [39].
Таким образом, анализ состава загрязняющих
веществ, выбрасываемых в атмосферу машиностроительными предприятиями,
показывает, что кроме основных примесей атмосферы (CO,
SO2,
NOx, CnHm,
пыль) в выбросах содержатся и другие токсичные соединения, которые почти всегда
оказывают отрицательное воздействие на окружающую среду. Концентрация вредных
веществ в вентиляционных выбросах часто невелика, но из-за больших объемов вентиляционного
воздуха валовые количества вредных веществ, поступающие в атмосферу, весьма
значительны В течение суток выбросы производятся неравномерно. Из-за небольшой
высоты выброса, рассредоточенности и, как правило, плохой очистки они сильно
загрязняют воздух на территории предприятий. Поскольку ширина
санитарно-защитных зон для машиностроительных заводов обычно не превышает 100 м
даже при наличии в составе завода литейных цехов, то возникают большие
трудности в поддержании чистоты воздуха зон, примыкающих к предприятию.
Основными загрязняющими веществами сточных вод
машиностроительных предприятий, за исключением отделений травлени и
гальванотехнческих покрытий, являются механические взвеси и минеральные масла.
.8 Выбросы в атмосферу при плазменной закалке
При выполнении работ по плазменному упрочнению
деталей машин атмосферный воздух загрязняется аэрозолем, в состав которого
входит в зависимости от метода закалки (с оплавлением или без оплавления)
оксиды электродного материала (вольфрам) и оксиды металлов, присутствующих в
упрочняемом изделии (железо, хром, никель, молибден, медь, цинк, и др.), а
также газообразные соединения (оксиды, отработанный аргон).
Перечисленные вещества не могут не оказывать
отрицательного влияния на здоровье человека, выполняющего упрочнение, поэтому
необходимо применять меры по очистке воздушной среды в зоне проведения работ.
Метод, применяемый для очистки воздуха при
проведении упрочнения плазменной дугой аналогичен тому, что применяют при
обычной дуговой сварке. Для улавливания аэрозоля, образующегося в ходе ведения
процесса, используют местную вытяжную вентиляцию. Вытяжные панели устанавливают
прямо у места образования вредного аэрозоля, не выше 350 мм от зоны горения
дуги. Для того, чтобы иметь возможность регулировать положение панелей при
закалке разных по форме и габаритам поверхностей, панели выполняют
поворотно-подъемными.
Скорость движения воздуха, создаваемая отсосами
у источника выделения веществ, должна быть не более 0,3 м/с.
Местный отсос воздуха позволяет удалить из
рабочей зоны от 75 до 90% вредностей. Оставшееся количество вредностей должно
снижаться до предельно допустимой концентрации (ПДК) с помощью общеобменной
вентиляции.
В соответствии с ОНД-86 концентрации вредных
веществ в атмосфере от вентиляционных выбросов с учетом фоновых концентраций от
других выбросов не должны превышать:
ПДК вредных веществ в атмосферном воздухе
населенных пунктов;
0,3 ПДК вредных веществ для рабочей зоны
производственных помещений в воздухе.
.9 Экологический аспект проводимого исследования
Данная научно-исследовательская работа
проводилась в лабораториях закалки и электронной микроскопии кафедры СПУТ
НТИ(ф) УрФУ.
Полученные данные из области повышения
износостойкости материалов в последствии дадут возможность делать выводы по эффективности
применения технологии упрочнения.
При проведении работ по плазменной закалке
количество выделяемых вредных веществ на порядок ниже, чем при сварке или
наплавке, поэтому такое производство менее вредно. Удаление всех вредных
веществ, осуществляется местной и общеобменной вентиляцией с последующим
рассеянием в окружающую среду через трубу без системы очистки.
В процессе исследования производится
поверхностное упрочнение металла методом плазменной закалки, в следствие чего
наблюдается повышение микротвердости образцов, а следовательно и увеличение
износостойкости при холодном абразивном износе, что при внедрении на
производстве приведет к сокращению расходов на приобретение
быстроизнашивающихся деталей, ремонтных расходов по замене последних, и в конечном
итоге приведет к увеличению годового выпуска продукции.
Рост годового выпуска на упрочненном
оборудовании возможен: а) за счет увеличения его рабочего времени в результате
сокращения простоев на ремонт; б) повышения производительности оборудования путем
перевода на более интенсивный режим работы; в) сокращения брака.
Сокращение расходов особенно заметно, если они
находится внутри сложной машины, стоимость разборки-сборки которой весьма
высока.
Ожидаемые практические результаты от внедрения в
производство проведенных исследований в области упрочнения материалов:
значительная экономия дорогостоящих легирующих
элементов;
значительное уменьшение потребления
электроэнергии;
снижение выделения вредных веществ в окружающую
среду.
Заключение
В данной работе было произведено изучение
микроструктуры и свойств упрочненного слоя, полученного путем плазменной
закалки. Выявлено влияние силы тока и скорости закалки на структуру и твердость
различных участков зоны термического влияния.
Было показано, что при прочих неизменных
параметрах увеличении силы тока приводит к росту твердости по всей глубине зоны
термического влияния, и наоборот. Увеличение скорости обработки ведет к
снижению удельного тепловложения в материал образца, что в свою очередь не
позволяет более глубоким слоям пройти аустенизацию.
Несомненно, значительное влияние на структуру и
свойства упрочненной зоны влияет химический состав стали. Присутствие
аустенитообразующих элементов расширяет область существования аустенита, а это
означает, что более глубокие слои металла пройдут мартенситное превращение при
охлаждении. Результаты поверхностной закалки таких сталей дают большую глубину
упрочненного слоя.
сталь технологический деталь
металлический
Список использованных источников
1. Егоров А.А., Коровин А.И.
Пламенная поверхностная закалка в машиностроении. М.: ЦИНТИМАШ, 1961. - 107 с.,
ил.
. Коротеев А.С., Васильев
М.Н. Технологические процессы на основе концентрированных электронных пучков. -
Автомобильная промышленность. - 1983. - №11. - с. 21-23.
. Кайдалов А.А.
Электронно-лучевая закалка поверхности металлов. - Сварщик. - 1999. - №3. -
с.14-15.
. Брандт М. Промышленные
лазеры: принцип работы и возможные области применения. - Сварщик. - 2001. - №3.
- с.30-32.
. Лащенко Г.И. Плазменное
упрочнение и напыление. - Киев: Экотехнология, 2003. - 64 с., ил.
. Коротков В.А., Бердников
А.А., Толстов И.А. Восстановление и упрочнение деталей и инструмента
плазменными технологиями. 1993. -144 с.
. Плазменное поверхностное
упрочнение / Л.К. Лещинский, С.С Самотугин, И.И. Пирч, В.И. Комар. - Киев:
Техника, 1990. - 109 с.
. Лазерная и
электронно-лучевая обработка материалов: Справочник/ Н.Н. Рыкалин, А.А. Углов,
И.В. Зуев, А.Н. Кокора. - М. : Машиностроение, 1985. - 496 с.
. Электронно-лучевая
технология / 3. Шиллер, И. Гайзиг, 3. Панцер. - М.: Энергия, 1980. - 540 с.
. Интенсивные электронные
пучки. Физика. Техника. Применение / Е.А. Абрамян, Б.А. Альтеркоп, Г.Д.
Кулешов. - М.: Энергоатомиздат, 1984.
. Лещинский Л. К. Комплексное
объемно-поверхностное упрочнение материалов с использованием высоко
концентрированных источников нагрева / Л.К. Лещинский // Материаловедение и
термическая обработка металлов. - 1988. - №5. - С. З-7.
. Высокоэнергетическне
процессы обработки материалов / О.П. Солоненко, А.П. Алхимов, В.В. Марусин, A.M.
Оришич, Х.М. Рахимянов, Р.А. Салимов, В.Г. Щукин, В.Ф. Косарев. - Новосибирск:
Наука, 2000. - 425с.
. Епечурин В.П. Лучевые
методы обработки материалов / В.П. Епечурин. - Л.: Изд-во Северо-Западного
заочного политехн. ин-та, 1977. - 31с
. Попов В. Ф. Процессы и
установки электронно-ионной технологии / В. Ф. Попов, Ю.Н. Горин. - М.: Высшая
школа, 1988. - 255 с.
. Основы электронно-лучевой
обработки материалов / Н.Н. Рыкалин, И.В. Зуев, А.А. Углов. - М.:
Машиностроение, 1978. - 239 с.
. Зуев И.В. Обработка
материалов концентрированными потоками энергии / И.В. Зуев. - М.: Изд-во МЭИ,
1998. - 162 с.
. Белый А.В. Поверхностная
упрочняющая обработка с применением концентрированных потоков энергии / А.В.
Белый, Е.М. Макушок, И.Л. Поболь. - Минск.: Навука i
тэхшка, 1990. - 179 с.
. Новокрещенов В.В.
Технология обработки материалов концентрированными потоками энергии / В.В.
Новокрещенов. - М.: Изд-во МЭИ, 1998. - 172 с.
. Григорьянц А.Г. Основы
лазерной обработки материалов / А.Г. Григорьянц. - М.: Машиностроение, 1989. -
304 с.
. Григорьянц А.Г. Методы
поверхностной лазерной обработки / AT.
Григорьянц, А.Н. Сафонов. - М.: Высшая школа, 1987. - 191 с.
. Реди Дж. Промышленное
применение лазеров / Дж. Реди. - М.: Мир, 1981. - 638 с.
. Кулагин И.Д. Плазменная
обработка материалов / И.Д. Кулагин. - М.: Машиностроение, 1969. - 100 с.
. Малаховский В.А. Плазменные
процессы в сварочном производстве / В.А. Малаховский. - М.: Высшая школа, 1988.
- 73 с.
. Лазерный нагрев и структура
стали / В.Д. Садовский, В.М. Счастливцев, Т.И. Табатчикова, И.Л. Яковлева. -
Свердловск: УрО АН СССР, 1989. - 102 с.
. Гуреев Д.М. Механизмы
фазовых превращений в железе и сталях при лазерном нагреве / Д.М. Гуреев. -
Самара: Самарский государственный университет, 1999. - 163 с.
. Баранов И.Я. Технология
лазерной сварки закатки и резки / И.Я. Баранов. - СПб.: 1999. - 175 с.
. Мартенситные превращения в
сталях и сплавах / под ред. Г.В. Щербединского. - М.: Металлургия, 1987. - 87
с.
. Головин Г.Ф. Остаточные
напряжения, прочность и деформации при поверхностной закалке / Г.Ф. Головин. -
Л.: Машиностроение, 1973. - 144 с.
. Балановский А.Е. Плазменное
поверхностное упрочнение металлов / А.Е. Балановский. - Иркутск: Изд-во ИрГТУ.
- 2006. - 180 с.
. Плазмотроны: конструкции,
характеристики, расчет / А.С. Коротеев, В.М. Миронов, Ю.С. Свирчук. - М.:
Машиностроение, 1993. - 296 с.
. Микроклимат
производственной среды: конспект лекций/ В.К. Воронин; нижнетаг. технолог. ин-т
(фил.) УГТУ-УПИ. - Нижний Тагил, 2006. - 41 с.
. Анализ воздействия шума на
человека и эффективность средств защиты от него: метод. указания к лаб. работе
/ сост.: В.Н. Васендин, Д.А. Кобалева; федер. агенство по образованию; Урал.
гос. техн. ун-т - УПИ, Нижнетаг. Технологич. ин-т (фил.) - Нижний Тагил: НТИ
(ф) УГТУ-УПИ, 2008. - 28с.
. Производственное освещение:
конспект лекций/ авт.-сост. В.К. Воронин; федер. агенство по образованию; Урал.
гос. техн. ун-т - УПИ, Нижнетаг. техног. ин-т (фил.). - Нижний Тагил: НТИ(ф)
УГТУ-УПИ, 2009. - 46с.
34. C.А.
Куркин, В.М. Ховов, А.М. Рыбачук. Технология, механизация и автоматизация
производства сварных конструкций. М.: Машиностроение, 1989. - 328с.
. Брауде М.З. Охрана труда
при сварке в машиностроении. М.: Машиностроение», 1978. - 144с.
. Писаренко В.Л., Рогинский
М.Л. Вентиляция рабочих мест в сварочном производстве. М., Машиностроение,
1981. - 120с., ил.
. Сварка. Резка. Контроль:
Справочник. В 2-х томах / Под общ. ред. Н.П. Алешина, Г.Г. Чернышова. - М.:
Машиностроение, 2004. Т. 2 / Н.П. Алешин, Г.Г. Чернышов, А.И. Акулов и др. -
480 с.: ил.
. Природопользование и охрана
окружающей среды: учеб.-метод. пособие /
39. Бондалетова Л.И. Промышленная
экология: учеб. пособие/ Л.И. Бондалетова, В.Г. Бондалетов. - Томск: Изд-во
Томского политехнического университета, 2008. - 247 с