Расчет параметров кремниевого интегрального МДП-транзистора
НАЦИОНАЛЬНЫЙ
ИССЛЕДОВАТЕЛЬСКИЙ УНИВЕРСИТЕТ
МИЭТ
Кафедра ИЭМС
Курсовая
работа
по предмету
"Твердотельная электроника"
Расчет
параметров кремниевого интегрального МДП-транзистора
Выполнил
студент ЭКТ-45
Григорьев Петр
Проверил Красюков А.Ю.
НИУ МИЭТ 2014
Содержание
Введение
1. Теоретические сведения
. Расчет электрических характеристик кремниевого
интегрального n-канального МДП-транзистора
.1 Исходные данные. Задание
2.2 Расчет и корректировка порогового напряжения транзистора
.3 Расчет ВАХ в
рамках идеализированной модели
.4 Расчет ВАХ с
учетом неоднородности ОПЗ под затвором
.5 Малосигнальная
эквивалентная схема и ее параметры
.6 Факультативное
задание: расчет и корректировка порогового напряжения с учетом эффектов
короткого и узкого канала
.7 Факультативное
задание: расчет реальной ВАХ, зависящей от
.8 Факультативное
задание: расчет параметров эквивалентной схемы
2.9 Структура и топология МДП-транзистора
2.10 Краткий технологический маршрут изготовления МДП-структур
Выводы главы
интегральный кремниевый транзистор напряжение
Введение
Транзистор (от англ. transfer - переносить и resistor - сопротивление) -
электронный прибор на основе полупроводникового кристалла, имеющий три (или
более) вывода, предназначенный для генерирования и преобразования электрических
колебаний. Изобретён в 1948 У. Шокли, У.Браттейном и Дж. Бардином (Нобелевская
премия, 1956). На основе транзисторов и их применений выросла широкая отрасль
промышленности - полупроводниковая электроника. Транзисторы выпускаются в виде
дискретных компонентов в индивидуальных корпусах или в виде активных элементов
- интегральных схем.
Транзисторы делятся на два больших класса - униполярные (полевые или
МДП-транзисторы) и биполярные. И в полевых, и в биполярных транзисторах
управление током в выходной цепи осуществляется за счёт изменения входного
напряжения или тока. Небольшое изменение входных величин может приводить к
существенно большему изменению выходного напряжения и тока. Это усилительное
свойство транзисторов используется в аналоговой технике (аналоговые ТВ, радио,
связь и т. п.). В настоящее время в аналоговой технике доминируют биполярные
транзисторы (БТ) (международный термин - BJT, bipolar junction transistor).
Другой важнейшей отраслью электроники является цифровая техника (логика,
память, процессоры, компьютеры, цифровая связь и т. п.), где, напротив,
биполярные транзисторы почти полностью вытеснены полевыми. [1]
. Теоретические сведения
В первой части курсового проекта рассчитываются параметры
МДП-транзистора, поэтому остановлюсь подробнее на информации о полевых
транзисторах.
По физической структуре и механизму работы полевые транзисторы условно
делят на 2 группы. Первую образуют транзисторы с управляющим p-n-переходом, или
переходом "металл - полупроводник" (барьер Шоттки), вторую
-транзисторы с управлением посредством изолированного электрода (затвора), т.
н. транзисторы МДП ("металл - диэлектрик - полупроводник").
Полевой транзистор с управляющим p-n-переходом - это
полевой транзистор, затвор которого изолирован (то есть отделён в электрическом
отношении) от канала p-n-переходом, смещённым в обратном направлении.
Такой транзистор имеет два невыпрямляющих контакта к
области, по которой проходит управляемый ток основных носителей заряда, и один
или два управляющих электронно-дырочных перехода, смещённых в обратном
направлении (см. рис. 1). При изменении обратного напряжения на p-n-переходе
изменяется его толщина и, следовательно, толщина области, по которой проходит
управляемый ток основных носителей заряда. [1] Область, толщина и поперечное
сечение которой управляется внешним напряжением на управляющем p-n-переходе и
по которой проходит управляемый ток основных носителей, называют каналом.
Электроды полевого транзистора называются следующим образом:
· исток (англ. source) - электрод, из которого в канал входят основные
носители заряда;
· сток (англ. drain) - электрод, через который из канала уходят основные
носители заряда;
· затвор (англ. gate) - электрод, служащий для регулирования поперечного
сечения канала.
Проводимость канала может быть как n-, так и p-типа.
Поэтому по типу проводимости канала различают полевые транзисторы с n-каналом и
р-каналом. Полярность напряжений смещения, подаваемых на электроды транзисторов
с n- и с p-каналом, противоположны. [2]
Управление током стока, то есть током от внешнего
относительно мощного источника питания в цепи нагрузки, происходит при
изменении обратного напряжения на p-n-переходе затвора (или на двух
p-n-переходах одновременно). В связи с незначительностью обратных токов
p-n-перехода мощность, необходимая для управления током стока и потребляемая от
источника сигнала в цепи затвора, оказывается ничтожно малой.
От биполярного транзистора полевой транзистор
отличается, во-первых, принципом действия: в биполярном транзисторе управление
выходным сигналом производится входным током, а в полевом транзисторе - входным
напряжением или электрическим полем. Во-вторых, полевые транзисторы имеют
значительно большие входные сопротивления, что связано с обратным смещением
p-n-перехода затвора в рассматриваемом типе полевых транзисторов. В-третьих,
полевые транзисторы могут обладать низким уровнем шума (особенно на низких
частотах), так как в полевых транзисторах не используется явление инжекции
неосновных носителей заряда и канал полевого транзистора может быть отделён от
поверхности полупроводникового кристалла. Процессы рекомбинации носителей в
p-n-переходе и в базе биполярного транзистора, а также
генерационно-рекомбинационные процессы на поверхности кристалла полупроводника
сопровождаются возникновением низкочастотных шумов.
Полевой транзистор с изолированным затвором - это
полевой транзистор, затвор которого отделён в электрическом отношении от канала
слоем диэлектрика. В кристалле полупроводника с относительно высоким удельным
сопротивлением, который называют подложкой, созданы две сильнолегированные
области с противоположным относительно подложки типом проводимости. На эти
области нанесены металлические электроды - исток и сток. Расстояние между
сильно легированными областями истока и стока может быть меньше микрона.
Поверхность кристалла полупроводника между истоком и стоком покрыта тонким
слоем (порядка 0,1 мкм) диэлектрика. Так как исходным полупроводником для
полевых транзисторов обычно является кремний, то в качестве диэлектрика
используется слой двуокиси кремния SiO2, выращенный на поверхности
кристалла кремния путём высокотемпературного окисления. На слой диэлектрика
нанесён металлический электрод - затвор. Получается структура, состоящая из
металла, диэлектрика и полупроводника. Поэтому полевые транзисторы с
изолированным затвором часто называют МДП-транзисторами.
Входное сопротивление МДП-транзисторов может достигать
1010…1014 Ом (у полевых транзисторов с управляющим
p-n-переходом 107…109), что является преимуществом при
построении высокоточных устройств. [3]
Существуют две разновидности МДП-транзисторов: с
индуцированным каналом и со встроенным каналом.
В МДП-транзисторах с индуцированным каналом проводящий
канал между сильнолегированными областями истока и стока отсутствует и,
следовательно, заметный ток стока появляется только при определённой полярности
и при определённом значении напряжения на затворе относительно истока, которое
называют пороговым напряжением (UЗИпор). В связи с тем, что затвор
отделён от подложки диэлектрическим слоем, ток в цепи затвора ничтожно мал,
мала и мощность, потребляемая от источника сигнала в цепи затвора и необходимая
для управления относительно большим током стока. Таким образом, МДП-транзистор
с индуцированным каналом может производить усиление электромагнитных колебаний
по напряжению и по мощности.
В МДП-транзисторах со встроенным каналом у поверхности
полупроводника под затвором при нулевом напряжении на затворе относительно
истока существует инверсный слой - канал, который соединяет исток со стоком. В
связи с наличием встроенного канала в таком МДП-транзисторе при нулевом
напряжении на затворе поперечное сечение и проводимость канала будут изменяться
при изменении напряжения на затворе как отрицательной, так и положительной
полярности. Таким образом, МДП-транзистор со встроенным каналом может работать
в двух режимах: в режиме обогащения и в режиме обеднения канала носителями
заряда. Эта особенность МДП-транзисторов со встроенным каналом отражается и на
смещении выходных статических характеристик при изменении напряжения на затворе
и его полярности. [2]
Рис. 1.1 - виды полевых транзисторов и их обозначения
на принципиальных схемах
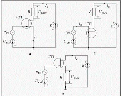
Схемы включения МДП-транзистора
Полевой транзистор можно включать по одной из трех
основных схем: с общим истоком (ОИ), общим стоком (ОС) и общим затвором (ОЗ).
На практике чаще всего применяется схема с ОИ, аналогичная схеме на биполярном
транзисторе с общим эмиттером (ОЭ). Каскад с общим истоком даёт очень большое
усиление тока и мощности. Схема с ОЗ аналогична схеме с общей базой (ОБ). Она не
даёт усиления тока, и поэтому усиление мощности в ней во много раз меньше, чем
в схеме ОИ. Каскад ОЗ обладает низким входным сопротивлением, в связи с чем он
имеет ограниченное практическое применение в усилительной технике.
Рис. 1.2 - схемы включения МДП-транзистора с ОИ (а),
ОЗ (б) и ОС (в)
Режимы
работы полевых транзисторов
Динамическим режимом работы называют такой режим, в
котором к транзистору, который усиливает входной сигнал, подключена нагрузка.
Такой нагрузкой может служить резистор Rс, подсоединённый последовательно со
стоком полевого транзистора, включённого по схеме с общим истоком.
Ключевым называют такой режим работы транзистора, при котором он может
быть либо полностью открыт, либо полностью закрыт, а промежуточное состояние,
при котором компонент частично открыт, в идеале отсутствует. Мощность, которая
выделяется в транзисторе, в статическом режиме равна произведению тока,
протекающего через выводы сток-исток, и напряжения, приложенного между этими выводами.
В идеальном случае, когда транзистор открыт, т.е. в режиме насыщения, его
сопротивление межу выводами сток-исток стремится к нулю. Мощность потерь в
открытом состоянии представляет произведение равного нулю напряжения на
определённую величину тока. Таким образом, рассеиваемая мощность равна нулю.
В идеале, когда транзистор закрыт, т.е. в режиме отсечки, его
сопротивление между выводами сток-исток стремится к бесконечности. Мощность
потерь в закрытом состоянии есть произведение определённой величины напряжения
на равное нулю значение тока. Следовательно, мощность потерь равна нулю.
Выходит, что в ключевом режиме, в идеальном случае, мощность потерь
транзистора равна нулю. На практике, естественно, когда транзистор открыт,
присутствует некоторое небольшое сопротивление сток-исток. Когда транзистор
закрыт, по выводам сток-исток протекает ток небольшой величины. Таким образом,
мощность потерь в транзисторе в статическом режиме мала. Однако в динамическом
режиме, когда транзистор открывается или закрывается, его рабочая точка
форсирует линейную область, в которой ток через транзистор может условно
составлять половину максимального тока стока, а напряжение сток-исток может
достигать половины от максимальной величины. Таким образом, в динамическом
режиме в транзисторе выделяется огромная мощность потерь, которая свела бы на
нет все замечательные качества ключевого режима, но к счастью длительность
нахождения транзистора в динамическом режиме много меньше длительности
пребывания в статическом режиме. В результате этого КПД реального
транзисторного каскада, работающего в ключевом режиме, может быть очень высок и
составлять до 93% - 98%.
Работающие в ключевом режиме транзисторы широко применяют в силовых
преобразовательных установках, импульсных источниках электропитания, в выходных
каскадах некоторых передатчиков и пр. [3]
В связи с современными тенденциями необходимо знать и уметь рассчитывать
параметры транзисторов. Актуальность данного вопроса крайне велика, так как
область интегрально кремниевой микроэлектроники развивается быстрыми темпами.
2. Расчет
электрических характеристик кремниевого интегрального n-канального
МДП-транзистора
2.1 Исходные
данные. Задание
Исходные
данные
|
1
|
Вариант
|
6
|
|
2
|
Материал затвора
|
Si*
|
|
3
|
Длина канала L, мкм
|
2
|
Ширина канала W, мкм
|
60
|
|
5
|
Толщина подзатворного диэлектрика d, мкм
|
0,1
|
|
6
|
Концентрация примеси в подложке NB, см-3
|
6∙1015
|
|
7
|
Подвижность электронов в канале mn, см2/В∙с
|
500
|
|
8
|
Плотность поверхностных состояний Nss (Qss > 0), см-2
|
7∙1010
|
|
9
|
Концентрация примеси в контактных n+-слоях N +, см-3
|
1020
|
|
10
|
Толщина контактных п+-слоев xj, мкм
|
0.6
|
Общие данные
e = 1.62*10-19 Кл - заряд электрона,
ε0 = 8.85*10-14 Ф/см диэлектрическая
проницаемость вакуума,
ε = 11.9 - относительная проницаемость Si,
εd = 3.4 - относительная проницаемость диэлектрика,
Еs = 1.5*104 В/см -
продольное электрическое поле в канале,
Vt = 1 В - пороговое напряжение.
Задание
1. Нарисовать масштабный эскиз и топологию МДП-транзистора в соответствии
с заданием.
. Рассчитать пороговое напряжение МДП-транзистора при заданных исходных
данных и
= 0 В. Внести изменения в
конструкцию транзистора, чтобы обеспечить пороговое напряжение
= +1 В.
. Рассчитать и построить выходные характеристики в приближении
идеализированной модели при
= 0 В в диапазоне напряжений:
0-5 В;
= 0 - 5 В (шаг 1 В)
. Рассчитать выходную характеристику с учетом неоднородности ОПЗ под
затвором (реальная ВАХ) при
0-5 В,
4 В,
0 В.
. Построить выходные ВАХ транзистора в рамках идеальной и реальной моделей
при
0-5 В,
4 В,
0 В.
. Привести малосигнальную эквивалентную схему, объяснить смысл элементов.
Факультативно
7. Провести расчет и корректировку
с учетом эффектов короткого и узкого
канала.
. В дополнение к п.5 построить реальную выходную ВАХ для
= 4 В,
= -2 В. На одном графике совместить
следующие ВАХ:
Идеальная ВАХ при
= 0-5 В,
= 4 В,
= 0 В.
Реальная ВАХ при
= 0-5 В,
= 4 В,
= 0 В.
Реальная ВАХ при
= 0-5 В,
= 4 В,
= -2 В.
. Рассчитать параметры эквивалентной схемы.
2.2 Расчет и
корректировка порогового напряжения транзистора
При
пороговое напряжение n-МДП-транзистора рассчитывается по формуле (1.1):
, (1.1)
где:
φGB - контактная разность потенциалов
затвор - подложка,
φG, φB - их потенциалы соответственно,
Qss - плотность поверхностного заряда на границе
диэлектрик-полупроводник,
QsB0
- поверхностная плотность заряда в канале,
CS - удельная емкость диэлектрика.
На основе исходных данных рассчитываем компоненты для (1.1):
Потенциал подложки
(1.2)
Контактная разность потенциалов затвор - подложка
(1.3)
Заряд, связанный с ОПЗ полупроводника
, (1.4)
где
- ширина ОПЗ под затвором.
Таким образом
.
Заряд, связанный с поверхностными состояниями на границе оксид-кремний
. (1.5)
Удельная емкость диэлектрика
. (1.6)
Таким образом, при заданных исходных данных обеспечивается пороговое
напряжение
.
Для обеспечения величины порогового напряжения
необходимо уменьшить его на величину
. Если затвор сделать из р+-Si,
то получим
. Остается добавить
. Так как эта величина отрицательная,
то под затвором необходимо выполнить подлегирование поверхности примесью n-типа (мелкими донорами) на глубину
.
Необходимая доза подлегирования составляет
. (1.7)
Средняя концентрация доноров в подзатворном слое
. (1.8)
Вывод: рассчитано пороговое напряжение МДП-транзистора
; оно же скорректировано с учетом
технического задания. Доза подлегирования составляет
.
;
.
Данные для построения семейства идеальных ВАХ МДП-транзистора
представлены в таблице 1.2, а само семейство изображено на рисунке 1.3.
Табл. 1.2 - расчетные данные для построения семейства ВАХ в рамках
идеализированной модели.
|
|
VGS = 2 B
|
VGS = 3 B
|
VGS = 4 B
|
VGS = 5 B
|
|
Vds = 0 B; Id, мкА
|
0
|
0
|
0
|
0
|
|
Vds = 0.5 B; Id, мкА
|
169.3125
|
395.0625
|
620.8125
|
846.5625
|
|
Vds = 1.0 B; Id, мкА
|
225.75
|
677.25
|
1128.75
|
1580.25
|
|
Vds = 1.5 B; Id, мкА
|
225.75
|
846.5625
|
1523.813
|
2201.063
|
|
Vds = 2.0 B; Id, мкА
|
225.75
|
903
|
1806
|
2709
|
|
Vds = 2.5 B; Id, мкА
|
225.75
|
903
|
1975.313
|
3104.063
|
|
Vds = 3.0 B; Id, мкА
|
225.75
|
903
|
2031.75
|
3386.25
|
|
Vds = 3.5 B; Id, мкА
|
225.75
|
903
|
2031.75
|
3555.563
|
|
Vds = 4.0 B; Id, мкА
|
225.75
|
903
|
2031.75
|
3612
|
|
Vds = 4.5 B; Id, мкА
|
225.75
|
903
|
2031.75
|
3612
|
Рис. 1.3 - семейство ВАХ в рамках идеализированной модели.
Вывод: вычислено и построено семейство ВАХ идеального транзистора при
различных напряжениях затвор-исток (
В).
.4
Расчет ВАХ с учетом
неоднородности ОПЗ под затвором
Крутая область ВАХ
Коэффициент влияния подложки:
Расчет проведем при
,
.
Напряжение насыщения
определяется соотношением:
Для
,
:
.
Ток насыщения IDS
определяется из выражения (1.10) при
:
Пологая область ВАХ
Для пологой области расчет ВАХ проводится следующим образом (рисунок
1.4):
рассчитывается эффективная длина канала с учетом насыщения дрейфовой
скорости носителей в канале и модуляции длины канала
рассчитывается ток стока с учетом предыдущего пункта при
строится пологая область ВАХ как линия, проходящая через точки
Рис. 1.4 - Методика построения ВАХ реального транзистора в пологой
области
Вычислим
при
из соотношения
. (1.12)
Эффективная длина канала:
, (1.13)
где ES = 15 кВ/см - поле насыщения скорости электронов,
- (1.14)
толщина ОПЗ под стоком на границе с пологой областью,
- (1.15)
контактная разность потенциалов сток-подложка.
Из (1.13) , (1.14) и (1.15) найдем толщину ОПЗ под стоком:
см
Эффективная длина канала:
.
Ток стока:
.
На рисунке 1.5 показаны ВАХ транзистора в рамках идеальной и реальной
моделей при
.
Рис. 1.5 - ВАХ идеальной(а) и реальной(б) моделей при Vgs=4 B, Vbs=0 В.
Вывод: в результате расчета была вычислена реальная ВАХ транзистора в
отсутствие напряжения подложка-исток.
2.5 Малосигнальная эквивалентная схема и
ее параметры
Малосигнальная эквивалентная схема МДП-транзистора приведена на рисунке
1.6.
Рис. 1.6 - малосигнальная эквивалентная схема МДП-транзистора
Сопротивления между внутренними и внешними узлами:
§ RG - сопротивление затвора;
§ RD - сопротивление стока;
§ RS - сопротивление истока;
§ RB - сопротивление подложки;
Емкости определяются режимом работы транзистора по постоянному току:
§ CGD - диффузионная емкость перехода
затвор-сток;
§ CG - барьерная емкость затвора;
§ Cbd - диффузионная емкость перехода подложка-сток;
§ Cbs - диффузионная емкость перехода
подложка-исток;
Прочие обозначения:
§ G - выходная проводимость,
;
- выходное сопротивление
§ gSVgs - генератор тока; gbVbs - генератор тока; генераторы
моделируют ВАХ транзистора.
В данной схеме режим работы транзистора (постоянные составляющие
напряжений Vgs, Vds, Vbs и постоянная составляющая тока Id) считается заданным и исследуются
только малые переменные составляющие напряжений и токов (сигналов).
.6
Факультативное задание:
расчет и корректировка порогового напряжения с учетом эффектов короткого и
узкого канала
С учетом эффекта короткого канала изменение порогового напряжения
рассчитывается по формуле 1.16:
, (1.16)
,
,
- толщина ОПЗ под затвором, истоком и стоком соответственно, xj - толщина n+-областей,
- контактная разность потенциалов n+-область - p-подложка.
Считаем случай, когда
,
.
,
,
,
,
.
С учетом эффекта узкого канала изменение порогового напряжения
рассчитывается по формуле 1.17:
, (1.17)
.
Вывод: с учетом эффектов короткого и узкого канала получим изменение
порогового напряжения
.
2.7
Факультативное задание:
расчет реальной ВАХ, зависящей от 
Расчет реальной ВАХ при VBS=-2В проводится аналогично §2.2.3.
Результаты расчета выходной ВАХ рассматриваемого МДП-транзистора при VGS=4B, VDS = 0-5В, VBS
= -2B в рамках
модели вместе с данными рисунка 1.5 показаны на рисунке 1.7.
Крутая область ВАХ:
Коэффициент влияния подложки:
Расчет проведем для
,
:
;
напряжение насыщения
=2,15 В.
Пологая область ВАХ:
Вычислим
при
из соотношения (1.12).
Из формул (1.13) , (1.14) и (1.15) найдем:
- толщина ОПЗ под стоком на границе с пологой областью,
- эффективная длина канала.
Ток стока при
:
Рис. 1.7 - ВАХ транзистора, рассчитанные при VGS = 4В с учетом различных приближений:
а - идеальная модель, VBS =0B; б -
реальная модель, VBS=0B;
в - реальная модель, VBS =-2B
Вывод: в результате расчета была вычислена реальная ВАХ транзистора при
напряжений подложка-исток
.
.8
Факультативное задание: расчет параметров эквивалентной схемы
Рассчитаем малосигнальные параметры эквивалентной схемы, показанной на
рисунке 1.6.
Крутизна ВАХ:
(1.18)
Выходная проводимость:
(1.19)
Собственный коэффициент усиления по напряжению:
(1.20)
Вывод: используя реальную ВАХ транзистора в отсутствие напряжения
подложка-исток, провели расчет малосигнальных параметров эквивалентной схемы
МДП-транзистора.
.9
Структура и топология МДП-транзистора
Рис. 1.8: а - структура МДП-транзистора; б - топология МДП-транзистора
2.10 Краткий технологический маршрут
изготовления МДП-структур
Наибольший практический интерес представляет изопланарная технология
изготовления МДП-структур, особенностью которой является изоляция МДП-структур
толстым слоем оксида кремния. Применение этой технологии позволяет совместно
формировать на одной подложке как биполярные, так и МДП-структуры. Процесс
поэтапного формирования МДП-структуры:
а) на поверхности кремниевой подложки р-типа формируют маску из нитрида
кремния, через отверстия в которой внедряют ионы бора, в результате чего
формируются противоканальные р+-области;
б) окислением через маску создают разделительные слои диоксида кремния,
после чего удаляют слой нитрида кремния, затем ионным легированием бора создают
слой с повышенной концентрацией акцепторов, который необходим для снижения
порогового напряжения;
в) формируют тонкий подзатворный слой диоксида кремния и наносят на него
слой поликремния (затвор);
г) ионным легированием мышьяка формируют n+-области истока и стока;
д) химическим паровым осаждением наносят слой диоксида кремния, формируют
в нем окна, напыляют пленку алюминия и методом фотолитографии создают рисунок
металлических проводников.
Выводы главы
В данной главе произведен расчет параметров МДП-транзистора. Сводка
результатов представлена в таблице 1.3.
|
№
|
Параметр
|
Результат
|
|
1
|
Структура исследуемого МДП-транзистора
|
Рис. 1.8а
|
|
2
|
Топологический чертеж исследуемого МДП-транзистора
|
Рис. 1.8б
|
|
3
|
Рассчитанное пороговое напряжение Vt0, B
|
|
|
4
|
Доза подлегирования D, см-2
|
|
|
5
|
Коэффициент влияния подложки КB,B1/2
|
|
|
6
|
Толщина ОПЗ под затвором lT, мкм
|
0.16
|
|
7
|
Толщина ОПЗ под истоком lS, мкм
|
0.44
|
|
8
|
Толщина ОПЗ под стоком lD, мкм
|
1.03
|
|
9
|
Крутизна ВАХ g, мкА/В
|
1097
|
|
10
|
Выходная проводимость G, мкОм-1
|
678
|
|
11
|
|
|
12
|
Маршрутная карта изготовления транзистора
|
§1.2.1
|
Список литературы
1. Старосельский В.И. Физика полупроводниковых приборов
микроэлектроники: учеб. пособие - М.: Высшее образование; Юрайт-Издат, 2009
. Титова И.Н. Методические указания по выполнению
курсового проекта. Учебно-методическая разработка для самостоятельной работы
студентов по курсу "Элементы твердотельной электроники и физики
полупроводниковых приборов"
. Москатов Е. А. Электронная техника. Начало. Ростов
н/Д: Феникс, 2010