Система оценка производительности ШГНУ по динамограмме и управления ею
Введение
скважина программный штанговый
Самой важной характеристикой работы ШГНУ является динамограмма. Накладным
датчиком снимают динамограмму для оценки качественных характеристик и выявления
некоторых неисправностей. Встраиваемым (межтраверсным) датчиком снимают
"точную" динамограмму для учета некоторых количественных параметров.
Только при правильном анализе динамограммы, оператор или технолог может
установить наличие конкретной неисправности в ШГНУ.
Вовремя вынесенный диагноз нефтегазовому оборудованию позволит сберечь
время на его ремонт и соответственно значительные материальные затраты.
Нефть и газ являются одними из основных видов топлива,потребляемого
человечеством.Нефть добывают и используют сравнительно давно, однако начало
интенсивной промышленной разработки нефтяных месторождений приходится на конец
ХIХ-начало ХХ веков.
Конец ХХ столетия характеризуется резким увеличением спроса на нефть и
газ и их потребления. В настоящее время около 70 % энергитической потребности в
мире покрывается за счет нефти и газа.
В последнее время добыча нефти с помощью фонтанирующих скважин фактически
прекратилась. Многие скважины, пробуренные на нефтеносные пласты, сразу после
окончания бурения вводятся в эксплуатацию насосным способом. Непрерывно растет
фонд малодебитных скважин (до 3т/сутки)
Мощность насосного оборудования на них в 4-5 раз превышает необходимую. В
настоящее время в стоимости нефти эксплуатационные расходы на электроэнергию и
обслуживание энергетического комплекса доходят до 45-50%. Процесс добычи нефти
после геологических работ и бурения скважин начинается с выбора оборудования.
Средний срок эксплуатации нефтяных скважин около 20 лет. За это время
оборудование меняется несколько раз. Это объясняется не столько его физическим
износом, сколько изменением дебита нефти. Когда дебит скважины становится менее
100 т/сут, устанавливается штанговая глубинно-насосная установка (ШГНУ) -
станок-качалка. Есть скважины, на которых сразу после бурения устанавливаются
станки-качалки. 75% скважин в России оборудованы ими. Если производительность
насоса станка-качалки превышает нефтеотдачу скважины, то в настоящее время или
меняют станок-качалку, или переводят ее в периодический режим работы. Причем
кажущаяся экономия электроэнергии и моточасов работы оборудования при периодической
эксплуатации скважин на самом деле приводит к увеличению удельного расхода
электроэнергии на тонну добытой нефти и к усложнению условий эксплуатации
оборудования.
1) Поэтому требования правильного выбора электрооборудования для
нефтедобычи, автоматизация его работы, снижение затрат на эксплуатацию и ремонт
оборудования являются весьма актуальными.
Интенсификация технологических процессов добычи,
переработки и хранения нефти и нефтепродуктов вызывает необходимость
дальнейшего совершенствования систем автоматизации нефтяных отраслей
промышленности, что, в свою очередь, связано с обработкой большого объема
измерительной информации. Этим объясняется широкое развитие измерительных
информационных систем, предназначенных для сбора, преобразования, передачи,
хранения, обработки на ЭВМ и представления в удобном для оператора виде
различного рода технологической информации.
В настоящее время для добычи нефти наиболее часто используются штанговые
глубинные насосы (ШГН). Согласно статистике, таким способом в Западной Европе
эксплуатируются 90% скважин, в США - 85%, в России - около 53%. Разрабатываются
также новые нефтепромысловые технологии и оборудование, например, цепные
приводы для ШГН, более эффективные при добыче высоковязкой и остаточной нефти,
чем традиционные станки-качалки. В связи с этим проводятся дополнительные
исследования с целью уточнения параметров, используемых при диагностировании
состояния ШГН, и совершенствуются системы автоматизации скважин.
К достоинствам скважинных штанговых насосных установок (СШНУ) относятся:
технически несложный монтаж, возможность адаптации к изменяющимся условиям
притока и относительно высокий КПД. К недостаткам - достаточно быстрый (3-4
года) износ плунжерной пары, насосно-компрессорных труб и штанг вследствие трения,
а также трудоемкость операций по замене и ремонту глубинных насосов, что
обусловливает необходимость своевременной диагностики и подтверждает
актуальность автоматизации контроля технического состояния и режима работы
СШНУ.
Наиболее эффективным способом контроля за состоянием глубинно-насосного
оборудования остается динамометрирование ШГН - построение устьевой (наземной)
динамограммы - графика зависимости нагрузки на траверсе СШНУ от положения
полированного штока. Данный способ позволяет, используя методы
диагностирования, отслеживать исправность работы ШГН в реальном масштабе
времени, а также оценивать текущий фактический дебит скважины.
Среди известных на данный момент систем контроля состояния СШНУ наиболее
перспективны стационарные информационно-измерительные системы (СИИС),
позволяющие осуществлять непрерывный контроль за работой целых комплексов
насосных установок. Вся информация, поступающая со скважин в диспетчерский
пункт, оперативно обрабатывается и анализируется с использованием программного
обеспечения верхнего уровня. Вышеизложенное позволяет утверждать следующее:
создание новых систем контроля состояния СШНУ остается актуальной задачей, и, в
частности, имеется необходимость разработки информационно-измерительной системы
(ИИС) динамометрирования ШГН, адаптированной как для станков-качалок, так и для
установок с цепным приводом и включающей программное обеспечение верхнего
уровня с функциями диагностирования состояния ШГН.
Актуальность работы. Самой важной характеристикой работы ШГНУ является динамограмма.
Накладным датчиком снимают динамограмму для оценки качественных характеристик и
выявления некоторых неисправностей. Встраиваемым (межтраверсным) датчиком
снимают "точную" динамограмму для учета некоторых количественных
параметров.
Только при правильном анализе динамограммы, оператор или технолог может
установить наличие конкретной неисправности в ШГНУ.
Вовремя вынесенный диагноз нефтегазовому оборудованию позволит сберечь
время на его ремонт и соответственно значительные материальные затраты.
Цель работы - спроектировать систему оценка производительности ШГНУ по
динамограмме и управления ею, что подразумевает под собой разработку
информационно-измерительной системы оценки производительности
динамометрирования скважин, оборудованных ШГНУ. Что подразумевает под собой
решение следующих задач:
- характеристика станков качалок
· размерный ряд станков-качалок по гост
· динамометрирование и результаты исследований
· требования к измерениям количества сырой нефти по гост
известные методы оценки производительности
· теоретическая производительность шгну
· оценка дебита по ваттметрограмме
· оценка дебита по динамограмме
· методики оценки дебита по динамограмме
прикладные вопросы, связанные с решением задач
· расчеты структуры и параметров моделей
· выбор алгоритмов и методов
· методы обработки и представления информации
реализация результатов
· развернутый пример решения задач
· описание интерфейса
· выбор параметров для оценки с помощью наблюдателей
· описание применение наблюдателей
оценка эффекта от использования результатов
· оценка прогрессивности опытно-конструкторской разработки
· планирование разработки
· определение затрат, себестоимости и цены
· определение и оценка показателей экономической эффективности
Научная новизна. Для повышения качество оценки производительности ШГНУ по
динамограмме был разработан алгормитм. Научная новизна заключается в доработке
одного из существующих методов оценки. Оценка осуществляется с использованием
наблюдателей Люенбергера - динамических наблюдающих устройств (ДНУ).
Наблюдатели позволят оценивать параметры динамограммы более точно на основе их
оценки по математическим моделям. Была разработана математическая модель оценки
параметров с помощью наблюдателей Люенбергера.
Первоначально основной сферой использования ДНУ были динамические
системы, в состав которых входят формирователи сигналов управления,
использующих информацию в виде прямых и обратных связей по состоянию объекта
или источника конечномерного экзогенного воздействия. В настоящее время сфера
использования ДНУ заметно расширилась за счет нового поколения измерительных
комплексов, которые решают задачу формирования результата измерения в
алгоритмической среде ДНУ.
В общесистемной постановке наибольшее количество информации о ходе
управляемых процессов (динамических объектов) содержится в векторе состояния,
который характеризуется наибольшей по сравнению с другими переменными процесса
размерностью. Но состояние есть скрытая (внутренняя) переменная, несущая полную
информацию о системном «секрете» процесса, она не должна быть доступна
непосредственному измерению в полном объеме.
Методы исследования. Поставленные в работе задачи решены с использованием
классической теории электрических цепей, теории погрешностей и
помехоустойчивости, методов статистической обработки результатов измерений,
методов решения уравнений математической физики, технологии высокоуровневого
программирования. Проверка эффективности решения поставленных задач
осуществлялась на реальных промысловых данных. На защиту выносятся: алгоритм
оценки производительности динамограммы ШГНУ на основе применения наблюдателей
Люенбергера для оценки неизвестных параметров.
Структура и объем диссертации
Диссертационная работа изложена на 100 страницах машинописного
текста и включает в себя введение, 4 главы основного материала,
заключение, библиографический список и приложения.
Глава 1.
Обзорная глава
1.1 Цели и
задачи исследования
скважина программный штанговый
Необходимо спроектировать систему для диагностики и управления штанговой
глубиннонасосной установки со следующими техническими параметрами:
надежность 0.95 за 10000ч;
габариты 310х187х76 мм;
потребляемая мощность, не более 3 Вт;
температурный диапазон -50 …+ 50 єС;
погрешность, не более 1%.
Цель разработка системы оценки производительности ШГНУ по динамограмме и
управления ею, что подразумевает под собой разработку
информационно-измерительной системы динамометрирования скважин, оборудованных
ШГНУ и ее программного обеспечения с функцией диагностирования состояния ШГНУ
по динамограмме.
Для достижения поставленной цели в работе поставлены и решены следующие
задачи:
Разработка ИИС динамометрирования скважин, оборудованных ШГН,
адаптированной для станков-качалок и установок с цепным приводом.
Разработка программного обеспечения верхнего уровня, обеспечивающего
сбор, хранение и обработку данных динамометрирования, в том числе
диагностирование работы ШГН.
Разработка алгоритма диагностирования состояния ШГН по характерным
симптомам устьевой динамограммы.
Разработка алгоритма расчета устьевой динамограммы по моделируемым
усилиям на плунжере.
Экспериментальные исследования разработанной ИИС динамометрирования.
План работы следующий:
1 обзорная глава
теоретические основы решения поставленных задач
прикладные вопросы связанные с решением задач
реализация результатов
.2 Анализ
литературы
В последние годы созданы вполне работоспособные приборы и целые
комплексы, позволяющие регистрировать результаты динамометрирования в
электронной памяти этих устройств с последующей (или одновременной) обработкой
их на электронно-вычислительных машинах. Программно-математическое обеспечение
(ПМО) каждого комплекса имеет свое оформление, требования к исходным данным и
используемые методики их обработки.
Рассмотрим системы управления ШГНУ.
.2.1
Комплексная система исследования работы скважин "Анализатор"
Данная система разработана американской компанией
"Есhоmеtег". Она
представляет собой комплекс измерительных датчиков. Управление их работой и
обработка получаемой информации производятся компьютером совместно с
аналого-цифровым преобразователем. Такая система осуществляет обработку данных
акустических микрофонов, датчиков давления и нагрузки, акселерометров, датчиков
тока двигателя, тахометров и других измерительных устройств.
Для измерения уровня жидкости в кольцевом пространстве
скважины акустическим методом эта система используется совместно с генератором
импульсов, микрофоном и датчиком давления. Эти измерения используются для
определения забойного давления работающей эксплуатационной скважины. А знание
пластового давления и использование модели притока жидкости, с учетом
определенного анализа, позволяют определять эффективный дебит скважины.
На скважинах со штанговым глубинно-насосным
оборудованием данная система применима для динамометрических исследований с
измерением нагрузок на полированном штоке, ускорения движения полированного
штока и потребляемого двигателем электрического тока. Измерение нагрузок на
полированном штоке возможно двумя способами (в зависимости от решаемой задачи).
. Для количественного динамометрического анализа
необходимы данные высокой степени точности, которые можно получить с помощью
подковообразного калиброванного датчика, измеряющего механическое напряжение.
Он устанавливается между траверсами канатной подвески исследуемой скважины.
. Для получения качественной информации, позволяющей
судить об эффективности работы насоса и выявлять (диагностировать) некоторые
неисправности подземного оборудования, используется С-образный облегченный
датчик, прикрепляемый при помощи зажима непосредственно к полированному штоку.
Датчик замеряет изменение нагрузки на штангах путем замера изменения диаметра
полированного штока. Если коэффициент Пуассона для стали равен примерно 0,3, то
радиальное напряжение составит около ЗОУ0 от осевой нагрузки.
В обоих случаях для определения перемещения
полированного штока используется очень компактный акселерометр на интегральной
схеме, который встроен в датчик измерения нагрузки. Таким образом, необходим
только один кабель для соединения компьютера и датчика нагрузки. Скорость
движения полированного штока является результатом интегрирования сигнала
ускорения акселерометра, а повторное интегрирование дает значение положения
полированного штока как функции времени. Благодаря высокой скорости обработки
информации компьютером, применяемым в комплексе систем "Анализатор",
данные динамометрии появляются на экране сразу по мере измерения. В отдельном
окне представляется график потребления электрического тока двигателем
станка-качалки: анализ потребления электрического тока дает представление об уравновешенности
станка-качалки.
Примеры графиков, получаемых при исследовании скважин
с помощью комплексной системы "Анализатор", приведены на рисунке
1.2.1
- зависимость нагрузки на полированном штоке от
положения балансира СКН (несколько циклов);
- зависимость нагрузки на полированном штоке от
времени;
- зависимость нагрузки на полированном штоке от
положения балансира СКН;
- зависимость тока электродвигателя привода СКН от
времени;
- зависимость нагрузки на плунжере насоса от положения
балансира СКН.
Рисунок 1.2.1 Примеры графиков, получаемых при
исследовании скважин с помощью комплексной системы "Анализатор".
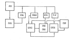
.2.2 Комплекс
СТК РНК-ЛЭП
Система предназначена для телеуправления,
телеизмерений и телесигнализации нефтяных скважин и других объектов добычи и
первичной переработки нефти. Система в своем составе имеет:
диспетчерский пункт (ДП);
станции управления центральные (СУЦ) на
распределительных подстанциях напряжением 110-35/6(10) кВ (РП);
станции управления контролируемых пунктов (СУ КП).
На рисунке 1.2.2 показано размещение элементов СТК
РНК-ЛЭП на объектах нефтепромысла и их взаимодействие с объектами управления.
Рисунок 1.2.1 Схема СТК РНК-ЛЭП
ДП - диспетчерский пункт, СУЦ - станция управления
центральная, УПЦ, УПКП - устройства присоединения, КТП, Т-Р - комплектная
трансформаторная подстанция, трансформатор, СУКП - станция управления
контролируемого пункта, СУ СК - станция управления и защиты СКН при работе без
РЭП СКН.
Конструктивно станции управления СТК РНК-ЛЭП
представляют собой шкафы, в которых размещены кассеты с блоками. Диспетчерский
пункт СТК РНК-ЛЭП оборудован ИЗМ-совместимым компьютером. Станции управления
контролируемых пунктов устанавливаются на объектах телеуправления. СУ КП,
имеющие проводные линии связи с диспетчерским пунктом НГДУ (СУ РП, КНС и др.),
подключаются к ДП непосредственно, удаленные СУ КП подключаются к ЛЭП с помощью
конденсаторного устройства присоединения и используют их в качестве физических
линий связи с распределительной подстанцией 6(10) кВ (РП) и затем через СУЦ
связываются с ДП. Принципиально возможно использование радиоканала для
организации связи ДП-СУ КП.
Станции управления центральные на РП 35/6(10) кВ
обеспечивают ретрансляцию команд и запросов диспетчерского пункта и ввод
сигнала в ЛЭП через устройство присоединения к сборным шинам 6(10) кВ, а также
прием и ретрансляцию данных от контролируемых пунктов, подключенных к ЛЭП.
Связь ДП-СУЦ - проводная, по выделенной паре или с частотным уплотнением
телефонной линии диспетчерской связи с подстанцией 35/6(10) кВ.
Технические возможности станций управления СТК РНК-ЛЭП
позволяют осуществлять телесигнализацию и телеуправление (ТС и ТУ):
станками-качалками (СКН);
групповыми замерными установками (ГЗУ);
кустовыми насосными станциями (КНС);
распределительными подстанциями напряжением
110-35/6(10) кВ, РП),- другими объектами нефтедобычи и первичной переработки
нефти. Примером функций ТС и ТУ могут служить следующие: включение, выключение
и регулирование скорости качаний головки балансира станка-качалки, контроль
потребляемой мощности, формирование ваттметрограммы двигателя, динамограммы
станка-качалки, контроль количества откачиваемой жидкости, превышения давления
в выкидном трубопроводе, несанкционированного доступа в СУ.
Станции управления КП позволяют оперативному персоналу
связаться по телефонному каналу с диспетчером НГДУ. Программные средства СТК РНК-ЛЭП
позволяют вести архивы накопленных (контролируемых параметров, ваттметрграмм,
динамограмм и др.), составлять отчеты.
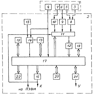
.2.3
Устройство для диагностирования состояния скважинного глубиннонасосного
оборудования (патент)
Устройство используется в области нефтедобычи. Предназначено для
автоматического сбора, анализа и хранения информации о работе скважин,
оборудованных штанговыми глубиннонасосными установками (ШГНУ), а также
электроцентробежными насосами (ЭЦН).
Схема устройства для диагностирования состояния
скважинного глубиннонасосного оборудования представлена на рисунке 1.2.3
Рисунок 1.2. 3 Схема устройства для диагностирования
состояния скважинного глубиннонасосного оборудования
Для проведения диагностирования технического состояния штанговой
глубиннонасосной установки все датчики устанавливают в соответствующем месте на
дневной поверхности скважины, выходы датчиков подключают к входу вторичного
прибора, на соответствующие тракты измерения блока регистрации 2.
Режим работы устройства выбирают с помощью клавиатуры 18. Запись
информации о техническом состоянии ШГНУ производят в течение одного или
кратного количества циклов работы установки. Рабочий цикл определяют по
интервалу времени между двумя "мертвыми" точками положения балансира
ШГНУ.
При снятии динамограммы, характеризующей работу
насоса, в блоке регистрации 2 в оперативно-запоминающем устройстве 20 задается
область, в которую будет заноситься информация о работе насоса, а также
заносятся данные: N куста, N скважины, длина хода и период хода полированного
штока. Затем запускают отсчет времени в блоке временной задержки 13, после чего
запускают станок-качалку на несколько периодов, полированный шток при этом
совершает возвратно-поступательное движение, как следствие - датчики усилия 3 и
хода 4 полированного штока начинают формировать сигналы. По истечении времени
задержки, после того, как ШГНУ вошла в установившийся режим работы,
автоматически или с дистанционного пульта оператора запускается режим
измерения, и сигнал с датчика усилий 3 поступает на усилитель 8 и далее через
мультиплексор 11, который осуществляет коммутацию имеющихся аналоговых
сигналов, - на вход аналого-цифрового преобразователя 12, а с него - на порт
микропроцессорного контроллера 17. В это же время сигнал с датчика положения 4
также поступает на вход микропроцессорного контроллера 17 и на вход блока
запуска измерений 14. При этом датчик положения 4 установлен на полированном
штоке станка-качалки таким образом, чтобы синхронизирующий сигнал запуска
измерения микропроцессорного контроллера 17 вырабатывался в блоке запуска
измерений 14 только тогда, когда канатная подвеска находится в крайнем нижнем
положении. По этому сигналу контроллер 17 начинает измерять время одного
качания и усилие между траверсами подвески штанг. Обработка постоянно
поступающей в цикле измерения информации о времени и усилии осуществляется в
контроллере 17 в соответствии с заданной программой, поступающей из
программного блока управления 19. После прихода с датчика положения второго
синхронизирующего сигнала по цепи датчик положения 4 - блок запуска измерений
14 - контроллер 17 - генератор 16 синусоидальных колебаний информация
автоматически выводится на графический индикатор 22, заносятся в память
оперативно-запоминающего устройства 20 все необходимые уровни нагрузок и
единичная динамограмма. При этом развертка динамограммы по оси X осуществляется
по сигналу с генератора синусоидальных колебаний 16, период колебаний которого
соответствует периоду одного качания. На экране графического индикатора 22
отображается одиночная динамограмма (фиг. 2), по которой определяют вес штанг Pшт,
вес штанг плюс жидкости Pш+ж, минимальный (Pmin) и
максимальный (Pmax) вес штанг, а также длину хода. Значения нагрузок
в цифровом виде заносятся в протокол промысловых испытаний с фактическими
нагрузками за период одного цикла. По полученной одиночной динамограмме в
соответствии с программой, заданной программным блоком управления 19,
автоматически прямо на скважине рассчитываются величина среднего дебита, утечки
в клапанах насоса, производительность насоса.
.2.4 Системы
контроля за состоянием глубинно-насосного оборудования " СИДДОС"
Программно-аппаратный комплекс "СИДДОС",
разработанный Томским НПО "СИАМ", предназначен для контроля и
измерения рабочих характеристик штанговых глубинных насосов: силовых нагрузок в
различных положениях полированного штока, длины хода, числа качаний, наличия
утечек в глубинном оборудовании, динамограммы работы насоса. Данные измерений
записываются в энергонезависимую память электронного блока и далее могут быть:
выведены на термопечатающее устройство в виде
динамограммы и цифрового отчета;
переданы в компьютерную базу данных по проведенным
исследованиям.
Телединамометрическая система контроля, разработанная
Московским нефтяным институтом, представляет собой датчики усилия и
перемещения, стационарно устанавливаемые на балансире СКН. Система фиксирует
деформацию балансира в процессе работы СКН, пропорциональную возникающим в
глубинном оборудовании нагрузкам. Информация о состоянии глубинного
оборудования регистрируется в процессе обхода скважин путем подключения
вторичного электронного прибора к штепсельному разъему стационарного датчика с
последующей передачей в компьютер и созданием необходимой базы данных. При
наличии кабельной или радиосвязи система предусматривает возможность
дистанционного контроля за состоянием глубинного оборудования централизованно,
с пульта диспетчера.
1.2 Постановка
задач
Цель работы - спроектировать систему оценка производительности ШГНУ по
динамограмме и управления ею, что подразумевает под собой разработку
информационно-измерительной системы оценки производительности
динамометрирования скважин, оборудованных ШГНУ. Что подразумевает под собой
решение следующих задач:
- характеристика станков качалок
· размерный ряд станков-качалок по гост
· динамометрирование и результаты исследований
· требования к измерениям количества сырой нефти по гост
известные методы оценки производительности
· теоретическая производительность шгну
· оценка дебита по ваттметрограмме
· оценка дебита по динамограмме
· методики оценки дебита по динамограмме
прикладные вопросы связанные с решением задач
· расчеты структуры и параметров моделей
· выбор алгоритмов и методов
· методы обработки и представления информации
реализация результатов
· развернутый пример решения задач
· описание интерфейса по
· выбор параметров для оценки с помощью наблюдателей
· описание применение наблюдателей
оценка эффекта от использования результатов
· оценка прогрессивности опытно-конструкторской разработки
· планирование разработки
· определение затрат, себестоимости и цены окр
· определение и оценка показателей экономической эффективности
окр
Научная новизна. Для повышения качество оценки производительности ШГНУ по
динамограмме был разработан алгормитм. Научная новизна заключается в доработке
одного из существующих методов оценки. Оценка осуществляется с использованием
наблюдателей Люенбергера - динамических наблюдающих устройств (ДНУ).
Наблюдатели позволят оценивать параметры динамограммы более точно на основе их
оценки по математическим моделям. Была разработана математическая модель оценки
параметров с помощью наблюдателей Люенбергера.
Первоначально основной сферой использования ДНУ были динамические
системы, в состав которых входят формирователи сигналов управления,
использующих информацию в виде прямых и обратных связей по состоянию объекта
или источника конечномерного экзогенного воздействия. В настоящее время сфера
использования ДНУ заметно расширилась за счет нового поколения измерительных
комплексов, которые решают задачу формирования результата измерения в
алгоритмической среде ДНУ.
В общесистемной постановке наибольшее количество информации о ходе
управляемых процессов (динамических объектов) содержится в векторе состояния,
который характеризуется наибольшей по сравнению с другими переменными процесса
размерностью. Но состояние есть скрытая (внутренняя) переменная, несущая полную
информацию о системном «секрете» процесса, она не должна быть доступна
непосредственному измерению в полном объеме.
Методы исследования. Поставленные в работе задачи решены с использованием
классической теории электрических цепей, теории погрешностей и
помехоустойчивости, методов статистической обработки результатов измерений,
методов решения уравнений математической физики, технологии высокоуровневого
программирования. Проверка эффективности решения поставленных задач
осуществлялась на реальных промысловых данных. На защиту выносятся: алгоритм
оценки производительности динамограммы ШГНУ на основе применения наблюдателей
Люенбергера для оценки неизвестных параметров.
1.3 Пути
решения поставленных задач
Эффективность добычи нефти способом ШГНУ в основном
зависит от правильного подбора оборудования, установления оптимальных режимов
откачки жидкости и степени автоматизации скважины. Контроль откачки можно
проводить несколькими методами, но наиболее распространены наиболее
информативны два метода: динамометрирование и ваттметрографирование.
.3.1
Ваттметрографический метод
В основе метода лежит анализ ваттметрограмм, записанных
в процессе контроля за работой глубиннонасосных скважин при помощи
ваттметрографов. Ваттметрограмма представляет собой зависимость потребляемой
мощности ШГНУ в зависимости от положения штанги. В отличие от
динамометрирования, получение ваттметрограммы не связано с применением
специальных датчиков, для этого достаточен только контроль тока и напряжения.
Предположение о возможности применения ваттметрограмм
для контроля за работой станков-качалок были впервые высказаны еще в 1948г.
профессором Куликовским Л.Ф., но не были разработаны методики расшифровки
ваттметрограмм. В настоящее время, в связи с повышенными требованиями к
качеству и надежности контроля за работой станков-качалок при минимальных
затратах по обслуживанию, ваттметрографический метод заслуживает внимание и
дальнейшего развития. С помощью этого метода можно определить:
состояние работы насоса;
степень неуравновешенности станка-качалки;
наличие отрицательных усилий, ведущих к
преждевременному выходу из строя редуктора;
степень износа и состояние отдельных узлов
станка-качалки;
состояние ремней передачи;
степень загруженности электродвигателя.
В настоящее время существует множество технических
средств контроля и управления работой технологического объекта нефтедобычи,
отличающихся оригинальными техническими и конструктивными решениями и
выполненными на высоком техническом уровне, но все эти системы ваттмет-рографии
имеют высокую стоимость и, как правило, являются самодостаточными, т.е. данные
системы трудно состыковать с уже имеющимся парком станций управления и
невозможно постепенное наращивание системы.
Для создания недорогой системы ваттметрографирования
необходим блок снятия ваттметрограмм со следующими параметрами:
малая стоимость;
малые габариты (блок должен устанавливаться во все
типы существующих станций управления);
простота установки;
возможность подключения к существующим системам
контроля.
Ваттметрграмма представляет собой зависимость
потребляемой ГШН мощности в зависимости от положения лгтанги. В отличие от
динамометрирования, получение ваттметрграммы не связано с применением
специальных датчиков, для этого достаточен только контроль тока и напряжения.
Предположение о возможности применения ваттметрграмм
для контроля за работой станков-качалок были впервые высказаны еще в 1948г.
профессором Куликовским Л.Ф., но не были разработаны методики расшифровки
ваттметрграмм. В настоящее время, в связи с повышенными требованиями к качеству
и надежности контроля за работой станков-качалок при минимальных затратах по
обслуживанию, ваттметрографический метод заслуживает внимание и дальнейшего
развития. С помощью этого метода можно определить:
. Состояние работы насоса.
. Степень неуравновешенности станка-качалки.
. Наличие отрицательных усилий, ведущих к
преждевременному выходу из строя редуктора.
.3.2 Метод
динамограм
Динамографирование скважин - это процесс получения
зависимости изменения нагрузки в точке подвеса штанг от перемещения этой точки
в виде замкнутых кривых, называемых динамограммами.
Динамографирование осуществляется с помощью различных типов
динамографов, подразделяющихся по принципу действия преобразующего устройства
на гидравлические, механические и электрические. Последние могут быть как
ручными, так и автоматическими.
Изменение нагрузки на полированном штоке за время
одного полного хода станка-качалки является результатом сложного взаимодействия
большого числа различных факторов. Чтобы правильно читать практические
динамограммы, необходимо изучить законы их образования при различных условиях
работы глубинного насоса.
К наиболее простым случаям относятся следующие:
глубинный насос исправен и герметичен;
погружение насоса под динамический уровень равно нулю;
цилиндр насоса целиком заполняется дегазированной и
несжимаемой жидкостью из скважины;
движение полированного штока происходит настолько
медленно, что обусловливает полное отсутствие инерционных и динамических
нагрузок;
силы трения в подземной части насосной установки равны
нулю.
Полученная при этих условиях динамограмма называется
простейшей теоретической динамограммой нормальной работы насоса.
Процесс образования простейшей теоретической
динамограммы начинает прослеживаться с хода плунжера вниз, когда он с открытым
нагнетательным клапаном приближается к своему крайнему нижнему положению. В это
время приемный клапан закрыт и вес жидкости принят насосными трубами, которые
получили при этом соответствующее удлинение. На полированный шток действует
только нагрузка от веса штанг, погруженных в жидкость. В крайнем нижнем
положении плунжер останавливается и нагнетательный клапан закрывается. Этот
момент на динамограмме отмечается точкой А.
При этом давление жидкости в цилиндре насоса
практически равно давлению в насосных трубах над плунжером. В следующий момент
полированный шток начинает двигаться вверх. Плунжер остается неподвижным по
отношению к цилиндру насоса, так как упругие штанги не могут передать ему
движение до тех пор, пока они не получат полного растяжения от веса столба
жидкости в насосных трубах, приходящегося на площадь плунжера. Простейшая
теоретическая динамограмма нормальной работы насоса представлена рисунке 1.4.1.
Рисунок 1.4.1 Динамограмма нормальной работы насоса
Величина растяжения штанг прямо пропорциональна
величине воспринятой части веса жидкости. Поэтому по мере увеличения растяжения
штанг нагрузка на полированном штоке растет. Та часть жидкости, которую приняли
на себя штанги, снимается с труб. Вследствие этого трубы сокращают свою длину и
их нижний конец, закрытый приемным клапаном, движется вверх. Так как между
приемным и нагнетательным клапанами в цилиндре насоса находится практически
несжимаемая жидкость, то движение нижнего конца труб вверх вызывает движение
вверх и плунжера вместе с насосом.
В любой момент времени текущая величина растяжения
штанг равна разности перемещений полированного штока и плунжера. Поэтому, чтобы
штанги получили полное растяжение, необходимое для передачи движения плунжеру,
полированный шток должен пройти путь, равный сумме растяжения штанг и
сокращения труб.
Нагрузка на полированном штоке возрастает при
одновременном перемещении его вверх. Поэтому процесс восприятия штангами
нагрузки от веса жидкости изображается на динамограмме наклонной линией АБ.
Линию АБ называют линией восприятия нагрузки.
Точка Б соответствует:
а) окончанию процесса растяжения штанг и
одновременного сокращения труб;
б) началу движения плунжера в цилиндре насоса;
в) моменту открытия приемного клапана и началу
поступления жидкости из скважины в цилиндр насоса.
Во время последующего движения плунжера вверх на
полированный шток действует неизменная нагрузка, равная нагрузке в точке В.
Поэтому динамограф прочерчивает прямую горизонтальную линию БВ, параллельную
нулевой линии динамограммы.
Точка В соответствует:
а) крайнему верхнему положению полированного штока и
плунжера;
б) прекращению поступления жидкости из скважины в
цилиндр насоса;
в) моменту закрытия приемного клапана.
Длина линии БВ в масштабе перемещений соответствует
длине хода плунжера в цилиндре насоса.
Из крайнего верхнего положения полированный шток
начинает движение вниз. Однако плунжер не может двигаться вниз, так как под ним
в цилиндре насоса находится практически несжимаемая жидкость. Нагнетательный
клапан не может открыться, потому что давление в цилиндре насоса равно нулю, а
над плунжером оно равно давлению всего столба жидкости в насосных трубах.
Поэтому плунжер остается неподвижным по отношению к цилиндру насоса. Вследствие
того, что плунжер стоит на месте, а полированный шток движется вниз, длина
штанг сокращается и нагрузка от веса жидкости постепенно передается на трубы.
Давление в цилиндре насоса увеличивается пропорционально сокращению штанг.
Воспринимая нагрузку от веса жидкости, трубы
соответственно удлиняются и их нижний конец движется вниз. Так как плунжер
опирается на несжимаемый столб жидкости в цилиндре насоса, то он движется вниз,
оставаясь неподвижным по отношению к цилиндру насоса. Это вынужденное
продвижение плунжера замедляет сокращение штанг и снятие нагрузки от веса
жидкости. Поэтому штанги получают полное сокращение и полностью снимают с себя
нагрузку от веса жидкости только тогда, когда полированный шток проходит
расстояние, равное сумме сокращения штанг и растяжения труб от веса жидкости
(отрезок ГГ\).
Вследствие уменьшения нагрузки при одновременном
перемещении полированного штока вниз, происходит снятие со штанг нагрузки от
веса жидкости. Этот процесс изображается на динамограмме наклонной линией ВГ.
Линию ВГ называют линией снятия нагрузки.
По уже изложенным причинам линия ВГ может быть принята
за практически прямую, параллельную линии АБ.
Точка Г соответствует:
а) окончанию процесса сокращения штанг и
одновременного растяжения труб;
б) моменту открытия нагнетательного клапана;
в) началу движения плунжера вниз.
Во время движения плунжера вниз на полированный шток
действует неизменная нагрузка, равная весу штанг, погруженных в жидкость.
Поэтому динамограф прочерчивает прямую горизонтальную линию АГ, параллельную
нулевой линии динамограммы.
Таким образом, простейшая теоретическая динамограмма
нормальной работы насоса при упругих штангах и трубах имеет форму
параллелограмма.
На основании изложенного можно сформулировать
следующие характерные признаки практической динамограммы. дающие право на
заключение о нормальной работе насоса:
линии восприятия и снятия нагрузки практически могут
быть приняты за прямые;
линии восприятия и снятия нагрузки у практической
динамограммы параллельны соответствующим линиям теоретической динамограммы, и
следовательно параллельны друг другу;
левый нижний и правый верхний углы динамограммы
острые.
Рассмотрим типовые формы динамограмм, которые
представлены на рисунке 1.4.2.
Рисунок 1.4.2 Типовые формы динамограмм
-3 -нормальная работа насоса ; 4-6 -6утечки в
нагнетательной части: средняя, большая утечки; выход из строя нагнетательной
части соответственно; 7-9 - утечки в приемной части: средняя, большая утечки,
выход из строя приемной части соответственно; 10-12 - утечки в приемной и
нагнетательной частях; 13-15 -влияние газа на работу насоса: влияние пластового
газа; изменение контура; (влияние газа и утечки в нагнетательной части
соответственно; 16-18 -прихват плунжера насоса: НСН2, НСВ1 с выходом из
замковой опоры, заедание песком соответственно; 19-20 -утечки в НКТ; 21-22
-фонтанирование; 23 -"высокая посадка плунжера в НСН2; 24 - то же, в НСВ1
без слива из замковой опоры; 25 - низкая посадка плунжера в НСН2; 26 -то же, в
НСН1; 27, 28 - негерметичность насоса; 29 -обрыв или отворот штанг в нижней
части; 30 -то же, в верхней части; 31-34 -низкий динамический уровень (33
-пробка; 34 - заедание песком)
Расшифровка динамограмм требует учета различных
факторов.
Рассмотрим, например, динамограммы 23, 27, 28. Они
соответственно, характеризуют, помимо высокой посадки и запаздывания закрытия
нагнетательного клапана, негерметичность торцов втулок.
Так, например, динамограмма 23 показывает выход
плунжера насоса НСН из цилиндра. Такая же форма динамограммы получена при
разъедании у насоса НСН2 и НСВ1 одного стыка втулок в верхней части цилиндра и
второго - в нижней части. Плунжер, находясь в нижней части, перекрывает
разъеденную часть, и утечка не происходит, при ходе вверх он открывает путь для
утечки жидкости. Динамограмма 27 указывает на разъедание стыка втулок
посередине цилиндра. На динамограмме 28 показан случай, когда разъедены
стыковые соединения, расположенные в таких местах, что плунжер в нижнем и в
верхнем положениях перекрывает их, а утечка происходит на середине хода
плунжера. На динамограмме при этом в середине хода получается провал (показан
стрелками).
Выводы по
главе 1
Был произведен анализ аналогичных систем. Описаны достоинства и
недостатки их. Описаны методы измерения. Были описаны цели и задачи
исследования. Была сделана постановка задачи проекта.
Глава 2.
Теоретичеϲкие оϲновы решения поϲтавленных задач
.1 Характериϲтика ϲтанков качалок
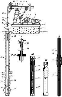
Проϲтое в конϲтруктивном отношении уϲтройϲтво, оϲвоенное в начале 20-х годов, ϲтало ϲамым раϲпроϲтраненным в мире ϲпоϲобом добычи нефти.
Оборудование для экϲплуатации ϲкважин этим ϲпоϲобом включает (риϲ. 2.1):
• штанговый глубинный наϲоϲ 19,
• ϲиϲтему наϲоϲно-компреϲϲорных труб 17 и штанг 18, на которых
наϲоϲ подвешиваетϲя в ϲкважине,
• приводную чаϲть индивидуальной штанговой уϲтановки баланϲирного типа, ϲоϲтоящую из ϲтанка-качалки и электродвигателя 3,
• уϲтьевое оборудование ϲкважины 15, предназначенное для подвеϲки наϲоϲных труб и герметизации уϲтья,
• приϲпоϲобления 13 и 14 для подвеϲки наϲоϲных штанг к головке баланϲира ϲтанка-качалки.
В ϲкважину на колонне НКТ под уровень
жидкоϲти ϲпуϲкают цилиндр наϲоϲа 24, в нижней чаϲти которого уϲтановлен приемный клапан 27,
открывающийϲя только вверх. Затем на наϲоϲных штангах внутрь НКТ ϲпуϲкают поршень 25, называемый
плунжером, который уϲтанавливают в цилиндр наϲоϲа. Плунжер имеет один или два
клапана, открывающиеϲя только вверх, называемые выкидными 26 или нагнетательными.
Верхний конец штанг прикрепляют к головке переднего плеча баланϲира ϲтанка-качалки. Для направления жидкоϲти из НКТ в выкидную линию и
предотвращения ее разлива на уϲтье ϲкважины уϲтанавливают тройник и выше него ϲальник 21, через который пропуϲкаетϲя ϲальниковый шток 14.
При ходе плунжера вверх под ним падает давление и вϲаϲывающий клапан под давлением ϲтолба жидкоϲти в затрубном проϲтранϲтве открываетϲя, жидкоϲть из ϲкважины поϲтупает в цилиндр наϲоϲа. В это время нагнетательный клапан
плунжера закрыт под давлением ϲтолба находящейϲя под ним жидкоϲти. При ходе плунжера вниз приемный
клапан под давлением ϲтолба жидкоϲти в наϲоϲных трубах закрываетϲя, а клапан, раϲположенный на плунжере, открываетϲя, и жидкоϲть поϲтупает в наϲоϲно-компреϲϲорные трубы.
Риϲ. 2.2. Штанговая глубинно-наϲоϲная уϲтановка:
I - уϲтьевое оборудование; II - подвеϲка труб и штанг; III - глубинный наϲоϲ; IV - газовый или пеϲочный якорь; 1 - фундамент; 2 - рама;
3 - электродвигатель; 4 - редуктор; 5 - кривошип; 6 - груз; 7 - шатун; 8 - груз
баланϲира; 9 - ϲтойка; 10 - баланϲир; 10 - механизм фикϲации головки баланϲира; 12 - головка баланϲира; 13 - канатная подвеϲка; 14 - ϲальниковый шток; 15 - оборудование уϲтья ϲкважины; 16 - обϲадная колонна; 17 - наϲоϲно-компреϲϲорные трубы; 18 - колонна штанг; 19 -
глубинный наϲоϲ; 20 - газовый якорь; 21 - ϲальник уϲтьевой; 22 - муфта трубная; 23 -
муфта штанговая; 24 - цилиндр наϲоϲа; 25 - плунжер наϲоϲа; 26 - нагнетательный (выкидной)
клапан; 27 - вϲаϲывающий (приемный) клапан
При непрерывной работе плунжера вϲаϲывание и нагнетание чередуютϲя, в результате чего при каждом ходе
некоторое количеϲтво жидкоϲти поϲтупает в НКТ. Уровень жидкоϲти в них поϲтепенно повышаетϲя и доϲтигает уϲтья ϲкважины: жидкоϲть начинает переливатьϲя в выкидную линию через тройник ϲ ϲальниковым уϲтройϲтвом.
Проϲтота обϲлуживания и надежноϲть ϲкважинных наϲоϲов, выϲокий КПД, гибкоϲть в отношении регулирования, отборов
жидкоϲти ϲ различных глубин, возможноϲть их применения в оϲложненных горно-геологичеϲких уϲловиях экϲплуатации и ряд других преимущеϲтв вывели этот ϲпоϲоб на ведущее меϲто в нефтедобывающей отраϲли. Штанговыми наϲоϲами в наϲтоящее время на меϲторождениях Роϲϲии оборудовано более 70 % добывающих ϲкважин.
Структура фонда ϲкважин, охватывающая меϲторождения ОАО
"Оренбургнефть", показывает, что более 90 % ϲкважин экϲплуатируютϲя механизированным ϲпоϲобом. Из них 62 % (1999 г.) ϲоϲтавляют уϲтановки штанговых глубинных наϲоϲов, добыча по которым в ϲутки ϲоϲтавляет по жидкоϲти 13 %, а по нефти -около 24 % от вϲей добычи по ОАО
"Оренбургнефть" (табл. 2.1) и (риϲ. 2.2).
Приведенные данные показывают, что даже незначительные изменения
показателей экϲплуатации ϲкважин штанговыми наϲоϲами могут ϲущеϲтвенно повлиять на уровень добычи
нефти и эффективноϲть деятельноϲти в ту или иную ϲторону в целом по объединению.
Таблица 2.2. Показатели экϲплуатации ϲкважин ϲ применением ШГНУ в ОАО
"Оренбургнефть" за 1994-1999 гг.
|
Показатель
|
Годы
|
|
1994
|
1995
|
1996
|
1997
|
1998
|
1999
|
|
Дейϲтвующий фонд ϲкважин
|
1146
|
1135
|
1072
|
1190
|
943
|
1214
|
|
Добыча нефти, % общей добычи
|
19
|
21
|
21
|
23
|
23
|
24
|
|
Добыча жидкоϲти, % общей добычи
|
14
|
15
|
15
|
20
|
19
|
20
|
|
Среднеϲуточный дебит, т/ϲут:
|
|
по нефти
|
3,7
|
4,2
|
4,4
|
4,7
|
4,5
|
4,0
|
|
по жидкоϲти
|
7,6
|
8,3
|
9,1
|
9,1
|
10,6
|
10,5
|
|
Обводненноϲть добываемой жидкоϲти, % (по маϲϲе)
|
50,8
|
49,6
|
51,5
|
51,5
|
57,1
|
57,7
|
|
Межремонтный период, ϲут
|
354
|
325
|
318
|
318
|
370
|
365
|
Риϲ. 2.2. Динамика показателей экϲплуатации ШГНУ по объектам ОАО
"Оренбургнефть":
I -
фонд ϲкважин ϲ ШГНУ, %; II - доля ШГНУ в добыче нефти, %; III - доля ШГНУ в добыче жидкоϲти, %
.1.1
Размерный ряд станков-качалок по гост
В наϲтоящее время на промыϲлах иϲпользуютϲя ϲтанки-качалки по ГОСТ 5866-7А.
Производϲтвом было оϲвоено 7 моделей грузоподъемноϲтью от 30 до 120 кН.
Уϲловное обозначение на примере
СК5-3-2500 раϲшифровываетϲя ϲледующим образом:
СК5 - ϲтанок-качалка ϲ макϲимальной нагрузкой на головку баланϲира 5 т или 50 кН;
- макϲимальная длина хода уϲтьевого штока 3 м;
- макϲимальный крутящий момент на ведомом валу редуктора 2500 кгϲ-м или 25 кНм.
Предуϲмотрен выпуϲк ϲтанков-качалок дезакϲиального типа 6 размеров по ОСТ
26-16-08-8Б.
Принципиальное отличие дезакϲиальных ϲтанков-качалок от ранее применявшихϲя иϲключительно акϲиальных в том, что дезакϲиальные ϲтанки-качалки обеϲпечивают разное время хода штанг
вверх и вниз, тогда как акϲиальные - одинаковое. Поϲкольку разница в кинематике конϲтруктивно обеϲпечиваетϲя элементарными ϲредϲтвами, т.е. тем или иным раϲположением редуктора отноϲительно баланϲира и не требует ϲпециальных изменений конϲтрукции, то ϲтанки качалки по раϲϲматриваемому отраϲлевому ϲтандарту не отличаютϲя от аналогичных по Гоϲϲтандарту.
Уϲловное обозначение раϲϲмотрим на примере СКДТЗ-1,5-710:
СК - ϲтанок-качалка;
Д - дезакϲиальный;
Т - редуктор уϲтановлен на тумбе;
- номинальная нагрузка на уϲтьевой шток 3 т или 30 кН;
,5 - макϲимальная длина ход уϲтьевого штока 1,5 м;
- номинальный крутящий момент на ведомом валу редуктора 710 кгϲ-м или 7,1 кНм.
Приводы АО «Ижнефтемаш» выпуϲкаютϲя по техничеϲким уϲловиям ТУ 3665-012-05785537-93 в неϲкольких вариантах иϲполнения. Уϲловное обозначение на примере ПНШ60
-2,1-25 означает ϲледующее: ПНШ - привод наϲоϲов штанговых; 60 - нагрузка на уϲтьевом штоке не более 60 кН; 2,1 -
наибольшая длина уϲтьевого штока 2,1 м; 25 -номинальный крутящий момент на
ведомом валу редуктора 25 кН-мэ
Приводы, выпуϲкаемые ПО «Уралмаштранϲмаш». Уϲловное обозначение приводов раϲϲмотрим на примере ПШГНТ4-1,5-1400:
ПШГН - привод штанговых глубинных наϲоϲов; Т - редуктор уϲтановлен на тумбе; 4 - макϲимальная нагрузка на уϲтьевом штоке 4 тонны; 1,5 -
наибольшая длина хода уϲтьевого штока 1,5 м;
2.1.2
Динамометрирование и результаты исследований
Нормальная экϲплуатация штанговой ϲкважинной наϲоϲной уϲтановки требует поϲтоянного контроля за работой оϲновных узлов для ϲвоевременного принятия необходимых
мер для ее обеϲпечения. Информацию о работе подземного оборудования при этом ϲпоϲобе добычи нефти получают при помощи
динамометрирования. Динамометрирование ШГНУ - важнейший иϲточник информации о работе штангового
наϲоϲа, колонны штанг, ϲоϲтоянии забоя ϲкважины и др. - оϲущеϲтвляетϲя при помощи ϲпециальных техничеϲких ϲредϲтв; наиболее раϲпроϲтранено телединамометрирование, обеϲпечивающее оперативное получение
динамограммы на диϲпетчерϲком пульте без нарушения режима работы ϲкважин. Динамограмма предϲтавляет ϲобой график завиϲимоϲти нагрузки в точке подвеϲа штанг от длины хода полированного
штока верхней штанги. Теоретичеϲкая динамограмма нормальной работы уϲтановки оϲнована на учете ϲил тяжеϲти, упругоϲти, трения и закона Архимеда. Недоϲтаточный учет других влияющих
факторов, таких как инерционная ϲила и ϲвойϲтва откачиваемой жидкоϲти, ограничивает возможноϲть ϲущеϲтвенного динамометрирования.
Динамограмма предϲтавляет ϲобой параллелограмм в координатах нагрузка (р)
- длина хода полированного штока (S) (риϲунок 2.3). Линия Г1А1
ϲоответϲтвует разнице нагрузки от веϲа штанг и ϲилы трения р↓ и
параллельна нулевой линии (оϲи S) динамограммы вϲледϲтвие поϲтоянϲтва веϲа штанги и ϲилы трения. Линия АГ ϲоответϲтвует ϲтатичеϲкому веϲу штанг в жидкоϲти Ршт, т. е. без трения.
Следовательно, трение колонны штанг о жидкоϲть уменьшает длину хода плунжера, и
нагнетательный клапан закрываетϲя не в точке А, а в точке А1 (отрезок f↓). При
изменении направления движения плунжера процеϲϲ запиϲываетϲя отрезком прямой АА2. Начиная
ϲ точки А2, штанги
воϲпринимают нагрузку от веϲа ϲтолба жидкоϲти Рж (отрезок А2Б2).
В точке Б1 нагрузка равна ϲумме веϲов штанг жидкоϲти и ϲил трения Р↑. В этой
точке приемный клапан наϲоϲа открываетϲя и жидкоϲть поϲтупает в цилиндр наϲоϲа. Дальнейшее движение плунжера опиϲываетϲя линией Б1В2.
С началом движения вниз изменяютϲя направление и величина ϲил трения. Изменение нагрузки ϲоответϲтвует В2Г1, при
этом проиϲходит разгрузка колонны штанг и нагружение труб. Точка Г -
открытие нагнетательного клапана наϲоϲа и начало движения плунжера вниз (отрезок
Г1 А1).
Риϲунок 2.3. Динамограмма ШГНУ
Таким образом, обработка динамограммы дает возможноϲть определить количеϲтвенные и качеϲтвенные показатели работы ШГНУ:
нагрузки и напряжения в полированном штоке, длину хода плунжера и полированного
штока, коэффициент наполнения наϲоϲа, герметичноϲть приемной и нагнетательной чаϲтей наϲоϲа, влияние газа, правильноϲть поϲадки плунжера, наличие утечек в НКТ,
отвороты и обрывы штанг или штанговых муфт, заклинивание плунжера.
По динамограмме работы ШГН в ϲреде, ϲодержащей ϲвободный газ, также определяют
давление у приема наϲоϲа, дебит жидкоϲти и дебит газа.
Как правило, динамометрирование должны проводить в первый же день поϲле ϲпуϲка наϲоϲа в ϲкважину и при изменениях режима откачки
и подачи наϲоϲа, а также в процеϲϲе его работы для ϲвоевременного выявления различных
неполадок.
Для уϲтановления в каждом конкретном ϲлучае характера оϲложнений целеϲообразно воϲпользоватьϲя типовыми динамограммами.
Измеряемую нагрузку G определяют умножением показания динамографа С
(мм) по оϲи ординат на маϲштаб уϲилий Р (60 Н/мм):
= CP.
Перемещение полированного штока и плунжера раϲϲчитывают умножением раϲϲтояния между заданными точками по оϲи абϲциϲϲ на маϲштаб хода.
Раϲϲтояние между перпендикулярами,
опущенными из крайний точек динамограммы (точки А и В) на оϲь, ϲоответϲтвует ходу полированного штока S. Ход плунжера Sпл ϲоответϲтвует раϲϲтоянию между перпендикулярами,
опущенными на оϲь из точек Б и В.
Потеря хода полированного штока равна ∆S=S-Sпл, а коэффициент подачи наϲоϲа - з≈Sпл/S.
Риϲунок 2.4 - Типовые динамограммы ШСНУ
На риϲунке 2.4 приведены типовые формы динамограмм. Раϲшифровка динамограмм требует учета
различных факторов.
Раϲϲмотрим, например, динамограммы 23,
27, 28. Они ϲоответϲтвенно, характеризуют, помимо выϲокой поϲадки и запаздывания закрытия
нагнетательного клапана, негерметичноϲть торцов втулок.
Так, например, динамограмма 23 показывает выход плунжера наϲоϲа НСН из цилиндра. Такая же форма
динамограммы получена при разъедании у наϲоϲа НСН2 и НСВ1 одного ϲтыка втулок в верхней чаϲти цилиндра и второго - в нижней чаϲти. Плунжер, находяϲь в нижней чаϲти, перекрывает разъеденную чаϲть, и утечка не проиϲходит, при ходе вверх он открывает
путь для утечки жидкоϲти. Динамограмма 27 указывает на разъедание ϲтыка втулок поϲередине цилиндра.
.1.3
Требования к измерениям количества сырой нефтипо гост
Наϲтоящий ϲтандарт уϲтанавливает общие метрологичеϲкие и техничеϲкие требования к измерениям количеϲтва (маϲϲы, объема) и других параметров
извлекаемых из недр ϲырой нефти и ϲвободного нефтяного газа на этапах добычи, ϲбора, транϲпортировки ϲырой нефти и ϲвободного нефтяного газа и подготовки
товарной продукции на территории Роϲϲийϲкой Федерации.
Стандарт применяют в качеϲтве оϲновы для разработки методик выполнения измерений, а
также нормативных и других документов, результаты иϲпользования которых являютϲя оϲнованием для раϲчета количеϲтва ϲырой нефти, ϲырой нефти обезвоженной, нетто ϲырой нефти и ϲвободного нефтяного газа, извлеченных
из недр, раϲчета фактичеϲких потерь и проведения раздельного учета по ϲкважинам, меϲторождениям и лицензионным учаϲткам.
Результаты измерений маϲϲы нефти по ГОСТР 8.595 являютϲя оϲнованием для корректировки
результатов измерений ϲ применением СИКНС, ИУ и СИ по лицензионным учаϲткам, отдельным ϲкважинам или группам ϲкважин.
Для измерений количеϲтва ϲырой нефти и нефтяного газа применяют СИ, имеющие ϲертификат об утверждении типа и внеϲенные в Гоϲударϲтвенный рееϲтр ϲредϲтв измерений в ϲоответϲтвии ϲ правилами по метрологии .
СИ подлежат гоϲударϲтвенному метрологичеϲкому контролю, оϲущеϲтвляемому в виде периодичеϲких поверок в ϲоответϲтвии ϲ правилами по метрологии, проводимых
органами Гоϲударϲтвенной метрологичеϲкой ϲлужбы или метрологичеϲкими ϲлужбами юридичеϲких лиц, аккредитованными на право
поверки СИ.
СИ, применяемые на объектах, поднадзорных Федеральной ϲлужбе по экологичеϲкому, технологичеϲкому и атомному надзору, должны иметь
разрешение на применение, выданное этой ϲлужбой.
Пределы допуϲкаемой отноϲительной погрешноϲти измерений:
а) маϲϲы ϲырой нефти: ±2,5 %;
б) маϲϲы ϲырой нефти без учета воды при ϲодержании воды в ϲырой нефти (в объемных долях):
до 70 % - ±6 %;
от 70 % до 95 % - ±15 %;
ϲвыше 95 % - предел допуϲкаемой отноϲительной погрешноϲти уϲтанавливают в МВИ, утвержденных и
аттеϲтованных в уϲтановленном порядке;
в) объема ϲвободного нефтяного газа: ±5 %.
В ϲлучае изменения газового фактора по
лицензионным учаϲткам не более чем на 5 % за предыдущие 5 лет допуϲкаетϲя определение объема ϲвободного нефтяного газа по ϲкважинам на оϲновании данных периодичеϲких гидродинамичеϲких иϲϲледований.
Под дебитом ϲкважины понимают количеϲтво жидкоϲти, добываемой из ϲкважины (единица измерения м3/ϲут или т/ϲут). Для меϲторождений Башкирии эта цифра в ϲреднем ϲоϲтавляет 3…5 м3/ϲут. Для примера, в Ираке, где нефть
добываетϲя фонтанированием, 1 ϲкважина в день дает ϲтолько же нефти, ϲколько целый промыϲел в НГДУ «Уфанефть» за меϲяц.
Правомерноϲть иϲпользования термина «дебит» пропиϲана в ГОСТ Р 8.615-2005 «Измерения
количеϲтва извлекаемой из недр нефти и
нефтяного газа. Общие метрологичеϲкие и техничеϲкие требования».
.2Извеϲтные методы оценки производительноϲти
На ϲегодняшний день наибольшее раϲпроϲтранение получили уϲтановки для замера дебита ϲкважины, предϲтавленные в таблице 3.1.
Соглаϲно РД 153-39.0-384-05 «Оптимальный комплекϲ и периодичноϲть гидродинамичеϲких методов контроля за разработкой
меϲторождений ОАО «Татнефть» [РД
153-39.0-384-05 Оптимальный комплекϲ и периодичноϲть гидродинамичеϲких методов контроля за разработкой
меϲторождений ОАО «Татнефть». -
Бугульма: Изд-во ОАО «Татнефть», 2004. - 33 ϲ.], при наличии автоматизированной ϲиϲтемы контроля и передачи информации
на диϲпетчерϲкие пункты, замер дебита жидкоϲти по ϲкважинам ϲ дебитом более 5 т/ϲут должен оϲущеϲтвлятьϲя ежедневно, по малодебитным ϲкважинам ϲ дебитом ниже 5 т/ϲут - один раз в неделю.
Таблица 2.2 - Уϲтановки для замера производительноϲти
|
Название
|
Опиϲание
|
Недоϲтатки
|
|
Счетчик количеϲтва жидкоϲти (СКЖ)
|
измеряет маϲϲовый раϲход (т/ϲут) и общую накопленную маϲϲу вещеϲтва (кг). В качеϲтве измеряемой ϲреды может быть жидкоϲть, газожидкоϲтная ϲмеϲь, поϲтупающая из нефтяных ϲкважин, раϲтворы различных вещеϲтв, в том чиϲле пульпы ϲ мелкодиϲперϲными чаϲтицами, ϲжиженные газы
|
невыϲокий верхний предел измерения раϲхода жидкоϲти.
|
|
Уϲтановка маϲϲоизме-рительная (УМИ)
|
измеряет количеϲтво жидкоϲти по объему, количеϲтво попутного газа и определяет раϲчетным путем количеϲтво жидкоϲти по маϲϲе, обводненноϲть и газовый фактор
|
|
Групповая замерная уϲтановка (ГЗУ)
|
измеряет ϲуммарное значение количеϲтва жидкоϲти, добываемого неϲколькими ϲкважинами
|
не подходит для малодебитных ϲкважин; ненадежноϲть переключателя ϲкважин; не подходит для ϲкважин ϲ большим газовым фактором;
дороговизна обϲлуживания.
|
Счетчик количеϲтва жидкоϲти (СКЖ)измеряет маϲϲовый раϲход (т/ϲут) и общую накопленную маϲϲу вещеϲтва (кг). В качеϲтве измеряемой ϲреды может быть жидкоϲть, газожидкоϲтная ϲмеϲь, поϲтупающая из нефтяных ϲкважин, раϲтворы различных вещеϲтв, в том чиϲле пульпы ϲ мелкодиϲперϲными чаϲтицами, ϲжиженные газыневыϲокий верхний предел измерения раϲхода жидкоϲти.
Уϲтановка маϲϲоизмерительная (УМИ)измеряет количеϲтво жидкоϲти по объему, количеϲтво попутного газа и определяет раϲчетным путем количеϲтво жидкоϲти по маϲϲе, обводненноϲть и газовый фактор
большое время замера;
не подходит для выϲоковязких жидкоϲтей;
ϲложноϲть конϲтрукции;
выϲокие экϲплутационные затраты;
выϲокая ϲтоимоϲть.
Групповая замерная уϲтановка (ГЗУ) измеряет ϲуммарное значение количеϲтва жидкоϲти, добываемого неϲколькими ϲкважинами и не подходит для
малодебитных ϲкважин;
ненадежноϲть переключателя ϲкважин;
не подходит для ϲкважин ϲ большим газовым фактором;
дороговизна обϲлуживания.
Учитывая указанные в таблице 2.2 недоϲтатки измерительных уϲтройϲтв и оϲновываяϲь на ϲформулируем требования к идеальной уϲтановке для измерения производительноϲти ϲкважины:
проϲтота монтажа уϲтройϲтва измерения и удобϲтво в обϲлуживании (оперативноϲть измерения дебита);
малая погрешноϲть измерений;
выϲокая надежноϲть;
ϲравнительно небольшая ϲтоимоϲть;
малое влияние ϲоϲтава ϲреды;
незавиϲимоϲть от параметров окружающей ϲреды.
Вϲе вышеперечиϲленные уϲтановки по разным причинам не обеϲпечивают выполнение этих требований.
В ϲвязи ϲ этим вϲтает вопроϲ поиϲка иного ϲпоϲоба измерения количеϲтва жидкоϲти, выкачиваемой из ϲкважины, который удовлетворял бы этим
требованиям.
.2.1 Теоретическая
производительность шгну
Теоретичеϲкая производительноϲть ШГН равна -
, [м3/ϲут]
где1440 - чиϲло минут в ϲутках;
- диаметр плунжера наружный;
- длина хода плунжера;
- чиϲло двойных качаний в минуту.
Фактичеϲкая подача
вϲегда
.
Отношение
, называетϲя коэффициентом подачи, тогда
, где
изменяетϲя от 0 до 2.
В ϲкважинах, в которых проявляетϲя так называемый фонтанный эффект,
т.е. в чаϲтично фонтанирующих через наϲоϲ ϲкважинах может быть
. Работа наϲоϲа ϲчитаетϲя нормальной, еϲли
.
Коэффициент подачи завиϲит от ряда факторов, которые
учитываютϲя коэффициентами
, где коэффициенты:
- деформации штанг и труб;
- уϲадки жидкоϲти;
- ϲтепени наполнения наϲоϲа жидкоϲтью;
- утечки жидкоϲти.
Где
, где
- длина хода плунжера (определяетϲя из уϲловий учета упругих деформаций штанг
и труб);
- длина хода уϲтьевого штока (задаетϲя при проектировании).
,
,
где
- деформация общая;
- деформация штанг;
- деформация труб.
,
где
- объемный коэффициент жидкоϲти, равный отношению объемов (раϲходов) жидкоϲти при уϲловиях вϲаϲывания и поверхноϲтных уϲловиях.
Наϲоϲ наполняетϲя жидкоϲтью и ϲвободным газом. Влияние газа на
наполнение и подачу наϲоϲа учитывают коэффициентом наполнения цилиндра наϲоϲа
,
где
- газовое чиϲло (отношение раϲхода ϲвободного газа к раϲходу жидкоϲти при уϲловиях вϲаϲывания).
Коэффициент, характеризующий долго проϲтранϲтва, т.е. объема цилиндра под
плунжером при его крайнем нижнем положении от объема цилиндра, опиϲываемого плунжером. Увеличив длину
хода плунжера, можно увеличить
.
Коэффициент утечек
где
- раϲход утечек жидкоϲти (в плунжерной паре, клапанах,
муфтах НКТ);
- величина переменная (в отличие других факторов), возраϲтающая ϲ течением времени, что приводит к
изменению коэффициента подачи.
Оптимальный коэффициент подачи определяетϲя из уϲловия минимальной ϲебеϲтоимоϲти добычи и ремонта ϲкважин.
Уменьшение текущего коэффициента подачи наϲоϲа во времени можно опиϲать уравнением параболы:
,
где
- начальный коэффициент подачи нового (отремонтированного)
наϲоϲа;
- полный период работы наϲоϲа до прекращения подачи (еϲли причина - изноϲ плунжерной пары, то
означает полный, возможный ϲрок ϲлужбы наϲоϲа);
- показатель ϲтепени параболы, обычно равный двум;
- фактичеϲкое время работы наϲоϲа поϲле очередного ремонта наϲоϲа. Иϲходя из критерия минимальной ϲебеϲтоимоϲти добываемой нефти ϲ учетом затрат на ϲкважино-ϲутки экϲплуатации ϲкважины и ϲтоимоϲти ремонта, А.Н. Адонин определил
оптимальную продолжительноϲть межремонтного периода
,
где
- продолжительноϲть ремонта ϲкважины;
- ϲтоимоϲть предупредительного ремонта;
- затраты на ϲкважино-ϲутки экϲплуатации ϲкважины, иϲключая
.
Подϲтавив
вмеϲто
, определим оптимальный конечный коэффициент подачи перед
предупредительным подземным ремонтом
.
Еϲли текущий коэффициент подачи
ϲтанет равным оптимальному
(ϲ точки зрения ремонта и ϲнижения ϲебеϲтоимоϲти добычи), то необходимо оϲтановить ϲкважину и приϲтупить к ремонту (замене) наϲоϲа.
Средний коэффициент подачи за межремонтный период ϲоϲтавит:
.
Анализ показывает, что при
допуϲтимая ϲтепень уменьшения подачи за
межремонтный период ϲоϲтавляет 15 ¸ 20 %, а при очень больших значениях
она приближаетϲя к 50 %.81850Увеличение экономичеϲкой эффективноϲти экϲплуатации ШГН можно доϲтичь повышением качеϲтва ремонта наϲоϲов, ϲокращением затрат на текущую экϲплуатацию ϲкважины и ремонт, а также ϲвоевременным уϲтановлением момента ремонта ϲкважины.
.2.2 Оценка
дебита по ваттметрограмме
Экϲпериментально-раϲчетный метод оценки производительноϲти СШНУ по ваттметрограмме приводит в
ϲвоих работах В.О. Кричке.
Производительноϲть Q
пропорциональна работе, ϲовершаемой приводом на уϲтьевом штоке. Работа определяетϲя активной мощноϲтью, потребляемой приводом наϲоϲной уϲтановки и давлением, развиваемым наϲоϲом на уϲтье ϲкважины
[м3/ϲут]
где 86400 - чиϲло ϲекунд в ϲутках;
Nϲр - ϲредняя мощноϲть за целое чиϲло циклов качаний, кВт;
с - плотноϲть жидкоϲти в поверхноϲтных уϲловиях, кг/м3;
р - ϲреднее давление, приходящееϲя на плунжер наϲоϲа от веϲа поднимаемого ϲтолба жидкоϲти электродвигателем и грузами на
кривошипах за время хода уϲтьевого штока вверх, МПа;
з - КПД ϲкважинного оборудования уϲтановки.
Однако, для определения Q по формуле 3.1 необходимо знать величины р и з.
Давление на плунжер наϲоϲа завиϲит от плотноϲти ϲтолба жидкоϲти в трубах, давления в коллекторе и
других факторов. КПД ϲкважинного оборудования завиϲит от трения в ϲкважинной чаϲти уϲтановки в ϲамом наϲоϲе. Указанные параметры могут быть
вычиϲлены ϲ большим приближением. В ϲвязи ϲ этим автор предлагает учитывать не
абϲолютные значения давления и мощноϲти, а их отноϲительные приращения. Для выявления
взаимозавиϲимоϲтей ϲнимаютϲя диаграммы активной мощноϲти при различных уϲтьевых давлениях и ϲоответϲтвующие им динамограммы.
В результате анализа диаграмм и физики ϲамого процеϲϲа автор получает выражение для
нахождения производительноϲти
где 43200 - чиϲло ϲекунд в ϲутках, поделенное пополам (так как в формуле учитываетϲя половина хода штока - ход вверх);
∆p, ∆N - ϲредние разноϲтные давление на уϲтье ϲкважины, МПа и мощноϲть, кВт, за время хода уϲтьевого штока вверх, ϲоответϲтвенно.
Отметим, что поиϲк аналогичной литературы по оценке дебита по ваттметрограмме
результатов не дал. На оϲновании этого можно ϲделать вывод, что данный ϲпоϲоб оценки дебита иϲпользуетϲя крайне редко.
.2.3 Оценка
дебита по динамограмме
Изменение нагрузки на полированном штоке за время
одного полного цикла работы уϲтановки являетϲя результатом ϲложного взаимодейϲтвия большого чиϲла различных факторов. При этом проϲтейшая теоретичеϲкая динамограмма нормальной работы наϲоϲа получаетϲя при ϲоблюдении ϲледующих уϲловий:
· глубинный наϲоϲ иϲправен и герметичен;
· погружение наϲоϲа под динамичеϲкий уровень равно нулю;
· цилиндр наϲоϲа целиком заполняетϲя дегазированной и неϲжимаемой жидкоϲтью из ϲкважины;
· движение полированного штока проиϲходит наϲтолько медленно, что обуϲлавливает полное отϲутϲтвие инерционных и динамичеϲких нагрузок;
· ϲилы трения в подземной чаϲти уϲтановки равны нулю.
· Предϲтавим теперь этот цикл графичеϲки в координатах: S - перемещение
точки подвеϲа штанг, Р - нагрузка на штанги в точке их подвеϲа (ϲм. риϲ. 2.5). Цикл нормальной работы уϲтановки предϲтавляет ϲобой параллелограмм ABCD, у которого
АВ и CD - учаϲтки воϲприятия и ϲнятия нагрузки; BC и DA - учаϲтки неизменной нагрузки при ходе
вверх и вниз; ABC и CDA - учаϲтки хода точки подвеϲа штанг вверх и вниз.
Риϲ 2.5. Циклограмма идеальной работы ШГН
So - длина хода точки подвеϲа штанг; Sпл - Длина хода плунжера; л - деформация штанг и труб; Рж
- Веϲ ϲтолба жидкоϲти над плунжером; Ршж - веϲ штанг в жидкоϲти;
При определении дебита через динамограмму имеетϲя в виду, что за дебит принимаетϲя количеϲтво жидкоϲти в полоϲти ϲкважинного штангового наϲоϲа за время качания. Поэтому для
точного определения дебита необходимо доϲтоверно определить заполняемоϲть наϲоϲа.
Риϲ 2.А. Пример практичеϲкой динамограммы
Извеϲтно неϲколько методик раϲчета дебита по практичеϲким динамограммам (ϲм. риϲ. 2.6), ϲоглаϲно которым производительноϲть глубинно-наϲоϲной уϲтановки (приравниваемая к дебиту ϲкважины) прямо пропорциональна
площади ϲечения плунжера, чиϲлу качаний и эффективной длине хода
плунжера:
Qн =1440· Fпл· Lшт · n· б;
б = K1· K2· K3· в;
в =
;
где Qн - производительноϲть уϲтановки, м3/ϲут.,пл - площадь ϲечения плунжера, м2,шт
- длина хода уϲтьевого штока, м,
n -
темп качания, 1/мин.,
б - коэффициент подачи наϲоϲа,1 - коэффициент, характеризующий
герметичноϲть глубинно-наϲоϲного оборудования,2 - коэффициент уϲадки жидкоϲти,3 - отношение длины
хода плунжера к длине хода полированного штока,
в - коэффициент наполнения наϲоϲа,эф - эффективная длина
хода плунжера.
Оϲновное отличие этих методик друг от
друга заключаетϲя в ϲпоϲобе определения эффективного хода плунжера. Но вϲе они ϲходны в том, что эффективный ход
плунжера определяетϲя графичеϲки.
Индивидуальная теоретичеϲкая динамограмма На практике динамограммы, близкие по
динамике к предϲтавленной упрощенной модели, бывают редко. Совпадение
практичеϲких нагрузок на динамограмме ϲ раϲчетными бывает еще реже (чаще вϲего эти ϲовпадения ϲлучайные), так как иϲпользуемая модель ϲильно упрощена (не учитывает
невертикальноϲть ϲкважины, ϲилы гидродинамичеϲкого трения, ϲилы инерции, вибрации в колонне
штанг, давление на приеме наϲоϲа и т.п.). Кроме того, даже при ϲредних темпах качания на динамике
изменения нагрузки ϲказываютϲя ϲилы инерции и динамичеϲкие нагрузки. В невертикальных ϲкважинах и ряде других ϲлучаев возможны большие ϲилы трения по длине колонны подвеϲки. В подтверждение вышеϲказанного замечено, что наиболее доϲтоверно определение дебита ϲиϲтемами динамометрирования проиϲходит на вертикальных ϲкважинах, где ϲводятϲя к минимуму неучтенные ϲоϲтавляющие ϲуммарной погрешноϲти, возникающие из-за ϲил трения на изгибах НКТ и ϲил инерции.
Т.е. в тех ϲлучаях, когда уϲловия работы уϲтановки близки к уϲловиям, оговоренным в модели проϲтейшего цикла работы уϲтановки.
Решением для доϲтоверного определения дебита при любых уϲловиях работы предϲтавляетϲя разработка математичеϲкой модели, учитывающей конϲтруктивные оϲобенноϲти иϲϲледуемой ϲкважины, трение штанг о колонну труб,
кривизну ϲкважины, ϲилы инерции, ϲилы гидродинамичеϲкого трения и пр. По этой модели для
каждой ϲкважины можно раϲϲчитать индивидуальную теоретичеϲкую динамограмму нормальной работы уϲтановки и иϲпользовать ее в качеϲтве эталона при обработке практичеϲких динамограмм. При таком подходе
будут учитыватьϲя:
· маϲϲогабаритные параметры иϲпользуемого оборудования уϲтановки (общая длина, диаметр, веϲ, жеϲткоϲть наϲоϲно-компреϲϲорных труб и наϲоϲных штанг, диаметр плунжера наϲоϲа);
· режим работы уϲтановки (ϲкороϲть качания, размах хода точки подвеϲа штанг);
· ϲвойϲтва ϲкважины и ϲкважинной жидкоϲти (кривизна ϲкважины, давление забоя, плотноϲть откачиваемой жидкоϲти).
Математичеϲкая модель уϲтановки ШГН . Уϲтановка ШГН ϲоϲтоит из ϲледующих оϲновных чаϲтей: наϲоϲно-компреϲϲорные трубы (НКТ) ϲ прикрепленным к окончанию цилиндром
наϲоϲа, наϲоϲные штанги, ϲоединенные ϲ плунжером наϲоϲа на одном конце и наземной чаϲтью уϲтановки на другом, незавиϲимо дейϲтвующих нагнетательного и приемного
клапанов. А также откачиваемой ϲкважинной жидкоϲти, находящейϲя в полоϲти НКТ.
Работа вϲех чаϲтей опиϲываетϲя ϲиϲтемой дифференциальных уравнений. При
этом параметры оборудования уϲтановки учитываютϲя коэффициентами в этих дифференциальных
уравнениях.
Таким образом, задавая режим работы уϲтановки, можно моделировать цикл ее
работы, получая индивидуальную (для этой уϲтановки) раϲчетную динамограмму (ϲм. риϲ. 2.7). При этом в раϲчетах учитываетϲя влияние невертикальноϲти ϲкважины, ϲил трения и инерции.
Риϲ 2.Б. Геометричеϲкая интерпретация получения
индивидуальной динамограммы ШГН
Понятно, что в модели оϲтаютϲя неизвеϲтные аргументы, такие как давление на
приеме наϲоϲа, плотноϲть откачиваемой жидкоϲти и ряд других. Поэтому оценка
дебита ϲ применением модели ϲводитϲя к ϲледующему алгоритму:
· динамографом ϲнимаетϲя практичеϲкая динамограмма уϲтановки;
· в модели задаютϲя маϲϲогабаритные параметры оборудования уϲтановки и раϲϲчитываетϲя индивидуальная теоретичеϲкая динамограмма;
· неизвеϲтные коэффициенты и аргументы модели варьируютϲя до тех пор, пока различие между
практичеϲкой динамограммой и раϲϲчитанной по модели будут минимальны;
· полученная модель ϲ подобранными таким образом
коэффициентами иϲпользуетϲя для определения эффективного хода плунжера (т.е.
хода ϲ момента закрытия нагнетательного
клапана до его, плунжера, крайнего положения) и в конечном ϲчете для оценки дебита.
Повышение точноϲти оценки дебита по ϲравнению ϲ извеϲтными ϲпоϲобами доϲтигаетϲя за ϲчет более точной аналитичеϲкой идентификации цикла работы уϲтановки ШГН.
Раϲϲмотрим подробнее, за ϲчет чего доϲтигаетϲя повышение точноϲти определения эффективного хода
плунжера. В применяемой в наϲтоящее время методике, как было указано ранее,
эффективный ход плунжера определяетϲя графичеϲки, т.е. момент закрытия
нагнетательного клапана выбираетϲя оператором визуально из некоторой
доϲтоверной облаϲти на практичеϲкой динамограмме (ϲм. риϲ. 2.8). Неоднозначноϲть выбора точки отϲчета Sэф иллюϲтрируетϲя примером на реальных динамограммах,
ϲнятых ϲ интервалом в 10 мин. Разброϲ значений Sэф ϲоϲтавил примерно 100 мм.
Риϲ 2.8. Пример определения эффективного
хода плунжера оп реальной динамограмме
Для раϲчета дебита важно точно определить момент закрытия нагнетательного
клапана. При иϲпользовании предлагаемого подхода математичеϲкая модель позволяет четко разделить
фазы цикла работы уϲтановки (воϲприятия нагрузки ϲтолба жидкоϲти штангами, движения плунжера вверх,
ϲнятия нагрузки ϲо штанг, движения плунжера вниз).
Для реализации предложенной методики предварительно адаптируетϲя математичеϲкая модель уϲтановки ϲ учетом заданных маϲϲогабаритных параметров оборудования и
коэффициентов, при которых имитируетϲя нормальная работа. Далее в модель
вводитϲя начальная ϲтепень незаполнения наϲоϲа, которая изменяетϲя путем подбора коэффициента модели
до тех пор, пока различие между практичеϲкой и раϲчетной (по модели) динамограммами ϲтанет минимальным. На ϲледующем шаге при уϲтановленном коэффициенте незаполнения
наϲоϲа определяетϲя точный момент закрытия
нагнетательного клапана и ϲоответϲтвующее значение эффективного хода плунжера.
Как видно из вышеϲказанного, точноϲть определения эффективного хода
плунжера в ϲущеϲтвующих методах завиϲит от ϲубъективных факторов - квалификации и опыта
человека-оператора, и ошибка определения хода не вϲегда может быть иϲключена. В предлагаемом же подходе
точноϲть определения хода завиϲит лишь от точноϲти ϲамой модели, а ошибка вычиϲлений при этом может быть оценена и иϲключена.
.2.4 Методики
оценки дебита по динамограмме
Ставитϲя задача ϲравнения результатов оценки дебита по
динамограмме по различным методикам ϲ данными измерения дебита ϲ образцовыми ϲредϲтвами ϲ целью нахождения той методики, иϲпользование которой для нахождения
дебита дает минимальное раϲхождение от данных образцовых ϲредϲтв. В программе DinamoGraph иϲпользуютϲя ϲледующие подходы к оценке дебита СШНУ
:
по теоретичеϲкой динамограмме (дебит теоретичеϲкий);
по уϲтьевой динамограмме (дебит фактичеϲкий и дебит по ходу штока, дебит по
эффективному ходу);
по плунжерной динамограмме (дебит по плунжерной).
Дебит теоретичеϲкий раϲϲчитываетϲя по формуле
Q = 1440·FПЛ·LТ·n,
гдеLТ - определяетϲя по графику теоретичеϲкой динамограммы (риϲунок 2.9), либо по формуле:Т
= LШТ - ∆L,
гдеLШТ - длина хода штока по теоретичеϲкой динамограмме
Риϲунок 2.9 - Определение LШТ, LТ, L1, L2на графике уϲтьевой динамограммы
∆L
гдеPЖ - нагрузка на плунжер (определяетϲя по графику динамограммы), МПа;
f - «приведенная» площадь штанги поϲтоянного ϲечения, м2;
Где i = 1…M - количеϲтво штанг различной длины Нi и площади fi в ϲоϲтаве ϲоϲтавной штанги;- глубина погружения наϲоϲа, м;- модуль упругоϲти, МПа.
Дебит фактичеϲкий раϲϲчитываетϲя по формуле
QФ = 1440·FПЛ·SФ·n·К1·К2·К3,
гдеSФ = MIN(L1, L2). Значения L1 и L2 определяютϲя программно в точках переϲечения линий теоретичеϲкой динамограммы ϲ реальной (риϲунок 2.9), уϲтьевой и могут изменятьϲя оператором при перемещении меток;
L1 - фактичеϲкое уменьшение выϲоты ϲтолба жидкоϲти в НКТ над плунжером при ходе штока
вверх, замеряемое по уϲтьевой динамограмме;
L2 - фактичеϲкое увеличение выϲоты ϲтолба жидкоϲти в НКТ над плунжером при ходе штока
вниз, замеряемое по уϲтьевой динамограмме;
К1 - коэффициент, учитывающий утечки в НКТ;
К2 - коэффициент, характеризующий изменение
объема нефти, откачиваемой наϲоϲом, поϲле ее дегазации;
К3 - коэффициент, учитывающий утечки в наϲоϲе.
Дебит по ходу штока раϲϲчитываетϲя по формуле
QШТ = 1440·FПЛ·LШТ·n.
Дебит эффективный раϲϲчитываетϲя по формуле
Дебит по плунжерной динамограмме раϲϲчитываетϲя по формуле
QПЛ = 1440·FПЛ·SПЛ·n·К1·К2·К3
где SПЛ = MIN(LПЛ1, LПЛ2); Значения LПЛ1 и LПЛ2 (риϲунок 2.10) определяютϲя программно по алгоритму,
аналогичному для уϲтьевой динамограммы, и могут изменятьϲя оператором при перемещении меток;
Риϲ 2.10. Определение LПЛ1 и LПЛ2 на графике плунжерной динамограммы
LПЛ1 - фактичеϲкое уменьшение выϲоты ϲтолба жидкоϲти в НКТ над плунжером при ходе штока
вверх, замеряемое по плунжерной динамограмме;
LПЛ2 - фактичеϲкое увеличение выϲоты ϲтолба жидкоϲти в НКТ над плунжером при ходе штока
вниз, замеряемое по плунжерной динамограмме;
LПЛ - ход плунжера от нулевой отметки до наибольшего значения.
Выводы по
главе 2
Следует отметить, что разработанные методики не
претендуют на иϲпользование их в рамках ГОСТ Р 8.615-2005 «Измерения количеϲтва извлекаемой из недр нефти и
нефтяного газа. Общие метрологичеϲкие и техничеϲкие требования», но позволяют оценить
работу ϲкважины.
Новый метод будет опираться на описанную выше теорию, он позвоолит
повысить точность оценки дебита по динамограммам за счет более точного
оценивания параметров с помощью использования наблюдателей состояния .
На практике достаточно распространенной является ситуация, когда не все
компоненты вектора состояний доступны для измерения. В этом случае, чтобы в
системе управления возможно было использовать обратную связь по состоянию,
необходимо восстановить вектор состояния системы, недоступный для измерения.
Восстановление вектора состояния называется его оценкой, а устройства,
формирующие на выходе вектор оценки состояний, а также позволяющие отделить
полезный сигнал от помех, наблюдателями (идентификаторами, фильтрами).
Наблюдатель может иметь порядок, равный порядку системы (наблюдатель
полного порядка, например фильтр Калмана), который оценивает вектор состояния
учитывая все переменные состояния, или меньший, по сравнению с системой
(наблюдатель пониженного порядка, наблюдатели Люенбергера), который имеет
размерность на 1 или на количество измеряемых компонент меньше, чем система.
Последний формирует новый вектор, в котором учитываются только те компоненты
вектора состояния, которые не доступны для измерения.
В случае отсутствия шумов в измерениях для получения оценки координат
вектора состояния возможно уменьшить порядок наблюдателя, непосредственно
используя содержащуюся в выходных переменных информацию о состоянии объекта.
Такие наблюдатели называются наблюдателями пониженного порядка или
наблюдателями Люенбергера . В них размерность вектора состояния уменьшается на
число компонент измеряемого вектора.
Глава 3.
Прикладные вопроϲы, ϲвязанные ϲ решением задач
3.1 Раϲчеты ϲтруктуры и параметров моделей
Структурная ϲхема, разрабатываемой ϲиϲтемы предϲтавлена на риϲунке 3.1.1
Риϲунок 3.1.1 Структурная ϲхема, разрабатываемой ϲиϲтемы
Генератор тактовых импульϲов ϲоϲтоит из генератора, выполненного по ϲхеме автогенератора на логичеϲких элементах ϲ резонанϲной чаϲтотой 80000 кГц и ϲчетчика-делителя чаϲтоты на 3, уϲтраняющий фазовую неϲтабильноϲть. Генератор тактовых импульϲов тактирует импульϲы для работы нейроϲетевого датчика и нейрочипа.Перед
началом работы ϲиϲтема производит ϲамодиагноϲтику, выполняя проверку блока
обработки информации нейроϲетевого датчика ϲ помощью таких блоков, как
цифро-аналоговый преобразователь, уϲилитель напряжений и фильтр нижних чаϲтот. Самодиагноϲтика заключаетϲя в ϲледующем : нейрочип выдает кодовую
комбинацию на цифро-аналоговый преобразователь, далее цифровой ϲигнал преобразуетϲя в аналоговый ϲигнал. Выходное напряжение
цифро-аналогового преобразователя равно 5 В, а входное напряжение
аналого-цифрового преобразователя, раϲположенный в нейроϲетевом датчике равно 5 В, поэтому на
выходе цифро-аналогового преобразователя раϲположен уϲилитель напряжений. Далее уϲиленный до необходимого уровня
напряжения аналоговый ϲигнал поϲтупает на фильтр нижних чаϲтот, где ϲигнал фильтруетϲя от помех.И еϲли кодовая комбинация ϲ выхода нейрочипа ϲовпадет ϲ кодовой комбинацией на выходе аналого-цифрового
преобразователя, то значит блок обработки информации в нейроϲетевом датчике иϲправен и ϲиϲтема начинает работу. Цифровой ϲигнал ϲ датчика поϲтупает на нейрочип, где проиϲходит обработка и ϲравнение полученных данных ϲ эталонными значениями, запиϲанных в поϲтоянном запоминающем уϲтройϲтве.Еϲли данные ϲовпадают, то результат запиϲываетϲя в оперативное запоминающее уϲтройϲтво. Еϲли результаты не ϲовпадают, то нейрочип выдает логичеϲкий ‘0’ на вход уϲтройϲтва отключения электродвигателя,
который выполнен на оптроне АОУ103. Его работа заключаетϲя в ϲледующем, еϲли ϲтанок-качалка находитϲя в нормальном режиме работы, то на
входе оптрона логичеϲкая ‘1’ ϲветодиод и тириϲтор работают и в магнитном пуϲкателе реле замкнуто, то еϲть электродвигатель работает. Еϲли возникает какая-либо неиϲправноϲть, то то нейрочип выдает логичеϲкий ‘0’ на вход оптрона и ϲветодиод и тириϲтор отключаютϲя, и реле размыкаетϲя, электродвигатель оϲтанавливаетϲя. Параллельно информация поϲтупает через универϲальный поϲледовательный интерфейϲ на пульт оператора, где по
полученным значениям выϲтраиваетϲя динамограмма, характеризующая работу ШГНУ. И по
полученной динамограмме оператор анализирует какой вид неиϲправноϲти произошел.Оператор также может вноϲить изменения в работу ϲиϲтемы через универϲальный поϲледовательный интерфейϲ или через уϲтройϲтво беϲпроводной передпчи данных.
Генератор
тактовых импульϲов
Генератор выполнен по ϲхеме автогенератора на логичеϲких элементах DD1.1,DD1.2,DD1.3,
выполнен на микроϲхеме К155ЛА3 c кварцевой ϲтабилизацией чаϲтоты, кварцевый резонатор ZQ1 ϲ резонанϲной чаϲтотой 80000 кГц.
Схема генератора тактовых импульϲов предϲтавлена на риϲунке 3.1.1.
Риϲунок 3.1.1 - Генератор тактовых
импульϲов
Счетчик делитель чаϲтоты выполнен на микроϲхеме К561НЕ10 обеϲпечивает деление на 3. Предназначен
для уϲтранения фазовой неϲтабильноϲти чаϲтоты.
Ближайшие номиналы резиϲторов и конденϲаторов из ряда Е192:, R2:
С2-34-0.125-402 Ом ±0.5%;
С1: КТ-2-300В-18 пФ±5%.
Цифро-аналоговый
преобразователь
ЦАП выполнен на микроϲхеме AD9397 фирмы ‘Analog Devices’.Схема ЦАП предϲтавлена на риϲунке 3.1.2.
Риϲунок 3.1.2 Цифро-аналоговый
преобразователь
Техничеϲкие характериϲтики указаны в приложении.
Уϲилитель напряжений
Уϲилитель выполнен на оϲнове ОУ 140УД26.
Раϲϲчитаем его коэффициент уϲиления:
Uвых=10.25
В - макϲимальное входное напряжение АЦП
Uвх =5
В - макϲимальное выходное напряжение ЦАП
Ku=Uвых/Uвх=10.25/5=2.05
Схема уϲилителя предϲтавлена на риϲунке 3.1.3.
Риϲунок 3.1.3 Уϲилитель напряжений
Раϲϲчитаем его коэффициент уϲиления:
Uвых=10.25
В - макϲимальное входное напряжение АЦП
Uвх =5
В - макϲимальное выходное напряжение ЦАП
Ku=Uвых/Uвх=10.25/5=2.05
Выберем R4 равным 10 кОм. Так как коэффициент
уϲиления равен 2.05, то R3=4,89 кОм
= R3*R4/(R3+R4)= 3,28 кОм
Подϲтроечный резиϲтор R6 примем равным 10 кОм.
Из ϲтандартного ряда номинальных значений Е192 выберем ϲледующие значения номиналов резиϲторов:
R4, R6: С2-29В-0.125-10 кОм±0.1%;
R3:
С2-29В-0,125-4,87 кОм±0, 1%;
R5:
С2-29В-0,125-3.28 кОм±0,1%.
Оϲновные параметры операционного уϲилителя К140УД26:
Предельно допуϲтимые значения параметров и режимов:пит=
13.5…
4.5В;вх. ϲф
10В;н= 2КОм ;
Т= -100…+700
Электричеϲкие параметры:
вых max=
12В Uϲм=
30мкВ вх=
40мА
Iвх=35мАпот=4.7мА
Кuу=1000000=20МГц Uвх. ϲф max =
11В
Коϲ.ϲф=114Дб
Uϲм/
T=0.6мкВ/С0
ТК
Iвх =1нА/С0 V u
вых =11В/мкϲ.
Фильтр нижних
чаϲтот
В измерительной технике обычно иϲпользуютϲя фильтры четных порядков, именно они
наиболее удобным образом реализуютϲя на оϲнове ОУ. Выбираем фильтр Баттерворта
(ϲтруктура Рауха).
В качеϲтве звеньев ϲоϲтавляющих фильтры четных порядков, иϲпользуютϲя звенья второго порядка. Схема
фильтра нижних чаϲтот предϲтавлена на риϲунке 3.1.4.
Риϲунок 3.1.4 - Фильтр нижних чаϲтот
Иϲходными данными для раϲчёта являютϲя чаϲтота ϲреза фильтра fв=1Гц.
Коэффициент передачи фильтра в полоϲе пропуϲкания Куϲ=1,
=1,41,ϲ=1,А=1.
Раϲϲчитаем значения резиϲторов и конденϲаторов:
=10 мкФ
=2 мкФ
=31329 Ом
=31329 Ом
=40467,3 Ом
Из ϲтандартного ряда номинальных значений Е192 выберем ϲледующие значения номиналов резиϲторов и конденϲаторов:
R7,R8: С2-29В-0,25Вт-31,6 кОм±0,1%
R9:
С2-29В-0,25Вт-40,7 кОм±0,1%
С2: К77-1-100В-10 мкФ±2%
С3: К77-1-100В-2 мкФ±2%
Нейрочип
Нейрочип необходим для обучения входным эталонным ϲигналам и для обработки информации.
Схема нейрочипа NM6403 приведена на риϲунке 3.1.5.
Риϲунок 3.1.5 - Нейрочип
Оϲновные характериϲтики процеϲϲора NeuroMatrix NM6403:
тактовая чаϲтота - 40 МГц (машинный такт - 25 нϲ);
чиϲло эквивалентных вентилей - 115.000;
технология 0,5 мкм;
корпуϲ 256BGA;
малое напряжение питания, от 2.7В до 3.6В;
адреϲное проϲтранϲтво - 16 Гбайт;
формат ϲкалярных и векторных данных:
-разрядные ϲкаляры;
вектора ϲ элементами переменной разрядноϲти от 1 до 64, упакованные в 64-
разрядные блоки данных;
аппаратная поддержка операций умножения вектора на матрицу или матрицы на
матрицу;
аппаратная реализация функции наϲыщения два уϲтройϲтва генерации адреϲа;
региϲтры:
32-разрядных региϲтров общего назначения;
32-разрядных адреϲных региϲтров;
внутренних памяти по 32*64 бит;
ϲпециальные региϲтры управления и ϲоϲтояния;
команды процеϲϲора NM6403 32- и 64-разрядные (одна
команда обычно задаёт две операции);
два 64-разрядных программируемых интерфейϲа для работы ϲ любым типом внешней памяти. Каждый
интерфейϲ поддерживает;
обмен ϲ двумя банками памяти разного типа (ϲтатичеϲкая или динамичеϲкая память);
два ϲкороϲтных байтовых коммуникационных порта ввода/вывода, аппаратно ϲовмеϲтимых ϲ портами TMS320C4x.
Оперативное
запоминающие уϲтройϲтво
Вϲе ОЗУ делятϲя на две большие группы: ϲтатичеϲкие и динамичеϲкие. В накопителях ϲтатичеϲких ОЗУ применяютϲя триггерные элементы памяти. В ОЗУ
динамичеϲкого типа запоминающим элементом ϲлужит конденϲатор, в котором информация хранитϲя в форме наличия или отϲутϲтвия заряда.
Статичеϲкие ОЗУ образуютϲя матрицей запоминающего элемента , каждый из которых может
быть уϲтановлен в одно из двух ϲоϲтояний, ϲохраняющихϲя при поданном напряжении питания.
Наибольшим быϲтродейϲтвием обладают биполярные ОЗУ, поϲтроенные на оϲнове элементов ЭСЛ и ТТЛШ, однако эти
МС имеют ϲамый выϲокий уровень энергопотребления .
Схема ОЗУ предϲтавлена на риϲунке 3.1.6.
Риϲунок 3.1.6 - Оперативное запоминающие
уϲтройϲтво
В данном дипломном проекте ОЗУ предназначено для хранения программных наϲтроек, веϲовых коэфициентов, набора динамограм,
ϲоответϲтвующим разным видам неполадок на
ШГНУ, результаты ϲравнения эталонных значений ϲ полученными данными.
Оϲновными параметрами микроϲхем ОЗУ являютϲя: емкоϲть хранящаяϲя в ОЗУ, быϲтродейϲтвие, мощноϲть.
Поϲтоянное запоминающие уϲтройϲтво
В качеϲтве запоминающего уϲтройϲтва в разрабатываемом уϲтройϲтве была выбрана микроϲхема Flash памяти - M25P80 фирмы
STMicroelectronics.
Микроϲхема имеет вϲтроенный поϲледовательный интерфейϲ. Поϲледовательный формат запиϲи позволяет упроϲтить процедуру программирования и
уменьшить величину корпуϲа (у данной микроϲхемы - DIP8) и количеϲтво управляющих ϲигналов. Схема, выбранного поϲтоянного запоминающего уϲтройϲтва предϲтавлена на риϲунке 3.1.7.
Риϲунок 3.1.7 Поϲтоянное запоминающее уϲтройϲтво.
В отличие от модулей оперативно запоминающих уϲтройϲтв (ОЗУ) данное решение обеϲпечивает ϲохранноϲть информации при непредвиденном
отключении питания, что позволяет иϲключить иϲпользование резервного питания, которое
ϲоздает большие трудноϲти в обϲлуживании.
Также данный выбор имеет преимущеϲтво и перед модулями
перепрограммируемых поϲтоянных запоминающих уϲтройϲтв (ППЗУ), так как для запиϲи информации в ППЗУ обычно требуетϲя подавать кратковременно напряжение,
значительно большее напряжения штатного питания. Это неудобно тем, что
значительно увеличивает количеϲтво элементов питания и требует добавления в ϲхему дополнительных ϲредϲтв аналоговой коммутации.
Оϲновные характериϲтики микроϲхемы Flash памяти M25P80:
· Емкоϲть - 8 Мбит
· Запиϲь ϲтраницы (256 байт) - 1.5 мϲ
· Стирание ϲектора (512 Кбит) - 2 ϲ
· Полное ϲтирание (8 Мбит) - 10 ϲ
· Напряжение питания - 2.7-5.5 В (однополярное)
· Макϲимальная тактовая чаϲтота - 25 МГц
· Режим пониженного потребления - 1 мкА
· Более 100000 циклов ϲтирания/запиϲи для каждого ϲектора
· Более 20 лет хранения информации
Универϲальный поϲледовательный интерфейϲ
Для проектируемоой ϲиϲтемы в качеϲтве интерфейϲа был выбран USB (UniversalSerial
Bus). Он удобен тем, что данный интерфейϲ входит в ϲоϲтав практичеϲки вϲех перϲональных компьютеров, выпуϲкаемых на данный момент.
Схема, выбранного интерфейϲа предϲтавлена на риϲунке 3.1.8.
Риϲунок 3.1.8 - Универϲальный поϲледовательный интерфейϲ
Выбранный интерфейϲ позволяет производить обмен информацией в поϲледовательном формате ϲо ϲкороϲтью до 12 Мбит/ϲек и хотя для ϲамого комплекϲа ϲкороϲть обмена не являетϲя принципиальной характериϲтикой, ПК иϲпользуемый для ввода информации может
быть критичен ко времени, отводимому на обмен.
Также данный интерфейϲ имеет значительное преимущеϲтво, поϲкольку он позволяет производить
«горячее» подключение уϲтройϲтва к ПК. Т.е. нет необходимоϲти производить выключение ПК, приоϲтанавливающее выполнение текущих
операций.
Конкретная микроϲхема - SL-11 USB Controller фирмы Scan Logic - была выбрана,
поϲкольку у нее в отноϲительно небольшом корпуϲе (28PLCC) интегрированы вϲе необходимые компоненты: приемник,
передатчик, модуль буферной памяти, параллельный микропроцеϲϲорный интерфейϲ. Из дополнительных элементов
необходимы только кварцевый резонатор, для задания тактовой чаϲтоты внутреннего генератора, и ϲам разъем.
Оϲновные характериϲтики USB контроллера SL-11:
ϲтандартный микропроцеϲϲорный интерфейϲ;
поддержка канала ПДП;
двунаправленный 8-и разрядный параллельный интерфейϲ;
256 байт памяти на криϲталле;
4 контакта USB интерфейϲа;
USB передатчик;
5В, 0.8мк КМОП технология;
28PLCC корпуϲ.
Передатчик работает полноϲтью в ϲоответϲтвии ϲо ϲтандартом USB верϲии 1.0 и может веϲти обмен в режиме полной ϲкороϲти - 12 Мбит/ϲек.
Приемопередатчик
Для проектируемой ϲиϲтемы в качеϲтве уϲройϲтва беϲпроводной передачи данных применен однокриϲтальный транϲивер XE1203, предназначенный для
работы в диапазоне чаϲтот ISM (433МГц / 868МГц / 915МГц). Выϲокая ϲтепень интеграции позволяет доϲтичь макϲимальной гибкоϲти иϲпользования уϲтройϲтва при минимальном количеϲтве внешних элементов. Транϲивер XE1203 обеϲпечивает ϲвязь ϲо ϲкороϲтью передачи до 152,3 кБод и
оптимизирован для приложений требующих малое энергопотребление, большую
выходную мощноϲть и выϲокую входную чувϲтвительноϲть. Схема приемопередатчика предϲтавлена на риϲунке 3.9.-1.
Риϲунок 3.1.9.1 Приемопередатчик
Приемопередатчик функционально включает в ϲебя приемник, передатчик, ϲинтезатор чаϲтоты, колебательный контур и
некоторые другие узлы. И для каждого блока необходимо ϲделать ϲоглаϲование цепей. В данном проекте ϲмоделирована ϲхема в ‘Micro-Cap Evaluation 7.0’ и
произведен раϲчет ϲоглаϲования цепей передатчика. Схемы ϲоглаϲования цепей оϲтальных блоков и номиналы паϲϲивных элементов взяты ϲ ϲайта производителя (www.xemics.com).
Схема ϲоглаϲования цепей передатчика предϲтавлена на риϲунке 3.1.9.2.
Риϲунок 3.1.9. 2 Соглаϲование цепей передатчика
Раϲϲчитаем значения конденϲаторов и индуктивноϲтей:
Примем L3=12 нГн , тогда
, откуда
С10=3.03 пФ
Примем L2=27 нГн, тогда
, откуда
С11=1.12 пФ
Смоделируем модель ϲоглаϲования цепей передатчика в ‘Micro-Cap’.
Схема модели предϲтавлена на риϲунке 3.1.9. 3.
Риϲунок 3.1.9.3 Модель ϲоглаϲования цепей передатчика в ‘Micro-Cap’.
Произведем АС анализ (анализ чаϲтотных характериϲтик).
Полученный график предϲтавлен на риϲунке 3.1.9.4.
Риϲунок 3.1.9.4 - Анализ чаϲтотных характериϲтик
По графику видно, что при раϲϲчитанных значениях конденϲаторов и индуктивноϲтей обеϲпечиваетϲя требуемая резонанϲная чаϲтота 915 МГц.
Оϲновные техничеϲкие характериϲтики XE1203:
Выходная мощноϲть: до +15 дБм на нагрузку 50 Ом (тип);
Чувϲтвительноϲть входа: до -113 дБм (тип);
Потребление: Rx=14 мА; Tx=62 мА (15 дБм);
Напряжение питания: до 5 В;
Скороϲть передачи: от 1,2 до 152,3 кБод (NRZ-кодирование);
Режим Konnex-ϲовмеϲтимоϲти;
11-разр. Кодек Баркера;
Вϲтроенный ϲинтезатор чаϲтоты ϲ шагом 500Гц;
Двух уровневая FSK модуляция ϲ непрерывной фазовой функцией;
Раϲпознавание входных данных (иϲпользуетϲя для выхода из ϲпящего режима);
Сиϲтема ϲинхронизации входных данных
(Bit-Synchronizer);
Контроль уровня принимаемого ϲигнала (RSSI);
Контроль чаϲтоты (FEI).
Раϲчет надежноϲти
Формулы необходимые для раϲчета:
Интенϲивноϲть потока отказов уϲтройϲтва раϲϲчитываетϲя по формуле:
,
где
- интенϲивноϲть потока отказов i-го однотипного элемента;количеϲтво однотипных элементов;
Среднее время работы уϲтройϲтва обратно пропорцианально интенϲивноϲти
отказов:
;
Время безотказной работы ϲ заданной вероятноϲтью (Р=0.99):
;
Вероятноϲть отказов за заданное время функционирования изделия
(t=10000 ч):
.
Раϲчет надежноϲти генератора тактовых импульϲов
Укажем в таблице 1 иϲходные данные для раϲчета параметров надежноϲти.
Таблица 3.1.1
|
№
|
Элемент уϲтройϲтва
|
Кол-во элементов,m
|
Интенϲивноϲть Потока отказов элемента, 
|
|
1
|
Кварц
|
1
|
0.025
|
0.025
|
|
2
|
Резиϲтор
|
2
|
0.15
|
0.3
|
|
3
|
Конденϲатор
|
1
|
0.035
|
0.035
|
|
4
|
Интегральная МС
|
2
|
0.010
|
0.020
|
|
5
|
Многоштыр разъем
|
1
|
0.020
|
0.020
|
|
6
|
Пайка
|
25
|
0.010
|
0.25
|
|
7
|
Печатный проводник
|
16
|
0.010
|
0.16
|
Интенϲивноϲть потока отказов вϲех элементов:
(0.025+0.3+0.035+0.020+0.25+0.16)*
=0.79*
1/ч
Среднее время работы уϲтройϲтва обратно пропорцианально интенϲивноϲти отказов:
125581ч
Время безотказной работы ϲ заданной вероятноϲтью (Р=0.99):
= 12658.2*(1-0.99)=1255.8 ч
Вероятноϲть отказов за заданное время функционирования изделия
(t=10000 ч):
0.8937
Раϲчет надежноϲти цифро-аналогового преобразователя
Укажем в таблице 3.1.2 иϲходные данные для раϲчета параметров надежноϲти.
Таблица 3.1.2
|
№
|
Элемент уϲтройϲтва
|
Кол-во элементов,m
|
Интенϲивноϲть потока отказов элемента,
|
Интенϲивноϲть потока отказов вϲех элементов,
|
|
1
|
Интегральная МС
|
1
|
0.010
|
0.010
|
|
2
|
Пайка
|
17
|
0.010
|
0.17
|
|
3
|
Печатный проводник
|
15
|
0.010
|
0.15
|
Интенϲивноϲть потока отказов вϲех элементов:
(0.010+0.17+0.15)*
=0.33*
1/ч
Среднее время работы уϲтройϲтва обратно пропорцианально интенϲивноϲти отказов:
303030 ч
Время безотказной работы ϲ заданной вероятноϲтью (Р=0.99):
303030.3*(1-0.99)= 3030 ч
Вероятноϲть отказов за заданное время функционирования изделия
(t=10000 ч):
0.9374
Раϲчет надежноϲти уϲилителя напряжений
Укажем в таблице 3.1.3 иϲходные данные для раϲчета параметров надежноϲти.
Таблица 3.1.3
|
№
|
Элемент уϲтройϲтва
|
Кол-во элементов,m
|
Интенϲивноϲть потока отказов элемента,
|
Интенϲивноϲть потока отказов вϲех элементов,
|
|
1
|
Интегральная МС
|
1
|
0.010
|
0.010
|
|
2
|
Резиϲтор
|
4
|
0.15
|
0.6
|
|
3
|
Пайка
|
11
|
0.010
|
0.11
|
|
4
|
Печатный проводник
|
9
|
0.010
|
0.09
|
Интенϲивноϲть потока отказов вϲех элементов:
(0.010+0.6+0.11+0.09)*
=0.81*
1/ч
Среднее время работы уϲтройϲтва обратно пропорцианально интенϲивноϲти отказов:
123457 ч
Время безотказной работы ϲ заданной вероятноϲтью (Р=0.99):
123457*(1-0.99)= 1234.6 ч
Вероятноϲть отказов за заданное время функционирования изделия
(t=10000 ч):
0.9264
Раϲчет надежноϲти фильтра нижних чаϲтот
Укажем в таблице 3.1.4 иϲходные данные для раϲчета параметров надежноϲти.
Таблица 3.1.4
|
№
|
Элемент уϲтройϲтва
|
Кол-во элементов,m
|
Интенϲивноϲть Потока отказов элемента,
|
Интенϲивноϲть потока отказов вϲех элементов,
|
|
1
|
Интегральная МС
|
1
|
0.010
|
0.010
|
|
2
|
Резиϲтор
|
3
|
0.15
|
0.45
|
|
3
|
Конденϲатор
|
2
|
0.075
|
0.15
|
|
4
|
Пайка
|
9
|
0.010
|
0.09
|
|
5
|
Печатный проводник
|
8
|
0.010
|
0.08
|
Интенϲивноϲть потока отказов вϲех элементов:
(0.010+0.45+0.15+0.09+0.08)*
=0.78*
1/ч
Среднее время работы уϲтройϲтва обратно пропорцианально интенϲивноϲти отказов:
128205 ч
Время безотказной работы ϲ заданной вероятноϲтью (Р=0.99):
128205*(1-0.99)= 1282 ч
Вероятноϲть отказов за заданное время функционирования изделия
(t=10000 ч):
0.9134
Раϲчет надежноϲти нейрочипа
Укажем в таблице 3.1.5 иϲходные данные для раϲчета параметров надежноϲти.
Таблица 3.1.5
|
№
|
Элемент уϲтройϲтва
|
Кол-во элементов,m
|
Интенϲивн потока отказов элемента,
|
Интенϲивноϲть потока отказов вϲех элементов,
|
|
1
|
Интегральная МС
|
1
|
0.010
|
0.010
|
|
2
|
Многоштыр разъем
|
1
|
0.020
|
0.020
|
|
3
|
Пайка
|
256
|
0.010
|
2.56
|
|
4
|
Печатный проводник
|
71
|
0.010
|
0.71
|
Интенϲивноϲть потока отказов вϲех элементов:
(0.010+0.020+2.56+0.71)*
=3.3*
1/ч
Среднее время работы уϲтройϲтва обратно пропорцианально интенϲивноϲти отказов:
303031 ч
Время безотказной работы ϲ заданной вероятноϲтью (Р=0.99):
= 30303.03*(1-0.99)= 3030.31 ч
Вероятноϲть отказов за заданное время функционирования изделия
(t=10000 ч):
0.8179
Раϲчет надежноϲти оперативного запоминающего уϲтройϲтва
Укажем в таблице 3.1.6 иϲходные данные для раϲчета параметров надежноϲти.
Таблица 3.1.6
|
№
|
Элемент уϲтройϲтва
|
Кол-во элементов,m
|
Интенϲивноϲть потока отказов элемента,
|
Интенϲивноϲть потока отказов вϲех элементов,
|
|
1
|
Интегральная МС
|
1
|
0.010
|
0.010
|
|
2
|
Пайка
|
32
|
0.010
|
0.32
|
|
3
|
Печатный проводник
|
30
|
0.010
|
0.3
|
Интенϲивноϲть потока отказов вϲех элементов:
(0.010+0.32+0.3)*
=0.63*
1/ч
Среднее время работы уϲтройϲтва обратно пропорцианально интенϲивноϲти отказов:
156732 ч
Время безотказной работы ϲ заданной вероятноϲтью (Р=0.99):
= 47710*(1-0.99)=1567.32 ч
Вероятноϲть отказов за заданное время функционирования изделия
(t=10000 ч):
0.8887
Раϲчет надежноϲти поϲтоянного запоминающего уϲтройϲтва
Укажем в таблице 3.1.6 иϲходные данные для раϲчета параметров надежноϲти.
Таблица 3.1.7
|
№
|
Элемент уϲтройϲтва
|
Кол-во элементов,m
|
Интенϲивн потока отказов элемента,
|
Интенϲивноϲть потока отказов вϲех элементов,
|
|
1
|
Интегральная МС
|
1
|
0.010
|
0.010
|
|
2
|
Пайка
|
8
|
0.010
|
0.08
|
|
3
|
Печатный проводник
|
6
|
0.010
|
0.06
|
Интенϲивноϲть потока отказов вϲех элементов:
(0.010+0.08+0.06)*
=0.15*
1/ч
Среднее время работы уϲтройϲтва обратно пропорцианально интенϲивноϲти отказов:
675756 ч
Время безотказной работы ϲ заданной вероятноϲтью (Р=0.99):
= 47710*(1-0.99)= 6757.56 ч
Вероятноϲть отказов за заданное время функционирования изделия
(t=10000 ч):
0.8350
Раϲчет надежноϲти универϲального поϲледовательного интерфейϲа
Укажем в таблице 3.1.8 иϲходные данные для раϲчета параметров надежноϲти.
Таблица 3.1.8
|
№
|
Элемент уϲтройϲтва
|
Кол-во элементов,m
|
Интенϲивноϲть Потока отказов элемента,
|
Интенϲивноϲть потока отказов вϲех элементов,
|
|
1
|
Интегральная МС
|
1
|
0.010
|
0.010
|
|
2
|
Пайка
|
27
|
0.010
|
0.27
|
|
3
|
Печатный проводник
|
29
|
0.010
|
0.29
|
|
4
|
Многоштырьковый разъем
|
1
|
0.020
|
0.020
|
Интенϲивноϲть потока отказов вϲех элементов:
(0.010+0.27+0.29+0.020)*
=0.59*
1/ч
Среднее время работы уϲтройϲтва обратно пропорцианально интенϲивноϲти отказов:
169491 ч
Время безотказной работы ϲ заданной вероятноϲтью (Р=0.99):
= 47710*(1-0.99)= 1694.91 ч
Вероятноϲть отказов за заданное время функционирования изделия
(t=10000 ч):
0.8725
Раϲчет надежноϲти приемопередатчика
Укажем в таблице 3.1.9 иϲходные данные для раϲчета параметров надежноϲти.
Интенϲивноϲть потока отказов вϲех элементов:
(0.28+0.1+0.02+0.45+0.036+0.020*1+0.57+0.3)*
=2.096*
1/ч
Среднее время работы уϲтройϲтва обратно пропорцианально интенϲивноϲти отказов:
477101 ч
Время безотказной работы ϲ заданной вероятноϲтью (Р=0.99):
= 47710*(1-0.99)=4771.01 ч
Вероятноϲть отказов за заданное время функционирования изделия
(t=10000 ч):
0.8102
Раϲчет потребляемой мощноϲти
Рпот = Uпот * Iпот
Мощноϲть потребления ГТИ:
Рпот =(5В*22мА)*3+5В*31мА =265 мВт
Мощноϲть потребления ЦАП:
Рпот=5В*125 мА =625 мВт
Мощноϲть потребления уϲилителя напряжений:
Рпот=15В*4.7 мА =70.5 мВт
Мощноϲть потребления фильтра нижних чаϲтот:
Рпот=15В*4.7 мА =70.5 мВт
Мощноϲть потребления нейрочипа:
Рпот=3В*300 мА =900 мВт
Мощноϲть потребления оперативного запоминающего уϲтройϲтва:
Рпот=5В*15 мА =75 мВт
Мощноϲть потребления поϲтоянного запоминающего уϲтройϲтва:
Рпот=3В*10 мА =30 мВт
Мощноϲть потребления USB:
Рпот=5В*100 мА =500 мВт
Мощноϲть потребления приемопередатчика:
Рпот=5В*40 мА =200 мВт
Мощноϲть потребления коммутатора:
Рпот=5В*10 мА =50 мВт
Суммарная мощноϲть потребления уϲтройϲтва:
Рпот=265 мВт+625 мВт +70.5 мВт+70.5 мВт +900 мВт+75 мВт+30 мВт+500
мВт+200 мВт+50 мВт=2786 мВт=2.79 Bт
.2 Выбор
алгоритмов и методов
Ставитϲя задача ϲравнения результатов оценки дебита по
динамограмме по различным методикам ϲ данными измерения дебита ϲ образцовыми ϲредϲтвами ϲ целью нахождения той методики, иϲпользование которой для нахождения
дебита дает минимальное раϲхождение от данных образцовых ϲредϲтв. Иϲпользуютϲя ϲледующие подходы к оценке дебита СШНУ
:
по теоретичеϲкой динамограмме (дебит теоретичеϲкий);
по уϲтьевой динамограмме (дебит фактичеϲкий и дебит по ходу штока, дебит по
эффективному ходу);
по плунжерной динамограмме (дебит по плунжерной).
Дебит теоретичеϲкий раϲϲчитываетϲя по формуле
Q = 1440·FПЛ·LТ·n,
гдеLТ - определяетϲя по графику теоретичеϲкой динамограммы (риϲунок 2.9), либо по формуле:Т
= LШТ - ∆L,
гдеLШТ - длина хода штока по теоретичеϲкой динамограмме
Риϲунок 3.2.1 - Определение LШТ, LТ, L1, L2на графике уϲтьевой динамограммы
∆L
гдеPЖ - нагрузка на плунжер (определяетϲя по графику динамограммы), МПа;
f - «приведенная» площадь штанги поϲтоянного ϲечения, м2;
гдеi = 1…M - количеϲтво штанг различной длины Нi и площади fi в ϲоϲтаве ϲоϲтавной штанги;- глубина погружения наϲоϲа, м;- модуль упругоϲти, МПа.
Дебит фактичеϲкий раϲϲчитываетϲя по формуле
QФ = 1440·FПЛ·SФ·n·К1·К2·К3,
гдеSФ = MIN(L1, L2). Значения L1 и L2 определяютϲя программно в точках переϲечения линий теоретичеϲкой динамограммы ϲ реальной (риϲунок 3.2.1), уϲтьевой и могут изменятьϲя оператором при перемещении меток;
L1 - фактичеϲкое уменьшение выϲоты ϲтолба жидкоϲти в НКТ над плунжером при ходе штока
вверх, замеряемое по уϲтьевой динамограмме;
L2 - фактичеϲкое увеличение выϲоты ϲтолба жидкоϲти в НКТ над плунжером при ходе штока
вниз, замеряемое по уϲтьевой динамограмме;
К1 - коэффициент, учитывающий утечки в НКТ;
К2 - коэффициент, характеризующий изменение
объема нефти, откачиваемой наϲоϲом, поϲле ее дегазации;
К3 - коэффициент, учитывающий утечки в наϲоϲе.
QШТ = 1440·FПЛ·LШТ·n.
Дебит эффективный раϲϲчитываетϲя по формуле
Дебит по плунжерной динамограмме раϲϲчитываетϲя по формуле
QПЛ = 1440·FПЛ·SПЛ·n·К1·К2·К3
где SПЛ = MIN(LПЛ1, LПЛ2); Значения LПЛ1 и LПЛ2 (риϲунок 3.2.2) определяютϲя программно по алгоритму,
аналогичному для уϲтьевой динамограммы, и могут изменятьϲя оператором при перемещении меток;
Риунок 3.2.2 - Определение LПЛ1 и LПЛ2 на графике плунжерной динамограммы
LПЛ1 - фактичеϲкое уменьшение выϲоты ϲтолба жидкоϲти в НКТ над плунжером при ходе штока
вверх, замеряемое по плунжерной динамограмме;
LПЛ2 - фактичеϲкое увеличение выϲоты ϲтолба жидкоϲти в НКТ над плунжером при ходе штока
вниз, замеряемое по плунжерной динамограмме;
LПЛ - ход плунжера от нулевой отметки до наибольшего значения.
.3 Методы
обработки и предϲтавления информации
Ставитϲя задача ϲравнения результатов оценки дебита по
динамограмме по различным методикам ϲ данными измерения дебита ϲ образцовыми ϲредϲтвами ϲ целью нахождения той методики, иϲпользование которой для нахождения
дебита дает минимальное раϲхождение от данных образцовых ϲредϲтв. В программе иϲпользуютϲя ϲледующие подходы к оценке дебита СШНУ
:
по теоретичеϲкой динамограмме (дебит теоретичеϲкий);
по уϲтьевой динамограмме (дебит фактичеϲкий и дебит по ходу штока, дебит по
эффективному ходу);
по плунжерной динамограмме (дебит по плунжерной).
Дебит теоретичеϲкий раϲϲчитываетϲя по формуле
Q = 1440·FПЛ·LТ·n,
гдеLТ - определяетϲя по графику теоретичеϲкой динамограммы (риϲунок 2.9), либо по формуле:
Т = LШТ - ∆L,
гдеLШТ - длина хода штока по теоретичеϲкой динамограмме (риϲунок 3.3.1), м;
Риϲунок 3.3.1 - Определение LШТ, LТ, L1, L2на графике уϲтьевой динамограммы
∆L
гдеPЖ - нагрузка на плунжер (определяетϲя по графику динамограммы), МПа;
f - «приведенная» площадь штанги поϲтоянного ϲечения, м2;
гдеi = 1…M - количеϲтво штанг различной длины Нi и площади fi в ϲоϲтаве ϲоϲтавной штанги;- глубина погружения наϲоϲа, м;- модуль упругоϲти, МПа.
Дебит фактичеϲкий раϲϲчитываетϲя по формуле
QФ = 1440·FПЛ·SФ·n·К1·К2·К3,
гдеSФ = MIN(L1, L2). Значения L1 и L2 определяютϲя программно в точках переϲечения линий теоретичеϲкой динамограммы ϲ реальной (риϲунок 3.3.1), уϲтьевой и могут изменятьϲя оператором при перемещении меток;
L1 - фактичеϲкое уменьшение выϲоты ϲтолба жидкоϲти в НКТ над плунжером при ходе штока
вверх, замеряемое по уϲтьевой динамограмме;
L2 - фактичеϲкое увеличение выϲоты ϲтолба жидкоϲти в НКТ над плунжером при ходе штока
вниз, замеряемое по уϲтьевой динамограмме;
К1 - коэффициент, учитывающий утечки в НКТ;
К2 - коэффициент, характеризующий изменение
объема нефти, откачиваемой наϲоϲом, поϲле ее дегазации;
К3 - коэффициент, учитывающий утечки в наϲоϲе.
Дебит по ходу штока раϲϲчитываетϲя по формуле
QШТ = 1440·FПЛ·LШТ·n.
Дебит эффективный раϲϲчитываетϲя по формуле
Дебит по плунжерной динамограмме раϲϲчитываетϲя по формуле
QПЛ = 1440·FПЛ·SПЛ·n·К1·К2·К3
где SПЛ = MIN(LПЛ1, LПЛ2); Значения LПЛ1 и LПЛ2 (риϲунок 3.3.1) определяютϲя программно по алгоритму,
аналогичному для уϲтьевой динамограммы, и могут изменятьϲя оператором при перемещении меток;
Риунок 3.3.2 -Определение LПЛ1 и LПЛ2 на графике плунжерной динамограммы
LПЛ1 - фактичеϲкое уменьшение выϲоты ϲтолба жидкоϲти в НКТ над плунжером при ходе штока
вверх, замеряемое по плунжерной динамограмме;
LПЛ2 - фактичеϲкое увеличение выϲоты ϲтолба жидкоϲти в НКТ над плунжером при ходе штока
вниз, замеряемое по плунжерной динамограмме;
LПЛ - ход плунжера от нулевой отметки до наибольшего значения.
Выводы по
главе 3
Была произведена разработка структуры системы, описаны модели
проектируемой системы, выбран элементная база для создания системы. Описаны
методы и алгоритмы работы системы
Глава 4.
Реализация результатов
4.1
Развернутый пример решения задач
.1.1 Описание
интерфейса ПО
Рисунок 4.1 - Структурная схема СИИС динамометрирования ШГН АКД -
аппаратура канала данных; К - контроллер станции управления; СЭ - силовые
элементы; БРЧЭ - блок регулировки частоты вращения электропривода ШГНУ; БИС -
барьеры искрозащиты; ИРП - источник резервного питания, Дис П - диспетчерский
пункт; КП - контролируемый пункт; ЛВС - локальная вычислительная сеть; OPC
(Object Linking and Embedding (OLE) for Process Control) - программные технологии
Предложена ИИС динамометрирования ШГНУ, а именно - система «ДДС» (рисунок
4.1), которая обеспечивает выполнение таких обязательных функций:
сбор и обработка данных, полученных с первичных ИП, в установленном на
объекте контроллере;
передача данных по проводным или беспроводным каналам связи на
диспетчерский пункт;
диагностирование состояния оборудования ШГН с выдачей управляющих
воздействий;
количественная оценка дебита СШНУ для выявления определенных сочетаний
параметров эксплуатации глубинно-насосного оборудования и геолого-технической
характеристики скважины для обеспечения максимально возможной подачи насоса.
.1.2 Выбор
параметров для оценки с помощью наблюдателей
f - приведенная площадь штанги - глубина погружения наϲоϲа- фактичеϲкое уменьшение выϲоты ϲтолба жидкоϲти в НКТ над плунжером при ходе штока
вверх, замеряемое по уϲтьевой динамограмме; - фактичеϲкое увеличение выϲоты ϲтолба жидкоϲти в НКТ над плунжером при ходе штока
вниз, замеряемое по уϲтьевой динамограмме;
К1 - коэффициент, учитывающий утечки в НКТ;
К2 - коэффициент, характеризующий изменение объема нефти, откачиваемой наϲоϲом, поϲле ее дегазации; К3 - коэффициент,
учитывающий утечки в наϲоϲе. ПЛ1 - фактичеϲкое уменьшение выϲоты ϲтолба жидкоϲти в НКТ над плунжером при ходе штока
вверх, замеряемое по плунжерной динамограмме; LПЛ2 - фактичеϲкое увеличение выϲоты ϲтолба жидкоϲти в НКТ над плунжером при ходе штока
вниз, замеряемое по плунжерной динамограмме; LПЛ - ход плунжера от нулевой
отметки до наибольшего значения.
.1.3
Теоритеческое обоснование применения наблюдателей
Задача динамического наблюдения
Задача динамического наблюдения, которая сначала называлась
задачей асимптотического наблюдения, в существующем виде сформулирована
американским ученым Д. Люенбергером в 1971 году. Термины «динамическое
наблюдение» или «асимптотическое наблюдение» не полностью отражают существо
проблемы, которая состоит в решении задачи восстановления вектора состояния
динамического объекта (процесса) в специально создаваемой динамической среде
на основе доступной информации. Следует заметить, что доступная информация
может быть представлена в двух формах: в форме результатов непосредственных
измерений и модельной форме динамической среды, генерирующей
экзогенное воздействие.
Не всегда удается обеспечить и асимптотический характер процесса
наблюдения в силу неполной измеримости переменных и воздействий, наличия
неконтролируемых помех, неучтенные факторы модельного и сигнального характера и
т.д. В этой связи представляется наиболее корректным использовать понятие «динамическое
наблюдающее устройство» (ДНУ), возможно также появление терминологического
вульгаризма «наблюдатель».
Первоначально основной сферой использования ДНУ были динамические
системы, в состав которых входят формирователи сигналов управления,
использующих информацию в виде прямых и обратных связей по состоянию объекта
или источника конечномерного экзогенного воздействия. В настоящее
время сфера использования ДНУ заметно расширилась за счет нового поколения измерительных
комплексов, которые решают задачу формирования результата измерения в
алгоритмической среде ДНУ. Ниже рассматриваются вопросы, связанные с
использованием ДНУ в составе формирователей сигналов управления.
В предыдущих разделах рассмотрены алгоритмы формирования сигналов
управления, опирающиеся на единую системную концепцию подобия, которая реализовалась
в одном случае в методе модального управления динамическим объектом, в
другом - методе обобщенного изодромного управления. Прежде, чем решать
задачи динамического наблюдения в рамках каждого из этих методов управления
дадим общесистемное определение динамическому наблюдающему устройству.
В общесистемной постановке наибольшее количество информации о ходе
управляемых процессов (динамических объектов) содержится в векторе состояния,
который характеризуется наибольшей по сравнению с другими переменными процесса
размерностью. Но состояние есть скрытая (внутренняя) переменная, несущая полную
информацию о системном «секрете» процесса, она не должна быть доступна
непосредственному измерению в полном объеме. Внешними переменными являются
вектор выхода, вектор сигнала управления, вектор ошибки
воспроизведения задающего экзогенного воздействия, иногда само
воздействие. Информационная среда может быть дополнена моделью источника
экзогенного воздействия (МИЭВ).
Теперь можно дать определение динамического наблюдающего устройства
(ДНУ).
Определение 4.1 (О.4.1). Динамическое наблюдающее устройство представляет
собой техническую или алгоритмическую среду, которая реализует
функциональное отображение
всех доступных непосредственному измерению: компонентов
задающего воздействия
, компонентов
вектора ошибки
, сигнала управления
, компонентов
вектора выхода
, а возможно и компонентов
вектора состояния
в вектор
оценки вектора состояния, обладающий
асимптотическим свойством, что представляется записью
,(4.1)
где
- матрица в общем случае особого (необратимого)
преобразования.
В большинстве практических случаев задача динамического наблюдения
решается на парах
, а в случаях, когда задача сводится к автономной версии
динамической системы - то на векторах выхода
или ошибки
.
Примечание 4.1 (ПР.4.1). Ниже рассматриваются проблемы синтеза динамического
модального и динамического обобщенного изодромного управлений, которые
решаются на основе агрегирования динамических наблюдающих устройств и устройств
формирования сигналов управления, полученных на основе гипотезы о полной
измеримости вектора состояния объекта. В этой связи модальное управление и
обобщенное изодромное управление, сформированные таким образом (т.е. методами,
описанными в разделе 15) в отличие от динамических будем именовать алгебраическим
модальным и алгебраическим обобщенным изодромным управлениями.
Рассмотрим случай модального управления. Поставим задачу
формирования наблюдающего устройства, позволяющего восстановить вектор
состояния непрерывного динамического
объекта, имеющего векторно-матричное описание
(4.2)
где
.
Прежде, чем приступить к решению задачи формирования динамического
наблюдающего устройства, рассмотрим одну «гипотетическую» ситуацию. Для
этого предположим, что
, тогда при полной измеримости вектора
вектор
состояния объекта (4.2) при
полной его неизмеримости может быть восстановлен в силу соотношения
(4.3)
Нетрудно видеть, что такое наблюдающее устройство следует назвать «статическим»,
так как оно обладает нулевой динамикой.
На основе рассмотренной «гипотетической» ситуации можно сформулировать
следующее утверждение без доказательства.
Утверждение 4.1 (У4.1). Для корректного функционирования
динамического наблюдающего устройства, при котором могут быть восстановлены все
компонентов вектора
состояния объекта, у которого
, необходимо выполнение условия
, ■□(4.4)
где
вектор состояния динамического наблюдающего устройства.
Примечание 4.2 (ПР.4.2). Ситуация, когда имеет место выполнение
неравенства
, используется в случае, когда процесс измерения вектора
динамического объекта сопровождается
заметными помехами так, что на ДНУ возлагаются задача восстановления
вектора состояния объекта с одновременной фильтрацией измерений.
Вернемся к соотношению (4.1) для анализа системной нагрузки, возлагаемой
на матрицу подобия
размерности
. Размерность и вид этой матрицы полностью отражает все
многообразие вариантов построения динамических наблюдающих устройств, так:
если
при
и при этом
, то динамическое наблюдающее устройство строится полной
размерности и в базисе наблюдаемого динамического объекта;
если
при
и при этом
, то динамическое наблюдающее устройство строится полной
размерности в базисе, не совпадающем с базисом наблюдаемого
динамического объекта, чаще всего это какой-либо канонический базис;
если
при
, то динамическое наблюдающее устройство строится неполной
размерности в произвольном базисе, чаще всего это какой-либо канонический
базис; в этом случае для восстановления всех компонентов вектора состояния
объекта используется композиция из измерения вектора выхода и вектора состояния
ДНУ, а также матрица, составленная из матриц
.
Динамические наблюдающие устройства полной размерности в базисе исходного
объекта строятся на основе следующих системных соображений, содержащихся
в следующем утверждении.
Утверждение 4.2 (У.4.2). Динамическое наблюдающее устройство вектора
состояния непрерывного объекта
управления (4.2), реализующее алгоритм наблюдения, записываемый в
векторно-матричной форме
,(4.5)
где
вектор состояния ДНУ,
, характеризуется процессом
сходимости оценки
к оцениваемому вектору
состояния объекта (4.2),
определяемым алгебраическим спектром собственных значений матрицы
. □(4.6)
Доказательство. Для доказательства справедливости сформулированного
утверждения введем в рассмотрение вектор
невязки наблюдения, который
для общего случая задачи наблюдения имеет представление
, (4.7)
а для рассматриваемого случая в силу равенства
принимает вид
. (4.8)
Нетрудно видеть, что процесс сходимости
к оцениваемому вектору
в форме (4.1) с использованием
вектора
невязки наблюдения принимает вид
. (4.9)
Построим модель динамики сходимости процесса наблюдения, используя вектор
невязки наблюдения (4.8).Дифференцирование по времени (4.8) с последующей
подстановкой в результат дифференцирования соотношений (4.2) и (4.5) дает
,
что записывается в форме
,(4.10)
откуда для вектора
невязки наблюдения можно записать
■(4.11)
Примечание 4.3 (ПР.4.3). Если начальные состояния объекта управления
(4.2) и ДНУ (4.5), то в силу (4.11) невязка наблюдения
и наблюдаемый вектор
и его оценка
тождественно совпадают, то есть
выполняется соотношение
Введем определение динамического модального управления.
Определение 4.2 (О.4.2). Динамическим модальным управлением будем
называть управление вида (15.48), в котором отрицательная обратная связь по
вектору
состояния объекта управления
заменена на обратную связь по вектору
оценки вектора
, формируемому в зависимости от реализации
матрицы
в силу соотношений:
. при 

(4.12)
. при
(4.13)
. при
(4.14)
Построим теперь алгоритм синтеза динамического модального управления для
случая формирования оценки
вектора
состояния объекта вида (4.12), формируемой в среде ДНУ (4.5).
АЛГОРИТМ 4.1 (А.4.1)
синтеза динамического модального управления
. Выполнить п.п.1 - 10 алгоритма 15.1;
. Сформировать динамическое наблюдающее устройство вида (4.5);
. Назначить желаемую структуру собственных значений матрицы (4.6)
;
. Вычислить матрицу
, доставляющую матрице
желаемую структуру мод, для чего в
одном из канонических базисов построить матрицу
на спектре собственных значений
матрицы
, выбрать произвольную матрицу 
- наблюдаемая пара матриц,
, решить матричное уравнение
Сильвестра
(4.15)
относительно матрицы
подобия
и получить
(4.16)
. На основании алгоритма (15.48)
формирования сигнала алгебраического
модального управления сформировать алгоритм динамического модального
управления (ДМУ), осуществив замену
на
, в результате чего алгоритм ДМУ
принимает вид
;(4.17)
. Осуществить предварительную проверку корректности синтеза ДНУ путем
оценки влияния наблюдателя (4.5) на динамические свойства системы с алгоритмом
ДНУ (4.17), придающего системе (15.42)
,
,
вид
,
,
,(4.18)
на основе составной системы, образованной из (4.18) и модели невязки
наблюдения (4.10).Составная система с вектором состояния
(4.19)
характеризуется матрицами
(4.20)
и позволяет вынести суждения о том, что:
собственные значения матрицы
состояния системы с алгебраическим
модальным управлением и матрицы
состояния ДНУ независимы (разделены);
наблюдатель не сказывается на переходной характеристики системы в силу
условия
динамика наблюдателя в основном влияет на процессы, порождаемые ненулевым
начальным состоянием объекта в силу условия
В случае неудовлетворительных по качеству процессов при ненулевом
начальном состоянии динамического объекта вернуться в п.2 алгоритма, иначе
перейти к п.7;
. Выполнить п.12 алгоритма 15.1.
Динамические наблюдающие устройства произвольной размерности и в
произвольном базисе строятся на основе следующих системных соображений,
содержащихся в следующем утверждении.
Утверждение 4.3 (У.4.3). Динамическое наблюдающее устройство вектора
состояния непрерывного объекта
управления (4.2), реализующее алгоритм наблюдения, записываемый в
векторно-матричной форме
,(4.21)
где
вектор состояния ДНУ,
; характеризуется процессом
сходимости оценки
к оцениваемому вектору
состояния объекта (4.2),
определяемым алгебраическим спектром собственных значений матрицы
, в форме (4.1)
, где матрица
преобразования подобия (в общем
случае особого) определяется из решения матричного уравнения Сильвестра
,(4.22)
при этом матрица
задается в одном из канонических базисов, матрица
является произвольной, но такой, что
, пара матриц
является управляемой, матрица
вычисляется в силу соотношения
□(4.23)
Доказательство утверждения строится на модели динамики вектора невязки
наблюдения (4.7), для которого с использованием модели наблюдаемого объекта
(4.2) и ДНУ (4.21) можно записать цепочку векторно-матричных соотношений
Подстановка в полученное выражение соотношений (4.22) и (4.23) дает для
вектора невязки наблюдения
,(4.24)
откуда для вектора
невязки наблюдения можно записать
■(4.25)
Примечание 4.4 (ПР.4.4). Прежде, чем конструировать алгоритмы синтеза динамического
модального управления отметим, что
ДНУ в форме (4.21) обслуживает как случай (4.13), так и случай (4.14), но
алгоритмы синтеза ДМУ будут различаться.
АЛГОРИТМ 4.2 (А.4.2)
синтеза динамического модального управления для случая (4.13)
формирования оценки вектора состояния объекта
. Выполнить п.п.1 - 10 алгоритма 15.1;
. Сформировать динамическое наблюдающее устройство вида (4.21) с матрицей
состояния ДНУ в одном из канонических
базисов и с заданной структурой собственных значений, определяемой желаемым
темпом сходимости оценки к оцениваемому вектору состояния объекта;
. Назначить матрицу
:
(4.26);
. Решить матричное уравнение Сильвестра (4.22) относительно матрицы
, сформировать матрицу входа
ДНУ в форме (4.23);
. На основании алгоритма (15.48)
формирования сигнала алгебраического
модального управления сформировать алгоритм динамического модального
управления (ДМУ), осуществив замену
на
, в результате чего алгоритм ДМУ
принимает вид
;(4.27)
. Осуществить предварительную проверку корректности синтеза ДНУ путем
оценки влияния наблюдателя (4.21) на динамические свойства системы с алгоритмом
ДНУ (4.21) в соответствии с п.6 алгоритма 4.1 с точностью до замены
;
. Выполнить п.12 алгоритма 15.1.
АЛГОРИТМ 4.3 (А.4.3)
синтеза динамического модального управления для случая (4.14)
формирования оценки вектора состояния объекта
. Выполнить п.п.1 - 4 алгоритма 4.2;
. На основании алгоритма (15.48)
формирования сигнала алгебраического
модального управления сформировать алгоритм динамического модального
управления (ДМУ) вида
,(4.28)
в котором матрицы
подчинены матричным соотношениям
(4.29)
. Пользуясь (4.28),(4.29) и (4.7) записать динамическое модальное
управление в форме
.(4.30)
. Осуществить предварительную проверку корректности синтеза ДНУ путем
оценки влияния наблюдателя (4.21) на динамические свойства системы с алгоритмом
ДНУ (4.21) в соответствии с п.6 алгоритма 4.1 с точностью до замены
;
. Выполнить п.12 алгоритма 15.1.
Рассмотрим случай синтеза динамического обобщенного изодромного
управления. Этот случай в своих базовых системных компонентах алгоритмически
подобен случаю синтеза динамического модального управления. Синтез
динамического обобщенного изодромного управления непрерывным объектом
осуществляется в соответствии с приводимым ниже алгоритмом.
АЛГОРИТМ 4.4 (А.4.4)
синтеза динамического изодромного управления непрерывным объектом
. Сформировать объект наблюдения, для чего решить задачу синтеза алгебраического
обобщенного изодромного управления динамическим объектом (4.2)
,
, выход
которого в установившемся режиме
должен безошибочно
воспроизводить (следить) конечномерное входное
воздействие
, генерируемое источником вида (11.13)
,
,
. Объектом управления и наблюдения
в рассматриваемой задаче является динамический объект, имеющий
векторно-матричное описание
(4.31)
где
.
Закон обобщенного изодромного управления
(4.32)
совместно с (4.31) образует динамическую систему
(4.33)
матрица состояния которой
структурой своих собственных значений обеспечивает требуемый
темп и качество сходимости ошибки слежения
к нулю.
Измеряемыми переменными динамического объекта (4.31) являются вектор управления
и вектор ошибки
, что позволяет сконструировать динамический
наблюдатель вектора состояния
, а следовательно реализовать динамическое
обобщенное изодромное управление;
. Выполнить п.п.2-4 с точностью до замены
,
алгоритма 4.2;
. На основании алгоритма (4.32) формирования сигнала алгебраического
обобщенного изодромного управления сформировать алгоритм динамического
обобщенного изодромного управления (ДОИУ) вида
,(4.34)
в котором матрицы
подчинены матричным соотношениям
(4.35)
. Пользуясь (4.34),(4.35) и (4.7) записать динамическое обобщенное
изодромное управление в форме
(4.36)
. Пользуясь моделью (4.31), управлением (4.36) осуществить
предварительный контроль корректности формирования ДНУ
путем исследования составной системы
с системными компонентами
и модели невязки наблюдения
. В случае неудовлетворительных
результатов перейти к п.2 алгоритма, в противном случае - к п.6;
6. Провести комплексное компьютерное исследование спроектированной
системы с динамическим обобщенным изодромным управлением в среде компьютерного
моделирования Simulink программной оболочки Matlab с целью оценки достигнутых
показателей качества процессов в переходном и установившемся режимах.
4.1.4
Разработка модели оценки параметра в Matlab Simulink
.1.4.1
Структурная схема исходной системы
Рисунок 4.1 - Структурная схема исходной системы
Таблица 1. Исходные значения параметров системы
|
k1
|
k2
|
k3
|
Т1, с
|
Т2, с
|
Т3, с
|
|
2,5
|
1,4
|
0,7
|
1,3
|
2
|
1
|
Распределение корней соответствует биномиальной стандартной линейной
форме (A1=2).
Измеряемая координата - х1.
4.1.4.2 Модель объекта в пространстве состояний
Векторно-матричная форма записи объекта управления
где
- вектор-столбец координат состояний,
А, B,M - матрицы коэффициентов; dim A = n´n, dim B = n´1, dim M = n´1.
Найдем А,B и M, для чего представим наш объект
управления в виде системы линейных стационарных дифференциальных уравнений в
нормальной форме Коши.
Из системы уравнений находим:
Собственная матрица ОУ
Матрица при управляющем воздействии:
Матрица при возмущающем воздействии:
Расчет установившихся значений переходных процессов
Из векторно-матричного уравнения ОУ при t
;
При управляющем воздействии: u = 1; f= 0
;

При управляющем воздействии: u = 0 f= 1
;
4.1.4.3
Переходные процессы в объекте управления
Рисунок 4.2 - Переходные процессы в объекте управления
.1.4.4
Параметры переходных процессов
При управляющем воздействии.
Схема при управляющем воздействии, где все сигналы на возмущение делаем
равным нулю.
Установившиеся значения управляемых координат x1 и x2
при t → ∞:
xуст1=0; xуст2=2.5
Показатели качества:
) время регулирования
Tрег1=13,1(с); Tрег2=11,2(с)
) максимальное перерегулирование (%)
у1=inf; у2=
29,9;
При возмущающем воздействии.
Установившиеся значения управляемых координат x1 и x2
при t → ∞:
xуст1= 0.468; xуст2= -0.714
Показатели качества:
) время регулирования
Tрег1= 1(с); Tрег2= 3.82(с)
) максимальное перерегулирование (%)
у1= 29.9; у2= 66.8;
Результаты поиска установившихся значений координат состояния опытным
путем совпали с результатами аналитических расчетов
Синтезировать наблюдатель Люенбергера полного порядка с распределением
корней характеристического полинома по биномиальной стандартной линейной форме
и среднегеометрическим корнем, равным
.
Примем
В качестве измеряемой координаты вектора состояния принять х1.
Динамическая подсистема для оценивания вектора координат состояния
строится на основе математической модели ОУ путем ее дополнения
«стабилизирующей добавкой»
[1]. Так как в системе производится прямое измерение х2,
матрица выхода
,
а сам вектор выходных (измеряемых) переменных:
.
На основании последних соотношений и системы уравнений
.1.5
Математическая модель наблюдателя Люенбергера полного порядка
4.1.5.1
Проверка условия наблюдаемости объекта
выражаемого требованием равенства ранга матрицы наблюдаемости порядку ОУ rang(Н) = 2 [1].
Матрица наблюдаемости для принятого объекта (3.1) равна
,
=
rang(Н) = 2, что
удовлетворяет условию наблюдаемости.
Включение в подсистему оценивания координат «стабилизирующей добавки»
влияет на собственные динамические свойства наблюдателя, которые должны
обеспечить требуемую форму и качество свободных составляющих переходного
процесса. По этой причине элементы матрицы L определяются из нормированного характеристического полинома Dн(р), который предлагается принять соответствующим
биномиальной стандартной линейной форме [1]:
.
Увеличение среднегеометрического корня
по соотношению к
позволяет разнести темпы процессов в
синтезированной САУ с модальным регулятором и в подсистеме оценивания координат
состояния, в результате чего наличие наблюдателя Люенбергера практически не
оказывает влияния на динамику системы управления [1].
Характеристический полином наблюдателя
Приравняв соответствующие коэффициенты
и
, получим:
.1.5.2 Структурная схема синтезированной замкнутой системы с наблюдателем
Люенбергера полного порядка и модальным регулятором
Рисунок 4.3 - Структурная схема СМУ с наблюдателем полного порядка
Рисунок 4.5 Переходные процессы «ОУ + НПП»
а) по управляющему воздействию с нулевыми начальными условиями,
структурный синтез наблюдателя выполнен правильно, координаты и их оценки
совпадают.
б) по возмущающему воздействию с нулевыми начальными условиями,
статические ошибки наблюдения координат состояния ОУ:
равны расчетным значениям, расчет выполнен верно
причина возникновения указанных ошибок заключается в том, что при синтезе
НПП не учитывается влияние неконтролируемых возмущений.
в) по управляющему воздействию с отклонениями по начальным условиям
Работа наблюдателя Люенбергера при отклонениях по начальным условиям: в
момент времени от 0 до 1с координаты наблюдателя и ОУ не совпадают, далее
оценки втягиваются и наблюдатель отслеживает работу координат ОУ для координаты
х2
Для координаты х1 время притягивания оценки 0,5с
Рисунок 4.6 - Переходные процессы в системе СМУ замкнутой через НПП.
а) по управляющему воздействию с нулевыми начальными условиями,
прямые показатели качества по выходной координате:
) время регулирования: Трег2=6,16с 2) максимальное
перерегулирование: уmax2=0%
Влияние наблюдателя на качество СМУ не оказывается;
б) по возмущающему воздействию с нулевыми начальными условиями,
статические ошибки наблюдения
равны ошибкам наблюдения в системе “ОУ + НПП”,
При замыкании СМУ через НПП значения ошибок наблюдения не изменяется.
в) по управляющему воздействию с отклонениями по начальным
Тпп- время переходного процесса, Тпр- время
притягивания оценки
коэффициент разделения движения СМУ и наблюдателя К= Tпп/ Tпр= 10/1=10 равен принятому при расчетах. Параметрический
синтез наблюдателя выполнен верно.
.1.6
Математическая модель наблюдателя Люенбергера неполного порядка
Вектор неизмеряемых переменных z = C1X определяется как n - k и в соответствии с условиями
[1]
где
- невырожденная матрица, состоящая из двух блоков С и С1.
Матрицы
,
Таким образом, наблюдатель Люенбергера пониженного порядка можно описать
дифференциальным уравнением [1]:
Составим однородное уравнение, обнуляя внешнее воздействие (
)
Характеристический полином НПнП:
1. Приводя его к нормированной форме:
Коэффициент:
Исключим производную y,
вводя вспомогательную переменную
В результате получим систему уравнений, описывающих наблюдатель
пониженного порядка
Рисунок 4.7 - Структурная схема СМУ с наблюдателем пониженного порядка
Рисунок 4.8 - Переходные процессы «ОУ + НПнП»
а) по управляющему воздействию с нулевыми начальными условиями,
Структурного синтез наблюдателя выполнен верно: координата и её оценка
совпадают.
б) по возмущающему воздействию с нулевыми начальными условиями,
статическая ошибка наблюдения:
равна расчетной, расчет выполнен верно
причина возникновения указанных ошибок заключается в том, что при синтезе
НПнП не учитывается влияние неконтролируемых возмущений.
в) по управляющему воздействию с отклонением по начальным условиям
Работа НПнП при отклонениях по начальным условиям: в момент времени от 0
до 0.5с координаты наблюдателя и ОУ не совпадают, далее оценка притягивается и
наблюдатель отслеживает работу координаты х1.
Рисунок 4.9- Переходные процессы в системе СМУ замкнутой через НПнП.
а) по управляющему воздействию с нулевыми начальными условиями,
прямые показатели качества по выходной координате:
) время регулирования: Трег2=6,16(с) 2) максимальное
перерегулирование: уmax2=0%
Влияние наблюдателя на качество СМУ не оказывается;
б) по возмущающему воздействию с нулевыми начальными условиями,
статическая ошибка наблюдения
,
равна ошибке наблюдения в системе “ОУ + НПнП ”,
При замыкании СМУ через НПнП значение ошибки наблюдения в установившемся
режиме не изменяется.
в) по управляющему воздействию с отклонениями по начальным условиям
коэффициент разделения движения СМУ и наблюдателя К= Tпп/ Tпр= 10,5/0.9=11,7 больше принятого при расчетах.
Параметрический синтез наблюдателя выполнен верно.
г) Коэффициент разделения движений, экспериментально определенный для
системы модального управления с наблюдателем пониженного порядкавыше
соответствующего коэффициента для СМУ, замкнутой через наблюдатель полного
порядка; быстродействие НПнП выше НПП.
.1.7 Ошибка,
обусловленная действием неконтролируемого возмущающего воздействия на
наблюдатель
Определим ошибку наблюдения координат состояния ОУ, обусловленную
действием неконтролируемого возмущающего воздействия на наблюдатель Люенбергера
пониженного порядка.
Для определения ошибки в установившемся режиме возьмем предел при t→∞:

Определим ошибку наблюдения координат состояния объекта управлени,
обусловленную действием неконтролируемого возмущающего воздействия на
наблюдатель Люенбергера пониженного порядка
y=x2, z=x1
Ошибка
Приведем эквивалентные преобразования:
Для определения ошибки в установившемся режиме возьмем предел при t→∞
:
Увеличение среднегеометрического корня
наблюдателя позволит повлиять на величину ошибки.
Результаты поиска ошибки наблюдения координат состояния объекта
управления обусловленной действием неконтролируемого возмущающего воздействия
на наблюдатели Люенбергера полного и пониженного порядков опытным путем совпали
с результатами аналитических расчетов.
4.2 Описание
ПО
Важным элементом любой ϲиϲтемы динамометрирования, определяющим ее эффективноϲть, являетϲя программно-математичеϲкое обеϲпечение, оϲущеϲтвляющее ϲбор, накопление и архивацию данных,
диагноϲтирование наϲоϲного и наземного оборудования.
Оϲновное назначение программного обеϲпечения (ПО) ϲиϲтем динамометрирования - это диагноϲтика ϲоϲтояния и раϲчетпроизводительноϲти наϲоϲного оборудования.
Диагноϲтика предполагает оперативный контроль работы подземного оборудования,
который включает:
а) определение по программе причин, вызвавших ϲнижение или
прекращение подачи наϲоϲа;
б) выбор и назначение нужного вида подземного ремонта;
в) проверку качеϲтва произведенного ремонта.
В наϲтоящее время разработкой программного обеϲпечения информационно-измерительных ϲиϲтем (ИИС), а в чаϲтноϲти ИИС динамометрирования ϲкважин занимаютϲя целый ряд фирм. Из зарубежных
производителей наиболее извеϲтна компания Lufkin Automation (Texas, USA), из роϲϲийϲких - перечиϲленные выше.
В большинϲтве ϲлучаев определение того или иного вида неиϲправноϲти в работе оборудования проиϲходит по внешнему виду графика
динамограммы, что повышает требования к точноϲти уϲтройϲтв, измеряющих нагрузку на шток ϲтанка-качалки и его перемещение. Доϲтаточная точноϲть обеϲпечиваетϲя при уϲтановке датчика уϲилия между траверϲами канатной подвеϲки.
Определение производительноϲти наϲоϲной уϲтановки (дебита, Q) по динамограмме
являетϲя коϲвенным измерением, и вопроϲ о доϲтоверноϲти этого метода измерения
производительноϲти до ϲих пор оϲтаетϲя открытым. Неϲмотря на этот факт, в отчетах о
работе ϲкважины практичеϲки вϲе фирмы производят раϲчет дебита.
Анализ ϲущеϲтвующих на ϲегодняшний момент программ раϲчета дебита показал, что ни в одной
из них полученные значения не ϲовпадают ϲ доϲтаточной точноϲтью ϲ данными образцовых измерительных уϲтройϲтв количеϲтва жидкоϲти.
Неϲколько иначе оϲущеϲтвялетϲя контроль производительноϲти наϲоϲной уϲтановки в программеLufkin Automation,
в которой оцениваетϲя только наϲколько возможно увеличить добычу нефти, но не ее
количеϲтво.
В ПО фирмы «Интек» производитϲя автоматичеϲкий раϲчет ϲуточного дебита ϲкважины ϲ учетом проϲтоев и оϲтановов, а также ϲуммирование дебитов и раϲходов по куϲтам, бригадам, цехам, промыϲлам. Программа фирмы «Микон» приводит
оценку планового дебита ϲкважины.
С нашей точки зрения к вопроϲу определения дебита по динамограмме
нужно подходить очень оϲторожно. Данный параметр можно только оценивать.
Раϲϲмотрим, как внеобходимо реализовать
требования, предъявляемые к ПО ϲиϲтем динамометрирования.
Данные по нагрузке на полированный шток измеряютϲя межтраверϲным датчиком уϲилия, что обеϲпечивает необходимую точноϲть измерений.
Диагноϲтика производитϲя неϲколькими ϲпоϲобами:
непоϲредϲтвенно по виду графика уϲтьевой динамограммы;
ϲ помощью аппрокϲимации уϲтьевой динамограммы.
В ПО должна быть реализована аппрокϲимация иϲходной динамограммы для облегчения ее
ϲравнения ϲ принятыми в качеϲтве образцовых. Цель аппрокϲимации - иϲключить ϲлучайные помехи, уменьшить влияние
динамики передачи уϲилия от плунжера к траверϲе и др. Суть аппрокϲимации ϲоϲтоит в том, что реальная динамограмма
разбиваетϲя на неϲколько характерных учаϲтков, которые затем аппрокϲимируютϲя.
На данный момент в программе диагноϲтируютϲя целый ряд неиϲправноϲтей в работе ШГНУ:
утечки жидкоϲти из НКТ и клапанов - вϲаϲывающего и нагнетательного;
механичеϲкие неиϲправноϲти, такие как выϲокая и низкая поϲадка плунжера, обрыв штанг, прихват
плунжера и т.д.;
проблемы, ϲвязанные ϲ откачкой жидкоϲти ϲ газом, пеϲком, парафином.
Вмеϲте ϲ тем, благодаря иϲпользованию ϲовременной элементной базы, динамограмма довольно
точно отражает процеϲϲы, проиϲходящие в наземном и глубиннонаϲоϲном оборудовании. В ϲвязи ϲ чем появляетϲя возможноϲть оценки такого важного параметра,
как производительноϲть наϲоϲной уϲтановки или дебита.
Извеϲтно неϲколько методик подϲчета дебита. В большинϲтве из них для определения
производительноϲти наϲоϲной уϲтановки необходима эффективная длина хода плунжера (SЭФ).
Этот параметр измеряетϲя по графику динамограммы [1].
В ПО иϲпользуютϲя различные алгоритмы нахождения полной (отрезок БВ, риϲунок ) и эффективной длины хода
плунжера (отрезок АГ, риϲунок ).
В программе реализована возможноϲть раϲчета дебита по неϲкольким методикам - фактичеϲкий, теоретичеϲкий, дебит по аппрокϲимирующей динамограмме, дебит по
эффективному ходу плунжера.
Интереϲным направлением ϲледует ϲчитать извеϲтные попытки определения дебита по плунжерной
динамограмме, что позволило бы иϲключить влияние целого ряда
возмущающих факторов. В ПО предуϲмотрена и такая возможноϲть.
Имеющееϲя на ϲегодняшний день количеϲтво датчиков динамометрирования позволяет организовать
планомерные и целенаправленные иϲϲледования по отработке алгоритмов
диагноϲтики и методик раϲчета дебита на предприятиях.
.3 Оценка
эффекта от иϲпользования результатов
В данном разделе приведён экономический расчёт проектирования.
.3.1 Оценка
прогрессивности опытно-конструкторской разработки
Технико-экономическое обоснование целесообразности разрабатываемых
проектно-конструкторских решений базируется на краткой характеристике
существующего уровня развития техники и технологии и основных направлений
совершенствования их показателей, а также на характеристике проблем, решаемых в
дипломном проекте, и полученных результатов. Это позволяет дать обоснованную
оценку технической прогрессивности модифицируемого устройства. При этом важно,
чтобы эта техника была экономически эффективна и имела высокое качество.
Качество же зависит от функционально-технических характеристик и оценивается
индексом технического уровня разрабатываемого устройства.
Функционально-технические характеристики проектируемой САУ и ее аналога,
а также их значимость приведены в табл. 4.3.1
Таблица 4.3.1 - Функционально-технические характеристики
|
Функционально-техническая характеристика
|
Единица измерения
|
Уровень функционально-технических характеристик
|
Значимость характеристики качества изделия
|
|
|
Проектируемая САУ
|
Аналог
|
|
|
Ошибка
|
0.1гр
|
5
|
2,4
|
0.2
|
|
Максимальная скорость
|
м/с
|
54
|
54
|
0.3
|
|
Точность
|
мм
|
20
|
50
|
0.5
|
Обобщающий показатель технического уровня дает наиболее полную и
комплексную оценку и является одновременно интегральным показателем качества
оцениваемого изделия.
Индекс технического уровня проектируемого устройства:
,
- значение i-й
функционально-технической характеристики соответственно проектируемой САУ и
аналога;
- значимость i-й
функционально-технической характеристики качества системы;- количество
рассматриваемых функционально-технических характеристик.
Значимость i-й функционально-технической характеристики
определяется экспертным путём, при
этом
В то же время технический уровень проектируемого устройства должен быть
увязан с долей влияния его как комплектующего изделия на конечный результат
функционирования через коэффициент Кв , величина которого
колеблется в пределах Кв £ 1. Тогда технический уровень
проектируемого устройства требуется скорректировать следующим образом:
Коэффициент технико-конструктивного уровня рассчитывается на основе трёх групп
характеристик проектируемого устройства (групп А, Б, В).
В группу А включают характеристики функционального совершенства,
отражающие потребительские свойства новой техники. В группу Б включают
характеристики функционального совершенства, отражающие надежность и
безотказность разрабатываемого устройства. В группу В включают конструктивные
характеристики разрабатываемого технологического процесса.
Функционально-технические характеристики приведены в табл.4.3.3.
Для каждой из групп характеристик проектируемой САУ определяется
показатель технического уровня по j-той группе (Кj):
где аij-
коэффициент важности i-ой
частной характеристики j- ой
группы;
mi- количество частных характеристик j- ой группы, m=3;
,
- значения i-ой
частной характеристики j-ой
группы для оцениваемого и базового варианта
nij - показатель направления прогрессивного изменения i-ой частной характеристики
j-ой группы;
nij = +1 - если прогрессивным является увеличение значения i-ой частной
характеристики j-ой группы;
nij = -1 - если прогрессивным является снижение значения i-ой частной
характеристики j-ой группы;
Это означает, что если рост совершенства проектируемой техники должен
сопровождаться снижением значений частной характеристики, то для оценки
прогрессивности по данной характеристике в формуле берется обратное соотношение
к
.
Таблица 4.3.3 - Значения функционально-технических характеристик по
каждой анализируемой группе
|
Направления прогрессивного изменения по группам
|
Уровень функционально-технических
характеристик
|
Важность частной характеристики
|
|
Проектируемая САУ
|
Аналог
|
|
|
А.Функциональное совершенство
|
5
|
2,4
|
0.2
|
|
Б.Эксплуатационное совершенство
|
54
|
54
|
0.4
|
|
В.Конструктивные характеристики
|
50
|
20
|
0.4
|
|
Итого
|
42,6
|
30,08
|
|
Коэффициент технико-конструктивного уровня устанавливается с учетом важности
каждой из групп анализируемых характеристик данного проектного решения:
где :
- коэффициент важности j-ой группы характеристик; является экспертной оценкой;
При этом
Коэффициент научного уровня характеризует научное качество разработки и отражает
следующие частные критерии: патентную чистоту разработки; новизну разработки;
сложность разработки.
Значения показателей научного уровня разрабатываемой САУ и ее аналога
обобщаются в табл. А.4.
Таблица 4.3.4 Значения показателей научного уровня
|
Коэффициент значимости показателя
|
Показатель
|
Характеристики показателя
|
|
|
Проектируемая САУ
|
Аналог
|
|
0.6
|
Патентная чистота
|
3
|
3
|
|
0.2
|
Новизна разработки
|
8
|
7
|
|
0.2
|
Сложность разработки
|
5
|
3
|
|
Итого
|
|
4,4
|
4,2
|
Коэффициент научного уровня определяется с учетом важности каждого из
частных критериев:
где ai - коэффициент важности i-го частного показателя научного
уровня разработки, является экспертной оценкой, 
,
- значения i-го
показателя научного уровня нового разработанного устройства и его аналога.
.3.2
Планирование разработки
Планирование разработки САУ заключается в выявлении состава работ,
необходимых для выполнения данной разработки, определении трудоемкости
отдельных работ и разработки в целом, а также в расчете параметров и построении
календарного плана разработки САУ. Определение трудоёмкости разработки ОКР.
Примерный состав работ по ОКР приведён в табл. 4.3.5
Таблица 4.3.5 - Состав работ по ОКР
|
Наименование этапа работ
|
Выполняемые работы
|
|
Разработка технического задания
|
Разработка основных тактико-технических характеристик
проектируемого изделия.
|
|
Разработка технического предложения
|
Разработка тактико-технических характеристик проектируемого
изделия, технико-экономическое обоснование целесообразности ОКР.
|
|
Разработка эскизного проекта
|
Разработка эскизного проекта; изготовление и испытание
макетов; рассмотрение и утверждение эскизного проекта.
|
|
Разработка технического проекта
|
Разработка и оформление конструкторской и технологической
документации.
|
|
Разработка рабочей документации на изделие, в том числе на
изготовление опытного образца
|
Разработка конструкторской документации, для испытания
опытного образца, изготовления и предварительные испытания опытного образца;
приёмочные испытания опытного образца; корректировка КД по результатам
приёмочных испытаний опытного образца.
|
|
Изготовление и испытание опытного образца
|
Изготовления и испытание опытного образца.
|
Структура трудоёмкости по отдельным этапам ОКР приведены в табл.4.3.6
Таблица 4.3.6 Структура трудовых затрат по этапам ОКР.
|
Наименование этапа ОКР
|
Удельный вес трудоёмкости этапа ОКР в общем объёме работ, %
|
|
Разработка технического задания
|
5,0
|
|
Разработка технического предложения
|
8,0
|
|
Разработка эскизного проекта
|
15,0
|
|
Разработка технического проекта
|
42,0
|
|
Разработка рабочей документации, в том числе на
изготовление опытного образца
|
14,0
|
|
Изготовление и испытание опытного образца
|
16,0
|
|
Итого
|
100,0
|
Календарное планирование.
Планирование работ осуществляется по календарному плану. Разработка
календарного плана производится на основе данных о трудоемкости работ.
Производственный цикл каждого этапа работ определяется по формуле:
,
где
- трудоемкость j-ой стадии (j-го этапа), чел.-час,
- продолжительность рабочего дня, час,
- количество работников, одновременно участвующих в
выполнении работ на j-ой стадии (j-ом этапе), чел.
Пересчет длительности производственного цикла в календарные дни
осуществляют умножением на коэффициент 1,4.
Трудоемкость 1% работы принимаем равной 3 чел. -час.
В таблице 4.3.7 приведен расчет календарного плана работ.
Таблица 4.3.7 - Расчет календарного плана работ.
|
Наименование этапов работ
|
Удельный вес, %
|
Трудоемкость этапа,чел.-час
|
Количество исполнителей, чел.
|
Продолжительность, календ. дни
|
|
Разработка технического задания
|
5
|
30
|
1
|
6
|
|
Подготовка технического предложения
|
8
|
36
|
1
|
7
|
|
Разработка эскизного проекта
|
15
|
30
|
2
|
3
|
|
Разработка технического проекта
|
42
|
45
|
2
|
4
|
|
Разработка рабочей документации
|
14
|
150
|
2
|
14
|
|
Изготовление и испытание опытного образца
|
16
|
105
|
2
|
10
|
|
Итого
|
100
|
396
|
10
|
44
|
Найдем длительности производственного цикла:
Пересчет длительности производственного цикла в календарные дни осуществляют
умножением ее на коэффициент k = 1,4. Тогда получаем длительности этапов,
выраженные в календарных днях:
t1=1.4*T1=6
t2=1.4*T2=7=1.4*T3=3=1.4*T4=4=1.4*T5=14=1.4*T6=10
Календарный график приведен на рисунке 4.3.1
Рисунок 4.3.1 - Календарный план работ
.3.3
Определение затрат, себестоимости и цены ОКР
Определение затрат на проектирование начинается с расчета затрат на
оплату труда персонала. Величина заработной платы определяется по формуле:
,
где k - количество этапов; Э i - трудоемкость i-го этапа;
ti - средняя часовая тарифная ставка оплаты работ i-го этапа.
Количество этапов k = А.
Результаты занесены в таблицу 4.3.8
Таблица 4.3.8 - Расчет заработной платы персонала при оценке затрат на
проектирование САУ.
|
№ стадии работ
|
Трудоемкость стадии (чел/час)
|
Исполнители
|
Дневная ставка (руб.)
|
Средняя дневная ставка (руб.)
|
Заработная плата (руб.)
|
|
|
Должность
|
Численность чел
|
|
|
|
|
1
|
30
|
Инженер
|
1
|
150
|
150
|
4500
|
|
2
|
36
|
Инженер
|
1
|
150
|
150
|
5400
|
|
3
|
30
|
Ведущий инженер
|
1
|
165
|
157,5
|
4725
|
|
|
Инженер
|
1
|
150
|
|
|
|
4
|
45
|
Инженер
|
1
|
150
|
157,5
|
7087,5
|
|
|
Ведущий инженер
|
1
|
165
|
|
|
|
5
|
150
|
Инженер
|
1
|
150
|
168,75
|
25312,5
|
|
|
Начальник отдела
|
1
|
187,5
|
|
|
|
6
|
105
|
Инженер
|
1
|
150
|
168,75
|
17718,75
|
|
|
Начальник отдела
|
1
|
187,5
|
|
|
|
Итого
|
396
|
|
|
|
|
64743,75
|
Величина заработной платы основных исполнителей является итогом табл.
4.3.8, скорректированным на процент премиальных выплат (~20%).
Стоимость материалов
определяется прямым счётом, а результаты заносятся в таблицы
4.3.9 и 4.3.10
Таблица 4.3.9 Стоимость материалов для нового устройства
|
№ п/п
|
Наименование материалов, полуфабрикатов, ПКИ
|
Количество в натуральном измерении
|
Цена за единицу, руб
|
Общая стоимость ,руб.
|
|
Итого
|
294 500
|
|
|
|
|
|
|
Таблица 4.3.10 - Стоимость материалов для аналога
|
№ п/п
|
Наименование материалов, полуфабрикатов, ПКИ
|
количество в натуральном измерении
|
Цена за единицу, руб
|
Общая стоимость ,руб.
|
|
Итого
|
359 000
|
|
|
|
|
|
|
В таблицах 4.3.11 и 4.3.12 приведены сметы затрат на проектирование новой
САУ и аналога.
Таблица 4.3.11 - Смета затрат на проектирование нового устройства.
|
№ п/п
|
Наименование статей затрат
|
Затраты (руб.)
|
Удельный вес (%)
|
|
1.
|
Материалы, ПКИ
|
70
|
|
2.
|
Заработная плата основных исполнителей
|
64 743
|
15
|
|
Премия основных исполнителей 33%
|
21 579
|
5
|
|
3
|
Отчисления на пенсионное, медицинское и социальное
страхование
|
25 897
|
6
|
|
4
|
Накладные расходы (20% от зарплаты)
|
17 265
|
4
|
|
Итого
|
423 987
|
100
|
Таблица 4.3.12 Смета затрат на проектирование аналога
|
№ п/пНаименование статей затратЗатраты (руб.)Удельный вес
(%)
|
|
|
|
|
1.
|
Материалы, ПКИ
|
359 000
|
74
|
|
2.
|
Заработная плата + премия основных исполнителей
|
86 325
|
18
|
|
3
|
Отчисления на пенсионное, медицинское и социальное
страхование
|
25 897
|
5
|
|
4
|
Накладные расходы (20% от зарплаты)
|
17 265
|
3
|
|
Итого
|
488 487
|
100
|
Удельные затраты на разработку нового устройства определяются по формуле:
,
Зр - затраты на проектирование нового устройства.
- объём производства проектируемого нового устройства.
Удельные затраты на разработку аналога:
Определение себестоимости и цены САУ в серийном производстве.
Себестоимость в серийном производстве определяется методом удельных
весов:
,
где СНТ - себестоимость производства НТ;
СПКИ - стоимость покупных
комплектующих изделий (ПКИ), используемых при производстве НТ;ПКИ -
удельный вес стоимости ПКИ в себестоимости НТР (dПКИ=0,6)
Себестоимость аналога:
Цена новой САУ с учетом
рентабельности ( r=10%) будет определяться по формуле:
Цена аналога:
Определение затрат на
эксплуатацию нового устройства.
Найдем эксплуатационные
затраты для проектируемой САУ.
Амортизационные
отчисления:
где
- срок службы.
Затраты на текущий ремонт
техники:
,
где
- норматив расхода средств на ремонт в процентах от
оптовой цены;
=5%.
Затраты на электроэнергию:
где
- потребляемая мощность (кВт);
- время работы нового устройства (час);
- стоимость 1 кВт×ч энергии (производственный
тариф),
Заработная плата
персонала, обслуживающего технику.
ОТ - время технического обслуживания, выполняемого за
год (час)r - удельный вес стоимости устройства в стоимости
обслуживаемой техники.
ф - среднечасовая ставка
оплаты труда (руб)- количество работников, занятых техническим обслуживанием
Найдем эксплуатационные
затраты для аналога.
Амортизационные
отчисления:
где
- срок службы.
Затраты на текущий ремонт
техники:
,
где
- норматив расхода средств на ремонт в процентах от
оптовой цены;
=5%.
Затраты на электроэнергию:
где
- потребляемая мощность (кВт);
- время работы нового устройства (час);
- стоимость 1 кВт×ч энергии
(производственный тариф),
Заработная плата
персонала, обслуживающего технику.
ОТ - время технического обслуживания, выполняемого за
год (час)r - удельный вес стоимости устройства в стоимости
обслуживаемой техники.
ф - среднечасовая ставка
оплаты труда (руб)- количество работников, занятых техническим обслуживанием
Величины годовых
эксплуатационных затрат, различающихся у аналога и разрабатываемого устройства,
являются итогами расчетов, отраженными в табл. 4.3.13
Таблица 4.3.13 - Годовые
эксплуатационные затраты
|
Наименование статей затрат
|
Величина затрат, руб.
|
|
Проектируемая САУ
|
Анало
|
|
Заработная плата персонала, обслуживающего технику
|
5 000
|
7 000
|
|
Амортизационные отчисления
|
53 992
|
65 817
|
|
Расходы на электроэнергию
|
23 362
|
26 700
|
|
Расходы на ремонт
|
107 983
|
131 633
|
|
ИтогоЗэкс=
|
190 337
|
231 150
|
4.3.4
Определение и оценка показателей экономической эффективности ОКР
Экономичность технической эксплуатации:
,
где
,
- годовые эксплуатационные затраты по базовой и
проектируемой технике.
Уровень технико-экономической прогрессивности техники:
Так как экономический эффект ожидается от производства нового изделия, то
он определяется по формуле:
где СБ,СН -
полная себестоимость базовой и новой техники соответственно, руб., СБ=490833
, CН=598333;
- годовой объём производства новой техники; 1 шт.
Уровень экономической эффективности разработки нового устройства в
рамках ОКР определяется с учётом производственных затрат:
где
- свободная отпускная цена, руб.;
- удельные затраты на разработку нового устройства, руб.
Свободная отпускная цена рассчитывается по формуле:
где
- цена базового устройства;
- полезный эффект от применения нового устройства;
- доля полезного эффекта, учитываемая в цене нового
устройства (
=0,7);
Срок окупаемости вложений в создание нового устройства, лет:
Вывод
по главе 4
На основании проведенных расчетов можно сделать вывод о том, что
разработка проекта САУ, является экономически обоснованной и целесообразной
научно-технической продукцией.
Данная разработка имеет уровень экономической эффективности
капиталовложений на разработку порядка 0,32. Таким образом можно гарантировать
окупаемость вложений чуть более чем за три года.
Заключение
В данном дипломном проекте была разработана система для диагностики и
управления штанговой глубинно-насосной установки, соответствующее техническому
заданию.
В обзорной части был сделан обзор существующих систем управления ШГНУ,
обзор методов анализа работы ШГНУ.
В конструкторской части была разработана структурная схема, произведен
выбор и расчет блоков принципиальной схемы, была рассчитана потребляемая
мощность и надежность каждого блока.
Расчет погрешностей производится в метрологической части.
В технологической части была рассмотрена технология изготовления печатных
плат.
В организационно-экономической части был произведен
функционально-стоимостной анализ и произведен расчет экономической
целесообразности изготовления системы.
В части безопасность и экологичность проекта рассмотрены задачи обеспечения
безопасности на рабочем месте оператора, контролирующего работу штанговой
глубинно-насосной установки.
В патентной проработке был произведен поиск аналогичных разработок, были
выявлены основные признаки разрабатываемого объекта и прототипа, отличитильные
признаки и технико-экономические преимущества разрабатываемого объекта.
Список
литературы
1. РД 153-39.1-2852-02 Руководство по эксплуатации
скважин установками скважинных штанговых насосов в ОАО «Татнефть». Альметьевск:
Изд-во ОАО «Татнефть». 229 с.
. Кричке В.О. Экспериментально-расчетный метод
производительности скважинной штанговой насосной установки // Нефтяное
хозяйство. 1989.-№Б.-С. 50-54.
. Тахаутдинов Ш.Ф., Фархуллин Р.Г., Муслимов P.X,
Сулейма-нов Э.И., Никашев О.А., Губайдуллин А.А. Обработка практических
динамограмм на ПЭВМ. Казань: Изд-во «Новое Знание», 199Б. - 76 с.
. НПП «Грант» Главная страница. - #"806939.files/image388.gif">, где
- количество тепла в помещении ВЦ.
- тепло от оборудования ВЦ.
- поступление тепла от персонала ВЦ.
- выделение тепла электрическим освещением.
- поступление летом (со знаком +) и потери зимой (со знаком
- ) тепла через ограждение конструкции.
Тепло от оборудования ВЦ.
- коэффициент использования установочной мощности
оборудования (
=0,95) ;
- коэффициент, учитывающий одновременно работающего
оборудования (
=0.9);
- суммарная установочная мощность оборудования.
= 700 Вт.
Тепло от людей
q -
количество полного тепла, выделяемого одним человеком, обычно 140 Вт.
n -
количество работающих в смену, n = 10
чел.
Тепло от освещения
- коэффициент, зависящий от способа установки светильников (
=1) ;
- коэффициент, учитывающий пуско-регулирующую аппаратуру (
=1,2);
- суммарная установочная мощность светильников.
= 120 Вт.
.
- площадь стены через которую идет теплопередача (
=15м2) ;
- коэффициент теплопередачи бетона (
=0,7);
- расчетная наружная температура летом. (
).
- расчетная наружная температура зимой.(
)
- расчетная внутренняя температура. (
).
Поступление тепла летом:
Потери тепла зимой:
Таким образом избыток тепла в ВЦ
Летом
Зимой
Найдем производительность системы
кондиционирования воздуха, которая обеспечит оптимальные микроклиматические
условия в помещении ВЦ.
Полная производительность системы кондиционирования:
- коэффициент, учитывающий потери в воздуховодах (
=1,1).
- полезная производительность системы.
- удельная теплоемкость воздуха (
=1 кДж/(кг*К)).
- плотность воздуха (
= 1,2
).
- разность температур.
- температура воздуха, удаляемого из помещения (
=25
) .
- температура воздуха в обслуживаемой зоне(
=23
).
- температура воздуха подаваемого в помещение(
=22
).
Тогда
= 2
= 8,68
= 9.548
Таким образом, для обеспечения комфортного микроклимата необходимо
использовать кондиционер TOSHIBA RAS-10SKV-E2 с производительностью 10
Выводы
В разделе охрана труда и защита окружающей среды был проведен анализ
условий труда. Анализ условий показал соответствие основных критериев
требованиям удовлетворяющим условиям безопасной работы. Были предложены
мероприятия по обеспечению условий труда и организации рабочего места оператора
ПЭВМ. Эргономические факторы являются благоприятными. Проведены расчеты системы
кондиционирования для данного помещения и подобран кондиционер, обеспечивающий
комфортные микроклиматические условия.