Разработка малогабаритного видеокроулера для телеинспекции трубопроводов

  • Вид работы:
    Дипломная (ВКР)
  • Предмет:
    Физика
  • Язык:
    Русский
    ,
    Формат файла:
    MS Word
    2,3 Мб
  • Опубликовано:
    2015-04-26
Вы можете узнать стоимость помощи в написании студенческой работы.
Помощь в написании работы, которую точно примут!

Разработка малогабаритного видеокроулера для телеинспекции трубопроводов

Введение

Современные изделия металлургической промышленности отличаются многообразием размеров, форм, материалов, конструктивного исполнения, технологий и другими особенностями. Производство стальных и чугунных корпусных изделий и труб, алюминиевой и медно-сплавной арматуры, жаропрочных стальных лопаток и титановых изделий, изделий из пластмасс и драгоценных металлов и много других наименований - все они требуют визуального контроля.

Визуальная оценка состояния обследуемой поверхности объекта предполагает зрительное восприятие ее изображения на некотором удалении от самого участка. Оптическое изображение у объекта дистанцируется потребителю (оператору) посредством технологических операций и технических устройств, объединенных в единую систему визуально-оптической дефектоскопии. Важными составными частями такой системы являются техника и технологии оптического обзора предметной поверхности.

При всех различиях в технике и технологиях, все виды контроля, в том числе и оптический, являются весьма ответственными и трудоемкими, требующими значительного психо-эмоционального и физического напряжения. Значимость и объемы работ (например, все изделия литейного производства подвергаются стопроцентному осмотру) предъявляют повышенные эксплуатационные и эргономические требования к технике и технологиям визуального осмотра. Они для оператора должны быть сравнительно простыми, легко воспринимаемыми и производительными.

Наиболее прогрессивным направлением в оптическом виде контроля на сегодняшний день является эндоскопия, которая возникла в результате сближения и частичного слияния волоконно-линзовой оптики, с одной стороны и визуального контроля, с другой. Эта быстро развивающаяся область визуально-оптического контроля представлена большим количеством теоретических работ и многочисленными образцами оригинальных и высокотемпературных оптических систем, устройств и приборов различного назначения. Многие из этих оптических средств выпускаются промышленностью серийно [1].

1. Общая часть (обзор и сравнительный анализ)

.1 Анализ характеристик объекта контроля

Основным объектом контроля в рамках данного дипломного проекта являются стальные трубы внутренним диаметром от 100 до 180 мм. Согласно [2], трубы по наружному диаметру можно разделить на 3 группы:

-   малого диаметра (от 10 до 114 мм);

-       среднего диаметра (от 114 до 530 мм);

-       большого диаметра (от 530 до 1620 мм).

Контролируемые объекты, попадают под категорию труб малых и средних диаметров. Толщина стенок, область применения, а также материал изготовления указан в таблице 1.1.

Таблица 1.1 - Некоторые характеристики стальных труб

Нормативный документ

Наружный диаметр, мм

Толщина стенки, мм

Марка стали

Область применения

ГОСТ 3262-75 Трубы стальные водогазопроводные

21,3

2,35-2,8

Ст1, Ст2, СтЗ по ГОСТ 380-94

Применяются для водопроводов и газопроводов, систем отопления, а также для водопроводных и газопроводных конструкций


26,8

2,35-3,2




33,5

2,8-3,2




42,3

2,8-3,2




48,0

3,0-4,0




60,0

3,0-4,0




75,5

3,2-4,0




88,5

3,5-4,0




101,3

3,5-4,0



ГОСТ 10705-80 Трубы стальные электросварные

25,0

1,5-2,0

Ст1, Ст2, СтЗ По ГОСТ 380-94  08,10,20 по ГОСТ 1050-88

Применяются для строительства трубопроводов и конструкций различного назначения


33,0

2,0-3,2




42,0

1,5-3,2




48,0

1,5-2,0




51,0

1,5-2,5




57,0

2,0-4,0




60,0

2,0-4,0




76,0

2,2-4,0




89,0

2,8-4,0




102,0

3,0-4,0




108,0

3,0-4,0



ПГОСТ 20295-85

159, 168, 219, 245, 273, 325, 377, 426

4,0-10,0

СтЗсп, СтЗпс

Для сооружения магистральных газонефтепроводов, нефтепро-дуктопроводов, технологических и промысловых трубопроводов.

ГОСТ 10704-91 ГОСТ 10705-80

114, 140, 146, 159, 168, 178, 219, 245, 273, 325, 377, 426, 530

4,0-10,0

Ст10, Ст10пс, Ст20, Ст20пс

Для трубопроводов и конструкций разного назначения


Основные дефекты, подлежащие выявлению проектируемым устройством при визуальном контроле состояния основного материала и сварных соединений трубопроводов:

-   механические повреждения внутренних поверхностей;

-       формоизменения изделий (деформированные участки типа выбоин и вмятин);

-       поверхностные дефекты в корне сварного шва;

-       выход трубы из ряда и других отклонений от первоначального расположения;

-       коррозионный и эрозионный износ поверхностей.

Кроме того с помощью проектируемого устройства, в трубах можно производить поиск засоров и утерянных деталей.

К выявляемым дефектам корня сварного шва относятся следующие дефекты [3].

Вогнутость корня шва. Неглубокая канавка со стороны корня одностороннего сварного шва (рисунок 1.1 а).

Местное превышение проплава. Местный избыточный проплав сверх установленного значения (рисунок 1.1 б).

Наплыв. Избыток наплавленного металла сварного шва, натекший на поверхность основного металла, но не сплавленный с ним (рисунок 1.1 в).

Натёк. Металл шва осевший от тяжести и не сплавленный с соединяемой поверхностью, нижнем или потолочном положении сварки (рисунок 1.1 г.).

Непровар в корне шва. Несплошность по всей длине шва или на его отдельном участке, возникающая из-за неспособности расплавленного металла проникнуть внутрь соединения (рисунок 1.1 д).

Превышение проплава. Избыток наплавленного металла на обратной стороне стыкового шва (рисунок 1.1 е).

а - вогнутость корня шва; б - местное превышение проплава; в-наплыв;

г - натёк; д - непровар в корне шва; е - превышение проплава;

Рисунок 1.1 - Основные дефекты в корне сварного шва

1.2 Технология визуального осмотра

Простейшим видом визуального контроля является традиционно выполняемый осмотр. В соответствии с нормативно-технологическими требованиями оператор (контролер) визуально оценивает фактическое состояние поверхности, отдельных ее участков и наиболее склонных к отклонениям элементов, зон и других областей. Для повышения восприимчивости потенциальных отклонений применяются оптические приборы увеличения изображений (лупы, микроскопы, бинокли).

В линзовых приборах визуального осмотра воспринимаемое изображение осматриваемого участка (зоны) формируется и передается оптической системой, построенной на элементах геометрической оптики. Посредством линзовых объективов, длиннофокусных цилиндрических световодов, оптических дефлекторов и других устройств осуществляется целенаправленное преобразование и передача всех элементов структуры осматриваемого предмета с их переносом к адекватному отображению у оператора. С помощью такой техники контролер больше и лучше видит и воспринимает увиденное и с учетом своего опыта и знаний по концептуальной модели делает заключение о дальнейшей пригодности изготовленного предмета. Такие действия осуществляются как при оценке готовой продукции, так и при определении объемов работ и его ремонтопригодности при восстановлении в процессе ремонта [4].

В каждом конкретном случае характер визуального осмотра определяется видом контроля. Например, при приемочном контроле осматривается состояние исходных комплектующих, материалов, сборочных единиц и других объектов. В операционном контроле визуально оценивается состояние изделия или полуфабриката на той или иной операции производственного процесса. При сдаточном контроле визуальный осмотр может быть некоторой составной частью всего комплекса контрольно-измерительных операций, предназначенных для установления полного соответствия фактического состояния изделия его стандартным требованиям. Т.е. сдаточный контроль для некоторого этапа производства является заключительным.

В зависимости от характера пространственного и технологического сосредоточения потенциально значимых аномальных отклонений и источников информации используются различные виды осмотра.

При случайном осмотре пространственно-временное положение участка может быть ограничено только имеющимися статистическими данными; как пространственные характеристики, так и качественные характеристики возможных дефектов не определены и не предсказуемы. Такая ситуация имеет место при отработке технологических режимов, выборе материалов, испытаниях и доводке конструктивных схем различных отливок и форм. Достоверность результатов определяется только статистическими данными и комбинированным применением разрушающих и неразрушающих методов контроля.

За счет ориентирования наблюдатель ведет целенаправленный осмотр технологически и конструктивно означенных мест (участков, зон). Такое ориентирование задается заранее предусмотренными технологическими точками (в авиационно-космической отрасли) или с помощью специальной технологической оснастки.

В дефектоскопии объектов со случайно распределенными по длине или в пространстве источниками информации эффективно применение сканирования предметной поверхности. Особо важное значение имеет сканирование внутренних поверхностей протяженных длинномеров с изменяющейся формой поверхности [4].

Выбор схемы сканирования преимущественно определяется конструктивными и габаритными особенностями объектов. Для длинномеров используются:

сканирование вращательно-поступательным движением предметной поверхности со статически фиксированными неподвижными приемниками изображений;

сканирование перемещающимся (вращательное, прямолинейное или совместное) приемником изображения при статически фиксированном положении предметной поверхности (рисунок 1.2).

  а)

б)


в)

(а) с сосредоточенными приемниками 1 на поверхности 2 объекта 3; (б) передвижной приемник 1, поверхность 2; (в) сканирование программное. 1 - сканер, 2 - преобразователь, 3 - канал передачи, 4 - устройство ОС, 5 - органы управления и регулирования.

Рисунок 1.2 - Схемы сканирования предметной поверхности

На контрольной позиции n-приемников 1 располагаются в соответствии с алгоритмом контроля и числом аппроксимированных участков по развертке предметной поверхности 2 (рисунок 1.2, а). Информация с поступательно перемещающегося и вращающегося объекта 3 считывается приемниками. Для протяженных длиномеров рациональнее схема сканирования подвижным приемником 1, перемещающимся относительно предметной поверхности объекта 2 (рисунок 1.2, б).

Посредством сканирующего устройства 1 производится непрерывное восприятие изображения предметной поверхности объекта О (рисунок
3.9, в) в различных его участках. Сканируемое оптическое изображение одновременно передается на преобразователь 2, согласующий его параметры с соответствующими параметрами канала передачи 3. Вся координация операций сканирования на первичном уровне осуществляется органами регулирования 5 и управления 4 с необходимыми механическими а, электрическими b и оптическими c связями. При необходимости наблюдатель может производить повторный (неоднократный) просмотр сомнительных мест за счет реверсивного привода.

Осмотр динамических объектов на основе метода наложения первичного изображения обследуемого места (элемента конструкции) и изображения эталона (образца) реализуется по схеме стробирования. Для обеспечения стробоскопического эффекта наблюдаемый элемент освещается частотно-фазовым регулируемым светом, передаваемым по осветительному световоду. Фиксируемое изображение по информационному световоду передается в устройство регистрации и для зрительного восприятия наблюдателем.

Посредством сканирования и стробирования значительно улучшается качество дефектоскопии, особенно труднодоступных, сложнопрофильных и динамических объектов [4].

1.3 Технические средства визуально-оптической дефектоскопии

В технологическом контроле объектами дефектоскопии выступают как отдельные детали, узлы и целые конструкции, так и машины и аппараты. Выбор методов дефектоскопии и их применимость определяется результатами анализа конструкторско-технологической документации, условиями ремонтопригодности, технико-экономическими и другими показателями. Особенно для сложных объектов литейного производства эффективно применение визуально-оптических методов и технологий, позволяющих наблюдать и оценивать реальное состояние труднодоступных участков без разрушения и демонтажа.

Визуальный контроль внутренних поверхностей является весьма трудоемкой и ответственной операцией и используемые технические средства и технологии контроля должны быть сравнительно просты в пользовании. При всей своей специфичности они должны быть хорошо и быстро осваиваемыми и не требовать высокой квалификации.

Массо-габаритные параметры изделий, производственная структура производственных цехов и участков зачастую ограничивают применение стационарных контрольно-измерительных комплексов. Более употребительными являются переносные, малогабаритные и эргономически удобные волоконно-оптические или жесткие эндоскопы с автономными и стационарными осветителями [1].

Эндоскопы или бороскопы - это смотровые приборы, построенные на базе волоконной и линзовой оптики и механических устройств.

Принцип действия эндоскопов заключается в осмотре объекта контроля с помощью специальной оптической системы (часто типа микроскоп, телескоп), позволяющей передавать изображение на значительные расстояния (до нескольких десятков метров) с отношением эффективной длины эндоскопа L к его наружному диаметру d: L/d >> 1.

Современный серийный эндоскоп является универсальным оптико-механическим прибором, обеспечивающим любой вид визуальной диагностики и контроля внутри закрытого пространства на значительную глубину (практически до 30 м).

Использование в эндоскопах холодных источников света высокой яркости открыло безопасный метод контроля поверхностей в полостях, содержащих взрывчатые материалы, жидкости или газы, а также обеспечило качественное фотографирование, киносъемку и телевизионную передачу изображения указанных поверхностей при малых размерах входного отверстия контролируемой полости.

Эффективные методы жидкого и газового охлаждения позволяют использовать эндоскопы в горячих местах ядерных реакторов, ракетных установок и металлургических печах при температуре до 2000°С.

Существуют линзовые, волоконно-оптические и комбинированные эндоскопы.

Линзовые (жесткие) эндоскопы.

Оптическая схема современного типичного линзового эндоскопа показана на рисунке 1.3.

- объектив; 2 - металлическая трубка; 3 - система оборачивающих линз; 4 - световод, передающий световую энергию от источника в металлическую трубку для освещения ОК;

5 - окуляр.

Рисунок 1.3 - Структурная схема линзового (жесткого) эндоскопа:

Освещенное, с использованием световода, изображение участка объекта контроля (ОК) передается наблюдателю по цепочке, содержащей линзы объектива, иногда и призм, систему поворачивающих линз, служащих для увеличения эффективности рабочей длины прибора, и линз окуляра. Эндоскопы этого типа снабжаются системой фокусировки, позволяющей получать резкое изображение анализируемого участка ОК как в ближней, так и в дальней зоне. Управляя поворотной ручкой, можно поворачивать трубку на угол более 360° и легко изменять анализируемый участок ОК.

Вводимые в ОК элементы линзового эндоскопа работоспособны при температурах от -40 до +150°С и под давлением 4 атм. Водонепроницаемая конструкция трубки эндоскопа позволяет вести контроль в воде и масле. Линзовыми эндоскопами можно контролировать стены зданий, поверхности разнообразных трубопроводов, авиационные двигатели, автомобильные литые детали и т.п. и обнаруживать царапины, трещины, коррозионные пятна, выбоины и другие дефекты размерами 0,03… 0,08 мм в изделиях длиной 10 м и диаметром 5… 100 мм и более.

Линзовые эндоскопы обычно представляют собой жесткую конструкцию. Но уже созданы приборы, имеющие участки корпуса с гибкой оболочкой, изгибающиеся в пределах 5… 10° [1].

Волоконно-оптические эндоскопы.

Возможности технической эндоскопии существенно расширены, благодаря созданию волоконно-оптических элементов.

Волоконные световоды представляют собой набор тонких стеклянных светопроводящих волокон диаметром 9… 30 мкм, собранных в жгут. Каждый элементарный световод (волокно с большим показателем преломления) покрыт снаружи тонким слоем (1… 2 мкм) стекла с более низким показателем преломления.

На границе волокно-покрытие происходит полное внутреннее отражение света, входящего в основное волокно, что обеспечивает его прохождение по световоду с минимальным ослаблением (рисунок 1.4). При значительных размерах световода число отражений бывает более 10. Это приводит к ослаблению сигнала, которое связано с длиной световода экспоненциальной зависимостью.

а - с прямыми торцами; б - с косыми торцами; в-изогнутые; г - фокен (уменьшает размеры передаваемого изображения); д - афокен (увеличивает размеры передаваемого зображения).

Рисунок 1.4 - Структурные схемы волоконных световодов

Для работы в ультрафиолетовой области используют кварцевые волокна, прозрачные в диапазоне 0,2… 4 мкм.

В инфракрасном диапазоне (0,9… 10 мкм и более) применяют волокна из специальных халькогенидных бескислородных стекол.

Световоды для передачи световой энергии изготовляют из беспорядочно уложенных волокон диаметром около 30 мкм.

Для передачи изображения используют пучок волоконно-оптических элементов с упорядоченной структурой. При этом число элементарных волокон может превышать 106 на 1 см2 при диаметре волокон 9 мкм. Торцы световодов полируют. При использовании световодов следует иметь в виду, что они могут сильно деполяризировать проходящий свет.

Разрешающая способность серийных световодов составляет в среднем 15…20 ммֿ¹. Лучшие образцы могут иметь разрешающую способность до 50 ммֿ1.

В целом волоконные световоды, используемые в эндоскопах, пока уступают по качеству изображения линзовым системам. Однако разрабатываются меры по устранению мозаичной структуры изображения в световодах и повышению их разрешающей способности.

Волоконные световоды обладают преимуществами, делающими их незаменимыми при решении многих задач. Так, они позволяют передавать изображение без искажения при их изгибе по любому криволинейному профилю. Высокая световая эффективность световодов используется при создании осветительных систем эндоскопов. При этом источник света располагается вне прибора, что позволяет исключить нагрев изделия.

Âîëîêîííûå îñâåòèòåëè «õîëîäíîãî» ñâåòà ìîãóò èìåòü òîðöû ëþáîé ôîðìû, íàïðèìåð êîëüöåâîé, ÷òî îáåñïå÷èâàåò âûñîêóþ ðàâíîìåðíîñòü îñâåùåíèÿ îáúåêòà [1].

Îñîáåííîñòè îïòè÷åñêèõ ñõåì ýíäîñêîïîâ.

Òåõíè÷åñêèé ïðîãðåññ â ïðîìûøëåííîé ýíäîñêîïèè íåðàçðûâíî ñâÿçàí ñ ðåøåíèåì òàêèõ âàæíûõ çàäà÷, êàê áîëüøîå ïîëå çðåíèÿ, îòñóòñòâèå èñêàæåíèé èçîáðàæåíèÿ, òî÷íàÿ ïåðåäà÷à öâåòîâ è íåîáõîäèìàÿ ÿðêîñòü.

Ñàìûå ÿðêèå èçîáðàæåíèÿ ïîëó÷àþò ýíäîñêîïàìè ìàëîé äëèíû è áîëüøîãî äèàìåòðà. Ïðè óâåëè÷åíèè äëèíû ýíäîñêîïà èçîáðàæåíèå ñòàíîâèòñÿ ìåíåå ÿðêèì èç-çà ïîòåðü ñâåòà â äîïîëíèòåëüíûõ îïòè÷åñêèõ ýëåìåíòàõ, óñòàíàâëèâàåìûõ äëÿ ïåðåäà÷è èçîáðàæåíèÿ íà äîñòàòî÷íî áîëüøèå ðàññòîÿíèÿ. Äëÿ ìèíèìèçàöèè òàêèõ ïîòåðü îïòè÷åñêèå ýëåìåíòû ïðîñâåòëÿþò.

 çàâèñèìîñòè îò äëèíû òåëåñêîïè÷åñêîãî ó÷àñòêà èçîáðàæåíèå òðåáóåò ãîðèçîíòàëüíîãî, âåðòèêàëüíîãî, ëèáî äâîéíîãî ïåðåâåðòûâàíèÿ (èíâåðñèè). Òàêîå ïðåîáðàçîâàíèå îñóùåñòâëÿåòñÿ â îêóëÿðíîì óñòðîéñòâå ñ ïîìîùüþ êîððåêòèðóþùèõ ëèíç â ýíäîñêîïàõ ìàëîãî äèàìåòðà èëè îáîðà÷èâàþùèõ ëèíç â ýíäîñêîïàõ áîëüøîãî äèàìåòðà. ×àñòî îêóëÿðíûå óñòðîéñòâà áûâàþò ñìåííîé êîíñòðóêöèè íà ðàçëè÷íûå óâåëè÷åíèÿ.

Ðàáî÷åå ðàññòîÿíèå, ïðè êîòîðîì ìîæåò áûòü íàäåæíî âèçóàëüíî ïðîêîíòðîëèðîâàí ÎÊ ïðè äîñòàòî÷íîé ÿðêîñòè èçîáðàæåíèÿ åãî ïîâåðõíîñòè, çàâèñèò îò êîýôôèöèåíòà îòðàæåíèÿ ïîâåðõíîñòè, äëèíû ýíäîñêîïà, òèïà è óâåëè÷åíèÿ îêóëÿðíîãî óñòðîéñòâà, óãëîâîãî ïîëÿ çðåíèÿ, à òàêæå òèïà íàáëþäåíèÿ (îáçîðà åãî ïîâåðõíîñòè). Ïîýòîìó äàëåå êîðîòêî ðàññìîòðèì îñîáåííîñòè ýíäîñêîïîâ ñ ðàçëè÷íûìè òèïàìè îáçîðà ïîâåðõíîñòåé ÎÊ.

Ïðÿìîíàïðàâëåííûé (ïðÿìîé) îáçîð. Òèï I, äàþùèé ïðÿìîå (òîðöîâîå) íàáëþäåíèå íà óãîë âèçèðîâàíèÿ, ïðèìåíÿåòñÿ äëÿ êîíòðîëÿ òîðöà èëè äíà êàíàëà, èëè øòóöåðà (ðèñ. 4.21). Ýíäîñêîïû ñ òàêèì òèïîì îáçîðà èìåþò òèïè÷íîå óãëîâîå ïîëå çðåíèÿ îêîëî 45° (ëèíåéíîå ïîëå çðåíèÿ 20 ìì íà ðàññòîÿíèè 25 ìì îò ëèíçû äî ïîâåðõíîñòè ÎÊ). Äëÿ îñâåùåíèÿ ïîâåðõíîñòè ÎÊ â òàêèõ ýíäîñêîïàõ ìîãóò áûòü ïðèìåíåíû ìàëîãàáàðèòíûå ëàìïî÷êè, ðàñïîëîæåííûå ïî îêðóæíîñòè, â öåíòðå êîòîðîé èìååòñÿ îòâåðñòèå äëÿ ïðîõîæäåíèÿ îòðàæåííîãî îò ÎÊ ñâåòà. Òàêàÿ îáúåêòèâíàÿ ÷àñòü íå èñïîëüçóåòñÿ ïðè ìàëûõ ðàáî÷èõ ðàññòîÿíèÿõ è ïðè êîíòðîëå íåáîëüøîãî ó÷àñòêà â ãëóõèõ îòâåðñòèÿõ.

Êîñîïðèöåëåííûé âïåðåä îáçîð. Òèï II, äàþùèé íàáëþäåíèå, íàêëîííîå âïåðåä íà óãîë âèçèðîâàíèÿ 25 è 45°, ïðèìåíÿåòñÿ äëÿ êîíòðîëÿ, íàïðèìåð, ñâàðíûõ øâîâ â òîðöå.  òàêèõ ýíäîñêîïàõ èñòî÷íèêè ñâåòà îáû÷íî ìîíòèðóþòñÿ íà äèñòàëüíîì êîíöå ýíäîñêîïà. Ðàçìåð ïîëÿ êîíòðîëÿ ìîæíî óâåëè÷èâàòü ïðè âðàùåíèè íàïðàâëåíèÿ âèçèðîâàíèÿ îòíîñèòåëüíî îïòè÷åñêîé îñè ýíäîñêîïà.

Áîêîâîé îáçîð. Òèï III, îáåñïå÷èâàþùèé áîêîâîé êîíòðîëü ñ óãëîì âèçèðîâàíèÿ 90°, èñïîëüçóåòñÿ ïðè äåòàëüíîì êîíòðîëå ñòåíîê ÎÊ ñ äîñòàòî÷íî áîëüøèì óâåëè÷åíèåì. Ýòî ýôôåêòèâíûé ïðèáîð äëÿ âèçóàëüíîãî êîíòðîëÿ ñòâîëîâ ðóæåé, ïèñòîëåòîâ, öèëèíäðè÷åñêèõ ñòåíîê èëè óãëóáëåííûõ îòâåðñòèé. Ýíäîñêîïû ýòîãî òèïà îáû÷íî ñíàáæàþòñÿ èñòî÷íèêîì ñâåòà, ðàçìåùåííûì ïåðåä ëèíçîé îáúåêòèâà.

Ðåòðîñïåêòèâíûé îáçîð. Òèï IV, îáåñïå÷èâàþùèé íàêëîííûå íàáëþäåíèÿ íàçàä íà óãîë 135°, èñïîëüçóåòñÿ äëÿ êîíòðîëÿ çàäíèõ òîðöîâûõ ñòåíîê, îòâåðñòèé ñ âíóòðåííèìè óñòóïàìè è ò.ï.

Ïàíîðàìíûé (êîëüöåâîé îáçîð). Òèï V îáåñïå÷èâàåò âûñîêîïðîèçâîäèòåëüíûé îñìîòð öèëèíäðè÷åñêîé ïîëîñòè ñðàçó ïî âñåé êîëüöåâîé ïîâåðõíîñòè ÎÊ. Îáúåêòèâ òàêîãî ýíäîñêîïà ìîæåò îáîçðåâàòü öèëèíäðè÷åñêóþ ïîëîñó ñ óãëîâîé øèðèíîé 30º ïî âñåé îêðóæíîñòè îòâåðñòèé.

Íåñìîòðÿ íà ñâîè ïðåèìóùåñòâà ïåðåä æ¸ñòêèìè ýíäîñêîïàìè, ãèáêèå âîëîêîííî-îïòè÷åñêèå ýíäîñêîïû òîæå îáëàäàþò íåêîòîðûìè íåäîñòàòêàìè, êîòîðûå îñîáåííî ïðîÿâëÿþòñÿ ïðè êîíòðîëå âíóòðåííåé ïîâåðõíîñòè òðóá.

Âî-ïåðâûõ, ýòî äëèíà ãèáêèõ ýíäîñêîïîâ.  áîëüøèíñòâå ñëó÷àåâ, îíà ñîñòàâëÿåò îò 0,5 äî 3 ìåòðîâ è ýòîãî, åñòåñòâåííî, íå äîñòàòî÷íî äëÿ êîíòðîëÿ îáúåêòîâ áîëüøîé äëèíû. Ñ óâåëè÷åíèåì äëèíû ýíäîñêîïà ìíîãîêðàòíî âîçðàñòàåò åãî ñòîèìîñòü, ò.ê. êà÷åñòâåííîå îïòîâîëîêíî íà ñåãîäíÿøíèé äåíü ñòîèò íå 䏸åâî. Ê ïðèìåðó, êà÷åñòâåííûé ýíäîñêîï ÝÒà 10-2,7 Ðîññèéñêîãî ïðîèçâîäñòâà ñ äèíîé êàáåëÿ 2,7 ì è äèàìåòðîì ðàáî÷åé ÷àñòè 10 ìì, ïî ñîñòîÿíèþ íà ôåâðàëü 2010 ãîäà ñòîèò 102 000 ðîññèéñêèõ ðóáëåé (≈ 3200 ó. å.).

- ïðÿìîíàïðàâëåííûé; II è III - êîñîïðèöåëüíûé è áîêîâîé;- ðåòðîñïåêòèâíûé; V - ïàíîðàìíûé.

Ðèñóíîê 1.5 - Êîíñòðóêöèè äèñòàëüíûõ êîíöîâ ýíäîñêîïîâ äëÿ ðàçëè÷íûõ òèïîâ íàïðàâëåíèé âèçèðîâàíèÿ

Âî-âòîðûõ, ýòî êà÷åñòâî èçîáðàæåíèÿ.  ðåçóëüòàòå ìíîãîêðàòíûõ îòðàæåíèé â îïòîâîëîêíå, ñâåòîâîé ñèãíàë èñïûòûâàåò îñëàáëåíèå, ÷òî ïðèâîäèò ê óõóäøåíèþ âèäèìîãî èçîáðàæåíèÿ íà îêóëÿðå. Äëÿ óâåëè÷åíèÿ ðàçðåøàþùåé ñïîñîáíîñòè èçîáðàæåíèÿ, òðåáóåòñÿ óâåëè÷èòü êîëè÷åñòâî îïòè÷åñêèõ âîëîêîí â êàáåëå, ÷òî â ñâîþ î÷åðåäü âåä¸ò ê óâåëè÷åíèþ äèàìåòðà êàáåëÿ è êàê ñëåäñòâèå, ê óäîðîæàíèþ ýíäîñêîïà.

Èç âûøåñêàçàííîãî ìîæíî ñäåëàòü âûâîä, ÷òî äëÿ êîíòðîëÿ âíóòðåííèõ ïîâåðõíîñòåé äîñòàòî÷íî äëèííûõ îáúåêòîâ, íåîáõîäèìî ñîçäàíèå èíîãî óñòðîéñòâà. Îäíèì èç òàêèõ óñòðîéñòâ ÿâëÿåòñÿ âèäåîêðîóëåð. Êðîóëåðû - ýòî óñòðîéñòâà, ïðåäíàçíà÷åííûå äëÿ ñàìîñòîÿòåëüíîãî ïåðåìåùåíèÿ ïî ÎÊ è íåñóùèå íà ñâî¸ì áîðòó àïïàðàòóðó äëÿ åãî êîíòðîëÿ. Êðîóëåðû, êàê ïðàâèëî, äåëàþòñÿ íà êîë¸ñíîì õîäó, íî ñóùåñòâóþò òàêæå ìîäåëè è äëÿ ïåðåìåùåíèÿ íà ïëàâó.

Êðóã çàäà÷, ðåøàåìûõ ñ ïîìîùüþ âèäåîêðîóëåðîâ, ñëåäóþùèé:

-   êîíòðîëü êîððîçèîííîãî ñîñòîÿíèÿ âíóòðåííèõ ïîâåðõíîñòåé ÎÊ.

-       êîíòðîëü çàäûìë¸ííîñòè è çàòóìàíåííîñòè ÎÊ.

-       âèçóàëüíûé îñìîòð ñâàðíûõ øâîâ.

-       ïîèñê çàñîðîâ è óòåðÿííûõ äåòàëåé.

Îáëàñòè ïðèìåíåíèÿ âèäåîêðîóëåðîâ:

-   âîçäóøíûå êàíàëû è êàáåëåïðîâîäû.

-       ìàñëî- è ïàðîïðîâîäû.

-       ñîñóäû âûñîêîãî è íèçêîãî äàâëåíèÿ, à òàêæå ðåçåðâóàðû.

-       ïàðîñáîðíèêè.

-       ãàçî- è âîäîïðîâîäû.

Àíàëèç ãîòîâûõ ðåøåíèé, èìåþùèõñÿ íà ðûíêå.

Íèçêîïðîôèëüíûé ðîáîò ROVVER 400 îöåíåí âî âñåì ìèðå çà åãî øèðîêóþ óíèâåðñàëüíîñòü. Ñèñòåìà ROVVER 400 èìååò ìîäóëüíóþ êîíñòðóêöèþ, è ìàêñèìàëüíóþ àäàïòèðóåìîñòü. Îáåñïå÷èâàåò øèðîêèé îáçîð â ãîðèçîíòàëüíîé òðóáå èëè òóííåëå ñ ïîìîùüþ îáçîðíîé òåëåâèçèîííîé êàìåðû. Êàìåðà èìååò äèñòàíöèîííî-ðåãóëèðóåìûé ôîêóñ è âñåãäà äà¸ò ÷åòêóþ êàðòèíêó [5].

Ðèñóíîê 1.5 - Âèäåîêðîóëåð Rovver 400

Òàáëèöà 1.2 - Òåõíè÷åñêèå õàðàêòåðèñòèêè âèäåîêðîóëåðà Rovver 400

ÐÎÁÎÒ

Äëèíà: 247 ìì ñ êóðñîâîé òåëåêàìåðîé

Øèðèíà: 94 ìì

Âûñîòà: 80 ìì

Âåñ: 4.5 êã

Ìàòåðèàë: Íèêåëèðîâàííàÿ ìåäü, íåðæàâåþùóþ ñòàëü, àëþìèíèé

Äâèãàòåëü: îäèí äâèãàòåëü ïîñòîÿííîãî òîêà íà 20 Âò, 6 êîëåñ, èçìåíåíÿåìîå íàïðàâëåíèå, ðåãóëèðóåìûå ñêîðîñòè

Äîïóñòèìàÿ ãëóáèíà: 1 áàð - Ýêâèâàëåíòíî ãëóáèíå âîäû â 10 ì

Íàáîðû êîë¸ñ:

Ø 64 ìì äèñêè äëÿ 100.0 ìì òðóáû Ø 86 ìì äèñêè äëÿ 150.0 ìì òðóáû Ø 90 ìì ðàñøèðåííûå äèñêè äëÿ 175 ìì òðóáû

ÊÀÌÅÐÀ

Òèï: Öâåòíàÿ 1/2» CCD ìàòðèöà

Ðàçðåøåíèå: 380,000 ïèêñåëåé, 360 HTV ëèíèé

Ëèíçà: 4 ìì, ƒ1.2, óäàë¸ííàÿ ôîêóñèðîâêà

Ëèíçà FOV: 68 ãðàä. x 90 ãðàä. x 100 ãðàä.

Ôîêóñ: 6 ìì äî áåñêîíå÷íîñòè (äèñòàíöèîííî ðåãóëèðóåìûé)

Ãàáàðèòû: Êóðñîâàÿ - ø 48 ìì x 78 ìì

ÁËÎÊ ÓÏÐÀÂËÅÍÈß

Ãàáàðèòû: 420 ìì x 343 ìì x 292 ìì

Óïðàâëÿåìûå âåëè÷èíû: Íàïðàâëåíèå äâèæåíèÿ, ñêîðîñòü õîäà, ñèëà ñâåòà, óïðàâëåíèå  êàðòàìè ðàñøèðåíèé / ïðèñïîñîáëåíèÿ

Ìîùíîñòü: 110/230 Â, 50/60 Ãö CE

Âûõîäû: êîìïîçèòíûé NTSC (EIA-170A) âèäåî (PAL) 19 äþéìîâûé óñòàíàâëèâàåìûé â ñòåíäà êîíòðîëëåð

Âåñ: 18.2 êã

ÑÂÅÒ

Íà êàìåðå: 10 Âò, 16 x 0.6 Âò, ãàëîãåí

Íà ïëàòôîðìå: 40 Âò, 2 x 20 Âò, ãàëîãåí

Äîïîëíèòåëüíûé: 40 Âò, 2 x 20 Âò, äèõðîè÷íûé ðåôëåêòîð

Ìàêñèìóì: 90 Âò

ÊÀÁÅËÜÍÛÉ ÁÀÐÀÁÀÍ

Êàáåëü: 7 ìì (0.28 äþéìà) äèàìåòðà, ìíîãîæèëüíûé ñ îñíîâîé èç Kevlar® ñ ïðî÷íîñòüþ íà  ðàçðûâ 227 êãñ è ïîëèýòèëåíîâîé âíåøíåé îáîëî÷êîé

Äëèíà: äî 200 ì

Áàðàáàí: êàáåëüíûé áàðàáàí ñ êîíòàêòíûìè êîëüöàìè ïîä êàáåëü ðàçëè÷íîé äëèííû Îïöèîíàëüíî - àâòîìàòè÷åñêèé ìîòîðèçîâàííûé êàáåëüíûé áàðàáàí ñ ðåãóëèðóåìîé ïîäà÷åé

Âåñ: Ïðèáëèçèòåëüíî 23 êã - ìîäåëü, â çàâèñèìîñòè îò äëèíû êàáåëÿ


ROVVER 600 íèçêîïðîôèëüíûé ðîáîò - ìîáèëüíûé è óíèâåðñàëüíûé ñïîñîá èíñïåêöèè òðóáîïðîâîäîâ. Èäåàëüíî ïîäõîäèò äëÿ ðàçëè÷íûõ ïðèìåíåíèé áëàãîäàðÿ åãî ìîäóëüíîé êîíñòðóêöèè è åãî ñïîñîáíîñòè îñìàòðèâàòü âíóòðåííîñòè òðóá ñ äèàìåòðàìè â ïðåäåëàõ îò 150 ìì äî 900 ìì. Ýòî ìàëûé êîë¸ñíûé ðîáîò â ñâîåì êëàññå, ÷òî äàåò åìó ñïîñîáíîñòü ïðîéòè ÷åðåç çàìóñîðåííûå òðóáû, áîëüøèå âûñòóïû, è âûäàþùèåñÿ òðóáíûå øâû. Äèñòàíöèîííîå óïðàâëåíèå ðîáîòà ROVVER äàåò ñïîñîáíîñòü êîíòðîëèðîâàòü ôîêóñ è îñâåùåíèå, à òàêæå íàïðàâëÿòü õîä, êîãäà åñòü ïðåïÿòñòâèÿ, òèïà ìóñîðà èëè îòâåòâëåíèé [5].

Ðèñóíîê 1.6 - Âèäåîêðîóëåð Rovver 600

Òàáëèöà 1.3 - Òåõíè÷åñêèå õàðàêòåðèñòèêè âèäåîêðîóëåðà Rovver 600

   ÐÎÁÎÒ

Äëèíà: 282 ìì ñ êóðñîâîé òåëåêàìåðîé, 374 ìì ñ îáçîðíîé òåëåêàìåðîé

Øèðèíà: 118 ìì

Âûñîòà: 90 ìì

Âåñ: 8 êã

Ìàòåðèàë: Íèêåëèðîâàííàÿ ìåäü, íåðæàâåþùóþ ñòàëü, àëþìèíèé

Äâèãàòåëü: äâà äâèãàòåëÿ ïîñòîÿííîãî òîêà íà 20 Âò, 4 êîëåñà, èçìåíåíÿåìîå íàïðàâëåíèå, ðåãóëèðóåìûå ñêîðîñòè

Äîïóñòèìàÿ ãëóáèíà: 1 áàð - Ýêâèâàëåíòíî ãëóáèíå âîäû â 10 ì

Óêëîí: +/ - 10% îïöèîíàëüíî

Íàáîðû êîë¸ñ:

Ø 90 ìì äèñêè äëÿ 150.0 ìì òðóáû Ø 110 ìì äèñêè äëÿ 200.0 ìì òðóáû Ø 135 ìì ðàñøèðåííûå äèñêè äëÿ 225 ìì òðóáû

ÊÀÌÅÐÀ

Òèï: Öâåòíàÿ 1/2» CCD ìàòðèöà

Ðàçðåøåíèå: 380,000 ïèêñåëåé, 360 HTV ëèíèé

Ëèíçà: 4 ìì, ƒ1.2, óäàë¸ííàÿ ôîêóñèðîâêà

Ôîêóñ: 6 ìì äî áåñêîíå÷íîñòè (äèñòàíöèîííî ðåãóëèðóåìûé)

Ãàáàðèòû: Êóðñîâàÿ - ø 48 ìì x 78 ìì, îáçîðíàÿ ïðè ïàíîðàìèðîâàíèè (175 ãðàä.), ïðè íàêëîíå (135 ãðàä.) - ø 88 ìì x 192 ìì

ÁËÎÊ ÓÏÐÀÂËÅÍÈß

Ãàáàðèòû: 420 ìì x 343 ìì x 292 ìì

Óïðàâëÿåìûå âåëè÷èíû: Íàïðàâëåíèå äâèæåíèÿ, ñêîðîñòü õîäà, ñèëà ñâåòà, óïðàâëåíèå   êàðòàìè ðàñøèðåíèé / ïðèñïîñîáëåíèÿ

Ìîùíîñòü: 110/230 ÂÀ, 50/60 Ãö CE

Âûõîäû: êîìïîçèòíûé NTSC (EIA-170A) âèäåî (PAL)  19 äþéìîâûé óñòàíàâëèâàåìûé â ñòåíäà êîíòðîëëåð

Âåñ: 18.2 êã

ÊÀÁÅËÜÍÛÉ ÁÀÐÀÁÀÍ

Êàáåëü: 7 ìì (0.28 äþéìà) äèàìåòðà, ìíîãîæèëüíûé ñ îñíîâîé èç Kevlar® ñ   ïðî÷íîñòüþ íà ðàçðûâ 227 êãñ è ïîëèýòèëåíîâîé âíåøíåé îáîëî÷êîé

Äëèíà: äî 200 ì

Áàðàáàí: êàáåëüíûé áàðàáàí ñ êîíòàêòíûìè êîëüöàìè ïîä êàáåëü ðàçëè÷íîé äëèííû Îïöèîíàëüíî - àâòîìàòè÷åñêèé ìîòîðèçîâàííûé êàáåëüíûé áàðàáàí ñ ðåãóëèðóåìîé ïîäà÷åé

Âåñ: Ïðèáëèçèòåëüíî 23 êã - ìîäåëü, â çàâèñèìîñòè îò äëèíû êàáåëÿ


ROVVER 900 íåñåò êóðñîâóþ è îáçîðíóþ öâåòíûå âèäåî êàìåðû, ñ êîòîðûìè ìîæåò îñóùåñòâëÿòü ïîèñê è îñìîòð íà ðàññòîÿíèè äî 200 ì. Ýòè õàðàêòåðèñòèêè èäåàëüíî óäîâëåòâîðÿþò ìíîãèå ïîòðåáíîñòè èç-çà åãî ìîäóëüíîé êîíñòðóêöèè è ñïîñîáíîñòè îñìîòðåòü âíóòðåííèå òðóáû ñ äèàìåòðàìè, áîëüøèìè ÷åì 225 ìì. Óïðàâëÿåìàÿ ïëàòôîðìà ñèñòåìû ROVVER ïîçâîëÿåò îïåðàòîðó ïîäíèìàòü è îïóñêàòü êàìåðó, óïðàâëÿòü ôîêóñèðîâêîé è îñâåùåíèåì, óïðàâëÿòü ñöåïëåíèåì è íàïðàâëåíèåì äâèæåíèÿ òðàíñïîðòåðà, êîãäà íà ïóòè åãî äâèæåíèÿ âñòðå÷àþòñÿ ïðåïÿòñòâèÿ [5].

Ðèñóíîê 1.7 - Âèäåîêðîóëåð Rovver 900

Òàáëèöà 1.4 - Òåõíè÷åñêèå õàðàêòåðèñòèêè âèäåîêðîóëåðà Rovver 900

ÐÎÁÎÒ

Äëèíà: 488 ìì ñ êóðñîâîé òåëåêàìåðîé, 582 ìì ñ îáçîðíîé òåëåêàìåðîé

Øèðèíà: 200 ìì

Âûñîòà: 150 ìì

Âåñ: 25 êã

Ìàòåðèàë: Íèêåëèðîâàííàÿ ìåäü, íåðæàâåþùàÿ ñòàëü, àëþìèíèé

Äâèãàòåëü: äâà äâèãàòåëÿ ïîñòîÿííîãî òîêà íà 20 Âò, 4 êîëåñà, èçìåíåíÿåìîå íàïðàâëåíèå, ðåãóëèðóåìûå ñêîðîñòè

Äîïóñòèìàÿ ãëóáèíà: 1 áàð - Ýêâèâàëåíòíî ãëóáèíå âîäû â 10 ì

Óêëîí: +/ - 10% îïöèîíàëüíî

Íàáîðû êîë¸ñ:

Ø 110 ìì äèñêè äëÿ 225.0 ìì òðóáû Ø 135 ìì äèñêè äëÿ 300.0 ìì òðóáû Ø 220 ìì ðàñøèðåííûå äèñêè äëÿ 400 ìì òðóáû

ÊÀÌÅÐÀ

Òèï: Öâåòíàÿ 1/2» CCD ìàòðèöà

Ðàçðåøåíèå: 380,000 ïèêñåëåé, 360 HTV ëèíèé

Ëèíçà: 4 ìì, ƒ1.2, óäàë¸ííàÿ ôîêóñèðîâêà

Ôîêóñ: îò 6 ìì äî áåñêîíå÷íîñòè (äèñòàíöèîííî ðåãóëèðóåìûé)

Ãàáàðèòû: Êóðñîâàÿ - ø 48 ìì x 78 ìì, îáçîðíàÿ ïðè ïàíîðàìèðîâàíèè (175 ãðàä.), ïðè íàêëîíå (135 ãðàä.) - ø 88 ìì x 192 ìì

Ïîäú¸ì òåëåêàìåðû: óäàë¸ííî-óïðàâëÿåìàÿ â òðóáàõ îò 225 ìì äî 800 ìì

ÊÀÁÅËÜÍÛÉ ÁÀÐÀÁÀÍ

Êàáåëü: 7 ìì (0.28 äþéìà) äèàìåòðà, ìíîãîæèëüíûé ñ îñíîâîé èç Kevlar® ñ   ïðî÷íîñòüþ íà ðàçðûâ 227 êãñ è ïîëèýòèëåíîâîé âíåøíåé îáîëî÷êîé

Äëèíà: äî 200 ì

Âåñ: Ïðèáëèçèòåëüíî 23 êã - ìîäåëü, â çàâèñèìîñòè îò äëèíû êàáåëÿ


P-200 - ýòî êîìïëåêñ íà áàçå êîë¸ñíîãî ñàìîõîäíîãî ðîáîòà ñ öâåòíîé âèäåîêàìåðîé, èìåþùåé ôóíêöèþ óâåëè÷åíèÿ (10õ îïòè÷åñêîå è 4õ öèôðîâîå). Ðîáîò çàïîëíÿåòñÿ ñóõèì àçîòîì äëÿ ïðåäîòâðàùåíèÿ êîíäåíñàöèè âëàãè âíóòðè êîðïóñà è íà ñòåêëå âèäåîêàìåðû ïðè ðàáîòå â óñëîâèÿõ ïåðåïàäà òåìïåðàòóð. Ïðåäíàçíà÷åí äëÿ òåëåèíñïåêöèè òðóáîïðîâîäîâ äèàìåòðîì îò 250 äî 1200 ìì. Îïðåäåëÿåò ïðîôèëü çàëåãàíèÿ òðóáîïðîâîäà íà îñíîâå ïîêàçàíèé äàò÷èêà òàíãàæà. Íàëè÷èå ñèñòåìû áîðòîâîãî ïîâîðîòà äëÿ ìàíåâðèðîâàíèÿ â òðóáàõ. Ïàíòîãðàôè÷åñêèé ìåõàíèçì ïîäú¸ìà âèäåîêàìåðû îáåñïå÷èâàåò ðàñïîëîæåíèå âèäåîêàìåðû ïî îñè òðóáîïðîâîäà â òðóáàõ äèàìåòðîì äî 1200 ìì [6].

Ðèñóíîê 1.8 - Âèäåîêðîóëåð Ð-200

Âèäåîêðîóëåð SUPERVISION ìîäåëü äëÿ èíñïåêöèé òðóáîïðîâîäîâ äèàìåòðîì îò 250 äî 1000 ìì äëèíîé äî 300 ì. 4 âåäóùèõ êîëåñà, âîäîíåïðîíèöàåìîñòü äî 10 áàð.

Ðèñóíîê 1.9 - Âèäåîêðîóëåð SuperVision

1.4 Ïîñòàíîâêà çàäà÷è ïðîåêòèðîâàíèÿ

Èç âûøåïðèâåä¸ííîãî àíàëèçà âèäíî, ÷òî íà ñåãîäíÿøíèé äåíü íà ðûíêå âèäåîêðîóëåðîâ ïðèñóòñòâóåò íåìàëî êà÷åñòâåííûõ ðàçðàáîòîê. Îäíàêî ïîäàâëÿþùåå áîëüøèíñòâî ìîäåëåé íå ïðåäíàçíà÷åíî äëÿ êîíòðîëÿ òðóá äèàìåòðîì ïîðÿäêà 100 ìì. Êðîìå òîãî, âñå ðàçðàáîòêè èìåþò èìïîðòíîå ïðîèñõîæäåíèå, ÷òî âåä¸ò ê óâåëè÷åíèþ èõ ñòîèìîñòè äëÿ êîíå÷íîãî ïîòðåáèòåëÿ â ÐÁ. Ê ïðèìåðó, öåíà íåêîòîðûõ êðîóëåðîâ â ïîëíîé êîìïëåêòàöèè, ìîæåò äîõîäèòü äî 10000 ó. å.

Ïîýòîìó âîçíèêàåò âîïðîñ î öåëåñîîáðàçíîñòè ñîçäàíèÿ ìàëîãàáàðèòíîãî âèäåîêðîóëåðà, ïðåäíàçíà÷åííîãî äëÿ êîíòðîëÿ òðóá îòíîñèòåëüíî íåáîëüøèõ äèàìåòðîâ (îò 100 äî 180 ìì). Ãîòîâîå ðåøåíèå ïðåäïîëàãàåòñÿ áûòü áîëåå ïðîñòûì, ïî ñðàâíåíèþ ñî ñâîèìè àíàëîãàìè, îäíàêî è áîëåå äîñòóïíûì ïî öåíå.

Ñôîðìóëèðóåì îñíîâíûå çàäà÷è äèïëîìíîãî ïðîåêòà:

–   âûáîð è îáîñíîâàíèå ìåòîäà êîíòðîëÿ;

–       ðàñ÷¸ò ïàðàìåòðîâ êîíòðîëÿ;

–       îöåíêà ÷óâñòâèòåëüíîñòè êîíòðîëÿ;

–       ðàçðàáîòêà ñòðóêòóðíîé ñõåìû óñòàíîâêè êîíòðîëÿ;

–       ìîäåëèðîâàíèå è ðàñ÷åò ìåõàíè÷åñêîé ÷àñòè óñòðîéñòâà;

–       ìîäåëèðîâàíèå è ðàñ÷åò ýëåêòðîííîé ÷àñòè óñòðîéñòâà;

–       ðàçðàáîòêà ìåòðîëîãè÷åñêîãî îáåñïå÷åíèÿ;

–       îáåñïå÷åíèå áåçîïàñíîñòè è ýêîëîãè÷íîñòè ïðîåêòà;

–       ýêîíîìè÷åñêîå îáîñíîâàíèå ïðîåêòà.

2. Âûáîð ìåòîäà êîíòðîëÿ è òåîðåòè÷åñêîå ìîäåëèðîâàíèå

2.1 Âûáîð è îáîñíîâàíèå ìåòîäà êîíòðîëÿ

Îñíîâíîé ìåòîä îïòè÷åñêîãî âèäà êîíòðîëÿ, êîòîðûé ðåàëèçóþò âèäåîêðîóëåðû - ýòî âèçóàëüíî-îïòè÷åñêèé ìåòîä. Åãî õàðàêòåðèñòèêè äàíû â òàáëèöå 2.1 [7].

Òàáëèöà 2.1 - Õàðàêòåðèñòèêè âèçóàëüíî-îïòè÷åñêîãî ìåòîäà ÍÊ

Íàçâàíèå ìåòîäà

Îáëàñòü ïðèìåíåíèÿ

Ôàêòîðû, îãðàíè÷èâàþùèå îáëàñòü ïðèìåííåíèÿ

Êîíòðîëèðóåìûå ïàðàìåòðû

×óâñòâèòåëüíîñòü

Ïîãðåøíîñòü %

Âèçóàëüíî-îïòè÷åñêèé

Äåôåêòîñêîïèÿ ñ ïîìîùüþ ìèêðîñêîïîâ, ñòåðåîñêîïèÿ. Ðàçìåðíûé êîíòðîëü ñ ïîìîùüþ ïðîåêöèîííûõ óñòðîéñòâ. Ýíäîñêîïèÿ âíóòðåííèõ ïîâåðõíîñòåé, èíòðîñêîïèÿ

Ìèíèìàëüíàÿ ÿðêîñòü èçîáðàæåíèÿ ÎÊ íå ìåíåå 1 êä/ì2.

Ðàçìåðû èçäåëèé, äåôåêòîâ, îòêëîíåíèÿ îò çàäàííîé ôîðìû.

(0.6*ë)/À

0,1 - 1


Âèäåîêðîóëåðû òàê æå ìîãóò îñíàùàòüñÿ äîïîëíèòåëüíîé èçìåðèòåëüíîé àïïàðàòóðîé, êîòîðàÿ ðàñøèðÿåò âîçìîæíîñòè óñòðîéñòâà ïî êîíòðîëþ èëè äèàãíîñòèêå çàäàííîãî ÎÊ. Ýòî ìîãóò áûòü, íàïðèìåð, àêóñòè÷åñêèå èëè âèõðåòîêîâûå äàò÷èêè.  ðàìêàõ äàííîãî äèïëîìíîãî ïðîåêòà, íà óñòðîéñòâî ïëàíèðóåòñÿ óñòàíîâêà äàò÷èêà ãîðþ÷èõ ãàçîâ (ïðîïàí, áóòàí, ìåòàí) èëè äàò÷èêà ïàðîâ æèäêèõ óãëåâîäîðîäîâ (áåíçèí, àöåòîí). Ýòè äàò÷èêè ïîçâîëÿò ïðîèçâîäèòü ïðåäðåìîíòíóþ äèàãíîñòèêó îáúåêòîâ íåôòåãàçîâîãî êîìïëåêñà (ãàçîïðîâîäû, áåíçîïðîâîäû, ðåçåðâóàðû äëÿ ÃÑÌ), äëÿ ïðèíÿòèÿ ðåøåíèÿ î âîçìîæíîñòè äàëüíåéøåãî ïðîâåäåíèÿ ðåìîíòíûõ ðàáîò.

Ñóùåñòâóåò ìíîæåñòâî ðàçëè÷íûõ òèïîâ ãàçîàíàëèòè÷åñêèõ äàò÷èêîâ. Ðàññìîòðèì òðè íàèáîëåå ðàñïðîñòðàíåííûõ òèïà [8].

Îïòèêî-àáñîðáöèîííûå.  îñíîâó ïðèíöèïà äåéñòâèÿ ãàçîàíàëèçàòîðîâ çàëîæåí îïòèêî-àáñîðáöèîííûé ìåòîä àíàëèçà ãàçà, îñíîâàííûé íà èçìåðåíèè ïîãëîùåíèÿ èíôðàêðàñíîé (ÈÊ) ýíåðãèè àíàëèçèðóåìûì êîìïîíåíòîì. Ñòåïåíü ïîãëîùåíèÿ ÈÊ-ýíåðãèè èçëó÷åíèÿ çàâèñèò îò êîíöåíòðàöèè àíàëèçèðóåìîãî êîìïîíåíòà â ãàçîâîé ñìåñè. Êàæäîìó ãàçó ïðèñóùà ñâîÿ îáëàñòü äëèí âîëí ïîãëîùåíèÿ, ýòî îáóñëàâëèâàåò âîçìîæíîñòü ïðîâåäåíèÿ èçáèðàòåëüíîãî àíàëèçà ãàçîâ. Ôóíêöèîíàëüíàÿ ñõåìà ðàáîòû ýòèõ äàò÷èêîâ èçîáðàæåíà íà ðèñóíêå 2.1.

Ðèñóíîê 2.1 - Ôóíêöèîíàëüíàÿ ñõåìà îïòèêî-àáñîðáöèîííûõ äàò÷èêîâ.

Ê ïðåèìóùåñòâàì äàò÷èêîâ äàííîãî òèïà ñëåäóåò îòíåñòè êðàéíå ìàëóþ ïîãðåøíîñòü âûõîäíîãî ñèãíàëà îò òåìïåðàòóðû îêðóæàþùåé ñðåäû, à òàêæå âîçìîæíîñòü ðàáîòû â øèðîêîì äèàïàçîíå èçìåðåíèé.

Ê íåäîñòàòêàì, äàò÷èêîâ äàííîãî òèïà îòíîñÿòñÿ çàâèñèìîñòü âûõîäíîãî ñèãíàëà îò íàëè÷èÿ â ñðåäå ïûëè èëè äûìà, à òàêæå îòíîñèòåëüíî áîëüøèå ãàáàðèòû èç-çà íàëè÷èÿ ãàçîâîé êþâåòû ñ ìíîæåñòâîì ñâåòîâûõ ïðèçì äëÿ óâåëè÷åíèÿ ïðîõîäèìîãî ÈÊ-ëó÷îì ïóòè. Ýòîò íåäîñòàòîê íå ïîçâîëÿåò ïðèìåíÿòü äàííûå äàò÷èêè â ìàëîãàáàðèòíûõ óñòðîéñòâàõ, òàêèõ êàê ïðîåêòèðóåìûé âèäåîêðîóëåð.

Òåðìîêàòàëèòè÷åñêèå. Ïðèíöèï äåéñòâèÿ äàò÷èêà îñíîâàí íà êàòàëèòè÷åñêîì ñãîðàíèè óãëåâîäîðîäíûõ ãàçîâ è ïàðîâ íà ÷óâñòâèòåëüíîì ýëåìåíòå äàò÷èêà. Äàò÷èê ñîñòîèò èç äâóõ ýëåìåíòîâ (÷óâñòâèòåëüíîãî è îïîðíîãî), óñòàíîâëåííûõ â îäíîì êîðïóñå è ðàçäåëåííûõ ýêðàíîì (ðèñóíîê 2.2). Ýëåìåíòû ïðåäñòàâëÿþò ñîáîé ïëàòèíîâûå òåðìîðåçèñòîðû, ïîêðûòûå êåðàìèêîé îêñèäà àëþìèíèÿ (÷óâñòâèòåëüíûé ýëåìåíò - àêòèâèðîâàí Pt - Pd êàòàëèçàòîðîì). Âûõîäíîé ñèãíàë äàò÷èêà îáóñëîâëåí ðàçíîñòüþ òåìïåðàòóð ÷óâñòâèòåëüíîãî è îïîðíîãî ýëåìåíòà â ïðèñóòñòâèè ãîðþ÷èõ ãàçîâ.

Ðèñóíîê 2.2 - Óñòðîéñòâî òåðìîêàòàëèòè÷åñêîãî äàò÷èêà

Ïðåèìóùåñòâîì ýòèõ äàò÷èêîâ ÿâëÿåòñÿ èõ ìàëûå ãàáàðèòû è âåñ, à íåäîñòàòêîì - âîçìîæíîñòü èçìåðÿòü ëèøü äîâçðûâíûå êîíöåíòðàöèè ãîðþ÷èõ ãàçîâ. Îäíàêî, äàæå â ýòîì ñëó÷àå ïðèìåíåíèå äàííîãî äàò÷èêà âîçìîæíî â ðàìêàõ ïðîåêòèðóåìîãî óñòðîéñòâà.

Ïîëóïðîâîäíèêîâûå. Ïðèíöèï äåéñòâèÿ äàò÷èêà îñíîâàí íà óâåëè÷åíèè ïðîâîäèìîñòè ïîëóïðîâîäíèêîâîé êåðàìèêè, íàõîäÿùåéñÿ ïðè òåìïåðàòóðå 400 - 450 îÑ â ïðèñóòñòâèè âîññòàíàâëèâàþùèõ ãàçîâ (ðèñóíîê 2.3). Ïðè ïèòàíèè äàò÷èêà ñòàáèëèçèðîâàííûì òîêîì âûõîäíîé ñèãíàë (Uâûõ) îáðàçóåòñÿ çà ñ÷åò ðàçíèöû ïàäåíèÿ íàïðÿæåíèÿ íà ÷óâñòâèòåëüíîì ýëåìåíòå â ÷èñòîì âîçäóõå (Uâ) è ãàçîâîé ñðåäå (Ur).

Ðèñóíîê 2.3 - Óñòðîéñòâî ïîëóïðîâîäíèêîâîãî äàò÷èêà

Ïðåèìóùåñòâà è íåäîñòàòêè ó ïîëóïðîâîäíèêîâîãî äàò÷èêà ïðàêòè÷åñêè òå æå, ÷òî è ó òåðìîêàòàëèòè÷åñêîãî. Îäíàêî èç-çà îòñóòñòâèÿ îïîðíîãî ýëåìåíòà â äàò÷èêå, êîë-âî ïðîâîäîâ äëÿ ðàáîòû ñ íèì ñîêðàùåíî ñ 3 äî 2. Ýòî ïîçâîëèò ïðèìåíèòü êàáåëü ñ ìåíüøèì ÷èñëîì æèë, ÷òî áîëåå ïðèåìëåìî äëÿ ïðîåêòèðóåìîãî óñòðîéñòâà.

Ïîñëå àíàëèçà íàèáîëåå ðàñïðîñòðàí¸ííûõ òèïîâ ãàçîàíàëèòè÷åñêèõ äàò÷èêîâ, äëÿ ïðèìåíåíèÿ âûáðàí ïîëóïðîâîäíèêîâûé äàò÷èê.

2.2 Ðàñ÷¸ò ïàðàìåòðîâ êîíòðîëÿ

 êà÷åñòâå èçìåðèòåëüíîãî îáîðóäîâàíèÿ íà âèäåîêðîóëåð óñòàíîâëåí ïîëóïðîâîäíèêîâûé äàò÷èê ãîðþ÷èõ ãàçîâ ÏÃÑ-1Åõ. Áîëåå ïîäðîáíîå îïèñàíèå ýòîãî äàò÷èêà áóäåò äàíî â ïóíêòå 3. Çäåñü æå îñòàíîâèìñÿ íà ïàðàìåòðàõ èçìåðåíèÿ äàííûì óñòðîéñòâîì ãîðþ÷èõ ãàçîâ (ïàðîâ æèäêèõ óãëåâîäîðîäîâ). Çíà÷åíèÿ îñíîâíûõ ïàðàìåòðîâ äàò÷èêà, äëÿ êàæäîãî èçìåðÿåìîãî êîìïîíåíòà, äàíû â òàáëèöå 2.2.

Òàáëèöà 2.2 - Ïàðàìåòðû äàò÷èêà äëÿ èçìåðÿåìûõ êîìïîíåíòîâ

Îïðåäåëÿåìûé êîìïîíåíò

Åäåíèöà èçìåðåíèÿ, %

Äèàïàçîí èçìåðåíèé

Êîýôôèöèåíò ïðåîáðàçîâàíèÿ

Åäåíèöà ôèç. âåëè÷èíû

Ìåòàí (ÑÍ4)

ÍÊÏÐ

0 - 50

0.32

ìÂ

Ïðîïàí (Ñ3Í8)

ÍÊÏÐ

0 - 50

0.64

ìÂ

Áåíçèí (C6H6)

ÍÊÏÐ

0 - 50

0.9

ìÂ


ÍÊÏÐ - ìèíèìàëüíîå ñîäåðæàíèå ãîðþ÷åãî ãàçà èëè ïàðà â âîçäóõå, ïðè êîòîðîì âîçìîæíî ðàñïðîñòðàíåíèå ïëàìåíè ïî ñìåñè íà ëþáîå ðàññòîÿíèå îò èñòî÷íèêà [9].

Íàïðèìåð, äëÿ ìåòàíà ÍÊÏÐ ðàâåí 5% îáúåìíîé äîëè â âîçäóõå, äëÿ ïðîïàíà - 2,1%, äëÿ áåíçèíà - 4%.

Ãàçîàíàëèçàòîð îáåñïå÷èâàåò âûäà÷ó ñèãíàëà, ïðîïîðöèîíàëüíîãî çíà÷åíèþ êîíöåíòðàöèè îïðåäåëÿåìîãî êîìïîíåíòà. Çíà÷åíèå êîíöåíòðàöèè îïðåäåëÿåìîãî êîìïîíåíòà ïî âûõîäíîìó ñèãíàëó âû÷èñëÿåòñÿ ïî ôîðìóëå:

 (2.1)

ãäå Uâûõ - âûõîäíîé ñèãíàë äàò÷èêà â ìÂ;- íèæíÿÿ ãðàíèöà âûõîäíîãî ñèãíàëà, ðàâíàÿ 2 ìÂ;

Ñëåäîâàòåëüíî, íîìèíàëüíàÿ ôóíêöèÿ ïðåîáðàçîâàíèÿ äàò÷èêà ïî âûõîäíîìó òîêîâîìó ñèãíàëó èìååò âèä:

 (2.2)

ãäå Ñ - çíà÷åíèå êîíöåíòðàöèè îïðåäåëÿåìîãî êîìïîíåíòà;

Ãðàôèê çàâèñèìîñòè âûõîäíîãî ñèãíàëà â ì îò ïðîöåíòíîãî ñîäåðæàíèÿ èññëåäóåìîãî êîìïîíåíòà â åäèíèöàõ ÍÊÏÐ, ïðåäñòàâëåí íà ðèñóíêå 2.4.

Ðèñóíîê 2.4 - Çíà÷åíèå âûõîäíîãî ñèãíàëà îò êîíöåíòðàöèè èçìåðÿåìîãî êîìïîíåíòà äëÿ äàò÷èêà ÏÃÑ-1Åõ

2.3 Îöåíêà ÷óâñòâèòåëüíîñòè êîíòðîëÿ

Äëÿ ãàçîàíàëèòè÷åñêèõ äàò÷èêîâ ÷óâñòâèòåëüíîñòü ê èçìåðÿåìûì êîìïîíåíòàì îáû÷íî âûðàæàåòñÿ â ñïåöèàëüíûõ åäèíèöàõ - PPM.(ñîêðàùåíèå îò àíãë. parts per million - «÷àñòåé íà ìèëëèîí») - åäèíèöà èçìåðåíèÿ êîíöåíòðàöèé è äðóãèõ îòíîñèòåëüíî ìàëûõ âåëè÷èí.

ppm = 0,001 ‰ = 0,0001%

Äëÿ äàò÷èêà ÏÃÑ-1Åõ ÷óâñòâèòåëüíîñòü ê ìåòàíó è ïðîïàíó ñîñòàâëÿåò 10 ppm, à äëÿ áåíçèíà - 100 ppm.  ïåðåñ÷¸òå íà îáú¸ìíóþ äîëþ â âîçäóõå, ýòî ñîñòàâèò 0,001% è 0,01% ñîîòâåòñòâåííî.

Áîëåå ïîäðîáíûå õàðàêòåðèñòèêè ÷óâñòâèòåëüíîñòè äàò÷èêà ïðèâåäåíû â òàáëèöå 2.3.

Ñòîèò îòìåòèòü, ÷òî äàííàÿ ÷óâñòâèòåëüíîñòü, à òàêæå ïðî÷èå òåõíè÷åñêèå õàðàêòåðèñòèêè äàò÷èêà îáåñïå÷èâàþòñÿ òîëüêî ïðè ïîëíîì ñîáëþäåíèè óñëîâèé ýêñïëóàòàöèè, êîòîðûå ïîäðîáíî îãîâîðåíû â ïóíêòå 3.5.

Òàáëèöà 2.3 - Ïàðàìåòðû ÷óâñòâèòåëüíîñòè äàò÷èêà ÏÃÑ-1Åõ

Ðåãèñòðèðóåìûé ãàç â ãàçî-âîçäóøíîé ñìåñè

×óâñòâèòåëüíîñòü ê èçìåðÿåìîìó êîìïîíåíòó, ppm

Äèàïàçîí ðåãèñòðàöèè, % îá.

Ãàçî÷óâñòâèòåëüòåëüíîñòü (îòíîøåíèå ñîïðîòèâëåíèÿ ãàçî÷óâñòâ. ñëîÿ â âîçäóõå ê ñîïðîòèâëåíèþ â êîíòðîëüíîé ãàçîâîé ñìåñè (Râîçäóõ/Rc, ãäå èí-äåêñ Ñ-êîíöåíòðàöèÿ ãàçà â ãàçîâîé ñìåñè, % îá.)

Îòíîñè-òåëüíàÿ ïîãðåø-íîñòü ðåãè-ñòðàöèè, %

Âðåìÿ óñòàíîâ-ëåíèÿ 95% ñèãíàëà (t0.95), íå áîëåå, ñ

Áåíçèí

100

0,01 - 2,0

Râîçäóõ/R0.5 íå ìåíåå 7

10

2

Ìåòàí

10

0,001 - 2,5

Râîçäóõ/R1.0 íå ìåíåå 3

10

2

Ïðîïàí

10

0,001 - 1,0

Râîçäóõ/R0.5 íå ìåíåå 5

10

2


Ïðèìåíÿåìàÿ â ðàçðàáàòûâàåìîì óñòðîéñòâå âèäåîêàìåðà, îáëàäàåò ñâåòî÷óâñòâèòåëüíîñòüþ 0,5 ëê. Áîëåå ïîäðîáíûå õàðàêòåðèñòèêè âèäåîêàìåðû, ïðèâåäåíû â ïóíêòå 3.4.

3. Ðàçðàáîòêà òåõíè÷åñêèõ ñðåäñòâ êîíòðîëÿ

3.1 Ðàçðàáîòêà ñòðóêòóðíîé ñõåìû óñòàíîâêè êîíòðîëÿ

Íà íà÷àëüíîì ýòàïå ïðîåêòèðîâàíèÿ ëþáîé óñòàíîâêè íåîáõîäèìî ðàçðàáîòàòü è ñîñòàâèòü ñòðóêòóðíóþ ñõåìó óñòàíîâêè êîíòðîëÿ.

Ñõåìû ñòðóêòóðíûå è ôóíêöèîíàëüíûå ïðåäíàçíà÷åíû äëÿ îáùåãî îçíàêîìëåíèÿ ñ èçäåëèåì è äëÿ èçó÷åíèÿ îáùèõ ïðèíöèïîâ ðàáîòû èçäåëèÿ.

Äàííûå ñõåìû ðàçðàáàòûâàþò íà ýòàïàõ ýñêèçíîãî è òåõíè÷åñêîãî ïðîåêòèðîâàíèÿ. Îíè îïðåäåëÿþòñÿ ñëîæíîñòüþ èçäåëèÿ è íåîáõîäèìîñòüþ îáåñïå÷èòü èñõîäíûìè äàííûìè ïîñëåäóþùèé ýòàï ïðîåêòèðîâàíèÿ [10].

Íà ñòðóêòóðíîé ñõåìå â âèäå ïðÿìîóãîëüíèêîâ äîëæíû áûòü èçîáðàæåíû âñå îñíîâíûå ôóíêöèîíàëüíûå ÷àñòè èçäåëèÿ. Äîïóñêàåòñÿ èçîáðàæàòü ýëåìåíòû, óñòðîéñòâà, ôóíêöèîíàëüíûå ÷àñòè â âèäå óñëîâíûõ ãðàôè÷åñêèõ îáîçíà÷åíèé (ÓÃÎ). Îñíîâíûå ñîñòàâíûå ÷àñòè èçäåëèÿ èçîáðàæàþòñÿ, êàê ïðàâèëî, áåç ó÷åòà èõ äåéñòâèòåëüíîãî ðàñïîëîæåíèÿ è ïîäðîáíîñòåé. Îäíàêî ãðàôè÷åñêîå ïîñòðîåíèå ñõåìû äîëæíî íàãëÿäíî ïîêàçûâàòü âçàèìîäåéñòâèå ôóíêöèîíàëüíûõ ÷àñòåé â èçäåëèè.

Íà ñõåìå äîëæíû áûòü ïîêàçàíû âçàèìîñâÿçè ýëåêòðè÷åñêèå è, ïðè íåîáõîäèìîñòè, ìåõàíè÷åñêèå, ñóùåñòâóþùèå ìåæäó ôóíêöèîíàëüíûìè ÷àñòÿìè. Íà ëèíèÿõ âçàèìîñâÿçè ìîæíî ñòðåëêàìè ïîêàçûâàòü íàïðàâëåíèå õîäà ïðîöåññîâ, ïðîèñõîäÿùèõ â èçäåëèè. Ãðàôè÷åñêîå ïîñòðîåíèå ñòðóêòóðíîé ñõåìû äîëæíî íàãëÿäíî ïîêàçûâàòü âçàèìîäåéñòâèå ôóíêöèîíàëüíûõ ÷àñòåé â èçäåëèè.

Ñòðóêòóðíàÿ ñõåìà ïðèìåíÿåòñÿ äëÿ èçó÷åíèÿ ïðèíöèïîâ ðàáîòû ïðè íàëàäêå, ðåãóëèðîâêå, êîíòðîëå è ðåìîíòå. Ñòðóêòóðíàÿ ñõåìà ñîñòîèò èç ñëåäóþùèõ áëîêîâ:

-   îáúåêò êîíòðîëÿ;

-       äàò÷èê ãîðþ÷èõ ãàçîâ;

-       îñâåòèòåëüíîå óñòðîéñòâî;

-       âèäåîêàìåðà;

-       ïåðåäâèæíàÿ ïëàòôîðìà;

-       ìíîãîæèëüíûé ñîåäèíèòåëüíûé êàáåëü;

-       ãàçîàíàëèçàòîð;

-       áëîê óïðàâëåíèÿ;

-       âèäåîðåãèñòðàòîð;

-       áëîê ïèòàíèÿ.

Ñòðóêòóðíàÿ ñõåìà óñòàíîâêè êîíòðîëÿ ïðåäñòàâëåíà íà ÷åðòåæå 20.01.02 00.00.000 C1.

3.2 Âûáîð ñòðóêòóðíûõ ýëåìåíòîâ è îñíîâíûå òðåáîâàíèÿ ê íèì

Îïèøåì òðåáîâàíèÿ è íàçíà÷åíèå äëÿ êàæäîãî áëîêà ñòðóêòóðíîé ñõåìû è îïðåäåëèì âûáîð èëè åãî äàëüíåéøóþ ðàçðàáîòêó.

Äàò÷èê ãîðþ÷èõ ãàçîâ ïðåäíàçíà÷åí äëÿ èçìåðåíèÿ îáú¸ìíîé êîíöåíòðàöèè óãëåâîäîðîäîâ, êîòîðûå íàõîäÿòñÿ (ìåòàí, ïðîïàí) èëè ìîãóò íàõîäèòñÿ â ãàçîîáðàçíîì ñîñòîÿíèè (áåíçèí) ïðè íîðìàëüíûõ óñëîâèÿõ âíóòðè ÎÊ.

Îñâåòèòåëüíîå óñòðîéñòâî äîëæíî îáåñïå÷èâàòü îñâåù¸ííîñòü ÎÊ, äîñòàòî÷íîå äëÿ åãî âèçóàëüíî-îïòè÷åñêîãî îñìîòðà.

Âèäåîêàìåðà âûïîëíÿåò ðîëü ïåðâè÷íîãî ïðè¸ìíèêà â ýëåêòðîííî-îïòè÷åñêîé ñõåìå. Ñ ïîìîùüþ íå¸ è îñóùåñòâëÿåòñÿ âèçóàëüíî-îïòè÷åñêèé îñìîòð âíóòðåííèõ ïîâåðõíîñòåé ÎÊ.

Ïåðåäâèæíàÿ ïëàòôîðìà ïðåäíàçíà÷åíà äëÿ ïåðåìåùåíèÿ ïî ÎÊ îñâåòèòåëüíîãî, èçìåðèòåëüíîãî, ðåãèñòðèðóþùåãî, è äðóãîãî îáîðóäîâàíèÿ. Äëÿ ïåðåäâèæåíèÿ ïî ÎÊ, êðîóëåð îñíàùàåòñÿ ýëåêòðîïðèâîäîì, êîòîðûé ïåðåäà¸ò âðàùåíèå íà ðàáî÷èé îðãàí (êîëåñî èëè ãðåáíîé âèíò).

Ìíîãîæèëüíûé ñîåäèíèòåëüíûé êàáåëü ñëóæèò äëÿ ïåðåäà÷è èíôîðìàöèîííûõ ñèãíàëîâ îò âèäåîêàìåðû è äàò÷èêà ãîðþ÷èõ ãàçîâ ê âèäåî ðåãèñòðàòîðó è ãàçîàíàëèçàòîðó ñîîòâåòñòâåííî. Îò áëîêà óïðàâëåíèÿ ñèãíàë ìîæåò ïîäàâàòüñÿ íà óïðàâëåíèå ýëåêòðîïðèâîäîì, îñâåòèòåëüíûì óñòðîéñòâîì, âèäåîêàìåðîé. Òàêæå ÷åðåç êàáåëü ïðîèñõîäèò ñíàáæåíèå âñåõ ñèñòåì âèäåîêðîóëåðà ýëåêòðîýíåðãèåé.

 êà÷åñòâå ãàçîàíàëèçàòîðà ìîæåò ïðèìåíÿòüñÿ ëþáîé ïåðåíîñíîé ïðèáîð, ñïîñîáíûé ðàáîòàòü ñ ïîëóïðîâîäíèêîâûìè äàò÷èêàìè ãîðþ÷èõ ãàçîâ. Ïðèáîð äîëæåí áûòü ñîãëàñîâàí ñ äàò÷èêîì êàê ïî òèïó îïðåäåëÿåìîãî ãàçà, òàê è ïî äèàïàçîíàì èçìåðåíèÿ.

Áëîê óïðàâëåíèÿ ñëóæèò äëÿ ìàíèïóëÿöèè ðàçëè÷íûìè ñèñòåìàìè êðîóëåðà. Íàïðèìåð, èíòåíñèâíîñòüþ îñâåòèòåëüíûõ óñòðîéñòâ, ñêîðîñòüþ è íàïðàâëåíèåì âðàùåíèÿ ýëåêòðîïðèâîäà.

 êà÷åñòâå âèäåîðåãèñòðàòîðà ìîæåò áûòü èñïîëüçîâàí ïîðòàòèâíûé ÆÊ-ìîíèòîð. Îäíàêî, íàèáîëåå ïðèåìëåìûì âàðèàíòîì áóäåò èñïîëüçîâàíèå íîóòáóêà ñ íàëè÷èåì âèäåî âõîäà. Ýòî ïîçâîëèò çàïèñûâàòü ðåçóëüòàòû êîíòðîëÿ â âèäåî èëè ãðàôè÷åñêèé ôàéë, äëÿ èõ ïîñëåäóþùåãî ïðîñìîòðà è âûâîäà íà ïå÷àòü.

Áëîê ïèòàíèÿ îáåñïå÷èâàåò âñå ýëåêòðè÷åñêèå ñèñòåìû âèäåîêðîóëåðà ýíåðãèåé. Îí äîëæåí âûäàâàòü ïîñòîÿííûé òîê òðåáóåìîãî íàïðÿæåíèÿ, à åãî ìîùíîñòè äîëæíî õâàòàòü äëÿ îáåñïå÷åíèÿ ðàáîòû âèäåîêðîóëåðà â òå÷åíèè äîñòàòî÷íî ïðîäîëæèòåëüíîãî âðåìåíè.

3.3 Ìîäåëèðîâàíèå è ðàñ÷¸ò ìåõàíè÷åñêîé ÷àñòè êðîóëåðà

Ïî òåõíè÷åñêîìó çàäàíèþ ìàêñèìàëüíàÿ äëèíà îáñëåäóåìîé ÷àñòè òðóáû äîëæíà ñîñòàâëÿòü 50 ì. Äëÿ ýòîãî íåîáõîäèìî èñïîëüçîâàòü ìíîãîæèëüíûé êàáåëü ñîîòâåòñòâóþùåé äëèíû. Äëÿ ðåøåíèÿ ýòîé çàäà÷è áûë âûáðàí 10-òè æèëüíûé êàáåëü ÊÑÏ ïðîèçâîäñòâà ôèðìû «Ïàðèòåò» (ÐÔ). Äàííûé òèï êàáåëÿ ïðåäíàçíà÷åí äëÿ èñïîëüçîâàíèÿ â ñèñòåìàõ ñèãíàëèçàöèè è òåëåêîììóíèêàöèè. Òåõíè÷åñêèå õàðàêòåðèñòèêè êàáåëåé äàííîãî òèïà ïðåäñòàâëåíû íèæå [11].

Òàáëèöà 3.1 - Òåõíè÷åñêèå õàðàêòåðèñòèêè êàáåëåé ÊÑÏÂ

×èñëî æèë / äèàìåòð æèëû (ìì)

Íîìèíàëüíûé íàðóæíûé äèàìåòð (ìì)

Ìàññà êàáåëÿ (êã/êì)

Ýëåêòðè÷åñêîå ñîïðîòèâëåíèå ïðîâîäÿùèõ æèë 0,4 ìì ïîñòîÿííîìó òîêó ïðè 200Ñ, ÍÅ áîëåå (Îì/êì)

2 õ 0,4

2,8

7,27

148

4 õ 0,4

3,2

12,10


6 õ 0,4

3,7

16,43


8 õ 0,4

4,0

20,62


10 õ 0,4

4,8

26,10


12 õ 0,4

5,0

30,27



Èç òàáëèöû âèäíî, ÷òî óäåëüíàÿ ìàññà 10-òè æèëüíîãî êàáåëÿ ñîñòàâëÿåò 26,1 ã/ì. Ñëåäîâàòåëüíî ìàññà êàáåëÿ äëèííîé 50 ì ñîñòàâèò:

 (3.1)

Êðîìå òîãî, èçíà÷àëüíî ïðåäïîëàãàëîñü, ÷òî ìàññà ñàìîãî êðîóëåðà íå ïðåâûñèò 1,8 êèëîãðàììà. Ñëåäîâàòåëüíî, ìàêñèìàëüíàÿ ìàññà ãðóçà, êîòîðóþ íåîáõîäèìî ïåðåìåùàòü íå ïðåâûñèò 3,1 êã.

Ïîñëå ïðåäâàðèòåëüíîãî ýñêèçèðîâàíèÿ ïîëîæåíèÿ êðîóëåðà â òðóáå äèàìåòðîì 100 ìì, áûëî âûÿñíåíî, ÷òî äëÿ ýôôåêòèâíîãî èñïîëüçîâàíèÿ âñåãî ñâîáîäíîãî ïðîñòðàíñòâà òðóáû òàêîãî äèàìåòðà, óãîë ñêîñà êîë¸ñ äîëæåí ñîñòàâëÿòü 50°, à øèðèíà êîëåñ 10 ìì. Ñêîñ êîë¸ñ íóæåí äëÿ òîãî, ÷òîáû âî âðåìÿ ïðîäâèæåíèÿ ïî òðóáàì ñ ìàëûì ðàäèóñîì êðèâèçíû, êðîóëåð âñ¸ âðåìÿ ñîõðàíÿë ïðÿìîé êóðñ. Äèàìåòð êîë¸ñ áûë êîíñòðóêòèâíî âûáðàí ðàâíûì 60 ìì, à çàçîð ìåæäó êîëåñîì è êîðïóñîì êðîóëåðà 3 ìì.

Øèðèíà ïëàòôîðìû êðîóëåðà ñîñòàâèëà ïðè ýòîì 50 ìì. Èç ýòîãî ñëåäîâàëî, ÷òî äâèãàòåëü, íåîáõîäèìûé äëÿ ïåðåäâèæåíèÿ êðîóëåðà ñ îáùåé ìàññîé 2,8 êã, íóæíî ðàñïîëàãàòü âäîëü ïëàòôîðìû, à äëÿ ïåðåäà÷è âðàùàòåëüíîãî äâèæåíèÿ íà êîë¸ñà, ïîòðåáóåòñÿ êîíè÷åñêèé ðåäóêòîð.

Îñíîâíûå õàðàêòåðèñòèêè ïåðåäà÷:

–   ìîùíîñòü Ð1 íà âõîäå è Ð2 íà âûõîäå, Âò;

–       áûñòðîõîäíîñòü, êîòîðàÿ âûðàæàåòñÿ ÷àñòîòîé âðàùåíèÿ n1 íà âõîäå è n2 íà âûõîäå, ìèí-1, èëè óãëîâûìè ñêîðîñòÿìè ù1 è ù2, ñ-1.

Ýòè õàðàêòåðèñòèêè ìèíèìàëüíî íåîáõîäèìû è äîñòàòî÷íû äëÿ ïðîåêòíîãî ðàñ÷¸òà ëþáîé ïåðåäà÷è [12].

Ïðîâåä¸ì ýíåðãåòè÷åñêèé è êèíåìàòè÷åñêèé ðàñ÷¸ò ïðèâîäà. Èñõîäíûìè äàííûìè äëÿ ýòîãî ðàñ÷¸òà ÿâëÿþòñÿ:

–   ìàêñèìàëüíàÿ ìàññà êðîóëåðà (âìåñòå ñ ïðîâîäîì): m = 3,1 êã;

–       äèàìåòð êîëåñ: d = 0.06 ì;

–       ìàêñèìàëüíàÿ ñêîðîñòü êðîóëåðà: v = 0,1 ì/ñ;

–       óñêîðåíèå ñâîáîäíîãî ïàäåíèÿ: g = 9.8 ì/ñ2;

–       êîýôôèöèåíò ñîïðîòèâëåíèÿ ïåðåêàòûâàíèþ: fk = 0.08 (ïðèáëèæ¸ííî);

–       êîýôôèöèåíò ñîïðîòèâëåíèÿ êà÷åíèþ: Õ = 10 (ïðèáëèæ¸ííî);

–       ÊÏÄ âñåãî ïðèâîäà: ç0 = 0.7 (êîíñòðóêòèâíî).

Âåñ òåëåæêè G:

. (3.2)

Ñèëà ñîïðîòèâëåíèÿ êà÷åíèþ F:

. (3.3)

Ñèëà ñîïðîòèâëåíèÿ äâèæåíèþ êðîóëåðà Fc:

. (3.4)

Ìîùíîñòü, ïîòðåáëÿåìàÿ ðàáî÷èì îðãàíîì Ðñ:

 (3.5)

Ìîùíîñòü, ïîòðåáëÿåìàÿ ýëåêòðîäâèãàòåëåì Ðýä:

. (3.6)

Óãëîâàÿ ñêîðîñòü âðàùåíèÿ êîëåñà ùÊÎË:

. (3.7)

×àñòîòà âðàùåíèÿ êîëåñà nÊÎË:

. (3.8)

 êà÷åñòâå ñèëîâîé óñòàíîâêè áûëî ïðèíÿòî ðåøåíèå èñïîëüçîâàòü áåñêîëëåêòîðíûé ìèêðîäâèãàòåëü ïîñòîÿííîãî òîêà. Ýòè äâèãàòåëè íàõîäÿò øèðîêîå ïðèìåíåíèå â ñèñòåìàõ àâòîìàòèêè, òåëåìåõàíèêè, â âû÷èñëèòåëüíîé òåõíèêå, âûïîëíÿÿ ðàçëè÷íûå, ïîðîé óíèêàëüíûå ôóíêöèè. Ýëåêòðè÷åñêèå ìèêðîìàøèíû îòëè÷àþòñÿ îò ìàøèí ñðåäíåé è áîëüøîé ìîùíîñòè íå òîëüêî ìàëûìè ðàçìåðàìè. Äëÿ íèõ õàðàêòåðíû î÷åíü øèðîêèå äèàïàçîíû ÷àñòîòû âðàùåíèÿ (îò îäíîãî îáîðîòà â ñóòêè äëÿ äâèãàòåëÿ ñ ðåäóêòîðîì, äî íåñêîëüêèõ äåñÿòêîâ òûñÿ÷ îáîðîòîâ â ìèíóòó), îòíîñèòåëüíî áîëüøîå çíà÷åíèå òîêà õîëîñòîãî õîäà (äî 90%), ìàëî èëè ïðàêòè÷åñêè ñîâñåì íå íàñûùåííûå ìàãíèòíûå öåïè, çíà÷èòåëüíî ìåíüøèå ïîòåðè â ñòàëè, ïî ñðàâíåíèþ ñ ïîòåðÿìè â îáìîòêàõ, áîëüøèå ïëîòíîñòè òîêà â îáìîòêàõ. Êðîìå òîãî, â îòëè÷èå îò êîëëåêòîðíûõ äâèãàòåëåé, îòñóòñòâèå òðóùèõñÿ ÷àñòåé, òàêèõ, êàê ù¸òêà è êîëëåêòîð, äåëàåò äâèãàòåëü ãîðàçäî ìåíåå òðåáîâàòåëüíûì ê îáñëóæèâàíèþ è ðåìîíòó.

Íåäîñòàòêîì äàííûõ äâèãàòåëåé ïî ñðàâíåíèþ ñ øàãîâûìè ïðèâîäàìè, ÿâëÿåòñÿ íåâîçìîæíîñòü òî÷íîãî ïîçèöèîíèðîâàíèÿ âàëà. Âìåñòå ñ òåì, êîãäà íå òðåáóåòñÿ òî÷íîå ïîçèöèîíèðîâàíèå, à òîëüêî óïðàâëåíèå ñêîðîñòüþ, áåñêîëëåêòîðíûé äâèãàòåëü ïîñòîÿííîãî òîêà ñ ðåäóêòîðîì ÿâëÿåòñÿ íàèáîëåå ýêîíîìè÷íûì ðåøåíèåì, ïîñêîëüêó, â îòëè÷èå îò øàãîâûõ äâèãàòåëåé, íå òðåáóåò ñëîæíûõ ñõåì óïðàâëåíèÿ. Ýòî î÷åíü âàæíî, òàê êàê ñòîèìîñòü ñõåìû óïðàâëåíèÿ øàãîâûì äâèãàòåëåì ñîïîñòàâèìà ñî ñòîèìîñòüþ ñàìîãî äâèãàòåëÿ. Êðîìå òîãî ïðîáëåìà ïîçèöèîíèðîâàíèÿ âàëà, ìîæåò ÷àñòè÷íî ðåøàòüñÿ óñòàíîâêîé îïòè÷åñêèõ è ìàãíèòíûõ ýíêîäåðîâ (äàò÷èêîâ Õîëëà). Íåñìîòðÿ íà ñêðîìíûå ãàáàðèòû óðîâåíü âðàùàþùåãî ìîìåíòà è äîïóñòèìûå ñêîðîñòè âðàùåíèÿ äîñòàòî÷íî âûñîêè.

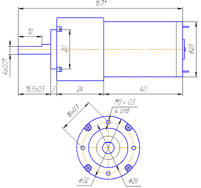
Èñõîäÿ èç ðàñ÷¸òíîé ìîùíîñòè äâèãàòåëÿ è øèðèíû ïëàòôîðìû, áûë âûáðàí ìîòîð-ðåäóêòîð ñåðèè IG-32GM ôèðìû KING RIGHT MOTOR (ðèñóíîê 3.1).

Ðèñóíîê 3.1 - Ìîòîð-ðåäóêòîð IG-32GM

Ìîòîð-ðåäóêòîð ñåðèè IG-32GM ñîñòîèò èç ðåâåðñèâíîãî áåñêîëëåêòîðíîãî äâèãàòåëÿ ïîñòîÿííîãî òîêà è ïëàíåòàðíîãî ðåäóêòîðà. Ýëåêòðîäâèãàòåëü íåîáñëóæèâàåìûé. Ïåðåäàòî÷íûå ÷èñëà ïðèëàãàåìûõ ðåäóêòîðîâ 5~721. Êîëè÷åñòâî ñòóïåíåé 1~4. Òåìïåðàòóðíûé äèàïàçîí ýêñïëóàòàöèè îò -10°Ñ äî +50°Ñ. Ìîäóëü çóá÷àòûõ êîëåñ 0,5 ìì. Ðàäèàëüíîå áèåíèå âûõîäíîãî âàëà ðåäóêòîðà íå áîëåå 0,05 ìì, îñåâîå áèåíèå íå áîëåå 0,3 ìì [13]. Ãàáàðèòíûå è ïðèñîåäèíèòåëüíûå ðàçìåðû äâèãàòåëÿ ïðèâåäåíû íà ðèñóíêå 3.2.

Ðèñóíîê 3.2 - Ãàáàðèòíûå è ïðèñîåäèíèòåëüíûå ðàçìåðû ìîòîð-ðåäóêòîðà IG-32GM

Íàïðÿæåíèå ïèòàíèÿ äâèãàòåëÿ 12Â. Âûõîäíàÿ ìîùíîñòü 4 Âò. Íîìèíàëüíàÿ ÷àñòîòà âðàùåíèÿ äàííîãî äâèãàòåëÿ nÝÄ ñîñòàâëÿåò 5300 ìèí-1. Ñëåäîâàòåëüíî îáùåå ïåðåäàòî÷íîå ÷èñëî âñåãî ïðèâîäà U0:

 (3.9)

Ïåðåäàòî÷íîå îòíîøåíèå ñëåäóåò ðàçäåëèòü íà 2 ñòóïåíè. Ïåðâîé ñòóïåíüþ áóäåò ÿâëÿòüñÿ ïëàíåòàðíûé ðåäóêòîð, êîòîðûé âñòðàèâàåòñÿ â ìîòîð IG-32GM, à âòîðîé ñòóïåíüþ áóäåò ÿâëÿòüñÿ êîíè÷åñêèé ðåäóêòîð. Èç ïîñòàâëÿåìûõ ê äàííîìó ýëåêòðîäâèãàòåëþ ïîíèæàþùèõ ïåðåäà÷, áûë âûáðàí ïëàíåòàðíûé ðåäóêòîð ñ ïåðåäàòî÷íûì ÷èñëîì ðàâíûì U1 = 14. Ñëåäîâàòåëüíî, ïåðåäàòî÷íîå îòíîøåíèå êîíè÷åñêîãî ðåäóêòîðà U2 äîëæíî ñîñòàâëÿòü:

 (3.10)

Èñõîäÿ èç ãàáàðèòíûõ õàðàêòåðèñòèê (øèðèíà ïëàòôîðìû) è ïåðåäàòî÷íîãî îòíîøåíèÿ, áûë âûáðàí êîíè÷åñêèé ðåäóêòîð ñ äâóìÿ âûõîäíûìè âàëàìè ôèðìû SHAYANG YE INDUSTRIAL (ðèñóíîê 3.3).

Ðèñóíîê 3.3 - Êîíè÷åñêèé ðåäóêòîð ñ äâóìÿ âûõîäíûìè âàëàìè

Íåêîòîðûå õàðàêòåðèñòèêè äàííîãî ðåäóêòîðà:

–   ïåðåäàòî÷íîå îòíîøåíèå U = 12;

–       ìàññà m = 250 ã.;

–       íîìèíàëüíûé ñðîê ñëóæáû t = 12000 ÷.

Ïîñëå ìîäåëèðîâàíèÿ âèäåîêðîóëåðà â ñèñòåìå Kompas 3D, ðàñ÷åò ÌÖÕ ìîäåëè ïîêàçàë, ÷òî ìàññà óñòðîéñòâà áåç ïðîâîäà ñîñòàâèëà 1404 ãðàììà. Ò.å. ó ñèëîâîé óñòàíîâêè êðîóëåðà åñòü äîñòàòî÷íûé çàïàñ ïî ìîùíîñòè.

3.4 Ìîäåëèðîâàíèå è ðàñ÷¸ò îïòèêî-ýëåêòðîííîé ÷àñòè êðîóëåðà

Ïî òåõíè÷åñêîìó çàäàíèþ, ðàçðåøàþùàÿ ñïîñîáíîñòü âèäåîêàìåðû äîëæíà ñîñòàâëÿòü íå ìåíåå 420 Ò ëèíèé. Èñõîäÿ èç ýòîãî, áûëà âçÿòà ìèíèêîðïóñíàÿ êàìåðà KPC-VSN700PHB (ðèñóíîê 3.4) ôèðìû KT&C (Þæíàÿ Êîðåÿ).

Ðèñóíîê 3.4 - Ìèíèêîðïóñíàÿ êàìåðà KPC-VSN700PHB

Òåõíè÷åñêèå õàðàêòåðèñòèêè äàííîãî óñòðîéñòâà ïðåäñòàâëåíû â òàáëèöå 3.2 [11].

Òàáëèöà 3.2 - Òåõíè÷åñêèå õàðàêòåðèñòèêè êàìåðû KPC-VSN700PHB

ÏÇÑ-ìàòðèöà

1/3» SONY Super HAD CCD II

×àñòîòà ðàçâåðòêè

PAL:15,625 êÃö (Ã), 50 Ãö (Â)

Ðàçðåøåíèå

550 ÒÂË

Äåéñòâóþùèå ïèêñåëè

PAL: 752 (Ã) õ 582 (Â)

Óãîë ïîëÿ çðåíèÿ

72î

Ñâåòî÷óâñòâèòåëüíîñòü

0,5 ëê / F2.0

Îòíîøåíèå ñèãí./øóì

48 äÁ

Íàïðÿæåíèå ïèòàíèÿ

12Â, IMAX = 90 ìÀ

Ìàññà

81 ã

Ãàáàðèòíûå ðàçìåðû

30õ30õ28,5


 êà÷åñòâå îñíîâíîãî îñâåùåíèÿ, íà âèäåîêðîóëåð áûë óñòàíîâëåí ñâåòîäèîäíûé ïðîæåêòîð PicLight, ñîñòîÿùàÿ èç 3 ñâåòîäèîäîâ ìîùíîñòüþ ïî 1 Âò êàæäûé (ðèñóíîê 3.7). Äîïîëíèòåëüíîå îñâåùåíèå ñîñòîèò èç 7 ñâåòîäèîäîâ ìàðêè ÊÈÏÄ 80Ý20-Á1-Ï, îêàéìëÿþùèõ îáúåêòèâ âèäåîêàìåðû ïî êîíòóðó.

Äàííûå ñâåòîäèîäû èìåþò âûñîêóþ ÿðêîñòü, è ìàëûé äèàìåòð (5 ìì). Ïðîèçâîäèòåëü ÎÀÎ «Ïðîòîí» (ðèñóíîê 3.5).

Ðèñóíîê 3.5 - Ñâåòîäèîäû ñåðèè ÊÈÏÄ

Îñíîâíûå õàðàêòåðèñòèêè ñâåòîäèîäîâ ìàðêè ÊÈÏÄ 80Ý20-Á1-Ï ïðåäñòàâëåíû â òàáëèöå 3.3.

Òàáëèöà 3.3 - Õàðàêòåðèñòèêè ñâåòîäèîäîâ ÊÈÏÄ 80Ý20-Á1-Ï

Äèàïàçîí ðàáî÷èõ òåìïåðàòóð

- 60°Ñ … + 85°Ñ

Îñíîâíûå õàðàêòåðèñòèêè ïðè t

25°Ñ

Öâåò ëèíçû

Ïðîçðà÷íûé

Öâåò ñâå÷åíèÿ

Áåëûé

Ñèëà ñâåòà ïðè If = 20 ìÀ, ìêä

15000 - 20000

Ïðÿìîå íàïðÿæåíèå Uf (íîìèíàë./ìàêñ.), Â

3,5 / 4.0

Ïîëíûé óãîë îáçîðà, ãðàä. (íå ìåíåå)

20


Ñâåòîäèîäû ñëåäóåò âêëþ÷àòü â öåïü ÷åðåç áàëëàñòíûå ñîïðîòèâëåíèÿ, ò.ê. íàïðÿæåíèå ïèòàíèÿ èñòî÷íèêà ïðåâûøàåò ïðÿìîå íàïðÿæåíèå ñâåòîäèîäîâ. Äëÿ âñïîìîãàòåëüíîãî îñâåùåíèÿ, ñâåòîäèîäû áóäåì âêëþ÷àòü â öåïü ïî ñëåäóþùåé ñõåìå:

Ðèñóíîê 3.6 - Ýëåêòðè÷åñêàÿ ñõåìà âñïîìîãàòåëüíîãî îñâåùåíèÿ

Ðèñóíîê 3.7 - Ñâåòîäèîäíûé ïðîæåêòîð PicLight

Ïðîèçâåä¸ì ðàñ÷¸ò áàëëàñòíûõ ñîïðîòèâëåíèé. Èñõîäíûìè äàííûìè äëÿ ðàñ÷¸òà ÿâëÿþòñÿ:ÏÈÒ = 12 Â, Uf = 3,5 Â, If = 20 ìÀ = 0.02 À.

Ïàäåíèå íàïðÿæåíèÿ íà ðåçèñòîðàõ R1 è R2 UÁÀËËÀÑÒÍ.:

. (3.11)

Ñîïðîòèâëåíèÿ ðåçèñòîðîâ R1 è R2:

. (3.12)

Èç ñòàíäàðòíîãî ðÿäà Å48 âûáèðàåì ðåçèñòîðû íîìèíàëîì 249 Îì. Àíàëîãè÷íî ïðîâîäèì ðàñ÷åò äëÿ ðåçèñòîðîâ R3 - R7. Ïîëó÷åííîå ñîïðîòèâëåíèå ïðè ýòîì ñîñòàâèëî 75 Îì.

3.5 Óñòàíîâêà èçìåðèòåëüíîãî îáîðóäîâàíèÿ

Íà ïðîåêòèðóåìîå óñòðîéñòâî, ïëàíèðóåòñÿ óñòàíîâêà äàò÷èêà ãîðþ÷èõ ãàçîâ, êîòîðûé ÷åðåç ìíîãîæèëüíûé ñîåäèíèòåëüíûé êàáåëü áóäåò ïîäêëþ÷àòüñÿ ê ñîîòâåòñòâóþùåìó ïîðòàòèâíîìó ãàçîàíàëèçàòîðó.

 êà÷åñòâå äàò÷èêà, áûë âûáðàí ïîëóïðîâîäíèêîâûé ñåíñîð ÏÃÑ-1Åõ, ïðîèçâîäñòâà ôèðìû «Ôàðìýê» [14].

Ñåíñîð ðàçðàáîòàí äëÿ èñïîëüçîâàíèÿ â ïðèáîðàõ, ïðåäíàçíà÷åííûõ äëÿ îáíàðóæåíèÿ óòå÷åê, ñèãíàëèçàòîðàõ, èçìåðèòåëÿõ êîíöåíòðàöèè ãîðþ÷èõ è òîêñè÷íûõ ãàçîâ â âîçäóõå (ðèñóíîê 3.8).

Åãî ïðåèìóùåñòâàìè ÿâëÿþòñÿ âûñîêàÿ ÷óâñòâèòåëüíîñòü è áûñòðîäåéñòâèå, íèçêîå ýíåðãîïîòðåáëåíèå, âçðûâîáåçîïàñíîå èñïîëíåíèå, íåáîëüøîé ðàçìåð è âåñ.

Ðèñóíîê 3.8 - Äàò÷èê ÏÃÑ-1Åõ â îáû÷íîì è âçðûâîçàùèù¸ííîì èñïîëíåíèè

Âî âçðûâîçàùèù¸ííîì èñïîëíåíèè, äàò÷èê ìîæåò ïîñòàâëÿòüñÿ êàê äëÿ êîíòðîëÿ äâóõ êîìïîíåíòîâ (ìåòàí - ïðîïàí), òàê è òð¸õ (ìåòàí - ïðîïàí, áåíçèíà). Òåõíè÷åñêèå õàðàêòåðèñòèêè äàò÷èêà ïðåäñòàâëåíû â òàáëèöå 3.4.

Òàáëèöà 3.4 - Òåõíè÷åñêèå õàðàêòåðèñòèêè äàò÷èêà ÏÃÑ-1Åõ

Íàïðÿæåíèå ïèòàíèÿ, Â

1 - 2,4

Ïîòðåáëÿåìûé òîê, ìÀ

40 - 110

Ñîïðîòèâëåíèå ÷óâñòâèòåëüíîãî ñëîÿ, ÌÎì

1 - 3

Ëèíåéíîñòü â äèàïàçîíå, ÍÊÏÐ%

0 - 50

Èñïîëíåíèå

Âçðûâîáåçîïàñíîå

Áûñòðîäåéñòâèå, ñ (íå áîëåå)

3

Âðåìÿ ïðîãðåâà, ìèí (íå áîëåå)

2

Ìàññà, ã (íå áîëåå): - ñ âçðûâîáåçîïàñíûì êîðïóñîì - áåç âçðûâîáåçîïàñíîãî êîðïóñà

 120 3

Ñðåäíÿÿ íàðàáîòêà íà îòêàç ïðè ñîáëþäåíèè óñëîâèé ýêñïëóàòàöèè, ÷ (íå ìåíåå)

10 000


Óñëîâèÿ ýêñïëóàòàöèè ñåíñîðà:

-   òåìïåðàòóðà îêðóæàþùåé ñðåäû îò ìèíóñ 60 äî ïëþñ 100 0Ñ;

-       îòíîñèòåëüíàÿ âëàæíîñòü ãàçà äî 98% ïðè 35 0Ñ áåç êîíäåíñàöèè âëàãè;

-       àòìîñôåðíîå äàâëåíèå 87.8 - 19.7 êÏà (660 - 900 ìì. ðò. ñò.);

-       ñîäåðæàíèå â âîçäóõå ñåðíèñòûõ ãàçîâ (SO2, H2S), è õëîðñîäåðæàùèõ ñîåäèíåíèé, âûçûâàþùèõ êîððîçèþ ÷óâñòâèòåëüíîãî ñëîÿ è êîðïóñà íåäîïóñòèìî;

-       çíà÷åíèå êîíöåíòðàöèè èññëåäóåìûõ êîìïîíåíòîâ íå äîëæíî ïðåâûøàòü âåðõíèé ïîðîã èçìåðåíèÿ íà 25%;

-       îðèåíòàöèÿ â ïðîñòðàíñòâå - ëþáàÿ.

Äëÿ ðàáîòû ñ äàò÷èêîì ÏÃÑ-1Åõ áûë âûáðàí ïåðåíîñíîé ãàçîàíàëèçàòîð «Ñèãíàë-02» (ðèñóíîê 3.9). Äàííûé ïðèáîð ïðåäíàçíà÷åí äëÿ ïîèñêà è ëîêàëèçàöèè óòå÷åê âçðûâîîïàñíûõ ãàçîâ è ïàðîâ (ìåòàí, ïðîïàí, áóòàí, ãåêñàí ïàðû ñïèðòà, áåíçèíà è ò.ï.). Ãàçîàíàëèçàòîð «Ñèãíàë-02» îïðåäåëÿåò óðîâåíü çàãàçîâàííîñòè â ïîäâàëàõ, êîëîäöàõ è äðóãèõ ïîìåùåíèÿõ òåõíîëîãè÷åñêèõ îáúåêòîâ, ãäå ïî óñëîâèÿì ýêñïëóàòàöèè âîçìîæíî îáðàçîâàíèå âçðûâîîïàñíûõ ñìåñåé êàòåãîðèè ÏÂ, Ò4 [15].

Ðèñóíîê 3.9 - Ñèãíàëèçàòîð ãîðþ÷èõ ãàçîâ «Ñèãíàë-02»

Òåõíè÷åñêèå õàðàêòåðèñòèêè ïðèáîðà ïðèâåäåíû â òàáëèöå 3.5.

Òàáëèöà 3.5 - Òåõíè÷åñêèå õàðàêòåðèñòèêè ïðèáîðà «Ñèãíàë-02»

Ïàðàìåòð

Çíà÷åíèå

Òåìïåðàòóðíûå óñëîâèÿ ðàáîòû, ãð.0Ñ

Îò -20 äî +40

Îòíîñèòåëüíàÿ âëàæíîñòü ðàáî÷åé ñðåäû, ïðè òåìïåðàòóðå +35 ãð.0Ñ è àòìîñôåðíîì äàâëåíèè îò 84 êÏà äî 106,7 êÏà.

äî 95%

Ñòåïåíü çàùèòû îò âíåøíèõ âîçäåéñòâèé, íå íèæå

IP-54

Âûäåðæèâàåò âèáðàöèîííûå âîçäåéñòâèÿ ñ àìïëèòóäîé, íå áîëåå

0,5 ìì è ÷àñòîòîé äî 35Ãö

Ìàðêà âçðûâîçàùèòû

1 ExbdIIBT 4

Èçìåðåíèå êîíöåíòðàöèè âçðûâîîïàñíûõ ãàçîâ è ïàðîâ â äèàïàçîíå (0…50)% ÍÊÏÐ ïðè îñíîâíîé àáñîëþòíîé ïîãðåøíîñòè íå áîëåå

± 5% ÍÊÏÐ

Äîïîëíèòåëüíàÿ àáñîëþòíàÿ ïîãðåøíîñòü ïðè èçìåíåíèè òåìïåðàòóðû îêðóæàþùåé ñðåäû íà êàæäûå 10 ãð. Ñ.

± 2,5% ÍÊÏÐ

Âðåìÿ ñðàáàòûâàíèÿ çâóêîâîé ñèãíàëèçàöèè, ñåê (íå áîëåå)

10

Ïîðîã ñðàáàòûâàíèÿ îãðàíè÷èòåëÿ òîêà â öåïÿõ èñêðîçàùèòû, À (íå áîëåå)

0,5

Ïîäà÷à çâóêîâîãî ñèãíàëà ðàçðÿäà àêêóìóëÿòîðîâ è ìèãàþùåãî ñâåòîâîãî ñèãíàëà ïðîèñõîäèò ïðè íàïðÿæåíèè ïèòàíèÿ íèæå

4,2 Â

Ïðè âêëþ÷åíèè ïèòàíèÿ è ðàçáàëàíñå ìîñòîâîé ñõåìû èçìåðåíèé íà âîçäóõå ïðîèñõîäèò

ñâåòîâàÿ èíäèêàöèÿ

Âðåìÿ íåïðåðûâíîé ðàáîòû ñèãíàëèçàòîðà, ÷ (íå ìåíåå)

7

Ñðåäíÿÿ íàðàáîòêà íà îòêàç ñèãíàëèçàòîðà, áåç ó÷åòà äàò÷èêà è àêêóìóëÿòîðîâ, ÷ (íå ìåíåå)

10 000

Ìàññà ñíàðÿæåííîãî ñèãíàëèçàòîðà, ã (íå áîëåå)

550

Ãàáàðèòíûå ðàçìåðû ñíàðÿæåííîãî ñèãíàëèçàòîðà, ìì:

194õ92õ36

Ñðåäíèé ñðîê ñëóæáû, ëåò (íå ìåíåå)

10


 êîìïëåêò ïîñòàâêè ïðèáîðà âõîäÿò: ñèãíàëèçàòîð «Ñèãíàë-02», óäëèíèòåëüíûé êàáåëü, ñåíñîð ÒÊÑ-1, ñåòåâîé àäàïòåð, èíñòðóêöèÿ ïî ýêñïëóàòàöèè, ÷åìîäàí óêëàäî÷íûé (ðèñóíîê 3.10).

Ïî òðåáîâàíèþ çàêàç÷èêà ñèãíàëèçàòîð ìîæåò êîìïëåêòîâàòüñÿ óäëèíèòåëåì êàáåëüíûì ðàçëè÷íîé äëèíû.

Ðèñóíîê 3.10 - Êîìïëåêò ïîñòàâêè ãàçîàíàëèçàòîðà «Ñèãíàë-02»

Ïðèíöèï ðàáîòû ñèãíàëèçàòîðà îñíîâàí íà ðåãèñòðàöèè èçìåíåíèÿ ñîïðîòèâëåíèÿ ãàçî÷óâñòâèòåëüíîãî ñåíñîðà ïðè íàëè÷èè â âîçäóõå èçìåðÿåìîãî êîìïîíåíòà. Íàïðÿæåíèå ðàçáàëàíñà âñòðîåííîãî â ïðèáîð èçìåðèòåëüíîãî ìîñòà, ïðîïîðöèîíàëüíî êîíöåíòðàöèè èññëåäóåìîãî êîìïîíåíòà (íàïðèìåð, ìåòàíà).

Îòñ÷åò ðåçóëüòàòîâ èçìåðåíèÿ ïðîèçâîäèòñÿ ïî ñâåòîäèîäíîé ëèíåéêå ñ äèñêðåòíîñòüþ 5% ÍÊÏÐ.

4. Ðàçðàáîòêà ìåòîäèêè è îðãàíèçàöèÿ êîíòðîëÿ

4.1 Ôîðìèðîâàíèå àëãîðèòìà êîíòðîëÿ

Òåõíè÷åñêèé êîíòðîëü ïðîâîäèòñÿ â ñîîòâåòñòâèè ñ òåõíè÷åñêîé äîêóìåíòàöèè è îðãàíèçóåòñÿ ïî ïðàâèëàì, óñòàíîâëåííûì ñòàíäàðòîì ïðåäïðèÿòèÿ. Àëãîðèòì âûïîëíåíèÿ îïåðàöèè êîíòðîëÿ ïðåäñòàâëåí íà ðèñóíêå 4.1.

Ðèñóíîê 4.1 - Àëãîðèòì êîíòðîëÿ

Àíàëèç ïðèâåäåííîé ñõåìû ïîêàçûâàåò, ÷òî ñóùíîñòü êîíòðîëÿ îïðåäåëÿåòñÿ âûïîëíåíèåì äâóõ ñëåäóþùèõ ôóíêöèé:

ïîëó÷åíèå èíôîðìàöèè î ôàêòè÷åñêîì ñîñòîÿíèè îáúåêòà êîíòðîëÿ, åãî êîíòðîëèðóåìûõ ïàðàìåòðàõ è ïîêàçàòåëÿõ êà÷åñòâà (ýòó èíôîðìàöèþ íàçûâàþò ïåðâè÷íîé);

ñîïîñòàâëåíèå ïåðâè÷íîé èíôîðìàöèè ñ óñòàíîâëåííûìè òðåáîâàíèÿìè, êðèòåðèÿìè è íîðìàìè (èíôîðìàöèÿ îá îòêëîíåíèÿõ ôàêòè÷åñêèõ ïàðàìåòðîâ è ïîêàçàòåëåé êà÷åñòâà îò çàäàííûõ íàçûâàåòñÿ âòîðè÷íîé).

Âòîðè÷íàÿ èíôîðìàöèÿ èñïîëüçóåòñÿ äëÿ âûðàáîòêè óïðàâëÿþùåãî ðåøåíèÿ, íàïðàâëåííîãî íà îáúåêò êîíòðîëÿ. Ïðè ýòîì ðåøàåòñÿ ãëàâíàÿ çàäà÷à óïðàâëåíèÿ êà÷åñòâîì - ñâåäåíèå ê ìèíèìóìó èëè ïîëíîå óñòðàíåíèå âûÿâëåííûõ îòêëîíåíèé â õîäå òåõíîëîãè÷åñêîãî ïðîöåññà èçãîòîâëåíèÿ ïðîäóêöèè.

4.2 Ðàçðàáîòêà ìåòîäèêè êîíòðîëÿ

Ïîìåùåíèå óñòðîéñòâà âíóòðü ÎÊ ìîæåò ïðîèçâîäèòüñÿ ÷åðåç ðàáî÷èå êîëîäöû èëè æå îòâîäû (ðèñóíîê 4.2).

Ðèñóíîê 4.2 - Ïîìåùåíèå âèäåîêðîóëåðà â òðóáîïðîâîä ÷åðåç ðàáî÷èé êîëîäåö

 ñëó÷àå îòñóòñòâèÿ ïðÿìîãî äîñòóïà ê òðóáàì îòíîñèòåëüíî ìàëûõ äèàìåòðîâ (ïîðÿäêà 100 ìì), äîïóñêàåòñÿ âûâàðèâàíèå ñïåöèàëüíîãî òåõíîëîãè÷åñêîãî îòâåðñòèÿ.

Óñòðîéñòâî ïî ñâîåé êîíñòðóêöèè íå ãåðìåòè÷íî, è ïîýòîìó íå ïðåäíàçíà÷åíî äëÿ êîíòðîëÿ òðóá ñ ñèëüíûì çàòîïëåíèåì èëè æå ñ ïîâûøåííîé âëàæíîñòüþ âîçäóõà (îòíîñèòåëüíàÿ âëàæíîñòü âîçäóõà íå áîëåå 80%). Ïåðåä íà÷àëîì ðàáîò, ïðîâåðÿåòñÿ óðîâåíü çàðÿäà ïèòàþùåé áàòàðåè. Åãî äîëæíî õâàòàòü äëÿ çàïëàíèðîâàííîãî âðåìåíè êîíòðîëÿ.

Ïî ìåðå ïðîäâèæåíèÿ óñòðîéñòâà ïî ÎÊ, îïåðàòîð âíèìàòåëüíî íàáëþäàåò çà åãî âíóòðåííèì ñîñòîÿíèåì. Âîçìîæíûå äåôåêòû, êîòîðûå ìîãóò âñòðå÷àòüñÿ íà ïóòè âèäåîêðîóëåðà (ðèñóíîê 4.3):

-   êîððîçèîííûå è äðóãèå îáðàçîâàíèÿ íà âíóòðåííèõ ñòåíêàõ ÎÊ (ðèñóíîê 4.3 à);

-       âûñòóïàþùèå ÷àñòè. Íàïðèìåð, îòâîäû òðóá (ðèñóíîê 4.3 á);

-       çàñîðû (ðèñóíîê 4.3 â);

-       ïðîáîèíû è âìÿòèíû (ðèñóíîê 4.3 ã.);

-       âûõîä òðóáû èç ðÿäà è äðóãèõ îòêëîíåíèé îò ïåðâîíà÷àëüíîãî ðàñïîëîæåíèÿ;

-       äåôåêòû â êîðíå ñâàðíîãî øâà (ïîäðîáíî îïèñàíû â ï. 1.1).

à - êîððîçèÿ è äðóãèå îáðàçîâàíèÿ íà âíóòðåííèõ ñòåíêàõ îáúåêòà êîíòðîëÿ;

á - âûñòóïàþùèå ÷àñòè; â-çàñîðû; ã - ïðîáîèíû è âìÿòèíû;

Ðèñóíîê 4.3 - Âîçìîæíûå âíóòðåííèå äåôåêòû âíóòðè ÎÊ

Ïî îêîí÷àíèè ðàáîò, öåëåñîîáðàçíî îòêëþ÷èòü ïèòàíèå âèäåîêðîóëåðà â öåëÿõ ýêîíîìèè çàðÿäà áàòàðåè, à çàòåì èçâëå÷ü óñòðîéñòâî ñ ïîìîùüþ êàáåëÿ. Ðàñøèôðîâêà ðåçóëüòàòîâ êîíòðîëÿ ìîæåò ïðîâîäèòüñÿ íåïîñðåäñòâåííî âî âðåìÿ êîíòðîëÿ îáúåêòà, èëè æå, â ñëó÷àå çàïèñè âèäåîñèãíàëà â ôàéë, ïîñëå ïðîâåäåíèÿ ðàáîò.

Ìåòîäèêà ïðîâåäåíèÿ èçìåðåíèé êîíöåíòðàöèè ãîðþ÷èõ ãàçîâ ñ ïîìîùüþ ïðèáîðà «Ñèãíàë-02», ïðèâåäåíà íèæå.

4.2.1 Ïåðåä íà÷àëîì ðàáîòû ñëåäóåò íåïîñðåäñòâåííî ïîäñîåäèíèòü äàò÷èê ê ðàçúåìó, ðàñïîëîæåííîìó íà ëèöåâîé ïàíåëè ñèãíàëèçàòîðà, ëèáî ÷åðåç óäëèíèòåëü êàáåëüíûé, âõîäÿùèé â êîìïëåêò ïðèáîðà. ÂÍÈÌÀÍÈÅ: Íå äîïóñêàåòñÿ âêëþ÷åíèå ïðèáîðà áåç ïðèñîåäèí¸ííîãî äàò÷èêà âî èçáåæàíèå âûõîäà ñèãíàëèçàòîðà èç ñòðîÿ.

4.2.2 Âêëþ÷èòü òóìáëåð ïèòàíèÿ, ðàñïîëîæåííûé íà áîêîâîé íàêëàäêå ñèãíàëèçàòîðà. Ïîñëå âêëþ÷åíèÿ òóìáëåðà ïèòàíèÿ ïðîèñõîäèò ïðîãðåâ äàò÷èêà ïðèáîðà â òå÷åíèè 60 ñ. Âî âðåìÿ ïðîãðåâà âñå ñâåòîäèîäû øêàëû ìèãàþò ñ ïåðèîäîì 2 ñ. Ïîñëå çàâåðøåíèÿ ïðîãðåâà íà ñâåòîäèîäíîé øêàëå çàæèãàåòñÿ êðàéíèé ñëåâà æåëòûé ñâåòîäèîä (êðóãëîãî ñå÷åíèÿ), èíäèöèðóþùèé âêëþ÷åíèå øêàëû% ÍÊÏÐ.

4.2.3 Ïî èñòå÷åíèè ýòîãî âðåìåíè ïðîãðåâà íà ñâåòîäèîäíîì èíäèêàòîðå ñèãíàëèçàòîðà äîëæåí ñâåòèòüñÿ ñâåòîäèîä øêàëû, ñîîòâåòñòâóþùèé «íóëåâîìó» ïîêàçàíèþ ïðèáîðà.

4.2.4 Åñëè â îòñóòñòâèè ãîðþ÷èõ ãàçîâ èëè ïàðîâ â ìåñòå ðàñïîëîæåíèÿ äàò÷èêà, ïîêàçàíèå øêàëû îòëè÷àåòñÿ îò íóëåâîãî, íåîáõîäèìî ïðîâåñòè êîððåêöèþ «íóëÿ» ñèãíàëèçàòîðà â ñîîòâåòñòâèè ñ ï. 4.2.9. Ìèãàíèå ñâåòîäèîäà, ñîîòâåòñòâóþùåãî «íóëåâîìó» ïîêàçàíèþ ïðèáîðà, ñâèäåòåëüñòâóåò îá óõîäå íóëÿ ïðèáîðà â îáëàñòü îòðèöàòåëüíûõ ñèãíàëîâ, è òðåáóåòñÿ ïðîâåñòè êîððåêöèþ íóëÿ.

4.2.5 Êîððåêöèÿ «íóëÿ» ñèãíàëèçàòîðà ïðîèçâîäèòñÿ â îòñóòñòâèè ãîðþ÷èõ ãàçîâ èëè ïàðîâ â ìåñòå ðàñïîëîæåíèÿ äàò÷èêà.

4.2.6 Íàëè÷èå â ìåñòå ðàñïîëîæåíèÿ äàò÷èêà ñèãíàëèçàòîðà ãîðþ÷èõ ãàçîâ è ïàðîâ èíäèöèðóåòñÿ ñâåòîäèîäíîé øêàëîé ïðèáîðà ñ äèñêðåòíîñòüþ 5% ÍÊÏÐ.

4.2.7 Ïðè êîíöåíòðàöèè ãîðþ÷åãî ãàçà è ïàðîâ áîëåå 20% ÍÊÏÐ, ñèãíàëèçàòîð ïîäàåò ïðåðûâèñòûé çâóêîâîé ñèãíàë ïðè ýòîì çàæèãàåòñÿ êðàñíûé ñâåòîäèîä ñ ìàðêèðîâêîé «ÏÎÐÎû.

4.2.8 Ïðè ñíèæåíèè íàïðÿæåíèÿ àêêóìóëÿòîðíûõ áàòàðåé ñèãíàëèçàòîðà íèæå 4,2 - 4,4 Â, ðàçäàåòñÿ ïðåðûâèñòûé çâóêîâîé ñèãíàë è íà÷èíàåò ìèãàòü êðàéíèé ñëåâà æåëòûé ñâåòîäèîä (êðóãëîãî ñå÷åíèÿ), èíäèöèðóþùèé âêëþ÷åíèå øêàëû% ÍÊÏÐ. ÂÍÈÌÀÍÈÅ: Äëÿ ïðåäîòâðàùåíèÿ âûõîäà àêêóìóëÿòîðîâ èç ñòðîÿ íåîáõîäèìî âûêëþ÷èòü òóìáëåð ïèòàíèÿ ñèãíàëèçàòîðà è îñóùåñòâèòü èõ çàðÿäêó.

.2.9 Åñëè ïîêàçàíèÿ øêàëû ñèãíàëèçàòîðà â ÷èñòîì âîçäóõå îòëè÷àþòñÿ îò «0», òî êîðîòêèì íàæàòèåì íà êíîïêó, ðàñïîëîæåííóþ ïîä ñåòåâûì òóìáëåðîì, íà âðåìÿ ìåíåå 0,5 ñ ïðîèçâîäèòñÿ êîððåêöèÿ íóëÿ ïðèáîðà. Ñêîððåêòèðîâàííîå íóëåâîå ïîêàçàíèå ñâåòîäèîäíîé øêàëû ñèãíàëèçàòîðà ïîÿâëÿåòñÿ ÷åðåç 0.5 ñ ïîñëå íàæàòèÿ íà êíîïêó. Ïðè ïîâòîðíîì íàæàòèè íà êíîïêó ñâåòîäèîäíàÿ øêàëà ñèãíàëèçàòîðà ñíîâà ïîêàæåò íåêîððåêòèðîâàííîå çíà÷åíèå.

4.2.10 Ïîñëå âûêëþ÷åíèÿ ñèãíàëèçàòîðà ïîâòîðíîå âêëþ÷åíèå äîïóñêàåòñÿ íå ìåíåå, ÷åì ÷åðåç 10 ñ.

4.3 Ðàçðàáîòêà ìåòðîëîãè÷åñêîãî îáåñïå÷åíèÿ

Ê ïðèìåíåíèþ äîïóñêàåòñÿ êîíòðîëüíî-èñïûòàòåëüíîå îáîðóäîâàíèå, ïðîøåäøåå ïîâåðêó èëè ìåòðîëîãè÷åñêóþ àòòåñòàöèþ, èìåþùåå ñâèäåòåëüñòâà î ïîâåðêå èëè àòòåñòàöèè è èñïîëüçóþòñÿ òîëüêî â òå÷åíèå ñðîêà äåéñòâèÿ ýòèõ äîêóìåíòîâ.

Ïîâåðêà è ìåòðîëîãè÷åñêàÿ àòòåñòàöèÿ îáîðóäîâàíèÿ îñóùåñòâëÿåòñÿ ñòîðîííèìè îðãàíèçàöèÿìè, èìåþùèìè ëèöåíçèè íà ïðàâî ïðîâåäåíèÿ ïîâåðêè èëè àòòåñòàöèè ñîãëàñíî ïåðèîäè÷íîñòè ýòîé ðàáîòû, óêàçàííîé â ó÷¸òíîé êàðòî÷êå íà îáîðóäîâàíèå.

Îðãàíèçóåò ïðîâåäåíèå ïîâåðêè è àòòåñòàöèè (îòáîð, äîñòàâêó, âîçâðàò, ðåãèñòðàöèþ ðåçóëüòàòîâ) íà÷àëüíèê ëàáîðàòîðèè. Èçúÿòîå èç ïðèìåíåíèÿ äëÿ ïîâåðêè, àòòåñòàöèè èëè ðåìîíòà êîíòðîëüíî-èñïûòàòåëüíîå îáîðóäîâàíèå äî îòïðàâêè íà ïîâåðêó èëè ìåòðîëîãè÷åñêóþ àòòåñòàöèþ ñòàâèòñÿ â ïîìåùåíèå äëÿ õðàíåíèÿ ïðèáîðîâ íà îòäåëüíîå ìåñòî èëè îáîçíà÷àåòñÿ ñîîòâåòñòâóþùèìè òàáëè÷êàìè äëÿ íåäîïóùåíèÿ ïîïàäàíèÿ â ýêñïëóàòàöèþ.

Ðåçóëüòàòû ïîâåðêè, ìåòðîëîãè÷åñêîé àòòåñòàöèè èëè ðåìîíòà ôèêñèðóåòñÿ íà÷àëüíèêîì ëàáîðàòîðèè â ó÷¸òíûõ êàðòî÷êàõ íà îáîðóäîâàíèå. Ïîâåðêà îáîðóäîâàíèÿ ïîäòâåðæäàåòñÿ ñâèäåòåëüñòâîì, âûäàâàåìûì íà êàæäóþ åäèíèöó, àòòåñòàöèÿ - ñâèäåòåëüñòâîì èëè àòòåñòàòîì, òåõíè÷åñêîå îñâèäåòåëüñòâîâàíèå - àêòîì òåõíè÷åñêîãî îñâèäåòåëüñòâîâàíèÿ. Êîïèè ñâèäåòåëüñòâ, àòòåñòàòîâ, àêòîâ òåõíè÷åñêèõ îñâèäåòåëüñòâîâàíèé õðàíÿòñÿ â ñïåöèàëüíîé ïàïêå ó íà÷àëüíèêà ëàáîðàòîðèè.

Ê êàæäîé ïðèìåíÿåìîé åäèíèöå îáîðóäîâàíèÿ â ìåñòàõ, äîñòóïíûõ äëÿ îñìîòðà, ïðèêðåïëåíà áèðêà. Áèðêà äà¸ò èíôîðìàöèþ î ïðèãîäíîñòè îáîðóäîâàíèÿ ê ïðèìåíåíèþ. Ïðè íàïðàâëåíèè íà ðåìîíò, ïîâåðêó, ìåòðîëîãè÷åñêóþ àòòåñòàöèþ èëè æå òåõíè÷åñêîå îñâèäåòåëüñòâîâàíèå áèðêà èçûìàåòñÿ, à ïîñëå óäîñòîâåðåíèÿ ïðèãîäíîñòè îáîðóäîâàíèÿ ê ïðèìåíåíèþ - âîçîáíîâëÿåòñÿ [16].

Îñíîâíîé ïîâåðÿåìûé îáúåêò â ðàìêàõ ïðîåêòèðóåìîãî êîìïëåêñà - ñèãíàëèçàòîð ãîðþ÷èõ ãàçîâ «Ñèãíàë-02». Íèæå îïèñàíà ìåòîäèêà, à òàêæå ñðåäñòâà ïîâåðêè äàííîãî ïðèáîðà.

4.3.1. Óñëîâèÿ ïîâåðêè.

4.3.1.1 Ïåðèîäè÷íîñòü ïîâåðêè óñòàíàâëèâàåòñÿ ïðåäïðèÿòèåì, ýêñïëóàòèðóþùèì ñèãíàëèçàòîð, â çàâèñèìîñòè îò óñëîâèé ýêñïëóàòàöèè, íî íå ðåæå îäíîãî ðàçà â ãîä.

4.3.1.2 Ñèãíàëèçàòîð ïîäëåæèò îáÿçàòåëüíîé ïîâåðêå ïðè çàìåíå ãàçî÷óâñòâèòåëüíîãî ñåíñîðà.

4.3.1.3 Äèàïàçîí èçìåðåíèé êîíöåíòðàöèé ìåòàíà, ïðîïàíà, áóòàíà, à òàêæå èíûõ âçðûâîîïàñíûõ ãàçîâ è ïàðîâ: (0…50)% ÍÊÏÐ.

4.3.1.4 Îñíîâíàÿ àáñîëþòíàÿ ïîãðåøíîñòü äîëæíà áûòü íå áîëåå ±5% ÍÊÏÐ (ÑÍ4).

4.3.1.5 Ïðè ïðîâåäåíèè ïîâåðêè äîëæíû ñîáëþäàòüñÿ ñëåäóþùèå óñëîâèÿ:

-   òåìïåðàòóðà îêðóæàþùåãî âîçäóõà: (+5…+40)°Ñ;

-       îòíîñèòåëüíàÿ âëàæíîñòü îêðóæàþùåãî âîçäóõà: äî 80%;

-       àòìîñôåðíîå äàâëåíèå: 108 êÏà.

4.3.1.5 Áàëëîí ñ ÏÃÑ äîëæåí ýêñïëóàòèðîâàòüñÿ ïðè ñîáëþäåíèè ñëåäóþùèõ óñëîâèé:

-   òåìïåðàòóðà îêðóæàþùåãî âîçäóõà: (+5…+40)°Ñ;

-       ðàñõîä ñìåñè: (100±25) ìë/ìèí.

4.3.1.6 Áàëëîíû, ïðåäíàçíà÷åííûå äëÿ ïîâåðî÷íûõ ãàçîâûõ ñìåñåé äàííîãî ñîñòàâà, çàïðåùàåòñÿ çàïîëíÿòü äðóãèìè ãàçàìè è ãàçîâûìè ñìåñÿìè, ïðîèçâîäèòü ëþáûå îïåðàöèè, êîòîðûå ìîãóò óâëàæíèòü èëè çàìàñëèòü èõ âíóòðåííèå ïîâåðõíîñòè, çàïðåùàåòñÿ òàêæå ïåðåêðàøèâàòü áàëëîíû èëè èçìåíÿòü èõ ìàðêèðîâêó.

4.3.1.7 Îïðåäåëåíèå îñíîâíîé àáñîëþòíîé ïîãðåøíîñòè èçìåðåíèÿ ïðîèçâîäèòñÿ ñ ïðèìåíåíèåì ïîâåðî÷íûõ ãàçîâûõ ñìåñåé èç áàëëîíîâ ïîä äàâëåíèåì.

4.3.1.8 Ïðè ïðîâåäåíèè ïîâåðêè äîëæíû ïðèìåíÿòüñÿ ñðåäñòâà ïîâåðêè, óêàçàííûå â òàáëèöå 4.1.

Òàáëèöà 4.1 - Ñðåäñòâà ïîâåðêè ñèãíàëèçàòîðà «Ñèãíàë-02»

Íàèìåíîâàíèå

Òèï

ÃÎÑÒ (ÒÓ)

Ïðèìå÷àíèå

Ïðèáîð êîìáèíèðîâàííûé

Ö4317

ÃÎÑÒ 10373-82


Òåðìîìåòð ëàáîðàòîðíûé


ÃÎÑÒ 215-73

Ðîòàìåòð

ÐÊÑ-1-0.25

ÃÎÑÒ 9932-75


ÏÃÑ ¹1



Àòìîñôåðíûé âîçäóõ

ÏÃÑ ¹2 â áàëëîíàõ


ÒÓ6-16-3907-87

(1…1,5)% ÑÍ4 ñ âîçäóõîì

ÏÃÑ ¹3 â áàëëîíàõ


ÒÓ6-16-3907-87

(2,2-2,5)% ÑÍ4 ñ âîçäóõîì

Ïñèõðîìåòð

ÏÂ-1Á

ÃÎÑÒ 27544-87


Ñåêóíäîìåð

ÑÌ-60

ÃÎÑÒ 5072-79




Ïðèìå÷àíèå: ïðè ïðîâåäåíèè ïîâåðêè äîïóñêàåòñÿ çàìåíà ñðåäñòâ èçìåðåíèé, ïðèâåäåííûõ â òàáëèöå 4.1, ëþáûìè äðóãèìè, èìåþùèìè ìåòðîëîãè÷åñêèå õàðàêòåðèñòèêè íå õóæå óêàçàííûõ ñðåäñòâ èçìåðåíèé.

4.3.1.9 Ïîâåðÿþùèå ïðèáîðû äîëæíû áûòü íàäåæíî çàçåìëåíû.

4.3.1.10 Ïåðåä ïðîâåäåíèåì ïîâåðêè ñèãíàëèçàòîðà «Ñèãíàë-02» íåîáõîäèìî:

-   ïðîâåðèòü ñèãíàëèçàòîð íà îòñóòñòâèå âíåøíèõ ïîâðåæäåíèé;

-       âêëþ÷èòü ïèòàíèå ñèãíàëèçàòîðà è ïðîãðåòü ïðèáîð â ñîîòâåòñòâèè ñ èíñòðóêöèåé ïî ýêñïëóàòàöèè;

-   ïðîâåðèòü èñïðàâíîñòü ôóíêöèîíèðîâàíèÿ ïðèáîðà.

4.3.2. Ïðîâåäåíèå ïîâåðêè

4.3.2.1 Ïðîâåñòè ïðîâåðêó êîìïëåêòíîñòè ñèãíàëèçàòîðà â ñîîòâåòñòâèè ñ ïàñïîðòîì íà óñòðîéñòâî.

4.3.2.2 Ïðîâåðèòü ñîîòâåòñòâèå ñåðèéíîãî íîìåðà íà êîðïóñå ïðèáîðà ïðèâåäåííîìó â ïàñïîðòå.

4.3.2.3 Óáåäèòüñÿ â ñîõðàííîñòè ïëîìáû çàâîäà-èçãîòîâèòåëÿ èëè ðåìîíòíîé îðãàíèçàöèè. Ïðèáîðû, íå óäîâëåòâîðÿþùèå òðåáîâàíèÿì ïï. 4.3.2.1 - 4.3.2.3, ê äàëüíåéøèì îïåðàöèÿì ïî ïîâåðêå íå äîïóñêàþòñÿ.

.3.2.4 Ìåòîäèêà îïðåäåëåíèÿ ïîãðåøíîñòè èçìåðåíèÿ:

-   âêëþ÷èòü ïèòàíèå ñèãíàëèçàòîðà è ïðîãðåòü ïðèáîð â òå÷åíèè íå ìåíåå 15 ìèí äî ñòàáèëèçàöèè ïîêàçàíèé;

-       ïîìåñòèòü äàò÷èê ñèãíàëèçàòîðà â ÏÃÑ ¹1 (àòìîñôåðíûé âîçäóõ) è ïðè íåîáõîäèìîñòè óñòàíîâèòü íóëåâîå ïîêàçàíèå ñâåòîäèîäíîé øêàëû ñîãëàñíî ï. 4.2.9.

-       ñîáðàòü ïîâåðî÷íûé ñòåíä â ñîîòâåòñòâèè ñî ñõåìîé, ïðèâåä¸ííîé íà ÷åðòåæå 20.01.02 00.00.000 Ä3.

-       ïîäàòü íà äàò÷èê ñèãíàëèçàòîðà ïîî÷åðåäíî ñìåñè èç áàëëîíîâ ÏÃÑ No2 è ÏÃÑ No3. Êàæäóþ ÏÃÑ ïîäàâàòü äî ïîëó÷åíèÿ óñòàíîâèâøèõñÿ ïîêàçàíèé öèôðîâîãî òàáëî, íî íå áîëåå 1 ìèí. Ðàñõîä ÏÃÑ: (100±25) ìë/ìèí.

-       çàôèêñèðîâàòü ðåçóëüòàòû èçìåðåíèé ïî ñâåòîäèîäíîé øêàëå ñèãíàëèçàòîðà;

-       ïðè íåîáõîäèìîñòè îñóùåñòâèòü êîððåêöèþ ÷óâñòâèòåëüíîñòè ïîòåíöèîìåòðîì ðåãóëèðîâêè óñèëåíèÿ. Îòâèíòèòü âèíò ïîä ïëîìáîé êðåïÿùèé áîêîâóþ íàêëàäêó. Ñíÿòü íàêëàäêó, ïðè ýòîì îñâîáîäèòñÿ äîñòóï ê ðåãóëèðîâî÷íîìó âèíòó ïîòåíöèîìåòðà ðåãóëèðîâêè óñèëåíèÿ. Ðåãóëèðîâêà ÷óâñòâèòåëüíîñòè ïðîâîäèòñÿ íà ìàêñèìàëüíîé êîíöåíòðàöèè ìåòàíà, ðåãèñòðèðóåìîé ñèãíàëèçàòîðîì (50% ÍÊÏÐ).

4.3.2.5 Ìåòîäèêà ïðîâåðêè âðåìåíè ñðàáàòûâàíèÿ àâàðèéíîé ñèãíàëèçàöèè:

-   âêëþ÷èòü ïèòàíèå ñèãíàëèçàòîðà è ïðîãðåòü ïðèáîð â òå÷åíèè íå ìåíåå 15 ìèí äî ñòàáèëèçàöèè ïîêàçàíèé;

-       ñîáðàòü ïîâåðî÷íûé ñòåíä â ñîîòâåòñòâèè ñî ñõåìîé, ïðèâåä¸ííîé íà ÷åðòåæå 20.01.02 00.00.000 Ä3.

-       ïîäàòü íà äàò÷èê ñèãíàëèçàòîðà ñìåñü èç áàëëîíà ÏÃÑ ¹3. Ðàñõîä ÏÃÑ: (100±25) ìë/ìèí;

-       çàôèêñèðîâàòü ñåêóíäîìåðîì ìîìåíò ïîÿâëåíèÿ ñâå÷åíèÿ êðàñíîãî ñâåòîäèîäà, èíäèöèðóþùåãî ïîðîã 20% ÍÊÏÐ. Èçìåðåííûé ñåêóíäîìåðîì èíòåðâàë âðåìåíè îò ìîìåíòà ïîäà÷è ñìåñè ÏÃÑ ¹3 íà ñåíñîð äî ìîìåíòà ïîÿâëåíèÿ ñâå÷åíèÿ êðàñíîãî ñâåòîäèîäà, èíäèöèðóþùåãî ñèãíàëüíûé ïîðîã (20% ÍÊÏÐ), íàçûâàåòñÿ âðåìåíåì ñðàáàòûâàíèÿ àâàðèéíîé ñâåòîâîé ñèãíàëèçàöèè äàò÷èêà. Âðåìÿ ñðàáàòûâàíèÿ àâàðèéíîé ñâåòîâîé ñèãíàëèçàöèè ñèãíàëèçàòîðà íå äîëæíî ïðåâûøàòü 8 ñ.

4.3.2.6 Â îáðàòíîé ïîñëåäîâàòåëüíîñòè ñìîíòèðîâàòü êîðïóñ ñèãíàëèçàòîðà è ïðîèçâåñòè îïëîìáèðîâàíèå.

.3.3 Îáðàáîòêà ðåçóëüòàòîâ èçìåðåíèÿ.

.3.3.1 Ïîãðåøíîñòü èçìåðåíèÿ ñèãíàëèçàòîðà îïðåäåëÿåòñÿ êàê:

Ñ = |Ñi - Cï|, (4.1)

ãäå Ñï - ïàñïîðòíîå çíà÷åíèå êîíöåíòðàöèè ÏÃÑ;

Ñi - èçìåðåííîå çíà÷åíèå.

4.3.3.2 Ñèãíàëèçàòîð «Ñèãíàë-02» ñ÷èòàåòñÿ ãîäíûì, åñëè Ñ £ 5% ÍÊÏÐ.

.3.4 Îôîðìëåíèå ðåçóëüòàòîâ ïîâåðêè

4.3.4.1 Íà ñèãíàëèçàòîð, ïðîøåäøåé èñïûòàíèÿ ñ ïîëîæèòåëüíûì ðåçóëüòàòîì, âûäàåòñÿ ñâèäåòåëüñòâî î ïîâåðêå ïî óñòàíîâëåííîé ôîðìå.

4.3.4.2 Íà ñèãíàëèçàòîð, íå ïðîøåäøèé èñïûòàíèé, âûäàåòñÿ ñïðàâêà î íåïðèãîäíîñòè.

Îôîðìëåíèå ïðîòîêîëà ïîâåðêè ïðèâåäåíî â ïðèëîæåíèè À.

4.4 Îðãàíèçàöèÿ êîíòðîëÿ

4.4.1 Îðãàíèçàöèÿ ðàáî÷èõ ìåñò. Àêêðåäèòàöèÿ ëàáîðàòîðèè. Îöåíêó òåõíè÷åñêîé êîìïåòåíòíîñòè ëàáîðàòîðèé íåðàçðóøàþùåãî êîíòðîëÿ îñóùåñòâëÿåò Îðãàí ïî àêêðåäèòàöèè ëàáîðàòîðèé íåðàçðóøàþùåãî êîíòðîëÿ (ÍÊ) è òåõíè÷åñêîé äîêóìåíòàöèè (ÒÄ) Ãîñïðîìíàäçîðà.

Ïðîöåäóðà àêêðåäèòàöèè ïðåäóñìàòðèâàåò òàêæå ïåðèîäè÷åñêèé èíñïåêöèîííûé íàäçîð çà äåÿòåëüíîñòüþ àêêðåäèòîâàííûõ ëàáîðàòîðèé è ñîáëþäåíèå óñëîâèé è òðåáîâàíèé àêêðåäèòàöèè.

Àêêðåäèòàöèÿ ëàáîðàòîðèè ÍÊ è ÒÄ ÿâëÿåòñÿ îôèöèàëüíûì ïðèçíàíèåì òåõíè÷åñêîé êîìïåòåíòíîñòè ëàáîðàòîðèè â ïðîâåäåíèè íåðàçðóøàþùåãî êîíòðîëÿ îïðåäåëåííûõ îáúåêòîâ, â ïîëíîì ñîîòâåòñòâèè ñ òðåáîâàíèÿìè íîðìàòèâíîé äîêóìåíòàöèè ïðè èõ èçãîòîâëåíèè, ìîíòàæå, ðåìîíòå è òåõíè÷åñêîì äèàãíîñòèðîâàíèè â ýêñïëóàòàöèè.

Ëàáîðàòîðèÿ ÍÊ è ÒÄ ìîæåò áûòü àêêðåäèòîâàíà íà 3 ãîäà.  èñêëþ÷èòåëüíûõ ñëó÷àÿõ ñðîê äåéñòâèÿ àêêðåäèòàöèè ìîæåò áûòü óìåíüøåí Îðãàíîì ïî àêêðåäèòàöèè [17].

Àòòåñòàò àêêðåäèòàöèè ìîæåò áûòü âûäàí ëàáîðàòîðèè ÍÊ è ÒÄ â òîì ñëó÷àå, åñëè îíà:

-   óäîâëåòâîðÿåò îáùèì êðèòåðèÿì îöåíêè ëàáîðàòîðèé ñîãëàñíî ÑÒÁ 941.3;

-       âûïîëíÿåò ñïåöèàëüíûå òðåáîâàíèÿ ê êîìïåòåíòíîñòè ëàáîðàòîðèé ÍÊ è ÒÄ â îáëàñòè êîíòðîëÿ êîíêðåòíîãî âèäà îáúåêòà ñîãëàñíî ÏÌÃ 15;

-       ïðåäñòàâëÿåò ïîäòâåðæäåíèå òîãî, ÷òî ïðè ïðîâåäåíèè êîíòðîëÿ áóäóò èñïîëüçîâàíû òàêèå ìåòîäû è ñðåäñòâà, êîòîðûå íåîáõîäèìû äëÿ êîíòðîëÿ êîíêðåòíûõ îáúåêòîâ â ñîîòâåòñòâèè ñ òðåáîâàíèÿìè äåéñòâóþùåé íîðìàòèâíîé äîêóìåíòàöèè;

-       îáëàäàåò Ñèñòåìîé êà÷åñòâà, ðåàëèçóþùåé ïðèíöèïû, íîðìû, ïðàâèëà, òðåáîâàíèÿ è ïðîöåäóðû Ñèñòåìû ïîâåðî÷íûõ è èñïûòàòåëüíûõ ëàáîðàòîðèé Ðåñïóáëèêè Áåëàðóñü.

Àêêðåäèòàöèÿ ÿâëÿåòñÿ îñíîâàíèåì äëÿ ïîëó÷åíèÿ ëàáîðàòîðèåé èëè îðãàíèçàöèåé, â ñîñòàâ êîòîðîé âõîäèò ëàáîðàòîðèÿ, ëèöåíçèè íà ïðàâî ïðîâåäåíèÿ îïðåäåëåííîãî âèäà ðàáîò, ñîîòâåòñòâóþùèõ îáëàñòè àêêðåäèòàöèè. Êðîìå ýòîãî, àêêðåäèòàöèÿ ëàáîðàòîðèè ïîçâîëÿåò äðóãèì îðãàíèçàöèÿì ïðèíÿòü ðåøåíèå î ïðàâîìåðíîñòè èñïîëüçîâàíèÿ ðåçóëüòàòîâ êîíòðîëÿ, ïîëó÷åííûõ äàííîé ëàáîðàòîðèåé.

Îáëàñòü äåÿòåëüíîñòè. Îáëàñòü äåÿòåëüíîñòè, íà êîòîðóþ ïðåäîñòàâëÿåòñÿ àêêðåäèòàöèÿ, îïðåäåëÿåòñÿ êîíêðåòíûì âèäîì êîíòðîëèðóåìîãî îáúåêòà è ìåòîäàìè íåðàçðóøàþùåãî è ðàçðóøàþùåãî êîíòðîëÿ ïðè ïîëíîì ñîîòâåòñòâèè ñ íîðìàòèâíîé äîêóìåíòàöèåé, ðåãëàìåíòèðóþùåé òðåáîâàíèÿ ïî êîíòðîëþ äàííîãî îáúåêòà ïðè èçãîòîâëåíèè, ìîíòàæå, ðåìîíòå è òåõíè÷åñêîì äèàãíîñòèðîâàíèè â ýêñïëóàòàöèè. Îáëàñòü äåÿòåëüíîñòè äîëæíà áûòü âçàèìîóâÿçàíà ñ íîðìàòèâíîé äîêóìåíòàöèåé, óñòàíàâëèâàþùåé òðåáîâàíèÿ ê îáúåêòó è íà ìåòîäû ÍÊ.

Ïîðÿäîê ïðîâåäåíèÿ àêêðåäèòàöèè. Ëàáîðàòîðèÿ, ïðåòåíäóþùàÿ íà àêêðåäèòàöèþ, íàïðàâëÿåò îôèöèàëüíóþ çàÿâêó óñòàíîâëåííîé ôîðìû â Îðãàí ïî àêêðåäèòàöèè. Ê çàÿâêå ïðèëàãàþòñÿ: ïîëîæåíèå î ëàáîðàòîðèè, ïàñïîðò ëàáîðàòîðèè, ðóêîâîäñòâî ïî êà÷åñòâó, îáëàñòü äåÿòåëüíîñòè ëàáîðàòîðèè.

Ïîëîæåíèå î ëàáîðàòîðèè. Ïîëîæåíèå î ëàáîðàòîðèè äîëæíî îïðåäåëÿòü öåëè è çàäà÷è, ôóíêöèè, ïðàâà, îáÿçàííîñòè, îòâåòñòâåííîñòü ëàáîðàòîðèè, åå âçàèìîäåéñòâèå ñ äðóãèìè îðãàíèçàöèÿìè è ïðåäïðèÿòèÿìè ïðè ïðîâåäåíèè ðàáîò ïî íåðàçðóøàþùåìó è äðóãèì âèäàì èñïûòàíèé ñ öåëüþ ïîëíîãî îáåñïå÷åíèÿ òðåáîâàíèé íîðìàòèâíîé äîêóìåíòàöèè ïî êîíòðîëþ êîíêðåòíûõ îáúåêòîâ, à òàêæå äðóãèå àñïåêòû äåÿòåëüíîñòè àêêðåäèòóåìîé ëàáîðàòîðèè.

Ïàñïîðò ëàáîðàòîðèè. Â ïàñïîðòå ëàáîðàòîðèè ïðèâîäèòñÿ êîíêðåòíàÿ èíôîðìàöèÿ î ñîñòàâå ñïåöèàëèñòîâ, èõ îáðàçîâàíèè è ïðîôåññèîíàëüíîé êâàëèôèêàöèè, î êîíòðîëèðóåìûõ îáúåêòàõ, îá èñïîëüçóåìûõ âèäàõ è ìåòîäàõ êîíòðîëÿ, îá èñïîëüçóåìûõ ïðèáîðàõ è îáîðóäîâàíèÿ.

Ðóêîâîäñòâî ïî êà÷åñòâó.  ëàáîðàòîðèè äîëæíà äåéñòâîâàòü ðàçðàáîòàííàÿ è äîêóìåíòèðîâàííàÿ ñèñòåìà êà÷åñòâà, ñîîòâåòñòâóþùàÿ îáëàñòè äåÿòåëüíîñòè, õàðàêòåðó è îáúåìó âûïîëíÿåìûõ ðàáîò. Äîêóìåíòàöèÿ ñèñòåìû êà÷åñòâà îôîðìëÿåòñÿ â âèäå «Ðóêîâîäñòâà ïî êà÷åñòâó».

Ðóêîâîäñòâî ïî êà÷åñòâó îïðåäåëÿåò ïîëèòèêó â îáëàñòè êà÷åñòâà è îïèñûâàåò ñèñòåìó êà÷åñòâà îðãàíèçàöèè.  íåì èçëàãàþòñÿ êîíêðåòíûå ìåòîäû è ïðîöåäóðû, ïîçâîëÿþùèå ëàáîðàòîðèè âûïîëíèòü çàäà÷è â îáëàñòè êà÷åñòâà è îáåñïå÷èòü äîâåðèå ê ñâîåé ðàáîòå. Ãëàâíîå íàçíà÷åíèå Ðóêîâîäñòâà ïî êà÷åñòâó ñîñòîèò â òîì, ÷òîáû îïðåäåëèòü è äîêóìåíòàëüíî îïèñàòü ñòðóêòóðó ñèñòåìû êà÷åñòâà, îäíîâðåìåííî âûïîëíÿÿ ðîëü ïîñòîÿííîãî ñïðàâî÷íîãî ïîñîáèÿ ïî âíåäðåíèþ è ïîääåðæàíèþ äàííîé ñèñòåìû â ðàáî÷åì ñîñòîÿíèè.

Ðóêîâîäñòâî ïî êà÷åñòâó äîëæíî âêëþ÷àòü:

-   çàÿâëåíèå î ïîëèòèêå â îáëàñòè êà÷åñòâà, êîòîðîå ÿâëÿåòñÿ îáÿçàòåëüñòâîì è â ñîîòâåòñòâèè ñ êîòîðûì ëàáîðàòîðèÿ äîëæíà îáåñïå÷èâàòü è ïîääåðæèâàòü çàïëàíèðîâàííûé óðîâåíü êà÷åñòâà;

-       îðãàíèçàöèîííûå è àäìèíèñòðàòèâíûå ïðîöåäóðû: â òîì ÷èñëå ðàñïðåäåëåíèå îòâåòñòâåííîñòè è ïîëíîìî÷èé ìåæäó ðàçëè÷íûìè èñïîëíèòåëÿìè;

-       ðàáî÷èå èíñòðóêöèè íà êîíêðåòíûå ìåòîäû è òåõíè÷åñêèå èíñòðóêöèè, êîòîðûå íåîáõîäèìû äëÿ âûïîëíåíèÿ ðàáî÷èõ çàäàíèé è ïðîâåäåíèÿ êîíòðîëÿ.

Ðóêîâîäñòâî ïî êà÷åñòâó è ñâÿçàííûå ñ íèì äðóãèå äîêóìåíòû äîëæíû óñòàíàâëèâàòü:

-   îðãàíèçàöèîííóþ ñòðóêòóðó ëàáîðàòîðèè, åå ìåñòî â îðãàíèçàöèè, â ñîñòàâ êîòîðîé îíà âõîäèò;

-       ïðîöåäóðû ó÷åòà, êîíòðîëÿ è èñïîëüçîâàíèÿ äîêóìåíòàöèè;

-       îïèñàíèå äåÿòåëüíîñòè ðóêîâîäÿùåãî ïåðñîíàëà è ñîòðóäíèêîâ, ðàñïðåäåëåíèå èõ ôóíêöèîíàëüíûõ îáÿçàííîñòåé ñîãëàñíî äîëæíîñòíûõ èíñòðóêöèé;

-       îáëàñòü äåÿòåëüíîñòè ëàáîðàòîðèè;

-       ïðîöåäóðû ïðîâåäåíèÿ ðàáîò ïî êîíòðîëþ, âêëþ÷àÿ îôîðìëåíèå ðåçóëüòàòîâ êîíòðîëÿ è âûäà÷ó çàêëþ÷åíèé;

-       ññûëêè íà ìåòîäèêè êîíòðîëÿ, èíñòðóêöèè è äðóãèå íîðìàòèâíûå äîêóìåíòû, èñïîëüçóåìûå ïðè êîíòðîëå;

-       îðãàíèçàöèþ è ïðîâåäåíèå ïîâåðêè ñðåäñòâ êîíòðîëÿ è òåõíè÷åñêîãî îáñëóæèâàíèÿ îáîðóäîâàíèÿ;

-       ïðàâèëà îáåñïå÷åíèÿ êîíôèäåíöèàëüíîñòè è îõðàíû ïðàâ.

Îáîðóäîâàíèå ëàáîðàòîðèè. Ëàáîðàòîðèÿ äîëæíà áûòü îñíàùåíà îáîðóäîâàíèåì, íåîáõîäèìûì äëÿ ïðîâåäåíèÿ âñåõ âèäîâ ðàáîò ïî íåðàçðóøàþùåìó êîíòðîëþ â ñîîòâåòñòâèè ñ åå îáëàñòüþ äåÿòåëüíîñòè. Âñå èñïîëüçóåìîå îáîðóäîâàíèå äîëæíî ïîäâåðãàòüñÿ ïåðèîäè÷åñêîìó òåõíè÷åñêîìó îáñëóæèâàíèþ. Ëàáîðàòîðèÿ äîëæíà èìåòü ïðîãðàììó òåõíè÷åñêîãî îáñëóæèâàíèÿ è ïðîâåðêè òåõíè÷åñêîãî ñîñòîÿíèÿ èñïîëüçóåìîãî îáîðóäîâàíèÿ, à òàêæå ãðàôèê ïîâåðêè.

Íàäçîð çà àêêðåäèòîâàííûìè ëàáîðàòîðèÿìè. Îðãàí ïî àêêðåäèòàöèè â ñîîòâåòñòâèè ñ äîãîâîðîì îñóùåñòâëÿåò ïîñòîÿííûé íàäçîð çà ïðàâèëüíîñòüþ èñïîëüçîâàíèÿ àòòåñòàòà àêêðåäèòàöèè â ïðîöåññå äåÿòåëüíîñòè àêêðåäèòîâàííîé ëàáîðàòîðèè. Ïîëîæèòåëüíûå ðåçóëüòàòû íàäçîðà çà äåÿòåëüíîñòüþ àêêðåäèòîâàííûõ ëàáîðàòîðèé ñëóæàò îñíîâàíèåì äëÿ ïîäòâåðæäåíèÿ ñòàòóñà àêêðåäèòàöèè.

Îòêàç àêêðåäèòîâàííîé ëàáîðàòîðèè Îðãàíó ïî àêêðåäèòàöèè â ïðîâåäåíèè íàäçîðà ÿâëÿåòñÿ îñíîâàíèåì äëÿ ïðèîñòàíîâëåíèÿ äåéñòâèÿ àòòåñòàòà àêêðåäèòàöèè.

Íåóäîâëåòâîðèòåëüíûå ðåçóëüòàòû íàäçîðà ÿâëÿþòñÿ îñíîâàíèåì äëÿ ïðèîñòàíîâëåíèÿ àêêðåäèòàöèè, åå îòìåíû èëè îãðàíè÷åíèÿ îáëàñòè äåÿòåëüíîñòè.

Äîïîëíèòåëüíàÿ àêêðåäèòàöèÿ. Äëÿ ðàñøèðåíèÿ îáëàñòè àêêðåäèòàöèè, çàêðåïëåííîé àòòåñòàòîì, ëàáîðàòîðèÿ íàïðàâëÿåò â Îðãàí ïî àêêðåäèòàöèè çàÿâêó, íà îñíîâàíèè êîòîðîé ïðîâîäèòñÿ äîïîëíèòåëüíàÿ àêêðåäèòàöèÿ â óñòàíîâëåííîì ïîðÿäêå. Ïðè ïîëîæèòåëüíûõ ðåçóëüòàòàõ àêêðåäèòàöèè îôîðìëÿåòñÿ äîïîëíåíèå ê îáëàñòè àêêðåäèòàöèè èëè èçìåíåííàÿ îáëàñòü àêêðåäèòàöèè [17].

Àííóëèðîâàíèå àòòåñòàòà àêêðåäèòàöèè. Àòòåñòàò àêêðåäèòàöèè ìîæåò áûòü àííóëèðîâàí â ñëåäóþùèõ ñëó÷àÿõ:

íåñîîòâåòñòâèå ëàáîðàòîðèè ïðåäúÿâëÿåìûì òðåáîâàíèÿì ïî ðåçóëüòàòàì èíñïåêöèîííîãî êîíòðîëÿ;

àâàðèÿ íà îáúåêòå, ïðè÷èíàìè êîòîðîé ÿâèëèñü íåäîñòîâåðíûå ðåçóëüòàòû êîíòðîëÿ, ïðåäñòàâëåííûå ëàáîðàòîðèåé;

íåïðåäîñòàâëåíèå âîçìîæíîñòè ïðîâåäåíèÿ íàäçîðà;

íàðóøåíèå äîãîâîðà;

îáîñíîâàííàÿ æàëîáà íà äåÿòåëüíîñòü àêêðåäèòîâàííîé ëàáîðàòîðèè.

4.4.2 Îáîðóäîâàíèå è äîêóìåíòàöèÿ. Ñðåäñòâà èçìåðåíèé. Âñå òåõíè÷åñêèå ñðåäñòâà, èñïîëüçóåìûå ïðè èçìåðåíèÿõ è èìåþùèå íîðìèðîâàííûå ìåòðîëîãè÷åñêèå õàðàêòåðèñòèêè, íàçûâàþò ñðåäñòâàìè èçìåðåíèé.

 ÍÊ ê ñðåäñòâàì èçìåðåíèÿ îòíîñÿòñÿ: ñòàíäàðòíûå îáðàçöû, ïðåîáðàçîâàòåëè, èçìåðèòåëüíûå ïðèáîðû (äåôåêòîñêîïû), óñòàíîâêè ÍÊ.

Ñòàíäàðòíûå îáðàçöû. Ñòàíäàðòíûå îáðàçöû ïðåäíàçíà÷åíû äëÿ âîñïðîèçâåäåíèÿ ôèçè÷åñêîé âåëè÷èíû çàäàííîãî ðàçìåðà, êîòîðûé õàðàêòåðèçóåòñÿ òàê íàçûâàåìûì íîìèíàëüíûì çíà÷åíèåì.

Ïðåîáðàçîâàòåëè (äåòåêòîðû) - ýòî ñðåäñòâà èçìåðåíèé, âûðàáàòûâàþùèå èíôîðìàöèþ, óäîáíóþ äëÿ äàëüíåéøåé îáðàáîòêè, íî, êàê ïðàâèëî, íåäîñòóïíóþ äëÿ íåïîñðåäñòâåííîãî âîñïðèÿòèÿ îïåðàòîðîì.

Äåôåêòîñêîïû (èëè èçìåðèòåëüíûå ïðèáîðû ÍÊ) ïðåäñòàâëÿþò ñîáîé ñîâîêóïíîñòü ýëåìåíòîâ, ñîçäàþùèõ ïðîíèêàþùèå ïîëÿ (âåùåñòâà) è îáðàáàòûâàþùèõ èíôîðìàöèþ ñ âûõîäà ïðåîáðàçîâàòåëÿ, è îòñ÷åòíîå óñòðîéñòâî, ÷àñòî íàçûâàåìîå èíäèêàòîðîì äåôåêòîñêîïà.

Ìåòðîëîãè÷åñêèå õàðàêòåðèñòèêè. Êàæäîìó ñðåäñòâó èçìåðåíèé ïðèñóùè îïðåäåëåííûå òåõíè÷åñêèå õàðàêòåðèñòèêè, îáóñëîâëèâàþùèå ðåçóëüòàò è òî÷íîñòü èçìåðåíèé - ìåòðîëîãè÷åñêèå õàðàêòåðèñòèêè.

Íîìåíêëàòóðà è íîìèíàëüíûå çíà÷åíèÿ ìåòðîëîãè÷åñêèõ õàðàêòåðèñòèê è ïðåäåëû äîïóñòèìûõ îòêëîíåíèé îò íîìèíàëüíûõ çíà÷åíèé ïðèâîäÿòñÿ â ðàçðàáàòûâàåìîé òåõíîëîãè÷åñêîé è ýêñïëóàòàöèîííîé äîêóìåíòàöèè íà ñðåäñòâà èçìåðåíèÿ. Ñîîòâåòñòâèå ìåòðîëîãè÷åñêèõ õàðàêòåðèñòèê óñòàíîâëåííûì äîëæíî ñèñòåìàòè÷åñêè ïðîâåðÿòüñÿ ìåòðîëîãè÷åñêèìè îðãàíàìè.

Ïðîâåðêà ñ öåëüþ óñòàíîâëåíèÿ ïðèãîäíîñòè ñðåäñòâ èçìåðåíèé ê èñïîëüçîâàíèþ íàçûâàåòñÿ ïîâåðêîé.

Ïîâåðêà. Áîëüøèíñòâî ñðåäñòâ ÍÊ îòíîñèòñÿ ê êëàññó ñðåäñòâ èçìåðåíèÿ è ïîýòîìó ïîäëåæèò ïîâåðêå. Äëÿ ïîâåðêè ñðåäñòâ ÍÊ äîëæíû áûòü ïðåäóñìîòðåíû ñîîòâåòñòâóþùèå ñðåäñòâà è ìåòîäèêè ïîâåðêè, ò.å. ñòàíäàðòíûå îáðàçöû, ïðåîáðàçîâàòåëè, äåôåêòîñêîïû è óñòàíîâêè (èñêëþ÷àÿ èíäèêàòîðû äåôåêòîâ) äîëæíû áûòü ìåòðîëîãè÷åñêè îáåñïå÷åíû. Ìåòîäèêè ïîâåðêè ðåãëàìåíòèðóþòñÿ ñîîòâåòñòâóþùèìè äîêóìåíòàìè, îñíîâîïîëàãàþùèìè èç êîòîðûõ ÿâëÿþòñÿ ñòàíäàðòû [18].

Íîðìàòèâíî-òåõíè÷åñêàÿ äîêóìåíòàöèÿ íà ÍÊ. Íîðìàòèâíî-òåõíè÷åñêèé äîêóìåíò (ÍÒÄ) - äîêóìåíò, óñòàíàâëèâàþùèé òðåáîâàíèÿ ê îáúåêòàì ñòàíäàðòèçàöèè, îáÿçàòåëüíûé äëÿ èñïîëíåíèÿ â îïðåäåëåííûõ îáëàñòÿõ äåÿòåëüíîñòè, ðàçðàáîòàííûé â óñòàíîâëåííîì ïîðÿäêå è óòâåðæäåííûé êîìïåòåíòíûì îðãàíîì.

ÍÒÄ:

ïðàâèëà êîíòðîëÿ (ÏÊ), â êîòîðûõ îãîâàðèâàþò òðåáîâàíèÿ ê ïîêàçàòåëÿì êà÷åñòâà, äîïóñêè íà èõ îòêëîíåíèÿ îò íîìèíàëüíûõ è õàðàêòåð (ñïëîøíîé, âûáîðî÷íûé) êîíòðîëÿ;

òåõíè÷åñêèå óñëîâèÿ (ÒÓ) íà ïðîäóêöèþ, â êîòîðûõ, êàê è â ÏÊ, îïðåäåëåíû òðåáîâàíèÿ ê ïîêàçàòåëÿì êà÷åñòâà ïðîäóêöèè, à òàêæå êîíêðåòíûå ìåòîäû êîíòðîëÿ (ïîâåðêè) ýòèõ ïàðàìåòðîâ; ê ýòîìó âèäó ÍÒÄ îòíîñÿòñÿ è ÒÓ íà ñðåäñòâà ÍÊ (ñòàíäàðòíûå îáðàçöû, ïðåîáðàçîâàòåëè, äåôåêòîñêîïû). Òåõíè÷åñêèå óñëîâèÿ ðàçðàáàòûâàþò â ñîîòâåòñòâèè ñ ÃÎÑÒ;

èíñòðóêöèè íà ìåòîäû ÍÊ. Êàê ïðàâèëî, òàêèå èíñòðóêöèè îõâàòûâàþò êîíòðîëü è îöåíêó êà÷åñòâà êîíêðåòíûõ îáúåêòîâ êîíêðåòíûìè ìåòîäàìè èëè îäíèì ìåòîäîì íà ïðåäïðèÿòèè èëè â âåäîìñòâå; íàïðèìåð, «Èíñòðóêöèÿ ïî óëüòðàçâóêîâîìó êîíòðîëþ ðåëüñîâ â ïóòè äåôåêòîñêîïîì òèïà «Ðåëüñ-5»;

ìåòîäèêè (ðåêîìåíäàöèè) íà ÍÊ, â îòëè÷èå îò èíñòðóêöèé, îõâàòûâàþò, êàê ïðàâèëî, îñíîâíûå ïîëîæåíèÿ ÍÊ îáúåêòîâ îïðåäåëåííîãî âèäà, íå îãîâàðèâàÿ ïðàâèëà îöåíêè èõ êà÷åñòâà ïî ðåçóëüòàòàì ÍÊ;

ðóêîâîäÿùèå òåõíè÷åñêèå ìàòåðèàëû (ÐÒÌ) íà ÍÊ, â îòëè÷èå îò èíñòðóêöèé è ìåòîäèê, ñîäåðæàò íå òîëüêî óêàçàíèÿ ïî êîíòðîëþ è îöåíêå êà÷åñòâà ïðîäóêöèè, íî è îãîâàðèâàþò ïîðÿäîê îðãàíèçàöèè ñëóæáû ÍÊ â âåäîìñòâå èëè â îòðàñëè.

Îñíîâîïîëàãàþùèìè èç íîðìàòèâíî-òåõíè÷åñêèõ äîêóìåíòîâ ÿâëÿþòñÿ ñòàíäàðòû, óñòàíàâëèâàþùèå òðåáîâàíèÿ ê ãðóïïàì îäíîðîäíîé ïðîäóêöèè (òåõíîëîãè÷åñêèì ïðîöåññàì), è ïðàâèëà, îáåñïå÷èâàþùèå åå ðàçðàáîòêó, ïðîèçâîäñòâî è ïðèìåíåíèå.

Ìåòðîëîãè÷åñêîå îáåñïå÷åíèå ñðåäñòâ ÍÊ. Ìåòðîëîãè÷åñêîå îáåñïå÷åíèå ñðåäñòâ ÍÊ, ò.å. óñòàíîâëåíèå è ïðèìåíåíèå íàó÷íûõ è îðãàíèçàöèîííûõ îñíîâ, ïðèáîðîâ è óñòðîéñòâ, ïðàâèë è íîðì, íåîáõîäèìûõ äëÿ äîñòèæåíèÿ åäèíñòâà è òðåáóåìîé òî÷íîñòè èçìåðåíèé, - îáÿçàòåëüíàÿ ñîñòàâíàÿ ÷àñòü íåðàçðóøàþùåãî êîíòðîëÿ.

Íîðìàòèâíîé áàçîé ìåòðîëîãè÷åñêîãî îáåñïå÷åíèÿ ÿâëÿþòñÿ ñòàíäàðòû Ãîñóäàðñòâåííîé ñèñòåìû îáåñïå÷åíèÿ åäèíñòâà èçìåðåíèé (ÃÑÈ).

 ñîñòàâ ÃÑÈ íàðÿäó ñ ãîñóäàðñòâåííûìè âõîäÿò îòðàñëåâûå ñòàíäàðòû, òåõíè÷åñêèå óñëîâèÿ è äðóãèå íîðìàòèâíî-òåõíè÷åñêèå äîêóìåíòû.

Ìåòðîëîãè÷åñêîå îáåñïå÷åíèå ñðåäñòâ ÍÊ îõâàòûâàåò ñòàäèè: îáîñíîâàíèÿ ïðåäëîæåíèé íà ðàçðàáîòêó íîâûõ ñðåäñòâ; îïûòíî-êîíñòðóêòîðñêîé ðàçðàáîòêè (ÎÊÐ) ñðåäñòâ; ïîñòàíîâêè íà ïðîèçâîäñòâî; ïðîèçâîäñòâà ñðåäñòâ; ýêñïëóàòàöèè è ðåìîíòà.

Ïðè ïîñòàíîâêå ñðåäñòâ ÍÊ íà ïðîèçâîäñòâî ðàáîòû ïî ìåòðîëîãè÷åñêîìó îáåñïå÷åíèþ ñâîäÿòñÿ ê îáåñïå÷åíèþ òåõíîëîãè÷åñêèõ ïðîöåññîâ íàèáîëåå ñîâåðøåííûìè ìåòîäèêàìè âûïîëíåíèÿ èçìåðåíèé è ñðåäñòâàìè èçìåðåíèé, ãàðàíòèðóþùèìè íåîáõîäèìóþ òî÷íîñòü àòòåñòàöèè è ñòàíäàðòèçàöèè ýòèõ ìåòîäèê, à òàêæå ê ïîäãîòîâêå ïðîèçâîäñòâåííîãî ïåðñîíàëà è ðàáî÷èõ ìåñò ê âûïîëíåíèþ êîíòðîëüíî-èçìåðèòåëüíûõ îïåðàöèé.

 ïðîöåññå ïðîèçâîäñòâà ñðåäñòâ ÍÊ êàæäîå ñðåäñòâî ïîäëåæèò ïîâåðêå (ïåðâè÷íîé) ðàáîòíèêàìè ÎÒÊ, à òàêæå ðàáîòíèêàìè ïðèåìêè, åñëè òàêîâàÿ ââåäåíà íà ïðåäïðèÿòèè. Ìåòîäèêà ïåðâè÷íîé ïîâåðêè èçëîæåíà â ÒÓ íà ñðåäñòâà ÍÊ.

Ïåðâè÷íàÿ ïîâåðêà ñâîäèòñÿ ê ïðîâåðêå (èçìåðåíèþ, êîíòðîëþ) ñîîòâåòñòâèÿ ïàðàìåòðîâ âûïóñêàåìîãî ñðåäñòâà ÍÊ ïàðàìåòðàì, çàäàííûì â ÒÓ.

 ïðîöåññå ýêñïëóàòàöèè ñðåäñòâ ÍÊ äîñòàòî÷íî èõ ïîâåðÿòü (ïåðèîäè÷åñêàÿ ïîâåðêà) íà ñîîòâåòñòâèå çíà÷åíèé îñíîâíûõ ïàðàìåòðîâ àïïàðàòóðû èëè ìåòîäà çíà÷åíèÿì, ïðåäóñìîòðåííûì â ÍÒÄ.

Ïðè ýòîì ñðåäñòâî ÍÊ, íå ñîîòâåòñòâóþùåå ÒÓ ïî êàêèì-òî õàðàêòåðèñòèêàì, ìîæåò îêàçàòüñÿ óäîâëåòâîðÿþùèì ïî îñíîâíûì ïàðàìåòðàì òðåáîâàíèÿì ÍÒÄ íà êîíòðîëü è ïîýòîìó ýôôåêòèâíûì ñðåäñòâîì êîíòðîëÿ êîíêðåòíûõ îáúåêòîâ.

Ïðè ïîâåðêå, à òàêæå ïðè íàñòðîéêå ñðåäñòâ ÍÊ øèðîêî ïðèìåíÿþò ñòàíäàðòíûå îáðàçöû (ÑÎ). Ðàçëè÷àþò ãîñóäàðñòâåííûå (ÃÑÎ), îòðàñëåâûå (ÎÑÎ) ñòàíäàðòíûå îáðàçöû è ñòàíäàðòíûå îáðàçöû ïðåäïðèÿòèé (ÑÎÏ).

Îñíîâíîå íàçíà÷åíèå ëþáûõ ñòàíäàðòíûõ îáðàçöîâ - îáåñïå÷åíèå åäèíñòâà è âîñïðîèçâîäèìîñòè ñ çàäàííîé òî÷íîñòüþ îñíîâíûõ ïàðàìåòðîâ ñðåäñòâ ÍÊ, îáóñëîâëèâàþùèõ äîñòîâåðíîñòü ðåçóëüòàòîâ êîíòðîëÿ.

Ïðèìåíåíèå íåïîâåðåííûõ ñðåäñòâ ÍÊ çàïðåùåíî.

Èñïûòàíèÿ ñðåäñòâ íåðàçðóøàþùåãî êîíòðîëÿ. Ñ öåëüþ îáåñïå÷åíèÿ åäèíñòâà ðåçóëüòàòîâ ÍÊ, ïîñòàíîâêè íà ïðîèçâîäñòâî è âûïóñêà ñðåäñòâ, ïî ñâîåìó òåõíè÷åñêîìó óðîâíþ ñîîòâåòñòâóþùèõ ëó÷øèì îòå÷åñòâåííûì è çàðóáåæíûì îáðàçöàì èëè ïðåâûøàþùèõ èõ, ÃÑÈ ïðåäóñìîòðåíî ïðîâåäåíèå ãîñóäàðñòâåííûõ èñïûòàíèé ñðåäñòâ ÍÊ, êàê ñðåäñòâ èçìåðåíèé.

Óñòàíîâëåíî äâà âèäà ãîñóäàðñòâåííûõ èñïûòàíèé: ïðèåìî÷íûå è êîíòðîëüíûå (ÃÎÑÒ 8.383-80).

Ãîñóäàðñòâåííûì ïðèåìî÷íûì èñïûòàíèÿì ïîäëåæàò îïûòíûå îáðàçöû ñðåäñòâ ÍÊ, ïðåäíàçíà÷åííûå äëÿ ñåðèéíîãî ïðîèçâîäñòâà, à òàêæå îáðàçöû ñðåäñòâ ÍÊ, ïîäëåæàùèå ââîçó èç-çà ãðàíèöû ïàðòèÿìè.

Ïîëîæèòåëüíûå ðåçóëüòàòû ãîñóäàðñòâåííûõ ïðèåìî÷íûõ èñïûòàíèé ÿâëÿþòñÿ îñíîâàíèåì äëÿ óòâåðæäåíèÿ òèïà ñðåäñòâ ÍÊ è âûäà÷è ðàçðåøåíèÿ íà ïðîèçâîäñòâî óñòàíîâî÷íîé ïàðòèè.

Òèïû ñðåäñòâ ÍÊ, ïðîøåäøèõ ãîñóäàðñòâåííûå èñïûòàíèÿ, çàíîñÿòñÿ â Ãîñóäàðñòâåííûé ðååñòð ñðåäñòâ èçìåðåíèé.

Ñåðèéíî èçãîòàâëèâàåìûå ñðåäñòâà ÍÊ ïîäâåðãàþò ïðåäúÿâèòåëüñêèì, ïðèåìîñäàòî÷íûì è ïåðèîäè÷åñêèì èñïûòàíèÿì.

Öåëü ýòèõ èñïûòàíèé - óñòàíîâèòü ïðèãîäíîñòü ñðåäñòâ ê ïðèìåíåíèþ.

Ïðåäúÿâèòåëüñêèå èñïûòàíèÿ êàæäîãî ñðåäñòâà ÍÊ ïðîâîäÿòñÿ îòäåëîì òåõíè÷åñêîãî êîíòðîëÿ ïðåäïðèÿòèÿ-èçãîòîâèòåëÿ, à ïðèåìîñäàòî÷íûå - îðãàíàìè ïðèåìêè. Ïåðèîäè÷åñêèå èñïûòàíèÿ ïðîâîäÿò â ñîîòâåòñòâèè ñ ÃÎÑÒ 26964-86 íà íåñêîëüêèõ îáðàçöàõ èçäåëèÿ, âûäåðæàâøèõ ïðèåìîñäàòî÷íûå èñïûòàíèÿ.

Âûñîêîå êà÷åñòâî ñðåäñòâ ÍÊ ïðè èõ ïðîèçâîäñòâå ìîæåò áûòü îáåñïå÷åíî ïðè óñëîâèè ââåäåíèÿ ñåðòèôèêàöèè ñðåäñòâ ÍÊ [18].

4.4.3 Òðåáóåìûé ïåðñîíàë. Ñåðòèôèêàöèÿ ïåðñîíàëà. Ñåðòèôèêàöèÿ ïåðñîíàëà â îáëàñòè íåðàçðóøàþùåãî êîíòðîëÿ ïðîâîäèòñÿ â Ðåñïóáëèêå Áåëàðóñü â ñîîòâåòñòâèè ñ ÑÒÁ EN 473 -2005 «Îïðåäåëåíèå óðîâíÿ êâàëèôèêàöèè è ñåðòèôèêàöèè ïåðñîíàëà â îáëàñòè íåðàçðóøàþùåãî êîíòðîëÿ».

Ñåðòèôèêàöèÿ ïåðñîíàëà HK ÿâëÿåòñÿ îáÿçàòåëüíîé äëÿ ñïåöèàëèñòîâ, îáåñïå÷èâàþùèõ êîíòðîëü è òåõíè÷åñêóþ äèàãíîñòèêó ïðîäóêöèè, îáîðóäîâàíèÿ è ïðîìûøëåííûõ îáúåêòîâ, ïîäêîíòðîëüíûõ Ãîñïðîìíàäçîðó ÐÁ.

Ñåðòèôèêàöèþ ïåðñîíàëà ÍÊ îñóùåñòâëÿåò îðãàí ïî ñåðòèôèêàöèè ïåðñîíàëà «Ïðîôñåðòèêî», îòâå÷àþùèé òðåáîâàíèÿì ñòàíäàðòà EN 45013 «Îáùèå òðåáîâàíèÿ ê îðãàíàì ïî ñåðòèôèêàöèè ïåðñîíàëà».

Îðãàí ïî ñåðòèôèêàöèè «Ïðîôñåðòèêî» âõîäèò â ñîñòàâ ó÷ðåæäåíèÿ îáðàçîâàíèÿ «Áåëîðóññêèé ãîñóäàðñòâåííûé èíñòèòóò ïîâûøåíèÿ êâàëèôèêàöèè è ïåðåïîäãîòîâêè êàäðîâ ïî ñòàíäàðòèçàöèè, ìåòðîëîãèè è óïðàâëåíèþ êà÷åñòâîì», êîòîðîå àêêðåäèòîâàíî â êà÷åñòâå îðãàíà ïî ñåðòèôèêàöèè ïåðñîíàëà Íàöèîíàëüíûì îðãàíîì ïî àêêðåäèòàöèè Ðåñïóáëèêè Áåëàðóñü (àòòåñòàò àêêðåäèòàöèè BY/112.01.6.0.0004).

ÎÑÏ «Ïðîôñåðòèêî» îñóùåñòâëÿåò ñåðòèôèêàöèþ ïåðñîíàëà ïî: âèõðåòîêîâîìó (ÅÒ), ìàãíèòíîìó (ÌÒ), êàïèëëÿðíîìó (ÐÒ), ðàäèîãðàôè÷åñêîìó (RT), óëüòðàçâóêîâîìó (UT), âèçóàëüíîìó (VT), êîíòðîëü ãåðìåòè÷íîñòè (LT), âèäàì (ìåòîäàì) êîíòðîëÿ íà I, II, è III óðîâíè ïðîôåññèîíàëüíîé êîìïåòåíòíîñòè ïåðñîíàëà.

Ïðîãðàììû ïîäãîòîâêè ïî âèäàì è ìåòîäàì ÍÊ ðàçðàáîòàíû ñ ó÷åòîì «Ðåêîìåíäàöèé Ìåæäóíàðîäíîãî êîìèòåòà íåðàçðóøàþùåãî êîíòðîëÿ ICNDT WN 22-85 ïî ìèíèìàëüíûì òðåáîâàíèÿì ê òåõíè÷åñêèì çíàíèÿì ïðè îáó÷åíèè ïåðñîíàëà ÍÊ» è òðåáîâàíèé Åâðîïåéñêèõ Äèðåêòèâ 97/23/ÅÑ è 87/404/ÅÑ.

Ïðîöåäóðà ñåðòèôèêàöèè. Êàíäèäàò, æåëàþùèé ïðîéòè ñåðòèôèêàöèþ, ïîäàåò çàÿâêó â îðãàí ïî ñåðòèôèêàöèè ïåðñîíàëà ñ óêàçàíèåì ìåòîäà(îâ) êîíòðîëÿ, óðîâåíü êâàëèôèêàöèè, êîòîðûå îí õî÷åò ïîäòâåðäèòü è ïðîèçâîäñòâåííîãî ñåêòîðà.

Çàÿâêà äîëæíà áûòü ïîäïèñàíà ðàáîòîäàòåëåì è èìåòü âñå íåîáõîäèìûå ïðèëîæåíèÿ: ñïðàâêó î ñîñòîÿíèè çðåíèÿ; ñïðàâêó î ñòàæå ðàáîòû; ñïðàâêó î ïðîõîæäåíèè îáó÷åíèÿ.

Ïîñëå óñïåøíîé ñäà÷è êâàëèôèêàöèîííûõ ýêçàìåíîâ (îáùèé, ñïåöèàëüíûé è ïðàêòè÷åñêèé) è ïðè íàëè÷èè íåîáõîäèìûõ äîêóìåíòîâ, ïîäòâåðæäàþùèõ ñîáëþäåíèå óñòàíîâëåííûõ êðèòåðèåâ, êàíäèäàò ïîëó÷àåò ñåðòèôèêàò ñ óêàçàíèåì ìåòîäà ÍÊ, ïðîìûøëåííîãî ñåêòîðà è ñðîêà äåéñòâèÿ ñåðòèôèêàòà. Ñåðòèôèêàò âûäàåòñÿ íà ñðîê íå áîëåå òðåõ ëåò.

Ñåðòèôèêàò âûäàåòñÿ òîëüêî ïîñëå ïîëíîé îïëàòû îêàçàííûõ êàíäèäàòó óñëóã.

Îñíîâàíèåì äëÿ îòêëîíåíèÿ çàÿâêè íà ñåðòèôèêàöèþ ìîæåò áûòü: íåóäîâëåòâîðèòåëüíîå ñîñòîÿíèå çäîðîâüÿ; íåäîñòàòî÷íûé ñòàæ ïðîèçâîäñòâåííîé äåÿòåëüíîñòè; íåäîñòàòî÷íûé îáúåì îáó÷åíèÿ ïî çàÿâëåííîìó ìåòîäó; îòñóòñòâèå îïëàòû çà óñëóãè ïî ñåðòèôèêàöèè êîíêðåòíîãî ñïåöèàëèñòà; íàðóøåíèå ïðàâèë ïðîôåññèîíàëüíîé ýòèêè.

Ïî ðåçóëüòàòàì ñåðòèôèêàöèè ñïåöèàëèñòó ÍÊ ïðèñâàèâàåòñÿ 1, 2 èëè 3-é óðîâåíü êâàëèôèêàöèè ïî êîíêðåòíîìó ìåòîäó êîíòðîëÿ â îïðåäåëåííîì ïðîèçâîäñòâåííîì ñåêòîðå [19].

1-é óðîâåíü. Ñïåöèàëèñò, àòòåñòîâàííûé íà 1-é óðîâåíü, ïîëó÷àåò êâàëèôèêàöèþ äëÿ ïðîâåäåíèÿ ðàáîò ïî íåðàçðóøàþùåìó êîíòðîëþ â ñîîòâåòñòâèè ñ ïèñüìåííûìè èíñòðóêöèÿìè è ïîä íàáëþäåíèåì ïåðñîíàëà 2-ãî èëè 3-ãî óðîâíÿ.

Ïðè ýòîì îí äîëæåí óìåòü: íàñòðàèâàòü îáîðóäîâàíèå; îñóùåñòâëÿòü êîíòðîëü; ðåãèñòðèðîâàòü è êëàññèôèöèðîâàòü ðåçóëüòàòû â ñîîòâåòñòâèè ñ êðèòåðèÿìè, óñòàíîâëåííûìè â äîêóìåíòàõ; ïðåäñòàâëÿòü îò÷åò ïî ðåçóëüòàòàì. Îäíàêî îí íå íåñåò îòâåòñòâåííîñòü çà âûáîð ìåòîäà è òåõíè÷åñêîãî îáîðóäîâàíèÿ äëÿ êîíòðîëÿ, à òàêæå çà îöåíêó èëè îïèñàíèå õàðàêòåðà ðåçóëüòàòîâ êîíòðîëÿ.

2-é óðîâåíü. Ñïåöèàëèñò, àòòåñòîâàííûé íà 2-é óðîâåíü, ïîëó÷àåò êâàëèôèêàöèþ äëÿ îñóùåñòâëåíèÿ è ðóêîâîäñòâà ÍÊ â ñîîòâåòñòâèè ñ óñòàíîâëåííûìè èëè óòâåðæäåííûìè ìåòîäèêàìè.

Îí äîëæåí áûòü êîìïåòåíòíûì â: âûáîðå òåõíè÷åñêîãî îáîðóäîâàíèÿ äëÿ êîíòðîëÿ; îïðåäåëåíèè îãðàíè÷åíèé â ïðèìåíåíèè ìåòîäà êîíòðîëÿ; ïîíèìàíèè ñòàíäàðòîâ è òåõíè÷åñêèõ óñëîâèé ïî ÍÊ, èõ ïåðåðàáîòêå â èíñòðóêöèè ïî ïðàêòè÷åñêîìó êîíòðîëþ; íàñòðîéêå è êàëèáðîâêå îáîðóäîâàíèÿ; îñóùåñòâëåíèè êîíòðîëÿ è íàáëþäåíèè çà íèì; òîëêîâàíèè è îöåíêå ðåçóëüòàòîâ â ñîîòâåòñòâèè ñ ïðèìåíÿåìûìè ñòàíäàðòàìè, íîðìàìè èëè óñëîâèÿìè; ïîäãîòîâêå ïèñüìåííûõ èíñòðóêöèé ïî êîíòðîëþ; ïîäãîòîâêå èëè ðóêîâîäñòâå ïåðñîíàëîì íèæå 2-ãî óðîâíÿ; îðãàíèçàöèè è ñîñòàâëåíèè îò÷åòà ïî ðåçóëüòàòàì ÍÊ.

3-é óðîâåíü. Ñïåöèàëèñò, àòòåñòîâàííûé íà 3-é óðîâåíü, ïîëó÷àåò êâàëèôèêàöèþ äëÿ ïðîâåäåíèÿ ëþáûõ îïåðàöèé ïî ÍÊ.

Îí äîëæåí áûòü êîìïåòåíòíûì â âûïîëíåíèè ñëåäóþùèõ çàäà÷: áðàòü íà ñåáÿ îòâåòñòâåííîñòü çà êîíòðîëüíóþ àïïàðàòóðó è ïåðñîíàë; îïðåäåëÿòü è óòâåðæäàòü ïðèìåíåíèå òåõíè÷åñêîãî îáîðóäîâàíèÿ è ìåòîäèê; òîëêîâàòü ñòàíäàðòû, íîðìû, òåõíè÷åñêèå óñëîâèÿ è ìåòîäèêè; îïðåäåëÿòü êîíêðåòíûå ìåòîäû êîíòðîëÿ, îáîðóäîâàíèå è ìåòîäèêè, ïîäëåæàùèå èñïîëüçîâàíèþ; îöåíèâàòü ðåçóëüòàòû â ñîîòâåòñòâèè ñ äåéñòâóþùèìè ñòàíäàðòàìè, íîðìàìè è óñëîâèÿìè; áûòü ñïîñîáíûì ðóêîâîäèòü ïåðñîíàëîì íèæå 3-ãî óðîâíÿ.

Ñðîê äåéñòâèÿ ñåðòèôèêàòà. Ñðîê äåéñòâèÿ àòòåñòàòà ñîñòàâëÿåò 5 ëåò ñ äàòû àòòåñòàöèè. Ïîñëå îêîí÷àíèÿ ïåðâîãî ñðîêà äåéñòâèÿ è êàæäûå ïîñëåäóþùèå ïåðèîäû àòòåñòàò ìîæåò áûòü ïðîäëåí àòòåñòàöèîííûì îðãàíîì íà íîâûé ñðîê [19].

Àííóëèðîâàíèå ñåðòèôèêàòà. Ñåðòèôèêàò ìîæåò áûòü àííóëèðîâàí ïî ðåøåíèþ îðãàíà ïî ñåðòèôèêàöèè, åñëè:

-   óñòàíîâëåíî, ÷òî ñïåöèàëèñò ðàáîòàåò íå â òîì ïðîèçâîäñòâåííîì ñåêòîðå èëè íå ïî òîìó ìåòîäó, íà êîòîðûå îí ñåðòèôèöèðîâàí;

-       óñòàíîâëåíû ôàêòû íåýòè÷íîãî ïîâåäåíèÿ;

-   óñòàíîâëåí çíà÷èòåëüíûé ïåðåðûâ â ðàáîòå.

5. Áåçîïàñíîñòü è ýêîëîãè÷íîñòü ïðîåêòà

5.1 Èäåíòèôèêàöèÿ è àíàëèç âðåäíûõ è îïàñíûõ ôàêòîðîâ â ïðîåêòèðóåìîì óñòðîéñòâå

Ïðåâðàùåíèå âñåõ ïðîèçâîäñòâ - â áåçîïàñíûå, ñ ïåðåõîäîì îò òåõíèêè áåçîïàñíîñòè ê áåçîïàñíîé òåõíèêå, ÿâëÿåòñÿ äîëãîâðåìåííîé è ãëîáàëüíîé çàäà÷åé â îáëàñòè ÁÆÄ è ýêîëîãè÷íîñòè.  íàñòîÿùåå âðåìÿ àêòóàëüíîé ñòàëà íåîáõîäèìîñòü èçó÷àòü âðåäíûå è îïàñíûå ïðîèçâîäñòâåííûå ôàêòîðû, ïðîãíîçèðîâàòü èíæåíåðíûå ðåøåíèÿ áåçîïàñíîñòè è ýêîëîãè÷íîñòè íà îñíîâå îòêðûòèé çàêîíîâ ôèçè÷åñêèõ ÿâëåíèè è òåõíè÷åñêèõ íàóê, ñ òåì, ÷òîáû ïðåäóñìàòðèâàòü, èõ âíåäðåíèå â ïðîåêòíî-êîíñòðóêòîðñêèõ ðàçðàáîòêàõ è óñëîâèÿõ ïðîèçâîäñòâà.

Íà ñîâðåìåííîì ýòàíå ðàçâèòèÿ ëþáîå òåõíè÷åñêîå ðåøåíèå äîëæíî ïðèíèìàòüñÿ íå òîëüêî ñ ó÷åòîì òåõíîëîãè÷åñêèõ è ýêîíîìè÷åñêèõ òðåáîâàíèé, íî è â îáÿçàòåëüíîì ïîðÿäêå äîëæíî ó÷èòûâàòü ýêîëîãè÷åñêèå àñïåêòû.

Ñîáëþäåíèå ñòàíäàðòîâ ïî áåçîïàñíîñòè òðóäà, ïðàâèë, èíñòðóêöèé ïî áåçîïàñíîñòè è ýêîëîãè÷íîñòè îáåñïå÷èâàåò áåçîïàñíîñòü òðóäà.

 ýïîõó íàó÷íî-òåõíè÷åñêîãî ïðîãðåññà (ÍÒÏ) â òðóäîâîé äåÿòåëüíîñòè âñå áîëüøåå çíà÷åíèå ïðèîáðåòàþò ïñèõîëîãè÷åñêèå õàðàêòåðèñòèêè ÷åëîâåêà, à ñàì òðóä âñå ÷àùå ïðåâðàùàåòñÿ â ïðåèìóùåñòâåííî óìñòâåííûé òðóä. Ãëàâíîé çàäà÷åé áåçîïàñíîñòè è ýêîëîãè÷íîñòè ÿâëÿåòñÿ âûâîä ÷åëîâåêà èç îïàñíûõ çîí íà ïðåäïðèÿòèè. Ñðåäè ðàçëè÷íûõ âèäîâ ïðîôåññèîíàëüíîé äåÿòåëüíîñòè ðàñòåò çíà÷åíèå îïåðàòîðñêèõ ñïåöèàëüíîñòåé. Ýôôåêòèâíîñòü òðóäà, ïðåæäå âñåãî, îïðåäåëÿåòñÿ òî÷íîñòüþ âîñïðèÿòèÿ èíôîðìàöèè, ñêîðîñòüþ åå ïåðåðàáîòêè è ïðàâèëüíîñòüþ ïðèíèìàåìûõ ðåøåíèé, à íå ôèçè÷åñêèìè âîçìîæíîñòÿìè ðàáîòíèêà. Ïîâûøåíèå òðåáîâàíèé ê ïñèõîëîãè÷åñêèì êà÷åñòâàì ñïåöèàëèñòà, âûñîêàÿ îòâåòñòâåííîñòü çà ïðèíèìàåìûå ðåøåíèÿ, îñîáåííî â óñëîâèÿõ äåôèöèòà âðåìåíè èëè íåäîñòàòêà èíôîðìàöèè ÿâëÿåòñÿ ïðè÷èíîé ïðîôåññèîíàëüíîãî ñòðåññà, ïðè êîòîðîì íàðóøàåòñÿ àäåêâàòíîñòü ðåàêöèè ÷åëîâåêà, óõóäøàåòñÿ êà÷åñòâî åãî äåÿòåëüíîñòè, ñíèæàåòñÿ óðîâåíü çäîðîâüÿ è ðàñòåò ïðîèçâîäñòâåííûé òðàâìàòèçì.

Îáåñïå÷åíèå áåçîïàñíîé æèçíåäåÿòåëüíîñòè ÷åëîâåêà â çíà÷èòåëüíîé ñòåïåíè çàâèñèò îò ïðàâèëüíîé îöåíêè îïàñíûõ, âðåäíûõ ïðîèçâîäñòâåííûõ ôàêòîðîâ. Îäèíàêîâûå ïî òÿæåñòè èçìåíåíèÿ â îðãàíèçìå ÷åëîâåêà ìîãóò áûòü âûçâàíû ðàçëè÷íûìè ïðè÷èíàìè. Ýòî ìîãóò áûòü êàêèå-ëèáî ôàêòîðû ïðîèçâîäñòâåííîé ñðåäû, ÷ðåçìåðíàÿ ôèçè÷åñêàÿ è óìñòâåííàÿ íàãðóçêà, íåðâíî-ýìîöèîíàëüíîå íàïðÿæåíèå, à òàêæå ðàçíîå ñî÷åòàíèå ýòèõ ïðè÷èí.

Ïðîåêòèðîâàíèå óñòðîéñòâà äîëæíî âåñòèñü â ñîîòâåòñòâèè ñ óòâåðæä¸ííûìè ïðàâèëàìè, íîðìàìè è ÃÎÑÒàìè.

Âîïðîñû áåçîïàñíîñòè è ýêîëîãè÷íîñòè ðàññìàòðèâàþòñÿ â òåñíîé ñâÿçè ñ óëó÷øåíèåì óñëîâèé òðóäà, ñíèæåíèåì íåðâíî-ïñèõîëîãè÷åñêèõ íàãðóçîê è ðÿäîì äðóãèõ ôàêòîðîâ. Ïîýòîìó çàäà÷à áåçîïàñíîñòè è ýêîëîãè÷íîñòè ñîñòîèò â òîì, ÷òîáû ñâåñòè ê ìèíèìóìó âåðîÿòíîñòü ïîðàæåíèÿ èëè çàáîëåâàíèÿ ðàáîòàþùåãî ñ îäíîâðåìåííûì îáåñïå÷åíèåì êîìôîðòà ïðè ìàêñèìàëüíîé ïðîèçâîäèòåëüíîñòè òðóäà.

Èäåíòèôèêàöèÿ îïàñíûõ è âðåäíûõ ïðîèçâîäñòâåííûõ ôàêòîðîâ ïðîèçâåäåíà â ñîîòâåòñòâèè ñ [20]. Âûäåëÿþò ñëåäóþùèå ôàêòîðû:

ôèçè÷åñêèå;

õèìè÷åñêèå;

áèîëîãè÷åñêèå;

ïñèõîôèçèîëîãè÷åñêèå.

Ôèçè÷åñêèå ôàêòîðû. Ðàçðàáîòàííîå â äèïëîìíîì ïðîåêòå óñòðîéñòâî äëÿ âèçóàëüíî-îïòè÷åñêîãî êîíòðîëÿ âíóòðåííåãî ñîñòîÿíèÿ òðóá è áëîê óïðàâëåíèÿ ÿâëÿþòñÿ ïîòåíöèàëüíî îïàñíûìè.

Âñëåäñòâèå íåèñïðàâíîñòè ýëåêòðîóñòàíîâêè è ïîâðåæäåíèé èçîëÿöèè òîêîâåäóùèõ ÷àñòåé ìîæåò âîçíèêíóòü ïåðåãðåâ ïðîâîäíèêîâ è èñêðåíèå, ÷òî ìîæåò ïîñëóæèòü ïðè÷èíîé âîçãîðàíèÿ íàõîäÿùèõñÿ âíóòðè ÎÊ ãîðþ÷èõ ãàçîâ.

Òåïëîâûå ïîòîêè îò âû÷èñëèòåëüíîãî óñòðîéñòâà, äåéñòâóþùèå íà ëèöî è äðóãèå ó÷àñòêè òåëà, âûçûâàþò ñîíëèâîñòü, âåäóò ê óòîìëåíèþ. Äëÿ îáåñïå÷åíèÿ êîìôîðòíûõ óñëîâèé òðóäà â çîíå äîëæåí ïîääåðæèâàòüñÿ îïðåäåë¸ííûé òåìïåðàòóðíûé ðåæèì. Íàðóøåíèå òåìïåðàòóðíîãî ðåæèìà â ðàáî÷åé çîíå ìîæåò ïðèâåñòè íå òîëüêî ê ôèçè÷åñêîìó äèñêîìôîðòó ðàáîòíèêà, íî è ê íàðóøåíèþ ôóíêöèîíèðîâàíèÿ óñòðîéñòâà. Èçëèøíåå îòêëîíåíèå òåìïåðàòóðû îò íîðìû â ñòîðîíó óâåëè÷åíèÿ, ìîæåò ïðèâåñòè ê ïåðåãðåâó ïðèáîðà. Íå ñëåäóåò çàáûâàòü, ÷òî ïðè ïðîâåäåíèè ðàáîò íà îòêðûòîì âîçäóõå â æàðêîå ëåòíåå âðåìÿ åñòü ðèñê âîçíèêíîâåíèÿ òåïëîâîãî óäàðà.

Ïðè ïðîâåäåíèè êîíòðîëÿ âáëèçè ðàáîòàþùèõ òåõíè÷åñêèõ óñòàíîâîê, íà îïåðàòîðà âîçìîæíî âîçäåéñòâèå àêóñòè÷åñêîãî øóìà. Íåïðàâèëüíûé øóìîâîé è âèáðàöèîííûé ðåæèìû â ðàáî÷åé çîíå, à òàêæå âëèÿíèå âíåøíåé îáñòàíîâêè, ïðèâîäÿò ê óòîìëåíèþ ñëóõîâîãî àïïàðàòà ðàáîòíèêà, ÷òî ïðè äëèòåëüíîì âîçäåéñòâèè ìîæåò ñêàçàòüñÿ íà ïðîôåññèîíàëüíûõ êà÷åñòâàõ ñïåöèàëèñòà. Äîïóñòèìûé óðîâåíü øóìà â ðàáî÷åé çîíå, íå äîëæåí ïðåâûøàòü 50 äÁ, â ñîîòâåòñòâèè ñ ÃÎÑÒ 12.1.005-88 [21].

Õèìè÷åñêèå ôàêòîðû. Ïðè ïðîâåäåíèè êîíòðîëÿ îáúåêòîâ íåôòåãàçîâîãî êîìïëåêñà (ãàçîïðîâîäû, áåíçîïðîâîäû, ðåçåðâóàðû äëÿ ÃÑÌ) âîçìîæíî îòðàâëåíèå ïðîäóêòàìè, êîòîðûå ìîãëè îñòàòüñÿ ïîñëå âðåìåííîãî âûâåäåíèÿ ÎÊ èç ýêñïëóàòàöèè.

Íàèáîëåå âåðîÿòíûì âèäîì îòðàâëåíèÿ ïðè ïðîâåäåíèè êîíòðîëÿ ïðîåêòèðóåìûì óñòðîéñòâîì, âîçìîæíî îòðàâëåíèå áåíçèíîì. Áåíçèí îêàçûâàåò îáùåòîêñè÷åñêîå äåéñòâèå íà îðãàíèçì ÷åëîâåêà ïðè âäûõàíèè ïàðîâ, ïîïàäàíèè â æåëóäîê èëè ÷åðåç êîæíûå ïîêðîâû. Îòðàâëåíèå áåíçèíîì ìîæåò áûòü îñòðîå èëè õðîíè÷åñêîå. Îñòðîå îòðàâëåíèå âîçíèêàåò ïðè âäûõàíèè âîçäóõà, ñîäåðæàùåãî ïàðû áåíçèíà â âûñîêîé êîíöåíòðàöèè.

Ïðèçíàêè îòðàâëåíèÿ ïàðàìè áåíçèíà:

-   âîçáóæäåíèå, ïîäîáíîå îïüÿíåíèþ (ýéôîðèÿ);

-       ãîëîâîêðóæåíèå;

-       òîøíîòà, ðâîòà;

-       ïîòåðÿ ñîçíàíèÿ, ñóäîðîãè, íàðóøåíèÿ äûõàíèÿ;

Õðîíè÷åñêîå îòðàâëåíèå ïàðàìè áåíçèíà âîçíèêàåò ïðè äëèòåëüíîì âäûõàíèè âîçäóõà ñ íåáîëüøèì ñîäåðæàíèåì ïàðîâ áåíçèíà. Ïðîÿâëÿåòñÿ îíî áûñòðîé óòîìëÿåìîñòüþ, íåóñòîé÷èâîñòüþ íàñòðîåíèÿ, ãîëîâíîé áîëüþ.

Ñàìîå ãëàâíîå ìåðîïðèÿòèå ïðè îòðàâëåíèè ïàðàìè áåíçèíà - âûâåñòè ïîñòðàäàâøåãî íà ñâåæèé âîçäóõ. Êàê ïðàâèëî, äëÿ ïîëíîãî âûçäîðîâëåíèÿ íåîáõîäèìî îò 2 äî 5 äíåé [22].

Ïñèõîôèçèîëîãè÷åñêèå ôàêòîðû. Ïðè äëèòåëüíîé ðàáîòå ñ óñòðîéñòâîì ìîæåò ïðîÿâèòüñÿ âðåäíîå ðàçäðàæàþùåå âîçäåéñòâèå íà ðàáîòíèêà. Òàêæå, ïðè íàðóøåíèè ãðàôèêà ðàáîò è íåðàöèîíàëüíîì èñïîëüçîâàíèè âðåìåíè âîçìîæíî âîçíèêíîâåíèå ôèçè÷åñêèõ è íåðâíî-ïñèõè÷åñêèõ ïåðåãðóçîê. Ïîñëåäíèå ìîãóò ñòàòü ïðè÷èíîé íåðâíûõ çàáîëåâàíèé.

Ïðè ðàáîòå ñ âèäåîêðîóëåðîì â ïîëîæåíèè ñòîÿ è íà êîðòî÷êàõ, íîãè îïåðàòîðà áóäóò áûñòðî óñòàâàòü. Ïîýòîìó íàèáîëåå óäîáíûì ïîëîæåíèåì äëÿ äåôåêòîñêîïèñòà áóäåò ÿâëÿòüñÿ ñèäÿ÷åå ïîëîæåíèå. Íà ðàáî÷åì ìåñòå ñëåäóåò ïðåäóñìîòðåòü óñòàíîâêó ñòîëà è ñòóëà äëÿ ðàñïîëîæåíèÿ íà íèõ îáîðóäîâàíèÿ è äåôåêòîñêîïèñòà.

5.2 Ðàçðàáîòêà òåõíè÷åñêèõ, òåõíîëîãè÷åñêèõ ðåøåíèé è çàùèòíûõ ñðåäñòâ ïî óñòðàíåíèþ îïàñíûõ è âðåäíûõ ôàêòîðîâ

Ïðè ïðîâåäåíèè äåôåêòîñêîïè÷åñêèõ ðàáîò ñ èñïîëüçîâàíèåì ïðîåêòèðóåìîãî óñòðîéñòâà, íàèáîëåå îïàñíîé ïî ñâîåìó âîçäåéñòâèþ è ïîñëåäñòâèÿì ñèòóàöèåé ÿâëÿåòñÿ âîçíèêíîâåíèå ïîæàðà.

Íåèçîëèðîâàííûå ïèòàþùèå êàáåëè ïðèáîðà ïðè ëþáîì íàïðÿæåíèè äîëæíû áûòü îãðàæäåíû îò ñëó÷àéíîãî ïðèêîñíîâåíèÿ.

 ïðîåêòèðóåìîì óñòðîéñòâå ñëåäóåò óñòàíàâëèâàòü òîëüêî áåñêîëëåêòîðíûå äâèãàòåëè ïîñòîÿííîãî òîêà, ò.ê. êîëëåêòîðíûå äâèãàòåëè ñîäåðæàò ù¸òêó è êîëëåêòîð, ïðè òðåíèè êîòîðûõ âîçíèêàþò èñêðû.

Ïîæàðíàÿ áåçîïàñíîñòü óñòðîéñòâà äîëæíà îáåñïå÷èâàòüñÿ ñèñòåìàìè ïðåäîòâðàùåíèÿ ïîæàðà è ïðîòèâîïîæàðíîé çàùèòû, â òîì ÷èñëå îðãàíèçàöèîííî-òåõíè÷åñêèìè ìåðîïðèÿòèÿìè.

Ãîðåíèå - ýòî õèìè÷åñêàÿ ðåàêöèÿ ñîåäèíåíèÿ êèñëîðîäà âîçäóõà ñ ãîðþ÷èì âåùåñòâîì, ñîïðîâîæäàþùàÿñÿ âûäåëåíèåì òåïëîòû è ñâåòà.

Âçðûâ õèìè÷åñêè íå îòëè÷àåòñÿ îò ãîðåíèÿ, íî ïðîòåêàåò â î÷åíü êîðîòêèå ïðîìåæóòêè âðåìåíè è ñîïðîâîæäàåòñÿ çâóêîâûì ýôôåêòîì.

Íà íåêîòîðûõ èç îáúåêòîâ êîíòðîëÿ, îòíîñÿùèõñÿ ê íåôòåãàçîâîìó è òîïëåâíî-ýíåðãåòè÷åñêîìó êîìïëåêñó, âîçìîæíî íàëè÷èå îñòàòêîâ ãîðþ÷èõ óãëåâîäîðîäîâ (ìåòàí, ïðîïàí, áåíçèí è ò.ï.). Ïîýòîìó ïðè ïðîâåäåíèè äåôåêòîñêîïè÷åñêèõ ðàáîò, èñòî÷íèêàìè ãîðåíèÿ è âçðûâà ìîãóò ñòàòü: îòêðûòîå ïëàìÿ, êðàòêîâðåìåííîå èñêðåíèå ýëåêòðîïðîâîäíûõ ýëåìåíòîâ, ìåõàíè÷åñêîå âîçäåéñòâèå è äð.

Îñíîâíûå ïðè÷èíû âîçíèêíîâåíèÿ ïîæàðîâ íà ïðîèçâîäñòâå:

íåèñïðàâíîñòü îòîïèòåëüíûõ ñèñòåì è íàðóøåíèå ðåæèìîâ èõ ðàáîòû;

íåèñïðàâíîñòü èëè ïåðåãðóçêà ýëåêòðè÷åñêèõ óñòàíîâîê è ñåòåé, à òàêæå ïðîèçâîäñòâåííîãî îáîðóäîâàíèÿ;

íåèñïðàâíîñòü âåíòèëÿöèîííûõ ñèñòåì; íåïðàâèëüíîå õðàíåíèå ãîðþ÷èõ è ëåãêîâîñïëàìåíÿþùèõñÿ ìàòåðèàëîâ è æèäêîñòåé;

âîçíèêíîâåíèå ñòàòè÷åñêîãî ýëåêòðè÷åñòâà; íåáðåæíîå îáðàùåíèå ñ îòêðûòûì îãíåì, íàðóøåíèå ïðàâèë âíóòðåííåãî ðàñïîðÿäêà ïðåäïðèÿòèÿ (íàïðèìåð, êóðåíèå è õðàíåíèå ñïåöîäåæäû â íåïîëîæåííûõ ìåñòàõ è ò.ä.).

Ñèñòåìû ïîæàðíîé áåçîïàñíîñòè âûïîëíÿþò îäíó èç ñëåäóþùèõ çàäà÷:

-   èñêëþ÷àòü âîçíèêíîâåíèå ïîæàðà;

-       îáåñïå÷èâàòü ïîæàðíóþ áåçîïàñíîñòü ëþäåé;

-       îáåñïå÷èâàòü ïîæàðíóþ áåçîïàñíîñòü ìàòåðèàëüíûõ öåííîñòåé;

Ïåðåä òóøåíèåì óñòàíîâêè å¸ íåîáõîäèìî ïðåäâàðèòåëüíî îáåñòî÷èòü. Íåáîëüøèå çàãîðàíèÿ ìîãóò áûòü ëèêâèäèðîâàíû ñ ïîìîùüþ óãëåêèñëîòíûõ îãíåòóøèòåëåé. Òàêèìè îãíåòóøèòåëÿìè òàêæå ìîæíî òóøèòü çàãîðàíèÿ ýëåêòðîóñòàíîâîê, íàõîäÿùèõñÿ ïîä íàïðÿæåíèåì.

Ïðåäåëüíî äîïóñòèìûé óðîâåíü íàïðÿæ¸ííîñòè âîçäåéñòâóþùåãî ýëåêòðè÷åñêîãî ïîëÿ óñòàíàâëèâàåòñÿ ðàâíûì 25 êÂ/ì ïî [23]. Ïðåáûâàíèå â ýëåêòðè÷åñêîì ïîëå íàïðÿæ¸ííîñòüþ äî 5 êÂ/ì âêëþ÷èòåëüíî äîïóñêàåòñÿ â òå÷åíèå ðàáî÷åãî äíÿ. Ðàçðàáàòûâàåìîå óñòðîéñòâî çàïèòûâàåòñÿ îò èñòî÷íèêà ïîñòîÿííîãî òîêà è ïîòðåáëÿåò íåçíà÷èòåëüíóþ ìîùíîñòü, ïîýòîìó îíà ñïîñîáíà ñîçäàòü óðîâåíü íàïðÿæ¸ííîñòè ýëåêòðè÷åñêîãî ïîëÿ íà íåñêîëüêî ïîðÿäêîâ íèæå, ÷åì ïðåäåëüíî äîïóñòèìûé.

Òðåáóåìàÿ îñâåù¸ííîñòü äëÿ ðàáîòû ñ óñòàíîâêîé íàõîäèòñÿ â äèàïàçîíå îò 300 äî 400 ëê â ñîîòâåòñòâèè ñî [24], â çàâèñèìîñòè îò ÿðêîñòè ýêðàíà, åãî öâåòà è ñîîòíîøåíèÿ âðåìåíè ðàáîòû ñ äèñïëååì è ñ äîêóìåíòàöèåé.

Åñëè íîóòáóê áóäåò èñïîëüçîâàòüñÿ â ÿðêóþ ñîëíå÷íóþ ïîãîäó, òî óäîáíî èñïîëüçîâàòü ïðîòèâîáëèêîâûå ýêðàííûå ôèëüòðû.

5.3 Ðàçðàáîòêà ìåð áåçîïàñíîñòè ïðè ýêñïëóàòàöèè óñòðîéñòâà

Ðàçðàáîòàåì èíñòðóêöèþ ïî îõðàíå òðóäà ïðè ðàáîòå ñ ïðîåêòèðóåìûì óñòðîéñòâîì. Îíà âêëþ÷àåò ñëåäóþùèå ðàçäåëû:

Îáùèå òðåáîâàíèÿ áåçîïàñíîñòè. Ê ïðîâåäåíèþ ðàáîò äîïóñêàþòñÿ ñïåöèàëüíî ïîäãîòîâëåííûå äåôåêòîñêîïèñòû, ñäàâøèå ñîîòâåòñòâóþùèå èñïûòàíèÿ, ïðîøåäøèå ïðîèçâîäñòâåííóþ ñòàæèðîâêó ñ îïûòíûì äåôåêòîñêîïèñòîì â òå÷åíèè äâóõ ìåñÿöåâ è èìåþùèõ óäîñòîâåðåíèå óñòàíîâëåííîé ôîðìû.

Ê ðàáîòå ñ óñòðîéñòâîì äåôåêòîñêîïèñò ìîæåò ïðèñòóïèòü ïîñëå ïðîõîæäåíèÿ ââîäíîãî èíñòðóêòàæà è ïåðâè÷íîãî èíñòðóêòàæà íà ðàáî÷åì ìåñòå.

Äåôåêòîñêîïèñò îäèí ðàç â øåñòü ìåñÿöåâ äîëæåí ïîëó÷èòü ïîâòîðíûé èíñòðóêòàæ.

Äåôåêòîñêîïèñò äîëæåí êàæäûé äåíü îñóùåñòâëÿòü ïðîâåðêó îáîðóäîâàíèÿ è â ñëó÷àå åãî íåèñïðàâíîñòè íå ïðèñòóïàòü ê ñàìîñòîÿòåëüíîé ðàáîòå äî óñòðàíåíèÿ íåèñïðàâíîñòè.

Äåôåêòîñêîïèñò äîëæåí óìåòü îêàçàòü ïåðâóþ äîâðà÷åáíóþ ïîìîùü ïîñòðàäàâøèì ïðè íåñ÷àñòíîì ñëó÷àå è ïîñòàâèòü â èçâåñòíîñòü î ïðîèñøåäøåì íà÷àëüíèêà öåõà.

Äåôåêòîñêîïèñò îáÿçàí ñîáëþäàòü ïðàâèëà âíóòðåííåãî ðàñïîðÿäêà, íå äîïóñêàòü:

óïîòðåáëåíèå àëêîãîëüíûõ, íàðêîòè÷åñêèõ è òîêñè÷åñêèõ ñðåäñòâ;

êóðåíèå â íåóñòàíîâëåííîì ìåñòå.

Òðåáîâàíèÿ áåçîïàñíîñòè ïåðåä íà÷àëîì ðàáîòû. Äåôåêòîñêîïèñò ïåðåä íà÷àëîì ðàáîòû äîëæåí ïîäãîòîâèòü ñâîå ðàáî÷åå ìåñòî.

Ïåðåä âêëþ÷åíèåì ïðèáîðîâ, äåôåêòîñêîïèñò ïðîâîäèò âèçóàëüíûé îñìîòð íà ïðåäìåò ïîëîìêè, è òîëüêî ïîñëå ïðîèçâîäèò âêëþ÷åíèå óñòàíîâêè. Åñëè ïðè ðàáîòå ïðèáîðà íàáëþäàþòñÿ îòêëîíåíèÿ â âèäå çàïàõà ãàðè, äåéñòâèå òîêà íà ñòåíêàõ ïðèáîðà ïðè ïðèêîñíîâåíèè, äåôåêòîñêîïèñò îáÿçàí âûêëþ÷èòü ïðèáîð, äàáû ïðåäîòâðàòèòü íåãàòèâíûå ïîñëåäñòâèÿ.

Òðåáîâàíèÿ áåçîïàñíîñòè ïðè âûïîëíåíèè ðàáîò. Áîëüøèíñòâî ñðåäñòâ íåðàçðóøàþùåãî êîíòðîëÿ â ïðîöåññå ðàáîòû ïîëíîñòüþ èëè ÷àñòè÷íî íàõîäÿòñÿ ïîä íàïðÿæåíèåì. Ïðè èõ ýêñïëóàòàöèè íåîáõîäèìî ïðèäåðæèâàòüñÿ «Ïðàâèëà òåõíè÷åñêîé ýêñïëóàòàöèè ýëåêòðîóñòàíîâîê ïîòðåáèòåëåé».

Ïðè ðàáîòå íåîáõîäèìî ñëåäèòü, ÷òîáû ïèòàþùèé ïðîâîä íå êàñàëñÿ ìåòàëëè÷åñêèõ è âëàæíûõ ïîâåðõíîñòåé, íå äîïóñêàòü ïåðåêðó÷èâàíèÿ èëè îáðàçîâàíèÿ ïåòåëü íà ïðîâîäå.

Îáÿçàííîñòüþ äåôåêòîñêîïèñòà ÿâëÿåòñÿ ñîäåðæàíèå ñâîåãî ðàáî÷åãî ìåñòà â ïîðÿäêå.

 ïðîöåññå ðàáîòû íå ðàçðåøàåòñÿ:

âñêðûâàòü êîðïóñ óñòðîéñòâà, ïðîèçâîäèòü åãî ðåìîíò âî âðåìÿ êîíòðîëÿ;

êëàñòü íà êîðïóñ óñòðîéñòâà êàêèå-ëèáî ïîñòîðîííèå ïðåäìåòû;

äîïóñêàòü ê ðàáîòå ïîñòîðîííèõ ëèö.

Òðåáîâàíèÿ áåçîïàñíîñòè ïî îêîí÷àíèè ðàáîòû. Ïîñëå îêîí÷àíèÿ ðàáîòû äåôåêòîñêîïèñò îòêëþ÷àåò ïðèáîð îò èñòî÷íèêà òîêà. Ïðè îòêëþ÷åíèè ïðèáîðà, íåëüçÿ äåðæàòüñÿ çà ïèòàþùèé ïðîâîä.

Ðàáî÷åå ìåñòî ïî îêîí÷àíèè ñìåíû äåôåêòîñêîïèñò îáÿçàí óáðàòü è ïðèâåñòè â ïîðÿäîê.

Ïðîèçâîäñòâåííàÿ ñàíèòàðèÿ. Äëÿ ñîáëþäåíèÿ áëàãîïðèÿòíûõ ñàíèòàðíî-ãèãèåíè÷åñêèõ óñëîâèé íà ïðîèçâîäñòâå íåîáõîäèìî ñîáëþäàòü ïðàâèëà ïðîèçâîäñòâåííîé ñàíèòàðèè è ãèãèåíû òðóäà.

Íà êàæäîì ðàáî÷åì ó÷àñòêå íåîáõîäèìî èìåòü àïòå÷êó, óêîìïëåêòîâàííóþ ìåäèêàìåíòàìè è ïåðåâÿçî÷íûìè ñðåäñòâàìè.

Ðàáîòàþùèì íåîáõîäèìî ñîáëþäàòü ïðàâèëà ãèãèåíû òðóäà è ëè÷íîé ãèãèåíû: ïðîâåòðèâàòü ïîìåùåíèå, ïðîèçâîäèòü âëàæíóþ óáîðêó ïîëîâ, ìûòü ðóêè ãîðÿ÷åé âîäîé ñ ìûëîì ïåðåä ïðèíÿòèåì ïèùè, ñëåäèòü çà èñïðàâíîñòüþ ñïåöîäåæäû è ò.ä.

Òðåáîâàíèÿ áåçîïàñíîñòè â àâàðèéíûõ ñèòóàöèÿõ [22]. Ïðè ïîðàæåíèè ýëåêòðè÷åñêèì òîêîì, äî ïðèáûòèÿ âðà÷à ïîñòðàäàâøåìó îêàçûâàþò ïåðâóþ ïîìîùü. Íå ïîòåðÿâøåìó ñîçíàíèå ÷åëîâåêó íåîáõîäèìî îáåñïå÷èòü ïîêîé â òå÷åíèè 2-3 ÷àñîâ, à çàòåì äîñòàâèòü åãî â ìåäèöèíñêîå ó÷ðåæäåíèå.

Åñëè ïîñòðàäàâøèé íàõîäèòñÿ â òÿæåëîì ñîñòîÿíèè, òî èñêóññòâåííîå äûõàíèå íåîáõîäèìî äåëàòü áåç ïðîìåäëåíèÿ äî òåõ ïîð, ïîêà äûõàíèå íå ñòàíåò íîðìàëüíûì.

Îäíîâðåìåííî ñ îêàçàíèåì ïåðâîé ïîìîùè íåîáõîäèìî âûçâàòü ìåäèöèíñêóþ ïîìîùü, äîëîæèâ î ñëó÷èâøåìñÿ ñàíèòàðíîìó ïîñòó, öåõîâîìó èëè çàâîäñêîìó ìåäïóíêòó è àäìèíèñòðàöèè.

Íåáîëüøèå ïîðåçû ñìàçûâàþò éîäîì è ïåðåâÿçûâàþò ÷èñòûì áèíòîì. Íà ìåñòî ëåãêîãî óøèáà íåîáõîäèìî ïðèëîæèòü õîëîäíûé êîìïðåññ. Ïðè òÿæåëûõ óøèáàõ ïîñòðàäàâøåãî îòïðàâëÿþò ê âðà÷ó.

 ñëó÷àå îòðàâëåíèÿ ïàðàìè áåíçèíà, ñëåäóåò:

-   óäàëèòü ïîñòðàäàâøåãî èç ïîìåùåíèÿ, ãäå ïðîèçîøëî îòðàâëåíèå;

-       äàòü ïîäûøàòü ñâåæèì âîçäóõîì (èäåàëüíî - ìåäèöèíñêèì êèñëîðîäîì);

-       ïðè ïîâåðõíîñòíîì äûõàíèè èëè åãî îòñóòñòâèè - íà÷àòü èñêóññòâåííîå äûõàíèå;

-       ðàñòåðåòü òåëî, ïðèëîæèòü òåïëî ê íîãàì, äàòü êðàòêîâðåìåííî ïîäûøàòü ïàðàìè íàøàòûðíîãî ñïèðòà, ÷òî òàêæå ñïîñîáñòâóåò ëèêâèäàöèè ïðèçíàêîâ îòðàâëåíèÿ;

-       Âûçâàòü âðà÷à ïî òåëåôîíó 103 è òðàíñïîðòèðîâàòü ïîñòðàäàâøåãî â áîëüíèöó;

Äåéñòâèÿ ïðè ïîæàðå. Ïðè òóøåíèè î÷àãîâ çàãîðàíèÿ ëåãêî âîñïëàìåíÿþùèõñÿ æèäêîñòåé ïðèìåíÿòü òîëüêî óãëåêèñëîòíûå ïåííûå îãíåòóøèòåëè.  ïîìåùåíèè ñ ýëåêòðè÷åñêèì îáîðóäîâàíèåì äîëæíî áûòü íå ìåíåå äâóõ îãíåòóøèòåëåé òèïà ÎÓ-5 èëè ÎÓ-8.

Ìåðû ïðåäîñòîðîæíîñòè ïðèìåíÿåìûå äëÿ ñîêðàùåíèÿ âåðîÿòíîñòè âîçíèêíîâåíèÿ ïîæàðîîïàñíîé ñèòóàöèè:

âñå ðàáî÷èå è ÈÒÐ, ñâÿçàííûå ñ ðàáîòàìè íà ïîæàðîîïàñíûõ ïðîèçâîäñòâàõ, äîëæíû óìåòü ïîëüçîâàòüñÿ îãíåòóøèòåëÿìè;

òåìïåðàòóðà ðàáî÷åé æèäêîñòè íå äîëæíà ïðåâûøàòü 50°Ñ ïðè ðàáîòå ñ êåðîñèíîì è 60 - 70°Ñ ïðè ðàáîòå ñ ìàñëîì;

êàòåãîðè÷åñêè çàïðåùàåòñÿ õðàíåíèå íà ðàáî÷èõ ó÷àñòêàõ ïðîìàñëåííîé ñïåöîäåæäû, çàïàñîâ ËÂÆ è ïðîòèðî÷íûõ ìàòåðèàëîâ, ïðåâûøàþùèõ ñìåííóþ ïîòðåáíîñòü;

çàïðåùàåòñÿ ïðèñóòñòâèå â ïîìåùåíèè ïîñòîðîííèõ ëèö, íå çàíÿòûõ íåïîñðåäñòâåííîé ýêñïëóàòàöèåé è ðåìîíòîì äåôåêòîñêîïè÷åñêîãî îáîðóäîâàíèÿ, à òàêæå äðóãèìè ïðîèçâîäñòâåííûìè çàäàíèÿìè;

çàïðåùàåòñÿ ïðèìåíåíèå ýëåêòðîïðåäîõðàíèòåëåé, íå ñîîòâåòñòâóþùèõ óñòàíîâëåííîìó íîìèíàëó;

ïðè óõîäå íà îáåä è ïîñëå îêîí÷àíèÿ ñìåíû îáÿçàòåëüíî çàêðûâàòü âñå ôîðòî÷êè, ôðàìóãè è îêíà, à òàêæå âûêëþ÷àòü ñèëîâóþ è ñâåòîâóþ ýëåêòðîýíåðãèþ.

Îáÿçàòåëüíîå âûïîëíåíèå âñåõ ïðàâèë âíóòðåííåãî ðàñïîðÿäêà, óñòàíîâëåííûõ äëÿ ïðåäïðèÿòèÿ, ÿâëÿåòñÿ ãëàâíûì óñëîâèåì îáåñïå÷åíèÿ ïðîòèâîïîæàðíûõ òðåáîâàíèé.

 ñëó÷àå âîçíèêíîâåíèÿ ïîæàðà, ñëåäóåò íåìåäëåííî âûçâàòü ñëóæáó Ì×Ñ ïî òåëåôîíó 101, à çàòåì ïðåäïðèíèìàòü ìåðû ïî ñàìîñòîÿòåëüíîìó òóøåíèþ.

6. Ýíåðãî- è ðåñóðñîñáåðåæåíèå

6.1 Âëèÿíèå ÒÝÖ íà îêðóæàþùóþ ñðåäó

îïòè÷åñêèé âèäåîêðîóëåð êîíòðîëü

Ýëåêòðè÷åñêàÿ ýíåðãèÿ - âàæíåéøèé, óíèâåðñàëüíûé, ñàìûé ýôôåêòèâíûé òåõíè÷åñêè è ýêîíîìè÷åñêè âèä ýíåðãèè. Äðóãîå åãî ïðåèìóùåñòâî - ýêîëîãè÷åñêàÿ áåçîïàñíîñòü èñïîëüçîâàíèÿ è ïåðåäà÷è ýëåêòðîýíåðãèè ïî ëèíèÿì ýëåêòðîïåðåäà÷ ïî ñðàâíåíèþ ñ ïåðåâîçêîé òîïëèâ, ïåðåêà÷êîé èõ ïî ñèñòåìàì òðóáîïðîâîäîâ. Ýëåêòðè÷åñòâî ñïîñîáñòâóåò ðàçâèòèþ ïðèðîäîñáåðåãàþùèõ òåõíîëîãèé âî âñåõ îòðàñëÿõ ïðîèçâîäñòâà. Îäíàêî âûðàáîòêà ýëåêòðîýíåðãèè íà ìíîãî÷èñëåííûõ ÒÝÑ, ÃÝÑ, ÀÝÑ ñîïðÿæåíà ñî çíà÷èòåëüíûìè îòðèöàòåëüíûìè âîçäåéñòâèÿìè íà îêðóæàþùóþ ñðåäó. Ýíåðãåòè÷åñêèå îáúåêòû ïî ñòåïåíè âëèÿíèÿ ïðèíàäëåæàò ê ÷èñëó íàèáîëåå èíòåíñèâíî âîçäåéñòâóþùèõ íà áèîñôåðó ïðîìûøëåííûõ îáúåêòîâ.

Íàèáîëüøàÿ äîëÿ ýëåêòðîýíåðãèè (63,2%) â ìèðå âûðàáàòûâàåòñÿ íà ÒÝÑ. Ïîýòîìó âðåäíûå âûáðîñû ýòîãî òèïà ýëåêòðîñòàíöèé â àòìîñôåðó îáåñïå÷èâàþò íàèáîëüøåå êîëè÷åñòâî àíòðîïîãåííûõ çàãðÿçíåíèé â íåé. Òàê, íà èõ äîëþ ïðèõîäèòñÿ ïðèìåðíî 25% âñåõ âðåäíûõ âûáðîñîâ, ïîñòóïàþùèõ â àòìîñôåðó îò ïðîìûøëåííûõ ïðåäïðèÿòèé [25].

Ãàçîîáðàçíûå âûáðîñû ãëàâíûì îáðàçîì âêëþ÷àþò ñîåäèíåíèÿ óãëåðîäà, ñåðû, àçîòà, à òàêæå àýðîçîëè è êàíöåðîãåííûå âåùåñòâà.

Îêèñëû óãëåðîäà (CO è CO2) ïðàêòè÷åñêè íå âçàèìîäåéñòâóþò ñ äðóãèìè âåùåñòâàìè â àòìîñôåðå è âðåìÿ èõ ñóùåñòâîâàíèÿ ïðàêòè÷åñêè íå îãðàíè÷åíî.

Ñâîéñòâà CO è CO2, êàê è äðóãèõ ãàçîâ, ïî îòíîøåíèþ ê ñîëíå÷íîìó èçëó÷åíèþ õàðàêòåðèçóþòñÿ èçáèðàòåëüíîñòüþ â íåáîëüøèõ ó÷àñòêàõ ñïåêòðà. Òàê, äëÿ CO2 ïðè íîðìàëüíûõ óñëîâèÿõ õàðàêòåðíû òðè ïîëîñû ñåëåêòèâíîãî ïîãëîùåíèÿ èçëó÷åíèÿ â äèàïàçîíàõ äëèí âîëí: 2,4 - 3,0; 4,0 - 4,8; 12,5 - 16,5 ìêì. Ñ ðîñòîì òåìïåðàòóðû øèðèíà ïîëîñ óâåëè÷èâàåòñÿ, à ïîãëîùàòåëüíàÿ ñïîñîáíîñòü óìåíüøàåòñÿ, ò.ê. óìåíüøàåòñÿ ïëîòíîñòü ãàçà.

Îäíèì èç ôàêòîðîâ âçàèìîäåéñòâèÿ ÒÝÑ ñ âîäíîé ñðåäîé ÿâëÿåòñÿ ïîòðåáëåíèå âîäû ñèñòåìàìè òåõíè÷åñêîãî âîäîñíàáæåíèÿ, â ò.÷. áåçâîçâðàòíîå ïîòðåáëåíèå âîäû. Îñíîâíàÿ ÷àñòü ðàñõîäà âîäû â ýòèõ ñèñòåìàõ èä¸ò íà îõëàæäåíèå êîíäåíñàòîðîâ ïàðîâûõ òóðáèí. Îñòàëüíûå ïîòðåáèòåëè òåõíè÷åñêîé âîäû (ñèñòåìû çîëî- è øëàêîóäàëåíèÿ, õèìâîäîî÷èñòêè, îõëàæäåíèÿ è ïðîìûâêè îáîðóäîâàíèÿ) ïîòðåáëÿþò îêîëî 7% îáùåãî ðàñõîäà âîäû.  òîæå âðåìÿ èìåííî îíè ÿâëÿþòñÿ îñíîâíûìè èñòî÷íèêàìè ïðèìåñíîãî çàãðÿçíåíèÿ. Íàïðèìåð, ïðè ïðîìûâêå ïîâåðõíîñòåé íàãðåâà êîòëîàãðåãàòîâ ñåðèéíûõ áëîêîâ ÒÝÑ ìîùíîñòüþ 300 ÌÂò îáðàçóåòñÿ äî 10000 ì3 ðàçáàâëåííûõ ðàñòâîðîâ ñîëÿíîé êèñëîòû, åäêîãî íàòðà, àììèàêà, ñîëåé àììîíèÿ [26].

Êðîìå òîãî, ñòî÷íûå âîäû ÒÝÑ ñîäåðæàò âàíàäèé, íèêåëü, ôòîð, ôåíîëû è íåôòåïðîäóêòû. Íà êðóïíûõ ýëåêòðîñòàíöèÿõ ðàñõîä âîäû, çàãðÿçí¸ííîé íåôòåïðîäóêòàìè (ìàñëà è ìàçóò), äîõîäèò äî 10-15 ì3/÷ ïðè ñðåäíåì ñîäåðæàíèè íåôòåïðîäóêòîâ 1-30 ìã/êã (ïîñëå î÷èñòêè). Ïðè ñáðîñå èõ â âîäî¸ìû îíè îêàçûâàþò ïàãóáíîå âëèÿíèå íà êà÷åñòâî âîäû, âîäíûå îðãàíèçìû.

Ïðåäñòàâëÿåò îïàñíîñòü è òàê íàçûâàåìîå òåïëîâîå çàãðÿçíåíèå âîäî¸ìîâ, âûçûâàþùåå ìíîãîîáðàçíûå íàðóøåíèÿ èõ ñîñòîÿíèÿ. ÒÝÑ ïðîèçâîäÿò ýíåðãèþ ïðè ïîìîùè òóðáèí, ïðèâîäèìûõ â äâèæåíèå íàãðåòûì ïàðîì, à îòðàáîòàííûé ïàð îõëàæäàåòñÿ âîäîé. Ïîýòîìó îò ýëåêòðîñòàíöèé â âîäî¸ìû íåïðåðûâíî ïîñòóïàåò ïîòîê âîäû ñ òåìïåðàòóðîé íà 8-12 îC ïðåâûøàþùåé òåìïåðàòóðó âîäû â âîäî¸ìå. Êðóïíûå ÒÝÑ ñáðàñûâàþò äî 90 ì3/ñ íàãðåòîé âîäû.

Íóæíî ñêàçàòü, ÷òî âîçäåéñòâèÿ ÒÝÑ íà îêðóæàþùóþ ñðåäó çíà÷èòåëüíî îòëè÷àþòñÿ ïî âèäàì òîïëèâà. Îäíèì èç ôàêòîðîâ âîçäåéñòâèÿ ÒÝÑ íà óãëå ÿâëÿþòñÿ âûáðîñû ñèñòåì ñêëàäèðîâàíèÿ, òðàíñïîðòèðîâêè, ïûëåïðèãîòîâëåíèÿ è çîëîóäàëåíèÿ. Ïðè òðàíñïîðòèðîâêå è ñêëàäèðîâàíèè âîçìîæíî íå òîëüêî ïûëåâîå çàãðÿçíåíèå âîçäóõà è ïî÷âû, íî è âûäåëåíèå ïðîäóêòîâ îêèñëåíèÿ òîïëèâà.

Íàèáîëåå «÷èñòîå» òîïëèâî äëÿ òåïëîâûõ ýëåêòðîñòàíöèé - ãàç, êàê ïðèðîäíûé, òàê è ïîëó÷àåìûé ïðè ïåðåðàáîòêå íåôòè èëè â ïðîöåññå ìåòàíîâîãî áðîæåíèÿ îðãàíè÷åñêèõ âåùåñòâ. Íàèáîëåå «ãðÿçíîå» òîïëèâî - ãîðþ÷èå ñëàíöû, òîðô, áóðûé óãîëü. Ïðè èõ ñæèãàíèè îáðàçóåòñÿ áîëüøå âñåãî ïûëåâûõ ÷àñòèö è îêñèäîâ ñåðû.

6.2 Óñòðàíåíèå îòðèöàòåëüíîãî âëèÿíèÿ ÒÝÖ íà îêðóæàþùóþ ñðåäó

Äëÿ ñîåäèíåíèé ñåðû ñóùåñòâóþò äâà ïîäõîäà ê ðåøåíèþ ïðîáëåìû ìèíèìèçàöèè âûáðîñîâ â àòìîñôåðó ïðè ñæèãàíèè îðãàíè÷åñêèõ òîïëèâ:

à) î÷èñòêà îò ñîåäèíåíèé ñåðû ïðîäóêòîâ ñãîðàíèÿ òîïëèâà (ñåðîî÷èñòêà äûìîâûõ ãàçîâ);

á) óäàëåíèå ñåðû èç òîïëèâà äî åãî ñæèãàíèÿ.

Ê íàñòîÿùåìó âðåìåíè ïî îáîèì íàïðàâëåíèÿì äîñòèãíóòû îïðåäåë¸ííûå ðåçóëüòàòû.  ÷èñëå äîñòîèíñòâ ïåðâîãî ïîäõîäà ñëåäóåò íàçâàòü åãî áåçóñëîâíóþ ýôôåêòèâíîñòü - óäàëÿåòñÿ äî 90 - 95% ñåðû, à òàêæå âîçìîæíîñòü ïðèìåíåíèÿ ïðàêòè÷åñêè âíå çàâèñèìîñòè îò âèäà òîïëèâà. Ê íåäîñòàòêàì ñëåäóåò îòíåñòè áîëüøèå êàïèòàëîâëîæåíèÿ. Ýíåðãåòè÷åñêèå ïîòåðè äëÿ ÒÝÑ, ñâÿçàííûå ñ ñåðîî÷èñòêîé, îðèåíòèðîâî÷íî ñîñòàâëÿþò 3-7%. Îñíîâíûì ïðåèìóùåñòâîì âòîðîãî ïóòè ÿâëÿåòñÿ òî, ÷òî î÷èñòêà îñóùåñòâëÿåòñÿ íåçàâèñèìî îò ðåæèìîâ ðàáîòû ÒÝÑ, â òî âðåìÿ êàê óñòàíîâêè ïî ñåðîî÷èñòêå äûìîâûõ ãàçîâ ðåçêî óõóäøàþò ýêîíîìè÷åñêèå ïîêàçàòåëè ýëåêòðîñòàíöèé çà ñ÷¸ò òîãî, ÷òî áîëüøóþ ÷àñòü âðåìåíè âûíóæäåíû ðàáîòàòü â íåðàñ÷¸òíîì ðåæèìå. Óñòàíîâêè æå ïî ñåðîî÷èñòêå òîïëèâ ìîæíî âñåãäà èñïîëüçîâàòü â íîìèíàëüíîì ðåæèìå, ñêëàäèðóÿ î÷èùåííîå òîïëèâî.

Ïðîáëåìà ñíèæåíèÿ âûáðîñîâ îêèñëîâ àçîòà ÒÝÑ ñåðü¸çíî ðàññìàòðèâàåòñÿ ñ êîíöà 60-õ ãîäîâ.  íàñòîÿùåå âðåìÿ ïî ýòîìó âîïðîñó óæå íàêîïëåí îïðåäåë¸ííûé îïûò. Ìîæíî íàçâàòü ñëåäóþùèå ìåòîäû:

à) óìåíüøåíèå êîýôôèöèåíòà èçáûòêà âîçäóõà (òàê ìîæíî äîáèòüñÿ ñíèæåíèÿ ñîäåðæàíèÿ îêèñëîâ àçîòà íà 25-30%, óìåíüøèâ êîýôôèöèåíò èçáûòêà âîçäóõà ñ 1,15 - 1,20 äî 1,03);

á) óëàâëèâàíèå îêèñëîâ ñ ïîñëåäóþùåé ïåðåðàáîòêîé â òîâàðíûå ïðîäóêòû;

â) ðàçðóøåíèå îêèñëîâ äî íåòîêñè÷íûõ ñîñòàâëÿþùèõ.

Äëÿ óìåíüøåíèÿ êîíöåíòðàöèè âðåäíûõ ñîåäèíåíèé â ïðèçåìíîì ñëîå âîçäóõà êîòåëüíûå ÒÝÑ îáîðóäóþò âûñîêèìè, äî 100-200 è áîëåå ìåòðîâ, äûìîâûìè òðóáàìè. Íî ýòî ïðèâîäèò òàêæå ê óâåëè÷åíèþ ïëîùàäè èõ ðàññåèâàíèÿ.  ðåçóëüòàòå êðóïíûìè ïðîìûøëåííûìè öåíòðàìè îáðàçóþòñÿ çàãðÿçí¸ííûå îáëàñòè ïðîòÿæåííîñòüþ â äåñÿòêè, à ïðè óñòîé÷èâîì âåòðå - â ñîòíè êèëîìåòðîâ [26].

Ðàçâèòèå ýíåðãåòèêè îêàçûâàåò âîçäåéñòâèå íà ðàçëè÷íûå êîìïîíåíòû ïðèðîäíîé ñðåäû: íà àòìîñôåðó, íà ãèäðîñôåðó, íà ëèòîñôåðó.  íàñòîÿùåå âðåìÿ ýòî âîçäåéñòâèå ïðèîáðåòàåò ãëîáàëüíûé õàðàêòåð, çàòðàãèâàÿ âñå ñòðóêòóðíûå êîìïîíåíòû íàøåé ïëàíåòû. Âûõîäîì äëÿ îáùåñòâà èç ýòîé ñèòóàöèè äîëæíû ñòàòü: âíåäðåíèå íîâûõ òåõíîëîãèé, à òàêæå ðàñïðîñòðàíåíèå àëüòåðíàòèâíîé ýíåðãåòèêè è èñïîëüçîâàíèå âîçîáíîâëÿåìûõ èñòî÷íèêîâ ýíåðãèè.

 öåëîì, ïðåäïðèíÿòûé àíàëèç ïðîáëåìû âëèÿíèÿ ýëåêòðîñòàíöèé íà îêðóæàþùóþ ñðåäó, ïîçâîëèë âûÿâèòü îñíîâíûå âîçäåéñòâèÿ, ïðîàíàëèçèðîâàòü èõ è íàìåòèòü íàïðàâëåíèÿ èõ ìèíèìèçàöèè è óñòðàíåíèÿ.

7. Ýêîíîìè÷åñêîå îáîñíîâàíèå ïðîåêòà

7.1 Îáùàÿ ïîñòàíîâêà çàäà÷è ýêîíîìè÷åñêîãî îáîñíîâàíèÿ

Íà âñåõ ñòàäèÿõ ñîçäàíèÿ è âíåäðåíèÿ ñðåäñòâ íåðàçðóøàþùåãî êîíòðîëÿ íåîáõîäèìî ïðîâîäèòü òåõíèêî-ýêîíîìè÷åñêèé àíàëèç è îïðåäåëÿòü òåõíèêî-ýêîíîìè÷åñêóþ ýôôåêòèâíîñòü èõ ïðèìåíåíèÿ.

Òåõíèêî-ýêîíîìè÷åñêîå îáîñíîâàíèå è ðàñ÷åò ñîäåðæàò êðàòêîå îïèñàíèå ïîñòàâëåííîé çàäà÷è è âàðèàíòû âîçìîæíûõ ðåøåíèé, îöåíêó òåõíè÷åñêîé ýôôåêòèâíîñòè ïðèìåíåíèÿ íåðàçðóøàþùåãî êîíòðîëÿ è âîçìîæíîñòü ïîâûøåíèÿ íàäåæíîñòè ïðîêîíòðîëèðîâàííûõ èçäåëèé, à òàêæå ýêîíîìè÷åñêóþ îöåíêó êàæäîãî âàðèàíòà è èõ ñðàâíåíèå [27].

Òåõíèêî-ýêîíîìè÷åñêèé àíàëèç è îïðåäåëåíèå òåõíèêî-ýêîíîìè÷åñêîé ýôôåêòèâíîñòè ïîçâîëÿþò:

îáîñíîâàòü ðàöèîíàëüíîå íàïðàâëåíèå è î÷åðåäíîñòü âíåäðåíèÿ òåõ èëè èíûõ ñðåäñòâ íåðàçðóøàþùåãî êîíòðîëÿ;

âûáðàòü íàèáîëåå ýêîíîìè÷íûå âàðèàíòû ñîçäàíèÿ íîâûõ èçäåëèé, îáîðóäîâàíèÿ è ò.ä.;

 ïðîöåññå ðàçðàáîòêè äèïëîìà íåîáõîäèìî ïðîèçâåñòè ñðàâíèòåëüíóþ îöåíêó ïðîèçâîäèòåëüíîñòè è ýôôåêòèâíîñòè óñòðîéñòâ äëÿ òåëåèíñïåêöèè òðóáîïðîâîäîâ:

à) ðàçðàáàòûâàåìûé ìàëîãàáàðèòíûé âèäåîêðîóëåð;

á) âèäåîêðîóëåð «Rovver 400».

Îñíîâíûì îáúåêòîì êîíòðîëÿ ÿâëÿþòñÿ òðóáû ñ ïðîäîëüíûì ñâàðíûì øâîì. Ãîäîâàÿ ïðîãðàììà âûïóñêà ÀÃ = 5000 øò.

Òåëåèíñïåêöèÿ âíóòðåííåãî ñîñòîÿíèÿ òðóá îñóùåñòâëÿåòñÿ ñëåäóþùèì îáðàçîì: îïåðàòîð âûáèðàåò ìåòîäèêó êîíòðîëÿ, âåëè÷èíû íåäîïóñòèìûõ äåôåêòîâ è çàïóñêàåò óñòàíîâêó â ðàáîòó. Ïîñëå îêîí÷àíèÿ êîíòðîëÿ äåëàåòñÿ âûâîä î ãîäíîñòè ê äàëüíåéøåé ýêñïëóàòàöèè îáúåêòà, ïðîøåäøåãî êîíòðîëü. Ïðåäñòàâëåí ðàñ÷åò òðóäî¸ìêîñòè (ïðîèçâîäèòåëüíîñòè), åäèíîâðåìåííûõ çàòðàò, òåêóùèõ èçäåðæåê, ãîäîâûõ ïîòåðü îò ïîãðåøíîñòåé êîíòðîëÿ, à òàê æå ðàñ÷åò ïîêàçàòåëåé ýêîíîìè÷åñêîé ýôôåêòèâíîñòè.

Íà îáúåêòå êîíòðîëÿ îñóùåñòâëÿåòñÿ 2-õ ñìåííûé ðåæèì ðàáîòû. Ñõåìà ðàçáðàêîâêè äåôåêòíîãî ó÷àñòêà òðóáû - ðåìîíò.

Äëèíà êîíòðîëèðóåìîé òðóáû LÒ = 12 ì.

Öåíà â äàííîì ðàñ÷åòå ïðåäñòàâëåíà â ðóáëÿõ Ðîññèéñêîé Ôåäåðàöèè, êóðñ êîòîðîãî ñîñòàâëÿåò: 1 ðóáëü ÐÔ = 95 áåë. ðóá. (1.06.2010 ã.)

Ýêîíîìè÷åñêîå îáîñíîâàíèå ðàçðàáîòêè ïðîèçâîäèòñÿ â ñëåäóþùåé ïîñëåäîâàòåëüíîñòè:

ðàñ÷åò òðóäîåìêîñòè;

åäèíîâðåìåííûõ çàòðàò;

òåêóùèõ èçäåðæåê;

ãîäîâûõ ïîòåðü îò ïîãðåøíîñòåé êîíòðîëÿ;

îïðåäåëåíèå ïîêàçàòåëåé ýêîíîìè÷åñêîé ýôôåêòèâíîñòè.

Õàðàêòåðèñòèêà ñèñòåìû êîíòðîëÿ ïðåäñòàâëåíà â òàáëèöå 7.1.

Òàáëèöà 7.1.1 - Õàðàêòåðèñòèêè ñèñòåìû êîíòðîëÿ

Ýëåìåíòû ñèñòåìû êîíòðîëÿ

Çíà÷åíèÿ ïî âàðèàíòàì


Áàçîâûé

Ïðîåêòíàÿ

1 Îáúåêò êîíòðîëÿ

Êîðåíü ïðîäîëüíîãî øâà òðóáû

1.1 Âèä äåôåêòà

Íåïðîâàð, ïðåâûøåíèå ïðîïëàâà, íàïëûâ, íàò¸ê, âîãíóòîñòü êîðíÿ øâà

1.2 Êîíòð. ïàðàìåòð

Íàëè÷èå èëè îòñóòñòâèå äåôåêòà

2 Ïðîöåññ êîíòðîëÿ

Àâòîìàòèçèðîâàííûé

Àâòîìàòèçèðîâàííûé

2.1 Âèä êîíòðîëÿ

Îïòè÷åñêèé

2.2 Ìåòîä êîíòðîëÿ

Âèçóàëüíî-îïòè÷åñêèé

3 Ñðåäñòâà êîíòðîëÿ

Ïîäâèæíàÿ ïëàòôîðìà

3.1 Ñðåäñòâà ðåãèñòðàöèè

Âèäåîêàìåðà (360 ÒÂ ëèíèé)

Âèäåîêàìåðà (550 ÒÂ ëèíèé)

4 Óñëîâèÿ êîíòðîëÿ

Öåõîâûå

5 Ñòàäèÿ æèçíåííîãî öèêëà

Ïðîèçâîäñòâî



Èñïîëüçóåì ìåòîäèêó ñðàâíèòåëüíîé ýêîíîìè÷åñêîé ýôôåêòèâíîñòè. Çà áàçó ñðàâíåíèÿ ïðèìåì âèäåîêðîóëåð «Rovver 400», â ñâÿçè ñ òåì, ÷òî äàííûé êðîóëåð èìååò íàèáîëåå áëèçêèå ê ñïðîåêòèðîâàííîìó óñòðîéñòâó ãàáàðèòíûå õàðàêòåðèñòèêè. Êðîìå òîãî îáà óñòðîéñòâà ñíàáæåíû íåïîâîðîòíûìè âèäåîêàìåðàìè.

7.2 Ðàñ÷åò ãîäîâîé òðóäîåìêîñòè êîíòðîëÿ

Ïðîèçâîäèòåëüíîñòü êîíòðîëÿ çàâèñèò îò îáúåêòà êîíòðîëÿ è õàðàêòåðà ðåãëàìåíòà åãî ïîñòóïëåíèÿ íà ðàáî÷åå ìåñòî êîíòðîëåðà, òåõíîëîãèè è ìåòîäèêè êîíòðîëÿ, òàê æå ôîðìû îðãàíèçàöèè êîíòðîëÿ.

Ïîòðåáíîñòü â êîíòðîëüíûõ îïåðàöèÿõ ïî îáúåêòó êîíòðîëÿ îöåíèâàåòñÿ âåëè÷èíîé òàêòà â ìèíóòàõ ïî ñëåäóþùåé ôîðìóëå:

,        (7.2.1)

ãäå FÄ - ãîäîâîé äåéñòâèòåëüíûé ôîíä ðàáîòû ðàáî÷åãî ìåñòà êîíòðîëåðà, ÷àñ;

ÊÍ - êîýôôèöèåíò, ó÷èòûâàþùèé íåðàâíîìåðíîñòü ïîñòóïëåíèÿ îáúåêòà êîíòðîëÿ ïðè ìàññîâîì ïðîèçâîäñòâå (ÊÍ = 0.9);

Àà - ãîäîâàÿ ïðîãðàììà âûïóñêà îáúåêòîâ êîíòðîëÿ, øòóê (Àà = 5000 øò.);Ê - êîýôôèöèåíò (äîëÿ) âûáîðî÷íîñòè êîíòðîëÿ (dÊ = 1).

Âåëè÷èíà ãîäîâîãî äåéñòâèòåëüíîãî ôîíäà ðàáî÷åãî ìåñòà êîíòðîëåðà îïðåäåëÿåòñÿ ïî ñëåäóþùåé ôîðìóëå:

, (7.2.2)

ãäå FÑÌ - íîìèíàëüíûé ñìåííûé ôîíä ðàáîòû, ÷ (FÑÌ = 8 ÷);

ÊÑÌ - êîýôôèöèåíò ñìåííîñòè - ÷èñëî ñìåí ðàáîòû â òå÷åíèå ðàáî÷åãî äíÿ (ÊÑÌ = 2);

ÊÂÏ - êîýôôèöèåíò, ó÷èòûâàþùèé âíóòðèñìåííûå ïðîñòîè ïî îðãàíèçàöèîííî-òåõíè÷åñêèì ïðè÷èíàì (åäèíè÷íîå ïðîèçâîäñòâî - 0.85);P - ÷èñëî ðàáî÷èõ äíåé â ãîäó (DP = 248 ïðè ïÿòèäíåâíîé ðàáî÷åé íåäåëå);

ÊÏÐ - êîýôôèöèåíò, ó÷èòûâàþùèé äîëþ âðåìåíè ïðîñòîåâ â ïëàíîâûõ ðåìîíòàõ (ÊÏÐ = 0.06).

Íàéäåì FÄ:

 ÷.

Ïîëó÷àåì:

 ìèí.

Íîðìà øòó÷íî-êàëüêóëÿöèîííîãî âðåìåíè ñêëàäûâàåòñÿ èç ñëåäóþùèõ ýëåìåíòîâ [28]:

,                         (7.2.3)

ãäå tÏÇ - ïîäãîòîâèòåëüíî-çàêëþ÷åííîå âðåìÿ íà îäèí îáúåêò êîíòðîëÿ, ìèí/øò.;

tÎÏ - îïåðàòèâíîå âðåìÿ íà îïåðàöèþ íà îäèí îáúåêò êîíòðîëÿ, ìèí/øò.;

tÎÁ, ÎÒË - âðåìÿ îáñëóæèâàíèÿ, íà îòäûõ è ëè÷íûå íàäîáíîñòè (îïðåäåëÿåòñÿ êàê äîëÿ îò îïåðàòèâíîãî âðåìåíè â ðàçìåðå 0.12 - 0.16 (tÎÁ, ÎÒË = = 0.12).

Ïîäãîòîâèòåëüíî-çàêëþ÷åííîå âðåìÿ îïðåäåëÿåòñÿ:

,        (7.2.4)

ãäå ÒÏÇ - íîðìà ïîäãîòîâèòåëüíî-çàêëþ÷èòåëüíîãî âðåìåíè íà îïåðàöèþ çà ñìåíó (äëÿ ÂÎÊ ÒÏÇ(ïîäãîòîâêà) = 10 ìèí).

Ïîäãîòîâèòåëüíî-çàêëþ÷èòåëüíîå âðåìÿ íà îïåðàöèþ äëÿ ïðîåêòíîãî è áàçîâîãî âàðèàíòà îïðåäåëÿåòñÿ êàê:

 ìèí/øò.

Îïåðàòèâíîå âðåìÿ íà îïåðàöèþ îïðåäåëÿåòñÿ êàê:

,    (7.2.5)

Îïåðàòèâíîå âðåìÿ íà îïåðàöèþ äëÿ ïðîåêòíîãî âàðèàíòà îïðåäåëÿåòñÿ:

 ìèí.

Îïåðàòèâíîå âðåìÿ íà îïåðàöèþ äëÿ áàçîâîãî âàðèàíòà îïðåäåëÿåòñÿ:

 ìèí.

Âðåìÿ îáñëóæèâàíèÿ, íà îòäûõ è ëè÷íûå íàäîáíîñòè íà îïåðàöèþ îïðåäåëÿåòñÿ ïî ôîðìóëå:

. (7.2.6)

Âðåìÿ îáñëóæèâàíèÿ, íà îòäûõ è ëè÷íûå íàäîáíîñòè íà îïåðàöèþ äëÿ ïðîåêòíîãî âàðèàíòà:

 ìèí.

Âðåìÿ îáñëóæèâàíèÿ, íà îòäûõ è ëè÷íûå íàäîáíîñòè íà îïåðàöèþ äëÿ áàçîâîãî âàðèàíòà:

 ìèí.

Ðàññ÷èòàåì òðóäîåìêîñòü îïåðàöèé ïî ìåòîäàì êîíòðîëÿ ïî ôîðìóëå 7.2.3 äëÿ ïðîåêòíîãî âàðèàíòà:

 ìèí.

Ðàññ÷èòàåì òðóäîåìêîñòü îïåðàöèé ïî ìåòîäàì êîíòðîëÿ ïî ôîðìóëå 7.2.3 äëÿ áàçîâîãî âàðèàíòà:

 ìèí.

Ðåçóëüòàòû ðàñ÷¸òà òðóäî¸ìêîñòè êîíòðîëÿ ïðèâåäåíû â òàáëèöå 7.2.1.

Òàáëèöà 7.2.1 - Òðóäîåìêîñòü êîíòðîëüíûõ îïåðàöèé è òàêò

Íàèìåíîâàíèå îïåðàöèé

Âåëè÷èíà ïî âàðèàíòàì


Áàçîâûé

Ïðîåêòíûé

Ïîäãîòîâèòåëüíî-çàêëþ÷èòåëüíîå âðåìÿ, tÏÇ(êîíòðîëü), ìèí

1

1

Îïåðàòèâíîå âðåìÿ, tÎÏ(êîíòðîëü), ìèí

2

2.4

Âðåìÿ îáñëóæèâàíèÿ, íà îòäûõ è ëè÷íûå íàäîáíîñòè, tÎÁ,ÎÒ,Ë(êîíòðîëü), ìèí

0.32

0.39

Êîíòðîëü òðóáû tØÊ(êîíòðîëü), ìèí

3.3

3.8

Âåëè÷èíà òàêòà rÊ, ìèí

34.2


7.3 Ðàñ÷åò åäèíîâðåìåííûõ çàòðàò

Åäèíîâðåìåííûå çàòðàòû ðàññ÷èòûâàþòñÿ ïî ýëåìåíòàì:

, (7.3.1)

ãäå ÊÎ - ñòîèìîñòü îáîðóäîâàíèÿ, ðóá.;

ÊÎÁ - ñòîèìîñòü îáîðîòíûõ ñðåäñòâ, ñâÿçàííûõ ñ êîíòðîëåì, ðóá.;

ÊÇÄ - ñòîèìîñòü ïîòðåáíîé ïëîùàäè çäàíèÿ, ðóá.;

ÊÑÊ - ñòîèìîñòü â ñîöèàëüíî-êóëüòóðíóþ ñôåðó, ðóá.;

ÊÏÐ - çàòðàòû íà ïðîåêòèðîâàíèå, ðóá.

Çàòðàòû íà îáîðóäîâàíèå îïðåäåëÿþòñÿ ïî ôîðìóëå:

, (7.3.2)

ãäå Nni - ïðèíÿòîå ÷èñëî åäèíèö îáîðóäîâàíèÿ (Nni ≥ Nði - äî áëèæàéøåãî öåëîãî ÷èñëà â áîëüøóþ ñòîðîíó èëè öåëàÿ ÷àñòü Ni, åñëè äðîáíàÿ ÷àñòü Nði < 0.1), øò.;

Pi - öåíà ïðèîáðåòåíèÿ îáîðóäîâàíèÿ äëÿ ðàáîòû íà i-îé îïåðàöèè, ðóá.;

ÊÇi - êîýôôèöèåíò, ó÷èòûâàþùèé çàíÿòîñòü îáîðóäîâàíèÿ i-îé îïåðàöèè ïî äàííîìó îáúåêòó êîíòðîëÿ (ÊÇi < 1 íå äîëæíà ïðåâûøàòü åãî ðàñ÷åòíîé âåëè÷èíû ÊÇiÐ);

àÒi - êîýôôèöèåíò, ó÷èòûâàþùèé òðàíñïîðòíî-çàãîòîâèòåëüíûå ðàñõîäû 0.05 - 0.1 (àÒi = 0.1);

àÌi - êîýôôèöèåíò, ó÷èòûâàþùèé çàòðàòû íà ìîíòàæ è îòëàäêó îáîðóäîâàíèÿ 0.1 - 0.15 (àÌi = 0.15).

Ïðèíÿòîå ÷èñëî åäèíèö îáîðóäîâàíèÿ îïðåäåëèì ïî ôîðìóëå:

.        (7.3.3)

Íàéäåì êîýôôèöèåíò, ó÷èòûâàþùèé çàíÿòîñòü îáîðóäîâàíèÿ i-îé îïåðàöèè ïî äàííîìó îáúåêòó êîíòðîëÿ ïî ôîðìóëå:

.    (7.3.4)

Ïîëó÷àåì:

áàçîâûé âàðèàíò: Nð = 3.9/34.5 = 0.111 øò.; Nn = 1 øò.; ÊÇ = 0.111/1 = 0.111. Ïðèíèìàåì ÊÇ = 0.11;

ïðîåêòíûé âàðèàíò: Nð = 3.3/34.5 = 0.096 øò.; Nn = 1 øò.; ÊÇ = 0.096 /1 = 0.096 Ïðèíèìàåì ÊÇ = 0.1.

Öåíû ïðèîáðåòåíèÿ îáîðóäîâàíèÿ ïðèâåäåíû â òàáëèöå 7.3.1.

Òàáëèöà 7.3.1 - Öåíû ïðèîáðåòåíèÿ îáîðóäîâàíèÿ äëÿ ðàáîòû íà i-îé îïåðàöèè

Îáîðóäîâàíèå

Öåíà, ðóá.


Áàçîâûé

Ïðîåêòíûé

Âèäåîêðîóëåð

180 000

32 400

Äîïîëíèòåëüíîå îáîðóäîâàíèå

120 000

Ãàçîàíàëèçàòîð «Ñèãíàë-02»

8 500



Äàò÷èê íà ìåòàí

2 650



Äàò÷èê íà ïðîïàí / áóòàí

2 650



Äàò÷èê íà ïàðû áåíçèíà

2 650



Çàðÿäíîå óñòðîéñòâî

180



Ïëàñòìàññîâûé ÷åìîäàí÷èê

350



Âèäåîðåãèñòðàòîð

9000



Áëîê ïèòàíèÿ

1050



Êàáåëü (50 ì) ñ ðàçú¸ìîì Ëåìî

900



Èòîãî

27 930


Çàòðàòû íà îáîðóäîâàíèå:

áàçîâûé: ÊÎ = 1×(180 000+120 000)×0.11×(1+0.1+0.15) = 37 950 ðóá.;

ïðîåêòíûé: ÊÎ = 1×(32 400 + 27 930)×0.1×(1+0.1+0.15) = 6 938 ðóá.

Åäèíîâðåìåííûå çàòðàòû â îáîðîòíûå ñðåäñòâà ðàññ÷èòûâàþòñÿ ïî ôîðìóëå:

, (7.3.5)

ãäå ÊZi - êîýôôèöèåíò, ó÷èòûâàþùèé ñòðàõîâîé çàïàñ (ÊZi = 0.05);

ÀÃ - ãîäîâàÿ ïðîãðàììà (ÀÃ = 5000 øò.);Ò - äëèíà òðóáû (LÒ = 12 ì);

ÍÌ - íîðìà ðàñõîäà ìàòåðèàëîâ íà êîíòðîëü íà 1 ì ñâàðíîãî øâà (äëÿ ÂÎÊ ÍÌ = 0.1 ðóá.).

Åäèíîâðåìåííûå çàòðàòû â îáîðîòíûå ñðåäñòâà äëÿ ïðîåêòíîãî è áàçîâîãî âàðèàíòîâ:

ÊÎÁ = 0.1×12×5000×0.05 = 300 ðóá.

Ñòîèìîñòü ïîòðåáíîé ïëîùàäè çäàíèé îïðåäåëÿåòñÿ ïî ôîðìóëå:

 (7.3.6)

ãäå Sãàái - ãàáàðèòíàÿ ïëîùàäü i-îé åäèíèöû ïåðåíîñíîãî îáîðóäîâàíèÿ, ì2 (Sãàái = 2 ì2);ñá - íîðìàòèâ ïëîùàäè ñëóæåáíî-áûòîâîãî íàçíà÷åíèÿ íà îäíîãî ðàáî÷åãî, ì2 (Sñá = 5 ì2);

 - öåíà (ñòîèìîñòü) îäíîãî ì2 çäàíèÿ ïðîèçâîäñòâåííîãî íàçíà÷åíèÿ (= = 6 975 ðóá.);

 - öåíà (ñòîèìîñòü) îäíîãî ì2 çäàíèÿ ñëóæåáíî-áûòîâîãî íàçíà÷åíèÿ (= = 6 820 ðóá.);

ÊÄ - êîýôôèöèåíò, ó÷èòûâàþùèé äîïîëíèòåëüíóþ ïëîùàäü ê ãàáàðèòíîé (ÊÄ = 4 - äëÿ âñåõ ïðèáîðîâ ò.ê. ïëîùàäü ìåíåå 2 ì2);

 - êîýôôèöèåíò, ó÷èòûâàþùèé ïëîùàäü ïîä ñêëàäèðîâàíèå ìàòåðèàëîâ äëÿ êîíòðîëÿ (äëÿ ÂÎÏ  = 0.25).

Ñòîèìîñòü ïîòðåáíîé ïëîùàäè çäàíèé:

áàçîâûé: ÊÇÄ = (1∙2∙1∙1∙6 975∙(1+0.25))+(5∙2∙1∙6 820∙0.24) = 13 640 ðóá.;

ïðîåêòíûé: ÊÇÄ = (1∙2∙1∙0.24∙6 975∙(1+0.25))+(5∙2∙1∙6 820∙0.24) = 12 400 ðóá.

Ðàññ÷èòàåì çàòðàòû íà ñîöèàëüíî-êóëüòóðíóþ ñôåðó ïî ôîðìóëå:

,  (7.3.7)

ãäå ÐÑÊ - åäèíîâðåìåííûå çàòðàòû íà îäíîãî ðàáî÷åãî (ÐÑÊ = 186 000 ðóá.).

Çàòðàòû íà ñîöèàëüíî-êóëüòóðíóþ ñôåðó:

áàçîâûé: ÊÑÊ = 1×2×186 000×0.11 = 40 920 ðóá.;

ïðîåêòíûé: ÊÑÊ = 1×2×186 000×0.1 = 37 200 ðóá.

Çàòðàòû íà èññëåäîâàíèå è ïðîåêòèðîâàíèå îïðåäåëÿþòñÿ ïî ôîðìóëå:

, (7.3.8)

ãäå ÒÏÐÊ - òðóäîåìêîñòü ïðîåêòèðîâàíèÿ ïî k-ìó âèäó ðàáîò (1 ìåñ.);

ÐÏÐ - ñìåòíàÿ ñòîèìîñòü îäíîãî ÷åëîâåêà-÷àñà ïðîåêòèðîâàíèÿ.

Ñìåòíàÿ ñòîèìîñòü îäíîãî ÷åëîâåêà-÷àñà ïðîåêòèðîâàíèÿ ðàññ÷èòûâàåòñÿ ïî ôîðìóëå:

 (7.3.9)

ãäå ÇÒ - ÷àñîâàÿ òàðèôíàÿ ñòàâêà 1 - ãî ðàçðÿäà, ðóá.;

ÊÒ - òàðèôíûé êîýôôèöèåíò ïðîåêòèðîâùèêà (ñïåöèàëèñòû ñ âûñøèì îáðàçîâàíèåì 10 ðàçðÿäà ÊÒ = 2.047);

ÊÏ - êîýôôèöèåíò ïðåìèðîâàíèÿ (ÊÏ = 1.5);

ÊÄ - êîýôôèöèåíò, ó÷èòûâàþùèé äîïîëíèòåëüíóþ çàðàáîòíóþ ïëàòó (ÊÄ = 0.1);

ÊÑÑ - êîýôôèöèåíò, ó÷èòûâàþùèé îò÷èñëåíèÿ â ôîíä ñîöèàëüíîãî îáåñïå÷åíèÿ (ÊÑÑ = 0.26);

ÊÍÐ - êîýôôèöèåíò, ó÷èòûâàþùèé íàêëàäíûå ðàñõîäû 0.6 - 0.8 (ÊÍÐ = 0.6).

×àñîâàÿ òàðèôíàÿ ñòàâêà 1 - ãî ðàçðÿäà îïðåäåëÿåòñÿ äåëåíèåì ïðèíÿòîé íà ïåðèîä ïðîåêòèðîâàíèÿ ìåñÿ÷íîé ñòàâêè 1-ãî ðàçðÿäà íà ìåñÿ÷íûé ôîíä ðàáî÷åãî âðåìåíè 166 ÷. Îïðåäåëÿåòñÿ ïî ôîðìóëå:

ÇT = Ç/FM = 4600/166 = 27.7 ðóá., (7.3.10)

ãäå Ç - ìåñÿ÷íàÿ òàðèôíàÿ ñòàâêà ïåðâîãî ðàçðÿäà íà ïðåäïðèÿòèè (Ç = 4600 ðóá.);Ì - ìåñÿ÷íûé ôîíä ðàáî÷åãî âðåìåíè (FÌ = 166 ÷).

Îïðåäåëèì òðóäîåìêîñòü ïðîåêòèðîâàíèÿ ïî k-ìó âèäó ðàáîò çà 1 ìåñÿö ïî ôîðìóëå:

ÒÏÐÊ = 1∙FÌ = 1∙166 = 166 ÷.      (7.3.11)

Îïðåäåëèì ñìåòíóþ ñòîèìîñòü îäíîãî ÷åëîâåêà-÷àñà ïðîåêòèðîâàíèÿ:

ÐÏÐ = 27.7∙2.047∙1.5∙(1+0.1)∙(1+0.26)∙(1+0.6) = 188.6 ðóá.

Îïðåäåëèì çàòðàòû íà èññëåäîâàíèå è ïðîåêòèðîâàíèå:

ÊÏÐ = 166∙188.6 = 31 307 ðóá.

Ðàññ÷èòàåì åäèíîâðåìåííûå çàòðàòû:

áàçîâûé: Ê = 37 950+300+13 640+40 920 = 92 810 ðóá.

ïðîåêòíûé: Ê = 6 938+300+12 400+37 200+31 307 = 88 145 ðóá.;

Åäèíîâðåìåííûå çàòðàòû ïðèâåäåíû â òàáëèöå 7.3.2.

Òàáëèöà 7.3.2 - Åäèíîâðåìåííûå çàòðàòû

Íàèìåíîâàíèå çàòðàò

Çíà÷åíèÿ ïî âàðèàíòàì, ðóá.


Áàçîâûé

Ïðîåêòíûé

Åäèíîâðåìåííûå çàòðàòû â îáîðóäîâàíèå

37 950

6 938

Åäèíîâðåìåííûå çàòðàòû â îáîðîòíûå ñðåäñòâà

300

300

Åäèíîâðåìåííûå çàòðàòû â çäàíèÿ

13 640

12 400

Åäèíîâðåìåííûå çàòðàòû â ñîöèàëüíî-êóëüòóðíóþ ñôåðó

40 920

37 200

Åäèíîâðåìåííûå çàòðàòû íà èññëåäîâàíèå è ïðîåêòèðîâàíèå

-

31 307

Èòîãî

92 810

88 145


7.4 Ðàñ÷åò òåêóùèõ èçäåðæåê

Ãîäîâûå òåêóùèå èçäåðæêè íà êîíòðîëü ðàññ÷èòûâàþòñÿ ïî ôîðìóëå:

È = ÈÌÇÝÐÎÐÇÍÐ,      (7.4.1)

ãäå ÈÌ - ãîäîâûå çàòðàòû íà ìàòåðèàëû (îñíîâíûå è âñïîìîãàòåëüíûå ìàòåðèàëû, ïîêóïíûå ïîëóôàáðèêàòû, êîìïëåêòóþùèå èçäåëèÿ), ðóá.;

ÈÇ - ãîäîâûå çàòðàòû íà çàðàáîòíóþ ïëàòó îñíîâíûì ðàáî÷èì (îïåðàòîðàì) ñ íà÷èñëåíèÿìè, ðóá.;

ÈÝ - ãîäîâûå çàòðàòû íà ýíåðãèþ (ñèëîâóþ è òåõíîëîãè÷åñêóþ ýëåêòðîýíåðãèè, òîïëèâî), ðóá.;

ÈÐÎ - ãîäîâûå çàòðàòû íà ðåìîíò è ñîäåðæàíèå îáîðóäîâàíèÿ, ðóá.;

ÈÐÇ - ãîäîâûå çàòðàòû íà ðåìîíò è ñîäåðæàíèå çäàíèé, ðóá.;

ÈÍÐ - ãîäîâûå íàêëàäíûå ðàñõîäû ïî îáñëóæèâàíèþ è óïðàâëåíèþ ïðîèçâîäñòâà, ðóá.

Ðàññ÷èòàåì çàòðàòû íà ìàòåðèàëû ïî ôîðìóëå [28]:

ÈÌ = ÍÌ (1-dÎÒ)∙(1+áÒÇ)∙LÒ∙ÀÃ,       (7.4.2)

ãäå ÍÌ - íîðìà ðàñõîäà ìàòåðèàëîâ íà 1 ì òðóáû (äëÿ ÂÎÊ ÍÌ = 0 ðóá.);OT - äîëÿ â ðàñõîäå ìàòåðèàëîâ âîçâðàòíûõ îòõîäîâ (äëÿ ÂÎÊ dOT = = 0.08);

áÒÇ - êîýôôèöèåíò, ó÷èòûâàþùèé òðàíñïîðòíî-çàãîòîâèòåëüíûé ðàáîòû (áÒÇ = 0.1).

Çàòðàòû íà ìàòåðèàëû äëÿ ïðîåêòíîãî è áàçîâîãî âàðèàíòà:

ÈÌ = 0.1∙(1-0.08)∙(1+0.01)∙12∙5000 = 6 072 ðóá.

Çàòðàòû íà çàðàáîòíóþ ïëàòó ñ íà÷èñëåíèÿìè íàõîäèì ïî ôîðìóëå:

 (7.4.3)

ãäå ÇÒ - ÷àñîâàÿ òàðèôíàÿ ñòàâêà äåôåêòîñêîïèñòà (ÇÒ = 27.7 ðóá.);

ÊÓ - êîýôôèöèåíò, ó÷èòûâàþùèé óñëîâèÿ òðóäà êîíòðîë¸ðîâ (ÊÓ = 0 - äëÿ ÂÎÊ);

ÊÏi - êîýôôèöèåíò ïðåìèðîâàíèÿ ïî i-é îïåðàöèè 0.4 - 0.5 (ÊÏi = 0.5);

ÊÄ - êîýôôèöèåíò ó÷èòûâàþùèé ïðåìèè, äîïîëíèòåëüíóþ çàðàáîòíóþ ïëàòó (ÊÄ = 0.1);

ÊÑÑ - êîýôôèöèåíò, ó÷èòûâàþùèé îò÷èñëåíèÿ â ôîíä ñîöèàëüíîé çàùèòû (ÊÑÑ = 0.26);

ÊÒ - òàðèôíûé êîýôôèöèåíò ðàçðÿäà ïî îïåðàöèÿì (ÊÒ = 1.407 - êîíòðîëü (6-îé ðàçðÿä));

ÊÍ - êîýôôèöèåíò äîïëàò ê òàðèôíîé ñòàâêå çà ðàáîòó â íî÷íîå âðåìÿ (ÊÍ = 0.1).

Çàòðàòû íà çàðàáîòíóþ ïëàòó ñ íà÷èñëåíèÿìè:

áàçîâûé: ÈÇ = 3.9/60∙27.7∙1.407∙(1+0.5)∙(1+0.1)∙(1+0.26)∙(1+0.1)∙5000 = = 28 224 ðóá.;

ïðîåêòíûé: ÈÇ = 3.3/60∙27.7∙1.407∙(1+0.5)∙(1+0.1)∙(1+0.26)∙(1+0.1)∙5000 = 24 510 ðóá.

Ãîäîâûå èçäåðæêè ïîòðåáëÿåìîé ýëåêòðîýíåðãèè ðàññ÷èòûâàåì ïî ôîðìóëå:

,   (7.4.4)

ãäå Wi - ìîùíîñòü èñòî÷íèêà, êÂò (Rovver 400 - 0.07 êÂò, Ïðîåêòèðóåìîå óñòðîéñòâî - 0.015 êÂò);

ÊW - êîýôôèöèåíò, ó÷èòûâàþùèé èñïîëüçîâàíèå ìîùíîñòè (ÊW = 0.8);

ÊÒ - êîýôôèöèåíò, ó÷èòûâàþùèé èñïîëüçîâàíèå âî âðåìåíè (ÊÒ = 0.7);

ÊÏ - êîýôôèöèåíò, ó÷èòûâàþùèé ïîòåðè â çàâîäñêîé ñåòè (ÊÏ = 1.05);

h - êîýôôèöèåíò ïîëåçíîãî äåéñòâèÿ ýëåêòðîóñòàíîâêè (h = 0.9);

ÐÝ - öåíà îäíîãî êÂò×÷, ðóá. (ÐÝ = 3 ðóá.).

Ãîäîâûå èçäåðæêè ïîòðåáëÿåìîé ýëåêòðîýíåðãèè:

- áàçîâûé:  ðóá.;

ïðîåêòíûé:  ðóá.

Ðàññ÷èòàåì ãîäîâûå èçäåðæêè íà ðåìîíò îáîðóäîâàíèÿ (ïåðåíîñíîãî) ïî ôîðìóëå:

. (7.4.5)

Ãîäîâûå èçäåðæêè íà ðåìîíò îáîðóäîâàíèÿ (ïåðåíîñíîãî):

áàçîâûé: ÈÐÎ = (30∙27.7∙166) ∙ 0.11 + 0.33∙37 950 = 27 698 ðóá.;

ïðîåêòíûé: ÈÐÎ = (30∙27.7∙166) ∙ 0.1 + 0.33∙6 938 = 16 084 ðóá.

Çàòðàòû íà ðåìîíò è ñîäåðæàíèå çäàíèé íàõîäèì ïî ôîðìóëå:

,  (7.4.6)

ãäå ÍÐÇ - íîðìàòèâ çàòðàò íà ñîäåðæàíèå è ðåìîíò çäàíèé 2.2 - 3% (ÍÇÄ = = 3%). Çàòðàòû íà ðåìîíò è ñîäåðæàíèå çäàíèé:

áàçîâûé: ÈÐÇ = (13 640∙3)/100 = 409 ðóá.;

ïðîåêòíûé: ÈÐÇ = (12 400∙3)/100 = 372 ðóá.

Ãîäîâûå íàêëàäíûå ðàñõîäû ñêëàäûâàþòñÿ èç çàòðàò íà óïðàâëåíèå (ÈÓ), îñâåùåíèå (ÈÎÑ), âîäó íà áûòîâûå íóæäû (ÈÁÂ), òåïëîýíåðãèè íà ãîðÿ÷óþ âîäó (ÈÃÂÒÝ), îòîïëåíèå (ÈÎÒÒÝ), âåíòèëÿöèþ (ÈÂÒÒÝ):

. (7.4.7)

Çàòðàòû íà óïðàâëåíèå íàéäåì ïî ôîðìóëå:

,     (7.4.8)

ãäå ÊÊÓ - êîýôôèöèåíò, ó÷èòûâàþùèé êîñâåííûå ðàñõîäû ïî óïðàâëåíèþ îò 0.2 - 0.3 (ÊÊÓ = 0.3).

Çàòðàòû íà óïðàâëåíèå:

áàçîâûé: ÈÓ = 92 100∙0.3 = 8 467 ðóá.;

ïðîåêòíûé: ÈÓ = 24 510∙0.3 = 7 353 ðóá.

Çàòðàòû íà îñâåùåíèå íàéäåì ïî ôîðìóëå:

,       (7.4.9)

ãäå WS - íîðìà îñâåùåííîñòè 0.02 - 0.036 êÂò/ì2 (WS = 0.036 êÂò/ì2);- ïëîùàäü çäàíèé ïðîèçâîäñòâåííûõ è ñëóæåáíî-áûòîâûõ, ì2 (S = 40 ì2);

FÄ - ãîäîâîé äåéñòâèòåëüíûé ôîíä ðàáîòû îáîðóäîâàíèÿ, ÷.

Çàòðàòû íà îñâåùåíèå:

áàçîâûé: ÈÎÑ = 3∙0.036∙40∙3.9/60∙5000 = 1 368 ðóá.

ïðîåêòíûé: ÈÎÑ = 3∙0.036∙40∙3.3/60∙5000 = 1 188 ðóá.;

Çàòðàòû íà âîäó íà áûòîâûå íóæäû íàéäåì ïî ôîðìóëå:

,         (7.4.10)

ãäå ÐÁÂ - öåíà âîäû íà áûòîâûå íóæäû 1.46 - 1.52 (ÐÁÂ = 1.5 ðóá./ì3);

ÍÁÐ - íîðìà ðàñõîäà âîäû íà áûòîâûå íóæäû çà ñóòêè íà îäíîãî ðàáîòíèêà, ì3ÁÐ = 0.025 ì3);

×Ð - ÷èñëåííîñòü ðàáî÷èõ, ÷åë.

Çàòðàòû íà âîäó íà áûòîâûå íóæäû äëÿ ïðîåêòíîãî è áàçîâîãî âàðèàíòà:

ÈÁÂ = 1.5∙0.025∙1∙250 = 9 ðóá.

Çàòðàòû òåïëîýíåðãèè íà òåïëóþ âîäó íàéäåì ïî ôîðìóëå:

,   (7.4.11)

ãäå ÐÒÝ - öåíà (òàðèô) çà òåïëîýíåðãèþ 496 - 558 (ÐÒÝ= 558 ðóá./ Ãêàë);ÂÒÕ - óäåëüíàÿ òåïëîâàÿ õàðàêòåðèñòèêà âîäû, êêàë/ì3∙÷ ºÑ (qÂÒÕ = 1 êêàë/ì3∙÷ ºÑ);à- îáúåì ïîòðåáëåíèÿ âîäû ãîðÿ÷åé çà ÷àñ, ë (Và- îïðåäåëÿåòñÿ èç ðàñ÷åòà 3 ë íà îäíîãî ðàáîòàþùåãî);ÂÃ, tÂÕ - òåìïåðàòóðà ãîðÿ÷åé âîäû â ñèñòåìå, ºÑ (ïðèíèìàåòñÿ tÂà = +65 ºÑ), õîëîäíîé âîäû (ïðèíèìàåòñÿ tÂÕ = +5 ºÑ);à- ïåðèîä òåïëîñíàáæåíèÿ ãîðÿ÷åé âîäîé, ÷ (Fà= FÑÌ ÊÑÌ DÐ).

Çàòðàòû òåïëîýíåðãèè íà òåïëóþ âîäó äëÿ ïðîåêòíîãî è áàçîâîãî âàðèàíòà:

ÈÃÂÒÝ = 558∙1∙(65-5)∙10-6∙3∙8∙2∙248 = 398 ðóá.

Çàòðàòû íà îòîïëåíèå íàéäåì ïî ôîðìóëå:

,         (7.4.12)

ãäå qÇÄÒÕ - óäåëüíàÿ òåïëîâàÿ õàðàêòåðèñòèêà çäàíèÿ 0.3 - 0.4 êêàë/ì3∙÷ ºÑ (qÇÄÒÕ = 0.40 êêàë/ì3∙÷ ºÑ);ÇÄ - îáúåì çäàíèÿ ïî íàðóæíîìó îáìåðó, ì3 (VÇÄ = SH, ãäå âûñîòà Í = 4 ì);ÇÄÂÍ, tÇÄÍ - òåìïåðàòóðà âîçäóõà âíóòðè ïîìåùåíèÿ, ñ íàðóæè, ºÑ (tÇÄÂÍ = +20 ºC, tÇÄÍ = - 10 ºC);ÎÒ - îòîïèòåëüíûé ïåðèîä çà ãîä, ÷ (FÎÒ = 4320 ÷).

Çàòðàòû íà îòîïëåíèå äëÿ ïðîåêòíîãî è áàçîâîãî âàðèàíòà:

ÈÎÒÒÝ = 558∙0.40∙(20+10)∙10-6∙(40∙4)∙4320 = 4 628 ðóá.

Çàòðàòû íà âåíòèëÿöèþ íàéäåì ïî ôîðìóëå:

, (7.4.13)

ãäå qÂÒÒÕ - óäåëüíàÿ òåïëîâàÿ õàðàêòåðèñòèêà âåíòèëÿöèè çäàíèÿ, 0.12 - 0.15 êêàë/ì3∙÷ ºÑ (qÂÒÒÕ = 0.15 êêàë/ì3∙÷ ºÑ);ÂÒÂÍ, tÂÒÍ - òåìïåðàòóðà âîçäóõà âûòÿæíîãî, ñ íàðóæè, ºÑ (tÂÒÂÍ = +20 ºC, tÂÒÍ = - 1.5 ºC);ÂÒ - ïåðèîä ðàáîòû âåíòèëÿöèîííîé ñèñòåìû çà ãîä 1100-1200 (FÂÒ = 1200 ÷.);

ÊÏÒÝ - êîýôôèöèåíò, ó÷èòûâàþùèé ïîòåðè òåïëîýíåðãèè (ÊÏÒÝ = 1.18).

Çàòðàòû íà âåíòèëÿöèþ äëÿ ïðîåêòíîãî è áàçîâîãî âàðèàíòà:

ÈÂÒÒÝ = 558∙0.15∙(20+1.5)∙10-6∙(40∙4)∙1200∙1.18 = 408 ðóá.

Ãîäîâûå íàêëàäíûå ðàñõîäû ðàññ÷èòàåì ñ ó÷åòîì êîýôôèöèåíòà çàíÿòîñòè:

áàçîâûé: ÈÍÐ = 8 467+(1 368+9+398+4 628+408)∙0.11 = 9 216 ðóá.;

ïðîåêòíûé: ÈÍÐ = 7 353+(1 188+9+398+4 628+408)∙0.1 = 8 016 ðóá.

Ãîäîâûå òåêóùèå èçäåðæêè:

áàçîâûé: È = 6 072+28 224+43+27 698+409+9 216 = 71 662 ðóá.;

ïðîåêòíûé: È = 6 072+24 510+8+16 084+372+8 016 = 55 062 ðóá.

Ãîäîâûå èçäåðæêè íà êîíòðîëü ïðèâåäåíû â òàáëèöå 7.4.1.

Òàáëèöà 7.4.1 - Ãîäîâûå èçäåðæêè íà êîíòðîëü

Íàèìåíîâàíèå çàòðàò

Çíà÷åíèå ïî âàðèàíòàì, ðóá.


Áàçîâûé

Ïðîåêòíûé

Çàòðàòû íà ìàòåðèàëû

6 072

6 072

Çàòðàòû íà çàðàáîòíóþ ïëàòó

28 224

24 510

Çàòðàòû íà ýëåêòðîýíåðãèþ

43

8

Çàòðàòû íà ðåìîíò è ñîäåðæàíèå îáîðóäîâàíèÿ

27 698

16 084

Çàòðàòû íà ðåìîíò è ñîäåðæàíèå çäàíèé

409

372

Çàòðàòû íà íàêëàäíûå ðàñõîäû

9 216

8 016

Èòîãî

71 662

55 062


7.5 Ðàñ÷åò ïîòåðü îò ïîãðåøíîñòåé êîíòðîëÿ

Òåõíè÷åñêèå ðåøåíèÿ, íàïðàâëåííûå íà ñíèæåíèå ïîãðåøíîñòåé èçìåðåíèé è êîíòðîëÿ êà÷åñòâà, ïîçâîëÿþò ñíèçèòü ïîòåðè îò îøèáîê ïåðâîãî è âòîðîãî ðîäà, à òàêæå â íåêîòîðûõ ñëó÷àÿõ ïîëó÷àòü äîïîëíèòåëüíóþ ýêîíîìèþ (ýôôåêò) îò ïîâûøåíèÿ öåíû îáúåêòà êîíòðîëÿ çà ñ÷åò ïîëó÷åíèÿ ãàðàíòèðîâàííîãî ïîâûøåíèÿ åãî êà÷åñòâà. Ãîäîâàÿ ñóììà ïîòåðü îò ïîãðåøíîñòåé èçìåðåíèÿ è êîíòðîëÿ ïî ñðàâíèâàåìûì âàðèàíòàì ñêëàäûâàåòñÿ èç ñëåäóþùèõ ýëåìåíòîâ:

,   (7.5.1)

ãäå ÏÃÄ - ïîòåðè îò îøèáîê ïåðâîãî ðîäà, ñâÿçàííûõ ñ ïðèçíàíèåì îáúåêòîâ êîíòðîëÿ äåôåêòíûìè, êîòîðûå â äåéñòâèòåëüíîñòè ÿâëÿþòñÿ ãîäíûìè, ðóá.;

ÏÄÃ - ïîòåðè îò îøèáîê âòîðîãî ðîäà, ñâÿçàííûõ ñ ïðèçíàíèåì îáúåêòîâ êîíòðîëÿ ãîäíûìè, êîòîðûå â äåéñòâèòåëüíîñòè ÿâëÿþòñÿ äåôåêòíûìè, ðóá.

,      (7.5.2)

     (7.5.3)

ãäå ÐÃÄ, ÐÄà - âåðîÿòíîñòü (÷àñòîòà) îøèáîê ïåðâîãî, âòîðîãî ðîäà;

ÇÃÄ, ÇÄÃ - ñðåäíèå óäåëüíûå çàòðàòû (ïîòåðè) íà îáúåêò êîíòðîëÿ îò îøèáîê ïåðâîãî, âòîðîãî ðîäà, ðóá.

Âåëè÷èíà âåðîÿòíîñòè (÷àñòîòû) ïîÿâëåíèÿ îøèáîê 1-ãî è 2-ãî ðîäà óñòàíàâëèâàåòñÿ íà îñíîâå èìåþùèõñÿ ñòàòèñòè÷åñêèõ äàííûõ èëè îïðåäåëÿòñÿ àíàëèòè÷åñêè ñ èñïîëüçîâàíèåì òàáëè÷íûõ çíà÷åíèé ôóíêöèè ñòàíäàðòíîãî íîðìàëüíîãî ðàñïðåäåëåíèÿ Ô(õ) ïî ñëåäóþùèì ôîðìóëàì:

,         (7.5.4)

,         (7.5.5)

ãäå DÒ - ïîëîâèííàÿ âåëè÷èíà äîïóñêà (DÒ = DÄ / 2), ñèììåòðè÷íî ðàñïîëîæåííîãî îò öåíòðà ðàññåèâàíèÿ (íîìèíàëà) ïàðàìåòðà êîíòðîëÿ (DÒ = 0.9);

óÒÅÕ - ñðåäíåêâàäðàòè÷åñêîå îòêëîíåíèå ïàðàìåòðà êîíòðîëÿ (áàçîâûé óÒÅÕ = 0.30 ìì, ïðîåêòíûé óÒÅÕ = 0.27 ìì);Ä - ïîãðåøíîñòü èçìåðåíèÿ, èìåþùàÿ íîðìàëüíîå ðàñïðåäåëåíèå ñî ñðåäíåêâàäðàòè÷åñêèì îòêëîíåíèåì óZ (áàçîâûé ZÄ = 0.40 ìì, ïðîåêòíûé ZÄ = = 0.38 ìì);

Ô - çíà÷åíèå ôóíêöèè íîðìèðîâàííîãî íîðìàëüíîãî ðàñïðåäåëåíèÿ îò âû÷èñëåííîãî ïàðàìåòðà.

Íàéäåì çíà÷åíèÿ îøèáîê ïåðâîãî è âòîðîãî ðîäà ñîîòâåòñòâåííî:

ïðîåêòíûé:

;

;

áàçîâûé:

;

.

Âûáîð âàðèàíòà ðàñ÷åòà óäåëüíûõ çàòðàò (ïîòåðü) îò ïåðåáðàêîâêè (ÇÃÄ) ìû äåëàåì ñ ó÷åòîì âàæíîñòè è îòâåòñòâåííîñòè îáúåêòà êîíòðîëÿ, òåõíîëîãè÷åñêèõ âîçìîæíîñòåé è ýêîíîìè÷åñêîé öåëåñîîáðàçíîñòè.

Ïðèíèìàåì âàðèàíò âîññòàíîâëåíèÿ - ðåìîíò äåôåêòíîãî ó÷àñòêà òðóáû. Äëÿ îñóùåñòâëåíèÿ ðåìîíòà íåîáõîäèìî âûïîëíèòü ñëåäóþùèå îïåðàöèè ïðè ëîæíî çàáðàêîâàííîé ïðîäóêöèè:

à) âûñâåðëèâàíèå äåôåêòíîãî ó÷àñòêà òðóáû;

á) çàâàðèâàíèå ó÷àñòêà;

â) ïîâòîðíûé êîíòðîëü.

Òàêèì îáðàçîì ñðåäíèå çàòðàòû íà åäèíèöó ëîæíî çàáðàêîâàííîé ïðîäóêöèè íàéäåì ïî ôîðìóëå:

,  (7.5.6)

ãäå Ñ - ñåáåñòîèìîñòü âûñâåðëèâàíèÿ 1 ìåòðà äåôåêòíîãî ó÷àñòêà ñâàðíîãî øâà, ðóá./ì (Ñ = 62 ðóá./ì);

ÑÇ - ñåáåñòîèìîñòü çàâàðèâàíèÿ 1 ìåòðà äåôåêòíîãî ó÷àñòêà ñâàðíîãî øâà, ðóá./ì (Ñ = 180 ðóá./ì);

LÐ - óñëîâíàÿ ïðîòÿæåííîñòü äåôåêòíîãî ó÷àñòêà ñâàðíîãî øâà, ì (LÐ = 0.1 ì);

ÅÍ - íîðìàòèâíûé êîýôôèöèåíò ýôôåêòèâíîñòè (ÅÍ = 0.1).

Ñðåäíèå çàòðàòû íà åäèíèöó ëîæíî çàáðàêîâàííîé ïðîäóêöèè:

- áàçîâûé:  ðóá.;

ïðîåêòíûé:  ðóá.

Çàòðàòû îò íåäîáðàêîâêè íàéäåì ïî ôîðìóëå:

,        (7.5.7)

ãäå ÐÎÊ - ñòîèìîñòü îáúåêòà êîíòðîëÿ, ðóá. (ÐÎÊ = 1500 ðóá.)

ÊÒÐ - ñòàâêà òðàíñïîðòíûõ ðàñõîäîâ â ïðåäåëàõ 0.05 - 0.1 (ÊÒÐ = 0.1).

Çàòðàòû îò íåäîáðàêîâêè:

áàçîâûé: ÇÄÃ = 26 + 1500∙0.1 = 176 ðóá.;

ïðîåêòíûé: ÇÄÃ = 25 + 1500∙0.1 = 175 ðóá.

 ðåçóëüòàòå ãîäîâûå çàòðàòû ñîñòàâÿò:

áàçîâûé: ÏÃÄ = 0.0962∙26∙5000 = 12506 ðóá.; ÏÄÃ = 0.00264∙176∙5000 = = 2323 ðóá.;

ïðîåêòíûé: ÏÃÄ = 0.05039∙25∙5000 = 6300 ðóá.; ÏÄÃ = =0.00075∙175∙5000 = 656 ðóá.

Ðåçóëüòàòû ãîäîâûõ çàòðàò îò ïîãðåøíîñòåé èçìåðåíèé ïðèâåäåíû â òàáëèöå 7.5.1.

Òàáëèöà 7.5.1 - Ãîäîâûå ïîòåðè îò ïîãðåøíîñòåé èçìåðåíèé

Íàèìåíîâàíèå ïîòåðü

Çíà÷åíèå ïî âàðèàíòàì, ðóá.


Áàçîâûé

Ïðîåêòíûé

Ïîòåðè îò îøèáîê ïåðâîãî ðîäà

12 506

6 300

Ïîòåðè îò îøèáîê âòîðîãî ðîäà

2 323

656

Èòîãî

14 829

6 956

.6 Ðàñ÷åò ïîêàçàòåëåé ýôôåêòèâíîñòè

Ãîäîâûå íåèçìåííûå (ïðèâåäåííûå) çàòðàòû ðàññ÷èòûâàþòñÿ ïî ôîðìóëå

     (7.6.1)

ãäå ÅÍ - íîðìàòèâ ïðèâåäåíèÿ ðàçíîâðåìåííûõ çàòðàò, ÷èñëåííî ðàâíûé íîðìàòèâó ýôôåêòèâíîñòè êàïèòàëüíûõ âëîæåíèé (ÅÍ = 0.1);

ði - íîðìà ðåíîâàöèè ñðåäñòâ.

Íîðìà ðåíîâàöèè ðàññ÷èòûâàåòñÿ ïî ôîðìóëå:

,      (7.6.2)

ãäå tÑË - ñðîê ñëóæáû, ëåò.

Íàéäåì íîðìû ðåíîâàöèè:

çäàíèÿ: ;

îáîðîòíûå ñðåäñòâà: ;

ñîöèàëüíàÿ ñôåðà: ;

ïðîåêòèðîâàíèå: .

Ãîäîâûå íåèçìåííûå çàòðàòû áóäóò ðàâíû:

áàçîâûé: ÇÃ = 0.1∙92 810 + 37950∙0.087 + 13640∙0.0022 + 6 250∙0.1638 + 40920∙0.0061 + 71 662 + 14829 = 99 402 ðóá.;

ïðîåêòíûé: ÇÃ = 0.1∙88 145+ 6938∙0.087 + 12400∙0.0022 + 6 250∙0.1638 + 37200∙0.0061 + 300∙0.1638 + 55 062 + 6 956 = 83 074 ðóá.

Ãîäîâîé ýêîíîìè÷åñêèé ýôôåêò ðàññ÷èòàåì ïî ôîðìóëå:

ÝÃ = ÇÁÃ - ÇÏÃ.                           (7.6.3)

Ãîäîâîé ýêîíîìè÷åñêèé ýôôåêò:

ÝÃ = 99 402 - 83 074 = 16 328 ðóá.

Òåõíèêî-ýêîíîìè÷åñêèå ïîêàçàòåëè ñðàâíèâàåìûõ âàðèàíòîâ ïðèâåäåíû â òàáëèöå 7.6.1.

Òàáëèöà 7.6.1 - Òåõíèêî-ýêîíîìè÷åñêèå ïîêàçàòåëè ñðàâíèâàåìûõ âàðèàíòîâ

Íàèìåíîâàíèå ïîêàçàòåëåé

Çíà÷åíèÿ ïî âàðèàíòàì, ðóá.


Áàçîâûé

Ïðîåêòíûé

1. Ãîäîâàÿ ïðîãðàììà êîíòðîëÿ ÀÃ, øò.

5000

5000

2. Íîðìà øòó÷íî-êàëüêóëÿöèîíí. âðåìåíè tØÊ, ìèí.

3.8

3.3

3. Ïîòðåáëÿåìàÿ ìîùíîñòü ñðåäñòâ êîíòðîëÿ Wi, Âò.

70

15

4. Äîñòîâåðíîñòü êîíòðîëÿ.

0,9012

0.9589

5. Åäèíîâðåìåííûå çàòðàòû Ê, òûñ. ðóá.

92

88

6. Ãîäîâûå òåêóùèå èçäåðæêè È, òûñ. ðóá.

72

55

7. Ãîäîâûå ïîòåðè îò ïîãð. èçìåðåíèé Ï, òûñ. ðóá.

15

7

8. Ãîäîâûå ïðèâåäåííûå çàòðàòû ÇÃ, òûñ. ðóá.

99

83

9. Ãîäîâîé ýêîíîìè÷åñêèé ýôôåêò ÝÃ, òûñ. ðóá.

-

16


7.7 Âíåäðåíèå â ïðîèçâîäñòâî êîìïëåêñà äëÿ òåëåèíñïåêöèè òðóá

Âíåäðåíèå óñòðîéñòâà äëÿ òåëåèíñïåêöèè òðóá, ïðåäóñìàòðèâàåò âûïîëíåíèå ýòàïîâ ïðèâåäåííûõ â òàáëèöå 7.7.1.

Òàáëèöà 7.7.1 - Ìîäåëü îðãàíèçàöèè âíåäðåíèÿ â ïðîèçâîäñòâî ðàçðàáîòàííîãî óñòðîéñòâà äëÿ òåëåèíñïåêöèè òðóá

Ýòàïû âíåäðåíèÿ ìîäåðíèçèðîâàííîãî ïðèáîðà

Èñïîëíèòåëü

Âðåìÿ, äíè

1. Ñáîðêà óñòðîéñòâà ïî ÷åðòåæàì

Ðàáî÷èé ïî ìîíòàæó

5

2. Îðãàíèçàöèÿ ìåñòà êîíòðîëÿ

Íà÷. ÎÒÊ

-

3. Óñòàíîâêà ïðèáîðà íà ðàáî÷åì ìåñòå

Ðàáî÷èé

-

4. Ïîâåðêà ðàçðàáîòàííîãî óñòðîéñòâà

Èíæåíåð-ìåòðîëîã

7

5. Îçíàêîìëåíèå îáñëóæèâàþùåãî ïåðñîíàëà: ñ òåõíè÷åñêîé; äîêóìåíòàöèåé è ìåòîäèêàìè êîíòðîëÿ

Âåäóùèé ñïåöèàëèñò ÎÒÊ

3

6. Îáó÷åíèå ïåðñîíàëà ðàáîòå ñ êîìïëåêñîì

Âåäóùèé ñïåöèàëèñò ÎÒÊ

3

7. Îçíàêîìëåíèå ïåðñîíàëà ñ áåçîïàñíûìè ìåòîäàìè ðàáîòû

Èíæåíåð ïî ÒÁ

1

8. Îðãàíèçàöèÿ õðàíåíèÿ îñíîâíûõ óçëîâ êîìïëåêñà

Èíæåíåð ÎÒÊ

3

9. Îðãàíèçàöèÿ òåõíè÷åñêîãî îáñëóæèâàíèÿ è ðåìîíòà â ñëó÷àå îáíàðóæåíèÿ íåèñïðàâíîñòåé

Ñïåöèàëèñò ïî ðåìîíòó

2

Èòîãî

-

24


Íà îñíîâàíèè ýêîíîìè÷åñêîãî îáîñíîâàíèÿ ðàçðàáîòêè äàííîãî êîìïëåêñà ìîæíî ñäåëàòü âûâîä, ÷òî âíåäðåíèå êîìïëåêñà äëÿ òåëåèíñïåêöèè òðóá äàåò ïîëîæèòåëüíûé ýêîíîìè÷åñêèé ýôôåêò (16 328 ðóá.).

Ïîëîæèòåëüíûé ýêîíîìè÷åñêèé ýôôåêò ïîëó÷åí â ðåçóëüòàòå:

óìåíüøåíèÿ òðóäîåìêîñòè êîíòðîëÿ çà ñ÷åò óìåíüøåíèÿ ïîäãîòîâèòåëüíî-çàêëþ÷èòåëüíîãî âðåìåíè, îñíîâíîãî âðåìåíè è âðåìåíè íà îáñëóæèâàíèå ðàáî÷åãî ìåñòà;

óìåíüøåíèÿ åäèíîâðåìåííûõ çàòðàò â ñâÿçè ñ óìåíüøåíèåì çàòðàò â îáîðóäîâàíèè;

óìåíüøåíèÿ ãîäîâûõ òåêóùèõ èçäåðæåê èç-çà ñîêðàùåíèÿ ðàñõîäîâ íà çàðàáîòíóþ ïëàòó, ýëåêòðîýíåðãèþ, ðåìîíò è ñîäåðæàíèå îáîðóäîâàíèÿ è çäàíèé, à òàê æå ðàñõîäîâ íà óïðàâëåíèå.

Çàêëþ÷åíèå

 ïðîöåññå ðàáîòû íàä òåõíè÷åñêèì çàäàíèåì áûëî ðàçðàáîòàíî óñòðîéñòâî äëÿ òåëåèíñïêöèè òðóá - ìàëîãàáàðèòíûé âèäåîêðîóëåð.

Áûë ïðîèçâåäåí àíàëèç: îáúåêòà êîíòðîëÿ, âîçìîæíûõ äåôåêòîâ, ñóùåñòâóþùèõ òåõíîëîãèé âèçóàëüíîãî-îïòè÷åñêîãî îñìîòðà, à òàêæå òåõíè÷åñêèõ ñðåäñòâ äëÿ ïðîâåäåíèÿ òåëåèíñïåêöèè. Ñôîðìóëèðîâàíû îñíîâíûå çàäà÷è äëÿ äàëüíåéøåãî ïðîåêòèðîâàíèÿ.

Áûëî ïðèíÿòî ðåøåíèå î ðàñøèðåíèè âîçìîæíîñòåé óñòðîéñòâà ïî äèàãíîñòèêå îáúåêòîâ íåôòåãàçîâîé îòðàñëè, ïóò¸ì óñòàíîâêè íà íåãî äàò÷èêà ãîðþ÷èõ ãàçîâ è ïàðîâ æèäêèõ óãëåâîäîðîäîâ. Ïîñëå àíàëèçà îñíîâíûõ òèïîâ ãàçîàíàëèòè÷åñêèõ äàò÷èêîâ, áûëî ïðèíÿòî ðåøåíèå îá óñòàíîâêå ïîëóïðîâîäíèêîâîãî äàò÷èêà ãîðþ÷èõ ãàçîâ.

Ïîñëå ðàçðàáîòêè ñòðóêòóðíîé ñõåìû óñòàíîâêè êîíòðîëÿ, áûë ñïðîåêòèðîâàí ìàëîãàáàðèòíûé âèäåîêðîóëåð.  ïðîöåññå ïðîåêòèðîâàíèÿ áûëè ïðîèçâåäåíû íåîáõîäèìûå ðàñ÷¸òû ïî ìåõàíè÷åñêîé è ýëåêòðîííîé ÷àñòè óñòðîéñòâà. Êðîìå òîãî, áûëà ïîäîáðàíà êîíêðåòíàÿ ìîäåëü äàò÷èêà ãîðþ÷èõ ãàçîâ è ïîðòàòèâíûé ãàçîàíàëèçàòîð ê íåìó.

Áûëà ðàçðàáîòàíà ìåòîäèêà ïðîâåäåíèÿ êîíòðîëÿ, à òàêæå ìåòîäèêà ïîâåðêè èñïîëüçóåìîãî â óñòðîéñòâå ïðèáîðà - ñèãíàëèçàòîðà ãîðþ÷èõ ãàçîâ «Ñèãíàë-02». Ñîãëàñíî ñòàíäàðòàì îïðåäåëåíû îñíîâíûå òðåáîâàíèÿ ê îðãàíèçàöèè ëàáîðàòîðèè íåðàçðóøàþùåãî êîíòðîëÿ è êâàëèôèêàöèîííûå òðåáîâàíèÿ ê ïåðñîíàëó ëàáîðàòîðèè äëÿ ðåàëèçàöèè êîíòðîëÿ è äèàãíîñòèðîâàíèÿ ðàññìàòðèâàåìûõ îáúåêòîâ.

 ðàçäåëå «Áåçîïàñíîñòü è ýêîëîãè÷íîñòü ïðîåêòà» áûëè îïðåäåëåíû îñíîâíûå âðåäíûå è îïàñíûå ôàêòîðû ïðè ðàáîòå ñ ïðîåêòèðóåìûì óñòðîéñòâîì. Äàíû íåêîòîðûå ðåêîìåíäàöèè ïî óñòðàíåíèþ ýòèõ ôàêòîðîâ. Ðàçðàáîòàíû ðåêîìåíäàöèè ïî áåçîïàñíîé ýêñïëóàòàöèè äàííîãî óñòðîéñòâà, ÷òî óìåíüøàåò ïîòåíöèàëüíóþ îïàñíîñòü ïðè îáðàùåíèè ñ íèì. Òàêæå äàíû ðåêîìåíäàöèè ïî ïðîòèâîïîæàðíûì ìåðîïðèÿòèÿì, ïðîèçâîäñòâåííîé ñàíèòàðèè, îêàçàíèþ ïåðâîé ìåäèöèíñêîé ïîìîùè.

Ñïðîåêòèðîâàííîå óñòðîéñòâî ïî êîíñòðóêöèè è âîçìîæíîñòÿì óñòóïàåò ñâîèì çàðóáåæíûì àíàëîãàì, îäíàêî ïî ñòîèìîñòè äëÿ êîíå÷íîãî ïîòðåáèòåëÿ â ÐÁ ïðåâîñõîäèò. Íà îñíîâàíèè ýêîíîìè÷åñêîãî îáîñíîâàíèÿ ðàçðàáîòêè äàííîãî êîìïëåêñà, ìîæíî ñäåëàòü âûâîä, ÷òî âíåäðåíèå äàííîãî êîìïëåêñà äëÿ òåëåèíñïåêöèè òðóá, äàåò ïîëîæèòåëüíûé ãîäîâîé ýêîíîìè÷åñêèé ýôôåêò (16 òûñ. ðîññèéñêèõ ðóá.).

 ïðîöåññå ðàáîòû íàä äèïëîìíûì ïðîåêòîì áûëî îñâîåíî òð¸õìåðíîå ìîäåëèðîâàíèå, à òàêæå ïðîöåññ àâòîìàòèçàöèè ñîçäàíèÿ êîíñòðóêòîðñêîé äîêóìåíòàöèè â ÑÀÏÐ Êompas 3D. Òàêæå çàêðåïëåíû íàâûêè ïî ðàáîòå â âû÷èñëèòåëüíîé ñèñòåìå ÌathCAD.

Ñïèñîê ëèòåðàòóðû

1.   Áóñóðèí, Â.È. Âîëîêîííî-îïòè÷åñêèå äàò÷èêè. Ôèçè÷åñêèå îñíîâû, âîïðîñû ðàñ÷¸òà è ïðèìåíåíèÿ / Â.È. Áóñóðèí, Þ.Ð. Íîñîâ. - Ì.: Ýíåðãîàòîìèçäàò, 1990. - 256 ñ.

2.      ÃÎÑÒ 10705-80. Òðóáû ñòàëüíûå ýëåêòðîñâàðíûå. - Ì.: ÈÏÊ Èçä-âî ñòàíäàðòîâ, 1980. - 39 ñ.

.        Þõèí, Í.À. Äåôåêòû ñâàðíûõ øâîâ è ñîåäèíåíèé / Í.À. Þõèí. - Ì.: Ýíåðãîàòîìèçäàò, 2007. - 214 ñ.

.        Ìàðêîâ, Ï.È. Âîëîêîííî-îïòè÷åñêàÿ èíòðîñêîïèÿ / Ï.È. Ìàðêîâ, À.À. Êåòêîâè÷, Ä.Ê. Ñàòàðîâ. - Ë.: Ìàøèíîñòðîåíèå, 1987. - 286 ñ.

.        Ñàéò ÎÀÎ «Ïåðãàì-èíæèíèðèíã». Îáîðóäîâàíèå äëÿ âèçóàëüíî-îïòè÷åñêîé äåôåêòîñêîïèè [Ýëåêòðîí. ðåñóðñ] - Ðåæèì äîñòóïà: www.mirndt.ru

.        Ñàéò «Ìèð ðîáîòîòåõíèêè» [Ýëåêòðîí. ðåñóðñ] - Ðåæèì äîñòóïà: www.roboart.narod.ru

.        ÃÎÑÒ 23479-79. Êîíòðîëü íåðàçðóøàþùèé. Ìåòîäû îïòè÷åñêîãî âèäà. Îáùèå òðåáîâàíèÿ. - Ì.: ÈÏÊ Èçä-âî ñòàíäàðòîâ, 1980. - 270 ñ.

.        Êîòþê, À.Ô. Äàò÷èêè â ñîâðåìåííûõ èçìåðåíèÿõ / À.Ô. Êîòþê. - Ì.: Ðàäèî è ñâÿçü, 2006. - 296 ñ.

.        ÃÎÑÒ Ð 51330.9-99. Ýëåêòðîîáîðóäîâàíèå âçðûâîçàùèù¸ííîå. ×àñòü 10. Êëàññèôèêàöèÿ âçðûâîîïàñíûõ çîí. - Ì.: Èçä-âî ñòàíäàðòîâ, 2001. - 41 ñ.

.        Êîíñòðóèðîâàíèå ðàäèîýëåêòðîííîé àïïàðàòóðû: Ìåòîäè÷åñêèå óêàçàíèÿ ê êóðñîâîé ðàáîòå äëÿ ñòóäåíòîâ çàî÷íîé ôîðìû îáó÷åíèÿ ñïåöèàëüíîñòè 1-54 01 01 «Ìåòîäû è ïðèáîðû êîíòðîëÿ êà÷åñòâà è äèàãíîñòèêè ñîñòîÿíèÿ îáúåêòîâ» / Ñîñò. Â.Ô. Ïîçäíÿêîâ - Ìîãèëåâ: ÃÓÂÏÎ Áåëîðóññêî-Ðîññèéñêèé óíèâåðñèòåò, 2005. - 28 ñ.

.        Ñàéò ÎÄÎ «Ñôåðàòðåéä» [Ýëåêòðîí. ðåñóðñ] - Ðåæèì äîñòóïà: www.secur.by

.        Èâàíîâ, Ì.Í. Äåòàëè ìàøèí: Ó÷åáíèê äëÿ ìàøèíîñòðîèòåëüíûõ ñïåöèàëüíîñòåé âóçîâ / Ì.Í. Èâàíîâ, Â.À. Ôèãåíîâ. - 12-å èçä. èñïð. - Ì.: Âûñø. øê., 2008. - 408.: èë.

.        Ñàéò ÍÏÔ «Ýëåêòðîïðèâîä» [Ýëåêòðîí. ðåñóðñ] - Ðåæèì äîñòóïà: www.electroprivod.ru

.        Ñàéò ÎÄÎ «Ôàðìýê» [Ýëåêòðîí. ðåñóðñ] - Ðåæèì äîñòóïà: http://pharmec.net

.        Ñàéò ÎÎÎ «Ïîëèòåõôîðì-Ì». Àïïàðàòóðà êîíòðîëÿ äëÿ ïðåäîòâðàùåíèÿ òåõíîãåííûõ êàòàñòðîô [Ýëåêòðîí. ðåñóðñ] - Ðåæèì äîñòóïà: www.ptfm.ru

.        Åðìîëîâ, È.Í. Ìåòîäû è ñðåäñòâà íåðàçðóøàþùåãî êîíòðîëÿ êà÷åñòâà / È.Í. Åðìîëîâ, Þ.ß. Îñòàíèí. - Ì.: Âûñø. øê., 1988. - 368 ñ.

.        Ñóäàðèêîâà, Å.Â. Íåðàçðóøàþùèé êîíòðîëü â ïðîèçâîäñòâå: Ó÷åáíîå ïîñîáèå. ÷. 2 / Å.Â. Ñóäàðèêîâà - ÑÏá.: ÃÓÀÏ, 2007. - 137 ñ.

.        Ñóäàðèêîâà, Å.Â. Íåðàçðóøàþùèé êîíòðîëü â ïðîèçâîäñòâå: Ó÷åáíîå ïîñîáèå. ÷. 1 / Å.Â. Ñóäàðèêîâà - ÑÏá.: ÃÓÀÏ, 2007. - 192 ñ.

.        Ïðîõîð÷èê, Í.À. Ñåðòèôèêàöèÿ ïåðñîíàëà â îáëàñòè íåðàçðóøàþùåãî êîíòðîëÿ. Æóðíàë «Ñòàíäàðòèçàöèÿ» ¹1 / Í.À. Ïðîõîð÷èê - Ìí.: ÁåëÃÈÑÑ, 2002. - 80 ñ.

.        ÃÎÑÒ 12.0.003-74 ÑÑÁÒ. Îïàñíûå è âðåäíûå ïðîèçâîäñòâåííûå ôàêòîðû. Êëàññèôèêàöèÿ. - Ì.: Èçäàòåëüñòâî ñòàíäàðòîâ, 1975. - 11 ñ.

.        ÃÎÑÒ 12.1.005-88 ÑÑÁÒ. Îáùèå ñàíèòàðíî-ãèãèåíè÷åñêèå òðåáîâàíèÿ ê âîçäóõó ðàáî÷åé çîíû. - Ì.: Èçäàòåëüñòâî ñòàíäàðòîâ, 1988. - 5 ñ.

.        ßíóøåâñêèé, Â.Ã. Àòëàñ ïåðâîé ìåäèöèíñêîé ïîìîùè / Â.Ã. ßíóøåâñêèé. - Ì.: Ïðîñâåùåíèå, 1986. - 140 ñ.

.        ÃÎÑÒ 12.1.002-84 ÑÑÁÒ. Ýëåêòðè÷åñêèå ïîëÿ ïðîìûøëåííîé ÷àñòîòû. Äîïóñòèìûå óðîâíè íàïðÿæ¸ííîñòè è òðåáîâàíèÿ ê ïðîâåäåíèþ êîíòðîëÿ íà ðàáî÷èõ ìåñòàõ. - Ì. Èçäàòåëüñòâî ñòàíäàðòîâ, 1984. - 11 ñ.

.        ÑÍÁ 2.04.05-98 Åñòåñòâåííîå è èñêóññòâåííîå îñâåùåíèå. - Ìí. Èçäàòåëüñòâî ñòàíäàðòîâ, 1998. - 25 ñ.

.        Àëèñîâ, Í.Â. Ýêîíîìè÷åñêàÿ è ñîöèàëüíàÿ ãåîãðàôèÿ ìèðà / Í.Â. Àëèñîâ, Á.Ñ. Õîðååâ. - Ì.: Ãàðäàðèêè, 2001. - 237 ñ.

.        Ñòàäíèöêèé, Ã.Â. Ýêîëîãèÿ: ó÷åáíèê äëÿ ÂÓÇîâ / Ã.Â. Ñòàäíèöêèé. - ÑÏá: Õèìèçäàò, 2001. - 311 ñ.

.        Áåñôàìèëüíàÿ, Ë.Â. Ýêîíîìè÷åñêàÿ ýôôåêòèâíîñòü ñðåäñòâ èçìåðåíèÿ ïðè êîíòðîëå êà÷åñòâà ïðîäóêöèè / Ë.Â. Áåñôàìèëüíàÿ. - Ì.: Èçä-âî ñòàíäàðòîâ, 1986. - 182 ñ.

.        Îðãàíèçàöèÿ ïðîèçâîäñòâà: ìåòîä. óêàçàíèÿ ê âûïîëíåíèþ êóðñîâîé ðàáîòû äëÿ ñòóäåíòîâ ñïåö. 1-54 01 02 «Ìåòîäû è ïðèáîðû êîíòðîëÿ êà÷åñòâà è äèàãíîñòèêè ñîñòîÿíèÿ îáúåêòîâ» / Ñîñò. À.Ï. Òðåíèõèí - Ìîãèëåâ: ÃÓÂÏÎ Áåëîðóññêî-Ðîññèéñêèé óíèâåðñèòåò, 2008. - 32 ñ.

.        ÃÎÑÒ 2.106-96. ÅÑÊÄ. Îáùèå òðåáîâàíèÿ ê òåêñòîâûì äîêóìåíòàì. - Ì.: Èçä-âî ñòàíäàðòîâ, 1997. - 28 ñ.: èë.

Ðàçìåùåíî íà Allbest.ru

Похожие работы на - Разработка малогабаритного видеокроулера для телеинспекции трубопроводов

 

Не нашли материал для своей работы?
Поможем написать уникальную работу
Без плагиата!
Без нейросетей!