Пути реконструкции и оптимизации систем теплоснабжения

  • Вид работы:
    Курсовая работа (т)
  • Предмет:
    Физика
  • Язык:
    Русский
    ,
    Формат файла:
    MS Word
    678,86 Кб
  • Опубликовано:
    2015-02-05
Вы можете узнать стоимость помощи в написании студенческой работы.
Помощь в написании работы, которую точно примут!

Пути реконструкции и оптимизации систем теплоснабжения

Введение


Большинство жителей России каждый год сталкиваются с проблемами теплоснабжения в связи со своим географическим положением. В настоящее время системы горячего водоснабжения (ГВС) функционируют почти во всех населенных пунктах страны, но все еще являются острыми проблемы регулировки, обслуживания, наладки оборудования, а также его модернизации. Актуальными являются задачи, связанные с модернизацией источников, а также с повышением эффективности транспортировки, распределения и потребления тепловой энергии.

Помимо этого общество находится на стадии, когда активно развивается практика энергосбережения во всех технических сферах. Это не может не коснуться и систем ГВС. Важно отметить, что правильная организация схемы теплоснабжения учреждения, исправность аппаратуры регулирования и инженерных коммуникаций, сами по себе являются мощным инструментом энергосбережения. В данной работе будут также рассмотрены дополнительные приборы и оборудование для сбережения энергетических ресурсов, а как следствие и денежных затрат отдельных жителей и государства в целом, для создания комфорта и удобства в пользовании системами ГВС.

Цель данной работы получить представление о возможных путях реконструкции и оптимизации систем теплоснабжения.

1. Основная часть


1.1     Системы отопления


Системы отопления присоединяются к водяным тепловым сетям по одной из следующих принципиальных схем:

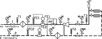
а) по зависимой схеме - с элеватором (рис. 1); с насосным подмешиванием, и непосредственно без подмешивания обратной воды;

б) по независимой схеме - через водяные подогреватели.

Системы отопления жилых и общественных зданий, школ и детских учреждений, а также помещения промышленных предприятий можно присоединять к тепловым сетям по зависимой схеме, если избыточное давление в обратном трубопроводе сети при нормальном или аварийном режимах не превышает 0,6 МПа.

Системы отопления зданий, на тепловом вводе которых разность напоров достаточна для нормальной работы элеватора (с учетом сопротивления системы отопления здания), подсоединяют к тепловой сети по элеваторной схеме.

Рисунок 1 - Схема узла элеваторного присоединения системы отопления к тепловым сетям: FE - теплосчётчик, РР - регулятор расхода прямого действия, М - манометр, ТС - термометр сопротивления, Т - термометр, Э - элеватор.

На рисунке 2 показана структурная схема системы автоматического управления.

Рисунок 2 - Структурная схема системы управления: Корректирующий элемент (КЭ): регулятор расхода прямого действия, управляющий элемент (УЭ): теплосчетчик, исполнительный элемент (ИЭ): элеватор, воспринимающий элемент (ВЭ): манометр и термометр

Равномерность прогрева системы отопления зависит главным образом от расхода воды в системе. Для равномерного прогрева всех нагревательных приборов абонентской сети необходимо обеспечить в системе расчетную циркуляцию теплоносителя (воды), что возможно лишь при нормальной работе подмешивающих устройств на тепловых пунктах (элеваторов или насосов). В двухтрубной системе отопления (отопительные приборы включены параллельно), присоединенной к тепловой сети через элеваторный узел, для этого необходимо, во-первых, снизить до минимума сопротивление самой системы и, во-вторых, использовать весь располагаемый напор на тепловом пункте в сопле для получения максимального коэффициента смешения, равного отношению количества подмешиваемой воды из обратного трубопровода к расходу воды из подающего трубопровода тепловой сети.

Равномерность прогрева нагревательных приборов однотрубных отопительных систем (отопительные приборы включены последовательно) достигается созданием гидравлического режима, не допускающего значительного отклонения расхода воды в системе от расчетного. Рекомендуемое для двухтрубных отопительных систем использование избыточного напора на повышение коэффициента смешения элеватора в однотрубных системах недопустимо, так как повышение расхода воды в однотрубной системе сверх расчетного приводит к поэтажной тепловой разрегулировке.

Расход сетевой воды через отопительную систему должен регулироваться таким образом, чтобы температура воды после системы не превышала заданного значения.

Это достигается соответствующей настройкой регулятора расхода, при которой обеспечивается заданный перепад давлений до и после системы, как это показано на рисунке 1, или до и после специальной дроссельной диафрагмы, установленной на подающем или обратном трубопроводах.

В случаях, когда на подающем трубопроводе теплового пункта установлен регулятор давления расход воды через систему теплопотребления регулируется настройкой указанных регуляторов на соответствующий перепад давлений в подающем и обратном трубопроводах.

Температура смешанной воды, поступающей в систему отопления, должна выдерживаться на требуемом уровне в соответствии с температурой наружного воздуха при расчетном расходе сетевой воды. Отклонение этой температуры от нормативной величины при расчетных температуре и расходе сетевой воды свидетельствует о несоответствии коэффициента смешения заданному значению.

1.2     Тепловые пункты


Основным элементом систем отопления и горячего водоснабжения являются тепловые пункты.

Тепловые пункты подразделяются на:

индивидуальные тепловые пункты (ИТП), служащие для присоединения систем отопления, вентиляции, горячего водоснабжения и технологических теплоиспользующих установок одного здания или его части;

центральные тепловые пункты (ЦТП) выполняющие те же функции что и ИТП для двух зданий или более.

Допускается устройство ЦТП для присоединения систем теплопотребления одного здания, если для этого здания требуется устройство нескольких ИТП.

Устройство ИТП обязательно для каждого здания независимо от наличия ЦТП, при этом в ИТП предусматриваются только те функции, которые необходимы для присоединения систем потребления теплоты данного здания и не предусмотрены в ЦТП.

Индивидуальные тепловые пункты должны быть встроенными в обслуживаемые ими здания и размещаться в отдельных помещениях на первом этаже у наружных стен здания. Допускается размещать ИТП в технических подпольях или в подвалах зданий и сооружений.

1.3     Теплосчетчик


После установки теплосчетчика экономия средств на отопление и горячее водоснабжение составляет от 25 до 300%.

Счетчик тепла - это сложный комплекс приборов, требующий грамотного подбора, установки и обслуживания. Современный теплосчетчик работает в полностью автоматическом режиме, регистрируя все параметры теплоносителя, вычисляя количество тепла и архивируя данные в энергонезависимой памяти.

Принцип работы теплосчетчика заключается в измерении объема, поступившего в систему отопления и вытекшего из нее теплоносителя, его температуру на входе и выходе и расчете, на основании этих данных, количества потребленного тепла и теплоносителя.

Для подбора оборудования теплосчетчика необходимо знать параметры теплоносителя и схему теплового ввода. Оборудование выбирается исходя из максимального расхода теплоносителя, а не диаметра трубопровода. Обычно к отапливаемому зданию теплоноситель подводится по трубопроводу значительно большего диаметра, чем требуется. Расход теплоносителя вычисляется по формуле V(м3/ч)=1000Q(Гкал)/(Тпрям(°С)-Тобр(°С)).

Общая схема узла учета тепла представлена на рисунке 3.

Рисунок 3 - Схема узла учета тепла с независимым учетом горячего водоснабжения

Для определения количества первичных преобразователей и модели тепловычислителя необходимо знать количество тепловых вводов, наличие и тип системы горячего водоснабжения.

Важный параметр, влияющий на стоимость теплосчетчика, - перепад давления прямая-обратка. Неправильный подбор приборов может существенно ухудшить циркуляцию. Также для их подбора необходимо знать тепловой режим.

система отопление регулятор давление

1.3.1     Подбор оборудования

Теплосчетчик состоит из первичных преобразователей (набор датчиков) и вторичного преобразователя (тепловычислитель).

Сердцем узла учета является тепловычислитель. Наибольшее распространение получили вычислители серии СПТ, выпускаемые в Санкт-Петербурге. По гибкости настройки, надежности, удобству пользования, простоте и наглядности интерфейса это одни из лучших вычислителей в мире. Тепловычислители имеют выходы для подключения принтера, модема или компьютера, что позволяет удаленно получать данные по теплопотреблению и параметрам теплоносителя. Внешний вид данного тепловычислителя представлен на рисунке 4.

Рисунок 4 - Тепловычислитель серии СПТ

СПТ-941.х - серия простых вычислителей для регистрации параметров теплоносителя по 2-м трубам (один контур теплообмена). Позволяет подключить 3 датчика объема и 2 датчика температуры. Питание - батарейное.

СПТ-943.х - Обслуживает 2 теплообменных контура 2х(3 датчика объема, 3 датчика температуры, 2 датчика давления) или 2х(3 датчика объема, 3 датчика температуры). Питание - батарейное.

СПТ-961 - Обслуживает 3 теплообменных контура (вода, пар) со свободным распределением. Наиболее универсальное устройство.

Датчики объема (расходомеры) - устройства измеряющие объем прошедшего через них теплоносителя. По существу это обычные счетчики воды, имеющие электрический выход, на котором возникает электрический импульс при прохождении через счетчик определенного количества теплоносителя. Это наиболее критичные элементы теплосчетчика. Удобнее всего использовать в составе теплосчетчика электромагнитные расходомеры. Расходомеры этого типа не оказывают гидравлического сопротивления, не имеют механических частей, не чувствительны к загрязнениям. Срок службы этих приборов практически неограничен. Наиболее распространены расходомеры ПРЭМ, изготавливаемые в Санкт-Петербурге. Внешний вид представлен на рисунке 5.

Рисунок 5 - Датчики объема ПРЭМ

При большом перепаде давления на тепловом вводе допустимо использовать механические расходомеры (крыльчатые и турбинные). Применение этих расходомеров существенно удешевляет узел учета, но вносит большие гидравлические потери и требует установку фильтров перед ними. В этом плане чаще всего используются расходомеры ВСТ, ВСГд (Мытищи) или СКБ, ВМГ (Москва).

В некоторых случаях удобно использовать вихревые расходомеры. При цене несколько выше цены механических расходомеров они не имеют подвижных частей и обладают повышенной надежностью и малой чувствительностью к загрязнениям. Отличные приборы этого типа - ВПС Калужского производства.

При больших расходах теплоносителя экономически оправдано применение ультразвуковых расходомеров. Применение этих приборов с врезными и накладными датчиками позволяет существенно экономить на монтаже. Превосходные многоканальные приборы этого типа изготавливает фирма Взлет (Санкт-Петербург).

В качестве датчиков температуры целесообразно применять комплекты согласованных платиновых термопреобразователей teplo6 сопротивления типа КТПТР или КТСП.

При тепловой нагрузке более 0,5 Гкал/ч, согласно «Правилам учета тепловой энергии и теплоносителя» требуется регистрация давления. Для этих целей используются датчики давления КРТ-9.

Все оборудование имеет государственную поверку и сертификаты признания типа средства измерения.

1.4     РДС-НО регулятор давления и регулятор перепада давления


Внешний вид данного регулятора представлен на рисунке 6.

Рисунок 6 - РДС-НО регулятор давления

Регулятор давления прямого действия типа РДС-НО (после себя) и РДС-НЗ (до себя), а также регуляторы перепада давлений РПДС работающие без постороннего источника энергии, предназначены для регулирования давления или перепада давлений жидких и газообразных сред (пар), неагрессивных к материалам регулятора. Принцип действия основан на уравновешивании силы упругой деформации пружины настройки усилием, создаваемым регулируемой средой на сильфонном узле.

Перед регулятором обязательно должен ставиться фильтр соответствующего диаметра.

Область применения: теплосети, системы водоснабжения, промышленные установки требующие автоматического поддержания постоянства давления и т.п.

Регулирующий клапан может быть собран по одной из следующих схем:

РДC - сборка "НО" - регулятор давления представлена на рисунке 7.

Рисунок 7 - Регулирование давления "после себя"

РДС - сборка "НЗ" - регулятор давления представлена на рисунке 8.

Рисунок 8 - Регулирование давления "до себя"

РПДС - сборка "НО" - регулятор расхода представлена на рисунке 9.

Рисунок 9 - Регулирование расхода (перепада давлений)

На данных рисунках:

·      ФС - фильтр сетчатый производства Теплоконтроль;

·            КУ - клапан уравнительный;

·            РУ - расходное устройство;

·            > - направление потока среды на корпусе регулятора;

·            Pu - импульсное давление.

Изделие подлежит обязательной сертификации.

Технические характеристики и габаритные размеры рассматриваемого регулятора представлены в таблицах 1 и 2 соответственно, схема - на рисунке 9.

Таблица 1 - Технические характеристики

Характеристики

Значения

Диаметры условного прохода, мм

15

20

25

32

40

50

65

80

100

125

150

 

Диапазон настройки регулируемого давления, МПа

0,025 - 0,63; 0,4 - 1,0

Условная пропускная способность, КN, м3/ч

2,5

4

6,3

10

16

25

40

63

100

160

250

Условное давление, МПа

1,6

1,0

Зона пропорциональности (от верхнего предела настройки), %

10

Зона нечувствительности, %, не более (от верхнего предела настройки)

1,6

Относительный нерегулируемый расход для газообразных сред (пара) регуляторов РДС-НО в % от КN, не более

10

Относительная нерегулируемая протечка (кроме РДС-НО для газообразных сред) в % от КN, не более

0,5

Температура регулируемой среды, °C

от 0 до +225

Масса регуляторов, кг, не более

5,5

6

7

10

11

14

24

32

40,5

69

77

Длина импульсной трубки, м

2,5

Минимальный перепад давления на клапане, МПа

0,1


Рисунок 9 - Габаритные и присоединительные размеры

Таблица 2 - Габаритные и присоединительные размеры

Dy, мм

D1, мм

D2, мм

B, мм

H, мм

h, мм

d, мм

n, шт

Масса, кг

15

47

65

95

130

390

165

14

4

6,5

20

58

75

105

150





7,7

25

68

85

115

160

405

180



8,5

32

78

100

135

180

445

223

18


11

40

88

110

145

200

450

225



14

50

102

125

160

230

490

269



20

65

122

145

180

290

500

276



26

80

133

160

195

310

510

286

100

158

180

215

350

540

440


8

52

125

184

210

245

400

650

530



75

150

212

240

280

480

730

520



92


Присоединительные размеры фланцев по ГОСТ 12815-80.

Сертификат соответствия Госстандарта Росси № РОСС RU.АЯ45.В03075 за №5959865.

Заключение


В ходе выполнения данной работы стало очевидно, что системы ГВС являются одним из острых тем для обсуждения многих специалистов. В этой области ведется большое количество достаточно емких и современных разработок.

При реконструкции систем теплоснабжения, рекомендуется применять современное оборудование, отличающееся компактностью, предусматривающее работу в полностью автоматическом режиме и обеспечивающее экономию до 30% энергии, по сравнению с оборудованием, применявшимся в 50-70 годах. В современных тепловых пунктах обычно используется независимая схема подключения систем отопления и горячего водоснабжения, выполненная на базе пластинчатых теплообменников. Для управления тепловыми процессами используются электронные регуляторы и специализированные контроллеры.

В настоящее время на российском рынке присутствуют значительное количество компаний, предлагающих оборудование для тепловых пунктов, средства автоматизации для них, а также тепловые пункты в блочном исполнении. Также представлен широкий спектр датчиков давления и температуры.

Таким образом, данная область не является секретной для освоения, достаточно хорошо представлена в различных источниках и может быть изучена любым пользователем системой теплоснабжения для повышения уровня своего комфорта.

Похожие работы на - Пути реконструкции и оптимизации систем теплоснабжения

 

Не нашли материал для своей работы?
Поможем написать уникальную работу
Без плагиата!
Без нейросетей!