|
5:00-5:39
МГ «Парабель - Кузбасс» вторая нитка 110-214км.
Место расположения дефекта: 193км.
Труба № 7088; дефект № 532; длина трубы 7,24м.
Параметры дефекта:
ширина b=10мм; длина l=8мм; глубина с=2,8мм.
Рис. 2.11 Стенка трубы, подверженной коррозии
При общей (сплошной) коррозии, допускаемое рабочее давление необходимо
назначать, исходя из остаточной толщины стенки трубы, проводя проверку прочности
и устойчивости в соответствии с гл. 8 СНиП 2.05.06-85* «Магистральные
газопроводы».
Определяем допускаемое рабочее давление для участка газопровода ІІІ
категории, изготовленного из труб 1020×10 (сталь 17Г1СУ), имеющего утонение
стенки трубы с=2,8мм.
1. По формуле определяем допускаемые кольцевые напряжения:
МПа, где
(2.2)
коэффициент
условий работы трубопровода ІІІ
категории;н - коэффициент надёжности по назначению трубопровода
(см.
СНиП 2.05.06-85*);
- предел
текучести стали 17Г1СУ, МПа
2. По формуле рассчитываем допускаемое рабочее давление:
МПа, где
(2.3)
δ - толщина стенки трубы.
3. По формуле рассчитываем нормальное рабочее давление:
МПа
(2.4)
4. Допускаемый коэффициент запаса по давлению:
0,71
(2.5)
В
связи с тем, что коэффициент запаса по давлению значительно ниже 1, то такой
дефект относится к категории закритических и работа газопровода при давлении,
превышающим 4,72 МПа, категорически запрещена. Но учитывая, что давление
рабочее проектное равно 5,5 МПа, а скорость коррозии равна 0,47мм/год, очевидно
что необходим ремонт для увеличения пропускной способности МГ «Парабель -
Кузбасс» 193 км второй нитки методом вырезки «катушки».
3. Характеристика условий работ
Ремонт магистрального газопровода «Парабель - Кузбасс» методом врезки
«катушки» производится на участке км 170 - 214 вторая нитка, а именно км 193.
Участок в административном отношении проходит по территории Томской области.
Рельеф возвышенности преимущественно ровный и плоский. Значительную часть
занимают лес, пашня.
Участок газопровода обслуживается Чажемтовской ПП.
Газопровод км 170 - 214 вторая нитка не находится в одном техническом
коридоре со следующими коммуникациями:
а) нефтепровод Ду 1200 «Александровское - Анджеро - Судженск» на
расстоянии 525м от оси газопровода;
б) газопровод Ду 1000 первая нитка на расстоянии 500м от оси газопровода.
3.1 Транспортная схема
Для доставки оборудования, материалов, ремонтной бригады используется
Федеральная автодорога Томск - Чажемто. Для подъезда к месту работ
предусматривается устройство временных переездов через существующий нефтепровод
,,Александровское-Анжеро-Судженск,, и первую нитку газопровода «Парабель -
Кузбасс». Транспортная схема изображена на рисунке 3.2:
Рис. 3.1 Технологическая схема км. 110-242 вторая нитка.
.2 ПРИМЕРЫ КОНСТРУКЦИИ ВРЕМЕННОГО ПЕРЕЕЗДА ЧЕРЕЗ МАГИСТРАЛЬНЫЙ
ТРУБОПРОВОД
Один из вариантов устройства переезда через действующий трубопровод
представлен на рис. 1 . Высота насыпи из минерального привозного грунта над
верхней образующей трубопровода должна быть не менее 1,5 м
Грунт насыпи послойно трамбуют и уплотняют тыльной стороной ковша
экскаватора и проходами гусеничной техники. Непосредственно над трубопроводом и
на расстоянии менее 2-х метров в обе стороны от него грунт утрамбовывают ручным
способом.
Сверху на насыпь переезда укладывают железобетонные дорожные плиты.
Поперечный стык между плитами не должен находиться над трубопроводом.
Сооружение переездов над действующими трубопроводами должно производиться
в присутствии ответственного представителя организации, эксплуатирующей
газопровод.
Вместо железобетонных плит возможно применение бревенчатого настила (рис.
2 ).
Рис. 3.3 Схема конструкции переезда через действующий газопровод с
применением железобетонных плит
- действующий газопровод; 2 - насыпь из минерального грунта; 3 -
железобетонные плиты
Рис. 3.4 Схема конструкции переезда через действующий газопровод с
применением бревенчатого настила:
- действующий газопровод; 2 - насыпь из минерального грунта; 3 -
бревенчатый настил
4. Разработка плана производства работ по
устранению дефекта ПОР методом вырезки «катушки» км 193 вторая нитка МГ
«Парабель - Кузбасс»
Суть этого вида ремонта заключается в том, что участок трубы с дефектом
вырезают и заменяют бездефектной трубой - «катушкой».
Вырезка дефекта применяется в следующих случаях:
недопустимое сужение проходного сечения газопровода;
невозможность отремонтировать трубопровод другими, менее радикальными
методами (протяжённая трещина, глубокая вмятина с трещиной или коррозией,
чрезмерная длина дефектного участка).
Пояснительная записка
Обоснования (причина, цель) производства работ:
Устранение дефекта ПОР методом вырезки «катушки» 1020×10
длиной 2м (км 193 вторая
нитка).
Характеристика устраняемого дефекта:
один закритический (ширина коррозии 10мм, длина коррозии 8мм,
глубина коррозии 2,8мм).
Характеристика отключаемого участка:
для производства работ отключается участок 170 - 214км 2 нитка, длиной
44км МГ «Парабель- Кузбасс».
Затраты времени на производство работ:
остановка газопровода, технологические переключения, закрытие кранов -
1час;
стравливание газа из отключенного участка - 2часа;
затраты времени на производство работ - 24часа.
План проведения работ
. Наименование подразделения: Томское ЛПУ МГ Чажемтовская промплощадка
. Место проведения работ: МГ «Парабель - Кузбасс» км 193- 2 нитка
. Ответственный за проведение комплекса огневых работ
_________________________________________________________________
. Ответственный за подготовительные работы____________________
. Время начала работ __________________________________________
. Время окончания работ _______________________________________
. Цель огневых работ: км 193- 2 нитка .Устранение дефекта методом вырезки
«катушки» длиной 2м.
. Газоснабжение потребителей на период выполнения огневых работ: без
прекращения газоснабжения потребителей.
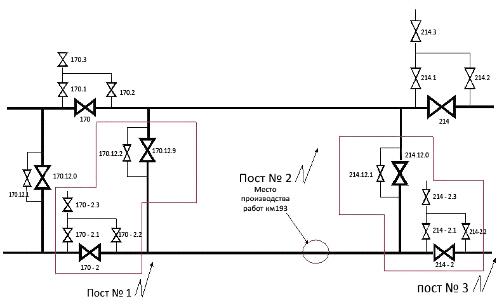
. Положение запорной арматуры до начала работ: на газопроводе «Парабель -
Кузбасс»:
открыто: №170; №170-2; №214; №214-2;
закрыто: №170.12.9; №170.12.0; №214.12.9; №214.12.0; №170.1; №170.2;
№170.3; №170-2.1; №170-2.2; №170-2.3; №214.1; №214.2; №214.3; №214-2.1;
№214-2.2; №214-2.3.
. Положение запорной арматуры на период выполнения огневых работ:
открыто: №170; №214; №170.12.0; №214.12.9; №170-2.3; №214-2.3
закрыто: №170-2; №214-2; №170-2.1; №170-2.2; №214-2.1; №214-2.2
Расстановка постов: Таблица 9
|
№ п/п
|
Посты
|
Ответственный
|
Персонал, участвующий в
работе
|
|
1.
|
Пост №1 крановый узел
№170-2
|
Старший поста
|
Лин. трубопроводчик,
водитель, связист
|
|
2.
|
Пост №2 Устранение дефекта
методом вырезки катушки L=2 м
|
Ответственный за проведение
комплекса огневых работ
|
ПЕРСОНАЛ ТЛПУ МГ: лин.
трубопроводчики: водители: связист: ПЕРСОНАЛ ТУАВР сварщики: механизаторы:
дефектоскописты: изолировщики: электрики:
|
|
3.
|
Пост №3 крановый узел
№214-2
|
Старший поста
|
Лин. трубопроводчик:
водитель: связист:
|
Схема расстановки постов показана на рис. 4.1
Организационные мероприятия:
Изучить проектную и исполнительную документацию на участок проведения
работ. Подготовить для согласования схему производства работ.
Получить лесобилет и согласовать с землепользователями производство
работ.
Подготовить технологические карты на сварку замыкающих стыков и заплат.
Рисунок 4.1 Схема расстановки постов
Согласование и утверждение плана организации работ.
Получение разрешения на производство работ в охранной зоне.
Дать запрос и получить разрешение на отключение участка газопровода км
170-214 вторая нитка и проведение работ.
Подготовить наряд-допуск на производство огневых работ.
Уведомление администрации Молчановского района, населения, ЛПДС
«Молчаново», МЧС, УВД, экологии о проведении работ на участке МГ.
Провести инструктаж персонала, участвующего в производстве огневых работ
с оформлением в наряде-допуске или журнале регистрации инструктажа на рабочем
месте.
Составить акт на стравливание газа.
Содержание и технологическая последовательность выполнения огневых
(ремонтных) работ
. Сверление на 193км газопровода отверстия диаметром 6-8мм, проверка
наличия конденсата и установка U-образного манометра на месте работ.
. Установление давления газа в отключенном участке газопровода 10-50мм
водяного столба и регулирование его кранами №170-2.1; №170-2.3.
. Вырезка в газопроводе технологических окон (ТО) размером не менее 250мм
на 350мм для установки запорных устройств (УГО) на расстоянии 8-10м по обе
стороны от места вырезки «катушки». Смотри рис. 4.2
. Сброс остаточного давления открытием кранов №170-2.2; №170-2.3;
№214-2.1; №214-2.3.
. Установка запорных устройств марки УГО-1000. Накачивание их до давления
450-500мм водяного столба. Контроль давления воздуха в УГО-1000 вести через
U-образный манометр каждые 15минут с записью в журнале.
. Продувка отсечённого участка газопровода через вырезанные
технологические окна. Контроль содержания газа прибором ПГА-4,ШИ-12.
Рисунок 4.2 Производство огневых работ. Расстановка техники, установка
УГО для продувки.
. После полного освобождения участка от газа и продувки отсечённого
участка вырезка «катушки». Смотри рисунок 4.2.
. Подгонка «катушки» для выполнения захлёстов.
. Выполнение прихваток.
. Выполнить сварку корневого слоя шва.
. Выполнить сварку заполняющих слоев с механической обработкой.
. Выполнить облицовочный слой сварных швов.
. Контроль сварных швов 100% рентгенографии и 100% УЗК. Выдача
заключений.
. Удалить УГО и приступить к продувке ремонтируемого участка газопровода
газом, заварить ТО при избыточном давлении газа 10-50мм вод. ст.
. Заварка технологических отверстий.
. Контроль качества заварки технологических отверстий.
Содержание и технологическая последовательность выполнения завершающих
работ.
Изоляция отремонтированного участка.
После проведения работ по врезке «катушки» отремонтированный участок
покрывают противокоррозионной изоляцией.
Согласно ГОСТ Р 51164-98 для изоляции применяем комбинированное покрытие
усиленного типа состоящую из: грунтовки битумно-полимерной Транскор, ТУ
5775-003-32999231-00, толщиной не менее 0,1мм; мастики битумно-полимерной
Транскор, ТУ 5775-002-32989231-99, толщиной не менее 3,0мм; обёртки защитной
термоусаживающейся (в два слоя), Политерм, ТУ 2245-003-05801845-00, толщиной не
менее 1,4мм. Общая толщина покрытия не менее 4,5мм.
Грунтовка наносится на очищенную поверхность газопровода для того, чтобы
обеспечить лучшее сцепление (адгезию) между изоляционным покрытием и
металлической поверхностью газопровода. Обёрточные материалы в битумной
изоляции служат для защиты от механических повреждений. Кроме того, они
защищают битумные мастики от оплывания.
1. Контроль качества изоляционного покрытия газопровода
Операционный контроль подразумевает проверку отдельных операций и
готового покрытия при изоляции трубопровода. При нанесении изоляции на битумной
основе контролируются следующие операции и параметры:
качество очистки поверхности трубы;
толщина грунтовки;
адгезия (прилипаемость) слоя мастики;
толщина изоляции.
Толщину грунтовки лучше измерять электронным толщиномером. Адгезию
изоляции - путём надреза покрытия в виде равностороннего треугольника с углом
600 в вершине и длиной стороны 3-5см и отслаивания вершины надреза. Изоляция
считается удовлетворительной, если она не отслаивается, а при отрыве часть
мастики остаётся на поверхности. Если покрытие отрывается от металла сплошным,
неповреждённым полотном, то изоляцию бракуют. Толщину изоляционного слоя
рекомендуется контролировать с помощью вихретоковых толщиномеров, предел
измерения толщины 0-10мм.
2. Засыпка траншеи.
3. Удаление персонала и механизмов за охранную зону.
5. Вытеснение газовоздушной смеси давлением 1кгс/см2 на участке 170-214км
вторая нитка открытием крана №170-2.1; закрытием крана №170-2.3.
. Закрытие кранов №214-2.1; №214-2.3 и заполнение участка 170-214км
вторая нитка со стороны кранового узла 170-2.
. После выравнивания давления (перепад не более 1кгс/см2) между
«северным» и «южным» участками, открытие линейных кранов №170-2, №214-2
закрытие перемычек №170.12.0 и №214.12.9.
5. Земляные работы
Согласно СН 452-73, ширина и длина полос земель, отводимых во временное
пользование для капитального ремонта магистральных трубопроводов, определяются
проектом, утверждённым в установленном порядке, при этом ширина указанных полос
не должна превышать ширины, предусмотренной таблицей 10 для соответствующих
диаметров.
Таблица 10
Нормы отвода земель
|
Диаметр трубопровода, мм
|
Ширина полосы земель,
отводимых для одного подземного трубопровода, м
|
|
на землях
несельскохозяйственного назначения или непригодных для сельского хозяйства и
землях государственного фонда
|
на землях
сельскохозяйственного назначения худшего качества (при снятии и
восстановлении плодородного слоя)
|
|
≤ 426 >426 - 720
>720 - 1020 >1020 - 1220 >1220 - 1420
|
20 23 28 30 32
|
28 33 39 42 45
|
Ремонтный котлован предназначен для выполнения работ в месте вырезки
«катушки», поэтому его размеры должны обеспечить нормальную и безопасную работу
ремонтного персонала.
Длина котлована определяется из расчёта:
=λ +3=2+3=5м (5.1)
λ - длина заменяемого участка, м
Ширина котлована определяется из условия обеспечения расстояния между
трубой и стенками котлована не менее 1,5м.
Разработка ремонтного котлована без откосов не допускается. Значения
откосов приведены в таблице 11.
Таблица 11
Допустимая крутизна откосов траншеи и ремонтного котлована
|
Грунт
|
Глубина траншеи, котлована,
м
|
|
< 1,5
|
1,5-3,0
|
3,0-5,0
|
|
угол откоса, градус
|
уклон
|
угол откоса, градус
|
уклон
|
угол откоса, градус
|
уклон
|
|
Насыпной Песчаные и
гравийные Супесь Суглинок Глина Лессовидный сухой
|
56 63 76 76 76 76
|
1:0,67 1:0,50 1:0,25
1:0,25 1:0,25 1:0,25
|
45 45 56 63 76 63
|
1:1,00 1:1,00 1:0,67
1:0,50 1:0,25 1:0,50
|
38 45 50 53 63 63
|
1:1,25 1:1,00 1:0,85
1:0,75 1:0,50 1:0,50
|
Расстояние от нижней образующей трубы до дна котлована должно быть не
менее 0,6м. Отвал грунта, извлечённого из котлована для предотвращения падения его
в котлован, должен находиться не менее 0,5м от края котлована. Котлован
необходимо оборудовать приставными лестницами из расчёта по две лестницы на
каждую сторону торца котлована.
Разработка котлована производится следующим составом:
Таблица 12
|
№ п/п
|
Профессия
|
Разряд
|
Количество, чел.
|
|
1
|
Машинист экскаватора
|
6
|
1
|
|
2
|
Машинист бульдозера
|
5
|
1
|
Рис.6.2 Параметры ремонтного котлована
8. Гидравлическое испытание трубы 1020×10 для «катушки»
Для проведения гидравлического испытания давление внутри трубы создают
водой или жидкостями с пониженной температурой замерзания, предусмотренной
проектом.
Так как гидравлическое испытание трубы для «катушки» будет проводиться
вблизи промышленной площадки, то источником воды будет являться водопровод.
В состав основных работ по гидравлическому испытанию трубы входят:
подготовка к испытанию;
наполнение трубы водой;
подъём давления до испытательного;
испытание на прочность;
сброс давления до проектного рабочего;
проверка на герметичность;
сброс давления до 0,1- 0,2 МПа (1-2кгс/см2).
При необходимости выполняются работы, связанные с выявлением и
устранением дефектов: замена трубы.
Гидравлическое испытание на прочность необходимо производить для:
трубопроводов (кроме магистральных нефте- и нефтепродуктопроводов) - на
давление 1,1Рраб. в верхней точке и не более гарантированного заводом
испытательного давления Рзав. в нижней точке (рисунок 8.1).
Рисунок 8.1 График изменения давления при гидравлическом испытании трубы:
1- заполнение трубы водой; 2-подъём давления до Рисп.; 3- испытание на
прочность; 4- снижение давления; 5- проверка на герметичность.
При подготовке к гидравлическому испытанию трубы для «катушки» необходимо
в соответствии с принятой схемой испытания выполнить следующие операции:
смонтировать и испытать обвязочные трубопроводы наполнительных и
опрессовочных агрегатов и шлейф подсоединения к трубопроводу;
установить контроль - измерительные приборы;
смонтировать воздухоспускные и сливные краны.
При заполнении трубы водой для гидравлического испытания из него
необходимо удалить воздух.
Схема гидравлического испытания трубы для «катушки» показана на рисунке
8.2
Рисунок 8.2
-труба 1020×10 (марка стали 17ГСУ); 2-сферические
заглушки; 3-шлейф; 4-манометры; 5-сливной патрубок; 6-воздухоспускной патрубок;
7-гидравлический насос.
Для гидравлического испытания трубы и поднятия давления используется
гидравлический насос НГ-25.000.00
1. Насос гидравлический НГ-25.000.00
Насос гидравлический НГ-25.000.00. служит для
перекрытия шарового крана вручную при отсутствии давления газа в трубопроводе
или, если ононедостаточно (т.е.менее 10кГс/см2).
Насос гидравлический устанавливается на краны шаровые ДУ-1000
равнопроходны с пневмогидроприводом на магистральных трубопроводах, на пунктах
сбора и подготовки газа, на компрессорных станциях.
2. Технические характеристики
Эксплуатация насосов -. распределителей
предусматривается при температурах окружающего воздуха от минус 40° до +40° С.
Относительная влажность окружающего воздуха до 98% при
температуре 30 °С.
Рабочее тело: жидкость ЛЗ-ГА-1ТУ38-30138 или масло
АМГ-10ГОСТ6794-75, ПМС-20РК.
Максимальное развиваемое давление : 10Мпа/см2 (100
кГс/см2).
Усилие на рукоятке при максимальном рабочем давлении -
25 кГс.
Вес - 12 кг. .
3. Устройство
Насос - распределитель состоит из следующих основных
деталей(см. рис. 1): 1 - цилиндр (1), поршень (2), крышка цилиндра (3),
рукоятка (4) на крышке цилиндра, кинематически связанная с поршнем (2), корпус
переключателя (5), золотник (6), которые служат для переключения управления
кранами на ручное или дистанционное, нагнетательный клапан (7,8), всасывающий
клапан (8,9,10), рукоятка золотника (12), подпружиненная пружиной (11), штифт
(13), фиксирующий рукоятку золотника (12) в определенном положении согласно
маркировке на крышке (14), четыре шпильки(15), гайки (16), соединяющие крышку
(3), цилиндр (1), и корпус переключателя (5), резиновые кольца (17, 18, 19,
20), обеспечивающие герметичность соединений.
Рисунок 8.3
9. Гидравлический расчёт МГ «Парабель-Кузбасс»
110-242км
Эффективность работы МГ во многом определяются техническим состоянием
объектов и оборудования, обеспечивающих его функционирование и рациональностью
их использование.
Фактические условия функционирования газопровода практически всегда отличаются
от проектных. Плановая производительность МГ, определяется возможностью добычи
газа, потребностью в газе и условиями работы газотранспортной системы, является
переменной как в течении года, так и по годам. В процессе эксплуатации МГ
меняется состояние линейной части и оборудования компрессорной станции (КС),
что предопределяет изменение пропускной способности МГ и, следовательно,
параметров его работы даже при постоянной производительности. В этих условиях,
эксплуатационному персоналу приходится решать следующие задачи:
выбор оптимальной технологической схемы работы МГ при заданной
производительности его работы;
выбор технологической схемы газопровода для реализации максимальной
пропускной способности газопровода при фактическом состоянии объектов и
оборудования;
разработки мероприятий по улучшению технико-экономических показателей
работы МГ.
.1 Исходные данные
Дн=1020мм - диаметр газопровода наружный;=11млрд м3/год -
производительность;=132км - длина участка;
∆z=z2-z1=0м - разность отметок начала и конца газопровода;
Рн=5,5МПа - давление компрессорной станции;
Рк=3,4МПа - давление в конце участка;
δ=10мм - толщина стенки трубы.
Для гидравлического расчёта по профилю участка газопровода принимаем
следующие данные:
состав газа по объёму указан в таблице 18
Таблица 18
|
Состав газа (по объему),%
|
Относительная плотность по
воздуху ∆ (при 200С)
|
Удельная теплота сгорания
(при 200С), кДж/м3
|
|
Метан СН4
|
Этан С2Н6
|
Пропан С3Н8
|
Бутан С4Н10
|
Пентан С5Н12 + высшие
|
Двуокись углерода СО2
|
Азот N2 + редкие
|
Сероводород Н2S
|
|
|
|
94,12
|
-
|
1,8
|
0,85
|
-
|
0,55
|
2,68
|
-
|
0,672
|
35400
|
значение относительной шероховатости k для различных условий эксплуатации
трубопроводов принимаем по таблице 19
Таблица 19
|
Вид труб и материал
|
Состояние поверхности и
условия эксплуатации
|
k, мм
|
|
1
|
2
|
3
|
|
Сварные стальные трубы
|
Трубы: бывшие в
эксплуатации, равномерная коррозия
|
0,15
|
|
Сварные стальные трубы
|
новые спиралешовные
|
0,1
|
|
новые или старые в хорошем
состоянии
|
0,04-0,1
|
|
магистральные газопроводы
после многих лет эксплуатации
|
0,5
|
|
магистральные газопроводы
после 20 лет эксплуатации
|
1,1
|
для расчёта принимаем трубы новые или старые в хорошем состоянии, которым
соответствует коэффициент относительной шероховатости kэ =0,06мм
техническая характеристика труб представлена в таблице 20
Таблица 20
|
Технические условия
(рабочее давление Рраб, МПа
|
Наружный диаметр трубы Дн,
мм
|
Толщина стенки трубы δ, мм
|
Марка стали
|
Предел прочности σвр, МПа
|
Предел текучести σт, МПа
|
Относительное удлинение ε, %
|
Ударная вязкость KCV
|
Эквивалент углерода, %
|
Испытательное давление
Рзав, МПа
|
Конструкция трубы и
состояние поставки металла
|
|
|
|
|
|
|
|
|
|
без осевого подпора
|
с осевым подпором
|
|
|
1
|
2
|
3
|
4
|
5
|
6
|
7
|
8
|
9
|
10
|
11
|
12
|
|
ТУ 14-3-1424-86 (5,5)**
|
1020
|
10
|
17Г1СУ
|
510
|
363
|
20
|
39,6 (-400С)
|
0,46
|
6,4
|
6,1
|
Прямошовные трубы из нормализованной
низко- легированной стали
|
изоляция газопровода в два слоя: лентой «Полилен» (ρи.п = 1046кг/м3; δи.п.=0,635мм); обёрткой «Полилен» (ρоб. = 1028кг/м3; δоб. = 0,635мм);
грунт - суглинок γгр = 19кН/м3.
9.2 Гидравлический расчёт участка МГ
При гидравлическом расчёте магистрального газопровода «Парабель -
Кузбасс» 110-242км будем руководствоваться ОНТП 51-1-85.
Методика гидравлического расчёта МГ включает в себя:
определение пропускной способности и производительности МГ;
расчёт стационарных тепловых режимов линейных участков;
расчёт стационарных гидравлических режимов линейных участков;
расчёт режимов компрессорных станций.
Производительностью МГ называется количество газа, поступающего в
газопровод за год (млрд.м3/год, при 293,15К и 0,1013МПа).
Следует различать заданную и проектную производительность МГ.
Заданной производительностью МГ называется значение производительности,
оговорённое в задании на проектирование.
Производительность, соответствующая оптимальному технологическому
варианту, называется проектной.
Базовыми называются магистральные газопроводы, предназначенные для
транспорта газа из района его добычи в районы потребления или передачи в другие
газопроводы. Магистральный газопровод «Парабель - Кузбасс» относится к базовым.
Определение пропускной способности и производительности магистрального
газопровода
Пропускной способностью МГ называется количество газа, которое может быть
передано по газопроводу за сутки при стационарном режиме, максимально возможном
использовании располагаемой мощности газоперекачивающих агрегатов и принятых
расчётных параметрах (рабочее давление, коэффициент гидравлической
эффективности, температура окружающего воздуха и грунта, температура охлаждения
газа).
Оценочной пропускной способностью МГ называется ориентировочное значение
пропускной способности, определяемое в начальной стадии проектирования
газопровода для последующего расчёта возможных технологических вариантов транспорта
газа.
Проектной пропускной способностью МГ называется пропускная способность,
соответствующая оптимальному технологическому варианту.
Оценочную пропускную способность (млн м3/сут, при 293,15К и 0,1013МПа)
базовых магистральных газопроводов находим по формуле:
млн
м3/сут., где (9.1)
-
заданная производительность магистрального газопровода (при 293,15К и 0,1013
МПа), млрд.м3/год;
-
оценочный коэффициент использования пропускной способности, определяемый по
формуле:
, где
(9.2)
-
коэффициент расчётной обеспеченности газоснабжения потребителей, отражающий
необходимость увеличения пропускной способности газопровода для обеспечения
газоснабжения потребителей в периоды повышенного спроса на газ;
-
коэффициент экстремальных температур, учитывающий необходимость компенсации
снижения пропускной способности газопровода, связанного с влиянием экстремально
высоких температур наружного воздуха;
-
оценочный коэффициент надёжности газопровода, учитывающий необходимость
компенсации снижения пропускной способности газопровода при отказах линейных
участков и оборудования компрессорных станций. Значение коэффициента принимаем по таблице 21
Таблица
21
|
Длина газопровода, км
|
Тип газоперекачивающих
агрегатов
|
|
С газотурбинным и
электрическим приводом
|
ГМК
|
|
Диаметр газопровода, мм
|
|
1420
|
1220
|
1020
|
820
|
≤820
|
|
1
|
2
|
3
|
4
|
5
|
6
|
|
500
|
0,99
|
0,99
|
0,99
|
0,99
|
0,99
|
|
1000
|
0,98
|
0,98
|
0,98
|
0,98
|
0,98
|
|
1500
|
0,97
|
0,98
|
0,98
|
0,98
|
0,98
|
|
2000
|
0,96
|
0,97
|
0,97
|
0,98
|
0,96
|
|
2500
|
0,95
|
0,96
|
0,97
|
0,97
|
0,95
|
|
3000
|
0,94
|
0,95
|
0,96
|
0,97
|
0,94
|
Расчёт стационарных режимов работы линейной части
Температуру газа Т в любой точке однониточного газопровода при любом
способе прокладки следует определять по формуле:
, где
(9.3)
, где
(9.4)
-
коэффициент, характеризующий интенсивность снижения температуры газа по длине
участка;
С
- коэффициент, значение которого следует принимать С=0,225·106;
-
температура грунта на глубине заложения, К;
-
температура газа в начале участка газопровода, при отсутствии охлаждения газа
на КС температуру следует принимать равной температуре газа на выходе из
компрессорного цеха;
-
соответственно начальное и конечное абсолютное давление газа на участке МГ,
МПа;
х
- расстояние от начала газопровода до рассматриваемой точки, км;
-
наружный диаметр газопровода, м;
-
средний на участке общий коэффициент теплопередачи от газа в окружающую среду,
Вт/м2·К;
-
средняя изобарная теплоёмкость газа, кДж/кг·К;
-
среднее на участке значение коэффициента Джоуля Томсона, К/МПа.
С
учётом дроссельного эффекта температура газа в конце участка будет меньше
температуры окружающей среды. При температуре грунта близкой к 00С температура
газа может быть отрицательной, что вызовет промерзание грунта вокруг труб и
приведёт к появлению дополнительных деформаций трубопровода. Рекомендуется
ограничивать температуру газа в конце участка Тк=271÷273К, что приводит к ограничению температуры газа на
входе КС. Если МГ проложен в многолетнемёрзлых грунтах, то температура газа в
конце участка может быть равной температуре грунта.
Так
как температура газа по длине участка меняется экспоненциально, то средняя
температура определяется как среднегеометрическая. Среднюю температуру газа
Тср, (К) на участке газопровода следует определять по формуле:
(9.5)

  К
При
перепаде давлений в начале и конце рассматриваемого участка менее 10МПа и его
длине более 100км можно использовать формулу Шухова для расчёта температуры в
любой точке газопровода и средней температуры газа, соответственно:
К (9.6)
К (9.7)
Также
температуру ориентировочно можно получить из следующей зависимости:
(9.8)
Среднюю
изобарную теплоёмкость природного газа Ср с содержанием метана более 85%
определяем по формуле:
(9.10)
Значения
коэффициентов А1, А2, А3 следует принимать:
А1
= 1,695; А2 = 1,838·10-3; А3 = 1,96·106 (Рср- 0,1)
Значение
Ср также допускается определять по графикам на рисунке 9.1, если содержание
метана в природном газе более 85%:
Рисунок
9.1 Зависимость теплоёмкости метана от давления и температуры.
Значение
средней изобарной теплоемкости газа, полученное по графику близко к значению,
полученному расчётным путем, и равно Ср = 2,5 кДж/кг· Принимаем Ср = 2,576
кДж/кг·К
В
связи с тем, что давление по длине участка меняется нелинейно, среднее давление
определяется как среднегеометрическое:
(9.11)
Определим
среднее значение коэффициента Джоуля-Томсона Di для газов с содержанием метана
более 85%:
, где
(9.12)
значения
коэффициентов Е1 и Е2 следует принимать:
Е1
= 0,980·106; Е2 = 1,5.
Выбор
расчётной температуры окружающей среды Т0 и коэффициента теплопередачи Кср
производится в зависимости от способа прокладки газопровода - подземного,
надземного, наземного.
При
подземной прокладке газопровода значение Т0 должно приниматься равным среднему
за рассматриваемый период значению температуры грунта Тгр на глубине заложения
оси трубопровода в естественном тепловом состоянии со справочниками по климату
СССР или данным ближайших метеостанций.
При
отсутствии данных о характере и влажности грунта по трассе газопровода
коэффициент теплопередачи Кср принимается равным 1,75Вт/м2·К.
Коэффициент
теплопередачи от газа в окружающую среду для подземных газопроводов определяем
по формуле:
Вт/м2·К ,
где (9.13)
Вт/м2К
(9.14)
м , где
(9.15)
-
коэффициент, значение которого следует принимать =1;
-
термическое сопротивление изоляции трубопровода, м2·К/Вт;
-
глубина заложения оси трубопровода от поверхности грунта, м;
-
коэффициент теплоотдачи трубопровода в грунт, Вт/м2·К;
-
коэффициент теплопроводности грунта, Вт/м·К;
-
коэффициент теплопроводности снежного покрова, Вт/м·К;
-
толщина снежного покрова, м;
-
коэффициент теплоотдачи от поверхности грунта в атмосферу, Вт/м2·К, который
определяем по формуле:
Вт/м2·К ,
где (9.16)
= 6,2; = 4,2;
-
среднемесячная (среднеквартальная, среднесезонная) скорость ветра, определяемая
по данным ближайшей метеостанции или климатическим справочникам, м/с.
Термическое
сопротивление изоляции трубопровода:
м2К/Вт,
где
(9.17) - наружный диаметр изолированного газопровода, м;
-
коэффициент теплопроводности изоляции газопровода, Вт/м·К;
= 1.
Коэффициент
теплопроводности снежного покрова допускается принимать в зависимости от
состояния снега:
снег
свежевыпавший - 0,1Вт/м·К;
снег
уплотнённый - 0,35 Вт/м·К;
снег
тающий - 0,64 Вт/м·К.
Величину
коэффициента теплопроводности грунта λгр следует определять в зависимости от температуры грунта и
температурного режима газопровода. При положительных температурах грунта (Тгр>
273 К) и газа (Т>273 К) значение коэффициента теплопроводности должно
приниматься для грунта в талом состоянии λт, при отрицательных температурах грунта (Тгр<273К) и газа
(Т<273К) значение коэффициента теплопроводности должно приниматься для
грунта в мёрзлом состоянии λм.
Влияние
неоднородности грунта на тепловой режим при образовании зон протаивания или
промерзания вокруг газопровода следует учитывать путём умножения расчётной
температуры окружающей среды Т0 на отношение λт/λм (при
протаивании грунта) или λм/λт (при
промерзании грунта).
Значения
коэффициентов теплопроводности талых λт и мёрзлых λм грунтов следует определять по СНиП ІІ-18- 76.
Определим
термическое сопротивление изоляции газопровода. Коэффициент теплопроводности
ленты «Полилен» принимаем λиз=0,03
Вт/м·К.
Определим
диаметр газопровода с учётом толщины изоляции (один слой ленты и один слой
обёртки:
мм (9.18)
Значение
среднегодовой скорости ветра для рассматриваемого района определим из таблицы
22 (по данным РСН 68-87 «Проектирование объектов промышленного и гражданского
назначения Западно -Сибирского нефтегазового комплекса»).
Таблица
22
Средняя
месячная и годовая скорость ветра
|
Пункт
|
I
|
II
|
III
|
IV
|
V
|
VI
|
VII
|
VIII
|
IX
|
X
|
XI
|
XII
|
год
|
|
1
|
2
|
3
|
4
|
5
|
6
|
7
|
8
|
9
|
10
|
11
|
12
|
13
|
14
|
|
Парабель
|
3,5
|
3,5
|
4,0
|
4,0
|
4,4
|
4,2
|
3,2
|
3,1
|
3,4
|
4,1
|
3,9
|
3,8
|
3,8
|
|
Колпашево
|
3,0
|
3,2
|
3,7
|
3,8
|
4,1
|
3,6
|
2,7
|
2,8
|
3,2
|
3,7
|
3,5
|
3,2
|
3,8
|
|
Володино
|
3,6
|
3,8
|
4,3
|
4,4
|
4,7
|
4,0
|
2,9
|
2,8
|
3,6
|
4,3
|
4,0
|
3,9
|
3,9
|
Принимаем
среднегодовую скорость ветра =
3,8м/сек.
Следует
отметить, что до настоящего времени грунты Западной Сибири недостаточно изучены
и требуют дополнительных и эксплуатационных и экспериментальных исследований.
Для влагонасыщенных грунтов нет достаточно надёжных теплофизических
характеристик.
Принимаем
коэффициент теплопроводности грунта в талом состоянии λ= 1,57 Вт/м·К (для суглинков и глин ρгр = 1,9 т/м3 и суммарной влажности грунта = 0,1 доли единицы).
Коэффициент
теплопроводности снежного покрова принимаем λ=0,64Вт/м·К. Толщину снежного покрова принимаем по таблице
23
Таблица
23
Высота
и продолжительность залегания снежного покрова
|
Пункт
|
Максимальная из наибольших
высота снежного покрова, см
|
Средняя из наибольших высота
снежного покрова, см
|
Обеспеченность наибольших
декадных высот, см
|
Продолжительность залегания
устойчивого снежного покрова, дни
|
|
|
|
Обеспеченность, %
|
|
|
|
|
95
|
90
|
75
|
50
|
25
|
10
|
5
|
|
|
1
|
2
|
3
|
4
|
5
|
6
|
7
|
8
|
9
|
10
|
11
|
|
Колпашево
|
82
|
58
|
37
|
43
|
53
|
63
|
74
|
88
|
105
|
184
|
|
Кривошеино
|
49
|
67
|
-
|
-
|
-
|
-
|
-
|
-
|
-
|
173
|
Принимаем δсн = 58см = 0,58м.
Нормативная глубина сезонного промерзания грунтов в рассматриваемом
регионе - 2,4м. Средняя температура грунта на глубине укладки оси газопровода -
00С (273,15 К).
Рассчитанное по формуле (9.8) и принятое значение Тср.=291,15К имеет
большое расхождение (более 0,5К) со значением, полученным при расчёте по
формуле (9.5) Тср.=300,07К. Поэтому, выполняем уточнение характеристик газа:
средняя изобарная теплоёмкость газа:
кДж/кг·К;
коэффициент
Джоуля - Томсона:
К/МПа;
коэффициент,
характеризующий интенсивность снижения температуры газа по длине участка
газопровода:
;
средняя
температура газа на участке газопровода:
К
Расхождение
(300,23-300,07) мало. Можно принять Тср=300,23К и проверить значение
температуры газа в конце участка:
(9.19)
К.
По
диспетчерским данным Тк = 280,15К, то есть расхождение допустимо.
Расчёт
стационарных гидравлических режимов работы линейных участков магистрального
газопровода
Гидравлический
расчёт участка газопровода, на протяжении которого отсутствуют точки с разницей
отметок, более чем 100м, следует выполнять без учёта рельефа трассы.
Пропускная
способность (при 293,15К и 0,1013МПа) однониточного участка газопровода для
всех режимов течения газа вычисляется по формуле:
(9.20)
млн.м3/сут.,
где
-
внутренний диаметр газопровода, м;
-
абсолютные давления в начале и конце участка газопровода, МПа;
λ - коэффициент гидравлического сопротивления участка газопровода;
Тср
- средняя по длине участка газопровода температура транспортируемого газа, К;
- длина
участка газопровода, км;ср - средний по длине участка газопровода коэффициент
сжимаемости газа;
∆
- относительная плотность газа по воздуху;
С1
- коэффициент, принимаемый равным С1= 105,087.
Внутренний
диаметр газопровода:
мм, где
(9.21)
-
наружный диаметр газопровода, мм;
-
толщина стенки трубы, мм.
Давление
в начале участка газопровода:
Мпа, где
(9.22)
-
давление нагнетания на выходе КС, МПа;
- потери
давления в трубопроводах между КС и узлом подключения к линейной части МГ (без
учёта потерь давления в системе охлаждения транспортируемого газа), МПа;
- потери
давления в системе охлаждения газа, включая её обвязку, МПа.
Потери
давления газа в технологических трубопроводах и оборудовании КС следует
рассчитывать:
в
трубопроводной обвязке - по проектным геометрическим характеристикам;
в
оборудовании - по техническим характеристикам заводов- изготовителей
оборудования.
Потери
давления газа не должны превышать, величин приведенных в таблице 24
Таблица
24
|
Давление в газопроводе
(избыточное),МПа
|
Потери давления газа на КС,
МПа
|
|
Всего
|
В том числе:
|
|
|
на всасывании
|
на нагнетании
|
|
при одноступенчатой очистке
газа
|
при двухступенчатой очистке
газа
|
при одноступенчатой очистке
газа
|
при двухступенчатой очистке
газа
|
|
|
1
|
2
|
3
|
4
|
5
|
6
|
|
5,40
|
0,15
|
0,20
|
0,08
|
0,13
|
0,07
|
|
7,35
|
0,23
|
0,30
|
0,12
|
0,19
|
0,11
|
|
9,81
|
0,26
|
0,34
|
0,13
|
0,21
|
0,13
|
Принимаем
потери давления в трубопроводах между КС и узлом подключения к линейной части
МГ =0,07МПа.
Для
аппаратов воздушного охлаждения газа следует принимать =0,0558МПа (0,6кгс/см2). При отсутствии охлаждения
газа = 0 МПа.
Так
как на КС оборудованной неполнонапорными нагнетателями наличие аппаратов
воздушного охлаждения не предусмотрено, значит =0МПа.
Коэффициент
сжимаемости природных газов следует определять по осреднённым значениям
давления и температуры по формуле:
, где
(9.23)
(9.24)
(9.25)
, где
(9.26)
-
приведённые давление и температура;
-
псевдокритическое давление, МПа;
-
псевдокритическая температура, К.
по
заданному составу газа:
(9.27)
МПа
(9.28)
К
по
заданной плотности газовой смеси:
МПа
(9.29)
 К
-
критические значения соответственно давления (МПа) и температуры (К) i-го
компонента смеси, которое определяется по таблице 25;
-
молярная концентрация i-го компонента смеси ( i=1,2...n);
-
плотность газа при стандартных условиях (Р = 0,1013 МПа и Т=293,15 К).
Таблица
25
Основные
критические параметры индивидуальных газов и веществ
|
Газ, вещество
|
Рк
|
Тк, К
|
|
|
кгс/см2
|
МПа
|
|
|
|
1
|
2
|
3
|
4
|
|
|
Метан
|
47,32
|
4,640
|
190,66
|
|
|
Этан
|
49,80
|
4,884
|
305,46
|
|
|
Пропан
|
43,39
|
4,255
|
369,90
|
|
|
н-Бутан
|
38,74
|
3,799
|
425,20
|
|
|
изо-Бутан
|
37.19
|
3,647
|
408,10
|
|
|
н-Пентан
|
34,40
|
3,373
|
469,50
|
|
|
изо-Пентан
|
34,59
|
3,392
|
460,40
|
|
|
Гексан
|
30,89
|
3,029
|
507,30
|
|
Гептан
|
27,90
|
2,736
|
540,30
|
|
Октан
|
25,42
|
2,493
|
568,60
|
|
Азот
|
34,61
|
3,394
|
126,20
|
|
Водород
|
13,22
|
1,296
|
33,26
|
|
Водяно пар
|
225,55
|
22,119
|
647,30
|
|
Кислород
|
51,67
|
5,076
|
154,80
|
|
Сероводород
|
91,85
|
9,007
|
373,60
|
|
Двуокись углерода
|
75,32
|
7,386
|
304,26
|
|
Окись углерода
|
35,64
|
3,495
|
132,96
|
|
Двуокись азота
|
103,32
|
10,132
|
431,00
|
|
Окись азота
|
68,85
|
6,752
|
180,30
|
|
Двуокись серы
|
80,28
|
7,873
|
430,70
|
|
Криптон
|
56,10
|
5,501
|
209,40
|
|
Хлор
|
78,83
|
7,711
|
417,20
|
|
Этилмеркаптан
|
56,00
|
5,492
|
499,10
|
|
Вода
|
230,04
|
22,853
|
647,40
|
|
|
|
|
|
|
Плотность смеси газа при стандартных условиях (при 293,15К и 0,1013МПА)
определим из выражения:
(9.31)
кг/м3,
где
-
плотность при стандартных условиях i - го компонента смеси, определяем по
таблице 26;
-
молярная доля i - го компонента смеси (i = 1,2...n)
Таблица 26
Основные константы индивидуальных газов и жидкостей
|
Вещество
|
Молекулярная масса
|
Плотность ρ, кг/м3
|
Коэффициент сжимаемости при
20 ºС и 0,1013 МПа
|
Вязкость при 20 ºС и 0,1013 МПа
|
|
|
при 0 ºС и 0,1013 МПа
|
при 20 ºС и 0,1013 МПа
|
|
|
|
1
|
2
|
3
|
4
|
5
|
6
|
|
Метан
|
16,042
|
0,7172
|
0,6681
|
0,9980
|
1,0484
|
|
Этан
|
30,068
|
1,3548
|
1,2600
|
0,9917
|
0,8720
|
|
Пропан
|
44,094
|
2,0090
|
1,8569
|
0,9821
|
0,7649
|
|
н-Бутан
|
58,120
|
2,7010
|
2,4947
|
0,9668
|
0,6956
|
|
изо-Бутан
|
58,120
|
2,6803
|
2,4911
|
0,9701
|
0,7027
|
|
н-Пентан
|
72,151
|
3,4531
|
3,1633
|
0,9436
|
0,6354
|
|
изо-Пентан
|
72,151
|
3,4531
|
3,1633
|
0,9436
|
0,6507
|
|
Гексан
|
86,178
|
3,7484
|
3,5849
|
0,9134
|
0,6119
|
|
Гептан
|
100,198
|
4,4731
|
4,1679
|
-
|
0,550
|
|
Октан
|
114,220
|
5,030
|
4,687
|
-
|
0,503
|
|
Азот
|
28,016
|
1,2501
|
1,1889
|
0,1998
|
1,6981
|
|
Водород
|
2,016
|
0,0898
|
0,0837
|
1,0008
|
0,85
|
|
Воздух
|
28,960
|
1,2928
|
1,2046
|
0,9996
|
1,7419
|
|
Водяной пар
|
18,016
|
0,8041
|
0,7469
|
-
|
0,8006
|
|
Сероводород
|
34,082
|
1,5358
|
1,4311
|
0,9905
|
1,2025
|
|
Окись углерода
|
28,011
|
1,250
|
1,165
|
0,9997
|
1,6951
|
|
Двуокись азота
|
46,006
|
2,055
|
1,915
|
-
|
-
|
|
Окись азота
|
30,01
|
1,340
|
1,249
|
-
|
1,8358
|
|
Двуокись серы
|
64,06
|
2,947
|
2,727
|
-
|
1,1804
|
|
Хлор
|
70,91
|
3,233
|
3,012
|
-
|
1,2698
|
|
Этилмеркаптан
|
62,13
|
0,840
|
-
|
-
|
-
|
|
Вода
|
18,12
|
1
|
998,2
|
-
|
102,4
|
|
Двуокись углерода
|
44,011
|
1,9767
|
1,8346
|
0,9945
|
1,3942
|
Относительная плотность по воздуху смеси газов:
(9.32)
Расчётное
значение относительной плотности по воздуху смеси газов совпадает с исходными
данными, следовательно, значение плотность смеси, рассчитанное по составу газа
верно.
Коэффициент
гидравлического сопротивления для участка газопровода с учётом его усреднённых
местных сопротивлений (краны, переходы) допускается принимать на 5% выше
коэффициента сопротивления трения λтр.
Коэффициент
гидравлического сопротивления:
, где
(9.33)
Е
- коэффициент гидравлической эффективности принимается равным 0,95, если на
газопроводе имеются устройства для периодической очистки внутренней полости
трубопроводов, а при отсутствии указанных устройств принимается равным 0,92;
λтр - коэффициент сопротивления трения, который для всех режимов течения
газа в газопроводе определяется по формуле:
, где
(9.34)
-
эквивалентная шероховатость труб;
- число
Рейнольдса, по формуле:
, где
(9.35)
-
коэффициент, значение которого следует принимать С2 = 17,75;
-
коэффициент динамической вязкости, Па·с;
-
внутренний диаметр газопровода, м;
∆
- относительная плотность газа по воздуху.
Коэффициент
динамической вязкости:
(9.36)
Па·с.
Определим
переходное число ReП:
(9.37)
Так
как Re > ReП (33,7·106> 1,38·106) зона квадратичного закона сопротивления
подтверждается.
Проверку
режима можно выполнить также по переходному значению qпер:
млн.м3/сут.
(9.38)
пер
- условная (пересчитанная) величина, сравнимая с суточной пропускной
способностью газопровода.
Так
как q >qпер (32,68 > 23.35 млн.м3/сут), то квадратичный режим
подтверждается.
10. Расчёт подземного газопровода
Прочностной расчёт газопровода осуществляется по методу предельных
состояний. Сущность метода заключается в том, что рассматривается такое
напряжённое состояние газопровода, при котором дальнейшая его эксплуатация
невозможна. Первое предельное состояние - несущая способность газопровода
(разрушение его под воздействием внутреннего давления), второе - предельно
допустимые деформации. Характеристикой несущей способности газопровода является
временное сопротивление металла труб (предел прочности). При расчёте на предельно
допустимые деформации используется предел текучести материала трубы.
Данные для расчёта:
Рmin= 1000Дн - минимальный радиус упругого изгиба;
Дн= 1020мм - наружный диаметр газопровода;
Р= 5,5 МПа - рабочее давление;
=σвр= 510 МПа - временное сопротивление материала труб;
= σт= 363 МПа - предел текучести материала труб;
Г1СУ
- марка стали труб;
продукт
перекачки - природный газ;
категория
газопровода ІІІ;
∆t - ±400С - расчётный температурный перепад, принимаемый
положительным при нагревании;=1,0м - высота засыпки от верхней образующей
газопровода до поверхности грунта;
γгр=19кН/м3 - удельный вес грунта,
суглинок;
сгр= 15кПа - сцепление грунта;
φгр= 20град - угол внутреннего трения
грунта;
К0= 20МН/м3 - коэффициент постели грунта при сжатии;=1,4 - коэффициент
надежности по материалу труб;н= 1,0 - коэффициент надёжности по назначению
газопровода.
10.1 Расчёт толщины стенки газопровода
Расчётное сопротивление:
МПа, где
(10.1)
-
коэффициент условий работы газопровода при расчёте его на прочность,
устойчивость и деформативность.
Толщина
стенки трубы:
, где
(10.2)
-
коэффициент надежности по нагрузке - внутреннему давлению в газопроводе.
Продольные
осевые напряжения:
(10.3)
МПА, где
-
коэффициент линейного расширения металла трубы, град-1;
Е
- переменный параметр упругости (модуль Юнга), МПа;
∆t
- расчётный температурный перепад, принимаемый положительным при нагревании,
0С;
μ=0,3 - переменный коэффициент поперечной деформации стали
(коэффициент Пуассона).
Знак
«минус» в результате формулы (10.2) указывает на наличие осевых сжимающих
напряжений, поэтому необходимо определить коэффициент ψ1, учитывающий двухосное состояние металла труб:
(10.4)
тогда
толщина стенки трубы :
,
принимаем δ
= 0,010м
10.2 Проверка прочности и деформации подземного
газопровода
Проверяем
газопровод на прочность по условию:
, где
(10.5)
-
продольные осевые напряжения
Кольцевые
напряжения, действующие тангенциально поверхности газопровода:
МПа (10.6)
Коэффициент
учитывающий двухосное напряжённое состояние металла труб:
(10.7)

Для
проверки по деформациям находим сначала кольцевые напряжения от действия
нормативной нагрузки - внутреннего давления:
МПа
(10.8)
Коэффициент,
учитывающий двухосное напряжённое состояние металла труб:
(10.9)
Условие
(10.10)
<330
МПа условие выполняется
Продольные
напряжения для полностью защемлённого подземного газопровода:
для
положительного температурного перепада ∆t = +400С:
(10.11)
=
- 88,8 МПа
для
отрицательного температурного перепада ∆t = - 400С:
(10.12)
=
89 МПа
Проверяем
выполнение условия: (10.13)
Для
положительного температурного перепада:
условие
выполняется
Для
отрицательного температурного перепада:
условие
выполняется.
10.3 Проверка общей устойчивости подземного
газопровода в продольном направлении
Проверка
общей устойчивости подземного газопровода в продольном направлении выполняется
по СНиП 2.05.06-85* в плоскости наименьшей жёсткости системы в соответствии с
условием: (10.14)
Площадь
поперечного сечения металла трубы:
(10.15)
Эквивалентное
продольное осевое усилие сжатия в прямолинейном или упругоизогнутом
газопроводе, возникающее от действия двух расчётных нагрузок и воздействий:
внутреннего давления и положительного перепада температур:
,где
(10.16)
-
кольцевые напряжения от расчётного внутреннего давления, МПа
Осевой
момент инерции поперечного сечения металла трубы:
(10.16)
Нагрузка
от собственного веса металла трубы:
, где
(10.17)
с.в.
- коэффициент надёжности по нагрузкам от действия собственного веса трубы для
подземных газопроводов
Нагрузка
от собственного веса изоляции для подземных трубопроводов:
(10.18)
, где
с.в.
- коэффициент надёжности по нагрузкам от действия веса изоляции;из -
коэффициент, учитывающий величину нахлёста;
δи.п. - толщина изолирующей плёнки, мм;
ρи.п. - плотность изолирующей плёнки, кг/м3;
δоб. - толщина обёртки, мм;
ρоб. - плотность обёртки, кг/м3.
Нагрузка
от веса продукта, находящегося в газопроводе единичной длины:пр.=nс.в.100Р =0,95 523Н/м,
где (10.19)с.в. - коэффициент надёжности по нагрузкам от действия продукта,
находящегося в газопроводе.
Нагрузка
от собственного веса газопровода:
тр
= qм+qиз+qпр= 2365+43+523= 2931 Н/м (10.20)
Среднее
удельное давление на единицу поверхности контакта газопровода с грунтом:
(10.21)
, где
гр
- коэффициент надёжности по нагрузке от веса грунта;
γгр - удельный вес грунта, суглинок, кН/м3;- высота засыпки от верхней
образующей газопровода до поверхности грунта, м;
φгр - угол внутреннего трения грунта, град.
Предельные
касательные напряжения по контакту газопровода с грунтом:
τпр=ргрtgφгр+сгр= 18999×tg200+15=
6,93×10-3 МПа (10.22)
Сопротивление
грунта продольным перемещениям отрезка газопровода единичной длины:
р0
= ПДнτпр = 3,14×1,02×6,93×10-3 =
22,2×10-3 МН/м (10.23)
Сопротивление
поперечным вертикальным перемещениям:
верт (10.24)
Для
прямолинейных участков подземных газопроводов в случае пластической связи трубы
с грунтом продольное критическое усилие:
(10.25)
, где
р0
- сопротивление грунта продольным перемещениям отрезка газопровода единичной
длины, МН/м;- площадь поперечного сечения трубы, м2;
Е
- модуль упругости, МПа;- осевой момент инерции поперечного сечения металла
трубы, м4 .
Проверяем
выполнение условия S ≤ mNкр:кр= 0,9·18,73 = 16,857 МН< mNкр; 5,01<
16,857МН - условие выполняется- эквивалентное продольное осевое усилие сжатия в
прямолинейном или упругоизогнутом газопроводе, МН.
Проверим
выполнение условия S ≤ mNкр в случае упругой связи прямолинейного
газопровода с грунтом:
кр= МН, где (10.26)
-
коэффициент нормального сопротивления грунта (коэффициент постели грунта при
сжатии), МН/м3;кр=0,9· 263,2 = 236,88 МН, где- коэффициент условий работы
газопровода при расчёте его на прочность, устойчивость и деформативность.
Газопровод ІІІ категории.
,01<
236,88 МН - условие выполняется.
Расчётная
длина волны выпучивания:
м, где
(10.27)
-
осевой момент инерции поперечного сечения металла трубы, м4
10.4 Оценка устойчивости упругоизогнутых участков
газопровода
определим
параметры Ζ
и Ө:
, где
(10.28)
верт
- сопротивление поперечным вертикальным перемещениям, МН/м
(10.29)
Используя
монограмму, найдём β
= 17
Критическое
усилие для криволинейных (выпуклых) участков газопровода, выполненных упругим
изгибом, в случае пластической связи трубы с грунтом:
МН
(10.30)
кр=
0,9·11,856 = 10,67 МН;
или МН, где (10.31) Rmin - минимальный радиус упругого
изгибакр= 0,9·7,644 = 6,88 МН
в
первом случае 5,01< 10,67 МН условие S≤ mNкр выполняется;
во
втором случае 5,01< 6,88 МН условие S ≤ mNкр выполняется.
11. Сметный расчёт на ремонт линейной части
методом вырезки «катушки» км 193 вторая нитка МГ «Парабель-Кузбасс»
. Затраты по перевозке работников строительно - монтажной организации от
места проживания (временный городок на территории Чажемтовской П.П.) до места
ремонта линейной части магистрального газопровода.
а) Время работы автобуса:
(11.1)
Стоимость
затрат по перевозке.
Стоимость
затрат = 115,68(руб/маш. час)×2,8(маш.час)=323,9руб.
.
Затраты, связанные с командированием работников.
На
основании Постановления Правительства РФ от 02.10.02г. №729 возмещение
расходов, связанных со служебными командировками, осуществить в следующих
размерах:
а)
расходы на выплату суточных в размере 100рублей за каждый день нахождения в
служебной командировке:
Т=100(руб.)× 2(дня) ×25(чел)
= 5000руб.
.
Расходы по перебазировке работников строительной организации от места расположения
подрядной организации (г. Томск) к месту командировки и обратно арендованным
или собственным транспортом.
а) Время работы автобуса:
4.
Затраты по перебазировке строительной техники от места расположения подрядной
организации.
место
дислокации строительной техники - с. Чажемто;
дальность
транспортировки - 70км;
средняя
скорость транспортировки трейлерами с прицепом - 40км/ч, своим ходом - 60км/ч;
Продолжительность
перебазировки:
трейлера
с прицепом - 70км : 40км/ч = 1ч 45мин (3ч 30мин туда и обратно);
техника
своим ходом -70км : 60км/ч = 1ч 11мин (2ч 22мин туда и обратно;
а)
Расходы по перебазировке гусеничной и прочей техники на трейлере с прицепом:
Т
= 134,01(руб.маш.час) ×
3ч 30мин = 469,04руб;
б)
Расходы по перебазировке строительной техники собственным ходом:
Т
= 115,68(руб.маш.час) ×2ч 22мин = 270,69 руб.
Согласно
локальному сметному расчёту, представленному ниже, сметная стоимость работ по
устранению дефекта по результатам внутритрубной дефектоскопии на участке
газопровода «Парабель-Кузбасс» км 193 второй нитки составила 90422 рубля, в том
числе заработная плата 14,3 тыс. рублей. Нормативная трудоёмкость 600
чел.-часов. Указанная сумма будет отнесена на себестоимость транспорта газа.
Работа будет проводить ТУАВР (Томское управление аварийно-восстановительных
работ) при финансировании из собственных ООО «Газпром трансгаз Томск».
12. Расчёт финансовых потерь
Исходя
из технического состояния участка линейной части магистрального газопровода
«Парабель - Кузбасс» км 170-214 вторая нитка по результатам ВТД, проведённой в
июле-августе 2007 года, рассчитаем финансовые потери ООО «Газпром трансгаз
Томск» в сравнении с проектными показателями.
)
Учитывая пропускную способность участка, рассчитанную в разделе 9 формула 9.20
(q=24,52млн.м3/сут.) или Q=8,95млрд.м3/год при Рн=5,43МПа, при снижении
допустимого рабочего давления до Рдоп.=4,72МПа, рассчитанного по формуле 2.3
раздела 2, определим фактическую пропускную способность участка 110-242км.
)
Пропускная способность участка газопровода:
(12.1)
млн.м3/сут;
пропускная
способность участка МГ в год:
год=
qф·365 = 23,58·365 = 8,61млрд.м3/год;
)
Разница в объёме перекачиваемого газа:
∆Q
= 0,34млрд.м3/год;
)
Учитывая, что тариф по транспорту газа, установленный Федеральной службой по
тарифам в России составляет 23,84руб. за 1000м3 на 100км получаем реальные
потери по «недопоставке» газа относительно проектной возможности:
Σ =340000 · 23,84· 1,32 = 10,699млн. рублей в год.
По
расчётам видно, что транспортирующая организация теряет не малые деньги.
Поэтому необходимо сокращать эти потери, тем более, что есть реальные
перспективы по увеличению объёмов поставок газа добывающими предприятиями.
13. Производственная И ЭКОЛОГИЧЕСКАЯ безопасность при проведении
ремонтных работ на магистральном газопроводе
Район работ находится в Томской области на территории Молчановского
района, расположен в пределах Западно-Сибирской равнины и Среднеобской
котловины. Характер местности равнинный, высотные отметки на этой территории не
превышают 150м. Большую часть территории составляет болотно-лесистая местность.
Болота занимают до 40% территории.
Работы проводятся на открытой площадке магистрального газопровода
«Парабель-Кузбас» второй нитки 193 км . Подготовительный этап работы заключался
в подготовке к огневым работам для замены участка трубы на магистральном
газопроводе. В процессе работ был вскрыт участок газопровода и отремонтирован
методом вырезки катушки. Работы проводятся в летнее время, в связи с меньшим
разбором природного газа .
13.1 Производственная безопасность
В таблице 27 приведены основные элементы производственного процесса,
формирующие опасные и вредные факторы [21].
Таблица 27 - Основные элементы производственного процесса, формирующие
опасные и вредные факторы при выполнении ремонтных работ на магистральном
газопроводе
|
Этапы работ
|
Наименование
запроектированныхработ и параметров производства
|
Факторы (ГОСТ 12.0.003-74)
|
Нормативный документ
|
|
|
Опасные
|
Вредные
|
|
|
1.Поле-вой
|
Ремонтные работы на
магистральном газопроводе
|
1.Движущиеся машины и
механизмы производственного оборудования(в т.ч.грузоподьемные)
2.Электрическая дуга и металлические искры при сварке 3. Взрывоопасность и
пожароопасность 4.Электрический ток.
|
1.Превышение уровня шума.
2.Повышенная запыленность и загозованность воздуха рабочей зоны. 3.Отклонение
показателей климота . 4.Повреждение в результате контакта с животными,
насекомыми, пресмыкающимися.
|
ГОСТ12.0.003-74[21]
ГОСТ12.1.012-90[23] ГОСТ12.1.004-91[24] ГОСТ12.1.005-88[25]
ГОСТ12.1.003-83[22] ВСН 51-1-80[6] ГОСТ12.3.009-76 [26]
|
Бригада ЛЭС по ремонту на МГ, выезжая на огневые работы, должна быть
полностью обеспечена спецодеждой и средствами технической безопасности в
соответствии с «Правилами безопасности при проведении огневых работ на МГ»
[14].
К работе допускаются лица, имеющие соответствующее специальное
образование, прошедшие медицинский осмотр, инструктаж по охране труда, а также
проверку знаний СТО Газпром 14-2005[27].
Специалисты, являющиеся непосредственными руководителями работ или
исполнителями работ, должны проводить проверку знаний правил безопасности .
Перед началом работ результаты проверки должны быть занесены в
"Журнал инструктажа на рабочем месте".
Все работники бригады должны знать и уметь самостоятельно оказывать
первую помощь пострадавшему. Бригада должна быть обеспечена аптечкой первой
помощи. Медикаменты должны пополняться по мере расходования и с учетом сроков
их годности [28].
13.2 Анализ опасных факторов и мероприятия по их
устранению
. Движущиеся
машины и механизмы производственного оборудования (в т.ч.грузоподьемные)
При эксплуатации строительных машин и механизмов следует
руководствоваться СНиП III-4-80[29]. Техника безопасности в строительстве,
"Правилами устройства и безопасной эксплуатации грузоподъемных
кранов" и инструкциями заводов-изготовителей.
Руководители организаций, выполняющих строительно-монтажные работы с
применением строительных машин и механизмов, обязаны назначать ИТР,
ответственных за безопасное проведение этих работ из числа лиц, прошедших
проверку знаний, правил и инструкций по безопасному ведению работ с применением
данных машин и механизмов.
Ответственные за содержание строительных машин и механизмов в рабочем
состоянии обязаны обеспечивать проведение их технического обслуживания и ремонт
в соответствии с требованиями инструкции завода-изготовителя.
До начала работы с применением машин и механизмов руководитель работы
должен определить схему движения и место установки их места и способы зануления
(заземления) машин, имеющих электропривод, указать способы взаимодействия и
сигнализации машиниста (оператора) с рабочим-сигнальщиком, обслуживающим
машины, определить (при необходимости) местонахождение сигнальщика, а также
обеспечить надлежащее освещение рабочей зоны.
На месте работы машин и механизмов должно быть обеспечено хорошее
обозрение рабочей зоны и маневрирование. Если машинист или моторист,
управляющий машиной, не имеет достаточную обзорность рабочей зоны или не видит
рабочего (специально выделенного сигнальщика), подающего ему сигналы, между
машинистом и сигнальщиком необходимо установить двухстороннюю радио- или
телефонную связь. Не допускается промежуточный сигнальщик для передачи сигналов
машинисту.
Значение сигналов, подаваемых в процессе работы или передвижения машины,
механизма, оборудования, должно быть разъяснено лицам, участвующим в работе. В
зоне работы оборудования должны быть установлены знаки безопасности и
предупредительные надписи. Запрещается оставлять без надзора оборудование,
машину с работающим (включенным) двигателем.
При погрузочно-разгрузочных работах следует руководствоваться ГОСТ
12.3.009-76[26] , СНиП III-4-80[29]. Строповать грузы следует инвентарными
стропами или специальными грузозахватными устройствами, изготовленными по
утвержденному проекту (чертежу). Способы строповки должны исключать падение или
скольжение застропованного груза.
Установка (укладка) грузов на транспортные средства должна обеспечивать
устойчивое положение транспортного средства и груза при погрузке,
транспортировке и разгрузке.
Запрещается при выполнении погрузочно-разгрузочных работ строповка груза,
находящегося в неустойчивом положении, а также смещение строповочных
приспособлений на приподнятом грузе.
Такелажные приспособления (пеньковые канаты, тросы, стропы, цепи) и
грузоподъемные механизмы (тали, лебедки, краны), применяемые при эксплуатации и
ремонте, должны быть проверены и снабжены клеймами или бирками с указанием
допустимых нагрузок, дат приведенного и очередного испытания.
При подъеме или перемещении грузов должна быть освещенность места работ
не менее 5 лк при работе вручную и не менее 10 лк при работе с помощью машин и
механизмов[30].
При погрузке и разгрузке труб должны быть приняты меры против
самопроизвольного их скатывания со штабелей или транспортных средств.
2.Электрическая
дуга и металлические искры при сварке
Допускаются к сварочным работам на газопроводе и газоопасном оборудовании
сварщики, прошедшие курсовое обучение, проверку знаний (аттестацию) в
соответствии с "Правилами аттестации сварщиков" и получившие
удостоверение на право производства сварочных работ для способа и положения
сварки, а также типа свариваемого металла, аналогичных предстоящим условиям
сварки[5].
Сварщики и их помощники обязаны работать с применением соответствующих
СИЗ, в том числе надевать спецодежду и спецобувь, а также пользоваться
защитными щитком или маской. При потолочной сварке сварщик должен дополнительно
надевать асбестовые или брезентовые нарукавники.
При сварке цветных металлов и сплавов, содержащих цинк, медь или свинец,
сварщик должен пользоваться и соответствующим противогазом.
Газорезчики должны работать в очках со специальными светофильтрами.
При зачистке сварных швов от шлака и грата работники должны быть в
предохранительных очках.
Для подвода тока к электродержателю должны применять гибкие изолированные
провода, защищенные от повреждений. Запрещается применять провода с нарушенной
изоляцией.
Сварочный аппарат и вспомогательные устройства должны располагать не
ближе 20м от места огневой работы.
После окончания работы или перерыва в ней электросварочный аппарат должен
быть выключен.
3.
Электрический ток
Источником поражения током является: электрические провода,
вспомогательное оборудование работающие от электричества.
Электрический удар - это возбуждение живых тканей током, сопровождающееся
сокращением мышц. Электрический ток, проходя через организм человека, оказывает
на него сложное действие, включая термическое, электролитическое и
биологическое.
Безопасность при работе обеспечивается применением различных технических
и организационных мер:
· установка оградительных устройств;
· изоляция токопроводящих частей и её непрерывный контроль;
согласно ПУЭ сопротивление изоляции должно быть не менее 0,5 - 10 Ом*м;
· защитное заземление, использование знаков безопасности и
предупреждающих плакатов (СНиП 12.1.030-81.ССБТ [31]).
В состав бригады входит электрик. К работе с электрооборудованием
допускаются лица, прошедшие специальное обучение и имеющие соответствующую
группу допуска по электробезопасности согласно “Перечню профессий и должностей
работников службы ЛЭС, которые должны иметь соответствующую группу допуска по
электробезопасности”. Весь состав проходит инструктаж по электробезопасности.
Все металлические корпуса сварочных аппаратов должны быть надежно
заземлены. Электрическая проводка должна обязательно иметь неповрежденную
изоляцию. Розетки и вилки должны быть исправными. Около розеток обязательно
должна быть надпись о величине напряжения.
13.3 Анализ вредных факторов и мероприятия по их
устранению
. Превышение
уровня шума
Шум может создаваться работающими транспортом и оборудованием
-кранами-трубоукладчиками, эксковатором, шлифмашинкой. Поэтому рабочие должны
находиться в наушниках. В результате было установлено, что шум ухудшает условия
труда, оказывает вредное воздействие на организм человека. Действие шума
различно: затрудняет разборчивость речи, вызывает необратимые процессы
изменения органа слуха у человека, повышает утомляемость.
Нормирование уровней шума в производственных условиях осуществляется по
ГОСТ 12.1.003-83 [22].
Мероприятия по борьбе с шумом:
· Применение наушников;
· Беруши;
Допустимые уровни звукового давления и эквивалентного уровня звук (ГОСТ
12.1.003-83) [22]. Таблица 28
|
Рабочие места
|
Уровни звукового давления
,дБ, в октавах полосах со среднегеометрическими частотами ,Гц
|
Уровни звука и
эквивалентные уровни звука, дБА
|
|
331,5
|
663
|
1125
|
2250
|
5500
|
11000
|
22000
|
44000
|
88000
|
|
|
Рабочие места водителей и
обслуживающего персонала автомобилей
|
1100
|
887
|
779
|
772
|
668
|
665
|
663
|
661
|
559
|
70
|
|
Рабочие места водителей и
обслуживающего персонала автомобилей (пассажиров) легковых автомобилей
|
993
|
779
|
770
|
663
|
558
|
555
|
552
|
550
|
449
|
60
|
|
Рабочие места водителей и
обслуживающего персонала тракторов, самоходных шасси, строительно-дорожных и
других аналогичных машин
|
1107
|
995
|
887
|
882
|
778
|
775
|
773
|
771
|
669
|
80
|
При превышении предельно допустимых норм шума работники должны
обеспечиваться СИЗ органов слуха: противошумными наушниками, шлемами или
противошумными вкладышами.
СИЗ органов слуха следует выбирать в зависимости от частотного спектра
шума на рабочем месте. Типы и группы СИЗ органов слуха следует выбирать в
соответствии с требованиями ГОСТ 12.4.051[33] .
Работающие, пользующиеся средствами индивидуальной защиты, должны быть
проинструктированы о правилах пользования этими средствами и способам проверки
их исправности.
При проведении электросварочных и газопламенных работ воздействующий шум
не должен превышать значений, предусмотренных требованиями ГОСТ 12.1.003[22]. .
Степень вредности и опасности условий труда при действии
виброакустических факторов устанавливается с учетом их временных характеристик
(постоянный, непостоянный шум, вибрация и т.д.). Определение класса условий
труда при воздействии производственного шума.
Предельно допустимые уровни шума на рабочих местах установлены с учетом
тяжести и напряженности трудовой деятельности СН 2.2.4/2.1.8.562-96[32]. Для
определения ПДУ шума, соответствующего конкретному рабочему месту, необходимо
провести количественную оценку тяжести и напряженности труда, выполняемого
работником .
Оценка условий труда при воздействии на работника постоянного шума
проводится по результатам измерения уровня звука, в дБА, по шкале "А"
шумомера на временной характеристике "медленно".
Примечание. Постоянный шум - шум, уровень звука которого в течение смены
изменяется во времени не более чем на 5 дБА при измерении на характеристике
шумомера "медленно".
Оценка условий труда при воздействии на работника непостоянного шума
производится по результатам измерения эквивалентного уровня звука за смену
(интегрирующим шумомером) или расчетным способом .
Непостоянный шум - шум, уровень звука которого в течение рабочего дня
(смены) изменяется во времени более чем на 5 дБА при измерении на
характеристике шумомера "медленно".
При воздействии в течение смены на работающего шумов с разными временными
(постоянный, непостоянный - колеблющийся, прерывистый, импульсный) и
спектральными (тональный) характеристиками в различных сочетаниях измеряют или
рассчитывают эквивалентный уровень звука. Для получения в этом случае
сопоставимых данных измеренные или рассчитанные эквивалентные уровни звука
импульсного и тонального шумов следует увеличить на 5 дБА, после чего
полученный результат можно сравнивать с ПДУ без внесения в него понижающей
поправки, установленной СН 2.2.4/2.1.8.562-96[32].
Для измеренияуровня шума используют шумометры отечественного производства
ИШВ-1, ВШВ-003, Роботрон, а также зарубежного - «Брюль и Кьер». Измерение шума
на рабочих местах производится при включенных приборах и механизмах. Осуществляется
периодически службой Охраны Труда и сводится к измерению уровня звукового
давления на любых частотах и сравнения.
2.Повышенная запыленность и загозованность воздуха рабочей зоны.
В процессе своей трудовой деятельности электросварщик подвергается воздействию
целого комплекса опасных и вредных производственных факторов физической и
химической природы: Излучение инфракрасных волн, сварочный аэрозоль, искры и
брызги расплавленного металла и шлака[21].
Именно эти факторы вызывают профессиональные заболевания и травматические
повреждения. Другие вредности: газы, шум, электромагнитные поля, образование
аэроионов имеют меньшее значение и обычно не служат причиной профессиональных
заболеваний.
Спектр излучения сварочной дуги включает в себя участок инфракрасных волн
(3430 - 760 нм), видимый участок (760 - 400 нм) и ультрафиолетовый участок (400
-180 нм). При этом доля инфракрасных лучей составляет от 30 до 70% всей энергии
излучения дуги. Именно инфракрасные лучи способны вызвать профессиональную
катаракту. Видимый свет электрической дуги нестерпимо ярок. Смотреть на него
сколько-нибудь долго невозможно, поэтому ни у кого из сварщиков не вызывает
сомнения необходимость использования светофильтров. Наибольшее значение с точки
зрения охраны труда имеет ультрафиолетовая часть спектра. Даже кратковременное
воздействие ультрафиолетовых лучей на незащищенный глаз способно вызвать ожог
роговой оболочки электроофтальмию.
Сварочный аэрозоль представляет собой совокупность мельчайших частиц,
образовавшихся в результате конденсации паров расплавленного металла, шлака и
покрытия электродов. Состав сварочного аэрозоля зависит от состава сварочных и
свариваемых материалов. В силу своих мельчайших размеров (иногда меньше 1
микрометра) сварочный аэрозоль беспрепятственно проникает в глубинные отделы
легких (легочные альвеолы) и частично остается в их стенках, вызывая
профессиональное заболевание, называемое пневмокониоз сварщика, частично
всасывается в кровь.
Чтобы избежать описанного неблагоприятного воздействия производственных
факторов, характерных для электросварки, необходимо не допускать облучения
сварочной дугой глаз и открытых участков кожи, защищать их от попадания искр и
брызг металла и шлака и, наконец, препятствовать попаданию в органы дыхания
сварочного аэрозоля. Работники, занятые производством газопламенных и
электросварочных работ, должны обеспечиваться средствами индивидуальной защиты,
в соответствии с Правилами обеспечения работников специальной одеждой,
специальной обувью и другими средствами индивидуальной защиты.
Применяемые средства индивидуальной защиты должны соответствовать
требованиям ГОСТ 12.4.011[36]. .
Выбор конкретных типов средств индивидуальной защиты должен проводиться в
зависимости от вида работ и применяемых веществ и материалов. Защитные средства,
выдаваемые в индивидуальном порядке, должны находиться во время работы у
работника или на его рабочем месте. Выбор СИЗ следует определять в зависимости
от уровня загрязнения воздушной среды и поверхностей изделия токсичными
веществами, интенсивности шума, вибрации, степени электробезопасности,
микроклимата на рабочем месте и характера выполняемой работы. СИЗОД применяются
в том случае, когда при помощи вентиляции не обеспечивается требуемая чистота
воздуха рабочей зоны, предусмотренная требованиями ГОСТ 12.1.005[21].
Выбор СИЗ лица и органов зрения должен производиться в зависимости от
методов, режимов и видов работ, интенсивности излучения, индивидуальной
особенности зрения. Для защиты глаз от излучения, искр и брызг расплавленного
металла и пыли должны применяться защитные очки типа ЗП и ЗН. Выбор защитных
очков следует производить в соответствии с требованиями [21]. Допускается
использование светофильтров.
При ручной и механической газовой резке, ручной сварке, газовой строжке,
газовой выплавке пороков металла и при нагреве изделий и ПН газосварщики и
газорезчики должны быть обеспечены защитными очками закрытого типа со стеклами
марки ТС-2, имеющими плотность светофильтров ГС-3, при использовании горелок
(резаков) с расходом ацетилена до 750 л/ч, ГС-7 - до 2500 л/ч и ГС-12 - свыше
2500 л/ч.
Вспомогательным рабочим, работающим непосредственно со сварщиком,
резчиком или работником, выполняющим ПН, рекомендуется пользоваться защитными
очками со стеклами марки СС-14 со светофильтрами П-1800. Для защиты лица при
сварке, резке, закалке, зачистке, нагреве и ПН работники должны обеспечиваться
щитками в соответствии с требованиями ГОСТ 12.4.023[37]. Для ГОМ и ПН
рекомендуется применять щитки типа:
НФ - с наголовным креплением, корпус щитка - светофильтрующий;
КФ - щитки с креплением на каске, корпус щитка светофильтрующий;
РФ - щиток с ручкой, корпус щитка - светофильтрующий.
Спецодежда должна быть безвредной, удобной, не стеснять движения
работающего, не вызывать неприятных ощущений, защищать от искр и брызг расплавленного
металла, свариваемого изделия, влаги, производственных загрязнений,
механических повреждений, отвечать санитарно - гигиеническим требованиям и
условиям труда. Выбор спецодежды в зависимости от методов сварки и условий
труда должен производиться в соответствии с рекомендациями ГОСТ 12.4044[34]. и
ГОСТ 12.4.010[35].
При выполнении работ по сварке, наплавке, резке, а также когда
температура окружающего воздуха выше 50 град. C, спецодежда должна обеспечивать
эффективную теплозащиту.
Для защиты рук при сварке, наплавке, ПН и резке работники должны
обеспечиваться рукавицами, рукавицами с крагами или перчатками, изготовленными
из искростойкого материала с низкой электропроводностью.
Запрещается использовать рукавицы и спецодежду из синтетических материалов
типа лавсан, капрон и т.д., которые не обладают защитными свойствами,
разрушаются от излучений сварочной дуги и могут возгораться от искр и брызг
расплавленного металла, и спекаться при соприкосновении с нагретыми
поверхностями.
Для защиты ног от ожогов брызгами расплавленного металла, механических
травм, переохлаждения при работе на открытом воздухе зимой, перегревания при
сварке изделий с подогревом, а также от поражения электрическим током, особенно
при работе в закрытых сосудах, отсеках, работники должны обеспечиваться
специальной обувью. Применять спецобувь с открытой шнуровкой и металлическими
гвоздями не допускается.
Природный газ бесцветен, значительно легче воздуха, малотоксичен, если не
содержит вредных примесей более допустимых норм.
Если природный газ очищен в соответствии с требованиями ОСТ 51.81-82,
"Газы горючие природные, подаваемые в магистральные газопроводы", его
свойства мало отличаются от свойств метана.
Примеси тяжелых углеводородов изменяют свойства природного газа: повышают
его плотность; снижают температуру воспламенения (НКПВ), а следовательно, и
допустимое объемное содержание газа в воздухе рабочей зоны; при значительном их
содержании в газе придают ему запах бензина; снижают минимальную энергию
зажигания.
При значительном содержании природного газа в воздухе из-за снижения
содержания кислорода смесь газа с воздухом действует их вредные свойства
становятся заметными при более низких концентрациях газа в воздухе.
Перед началом и во время огневых работ, при возможности выделения сжиженных
углеводородных газов (далее - СУГ), в помещениях, а также в 20-метровой зоне от
продувочных свечей и рабочего места на территории должен проводиться анализ
воздушной среды на содержание СУГ не реже чем через каждые 30 мин. Объемная
доля газа в воздухе не должна превышать 20 % нижнего концентрационного предела
воспламенения пламени. При наличии паров пропана нижний концентрационный предел
воспламенения газа составляет 2,1 %, паров нормального бутана 1,5 % (п.
1.3.2.2. Гост 20448-90) [38]. Пробы должны отбираться в наиболее плохо
вентилируемых местах.
При наличии в воздухе паров СУГ, независимо от концентрации, огневые
работы должны быть приостановлены. Ремонтные работы могут быть возобновлены
только после ликвидации и устранения утечек газа и анализа отсутствия опасной
концентрации газа в воздухе на рабочем месте. При предельно допустимой
концентрации газа в воздухе рабочей зоны, превышающей 300 мг/м3, работы по
ликвидации и устранению утечек газа должны выполняться в шланговых
противогазах. Устранение утечек газа на работающем технологическом
оборудовании.
3. Отклонение
показателей климата
Климат района континентальный, с продолжительной холодной зимой
(температура достигает -50°С) и коротким тёплым летом (до +35°С). Наибольшее
количество осадков выпадает в осенне-зимний период. Всем членам бригады
выдается спецодежда. Летом: костюм безветренный, костюм хлопчатобумажный с
водоотталкивающим покрытием, костюм противоэнцифалитный, сапоги кирзовые.
Зимой: куртка на утепленной прокладке, костюм зимний с пристегивающейся
утепляющей прокладкой, чуни.
Зимой, работы на открытом воздухе запрещаются при следующих условиях:
Таблица 29
|
Скорость ветра, V м/с
|
Температура, t0С
|
|
При безветренной погоде
|
-40
|
|
Не более 5
|
-35
|
|
5,1-10,0
|
-25
|
|
10,1-15,0
|
-15
|
|
15,1-20,0
|
-5
|
|
>20
|
0
|
4.Повреждения,
в результате контакта с животными, насекомыми, пресмыкающимися
Район работ приурочен к лесным и болотным ландшафтам, в связи с чем
существует опасность повреждений, в результате контакта с дикими животными,
кровососущими насекомыми, клещами. Обязательным требованием для допуска к
работе является вакцинация против клещевого энцефалита. Бригада должна быть
обеспечена спецодеждой и средствами индивидуальной защиты. Так как работы
производятся в летний период.
Места неблагополучные по клещевому энцефалиту (КЭ) и клещевому боррелиозу
(КБ), определяются местными Центрами госсанэпиднадзора. Территория Томской
области считается неблагополучной по КЭ и КБ[38].
Нападение клещей-переносчиков возбудителей КЭ и КБ возможно в
весенне-летний период, при средне-суточной температуре - +3º.
В условиях Томской
области это с начала апреля по октябрь месяцы. Наибольший риск нападения клещей
в месяцах мае и июне.
К полевым работам в весенне-летний период допускаются только лица,
привитые против КЭ. Прививки начинают заблаговременно, в сентябре-октябре
месяцах. Созданный иммунитет должен подкрепляться дополнительными прививками
(ревакцинации), проводимыми в марте-апреле не позже 15 дней до выезда на
полевые работы (согласно схемы иммунопрофилактики).Все работающие, в том числе
и сезонные работники, направленные на работу в неблагополучные по КЭ и КБ
места, при контакте с клещами должны быть обеспечены специальной одеждой для
индивидуальной защиты. Лица, подлежащие обеспечению защитной спецодеждой, все
полевые работы в весенне-летнее время выполняют только в защитной одежде,
остальные работники приспосабливают любую рабочую одежду так, чтобы под нее не
заползали клещи. Куртку на молнии или рубашку нужно заправить в брюки, ворот
плотно застегнуть. Брюки заправить в носки, а затем в сапоги или ботинки.
Волосы и уши прикрыть капюшоном, косынкой или беретом. Каждый работник должен
быть обеспечен средствами индивидуальной защиты от клещей: репеллентами и
акарицидами (для пропитки одежды и смазывания открытых участков тела). Репелленты,
содержащие около 30% диэтилтолуамида и разрешенные МЗ РФ:
"ДЭФИ-ТАЙГА", "Офф! Экстрим", "Гардексаэрозоль
экстрим", "Гал-РЭТ", "ДЭТА-ВОККО",
"ТОРНАДО","Бибан". Акарициды, разрешенные к применению:
"Рефтамид таежный", "Москитол антиклещ", "Гардекс
антиклещ", "Претикс", "Перманон", "Кра-реп"
В весенне-летний период времени необходимо проводить регулярные
самоосмотры одежды и взаимоосмотры и не реже 2-х раз в течение рабочего дня
осмотры тела (во время перерыва и по окончании работы). Обнаруженных клещей
снять и сжечь. Осмотры проводятся под наблюдением специалиста ответственного за
работу в данном районе.
При укусе клеща следует его немедленно удалить вместе с хоботком, который
удаляется как заноза, место укуса обработать настойкой йода. Сообщить об укусе
старшему по работе и незамедлительно обратиться в пункт серопрофилактики для
введения иммуноглобулина. Начальник службы (участка) или ответственный
специалист несет ответственность за своевременное, не позднее 2 суток,
обращение пострадавшего в медицинское учреждение и информацию руководителю
учреждения, инженеру по охране труда о случае покуса и принятых мерах. По факту
укуса должен быть составлен акт произвольной формы с указанием места, времени и
выполняемой работы при которой произошел укус.
Ежегодно разрабатывать и согласовывать с местными органами санитарной
службы мероприятия по профилактике КЭ и КБ с учетом местных условий и специфики
предстоящей работы в весенне-летний период, доводить до их сведения каждого
работника из числа профессионально угрожаемых контингентов.
Каждый случай заболевания КЭ подлежит расследованию как профессиональное
заболевание с представлением материала в установленные сроки и принятия мер по
недопущению повторных случаев.
13.4 Пожарная и взрывная безопасность
Предотвращение пожаров и взрывов объединяется общим понятием - пожарная
профилактика. Ее можно обеспечивать различными способами и средствами:
· технологическим,
· строительными,
· организационно-техническими.
Пожарная профилактика является важнейшей составной частью общей проблемы
обеспечения пожаро-взрывобезопасности различных объектов, и поэтому ей
уделяется первостепенное внимание при решении вопросов защиты объектов от
пожаров и взрывов. При пожаре на людей воздействуют следующие опасные факторы:
· повышенная температура воздуха или отдельных предметов,
· открытый огонь и искры,
· пониженное содержание кислорода в воздухе,
· взрывы,
· токсичные продукты сгорания, дым и т.д.
Основными причинами пожаров на производстве являются нарушение
технологического режима работы оборудования, неисправность электрооборудования,
самовозгорание различных материалов и другое. В соответствии с нормативным
документом (ГОСТ 12.1.010-76 [40]) вероятность возникновения пожара или взрыва
в течение года не должна превышать 10 (одной миллионной). Для предотвращения
пожаров и взрывов необходимо исключить возможность образования горючей и
взрывоопасной среды и предотвратить появление в этой среде источников
зажигания. По пожарной опасности технологический процесс относится к категории
А.
Ответственность за пожарную безопасность при строительстве магистрального
газопровода возлагается на руководителя огневых работ. Приказ доводится до
сведения всех работников, задействованных на огневых работах и знакомятся с
приказом под роспись.
Требования пожарной безопасности при проведении огневых работ
устанавливаются Правилами пожарной безопасности в Российской Федерации (ППБ
01-03) [14].
Обеспечение пожарной безопасности при проведении огневых работ
осуществляет назначенное приказом лицо ответственное за проведение огневых
работ, а при нескольких местах огневой работы, приказом назначается лицо
ответственное за выполнение мероприятий обеспечивающих пожарную безопасность
Лица, принимающие участие в огневых работах должны ежегодно проходить
обучение по пожарно-техническому минимуму со сдачей экзамена.
Осмотр места проведения и согласование в наряде-допуске на выполнение
огневых работ осуществляют:
инженеры пожарной охраны, ГО и ЧС;
командиры отделений ведомственной пожарной охраны (ВПО);
лица ответственные за пожарную безопасность филиала (при отсутствии в
штатах инженеров пожарной охраны, ГО и ЧС или командиров отделений ВПО)
При отсутствии оформленного в установленном порядке наряда - допуска или
нарушении правил пожарной безопасности работы должны быть немедленно
прекращены.
Места проведения огневых работ следует обеспечивать в необходимом
количестве первичными средствами пожаротушения (огнетушители, лопаты, ёмкости с
водой).
При проведении огневых работ на участках магистральных газопроводов в
двух и более местах привлекать пожарные машины (пожарный автомобиль или
мотопомпу).
В опасной зоне места проведения огневых работ запрещается курить,
разводить костры применять открытый огонь.
Спецоборудование и транспортные средства, имеющее ДВС должны быть оснащены
искрогасителями, а их электрооборудование и источники электроснабжения иметь
исправную электросистему.
Сварщики и их помощники могут пользоваться теплоотражательными костюмами
(ТОК-200).
Все принимающие непосредственное участие в огневых работах должны быть в
сертифицированной спецодежде из термостойких материалов.
Хранение и транспортирование баллонов с газами должно осуществляться
только с навинченными на их горловины предохранительными колпаками. При
транспортировании баллонов нельзя допускать толчков и ударов. К месту сварочных
работ баллоны должны доставляться на специальных тележках, носилках, санках,
Баллоны с газом при их хранении, транспортировании и эксплуатации должны
быть защищены от действия солнечных лучей и других источников тепла.
По окончании огневых работ необходимо используемые огнетушители
перезарядить, пожарным автомобилям и мотопомпам провести техническое
обслуживание, противопожарному инвентарю провести профилактическое обслуживание
(заточка, подкраска и т.п.).
Каждый случай пожара, происшедшего в результате нарушения правил пожарной
безопасности при проведении огневых работ, должен быть тщательно расследован
специально созданной комиссией с составлением акта. По результатам
расследования должны быть разработаны дополнительные мероприятия, направленные
на предотвращение подобных случаев. При необходимости следует вносить изменения
в данное дополнение.
13.5 Экологическая безопасность
Все мероприятия по охране окружающей среды при строительстве
магистрального газопровода выполнены в соответствии с разделом 13 СНиП
ІІІ-42-80*[16]. и рабочим проектом.
При выполнении всех строительно-монтажных работ необходимо строго
соблюдать требования защиты окружающей природной среды, сохранения её
устойчивого экологического равновесия, и не нарушать условия землепользования,
установленные законодательством об охране природы.
Строительная организация, выполняющая строительно - монтажные работы,
несёт ответственность за соблюдением проектных решений, связанных с охраной
окружающей среды, а также за соблюдение государственного законодательства по
охране природы.
Временные автомобильные дороги и проезды должны устраиваться с учётом
требований по предотвращению повреждения плодородного слоя и
древесно-кустарниковой растительности.
Потери растительного слоя при прокладке временных дорог должны быть
минимальными. Низкие кустарники вдоль полосы отвода не рекомендуется вырубать.
Они сохраняют устойчивость почвы и служат в качестве осадочного фильтра вдоль
водоёмов.
Простейшим методом расчистки трассы в редких лесах является прижимание
растительности к поверхности будущей дороги.
Ширина полосы отвода земли на время строительства и ремонта магистральных
трубопроводов определяется проектом в соответствии с нормами отвода земель для
магистральных трубопроводов.
Производство строительно-монтажных работ, движение машин и механизмов,
складирование и хранение материалов в местах, не предусмотренных проектом
производства работ, запрещается.
Мероприятия по предотвращению эрозии почв, оврагообразования, а также
защитные противообвальные и противооползневые мероприятия должны выполняться в
строгом соответствии с проектными решениями.
При выборе методов и средств механизации для производства работ следует
соблюдать условия, обеспечивающие получение минимума отходов при выполнении
технологических процессов (превращение древесных отходов в промышленную щепу,
многократное использование воды при очистке полости и гидравлических испытаниях
трубопровода и т. д.).
Плодородный слой почвы на площади, занимаемой траншеями и котлованами, до
начала основных земляных работ должен быть снят и уложен в отвалы для
восстановления (рекультивации) земель. При производстве указанных работ следует
строго соблюдать требования проекта рекультивации и положения Инструкции по
рекультивации земель при строительстве магистральных трубопроводов и Основных
положений по восстановлению земель, нарушенных при разработке месторождений
полезных ископаемых, проведении геологоразведочных, строительных и иных работ.
Снятие, транспортировка, хранение и обратное нанесение плодородного слоя
грунта должны выполняться методами, исключающими снижение его качественных
показателей, а также его потерю при перемещениях.
Использование плодородного слоя грунта для устройства подсыпок, перемычек
и других временных земляных сооружений для строительных целей не допускается.
Не допускается сливать в реки, озёра и другие водоёмы воду, вытесненную
из трубопровода, без предварительной её очистки.
После окончания основных работ строительная организация должна
восстановить водосборные канавы, дренажные системы, снегозадерживающие
сооружения и дороги, расположенные в пределах полосы отвода земель или
пересекающих эту полосу, а также придать местности проектный рельеф или
восстановить природный.
Природоохранные мероприятия:
Для снижения воздействия на окружающую среду и затрат на их возмещение
при проведении ремонтных работ на магистральном газопроводе необходимо
выполнение следующих мероприятий:
1. Использование емкостей для сбора отработанных ГСМ, хозбытовых и
производственных отходов;
2. Оборудование передвижных емкостей приспособлениями, исключающими
разлив ГСМ при их транспортировке и заправке техники;
. Строгое соблюдение правил работы в водоохраной зоне.
. Озеленение водоохранных зон;
. Ликвидация отходов производства и хозбытовых отходов на местах
работы ремонтной бригады;
. Соблюдение правил пожарной безопасности в бесснежный период
времени.
Таблица 30
Вредные воздействия на окружающую среду и природоохранные мероприятияприя
при гидрогеоэкологических работах
|
Природные ресурсы и
компоненты окружающей среды
|
Вредные воздействия
|
Природоохранные мероприятия
|
|
Земля и земельные ресурсы
|
1.Уничтожение и повреждение
почвенного слоя, сельхозугодий и др. земель. 2.Засорение почвы
производственными отходами и мусором. 3.Создание выемок и неровностей,
усиление эрозионной опасности, уничтожение растительности.
|
1. При обработке
запланированного объема работ производится временное отчуждение земель. 2.
Применение технологического процесса и видов транспортных средств с
минимальным влиянием на окружающую среду. 3. Запрещается проведение земляных
и иных работ, нарушающих почвенный слой.
|
|
Лес и лесные ресурсы
|
1.Уничтожение, повреждение
и загрязнение почвенного покрова. 2.Лесные пожары.
|
1. В пределах водоохранных
зон запрещена вырубка леса 2. Запрещается разведения костров рядом с лесным
массивом.
|
|
Вода и водные ресурсы
|
1.Загрязнение мусором.
|
1. В водоохранных зонах
запрещаются: складирование древесины, мусора и отходов производства, стоянка,
заправка топливом, мойка и ремонт тракторно-вездеходной техники, земляные
работы.
|
1.Распугивание, нарушение
мест обитания животных, рыб и др. представителей животного мира, случайное
уничтожение. 2.Браконьерство
|
1. Охота на дичь и рыбная
ловля разрешена только лицам, имеющим на это право, с соблюдением сроков и
правил охоты и рыбной ловли. 2. Предусматривается ограничение количества
переездов через ручьи и овраги с целью минимизации производства работ в
пойменных местах.
|
13.6 Безопасность при чрезвычайных ситуациях
Чрезвычайные ситуации (ЧС) - обстановка на определенной территории
сложившаяся в результате аварии, опасного природного явления, катастрофы,
стихийного или иного бедствия, которые могут повлечь за собой человеческие
жертвы, ущерб здоровью людей или окружающей природной среде, значительные материальные
потери и нарушение условий жизнедеятельности людей.
Чрезвычайные ситуации подразделяются на следующие виды:
природные (наводнение, снег, ветер, низкие температуры);
техногенные (аварии, пожары);
военные.
Возможные аварии на магистральном газопроводе могут возникнуть в
результате внезапной разгерметизации линейной части, которая может наступить по
нескольким причинам:
Она происходит в результате образования свища, трещины на трубе, фасонных
частях или оборудовании линейной части, а также в случае аварийного отказа в
работе запорной арматуры, которые возникают вследствие:
а) общих коррозийных повреждений, уменьшивших толщину стенки трубы до
величины, которая меньше необходимой для обеспечения прочности магистрального
трубопровода при максимально разрешенном рабочем давлении газа, питтинговых
коррозийных повреждений, создающих реальную угрозу возникновения утечки газа;
б) любых воздействий, создающих сверхнормативные нагрузки на трубопровод,
или его перемещений в пространстве в результате стихийных явлений, происходящих
в окружающей среде (оползень, паводок, землетрясение и др.), механических
воздействий техники, которые отрицательно влияют на безопасность
функционирования объекта;
в) любых видов трещинообразования или дефектов материала труб и
оборудования, которые понижают прочность и требуют для обеспечения безопасности
снижения рабочего давления на 20% и более от установленного или отключения
объекта;
г) при возникновении кристаллогидратной пробки, вследствие которой
возникает давление превышающие максимально разрешенное рабочее давление;
д) при проведении диверсионных и террористических актов.
Утечку газа можно обнаружить приборами-газоанализаторами, а также
визуально и "на слух" по следующим характерным признакам:
• шуму и запаху газа;
• изменению цвета растительности;
• появлению пузырьков на водной поверхности в обводнённых местах;
• потемнению снежного покрова.
При обнаружении утечки с непрерывным выходом газа линейным
трубопроводчиком должны быть приняты меры по скорейшему оповещению
диспетчерской службы, руководства подразделения, по оценке размеров
загазованной зоны (до 20 % НПВ), опасности для населённых пунктов и других
объектов и отключению повреждённого участка. В случае аварии с выходом большого
количества газа вблизи населённого пункта, дороги, или водной артерии линейный
трубопроводчик с целью предупреждения несчастных случаев до прибытия аварийной
бригады обязан:
• выставить предупредительные знаки на расстоянии не менее 300 м от места
повреждения трубопровода;
• при необходимости организовать объезд или выставить знаки, запрещающие
въезд транспорта в опасную зону;
• предупредить жителей близлежащего пункта об опасности распространения
огня и соблюдения ими правил безопасности;
• находиться в районе повреждения вне зоны загазованности до прибытия
ремонтно-восстановительной бригады.
Сопровождается резким хлопком, напоминающим взрыв с последующим сильным
шумом, выбросом грунта, кусков металла в радиусе до 250 - 300 метров. Как
правило, происходит с возгоранием потока газа. Зона термического воздействия
при горении составляет 300 метров и представляет наибольшую опасность для
людей, объектов и сооружений.
При разрыве без возгорания опасность представляет взрывная волна и
возможность возгорания (взрыва) потока газа в любой момент. Поэтому категорически
запрещается приближаться к месту разрыва газопровода до полного прекращения
выхода газа ближе 500 метров.
При значительном расстоянии от места аварии разрыв трубопровода
определяется по резкому и прогрессирующему падению давления в газопроводе с
обеих сторон от места разрыва.
Обнаруживший аварию должен немедленно сообщить о ней на коммутатор и
сменному инженеру и принять меры к локализации аварии.
До подъезда аварийно-ремонтной бригады, к месту аварии для взятия проб
воздуха и выяснения обстановки пешком должна направляться бригада из трех
человек. Транспорт двигается вслед за бригадой с интервалом не менее 100 м.
Продвижение возможно до тех пор, пока бригада не обнаружит в воздухе
углеводородные пары, содержание которых превышает 20% от нижнего предела взрываемости.
После этого средства транспорта должны быть остановлены (по сигналу
старшего бригады). Если ветер от загазованной зоны направлен в сторону
транспортных средств, они должны быть отведены назад.
Бригада путем замеров должна определить границы загазованной зоны и
установить на ней соответствующие знаки.
В загазованную зону персонал должен входить только в изолирующих
противогазах.
Заключение
В данной ВКР освещена Техническая характеристика магистрального
газопровода «Парабель - Кузбасс» в зоне ответственности Чажемтовской
промышленной площадки, входящей в состав Томского ЛПУ. Описана внутритрубная
диагностика км 110-214 вторая нитка. Произведён анализ существующих технологий
ремонта, гидравлического испытания трубы для «катушки». Разработан план
производства работ км 193 магистрального газопровода «Парабель-Кузбасс» вторая
нитка .
Проведён гидравлический расчёт, и расчёт на прочность и устойчивость
участка магистрального газопровода. Также рассмотрены мероприятия по
безопасному проведению работ и экологичности.
Разработанный в составе ВКР план производства работ соответствует
требованиям, предъявляемым ООО «Газпром трансгаз Томск».
Список литературы
1. Бабин
Л.А., Григоренко П.Н., Ярыгин Е.Н. «Типовые расчёты при сооружении
трубопроводов». - М.: Недра, 1995. - 246с.
2. Вайншток
С.М. «Трубопроводный транспорт нефти». І том - М.: Недра, 2002 - 407с.
. ВСН
012-88 «Контроль качества и приёмка работ».
. ВСН
004-88 «Строительство магистральных трубопроводов. Технология и организация».
. ВСН
51-1-97 «Правила производства работ при капитальном ремонте магистральных
газопроводов».
. ВСН
51-1-80 «Инструкция по производству работ в охранных зонах магистральных
трубопроводов Мингазпром».
. ВРД
39-1.10-006 2000 «Правила технической эксплуатации магистральных газопроводов».
. ГОСТ
7512-82 «Контроль неразрушающий. Соединения сварные. Радиографический метод».
. Инструкция
по гидравлическому и топливному расчёту магистральных газопроводов,
прокладываемых в Северных районах.
. Правила
безопасности при эксплуатации магистральных газопроводов ВНИИГАЗ, 1984г.
. РД
51-2-97 «Инструкция по внутритрубной инспекции трубопроводных систем», ОАО
«Газпром», 1997.
. РД
558-97 «Технология сварки труб при производстве ремонтно - восстановительных
работах на газопроводах».
. «Спутник
газовика» часть ІІІ.
. СТО
Газпром 14 - 2005, «Типовая инструкция по безопасному проведению огневых работ
на объектах ОАО «Газпром».
. СНиП
2.05.06-85* «Магистральные трубопроводы. Нормы проектирования».
. СНиП
ІІІ-42-80* «Магистральные трубопроводы. Правила производства и приёмки работ».
. СН
452 «Нормы отвода земель».
. СП
104-34-96 «Земляные работы».
. СП
111-34-96 «Очистка полости и испытание газопроводов».
. Технический
отчёт по внутритрубной дефектоскопии участка газопровода «Парабель - Кузбасс»
111-214км второй нитки 2007г.
. ГОСТ
12.0.003-74 «Опасные и вредные факторы»
. ГОСТ
12.1.003-83 «Шум. Общие требования безопасности»
. ГОСТ
12.1.012-90 «Вибрационная безопасность»
. ГОСТ
12.1.004-91 «Пожарная безопасность»
. ГОСТ
12.1.005-88 «Общие санитарно-гигиенические требования к воздуху рабочей зоны»
. ГОСТ
12.3.009-76 «Работы погрузочно-разгрузочные»
. СТО
Газпром 14 - 2005
. Обучение
приемам и способам оказания первой медицинской помощи в черезвычайных
ситуациях. 2008г
. СНиП
3-4-80 «Техника безопасности в строительстве»
. Сан.ПиН
2.2.1/2.1.1.1278-03«Санитарные правила и нормы к естественному, искусственному
освещению»
. СНиП12.1.030-81«Электробезопасность.
Защитное заземление»
. СН
2.2.4/2.1.8.562-96 «Шум на рабочихместах»
. ГОСТ
12.4.051 «Средства индивидуальной защиты органа слуха»
. ГОСТ
12.4.4044 «Выбор спецодежды для сварки»
. ГОСТ
12.4.010 «Средства индивидуальной защиты. Рукавицы»
. ГОСТ
12.4.011 «Средства защиты работающих»
. ГОСТ
12.4.023 «Щитки защитные лицевые»
. ГОСТ
20448-90 «Газы углеводородные»
. Инструкция
по борьбе с клещевым энцифалитом
Похожие работы на - Устранение дефектов на участке 61-105 км магистрального газопровода 'Лугинецкое-Парабель' методом вырезки 'катушки'
|