Усовершенствование экскаватора-погрузчика JCB 4 CX
Министерство образования и науки РФ
Государственное
образовательное учреждение высшего профессионального образования
Санкт-петербургский
государственный архитектурно-строительный университет
Факультет
автомобильно-транспортный
Кафедра
наземных транспортно-технологических машин
Дипломный проект
Усовершенствование
экскаватора-погрузчика JCB 4 CX
Дипломник:
студент группы МАС-V
Шипин С.В.
Руководитель
- к.т.н., доцент
Степина П.А.
2014г.
Введение
Современный экскаватор-погрузчик серьезно конкурирует и с традиционным
пневмоколесным экскаватором, и с погрузчиком средней грузоподъемности. С тех
пор, как в конструкции экскаваторов-погрузчиков появились такие особенности,
как смещаемая ось копания и телескопическая рукоять, аргументов в пользу специализированной
техники поубавилось. Немаловажным преимуществом, особенно для компаний,
работающих в больших городах с интенсивным транспортным потоком, стал тот факт,
что транспортная скорость экскаватора-погрузчика достигает 40 км/ч, тогда как
пневмоколесные модели экскаваторов передвигаются по дорогам общего пользования
со скоростью не более 20…25 км/ч. Этот фактор значительно повышает спрос на
Bachoe Loader (как называется экскаватор-погрузчик в англоязычных странах) со
стороны арендных компаний, для которых возможность быстрой транспортировки с
одной рабочей площадки на другую имеет важное значение.
Что касается функциональных возможностей экскаваторов-погрузчиков, то
современные модели могут качественно выполнять таких виды строительных работ,
как перегрузка материалов, выемка траншей, рытье котлованов под фундамент,
установка дренажных подушек, засыпка, планировка и т. д.
Не стоит также забывать, что на относительно небольших строительных
площадках среди жилых зданий маневр обычных погрузчиков или экскаваторов
среднего класса сильно затруднен. Применение тяжелой техники иногда оказывается
вообще невозможным из-за неспособности развернуться на ограниченной площади.
Следовательно, применение одной единицы техники вместо двух позволяет не только
значительно экономить топливо, но и предоставить больше пространства для
маневрирования самосвалов.
В общем, пока экскаватор с погрузчиком маневрируют, их гибрид работает.
Какой будет дальнейшая судьба пневмоколесных экскаваторов, сказать
трудно. Производители не исключают, что легкие модели колесных экскаваторов
постепенно исчезнут как класс подобно тому, как развитие гидроманипуляторов
привело к исчезновению автокранов грузоподъемностью до 10 т. Практика
показывает, что лишь только универсальная техника становится достаточно
эффективной, чтобы заменить узкоспециализированную, потребитель выбирает именно
ее. Уже сегодня в ряде регионов экскаваторы-экскаваторы-погрузчики практически
полностью вытеснили не только легкие колесные экскаваторы, но и легкие
фронтальные экскаваторы-погрузчики, которые ранее широко применяли в
коммунальном хозяйстве.
Особой популярностью у потребителей сейчас пользуются полноприводные
экскаваторы -погрузчики с равновеликими колесами и модели с четырьмя
управляемыми колесами, которые благодаря своей конструкции обладают уникальной
маневренностью, позволяющей им разворачиваться даже в очень ограниченном
пространстве. При этом разница в цене полноприводных моделей и машин с двумя
ведущими колесами не более 15%. В связи с этим многие производители в принципе
отказываются от производства техники с колесной формулой 4х2. Также все ведущие
производители повсеместно перешли на выпуск телескопических рукоятей и
применение аксиально-поршневых гидронасосов, что, собственно, и позволило
увеличить не только глубину копания, но и производительность экскаваторного
оборудования.
Модели с сочлененной рамой (угол поворота полурам этих машин достигает 40º)
пользуются пока не столь
высоким спросом, хотя именно в такой комплектации экскаватор-погрузчик может в
полной мере сочетать в себе возможности и фронтального одноковшового
погрузчика, и обычного экскаватора. Продавцы связывают это с более высокой
стоимостью машин.
Глава 1.
Конструкторская часть
.1
Характеристики погрузчиков- экскаваторов
В табл. 1.1. приведены характеристики экскаваторов-погрузчиков
Таблица 1.1 Сравнительные характеристики экскаваторов-погрузчиков
|
Модель
|
Производитель
|
Грузо-подъемность, кг
|
Емкость ковша погрузчика,
м3
|
Ширина режущей кромки
ковша, м
|
Мах высота погрузки, м
|
Вылет кромки ковша, м
|
Емкость ковша экскаватора,
м3
|
Мах глубина копания, м
|
Мах радиус копания, м
|
Мощность двигателя, КВт
|
Мах скорость, км/ч
|
Масса, кг
|
Габаритные размеры, м
|
|
30-2681 В-3 ЛТЗ-60АВЭ
|
ОАО "САРЭКС"
|
н/д
|
н/д
|
н/д
|
н/д
|
н/д
|
0,25
|
4,15
|
5,3
|
44,1
|
20
|
6000
|
7,0x2,5x3,8
|
|
30-2681 В-3 МТЗ-80,82
|
ОАО "САРЭКС"
|
н/д
|
н/д
|
н/д
|
н/д
|
н/д
|
0,25
|
4,15
|
5,3
|
57,4
|
20
|
6100
|
7,0x2,5x3,8
|
|
ЭО-2621 В-3
|
ОАО "САРЭКС"
|
н/д
|
н/д
|
н/д
|
н/д
|
н/д
|
0,25
|
4,15
|
5,3
|
44,5
|
20
|
6000
|
7,0x2,5x3,8
|
|
ЭО-2621 С
|
ОАО "САРЭКС"
|
н/д
|
н/д
|
н/д
|
н/д
|
н/д
|
0,25
|
4,15
|
5,3
|
57,4
|
20
|
6100
|
7,0x2,5x3,8
|
|
Э0-2626 МТЗ-80,82
|
ОАО "САРЭКС"
|
1000
|
0,7
|
2,2
|
2,52
|
2,2
|
0,25
|
4,15
|
5,3
|
57,4
|
20
|
7120
|
8,0x2,5x3,8
|
|
Э0-2626 МТЗ-80,82
|
ОАО "САРЭКС"
|
1000
|
0,7
|
2,2
|
2,52
|
2,2
|
0,25
|
4,15
|
5,3
|
57,4
|
20
|
7400
|
8,0x2,5x3,8
|
|
ЭП-2421
|
ОАО "САРЭКС"
|
1400
|
0,7
|
2,2
|
2,7
|
2,2
|
0,25
|
5,8
|
7,2
|
88,2
|
43,6
|
12000
|
6,3x2,2x3,8
|
|
ЭО-2628
|
ОАО "САРЭКС"
|
1400
|
0,7
|
2,2
|
2,7
|
2,2
|
0,25
|
4,35
|
5,6
|
55,1
|
30
|
7600
|
6,3x2,2x3,8
|
|
580 Super M
|
CASE
|
3800
|
1
|
2,36
|
3,49
|
0,62
|
0,08-0,31
|
5,45
|
6,53
|
68,6
|
34,5
|
7820
|
5,58x2,36x3,42
|
|
590 Super M
|
CASE
|
3800
|
1
|
2,36
|
3,49
|
0,62
|
0,08-0,31
|
5,45
|
6,53
|
75,3
|
35,3
|
8180
|
5,58x2,36x3,42
|
|
1СХ
|
JCB
|
н/д
|
0,34
|
н/д
|
2,35
|
н/д
|
0,02 - 0,08
|
2,55
|
н/д
|
35
|
н/д
|
2790
|
3,4x2,21x1,56
|
|
2СХ
|
JCB
|
н/д
|
0,6
|
н/д
|
3,74
|
н/д
|
0,028 - 0,11
|
4,31
|
н/д
|
56
|
н/д
|
5130
|
4,72x1,8x2,6
|
|
3СХ
|
JCB
|
н/д
|
1,1
|
н/д
|
4,72
|
н/д
|
0,06-0,30
|
5,64
|
н/д
|
68,5
|
н/д
|
8070
|
5,6x2,36x3,6
|
|
4СХ
|
JCB
|
н/д
|
1,3
|
н/д
|
4,73
|
н/д
|
0,06-0,30
|
4,67
|
н/д
|
74,6
|
н/д
|
8660
|
5,91x2,36x3,54
|
|
4СХ SUPER
|
JCB
|
н/д
|
1,3
|
н/д
|
5,03
|
н/д
|
0,06-0,30
|
5,35
|
н/д
|
74,6
|
н/д
|
8880
|
5,91x2,36x3,9
|
|
WB93К-2
|
KOMATSU Ltd.
|
3250
|
1,03
|
2,32
|
3,2
|
3,4
|
н/д
|
4,95
|
5,55
|
67,7
|
40
|
8580
|
5,89x2,32x3,66
|
|
WB93К-2
|
KOMATSU Ltd.
|
н/д
|
1,03
|
2,32
|
3,2
|
3,4
|
н/д
|
4,95
|
5,55
|
67,7
|
40
|
8580
|
5,89x2,32x3,66
|
|
LВ90
|
New Holland
|
2755
|
1,2
|
2,28
|
2,73
|
1,98
|
0,175
|
5,5
|
6,64
|
90
|
36
|
6950
|
5,7x2,3x3
|
|
LВ95
|
New Holland
|
2755
|
1,2
|
2,28
|
2,73
|
1,98
|
0,175
|
5,8
|
6,94
|
95
|
36
|
7270
|
5,7x2,3x3
|
|
LВ110
|
New Holland
|
2950
|
1,2
|
2,28
|
2,73
|
1,98
|
0,175
|
5,8
|
6,94
|
106
|
36
|
7280
|
5,7x2,3x3
|
|
LВ115
|
New Holland
|
3270
|
1,2
|
2,28
|
2,73
|
1,38
|
0,175
|
5,82
|
6,95
|
108
|
36
|
8400
|
6,0x2,4x3
|
|
BL-71
|
Volvo
|
2000
|
1
|
2,350
|
2,630
|
н/д
|
0,2
|
5,370
|
6,880
|
70
|
38,5
|
8594
|
5,8х2,4х3,7
|
.2 История
развития
Первый в мире экскаватор-погрузчик появился совсем недавно.
После создания мощных паровых и бензиновых машин, человек только тем и
занимался, что перестраивал свою планету. Но его интересовали лишь масштабные
проекты. Он прорывал в пустыне каналы, прокладывал железные дороги в тайге и
туннели в горах. И при этом уходили в тень и оставались немеханизированными
самые обычные и привычные операции.
Все началось в 1917 году, когда некий Евгений Кларк из США изобрел первый
фронтальный погрузчик. Вероятно, ему же пришла в голову и гениальная идея
совместить эту машину с обычным экскаватором, что воплотилось в комбинированном
универсальном экскаваторе-погрузчике.
Скорее всего, это было именно так. По крайней мере, фирма, выпустившая в
свет экскаватор-погрузчик, называлась «Кларк». Кстати, произошло это
относительно недавно, ведь самый первый, поступивший в продажу экскаватор
погрузчик, был реализован в 1954 году.
Современный экскаватор погрузчик - универсальное многофункциональное
устройство. Экскаватор погрузчик способен работать даже с самыми тяжелыми
грунтами. Он мобилен, маневрен, легок в управлении, а небольшие габариты
экскаватора-погрузчика делают его незаменимыми в самых немыслимых условиях.
Имеющиеся в продаже экскаваторы Экскаваторы-погрузчики обладают огромным
спектром характеристик, а потому так востребованы сегодня практически во всех
областях человеческой деятельности.
1.3
Технико-экономические требования к машине (по ГОСТ 15.001-88*)
Экскаваторы-погрузчики следует изготавливать в соответствии с
требованиями настоящего стандарта и нормативного документа на
Экскаваторы-погрузчики конкретных моделей по рабочим чертежам, утвержденным в установленном
порядке.
Климатическое исполнение и категория размещения экскаваторов-погрузчиков
- по ГОСТ 15150.
устойчивую работу на уклонах не менее 5˚ и преодоление подъема
(спуска) на твердом грунте не менее:
˚ - для колесных погрузчиков;
˚ - для гусеничных погрузчиков;
работоспособность со сменными рабочими органами (ковш двухчелюстной,
увеличенный ковш для легких материалов, уменьшенный ковш для тяжелых
материалов, грузовые вилы для штучных грузов, крановая безблочная стрела,
бульдозерный отвал, челюстной захват, бадья для бетона);
буксировку, строповку для подъема краном и закрепление на железнодорожном
подвижном составе;
возможность закрепления рабочего оборудования в транспортном положении;
возможность передвижения колесных погрузчиков по всей сети автомобильных
дорог;
работу без дозаправки топливом не менее 10 мото-часов;
установку приборов для эксплуатации по ГОСТ 28634;
установку счетчика мотто-часов;
дистанционный контроль уровня топлива в баке;
установку устройства для запуска двигателя при отрицательных
температурах;
техническое обслуживание двигателя, шасси, трансмиссии без демонтажа кабины;
возможность агрегатного ремонта;
возможность установки механического опорного устройства стрелы, если -
работы по техническому обслуживанию и ремонту могут проводиться только при поднятой
стреле.
Опорное устройство должно выдерживать фактическую нагрузку,
равную рабочему давлению гидроконтура, создающего усилие опускания (или
подъема) плюс масса подвижной части погрузочного оборудования, увеличенная в
1,5 раза;
Экскаваторы-погрузчики с максимальной скоростью передвижения более 30
км/ч должны быть оснащены крыльями по ГОСТ Р ИСО 3457
Рулевое управление по ГОСТ 27254.
Угол поворота (люфт) рулевого колеса до начала действия основной
гидравлической системы управления передвижением погрузчика не должен превышать
250. Максимальный угол поворота экскаватора-погрузчика из края в край должен
достигаться не более чем за шесть оборотов рулевого колеса.
Тормозные системы колесных экскаваторов-погрузчиков, имеющих скорости
более 25 км/ч. должны соответствовать ГОСТ Р ИСО 3450.
Применение систем групповой и картерной смазок.
Допускается применение:
индивидуальной долговременной смазки;
ежесменное техническое обслуживание одним оператором;
диагностирование в соответствии с ГОСТ 27518 и ГОСТ 25044. При этом
конкретные требования по приспособленности к диагностированию и уровню
автоматизации процессов диагностирования должны быть установлены в нормативном
документе на Экскаваторы-погрузчики конкретных моделей.
Конструкция гидросистемы должна обеспечивать:
соответствие требованиям ГОСТ 17411;
герметичность;
работу со сменными рабочими органами, имеющими гидравлический привод.
Гидроцилиндры по ГОСТ 16514.
Размеры наливных горловин топливных баков по ГОСТ 27533.
Спускные, наливные и контрольные пробки по ГОСТ 27720.
Смазочные масленки по ГОСТ 19853.
Примечание - Допускается применение на комплектующих изделиях, покупаемых
в других отраслях, пробок размерами, соответствующими отраслевому нормативному
документу.
В конструкции экскаватора-погрузчика, по согласованию с заказчиком,
рекомендуется предусматривать оснащение автоматизированными средствами
управления.
Окраску погрузчиков осуществляют в соответствии со схемами окраски для
погрузчиков конкретных моделей. Класс покрытия IV для Внутренних поверхностей
кабины и класс VI по ГОСТ 9.032 для остальных поверхностей; группа условий
эксплуатации VI по ГОСТ 9.104.
Комплектность
В комплект
экскаватора-погрузчика входят:
- основной ковш;
запасные части инструмент и материалы согласно ведомости ЗИП;
эксплуатационная документам по ГОСТ 2.601;
ремонтная документация по ГОСТ 2.602 (через 18 нес после начата серийного
производства на партию машин по заказам эксплуатирующих и ремонтных организаций).
Комплект поставки но согласованию с заказчиком может быть дополнен другими
рабочими органами за отдельную плату.
Маркировка.
На каждом погрузчике должна быть прикреплена маркировочная табличка по
ГОСТ-12909, содержащая следующие данные:
наименование предприятия-изготовителя или его товарный знак;
индекс экскаватора-погрузчика;
заводской номер экскаватора-погрузчика;
условное обозначение года изготовления;
надпись с указанием страны изготовители, например «Сделано в России».
На Экскаваторы-погрузчики, прошедшие сертификацию, наносят Знак
соответствия по ГОСТ Р 50460.
На каждое грузовое место должна быть нанесена транспортная маркировка по
ГОСТ 14192.
Упаковка
Требования к упаковке должны быть установлены в нормативной документе на
Экскаваторы-погрузчики конкретных моделей и должны соответствовать требованиям
ГОСТ 9.014 и ГОСТ 27252.
Требования
эргономики, безопасности и охраны окружающей среды
Требования эргономики и безопасности по ГОСТ 12 2.011
Конструкция экскаваторов-погрузчиков должна обеспечивать защиту машиниста
при опрокидывании (ROPS)
в соответствии с ГОСТ Р ИСО 3471 и or падающих предметов (FOPS) в соответствии с ГОСТ 27719.
Сиденья экскаваторов-погрузчиков с ROPS м FOPS
должны быть снабжены местами крепления ремней безопасности.
Конструкция кабины должна обеспечить возможность установки (по
согласованию с заказчиком) систем кондиционирования.
Экскаваторы-погрузчики со скоростью до 25 км/ч должны быть снабжены, как
минимум, рабочей и стояночной тормозными системами. Эти системы должны быть взаимно
независимы: при неисправности одной из них тормоза должны действовать, как
минимум, на один мост (одну ось) машины.
Конструкция экскаватора-погрузчика должна обеспечивать видимость рабочих
органов во всех технологических положениях.
Номенклатура внешних световых приборов экскаваторов-погрузчиков, имеющих
скорость более 25 км/ч, должна соответствовать ГОСТ 8769 и обеспечивать необходимую
освещенность при движении по дороге, а также обеспечивать уровень освещенности
рабочего органа в зоне его действия и окружающего пространства в зоне работы
машины не менее 5 лк.
Звуковая сигнализация погрузчика по ГОСТ 29292.
При движении экскаватора-погрузчика задним ходом должен, автоматически
включаться световой сигнал 6.U Для
сохранения устойчивости экскаватора-погрузчика на всех вилах работ и
обеспечения наибольшей эффективности работы следует учитывать номинальную
грузоподъемность при применении различных типов рабочего оборудования.
Транспортирование и хранение
Транспортирование экскаватора-погрузчика осуществляют любым видом
транспорта в соответствии с правилами, действующими на данном виде транспорта,
и требованиями ГОСТ 27252.
Требования к хранению экскаваторов-погрузчиков устанавливают о
нормативном документе на Экскаваторы-погрузчики конкретных моделей в
соответствии с требованиями ГОСТ 7751 и ГОСТ 27252.
Требования к консервации экскаваторов-погрузчиков устанавливают в
нормативном документе на экскаватор-погрузчик конкретной модели в соответствии
с ГОСТ 27252 и ГОСТ 9.014.
Указания по
эксплуатации
Требования к эксплуатации погрузки по ГОСТ 25646.
В эксплуатационной документации должен быть приведен перечень
инструментов и приборов для обслуживания по ГОСТ 28983 и ГОСТ 27253. а также
перечень приспособления для ремонтов по ГОСТ 27718.
Гарантии
изготовителя
Изготовитель должен гарантировать соответствие экскаваторов-погрузчиков
обязательным требованиям настоящего стандарта и нормативного документа на
Экскаваторы-погрузчики конкретных моделей при соблюдении условий
эксплуатации, хранении и монтажу.
Гарантийный срок эксплуатации экскаваторов-погрузчиков - 12 мес. со дня
ввода и эксплуатацию, но не более 15 мес со дня отгрузки предприятием-изготовителем.
.4 Анализ
видов навесного оборудования
Таблица 1.2 Навесное оборудование экскаваторов
Гидромолот для экскаваторов
<#"806679.files/image002.gif"> Гидробур для экскаваторов
<#"806679.files/image003.gif"> Цепной траншеекопатель для экскаваторов
<#"806679.files/image004.gif"> Быстросменный адаптер для экскаваторов
<#"806679.files/image005.gif"> Ковши для экскаваторов
<#"806679.files/image006.gif"> Грейферы для экскаваторов
<#"806679.files/image007.gif">
Тилт-ротатор для
экскаваторов
|
|
|
Захват для блоков для
экскаваторов Захват для блоков предназначен для перемещения бетонных блоков,
захватывая их с двух сторон. Надежное перемещение бетонных элементов
благодаря сильному прижимному усилию
|
|
|
Отвал поворотный для
экскаваторов Поворотный отвал устанавливается на раму фронтального погрузчика
экскаватора и применяется при планировочных работах, для засыпки траншей и
ям, а также для уборки дорог и площадей от снега, мусора и грязи. Нож отвала
поворачивается в левую и правую сторону, фиксируясь пальцем на раме.
|
|
|
Щетка уборочная для
экскаваторов Предназначена для подметания дорог, улиц и площадей от пыли,
грязи и прочего мусора. Дополнительно может комплектоваться баком для воды,
чтобы подметаемая пыль предварительно смачивалась и не поднималась в воздух.
|
|
|
Щетка с бункером для
экскаваторов Предназначена для подметания дорог, улиц и площадей от пыли,
грязи и прочего мусора. Весь подметаемый мусор складывается в специальный
бункер, а затем грузится в автотранспорт или специально предназначенную
емкость.
|
|
|
Паллетные вилы для
экскаваторов Применяются на строительных площадках для разгрузки/погрузки
материалов, сложенные на поддоны. Вилы легко перемещаются по каретке и могут
легко регулироваться по ширине. Сделаны из сверхпрочного материала,
способного выдерживать грузы до 10 тонн.
|
|
|
Быстросменный адаптер для
экскаваторов Быстросменный адаптер устанавливается на раму фронтального
погрузчика экскаватора и используется для оперативной замены навесного
оборудования. С помощью быстросменного адаптера машинист экономит массу
времени, тем самым увеличивая производительность экскаватора.
|
|
|
Захват для круглого леса
для экскаваторов Применяется при загрузке или разгрузке круглого леса и
лесоматериалов. Захват для круглого леса просто незаменим в лесных
хозяйствах, где ежедневно грузятся тысячи тонн круглого леса и прочих
лесоматериалов.
|
1.5
Быстросъемное соединительное устройство замены рабочего оборудования (БСУ)
Это устройство необходимо для быстроты и упрощения замены рабочего
органа, например, заменить ковш на стрелу или на вилы, что влияет на скорость
проведения работ.
Это устройство представляет собой сварную металлическую конструкцию
, с ребрами жесткостями в центре, зафиксированная на стреле шарнирно
пальцами, с низу внутри защитного кожуха 13 установлен гидроцилиндр двух
стороннего действия 20, сверху гидроцилиндра установлен верхний защитный кожух
6, на штока гидроцилиндра устанавливаются пальцы 15,и вилки 17,30, с помощью
пальцев 22, подвод масла осуществляется по нагнетательным трубопроводам 18,29
из общей гидросистемы машины.
Рис.1.1. - Быстросъемное соединительное устройство замены рабочего
оборудования
Принцип действия.
Управление устройством осуществляется с рабочего места оператора
погрузчика - кабины. При включении гидрораспределителя с гидравлическим
управлением 3 поток рабочей жидкости через гидрозамок 1 и клапан 2 поступает в
рабочие полости гидроцилиндра 4. Тем самым штока задвигаются или выдвигаются.
При выдвижении штоков гидроцилиндра 4 с помощью пальцев 15 (рис.2) входят в
нижние проушины рабочего органа (например, ковша), тем самым происходит
шарнирное фиксирование рабочего органа. В верхней плоскости рабочий орган
фиксируется с помощью крюков, которые также находятся на рабочем органе. Эти
крюки входят в зацепление в неразъемные верхние пальцы быстросъемного
устройства.
Техническая характеристика устройства (БСУ).
Гидроцилиндр двух стороннего действия НL - С100х500.000 «Hidrolats»,
Ход штока - 170 мм.
Диаметр поршня и штока - 65 мм.,45 мм.
Диаметр рабочих пальцев 15 (рис.2) - 50 мм.
Вес конструкции - 320 кг.
.6
Гидравлическая система управления
Рис. 1.2. Гидравлическая система управления экскаватора-погрузчика Volvo BL-71: Б - бак рабочей жидкости
Гидросистема состоит из двух параллельных насосов, гидрораспределителя
погрузчика, исполнительных гидроцилиндров, гидрораспределителя экскаватора,
бака, фильтра, обратных, предохранительных и перепускных клапанов, всасывающей
и напорной магистралей.
Система является двухпоточной. Рабочая жидкость от двух насосов подается
в две напорные гидролинии и нагнетается в гидрораспределитель 1 и 2, 3 и в
зависимости от положения рычагов управления в гидроцилиндры механизмов или через
фильтр на слив в бак. установлены следующие гидроцилиндры :гидроцилиндр подъема
стрелы погрузчика, ковша погрузчика, поворота стрелы экскаватора, аутригера ,
рукояти и ковша экскаватора. Золотники гидрораспределителей после включения
принудительно возвращаются в нейтральное положение.
.7 Описание
устройства, принципа действия машины и технологии производства работ.
.7.1 Описание
рабочей зоны
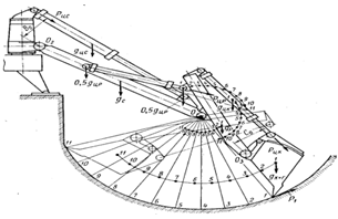
Рис. 1.3 Схема рабочей зоны экскаватора-погрузчика VOLVO BL-71.
Габаритные размеры в рабочем положении
А Высота поворотной оси..........3485 ммУгол
разгрузки............................... 45°
С Вылет при разгрузке................895 ммВысота разгрузки
..................2630 ммНаклон назад на грунте................. 40°Глубина
выемки грунта.............159 ммВысота по верхней кромке
ковша.....................................4434 мм
Макс. угол выемки при планировании грунта................ >120°
Размеры обратной лопаты со стандартной рукоятьюМакс. глубина
выемки...........4300 мм
Глубина выемки с плоским дном 610 мм.........................4244 ммМакс.
высота разгрузки........3980 ммВылет при разгрузке..............2220 ммМакс.
высота по зубьям ковша.....................................5530 ммВылет от оси
каретки..............5860 ммВылет от заднего моста.........7320 мм
Боковое смещение стрелы от оси машины.........................590 мм
Зазор при работе у стены.............190 мм
А Общая длина..........................5800 ммОбщая
ширина.......................2470 мм
С Общая высота........................3730 ммКолесная
база.......................2150 ммДорожный просвет по раме..... 340 ммВысота по
ROPS (кабине).......2917 ммШирина по стабилизаторам .. 2335 мм
Размеры обратной лопаты с раздвижной рукоятью
Рукоять сложена....................4300 мм
Рукоять раздвинута...............5370 мм
Глубина выемки с плоским дном 610 мм
Рукоять сложена....................4244 мм
Рукоять раздвинута...............5314 ммМакс. высота разгрузки
Рукоять сложена....................4030 мм
Рукоять раздвинута...............4800 ммВылет при разгрузке
Рукоять сложена....................2220 мм
Рукоять раздвинута...............2540 ммМакс. высота по зубьям ковша
Рукоять сложена....................5830 мм
Рукоять раздвинута...............6650 ммВылет от оси поворота каретки
Рукоять сложена....................5910 мм
Рукоять раздвинута...............6880 ммВылет от заднего моста
Рукоять сложена....................7320 мм
Рукоять раздвинута...............8290 мм
.7.2 Тип хода
экскаваторов-погрузчиков
Тип хода экскаватора погрузчика - пневмоколесный с осевыми формулами


Гидростатическая
трансмиссия Привод на все колеса.
.8
Технологические схемы производства работ
.8.1 Способы
наполнения ковша погрузчика
В зависимости от мощности и грузоподъемности погрузчиков,
физико-механических свойств разрабатываемых грунтов ковш погрузчика можно
наполнять раздельным, совмещенным, экскавационным и комбинированным способами.
При раздельном способе (рис.1.4., а) ковш устанавливают режущей кромкой
горизонтально или под углом 3 - 5°. При движении со скоростью. 1,4 ... 1,8 км/ч
ковш внедряют в грунт на глубину 0,85 ... 1 длины ковша. После внедрения ковша
и остановки машины его запрокладывают до упора и поднимают стрелу в
транспортное положение.
При высокой квалификации машиниста процесс подъема стрелы в транспортное
положение и движения к месту разгрузки можно совместить. Во избежание ударных
нагрузок на конструкции и большого износа шин не рекомендуется превышать
скорость движения свыше 4 км/ч. Кроме того, для погрузчиков грузоподъемностью
до 6 т нежелательно производить слишком глубокое внедрение ковша, так как
происходит перенапряжение гидросистемы подъема стрелы. Этот способ наиболее
широко применим при погрузке сыпучих стройматериалов

Рис.1.4 - Основные схемы разработки грунта погрузчиками а - раздельный; б
- совмещенный; в - экскавационный
При совмещенном способе (рис.1.4. б) внедрение ковша в грунт происходит
на глубину 0,5 ... 0,6 длины ковша, при скорости 2,5 ... 5 км/ч ковш
запрокидывают постепенно. Для наилучшего заполнения ковша необходимо, чтобы
скорость движения погрузчика была близка к средней линейной скорости
запрокидывания режущей кромки ковша. Тогда напорное усилие внедрения снижается
в 2 - 3 раза по сравнению с раздельным способом. Данный способ копания наиболее
эффективен для погрузчиков грузоподъемностью до 10 т при разработке грунтов I -
II групп из целика и в разрыхленном состоянии, а также погрузке строительных
материалов.
Экскавационный способ (рис.1.4. в) заключается в том, что ковш наклоняют
к основанию забоя на угол 3 - 5°. После внедрения ковша на глубину до 0,4 - 0,5
глубины ковша производят подъем стрелы. При выходе из забоя во избежание потерь
грунта ковш запрокидывают. При разработке тяжелых грунтов, когда не
обеспечивается необходимая глубина внедрения, следует производить
дополнительные внедрения. Этот способ целесообразен при разработке плотного и
связного грунта при высоте забоя 1,5 м и выше.
.8.2 Технологические схемы работы погрузчиков
Схема работы зависит от типа погрузчика. Для фронтальных погрузчиков на
пневмоколесном ходу (рис.1.5.) наиболее распространена схема с частичным
разворотом погрузчика на различные углы при отходе от забоя. Загружаемые
самосвалы при этом устанавливают параллельно или под нужным углом к фронту
забоя.
Рис.1.5. - Основные схемы работы погрузчиков в комплекте с
автосамосвалами а, в, - с поворотом на 40 - 50°; б - челночным способом; г - с
поворотом на 90°; д - при спаренной установке транспортных средств; е -
челночным способом с разгрузкой в сторону 1.13. Определение параметров рабочего
оборудования
.6
Погрузочное оборудование
Расчетная вместимость ковша подсчитывают по формуле:
м3
Где
- расчетный коэффициент наполнения ковша, равный
1,25.
Ковш
предназначен для работы с сыпучими материалами. Плотность материала
=1,6 т/м3
Номинальная
грузоподъемность равняется:
Н
-
конструктивный вес погрузочного оборудования;т - продольная координата центра
тяжести базового трактора;г и bo - горизонтальные координаты центров тяжести
груза в ковше и оборудования соответственно.
Расстояние
aг обычно составляет:
для
гусеничных погрузчиков aг = (0,7...1,0)Lт,
для
пневмоколесных погрузчиков aг = (0,6...0,95) Lт. ,
где
Lд -база погрузчика .
Конструктивный
вес погрузочного оборудования определяют по весу базового трактора Gт:
Н
гдеko
- безразмерный коэффициент, равный 0,25-0,35 (меньшие значения коэффициента
принимают при использовании качественных сталей).
Рациональность
использования веса базовой машины и совершенство ходовой части определяют по
коэффициенту удельной грузоподъемности:
.
Рекомендуются
следующие значения коэффициента удельной грузоподъемности:
для
гусеничных погрузчиков
равно 0,20...0.22;
для
колесных погрузчиков
равно 0,25...0,3.
Расчетная
вместимость ковша подсчитывают по формуле:
м3
где
- расчетный коэффициент наполнения ковша, равный
1,25.
.7
Экскаваторное оборудование
Конструктивный вес РО определяется по весу базовой машины
Н
где
ko - безразмерный коэффициент, равный 0,35-0,4
Рис.
1.6 Схема для определения конструктивного веса рабочего оборудования
Рациональность
использования веса базовой машины и совершенство ходовой части определяют по
коэффициенту удельной грузоподъемности:
.
Рекомендуются
следующие значения коэффициента удельной грузоподъемности:
для
колесных экскаваторов
равно 0,24
Расчетная
вместимость ковша подсчитывают по формуле:
м3
1.8. Тяговый
баланс и баланс мощности
1. На тяговом режиме работы погрузчика сумма всех сопротивлений:
где
WBH - сопротивление внедрению ковша в штабель
Wf -
сопротивление качению колес
Wh -
сопротивление при движении на подъем
где
KBH - удельное сопротивление внедрению (20 кПа для
известняка)
KФ - коэф. формы
ковша
В
- ширина ковша
LВН - глубина
внедрения
a - коэф.
учитывающий плотность и аброзивность материала
С
- коэф. крупности (1,25 для кусков
200 мм)
где
f - коэф. сопротивления качению
G - вес
погрузчика
- угол
наклона поверхности движения к горизонту
Расчет
ведется при работе погрузчика на горизонтальной площадке.
Сопротивление
преодолеваются окружной силой движителя Рк,
Поэтому,
приравнивая Рк=
, получаю
На
преодоление сопротивления внедрению расходуется часть силы тяги движителя, т.е.
свободная сила тяги Тс. Тогда, пологая, что Wк=Тс, получается:
Напорное
усилие погрузчика по двигателю:
где
Ne max - наибольшая эффективная мощность двигателя
Vp - рабочая
скорость внедрения погрузчика
-
расчетное буксование
- КПД
трансмиссии
GП - вес
погрузчика
f - коэф.
сопротивления качению
Напорное
усилие по сцепному весу:
где
- коэф. сцепления движителя с опорной поверхностью
Напорное усилие по двигателю Тн=91,4кН
Зависимость между мощностью двигателя Ne и мощностью, подводимой к движителю Nк:
где
- механический КПД трансмиссии привода колесного
движителя
где
NT - тяговая мощность, расходуемая на внедрение ковша в
штабель
Nf - тяговая
мощность, расходуемая на преодоление сопротивления качению
Nб - тяговая
мощность, расходуемая на буксование движителя
Nh - тяговая
мощность, расходуемая на преодоление сопротивления подъему
где
VД - действительная скорость ведущих колес (0,8VT)
Где
VT - теоретическая скорость ведущих колес
Подставляю
значения в общее выражение баланса мощности:
Машина
работоспособна
.На
транспортном режиме работы погрузчика сумма всех сопротивлений:
где
- сопротивление воздуха движению
где
- коэф. обтекаемости
=0,06-0,07
F - площадь
лобового сопротивления
ширина колеи х высоту машины

+
+
Баланс
мощности на транспортном режиме
где
- мощность на преодоление сопротивления воздуха
движению
При
движении на высшей передаче буксованием можно пренебречь (
)
Подставляю
значения в общее выражение баланса мощности:




15(л.с)
Вывод: Машина
работоспособна.
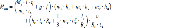
1.9 Расчет
устойчивости
.9.1
Устойчивость по погрузочному оборудованию
Во время рабочего процесса погрузчик перемешается на почти горизонтальных
площадках, допустимый уклон которых не должен превышать 3° (СНиП IIIA - 11-70). Расчет продольной
устойчивости погрузчиков ведется из условия опрокидывания вперед (рис. 5.26) с
учетом того, что деформируются пневматические шины, если ход пневмоколесный.
Рис.1.7 - Схема при опрокидывании вперёд
Угол дополнительного наклона погрузчика вперед вследствие деформации опор
определяется соотношением
где Gп - сила тяжести погрузчика с грузом;
Сп, С3 - жесткость грунта под передним и задним катками гусеничного хода
либо радиальная жесткость передних и задних пневматических шин погрузчика
на пневмоколесном ходу;
l - база
погрузчика;
lц.т -
расстояние между центром тяжести погрузчика и вертикальной осью, проходящей
через точку опрокидывания.
Обычно наибольшее значение γупр не превышает 1,5°. Поэтому при
расчете продольной устойчивости гусеничного и пневмоколесного погрузчиков
Здесь γо - уклон погрузочной площадки;
γупр - дополнительный наклон
погрузчика вследствие деформации опор.
Наименьшим запасом продольной устойчивости обладает погрузчик в случае
движения под уклон с одновременным торможением машины и рабочего оборудования
при его опускании. Положение рабочего оборудования при этом соответствует
максимальному вылету (см. рис. 5.26). Тогда
Где Gm - сила тяжести тягача с противовесом
и неподвижными частями навесного оборудования погрузчика;
Gг -
сила тяжести груза (с учетом веса виброплиты);
Gc -
сила тяжести подвижных частей рабочего оборудования (ковш, стрела, тяги,
рычаги, гидроцилиндры);
lц.т,lг, lс, hц, hг, hс-плечи соответствующих усилий (см. рис. 5.26);
Мин - момент сил инерции относительно ребра опрокидывания;
Мв - момент, вызванный ветровой нагрузкой.
Здесь kз - коэффициент заполнения контура
наветренной площади погрузчика, kз =
0,9...0,95;
Fбр -
наветренная площадь погрузчика, ограниченная его контуром,м2;
k -
коэффициент аэродинамических сопротивлений, k =1,2;
рв - расчетное давление ветра, принимаемое по ГОСТ 1451-77, рв = 450 Па ;
r -
плечо приложения ветровой нагрузки.
Момент сил инерции находится по соотношению
где Mт - тормозной момент остановочных
тормозов;
i,
η - передаточное
число и к. п. д. части трансмиссии между тормозом и ведущим колесом;
mп -
общая масса погрузчика с рабочим оборудованием и грузом,

rк - радиус
ведущего колеса;
f - коэффициент
сопротивления движению;
mг, mс, mт -
массы груза, подвижных частей рабочего оборудования и
v - скорость
опускания груза;
tт -время
торможения стрелы, tт = = 0,2...0,3 с.
Тогда
Условие выполнено, монтаж дополнительного противовеса не нужен.
1.9.2
Устойчивость по экскаваторному оборудованию
Выход ковша из забоя
Сила копания при послойном заполнении ковша определяется как сумма трех
составляющих сил:
Рк=Р+Рз+Рпр
где Р - сила резания
Рз - сопротивление заполнению ковша грунтом
Рпр - сопротивление призмы волочения
Для определения касательной составляющей сопротивления грунта копанию, в
этом случаи, пригодна зависимость:
где
С - число ударов динамического плотномера
h - толшина
срезаемой стружки , см
B - ширина
ковша, м
- угол
резания, град
z - коэф.
учитывающий схему установки зубьев на вертикальном профели
- коэф.
учитывающий технологию разработки грунта
Расчетная
толщина стружки одинаковой по всей дуге траектории ковша определяют по формуле:
где
q - емкость ковша, м3
lр - длина
рукояти, м
lк -
длина ковша, м
- угловое
перемещение рукояти за одну операцию копания, для обратных лопат
-
угловое перемещение рукояти
Силу
сопротивления заполнению можно найти как:
=164500*0,69*0,095=10783Н
где
- удельное сопротивление стружки продольному сжатию
где
С - число ударов динамического плотномера
Сопротивление
призмы волочения зависит от технологических факторов: откоса забоя, направления
движения ковша (вверх или вниз). Приближенно его можно определить по формуле:
q=0,3*0,28=0,084
м3
где
q - объем призмы, м3
-
плотность рыхлого грунта, кг/м3
- коэф.
внешнего трения грунта о грунт
Ориентировочно
объем призмы можно принять равным 0,3…0,4 от геометрической емкости ковша.
Рк=
Рис.1.8.
- Схема для расчёта устойчивости по экскаваторному оборудованию
Экскаватор
устойчив.
.9.3
Разгрузка
Экскаватор
устойчив.
1.9.4
Движение под уклон
Рис.1.9. - Движение под уклон
Экскаватор
устойчив
.9.5 Движение
на подъем
Рис.1.10. - .Движение на подъем
Экскаватор
устойчив
1.10
Определение нагрузок на рабочее оборудование
Выглубляющее усилие Nв - усилие, развиваемое гидроцилиндрами поворота и
приложенное на режущей кромке основного ковша, обычно существенно превосходит
грузоподъемность машины.
Для погрузчиков на стреле выглубляющее усилие в соответствии с
номинальной грузоподъемностью составляет:
Nв
= (2,0...3,0)Qн
Н.
Принимаем
Nв=30000 Н.
Подъемное
усилие Nп - усилие на режущей кромке ковша, развиваемое гидроцилиндрами стрелы
и определяемое по устойчивости машины, приближенно может быть определено по
номинальной грузоподъемности:
п
= (1,8...2,3)Qн
, Н
Удельное
напорное усилие на кромке ковша
,
Где
Тсц - наибольшее тяговое усилие по двигателю или сцепному весу;
В
- наружная ширина рабочего органа.
Удельное
выглубляющее усилие на кромке ковша:
.
Рекомендуемые значения удельных напорных и выглубляющих усилий для
основного ковша в зависимости от типоразмеров и типа ходовой части приведены в
таблице 1.5
Таблица 1.5. Рекомендуемые значения удельных напорных и выглубляющих
усилий.
|
Параметры
|
Ходовая часть
|
Грузоподъемность, кН,
|
|
|
До 30
|
40..60
|
Свыше 60
|
|
Удельное напорное усилие,
кН/см,
|
Гусеничная Колесная
|
0,25…0,4 0,15…0,3
|
0,4…0,6 0,25…0,4
|
Свыше 0,6 Свыше 0,4
|
|
Удельное выглубляющее
усилие, кН/см
|
Гусеничная Колесная
|
0,20…0,35
|
0,25…0,4
|
Свыше 0,3
|
Рекомендуемые значения qT и qВ, превосходят значения несущей
способности материалов и грунтов благодаря чему строительные погрузчики могут
быть использованы не только для погрузочных и для землеройно-транспортных
работ.
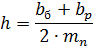
Высота разгрузки ковша Нр - наибольшее расстояние от опорной поверхности
до режущей кромки основного ковша при максимальном угле разгрузки и полностью
погруженных грунтозацепах для гусеничных машин или номинальном давлении в шинах
для колесных машин.
Высоту разгрузки выбирают в зависимости от типоразмера и транспортных
средств, с которыми предназначен работать погрузчик. Для строительных
одноковшовых погрузчиков она регламентируется техусловиями.
Для типоразмеров погрузчиков, не предусмотренных этими техусловиями,
высоту разгрузки определяют по формуле:
, мм
Где
hт - наибольшая высота бортов транспортных средств, с
которыми может работать погрузчик;
hр - дополнительный зазор, выбираемый с учетом
опрокидывания ковша и работы на неподготовленном основании и равный 300...500
мм.
Вылет
рабочего органа L - расстояние от передних выступающих частей базового
трактора до режущей кромки ковша, находящегося на максимальной высоте при
наибольшем угле разгрузки.
, мм
Где
Вт - ширина кузова наиболее тяжелого транспортного средства, с которым
предназначен работать погрузчик;
b - расстояние между погрузчиком и транспортным
средством при разгрузке, необходимое по условиям безопасности работы и равное
150-200 мм.
Угол запрокидывания ковша в нижнем положении и угол разгрузки в верхнем
положении выбираются по ГОСТ 12568-67. Рекомендуемая величина угла
запрокидывания при нижнем положении стрелы 42¸46°. При подъеме допускается дальнейшее запрокидывание ковша до
15°. Разгружать ковш можно при любой
высоте стрелы, включая нижнее положение. Угол разгрузки основного ковша при
промежуточных значениях высот должен быть не менее 45°.
1.11
Определение усилий в исполнительных гидроцилиндрах погрузчика
Усилия на штоках исполнительных гидроцилиндров определяются в
установившемся режиме работы по величинам наибольшего выглубляющего усилия Nв -
для гидроцилиндров ковша и подъемного усилия Nп - для гидроцилиндров стрелы,
приложенных на режущей кромке ковша в положении внедрения. Усилие на штоке
одного гидроцилиндра ковша :
где
Gк - вес ковша; nп - количества гидроцилиндров поворота ковша;п и iк -
мгновенные передаточные числа механизма погрузочного оборудования, определяемые
соотношением плеч рычажной системы, для силы Nв и силы тяжести ковша Gк; k1 -
коэффициент запаса, учитывающий потери в гидроцилиндрах и шарнирах (принимают
равным 1.25).
Мгновенные
передаточные отношения механизма вычисляют для положения ковша,
соответствующего внедрению в материал /13/:
где
li - плечи приложения сил в нагруженных элементах
механизма.
;
.
Рис.1.11
Схема для определения усилий гидроцилиндров погрузочного оборудования
Усилия, реализуемые гидроцилиндрами стрелы, зависят от кинематической
схемы погрузочного оборудования.
При кинематической схеме механизма с перекрестной системой усилия в одном
гидроцилиндре стрелы определяются по формуле:
где
Gр - вес погрузочного оборудования без портала;
- усилие
гидроцилиндра ковша без учета коэффициента запаса; nn и nc - количество
гидроцилиндров поворота ковша и подъема стрелы; k2 - коэффициент запаса,
учитывающий потери в шарнирах и гидроцилиндрах и равный 1.25; l3, l4, l10 -
плечи сил.
Для
экскаваторного оборудования
При копании рукоятью
Рис. 1.12. - Схема усилий при копании рукоятью
Из условия выбираем Р1=38,3 кН
Наибольшее реактивное усилие в цилиндре рукояти будет возникать в
положении 11
При
копании ковшом
Рис.
1.13 Схема усилий при копании ковшом
Усилие
на режущей кромке ковша будет максимальным в положении 3, т.к
В
этом положении максимальное плечо гидроцилиндра.
В
качестве гидропривода ковша экскаватора-погрузчика используют такие же
гидроцилиндры что для рукояти с одинаковым усилием на штоке.
Реактивное
усилие в гидроцилиндрах стрелы
1.12.
Прочностной расчет
1.12.1
Прочностной расчет стрелы
Воспользовавшись методом плана сил, мы определили значение и направление
силы Р1 = 790.6 кН.
Рис. 1.14 - План сил возникающих в стреле
Выполним проверку:
ΣFx = 0;
ΣFy = 0;
ΣFx = 0
Р4 = 555.1 · cos 54º = -324 кН;
Р3 = 492.5 · cos 51.5º = 308.6 кН;
Р2 = 824.6 · cos 47º = -560 кН;
Р1 = 790.6 · cos 43.5º= 575.4 кН.
.6 - 324 + 575.4 - 560 = 0
ΣFy = 0
Р4 = 555.1 · cos36º = -448 кН;
Р3 = 492.5 · cos 38.5º = 387 кН;
Р2 = 824.6 · cos 43º = 604 кН;
Р1 = 790.6 · cos 46.5º = -543 кН;
Исходные данные для расчета стрелы:
Р1 = 790.6 кН;
Р2 = 824.6 кН;
Р3 = 492.5 кН;
Р4 = 555.1 кН;
Р1X =
790.6∙ cos
20º = 742.9 кН;
Р1Y =
790.6∙ cos
80º = 137.28 кН;
Р2X =
824.6 ∙ cos
85.5º = 800 кН;
Р2Y =
824.5 ∙ cos
4.5º = 199.48 кН;
Р3X =
492.5 ∙ cos
4º = 491.3 кН;
Р3Y =
492.5 ∙ cos
86º = 34.3 кН;
Р4X =
555.1 ∙ cos
7.5º = 550.3 кН;
Р4Y =
555.1 ∙ cos
82.5º = 72.45 кН;
М1 = 492.5∙ 0.422 = 207.8 кНм;
q1 = 5.36 кНм - распределенная нагрузка от веса стрелы (для
второго участка);
q2 = 8.99кНм - распределенная нагрузка от веса стрелы (для
второго участка);
1.12.2
Произведем расчет пальцев проушин стрелы
Расчет пальца
проушины стрелы для крепления рукояти
Расчет производится на срез и изгиб.
Исходные данные:
DПАЛ =
75 мм - диаметр пальца;
LПАЛ =
376 мм - длина пальца (определяется исходя из ширины рукояти);
Определим площадь сечения пальца, мм2:
А ПАЛ = 0.785 ∙ d2 =
0.785 ∙ 752 = 4415.625 мм2
Определим момент осевой сопротивления пальца, мм3:
W ПАЛ
= 0.785 ∙ r3 = 0.785 ∙
37.53 = 41396.48 мм3
Зная значение усилия в шарнире стрелы РРУК = 555.1 кН, определим τПАЛ, МПа:
τПАЛ = Ррук / 2∙ А ПАЛ = 555100
/ 2∙ 4415.625 = 62.85 МПа
Определим напряжение возникающие в пальце стрелы, МПа:
σПАЛ = Ррук ∙ L ПАЛ /2 ∙ 2 ∙ W ПАЛ = 1260 МПа
В качестве материала пальца используем сталь 40ХН σтек = 1450 МПа (термообработка -
закалка и средний отпуск). Напряжение в пальце от среза и изгиба не превышает
допустимых. Напряжение среза и изгиба действуют в разных местах (изгиб - по
середине пальца, срез - сбоку от проушины, поэтому напряжения действуют
совместно.)
Расчет пальца проушины стрелы для крепления гидроцилиндра рукояти:
Расчет производится на срез и изгиб.
Исходные данные:
DПАЛ =
70 мм - диаметр пальца;
LПАЛ =
236 мм - длина пальца;
Определим площадь сечения пальца, мм2:
А ПАЛ = 0.785 ∙ d2 =
0.785 ∙ 702 = 3846.5 мм2
Определим момент осевой сопротивления пальца, мм3:
W ПАЛ
= 0.785 ∙ r3 = 0.785 ∙
353 = 33656.875 мм3
Зная значение усилия гидроцилиндра стрелы РГЦР = 492.5 кН, определим τПАЛ, МПа:
τПАЛ = Ргцр / 2∙ А ПАЛ = 492500
/ 2∙ 3846.5 = 64 МПа
Определим напряжение возникающие в пальце рукояти, МПа:
σПАЛ = Ргцр ∙ L ПАЛ /2 ∙ 2 ∙ W ПАЛ = 702 МПа
В качестве материала пальца используем сталь 40Х σтек = 900 МПа (термообработка -
закалка и средний отпуск). Напряжение в пальце от среза и изгиба не превышает
допустимых. Напряжение среза и изгиба действуют в разных местах (изгиб - по
середине пальца, срез - сбоку от проушины, поэтому напряжения действуют
совместно.)
Расчет пальца проушины стрелы для крепления гидроцилиндра стрелы:
Расчет производится на срез и изгиб.
Исходные данные:
DПАЛ =
120 мм - диаметр пальца;
LПАЛ =
376 мм - длина пальца (определяется исходя из ширины стрелы);
Определим площадь сечения пальца, мм2:
А ПАЛ = 0.785 ∙ d2 =
0.785 ∙ 1202 = 11304 мм2
Определим момент осевой сопротивления пальца, мм3:
W ПАЛ
= 0.785 ∙ r3 = 0.785 ∙
603 = 169560 мм3
Зная значение усилия гидроцилиндра стрелы РСТР = 824.6 кН, определим τПАЛ, МПа:
τПАЛ = Рстр / 2∙ А ПАЛ = 824600
/ 2∙ 11304 = 36 МПа
Определим напряжение возникающие в пальце стрелы, МПа:
σПАЛ = Рстр ∙ L ПАЛ /2 ∙ 2 ∙ W ПАЛ = 457 МПа
В качестве материала пальца используем сталь 40Х σтек = 900 МПа (термообработка -
закалка и средний отпуск). Напряжение в пальце от среза и изгиба не превышает
допустимых. Напряжение среза и изгиба действуют в разных местах (изгиб - по
середине пальца, срез - сбоку от проушины, поэтому напряжения действуют
совместно.)
Расчет пальца
проушины для крепления стрелы к базе экскаватора:
Расчет производится на срез и изгиб.
Исходные данные:
DПАЛ =
120 мм - диаметр пальца;
LПАЛ =
595 мм - длина пальца (определяется исходя из ширины стрелы);
Определим площадь сечения пальца, мм2:
А ПАЛ = 0.785 ∙ d2 =
0.785 ∙ 1202 = 11304 мм2
Определим момент осевой сопротивления пальца, мм3:
W ПАЛ
= 0.785 ∙ r3 = 0.785 ∙
603 = 169560 мм3
Зная значение усилия в шарнире стрелы РБ = 790.6 кН, определим τПАЛ, МПа:
τПАЛ = Рб / 2∙ А ПАЛ = 790600 /
2∙ 11304 = 34.9 МПа
Определим напряжение возникающие в пальце стрелы, МПа:
σПАЛ = Рб ∙ L ПАЛ /2 ∙ 2 ∙ W ПАЛ = 693.5 МПа
В качестве материала пальца используем сталь 40Х σтек = 900 МПа (термообработка -
закалка и средний отпуск). Напряжение в пальце от среза и изгиба не превышает
допустимых. Напряжение среза и изгиба действуют в разных местах (изгиб - по
середине пальца, срез - сбоку от проушины, поэтому напряжения действуют
совместно.)
Определим
сечение стрелы в шарнире соединения стрелы с гидроцилиндром стрелы
Определим размеры поперечного сечения стрелы.
Рассмотрим сечение, его геометрические характеристики, размеры сечения, исходя
из условий прочности.
. F1 = b ∙ (H - h) = 0.298 ∙ (0.200 - 0.120) =
0.02384 м2
X1 = b / 2
= 0.149 м
Y1 = H / 2
= 0.1 м
F2 = Bh+2b ∙ (H - h) = 0.340 ∙ 0.023 + 2 ∙
0.021 ∙ (0.1675 - 0.023) =
= 0.013889 м2
X1 = B / 2
= 0.17 м
Y1 = Bh2+2b ∙ (H2 - h2) / 2(Bh+2b ∙ (H - h)) =
0.0483 м
Y1' = H - Y1 = 0.1192 м
F3 = Bh+2b ∙ (H - h) = 0.340 ∙ 0.023 + 2 ∙
0.021 ∙ (0.1675 - 0.023) =
= 0.013889 м2
X1 = B / 2
= 0.17 м
Y1 = Bh2+2b ∙ (H2 - h2) / 2(Bh+2b ∙ (H - h)) =
0.0483 м
Y1' = H - Y1 = 0.1192 м
Определим моменты инерции сечения в отдельности и
всего сечения в целом:
. JX1 = b / 12 ∙ (H3 - h3) = 0.298 / 12 ∙ (0.23 - 0.123) = 0.000155754 м4
. JX2 = Bh3 + 2 b ∙ (H - h) 3/ 12 + Bh(Y1 - h/2) 2 + 2 b ∙ (H - h) (H - h / 2
+ h - Y1)= = 0.000306433 м4
. JX3 = Bh3 + 2 b ∙ (H - h) 3/ 12 + Bh(Y1 - h/2) 2 + 2 b ∙ (H - h) (H - h / 2
+ h - Y1)= = 0.000306433 м4
Учитывая поправку Штейнера получим:
JX2 + ( y2)2 F2 = 0.000446 м4
JX3 + ( y3)2 F3 = 0.000446 м4
JX общ =∑JXi =
0.00105 м4
Определим момент сопротивления относительно нейтральной
линии:
W = JX общ
/ YC = 0.00461 м3
Определим напряжения возникающие в сечение:
σ max= Mизг /W =
73.18 МПа,
где Мизг = 337.4 кНм
τ = Q / ∑Fст = 31.5 МПа,
где Q =
49.6 кН;
∑Fст =
0.0015918 м2
σ = N /Fвсего сечения = 1.1 МПа,
где N =
57.1 кН;
Fвсего сечения = 0.051618 м2
σ ЭКВ =
= 74.3 МПа
Определим
сечение стрелы в шарнире соединения стрелы с базой экскаватора
Определим размеры поперечного сечения стрелы
Рассмотрим сечение, его геометрические характеристики, размеры сечения, исходя
из условий прочности.
. F1 = b ∙ (H - h) = 0.595 ∙ (0.234 - 0.120) =
0.06783 м2
X1 = b / 2
= 0.2975 м
Y1 = H / 2
= 0.117 м
Определим момент инерции сечения:
JX1 = b / 12
∙ (H3 - h3) = 0.595 / 12 ∙ (0. 2343 - 0. 1203) = 0.0005536 м4
Определим момент сопротивления относительно
нейтральной линии:
W = b / 6Н
∙ (H3 - h3) =0.00469 м3
Определим напряжения возникающие в сечение:
σ = N /Fвсего сечения = 10.9 МПа,
где N =
742.9 кН;
Fвсего сечения = 0.06783 м2
σ ЭКВ =
= 10.9 МПа
Определим
сечение стрелы в шарнире соединения стрелы с рукоятью.
Определим размеры поперечного сечения стрелы.
Рассмотрим сечение, его геометрические характеристики, размеры сечения, исходя
из условий прочности.
F = hb =
0.067 ∙ 0.064 = 0.004288 м2
X1 = b / 2
= 0.032 м
Y1 = h / 2
= 0.0335 м
Определим моменты инерции сечения в отдельности и
всего сечения в целом:
Учитывая поправку Штейнера получим JX :
JX = (b h3 / 12+ F ∙ (y) 2) ∙
4 = 0.000352268 м4
Определим момент сопротивления относительно
нейтральной линии:
W = JX / YC = 0.0033709 м3
Определим напряжения возникающие в сечение:
τ = Q / ∑Fст = 7.23 МПа,
где Q =
124 кН;
∑Fст =
0.017152 м2
σ = N /Fвсего сечения = 27.05 МПа,
где N =
463.9 кН;
Fвсего сечения = 0.017152 м2
σ ЭКВ =
= 29.8 МПа
По
окончанию расчетов рукояти, стрелы и ковша примем сталь марки 09Г2С ГОСТ
19282-73 с пределом текучести 305 МПа, которая рекомендуется в «РД 2201…86» для
проектирования металлоконструкции экскаватора.
Расчет
привода рабочего оборудования
Исходные данные:
Усилия на штоке гидроцилиндров
Погрузочное оборудование
Sк=12,09
кН
Sс=49,93
кН
Экскаваторное оборудование
Sк=90,9
кН
Sс=204,5
кН
Sр=90,9
кН
Номинальное давление в системе 16 МПа
V-
скорость перемещения штоков
V=0,08
м/c
Выбор
гидроцилиндров
Гидроцилиндры выбирают по величине хода и диаметру поршней. Ход
определяют из кинематики РО машины
Выбираю
(из методички по гидроприводам)
Диаметр
г-ра определяю по формуле:
,
Где
F - усилие г-ра на штоке, Н
Pном -
номинальное давление в системе
Погрузочное
оборудование
Dк=34мм
Выбираю
цилиндры:
Dк=80мм
dк=56мм
ход
штока - 400мм
Dс=68мм
Выбираю
цилиндры:
Dс=80мм
Dс=56мм
ход
штока - 630мм
Экскаваторное
оборудование
Dк=92мм
Выбираю
цилиндры:
Dк=110мм
Dк=70мм
ход
штока - 900мм
У
ковша и рукояти одинаковые цилиндры, поэтому:
Dр=92мм
Выбираю
цилиндры:
Dр=110мм
Dр=70мм
ход
штока - 900мм
Dс=138мм
Выбираю
цилиндры:
Dс=140мм
Dс=80мм
ход
штока - 900мм
Расчет
мощности и подачи насосов
Мощность насоса определяется по формуле:
F -
усилия на штоках одновременно работающих гидроцилиндров, Н
V -
скорость выдвижения штока в м/c
-
гидромеханический КПД насоса и одновременно раб. цилиндров соответственно
=0,91
=0,97
Выбираю
по ГОСТ 8753-80 насос шестеренный Н1(на схеме) с рабочим объемом 32х10-4 м3/с.
Насос
предназначен для создания давления в контуре включающем аутригеры и поворотную
колонку.
Определяю
мощность второго насоса:
Выбираю
шестеренный насос с рабочим объемом 46х10-4 м3/с.
=24,1 кВт
V=45,7 см3
Частота
вращения 120 об/мин
1.14
Конструирование виброуплотняюшей плиты
Для уплотнения насыпных несвязных грунтов применяют поверхностные
вибрационные машины. Этот тип уплотняющих машин особенно эффективен при работе
на грунтах с большим количеством каменистых включений.
При работе вибрационных машин под действием кинетической энергии,
создаваемой вибратором, частицы грунта, расположенные в зоне действия
вибратора, приводятся в состояние колебательного движения.
Поскольку массы частиц грунта не одинаковы, возникающие при этом силы
инерции также будут иметь разную величину. Если разность сил инерции в
отдельных смежных частицах невелика, то возникающие на их границах напряжения
будут уравновешиваться силами трения и сцепления.
Если же эта разность будет достаточно большой, силы связей между
частицами окажутся нарушенными, произойдет отрыв частиц друг от друга и
начнется их относительное перемещение.
В результате воздействия вибратора на грунт разрушается его
первоначальная структура, отдельные частицы внутри уплотняемого слоя начинают
двигаться и, перемещаясь, заполняют пустоты, увеличивая тем самым плотность
грунта.
При прочих равных условиях уплотнение грунтов будет происходить тем
интенсивнее, чем больше разница в размерах частиц и чем меньше силы связей
между ними. Поэтому несвязные грунты, содержащие в своем составе частицы
различной крупности со слабыми связями между ними, хорошо уплотняются
вибрированием, связные же грунты, являющиеся по своему составу более
однородными материалами с большими внутренними силами связей, плохо поддаются
уплотнению этим способом.
При возрастании возмущающей силы увеличивается амплитуда колебаний
вибратора и грунта. До определенного значения возмущающей силы колебания
вибратора будут гармоническими или близкими к ним, затем колебания приобретают
беспорядочный характер и далее возможен отрыв вибратора от поверхности грунта.
Машины, у которых происходит отрыв вибрационной плиты от поверхности
грунта, а затем удар о грунт относятся к вибротрамбующим, а в машинах у которых
это явления почти не наблюдается относятся к вибрационным.
Конструкция виброплиты должна обеспечивать неизменность параметров
вибротрамбовки и возможность их регулирования в процессе эксплуатации с учётом
износа отдельных элементов.
В процессе работы виброплита не должна выходить за пределы установленных
габаритных размеров для исполнительных органов. В транспортном режиме они
должны находиться в пределах габаритов базовой техники.
.14.1
Описание конструкции
Разрабатывается уплотняющее устройство, выполненное в виде
вибротрамбующей плиты, навешенной на нижнюю заднюю часть ковша .
На виброплите размещены два возбудителя колебаний, несущая рама и
приводной механизм работающий от гидромотора, подключенного к гидросистеме
базовой машины. Перед началом работ вибротрамбовка ковша из транспортного
положения опускается на уплотняемую поверхность до соприкосновения с ней с
помощью гидроцилиндров , тем самым принимая положение уплотненительных работ.
При включении привода вращение от гидромотора посредством зубчатой передачи
передается валу дебалансных вибраторов. За счет вертикальной составляющей
возмущающей силы вибратора происходит уплотнение грунта. Уплотнение основано на
способе, который заключается в непрерывном и интенсивном вибрационно-ударном
трамбовании грунта по горизонтальной плоскости. Перемещение виброплиты
происходит за счет передвижения базовой машины.
1.14.2 Выбор
параметров вибротрамбующей плиты
Основная цель выбора параметров - обеспечение режима вибротрамбования
грунта, при котором достигается требуемая степень уплотнения материала и
требуемая скорость передвижения.
Основными параметрами вибротрамбования грунта являются: амплитуда Sa и
частота f колебаний, скорость передвижения при уплотнении Vупл , время
вибрирования tв , длина l, ширина Bк и толщина b плиты, угол
наклона рабочей поверхности плиты к оси поверхности (пути) α.
Рис. 1.14. - Основные параметры вибротрамбования грунта
.14.3
Геометрические параметры
Значения и соотношения геометрических параметров устанавливаются исходя
из необходимости формирования зон уплотнения грунта с требуемой степенью и
глубиной уплотнения, достаточного для закрепления.
Эти условия представлены в виде соотношения:
где b - толщина плиты, м (а = 0,026 м );-
длина плиты, м;
α - угол наклона плиты к оси поверхности
(пути), град (принят α = 8˚);
K1 - коэффициент, учитывающий неравномерное попадание грунта под плиту
(принят K1 = 1,25);- коэффициент уменьшения объёма грунта, сдвигаемого
виброплитой (принят K2 = 1,1);
С - площадь пустот грунта под плитой (ямы) С ≈0,01 м2 .
Из соотношения находится l :
Длина плиты l = 0,419 м найдено из условия обеспечения зон уплотнения
грунта.
Далее находим скорость уплотнения Vупл исходя из условия обеспечения требуемой степени
уплотнения грунта.
Для этого определим минимально необходимое число вибровоздействий на
грунт, при котором возможно получение требуемой степени уплотнения:
где ε - требуемая степень уплотнения (принят
ε = 0, 145 );
D, E - эмпирические коэффициенты,
зависящие от вида грунта и способа вибровоздействия. Для щебня D = 3300, E = 10 ;
λ - коэффициент, определяющий степень
использования воздействия плиты (λ = 2);
ψ - коэффициент, определяющий долю объёма
материала охватываемого относительными перемещениями (ψ
= 1);
.
Находится время воздействия tв,с :
где ω - угловая частота колебаний виброплиты, с-1:
где f - частота колебаний (принимается f = 27…23 Гц);
Тогда :
Находится Vупл рабочую
скорость уплотнения машины по формуле:
Принимается длина плиты l=0,419
м и рабочая скорость уплотнения Vупл=0,175м/c обеспечивающие требуемое число
вибровоздействий на уплотняемый грунт.
.14.4 Режим
вибротрамбования грунта
К параметрам, характеризующим режим вибротамбования, относятся: амплитуда
Sa , частота колебаний f и рабочая скорость уплотнения Vупл.
Для обеспечения наивысшего эффекта уплотнения значение Sa , f, Vупл должны
находиться между собой в определённом соотношении.
Рекомендуемые значения амплитуды Sa , частоты колебаний f скорости уплотнения Vупл находятся в пределах: Sa = 4…8 мм, f =
25...40 Гц, Vупл = 70 …200 мм/с .
Предварительно принимается: Sa = 4 мм, f = 25 Гц.
Должно выполняться условие:
условие выполняется.
Окончательно принимается: Sa = 4
мм, f = 25Гц, Vупл=175 мм/с.
.14.5 Корпус
плиты
Основная цель компоновки корпуса плиты - это определение его возможных
размеров, с учётом которых разрабатывается возбудитель колебаний. Определению
подлежат: высота корпуса HК, длина LК и ширина BК (рисунок 2.1). Высота корпуса
HК зависит от его длины и определяется
габаритными размерами вибровозбудителя, необходимостью расположения шарнирных
соединений рессорных комплектов с плитой.
В первом приближении принимается:
где LК - длина корпуса, м (конструктивно
принято Lk=0,419 м);
γ - угол наклона нижней стенки плиты к
горизонтальной плоскости, град (γ≈8˚).
Ширина корпуса BК
определяется исходя из необходимости обеспечения безопасности производства
работ при вибротрамбовке грунта.
Максимально возможная ширина корпуса конструктивно принимаем примерно
равной ширине ковша Вк ≈ 2,5 м
В процессе разработки возбудителя колебаний размеры корректируются.
При транспортировке машины плита не должна выходить за приделы габаритов
ковша и базовой машины.
1.14.6
Разработка возбудителя колебаний
Для дебалансного возбудителя рассчитывается требуемая вынуждающая сила FВ и, соответственно, конструкция
дебалансов, обеспечивающих колебания виброплиты, с заданной амплитудой.
При вращении дебалансов с угловой частотой ω и амплитудой Sa суммарная вынуждающая сила составит:
где mn - приведенная масса колеблющихся
элементов, кг;
ωo - частота свободных колебаний плиты с учётом жёсткости
грунта, с-1;
h -
коэффициент демпфирования, с-1.
Находим mn:
mn = an ·m
где m -масса корпуса плиты с
вибровозбудтелями, кг (m ≈ 150 кг);
aп -
коэффициент приведения (aп=1,15).
mn =
1,15·150=172,5 кг.
Находим ωo:
где Cр - приведенный коэффициент жёсткости
виброподвески (принят Cр = 1·106
Н/м);
Cб -
приведенный коэффициент жёсткости грунта, Н/м:
Cб = Cуд · a · l · kгр
где b - толщина плиты, м (a=0,026 м);
l -
длина плиты, м (l=0,419 м);
Cуд -
удельный коэффициент жёсткости груна, Н/м4 , принимается по графику, (Cуд= 3·107 Н/м3 );
kгр -
переводной коэффициент зависящий от модуля деформации грунта, для несвязных
грунтов (щебня) kгр ≈ 0,1
Cб = 3·107
·0,1· 0,026 · 0,419 = 32,7 ·104 Н/м .
Тогда:
Далее находится коэффициент демпфирования h:
где bб , bр - соответственно коэффициент сопротивлений грунта и плиты,
Н·с/м (принят bр = 5·103 Н·с/м
[5]).
bб = bуд·kгр ·b · l
где bуд - удельный коэффициент вязкостных
сопротивлений, Н·с/м4, принимается по графику , при :
bуд =
12 · 104 Н·с/м4.
bб =
12·104 · 0,1· 0,026 · 0,419 = 0,13·103 Н·с/м .
Тогда:
В итоге получили:
Принята FВ ≈ 17 кН.
По найденной FВ и принятой
компоновке вибровозбудителя найдём вынуждающую силу одного дебаланса FВ’:
FВ’ = FВ / n
где n - принятое число дебалансов (n=4).
FВ’ =
17 / 4 = 4,25 кН .
1.14.7
Компоновка дебалансов
Для устранения действия горизонтальной составляющей возмущающей силы
применяются вибраторы с направленным действием возмущающей силы. Простейшим
вибратором такого типа является двухвальный вибратор. Валы, на которых
установлены дебаланса, соединены зубчатыми колесами и вращаются в
противоположные стороны с одинаковой угловой скоростью. При этом горизонтальные
составляющие возмущающей силы Fх
(если равны массы дебалансов) всегда будут равны по величине, но противоположны
по направлению, следовательно, они будут взаимно уравновешивать одна другую.
Вертикальные составляющие возмущающей силы также будут иметь одинаковую
величину, но в противоположность горизонтальным их направление будет совпадать.
Вследствие этого вибратор получает направленное действие сил инерции, причем
линия действия всегда будет перпендикулярна к прямой, соединяющей
геометрические центры валов дебалансов.
Неуравновешенные части дебалансов в сечении имеют форму кругового
сектора. Значение r0 (расстояние от оси вращения до центра тяжести дебаланса)
зависит от угла сектора φ0 внешнего Rв и внутреннего rв
радиусов дебаланса.
Угол φ0 по рекомендациям назначается 120˚. Радиус Rв предварительно определяется
выражением:
Rв =
0, 36· l - δД - bК
где δД - зазор между дебалансом и стенкой корпуса, м (δД = 0,045 м);
bК -
толщина корпуса виброплиты, м (bК =
0,01 м).
Rв =
0,36·0,419 - 0,045 - 0,05 = 0,0554≈
0,055 м.
Риc. 15 - Схема компоновки дебалансов
Расстояние от оси вращения до центра тяжести дебаланса:
Внутренний радиус дебаланса:
где δст - толщина ступицы, м (принимается конструктивно δст≈0,01 м)
dв -
диаметр вала дебаланса, (предварительно принимается dв=0,03м);
Тогда:
Зная необходимую возмущающую силу ≈ 850 кг одного вибратора и
расстояние от оси вращения до центра тяжести дебаланса найдем массу дебаланса:
где m - масса одного дебаланса в
кГ-сек2/м;
γ - угол при котором возбуждающая сила
максимальна, град;
r0 -
расстояние от оси вращения до центра тяжести дебаланса в м;
n -
частота вращения дебаланса в минуту.
Вес колеблющихся частей существенно влияет на процесс вибротрамбования
грунта. Если вес окажется недостаточным, то требуемая плотность грунта не может
быть достигнута ни за счет уменьшения толщины уплотняемого слоя грунта, ни за
счет увеличения времени вибротрамбования.
Площадь дебаланса, м2 :
Длина дебаланса, м:
где ρ - плотность металла, кг/м3 (ρ =7800 кг/м3).
Мощность, необходимая при вибротрамбовании грунта.
Затраты мощности при вибротрамбовании представлены в виде:
Рв = Рб + Pвс
где Рб - средняя мощность, необходимая для преодоления сопротивлений
колебаниям виброплиты от балласта и рессорной подвески, Вт;
Pвс -
мощность, необходимая для преодоления внутренних сопротивлений
вибровозбудителя, Вт.
где φ - фаза вынужденных колебаний по отношению к фазе возмущающей
силы, град;
Fв -
максимальная вынуждающая сила, Н (Fв=17·103Н).
где h - коэффициент демпфирования, с-1 (h = 14,8 с-1);
ω0 - частота свободных колебаний плиты с
учётом жёсткости балласта, с-1 (ω0=87,7 с-1).
По формуле (2.23)
находится:
Мощность P’BC находится по формуле:
где P0 - мощность, необходимая для
преодоления диссипативных сопротивлений вращению, Вт.
Р0 =0,5·Fв · dв·ω ·fn,
где fn - приведённый коэффициент трения в
подшипниках дебелансного вала, fn =
0,001 ( [3] стр.148).
P0 =
0,5·17·103·0,018 ·157·0,001 = 24 Вт
Находится PВМ :
PВМ =
0,02 · P0
PВМ =
0,02 · 24 = 0,5 Вт
Находим Р33 по формуле:
где ηз - КПД зубчатой передачи синхронизатора (ηз = 0,96 - [2] стр. 23);
m -
количество зубчатых зацеплений (m=3).
Pзз=
(1542,9 +24) · (1 - 0,963) = 180,6 Вт.
Тогда:
Pвс’ =
24 + 0,5 + 180,6 = 205,1 Вт.
В итоге суммарные затраты мощности равны:
Pв =
1542,9 + 205,1 = 1748 Вт.
В некоторые моменты работы виброплиты могут возникнуть ситуации, такие
как совпадение фазы вынужденных колебаний с фазой возмущающей силы.
Максимально возможные значения Рб возможно при sin 2 φ0 =1:
Максимально возможные потери мощности в зубчатом зацеплении:
P33max = (3877,8+24)(1-0,963) = 449,7 Вт.
Тогда мощность PВС’ max:
PВС’ max = 24 + 0,5 + 449,7 = 474,2 Вт.
В итоге максимально возможная мощность, затрачиваемая на вибротрамбовку
грунта равна:
Pв max = 3877,8 + 474,2 = 4352 Вт.
Для того чтобы учесть возрастание сопротивления на уплотнение грунта, при
попадании плиты в резонанс, при выборе двигателя возьмём среднее значение
мощности Pв ср:
Pв ср
= (1748+4352)/2 =3050 Вт ≈3,1 кВт.
Потребная мощность двигателя вибровозбудителя трамбовочной плиты:
Pв ср
= Pв ср / ηn
где ηn -
КПД передачи от двигателя до ведущего вала вибровозбудителя (ηn = 0,98).
Pдв =
3,1/0,98 =3,16 кВт.
.14.8 Подбор
гидравлического мотора привода виброплиты
В соответствии потребной мощности привода выбирается нерегулируемый
аксиально-поршневой мотора МГ.3.12/32.
Рис.16-Габаритные размеры нерегулируемого аксиально-поршневого мотора
МГ.3.12/32.
Таблица 6. - Характеристика нерегулируемый аксиально-поршневой мотора
МГ.3.12/32
|
Параметры
|
МГ.3.12/32
|
|
Рабочий объем, см3
|
12
|
|
Номинальная частота
вращения, с-1 (об/мин}:
|
33 (2000)
|
|
Номинальный расход, л мин
|
30
|
|
Давление на входе, МПа:
номинальное максимальное
|
15 20
|
|
Номинальная мощность, кВт:
эффективная, не менее
|
9,3
|
|
Крутящий номинальный
момент, Н·м.
|
36
|
|
Тонкость фильтрации, мкм
|
25
|
|
Масса, кг
|
7
|
Учитывая разность частоты вращения валов дебалансов и частоты вращения
вала двигателя устанавливается дополнительный вал с зубчатым колесом понижающий
частоту вращения вала дебаланса (рисунок 3.4).
- гидромотор; 2 - понижающая зубчатая передача; 3 - синхронизирующая
зубчатая передача; 4 - дебалансы;
Рис.17- Кинематическая схема привода виброплиты.
1.15 Расчёт
цилиндрической зубчатой передачи привода вибротрамбовки.
.15.1
Определение параметров привода
Общее
передаточное число привода:
uпр=
uпр=
По
ГОСТ 2185-66 возьмём стандартные значения передаточных чисел (uцил=1,35)
Отклонение
стандартного значения 0передаточного числа от фактического значения
передаточного числа не должно превышать
4%. В
данном случаи
Крутящий
момент на приводном валу:
Tпр = T2
Крутящий
момент на ведущем шкиве ремённой передачи (на валу электродвигателя)
Крутящий
момент на входном валу мотора:
T1 = 36∙0,95=34,2
Н·м.
Крутящий
момент на выходном валу редуктора:
T2 =
36∙1,35∙0,97=47,14 Н·м.
.15.2 Выбор
материалов и определение допускаемых напряжений
По типу производства назначаем вид термообработки: для серийного
производства - улучшение для колеса и закалка ТВЧ для шестерни (Токи Высокой
Частоты).
Для изготовления колёс принимаем сталь 40Х, как наиболее распространённую
в общем редукторостроении.
Шестерня: HRC1 = 45; sв = 1500 МПа; sт = 1300 Мпа.
Колесо: HВ2 = 250; sв = 850 МПа; sт = 550 Мпа.
Определение допускаемых контактных напряжений для шестерни:
Закалка
ТВЧ:
sH lim b 1 =
17·
+200 = 17·45+200 =965 МПа
(предел
выносливости по контактным напряжениям).
SH 1 = 1,2
(коэффициент запаса безопасности).
NHE 1 =
NHE 1 =
60·2000·735·(2,23·10-4+13·0,4+0,63·0,4+0,33·0,2) = 326·106
(эквивалентное
число циклов).
m=9 (показатель
кривой усталости), так как HB>350.
NHO 1 = 30·(10
)2,4 = 30·(10·45)2,4 = 70·106 (базовое число циклов).
Так
как NHE1>NHO1, то KHL 1 = 1 (коэффициент долговечности).
= 804
МПа.
Определение
допускаемых контактных напряжений для колеса:
Улучшение:
sH lim b 2 =
2·
+70 = 2·250+70 =570 МПа.
SH 2 = 1,1.
NHE 2 =
= 93·106.
NHO 2 = 30·(
)2,4 = 30·2502,4 = 17,1·106.
Так
как NHE2>NHO2, то KHL 2 =
=1.
=578 МПа.
Расчётное
значение допускаемых контактных напряжений:
[sH]р = [sH]min
[sH]р = [sH]min = 518 МПа.
Допускаемые
контактные напряжения при перегрузке:
[sH]max 2 =
2,8·sТ
[sH]max 2
=2,8·550 =1540 МПа.
[sH]max 1 =
40·HRC
[sH]max 1
=40·45 =1600 МПа.
1.15.3
Допускаемые изгибные напряжения для шестерни и колеса
Определяем допускаемые значения для шестерни:
sF lim b 1 =
650 МПа.
SF1 = 1,75
(коэффициент запаса).
KFC1 = 1, так
как передача нереверсивная.
NFO1 = 4·106.
1
=
1
= 60·1500·735·(2.29·10-4+0,4+0.69·0,4+0,39·0,2) = 347·106.
Так
как NFE1>NFO1, то KFL1=1.
[sF]1 =
371,4 МПа.
Определяем
допускаемые значения для колеса:
sF lim b 2
=1,8∙
sF lim b 2
=1,8∙250=450 МПа.
Допускаемые
изгибные напряжения при перегрузке:
[sF]max =
0,6·sв
[sF]max =
0,6·1500 = 900 МПа.
SF2 = 1,75
(коэффициент запаса).
KFC2 = 1, так
как передача нереверсивная.
NFO2 = 4·106
2
=
99·106.
Так
как NFE2>NFO2, то KFL2=1.
[sF]2 =
260 МПа.
Допускаемые
изгибные напряжения при перегрузке:
[sF]мах1=0,6·sв1
[sF]мах1
= 0,6·1500=900 МПа.
[sF]мах2=0,8·sт2
[sF]мах2=0,8·550=440
МПа.
1.15.4 Расчёт
цилиндрической прямозубой передачи
1. Проектный расчёт цилиндрической прямозубой передачи
Межосевое расстояние
=
490 МПа
.
KHb = 1,2 (коэффициент,
учитывающий концентрацию нагрузки).
yba =
0,315
(коэффициент ширины колеса).
82,4 мм.
По
рекомендации выбираем стандартное рекомендуемое межосевое расстояние астω= 80 мм.
.
Назначаем нормальный модуль по соотношению:
mn =
(0,01…0,02)·аw
mn =
(0,01…0,02)·80 = (0,8…1,6) мм
По
ГОСТ 9563-80 принимаем стандартный m = 1.
.
Определяем число зубьев шестерни и колеса
Число
зубьев шестерни:
z1 =
68,08.
Принимаем
z1 = 68.
Число
зубьев колеса:
z2 = u·z1 =
1.35·68 = 91,8.
Принимаем
z2 = 92.
.
Уточняем передаточное число
uф =
1.35.
Отклонений
от требуемого u нет (допускается
4%).
.
Определяем диаметры делительных окружностей колёс
d=mn·z
d1 = mn ·z1 =
1·68 = 68 мм.
d2 = mn ·z2 =
1· 92 = 92 мм.
.
Проверка межосевого расстояния
аw = 0,5·(d1+d2) = a стω
аw = 0,5·(68+92) = 80 мм = астω.
7.
Определяем ширину зубчатых колёс
b2 = yba·aw = 0,315·80 =
25,2 мм.
По
ГОСТ 6636-69 округляем до стандартного значения
b2 = 25 мм.
Ширину
зубчатого венца шестерни назначим на (5…8) мм. больше
b1 = b2+(5…8)
= 25+(5…8) = (30…33) мм. принимаем
b1 = 30 мм.
Проверочный
расчёт передачи проводим в соответствии с ГОСТ 21354-75.
Проверка
передачи на контактную выносливость:
ZH=
(коэффициент,
учитывающий форму сопряжённых поверхностей зубьев).
aw = 20° (угол зацепления).
ZH =
1,76.
ZM =
(коэффициент,
учитывающий механические свойства материалов сопряжённых колёс, МПа
).
(приведенный
модуль упругости).
E1 = E2
=2,1·105 МПа.
Eпр=
2,1·105 МПа.
m = 0,3 (коэффициент
Пуассона).
ZM =
271,1 МПа
.
Ze =
(коэффициент, учитывающий суммарную длину контактных
линий).
(коэффициент
торцевого перекрытия).
ea =
1,7.
Ze =
0,9.
(окружная
сила).
Ft =
≈1020 Н.
KH = KHb·KHV
(коэффициент нагрузки).
KHb - коэффициент
концентрации нагрузки.
K
- коэффициент начальной концентрации нагрузки,
выбирается в зависимости от
:
Þ K
= 1,26.
При
непостоянной нагрузке KHb = (1-х)∙ K
+ х
х
=
х
=10-4∙2,2+0,4∙1+0,4∙0,6+0,2∙0,3=0,7
KHb = (1-0,7) ∙1,26+0,7=
1,08.
Определяем
KHV (коэффициент динамичности) в зависимости от V
(окружной скорости).
V =
7,1 м/с.
Принимаем
8-ю степень точности по рекомендации (тихоходные передачи машин низкой
точности). Находим:
KHV = 1,22.
KH = 1,08·1,22 =
1,3.
sH =
494,8
МПа.
sH = 494,8 < [sH]min = 578 МПа.
Недогрузка
передачи составляет
DsH =
14 %
>[DsH]=(12…15)%,
что указывает на отсутствие возможности уменьшения габаритов передачи и
целесообразные геометрические размеры зубчатой передачи.
Проверка
передачи на изгибную выносливость:
(условие
работоспособности на изгиб для прямозубых колёс).
С
достаточной степенью точности можно считать, что KFb = KHb, а KFV =
KHV.
YF (коэффициент
формы зуба) находим в зависимости от числа зубьев рассчитываемого колеса z и
коэффициента смещения режущего инструмента x (x1 = x2 =
0) :
YF1 = 4,07; YF2 =
3,61.
На
изгибную выносливость проверяются зубья того колеса, для которого отношение
минимально:
Следовательно,
на изгибную прочность проверяем зубья колеса:
sF2 =
26 МПа.
sF2 = 26 МПа < [sF]1 = 260 МПа.
Проверяем
передачу на прочность зубьев при пиковых (кратковременных) перегрузках:
sH =370 МПа,
,
=1540 МПа
sH max =
550 МПа < [sH]max =
1540 МПа.
Следовательно,
контактная пластическая деформация зубьев (бринеллирование) будет
отсутствовать:
sF max =
816 < [sF]max
= 900 МПа.
Следовательно,
объёмная пластическая деформация будет отсутствовать.
Геометрические
характеристики зацепления.
Определяются
только те геометрические характеристики, которые необходимы при вычерчивании
зубчатого зацепления передачи и рабочих чертежей зубчатых колёс.
Расчёт
геометрических размеров передачи внешнего зацепления производится по ГОСТ
16532-70.
Некоторые
размеры и параметры передачи уже определены:
mn = 1 мм; aw = 80 мм; b1 =
25 мм; b2 = 30 мм; d1 = 68 мм; d2 =
92 мм; u = 1,35.
Диаметры
окружностей выступов:
da1 = d1+2·(h
+x1)· mn; da2 =
d2+2·(h
+x2)· mn.
h
= 1 (коэффициент высоты головки зуба исходного
контура).
x1 = x2 =
0 (коэффициенты смещения режущего инструмента).
da1 =
68+2·(1+0)·1 = 70 мм;
da1 =
92+2·(1+0)·1 = 94 мм.
Диаметры
окружностей впадин зубьев:
df1 = d1-2·(h
+c*-x1)·
mn; df2 = d2-2·(h
+c*-x2)· mn.
*
= 0,25 (коэффициент радиального зазора исходного контура).
df1 =
68-2·(1+0,25-0)·1 = 65,5 мм;
df2 =
92-2·(1+0,25-0)·1 = 89,5 мм.
Усилия
действующие в зацеплении:
Осевая
сила
Fa = Ft·tgb = 0, так как
b = 0°.
Радиальная
сила
Fr =
373 Н.
1.15.5 Расчет
валов
Определим средний диаметр вала из расчета только на кручение при
пониженных допускаемых напряжениях:
где
Т - крутящий момент на валу, Н·мм;
- для
редукторных и других аналогичных валов,
;
а)
средний диаметр быстроходного вала:
;
б)
средний диаметр тихоходного вала:
Предварительно
оценить диаметр проектируемого вала можно, также ориентируясь на диаметр того
вала, с которым он соединяется (валы передают одинаковый момент Т ). Например,
если вал соединяется с валом гидравлического мотора (или другой машины), то
диаметр его входного конца можно принять равным или близким к диаметру
выходного конца вала гидравлического мотора.
1.15.6
Геометрические размеры зубчатой передачи
Окружная сила в зубчатом зацеплении Ft1 = Ft2 =
1025 Н;
радиальная сила в зубчатом зацеплении Fr1 = Fr2 =
373 Н.
Шестерня
Крутящий момент на ведущем валу (мотора) привода T1 = 34,2 Н∙м;
номинальная частота вращения на ведущем валу привода n1=2000об/мин;
количество зубьев z1=68;
ширина шестерни b1 =
30 мм;
диаметр вала шестерни d1в =
20 мм
наружный диаметр шлицевого соединения d1ш = 25 мм
диаметр ступицы шестерни d1ст
=1,6 · d1ш =1,6 · 25 ≈ 40 мм
длина ступицы шестерни l1ст =
(1,2 ÷1,5)
· d1ш = (1,2 ÷1,5)
· 25= 30
÷ 37,5 = 36 мм
толщина обода шестерни δо1 = (2,5 ÷
4)· mn
=(2,5 ÷ 4)· 1=2,5 ÷ 4 =4 мм
толщина диска шестерни С1 = 0,3· b1=0,3· 30 =9 мм
Колесо
Крутящий момент на ведомом валу (дебалансов) T2 = 47,14 Н∙м
номинальная частота вращения на ведомом валу привода n2=1482об/мин;
количество зубьев z2=92;
ширина колеса b2 = 25 мм;
делительный диаметр колеса d2 =
92 мм.
диаметр вала колеса d2в =
25 мм
наружный диаметр шлицевого соединения d2ш = 30 мм
диаметр ступицы колеса d2ст
=1,6 · 30 ≈ 48 мм
длина ступицы колеса l2ст =
(1,2 ÷1,5)
· 30=
36 ÷ 45 = 36 мм
толщина обода колеса δо2 = (2,5 ÷
4)· mn
=(2,5 ÷ 4)· 1=2,5 ÷ 4 =4 мм
толщина диска колеса С2 = 0,3· b2=0,3· 25 ≈8 мм
Синхронизирующие зубчатые колеса
Крутящий момент на валу дебалансов T3 = T2 =
47,14 Н∙м
номинальная частота вращения на ведомом валу привода
n3= n2=1500об/мин;
количество зубьев z3=58;
ширина колес: ведущего b3 =
40 мм;
ведомого b’3 = 35 мм
делительный диаметр колес d3 =
116 мм.
диаметр вала колес d2в =
25 мм
наружный диаметр шлицевого соединения d3ш = 30 мм
диаметр ступицы колес d3ст
=1,6 · 30 ≈ 48 мм
длина ступицы колес l3ст =
(1,2 ÷1,5)
· 30
= 36 ÷ 45 = 40 мм
толщина обода колес δо3 = (2,5 ÷
4)· mn
=(2,5 ÷ 4)· 2=5 ÷ 8 =8 мм
толщина диска колес: ведущего С3 = 0,3· b3=0,3· 40=12 мм
ведомого С’3 = 0,3· b’3=0,3·
35≈11 мм
1.15.7.Расчет
пальцев и проушин крепления виброплиты.
Определим напряжения среза:
где Р- срезающее усилие;
i- число плоскостей среза, i
=2;диаметр пальца, d = 40 мм;
[τ]
- допускаемые напряжения среза, [τ] =100 МПа.
кН,
Расчет пальца на смятие проведем по формуле
где
d2- сумма толщин стенок, d2 =40 мм;
-
допускаемые напряжения смятия, =160 МПа.
Таким
образом, из расчета следует, что условия прочности пальца по напряжениям среза
и смятия выполняются.
Расчет
нижнего пальца крепления стрелы:
где Р3- срезающее
усилие;число плоскостей среза, i =2;диаметр пальца, d = мм;
[τ]
- допускаемые напряжения среза, [τ] =100 МПа.
, кН
, кН
, кН
Расчет пальца на смятие проведем по формуле:
где d2- сумма толщин
стенок, d2 =60 мм;
-
допускаемые напряжения смятия, =160 МПа.
Таким
образом, из расчета следует, что условия прочности пальца по напряжениям среза
и смятия выполняются.
.15.8 Расчёт
подвески виброплиты
Расчёт подвески виброплиты сводится к расчёту и выбору гидроцилиндров
механизма подъёма и опускания плиты.
Сила действующая на 2ва гидроцилиндра опускания плиты Fшт находится из схемы 2.16 по
формуле:
гдеFпл -сила подъема-прижатия действующая
на шток со стороны виброплиты, Н ;
kнеб -
коэффициент учитывающий различные неблагоприятные условия, (kнеб≈1,15);
α’ - угол наклона гидроцилиндров
относительно горизонтальной плоскости, град.
где mро - масса рабочего оборудования, кг
[5].
где mпл - приведённая масса виброплиты (3х
пластин из мартенсинистой стали), кг (≈ 30 кг);
mр -
масса рамы, кг (≈ 50 кг);
mпр -
масса установки привода, кг;
mвиб -
масса вибровозбудителей, кг (≈ 10кг);
Где mм - масса гидравлического мотора МГ3.12/32, кг (mм =7кг);
mкр -
масса крепежных приспособлений привода, кг (mкр =2 кг);
mв.ш.
- масса валов, шестерней, кг (Принято mв.ш. =2.5кг).
В итоге:
Отсюда:
Тогда усилие необходимое для подъема (втягивания) виброплиты:

Усилие
необходимое для прижатия плиты к грунту (выдвижения):
1.15.9 Расчет
гидроцилиндра подъема-опускания виброплиты.
Усилие на штоке гидроцилиндра:
где Pном - давление рабочей жидкости в
гидросистеме, Па;
ηгмц - гидромеханический КПД цилиндра,
при Pном=15 МПа , ηгмц=0,94
D -
диаметр поршня, м
Отсюда диаметр поршня:
Корректируем диаметр с учетом рекомендуемых значений:
Потребную мощность привода насоса вращательного движения для работы
гидроцилиндра станка находим по формуле:
гдеvп - скорость перемещения поршня, м/с;

КПД
гидромеханический. насоса;
КПД
находим по справочным данным выбираем 
.
Действительная
необходимая подача находится из формулы:
.15.10
Прочностные расчеты
Проверочный расчет толщины стенки силового гидроцилиндра:
Материал корпуса гидроцилиндра сталь - 30ХГСА. Допускаемое напряжение
разрыва

.
Усилие
от максимального рабочего давления:
Толщина
стенки гидроцилиндра
Отношение
наружного диаметра ко внутреннему:
Определяем
минимальную толщину тонкостенного гидроцилиндра (проверка):
Припуски
на механическую обработку 
. Условно
принимаю 
. Тогда:

Условие
прочности выполняется, т.е. прочность обеспечена.
Расчет
на продольный разрыв прямых тонкостенных стальных трубопроводов:
Материал
трубопровода: ст.35 - 
Принимаем
диаметр условного прохода напорного трубопровода 
,
определим толщину его стенки из условия прочности:

Для
тонкостенных трубопроводов допускают, что внешний диаметр примерно равен
внутреннему:
Толщина
стенки напорного трубопровода:
.15.11 Подбор
резинометаллических виброизоляторов
Виброизоляторы ВИ-1 и ВИ-2 изготавливаются по ТУ 38.605-101-89
«Виброизолятор резиновый ВИ» в соответствии с конструкторской документацией и
представляют собой куб размером 120х60х60 мм со сквозными отверстиями диаметром
2 мм (ВИ-1 -41 отверстие, ВИ-2 - 25 отверстий). ВИ обеспечивают среднюю
вертикальную собственную частоту при номинальной нагрузке - 15…25 Гц и
логарифмический декремент колебаний не менее 0,4, что обеспечивается рецептурой
соответствующей резиновой смеси.
Применение:
предназначены для защиты от вибрации (виброизоляции):
виброчувствительного (измерительные приборы);
виброактивного оборудования с периодически возмущающей силой
(компрессоры, станки и др.);
оборудования с импульсными нагрузками (штампавтоматы);
оборудования текстильной промышленности.
Условия применения:
при температуре от -30°С до +70°С;
при наибольшей рабочей нагрузке 20 кН.
НИИРП совместно с НТЦ Вибросейсмозащита разработаны и производятся
высокопрочные многослойные резиновые (тип 1) и резинометаллические (тип 2)
виброизоляторы. Метод виброизоляции позволяет снизить уровень динамического
воздействия на конструкцию в 15-20 раз, осуществлять монтаж и замену
виброизоляторов в любой момент строительства и эксплуатации сооружения.
Виброизоляторы набираются из расчетного количества элементов заданной
высоты и площади опоры в диапазоне нагрузок (от 20 до 30 кг/см) в соответствии
с конкретными условиями технологии и санитарными нормами.
Перечень НТД: ТУ 2532-012-00152106-96
Применение:
предназначены для виброзащиты (виброизоляции) зданий, сооружений и
оборудования от воздействия техногенной (транспортной, промышленной) и
природной (землетрясения) вибрации.
Амортизаторы резинометаллические арочные типа А
Амортизаторы резинометаллические арочные предназначены под нагрузку от
2450 до 19600 Н (от 250 до 2000 кгс), для амортизации механизмов и оборудования
на судах и плавсредствах всех типов, классов и назначений.
Амортизаторы типа А предназначены для работы в воздушной среде при
температуре от минус 5°С до плюс 70°С в присутствии паров масла, дизельного
топлива, пресной и морской воды. Допускается применение амортизаторов для
работы в специальных условиях.
Арочные амортизаторы представляют собой резинометаллические изделия,
состоящие из верхней Т-образной и нижней с-образной металлическими деталями,
скрепленные между собой привулканизованными немаслостойким резиновым массивом,
покрытым маслостойкой клеевой пленкой.
1.15.12
Расчет производительности
Произведём расчёт производительности при 6ти схемах работы одноковшового
погрузчика на пневмоколёсном ходу, в комплекте с транспортными средствами.
Исходя из соображений, что фронтальный погрузчик работает в режиме машины
циклического действия, то его производительность для всех схем работы будем
находить по формуле
где


, 


=1,3
Очевидно,
что в нашем случае зависеть производительность будет исключительно от времени
рабочего цикла 









В
зависимости от выбранной рабочей схемы время цикла будет различным.
Рассмотрим
каждую схему работы фронтального погрузчика.
А)
Схема работы с поворотом на угол 45-50˚.

1/2
+
Б)
Челночная схема работы

+
В)
Схема работы с поворотом на угол 45-50˚.

1/2
+
Г)
Схема работы с поворотом на угол 90˚.

+
Д)
При спаренной установке ТС

+
Е)Челночным
способом с разгрузкой в сторону (для гусеничных погрузчиков)

+
Далее
рассчитаем производительность для каждой схемы работы:
А)
Схема работы с поворотом на угол 45-50 град.
Б)
Челночная схема работы
В)
Схема работы с поворотом на угол 45-50 град.
Г)
Схема работы с поворотом на угол 90 град.
Д)
При спаренной установке ТС
Е)Челночным
способом с разгрузкой в сторону (для гусеничных погрузчиков)
Как
видно из расчётов, самая выгодная схема работы для одноковшовых фронтальных
погрузчиков с пневматическими шинами - челночная, самая не выгодная - с
поворотом на угол 90 град
Эксплуатационная
производительность уплотнительных работ, м3/ч:
где В - ширина укатываемой полосы в м;
А - величина перекрытия в м(А = 0,2м);
Но - оптимальная толщина слоя грунта в плотном теле в м;
kв -
коэффициент использования рабочего времени (кл = 0,85);
v -
рабочая скорость в м/ч;
t -
время, затрачиваемое на переключение передач в конце участка, в ч ( t = 0,001 ч);
n -
необходимое число проходов .
1.16
Предложения по автоматизации рабочих процессов экскаватора - погрузчика
Одноковшовые экскаваторы выполняют до 38% земляных
работ в строительстве. Процесс копания у одноковшовых экскаваторов состоит из
двух операций - заглубления ковша и его перемещения по забою. При заглублении
ковш должен создавать ровную поверхность у подошвы забоя, что ведет к
уменьшению затрат на планировку перед передвижкой экскаваторов (при ручном
управлении экскаваторами на зачистку и планировку дна котлована после копания
остается слой фунта до 20 см). В процессе копания ковш должен быть заполнен при
минимальных затратах энергии и за минимальное время. Максимально возможная
производительность и лучшие энергетические показатели достигаются при
правильном сочетании подъемного и напорного движений. Поэтому внедрение на
экскаваторах микропроцессоров и лазерных информационно-измерительных устройств
для управления процессом копания позволяет повысить точность и качество
выполняемых работ, снизить трудозатраты и численность обслуживающего персонала.
В одноковшовых экскаваторах используются различные виды указанных устройств.
В одном случае при автоматизации работы экскаватора с
обратной лопатой на рытье траншей приемник лазерного излучения крепится на
ковше экскаватор. Лазерный излучатель устанавливается на дне траншеи в начале
ее разработки с направлением пучка лазера вдоль оси траншеи с проектным углом
наклона. В кабине машиниста располагается информационно-индикаторное
устройство, на экране которого по положению (перемещению) лазерного пятна
определяет величину и направление отклонения ковша от заданных отметок и
устанавливает ковш в требуемое положение.
Другая автономно-копирная система управления
одноковшовым экскаватором по лучу лазера состоит из лазерного излучателя,
информационно-измерительного устройства с датчиками, установленными в шарнирах
крепления рабочего оборудования, механизма перемещения фотоприемного
устройства, а также микропроцессорного устройства, реализующего заданный закон
управления рабочим процессом машины. Во время работы микропроцессорное
устройство по сигналам датчиков вырабатывает управляющие сигналы, поступающие
на исполнительные устройства, для поддержания заданной глубины копания и
требуемого угла резания. Рабочие параметры высвечиваются на дисплее. При этой
системе копание производится вручную но индикатору глубины копания, а на
зачистных операциях включается автоматическая система управления,
обеспечивающая заданную глубину копания, прямолинейность траектории движения
режущей кромки ковша и заданный угол резания.
Наибольшую эффективность использования экскаваторов с
лазерными системами дает применение бортовых микрокомпьютеров. В этом случае в
память компьютера вносятся все необходимые данные, такие как геометрические
размеры котлована, углы откосов, емкость, угол поворота, высота подъема ковша и
т.н. Тогда во время работы в компьютер автоматически поступают сигналы с
фотоприемника, а затем на исполнительные устройства для «моментальной»
корректировки выполняемого процесса по отрывке траншеи или котлована.
Компания Торсоп разработала «спутниковую» систему
управления экскаватором (через GPS).
Бортовой комплект состоит из бортового компьютера, приемника с двумя антеннами,
четырех датчиков-акселерометров, монтажных кронштейнов и соединительных
кабелей. Достоинством этой системы является возможность быстрого монтажа и
настройки компонентов системы, быстрая установка и калибровка системы. Но
существуют и недостатки. Во-первых, данная система предназначена только для
гусеничных экскаваторов, во-вторых, необходимо дополнительное оборудование за
пределами машины (базовая станция, ведущая в эфир информацию и нескольких
опорных точек с известными координатами в системе координат проекта).
Для гидравлических одноковшовых экскаваторов и
погрузчиков, выполняющих длительные работы с постоянно повторяющимися циклами,
разработана компьютерная система управления погрузочными работами. Наиболее
эффективно эта система используется при прокладке траншей, планировке откосов,
погрузке разрабатываемых материалов в транспортные средства, в шахтах и т.н.
Она позволяет освободить машиниста от ручного управления при многократных повторениях
выполняемых операции. Однако при использовании такой системы заполнение ковша
происходит в ручном режиме. Кроме того, необходимо каждый раз «переобучать»
систему при изменении каких-либо внешних факторов (смена самосвала, перемещение
экскаватора и т.д.).
Для повышения эффективности использования
гидравлических одноковшовых экскаваторов при выполнении планировочных и
зачистных работ на них устанавливается автоматизированная система управления
рабочим органом. Эта система выполнена с однопроводной управляющей связью и
состоит из датчика положения ковша, датчиков положения рукояти и стрелы, каната
управляющей связи, рычага и аппаратуры управления гидрораспределителем ковша.
Данная следящая система позволяет сохранить первоначальное положение режущей
кромки ковша при изменении положения рукояти.
Все перечисленные выше системы обладают одним общим
недостатком: в них нет системы мониторинга текущего состояния экскаватора. А
отсутствие же контроля текущего состояния может привести к тяжелым повреждениям
(вплоть до аварии). Кроме того, все эти системы не способны отреагировать на
появление препятствия на пути рабочего органа. Необходимо разработать
математическую модель, которая будет точно описывать текущее состояние
экскаватора исходя из входных данных, поступающих с датчиков. Построенная
модель сможет служить базой для синтеза системы автоматизации экскаватора,
которая сможет не только управлять скоростью и направлением перемещения
рабочего оборудования, но и отслеживать текущее состояние машины.
Глава 2. Технологический
процесс изготовления детали
.1
Обоснование выбора способа изготовления заготовки
Метод выполнения заготовок для деталей машин определяется назначением и
конструкцией детали, материалом, техническими требованиями, масштабом и
серийностью выпуска, а также экономичностью изготовления.
В нашем случае втулка сделана из стали 35 ГОСТ 1050-88. Двухзначное
число-среднее содержание углерода в сотых долях процента. Заменитель: стали
30,40,35Г.
Данная деталь устанавливается в отверстии корпуса муфты механизма отбора
мощности строго перпендикулярно установочной поверхности корпуса посредством
3-х винтов. Отверстие, выполненное по 7 квалитету, является основным, т.е. по
нему происходит соединение втулки с другими деталями, т.е. устанавливается
подшипник скольжения.
Данная втулка не большого размера. Наибольший наружный диаметр 32мм,
наибольшая разница диаметров составляет 14 мм. При изготовлении мелких деталей
класса « втулки» (d<50 мм)
применяют сортовой прокат (либо пруток, либо труба). Трубу в данном случае
применить не удастся, т.к. трубы Ø32 с толщиной стенки 12 мм в сортаменте
нет.
Хотя штамповка имеет ряд преимуществ перед ковкой, в единичном и
мелкосерийном производствах ковка обычно экономически более целесообразна.
Объясняется это тем, что при ковке используют универсальный (годный для
изготовления различных поковок) инструмент, а изготовление специального
инструмента (штампа) при небольшой партии одинаковых поковок экономически
невыгодно. Поковки средней и малой массы изготовляют из блюмов и сортового
проката квадратного, круглого или прямоугольного сечения. Однако не тот, не
другой способ не обеспечивают получение размеров с необходимой точностью (Ø32-0,15).
Отливки в землю или центробежное литье не подходит т.к. применяется для
деталей больших размеров и сложной конфигурации. Стальные отливки сложной формы
весом 50 - 500 г рекомендуется отливать по выплавляемым моделям, при этом
обеспечиваются 11 - 12 квалитет точности и шероховатость Ra = 20¸40 мкм.
Таким образом, анализируя вышесказанное, принимаю решение провести
сравнительный анализ 2-х видов заготовки: сортовой прокат (круг калиброванный,
х/катаный ГОСТ 7417-75 Ø32) и отливка по выплавляемым моделям.
Оба эти метода позволяют не обрабатывать резанием поверхность Ø32-0,15.
.1.1
Определение стоимости заготовки
Для определения стоимости надо вычислить массу заготовки, а значит, ее
размеры, которые назначаются исходя из припусков на размеры.
В этом разделе определяю припуски приближенно табличным методом согласно
[(22), стр. 581¸584, табл. 1 - 4]:
Вариант № 1. Прокат.
Диаметр прутка, как уже было сказано выше, принимаю Dз = 32-0,15 мм.
С учетом ширины отрезного резца, а = 3 мм, принимаю длину заготовки
Lз =
28 мм.
Вариант № 2. Отливка.
Поверхность Ø32-0,15: диаметр исходной отливки Dз1 = 32-0,15 мм отливается без
последующей механической обработки, длина Lз1 = 8,6 мм;
Поверхность Ø18 h11: диаметр исходной отливки Dз2 = 21-0,52 мм, длина
Lз2 =
8,6 мм;
Поверхность Ø20 h9:
диаметр исходной отливки Dз3 =
24-0,52 мм, длина
Lз3 =
8,6 мм.
Определяю объемы заготовок и их массу:
Вариант № 1. Прокат.
Объем заготовки:
;
Масса
заготовки
Вариант № 2. Отливка.
Объем заготовки получается как сумма объемов составных частей:
Объем заготовки общий:
Масса заготовки:
Определяю стоимость заготовок:
Вариант № 1. Прокат.
S -
цена 1 кг материала заготовки, руб.
q -
масса готовой детали, кг;
Sотх -
цена 1 тонны отходов, руб.
Принимаю S = 0,16 руб.
[(3), стр. 32, табл. 9], Sотх =
14,4 руб. [(18), стр. 33, табл. 10], q = 0,067 кг.
Тогда
Коэффициент использования материала
Вариант
№ 2. Отливка.
C2 = 1600 руб. -
базовая стоимость одной тонны заготовок [(18), стр. 36];
kт = 1,1 -
коэффициент, зависящий от класса точности заготовки [(18), стр. 36];
kс = 1,0 -
коэффициент, зависящий от группы сложности отливки [(18), стр. 36, табл. 13];
kв = 1,0 -
коэффициент, зависящий от массы заготовки [там-же];
kм = 1,0 - коэффициент,
зависящий от материала [18), стр. 36];
kп = 1,23 -
коэффициент, зависящий объема производства [(18), стр. 37].
Тогда
Коэффициент
использования материала
Результаты
расчетов свожу в таблицу.
Табл.
6. Сравнение вариантов метода получения заготовки.
|
Наименование показателей
|
1-й вариант
|
2-й вариант
|
|
Вид заготовки
|
Прокат
|
Отливка
|
|
Эскиз
|
|
|
|
Масса заготовки, кг
|
0,176
|
0,108
|
|
Коэффициент использования
материала
|
0,38
|
0,62
|
|
Стоимость заготовки, руб.
|
0,0266
|
0,2332
|
|
Годовая экономия материала,
кг.
|
-
|
204
|
|
Экономический эффект от
стоимости, руб.
|
619,8
|
-
|
|
Наиболее выгодный метод
получения заготовки
|
Прокат
|
2.1.2 Маршрут
обработки поверхности детали
Наружную цилиндрическую поверхность Ø20 h9(-0,052), Ra = 2,5 мкм наиболее экономично получить методом чистового
точения. До этого выполняется черновое точение за 2 перехода по 12 квалитету
точности с Ra = 20 мкм. Заготовкой этой
поверхности служит прокат, имеющий EI = - 0,15 мм.
Наружную цилиндрическую поверхность Ø18 h11(- 0,11), Ra = 5 мкм наиболее экономично получить методом получистового
точения. До этого выполняется черновое точение за 2 перехода по 14 квалитету
точности с Ra = 20 мкм. Заготовкой этой
поверхности служит прокат, имеющий EI = - 0,15 мм.
Отверстие Ø8 Н14(+0,36), Ra = 10 мкм получаю сверлением в сплошном металле.
Отверстие Ø9 Н13(+0,22), Ra = 10 мкм наиболее экономично получить методом растачивания.
Отверстие
Ø12
К7(
), Ra =
1,25 мкм наиболее экономично получить методом тонкого точения. До этого на
токарной операции выполняется получистовое растачивание по 9 квалитету точности
с Ra = 5 мкм. Заготовкой этой поверхности служит
просверленное отверстие, имеющее ES = +0,36 мм.
Таким
образом, намечены планы обработки всех поверхностей, выбраны способы обработки
каждой из них и определено требуемое количество переходов, исходя из
соображений экономической точности обработки.
Используя
результаты расчета межпереходных диаметров и учитывая принятые решения,
разрабатываю следующий технологический маршрут обработки:
Операция
005. Заготовительная.
Операция
010. Токарная с ЧПУ.
На
данной операции производится сверление отверстия Æ8,
предварительная обработка поверхностей Æ20h9, Æ12К7, подрезка торца и отрезка детали.
Для
выполнения операции выбираю токарный станок с ЧПУ модели 16Б16Т1. Пруток
закрепляется на станке в 3-хклачковом патроне (заготовка базируется по
наружному диаметру и упору).
Операция
015. Токарная с ЧПУ.
На
данной операции производится окончательная обработка поверхности Æ18h11, растачивание отверстия Æ9Н13, проточка фаски 1×45˚, подрезка торца в размер 24h12 и уступов в
размеры 7 мм и 16 мм.
Обработка
производится так же на токарном станке с ЧПУ модели 16Б16Т1. Заготовка
закрепляется на станке в цанговом патроне за Æ20 с
упором в торец.
Операция
020. Токарная с ЧПУ.
Производится
окончательная обработка поверхности Æ20h9,
отверстия Æ12К7 и подрезаются уступы. При этом выдерживаются
допуски расположения поверхностей.
Для
выполнения операции выбираю токарный станок модели ТПК-125В. Пруток
закрепляется на станке в цанговом патроне (заготовка базируется по наружному
диаметру и упору).
Операция
025. Фрезерно-сверлильная с ЧПУ.
Обрабатывается
лыска в размер 29h12, сверлятся 3 отверстия Æ3, зенкуются 3 фаски в размеры Æ5 мм, Ð
90º-2º, Æ26±0,05,
120º±30¢. При этом обработка
отверстий и фасок производится комбинированным сверлом за один рабочий ход. Обработка
производится на вертикальном фрезерном станке с ЧПУ модели 6520Ф3. Заготовка
закрепляется на станке в оправке с базированием по поверхности Æ20h9 и уступу Æ32.
.1.3 Расчет
режимов резания
Выполняю расчет режимов обработки для каждого перехода.
Операция 010.
Переход № 2.
Последовательно: подрезается торец с глубиной резания tmax = 1,13 мм; точится наружная
поверхность с глубиной резания tmax =
3 мм. На всех поверхностях выполняется черновое точение с Ra = 10 мкм. Все расчеты произвожу для tmax = 3 мм. Обрабатывается сталь 35 с σв = 540 МПа, НВ = 207.
Определяю подачу согласно ([6], стр. 266, табл. 26):
S =
0,3 мм/об.
Скорость резания определяю по формуле ([21], стр. 265):
КмV, КпV, КиV, Кφ,
Кr - коэффициенты, учитывающие влияние
материала заготовки, состояние поверхности заготовки, материала инструмента,
главного угла в плане, радиуса при вершине резца;
Т - период стойкости инструмента;
t и S - величины глубины резания и подачи
соответственно;
m, x, y - эмпирические показатели степени.
Все данные принимаются из справочника ([21], стр. 261 - 269, табл. 1 -
17). Тогда;
Частота вращения шпинделя:
Ближайшая меньшая по паспорту станка n = 1250 об/мин, что обеспечивает скорость резания
Величину силы Pz определяю по
эмпирической формуле, используя численные значения коэффициентов и показателей
степеней из ([21], стр. 264 - 275, табл. 9 - 23):
Мощность
, что
меньше полезной мощности станка (Nст = 5,3 кВт).
Минутная
подача
Используя
формулы и справочные данные ([21]), провожу расчет режимов обработки всех остальных
переходов.
Результаты
расчетов свожу в таблицу.
Табл.7.
- Режимы обработки по переходам операций.
.1.4 Расчет
нормируемого времени
Определяю время рабочего (основное) и холостого ходов:
Определяю
вспомогательное время, связанное с переходом:

Время
рабочего (основное) и холостого ходов:
Вспомогательное время, связанное с переходом
Переход №4.
Переход №5.
Операция 015.
Переход №2.
Переход №3.
Переход №4.
Операция 020.
Переход №2.
Переход №3.
Операция
025.
Переход
№2.
Переход №3.
.1.5
Проведение технического нормирования
Операция 010.
Штучное время обработки заготовки определяется по формуле:
tо = ∑
tоi - основное время на операцию,
tо010
= 0,134 + 0,147 + 0,072 + 0,16 = 0,513 мин;
tв = tву + ∑ tвi -
вспомогательное время, включающее время tву на установку и снятие заготовки и ∑ tвi, связанное с каждым переходом,
tву =
0,2 мин;
∑ tвi = 0,144 + 0,114 + 0,074 + 0,148 = 0,48 мин;
tв010
= 0,2 + 0,48 = 0,68 мин;
tобс +
tпер - время на обслуживание рабочего
места и время на личные надобности составляет 10% от оперативного времени
([16]), т. е.
(tобс + tпер)010 = 0,1∙(0,513 + 0,68) = 0,12 мин;
Тшт010 = 0,513 + 0,68 + 0,12 = 1,313 мин.
Подготовительно - заключительное время Тпз при обработке на станках с ЧПУ
определяется по формуле:
Тпз010 = Тпз1 + Тпз2 + Тпз3 + Тпз4 = 12 + 12,1 + 19,6 = 43,7 мин,
Где Тпз1 - время, включающее получение наряда, чертежа, технологической
документации и ознакомление с ними, равное 12 мин ([16]);
Тпз2 - время, учитывающее дополнительные работы, согласно ([16]), равное
12,1 мин;
Тпз3 - время пробной обработки одной заготовки, учитывается только в
случае отсутствия на станке корректора, в данном случае равно нулю;
Тпз4 - время, связанное с приемами по наладке станка, равное для четырех
инструментов 19,6 мин.
Операция 015.
tо015
= 0,077 + 0,023 + 0,133 = 0,233 мин;
tву =
0,2 мин; ∑ tвi = 0,145 + 0,116 + 0,143 = 0,404 мин;
tв015
= 0,2 + 0,404 = 0,604 мин;
(tобс + tпер)015 = 0,1∙(0,233 + 0,604) = 0,084 мин;
Тшт015 = 0,233 + 0,604 + 0,084 = 0,921 мин.
Тпз015 = 38,8 мин.
Операция 020.
tо020
= 0,126 + 0,163 = 0,289 мин;
tву =
0,2 мин; ∑ tвi = 0,143 + 0,117 = 0,26 мин;
tв020
= 0,2 + 0,26 = 0,46 мин;
(tобс + tпер)020 = 0,1∙(0,289 + 0,46) = 0,075 мин;
Тшт020 = 0,289 + 0,46 + 0,075 = 0,824 мин.
Тпз015 = 33,9 мин.
Операция 025.
tо025
= 0,159 + 0,195 = 0,354 мин;
tву =
0,3 мин; ∑ tвi = 0,178 + 0,187 = 0,365 мин;
tв025
= 0,3 + 0,365 = 0,665 мин;
(tобс + tпер)025 = 0,16∙(0,354 + 0,665) = 0,163 мин;
Тшт025 = 0,354 + 0,665 + 0,163 = 1,182 мин.
Тпз025 = Тпз1 + Тпз2 + Тпз3 + Тпз4 = 12 + 18,3 + 9,3 = 39,6 мин.
Результаты свожу в таблицу.
|
№ операции
|
Тшт, мин
|
Тпз, мин
|
|
010
|
1,313
|
43,7
|
|
015
|
0,921
|
38,8
|
|
020
|
0,824
|
33,9
|
|
025
|
1,182
|
39,6
|
Глава 3.
Технико-экономический расчёт
В данном разделе производится расчет финансово - экономических
показателей для экскаватора-погрузчика VOLVO BL-71 до и после модернизации его рабочего оборудования.
После модернизации рабочее оборудование фронтального погрузчика может
выполнять два вида работ: разработка грунта (погрузочно-транспортные) и
уплотнение грунта (вибротрамбование). До модернизации для выполнения работ по
уплотнению грунта необходимо применение ручных виброплит. По этому расчет до
модернизации ведется для двух видов техники экскаватора-погрузчика VOLVO BL-71 и виброплиты Dynapac LH800, расчет после модернизации для
экскаватора-погрузчика VOLVO BL-71 с новым
рабочим оборудованием.
Определение капитальных вложений.
Капитальные вложения на внедрение новой техники - это единовременные
затраты, связанные с осуществлением технического решения.
I)
расчет капитальных вложений до модернизации
Стоимость базовой машины Кб, руб. определяем по формуле:
где Ц- средневзвешенная цена завода-изготовителя:
экскаватор-погрузчик VOLVO BL-71, мощностью
73 кВт (98 л.с.) (без учета НДС и налога с продаж), Ц=1 897 000 руб.;
виброплита Dynapac LH800, Ц= 60 000 руб.
b
-коэффициент, учитывающий затраты связанные с доставкой техники, для новой
техники b =1,15.
II)
после модернизации
Для расчёта стоимости модернизации базовой машины необходимо знать
стоимость покупных изделий, деталей. Стоимость покупных изделий определяется на
основе прайс-листов торгующих организаций (цены указаны на май 2011 года):
Таблица 5.1 - Стоимость покупных изделий виброплиты нового рабочего
оборудования экскаватора-погрузчика VOLVO BL-71.
|
Наименование изделия
|
Стоимость
|
|
1. Металлоконструкция
виброплиты
|
18 000руб
|
|
2. Гидроцилиндры
подъема-опускания плиты (2шт.)
|
12 000 руб
|
|
3. Нерегулируемый
аксиально-поршневой гидромотор МГ.3.12/32
|
14 000 руб
|
|
4. РВД (6шт.)
|
6 560 руб
|
|
5. Одноступенчатый
цилиндрический редуктор привода виброплиты
|
10 000руб
|
|
6. Вибровозбудитель (2шт.)
|
15 000 руб
|
|
7. Подшипники
|
6 250 руб
|
|
8. Крепёжные приспособления
|
8 000 руб.
|
|
9. Резинометаллические
виброизоляторы
|
7 800 руб.
|
|
Итого:
|
97 610 руб.
|
Отсюда
Амортизационные отчисления.
I)
амортизационные отчисления до модернизации
) на восстановление:
где Кб - капитальные вложения, руб.,
ав - нормы амортизационных отчислений на восстановление, ав=12,5%.
) на капитальный ремонт:
где ак - нормы амортизационных отчислений на капитальный ремонт, ак =10%.
II)
Амортизационные отчисления после модернизации
) на восстановление:
где Км - капитальные вложения после модернизации, руб.,
2) на капитальный ремонт:
Расчет затрат
Затраты на заработную плату
а) на заработную плату машиниста (рабочего):
где Зм - основная заработная плата машиниста, руб.,
Сч.м - часовая тарифная ставка машиниста, Сч,м=220руб/ч.,
Сч.р - часовая тарифная ставка рабочего, Сч,р =165 руб/ч.,
Т - время работы за год, Т = 1587,2 ч (248 рабочих дней в 2011 году, с
длительностью смены 8 часов, коэффициент использования фронтального погрузчика
- 0,8),
Кдоп - средний коэффициент к тарифной ставке, учитывающий доплаты
Кдоп=1,1
Кпр - коэффициент премирования, Кпр = 1,25.
Отсюда заработную плату машиниста:
Аналогично найдем заработную плату рабочего занятого на уплотнение грунта
виброплитой:
Среднемесячная зарплата машиниста Зср.м (рабочего Зср.р), руб:
где N - количество машинистов (рабочих):
где ФМ - фонд времени машиниста (рабочего):
где
количество выходных и праздничных дней в году (117
дн.),
дни
очередного отпуска (28 дн.),
дни
отсутствия по болезни и по уважительной причине (5 дн.),
дни
отпуска, предоставляемые за выслугу лет (1 дн.).
Тогда
,
Отсюда
среднемесячная заработная плата машиниста погрузчика:
среднемесячная
заработная плата рабочего занятого на уплотнение грунта виброплитой:
б) на заработную плату ремонтных рабочих:
I) До
модернизации.
где Ср.р - часовая тарифная ставка ремонтных рабочих, 200 руб.,
Тц - время цикла,
ni -
количество ТО и Р,
ti -
трудоёмкость ТО и Р.
По каждой машине для ремонта необходимо принять нормативы в соответствии
МДС 12-8.2000 ( Рекомендации по организации ТО и Р строительных машин.)
Таблица 5.2 - Периодичность выполнения и продолжительность ТО и Р для
вида техники.
|
Наименование и вид техники
|
Виды ТО и Р
|
Периодичность выполнения ТО
и Р, ч
|
Трудоёмкость ТО и Р
|
Продолжительность ТО и Р,
раб. дни (часы).
|
|
Ручная виброплита
|
ТО-1
|
100
|
3
|
0,125 (1)
|
|
ТО-2
|
500
|
5
|
0,25 (2)
|
|
СО
|
-
|
-
|
-
|
|
Т
|
1000
|
40
|
1,5 (12)
|
|
Эксковатор-погрузчик
двухковшовый колёсный
|
ТО-1
|
50
|
5
|
0,375 (3)
|
|
ТО-2
|
250
|
15
|
0,625 (5)
|
|
СО
|
2 раза в год
|
35
|
1,5 (12)
|
|
Т
|
1000
|
400
|
5 (40)
|
Количество ТО и Р определяется:
nТ. -
количество текущих ремонтов за год;
nТ.вибропл.
= 1587/1000 = 1; tТ.пог
= 1587/1000 = 1
ni -
количество i-ых ТО за год;
n’ТО -
2. вибропл. = 1587/500 = 3; n’ТО -2.пог = 1587/250 = 6
n’ТО -
1. вибропл. = 1587/100 = 15; n’ТО -
1.пог = 1587/50 = 31
реальные значения
nТО -
2. вибропл. = n’ТО - 2.экс. - nТ. вибропл.= 3 - 1 = 2
nТО -
1. вибропл. = n’ТО - 1.экс. - nТ. вибропл. - nТО - 2. вибропл. = 15 - 2 - 1 = 12
nТО -
2.пог. = n’ТО - 2.пог. - nТ.пог. = 6 - 1 = 5
nТО -
1.пог. = n’ТО - 1.пог. - nТ.пог. - nТО - 2.пог. = 31 - 5 - 1 = 25
Время цикла определяется:
где Тг=Т=1587,2ч ;
Тн.с. - срок службы (15 лет).
Таким образом:

.
II) После
модернизации
На заработную плату ремонтных рабочих:
У модернизированного фронтального погрузчика с новым навесным
оборудованием периодичность ТО и Р остается прежней, но возрастают трудоемкость
и продолжительность работ.
Таблица 5.3 - Периодичность выполнения и продолжительность ТО и Р для
фронтального погрузчика с новым навесным оборудованием.
|
Наименование и вид техники
|
Виды ТО и Р
|
Периодичность выполнения ТО
и Р, ч
|
Трудоёмкость ТО и Р
|
Продолжительность ТО и Р,
раб. дни (часы).
|
|
Эксковатор-погрузчик
двухковшовый колёсный (модерный)
|
ТО-1
|
50
|
8
|
0,625 (5)
|
|
ТО-2
|
250
|
20
|
1 (8)
|
|
СО
|
2 раза в год
|
40
|
1,75 (14)
|
|
Т
|
1000
|
500
|
6,25 (50)
|
От сюда:

В итоге затраты на заработную плату за год составят:
I)До
модернизации:
Социальные налоги на заработную плату:
1. Отчисления в ПФ - 22% 187 351 руб.
. Фонд социального страхования - 2,9% 24 696 руб.
. Фонд медицинского страхования - 5,1% 43 432 руб.
Итого - 30% 255 479руб.
II)
После модернизации:
Социальные налоги на заработную плату:
1. Отчисления в ПФ - 22%................................ 108 540
руб.
. Фонд социального страхования - 2,9%.....14 308 руб.
. Фонд медицинского страхования - .............. 25 161 руб.
Итого - 30%.......................................................148 009
руб.
Стоимость материалов
а) стоимость ремонтных материалов:
где kр.э.м. - коэффициент перехода от
заработной платы ремонтным рабочим к затратам на ремонтные, эксплуатационные
материалы и запасные части,kр.э.м=1,22.
I)До
модернизации:
II)
После модернизации:
б) стоимость топлива:
где Цт - стоимость дизельного топлива, руб/кг, Цт = 23 руб/кг, актуально
на май 2011,
Qт -
часовой расход топлива на 1 маш.-час работы машины, кг/маш.-ч,
где Nд - номинальная мощность двигателя:
для экскаватора-погрузчика Nдпогр
= 70,7 л.с.;
для виброплиты Nдвибропл
= 15,5 л.с.;
gуд -
удельный расход топлива при номинальной мощности:
для фронтального погрузчика gуд = 162 г/л.с.ч.,
для виброплит gуд = 35 г/л.с.ч.,
kдв -
коэффициент использования двигателя по времени:
-для погрузчиков kдвпогр
= 0,86;
для виброплит kдввибропл = 0,79;
kдм -
коэффициент использования двигателя по мощности:
для погрузчиков kдмпогр
= 0,37;
для виброплит kдмвибропл = 0,5;
kн -
коэффициент учитывающий изменение расхода топлива с учётом использования
двигателя по мощности:
для дизельного двигателя Д-245 при kдмпогр = 0,37: kнпогр
= 1,2;
для дизельного двигателя Hatz 1D90V при kдмвибропл=0,5: kнвибропл=1,03;
Для погрузчика
Для виброплиты
Тогда стоимость топлива:
Для погрузчика:
CTпогр
= 32 *4,5 *1587,2 = 228556,8 руб
Для виброплиты:
CTвибропл
= 32 *0,23 *1587,2 = 11681,8 руб
в) стоимость смазочных материалов:
где kсм - коэффициент перехода от затрат
на топливо к затратам на смазочные материалы:
для погрузчиков kсмпогр
= 0,19;
для виброплит kсмвибропл = 0,22;
Тогда стоимость смазочных материалов:
Для эксковатора-погрузчика
Cсмпогр
= 0,19 * 228556,8 = 43425,8 руб
Для виброплиты
Ccvвибропл
= 0,22 * 11681,8 = 2570 руб
г) масло для гидросистемы экскаватора - погрузчика:
,
руб.маш.ч.
где
ёмкость гидросистемы машины, у Volvo-BL71,
100 л;
объёмная
масса масла ВМГЗ для гидросистемы, кг/м3,
кг/м3;
коэффициент
доливок масла в гидросистему,
;
периодичность
смены масла в гидросистеме машины, маш.-ч., для погрузчика
маш.-ч.
д)
стоимость всех материалов:
I) До модернизации
CМАТб=
7135,26 + (43425,8
+ 2570) + (228556,8 + 11681,8) +
13874 = 307243,6 руб
II)
После модернизации
CМАТм
= 7135,26 + 43425,8 + 228556,8 + 16150 = 279117,8 руб
Прочие затраты
I) До
модернизации
Cпрочб
= 0,1 * 307243,6 = 30724 руб
II)
После модернизации
Cпрочб
= 0,1 * 279117,8 = 27912 руб
Таблица 5.4 - Калькуляция затрат на эксплуатацию машины
|
№ п/п
|
Наименование статей затрат
|
Условное обозначение
|
Сумма затрат, руб
|
|
|
|
До модернизации
|
После модернизации
|
|
1
|
Амортизационные отчисления
на восстановление
|
Ав
|
281 319
|
286 725
|
|
2
|
Амортизационные отчисления
на капитальный ремонт
|
Ак
|
225 055
|
229 380
|
|
3
|
Основная заработная плата:
машиниста рабочего
|
Зм Зр
|
480 128 360 096
|
480 128 -
|
|
4
|
Основная заработная плата
ремонтных рабочих
|
Зр.р.
|
11 372
|
13 238
|
|
5
|
Отчисления в социальные
фонды от з./пл. машинистов и ремонтных рабочих: в пенсионный фонд (ПФ) фонд
социального страхования фонд медицинского страхования
|
НЗП
|
255 479 187 351 24 696 43
432
|
148 009 108 540 14 308 25
161
|
|
6
|
Затраты на материалы:
Топливо: погрузчик виброплита Ремонтные материалы Смазочные материалы:погр.
виброплита Масло для гидросистемы
|
СМАТ СТпогр СТвибропл Срэм
ССМпогр ССМвибропл СМ
|
307 243,6 228 556,8
11 681,8 13 874 43 425,8 2 570 7 135,26
|
301 267,9 234
556,8 - 16 150 43 425,8 - 7
135,26
|
|
7
|
Прочие затраты
|
СПРОЧ
|
30 724
|
27 912
|
|
8
|
Итого прямых затрат
|
ЗПРЯМ
|
1 985 480,6
|
1 506 394,9
|
|
9
|
Накладные расходы (21% от
п.7)
|
ЗНАКЛ
|
6 452
|
5 861,5
|
|
10
|
Общие затраты (ЗПРЯМ+
ЗНАКЛ)
|
ЗОБЩ
|
1 991 932,6
|
1 512 256,4
|
Финансово-экономические показатели
Себестоимость машино-часа
I) до
модернизации
II) после
модернизации
Цена
машино-часа работы
I) до
модернизации
,
по
данным арендодателя (www. )
II) после
модернизации
Выручка
от реализации
I) до
модернизации
II) после
Прибыль
от реализации
I) до
модернизации
II) после
Налоги.
Налог на имущество - равен 2,2% от стоимости имущества (под имуществом
понимается экскаватор)
I) до
модернизации
II) после
Налог на прибыль - равен 24,4% от прибыли, т.е.:
где
налог на имущество;
налог на
прибыль;
налогооблагаемая
прибыль;
чистая
прибыль.
II) до
модернизации
II) после
Чистый доход
I) до
модернизации
II) после
Окупаемость
капитальных вложений
I) до
модернизации
II)
после
Определение
эксплуатационной производительности
Использование нового рабочего оборудования фронтального погрузчика
позволяет повысить функциональность и универсальность машины, расширить
номенклатуру и качество выполняемых работ.
Эксплуатационная производительность машины из пункта 3.9.5:
I) до
модернизации:
Производительность погрузочно-транспортных работ (Volvo-BL71):
Пэ.тр = 83,08 м3/ч
Производительность уплотнительных работ (Dynapac LH800):
Пэ.упл=210 м3/ч
II)
после модернизации
Производительность погрузочно-транспортных работ (Volvo-BL71):
Пэ.тр = 83,08 м3/ч
Производительность уплотнительных работ (Volvo-BL71):
Пэ.упл=615 м3/ч
Применение нового рабочего оборудования позволяет с помошью одного
фронтального погрузчика , без применения виброплит, увеличить
производительность уплотнительных работ на 405 м3/час примерно на 66%, при
неизменной производительности погрузочно-транспортных работ.
Определение экономической эффективности
Годовой объём выполняемых работ
Работы
по уплотнению грунта
I) до
модернизации
II) после
модернизации
Погрузочно-транспортные
работы
V1=V2=80,8
1587,2=128 245,76 м3
Себестоимость
единицы продукции
Себестоимость
единицы продукции (1 м³)
определяется по формуле:
Работы
по уплотнению грунта
I) до
модернизации
II) после
модернизации
Погрузочно-транспортные
работы
I) до
модернизации
II) после
модернизации
Определение
годового экономического эффекта
Работы
по уплотнению грунта
Погрузочно-транспортные
работы
Определение
коэффициента эффективности
Работы
по уплотнению грунта
Погрузочно-транспортные
работы
Окупаемость
дополнительных капитальных вложений
Работы
по уплотнению грунта
Погрузочно-транспортные
работы
Глава 4.
Безопасность жизнедеятельности
Все ремонтно-восстановительные работы с должны производиться в
соответствии с нормативными документами установленные действующим
законодательством Российской Федерации об охране труда, Конвенцией 148 МОТ 1977
года "О защите трудящихся от профессионального риска, вызываемого
загрязнением воздуха, шумом и вибрацией на рабочих местах",
ратифицированной Указом Президиума Верховного Совета СССР от 29 марта 1988 года
N 8694-ХI, Конвенцией 155 МОТ 1981 года "О безопасности и гигиене труда и
производительной среде", ратифицированной Федеральным законом Российской
Федерации от 11 апреля 1998 года N 58-ФЗ. Это следующие документы:
. СНиПы: СНиП 3.01.01-85* “Организация строительного производства”
СНиП 12-03-2001 Часть 1. “Безопасность труда в строительстве. Общие
требования ”
СНиП 12-03-2002 Часть 2. “Безопасность труда в строительстве.
Строительное производство ”
СНиП III-4-80* “Техника безопасности в строительстве” и другие похожие
СНиПы
. ГОСТы: ГОСТ 12.0.002-80 (СТ СЭВ 1084-89) "Система
стандартов безопасности труда. Термины и определения"
ГОСТ 12.0.001-82 (CT СЭВ 829-88) "Система стандартов безопасности
труда. Основные положения”
ГОСТ 12.0.003-74* Система стандартов безопасности труда "Опасные и
вредные производственные факторы. Классификация"
ГОСТ 12.1.012-90 "Система стандартов безопасности труда.
Вибрационная безопасность. Общие требования"
ГОСТ 12.1.003-83 (СТ СЭВ 1930-79) “Система стандартов безопасности труда.
Шум. Общие требования безопасности”
ГОСТ 12.1.035-81 "Система стандартов безопасности труда.
Оборудование для дуговой и контактной электросварки. Допустимые уровни шума и
методы измерений"
ГОСТ 12.1.033-81 "Система стандартов безопасности труда. Пожарная
безопасность. Термины и определения"
ГОСТ 12.1.004-91 “Система стандартов безопасности труда. Пожарная
безопасность. Общие требования”
ГОСТ 12.1.044-89 (СТ СЭВ 4831-84, СТ СЭВ 6219-88, МС ИСО 4589, СТ СЭВ
6527-88) "Система стандартов безопасности труда. Пожаровзрывоопасность веществ
и материалов. Номенклатура показателей и методы их определения"
ГОСТ 12.1.018-93 "Система стандартов безопасности труда.
Пожаровзрывобезопасность статического электричества. Общие требования"
ГОСТ 12.1.005-88 “Система стандартов безопасности труда. Общие
санитарно-гигиенические требования к воздуху рабочей зоны”
ГОСТ Р 12.0.006-2002 "Система стандартов безопасности труда. Общие
требования к системе управления охраной труда в организации"
ГОСТ 12.0.004-90 "Система стандартов безопасности труда. Организация
обучения безопасности труда. Общие положения"
ГОСТ 12.1.007-76 "Система стандартов безопасности труда. Вредные
вещества. Классификация и общие требования безопасности"
ГОСТ 12.1.030-81* "Система стандартов безопасности труда.
Электробезопасность. Защитное заземление. Зануление"
ГОСТ 12.1.038-82* "Система стандартов безопасности труда.
Электробезопасность. Предельно допустимые значения напряжений и токов"
ГОСТ 12.1.046-85 "Система стандартов безопасности труда.
Строительство. Нормы освещения строительных площадок"
ГОСТ 12.1.049-86 "Система стандартов безопасности труда. Вибрация.
Методы измерения на рабочих местах самоходных колесных строительно-дорожных
машин"
ГОСТ 12.2.011-75* "Система стандартов безопасности труда. Машины
строительные и дорожные. Общие требования безопасности"
ГОСТ 12.2.030-2000 "Система стандартов безопасности труда. Машины
ручные. Шумовые характеристики. Нормы. Методы испытаний"
ГОСТ 12.2.032-78 "Система стандартов безопасности труда. Рабочее
место при выполнении работ сидя. Общие эргономические требования"
ГОСТ 12.2.058-81 (СТ СЭВ 1716-79) Система стандартов безопасности труда
:"Краны грузоподъемные Требования к цветовому обозначению частей крана,
опасных при эксплуатации"
ГОСТ 12.2.071-90 (СТ СЭВ 1722-79) "Система стандартов безопасности
труда. Краны грузоподъемные. Краны контейнерные. Требования безопасности"
ГОСТ 12.2.120-88 (ИСО 3411-82, ИСО 3449-80, ИСО 3457-79, ИСО 3471-80, ИСО
3789-1-81, ИСО 3789-2-82, ИСО 4252-83, ИСО 4253-77, ИСО 5353-78, ИСО 5700-84,
ИСО 6011-78, ИСО 6405-82, ИСО 6682-86, ИСО 6683-81) "Система стандартов
безопасности труда. Кабины и рабочие места операторов тракторов, самоходных
строительно-дорожных машин, одноосных тягачей, карьерных самосвалов и
самоходных сельскохозяйственных машин. Общие требования безопасности”
ГОСТ 12.3.002-75* (СТ СЭВ 1728-89) "Процессы производственные. Общие
требования безопасности"
ГОСТ 12.3.003-86 "Система стандартов безопасности труда. Работы
электросварочные. Требования безопасности"
ГОСТ 12.3.009-76* "Система стандартов безопасности труда. Работы
погрузочно-разгрузочные Общие требования безопасности"
ГОСТ N 12.3.033-84 "Система стандартов
безопасности труда.
Строительные машины. Общие требования безопасности при эксплуатации"
ГОСТ 25646-95 "Эксплуатация строительных машин. Общие требования"
ГОСТ Р 12.3.047-98 "Система стандартов безопасности труда. Пожарная
безопасность технологических процессов. Общие требования. Методы контроля"
ГОСТ 12.4.218-2002 Система стандартов безопасности труда. "Средства
индивидуальной защиты. Метод определения проницаемости материалов в агрессивных
средах”
ГОСТ N 12.4.010-75 "Система стандартов
безопасности труда. Средства индивидуальной защиты. Рукавицы специальные"
Технические условия"
ГОСТ Р 12.4.026-2001 "Система стандартов безопасности труда. Цвета сигнальные,
знаки безопасности и разметка сигнальная. Назначение и правила применения.
Общие технические требования и характеристики. Методы испытаний"
ГОСТ 12.4.059-89 "Система стандарта безопасности труда.
Строительство. Ограждения предохранительные инвентарные. Общие технические
условия"
ГОСТ 12.4.087-84 "Система стандартов безопасности труда.
Строительство. Каски строительные. Технические условия"
ГОСТы по охране окружающей среды:
ГОСТ 17.2.1.01-76* " Охрана природы. Атмосфера. Классификация
выбросов по составу"
ГОСТ 17.2.3.02-78 "Охрана природы. Атмосфера. Правила установления
допустимых выбросов вредных веществ промышленными предприятиями"
ГОСТ 17.0.0.01-76 "Система стандартов в области охраны природы и
улучшения использования природных ресурсов. Основные положения"
ГОСТ 17.1.1.01-77* (СТ СЭВ 3544-82) "Охрана природы. Гидросфера.
Использование и охрана вод. Основные термины и определения"и другие
похожие ГОСТы.
. Своды правил по проектированию и строительству - СП:
СП 12-133-2000 "Безопасность труда в строительстве. Положение о
порядке аттестации рабочих мест по условиям труда в строительстве и жилищно-
коммунальном хозяйстве" и другие похожие СП.
. СанПиН: Постановление N 14 "О введении в действие
санитарных правил"
СанПиН 2.2.2.540-96 "Гигиенические требования к ручным инструментам
и организации работ"
СанПиН 2.2.4/2.1.8.556-96 “Производственная вибрация. Вибрация в
помещениях жилых и общественных зданий”
СанПин 2.2.4/2.18.562-96. “Шум на рабочих местах, в помещениях жилых,
общественных зданий и территории жилой застройки”
СанПиН 2.2.4.548-96 "Гигиенические требования к микроклимату
производственных помещений"
СанПиН 2.2.3.1384-03 "Гигиенические требования к организации
строительного производства и строительных работ" и другие похожие СанПиН.
5. Гигиенические нормативы ГН:
ГН 1.1.725-98 "Перечень веществ, продуктов, производственных
процессов, бытовых и природных факторов, канцерогенных для
человека"
ГН 1.1.701-98 "Гигиенические критерии для обоснования необходимости
разработки ПДК и ОБУВ (ОДУ) вредных веществ в воздухе рабочей зоны, атмосферном
воздухе населенных мест, воде водных объектов"
ГН 2.2.5.563-96 "Предельно допустимые уровни (ПДУ) загрязнения
кожных покровов вредными веществами" и другие похожие гигиенические
нормативы.
. Типовые инструкции по охране труда при производстве работ
утвержденные Минтрудом РФ - ТОИ
ТОИ Р-200-02-95 “Типовая инструкция по охране труда для слесарей по
ремонту и техническому обслуживанию автомобиля”
ТОИ Р-218-50-95 ‘Типовая инструкция по охране труда для рабочих, работающих
с ручными электрическими машинами (электроинструментом)”
ТОИ Р-218-54-95 “Типовая инструкция по охране труда для работников,
передвигающихся по территории и производственным помещениям”
ТОИ Р-15-025-97 “Типовая инструкция по охране труда для работников,
занятых на погрузке и выгрузке различных грузов с помощью кранов”
ТОИ Р-15-024-97 “Типовая инструкция по охране труда для
машинистов-крановщиков кранов всех типов”
ТОИ Р М 007-2000 “Типовая инструкция по охране труда для стропальщиков”
ТОИ Р-200-04-95 “Типовая инструкция по охране труда для смазчика
автомобиля”
. Документы органов государственного надзора (Госгортехнадзора
РФ): инструкции, постановления, приказы, распоряжения, указания, письма,
методические рекомендации, положения и согласования.
8. Ведомственные строительные нормы ВСН.
. Нормы пожарной безопасности НПБ .
. Территориальные строительные нормы Санкт-Петербурга и
Ленинградской области.
Градостроительным кодексом Российской федерации субъектам федерации
предоставлено право разрабатывать и утверждать территориальные нормативные
документы в области строительства.
Территориальные строительные нормы субъекта Российской Федерации
Санкт-Петербурга разработаны в соответствии с основными принципами и общей
структурой системы нормативных документов в строительстве и с учетом
действующих законодательных и нормативных актов Российской Федерации и
Санкт-Петербурга.
Настоящие территориальные строительные нормы содержат положения,
регламентирующие порядок разработки, согласования, утверждения и введения в
действие территориальных строительных норм Санкт-Петербурга.
. Федеральный закон РФ.184-ФЗ "О техническом
регулировании" от 27.12.2002.116-ФЗ "О промышленной безопасности
опасных производственных объектов" от 21.07.97.181-ФЗ "Об основах
охраны труда в Российской Федерации" (с изменениями от 20 мая 2002 г., 10
января 2003 г.)
. Кодексы Российской Федерации (трудовой (ТК РФ), гражданский (ГК
РФ), административный, градостроительный, земельный, уголовный и т.д).
. Постановления правительства Российской Федерации. Постановления
правительства Санкт-Петербурга и Ленинградской области.
. Внутренний распорядок и правила предприятия.
. Инструкции и требования по применению и производству работ
техникой или средствами механизации от компаний производителей.
Настоящие нормативные документы имеют рекомендательный характер и
устанавливают для добровольного применения общие правила ведения строительства,
сложившиеся в практике и обусловленные действующим законодательством.
В ряде пунктов настоящих нормативных документов приведены цитаты из
федеральных законов, ссылки на федеральные законы и другие нормативные правовые
акты, которыми подтверждается правомочность рекомендуемых правил и процедур.
Нормативные положения данных документов приобретают статус обязательных,
если в договоре строительного подряда, заключаемого участниками строительства в
соответствии с Гражданским кодексом РФ, имеется ссылка на применение настоящих
строительных норм и правил при строительстве конкретного объекта.
Безопасность жизнедеятельности
Строительные объекты относятся к числу наиболее опасных условиях работы с
каждым годом во всем мире тысячи получают ранения или погибают при работе с или
около машины. Даже попытки законодательств развитых стран мира поднять
требования к эксплуатации строительной техники и оборудование их последними
устройствами безопасности не могут предотвратить аварий и несчастных случаев.
Охрана труда - это система законодательных актов,
социально-экономических, организационно-технических, санитарно-гигиенических и
лечебно-профилактических мероприятий и средств, обеспечивающих безопасность,
сохранение здоровья и работоспособности человека в процессе труда. Она включает
охрану труда, производственную санитарию и безопасность производства работ.
Техника безопасности - это система организационных мероприятий и
технических средств, предотвращающих воздействие на работающих опасных и
вредных производственных факторов.
Мероприятия по охране труда начинают разрабатывать уже на стадии
проектирования производственных предприятий (участков) и их оборудования.
Разрабатываемый проект предусматривает использование нормативно-технической
документации: СНиП, ГОСТ, СН, ГН, ТОИ, ВСН, НПБ, документы органов
государственного надзора (инструкции, постановления, приказы, распоряжения,
указания, письма, методические рекомендации, положения и согласования),
территориальные строительные нормы и т.д.
Безопасность на этапе проектирования оборудования.
На этапе проектирования необходимо учитывать следующие требования:
Механическая опасность. Установка необходимого ограждения для ограничения
доступа в опасные зоны.
Освещение. Лампы накаливания (для применения в ночное время).
Пожаробезопасность. Для тушения пожаров должны иметься огнетушители
(углекислотные, пенные).
Электрозащита. Обеспечение надежного защитного заземления и зануления
электросиловых установок.
Отчистка воздуха от пыли. Установка фильтров на систему вентиляции
кабины.
Виброзащита оператора. Правильный подбор пружин и амортизаторов.
Безопасность при эксплуатации
Классификация опасностей.
Производственная опасность-это возможность воздействия на рабочих опасных
и вредных производственных факторов.
К опасным производственным факторам относят такие, воздействие которых на
работающего приводят к травме.
К вредным производственным факторам относятся такие, воздействие которых
на рабочего приводит к заболеваниям.
Согласно международному стандарту опасности классифицируются:
По природе происхождения:
. техногенные
а.) физические - опасности, которые могут вызываться за счет: движущихся
механизмов; недопустимого уровня шума, вибрации; падение материалов;
метеорологических колебаний в рабочей зоне; недопустимой или повышенной
освещенности рабочей зоны;
в.) химические - воздействие пыли в рабочей зоне;
. психофизиологические - опасности, которые могут вызываться за счет
физических нагрузок; нервно-психологических перегрузок (умственных,
эмоциональных, монотонности труда, перенапряжения).
По локализации:
. опасности, связанные с атмосферой (выбросы предприятий по производству
строительных материалов, акустическое загрязнение);
. связанные с литосферой (гибель верхнего слоя почвы в результате занятия
предприятиями плодородных земель).
По вызываемым последствиям:
. травмы (при поломке оборудования, несоблюдение инструкций по
эксплуатации, поражение электрическим током);
. профессиональные заболевания (от шума, вибрации);
. аварии оборудования;
. пожары (возгорание электропроводки).
По приносимому ущербу:
. экономический - выход из рабочего состояния оборудования при
неправильной его эксплуатации;
. технологический (приостановка технологического процесса)
По характеру воздействия:
. активные (удар электрическим током, механическое воздействие)
. пассивные (воздействие шума, вибрации)
Декомпозиция опасных и вредных факторов при эксплуатации погрузчика.
Рис. 6.1. Декомпозиция вредных и опасных факторов: 1 -
механическая энергия: 2 - электрическая энергия; 3 - шум оборудования и
двигателей; 4 - вибрация при работе машин и оборудования; 5 -запыленность; 6 -
наличие в рабочей зоне паров и аэрозолей вредных веществ; 7 -гидравлическая
энергия; 8 - освещенность на рабочем месте; 9 - метеорологический режим; 10 -
информация
Декомпозиция - это разделение деятельности человека на опасные и вредные
факторы, воздействующие на него в процессе работы, с целью разработки
профилактических мероприятий для уменьшения их воздействия.
Рассмотрим опасные и вредные факторы в системе «Человек-экскаватор»,
которые воздействуют на него в процессе труда.
- 1. Механическая энергия - это фактор, связанный с
физической опасностью. Она возникает за счет движущихся механизмов. В процессе
ремонта и технического обслуживания строительно-дорожной техники выполняются
работы на металлорежущих станках, работы с помощью ручного инструмента и т. д.,
в результате чего рабочий может получить травмы различного характера и степени
тяжести. Для предотвращения травматизма при работах такого рода необходимо:
не допускать к работам лиц с низким уровнем
профессиональной подготовки;
- не допускать к работам лиц пребывающих в
состоянии переутомления или других психических состояниях, снижающих надежность
их деятельности;
- не допускать к работам лиц с повышенным
риском травматизма;
своевременно проводить инструктажи по технике
безопасности с рабочими;
- предусматривать, где это требуется,
защитные кожухи или другие защитные конструкции.
2. Электрическая энергия связана с эксплуатацией
электрического оборудования использующегося на землеройно-транспортных машинах.
Опасность поражения электрическим током заключается в том, что токопроводящие
агрегаты не подают сигналов опасности, на которые реагирует человек. Опасность
поражения создают электроприводы агрегатов рабочих органов ЗТМ машин;
электрическое оборудование подъемно-транспортных устройств , осветительные
приборы.
В качестве средств защиты от поражения электрическим
током используют:
защитное зануление, которое состоит в соединение
корпусов токоприемников или другого оборудования, которое может оказаться под
напряжением в результате нарушения изоляции, с нулевым проводом при помощи металлических
проводов;
защитное заземление, оно должно обеспечивать защиту
людей от поражения электрическим током при прикосновении к металлическим частям
оборудования, которые могут оказаться под напряжением в результате повреждения
изоляции. В качестве заземлителей используют металлические конструкции
металлические конструкции машины, а также их агрегаты, которые должны
образовывать непрерывную электрическую цепь по металлу;
средства индивидуальной защиты: специальная одежда,
рукавицы, прорезиненная обувь на толстой подошве.
Электробезопасность в строительстве отражена в ГОСТ
12.1.051-90 ССБТ, где установлены предельно допустимые значения силы тока и
напряжения в строительстве.
3. Шум возникает при эксплуатации сменного оборудования фронтального
погрузчика при работе виброуплотнительной трамбовки ковша.
Во избежании превышения уровня шума на БСУ согласно ГОСТ 12.1.003-83*
ССБТ (Шум. Общие требования безопасности.) принимаются следующие меры:
изоляция пульта управления (кабины) от воздействия шума;
своевременный профилактический осмотр, ремонт и наладка агрегатов (ДВС,
гидромоторы РО, механизмы ходовой части, вибровозбудители, зубчатые передачи и
т.д.), являющихся источниками шума;
использование антифонов, наушников.
. Вибрация. При рассмотрении вибрации различают гигиеническое
нормирование и техническое. Гигиеническое нормирование сводится к нормированию
параметров вибрации из расчета восьми часового рабочего дня при суммарном
воздействии вибрации на человека не более шести часов. Нормативами являются:
. СанПиН 2.2.4/21.8556-96 «Производственная вибрация»;
. ГОСТ 12.1.012-90 «Вибрация. Общие требования безопасности».
Техническое нормирование осуществляется заводом-изготовителем,
выпускающие машины. Допустимые параметры вибрации указываются в техническом
паспорте.
Если виброскорость и виброускорение не соответствуют требованию
санитарных норм, то во избежании профессионального заболевания применяются
следующие меры защиты:
- вибропоглощение - использование амортизаторов из
стали, пластмассы или резины, виброгасящие (амортизирующие) подставки,
ставящуюся под ноги.
- виброизоляция - использование специальных
фундаментов под тяжелое оборудование, которое изолировано от остальной части
пола
отделения.
- защита временем - контакт с общей вибрацией за смену
не должен быть более 5 часов. При местной вибрации: контакт не должен превышать
более 3,5 часов.
- вибродемпфирование - покрытие виброповерхности
оборудования слоем специальной мастики.
- специальная обувь, рукавицы и т.д.(обувь на
войлочной или толстой подошве).
- Запыленность возникает при погрузке-разгрузке, транспортировании,
разработке, уплотнение материалов (песок, щебень). Для поддержания на рабочих
местах ПДК (предельно-допустимая концентрация) согласно ГОСТ 12.1.005-88 ССБТ
(Санитарно-гигиенические требования к воздуху рабочей зоны),
ГОСТ12.4.087-94(Индивидуальные средства защиты), СНиП 41-01-2003(Отопление,
вентиляция и кондиционирование воздуха) используют следующие меры защиты от
пыли, поступающей в воздух в процессе производства работ и с улицы (СП 245-80).
- организация технологического процесса,
уменьшаемого образование пыли;
вентиляция и проветривание помещений;
уборка пыли со стен, оборудования;
обеспечение рабочих противопылевой зашитой -
одеждой, респираторами и защитными очками;
обеспечение личной гигиены (душ,
умывальники).
устройство систем очистки воздуха с
использованием циклонов, рукавных фильтров;
осуществление процессов без участия
людей-дистанционно;
изоляция процессов, сопровождающихся
значительным выделением пыли (дозирующий датчик).
При наличии в воздухе рабочей зоны ремонта и ТО
вредных веществ, поступающих с отработанными газами, применяется вытяжная
вентиляция воздушными вытяжными фильтрами. Помещение зоны периодически
проветривается.
При работе двигателей машин в рабочей зоне
используются -специальные шланги для отвода отработавших газов из зоны ГОСТ
12.1.005-88.
Пары топлива и ОГ очень опасны для здоровья. Долгое
пребывание в таком помещении вызывает головную боль, обморочное состояние, в
некоторых случаях - смерть.
Если необходимо проводить ремонтные работы в этом
помещении, следует предварительно проветрить его, открыв окна или ворота, и
включить вентиляцию. При первых признаках отравления (головокружение, головная боль,
тошнота) срочно выйти на воздух и обратится в медпункт. В целях предупреждения
заболеваний и отравлений, согласно требованиям санитарии, утверждены ПДК
согласно СП 245-80 вредных веществ в воздухе рабочей зоны производственных
помещений. По степени воздействия на организм человека вредные вещества
разделены на следующие классы опасности. ПДК и классы вредных веществ в зоне ТО
и ремонта приведены таблице 6.1.
Таблица 6.1
Воздух рабочей зоны. Общие гигиенические требования.
СП 245-80.
|
Вещества
|
ПДК,мг/мз
|
Класс опасности
|
|
Акролеин
|
0,2
|
2
|
|
Аммиак
|
20
|
4
|
|
Бензин топливный (в
пересчете на С)
|
100
|
4
|
|
Бензол (+) Окислы азота (в
пересчете на Н2О5)
|
5 5
|
2 2
|
|
Окись углерода
|
20
|
4
|
При одновременном содержании в воздухе рабочей зоны
нескольких вредных веществ однонаправленного действия сумма отношений их
концентрации не должна превышать 1.
-7. Гидравлическая энергия.
Связана с использованием гидропривода для приведения рабочей системы в
рабочее состояние. Для предотвращения повреждения гидросистемы, предусмотрено
расположение рукавов высокого давления в местах защищенных от воздействия каких
либо опасных факторов.
Гидросистема осматривается визуально, недолжно быть трещин и подтекания
рабочей жидкости.
Обслуживание гидросистемы должно осуществляться в строгом соответствии с
паспортными характеристиками завода изготовителя.
- 8. Освещенность на рабочем месте
В зоне используется как естественное, так и
искусственное освещение. Для общего освещения применяются лампы накаливания
БК220-60- 1, для местного освещения рабочих мест применяются светильники
НСП01х60/Б2'0-04. цветовая окраска стен помещения должна быть теплой со средним
допустимым цветовым контрастом между основными поверхностями интерьера.
Источник искусственного света должен давать
сосредоточенный сноп света на все рабочее место. Рассеянный свет (отсутствие
светильника или неправильное сделанный отражательный рефлектор) утомляет
зрение. Нормы освещенности установлены СНиП 23-05-95 (Естественное и
искусственное освещение). Енорм =200-250 Лк.
Работник, осматривающий и принимающий автомобиль,
должен пользоваться переносной лампой с предохранительной сеткой напряжением не
более 42 В (при работе в осмотровой канаве - не выше 12 В) или переносным
электрическим фонарем.
Территорию управления механизации (места расстановки автомобилей)
в ночное время освещают прожекторами заливающего света.
9. Метеорологический режим.
Меры для улучшения метеорологических условий труда в
зоне ТО и ремонта (работы средней тяжести):
исключение сквозняков;
проведение утепления помещений в холодный
период времени;
использование парового отопления;
- соответствие одежды рабочего климатическому
режиму в зоне;
- поддержание постоянного необходимого
температурно-влажностного режима: температура в помещении зоны ТО и ремонта
должна составлять 17- 19°С для холодного и переходного периодов года
(среднесуточная температура воздуха ниже +10°С) и 20-22°С для теплого периода;
относительная влажность должна составлять 40-60%; скорость движения воздуха -
0,3-0,4 м/с.
- вентиляция (естественная и искусственная).
- 10. Информация.
Аварии, как правило, происходят в результате плохо организованных или
плохо выполняемых мероприятия. Сотрудники на местах должны быть хорошо видны,
обеспечены эффективными средствами индивидуальной защиты и быть осведомлены об
опасностях.
Оператор фронтального погрузчика должен избегать резких поворотов при
плохой видимости и установить разумный и четко обозначенную ограничения
скорости. Необходима установка заметных предупреждений о высоте ограничений.
При работе над открытыми краями указать безопасный маршрут, и они должны быть
высокими и достаточно широким, чтобы остановить автомобиль.
Передвижения задним ходом по строительной площадке должны
контролироваться, либо с помощью связи или с помощью сигнализации, радаров,
зеркал или телевизионной камеры расположены на задней части автомобиля.
Пешеходные дорожки должны быть защищены экранами, где они проходят рядом с
маршрутами транспортного средства для защиты людей от всего, что может упасть с
транспортным средством, качество дорог должны быть пригодными для транспортных
средств, намереваясь использовать их, они должны быть твердыми, крутых склонов
следует избегать. Предложения для создания безопасных строй площадок в конечном
итоге окажется неэффективной, если правила не соблюдаются на должном уровне.
С другой стороны машинист не дожжен быть перегружен лишней информацией
т.к это приведет к преждевременной усталости.
Обучение мерам безопасности должно быть непрерывным процессом, а не
разовое мероприятие. Производители несут ответственность за обучение технике
безопасности, подчеркивают важность тщательного чтения оператором по
эксплуатации, в котором содержатся многочисленные советы о том, чтобы управлять
машиной безопасно.
Электробезопасность
Электробезопасность (ГОСТ12.1.051-90) - система
организационно-технических мероприятий и средств, обеспечивающих защиту людей
от опасного воздействия электрического тока.
На установках, где в качестве привода применяется электродвигатель,
электробезопасность стоит на первом месте, устанавливается низковольтное
освещение (напряжение 12 и 36 В), а также розетки напряжением 12 и 36В для
подключения переносных электросветильников. Электрические машины, работающие от
сети переменного тока. Металлические части электрооборудования (корпуса
электродвигателей, генераторы, каркасы предохранительных щитов, кожухи
приборов, рубильников, детали осветительной аппаратуры) необходимо надежно
заземлить. Сопротивление заземляющих устройств не должно превышать 4 Ом.
Пожаробезопасность.
ГОСТ 12.1.004-91*
ПРОТИВОПОЖАРНЫЕ МЕРОПРИЯТИЯ
в кабине машины должен находиться огнетушитель.
топливо и смазочные материалы хранят с соблюдением всех
противопожарных правил.
открытые склады горючего должны находиться на расстоянии не
менее 20 м от места работы экскаватора.
хранить в кабине экскаватора бензин, керосин и другие
легковоспламеняющиеся вещества запрещается.
масляные тряпки и обтирочные концы складывают в специальные
железные ящики с крышками и по мере наполнения ящиков удаляют.
категорически запрещается подогревать двигатель внутреннего
сгорания зимой непосредственно огнем. Разогревают двигатель, заливая в радиатор
горячую воду, а в картер - подогретое масло.
курить при заправке горючими и смазочными маслами и при
контрольном осмотре топливных баков и двигателя запрещается.
Главным источником возникновения пожара при работе на экскаваторе
является неисправность системы питания ДВС и перегрузки электродвигателя,
электрооборудования, электропроводов. Кроме того, причиной пожара может быть
статическое электричество, возникающее при движении пылевоздушных смесей в
вентиляционных системах.
В целях безопасности:
Проводят плановые проверки и ремонт систем питания двс.
Проводят плановые проверки и своевременный ремонт электропроводов.
Рабочие места снабжают углекислотными огнетушителями, у которых
огнегасящее вещество не является электропроводным и устраивают противопожарное
водоснабжение, применяют средства защитного отключения возможных источников
возгорания.
Возникший огонь ликвидируют средствами пожаротушения с учетом свойств
горящих материалов. Загоревшиеся электропровода или электроустановки прежде
всего обесточивают, а затем тушат электрокислотными огнетушителями или песком.
О возникновении пожара немедленно сообщают в пожарную охрану. До прибытия
пожарной команды пожар тушат первичными средствами (углекислотными, пенными
огнетушителями).
Защита окружающей среды
Осуществляются выбросы, в результате происходит загрязнение атмосферы,
акустическое загрязнение.
Вода, используемая для промывки технологического оборудования, содержащая
различные примеси (частицы цемента, масла и др.) подвергается отчистке на
локальных сооружениях (в отстойниках). Отчищенная вода используется повторно.
При эксплуатации машин необходимо строго соблюдать требования по охране
окружающей среды . Так, при строительстве различного рода земляных сооружений
следует снимать плодородный слой почвы и укладывать его отдельно для
дальнейшего использования. Если он не используется сразу, то его необходимо
укладывать в бурты.
Не разрешается допускать к использованию машины, у которых двигатели
работают с дымностью, превышающей установленные нормы. Снижение дымности
достигается регулированием топливной аппаратуры двигателей.
Запрещается использовать машины при наличии у них утечек топлива, масел,
рабочих жидкостей и смазок, так как ТСМ отрицательно влияют на окружающую
среду. По этим же причинам недопустим разлив и потери ТСМ при заправке машин,
замене масел, рабочих жидкостей и смазывании их в процессе технического
обслуживания и ремонта на месте их использования.
Запрещается сливать отработанные нефтепродукты на землю, в водоемы и
канализационную сеть. Нефтепродукты, сливаемые из машин в виде отстоя топлива,
отработанные масла, используемые на технологические нужды, керосин, бензин,
дизтопливо, растворители и другие нефтепродукты следует собирать и сдавать на
базы нефтеснабжающих организаций или устранять методами, согласованными с
Госсанинспекцией.
Глава 5.
Гражданская защита в ЧС
Общие требования к строительным, дорожным и грузоподъемным машинам и
механизмам при ведении АС и ДНР.
Общие требования к строительным, дорожным и грузоподъемным машинам в
основном представлены в таблице ниже:
|
Условия проведения АС И ДНР
|
Требования к машинам
|
Наличие требований у
разработанной машины
|
|
1
|
2
|
3
|
|
Возможность передвижения в
завалах и условиях пожаров
|
Наличие гусеничного или
колесного хода у машины
|
+
|
|
Возможность держать
скорость до 40 км/ч при движении в колонне
|
Колесное движение машины
или наличие трейлеров
|
+
|
|
Большие нагрузки на все
органы машины
|
Прочность узлов, агрегатов
машины. Качественная сборка машины
|
+
|
|
Радиационное, химическое,
бактериологическое заражение участков работ
|
Возможность защиты экипажа
: герметизация кабин , наличие фильтровентиляции
|
+
|
|
Стесненность участков работ
(завалы)
|
Высокая маневренность
машины
|
+
|
|
Независимость от внешнего
источника энергии
|
Работа всех органов от
собственного двигателя
|
+
|
|
Большие усилия на рабочие
органы машины
|
Высокая мощность двигателя
|
+
|
|
Большое количество
дополнительного навесного рабочего оборудования
|
Наличие адаптера для
быстросменного оборудования
|
+
|
|
Работа в условиях большой
тепловой нагрузки (пожаров)
|
Машины с дизельными
двигателями и гидромеханическими трансмиссиями Установка дополнительных
систем охлаждения (радиатор и т.п.)
|
+
|
|
Способность двигателя
инженерных машин к преодолению внезапных перегрузок при работе (разборке
завалов)
|
Высокий коэффициент
приспособляемости двигателя к кинетической энергии, аккумулирующейся
движущими деталями двигателя и трансмиссии. Гидравлическая трансмиссия
|
+
|
|
Высокая напряженность
работы машины (большое число включений за 1 час)
|
Преимущество у машин с
дизельными двигателями
|
+
|
|
Ограниченные сроки работ
при неизменных объемах АС И ДНР
|
Высокая эксплуатационная
производительность машин
|
+
|
|
Работа машин в составе
комплексов
|
Подбор машин комплекса по
производительности ведущей (основной) машины комплекса.
|
+
|
|
Общая сложность ведения
работ
|
Высокая подготовка
экипажей. Взаимозаменяемость в расчетах.
|
+
|
Составы основных комплексов машин для ведения АС и ДНР:
|
Комплексы
|
Фронтальный погрузчик и его
рабочего оборудование
|
|
Создание колонных путей
|
+
|
|
Вскрытие убежищ
|
-
|
|
Дробление конструкций
|
+
|
|
Погрузка
|
+
|
|
Перемещение грунта
|
+
|
|
Обрушение зданий
|
+
|
|
Обеззараживание
|
-
|
|
Разбор завалов
|
+
|
|
Восстановление дорог
|
+
|
|
Уплотнение грунта
|
+
|
Определение тактико-технических характеристики и эксплуатационной
производительности.
Учет показателей технических условий в работе фронтального погрузчика и
его рабочего оборудования в чрезвычайной ситуации в мирное и военное время при
оптимизации параметров.
При проектировании новой машины следует учитывать возможность применения
фронтального погрузчика и его рабочего оборудования в условиях возникновения
чрезвычайных ситуаций.
К основным параметрам, на которые следует обратить внимание на начальном
этапе проектирования, можно отнести такие как мощность двигателя, рабочие
размеры (глубина копания, высота выгрузки и т.д.), периодичность проведения ТО,
потребности в ГСМ, размеры ходовой части, маневренность, производительность.
Мощность в данном случае должна быть достаточно большой. Это обуславливается
большими усилиями, неизбежно возникающими при разборе завалов и т.п., также
возможны частые внезапные перегрузки, большие тепловые нагрузки, особенно в
летнее время и в условиях пожара, большое количество включений в час и т.д.
Производительность также должна быть максимальна, так как в независимости
от объема работ сроки по их выполнению крайне ограничены.
В данных условиях крайне важно учитывать стесненность участков работы и в
связи с этим параметры ходовой части нужно выбирать как можно меньшими. При
этом нельзя забывать об обеспечении высокой устойчивости машины при работе на
уклонах как в стоящем положении, так и при передвижении, выполняющей при этом
различные работы. Также на устойчивость влияют рабочие размеры, увеличение
которых приведет к потере устойчивости фронтального погрузчика. В этом случае
следует найти оптимальное соотношение между длиной стрелы, объемом ковша и
размерами ходовой части, обеспечивающими высокую маневренность.
Также стоит вопрос о возможности применения унифицированного
оборудования, навешиваемого на фронтальный погрузчик, к которому можно отнести
такие как: стандартные ковши различной вместимости для различных видов грунта,
различные челюстные захваты, вибротрамбовки, крановыми насадками и подобные
стандартные рабочие органы; а также малораспространенные: фрезы для снятия слоя
асфальта и прочего дорожного покрытия , различные манипуляторы и т.п.
Комплексное решение вопросов, изложенных выше, приведет к оптимальному
подбору параметров фронтального погрузчика и его рабочего оборудования и даст
максимальный эффект применения разрабатываемой машины в условиях чрезвычайных
ситуаций.
Основные рекомендации по разработке инструкции для применения в
чрезвычайных ситуациях.
Фронтальный погрузчики - это современные высокопроизводительные машины
класса спецтехники для строительства‚ предназначенные для выполнения
землеройных работ‚ погрузки и переработки разнородных материалов: различных
видов грунтов и горных пород‚ угля‚ песка‚ щебня‚ металлической стружки‚
древесной щепы‚ камней и т. д.‚ а также сельскохозяйственной продукции. Кроме
того‚ погрузчик может самостоятельно перерабатывать грунты (производить отсыпку
земляных насыпей‚ валов)‚ работать в бульдозерном режиме: производить
планировку площадок и отрывку неглубоких котлованов. Погрузчик может
транспортировать грузы в ковше или в захватах‚ буксировать прицепы или
какое-либо другое оборудование на короткие расстояния. Погрузчик может быть в
районах с умеренным климатом в диапазоне температур от -20ْ ñ äî + 40ْ ñ.
Ðàáî÷åå
îáîðóäîâàíèå
ôðîíòàëüíîãî
ïîãðóç÷èêà
ìîæåò
ñëóæèòü â
ïåðâóþ
î÷åðåäü ïðè
ðàñ÷èñòêå çàâàëîâ
âûçâàííûõ
îáðóøåíèåì
çäàíèé è èíæåíåðíûõ
ñîîðóæåíèé,
äëÿ
ðàçðóøåíèÿ
æåëåçîáåòîííûõ
êîíñòðóêöèé,
à òàê æå äëÿ
ðàçðóøåíèÿ
ñì¸ðçøèõñÿ
ãðóíòîâ è
ñûïó÷èõ ìàòåðèàëîâ.
Ìàøèíà ìîæåò
òàê æå
ýôôåêòèâíî
ïðèìåíÿòüñÿ,
äëÿ ïîâûøåíèÿ
ñîçäàíèÿ è
âîññòàíîâëåíèÿ
òðàíñïîðòíûõ
ïóòåé è
àñôàëüòîâîãî
ïîêðûòèÿ, äëÿ
ïîâûøåíèÿ
áåçîïàñíîñòè
è ýôôåêòèâíîñòè
èñïîëüçîâàíèÿ
ïðè ðàáîòå â
çàâàëàõ öåëåñîîáðàçíà
óñòàíîâêà
øèíîçàùèòíûõ
öåïåé , à â
çèìíèé ïåðèîä
óñòàíîâêà
ïðîòèâîïðîáóêñîâî÷íûõ
öåïåé.
Предлагаемая техника может эффективно применять при возникновении
чрезвычайной ситуации, повлекшей собой обрушение зданий, сооружений и
возникновение завалов.
Благодаря быстросменном оборудованию одна и та же машина имея несколько
видов рабочего оборудования при возникновении чрезвычайной ситуации может
выполнять следующие виды работ:
Разрушение ж/б зданий и инженерных сооружений
Разрушение кирпичных стен
Дробление крупных каменных, бетонных и железобетонных включений
Разрушение и снос фундаментов
Разработка и рыхление мерзлых грунтов
Расчистка проездов
Восстановление дорог
Погрузка и транспортирование материалов
Возможность эксплуатации в диапазоне температур от -20ْ ñ äî + 40ْ ñ.
Çàêëþ÷åíèå
 ïðîåêòå, áûëî
ñïðîåêòèðîâàíî
ðàáî÷åå îáîðóäîâàíèå
ýêñêàâàòîðà-ïîãðóç÷èêà,
ñîñòîÿùèå èç
ñòðåëû, ðóêîÿòè
è êîâøà, òÿãè,
êîðîìûñëà ñ ïðèâÿçàííûìè
ê íèì ãèäðîöèëèíäðàìè.
Äëÿ îñóùåñòâëåíèÿ
äàííîãî ïðîåêòà
ïðîâåäåíû ðàñ÷åòû:
îïðåäåëåíèå
îñíîâíûõ ïàðàìåòðîâ
ðàáî÷åãî îáîðóäîâàíèÿ;
ðàñ÷åò ðàáî÷åãî
îáîðóäîâàíèÿ;
ðàñ÷åò ïàðàìåòðîâ
êîâøà;
ðàñ÷åò îáú¸ìíîãî
ãèäðîïðèâîäà
ðàáî÷åãî îáîðóäîâàíèÿ
ýêñêàâàòîðà;
ðàñ÷åò ïàðàìåòðîâ
íàñîñíî-ñèëîâîé
óñòàíîâêè. Âûáîð
òèïîðàçìåðîâ
íàñîñîâ è ïåðâè÷íîãî
äâèãàòåëÿ;
ðàñ÷åò ìåòàëëîêîíñòðóêöèè
ðàáî÷åãî îáîðóäîâàíèÿ.
Ïðåäëîæåíà íîâàÿ
êîíñòðóêöèÿ êîâøà
ñ âèáðîïëèòîé.
âèáðîóïëîòíÿþøèé
ïëèòà áûñòðîñúåìíûé
ýêñêàâàòîð
Ëèòåðàòóðà
1. Áàçàíîâ
À.Ô.” Ïîäúåìíî-òðàíñïîðòíûå
ìàøèíû.” Ìîñêâà.
Ñòðîéèçäàò.1969ã
. Áàçàíîâ
À. Ô.” Ñàìîõîäíûå
ïîãðóç÷èêè.” Ìîñêâà.
ÌÀØÃÈÇ. 1955ã
. Áàçàíîâ
À.Ô. Çàáåãàëîâ
Ã.Â. “Ñàìîõîäíûå
ïîãðóç÷èêè.” Ìîñêâà.
Ìàøèíèñòðîåíèå
1979ã
. Áàøòà
Ò.Ì. “òåõíè÷åñêàÿ
äèàãíîñòèêà
ãèäðàâëè÷åñêèõ
ïðèâîäîâ”. Ìîñêâà.
Ìàøèíîñòðîåíèå.
1989ã
. Áåñïàëîâ
Í.À. “ Äîðîæíî - ñòðîèòåëüíûå
ìàøèíû è îáîðóäîâàíèå.”
Ìîñêâà. Ìàøèíîñòðîåíèå.
1980
. Áîðèñîâ
Í.Ë.” Ãèäðàâëè÷åñêèå
ñèñòåìû ñòðîèòåëüíûõ
è äîðîæíûõ ìàøèí.”
Êèåâ. Áóäiâåëüíèê.
1966ã.
. Áîðîäà÷åâ
È.Ï. “Ñïðàâî÷íèê
êîíñòðóêòîðà
äîðîæíûõ ìàøèí.”
Ìîñêâà. Ìàøèíîñòðîåíèå.
1973
. Âåêñëåð
Â.Ì. Ìóõà Ò.È.” Ïðîåêòèðîâàíèå
è ðàñ÷åò ïåðåãðóçî÷íûõ
ìàøèí.” Ëåíèíãðàä.
Ìàøèíîñòðîåíèå.
1971
. Âîë÷åê
ß.À. “ Ñàìîõîäíûå
ïîãðóç÷èêè “. Ìîñêâà.
Ìàøãèç. 1963ã
Ðàçìåùåíî
íà Allbest.ur