Проектирование электрической части ТЭЦ 652 МВт

  • Вид работы:
    Дипломная (ВКР)
  • Предмет:
    Физика
  • Язык:
    Русский
    ,
    Формат файла:
    MS Word
    1,63 Мб
  • Опубликовано:
    2014-11-07
Вы можете узнать стоимость помощи в написании студенческой работы.
Помощь в написании работы, которую точно примут!

Проектирование электрической части ТЭЦ 652 МВт

Министерство образования и науки Российской Федерации

Федеральное агентство по образованию

ИРКУТСКИЙ ГОСУДАРСТВЕННЫЙ ТЕХНИЧЕСКИЙ УНИВЕРСИТЕТ

Кафедра электрических станций, сетей и систем






ПОЯСНИТЕЛЬНАЯ ЗАПИСКА

к курсовому проекту по дисциплине

"Проектирование и конструирование электрической части электростанций и подстанций"

Проектирование электрической части ТЭЦ 652 МВт


Выполнил студент группы ЭС-05-2

Федосов Денис Сергеевич





Иркутск 2009 г.

Содержание


Введение

. Обоснование выбора площадки для ТЭЦ и её компоновки

. Выбор главной схемы электрических соединений ТЭЦ

.1 Постановка задачи

.2 Характеристика схемы присоединения электростанции к электроэнергетической системе

.3 Формирование вариантов структурной схемы ТЭЦ

.4 Выбор количества, типа и мощности трансформаторов и автотрансформаторов структурных схем

.4.1 Первый вариант

.4.2 Второй вариант

.4.3 Третий вариант

.4.4. Четвёртый вариант

.4.5 Выбор источников питания собственных нужд

.5 Технико-экономическое сравнение вариантов структурной схемы ТЭЦ

.5.1 Расчёт капиталовложений

.5.2 Расчёт ежегодных расходов

.5.3 Расчёт составляющей ущерба из-за отказа основного оборудования

.5.4 Определение оптимального варианта структурной схемы ТЭЦ

.6 Выбор схем распределительных устройств ТЭЦ с учётом ущерба от перерыва в электроснабжении и потери генерирующей мощности

.6.1 Выбор схемы РУ 110 кВ

.6.2 Выбор схемы РУ 220 кВ

.6.3 Выбор схемы ГРУ 6 кВ

. Расчёт токов короткого замыкания

.1 Постановка задачи (цель и объём расчёта, вид КЗ)

.2 Составление расчётной схемы сети

.3 Составление схемы замещения

.4 Расчёт параметров токов короткого замыкания (Iп0, Iпτ, iу, iаτ) для точки K-1

.5 Расчёт параметров токов короткого замыкания для последующих точек КЗ

.6 Составление сводной таблицы результатов расчёта токов короткого замыкания

. Выбор электрических аппаратов и проводников

.1 Выбор выключателей, разъединителей, трансформаторов тока и напряжения, расчёт конструкции сборных шин и связей между элементами РУ и оборудованием на напряжении 220 кВ

.1.1 Выбор выключателей и разъединителей

.1.2 Выбор трансформаторов напряжения и тока

.1.3 Выбор токоведущих частей

.2 Выбор выключателей, разъединителей, трансформаторов тока и напряжения, расчёт конструкции сборных шин и связей между элементами РУ и оборудованием на напряжении 110 кВ

.2.1 Выбор выключателей и разъединителей

.2.2 Выбор трансформаторов напряжения и тока

.2.3 Выбор токоведущих частей

.3 Выбор выключателей, разъединителей, трансформаторов тока и напряжения, расчёт конструкции сборных шин и связей между элементами РУ и оборудованием на напряжении 6-10 кВ

.3.1 Выбор токоограничивающих реакторов

.3.2 Выбор выключателей и разъединителей

.3.3 Выбор трансформаторов напряжения и тока

.3.4 Выбор токоведущих частей

. Выбор схемы собственных нужд ТЭЦ

.1 Характеристика систем потребителей собственных нужд ТЭЦ

.2 Выбор схемы рабочего и резервного питания собственных нужд

.3 Выбор количества и мощности источников рабочего и резервного питания собственных нужд

Библиографический список

Приложение

Введение


Современное состояние электроэнергетики согласно [28] характеризуется рядом проблем системного характера: высоким уровнем физического и морального износа оборудования, низкой эффективностью использования топлива, неравномерностью роста энергопотребления по территории страны, которая ведет к недостатку активной мощности генерации и сетей электропередачи в ряде районов пиковых нагрузок.

Перечисленные проблемы явились следствием утраты электроэнергетикой своих системных преимуществ, в результате процесса реструктуризации отрасли, которая началась еще в 90-х годах и продолжается по настоящий момент.

По объему генерирующих мощностей и производству электроэнергии Россия занимает четвертое в мире место после США, Китая и Японии. Однако при этом как российская промышленность, так и население страны испытывают дефицит электроэнергии. В качестве основных факторов, характеризующих дефицит электроэнергии в российской экономике можно выделить: высокий уровень тарифов на электроэнергию, недостаток генерирующих мощностей в период пиковых нагрузок и отказы от подключения новых потребителей. Доля удовлетворенных заявок на техническое присоединение к сетям постоянно снижается: 32% - в 2004 г., 21% - в 2005 г., 16% - в 2006 г [28].

Для того чтобы генерирующие мощности обеспечивали развитие электроэнергетики России и справлялись с максимум нагрузки в пиковый период, необходим темп роста генерирующих мощностей не меньше прироста энергопотребления в стране. Но реалии таковы, что с 1999 года наблюдается опережающий рост энергопотребления по сравнению с приростом мощностей. Таким образом, темпы ввода новых мощностей крайне низки и в настоящее время не могут обеспечить потребности экономики.

Следствием низкого коэффициента обновления основных фондов в электроэнергетической отрасли в последние годы является старение основного оборудования электростанций в стране. Пик ввода мощностей приходится на 1971-1980 гг., тогда было введено 31,4% от всей установленной мощности по России. Средний возраст оборудования электростанций России составляет более 30 лет. Износ основных производственных фондов в российской электроэнергетике в последние годы прогрессировал весьма быстро: с 51,6% в 2000 г. до 59,8% в 2005 г. За последние 15 лет в России было введено лишь 25,1 ГВт генерирующих мощностей, в то время как в США за один только 2005 год ввели 30 ГВт.

Наряду со значительной величиной накопленного физического износа, угрозой конкурентоспособности национальной экономики также является и моральный износ генерирующего оборудования.

Нарастание объемов изношенного оборудования и отсутствие возможности его восстановления вводят электроэнергетику в зону повышенного риска технологических отказов и аварий оборудования.

Опережающий рост потребления электроэнергии в России требует активизации энергосбережения и масштабного ввода новых генерирующих мощностей.

Несмотря на значительный потенциал экономии электроэнергии, только за счет этого решить проблему дефицита генерирующих мощностей не представляется возможным. Опережающий рост потребления электроэнергии требует быстрого и масштабного ввода новых генерирующих мощностей.

Форсированное строительство энергетических объектов может иметь своим результатом проявление мультипликативного эффекта в развитии экономики и оценочно может дать прирост ВВП по 0,4% в год.

Несомненно, также благотворно повлияет на темпы роста национальной экономики и возобновление долгосрочного планирования на федеральном и региональных уровнях в электроэнергетической отрасли за счет того, что у инвесторов появится возможность рассчитывать реализацию масштабных проектов на много лет вперед.

Таким образом, решение системных проблем электроэнергетики и ввод новых генерирующих мощностей могут явиться действенным фактором в процессе повышения эффективности других отраслей народного хозяйства.

В настоящее время при отсутствии у государства единого плана по развитию энергетики и вводу новых генерирующих мощностей основной инициативы при строительстве объектов энергетики следует ожидать от частных компаний. Так, например, ОАО "РУСАЛ" при строительстве алюминиевых производств стремится одновременно с этим решить проблему электро- и теплоснабжения предприятия путём строительства ТЭЦ. Избыток электроэнергии при необходимости выдаётся в систему, а тепло помимо его применения в технологическом цикле может использоваться для отопления и горячего водоснабжения ближайшего населённого пункта.

Несмотря на то, что технологический процесс производства электроэнергии на тепловых электростанциях сложнее, а себестоимость электроэнергии выше и экологический ущерб от них больше, чем от ГЭС, всё же наиболее привлекательными для инвесторов являются тепловые электростанции, требующие меньших капиталовложений в строительство. Таким образом, большого притока частного капитала в строительство гидроэлектростанций ожидать не следует. Строительство крупных гидроэнергетических объектов в обозримом будущем останется прерогативой государства, а прирост генерирующих мощностей ожидается в основном за счёт строительства ТЭЦ и ГРЭС.

Проектированию электрической части ТЭЦ и будет посвящён данный курсовой проект. В нём рассматриваются задачи проектирования, связанные с выбором главной схемы ТЭЦ 652 МВт (схемы РУ 220, РУ 110 и ГРУ 6,3 кВ), а также схемы собственных нужд. Также производится выбор основного и вспомогательного электрооборудования с учетом параметров токов КЗ.

1. Обоснование выбора площадки для ТЭЦ и её компоновки


ТЭЦ как комплексная техническая система имеет в своем составе большое число зданий, сооружений и инженерных коммуникаций - подземных, наземных и надземных.

Для размещения сооружений и коммуникаций электрической станции (ЭС) требуется значительная площадь. Для ТЭЦ площадь, приходящаяся на единицу установленной мощности, составляет согласно [17], стр. 22 0,01-0,03 га/МВт, то есть для данной проектируемой станции площадь площадки строительства составит от 6,6 до 20 га. Нужно иметь в виду, что в данную площадь не входят склад топлива, железнодорожные приемные станции с разгрузочными устройствами, золошлаковые отвалы, поселок энергетиков, строительная база.

Площадка станции должна быть по возможности горизонтальной, ровной, прямоугольной формы. Разность уровней отдельных участков площадки не должна превышать 4-6 м. Вдоль длинной оси площадки проектируются основные транспортные связи, намечаются удобные и экономичные трассы водоснабжения.

Площадку и корпуса ориентируют относительно сторон света, учитывая благоприятное или нежелательное воздействие солнечного света на технологические и служебные помещения.

Площадку и сооружения на ней ориентируют также с учетом преимущественного направления ветров, имея в виду защиту открытых распределительных устройств и прочих сооружений станции, жилых домов станционного поселка, а также других населенных пунктов и окружающей природы от дымовых уносов: летучей золы, сернистых и других отравляющих газов.

Нежелателен и опасен нанос ветром паров и мелких капель воды от градирен и брызгальных бассейнов на конструкцию распределительных устройств и на прочие сооружения станции, так как он может привести к ухудшению изоляции, обледенению, усложнению эксплуатации и авариям на станции.

Все внешние связи станции располагаются с одной (меньшей) стороны площади и с торца главного корпуса станции; противоположные торцы зданий и сооружений оставляются свободными для будущего расширения.

Местоположение взрывоопасного оборудования, а также взрывоопасных резервуаров, емкостей, штабелей твердого топлива, контейнеров и взаимное размещение их на территории проектируются в соответствии с действующими противопожарными нормами и требованиями гражданской обороны.

Основные критерии выбора площадки:

·  наличие водоема для обеспечения экономичного водоснабжения;

·        площадка должна быть как можно ближе к центру тепловой нагрузки;

·        наличие подъездных путей для подвозки топлива.

Площадку для строительства будущей ТЭЦ выбираем в районе города Тайшет Иркутской области. ТЭЦ будет располагаться в 2 км к северу от Тайшета на правом берегу Бирюсы. В настоящее время компания "РУСАЛ" производит строительство Тайшетского алюминиевого завода производительностью 750000 тонн алюминия в год. Данная ТЭЦ будет выступать основным источником промышленного теплоснабжения завода, а также одним из источников его электроснабжения. Строительство ТЭЦ поможет решить проблему отопления и горячего водоснабжения города Тайшет, поскольку город снабжается теплом от котельных, а централизованный источник теплоснабжения отсутствует. Строительство ТЭЦ также поможет улучшить экологическую обстановку в городе, так как вред от выбросов котельных, имеющих малоэффективные методы газоочистки и небольшую площадь рассеяния дымовых газов за счёт малой высоты трубы, оказывается значительно больше, чем от выбросов ТЭЦ.

Топливом для проектируемой ТЭЦ будут служить бурые угли Мугунского разреза или Канско-Ачинского бассейна. Выгодное географическое расположение Тайшета делает экономически равнозначными варианты поставки угля по железной дороге как из Иркутской области, так и из Красноярского края.

Строительство насосной станции для подпитки ТЭЦ водой предполагается непосредственно на берегу реки Бирюса. Цех химводоочистки для подготовки питающей воды к использованию на станции будет построен на территории ТЭЦ.

Дымовые трубы и градирни расположены с учетом розы ветров в данной местности таким образом, чтобы как можно меньше выбросов золы выпадало на главный корпус и распределительные устройства. Устранение этого фактора приведет к увеличению срока службы оборудования и меньшей аварийности. Преобладающие направления ветров в районе г. Тайшет - западное и северо-западное.

Остальное оборудование и сооружения на ЭС расположены в соответствии с требованиями технологического цикла производства электроэнергии.

Приведём ситуационный план расположения проектируемой ТЭЦ в районе города Тайшет и компоновку её основных сооружений:

Рис. 1. Ситуационный план проектируемой ТЭЦ: 1 - площадка ТЭЦ; 2 - площадка Тайшетского алюминиевого завода; 3 - насосная станция; 4 - водоподводящий канал; 5 - паропровод отопления и трубопровод горячего водоснабжения города; 6 - паропровод технического пара и трубопровод технического водоснабжения алюминиевого завода; 7 - линии 6 кВ, питающие алюминиевый завод; 8 - линии 110 кВ, питающие местный промышленный район; 9 - линии 220 кВ, связывающие ТЭЦ с системой; 10 - железнодорожная ветка.

Рис. 2. Компоновка основных сооружений ТЭЦ: 1 - главный корпус; 2 - паровые котлы; 3 - турбоагрегаты; 4 - градирни; 5 - дымовые трубы; 6 - подвод воды от насосной станции; 7 - цех химводоочистки; 8 - трубопроводы горячей воды и пара; 9 - золошлакоудаление; 10 - склад топлива; 11 - топливоподача, включающая в себя разгрузочное устройство; 12 - галерея конвейеров; 13 - дробильный корпус; 14 - мазутное хозяйство; 15 -распределительное устройство 110 кВ; 16 -распределительное устройство 220 кВ; 17 - блочные трансформаторы и автотрансформаторы; 18 - 6 ЛЭП 110 кВ, питающих промышленный район; 19 - 4 ЛЭП 220 кВ для связи с энергосистемой; 20 - распределительное устройство генераторного напряжения 6 кВ; 21 - главный щит управления ТЭЦ; 22 - резервный трансформатор собственных нужд; 23 - трансформаторы связи между ГРУ 6 кВ и РУ 110 кВ; 24 - 16 кабельных линий 6 кВ, питающих алюминиевый завод; 25 - железнодорожная ветка для снятия в ремонт трансформаторов; 26 - трансформаторная мастерская; 27 - масляное хозяйство; 28 - механическая мастерская; 29 - материальные склады; 30 - корпус управления (инженерно-бытовой); 31 - центральная проходная.

2. Выбор главной схемы электрических соединений ТЭЦ

 

.1 Постановка задачи


Структурная схема - схема, определяющая составные части электростанции, их назначение и взаимосвязь. Это однолинейная схема, на которой указывается трансформаторные соединения между генераторами и распределительными устройствами. Она предназначена для расчета баланса мощности, выбора числа и мощности трансформаторов и дальнейшей разработки главной схемы электрических соединений.

При указанных в задании на проектирование условиях методом технико-экономического сравнения конкурентоспособных вариантов произведём выбор оптимального варианта структурной схемы.

Оптимальное решение - это решение, удовлетворяющее требованиям к качеству проектируемого объекта при минимально возможных затратах материальных, финансовых и трудовых ресурсов. Оно должно быть получено при комплексном рассмотрении объекта в целом с учетом взаимосвязей между его частями.

В общем случае, процедура поиска оптимальной структурной схемы сводится к последовательному выполнению следующих основных этапов:

1) в соответствии с исходными данными разрабатывается множество технически реализуемых вариантов структурных схем;

2)      на основе инженерного анализа отбираются несколько наиболее перспективных вариантов схем;

)        для каждого отобранного варианта определяются возможные перетоки мощности через трансформаторы и автотрансформаторы, исходя из наиболее тяжелых условий работы станции;

)        ориентируясь на величины перетоков мощности, в каждом варианте выбираем подходящие по номинальным значениям типы трансформаторов и автотрансформаторов. Для выбора трансформаторов, связывающих ГРУ и РУ повышенного напряжения ТЭЦ составляют и анализируют предполагаемые графики нагрузки трансформаторов связи а) в нормальном режиме (зимой и летом); б) при отключении одного из работающих генераторов; в) при необходимости мобилизации вращающегося резерва, когда генераторы ТЭЦ увеличивают мощность до номинального значения. При наличии двух РУ повышенного напряжения могут рассматриваться варианты установки автотрансформаторов либо трехобмоточных трансформаторов. Автотрансформаторы имеют ряд преимуществ и недостатков перед трансформаторами;

)        для каждого варианта определяют их технико-экономические показатели - капиталовложения, эксплутационные издержки, ущербы и приведенные затраты;

)        на основании сопоставления приведенных затрат, а также дополнительного технического анализа, окончательно принимают наиболее рациональную структурную схему проектируемой электростанции.

2.2 Характеристика схемы присоединения электростанции к электроэнергетической системе


На данном этапе проектирования должны быть произведены следующие действия:

1) выбор уровня напряжения для выдачи мощности электростанции в ЭЭС;

2)      определение желательного распределения генерирующих мощностей между распределительными устройствами;

)        выбор числа, направления и пропускной способности ЛЭП каждого напряжения;

)        обеспечение питания электроэнергией местной нагрузки;

)        оценка возможности присоединения части блоков электростанции к распределительному устройству ближайшей подстанции;

)        оценка возможности применения на станции двух распределительных устройств одного напряжения.

Исходной информацией для проектирования в данном разделе являются:

·  графики нагрузок генераторов и потребителей;

·        величина системных и межсистемных перетоков мощности и их характер;

·        уровень токов короткого замыкания от ЭЭС;

·        требования по регулированию напряжения в характерных узлах ЭЭС, необходимость установки шунтирующих и дугогасящих реакторов, синхронных компенсаторов, батарей конденсаторов.

При курсовом проектировании задачи выбрать схему присоединения ТЭЦ к энергосистеме не ставится. Характеристика присоединения указана в задании на проектирование. ТЭЦ будет связана с системой четырьмя воздушными линиями на напряжение 220 кВ длиной 67 км. Сопротивление системы в относительных единицах xС* = 0,14. Мощность системы SС = 2500 МВА. Аварийный резерв в системе составляет 280 МВт.

2.3 Формирование вариантов структурной схемы ТЭЦ


При формировании вариантов структурных схем электростанции необходимо решить следующие задачи:

·  распределение генераторов между РУ различного напряжения;

·        наличие трансформаторов и автотрансформаторов связи между РУ;

·        принцип построения электрической схемы станции (блочность, тип блоков и пр.);

·        система резервирования электроснабжения потребителей собственных нужд.

Проектируемая электростанция имеет РУ генераторного напряжения 6 кВ, от которого предполагается питать цех алюминиевого завода. Максимум нагрузки, потребляемой на генераторном напряжении, приходится на зимний период и составляет 140 МВт. На напряжении 110 кВ от станции будет питаться промышленный район. Максимум нагрузки, выдаваемой в сеть 110 кВ, также приходится на зимний период и составляет 180 МВт. Связь с системой, как уже было указано, будет осуществляться через РУ 220 кВ.

Согласно заданию на проектирование, на станции предполагается установить 4 турбогенератора мощностью по 63 МВт и 4 турбогенератора мощностью по 100 МВт. К ГРУ 6 кВ могут быть подключены лишь агрегаты по 63 МВт, поскольку турбогенераторы мощностью 100 МВт на напряжение 6,3 кВ не выпускаются.

Согласно заданной единичной мощности генераторов, а также напряжения ГРУ, по [11] выбираем турбогенераторы с полным водяным охлаждением типа Т3В-63-2У3 и асинхронизированные турбогенераторы с полным водяным охлаждением типа Т3ВА-100-2У3 производства ОАО "Силовые машины". Поскольку асинхронизированные генераторы имеют возможность изменять величину вырабатываемой реактивной мощности в широких пределах, то для определённости условимся принять коэффициент мощности асинхронизированных турбогенераторов таким же, как у обычных турбогенераторов того же класса мощности. Таким образом, коэффициент мощности асинхронизированных генераторов считаем постоянным и равным 0,8.

Рис. 3. Внешний вид асинхронизированного турбогенератора

Таблица 1. Параметры выбранных турбогенераторов

Тип

Р, МВт

cosj

Sн, МВА

Uн, кВ

КПД, %

Хd", о.е.

Хd', о.е.

Хd, о.е.

Х2, о.е.

Х0, о.е.

Тd0, с

Система возбуждения

Т3В-63-2У3

63

0,8

78,75

6,3

98,4

0,203

0,275

1,915

0,248

0,102

6,23

параллельное самовозбуждение

Т3ФА-100-2У3

100

0,8

125

10,5

98,3

0,192

0,278

1,907

0,234

0,097

6,5

см. рис. 3


Асинхронизированные турбогенераторы - генераторы нового поколения, которые имеют широкие пределы устойчивости и предназначены для работы в режимах глубокого потребления реактивной мощности без ущерба для своего технического состояния.

Преимущества асинхронизированных турбогенераторов обеспечиваются специальной системой АРВ и наличием двух обмоток возбуждения, сдвинутых на 90 электрических градусов

Рис. 4. Двухканальная система возбуждения асинхронизированного турбогенератора: СУТ - система управления тиристорами; ТВ - трансформатор системы возбуждения; УЗП - устройство защиты от перенапряжений с шунтирующими катушками; ЗР - защитные резисторы; АГП - автомат гашения поля; АЗР - автоматы замыкания обмоток ротора накоротко.

Учитывая, что напряжение генераторов 100 МВт совпадает с напряжением собственных нужд (10 кВ), питание последних экономичнее всего будет осуществить с помощью реактированных отпаек от генераторов 100 МВт. Резервный трансформатор собственных нужд будет подключен к шинам ГРУ. Подробнее об источниках питания собственных нужд будет сказано далее.

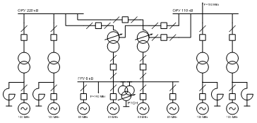
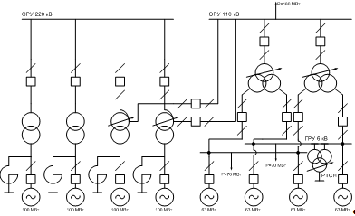
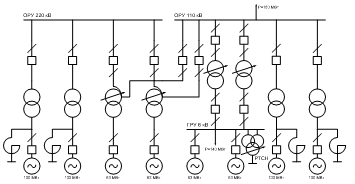
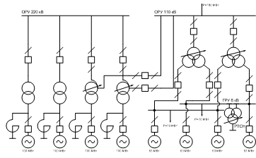
Принимаем к дальнейшему рассмотрению следующие варианты структурных схем ТЭЦ:

Рис. 5. Вариант 1 структурной схемы ТЭЦ

Рис. 6. Вариант 2 структурной схемы ТЭЦ

Рис. 7. Вариант 3 структурной схемы ТЭЦ

Рис. 8. Вариант 4 структурной схемы ТЭЦ

2.4 Выбор количества, типа и мощности трансформаторов и автотрансформаторов структурных схем


Выбор трансформаторов включает в себя определение числа, типа и номинальной мощности трансформаторов структурной схемы проектируемой электроустановки. Выбор номинальной мощности трансформатора производят с учетом его нагрузочной способности. В общем случае условие выбора мощности трансформатора имеет вид:

ном = Sрасч/kп,

где Sрасч - расчетная мощность, МВА; Sном - номинальная мощность, МВА; kп − коэффициент допустимой систематической или аварийной перегрузки трансформатора по [1].

По ГОСТ 14209-85 коэффициент допустимой перегрузки трансформатора определяется исходя из предшествующего режима работы трансформатора и температуры окружающей среды.

Аварийная перегрузка разрешается в аварийных случаях, например при выходе из строя параллельно включенного трансформатора. Допустимая аварийная перегрузка определяется предельно допустимыми температурами обмотки (140°С для трансформаторов напряжением выше 110 кВ) и температурой масла в верхних слоях (115°С). Аварийные перегрузки вызывают повышенный износ витковой изоляции, что может привести к сокращению нормированного срока службы трансформатора, если повышенный износ впоследствии не компенсирован нагрузкой, с износом изоляции ниже нормального.

Значение допустимой аварийной перегрузки определяется по ГОСТ 14209-85 в зависимости от коэффициента начальной нагрузки k1, температуры охлаждающей среды во время возникновения перегрузки tохл и длительности перегрузки. При выборе трансформаторов по условиям аварийных перегрузок можно воспользоваться таблицами из [1].

Для выбора трансформаторов и автотрансформаторов необходимо произвести расчёт потоков мощности для каждого варианта структурной схемы. Для каждой обмотки трансформатора производится построение графиков активной и реактивной мощности. В качестве расчётной полной мощности принимается мощность, соответствующая максимумам этих графиков.

Поскольку в задании на курсовое проектирование все графики нагрузок и график загрузки генераторов для зимнего и летнего периодов являются одноступенчатыми (то есть мощности нагрузки и генерации постоянны в течение суток), то производить построение графиков будет нецелесообразно. Вместо этого предлагается провести расчёт потоков мощности в комплексном виде для различных режимов работы ТЭЦ.

Для определённости зададимся коэффициентами мощности нагрузок на ГРУ и на РУ 110 кВ, а также средним коэффициентом мощности механизмов собственных нужд. Примем, что на ГРУ cosφГРУ = 0,9, нагрузка промышленного района имеет коэффициент мощности cosφРУ-110 = 0,92, а двигатели собственных нужд работают с cosφс.н. = 0,8.

В соответствии с этим произведём расчёт потоков мощности для каждого варианта структурной схемы ТЭЦ.

2.4.1 Первый вариант


Рис. 9. Вариант 1 структурной схемы ТЭЦ

Осенне-зимний период

Вначале произведём расчёт потоков мощности при всех работающих генераторах и трансформаторах без учёта потерь мощности.

Мощность механизмов собственных нужд согласно заданию на проектирование, составляет 12% от установленной мощности ТЭЦ:

.

Механизмы собственных нужд питаются через реактированные отпайки от 4 блоков по 100 МВт. Таким образом, мощность собственных нужд, приходящаяся на каждый агрегат:

;

.

В осеннее-зимний период все агрегаты загружены на 100%. Поэтому мощность, вырабатываемая генераторами будет соответствовать их номинальной мощности.

Вначале произведём расчёт потоков в блочной части ТЭЦ.

Реактивная мощность, вырабатываемая каждым из генераторов 100 МВт:

.

Таким образом, поток полной мощности, текущий через каждый трансформатор блоков 100 МВт в осенне-зимний период:

;

.

Теперь произведём расчёт перетоков мощности через автотрансформаторы в осенне-зимний период.

Реактивная мощность нагрузки на ГРУ:

.

Реактивная мощность, вырабатываемая каждым из генераторов 63 МВт:

.

Избыток мощности, выдаваемый с ГРУ на обмотки НН автотрансформаторов:

;

.

Реактивная мощность, потребляемая нагрузкой промышленного района, питающегося от РУ 110 кВ:

.

Поток мощности, текущий по обмоткам СН автотрансформаторов к нагрузке на РУ 110 кВ:

;

.

По первому закону Кирхгофа находим избыток мощности, выдаваемый автотрансформаторами в систему:

;

.

Как видим из расчётов, в нормальном режиме наиболее загруженными оказались обмотки ВН автотрансформаторов.

Теперь произведём расчёт перетоков мощности в ремонтных и аварийных режимах для осенне-зимнего периода.

Для ТЭЦ проверка перетоков мощности через автотрансформаторы должна осуществляться при следующих режимах:

1) при отключении одного из параллельно работающих автотрансформаторов связи;

2)      при отключении блока в блочной части ТЭЦ;

)        при отключении генератора, работающего на ГРУ.

Совпадение во времени вышеуказанных событий маловероятно, поэтому потоки рассчитываются для каждого из них в отдельности.

При выходе из строя одного автотрансформатора потокораспределение в остальной части схемы не изменится, поскольку потери в её элементах при выборе структурной схемы не учитываются. По этой причине потоки, приходящиеся на один оставшийся в работе автотрансформатор, будут в два раза больше, чем те же потоки в нормальном режиме.

Отключение блока, работающего на РУ 220 кВ, можно не рассматривать, так как в этом случае потокораспределение в обмотках автотрансформаторов не изменится и дефицита мощности на станции наблюдаться не будет. Рассчитаем потоки при отключении генератора блока, подключенного к РУ 110 кВ. Учтём, что питание механизмов собственных нужд от реактора блока с отключенным генератором будет сохраняться.

Мощность, выдаваемая с ГРУ на обмотки НН автотрансформаторов, будет той же, что и в нормальном режиме:

;

.

Поток мощности, текущий по обмоткам СН автотрансформаторов к нагрузке на РУ 110 кВ при одном работающем блоке:

;

.

Мощность, текущая из системы через обмотку ВН:

;

.

В данном режиме наиболее загруженными оказались обмотки НН автотрансформаторов.

Произведём расчёт потоков мощности при отключении одного генератора, работающего на ГРУ.

Избыток мощности, выдаваемый на обмотки НН автотрансформаторов:

;

.

Поток мощности, текущий по обмоткам СН автотрансформаторов к нагрузке на РУ 110 кВ, останется тем же, что и в нормальном режиме:

;

.

Избыток мощности, выдаваемый автотрансформаторами в систему:

;

.

В данном режиме наиболее загруженными вновь оказались обмотки ВН автотрансформаторов.

Весенне-летний период

В соответствии с заданием на курсовое проектирование в весенне-летний период генераторы загружены на 48% от своей номинальной мощности. Из условия устойчивости факела котлоагрегат не может работать с такой паропроизводительностью. Однако поскольку принимается, что ТЭЦ имеет поперечные связи в тепловой части, то часть котлоагрегатов в весенне-летний период отключается, и поэтому работа генераторов в таком режиме оказывается возможна. Следовательно, мощность, потребляемая механизмами собственных нужд, уменьшается той же пропорции, что и вырабатываемая генераторами мощность, поскольку часть парогенераторов остановлена. Поэтому расход на собственные нужды в весенне-летний период примем равным 48% от расхода в осенне-зимний период. График загрузки агрегатов и график потребления мощности механизмами собственных нужд являются одноступенчатыми, то есть мощность в течение суток не меняется.

Суточные графики нагрузок на ГРУ и на РУ 110 кВ также являются одноступенчатыми, величина потребляемой мощности составляет 95 и 145 МВт соответственно. Коэффициенты мощности нагрузок и генераторов примем теми же, что и для осенне-зимнего периода, и неизменными в течение суток. Вначале так же, как и в предыдущем пункте, произведём расчёт потоков в блочной части ТЭЦ. Поскольку активная мощность, вырабатываемая генераторами и потребляемая нагрузкой собственных нужд, составляет 48% мощности в осенне-зимнем периоде, а коэффициенты мощности не менялись, то поток полной мощности, текущий через каждый трансформатор блоков 100 МВт определится как:

;

.

Этот поток мощности, как и следовало ожидать, меньше, чем в осенне-зимнем периоде. Он будет использоваться при определении перетоков через автотрансформаторы связи.

Реактивная мощность нагрузки на ГРУ в весенне-летний период:

.

Избыток мощности, выдаваемый с ГРУ на обмотки НН автотрансформаторов:

;

.

Реактивная мощность, потребляемая нагрузкой промышленного района:

.

Поток мощности, текущий по обмоткам СН автотрансформаторов к нагрузке на РУ 110 кВ:

;

.

Мощность, текущая через обмотку ВН автотрансформаторов из системы:

;

.

Как видим из расчётов, в нормальном режиме наиболее загруженными оказались обмотки СН автотрансформаторов.

Теперь произведём расчёт перетоков мощности в ремонтных и аварийных режимах для весенне-летнего периода.

При отключении блока, работающего на шины связи с системой, будет иметь место дефицит мощности на станции и, как следствие, переток мощности из системы. Рассчитаем его:

.

Данный переток меньше указанного в задании аварийного резерва в энергосистеме, который составляет 280 МВт. Следовательно, данный режим не приведёт к нарушению устойчивости и опасному снижению частоты.

Теперь рассчитаем потоки при отключении генератора блока, работающего на РУ 110 кВ.

Мощность, выдаваемая с ГРУ на обмотки НН автотрансформаторов, будет той же, что и в нормальном режиме:

;

.

Поток мощности, текущий по обмоткам СН автотрансформаторов к нагрузке на РУ 110 кВ при одном работающем блоке:

;

.

Мощность, потребляемая из системы через обмотку ВН автотрансформаторов:

;

.

В данном режиме наиболее загруженными оказались обмотки СН автотрансформаторов. Изменения частоты в данном режиме не происходит, поскольку мощность, потребляемая из системы, меньше мощности резерва.

Произведём расчёт потоков мощности при отключении одного генератора, работающего на ГРУ.

Мощность, подтекающая к шинам ГРУ:

;

.

Поток мощности, текущий по обмоткам СН автотрансформаторов к нагрузке на РУ 110 кВ, останется тем же, что и в нормальном режиме:

;

.

Мощность, потребляемая из системы через обмотку ВН автотрансформаторов:

;

.

В данном режиме наиболее загруженными оказались обмотки ВН автотрансформаторов. Изменения частоты в данном режиме также не происходит, поскольку мощность, потребляемая из системы, меньше мощности аварийного резерва.

Выбор трансформаторов и автотрансформаторов

Для упрощения выбора трансформаторов и автотрансформаторов представим результаты проведённых расчётов для двух периодов года в виде рисунков. На всех рисунках вместо двух автотрансформаторов изображён один, в то время как потоки мощности указаны для двух параллельно работающих автотрансформаторов связи.

Рис. 10. Потоки мощности, текущие через блочные трансформаторы (а) и автотрансформаторы связи (б) в нормальном режиме

Рис. 11. Потоки мощности, текущие через автотрансформаторы при отключении генератора блока, подключенного к РУ 110 кВ (а), и при отключении одного генератора 63 МВт на ГРУ (б)

Выбираем трансформаторы блоков 100 МВт (см. рис. 10 а):

.

В данном случае коэффициент систематической перегрузки  был принят равным единице, поскольку график загрузки трансформаторов одноступенчатый.

Принимаем к установке по [16], стр. 146-160 2 трансформатора ТДЦ-125000/110 и 2 трансформатора ТДЦ-125000/220.

Поскольку автотрансформаторы связи в общем случае работают в комбинированном режиме, то есть передача мощности осуществляется как электрическим, так и электромагнитным путём, то каждая из обмоток (общая, последовательная и третичная) должна быть рассчитана на типовую мощность. Комбинированный режим возникает из-за несоответствия коэффициентов мощности генераторов и нагрузок и возникающих по этой причине перетоков реактивной мощности.

Коэффициент систематической перегрузки  в формулах ниже также примем равным единице, а коэффициент типовой мощности исходя из соотношения напряжений обмоток ВН и СН автотрансформаторов из [16], стр. 146-160 будет равен:

.

Тогда для нормального режима должно выполняться условие (см. рис. 10 б):

.

Поскольку в нормальном режиме наиболее загружены обмотки ВН, то согласно [23] последовательная обмотка не должна быть загружена сверх типовой мощности:

.

При выходе из строя одного параллельно работающего автотрансформатора оставшийся в работе трансформатор должен обеспечить выдачу избытка мощности с ГРУ, а также связь РУ 110 и 220 кВ. Коэффициент загрузки в аварийном режиме  принимается равным 1,4. Следовательно, должны выполняться условия (см. рис. 10 б):

;

.

Согласно [17], отключение блока, равно как и отключение генератора в неблочной части ТЭЦ, являются довольно частыми мероприятиями, поэтому автотрансформаторы должны обеспечивать перетоки мощности, возникающие в таком режиме, без сокращения срока службы изоляции. По этой причине при расчётах коэффициент загрузки принимаем равным коэффициенту систематической перегрузки. При отключении блока, работающего на РУ 110 кВ, необходимо также проверить загрузку общей обмотки. Поэтому должны выполняться следующие условия (см. рис. 11 а):

;

.

Проверку загрузки обмоток при отключении генератора, работающего на ГРУ, можно не производить, так как все потоки в этом режиме меньше, чем в предыдущем (см. рис. 11 б).

Учитывая все условия, к установке по [16], стр. 146-160 принимаем 2 автотрансформатора АТДЦТН-250000/220/110.

Таблица 2. Трансформаторы и автотрансформаторы, принятые к установке в варианте 1 структурной схемы ТЭЦ

Тип

Количество

ТДЦ-125000/110

2

ТДЦ-125000/220

2

АТДЦТН-250000/220/110

2

2.4.2 Второй вариант

Рис. 12. Вариант 2 структурной схемы ТЭЦ

Поскольку порядок расчёта потоков мощности для выбора трансформаторов и автотрансформаторов в последующих вариантах схемы аналогичен расчётам в первом варианте, то комментарии к расчёту будут даваться минимальные.

Вначале рассчитаем потоки мощности в осенне-зимнем периоде.

Поскольку число источников питания собственных нужд в данном варианте то же, что и в предыдущем, и реактированные линии для их питания также отходят от генераторов 100 МВт блочной части ТЭЦ, то потоки мощности через блочные трансформаторы блоков 100 МВт будут теми же, что и в предыдущем варианте:

.

Поскольку у блока 63 МВт отпайки на собственные нужды нет, то мощность, текущая через блочный трансформатор блока 63 МВт, равна вырабатываемой генератором мощности:

;

.

Производим расчёт потоков мощности через автотрансформаторы в нормальном режиме:

;

.

;

.

;

.

Как видим из расчётов, в нормальном режиме наиболее загруженными оказались обмотки ВН автотрансформаторов.

Теперь произведём расчёт перетоков мощности в ремонтных и аварийных режимах для осенне-зимнего периода.

Отключение блока, работающего на РУ 220 кВ, можно не рассматривать, так как в этом случае потокораспределение в обмотках автотрансформаторов не изменится и дефицита мощности на станции наблюдаться не будет. Рассчитаем потоки при отключении генератора блока 100 МВт, подключенного к РУ 110 кВ:

;

.

;

.

;

.

В данном режиме наиболее загруженными оказались обмотки СН автотрансформаторов.

Произведём расчёт потоков мощности при отключении одного генератора, работающего на ГРУ.

;

.

;

.

;

.

В данном режиме наиболее загруженными оказались обмотки ВН автотрансформаторов.

Теперь произведём расчёт потоков мощности в весенне-летнем периоде.

Потоки мощности через блочные трансформаторы блоков 100 МВт:

;

.

Поток мощности через блочный трансформатор блока 63 МВт:

;

.

Потоки мощности через автотрансформаторы в нормальном режиме для весенне-летнего периода:

;

.

;

.

;

.

Как видим из расчётов, в нормальном режиме наиболее загруженными оказались обмотки ВН автотрансформаторов. Теперь произведём расчёт перетоков мощности в ремонтных и аварийных режимах для весенне-летнего периода. При отключении блока, работающего на шины связи с системой, будет иметь место дефицит мощности на станции и, как следствие, переток мощности из системы. Рассчитаем его:

.

Данный переток меньше указанного в задании аварийного резерва в энергосистеме, который составляет 280 МВт. Следовательно, данный режим не приведёт к нарушению устойчивости системы.

Теперь рассчитаем потоки при отказе генератора блока 100 МВт, подключенного к РУ 110 кВ.

;

.

;

.

;

.

В данном режиме наиболее загруженными оказались обмотки СН автотрансформаторов. Нарушения устойчивости в данном режиме не происходит, поскольку мощность, потребляемая из системы, меньше мощности аварийного резерва.

Произведём расчёт потоков мощности при отключении одного генератора, работающего на ГРУ.

;

.

;

.

;

.

В данном режиме наиболее загруженными оказались обмотки ВН автотрансформаторов. Нарушения устойчивости в данном режиме также не происходит, поскольку мощность, потребляемая из системы, меньше мощности аварийного резерва.

Представим результаты проведённых расчётов для двух периодов года в виде рисунков:

Рис. 13. Потоки мощности, текущие через блочные трансформаторы блока 63 МВт (а), блоков 100 МВт (б) и через автотрансформаторы связи (в) в нормальном режиме

Рис. 14. Потоки мощности, текущие через автотрансформаторы при отключении генератора блока 100 МВт, работающего на РУ 110 кВ (а), и при отключении одного генератора 63 МВт на ГРУ (б)

Выбираем трансформатор блока 63 МВт (см. рис. 13 а):

.

Выбираем трансформаторы блоков 100 МВт (см. рис. 13 б):

.

Принимаем к установке по [16], стр. 146-160 1 трансформатор ТДЦ-80000/110, 1 трансформатор ТДЦ-125000/110 и 3 трансформатора ТДЦ-125000/220.

Выбираем автотрансформаторы связи. Для нормального режима должны выполняться условия (см. рис. 13 в):

;

.

При отключении одного параллельно работающего автотрансформатора должны выполняться условия (см. рис. 13 в):

;

.

При отключении блока 100 МВт, работающего на РУ 110 кВ, должны выполняться следующие условия (см. рис. 14 а):

;

.

Проверку загрузки обмоток при отключении генератора, работающего на ГРУ, можно не производить, так как потоки в этом режиме меньше, чем в предыдущем (см. рис. 14 б). Принимаем к установке по [16], стр. 146-160 2 автотрансформатора АТДЦТН-200000/220/110.

Таблица 3. Трансформаторы и автотрансформаторы, принятые к установке в варианте 2 структурной схемы ТЭЦ

ТипКоличество


ТДЦ-80000/110

1

ТДЦ-125000/110

1

ТДЦ-125000/220

3

АТДЦТН-200000/220/110

2


2.4.3 Третий вариант


Рис. 15. Вариант 3 структурной схемы ТЭЦ

Вначале рассчитаем потоки мощности в осенне-зимнем периоде. Поскольку число источников питания собственных нужд в данном варианте то же, что и в предыдущих, и реактированные линии для их питания также отходят от генераторов 100 МВт, то потоки мощности через блочные трансформаторы блоков 100 МВт будут теми же, что и в предыдущих вариантах:

;

.

Рассчитаем потоки мощности в неблочной части ТЭЦ. Избыток мощности, выдаваемый на трансформаторы связи, будет тем же, что избыток мощности, выдаваемый на обмотки НН автотрансформаторов в первом варианте:

;

.

Производим расчёт потоков мощности через блочные автотрансформаторы в нормальном режиме. Мощность, подтекающая к обмотке НН каждого блочного автотрансформатора:

;

.

;

.

;

.

Как видим из расчётов, в нормальном режиме наиболее загруженными оказались обмотки НН блочных автотрансформаторов.

Теперь произведём расчёт перетоков мощности в ремонтных и аварийных режимах для осенне-зимнего периода.

Отказ блока, работающего на РУ 220 кВ, можно не рассматривать, так как в этом случае потокораспределение в остальной части схемы не изменится и дефицита мощности на станции наблюдаться не будет.

Рассчитаем потоки при отказе одного блочного автотрансформатора:

;

.

Мощность, выдаваемая в сеть среднего напряжения, будет теперь приходиться на один автотрансформатор:

;

.

;

.

В данном режиме наиболее загруженными оказались обмотки ВН автотрансформаторов.

Потокораспределение в остальной части схемы не изменится.

Произведём расчёт потоков мощности при отключении одного генератора, работающего на ГРУ.

Избыток мощности, выдаваемый на трансформаторы связи, уже был рассчитан ранее:

;

.

При этом перетоки мощности через каждый блочный автотрансформатор:

;

.

;

.

;

.

В данном режиме наиболее загруженными оказались обмотки НН автотрансформаторов.

Теперь произведём расчёт потоков мощности в весенне-летнем периоде.

Потоки мощности через блочные трансформаторы блоков 100 МВт:

;

.

Рассчитаем потоки мощности в неблочной части ТЭЦ в весенне-летнем периоде.

Избыток мощности, выдаваемый на трансформаторы связи (из предыдущих расчётов):

;

.

Производим расчёт потоков мощности через блочные автотрансформаторы в нормальном режиме.

Мощность, подтекающая к обмотке НН каждого блочного автотрансформатора, будет такой же, что и у блоков 100 МВт:

;

.

;

.

;

.

Как видим из расчётов, в нормальном режиме наиболее загруженными оказались обмотки СН блочных автотрансформаторов.

Теперь произведём расчёт перетоков мощности в ремонтных и аварийных режимах для весенне-летнего периода.

Отказ блока 100 МВт, работающего на РУ 220 кВ, можно не рассматривать, так как в этом случае потокораспределение в остальной части схемы не изменится и дефицита мощности на станции наблюдаться не будет.

Рассчитаем потоки при отказе одного блочного автотрансформатора:

;

.

Мощность, выдаваемая в сеть среднего напряжения, будет теперь приходиться на один автотрансформатор:

;

.

;

.

В данном режиме наиболее загруженными оказались обмотки СН автотрансформаторов. Изменения частоты не происходит, поскольку мощность, потребляемая из системы, меньше мощности аварийного резерва.

Потокораспределение в остальной части схемы не меняется.

Произведём расчёт потоков мощности при отключении одного генератора, работающего на ГРУ, в весенне-летний период.

Мощность, подтекающая к ГРУ через трансформаторы связи, уже была рассчитана ранее:

;

.

При этом перетоки мощности через каждый блочный автотрансформатор:

;

.

;

.

;

.

В данном режиме наиболее загруженными оказались обмотки СН автотрансформаторов.

Представим результаты проведённых расчётов для двух периодов года в виде рисунков. На рисунках изображён один трансформатор связи, в то время как потоки указаны сразу для двух параллельно работающих трансформаторов.

Рис. 16. Потоки мощности, текущие через трансформаторы (а) и автотрансформаторы (б) блоков 100 МВт и трансформаторы связи (в) в нормальном режиме

Рис. 17. Потоки мощности, текущие при отключении одного блочного автотрансформатора через оставшийся в работе автотрансформатор (а) и при отключении одного генератора 63 МВт на ГРУ через трансформаторы связи (б) и блочный автотрансформатор (в)

Выбираем трансформаторы блоков 100 МВт (см. рис. 16 а):

.

Принимаем к установке по [16], стр. 146-160 2 трансформатора ТДЦ-125000/220.

Выбираем трансформаторы связи. В нормальном режиме должно выполняться условие (см. рис. 16 б):

.

При отказе одного трансформатора связи должно выполняться условие (см. рис. 16 б):

.

При отключении одного генератора на ГРУ должно выполняться условие (см. рис. 17 б):

.

Поскольку согласно [23] трансформаторы связи могут работать как повышающие в режиме выдачи мощности на РУ 110 кВ и как понижающие при передаче мощности на ГРУ, то в качестве трансформаторов связи необходимо установить трансформаторы с РПН. На номинальную мощность 125 МВА выпускаются только трансформаторы с расщеплённой обмоткой НН. Поэтому на ГРУ при установке таких трансформаторов необходимо будет применить схему с попарным секционированием. Таким образом, к установке по [16], стр. 146-160 принимаем 2 трансформатора связи ТРДЦН-125000/110. Выбираем блочные автотрансформаторы. Для нормального режима должны выполняться условия (см. рис. 16 в):

;

.

При выходе из строя одного параллельно работающего автотрансформатора оставшийся в работе автотрансформатор должен обеспечить переток мощности между РУ повышенного напряжения и выдачу мощности генератора (см. рис. 17 а):

;

.

При отключении генератора, работающего на ГРУ, должны выполняться следующие условия (см. рис. 17 в):

;

.

Учитывая все приведённые выше условия, принимаем решение по установке 2 блочных автотрансформаторов АТДЦТН-250000/220/110 (согласно [16], стр. 146-160).

Таблица 4. Трансформаторы и автотрансформаторы, принятые к установке в варианте 3 структурной схемы ТЭЦ

ТипКоличество


ТРДЦН-125000/110

2

ТДЦ-125000/220

2

АТДЦТН-250000/220/110

2


Таким образом, схема варианта 3 будет выглядеть несколько иначе:

Рис. 18. Вариант 3 структурной схемы ТЭЦ

2.4.4 Четвёртый вариант


Рис. 19. Вариант 4 структурной схемы ТЭЦ

Рассчитаем потоки мощности в осенне-зимнем периоде.

Потоки мощности через блочные трансформаторы блоков 100 МВт будут теми же, что и в предыдущих вариантах:

;

.

Рассчитаем потоки мощности в неблочной части ТЭЦ.

Мощность, подтекающая к ГРУ через трансформаторы связи (рассчитана ранее):

;

.

Производим расчёт потоков мощности через блочные автотрансформаторы в нормальном режиме.

;

.

;

.

;

.

Как видим из расчётов, в нормальном режиме наиболее загруженными оказались обмотки ВН блочных автотрансформаторов.

Теперь произведём расчёт перетоков мощности в ремонтных и аварийных режимах для осенне-зимнего периода.

Отключение блока, работающего на РУ 220 кВ, можно не рассматривать, так как в этом случае потокораспределение в остальной части схемы не изменится и дефицита мощности на станции наблюдаться не будет.

Рассчитаем потоки при отключении одного блочного автотрансформатора:

;

.

Мощность, выдаваемая в сеть среднего напряжения, будет теперь приходиться на один автотрансформатор:

;

.

;

.

В данном режиме наиболее загруженными оказались обмотки ВН автотрансформаторов. Потокораспределение в остальной части схемы не изменится. Рассчитаем потоки мощности через блочные автотрансформаторы при отключении одного блока, работающего на РУ 110 кВ.

;

.

;

.

;

.

В данном режиме наиболее загруженными оказались обмотки НН автотрансформаторов.

Произведём расчёт потоков мощности при отключении одного генератора, работающего на ГРУ.

Мощность, подтекающая к ГРУ через трансформаторы связи:

;

.

При этом перетоки мощности через каждый блочный автотрансформатор:

;

.

;

.

;

.

В данном режиме наиболее загруженными оказались обмотки НН автотрансформаторов.

Теперь произведём расчёт потоков мощности в весенне-летнем периоде.

Потоки мощности через блочные трансформаторы блоков 100 МВт:

;

.

Рассчитаем потоки мощности в неблочной части ТЭЦ в весенне-летнем периоде.

Мощность, подтекающая к ГРУ через трансформаторы связи (рассчитана ранее):

;

.

Производим расчёт потоков мощности через блочные автотрансформаторы в нормальном режиме.

;

.

;

.

;

.

Как видим из расчётов, в нормальном режиме наиболее загруженными оказались обмотки СН блочных автотрансформаторов.

Теперь произведём расчёт перетоков мощности в ремонтных и аварийных режимах для весенне-летнего периода.

Отказ блока 100 МВт, работающего на РУ 220 кВ, можно не рассматривать, так как в этом случае потокораспределение в остальной части схемы не изменится и дефицита мощности на станции наблюдаться не будет.

Рассчитаем потоки при отказе одного блочного автотрансформатора:

;

.

Мощность, выдаваемая в сеть среднего напряжения, будет теперь приходиться на один автотрансформатор:

;

.

;

.

В данном режиме наиболее загруженными оказались обмотки СН автотрансформаторов. Нарушения устойчивости в данном режиме не происходит, поскольку мощность, потребляемая из системы, меньше мощности аварийного резерва.

Потокораспределение в остальной части схемы не изменится.

Рассчитаем потоки мощности через блочные автотрансформаторы при отключении одного блока, работающего на РУ 110 кВ.

;

.

;

.

;

.

В данном режиме наиболее загруженными оказались обмотки СН автотрансформаторов.

Произведём расчёт потоков мощности при отключении одного генератора, работающего на ГРУ, в весенне-летний период.

Мощность, подтекающая к ГРУ через трансформаторы связи:

;

.

При этом перетоки мощности через каждый блочный автотрансформатор:

;

.

;

.

;

.

В данном режиме наиболее загруженными оказались обмотки СН автотрансформаторов.

Представим результаты проведённых расчётов для двух периодов года в виде рисунков. На рисунках изображён один трансформатор связи, в то время как потоки указаны сразу для двух параллельно работающих трансформаторов.

а  б  в

Рис. 20. Потоки мощности, текущие через трансформаторы блоков 100 МВт (а), автотрансформаторы блоков 63 МВт (б) и трансформаторы связи (в) в нормальном режиме

а  б

в  г

Рис. 21. Потоки мощности, текущие при отключении одного блочного автотрансформатора через оставшийся в работе автотрансформатор (а), при отключении генератора блока 100 МВт, работающего на РУ 110 кВ, через автотрансформатор (б) и при отключении одного генератора 63 МВт на ГРУ через трансформаторы связи (в) и автотрансформатор (г)

Выбираем трансформаторы блоков 100 МВт (см. рис. 20 а):

.

Принимаем к установке по [16], стр. 146-160 2 трансформатора ТДЦ-125000/110 и 2 трансформатора ТДЦ-125000/220.

Выбираем трансформаторы связи. В нормальном режиме должно выполняться условие (см. рис. 20 в):

.

При отказе одного трансформатора связи должно выполняться условие (см. рис. 20 в):

.

При отключении одного генератора на ГРУ должно выполняться условие (см. рис. 21 в):

.

Поскольку трансформаторы связи могут работать как повышающие в режиме выдачи мощности на РУ 110 кВ и как понижающие при передаче мощности на ГРУ, то в качестве трансформаторов связи необходимо установить трансформаторы с РПН. Таким образом, к установке принимаем по [16], стр. 146-160 2 трансформатора ТДН-40000/110.

Выбираем блочные автотрансформаторы. Для нормального режима должны выполняться условия (см. рис. 20 б):

;

При выходе из строя одного параллельно работающего автотрансформатора оставшийся в работе автотрансформатор должен обеспечить переток мощности между РУ повышенного напряжения и выдачу мощности генератора (см. рис. 21 а):

;

.

При отключении блока 100 МВт, работающего на РУ 110 кВ, должны выполняться следующие условия (см. рис. 21 б):

;

.

При отключении генератора, работающего на ГРУ, перетоки мощности меньше, чем в предыдущем режиме, поэтому проверку загрузки обмоток делать не будем (см. рис. 21 г).

Принимаем к установке по [16], стр. 146-160 2 автотрансформатора АТДЦТН-200000/220/110.

Таблица 5. Трансформаторы и автотрансформаторы, принятые к установке в варианте 4 структурной схемы ТЭЦ

ТипКоличество


ТДН-40000/110

2

ТДЦ-125000/110

2

ТДЦ-125000/220

2

АТДЦТН-200000/220/110

2


2.4.5 Выбор источников питания собственных нужд

Поскольку согласно заданию на проектирование напряжение системы собственных нужд на ТЭЦ составляет 10 кВ, то для питания механизмов собственных нужд предлагается использовать реактированные отпайки от генераторов 100 МВт, имеющих номинальное напряжение 10,5 кВ.

Резервирование питания собственных нужд можно осуществить двумя путями. Резервный трансформатор (РТСН) может быть подключен к шинам ГРУ. В этом случае он будет работать как повышающий с 6 кВ на 10 кВ. Другим вариантом является присоединение РТСН к шинам РУ 110 кВ. Поскольку во втором случае РТСН будет более дорогим, чем в первом, то для резервирования питания собственных нужд принимаем трансформатор, подключенный к шинам ГРУ.

Рассчитаем ток, приходящийся на каждый источник собственных нужд:

.

Поскольку расчёт сопротивления реактора ведётся по известным значениям тока КЗ до установки реактора и уровня тока КЗ после его установки, то на данном этапе сопротивление реактора мы определить не можем. Поэтому выберем реактор по номинальному напряжению и току:

;

.

;

.

По данным условиям выбираем по [7] сдвоенные сухие реакторы РСТСТГ 10-2х1000-хххУ3 (где ххх - величина номинального сопротивления реактора, которая будет уточнена в ходе дальнейших расчётов) на номинальное напряжение 10 кВ с номинальным током 2х1000 А.

Мощность резервного трансформатора собственных нужд должна быть выбрана из условия замены наиболее мощного из рабочих источников. Мощность, приходящаяся на каждый рабочий источник собственных нужд:

.

Следовательно, по [16], стр. 130 выбираем резервный трансформатор собственных нужд ТРДНС-25000/10. От расщепления придётся отказаться, соединив обе обмотки 6 кВ параллельно. Данная схема резервирования является нестандартной, однако позволяет выполнить резерв питания собственных нужд с минимальными затратами.

2.5 Технико-экономическое сравнение вариантов структурной схемы ТЭЦ


Для каждого варианта структурной схемы проектируемой электростанции (подстанции) определяют:

1) капиталовложения, ;

2)      годовые издержки, ;

)        математическое ожидание ущерба  или .

Затем на основании этих основных показателей вычисляют значение целевой функции приведенных затрат , которая дает комплексную количественную оценку экономичности и надежности сопоставляемых вариантов структурной схемы.

Если разница в вариантах менее 5%, то окончательный выбор производится по таким критериям, которые сложно оценить с точки зрения надежности и экономичности: возможность дальнейшего расширения, удобство эксплуатации и т. п.

2.5.1 Расчёт капиталовложений

Капиталовложения складываются из двух составляющих:

,

где:

 - суммарная расчетная стоимость трансформаторов;

 - суммарная расчетная стоимость ячеек выключателей.

Разброс цен на современное электрооборудование довольно большой, поэтому сколько-либо точно определить капиталовложения будет весьма сложно, если брать за основу цены разных производителей. Поэтому технико-экономическое сравнение будем вести, используя укрупнённые показатели стоимости из [16] на 1982 год. Выключатели также будут выбираться из каталогов на 1982 год, поскольку целью технико-экономического сравнения является не разработка конкурентноспособных на настоящий момент вариантов, а сравнение стоимостных показателей вариантов и выбор наиболее оптимального с точки зрения капиталовложений, годовых издержек и показателей надёжности.

При необходимости получить капиталовложения в ценах, соответствующих нынешнему уровню, нужно капиталовложения, рассчитанные по показателям стоимости на 1981 год, умножить на коэффициент удорожания.

Для перехода к расчетной стоимости трансформатора надо заводскую стоимость умножить на коэффициент a, учитывающий затраты на доставку, строительную часть и монтажные работы от заводской стоимости трансформатора

По [16], стр. 550 определяем коэффициент a для каждого типа трансформатора и умножаем его на заводскую стоимость из [16], стр. 146-161.

Поскольку выбор выключателей можно сделать лишь на основании расчётов токов короткого замыкания, что значительно увеличило бы трудозатраты на этапе технико-экономического сравнения, то в учебном проектировании допускается выбирать выключатели лишь по номинальным параметрам. Учитывая, что стоимость выключателя мало зависит от номинального тока, можем во всех вариантах при выборе выключателей руководствоваться лишь номинальным напряжением установки. Стоимость ячеек выбираем по [16], стр. 583.

Расчёт капиталовложений будем вести только для отличающихся частей вариантов структурной схемы. Так, например, в капиталовложениях не учитываем стоимость генераторов, реакторов и резервного трансформатора для питания собственных нужд, поскольку они одинаковы во всех вариантах схем.

Расчёт капиталовложений представим в виде таблицы:

Таблица 6. Расчёт капиталовложений


.

Как видим, разница между вариантами с наибольшими и наименьшими капиталовложениями составляет менее 5%. Для дальнейшего сравнения выбираем варианты с наименьшими капиталовложениями. Это варианты 1, 2 и 3. Вариант 4 явно является неконкурентноспособным, так как при той же надёжности схемы количество трансформаторов и автотрансформаторов в нём наибольшее.

2.5.2 Расчёт ежегодных расходов

Годовые издержки производства (годовые эксплуатационные расходы) складываются из трех составляющих:

,

где:

 - амортизационные отчисления (отчисления на реновацию и капитальный ремонт);  - норма амортизационных отчислений за 1 год;

 - издержки на обслуживание электроустановки (на текущий ремонт и зарплату персонала);  - норма отчислений на обслуживание за 1 год;

 - издержки, обусловленные потерями энергии в варианте проектируемой установки;  - удельные затраты на возмещение потерь, ;  - годовые потери энергии, .

Для силового электротехнического оборудования и РУ согласно [16], стр. 549 установлены следующие нормы отчислений:

при  , ;

при  , .

Амортизационные отчисления для варианта 1:

.

Амортизационные отчисления для варианта 2:

.

Амортизационные отчисления для варианта 3:

.

Определим издержки на обслуживание электроустановки.

В издержках для каждого варианта будут составляющие на обслуживание электрооборудования до 110 кВ включительно и на обслуживание электрооборудования 220 кВ.

Издержки на обслуживание электроустановки для варианта 1:

.

Издержки на обслуживание электроустановки для варианта 2:

.

Издержки на обслуживание электроустановки для варианта 3:

.

Для определения издержек из-за потерь энергии в установке, вычислим потери в трансформаторах и автотрансформаторах.

Так как на стадии проектирования подробные характеристики потребителей обычно отсутствуют, то расчет потерь энергии можно вести приближенно через время максимальных потерь ([16], стр. 546):

,

где:

 - время планового ремонта трансформатора в год (согласно [16], стр. 488. Оно составляет 30 часов для трансформаторов с номинальной мощностью более 80 МВА и 28 часов для трансформаторов с номинальной мощностью 10-80 МВА);

 - время наибольших потерь, определяемое через  по [16], стр. 546.

.

Тогда для одноступенчатого графика .

Рассчитываем годовые потери в трансформаторах для каждого варианта. Максимальные перетоки мощности берутся для нормального режима, так как аварийные и ремонтные режимы относительно кратковременны.

Вариант 1

Для трансформатора ТДЦ-125000/110:

.

Для трансформатора ТДЦ-125000/220:

.

Для автотрансформатора АТДЦТН-125000/220/110:

; ; ; .

;

;

.

Поскольку перетоки мощности через автотрансформаторы не соответствуют режиму загрузки генераторов, а зависят ещё и от величины нагрузки для летнего и зимнего периодов, то проводить расчёт будем по графикам нагрузок для каждой обмотки. Так как при определении времени наибольших потерь не учитывалась продолжительность планового ремонта трансформатора в год, то и в данной формуле при определении переменных потерь время ремонта учитывать не будем. Тогда годовые потери электроэнергии для одного автотрансформатора (n - число автотрансформаторов):

.

Суммарные годовые потери электроэнергии для варианта 1:

.

Вариант 2

Для трансформатора ТДЦ-80000/110:

.

Для трансформатора ТДЦ-125000/110:

.

Для трансформатора ТДЦ-125000/220:

.

Для каждого автотрансформатора АТДЦТН-200000/220/110:

; ; ; .

;

;

.

.

Суммарные годовые потери электроэнергии для варианта 2:

.

Вариант 3

Для трансформаторов ТДЦ-125000/220:

.

Перетоки мощности через трансформаторы связи не соответствуют графику загрузки генераторов. Поэтому расчёт потерь будем вести по формуле, аналогичной формуле для автотрансформаторов в предыдущем варианте. Тогда для каждого из трансформаторов ТРДЦН-125000/110:

.

Для каждого автотрансформатора АТДЦТН-250000/220/110:

; ; .

.

Суммарные годовые потери электроэнергии для варианта 3:

.

Потери в реакторах для питания собственных нужд можно не учитывать, так как они одинаковы в обоих вариантах структурных схем.

Приняв по [17], стр. 79 при  удельные затраты на возмещение потерь электроэнергии для Сибири , определим издержки, обусловленные потерями энергии, для варианта 1:

.

Издержки, обусловленные потерями энергии, для варианта 2:

.

Издержки, обусловленные потерями энергии, для варианта 3:

.

Суммарные издержки для варианта 1:

.

Суммарные издержки для варианта 2:

.

Суммарные издержки для варианта 3:

.

2.5.3 Расчёт составляющей ущерба из-за отказа основного оборудования

При проектировании структурной схемы варьируемыми элементами являются только трансформаторы (автотрансформаторы) блоков и связей между РУ. Поэтому рассматривают отказы этих элементов и их расчетные последствия. На данном этапе принимают, что схемы всех РУ одинаковы. Так как число элементов структурной схемы относительно невелико, то таблицу расчетных связей можно не составлять.

Отказ трансформатора блока приводит к аварийной потере мощности генератора на время восстановительного ремонта трансформатора. Такие последствия будут иметь место при всех состояниях структурной схемы, за исключением ремонтного состояния блока. Соответственно среднегодовой недоотпуск электроэнергии в систему из-за отказов трансформатора единичного блока определяют следующим образом (если нет генераторного выключателя):

,

где:

 - отношение числа часов использования установленной мощности к продолжительности года, учитывающее график работы генератора;

,  - частота отказов и среднее время восстановления трансформатора (автотрансформатора);

 - вероятность ремонтного состояния блока, определяемая следующим выражением:

,

где:

, , ,  - показатели ремонтируемого элемента.

Если генераторный выключатель есть, среднегодовой недоотпуск электроэнергии определяется, как:

,

где:

 и  - частота отказов и среднее время восстановления генераторного выключателя.

По [16], стр. 487-499:

Таблица 7. Показатели надёжности трансформаторов и выключателей

Оборудование

,

,

,

,

Трансформаторы с Uном = 110 кВ с Sном до 80 МВА включительно

0,014

70

0,75

28

Трансформаторы с Uном = 110 кВ с Sном >80 МВА

0,075

95

1,0

30

Трансформаторы с Uном = 220 кВ с Sном >80 МВА

0,025

60

1,0

30

Маломасляные выключатели 6-10 кВ

0,009

20

0,14

10


Произведём расчёт ущерба из-за отказа оборудования для каждого варианта.

Вариант 1

Определим вероятность ремонтных режимов трансформатора ТДЦ-125000/220:

.

Вероятность ремонтных режимов трансформатора ТДЦ-125000/110:

.

Среднегодовая потеря генерирующей мощности за счёт отказа каждого из блоков 100 МВт, подключенных к РУ 220 кВ:

.

Среднегодовая потеря генерирующей мощности за счёт отказа каждого из блоков 100 МВт, подключенных к РУ 110 кВ:

.

Определим вероятность ремонтных режимов генераторного выключателя:

.

Тогда среднегодовая потеря генерирующей мощности за счёт отказа выключателя генератора 63 МВт, работающего на ГРУ:

.

При выборе автотрансформаторов связи было проверено, что выход из строя одного автотрансформатора не приведет к нарушению связи между РУ и вся необходимая мощность может быть передана на РУ 110 кВ. Таким образом, отказ одного автотрансформатора не вызовет потери генерирующей мощности и недоотпуска электроэнергии.

При всех вариантах потери генерирующей мощности дефицит мощности на шинах связи с системой не будет превышать величины аварийного резерва в 280 МВт. По этой причине ущерб от изменения частоты равен нулю. Энергоснабжение потребителей промышленного района на РУ 110 кВ и потребителей на ГРУ очень надежно, поскольку во всех аварийных и ремонтных режимах передается достаточное количество электроэнергии. Таким образом, математическим ожиданием недоотпуска электроэнергии местной нагрузке можно пренебречь.

За счёт отказа выключателей возможна потеря цепи в двухцепных линиях. Однако каждая цепь рассчитывается на передачу в послеаварийном режиме мощности, приходящейся на обе цепи в нормальном режиме. Поэтому недоотпуска электроэнергии потребителю не будет. При передаче электроэнергии по одной цепи вместо двух увеличиваются потери мощности и напряжения, однако этими факторами в курсовом проектировании пренебрегают.

Определим суммарный среднегодовой недоотпуск электрической энергии для варианта 1:

.

Вариант 2

Вероятность ремонтных режимов трансформатора ТДЦ-125000/220:

.

Вероятность ремонтных режимов трансформатора ТДЦ-125000/110:

.

Вероятность ремонтных режимов трансформатора ТДЦ-80000/110:

.

Среднегодовая потеря генерирующей мощности за счёт отказа каждого из блоков 100 МВт, подключенных к РУ 220 кВ (определена ранее):

.

Среднегодовая потеря генерирующей мощности за счёт отказа блока 100 МВт, подключенного к РУ 110 кВ (определена ранее):

.

Среднегодовая потеря генерирующей мощности за счёт отказа блока 63 МВт:

.

Среднегодовая потеря генерирующей мощности за счёт отказа выключателя генератора 63 МВт, работающего на ГРУ (определена ранее):

.

Потери генерирующей мощности и недоотпуска электроэнергии потребителям при отказе прочих элементов не будет по тем же причинам, что приведены в предыдущем варианте.

Определим суммарный среднегодовой недоотпуск электрической энергии для варианта 2:

.

Вариант 3

Среднегодовая потеря генерирующей мощности за счёт отказа каждого из блоков 100 МВт, подключенных к РУ 220 кВ, будет той же, что в предыдущем варианте:

.

Среднегодовая потеря генерирующей мощности за счёт отказа блока с автотрансформатором, будет той же, что для блока с двухобмоточным трансформатором на:

.

Среднегодовая потеря генерирующей мощности за счёт отказа выключателя генератора 63 МВт, работающего на ГРУ (определена ранее):

.

Потери генерирующей мощности и недоотпуска электроэнергии потребителям при отказе прочих элементов не будет по тем же причинам, что приведены в предыдущих вариантах.

Определим суммарный среднегодовой недоотпуск электрической энергии для варианта 3:

.

Приняв по [17], стр. 97 удельный ущерб , определим среднегодовой ущерб. Ущерб будет только от потери генерирующей мощности, так как ущерб потребителям (промышленному району на РУ 110 кВ и алюминиевому заводу на ГРУ) равен нулю, ущерб от изменения частоты также равен нулю, а косвенный ущерб (экологический, социальный и т. п.) в учебном проектировании не учитывается.

Для варианта 1:

.

Для варианта 2:

.

Для варианта 3:

.

2.5.4 Определение оптимального варианта структурной схемы ТЭЦ

Подсчитаем приведенные затраты для каждого варианта схемы по формуле:

,

где:

К - капиталовложения, тыс. руб.;

И - годовые издержки, тыс. руб./год;

У - годовой ущерб от потери генерирующей мощности и от недоотпуска электроэнергии потребителям, тыс. руб./год;

EН - нормативный коэффициент эффективности капиталовложений, 1/год. Согласно [16] стр. 545 для расчётов в электроэнергетике он равен 0,12.

Оформим результаты определения приведённых затрат в виде таблицы:

Таблица 8. Определение приведённых затрат


Вариант 1

Вариант 2

Вариант 3

Капитальные затраты К, тыс. руб.

2823,7

2747,75

2805,6

Ущерб У, тыс. руб./год

210,6

153,45

82,2

Годовые издержки И, тыс. руб./год

339,272

336,291

334,194

Приведенные затраты З, тыс. руб./год

888,716

819,471

753,066


Определим разницу в величине приведённых затрат:

.

Таким образом, разница в приведённых затратах между наиболее оптимальными вторым и третьим вариантом составляет более 5%.

Таким образом, на основании технико-экономического сравнения к дальнейшему рассмотрению принимаем вариант 3 структурной схемы.

Рис. 22. Выбранный оптимальный вариант структурной схемы ТЭЦ

2.6 Выбор схем распределительных устройств ТЭЦ с учётом ущерба от перерыва в электроснабжении и потери генерирующей мощности

 

.6.1 Выбор схемы РУ 110 кВ

Распределительные устройства повышенных напряжений должны удовлетворять следующим требованиям общего характера:

. Ремонт выключателей напряжением 110 кВ и выше должен производиться без отключения присоединения из-за высокой ответственности присоединений повышенного напряжения.

. Отключение ВЛ должно осуществляться не более чем двумя выключателями, отключение трансформаторов - не более чем тремя выключателями.

Отказы выключателей в РУ как при нормальном, так и при ремонтном состоянии схемы не должны приводить:

а) к одновременной потере обеих параллельных транзитных линий одного направления, если учитывать повышенные требования к надёжности двухцепной связи;

б) к одновременному отключению нескольких линий, при которой нарушается устойчивость работы энергосистемы.

Применительно к электростанциям районного типа необходимо, чтобы при отказах выключателей в РУ при нормальном состоянии схемы отключалось бы не более одного блока, а при ремонтном состоянии схемы - не более двух блоков.

Электрических схем РУ повышенных напряжений много и они разнообразны. Однако перебор всех существующих схем электрических соединений нерационален. В зависимости от исходных условий можно примерно очертить группу электрических схем, в пределах которой следует в свою очередь намечать конкурентоспособные варианты решений.

Для начала определимся с выбором типа РУ. Закрытые РУ целесообразно применять при дефиците территории для строительства, при суровых климатических условиях (крайне низкие температуры, гололёд, близость к морю и т. д.) или же при наличии в атмосфере агрессивных веществ. В остальных случаях на настоящее время более выгодным экономически является сооружение ОРУ. Поскольку на современных алюминиевых производствах применяются эффективные системы очистки дымовых газов и содержание в них агрессивных веществ, таких как соединения фтора, минимально, а кроме того расстояние, на котором будет иметь место максимальная концентрация агрессивных веществ, значительно дальше места установки ТЭЦ (см. розу ветров и ситуационный план на рисунке 1), то принимаем вариант с открытыми распределительными устройствами на 110 и 220 кВ.

Согласно заданию на проектирование, необходимо разработать схему ОРУ 110 кВ. Выбор оптимальной схемы ОРУ проводится на основании технико-экономического сравнения вариантов схем с учётом ущерба от потери генерирующей мощности и недоотпуска электроэнергии потребителям.

Для определения ущерба от отказа выключателей необходимо провести анализ двух схем с помощью таблично-логического метода. Этот метод предполагает поочерёдное целенаправленное (только для расчётных аварийных ситуаций) рассмотрение отказов элементов электроустановки с выявлением их последствий в нормальном и аварийных состояниях. Расчёт ведут в табличной форме. По вертикали фиксируется ряд учитываемых элементов (i-й ряд), а по горизонтали - ряд расчётных нормальных и ремонтных режимов (j-й ряд).

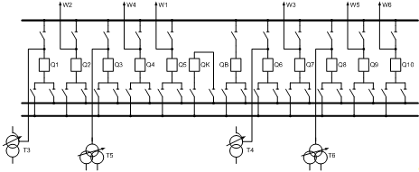
Вариант 1. Схема с двумя несекционированными системами сборных шин с одним шиносоединительным выключателем и с обходной системой шин.

Рис. 23. Вариант 1 схемы ОРУ 110 кВ

Нормально обе системы шин находятся под напряжением, и шиносоединительный выключатель включен. Питающие элементы и линии поровну распределяются между системами шин.

Для анализа составляем таблицу, характеризующую потери генерирующих мощностей в нормальном режиме и при ремонте одного выключателя и одновременном отказе другого. При отказе выключателя ущерб рассматривается для системы и для потребителя (нагрузки). Установим, что за 1СШ закреплены T3, T5, W1, W3, W5, а за 2СШ закреплены T4, T6, W2, W4, W6.

Таблица 9. Таблица расчётных связей для варианта 1 схемы ОРУ 110 кВ

Примечание. По горизонтали указаны выключатели, выведенные в плановый ремонт, а по вертикали - отказ которых рассматривается. В клетках таблицы указывается потерянный элемент и время, на которое он потерян (tоп - на период оперативных переключений (1 час); tр - время ремонта (45 часов)).

Вариант 2. Схема с двумя несекционированными системами сборных шин с двумя последовательными шиносоединительными выключателями и с обходной системой шин

Рис. 24. Вариант 2 схемы ОРУ 110 кВ

Следует заметить, что схема с двумя последовательными шиносоединительными выключателями обычно применяется при нечётном числе трансформаторов или линий. Присоединение трансформатора (автотрансформатора) или линии через развилку из двух выключателей уменьшает вероятность потери генерирующей мощности, делает связь между РУ более надёжной (в случае с автотрансформаторами) или же уменьшает вероятность недоотпуска электроэнергии потребителям (если через развилку подключается линия, питающая особо ответственную нагрузку). В нашем же случае число присоединений чётное, поэтому распределение нагрузок между системами шин при таком варианте будет неравномерным. Однако в целях учебного проектирования рассмотрим такую схему. Через развилку присоединим один из блочных автотрансформаторов.

Нормально обе системы шин находятся под напряжением, и шиносоединительные выключатели включены. Установим, что за 1СШ закреплены T3, T5, W1, W3, W5, а за 2СШ закреплены T6, W2, W4, W6. Автотрансформатор T4 нормально подключен к обеим системам шин.

Таблица 10. Таблица расчётных связей для варианта 2 схемы ОРУ 110 кВ


Следует особо оговорить случаи, когда происходит потеря генерирующей мощности и недоотпуск электроэнергии потребителю. При отключении блочных автотрансформаторов T3 и T4 потери генерирующей мощности не происходит, поскольку в таком случае вся избыточная мощность будет передаваться в систему.

При одновременной потере автотрансформаторов возникает недоотпуск электроэнергии потребителю, поскольку мощности, выдаваемой через трансформаторы связи с ГРУ, недостаточно для покрытия нагрузки на ОРУ 110 кВ. При одновременной потере двух трансформаторов связи недоотпуска электроэнергии потребителю не будет, так как необходимая мощность может быть передана на ОРУ 110 кВ через два работающих автотрансформатора с их перегрузкой в допустимых пределах.

Потеря одной цепи из пар W1-W2, W3-W4 и W5-W6 (пусть даже одновременная потеря цепи в каждой паре) не приведёт к недоотпуску электроэнергии, поскольку при обрыве одной цепи в двухцепной линии вторая может передать мощность, приходящуюся на две цепи. Очевидно, что при передаче электроэнергии по одной цепи вместо двух возрастут потери электроэнергии в линиях, что также должно учитываться при определении ущерба. Однако в учебном проектировании, как уже было сказано ранее, данная составляющая не учитывается.

Расчёт ущерба

Согласно [], для выключателей 110 кВ определены следующие показатели надёжности:

; ; ; .

Определим вероятность ремонтных режимов для каждого выключателя:

.

Тогда вероятность нормальных режимов для варианта 1:

,

а для варианта 2:

.

В таблицах выше время оперативных переключений определяется как:

(в таблицах обозначено как  - время всех операций),

 - время оперативных переключений;

 - время пуска энергоблока из горячего состояния для ТЭЦ.

Число часов использования установленной мощности станции определено ранее и составляет .

Потеря генерирующей мощности в год из-за отказов выключателей во время нормального режима определяется по формуле:

.

Потеря генерирующей мощности в год из-за отказов выключателей во время ремонтного режима определяется по формуле:

.

Недоотпуск электроэнергии потребителю определяется по аналогичной формуле:

.

Как видим, для определения недоотпуска в нормальном и ремонтном режимах в формулу вводится соответствующая вероятность режима по аналогии с формулами для потерь генерирующей мощности при отказе трансформаторов в предыдущем пункте курсового проекта.

Для схемы варианта 1 определим потери генерирующей мощности:


Потеря генерирующей мощности в нормальном режиме

Потеря генерирующей мощности в ремонтном режиме

Q1

Q2

Q3

Q4

Q5

Q6

Q7

Q8

Q9

Q10

QK

 

 

QB

-


Как видим, потеря генерирующей мощности в 165,022 МВт при отказе шиносоединительного выключателя связана с аварийным сбросом мощности генераторов на ГРУ при отключении двух трансформаторов связи.

Суммарные потери генерирующей мощности для варианта 1:

.

Потери генерирующей мощности для схемы варианта 2 не будет ни в одном из режимов за счёт применения двух последовательных шиносоединительных выключателей, исключающих возможность одновременного погашения всех присоединений.

Итак, суммарные потери генерирующей мощности для варианта 2:

.

При авариях со сбросом мощности 100 МВт дефицита мощности в системе не будет, так как:

.

Поэтому нарушения частоты в системе не произойдёт, следовательно, составляющую ущерба, вызванную снижением частоты, мы не рассчитываем.

Теперь определим недоотпуск электроэнергии потребителям для каждого варианта. Для варианта 1 при отказе любого выключателя кроме шиносоединительного в работе будут оставаться по одной цепи в каждой двухцепной линии, следовательно, недоотпуска электроэнергии потребителю не будет. Лишь при отказе шиносоединительного выключателя на время оперативных переключений произойдёт погашение всех линий. При этом недоотпуск электроэнергии равен:

.

Для варианта 2 недоотпуск электроэнергии отсутствует.

Теперь рассчитаем величину ущерба. Расчёт будем вести также в ценах 1982 года из тех же соображений, что и при технико-экономическом сравнении вариантов структурных схем ТЭЦ.

Удельный ущерб для энергосистемы согласно [17], стр. 97 рекомендуется принять равным 0,15 руб./(кВт∙ч). Тогда ущерб для энергосистемы для варианта 1:

.

То же для варианта 2:

.

Ущерб потребителю в общем случае обусловлен расстройством технологического процесса, повреждением оборудования и поломкой инструмента, браком и порчей продукции, простоем рабочей силы предприятия. Согласно [17], стр. 99 удельный ущерб лежит в диапазоне от 0,22 до 25,7 руб./(кВт∙ч). Примем удельный ущерб равным 1 руб./(кВт∙ч), тогда для варианта 1:

.

Для варианта 2 ущерб от недоотпуска равен нулю.

Тогда суммарный годовой ущерб для схемы первого варианта:

.

То же для второго варианта: .

Расчёт капиталовложений

Капиталовложения складываются из двух составляющих:

,

где:

 - суммарная расчетная стоимость шин;

 - суммарная расчетная стоимость ячеек выключателей.

Составляющая стоимости шин  в обоих вариантах одинакова, поэтому при определении капиталовложений её учитывать не будем.

Выключатели для технико-экономического сравнения вариантов схем РУ также разрешается выбирать по укрупнённым показателям стоимости. Таким образом, определение капиталовложений в учебном проектировании производится без выбора выключателя по номинальному току и отключающей способности при КЗ.

Согласно [16], стр. 577 стоимость одной ячейки выключателя на ОРУ 110 кВ с двумя рабочими системами шин и обходной составляет 42,6 тыс. руб. (выключатель ВВШ-110-25/2000-У1). Тогда капиталовложения для вариантов 1 и 2:

,

Расчет издержек

Годовые издержки:

,

где

 - амортизационные отчисления (отчисления на реновацию и капитальный ремонт);

 - норма амортизационных отчислений за 1 год;

 - издержки на обслуживание электроустановки (на текущий ремонт и зарплату персонала);

 - затраты на эксплуатацию в год.

При  , , по [], стр. 77. Тогда издержки для вариантов 1 и 2:

.

Расчёт приведённых затрат

Результаты расчёта сведём в следующей таблице:

Таблица 12. Определение приведённых затрат


Вариант 1

Вариант 2

Капитальные затраты К, тыс. руб.

511,2

511,2

Ущерб У, тыс. руб./год

3,129

0

Годовые издержки И, тыс. руб./год

48,053

48,053

Приведенные затраты З, тыс. руб./год

112,526

109,397


Определим разницу в величине приведённых затрат:

.

Таким образом, оба варианта по приведенным затратам равноценны, так как разница составляет менее 5%.

Следовательно, оценка и выбор оптимального варианта должны приводиться на основании нестоимостных показателей.

Несомненное достоинство схемы первого варианта в том, что она является типовой, проверенной в эксплуатации схемой, более удобной, чем схема второго варианта. Все присоединения в ней распределены равномерно между системами шин. Поэтому в качестве схемы РУ 110 кВ принимаем схему с двумя несекционированными системами шин с одним шиносоединительным выключателем и с обходной системой шин.

Рис. 25. Выбранная схема ОРУ 110 кВ (двойная несекционированная система сборных шин с обходной)

2.6.2 Выбор схемы РУ 220 кВ

Согласно структурной схеме (см. рис. ) по рекомендациям из [17] применяем двойную несекционированную систему сборных шин с обходной. Количество присоединений на ОРУ 220 кВ равно 8. Такое число присоединений хорошо подходит для схемы данного типа и позволяет равномерно распределить присоединения трансформаторов и линий между системами шин.

Рис. 26. Выбранная схема ОРУ 220 кВ (двойная несекционированная система сборных шин с обходной)

2.6.3 Выбор схемы ГРУ 6 кВ

На ГРУ в соответствии с тем, что ранее были выбраны трансформаторы с расщеплённой обмоткой НН, применяем одинарную систему сборных шин с попарным секционированием.

Рис. 27. Выбранная схема ГРУ 6 кВ (одинарная система сборных шин с попарным секционированием)

Произведём выбор секционных реакторов для ограничения токов короткого замыкания в зоне сборных шин, присоединений генераторов и автотрансформаторов. В общем случае установка секционных реакторов должна обосновываться после технико-экономического сравнения вариантов главных схем без реакторов и с реакторами. Однако в курсовом проектировании такой задачи не ставится. Принимается, что на ГРУ необходима установка секционных реакторов. Согласно [5], стр. 165 для секционных реакторов обычно принимают , а сопротивление по [23], стр. 148 выбирают максимально возможным из указанных в каталоге для намеченного типа реактора. Задав сопротивление реактора, рассчитывают ток КЗ на шинах установки. Если ток окажется больше ожидаемого, следует изменить сопротивление реактора и повторить расчёт.

Номинальный ток генератора Т3В-63-2У3 по [11] равен 7210 А. Тогда примем:

.

По [16], стр. 338-354 наибольший номинальный ток серийно выпускаемых одинарных реакторов при их естественном охлаждении составляет 4000 А, что меньше необходимого. По этой причине для установки применяем реакторы РБДГ 10-4000-0,18У3 с принудительным воздушным охлаждением на напряжение 10 кВ с индуктивным сопротивлением 0,18 Ом, имеющего при естественном охлаждении номинальный ток 4000 А. Обдувка реакторов воздухом с помощью вентиляторов позволит увеличить значение номинального тока до необходимого.

Проверяем выбранный реактор на потерю напряжения в нормальном режиме:

.

Потеря напряжения меньше 5%, следовательно, выбранный реактор пригоден к установке.

3. Расчёт токов короткого замыкания

 

.1 Постановка задачи (цель и объём расчёта, вид КЗ)


Для выбора электрооборудования, аппаратов, шин, кабелей, токоограничивающих реакторов и т. д., а также для выбора и проверки уставок релейной защиты и автоматики необходимо знать токи короткого замыкания. Коротким замыканием (КЗ) называют всякое непредусмотренное нормальными условиями работы замыкание между фазами, а в системах с заземленными нейтралями - также замыкание одной или нескольких фаз на землю (или на нулевой провод).

КЗ возникают при нарушении изоляции электрических цепей. Протекание токов КЗ приводит к увеличению потерь электроэнергии в проводниках и контактах, что вызывает их повышенный нагрев. Проводники и контакты должны быть термически стойкими, то есть без повреждений переносить в течение заданного времени нагрев токами КЗ. Протекание токов КЗ сопровождается также значительными электродинамическими усилиями между проводниками. Токоведущие части, аппараты и электрические машины должны быть сконструированы так, чтобы выдержать без повреждений усилия, возникающие при протекании токов КЗ, то есть обладать электродинамической стойкостью. Для обеспечения надежной работы и предотвращения повреждения оборудования при КЗ необходимо быстро отключать поврежденный участок.

В соответствии с [18] в качестве расчетного вида короткого замыкания следует принимать:

·  для определения электродинамической стойкости аппаратов и жестких шин с относящимися к ним поддерживающими и опорными конструкциями - трехфазное КЗ;

·        для определения термической стойкости аппаратов и проводников - трехфазное КЗ;

·        для выбора аппаратов по коммутационной способности - по большему из значений токов, получаемых для случаев трехфазного и однофазного КЗ на землю.

Стоит отметить, что в реальности ток двухфазного короткого замыкания на землю или ток однофазного короткого замыкания могут оказаться больше тока трехфазного короткого замыкания. Для проверки на коммутационную способность выбирают значение тока однофазного, двухфазного на землю или трехфазного короткого замыкания (в зависимости от того, какой ток больше). Для уменьшения токов однофазного короткого замыкания используется ряд мероприятий, таких как разземление нейтралей трансформаторов или установка дополнительных сопротивлений в нейтрали (то есть увеличение результирующего сопротивления схемы замещения нулевой последовательности). В данном курсовом проекте принимается, что данных мероприятий достаточно для того, чтобы ток однофазного короткого замыкания оказался меньше, тока трехфазного короткого замыкания. Ток двухфазного короткого замыкания не определяется по указанию преподавателя.

Поэтому достаточно определить ток трехфазного короткого замыкания в месте повреждения, а в некоторых случаях - распределение токов в ветвях схемы, непосредственно примыкающих к этому месту. При расчете определяют периодическую составляющую тока КЗ для наиболее тяжелого режима работы сети. Учет апериодической составляющей производят приближенно, допуская при этом, что она имеет максимальное значение в рассматриваемой фазе.

Расчет токов при трехфазном КЗ выполняют в следующем порядке:

·  для рассматриваемой установки составляют расчетную схему;

·        по расчетной схеме составляют электрическую схему замещения;

·        путем постепенного преобразования приводят схему замещения к простому виду - так, чтобы каждый источник питания или группа источников с результирующей ЭДС были связаны с точкой КЗ одним сопротивлением ;

·        определяют начальное значение периодической составляющей тока КЗ , затем ударный ток КЗ  и при необходимости - периодическую и апериодическую составляющие тока КЗ для заданного момента времени .

3.2 Составление расчётной схемы сети


Под расчетной схемой установки понимают упрощенную однолинейную схему электроустановки с указанием всех элементов и их параметров, которые влияют на ток КЗ и поэтому должны быть учтены при выполнении расчетов. На расчетной схеме намечают точки КЗ так, чтобы аппараты и токоведущие части схемы находились в наиболее тяжелых условиях работы. На схеме ниже условно показаны одинарные реакторы вместо сдвоенных.

Рис. 28. Расчётная схема ТЭЦ для определения токов короткого замыкания

3.3 Составление схемы замещения

При составлении схемы замещения примем следующие допущения:

·  При расчёте токов КЗ в точках K-1 - K-5 не будем учитывать влияние двигателей собственных нужд, так как мощность этих источников невелика и они удалены от точек КЗ, поскольку приложены за значительными сопротивлениями;

·        Расчёт токов КЗ в точках K-6 и K-7 будем вести без учёта сопротивления реактора. Его сопротивление должно быть определено после расчёта токов КЗ с учётом предполагаемого к установке типа выключателя и степени ограничения токов КЗ, соответствующей его отключающей способности. Однако сопротивление реактора не должно быть чрезмерно большим, поскольку большое падение напряжение на реакторе неблагоприятно влияет на самозапуск двигателей собственных нужд;

·        Нагрузка на ГРУ приложена за реакторами и за кабельными линиями, имеющими помимо большого индуктивного значительное активное сопротивление. Нагрузка, питающаяся от ОРУ 110 кВ, находится за протяжёнными линиями, также имеющими довольно большое сопротивление. Сама же нагрузка подключается в лучшем случае на напряжение 6-10 кВ (наиболее крупные двигатели), поэтому на участке от ОРУ 110 кВ до нагрузки имеется ещё и несколько трансформаций. По этим причинам столь удалённые нагрузки в схему замещения вводить не будем.

Составляем схему замещения, состоящую из ЭДС и сопротивлений. Поскольку напряжение электроустановки больше 1000 В и в ней нет кабельных линий, то в схему замещения согласно [2] войдут только индуктивные сопротивления.

Рис. 29. Схема замещения для расчёта токов короткого замыкания

Расчёт будем проводить в относительных единицах. Зададимся базисными условиями для расчёта токов КЗ. Примем базисную мощность равной , а базисное напряжение основной ступени равным средненоминальному напряжению ступени, на которой находится точка K-1, то есть . Определим базисные напряжения и токи всех остальных ступеней:

, ;

, ;

, ;

,

.

Теперь рассчитываем значения параметров схемы замещения.

Расчёт ЭДС

Согласно [23], стр. 99 для турбогенераторов мощностью до 100 МВт рекомендуется принять , а для турбогенераторов мощностью от 100 до 1000 МВт - . Тогда:

;

.

Для системы согласно [23], стр. 99 . Тогда:

.

Расчёт сопротивлений

Сопротивления генераторов 100 МВт:

.

Сопротивления генераторов 63 МВт:

.

Сопротивления секционных реакторов:

.

Сопротивления трансформаторов ТДЦ-125000/220:

.

Сопротивления автотрансформаторов АТДЦТН-250000/220/110:

;

;

.

Напряжение короткого замыкания обмотки СН, имеющее отрицательное значение, в расчётах согласно [23] обычно принимают равным нулю. Тогда сопротивления обмоток автотрансформаторов:

;

;

.

Сопротивления трансформаторов ТРДЦН-125000/110:

;

.

Определяем сопротивления четырёх линий 220 кВ. Согласно [23], стр. 98 удельное сопротивление ВЛ 6-220 кВ принимается равным 0,4 Ом/км. Тогда:

.

Сопротивление электрической системы:

.

В результате расчётов получили следующую схему замещения:

Рис. 30. Схема замещения для расчёта токов короткого замыкания

3.4 Расчёт параметров токов короткого замыкания (Iп0, Iпτ, iу, iаτ) для точки K-1

Теперь производим сворачивание схемы замещения относительно точки КЗ K-1.

Преобразование для последовательно соединённых сопротивлений (см. рис. выше):

;

;

.

Преобразуем параллельно соединённые сопротивления:

.

Преобразуем ветви с  и  в одну. Сопротивление и ЭДС эквивалентной ветви:

;

.

Так же для ветвей с ЭДС  и :

;

.

Поскольку схема ГРУ симметричная, нагрузки распределены равномерно между секциями, то потенциалы точек a, b, c и d на схеме рис. будут одинаковыми. Одинаковыми также будут потенциалы точек e и f. Следовательно, перетоков мощности через секционные реакторы в таком режиме не будет (их можно исключить из схемы), поэтому выполним преобразование параллельно соединённых сопротивлений:

;

.

Преобразуем верви с ЭДС , ,  и  в одну:

;

.

Сопротивления ,  и  окажутся соединенными последовательно:

.

Преобразуем параллельные ветви с  и  в одну. Сопротивление и ЭДС эквивалентной ветви:

;

.

Сопротивления  и  окажутся соединёнными последовательно:

.

Таким образом, получим следующую эквивалентную схему при КЗ в точке K-1:

Рис. 31. Схема замещения после преобразований

Приближённо считая ЭДС источников одинаковыми, находим с помощью коэффициентов токораспределения взаимные сопротивления источников относительно точки КЗ.

Зададимся коэффициентом токораспределения в ветви с сопротивлением  равным единице: .

Тогда, двигаясь от точки КЗ и осуществляя обратное преобразование схемы, находим коэффициенты токораспределения в ветвях с источниками, находящимися в различной удалённости от места КЗ:

;

.

Таким образом, коэффициенты токораспределения для всех ветвей с источниками найдены.

Взаимное сопротивление генераторов 63 МВт на ГРУ относительно точки КЗ:

.

Взаимное сопротивление генераторов блоков с автотрансформаторами относительно точки КЗ:

.

В результате получили четырёхлучевую схему замещения:

Рис. 32. Схема замещения после преобразований

Находим значения сверхпереходных токов от каждого источника:

;

;

;

.

Стоит уточнить, что токи как от генераторов, так и от системы являются величинами, приведенными к основной ступени напряжения (с целью упрощения символ  над токами опущен).

Теперь определим значения ударных токов для каждой ветви. Согласно [25], стр. 110 для блока генератор-трансформатор с мощностью генератора 100 МВт ударный коэффициент равен 1,965. Для генераторов 63 МВт ударный коэффициент принимается равным 1,95. Для системы по тому же источнику примем ударный коэффициент равным 1,78. Тогда ударные токи от каждого источника:

;

;

;

.

Теперь определим действующее значение периодической и мгновенное значение апериодической составляющих тока КЗ к моменту отключения. Время отключения согласно [2] определяется как:

,

где  - время действия релейной защиты, принимаемое равным 0,01 с;  - собственное время отключения выключателя, зависящее от его типа. К установке на ОРУ 220 кВ будут приняты элегазовые выключатели производства ОАО "Уралэлектротяжмаш" (подробнее о выборе выключателей см. далее), у которых собственное время отключения согласно [14] составляет 0,035 с. Тогда:

.

Для генераторов периодическая составляющая тока к моменту отключения определяется по формуле:

.

Для определения  по кривым из [23], стр. 113 необходимо знать электрическую удалённость точки КЗ от генератора. Удалённость определяется долей тока КЗ от генератора, отнесённой к его номинальному току, приведённому ступени напряжения, где произошло КЗ. Определим удалённость КЗ для каждого из генераторов:

;

;

.

Теперь по [23], стр. 113 для генераторов с тиристорной системой самовозбуждения для момента времени 0,045 с при найденной удалённости КЗ находим значения . Если , то принимается :

, , .

Периодические составляющие тока КЗ от генераторов к моменту расхождения контактов:

;

;

.

Для системы согласно [2] обычно принимается . Поэтому . Наконец, определяем апериодическую составляющую тока КЗ к моменту расхождения контактов. По [23] постоянные времени затухания апериодической составляющей равны: для генератора 63 МВт - 0,39 с, для генератора 100 МВт - 0,4 с. Для системы по [], стр. 110 постоянная времени равна 0,04 с.

;

;

;

.

Составим сводную таблицу результатов расчёта токов КЗ для точки K-1:

Таблица 13. Результаты ручного расчёта токов короткого замыкания для точки K-1

Источник

, кА

, кА

, кА

, кА

Система

13,743

34,595

13,743

5,568

Генераторы G1-G2

2,313

6,428

2,036

2,887

Генераторы G3-G4

0,852

2,367

0,852

1,063

Генераторы G5-G8

1,564

4,314

1,564

1,946

Суммарный ток

18,472

47,705

18,195

11,465

3.5 Расчёт параметров токов короткого замыкания для последующих точек КЗ


Расчет токов КЗ для остальных точек выполним на ЭВМ с помощью программы GTCURR [20, 26].

Результаты расчётов сверхпереходного и ударного токов для каждой точки представим в виде снимков окна программы.

Рис. 33. Результаты расчётов токов короткого замыкания для точки K-1

Как видим из таблицы и из рисунка выше, результаты ручного и компьютерного расчетов токов КЗ для точки K-1 получаются достаточно близкими. Полного совпадения результатов нет в силу особенностей работы программы (учёт активного сопротивления элементов и т. д.).

Для выбора электрооборудования необходимо знать токи короткого замыкания не только в начальный момент времени и через 0,01 с после возникновения КЗ (ударный ток), но и по прошествии некоторого времени (к моменту отключения 0,045 с). Также необходимо определить интеграл Джоуля. Несмотря на то, что токи КЗ для точки K-1 были рассчитаны вручную, воспользуемся данными, полученными при помощи программы GTCURR. При расчётах в программе базисная мощность принимается равной 1000 МВА. Поэтому:

.

Приведём сверхпереходной ток генератора G1 к базисному:

.

Оцениваем электрическую удаленность генератора от точки КЗ:

.

По кривым из [23] стр. 113 для генераторов с тиристорной системой самовозбуждения для момента времени 0,045 с при найденной удалённости КЗ находим значение . Тогда ток от генератора G1 (или G2) к моменту отключения:

.

Апериодическая составляющая тока КЗ от генератора G1 (или G2) к моменту отключения:

.

Для системы согласно [2] обычно принимается . Поэтому . Постоянная времени затухания апериодической составляющей для системы по [23], стр. 110 равна 0,04 с. Тогда:

.

Остальные источники (генераторы G3-G8) можно считать электрически удалёнными от точки КЗ, что хорошо подтверждается ручными расчётами в предыдущем пункте. Поэтому для тока через автотрансформатор принимаем:

.

Рассчитаем эквивалентную постоянную времени для удалённых источников, зная величины сверхпереходного и ударного токов:

,

тогда:

.

Тогда апериодическая составляющая тока КЗ к моменту отключения, текущая через автотрансформатор T3 (или T4), приближённо равна:

.

Теперь определим интеграл Джоуля от каждой ветви, примыкающей к точке КЗ.

Для зоны РУ 110-220 кВ согласно [23], стр. 153 время отключения примем равным .

Тогда интеграл Джоуля от системы:

.

Для генераторов G1 и G2, согласно проведённым ранее расчётам, короткое замыкание является близким, поэтому интеграл Джоуля определяется по формуле:

.

В формуле выше  - относительный импульс квадратичного тока от генератора, определяемый по [29], стр. 40.

Для остальных источников КЗ является удалённым, поэтому:

.

Рис. 34. Результаты расчётов токов короткого замыкания для точки K-2

Для точки K-2 все расчёты аналогичны приведённым ранее, поэтому комментарии давать не будем. Короткое замыкание будем считать удалённым относительно всех генераторов. Таким образом, токи к моменту отключения будут найдены приближённо с некоторым запасом. Время отключения с учётом предполагаемых к установке выключатебей будет также составлять 0,045 с (подробнее о выборе выключателей см. далее).

;

;

;

.

;

;

;

.

Рис. 35. Результаты расчётов токов короткого замыкания для точки K-3

При расчёте тока от генератора G1 при КЗ в точке K-3 рассчитаем базисный ток и приведём сверхпереходной ток от генератора к базисному:

;

.

Оцениваем электрическую удаленность генератора от точки КЗ:

.

Собственное время отключения предполагаемых к установке генераторных выключателей составляет 0,04 с, поэтому .

По кривым из [23], стр. 113 для генераторов с тиристорной системой самовозбуждения для момента времени 0,05 с при найденной удалённости КЗ находим значение . Тогда ток от генератора G1 к моменту отключения:

.

Апериодическая составляющая тока КЗ от генератора G1 к моменту отключения:

.

Интеграл Джоуля от генератора даже при КЗ на выводах генератора можно определять по той же формуле, что была приведена ранее. Согласно [5], стр. 137 и [23], стр. 140 значение интеграла Джоуля при этом будет несколько завышено, но проводники и аппараты, выбираемые в данном присоединении по условиям длительного режима и электродинамической стойкости, имеют значительные запасы по термической стойкости. Кроме того, методика определения интеграла Джоуля для периодической и апериодической составляющих тока КЗ даёт значение теплового импульса только в месте короткого замыкания, которое может быть использовано только для выбора токопроводов. При выборе генераторного выключателя и разъединителя необходимо знать тепловой импульс от генератора и суммарный тепловой импульс от всех остальных источников и производить проверку аппаратов по наибольшему из этих значений.

Для генераторов мощностью более 60 МВт время отключения согласно [23], стр. 153 принимается равным 4 с, по времени действия резервной защиты. Относительный импульс квадратичного тока от генератора по [29], стр. 40 равен . Тогда:

.


;

;

;

.

Рис. 36. Результаты расчётов токов короткого замыкания для точки K-4

Расчёты для точки K-4 полностью аналогичны расчётам для точки K-3:

;

;

.

;

;

;

.

Рис. 37. Результаты расчётов токов короткого замыкания для точки K-5

При расчёте тока от генератора G8 при КЗ в точке K-5 рассчитаем базисный ток и приведём сверхпереходной ток от генератора к базисному:

;

.

Оцениваем электрическую удаленность генератора от точки КЗ:

.

Собственное время отключения предполагаемых к установке генераторных выключателей на напряжение 6,3 кВ также составляет 0,04 с, поэтому .

По кривым из [23] стр. 113 для генераторов с тиристорной системой самовозбуждения для момента времени 0,05 с при найденной удалённости КЗ находим значение . Тогда ток от генератора G1 к моменту отключения:

.

Апериодическая составляющая тока КЗ от генератора G8 к моменту отключения:

.

Интеграл Джоуля от генератора равен:

.

Остальные источники, питающие точку КЗ, можно считать источниками бесконечной мощности (удалёнными источниками), поэтому:

;

;

;

.

;

;

;

.

Кроме проведённых выше расчётов, необходимо также знать ток подпитки от двигателей собственных нужд при КЗ в точках K-6 и K-7.

Согласно [23], стр. 116 сверхпереходной ток от двигателей собственных нужд можно определить по формуле:

.

В нашем случае для питания собственных нужд используются не трансформаторы, а реакторы. Тогда:

.

;

;

;

.

3.5 Составление сводной таблицы результатов расчёта токов короткого замыкания


Составим таблицу с результатами расчёта токов короткого замыкания для каждой точки.

Таблица 14. Результаты расчёта токов короткого замыкания

Точка КЗ

Ветвь, примыкающая к точке КЗ

, кА

, кА

, кА

, кА

, кА2·с

K-1

Система

13,7

37,4

13,7

5,551

45,046


Трансформатор T1

1,17

3,23

1,018

1,460

0,775


Трансформатор T2

1,17

3,23

1,018

1,460

0,775


Автотрансформатор T3

1,79

4,99

1,79

2,187

1,738


Автотрансформатор T4

1,79

4,99

1,79

2,187

1,738


Сумма

19,7

53,8

19,316

12,845

50,072

K-2

Автотрансформатор T3

9,28

25,8

9,28

11,033

42,030


Автотрансформатор T4

9,28

25,8

9,28

11,033

42,030


Трансформатор T5

2,62

7,23

2,62

2,887

2,748


Трансформатор T6

2,62

7,23

2,62

2,887

2,748


Сумма

23,8

66,1

23,8

27,84

89,556

K-3

Генератор G1

40,3

113

32,643

50,296

5716,797


Трансформатор T1

55,5

151

55,5

52,819

12709,84


Сумма

95,8

263

88,143

103,115

18426,637

K-4

Генератор G3

40,3

113

32,643

50,296

5716,797


Автотрансформатор T3

54,7

153

54,7

69,155

13303


Сумма

95,0

266

87,343

119,451

19019,797

K-5

Генератор G8

40,3

113

32,643

50,135

5700,556


Трансформатор T6

66,8

181

66,8

60,909

18357,31


Реактор

12,4

34,7

12,4

15,751

686,655


Сумма

119

329

111,843

126,795

24744,521


4. Выбор электрических аппаратов и проводников

 

4.1 Выбор выключателей, разъединителей, трансформаторов тока и напряжения, расчёт конструкции сборных шин и связей между элементами РУ и оборудованием на напряжении 220 кВ

 

.1.1 Выбор выключателей и разъединителей

Выключатели являются основным коммутационным аппаратом и служат для отключения и включения цепей в различных режимах работы. Наиболее ответственной операцией является отключение токов КЗ и включение на существующее КЗ.

При выборе выключателей необходимо учитывать основные требования, предъявляемые к ним. Выключатели должны надежно отключать любые токи: нормального режима и КЗ, а также малые индуктивные и емкостные токи без появления при этом опасных коммутационных перенапряжений. Для сохранения устойчивой работы системы отключение КЗ должно производиться как можно быстрее; выключатель в цепи линии должен быть приспособлен для быстродействующего АПВ. Конструкция выключателя должна быть простой, удобной для эксплуатации и транспортировки, выключатель должен обладать высокой ремонтопригодностью, взрыво- и пожаробезопасностью.

В настоящее время существуют различные виды выключателей, которые отличаются по способу гашения дуги и конструкции. В общем случае выбор того или иного типа выключателя должен обосновываться после проведения технико-экономического сравнения вариантов. Однако в учебном проектировании выбор в пользу того или иного выключателя сделаем на основании сопоставления их достоинств и недостатков. Рассмотрим основные типы высоковольтных выключателей, доступных на рынке в настоящее время [31, 32].

Воздушные выключатели

Выпускаемые воздушные выключатели можно разбить на две группы. Первая группа - генераторные выключатели серий ВВОА-15 и ВВГ-20. Номинальное напряжение до 20 кВ, номинальный ток до 20000 А, номинальный ток отключения до 160 кА. Вторая группа - выключатели, предназначенные на номинальное напряжение 35 кВ и выше. Для коммутации в цепях электротермических установок выпускается выключатель серии ВВЭ-35. Выключатели для наружных установок выпускаются в четырех сериях на напряжения: ВВ (330 и 500 кВ), ВВБ (110-750 кВ), модернизированная серия ВВБК (110, 220, 500 кВ) и серия ВНВ (500, 750, 1150 кВ). Номинальные токи серий ВВБК и ВНВ до 3150-4000 А, номинальные токи отключения до 63 кА. Серии ВВБК и ВНВ имеют время отключения до 0,04 с. Для работы воздушных выключателей необходимо компрессорное хозяйство со сжатым воздухом с давлением на выходе 2-4 МПа.

Достоинства воздушных выключателей:

·  время отключения доведено до 0,04 с;

·        пожаробезопасны;

·        нарастание номинального напряжения осуществляется последовательным соединением модулей;

·        для надежной работы изоляции выключателя осуществляется непрерывная вентиляция полостей модуля;

·        имеют большой коммутационный ресурс при номинальном токе (особенно в выключателях для электротермических установок).

Недостатки воздушных выключателей:

·  воздушные выключатели сложнее и дороже большинства других выключателей;

·        для надежной работы необходим чистый осушенный сжатый воздух, поэтому требуется наличие сложного и дорогого компрессорного хозяйства;

·        при отключении слышатся сильные хлопки типа взрыва.

В настоящее время практически полностью вытеснены выключателями других типов и выпускаются в очень ограниченном количестве.

Баковые масляные выключатели

Выключатели баковые масляные просты в изготовлении и относительно недорогие. Выключатели имеют, как правило, электромагнитные или пружинные приводы. Трансформаторы тока встроены в выключатель, что позволяет упростить РУ и сократить стоимость и габариты всей установки. Надежность масляных выключателей близка к надежности воздушных выключателей.

Недостатки баковых масляных выключателей:

Большой объем масла требует организации специальной службы для сушки и очистки трансформаторного масла.

Похожие работы на - Проектирование электрической части ТЭЦ 652 МВт

 

Не нашли материал для своей работы?
Поможем написать уникальную работу
Без плагиата!
Без нейросетей!