Проектирование тяговой подстанции на железнодорожном участке
Исходные данные
. Схема расположения подстанции
. Тяговая нагрузка подстанции
= 370 A
= 330 A
Число питающих линий контактной сети - 6
3. Данные нетяговых потребителей
|
№
|
Потребители
|
Р уст,кВт
|
Кс
|
Cosφ
|
Категория электроприёмников
|
|
1
|
Текстильная фабрика
|
4 500
|
0,63
|
0,92
|
первая
|
|
2
|
Машиностроительный завод
|
6 000
|
0,55
|
0,93
|
первая
|
|
3
|
Пищевая промышленность
|
3 000
|
0,51
|
0,92
|
первая
|
Нетяговые потребители, питающиеся по линии ДПР от шин 27,5кВ:
SДПР = 500кВА
Общая мощность трансформатора собственных нужд
SТСН = 400кВА
4. Параметры питающей линии
|
ИП1, SКЗ1, МВА
|
ИП2, SКЗ2, МВА
|
|
2 300
|
800
|
5. Длина участков линии, км
6. Характеристика района
Грунт - суглинок
Климатическая зона - вторая
Стержневой электрод:
длина 1,8 м
глубина залегания 0,5 м
Графическая часть
1. Схема электрическая принципиальная тяговой подстанции
2. Измерительные трансформаторы
. Виды испытаний измерительных трансформаторов
. Охрана труда
Содержание
Введение
Значение
электрификации, преимущества электроэнергии перед другими видами энергии,
перспективы развития
. Эксплуатационная
часть
.1 Общие
сведения о тяговых подстанциях
1.2 Характеристика
основного оборудования тяговых подстанций
2. Техническая
часть
Выбор
оборудования трансформаторной подстанции
.1 Разработка
принципиальной схемы электрических соединений тяговой подстанции
2.2 Расчет
мощности тяговой нагрузки
.3 Расчет
мощности нетяговой нагрузки
.4 Расчет
максимальных рабочих токов
.5 Расчет
параметров короткого замыкания
.6 Выбор
токоведущих частей и электрического оборудования тяговой подстанции
.7 Расчет
заземления
3. Технологическая
часть. Измерительные трансформаторы. Обслуживание, ремонт и испытание
.1
Измерительные трансформаторы
.2 Нормы
приемо-сдаточных испытаний измерительных трансформаторов - испытание измерительных
трансформаторов
.2.1 Объем
приемо-сдаточных испытаний
.2.2
Измерение тангенса угла диэлектрических потерь изоляции
.2.3
Испытание повышенным напряжением промышленной частоты
.2.4
Измерение тока холостого хода
.2.5 Снятие
характеристик намагничивания магнитопровода трансформаторов тока
.2.6
Измерение коэффициента трансформации
.2.7
Определение погрешности.
.2.8 Проверка
уплотнений трансформаторов тока
.2.9
Испытание трансформаторного масла.
. Экономическая
часть
Определение
заработной платы работников подстанции
. Вопросы
охраны труда и экологии. Электробезопасность
Заключение
Список
использованной литературы
Приложения
Введение
Электричество играет огромную роль в нашей жизни.
Электроэнергия легко передается на расстояние, дробится на части и с высоким
коэффициентом полезного действия (КПД) преобразуется в другие виды энергии.
Получение электроэнергии из других видов энергии возможно, но с меньшим КПД: на
тепловых электростанциях (ТЭС) 35...40%; на атомных электростанциях (АЭС)
30...33%; на гидроэлектростанциях (ГЭС) 90...92%.
Накапливать электрическую энергию в больших
количествах сегодня практически нельзя, и поэтому с помощью современных
автоматических средств управления постоянно поддерживается равновесие между
вырабатываемой и потребляемой электрической энергией.
Масштабы и темпы развития электроэнергетики страны в рыночных условиях в
период до 2020 г. будут определяться Основными направлениями
социально-экономического развития РФ на долгосрочную перспективу и
Энергетической стратегий России на период до 2020 г.
В соответствии с этими документами развитие электроэнергетики России
ориентировано на сценарий экономического развития страны, предполагающий
форсированное проведение социально-экономических реформ с темпами роста
производства валового внутреннего продукта 5-6% в год и соответствующим
устойчивым ростом электропотребления порядка 3% в год. В результате,
потребление электроэнергии достигнет в 2020 г. 1545 млрд.кВт.ч. Соответственно
уровень максимального потребления электроэнергии 1990 г. будет превышен на 6%
уже на уровне 2010 г..
Намеченные уровни электропотребления учитывают проведение активного
энергосбережения, как за счет структурной перестройки экономики, так и за счет
проведения организационных и технических мероприятий в промышленности.
В 2000 г. достигли предельной наработки 34 млн.кВт или 16% мощности
электростанций России, в том числе ГЭС - 22 млн.кВт, ТЭС - 12 млн.кВт. В
дальнейшем ситуация со старением основного энергетического оборудования будет
ухудшаться, так к 2005 г. 74 млн.кВт, а к 2010 г. 104 млн.кВт или около 50%
действующего в настоящее время оборудования ТЭС и ГЭС выработает свой ресурс, а
к 2020 г. - 150 млн.кВт, что составит около 70%.
Обновление мощности и обеспечение прироста потребности в генерирующей
мощности возможно как за счет ввода новых мощностей, так и за счет продления
срока эксплуатации действующих ГЭС и значительного количества ТЭС с заменой
только основных узлов и деталей следующих основных мероприятий, однако наиболее
эффективным является ввод нового технически прогрессивного оборудования.
С учетом роста нагрузки, расширения экспорта электроэнергии, обеспечения
нормативного резерва и других факторов масштабы вводов мощности на
электростанциях России за период 2001-2020 гг. оцениваются величиной порядка 175
млн.кВт, в том числе на ГЭС и ГАЭС - 35 млн.кВт, на АЭС - 36 млн.кВт, на ТЭС -
105 млн.кВт (из них ПГУ и ГТУ - 32 млн.кВт). При этом объемы вводов на замену
устаревшего оборудования должны составить около 56 млн.кВт, в том числе ТЭС -
30 млн.кВт, ГЭС - 22,5 млн.кВт. Ежегодные объемы вводов генерирующей мощности в
этом варианте изменяются от 4 млн.кВт в год в пятилетку 2001-2005 гг. до 14
млн.кВт в год в период 2016-2020 г.
Существует несколько критериев для выбора способа передачи энергии: ее
удельная стоимость, географические условия, желательная пропускная способность,
технические характеристики и влияние на окружающую среду.
При строительстве линий электропередачи (ЛЭП) требуется создание полосы
отчуждения - в среднем 3 га на 1 км линии передачи, а если напряжение 500кВ и
выше, - то в 2 раза больше. Сильные электромагнитные поля оказывают вредное
биологическое влияние на живые организмы, появляются акустические шумы,
происходит озонирование и образуются окислы азота, возникают радиопомехи.
Экологически важен вопрос о месте строительства электростанций и их
мощности.
Существующая энергетическая база страны при ее надлежащей
работоспособности позволяет обеспечить ожидаемую потребность в электроэнергии в
целом по России на всю обозримую перспективу до 2020 года и реализовать
указанный экспортный потенциал. На территории Российской Федерации
сосредоточено свыше 38% разведанных мировых запасов газа, 13% нефти, 12% угля.
1. Эксплуатационная часть
1.1 Общие сведения о тяговых
подстанциях
На магистральных железных дорогах в системах тягового
электроснабжения используются тяговые подстанции (ТПС) - электроустановки,
обеспечивающие преобразование электроэнергии и питание тяговых сетей, нетяговых
ж.-д. потребителей и потребителей района, прилегающего к железной дороге.
Тяговые подстанции различают по следующим признакам: по обслуживаемой системе
электрической тяги - подстанции переменного тока, постоянного тока и стыковые;
по способу управления - телеуправляемые и нетелеуправляемые; по способу
обслуживания - с постоянным дежурным персоналом, с дежурством на дому, без
дежурного персонала; по конструктивному исполнению - стационарные, в т. ч.
комплектно-блочные, и передвижные; по способу присоединения к сети внешнего
электроснабжения и назначению - опорные и промежуточные.
Внешнее электроснабжение тяговых подстанций
осуществляется, как правило, от двух независимых источников, т.к.
электрифицированная ж. д. относится к потребителям 1-й категории. Допускается
радиальное питание тяговой подстанции от одного источника по двум ЛЭП, которые
могут иметь напряжение; 10; 35; 110; 150 и 220кВ. Линии электропередачи
соединяют сеть внешнего электроснабжения с распределительными устройствами (РУ)
тяговых подстанций.
Тяговая подстанция является одним из основных объектов системы электроснабжения
железных дорог. Это сложная техническая система, состоящая из более, чем 20
принципиально различных групп оборудования, аппаратов и других
электротехнических устройств.
Основными производственными технологическими процессами на тяговой подстанции
являются:
¾ прием, преобразование и распределение электроэнергии;
¾ техническое обслуживание и ремонт устройств, обеспечивающих
нормальное электроснабжение.
Вспомогательные производственные процессы:
¾ эксплуатация, ТО и ремонт вспомогательного оборудования и
устройств - отопление, сантехника и т.д.;
¾ ремонт и поддержание в надлежащем состоянии здания и
территории ОРУ и т.д.;
¾ изготовление, ремонт и восстановление инструмента,
приспособлений, защитных средств и т.д.
К обслуживающим производственным процессам на ТП относят:
¾ транспортировка из ЭЧ на подстанцию необходимого
оборудования, запчастей и материалов;
¾ внутриподстанционные перемещения оборудования,
приспособлений, испытательной аппаратуры и т.д.;
¾ доставка бригады и всего необходимого для работы на ПС и ППС.
Целью данного дипломного проекта является проектирование тяговой
подстанции 230/27,5/11. Для достижения поставленной задачи необходимо построить
однолинейную схему и план - разрез данной тяговой подстанции, выбрать
коммутационную и контрольно - измерительную аппаратуру и токоведущие части, а
именно: разъединители, высоковольтные выключатели, гибкие и жесткие шины,
изоляторы, трансформаторы тока и напряжения и ОПНы. Необходимо выбрать
измерительные трансформаторы (рассмотреть их обслуживание, ремонт и испытание),
а также произвести расчет заземляющих устройств.
А также научиться эксплуатировать оборудование тяговой подстанции, уметь
наблюдать и анализировать происходящие в нем процессы, при необходимости
наметить пути усовершенствования отдельных узлов и иметь уверенность в том, что
их осуществление возможно только после тщательного целенаправленного изучения
принципа действия и устройства всего того единого целого, что объясняется
названием тяговая подстанция.
1.2 Характеристика основных типов и оборудования тяговых
подстанций
Распределительные устройства тяговой подстанции
выполняются в соответствии с требованиями строительных, противопожарных,
ведомственных норм и ПУЭ. К основным требованиям следует отнести высокую
надежность работы оборудования, безопасность обслуживания, экономичность. В
рассматриваемом проекте необходимо компоновать оборудование открытых
распределительных устройств класса 110 (220)х10 (35) и 27,5кВ.
Конструктивные элементы ОРУ изготовляются из
железобетона. Минимальные расстояния от токоведущих частей до заземленных
конструкций должны соответствовать требованиям ПУЭ. ОРУ компонуют из отдельных
ячеек, в которых устанавливается оборудование присоединение (фидера).
Ограждение ОРУ устанавливается на расстоянии не менее
3 метров от границы контуров защитного заземления.
Компоновка оборудования проектируемой подстанции выполняется в
соответствии с требованиями ПУЭ и рекомендациями типовых проектных разработок.
К основным элементам тяговой подстанции относятся:
Силовые трансформаторы предназначены для преобразования электрической
энергии по уровню напряжения. Для компенсации колебания напряжения в питающей
сети, трансформаторы оборудуют устройством для регулирования напряжения под
нагрузкой.
Высоковольтные выключатели переменного тока - предназначены для включения
и отключения высоковольтных цепей переменного тока в нормальном и аварийном
режимах работы.
Разъединители - аппараты, применяемые в электроустановках выше 1000В и
предназначенные для коммутации предварительно обесточенных электрических цепей,
а также для создания видимого разрыва цепи, обеспечивающего безопасность работы
персонала.
Трансформаторы тока - предназначены для преобразования электрической
энергии по уровню тока с целью уменьшения первичного тока до значений наиболее
удобных для питания измерительных приборов и реле, а также для отделения цепей
измерения и защиты от первичных цепей высокого напряжения.
Трансформаторы напряжения - предназначены для преобразования
электрической энергии по уровню напряжения с целью понижения первичного
напряжения до величины, удобной для питания приборов и реле, а также для
изоляции цепей обмоток вольтметров, счётчиков, реле и других приборов от сети
первичного напряжения.
Ограничители перенапряжений - предназначены для защиты изоляции
электрических цепей, электрооборудования и аппаратуры от атмосферных и
коммутационных перенапряжений.
Токоведущие части - неизолированные и изолированные проводники,
предназначенные для соединения источников с приёмниками энергии через различные
переключающие аппараты.
Изоляторы - электротехнические устройства предназначенные для
электрической изоляции и механического крепления электроустановок или их
отдельных частей, находящихся под разными электрическими потенциалами.
ТСН - предназначены для преобразования электрической энергии по уровню
напряжения до значения 380/220 В и для питания собственных нужд тяговой
подстанции.
Рассмотрим основные типы тяговых подстанций и устанавливаемое на них
оборудование.
Распределительные устройства
Распределительные устройства на ТПС выполняют открытыми (ОРУ),
расположенными на открытой площадке, или закрытыми (ЗРУ), размещенными в
здании. Закрытые РУ более надежны, удобны в обслуживании, безопасны; однако их
стоимость на 10-25% выше стоимости соответствующих открытых. РУ 35, НО и 220кВ
на всех тяговых подстанциях обычно выполняют открытыми. На ТПС постоянного тока
закрытыми выполняют РУ 3,3 и 10кВ, на ТПС переменного тока - только РУ
собственных нужд.
В открытом РУ ПО или 220кВ опорной подстанции применяется двойная или
одинарная (секционированная или несекционированная) система сборных шин с
обходными шинами или без них. В случае присоединения к РУ ПО или 220кВ более
пяти питающих ЛЭП его выполняют с двойной системой рабочих шин и обходными
шинами, при пяти и менее питающих ЛЭП - с одинарной системой секционированных
сборных шин и обходными шинами. В зависимости от вида тяговой подстанции РУ
первичного электроснабжения имеет высоковольтные выключатели в каждом
присоединении, либо одновременно высоковольтные выключатели, отделители и
короткозамыкатели, либо отделители и короткозамыкатели. На опорных ТПС обычно в
каждом присоединении к ЛЭП установлен высоковольтный выключатель. Иногда
понижающие трансформаторы тяговой подстанции (Tрl, Тр2) присоединяют к сборным
шинам быстродействующими отделителями. В этом случае при повреждении любого из
трансформаторов релейная защита отключает линии, присоединяющие ЛЭП к секции
сборных шин поврежденного трансформатора, и секционный выключатель РУ
110-220кВ. После этого в бестоковую паузу отключают отделитель, т. е.
локализуют поврежденный трансформатор, а затем включают по АПВ (устройство
автоматического повторного включения) выключатели питающих линий и секционный
выключатель.
Опорные тяговые подстанции
Опорные тяговые подстанции, получающие питание по трем
и более ЛЭП, сооружают через 150-200 или 250-300 км при напряжении питающих ЛЭП
соответственно НО или 220кВ; наличие таких подстанций снижает потери напряжения
в сетях внешнего электроснабжения и повышает надежность электроснабжения электрифицированных
железных дорог.
Тяговые подстанции переменного тока Тяговые подстанции переменного тока
напряжением 27,5кВ и 2×25кВ получают питание от сети внешнего электроснабжения
110 или 220кВ. На ТПС 27,5кВ (рис. 1.1) для преобразования трехфазного переменного
тока напряжением 110 (220)кВ в однофазный 27,5кВ преимущественно применяют
трехфазные трехобмоточные трансформаторы. Тяговая обмотка такого трансформатора
напряжением 27,5кВ соединена по схеме треугольника, от двух вершин которого
напряжение подается в контактную сеть, а третья присоединяется к тяговой
рельсовой сети. От другой обмотки, выполненной на напряжения 6 (10)кВ или 35кВ,
получают питание районные потребители. От РУ 27,5кВ подается питание в тяговую
сеть, нетяговым ж.-д. потребителям по линиям ДПР (два провода-рельс), к
трансформаторам собственных нужд, фидерам плавки гололеда на ЛЭП НО или 220кВ;
на ряде тяговых подстанций в РУ 27,5кВ применяют устройства поперечной
емкостной компенсации.
Рис. 1.1
Принципиальная схема тяговой подстанции переменного тока:
МВ - масляный выключатель; ОД - быстродействующий отделитель; КЗ -
короткозамыкатель; Тр - понижающий трансформатор; РУ - распределительное
устройство; БВ - быстродействующий выключатель.
На ТПС переменного тока (кроме стыковых подстанций и совмещенных с
подстанциями энергосистем) РУ 27,5кВ имеет двухфазную рабочую систему сборных
шин, третья фаза понижающего трансформатора подключена к контуру заземления ТПС
и рельсам подъездного пути, соединенным с воздушной отсасывающей линией. На
тяговых подстанциях заземляется фаза «С» обмотки 27,5кВ понижающего
трансформатора, что учитывается схемой фазировки подстанций. На вновь
сооружаемых и реконструируемых тяговых подстанциях в РУ 6; 10; 27,5 и 35кВ
применяют вакуумные выключатели.
На ТПС системы электроснабжения 2×25кВ устанавливают однофазные
трансформаторы с расщепленной обмоткой низшего напряжения, понижающие
напряжение ПО или 220кВ (сеть внешнего электроснабжения) до 55кВ.
Обмотки высшего напряжения этих трансформаторов соединены по схеме
открытого треугольника. Обмотки для питания тяги имеют по три вывода.
Напряжение между крайними выводами составляют 55кВ, между крайними и средними -
27,5кВ. Средние выводы обмоток трансформаторов электрически объединены и
присоединены к тяговому рельсу, крайние - к РУ 2×25кВ открытого исполнения, содержащему
четыре рабочие и две запасные (обходные) шины. От рабочих шин РУ 2 х 25кВ,
соединяемых с крайними выводами тяговой обмотки трансформатора, отходят фидеры
контактной сети.
Как правило, на всех ТПС переменного тока 2 х 25кВ кроме двух рабочих
трансформаторов устанавливают третий (резервный) трансформатор. Для питания
районных потребителей предусматриваются отдельные трехфазные трансформаторы,
преобразующие напряжение 110 и 220кВ в напряжение 6 (10) или 35кВ.
Распределительные устройства 27,5кВ и 2х25кВ сооружают индустриальными
методами с применением блоков КРУН или комплектно-блочных устройств.
Промежуточные тяговые подстанции
Промежуточные тяговые подстанции получают питание по
двум вводам. По способу присоединения к сети внешнего электроснабжения такие
подстанции могут быть транзитными или отпаечными (на ответвлениях). Транзитные
подстанции включают в рассечку одной цепи ЛЭП 110 или 220кВ; при этом на
подстанции устанавливают секционный высоковольтный выключатель и ремонтную
перемычку, включаемую на время ревизии или ремонта секционного выключателя для
сохранения транзита мощности. Для защиты понижающих трансформаторов применяют
на стороне высшего напряжения высоковольтные выключатели либо быстродействующие
отделители с короткозамыкателями. Концевая тяговая подстанция (тупиковая)
получает питание по двум радиальным линиям 6, 10, 35кВ или по двум ЛЭП НО или
220кВ от другой (тяговой или районной) подстанции.
Открытые РУ ПО или 220кВ промежуточных ТПС выполняются
рамной конструкции. Опоры порталов гибкой ошиновки связывают металлическими
поперечинами, образуя жесткие рамы, на которых размещается оборудование ОРУ, за
исключением высоковольтных выключателей, устанавливаемых на отдельных
фундаментах. На ряде промежуточных подстанций оборудование ОРУ 220кВ (кроме
высоковольтных выключателей) установлено на бесфундаментных конструкциях, что
позволяет сократить объем земляных работ на 90%. На опорных подстанциях
оборудование РУ ПО или 220кВ устанавливают на отдельных конструкциях с
фундаментами (заглубленными либо поверхностными). РУ 110 или 220кВ транзитных
ТПС выполняют по мостиковой схеме с рабочей и ремонтной перемычками, а
отпаеч-ных и тупиковых тяговых подстанций - по аналогичной схеме, но с
разъединителями вместо выключателя в рабочей перемычке и без ремонтной
перемычки. РУ 35кВ предназначены для питания районных потребителей и фидеров
плавки гололеда на ЛЭП НО или 220кВ. РУ 6 (10) или 35кВ выполняют, как правило,
с одинарной, секционированной выключателем, системой сборных шин. Для этих РУ
применяют шкафы наружной установки типа КРУН, либо функциональные модули РУ 6
или 10кВ комплектно-блочных тяговых подстанций, либо блоки КРУН 35кВ. От РУ 6
или 10кВ, кроме районных потребителей, могут получать питание трансформаторы
собственных нужд подстанций переменного тока.
Тяговые подстанции постоянного тока Тяговые подстанции постоянного тока,
получающие питание от ЛЭП 110 или 220кВ, выполняют с двойной или одинарной
трансформацией напряжения (рис. 1.2): сначала его понижают промежуточные
трех-обмоточные трансформаторы Т1 до 10 или 6кВ, а затем трансформаторы Тр2
преобразовательных агрегатов - до 3,3кВ. От третьей обмотки трехобмоточных
трансформаторов обычно подается напряжение 35кВ для питания районных нетяговых
потребителей. При питании ТПС от ЛЭП 6; 10 и 35кВ осуществляется одиночная
трансформация напряжения до 3,3кВ. В этом случае от РУ 35кВ могут также
получать питание районные и другие нетяговые потребители, а иногда от них
подается питание на смежные ТПС.
РУ 3,3кВ ТПС постоянного тока содержит две плюсовые
(рабочую и запасную) и минусовую шины. На фидерах контактной сети применяют
поляризованные выключатели, но чаще неполяризованные быстродействующие
автоматические (особенно на вновь сооружаемых и реконструируемых ТПС), что
позволяет обеспечить более эффективное отключение цепей при коротких замыканиях
в контактной сети. РУ 3,3кВ, размещаемые в капитальных зданиях, сооружают
индустриальными методами. Для этого применяют камеры и ячейки заводского
изготовления, в которых установлены разъединители силовой цепи 3,3кВ, рукоятки
управления, измерительные приборы и щиток управления.
Рис. 1.2 Принципиальная схема тяговой подстанции постоянного тока:
МВ - масляный выключатель; ОД - быстродействующий отделитель; КЗ -
короткозамыкатель; Тр - понижающий трансформатор; HE - распределительное устройство;кВА - кремниевый
выпрямительный агрегат; БВ - быстродействующий выключатель; Р - реактор; СУ -
сглаживающее устройство.
Ячейки представляют собой сборную конструкцию,
состоящую из камеры разъединителей, щита с дверями и ограждения.
Преобразователь тяговой подстанции постоянного тока
состоит из преобразовательного трансформатора, выпрямительной или
выпрямительно-инверторной установки и вспомогательной аппаратуры -
коммутационные аппараты, устройства управления и сигнализации, защиты от токов
перегрузки, короткого замыкания, перенапряжений, устройства охлаждения.
Выпрямительные агрегаты, осуществляющие преобразование
переменного тока в постоянный, выполняют на кремниевых силовых диодах
(неуправляемых вентилях). На ТПС применяют выпрямители с различными видами
охлаждения: УВКЭ-1, ПВЭ-2, ПВЭ-3, ПВК-6 с принудительным воздушным охлаждением,
ПВК-2, ПВК-3, ПВЭ-5АУ1 наружной установки с естественным воздушным охлаждением.
Наиболее широко применяют преобразователи с естественным воздушным охлаждением
в связи с простотой их обслуживания и высокими технико-экономическими
показателями. Выпрямительные агрегаты указанных типов собраны по 6-пульсовой
(3-фазной) схеме. Для повышения коэффициента мощности, уменьшения высших
гармоник токов в напряжении питающей сети, а также в выпрямленном напряжении
применяют 12-пульсовые (12-фазные) схемы выпрямления. С этой целью осуществляют
параллельное или последовательное соединение двух выпрямителей, выполненных по
3-фазной мостовой схеме.
Выпрямительно-инверторные агрегаты (ВИП иликВА)
используются для преобразования постоянного тока рекуперации (избыточный ток,
возникающий при торможении ЭПС) в переменный, возвращаемый во внешнюю систему
электроснабжения. Первый инвертор на тиристорах был выполнен передвижным и
введен в работу на Закавказской железной дороге в 1969 г. В дальнейшем были
разработаны стационарные выпрямитель-но-инверторные агрегаты ВИПЭ-1 (инвертор и
выпрямитель выполнены на тиристорах) и ВИПЭ-2УЗ (инвертор на тиристорах,
выпрямитель на диодах). Выпрямитель или инвертор в зависимости от режима
работы, который задается датчиком переключения, подключается к шинам ТПС
быстродействующими выключателями, которые одновременно обеспечивают защиту
агрегата при перегрузках, коротких замыканиях и опрокидываниях. Частые
переключения ВИП (40-50 раз в сутки) неблагоприятно сказываются на
коммутационной аппаратуре, приводя к различным отказам преобразователя. В связи
с этим на базе ВИП-2УЗ был разработан агрегат с бесконтактным переключением
режимов (т. н. переключаемый ВИП), управляемый импульсами, подаваемыми на
тиристоры.
Стыковые ТПС
Стыковые ТПС обеспечивают попеременную подачу
напряжения постоянного или переменного тока в контактную сеть фидерных зон,
примыкающих к станциям стыкования. Такие ТПС имеют РУ как постоянного, так и
переменного тока, от которых отходят фидеры соответствующего рода тока, передающие
электроэнергию в контактную сеть через пункты группировки, где установлены
специальные переключатели рода тока. Стыковые ТПС применяются также на
участках, электрифицированных на переменном токе по системам 25кВ и 2 х 25кВ;
их вторичные РУ присоединяют соответственно к обмоткам трехфазного
трансформатора напряжением 27,5кВ или однофазного трансформатора с расщепленной
обмоткой 2 х 25кВ.
Цепи собственных нужд
Цепи собственных нужд на ТПС постоянного и переменного
тока получают питание через трансформаторы собственных нужд, от которых
напряжение подается в РУ 10кВ устройств СЦБ, в цепи электрического отопления
зданий, в системы подогрева высоковольтных выключателей наружной установки,
приточно-вытяжной вентиляции и в зарядно-подзарядные устройства аккумуляторной
батареи, а также в сеть внутреннего и наружного освещения подстанции. Часть
осветительных приборов получает напряжение от сети аварийного освещения,
которая в нормальных условиях питается от трансформаторов собственных нужд, а
при исчезновении напряжения на шинах собственных нужд переменного тока
автоматически переключается на питание от аккумуляторной батареи, установленной
в отдельном помещении. Получили распространение кислотные (открытые, закрытые с
пониженными вредными выделениями или герметичные батареи) для питания
электромагнитных приводов выключателей, цепей автоматики, управления, защиты,
сигнализации и блокировки, телемеханики, сети аварийного освещения. Как
правило, они работают в режиме постоянного подзаряда. В ряде случаев применяют
комбинированные источники питания, состоящие из аккумуляторной батареи
незначительной емкости и емкостного накопителя энергии.
Комплектно-блочные тяговые подстанции
Комплектно-блочные тяговые подстанции представляют
собой установки полной заводской готовности. Первые такие ТПС были
укомплектованы металлическими блоками заводского изготовления в открытом и
закрытом исполнении, в которых было установлено электрооборудование. ОРУ ПОкВ
имеет рамную конструкцию; ОРУ 35кВ выполнено с применением блоков КРУН 35кВ открытого
исполнения с аппаратурой управления, защиты и сигнализации, расположенной в
неутепленном металлическом навесном шкафу, РУ 6 и 10кВ выполнены с применением
шкафов КРУН; оборудование РУ 3,3кВ размещено в закрытых блоках заводского
изготовления, причем блоки выполнены в двух вариантах - на один и на два
фидера. На отечественных ж. д. первая такая подстанция сооружена в 1965 г. для
системы переменного тока на ст. Пады Приволжской железной дороги. Опыт
применения первых комплектно-блочных ТПС показал их недостаточную надежность и
трудность эксплуатации.
В дальнейшем были созданы ТПС модульного типа полной
заводской готовности. Отдельные модули выполнены из антикоррозионных
материалов, защищены от атмосферных воздействий, имеют многослойную ограждающую
конструкцию.
Внутри модулей размещено смонтированное на
предприятии-изготовителе отрегулированное и испытанное электротехническое
оборудование и аппаратура. Модули оснащены унифицированными соединительными
узлами, позволяющими быстро и надежно вести их сборку по требуемой схеме на
строительной площадке. Использование модульных конструкций позволяет при
монтаже подстанций сократить затраты труда на производство строительных,
электромонтажных и пуско-наладочных работ, обеспечить удобство эксплуатации, не
иметь на подстанции постоянного обслуживающего персонала. Минимальный срок
ввода в действие составляет 2-3 недели; уменьшаются капитальные и
эксплуатационные расходы; размер земельных площадей, отчуждаемых под тяговые
подстанции, сокращается в 2-2,5 раза.
Параметры модулей позволяют использовать их на
подстанциях любого назначения и любой мощности, а также при сооружении других
электроустановок (автотрансформаторных пунктов питания, постов секционирования
и т.п.). Комплектно-блочные тяговые подстанции или отдельные функциональные
модули могут применяться в качестве резервных при ремонте, модернизации или
реконструкции стационарных тяговых подстанций.
Первые комплектно-блочные ТПС постоянного тока,
разработанные и изготовленные Научно-исследовательским институтом электрической
аппаратуры (НИИЭФА) при участии Октябрьской железной дороги и ЦНИИС, внедрены
на участке Волховстрой-Свирь. В состав комплектно-блочной тяговой подстанции с
напряжением внешнего электроснабжения 10кВ могут входить следующие
функциональные модули: выпрямительных преобразователей; РУ 10кВ для СЦБ; РУ
10кВ; модуль СН (собственных нужд); модули РУ 3,3кВ; модуль аккумуляторных
батарей АБ-15; модуль ДГА; модуль ОПУ; служебно-технические модули. В качестве
фундаментов для установки модулей используются ж.-д. рельсовые плети, уложенные
на дренирующую подсыпку. Кабельные каналы поверхностного типа из бетонных
коробов уложены вдоль обеих сторон ряда модулей.
Комплектно-блочные модульные тяговые подстанции
постоянного тока на строительной площадке сооружаются одной бригадой
электромонтажников с применением подъемного крана. ТПС могут эксплуатироваться
в суровых условиях Крайнего Севера, Сибири и северных районов Европейской части
России.
Передвижные тяговые подстанции
Передвижные тяговые подстанции предназначены для
обеспечения питания контактной сети электрифицированных ж. д. при выходе из
строя стационарных ТПС, а также могут быть использованы для временной замены
одного выпрямительного преобразователя или понижающего трансформатора
стационарных подстанций при авариях, капитальном ремонте или реконструкции. Их
можно устанавливать на перегоне между стационарными тяговыми подстанциями.
Передвижные ТПС могут работать самостоятельно и совместно со стационарными ТПС,
т.к. укомплектованы всем необходимым силовым оборудованием и соответствующими
вторичными устройствами. На дистанциях электроснабжения предусматривается одна
передвижная подстанция на шесть-восемь стационарных. Устанавливаемое на
платформах оборудование передвижных ТПС должно вписываться в габарит подвижного
состава и находиться в постоянной готовности к вводу в действие.
Передвижные ТПС постоянного тока оборудованы
полупроводниковыми выпрямительными преобразователями с естественным воздушным
охлаждением. Подстанции бывают с первичным напряжением 35 и 10кВ. Оборудование
размещают на трех платформах и в вагоне. На одной (первой) платформе
установлены шкаф КРУН 10кВ ввода с трансформаторами напряжения, трансформатор
собственных нужд, разрядник, реактор сглаживающего устройства и разъединитель
отсоса. На второй платформе расположены трансформаторы выпрямительных
преобразователей, на третьей - полупроводниковый выпрямительный
преобразователь. В вагоне находятся оборудование РУ 3,3кВ, стойки управления и
сигнализации, релейной защиты, автоматики и блокировки, контуры сглаживающего
устройства, разрядники, линейные разъединители фидеров, а также салон дежурного
персонала.
На передвижных ТПС переменного тока на первой
платформе установлены отделитель, короткозамыкатель, разрядники, заземляющие
разъединители, присоединяемые к двум фазам, однополюсный разъединитель для
заземления нулевого вывода понижающего трансформатора. На второй платформе
размещен понижающий трансформатор со встроенными трансформаторами тока, на
третьей - трехполюсный разъединитель с двумя заземляющими ножами,
трансформаторы тока для питания дифференциальной защиты понижающего
трансформатора, два фидера контактной сети и один фидер ДПР, трансформатор
собственных нужд и два однофазных трансформатора напряжения. В вагоне размещены
устройства автоматики, управления, защиты, сигнализации и блокировки,
устройства СЦБ и собственных нужд постоянного и переменного тока;
аккумуляторная батарея расположена в ящиках под рамой вагона. В вагоне
находится также купе-салон на четыре места для обслуживающего персонала. Фаза
«С» понижающего трансформатора соединяется с тяговым рельсом шинами или
кабелем. Все оборудование подстанции заземлено на металлические рамы подвижного
состава.
2. Выбор оборудования трансформаторной подстанции
2.1 Разработка принципиальной схемы электрических соединений
тяговой подстанции
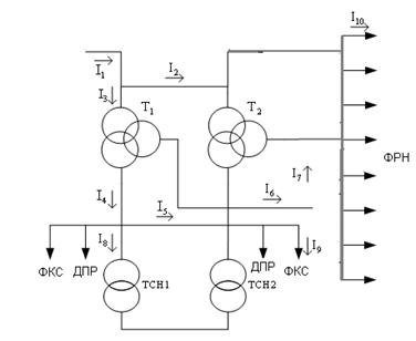
Рис. 2.1 Структурная схема тяговой подстанции 110/27,5/10кВ
Разработка однолинейной схемы тяговой подстанции
Согласно ПУЭ электрифицированные железных дороги относится к потребителям
первой категории, для которых перерыв в электроснабжении не допускается,
поэтому схемы электроснабжения выполняют таким образом, что при повреждении или
ремонте любого элемента обеспечивалось непрерывное питание ЭПС.
Конфигурация и основные особенности схемы внешнего электроснабжения
тяговых подстанций зависят от значения питающего напряжения и надежности
элементов системы, в частности ЛЭП и коммутационных аппаратов.
Однолинейная схема определяет состав необходимого высоковольтного
оборудования, а дальнейшие расчеты позволяют выбрать тип оборудования.
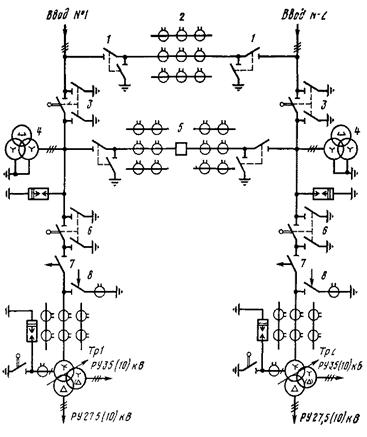
Проектируемая транзитная подстанция переменного тока имеет три
распределительных устройства напряжением 110, 2х27,5 и 10кВ.
РУ 110 (220)кВ. РУ построено по схеме «мостик с выключателем» (включенной в
рассечку ВЛ 110 (220)кВ.
Рис. 2.2 Схема главных электрических соединений РУ 110кВ, включенной в
рассечку ВЛ 110 (220)кВ
РУ, схема которого приведена на рис. 2.2 , имеет ремонтную и рабочую
перемычки между вводами. Разъединители ремонтной перемычки 1 включают для
обеспечения транзита мощности энергосистемы при отключении выключателя рабочей
перемычки 5. Трансформаторы тока 2 и напряжения 4 устанавливают для подключения
релейной защиты линии. Ремонтная перемычка используется также в схеме плавки
гололёда линий 110 (220)кВ. в этом случае к ней присоединяют фидер плавки
гололеда от РУ 10; 27,5кВ и разъединители 1 оборудуют двигательными фидерами.
Линии 110 (220)кВ присоединяют разъединителями 3 с двигательными
приводами. В цепи каждого понижающего трансформатора Тр установлены
разъединитель 6 с двигательным приводом, быстродействующий отделитель 7 с
короткозамыкателем 8. В районах с интенсивным гололёдообразованием, в которых
работа отделителей недостаточно надёжна, отделитель и короткозамыкатель
заменяют выключателем. При этом разъединитель 6 имеет ручной привод.
Использование разъединителей с двигательными приводами на присоединениях линии
и понижающих трансформаторов позволяет выполнять переключения по
телеуправлению.
Более целесообразно использовать трехобмоточные однофазные понижающие
трансформаторы типа ОРДТНЖ-40000/110 или ТДТНЖ-40000/110, обеспечивающих
получение трехфазного напряжения 38,5 или 11кВ для питания нетяговых
потребителей и однофазного напряжения 27,5кВ для питания тяговой нагрузки.
РУ 27.5кВ. Это РУ предназначено для питания тяговой сети переменного
тока, нетяговых линейных железнодорожных потребителей по линиям ДПР, ТСН и, при
необходимости, трансформаторов подогрева, а также фидера плавки гололеда на ВЛ
110 (220)кВ.
РУ 27.5кВ имеет двухфазную рабочую, секционированную разъединителями, и
запасную систему шин. Третья фаза (обычно С) обмоток понижающего трансформатора
соединяется с контуром заземления и с рельсами подъездного пути, которые
соединены с воздушной отсасывающей линией. Фидеры, питающие контактную сеть
одного направления, присоединяются к одной секции шин, а фидеры другого
направления - к второй секции шин. Запасной выключатель с помощью
разъединителей может быть присоединен к любой из секций, обеспечивая питание
любого фидера контактной сети при отключении выключателя этого фидера.
Сборные шины каждой фазы выполняют двойным проводом типа АС. Главные
понижающие трансформаторы и ТСН присоединяются к шинам HE с помощью трехфазных выключателей ВМУЭ - 35Б-1250-25 с
встроенным электромагнитным приводом или С-35М-630-10 с приводои ШПЭ-12
(последние применяются при мощности понижающих трансформаторов SH = 25 МВА). На фидерах ДПР тоже
устанавливаются трехфазные выключатели, что дешевле применения двух однофазных
выключателей. На фидерах контактной сети используют однополюсные выключатели
ВМУЭ-27,5Б-1250-16 с встроенным приводом. В дальнейшем возможно использование
вакуумных выключателей ВВФ-27,5-1600-20. К каждой секции шин присоединяют
разрядники РВМ-35. При отсутствии встроенных трансформаторов тока используются
трансформаторы ТФЗМ-35А, а на вводе - ТФЗМ-35Б.
Для РУ-27,5 используют одно- или трехфазные разъединители РНДЗ -35 с
ручным приводом типа УМПЗ-II. Применение последних дает возможность телеуправления разъединителями.
На некоторых подстанциях применяют устройство поперечной или продольной
емкостной компенсации. устройство продольной компенсации включают
последовательно с одной из фаз обмотки 27,5кВ понижающего трансформатора через
дополнительную шину, к которой подключены соответствующий ввод трансформатора и
один из выводов компенсирующего устройства. Второй вывод компенсирующего
устройства присоединяют к основной рабочей шине фазы, от которой питаются
фидеры контактной сети.
РУ 10кВ. На ТПС переменного тока РУ-10кВ предназначено для питания нетяговых
районных потребителей. РУ 10кВ выполняют с одинарной секционированной
выключателем системой шин. В типовой схеме предусмотрено подключение к шинам 4
линий (фидеров).
РУ 10кВ размещают в шкафах наружной установки
РУ 10кВ может получать питание от одного понижающего трансформатора при
включенном секционном выключателе и АВР на присоединении второго трансформатора
или от двух трансформаторов при отключенном секционном выключателе и АВР на
нем.
Для РУ 10кВ предусматривается установка масляных выключателей ВКЭ-10 с
встроенным электромагнитным приводом. Разъединители на присоединениях не
устанавливают за исключением линий продольного электроснабжения, питающих
нетяговые линейные железнодорожные потребители, где используют разъединители
типа РЛНД-10, и вводов от главных понижающих трансформаторов, где обычно
применяют разъединители типа РНДЗ-35. Применение камер ВВО предусматривает
установку разъединителей в цпи трансформаторов напряжения и разрядника. Для
подключения защит и электроизмерительных приборов применяют малогабаритные
трансформаторы тока типа ТЛМ-10. Все отходящие линии 10кВ имеют защиту от
замыкания на землю, для питания которой предусмотрен трансформатор тока ТЗЛМ-IУЗ, установленный на кабельной вставке
на выходе каждой линии.
Для питания районных и железнодорожных потребителей на
напряжении 10кВ применяют специальный понижающий трансформатор, на выходе
которого стоят типовые блоки КРУН 10кВ.
Схема главных электрических соединений тяговой
подстанции переменного тока 110/27,5/10кВ приведена в графической части (Лист
1)
Схема питания потребителей
собственных нужд
Питание потребителей собственных нужд осуществляется
от систем сборных шин 0,4кВ комплектных распределительных устройств
(КРУН-27,5кВ) устанавливаемых на открытой части тяговой подстанции и шкафа
собственных нужд устанавливаемого в здании подстанции.
В системе сборных шин РУ подключают следующие фидеры:
и 10 - шкаф собственных нужд в здании подстанции;
2
обдува понижающих
трансформаторов;
3
фидер линии ВЛ
СЦБ;
4
освещение камер
10кВ и СЦБ;
5
резервный;
6
освещение
открытой части подстанции;
7
фидер для
подключения базы передвижного масляного хозяйства;
8
фидер питания
здания дистанции контактной сети;
9
фидер подогрева
масла и проводов высоковольтных выключателей, их приводов, ячеек КРУН;
К системе сборных шин шкафа СН подключают фидеры:
- станочного оборудования мастерской;
- электрических печей обогрева щитовой и подсобных
помещений здания подстанции;
, 4, 5 - питание пультов дистанционного управления
разъединителями контактной сети, стоек телемеханики, автоматики;
6 - питание подзарядных устройств;
7 - питание калорифера и вентиляторов
аккумуляторной батареи;
-питание освещения здания подстанции;
- отопление помещения ДГА;
- вентиляция помещения ДГА.
Выбираем трансформатор ТМ-400/35-75У1.
В качестве резервного источника электроэнергии СН
переменного тока используется дизель-генератор, устанавливаемый в специальном
помещении закрытой части тяговой подстанции. Его основное назначение обеспечить
питание устройств СЦБ при аварийном выходе из работы трансформаторов СН или
снятия напряжения на участке железной дороге. Дизель-генератор имеет следующие
номинальные параметры Sн= 50кВт, Uн=400 В, v=50
Гц.
В качестве источника энергии СН постоянного тока используется
аккумуляторные батареи. Они работают в режиме постоянного подзаряда.
2.2 Расчет мощности тяговой нагрузки
Мощность понижающих трансформаторов тяговой подстанции переменного тока
для испытания тяговой нагрузки определяем по формуле (1):
МВА
(2.2.1)
где
- напряжение на шинах подстанции 27,5кВ;
-
действующее значение тока наиболее и наименее загруженных плеч питания
соответственно;
-
коэффициент, учитывающий неравномерность нагрузки фаз трансформатора, равный
0,9;
-
коэффициент, учитывающий влияние компенсации реактивной мощности, равный 0,93;
-
коэффициент, учитывающий влияние внутрисуточной неравномерности движения на
износ изоляции обмоток трансформатора, который для двухпутных путей составляет
1,45.
2.3 Расчет мощности нетяговой нагрузки
Результаты определения мощности районных (нетяговых)
потребителей
Характерные суточные графики нагрузок предприятий различных отраслей
промышленности
При решении вопросов развития распределительной сети, сети внешнего
электроснабжения промышленных предприятий, а также при выполнении электрических
расчетов сетей в характерных режимах требуются данные о графиках электрических
нагрузок предприятий различных отраслей промышленности. На рис. 2.1-2.6 приведены
характерные суточные графики активной и реактивной нагрузок предприятий
различных отраслей промышленности (заданных в задании).
Расчет нагрузок 10кВ
Электрические нагрузки предприятий являются определяющими для выбора всех
элементов системы электроснабжения (СЭС): мощности понижающих трансформаторных
подстанций потребителей (ТПП), главной понижающей подстанции (ГПП) или
центрального распределительного пункта (ЦРП), распределительной сети.
Рис. 2.4 Текстильная фабрика
Рис. 2.5 Машиностроительный завод (станкостроение)
Рис. 2.6 Завод пищевой промышленности
Мощность каждого потребителя определяют исходя из заданного значения его
установленной мощности, коэффициентов спроса и мощности, типового графика
нагрузки (в курсовом проекте каждый заданный потребитель рассматривается в
целом без разделения его нагрузки по цехам, участкам и т.п.). на основании
формулы
Рmax = Ру
Кс (2.2.2)
где Ру - установленная мощность потребителя,кВт;
Кс - коэффициент спроса, учитывающий загрузку и КПД
оборудования
вычисляют максимальную активную мощность потребителя. Затем определяют
реактивную мощность в час максимума.
Qmax = Pmax
(2.2.3)
Максимальная полная мощность всех потребителей с учетом потерь в сетях
выше 1000 В и понижающих трансформаторах потребителей,кВ
А
Smax = (1 +
)
(2.2.4)
где рпост и рпер - постоянные и переменные потери в
стали трансформаторов и переменные потери в сетях и трансформаторах,
принимаемые соответственно равными 1-2% и 6-10%;
- максимальное значение суммарной нагрузки, кВт;
- сумма реактивных мощностей всех n потребителей в час максимума суммарной нагрузки, кВар,
рассчитывается по формуле (2.2.2).
В расчетах принимаем следующее:
(2.2.5)
(2.2.6)
где
- максимальная мощность потребителя, определенная по
выражению (2.2.2);
Кум - коэффициент участия в максимуме;
для потребителей с неравномерным графиком нагрузки Кум
0,75
0,8 - потребитель 2.
для предприятий с механическим оборудованием, насосными установками и
других потребителей с непрерывным технологическим процессом и с равномерным
графиком Кум
0,90
0,95 - потребитель 1, 4, 6, 8.
Расчеты сведем в таблицу.
Таблица 2.1
Электрические нагрузки
|
Наименование нагрузки
|
Pу (кВт)
|
Категория потребителя
|
Kс
|
Км (cosφ)
|
Км (tgφ)
|
Pmax, МВт
|
Qmax, Вар
|
|
Текстильная фабрика
|
4 500
|
1
|
0,63
|
0,92
|
0,426
|
4.14
|
1.764
|
|
Машиностроительный завод
|
6 000
|
1
|
0,55
|
0,93
|
0,395
|
5.58
|
2.204
|
|
Пищевая промышленность
|
3 000
|
1
|
0,51
|
0,92
|
0,426
|
2.76
|
1.176
|
|
13 500
|
|
12,48
|
5,144
|
В итоге получаем:
Полная мощность на вторичной обмотке трансформаторов ТПС, необходимая для
питания нетяговых потребителей:
Smax2 =
=
= 12,827 MBA
Максимальная мощность одиночного фидера нагрузки приходится на
текстильную фабрику:
Smax. фидер =
=
= 4,275 MBA
на машиностроительный завод:
Smax. фидер =
=
= 5,435 MBA
на пищевое предприятие:
Smax. фидер =
=
= 2,850 MBA
Мощность нагрузки на первичной стороне трансформатора с учетом потерь в
нём:
Smax1
= (1 +
)
= 14,11 МВ
А.
Smax 10кВ = 14,110 МВ
А
Выбор понижающих трансформаторов
За номинальную мощность трехобмоточного трансформатора принимается
мощность наиболее мощной обмотки. К этой мощности приводятся все напряжения
короткого замыкания uк12, uк23, uк13, которые
указываются на щитке трансформатора. Для трехфазных трехобмоточных
трансформаторов обычно применяется схема соединения обмоток Y0/Y0/Δ-12-11.
Мощности отдельных обмоток устанавливаются в зависимости от условий
эксплуатации.
Наиболее часто встречаются следующие четыре соотношения мощностей
отдельных обмоток в процентах от номинальной мощности:
Таблица 2.2
|
1-я обмотка
|
2-я обмотка
|
3-я обмотка
|
|
100
|
100
|
100
|
|
100
|
100
|
66,7
|
|
100
|
66,7
|
100
|
|
100
|
66,7
|
66,7
|
Требуемая
мощность трансформатора тяговой подстанции определяется как сумма мощностей,
необходимых для обеспечения тяговой нагрузки
собственных
нужд подстанции
, дополнительных расходов электроэнергии на непоездную
(маневровую) работу электроподвижного состава
, а также
заданной нагрузки нетяговых
и
районных
потребителей, получающих питание от данного
трансформатора, кВ·А:
(2.2.7)
где
kp -
коэффициент, учитывающий несовпадение максимумов районной и тяговой нагрузок,
равный
=0,7;
Sp -
мощность районных потребителей;
SCH -
мощность собственных нужд тяговой подстанции;
Sдм - дополнительная мощность на маневровую работу;
SH -
мощность нетяговых потребителей;
Sm -
мощность на тягу;
Если
мощность Sдм не
задана, то она учитываются приближенно с использованием коэффициента
- это коэффициент на собственные нужды и маневры,
который принимается равным 1,025 при постоянном токе и 1,033 при переменном
токе.
Тогда
вместо формулы (2.7) получаем (2.8), по которой произведем расчет:
Нетяговые
потребители, питающиеся по линии ДПР от шин 27,5кВ: SДПР = 500кВА.
С
учетом мощности установленного трансформатора собственных нужд SТСН = 400кВА = 0,4 МВА
МВА
(2.2.9)
Возможен выбор трансформаторов по ГОСТ Р 51559-2000:
ТДТНЖ-40 000/110
Расшифровка трансформаторов по ГОСТ Р
51559-2000
Т - трехфазный
Д - с принудительной циркуляцией воздуха и
естественной циркуляцией масла;
Т - трехобмоточный;
Н - регулирование напряжения под нагрузкой;
Ж - для железных дорог, электрифицированных на
переменном токе;
000 - номинальная мощность, кВ·А;
- класс напряжения обмотки ВН,кВ;
У1 - климатическое исполнение и категория размещения
по ГОСТ
Таблица 2.3
Трансформаторы трехфазные понижающие (паспортные данные)
|
Тип
|
Sном, МВА
|
Uном обмоток,кВ
|
Условное обозначение схемы
и группы соединения обмоток
|
Потери, Вт
|
Ixx,%
|
|
|
ВН
|
СН
|
НН
|
|
PXX кВт
|
PКЗкВт
|
|
|
ТРДТНЖ-40000/110
|
40
|
115
|
27.5
|
11
|
Yн/ /Δ-11-11
|
39.0
|
200
|
0.60
|
|
Тип
|
Напряжение короткого
замыкания,%, пары обмоток
|
|
ВН - СН
|
ВН - НН
|
СН - НН
|
|
ТРДТНЖ-40000/110
|
10.5
|
17.5
|
6,5
|
|
|
|
|
|
|
|
|
|
|
|
|
Электрические характеристики выбранного ТСН сведены в таблицу 2.4.
Электрические характеристики ТСН ТМЖ-400/27,5. Трансформаторы
соответствуют требованиям ГОСТ 11677 и ТУ 659РК00010033-14-95.
Таблица 2.4
Трансформаторы собственных нужд (паспортные данные)
|
Тип
|
Sном, кВА
|
Сочетание напряжений
|
Группа соединения
|
РХХ, Вт
|
РКЗ, Вт
|
UКЗ%
|
IXX%
|
|
|
L
|
В
|
|
|
|
|
|
|
|
ВН,кВ
|
НН,кВ
|
|
|
|
|
|
|
ТМЖ-400/27,5-У1
|
400
|
27,5
|
0,4
|
Y/Yн-0; Y/Zн-11
|
950
|
5500 5800
|
6
|
1,8
|
Потери мощности в трёхобмоточных понизительных
трансформаторах
(2.2.10)
Для трехобмоточных трансформаторов потери мощности и падения напряжений
можно определить по формулам:
DРкз1 = 0,48×DРкз; (2.2.11)
DРкз2 = 0,23×DРкз; (2.2.12)
DРкз3 = 0,29×DРкз; (2.2.13)
uк.в = 0.5(uк.в-с + uк.в-н - uк.с-н)
(2.2.14)к.с = 0.5(uк.в-с - uк.в-н + uк.с-н)
(2.2.15)к.в = 0.5(uк.в-н + uк.с-н - uк.в-с)
(2.2.16)
DРкз1 = 0,48×200 = 96кВт;
DРкз2 = 0,23×200 = 46кВт;
DРкз3 = 0,29×200 = 58кВт;
uк.в = 0.5(uк.в-с + uк.в-н - uк.с-н)
= 0,5(10,5 + 17,5 - 6,5) = 10,75%к.с = 0.5(uк.в-с - uк.в-н
+ uк.с-н) = 0,5(10,5 - 17,5 + 6,5) = - 0,25%к.в =
0.5(uк.в-н + uк.с-н - uк.в-с) = 0,5(17,5 +
6,5- 10,5) = 6,75%
2.4 Расчет максимальных рабочих
токов
Выбор основного оборудования должен обеспечивать длительную работу
оборудования в нормальном режиме и кратковременную работу - в режиме КЗ.
Поэтому основным уравнением выбора по условиям длительного режима являются:
(2.3.1)
(2.3.2)
Таким
образом, для выбора всех видов основного оборудования тяговой подстанции
необходимо знание максимальных рабочих токов в месте расположения элемента.
Расчет максимальных рабочих токов основных присоединений подстанции
производится в соответствии со следующей схемой:
Рис. 2.7 Схема тяговой подстанции
Электрические аппараты выбирают по условиям длительного режима работы
сравнением рабочего напряжения и наибольшего длительного рабочего тока
присоединения (направления токов представлены на рис.2.7., где предполагается
установить данный аппарат, с его номинальным напряжением и током. При выборе
учитывается необходимое исполнение аппарата (для наружной и внутренней
установки). Выбранные аппараты проверяют на термическое действие токов
короткого замыкания.
,
,
где Iном и Uном -
номинальный ток и напряжение соответственно, А икВ;
Iраб.макс и Uраб.макс - максимальный рабочий ток и
напряжение соответственно, А икВ;
1. Максимальный рабочий ток ввода ТПС
Где
кпр - коэффициент перспективы, кпр = 1,3
-
суммарная мощность трансформаторов подстанции МВА,
-
коэффициент разновремённости нагрузок проектируемой и соседних подстанций для
двухпутных участков
2. Максимальный рабочий ток первичной обмотки ВН тягового трансформатора
Где
кпер - коэффициент допустимой перегрузки, кпер = 1,4
3. Максимальный рабочий ток вторичной обмотки СН тягового трансформатора
Ток
одной линии ICH.1 =
682.323/6 = 113.7205 А
4. Максимальный рабочий ток вторичной обмотки НН тягового трансформатора
где
количество фидеров районной нагрузки
5. Максимальный рабочий ток сборных шин тяговой стороны
где
- коэффициент распределения нагрузки по шинам, при
числе присоединений 6 и менее
6. Максимальный рабочий ток сборных шин районной стороны
7. Максимальный рабочий ток фидера районной нагрузки
Текстильная фабрика:
Машиностроительный
завод:
Пищевое предприятие:
8. Максимальный рабочий ток фидера контактной сети
Согласно методическим указаниям, рабочий ток фидера принимаем равным:
Таблица 2.5
Максимальные рабочие токи основных присоединений подстанций
|
Наименование потребителя
|
Расчетная формула
|
Максимальный рабочий ток, А
|
|
1. Питающий ввод 110кВ
|
417,7
|
|
|
2. Сборные шины 27,5кВ
|
1175,695
|
|
|
3. Сборные шины 10,5кВ
|
641,825
|
|
|
4. Обмотка ВН
|
281,44
|
|
|
5. Обмотка СН
|
1091,717
|
|
|
6. Обмотка НН
|
916,893
|
|
|
7. Фидеры 10,5кВ
|
305,583 388,502 203,722
|
|
|
8. Фидеры 27,5кВ
|
587,865 (по 97,977 А на каждый из 6 фидеров)
|
|
.5 Расчет параметров короткого замыкания
Выбранные по токам и напряжениям рабочего режима токоведущие части и
электрические аппараты должны быть проверены согласно требованию ПУЭ на
действие токов короткого замыкания (КЗ).
При расчете токов КЗ необходимо принять следующие условия: тяговая
подстанция питается, от системы неограниченной мощности; основные агрегаты
тяговой подстанции работают параллельно; расчетным видом является 3-фазное КЗ;
точки возможных КЗ намечают, исходя из условий протекания по токоведущим частям
и электрическим аппаратам; наибольших токов (для условий тяговой подстанции - это сборные шины всех РУ); в качестве
расчетных следует принимать индуктивные сопротивления цепи К.З.
Выполнять расчет токов КЗ рекомендуется в следующем порядке:
составить исходную расчетную схему тяговой подстанции, которая
представляет собой упрощенную однолинейную схему первичной коммутации, на
которой указать элементы, влияющие на токи КЗ (для условий тяговой подстанции
это трансформаторы и преобразовательные агрегаты). Примером может служить схема
теговой подстанции постоянного тока, приведенная на рисунке I. На всех сборных
шинах РУ схемы следует указать точки вероятных КЗ и напряжения Ucp (115;
37; 27,5; 10,5; 3,3; 0,4кВ), принятые при расчетах КЗ;
составить схему замещения представляющую собой исходную расчетную схему,
в которой электромагнитные (трансформаторные) связи заменяются связями
электрические. Для этого использовать известные схемы замещения
трансформаторов. Для удобства расчетов подученные сопротивления пронумеровать;
вычислить все сопротивления схемы замещения;
для каждой из намеченных на схеме точек КЗ выполнить преобразование схемы
замещения таким образом, чтобы каждая из точек КЗ была связана с источником
питания только одним сопротивлением, для чего использовать известные формулы
параллельного и последовательного сложения сопротивлений;
рассчитать токи КЗ
Расчет токов КЗ достаточно подробно изложен в специальной литературе /2,
3, 4/, в этой связи ниже приводятся лишь некоторые рекомендации.
Расчет сопротивлений схемы замещения можно выполнять в относительных или
именованных единицах. Здесь мы предлагаем систему относительных единиц, которая
в данных расчетах более проста. При желании студента расчет сопротивлений может
быть выполнен в именованных
единицах при использовании указанных выше источников.
Если применить систему относительных единиц, необходимо предварительно
задаться базовой мощностью Sб, в качестве которой рекомендуется
принять число, удобное для вычислении (например, Sб=100 или Sб
= 1000 МВ*А.
Вычисление относительных сопротивлений, приведенных к
базисной мощности Sб =
100 МВА для максимального режима
На расчетной схеме и схеме замещения найдем относительные сопротивления
энергосистемы до шин опорных подстанций:
х*б1 =
=
= 0,0434
х*б2 =
=
= 0,0556
Относительные сопротивления линий:
х*б3 = х0l1
= 0.4
= 0.493
х*б4 = х0l4
= 0.4
= 0.2873
х*б5 = х0l5
= 0.4
= 0.2057
х*б6 = х0l5
= 0.4
= 0.0756
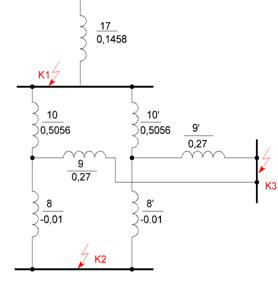
Рис. 2.8 Расчетная схема максимальный режим
Рис. 2.9 Схема замещения
Расчетные значения напряжения к.з. обмоток трёхобмоточных трансформаторов
Тр1 и Тр2 находим как:
к.в = 0.5(uк.в-с + uк.в-н - uк.с-н) =
0,5(10,5 + 17,5 - 6,5) = 10,75%к.с = 0.5(uк.в-с - uк.в-н
+ uк.с-н) = 0,5(10,5 - 17,5 + 6,5) = - 0,25%к.в =
0.5(uк.в-н + uк.с-н - uк.в-с) = 0,5(17,5 +
6,5- 10,5) = 6,75%
По схемам преобразования рассчитаем:
х*б7 =
=
= 0,43;
х*б8 =
=
= - 0,01;
х*б9=
=
= 0,27;
х*10 = x*10’
= x*7 + x*6 = 0.43 + 0.0756 =
0.5056
По схемам преобразования рассчитаем далее:

а) б)

в) г)
Рис. 2.10 Электрическая схема замещения до точки К1
х*б11 =
=
= 0,14365
х*б12 =
=
= 0,10285
х*б13 =
=
= 0,06
х*б14 = х*б1 + х*б9 = 0,0434 + 0,14365 =
0,18705
х*б15 = х*б2 + х*б10 = 0,0556 + 0,10285
= 0,15845
х*б16 =
=
= 0,0858

а) б)

в) г)
Рис. 2.11 Электрическая схема замещения до точки К2
х*б17 К1 = х*б16 + х*б13 = 0,0858 + 0,06
= 0,1458
х*б18 = х*б18’ = х*б10 + х*б8
= 0.5056 - 0.01 = 0,4956
х*б19 = х*б18/2 = 0,4956/2 = 0,2478
х*б20 К2 = х*б17 + х*б19 = 0,1458 +
0,2478 = 0.3956

а) б)

в) г)
Рис. 2.12 Электрическая схема замещения до точки К3
х*б21 = х*б21’ = х*б10 + х*б9
= 0,5056 + 0.27 = 0.7756
х*б22 = х*б21/2 = 0,7756/2 = 0,3878
х*б23 К3 = х*б17 + х*б22 = 0,1458 +
0,3878 = 0.5336
Вычисление относительных сопротивлений, приведенных к
базисной мощности Sб =
100 МВА для минимального режима
Относительные сопротивления одноименной сопротивлений расчетной схемы
будут такими же, как для предыдущего случая. Значения относительных
сопротивлений указаны на схеме замещения - рис. 2.14.
Рис. 2.13 Расчетная схема минимальный режим
Рис. 2.14 Схема замещения минимального режима


а) б) в)
Рис. 2.15 Электрическая схема замещения до точки К1
х*б24 = х*б1 + х*б3 = 0,0434 + 0,493 =
0,5364
х*б25=
=
= 0,0504
х*б26 К1 = х*б25 + х*б5 = 0,0504 +
0,2057 = 0,256

Рис. 2.16 Электрическая схема замещения до точки К2
х*б27 К2 = х*б26 + х*б10 + х*б8
= 0,256 + 0,5056 - 0,01 = 0,7516

Рис. 2.17 Электрическая схема замещения до точки К3
х*б28 К3 = х*б26 + х*б10 + х*б9
= 0,256 + 0,5056 + 0,27 = 1,0316
Относительные сопротивления, соответствующие максимальному и минимальному
режиму сведём в таблицу:
Таблица 2.6
|
Точки к.з.
|
Относительные сопротивления
для токов к.з.
|
|
максимальный
|
минимальный
|
|
К1
|
0,1458
|
0,256
|
|
К2
|
0,3956
|
0,7516
|
|
К3
|
0,5336
|
1,0316
|
Расчеты токов к.з. сведем в расчетную таблицу:
Таблица 2.7
|
Точки к.з.
|
Расчетное выражение
|
Максимальное значение токов
и мощностей к.з.
|
Минимальное значение токов
и мощностей к.з.
|
|
К1
|
Iб =
|
Iб = = 0,503 кА
|
Iб = = 0,503 кА
|
|
IK3 =
|
IКЗ = = 3,45 кА
|
Iб = = 1,965 кА
|
|
iα,τ =
|
iα,τ = = 0.921
кА
|
|
|
SK3 =
|
SK3 = = 685,87 МВА
|
|
|
iу= 2.55 IK3
|
iу= 2.55 3.45 = 8.8 кА
|
|
|
t откл = tср + tрз + tсв
|
t откл = 0,1 + 0,5 + 0,04 =
0,64 с
|
|
|
Вк =
|
Вк =3,452(0,64+0,03) =
7.975 кА2
|
|
|
К2
|
Iб =
|
Iб = = 2.1 кА
|
Iб = = 2.1 кА
|
|
IK3 =
|
IКЗ = = 5.31 кА
|
Iб = = 2.794 кА
|
|
=
|
= = 4,6
кА
|
Iб(2) = = 2,42 кА
|
|
iα,τ =
|
iα,τ = = 3.186
кА
|
|
|
SK3 =
|
SK3 = = 252.78 МВА
|
|
|
iу= 2.55 IK3
|
iу= 2.55 5.31 = 13.54 кА
|
|
|
t откл = tср + tрз + tсв
|
t откл = 0,1 + 1.2 + 0,05 =
1.35 с
|
|
|
Вк =
|
Вк =5.412(1.35+0,07) =
41.56 кА2
|
|
|
КК2’
|
t откл = tср + tрз + tсв
|
t откл = 0,1 + 0,6 + 0,05 =
0,75 с
|
|
|
Вк =
|
Вк =5.412(0,75+0,07) = 24
кА2
|
|
|
RK2’’K
|
t откл = tср + tрз + tсв
|
t откл = 0,1 + 0,05 = 0,15
с
|
|
|
Вк =
|
Вк =5.412(0,15+0,07) = 6.44
кА2
|
|
|
KK3
|
Iб =
|
Iб = = 5.5 кА
|
Iб = = 5.5 кА
|
|
IK3 =
|
IКЗ = = 10,31 кА
|
Iб = = 1,965 кА
|
|
=
|
= = 8,93
кА
|
= =
4,617 кА
|
|
iα,τ =
|
iα,τ = = 6,187
кА
|
|
|
SK3 =
|
SK3 = = 187,4 МВА
|
|
|
iу= 2.55 IK3
|
iу= 2.55 10,31 = 26,3 кА
|
|
|
t откл = tср + tрз + tсв
|
t откл = 0,1 + 1,8+ 0,05 =
1,95 с
|
|
|
Вк =
|
Вк =10,312(1,95+0,07) =
214,72 кА2
|
|
|
KK3’
|
t откл = tср + tрз + tсв
|
t откл = 0,1 + 0,6 + 0,05 =
0,75 с
|
|
|
Вк =
|
Вк =10,312(0,75+0,07) =
108,42 кА2
|
|
Токи и мощность КЗ в любой точке распределительного устройства имеют
одинаковое значение, различными будут только значения тепловых импульсов.
Поэтому в точках К2’2, К’’2 K’3 на линии районного потребителя 10,5кВ и потребителей
на 27,5кВ выполняется расчет только теплового импульса.
2.6 Выбор токоведущих частей и электрического оборудования
тяговой подстанции
Выбор
сечения проводов воздушной ЛЭП
Выбор сечения провода проводится по экономической плотности тока в
нормальном и аварийном режиме:
Sэк =
(2.4.1)
где jэк − нормированное значение экономической плотности
тока, А/мм2
Правильно выбранное сечение должно удовлетворять следующим условиям:
. По перегрузочной способности (в аварийном режиме при отключении одной
из питающих линий)
,3 Iдоп
Iв а.р.
где Iдоп − допустимый ток для выбранного сечения, А;в
а.р. − расчетный ток в аварийном режиме, А.
. По условию механической прочности: согласно условию механической
прочности на воздушных линиях выше 1000 В могут применяться алюминиевые провода
сечением не менее 35 мм2, сталеалюминевые и стальные - не менее 25
мм2.
. По допустимой потере напряжения: допустимая длина питающей линии
определяется
Lдоп = LΔU1%
ΔU доп
Lфакт
где LΔU1% − длина линии при полной
нагрузке, на которой потеря
напряжения равна 1%, принимается по справочной литературе;
ΔU доп − допустимое
значение потери напряжения,%;ф акт - фактическая длина линии, км.
. Проверка на корону производится только для Uм он ≥
110кВ)
Проверяется выполнение условия
,07 ⋅ Е ≤0,9 ⋅ E0
где Е - напряженность электрического поля около поверхности
нерасщепленного провода;
Е =
(кВ/см), (2.4.2)
ср - среднегеометрическое расстояние между проводами фаз,
смСреднегеометрическое расстояние между проводами одноцепной линии находится по
формуле
DCP =
(2.4.3)
где D12, D13, D23 - расстояния между
проводами отдельных фаз.
Чертежи и геометрические размеры некоторых типов опор даны0 -
начальная напряженность возникновения коронного разряда.
Для проводов радиуса r определяется по формуле
Е0 = 24,5
(кВ/см), (2.4.4)
где m = 0,82-0,94 - коэффициент гладкости провода;
δ = 1,04-1,05 (для районов с умеренным
климатом) - относительная плотность воздуха, определяемая атмосферным давлением
и температурой воздуха;
r -
радиус провода, см.
Е0 = 30.3
(кВ/см) (2.4.5)
Определим технико-экономические показатели варианта схемы внешнего
электроснабжения предприятий первой категории по надежности, работающего в три
смены (Tmax =6300 ч), при питании напряжением Uн1=110кВ и
Uн2=35кВ. Длина линий L= 113 и 31 км; расчетная мощность нагрузки Sрасч
= 30,760 МВ⋅А.
Рассмотрим вариант - напряжение питающей линии 110кВ.
Выбираем двухцепную воздушную линию со сталеалюминиевыми проводами на
стальных опорах, вычислив экономическое сечение провода по следующей формуле
Sэк =
=
= 115,578 мм2
где jэк =1 А/мм2 − нормированное значение экономической
плотности тока при Tmax >5000 ч.
Из стандартного ряда сечений с ориентацией на условие коронирования
согласно рекомендациям ПУЭ принимаем S = 120/27 мм2, допустимый ток
- Iдоп = 375 А.
Проверяем выбранное сечение по перегрузочной способности
,3⋅375 = 487,5 ≥ 261,063 А.
По условию механической прочности 120мм2 > 25 мм2.
По допустимой потере напряжения
Lдоп = 9,0
5%
163 км
Условие не выполняется, поэтому выбираем (последовательно перебирая)
провода марки АС-150/19, допустимый ток - Iдоп = 450 А., тогда
По допустимой потере напряжения
Lдоп = 13,6
5%
163 км
Проверка на корону: для двухцепной стальной опоры с подвеской проводов
шестиугольником находим среднегеометрическое расстояние между проводами
CP =
=
= 5.47 м
Начальная напряженность возникновения коронного разряда (для провода
марки АС-150 , r = 0,85 см):
Е0 = 30.3
= 30.3
=
,08(кВ/см),
Напряженность электрического поля около поверхности нерасщепленного
провода рассчитывается по формуле:
Е =
=
= 16,311кВ/см
Проверяем выполнение условия:
,07 ⋅ Е ≤ 0,9 ⋅ E0
,07⋅16,311 = 17,453 ≤ 0,9⋅34,08 = 30,672кВ/см.
Выбранное сечение удовлетворяет всем условиям проверки.
Таблица 2.9
Характеристика провода АС-150/19
|
Марка провода
|
rуд, удельное активное
сопротивление на 100 км при 200С
|
худ, Ом
|
bуд*10-6, См
|
qуд, Мвар
|
|
АС-150/19
|
19,5
|
42,0
|
2,70
|
3,60
|
Общее удельное сопротивление:
z =
=
= 0,463 Ом/км
Выбор токоведущих частей
Выбор гибких сборных шин на стороне 110кВ
Для РУ 35кВ и выше применяют гибкие шины, выполненные проводами АС. Выбор
проведем по таблице
Таблица 2.10
|
Характеристика условий
выбора гибких шин
|
Формула.
|
|
По длительному допустимому
току
|
Iдоп Ip.max
|
|
По термической стойкости
|
q qmin = /C
|
|
По условиям отсутствия
коронирования (при напряжениях 35кВ и выше).
|
0.9E0 1.07E
|
Для сборных шин подстанции:
Ip.max =
где kпр = 1,3 - коэффициент развития
потребителей;
kрн1 - коэффициент распределения нагрузки
по шинам первичного напряжения, равный 0,6 - 0,8.
Sпс = n*Sтр = 2* 40 000 = 80 000кВА -
максимальная полная мощность всей подстанции с двумя трансформаторами 40 МВА
Ip.max =
= 393,6 А.
Выбираем бдижайший допустимый длительный ток Iдоп = 450 А, АС-120,
q -
выбранное сечение, мм2
qmin - минимальное сечение токоведущей части по условию
термической стойкости, мм2
qmin =
/88 = 100 mm2 (для АС С = 88)
ближайшее стандартное большее сечение 100
АС-120
Максимальное значение начальной критической напряженности электрического
поля, при котором возникает разряд в виде короны,кВт/см
Е0 = 30,3m(1 +
0.299/
)
m -
коэффициент, учитывающий шероховатость поверхности провода (для многопроводного
провода АС он равен 0,82);
r -
радиус провода (для АС120 r = 7,6
мм = 0,76 см)
Е0 = 30,3*0,82(1 + 0,299/
) = 27,54кВт/см.
Напряженность электрического поля около поверхности провода
Е =
- среднее геометрическое расстояние между проводами фаз, см.
При горизонтальном расположении фаз
= 1,26D. Здесь D -
расстояние между соседними фазами, см. для сборных гибких шин приняты
расстояния между проводами разных фаз - 1,5; 3,0 и 4,0 м для напряжений 35; 110
и 220кВ соответственно.
= 1,26D =
1,26*3,0 = 3,78 м = 378 см.
Е =
= 19,0кВ/см
Таким образом,
,9 Е0 = 0,9* 27,54 = 24,786кВ/см
,07Е = 1,07* 19,0 = 20,33кВ/см и условие
.9E0
1.07E
выполняется
Окончательно выбираем АС-120/19
Таблица 2.11
Характеристика провода АС-120/18 Iдоп = 390 А
|
Марка провода
|
rуд, удельное активное
сопротивление на 1 км при 200С
|
худ, Ом
|
bуд*10-6, См
|
qуд, Мвар
|
|
АС-120/19
|
0,249
|
0,427
|
2,75
|
3,7
|
Общее удельное сопротивление:
z =
=
= 0,494 Ом/км
Выбор сборных жестких шин на стороне 27,5кВ
В закрытых РУ сборные шины выполняют жесткими алюминиевыми шинами.
Таблица 2.12
|
Характеристика условий
выбора жестких шин
|
Формула.
|
|
По длительно допустимому
току
|
Iдоп Ip.max
|
|
По термической стойкости
|
q qmin = /C
|
|
По электродинамической
стойкости.
|
σдоп σрасч
|
Выбор и проверка на термическую стойкость жестких шин определяется
аналогично гибким шинам. Следует учесть, что при расположении шин
прямоугольного сечения плашмя значения допустимых токов приведенные в
справочниках должны быть уменьшены на 5% для шин с шириной полос до 60 мм и 8%
с шириной полос больше 60 мм.
Ip.max = 1175,695 А.
Подходят алюминиевые прямоугольные шины, расположенные плашмя при числе
полос на фазу = 1: 100 х 6 мм = 0.1 x 0.006 м
I доп = 0,92*1425 = 1311 А.
q =
600 мм2
qmin =
/88 = 73,258 мм2 - условие выполняется
Рис. 2.18 Сечение шины
Электродинамическая стойкость шин, укрепленных на опорных изоляторах,
проверяется по механическому напряжению, возникающему в них при КЗ:
σрасч = 1,76
10-8 МПа
где lои = 1 м - расстояние между соседними
опорными изоляторами, м;
а = 0,75 м - расстояние между осями шин соседних фаз, м;
iу - ударный ток трехфазного КЗ;
W - момент
сопротивленияшины относительно оси, перпендикулярно действию усилия, при
расположении плашмя
W = bh2 /6 = 0.006*0.12/6 = 10*10-6 м2
σрасч = 1,76 *
10-6 = 24,444 МПа
выбираем шины из алюминиевого сплава типа АДО 100 х 6 мм σдоп = 40,0 МПа,
Iдопmax = 1425 А.
Выбор сборных жестких шин на стороне 10,5кВ
Ip.max = 641,825 А.
Подходят алюминиевые прямоугольные шины, расположенные плашмя при числе
полос на фазу = 1: 50 х 6 мм = 0.05 x 0.006 м
I доп = 0,92*740 = 680,8 А.
q =
300 мм2
qmin =
/88 = 166,515 мм2 - условие выполняется
σрасч = 1,76
10-8 МПа
W = bh2 /6 = 0.006*0.052/6 = 2,5*10-6 м2
σрасч = 1,76 *
10-6 = 36,89 МПа
выбираем шины из алюминиевого сплава типа АД31Т 50 х 6 мм σдоп = 75,0 МПа,
Iдопmax = 1425 А.
Выбор силовых кабелей и воздушных линий потребителей 10,5кВ (условно принимаем длину - 10 км -
кабелей и 10 км - ВЛ).
В зависимости от места прокладки, свойств среды, механических усилий,
воздействующих на кабель, рекомендуются различные марки кабеля.
Выбор произведём по таблице
Таблица 2.13
|
Характеристика условий
выбора силовых кабелей
|
Формула.
|
|
По конструкции, в
зависимости от места прокладки, свойств среды и механических усилий
|
|
|
По номинальному напряжению
|
UH Up = 10,5 kB
|
|
По экономической плотности
тока для U 35 kB
|
q qэ = Ip max/jэ,
|
|
По длительному допустимому
току
|
IH Ip.max
|
|
По термической стойкости
|
q qmin = /C
|
|
По потере напряжения до
потребителя
|
ΔUдоп ΔU (около 5%)
|
Для кабелей и ВЛ потребителей:
I1 = 305,583
I2 = 388,502
I3 = 203,722
Предварительный выбор:
кабели с алюминиевыми жилами проложенные в земле
q =
185 мм2 (Iдоп = 400 А)
ВЛ - АС - 150/11 (Iдоп = 450 А)
qmin =
/88 = 166.5 мм2 - условие выполняется.
По экономической плотности тока эти линии не проверяются U =10.5 kB
Определим потери в линиях
ΔU =
(r0Cos φ + x0 Sin φ) L*Ip.max
r0 - удельное активное сопротивление
линии;
x0 - удельное реактивное сопротивление
линии;
кабели:
r0 = 0,48 Ом/км x0 = 0,06 Ом/км
ВЛ:
r0 = 0,198 Ом/км ; x0 = 0,406 Ом/км
примем для расчёта среднее значение Cos φ = 0,925 ⇒ Sin φ = 0,38
Кабели:
ΔU =
Σ(0,48*0.925+ 0,06*0.38)*10 * 388.502
= 0,24%
5%
ВЛ:
ΔU =
Σ(0,198*0.925+ 0,406*0.38) *10*388.502
= 0.173%
5%
Окончательный выбор:
Кабель: ААГ 4 х 185 мм2
ВЛ: АС-150/19 мм2
Выбор изоляторов
Выбор подвесных изоляторов
Гибкие шины открытых РУ ВН подстанций обычно крепят на гирляндах
подвесных изоляторов. Количество подвесных изоляторов в гирлянде в зависимости
от их типов и напряжения определяется в результате расчетов:
Ip.max =
= 417,7 А
Таблица 2.14
|
Характеристика условий
выбора подвесных изоляторов
|
Формула.
|
Значение.
|
|
По конструкции, в зависимости
от места установки и типа изоляторов
|
Тип ПС70 Тип ПФ70
|
Число в гирлянде 9 8
|
|
По номинальному напряжению
|
UH Up = 110 kB
|
110
|
|
По длительному допустимому
току
|
IH Ip.max= 630 А
|
417,7 А
|
Выбор опорных изоляторов
Жесткие шины РУ НН крепят на опорных изоляторах.
Таблица 2.15
27,5кВ
|
Характеристика условий
выбора опорных изоляторов
|
Формула.
|
Значение
|
|
По конструкции, в
зависимости от места установки и типа изоляторов
|
Внутренняя установка.
Наружная установка
|
ИОР-35-3,75 ИОС-35-500-02
|
|
По номинальному напряжению
|
UH Up = 35 kB
|
27,5кВ
|
|
По допустимой нагрузке
|
F 0.6F разр = 45 Н(195 Н)
|
43,022 Н
|
*в скобках указана разрушающая сила для ИОС F разр = 195 Н
10,5кВ
|
Характеристика условий
выбора опорных изоляторовФормула.Значение
|
|
|
|
По конструкции, в
зависимости от места установки и типа изоляторов
|
Внутренняя установка.
|
ИО-10-3,75
|
|
По номинальному напряжению
|
UH Up = 10,5kB
|
10кВ
|
|
По допустимой нагрузке
|
F 0.6F разр = 2250 Н
|
162,32 Н
|
Сила, действующая на изолятор при КЗ, Н:
F =
0.176
Н
Г
де l - расстояние между соседними
опроными изоляторами, м;
а - расстояние между осями шин соседних фаз, м;
iу - ударный ток трехфазного КЗ, кА;
для РУ 27.5кВ:
F =
(0.176*13,542 *1/0,75) = 43,022 Н
Выбираем Fразр = 3,75 кН = 3750 Н
,6*Fразр = 0,6*3750 = 2250 кН
Окончательно выбираем: ИОР-35/630-3,75 УХЛ, Т
Для РУ 10,5кВ:
F =
(0.176*26,32 *1/0,75) = 162,32 Н
Выбираем Fразр = 3,75 кН = 3750 Н
,6*Fразр = 0,6*3750 = 2250 Н
Окончательно выбираем: ИО 10/1000-3,75. УХЛ, Т
Выбор проходных изоляторов
Эти изоляторы применяют для соединения частей электроустановок внутри
помещений и для соединения наружных и внутренних частей РУ.
Выбор производим по таблице
Таблица 2.16
|
Характеристика условий
выбора проходных изоляторов
|
Формула
|
Выбор.
|
Значение
|
|
По конструкции, в
зависимости от места установки
|
-
|
ИП-35/630-750
ИП-10/1000-750
|
|
|
По номинальному напряжению
|
UH Up kB
|
35кВ 10,5кВ
|
27,5кВ 10кВ
|
|
По допустимой нагрузке
|
F 0.6F расч
|
4500 Н 4500 Н
|
21,51 Н 81,158 Н
|
|
По длительному допустимому
току
|
IH Ip.max
|
630 А 1000 А
|
97,977 А 388,502 А
|
|
По термической стойкости, q
- сечение токоведущей части изолятора.
|
q qmin = /C
|
200 мм2 200 мм2
|
73,25 мм2 166,538 мм2
|
Сила, действующая на изолятор при КЗ, Н:
F = σрасч = 0,088
10-6 Н
где l - расстояние между соседними
опроными изоляторами, м;
а - расстояние между осями шин соседних фаз, м;
iу - ударный ток трехфазного КЗ;
для РУ 27.5кВ:
F =
0.088*13,542 *1/0,75 = 21,51 Н
Выбираем Fразр = 7500 Н
,6*Fразр = 0,6*7500 = 4500 Н
Сечение токоведущей части изолятора:
qmin =
/C =
/88 = 73,25 мм2
Окончательно выбираем: ИП-35/630 - 750. УХЛ, Т
для РУ 10.5кВ:
F =
0.088*26,32 *1/0,75 = 81,158 Н
Выбираем Fразр = 7500 Н
,6*Fразр = 0,6*7500 = 4500 Н
Сечение токоведущей части изолятора:
qmin =
/C =
/88 = 166,538 мм2
Окончательно выбираем: ИП-35/630 - 750. УХЛ, Т
Выбор отключающих аппаратов
При выборе выключателя, его паспортные характеристики сравниваем с
расчетными условиями работы на подстанции. Расчет ведем по схеме:
Таблица 2.17
|
Характеристика условий
выбора отключающих аппаратов
|
Формула.
|
|
По месту установки
|
Наружная, внутренняя
|
|
По номинальному напряжению
|
UH Up
|
|
По номинальному длительному
току
|
IH Ip.max
|
|
По отключающей способности
по номинальному периодическому току отключения
|
IH.откл Iкз
|
|
по полному току отключения
|
Iн.откл(1 + βн) Iкз + iα,τ
|
|
По электродинамической
стойкости: по предельному периодическому току КЗ по ударному току
|
Iпр.с Iкз iпр.с iy
|
|
По термической стойкости
|
I2T*tT Bk
|
где IH.откл - номинальный ток отключения
выключателя по каталогу, кА;
iα,τ - апериодическая составляющая тока КЗ в момент
расхождения контактов выключателя, кА:
iα,τ (ВС) = 0,921 кА;
iα,τ (ВН) = 3,186 кА;
iα,τ (СН) = 6,187 кА;
Iпр.с - эффективное значение периодической
составляющей предельного сквозного тока КЗ по каталогу, кА;
iпр.с - амплитудное значение предельного
сквозного тока КЗ по каталогу, кА;
βн - номинальное значение относительного содержания
апериодической составляющей в отключенном токе, определяем по графику
зависимости от τ:
τ(ВС) = 0,05 с; βн (ВС) =0,03;
τ(ВН) = 0,06 с; βн(ВН) = 0,07;
τ(СН) = 0,06 с; βн(СН) = 0,07;
IT - предельный ток термической стойкости по каталогу, кА;
tT - время прохождения тока термической стойкости по каталогу, с;
Bk - тепловой импульс тока КЗ по расчету, кА2с:
Bk(ВС) = 7,975;
Bk(ВН) = 41,56;
Bk(СН) = 214,72;
iy- ударный ток:
iy(ВС) = 8,8 кА;
iy(НН) = 13,54кА.
iy(СН) = 26,3 кА.
Максимальные токи:
Ip.max (ввод 110кВ) =
= 211,224 кА
Ip.max (СШ 110кВ) =
= 147,857 А
Ip.max (ВН) =
= 197,057 А.
Ip.max (НН)= =
= 412,882 А.
Ip.max (СШ 35кВ) =
= 412,882 А.
Питающие линии потребителей:
10,5кВ:
Ip.max1
= 305,583 А
Ip.max2
= 388,502 А
Ip.max3
= 203,722 А
27,5кВ:
Первичная обмотка ТСН по формуле:
Ip.max =
= 12,6 А
Нетяговые потребители, питающиеся по линии ДПР
Ip.max =
= 15,75 А
Фидеры КС 27,5кВ Ip.max = 587,865
(по 97,977 А на каждый из 6 фидеров).
Выбор выключателей
На стороне 110кВ ПС целесообразно применять воздушные сетевые выключатели
с металлическими дугогасительными камерами типа ВВУ или ВВБ в системах ввода и
шин - ВВБ - 110Б - 31,5/2000 (или ВВУ - 110 - 40/2000).
На стороне 110кВ ВН ТП целесообразно применять специально разработанные
для таких ПС маломасляные выключатели типа ВМТ.
Промышленность выпускает маломасляные
выключатели следующего типоразмера: ВМТ -110Б -
25/1250 УХЛ1
Таблица
2.18
Выбор силових выключателей - 110кВ
|
Характеристика условий
выбора
|
Расчетные параметры
|
Каталожные данные
|
Условия выбора
|
Ucном=110кВ
|
Uном= 110кВ
|
Ucном < U ном ( 110кВ
=110кВ)
|
|
По номинальному длительному
току
|
I110нр = 417,7 А
|
Iном= 1250 А
|
I110нр < Iном ( 417,7 А
< 1250 А)
|
|
По отключающей способности
по номинальному периодическому току отключения по полному току отключения
|
Iкз= 3,45 кА,
|
Iоткл = 25 кА
|
Iкз < Iоткл (3,45кА <
25 кА) Iн.откл(1 + βн) Iкз + iα,τ 1,414*25*(1 + 0,3) = 45,96 кА 1,414*3,45 + 1,145 = 6,0233 кА
|
|
По электродинамической
стойкости: по по предельному периодическому току по ударному току
|
Iкз= 3,45 кА, iуд= 8,8 кА
|
Iпр.с= 25 кА
|
Iкз < Iпр.с 3,45 кА 25 кА iуд < iпр.с (8,8 кА< 25 кА)
|
|
По термической стойкости
|
Вk =7,975 кА2с
|
it = 25кВ
it2tt = Iт.с2 · t = 252·3 = 1875 кА2с
|
Вк < it2tt (7,975кА2с
< 1875) кА2с)
|
Выключатели серии
ВМТ-110Б-25/1250УХЛ1 (сторона ВН) и ВВБ - 110Б - 31,5/2000 (ввод и СШ)
полностью удовлетворяют условиям выбора
Таблица
2.19
Выбор сетевых выключателей в системе 27,5кВ
|
Характеристика условий
выбора
|
Расчетные параметры
|
Каталожные данные
|
Условия выбора
|
|
По номинальному напряжению
|
Ucном= 27,5кВ
|
Uном= 35кВ
|
Ucном < U ном (27,5кВ
< 35кВ)
|
|
По номинальногму
длительному току
|
I27,5нр = 1175,695А
|
Iном= 1250 А
|
I110нр < Iном (1175,695
< 1250 А)
|
|
По отключающей способности
по номинальному периодическому току отключения по полному току отключения
|
Iкз= 5,31 кА,
|
Iоткл = 8,25 кА
|
Iкз < Iоткл ( 5,31кА
< 8,25 кА) Iн.откл(1 + βн) Iкз + iα,τ 1,414*8,25*(1 + 0,3) = 15,167 кА 1,414*5,31+ 0,321= 7,83 кА
|
|
По электродинамической
стойкости: по по предельному периодическому току по ударному току
|
Iкз= 5,31 кА, iуд= 13,54 кА
|
Iпр.с= 21/25 кА
|
Iкз < Iпр.с 5,31 кА 21 кА iуд < iпр.с ( 13,54 кА< 21 кА)
|
|
По термической стойкости
|
Вk = 41,56 кА2с
|
it = 20кВ
it2tt = Iт.с.2 ·t = 202·3 = 1200 кА2с
|
Вк < it2tt (41,56 кА2с
< 1200 кА2с)
|
Выключатель серии
Линии КС и ТСН: ВМУЭ-35Б-25/1250 УХЛ1 и С-35М-25/1250УХЛ1
Фидеры ДПР и КС: ВМУЭ-27,5Б-25/1250УХЛ1 и ВВФ-27,5-1600-20
полностью удовлетворяет условиям выбор
Таблица
2.20
Выбор сетевых выключателей в системе 10,5кВ
|
Характеристика условий
выбора
|
Расчетные параметры
|
Каталожные данные
|
Условия выбора
|
|
По номинальному напряжению
|
Ucном= 10,5кВ
|
Uном= 10,5кВ
|
Ucном < U ном ( 10,5кВ =
10,5кВ)
|
|
По номинальногму
длительному току
|
I10,5нр = 641,825 А
|
Iном= 1250 А
|
I110нр < Iном (641,825
< 1250 А)
|
|
По отключающей способности
по номинальному периодическому току отключения по полному току отключения
|
Iкз= 10,31 кА,
|
Iоткл = 20 кА
|
Iкз < Iоткл ( 10,31кА
< 20 кА) Iн.откл(1 + βн) Iкз + iα,τ 1,414*20*(1 + 0,3) = 36,764 кА 1,414*10,31+ 0,321= 14,9 кА
|
|
По электродинамической
стойкости: по предельному периодическому току по ударному току
|
Iкз= 10,31 кА, iуд= 26,3 кА
|
Iпр.с= 52 кА
|
Iкз < Iпр.с 10,31 кА 52 кА iуд < iпр.с ( 13,54 кА< 21 кА)
|
|
По термической стойкости
|
Вk = 214,72 кА2с
|
it = 20кВ
it2tt = Iт.с.2 ·t = 202·3 = 1200 кА2с
|
Вк < it2tt (214,72 кА2с
< 1200 кА2с)
|
Выключатель серии
масляные выключатели ВКЭ-10-20/1000У3 с встроенным электромагнитным
приводом полностью удовлетворяет условиям выбора
Окончательный выбор сведём в сводную таблицу 2.21:
Таблица 2.21
|
Место установки
|
Тип аппарата
|
Соотношение каталожных и
расчетных данных
|
|
|

|

|

|

|

|

|
|
Ввод 110кВ
|
ВВБ - 110Б - 31,5/2000
|
|
|
|
|
|
|
|
Первичная обмотка
трансформатора 110кВ
|
ВМТ-110Б-25/1250У4
|
|
|
|
|
|
|
|
Ввод РУ - 27,5кВ
|
ВВЭ-35Б-20/1600 УХЛ1
|
|
|
|
|
|
|
|
Фидер к/с 27,5кВ (СШ)
|
ВМУЭ-35Б-25/1250 УХЛ1
|
|
|
|
|
|
|
|
ТСН
|
С-35М-10/630 УХЛ1
|
|
|
|
|
|
|
|
Потребители от ДПР 27,5кВ
|
С-35М-10/630 УХЛ1
|
|
|
|
|
|
|
|
Ввод РУ - 10,5кВ
|
ВКЭ-10-20/1000У3
|
|
|
|
|
|
|
|
Фидер к/с 10,5кВ (СШ)
|
ВКЭ-10-20/1000У3
|
|
|
|
|
|
|
Выбор выключателей нагрузки
Выключатель нагрузки - коммутационный аппарат, предназначенный для
отключения и включения токов нагрузки в нормальном режиме. Выключатели нагрузки
применяют в установках напряжением 6/10/35/110кВ на распределительных пунктах и
трансформаторных подстанциях. Они предназначены для работы в шкафах, камерах
внутренней установки.
Выключатели нагрузки применяются в РУ 110 и 35, 27,5кВ на
подстанциях с ВН 110кВ типа МВ (маломаслянные ВНР-10/400, МВ-35 и МВ-110). Условия выбора:
Таблица 2.22
|
Характеристики условий
выбора выключателей нагрузки
|
Формула
|
|
По конструкции
|
-
|
|
По номинальному напряжению
|
Uуст Uном
|
|
По номинальному току
|
I(U) нр Iном
|
|
По отключающей способности
|
I(U) нр Iоткл
|
|
По электродинамической
стойкости
|
iуд < iпр.с
|
|
По термической стойкости
|
Вк< it2tt
|
Таблица
2.23
|
Тип
|
Номинальный ток, А
|
Номинальный ток отключения,
А
|
Наибольший ток отключения,
А
|
Предельный сквозной ток, А
|
Допустимый ток включения,
кА
|
Ток термической стойкости,
кА/допустимое время его действия
|
Ток отключения холостого
хода трансформатора, А
|
|
|
|
|
Амплитудное значение
|
Действующее значение
периодической составляющей
|
Амплитудное значение
|
Действующее значение
периодической составляющей
|
|
|
|
ВНР-10 (8 штук)
|
400
|
400
|
800
|
40
|
16
|
-
|
-
|
12
|
-
|
|
630
|
630
|
1250
|
50
|
20
|
-
|
-
|
16
|
-
|
|
1250
|
1250
|
2500
|
62,5
|
25
|
-
|
-
|
20
|
-
|
Выбор разъединителей
Условия выбора:
Таблица 2.24
|
Характеристики условий
выбора разъединителей и отделителей
|
Формула
|
|
По конструкции
|
-
|
|
По номинальному напряжению
|
Uуст Uном
|
|
По номинальному току
|
I110нр Iном
|
|
По электродинамической
стойкости
|
iуд < iпр.с
|
|
По термической стойкости
|
Вк< it2tt
|
Промышленность выпускает разъединители на 110кВ типа РНДЗ. На стороне
110кВ необходимо установить разъединители: с двумя заземляющими ножами РНДЗ.2 -
110Б\1000 и с одним заземляющим ножом РНДЗ.1 - 110Б\1000
Условия выбора разъединителей одинаковы. Выбираем разъединители 2 типов
РНДЗ-1- 110Б/1000У1 и РНДЗ - 2 - 110Б/1000У1.
Таблица 2.24
Выбор разъединителей - 110кВ
|
Расчетные параметры
|
Каталожные данные
|
Условия выбора
|
|
Uуст=110кВ
|
Uном=110кВ
|
Uуст Uном(110кВ = 110кВ)
|
|
I110нр = 417,7 А
|
Iном= 1000 А
|
I110нр Iном(417,7 А < 1000 А)
|
|
iуд= 8,8 кА
|
Iпр.с= 80 кА- амплитуда
предельного сквозного тока
|
iуд < iскв ( 8,8 кА <
80 кА)
|
|
iat= 0,921 кА
|
iаном = 40 кА
|
iat < iаном(0,921<
40кА)
|
|
Вk =7,975 кА2с
|
it2tt = 31,52*3= 2977 кА2с
|
Вк< it2tt (7,957кА2с
< 2977 кА2с)
|
Iт = 31,5 кА - ток термической
стойкости (1 с).
Разъединитель полностью удовлетворяет условия выбора.
Таблица 2.25
Выбор разъединителей - 27.5кВ
|
Расчетные
параметрыКаталожные данныеУсловия выбора
|
|
|
|
Uуст= 27,5кВ
|
Uном= 35кВ
|
Uуст Uном(27,5кВ < 35кВ)
|
|
I27,5нр = 1175,695А
|
Iном= 2000 А
|
I27,5нр Iном(1175,695 А < 2000 А)
|
|
iуд= 13,54кА
|
Iпр.с= 80 кА- амплитуда
предельного сквозного тока
|
iуд < iскв (13,54 кА
< 80кА)
|
|
iat= 3,186 кА
|
iаном = 80 кА
|
iat < iаном (3,186 <
31,5кА)
|
|
Вk =41,56кА2с
|
it2tt=Iт2t=31,52*3 =1875
кА2с Iт = 25 кА, tt=3 сек.
|
Вк< it2tt (41,56 <
1875кА2с)
|
Разъединитель РВЗ-35Б/2000У1 с приводом ПР-3У3 полностью
удовлетворяет условия выбора.
Таблица 2.26
Выбор разъединителей -10.5кВ
|
Расчетные
параметрыКаталожные данныеУсловия выбора
|
|
|
|
Uуст= 10,5кВ
|
Uном= 10,5кВ
|
Uуст Uном(10,5кВ = 10,5кВ)
|
|
I10нр = 641,825А
|
Iном= 1000 А
|
I10нр Iном(641,825 А < 1000 А)
|
|
iуд= 26,3 кА
|
Iпр.с= 85 кА- амплитуда
предельного сквозного тока
|
iуд < iскв (26,3 кА <
85кА)
|
|
iat= 6,187 кА
|
iаном = 85 кА
|
iat < iаном(6,187 <
85кА)
|
|
Вk =214,78 кА2с
|
it2tt=Iт2t=252*3 =1875 кА2с
Iт = 25 кА, tt=3 сек.
|
Вк< it2tt (214,78 <
1875кА2с)
|
Разъединитель РВРЗ-Ш-10/2000У3 с приводами ПР-3У3, илиПЧ-50У3, или ПД-5У
полностью удовлетворяет условия выбора.
Таблица 2.27
|
Тип
|
Номинальное напряжение,кВ
|
Наибольшее напряжение,кВ
|
Номинальный ток, А
|
Стойкость при сквозных
токах КЗ, кА
|
Время протекания
наибольшего тока термической стойкости, с
|
Привод
|
|
|
|
|
Амплитуда предельного
сквозного тока
|
Предельный ток термической
стойкости
|
главных ножей
|
заземляющих ножей
|
|
|
Разъединители внутренней
установки В трехполюсном исполнении (рама)
|
|
РВЗ-35/630У3
|
35
|
40,5
|
630
|
51
|
20
|
4
|
|
ПР-3У3
|
|
РВЗ-35/1000У3
|
35
|
40,5
|
1000
|
80
|
31,5
|
4
|
|
ПР-3У3
|
|
РВРЗ-Ш-10/2000У3
|
10
|
12
|
2000
|
85
|
31,5
|
4
|
|
ПР-3У3, или ПЧ-50У3, или
ПД-5У1
|
|
Разъединители внешней
установки В однополюсном исполнении
|
|
РНДЗ-1-110/1000У
РНДЗ-2-110/1000У
|
110
|
126
|
1000 1000
|
80 80
|
31,5 31,5
|
3
|
1
|
ПР-У1 или ПД-5У1
|
Таблица 2.28
|
Место установки
|
Тип аппарата
|
Соотношения каталожных и
расчетных данных
|
|
|
,кВ
|
А
|
кА
|
кА²·с
|
|
Вводы подстанции
|
РНДЗ - 2 - 110Б/1000У1.
|
|
|

|
|
Сборные шины РУ-110кВ
|
РНДЗ - 1 - 110Б/1000У1.
|
|
|
|
|
|
Линейный разъединитель на
27,5кВ
|
РВЗ-35/630У3
|
|
|
|
|
|
Шинный разъединитель на
27,5кВ
|
РВЗ-35/630У3
|
|
|
|
|
|
Сборные шины РУ-27,5кВ
(секционный)
|
РВЗ-35/630У3
|
|
|
|
|
|
Потребитель (шинный) 27,5кВ
|
РНД-35/1000У3
|
|
|
|
|
|
Потребитель (линейный)
27,5кВ
|
РНДЗ-35/1000 У3
|
|
|
|
|
|
ТСН
|
РНДЗ-35/1000 У3
|
|
|
|
|
|
Фидер к/с 27,5кВ
|
РНД-1-35/1000
|
|
|
|
|
|
Фидер 10,5кВ
|
РВРЗ-Ш-10/2000У3
|
|
|
|
|
Линейные разъединители потребителей и ТСН с двумя заземляющими ножами или
с заземлителями типа ESH-01.
Выбор разрядников
Таблица 2.29
Выбор разрядников в ОРУ-110кВ, ОРУ-27,5кВ и PHE-10.5кВ
|
РТВ-10-2/10 У1
|
РВС-35-У1
|
РВМГ-110М-У1
|
|
Uном
|
10кВ
|
27,5кВ
|
110кВ
|
|
Uмакс.доп(дейст.знач.)
|
12кВ
|
40,5кВ
|
115кВ
|
|
Uпробивное
|
2 - 10кВ
|
75-90кВ
|
170 - 195кВ
|
|
Uпроб имп
|
70 - 80кВ
|
116кВ
|
260кВ
|
|
U, не более, остающееся при
импульсном токе с амплитудой, кА
|
80кВ
|
3
|
97кВ
|
245кВ
|
|
|
5
|
105кВ
|
265кВ
|
|
|
10
|
116кВ
|
295кВ
|
В нулевой провод трансформатора встроен трансформатор тока типа ТВТ-35
Выбор электрических аппаратов в цепи заземления нейтрали
трансформатора
Для цепи заземления нейтрали трансформатора промышленность
выпускает заземляющие разъединители типа ЗОН-110М-11У1.
Т.к. изоляция нейтрали трансформатора выполнена на напряжение 50кВ,
параллельно разъединителю устанавливаются два, включенных последовательно,
разрядника тина РВС-35-У1
Выбор измерительных трансформаторов
Выбор трансформаторов тока
Трансформаторы тока выбирают:
по номинальному напряжению установки:
по
номинальному току:
по
роду установки
по
классу точности
Выбранные
трансформаторы тока проверяется:
На
электродинамическую стойкость:
где:
iy - ударный ток короткого замыкания;
=
предельный сквозной ток короткого замыкания;
Проверка
на термическую стойкость:
где:
BK - тепловой импульс, кА2с;
где:
ток термической стойкости, кА;
время
протекания тока термической стойкости, с.
Проверка
на соответствие классу точности для номинальной нагрузки:
где:
z2 - вторичная нагрузка наиболее нагруженной фазы ТТ, Ом;
-
номинальная допустимая нагрузка проверяемой обмотки ТТ в выбранном классе
точности, Ом.
Так
как индуктивное сопротивление токовых цепей невелико, то:
где:
- сопротивление токовых обмоток измерительных
приборов и реле, Ом;
-
сопротивление контактов: 0,05 Ом - при двух и трёх приборах и 0,1 - при большом
числе приборов;
-
сопротивление соединительных проводов, Ом.
где:
r - удельное сопротивление материала провода (с медными
жилами - 1.75´10-8 Ом×м; с
алюминиевыми жилами - 2,83´10-8 Ом×м);пр - сечение проводов, которое не должно
быть меньше 4 ´10-6 м2 для алюминия и 2,5 ´10-6 м2 для меди, но не более 10
´10-6 м2;
-
расчётная длина соединительных проводов
Встроенные
ТТ на электродинамическую и термическую стойкости не проверяем.
Ввод
высокого напряжения силового трансформатора
Тип
ТТ: ТВ-110 -1000/5
по
номинальному напряжению установки:
110
= 110кВ
по
номинальному току:
>
417.7 А
на
соответствие классу точности для номинальной нагрузки:
Класс
точности: 0,5
Амперметр
Э377:
Счётчик
активной энергии СА3У-И670:
Счётчик
реактивной энергии СР4-И673:
,0
> 0.8 Ом
Ввод
низкого напряжения тягового трансформатора 27,5кВ
Тип
ТТ: ТВ - 35 - 1500/5
по
номинальному напряжению установки:
>
27,5кВ
по
номинальному току:
>
1175,695А
на
соответствие классу точности для номинальной нагрузки:
Класс
точности: 0,5
Амперметр
Э377:
Счётчик
активной энергии СА3У-И670:
Счётчик
реактивной энергии СР4-И673:
,2
> 1,0 Ом
Фидеры
контактной сети 27,5кВ
Тип
ТТ: ТВ - 35 - 600/5
по
номинальному напряжению установки:
кВ
> 27,5кВ
по
номинальному току:
600А > 587,865
А
на соответствие классу точности для номинальной нагрузки:
Класс
точности: 0,5
Амперметр
Э377:
,0
> 0,91 Ом
Ввод
нижнего напряжения тягового трансформатора 10,5кВ
Тип
ТТ: ТПОЛ-10- 1000/5
по
номинальному напряжению установки:
,5кВ
> 10кВ
по
номинальному току:
А
> 641,825 А
на
соответствие классу точности для номинальной нагрузки:
Класс
точности: 0,5
Амперметр
Э377:
Счётчик
активной энергии СА3У-И670:
Счётчик
реактивной энергии СР4-И673:
,2
> 1,0 Ом
Выбор трансформаторов напряжения
Трансформаторы напряжения выбираются:
. по номинальному напряжению установки:
.
по конструкции и схеме соединения обмоток;
.
по классу точности;
.
по нагрузке вторичных цепей:
где:
S2ном - номинальная мощность ТН в выбранном классе точности, ВА;2
- суммарная мощность, потребляемая подключенными к ТН приборами, ВА.
где:
Sприб - мощность потребляемая всеми катушками одного прибора;
-
коэффициент мощности прибора.
Таблица 2.30
Выбор ТН в РУ-110кВ
|
Прибор
|
Тип прибора
|
Nкат
|
Nпр
|
Sн
|
Cos jпр
|
Sin jп
|
Pпр, Вт
|
Qпр, ВАр
|
|
Вольтметр
|
Э378
|
1
|
1
|
2
|
1
|
0
|
2.0
|
-
|
|
Счётчик активной энергии
|
СА3У-И670
|
2
|
8
|
4
|
0.38
|
0.93
|
24
|
59.5
|
|
Счётчик реактивной энергии
|
СР4-И673
|
3
|
8
|
7.5
|
0.38
|
0.93
|
68.4
|
167.3
|
|
Реле напряжения
|
РН - 54
|
1
|
3
|
1.0
|
1
|
0
|
3.0
|
-
|
|
ИТОГО:
|
97.4
|
226,8
|
Тип
ТН: 3´ЗНОГ - 110 82У3
450
> 226.8 ВА
=
110кВ
Таблица 2.31
Выбор ТН в РУ-27.5кВ
|
Прибор
|
Тип прибора
|
Nкат
|
Nпр
|
Sн
|
Cos jпр
|
Sin jп
|
Pпр, Вт
|
Qпр, ВАр
|
|
Вольтметр
|
Э378
|
1
|
1
|
2
|
1
|
0
|
2.0
|
-
|
|
Счётчик активной энергии
|
СА3У-И672
|
2
|
6
|
4
|
0.38
|
0.93
|
18,2
|
44,7
|
|
Счётчик реактивной энергии
|
СР4-И673
|
3
|
4
|
7,5
|
0.38
|
0.93
|
34,2
|
83,7
|
|
Электронная защита фидера
|
УЭЗФМ
|
1
|
5
|
4
|
1
|
0
|
20
|
-
|
|
Определитель места
повреждения
|
ОМП
|
1
|
2
|
1
|
1
|
0
|
2
|
-
|
|
Реле напряжения
|
РН - 54
|
1
|
3
|
1
|
1
|
0
|
3
|
-
|
|
ИТОГО:
|
79,4
|
128,4
|
Тип
ТН: 2´ЗНОМ - 35
>
150.9 ВА; 35 > 27,5кВ
Таблица 2.32
Выбор ТН в РУ - 10,5кВ
|
Прибор
|
Тип прибора
|
Nкат
|
Nпр
|
Sн
|
Sinjп
|
Pпр, Вт
|
Qпр, ВАр
|
|
Вольтметр
|
Э378
|
1
|
1
|
2
|
1
|
0
|
2.0
|
-
|
|
Счётчик активной энергии
|
СА3У
|
2
|
8
|
4
|
0.38
|
0.93
|
24.5
|
62.3
|
|
Счётчик реактивной энергии
|
СР4-И673
|
3
|
8
|
7.5
|
0.38
|
0.93
|
68.3
|
167.6
|
|
Реле напряжения
|
РН - 54
|
1
|
3
|
1.0
|
1
|
0
|
3.0
|
-
|
|
ИТОГО:
|
97.8
|
229.9
|
Тип
ТН: 3´ ЗНОМ - 10
>
249.8 ВА
=
35кВ
Выбор ограничителей перенапряжения
Для защиты изоляции токоведущих частей, аппаратуры и оборудования от
коммутационных и атмосферных перенапряжений.
ОПН выбирают по условию:
ОРУ
-110кВ: ОПН - У/TEL - 110-УХЛ 1
=
110кВ
ОРУ
- 27.5кВ: ОПН - У/TEL - 27,5-УХЛ 1
,5
= 27,5кВ
ОРУ
- 10,5кВ: ОПН - У/TEL - 10-УХЛ 1
,5
= 10,5кВ
Выбор электрических аппаратов в РУ-27,5кВ
Распределительные устройства переменного тока на напряжение 27.5кВ (РУ
27,5кВ) используются для питания тяговых сетей переменного тока.
РУ-27,5кВ служат для приема и распределения напряжения 27.5кВ от
понижающих силовых трансформаторов, передачи напряжения в тяговую сеть, в цепи
питания фидеров «два провода-рельс», в цепи собственных нужд тяговых
подстанций, организации плавки гололеда и профилактического подогрева проводов
контактной сети, подключения фильтр-компенсирующих устройств.
Различают РУ-27,5кВ наружной (ОРУ) и внутренней (ЗРУ) установки.
ОРУ-27,5кВ с воздушной изоляцией применяли в начале электрификации на
переменном токе. В блоках ОРУ на единой раме устанавливалось силовое
оборудование: масляные выключатели, разъединители с моторными и ручными приводами,
трансформаторы тока и напряжения, шкафы зажимов, ошиновка, сетчатые ограждения.
Монтаж тяговой подстанции заключался в расстановке блоков на специально
подготовленной территории с фундаментами и маслоприемниками (в случае
применения масляных выключателей), блоки между собой связывались жесткой и
(или) гибкой ошиновкой и обеспечивались высоковольтные подключения к понижающим
трансформаторам и фидерам на порталах.
По мере совершенствования коммутационной техники масляные выключатели
заменили вакуумные, где масло выступало лишь защитной средой от внешних
климатических воздействий, и не избавляло эксплуатационные службы от
необходимости контролировать параметры масла и содержать в своем составе
специальные группы и лаборатории масляного хозяйства. В последнее время
вакуумные выключатели наружной установки изготавливаются полностью сухими и не
содержат в своей конструкции масла. В здании или контейнере подстанции
располагается оперативный пункт управления (ОПУ) с блоками ОРУ, который состоит
из ряда шкафов с установленными в них устройствами защит, автоматики,
управления, сигнализации и измерений в каждом блоке.
Основными достоинствами блоков ОРУ являются простота конструкции,
монтажа, наладки, эксплуатации и технического обслуживания, доступность
компонентов для проведения ревизий и осмотров.
Основными недостатками блоков ОРУ являются большие площади, занимаемые
распределительным устройством, воздействие климатических (дождь, снег, гололед)
и внешних (загрязненность, запыленность и др.) факторов, дополнительные,
достаточно протяженные связи цепей вторичной коммутации силового оборудования и
ОПУ, низкая степень электробезопасности эксплуатационного персонала, сложности
с оперативной заменой отказавшего силового оборудования, дополнительные затраты
энергии на обогрев приводов выключателей и разъединителей, большая потребляемая
мощность включающих электромагнитов выключателей ввиду массивности конструкции
подвижных частей. Но, несмотря на это, блоки ОРУ обладают достаточной степенью
надежности и применяются при расширении действующих ОРУ-27,5кВ при наличии
необходимых площадей на тяговой подстанции.
В настоящее время при реконструкции или новом строительстве РУ-27,5кВ
впервые предложено выполнять внутренней установки па базе функциональных блоков
полной заводской готовности.
Различают ЗРУ-27,5кВ с элегазовой изоляцией и воздушной изоляцией.
В ЗРУ с элегазовой изоляцией основной изолирующей средой между
токоведущими и заземленными частями ячеек является эле-газ. Как правило, ячейки
ЗРУ с элегазовой изоляцией одностороннего обслуживания. Высоковольтные
выключатели в ЗРУ данного типа - вакуумные стационарной установки. Элегаз
служит лишь изоляционной средой, не являясь дугогасящей средой при коммутациях
и аварийных отключениях энергии, и не может в случае утечки оказывать
поражающее действие на эксплуатационный персонал. В элегазе также размещены
разъединители с моторными и ручными приводами и трансформаторы напряжения. Как
правило, элегазовый объем ячейки отделен от элегазового объема сборных шин.
Трансформаторы тока и ограничители перенапряжений выполняются съемными
специального исполнения и располагаются вне элегазового объема.
В зависимости от особенностей конструкции различают ЗРУ с пофазной
(однополюсной) изоляцией токоведущих шин в элегазе, когда каждая из токоведущих
шин находится в своем объеме (капсуле), и ЗРУ с трехфазной изоляцией шин в
элегазе, когда все три фазы располагаются в одном элегазовом объеме.
Основными достоинствами ЗРУ с элегазовой изоляцией являются небольшие
занимаемые площади по сравнению с РУ другого типа, что позволяет значительно
снизить капитальные затраты при сооружении тяговой подстанции, высокая
надежность работы, минимум требуемого технического обслуживания, высокая
степень безопасности за счет размещения токоведущих частей в изолированном
объеме.
Основными недостатками ЗРУ с элегазовой изоляцией являются возможность
использования только кабельных высоковольтных подключений к РУ с помощью
специальных герметичных адаптеров и муфт, необходимость отключения всего РУ при
модернизациях и расширениях, применение только специальных трансформаторов
тока.
Применение ЗРУ-27,5кВ с элегазовой изоляцией целесообразно при
значительных пространственных ограничениях, например, в крупных городах из-за
плотности застройки и большой стоимости земли, в труднодоступных районах, в
районах с сильно загрязненной атмосферой, в скальном грунте с ограниченными или
трудно осваиваемыми площадями под подстанции.
Для тяговых подстанций возможно применение следующих ЗРУ-27,5кВ с
элегазовой изоляцией: с пофазной изоляцией - 8DA11/12 (Siemens, Германия), с
изоляцией в одном элегазовом объеме - NXPLUS (Siemens, Германия).
В ЗРУ с воздушной изоляцией основной изолирующей средой между
токоведущими и заземленными частями ячеек является воздух. Ячейки ЗРУ
обеспечивают одностороннее обслуживание. Высоковольтные выключатели в ЗРУ
данного типа - вакуумные стационарной или выкатной установки. Ячейки ЗРУ со
стационарной установкой выключателей (типа КСО) имеют простую конструкцию,
когда на одной раме агрегагированы: силовой вакуумный выключатель,
разъединители, литые трансформаторами тока и напряжения, жесткая ошиновка,
низковольтный отсек с фидерным терминалом. Ячейки типа КСО имеют систему
электромагнитных блокировок для предотвращения ошибочных действий
эксплуатационного персонала и предназначены для кабельного или шинного
высоковольтного подключения.
Основными достоинствами ячеек типа КСО являются: использование
минимального количества подвижных частей, доступность компонентов для
проведения периодических осмотров и ревизий, отсутствие специальных требований
к помещению РУ.
Основными недостатками ячеек типа КСО являются: отсутствие разделения на
отсеки с металлическими стенками, что приводит к низкой локализационной
способности ячеек при дуговых замыканиях; отсутствие проходных изоляторов и
автоматических шторок, что приводит к низкой степени безопасности
эксплуатационного персонала; большие габаритные размеры по сравнению с ЗРУ с
элегазовой изоляцией и ячейками типа КРУ
Для тяговых подстанций возможно применение следующих типов ячеек КСО:
Sitras ASG25 (Siemens, Германия), С-27,5 (НИИЭФАЭНЕРГО, Россия).
Ячейки ЗРУ-27,5кВ с воздушной изоляцией с выкатными выключателям (типа
КРУ) имеют следующую конструкцию: в зависимости от особенностей ячейка
разделена на несколько независимых отсеков с металлическими перегородками,
устойчивыми к давлению при возникновении дуговых коротких замыканий. Ячейки
оборудуются проходными изоляторами и автоматическими шторками для обеспечения
высокой степени безопасности эксплуатационного персонала. В низковольтном
отсеке ячейки устанавливаются интеллектуальные фидерные терминалы
присоединения. Выкатной элемент с расположенным на нем вакуумным выключателем
имеет три стандартных фиксированных положения: рабочее, контрольное и
ремонтное. Применение выкатного элемента обеспечивает высокую доступность
компонентов ячейки для проведения периодических осмотров и ревизий. Ячейки
предусматривают возможность выполнения кабельного или шинного высоковольтного
подключения.
Основными преимуществами ячеек типа КРУ являются: высокая степень
безопасности эксплуатационного персонала за счет системы встроенных
механических блокировок и разделения ячейки на независимые отсеки;
использование надежных стандартных компонентов; меньшие габаритные размеры по
сравнению с ячейками типа КСО; быстрая замена тележки с выключателем.
Основные недостатки ячеек типа КРУ: специальные требования к полам
помещения; необходимость в проходе для вкатывания и выкатывания элемента с
выключателем.
Возможно применение следующих типов ячеек КРУ: ТАС (Balfour Beatty Rail,
Великобритания), Unipowcr (UTU ELEC, Финляндия), Unigear R40 (ABB, Швеция),
КЛ-27,5 (НИИЭФА-ЭНЕРГО, Россия), СИГМА (НИИЭФА-ЭНЕРГО, Россия).
Выбираем функциональный блок ЗРУ - 27,5 выполненный на базе ячеек серии
КЕ - 275 с элегазовой изоляцией ТУ У 31.2-33165522-019 -2010
Ячейки комплектного распределительного устройства серии “КЕ-275″
изготавливается по лицензии фирмы Siemens и представляют собой ячейки СО со
стационарно установленным силовым вакуумным выключателем 3АН47. В качестве
изоляции используется SF6 (элегаз). Ячейки поставляются Заказчику в полной
заводской готовности и не требуют обслуживания в течении всего срока
эксплуатации. В своем классе напряжения ячейка обладает минимальными
габаритами.
Условия выбора вводных ячеек сведены в таблице 2.33.
Таблица 2.33
|
Расчетные параметры
|
Каталожные данные
|
Условия выбора
|
|
Uуст=27,5кВ
|
Uном= 27,5кВ
|
Uуст<Uном( 27,5кВ =
27,5кВ)
|
|
I27,5нр = 417,7 А
|
Iном = 630 - 2000 А
|
I35 нр <Iном(417,7А <
630А)
|
|
iατ=3,186кА,
|
Iоткл = 40 кА
|
Iατ < Iоткл ( 3,186< 40кА)
|
|
Ik = 5,31кА
|
Iм.вык = 40 кА
|
Ik< Iм.вык ( 5,31кА <
40 кА)
|
|
iуд= 13,54кА
|
Iскв.т = 40 кА
|
iуд < iск.т ( 13,54 кА
< 40 кА)
|
|
Вk = 41,56 кА2с
|
it2tt=1200кА2с
|
Вк< it2tt (41,56
кА2с<1200кА2с)
|
Таблица 2.34
Основные технические характеристики ЗРУ 27,5кВ
|
Наименование параметра
|
Значение
|
|
Номинальное напряжение:
токоведущая часть - заземленная конструкция, кВ
|
27,5
|
|
Наибольшее рабочее
напряжение: токоведущая часть - заземленная конструкция, кВ
|
29,0
|
|
Номинальное напряжение
между главными (сборными) шинами РУ-27,5кВ,кВ
|
55,0
|
|
Наибольшее рабочее
напряжение между главными (сборными) шинами РУ-27,5кВ,кВ
|
58,0
|
|
Номинальный ток главных
цепей шкафов РУ-27,5кВ, А
|
630; 1250; 1600; 2000
|
|
Номинальный ток главных
(сборных) шин, А
|
1250
|
|
Ток термической стойкости
(кратковременный), кА, не менее Примечание - Время протекания тока
термической стойкости для главных цепей - не более 3 с, для заземляющих ножей
- не более 1 с
|
20
|
|
Номинальный ток
электродинамической стойкости главных цепей шкафов распределительного
устройства (амплитуда), кА Примечание - Если нет ограничений по
трансформаторам тока
|
40
|
|
Номинальное напряжение
вспомогательных цепей, В:- постоянного тока- переменного тока (однофазного и
трехфазного)
|
110; 220220
|
Основные технические характеристики ячейки КЕ-275
|
Номинально напряжение
|
35кВ
|
|
Наибольшее рабочее
напряжение
|
40,5кВ
|
|
Номинальный ток главных
цепей ячеек КРУ
|
до 2000 А
|
|
Номинальный ток сборных шин
|
до 2500 А
|
|
Номинальный ток отключения
выключателей
|
до 40 кА
|
|
Ток термической стойкости
(кратковременный): время протекания тока термической стойкости для главных
цепей - не более 3 с, для заземляющих ножей - не более 1 с
|
до 40 кА
|
|
Номинальный ток
электродинамической стойкости главных цепей ячеек КРУ (амплитуда), если нет
ограничений по трансформаторам тока
|
до 100 кА
|
|
Габариты
|
Ш600хГ1625хВ235
|
Вводные ячейки прошли все контрольные параметры. Для секции сборных шин
применяется ячейки.
тяговый подстанция токоведущий трансформатор
Таблица 2.35
Условия выбора ячеек для секционирования сборных шин
|
Расчетные параметры
|
Каталожные данные
|
Условия выбора
|
|
Uуст= 27,5кВ
|
Uном=35кВ
|
Uуст<Uном( 27,5кВ кВ)
|
|
I27,5пр =1175,695А
|
Iном= 630; 1250; 1600; 2000
|
I10нр <Iном(1175,695 А
< 1250А)
|
|
iατ= 3,186 кА,
|
Iоткл =40 кА
|
Iατ < Iоткл ( 3,186 кА<40кА)
|
|
Ik = 5,31кА
|
Iм.вык =40 кА
|
Ik< Iм.вык (5,31 <
40кА)
|
|
iуд= 13,56 кА
|
Iскв=100 кА
|
iуд < iскв (
13,56кА<100 кА)
|
|
Вk = 41,56 кА2с
|
it2tt=1200кА2с
|
Вк< it2tt (41,56
кА2с<1200кА2с)
|
Для подключения отходящих линий используем шкафы на номинальные токи 630
А.
Таблица 2.36
Условия выбора ячеек для отходящих линий
|
Расчетные параметры
|
Каталожные данные
|
Условия выбора
|
|
Uуст=27,5кВ
|
Uном=35кВ
|
Uуст<Uном( 27,5кВ кВ)
|
|
I27,5пр = 288,684А
|
Iном= 630 А
|
I10нр
<Iном(288,684А<630А)
|
|
iατ= 0,321 кА,
|
Iоткл =40кА
|
Iατ < Iоткл ( 0,321кА<40кА)
|
|
Iкз = 4,5645кА
|
Iм.вык = 40 кА
|
Ik< Iм.вык
(4,5645кА<40кА)
|
|
iуд= 11,64кА
|
Iм.дин =100 кА
|
iуд < iскв (
11,64кА<100кА)
|
|
Вk = 34,794 кА2с
|
it2tt=1200кА2с
|
Вк< it2tt
(34,764кА2с<1200кА2с)
|
Исходя из расчетов видно, что выбор всех электрических аппаратов в РУ -
27,5кВ удовлетворяет допустимым условиям
Выбор электрических аппаратов в ЗРУ-10кВ
РУ-10кВ подстанции предполагается выполнить с применением малогабаритного
РУ - ячейку серии КСО-272
Вводные шкафы на токи 2000А комплектуются маломасляными выключателями
типа ВМПЭ-10.Секционные шкафы на токи до 1000А и линейные на токи до 3200А
комплектуются колонковыми масляными выключателями серии ВМГ-10 с пружинным
приводом - поэтому выбираем в ЗРУ- 10кВ КРУ
В ячейках установлены выключатели типа ВМПЭ-10.Для выключателей этого
типа tcв=0,05с, тогда τ = tсз+ tcв =0,01+0,05=0,06с.
ЗРУ изготавливаются в соответствии с техническими требованиями 08.040ТТ,
«Правилами безопасности в нефтяной и газовой промышленности» ПБ 08-624-03
ГОСТ14695-80Е, ТУ 3412-006-24366272-2001, ТУ3434-001-02917889-2002 (в части
РУНН), ТУ 3414-002-2366272-99 (в части УВН), ТУ 5363-010-24366272-2002 и удовлетворяет
требованиям ПУЭ.
Таблица 2.37
Основные технические параметры ЗРУ 10кВ
|
Наименование параметра
|
Значение
|
|
Номинальная мощность
трансформатора, кВт
|
1500
|
|
Количество трансформаторов,
шт
|
2
|
|
Номинальное входное
напряжение, кВ
|
0,6
|
|
Номинальное выходное
напряжение, кВ
|
6, 10
|
|
Напряжение собственных
нужд, кВ
|
0,4
|
|
Номинальный входной ток, А
|
2х1200
|
|
Номинальный выходной ток, А
|
630
|
|
Номинальная частота, Гц
|
50
|
|
Величина сопротивления
изоляции на стороне низшего напряжения (НН) относительно корпуса-не менее, МОм
|
1,0
|
|
Величина сопротивления
изоляции на стороне высшего напряжения (ВН) относительно корпуса-не менее,
МОм
|
1000
|
|
Ток электродинамической
стойкости шин отсека ВН, кА
|
51
|
|
Ток термической стойкости
шин отсека ВН, кА
|
20
|
|
Габаритные размеры ДхШхВ,
не более, мм
|
10105х2940х3070
|
|
Масса, не более, кг
|
20000
|
|
Срок службы не менее, лет
|
7
|
Условия выбора вводных ячеек сведены в таблице 2.38
Таблица 2.38
|
Расчетные параметры
|
Каталожные данные
|
Условия выбора
|
|
Uуст=10кВ
|
Uном=10кВ
|
Uуст<Uном( 10кВ<10кВ)
|
|
I10нр =916,893А
|
Iном=1600А
|
I10нр < Iном (916,893
А<1600А)
|
|
iατ= 6,187кА,
|
Iоткл =20кА
|
Iατ < Iоткл ( 6,187 кА< 20кА)
|
|
Ik = 10,31кА
|
Iм.вык = 52 кА
|
Ik< Iм.вык (10,31 кА
< 52кА)
|
|
iуд= 26,3 кА
|
Iм.дин =52 кА
|
iуд < iскв ( 26,3 <
52кА)
|
|
Вk =214,72 кА2с
|
it2tt=1200кА2с
|
Вк< it2tt (214,72
кА2с<1200 кА2с)
|
Вводные ячейки прошли все контрольные параметры Для секции сборных шин
применяется спаренные ячейки. Условия выбора ячеек приведены в таблице 2.39.
Таблица 2.39
Условия выбора ячеек для секционирования сборных шин
|
Расчетные параметры
|
Каталожные данные
|
Условия выбора
|
|
Uуст=10кВ
|
Uном=10кВ
|
Uуст<Uном( 10кВ<10кВ)
|
|
I10нр =916,893А
|
Iном= 1600А
|
I10нр <Iном(916,893А
< 1600А)
|
|
iατ= 6,187 кА,
|
Iоткл =20кА
|
Iατ < Iоткл ( 6,187 кА < 20кА)
|
|
Ik = 10,31кА
|
Iм.вык = 51 кА
|
Ik< Iм.вык (10,31<
51кА)
|
|
iуд= 26,3 кА
|
Iм.дин =51 кА
|
iуд < iскв ( 26,3 кА
< 51кА)
|
|
Вk =214,72 кА2с
|
it2tt=1200кА2с
|
Вк < it2tt (214,72кА2с
< 1200кА2с)
|
Для подключения отходящих линий используем шкафы на номинальные токи
630-1000 А.
Таблица 2.40
Условия выбора ячеек для отходящих линий: Ip.max = 916,893/3 = 305,631 А
|
Расчетные параметры
|
Каталожные данные
|
Условия выбора
|
|
Uуст=10кВ
|
Uном=10кВ
|
Uуст < Uном ( 10кВ <
10кВ)
|
|
I10нр =305,631 А
|
Iном=1000А
|
I10нр < I ном ( 305,631
А< 1000А)
|
|
iατ= 6,187 кА,
|
Iоткл =20кА
|
Iατ < Iоткл (6,187кА<20кА)
|
|
Ik = 10,31 кА
|
Iм.вык = 51 кА
|
Ik< Iм.вык (10,31кА <
51кА)
|
|
iуд= 26,3 кА
|
Iм.дин =51 кА
|
iуд < iскв ( 26,3 кА
< 51кА)
|
|
Вk = 108,42 кА2с
|
it2tt=1200кА2с
|
Вк< it2tt
(108,42кА2с<1200кА2с)
|
Исходя из расчетов видно, что выбор всех электрических аппаратов в РУ -
10кВ удовлетворяет допустимым условиям.
Релейная защита
Основными видами повреждения трансформаторов являются многофазные и
однофазные короткие замыкания в обмотках и на выводах трансформатора, а также
"пожар в стали" магнитопровода. Однофазные повреждения бывают двух
видов: на землю и между витками обмотки. Наиболее вероятны короткие замыкания
на выводах трансформаторов и однофазные замыкания в обмотках. При витковых
замыканиях разрушается изоляция и магнитопровод трансформатора, поэтому такие
повреждения должны отключатся быстродействующей защитой. Использовать для этой
цели токовые и дифференциальные защиты не представляется возможным, так как при
малом числе замкнувшихся витков ток в поврежденной фазе со стороны питания
может оказаться меньше значения номинального тока, а напряжение на выводах
трансформатора практически не изменится. Защиты, основанные на использовании
электрических величин не реагируют на "пожар в стали" магнитопровода.
Для защиты от такого вида повреждений и от витковых замыканий на трансформаторе
устанавливается токовая защита, которая является универсальной защитой от
токовых повреждений Достоинствами газовых защит являются:
высокая чувствительность и реагирование на все виды повреждений внутри
бака;
сравнительно не большое время срабатывания;
простота выполнения;
способность защищать трансформатор при недопустимом понижении уровня
масла.
Наряду с этим защита имеет ряд недостатков, основной из которых - не
реагирование на повреждения вне бака. Защита может действовать ложно при
попадании воздуха в бак трансформатора, например при доливке масла. В связи с
этим газовую защиту нельзя использовать в качестве единственной защиты от
внутренних повреждений. Вместе с газовой защитой устанавливается
дифференциальная защита.
Для защиты от внешних коротких замыканий применяются токовые защиты с
выдержкой времени. Эти защиты реагируют и на внутренние короткие замыкания,
следовательно, могут использоваться как резервные. Защита от перегрузки
выполняется на реле тока, включенном в сеть одного из трансформаторов тока
защиты от внешних коротких замыканий. Для отстройки от кратковременных
перегрузок и коротких замыканий предусматривается реле времени. Выдержка
времени принимается на ступень селективности больше, чем время срабатывания защиты
трансформатора от внешних коротких замыканий.
а) На силовом трансформаторе 110/35
дифференциальная токовая защита
максимальная токовая защита с блокировкой по напряжению с 2 выдержками
времени на отключение ввода 110кВ -1 ступень, отключение выключателя 110кВ - 2
ступень
токовая защита от перегрузки с действием на сигнал
газовая защита с действием на сигнал и на отключение тр-ра
от понижения уровня масла
б) на вводах 27,5 и 10,5кВ
максимальная токовая защита(1 ступень защиты тр-ра установлена на стороне
110кВ
в) На секционном выключателе 27,5кВ максимальная токовая защита
г) На отходящих кабальных линиях 27,5 и 10,5кВ
токовая отсечка
максимальная токовая защита
защита от замыкания на землю (с действием на сигнал).
Управление, сигнализация, блокировка
Управление приводами масляных выключателей осуществляется с помощь ключа
управления установленного в шкафах КМ-1Ф и в релейных шкафах ИТР
(предполагается автоматическое управление ими). Управление разъединителями
110кВ осуществляется с помощью ручных приводов. В релейном шкафу собраны
выходные сигналы (аварийное отключение выключателей и неисправности
подстанции), которые выдают сигнал в пункт диспетчерского управления. Кроме
того выдается информация о положении выключатея110/35кВ. Предполагается
применение аппаратуры телемеханики КУСТ-А. Оперативная блокировка подстанции на
стороне 110кВ выполняется электромагнитной на выпрямленном оперативном токе 220
В.На стороне 110кВ в комплектных РУ выполняется механическая блокировка.
Автоматика
Автоматика на подстанции предусматривает:
а) на тр-рах 110/35кВ - автоматическое регулирование напряжения со
стороны 110кВ
б) на вводах 110кВ:
автоматическое отключение вводов при исчезновение напряжения
-автоматическое включение вводов при восстановление напряжения.
в) на секционном выключателе 110кВ
2х стороннее автоматическое включение резерва без выдержки времени при
отключении одного из вводов 110кВ.
автоматическое выключение выключателя при восстановление напряжения.
г) на отходящих линии 110кВ
автоматическая частотная разгрузка.
автоматическое повторное включение после АЧР.
д) на шинах собственных нужд 220 В
автоматическое включение резерва (АВР).
е) на шинах обеспечивающих питание 220 В-АВР.
Высокочастотная связь
Проектом предусмотрено высокочастотная связь с диспетчерским пунктом
электрической сети.
2.7 Расчёт заземления
Заземляющее устройство представляет собой совокупность заземлителя и
заземляющих проводников. Заземлителем называется проводник (электрод) или
совокупность металлических соединенных между собой проводников, находящихся в
соприкосновении с землей. Искусственным заземлителем называется заземлитель,
специально выполненный для целей заземления. Естественными заземлителями
называются находящиеся в соприкосновении с землей электропроводящие части
коммуникаций, зданий и сооружений производственного или иного назначения,
используемых для целей заземления. Наиболее важной характеристикой такого
контура является сопротивление растеканию заземляющего устройства, которое не
должно превышать 0,5 Ом. Условный план подстанции и контур заземления
подстанции показан на рисунке.
,Ом
где
- сопротивление заземляющего устройства, Ом.
Сопротивление
заземляющего устройства определяется по формуле:
;
R22 - сопротивление растеканию
вертикальных электродов, Ом;
R12 - взаимное сопротивление между
горизонтальной сеткой и вертикальными электродами, Ом.
Сопротивления R11, R22 ,R12 определяются выражениями:
где ρ - удельное сопротивление грунта, Ом·м (для суглинка
принимаем равным 100 Ом·м);
L -
полная длина проводников, образующих горизонтальную сетку, м;
S -
площадь покрытия защитной сеткой, м2;
l -
длина вертикальных заземлителей, м (l = 1,8 м);
d - диаметр
вертикального электрода, м (
);
b - ширина
полосы горизонтальных заземлителей, м (b=0,02м);
h - глубина заложения
горизонтальных заземлителей, м (h=0,5 м);
n - число
вертикальных заземлителей, шт.
Рис.
2.19 План тяговой подстанции
Определим
площадь подстанции по представленному рисунку 2.19:
Вычислим
периметр подстанции по представленному рисунку 2.19:
Определяем
число вертикальных заземлителей, учитывая, что расстояние между вертикальными
заземлителями не должно быть меньше длины заземлителя:
,
где
n - число вертикальных заземлителей, шт;
-
периметр защищаемой зоны;
Длина
горизонтальных заземлителей находится как сумма длин полос располагающихся в
четырёх прямоугольных фигурах. Вычислим число полос располагающиеся по ширине
подстанции:
Всего:
29 + 26 = 55 шт.
Вычислим
число полос располагающиеся по длине подстанции:
Всего:
38 + 14 = 52 шт.
Вычислим
длину полос по ширине подстанции.
Вычислим
длину полос по длине подстанции
Определим
полную длина проводников образующих горизонтальную сетку.
Определяем
сопротивления R11, R22, R12:
Теперь
определим сопротивление заземляющего устройства:
,378
Ом < 0,5 Ом
Сопротивление заземляющего контура не превышает 0,5 Ом, следовательно,
рассчитанное заземление применимо к установке.
Схема расположения приведена в графической части (Лист 4).
3. Измерительные трансформаторы. Обслуживание, ремонт
испытания
.1 Измерительные трансформаторы
Обслуживание, ремонт и испытания измерительных трансформаторов
регламентируются СТО 70238424.17.220.20.002-2011Измерительные трансформаторы.
Организация эксплуатации и технического обслуживания. Нормы и требования.
Трансформаторы
напряжения (ТН). ГОСТ 1983-2001
<#"806617.files/image368.jpg">. Соответственно номинальное напряжение первичных
обмоток однофазных ТН, один вывод которых всегда соединен с землей, равно
фазному, т.е. 6/
, 10/
и т.д.
Предельные
погрешности ТН, соответствующие классам точности 0,2; 0.5; 1; 3, определены для
частоты 50+5 Гц первичного напряжения 0,8÷1,21U1ном,
нагрузки подключенной ко вторичной обмотке в пределах
От
0,25
при
коэффициенте мощности cosφ = 0,8 и зависят от размеров магнитопровода, магнитных
свойств стали, конструкции и сечения обмотки, а также от нагрузки и первичного
напряжения. Если нагрузка ТН незначительна, то к вторичным обмоткам
подключаются балластные резисторы, чтобы обеспечить работу ТН в необходимом
классе точности.
ТН
напряжением до 35кВ и каскадные ТН типа НКФ-110-58У1 предназначены для сетей с
изолированной нейтралью, а напряжением 110кВ и выше - для сетей с заземленной
нейтралью.
В
цепи первичной обмотки ТН до 35кВ, как правило, устанавливаются предохранители.
Предохранители обеспечивают защиту шин и других первичных цепей, к которым
подключен ТН. Токи к.з. в цепях вторичной обмотки и на ее выводах в большинстве
случаев имеют значения недостаточные для срабатывания предохранителей и,
поэтому, ими не защищается.
В
тех случаях, когда возникновение к.з. в цепи первичной обмотки маловероятно или
последствия его не представляют опасности для электроснабжения потребителей,
предохранители на стороне высокого напряжения ТН не устанавливаются. На
напряжение 110кВ и выше ТН включаются без предохранителей.
Для
защиты ТН от повреждений при к.з. во вторичных цепях применяют предохранители
или автоматы. Предохранители могут устанавливаться только на ТН, не питающих
быстродействующие устройства релейной защиты, подверженных неправильным
действиям (ложным срабатываниям) при обрыве цепей напряжения. При наличии таких
устройств для защиты ТН должны применяться автоматы. Это необходимо для
обеспечения эффективного действия специальных блокировок, устанавливаемых в от
дельных комплектах быстродействующих защит для предотвращения их ложного
срабатывания при нарушении исправности вторичных цепей ТН, т.к. предохранители
могут срабатывать недостаточно быстро. Автоматы более надежны и позволяют
быстро восстановить питание цепей напряжения, а их блок-контакты могут
использоваться для сигнализации при нарушении исправности этих цепей. Автоматы
должны включаться во все незаземленные провода за исключением выводов обмотки
"разомкнутый треугольник 3·Uном" (cм. рис. 3.1r).
Некоторые
распространенные схемы включения ТН представлены на рис. 3.1. Два
двухобмоточных ТН могут быть включены на междуфазное напряжение по схеме
открытого треугольника (рис. 3.1a). Схема обеспечивает получение симметричных
линейных напряжений и применяются в установках 6-35кВ. Вторичные цепи
защищаются двухполюсным автоматическим выключателем, при срабатывании которого
подается сигнал о разрыве цепей напряжения. Для создания видимого разрыва
вторичной цепи установлен двухполюсный рубильник. Фаза b шинок вторичного
напряжения заземлена по условиям безопасности.
Три
однофазных двухобмоточных ТН могут быть включены в трехфазную группу по схеме
звезда-звезда с заземлением нейтралей обмоток высокого и низкого напряжения
(рис. 3.1б). Схема позволяет включать измерительные приборы и реле на линейные
напряжения и напряжения фаз по отношению к земле. В частности, данная схема
используется для включения вольтметров контроля изоляции в сетях напряжением до
35кВ, работающих с изолированной нейтралью. ТН работают в нормальном режиме под
напряжением в
раза меньше номинального, что вызывает большие
погрешности. Поэтому, данная схема не применяется для включения счетчиков
электрической энергии. Вторичные цепи ТН защищены предохранителями во всех трех
фазах, так как заземлена не фаза, а нейтраль вторичной обмотки.
Для
измерения линейных и фазных напряжений в сетях 6-10кВ используют трехфазный
трехстержневой двухобмоточный ТН типа НТМК, включенный по схеме рис. 3.1.в. В
связи с отсутствием заземления нейтрали первичной обмотки, данная схема не
может быть применена для измерения напряжения по отношению к земле.


Рис.
3.1 Схемы включения и примеры обозначения обмоток однофазных и трехфазных ТН
По
схеме рис. 3.1г включается трехфазные трехобмоточные ТН типа НТМИ,
предназначенные для сетей 6-10кВ, работающих с изолированной или
компенсированной нейтралью. Такие ТН изготовляются групповыми, т. е. состоящие
из трех однофазных ТН. Применяются также трехфазные трехобмоточные
трансформаторы старой серии, которые выпускались с бронестержневыми
магнитопроводами (три стержня и два боковых ярма). Основные вторичные обмотки
защищены трехполюсными автоматическими выключателями. Вспомогательные контакты
автоматических выключателей используются для сигнализации о разрыве цепей
напряжения и блокирования защит минимального напряжения и АРВ. Дополнительные
вторичные обмотки ТН, соединенные в разомкнутый треугольник, служат для
сигнализации о замыкании на землю. К зажимам этой обмотки непосредственно
подключается только реле повышения напряжения, поэтому в этой цепи отсутствует
рубильник. По рассматриваемой схеме включаются в трехфазные группы и однофазные
трехобмоточные ТН типа СHOM в сетях напряжением 6-35кВ.
Для
обозначения типа ТН принято следующие буквенно-цифровые обозначения: Н -
трансформатор напряжения; О - однофазный; Т - трехфазный; С - сухой; Л - с
литой изоляцией; Г - с газовой изоляцией; М - масляный; Ф - в фарфоровой
покрышке; 3 - с заземленным выводом первичной обмотки; И - с обмоткой для
контроля изоляции; Э - для установки на экскаватор; К - в серии НОСК - для
комплектных распределительных устройств; К - в серии НКФ - каскадный; К - в
серии НТМК - с компенсацией угловой погрешности; первое число -класс
напряжения; второе (при наличии) год разработки. В серии НОЛ (например НОЛ
08-6) цифры 08 - порядковый номер или шифр разработки, вторая - напряжение.
Буква (буквы) и цифра в конце означает климатическое исполнение и категорию
размещения. Например: СHOM-35-65У1 - есть ТН, однофазный, масляный, с
заземленным выводом первичной обмотки, на напряжение 35кВ, год разработки 1965,
для умеренного климата и для работы на открытом воздухе.
Трансформаторы
тока (ТТ). ГОСТ 7746-2001
<#"806617.files/image374.jpg">
Рис.
3.2 Схемы обозначения выводов обмоток ТТ
а
- первичная обмотка с одной секцией; б - ТТ с одной вторичной обмоткой без
ответвлений; в - тоже с ответвлениями; г - первичная обмотка с несколькими
секциями; г - ТТ с несколькими вторичными обмотками (варианты исполнения)
Выводы
первичной обмотки на ТТ обозначаются буквой"Л" (линия), а выводы
вторичных обмоток - буквой "И" (измерение). Начала и концы
соответственно указываются цифровыми индексами 1 и 2 у этих букв. Выводы Л1 и
И1, а также Л2 и И2 называют однополярными.
У
шинных ТТ, не имеющих первичной обмотки, до установки на место их
использования, обозначения Л1 и Л2 ставятся на корпусе трансформатора у
соответствующих входного и выходного отверстий, предназначенных для продевания
шины.
У
ТТ, встраиваемых в электрооборудование, вместо Л1 и Л2 на сердечнике
обозначаются "Верх" и "Низ". При правильной укладке
трансформатора ввод высокого напряжения со стороны верха считают за начало, а
его внутренний (нижний) зажим - за конец первичной обмотки ТТ. Началом
вторичной обмотки при этом является провод, имеющий марку "А", а концом
- провод, имеющий марку "Д".
Для
определения типа ТТ внутренней установки принято следующее буквенноцифровое
обозначение: цифры - номинальное напряжение вкВ; Т - трансформатор тока; П -
проходной; 0 - одновитковый стержневой; Ш - одновитковый шинный; В - с
воздушной изоляцией, встроенный или с водяным охлаждением магнитопровода; Г -
для генераторных токопроводов; К - катушечный; Л - с литой изоляцией; М -
модернизированный или малогабаритный; Ч - для повышенной частоты; С -
специальный.
В
обозначении начальной всегда является буква Т; следующая буква характеризует
способ установки (П - проходной; опорный обозначения не имеет); далее -
конструкцию первичной обмотки (О, Ш, К; петлевая первичная обмотка обозначения
не имеет); последняя - конструкцию или условия применения ТТ (В, Л, М, Г, Ч).
Например: ТПОЛ- 10 - ТТ проходной, одновитковый стержневой, с литой изоляцией
из эпоксидных компаундов, на напряжение 10кВ.
ТТ
наружной установки выполняются опорного типа с бумажно-масляной изоляцией на
напряжение 35кВ и выше. Для трансформаторов данного типа принято следующее
буквенное обозначение: Т - трансформатор тока; Ф - с фарфоровой изоляцией
(покрышкой); Н - наружной установки; К - с конденсаторной бумажно-масляной
изоля цией или каскадный; Д - для дифференциальной защиты; Р - для релейной
защиты или изоляцией рамовидной формы; 3 - для защиты от замыканий на землю, с
звеньевой обмоткой; М - маслонаполненный или модернизированный. Например:
ТФНД-35 - ТТ в фарфоровой покрышке, наружной установки, с обмотками для дифференциальной
за щиты, на напряжение 35кВ.
Особенностью
ТТ является то, что нельзя размыкать цепь вторичной обмотки работающего
трансформатора. При таком размыкание во вторичной обмотке появляется э.д.с.
порядка сотен вольт (до десятков киловольт) представляющая опасность для
обслуживающего персонала и изоляции ТТ. Кроме того, из-за существенного
увеличения магнитного потока потери в сердечнике и, следовательно, нагрев и
расширение послед него резко увеличиваются, что может привести к пробою
изоляции и короткому замыканию на землю первичной обмотки ТТ.
Общие
технические требования и методы испытаний трансформаторов напряжения и
трансформаторов тока определены ГОСТ 1983-77Е и ГОСТ 774б-78Е.
Перед
началом испытаний должен быть проведен внешний осмотр измерительного
трансформатора. При этом проверяют состояние и целостность фарфора и литой
изоляции, наличие и уровень масла, отсутствие течи масла, состояние выводов
обмоток, отсутствие вмятин на корпусе трансформатора, целость масломерного
стекла, затяжку контактных соединений, наличие пломб, надежность заземления
выводов обмоток и корпусов трансформаторов.
.2
Нормы приемо-сдаточных испытаний измерительных трансформаторов - Испытание
измерительных трансформаторов
3.2.1
Объем приемо-сдаточных испытаний
В соответствии с требованиями ПУЭ объем приемо-сдаточных испытаний
измерительных трансформаторов определяет выполнение следующих работ.
. Измерение сопротивления изоляции первичных и вторичных обмоток.
. Измерение тангенса угла диэлектрических потерь изоляции.
. Испытание повышенным напряжением промышленной частоты изоляции
первичных и вторичных обмоток.
. Измерение тока холостого хода.
. Снятие характеристик намагничивания магнитопровода трансформаторов
тока.
. Проверка полярности выводов (у однофазных) или группы соединения (у
трехфазных) измерительных трансформаторов.
. Измерение коэффициента трансформации на всех ответвлениях.
. Измерение сопротивления обмоток постоянному току.
. Испытание трансформаторного масла.
. Испытание емкостных трансформаторов напряжения типа НДЕ.
. Испытание вентильных разрядников трансформаторов напряжения типа НДЕ.
Измерение сопротивления изоляции.
а) первичных обмоток. Производится мегаомметром на напряжение 2500 В. Значение
сопротивления изоляции не нормируется .
Для трансформаторов тока напряжением 350кВ типа ТФКН-330 измерение
сопротивления изоляции производится по отдельным зонам; при этом значения
сопротив ления изоляции должны быть не менее приведенных в таблице 3.1
настоящего раздела.
Таблица 3.1
Наименьшее допустимое сопротивление изоляции первичных обмоток
трансформаторов тока типа ТФКН-330
|
Измеряемый участок изоляции
|
Сопротивление изоляции, МОм
|
|
Основная изоляция
относительно предпоследней обкладки
|
5000
|
|
Измерительный конденсатор
(изоляции между предпоследней и последней обкладками)
|
3000
|
|
Наружный слой первичной
обмотки (изоляция последней обкладки относительно корпуса)
|
1000
|
б) вторичных обмоток. Производится мегаомметром на напряжение 500 или 1000 В.
Значение сопротивления изоляции не нормируется, но вместе с
присоединенными к обмоткам цепями должно быть не менее 1 МОм.
Сопротивление изоляции каждой обмотки измеряется по отношению к корпусу и
остальным соединенным с ним обмоткам. При оценке состояния изоляции вторичных
обмоток можно ориентироваться на следующие средние значения сопротивления изоля
ции исправной обмотки: 10 МОм у встроенных ТТ и 50 МОм у выносных. У ТТ типа
ТФН при наличии вывода от экрана вторичной обмотки измеряется также
сопротивление изоляции между экраном и вторичной обмоткой, которое должно быть
не менее 1 МОм.
О порядке измерения сопротивления изоляции следует руководствоваться
указаниями.
У ТТ, не имеющих первичной обмотки - встроенных, шинных и т. д. оценка
состояния главной изоляции осуществляется косвенным путем при измерениях
сопротивления изоляции выключателей, трансформаторов, шин и т.д.
Для ТТ с бумажно-масляной изоляцией конденсаторного типа, имеющих вывод 0
от наружной обкладки главной изоляции, сопротивление изоляции вывода 0
регламентируется и указывается в паспорте; так. для ТТ типа ТФРМ сопротивление,
измеренное мегаомметром 2500 В, при новом включении должен быть 500 МОм, в
процессе эксплуатации - не 10 МОм.
.2.2
Измерение тангенса угла диэлектрических потерь изоляции
Производится для маслонаполненных ТТ напряжением 110кВ и выше. Тангенс
угла диэлектрических потерь изоляции ТТ при температуре +20°С не должен
превышать значений, приведенных в табл. 3.2.
О порядке измерения tgδ следует руководствоваться указаниями
(ссылка выше).
"Нормами испытания электрооборудования" предусматривается также
измерение tgδ у ТТ с основной бумажно-бакелитовой и бумажно-масляной
изоляцией не зависимо от номинального напряжения ТТ. При этом, измеренная
величина не должна превышать значений, представленных в табл. 3.3.
Таблица 3.2
Наибольший допустимый тангенс угла диэлектрических потерь изоляции
трансформаторов тока
|
Наименование испытуемого
объекта
|
Тангенс угла
диэлектрических потерь,% при номинальном напряжении,кВ
|
|
110
|
150-220
|
330
|
500
|
|
Маслонаполненные
трансформаторы тока (основная изоляция)
|
2.0
|
1.5
|
-
|
1.0
|
|
Трансформаторы тока типа
ТФКН-330 основная изоляция относительно предпоследней обкладки
|
-
|
-
|
0.6
|
-
|
|
Измерительный конденсатор
(изоляция между предпоследней и последней обкладками)
|
-
|
-
|
0.8
|
-
|
|
Наружный слой первичной
обмотки (изоляция последней обкладки относительно корпуса)
|
-
|
-
|
1.2
|
-
|
Таблица 3.3
Наибольший допустимый тангенс угла диэлектрических потерь изоляции
трансформаторов тока с основной бумажно-бакелитовой и бумажно-масляной
изоляцией
|
Объект испытаний
|
Номинальное напряжение,кВ
|
|
3-15
|
20-35
|
60-110
|
150-220
|
|
Маслонаполненные ТТ с
бумажно-масляной изоляцией
|
|
2,5
|
2
|
1,5
|
|
ТТ с бумажно-бакелитовой
изоляцией
|
3
|
2,5
|
2
|
|
3.2.3
Испытание повышенным напряжением промышленной частоты
а) изоляции первичных обмоток. Испытание является обязательным для
ТТ и ТН до 35кВ (кроме ТН с ослабленной изоляцией одного из вводов).
Значения испытательных напряжений для измерительных трансформаторов
указаны в табл. 3.4.
Продолжительность приложения нормированного испытательного напряжения:
для ТН 1 мин, для ТТ с керамической, жидкой или бумажно-масляной изоляцией 1
мин, для ТТ с изоляцией из твердых органических материалов или кабельных масс 5
мин.
Таблица 3.4
Испытательное напряжение промышленной частоты для измерительных
трансформаторов
|
Исполнение изоляции
измерительного трансформатора
|
Испытательное напряжение,
кВ, при номинальном напряжении, кВ
|
|
3
|
6
|
10
|
15
|
20
|
35
|
|
Нормальная
|
21.6
|
28.8
|
37.8
|
49.5
|
58.5
|
85.5
|
|
Ослабленная
|
9
|
14
|
22
|
33
|
-
|
-
|
Если один из выводов обмотки высокого напряжения ТН имеет ослабленную
изоляцию, то состояние последней оценивается по результатам измерения ее
сопротивления.
б) изоляция вторичных обмоток. Значение испытательного напряжения
для изоляции вторичных обмоток вместе с присоединенными к ним вторичными цепями
составляет 1кВ относительно заземленного цоколя. Продолжительность приложения
нормированного испытательного напряжения 1 мин.
О порядке испытания изоляции повышенным напряжением промышленной частоты
следует руководствоваться указаниями.
.2.4
Измерение тока холостого хода
Производится для каскадных трансформаторов напряжения 110кВ и выше на
вторичной обмотке при подведенном номинальном напряжении последней. При изме
рении необходимо учитывать, что у однофазных ТН, у которых второй вывод
вторичной обмотки заземляется, номинальное напряжение основной вторичной обмотки
составляет 100/
, В, а дополнительной - 100 В или 100/3, В.
Ток холостого хода таких ТН составляет десятки ампер (зависит от
напряжения ТН), что необходимо учитывать при выборе регулирующего устройства.
Рекомендуется в качестве последнего применять нагрузочный реостат, который
позволяет регулировать ток до 40-50 А. При использовании в качестве
регулирующего устройства автотрансформатора амперметр показывает заниженное
значение из-за значительного искажения формы тока. При проверке следует
исходить из того, что ток во вторичной обмотке не может превышать максимально
допустимого значения, определяемого максимальной мощности трансформатора по
паспорту.
Для ТН с несимметричной магнитной системой (трехфазных трехстержневых) ток
холостого хода определяется как среднее арифметическое суммы токов холостого
хода всех трех фаз, т.к. у этих трансформаторов намагничивающий ток средней
фазы меньше токов крайних фаз. Подводимое напряжение определяется как среднее
арифметическое трех измеренных линейных напряжений.
Схема измерения тока холостого хода ТН представлена на рис. 3.3. Значение
тока холостого хода не нормируется.
Рис. 3.3 Схема измерения тока холостого хода ТН
.2.5
Снятие характеристик намагничивания магнитопровода трансформаторов тока
Характеристика намагничивания (вольт-амперная характеристика)
представляет собой зависимость напряжения вторичной обмотки U2 от
тока намагничивания в ней Iнам и используются для оценки исправности
ТТ. По снижению характеристики намагничивания и изменению ее крутизны
выявляется наиболее распространенная и опасная неисправность ТТ - витковое
замыкание во вторичной обмотке. Кроме того. характеристика используется для
проверки пригодности трансформаторов по их погрешностям для ис пользования в
схеме релейной защиты при данной нагрузке.
При снятии характеристики намагничивания магнитопровода на испытуемую
вторичную обмотку при разомкнутой первичной обмотке подается переменное
регулируемое напряжение, измеряемое вольтметром, и измеряется проходящий по
обмотке ток (см. рис. 3.4). При испытаниях одной из вторичных обмоток все
остальные вторичные обмотки должны быть замкнуты. При наличии у обмоток
ответвлений характеристика снимается на рабочем ответвлении.
Снятие характеристик должно осуществляться по схеме с регулированием
напряжения автотрансформатором, обеспечивающей наименьшее искажение формы
кривой напряжения. Схема с одним автотрансформатором позволяет обеспечивать
пределы регулирования напряжения от 0 до 250 В, а с двумя автотрансформаторами
- от 0 до 450 В.
При сборке испытательной схемы вольтметр необходимо включать так, чтобы
потребляемый им ток не входил в измеренный намагничивающий ток.
Характеристику намагничивания рекомендуется снимать до номинального тока
или до начала насыщения. У маломощных ТТ насыщение наступает при токе менее 5
А, а у мощных ТТ с большим коэффициентом трансформации насыщение наступает при
токах до 1 А, но при больших значениях напряжения.
Снятие характеристик намагничивания ТТ, предназначенных для питания
релейной защиты, фиксирующих приборов и т. п., когда необходима проверка
расчетов погрешностей, токов небаланса и допустимой нагрузки применительно к
условиям протекания сверхтоков, проводится до тока выше номинального, т.е. до
начала области насыщения или до тока намагничивания, равного 10% максимального
тока короткого замыкания
где nт - коэффициент трансформации испытываемого ТТ
Рис. 3.4 Схема снятия характеристики намагничивания: а - с одним
регулировочным устройством; б - с двумя регулировочными устройствами
При снятии характеристики намагничивания напряжение на всей вторичной
обмотке не должно превышать 1800 В. Допустимое напряжение для рабочего
ответвления в этом случае должно определяться
где Краб, Кmax- рабочий и максимальный для данного
ТТ коэффициенты трансформации.
Измерение напряжения рекомендуется производить комбинированным прибором
Ц4312. Измерение тока намагничивания должно проводиться амперметром
(миллиамперметром) действующего значения.
Исправность ТТ оценивается путем сопоставления снятой характеристики с
типовой характеристикой намагничивания для данного типа ТТ. Типовая
характеристика представляет собой зависимость э.д.с. вторичной обмотки от тока
намагничивания Е2 = f(Iнам). Поэтому, снятую
характеристику U2 = f(Iнам) необходимо привести к типовой
путем вычитания из полученных результатов величины падения напряжения на
вторичной обмотке - ΔU = Iнам·z2, (z2 -
сопротивление вторичной обмотки ТТ).
Если для снятия характеристики намагничивания требуется напряжение выше
1000В, применяется специальный повышающий трансформатор или характеристика снимается
при подаче тока через первичную обмотку и измерением напряжения на вы водах
вторичной обмотки вольтметром с большим внутренним сопротивлением. При этом
напряжение на вторичной обмотке не должно превышать величины, равной 1,3 zн·n,
где zн,n - соответственно допустимая нагрузка на вторичную обмотку
ТТ и допустимая кратность первичного тока
У ТТ с закороченными витками вторичной обмотки снятая характеристика
намагничивания располагается ниже типовой характеристики (см. рис. 3.5). Если
снятая характеристики располагается ниже типовой на 20% и более, то ТТ включать
в эксплуатацию не рекомендуется. В паспорте ТТ могут быть указаны значения U2,Iнам
для контрольных замеров при новом включении. В этом случае рекомендуется
оценивать ТТ по приведенным контрольным точкам с учетом указаний приведенных
выше.
При отсутствии типовых характеристик оценивать состояние ТТ можно
сопоставлением с характеристиками заведомо исправных однотипных ТТ с таким же
коэффициентом трансформации.
При возникновении сомнений в исправности ТТ по полученным
характеристикам, можно воспользоваться дополнительным измерением угла между
U>,I c помощью прибора ВАФ-85М. У исправных ТТ в линейной части
характеристики намагничивания Uz опережает I на угол 30-50, который
увеличивается до 90 по мере увеличения тока намагничивания. При наличии
виткового замыкания угол опережения при тех же значениях тока намагничивания
значительно меньше. Увеличение угла наблюдается при больших значениях Iнам.
Рис. 3.5 Характеристики намагничивания при витковых замыканиях во
вторичных обмотках
- ТТ типа ТПШФ-10, 5000/5 А (1.1 исправный ТТ, 1.2 - закорочен 1 виток);
- ТТ типа ТВ-35, 300/5 А (2.1 - исправный ТТ, 2.2 - закорочено 2 витка,
2.3 - закорочено 9 витков.
Таблица 3.7
Одноминутное испытательное напряжение промышленной
частоты для аппаратов, измерительных трансформаторов, изоляторов и вводов
|
Класс напряжения, кВ
|
Испытательное напряжение,кВ
|
|
Аппараты*, трансформаторы
тока и напряжения
|
Изоляторы и вводы
|
|
Фарфоровая изоляция
|
Другие виды изоляции**
|
Фарфоровая изоляция
|
Другие виды изоляции
|
|
До 0,69
|
1
|
1
|
-
|
-
|
|
3
|
24
|
22
|
25
|
23
|
|
6
|
32
|
29
|
32
|
29
|
|
10
|
42
|
38
|
42
|
38
|
|
15
|
55
|
50
|
57
|
51
|
|
20
|
65
|
59
|
68
|
61
|
|
35
|
95
|
86
|
100
|
90
|
*Аппараты - силовые выключатели, выключатели нагрузки,
разъединители, отделители, короткозамыкатели, заземлители, предохранители,
вентильные разрядники, комплектные распределительные устройства, комплектные
экранированные токопроводы, конденсаторы связи.
**Под другими видами изоляции понимается
бумажно-масляная изоляция, изоляция из органических твердых материалов,
кабельных масс, жидких диэлектриков, а также изоляция, состоящая из фарфора в
сочетании с перечисленными диэлектриками.
б) изоляции вторичных обмоток и
доступных стяжных болтов. Производится напряжением 1000В в течение 1 мин.
Испытание напряжением 1000В промышленной частоты может
быть заменено измерением одноминутного значения сопротивления изоляции
мегаомметром на напряжение 2500В.
При проведении испытания мегомметром на 2500В можно не
выполнять измерений сопротивления изоляции мегомметром на напряжение 500-1000В.
Изоляция доступных стяжных болтов испытывается при вскрытии измерительных
трансформаторов.
3.2.6 Измерение коэффициента
трансформации
Трансформаторы тока
Проверка коэффициента трансформации ТТ производится путем измерения
соотношений токов или напряжений в первичной и вторичных обмотках. Схемы
измерений показаны на рис. 3.6.
Подача тока (рис. 3.6, а) осуществляется от нагрузочного устройства на
первичную обмотку ТТ. Для измерения коэффициента трансформации встроенных
трансформаторов тока в его окно вставляется токоведущий стержень, выполняющий
роль первичной обмотки. Значение тока устанавливается в пределах 0,1÷0,25 номинального. Класс точности
измерительных приборов предпочтительно иметь не менее 1,0, но допустимо также
применение менее точных приборов. Измерение тока в первичной цепи ТТ
производится или амперметром прямого включения, или с использованием
измерительного трансформатора тока. При наличии нескольких вторичных обмоток
все они должны быть замкнуты на измерительные приборы или закорочены.
Коэффициент трансформации проверяемого ТТ равен отношению значений
первичного измеренного тока ко вторичному.
На полностью собранных ТТ, имеющих первичную обмотку, определение
коэффициента трансформации может быть выполнено путем подачи регулируемого
напряжения на вторичную обмотку ТТ (рис. 3.6, б). Значение напряжения,
подаваемого на вторичную обмотку, составляет, как правило, не более 220 В.
Значение напряжения на первичной обмотке поэтому мало (менее 1В) и используемые
приборы должны обеспечить необходимую точность измерений, а также не вносить
дополнительных погрешностей (рекомендуется использовать приборы с
сопротивлением не менее 1 кОм/В), класс точности приборов не менее 1,0.
Рис. 3.6 Схемы проверки коэффициента трансформации трансформаторов тока:
а - методом измерений токов; б - методом измерении напряжений; ТТ -
проверяемый трансформатор тока; ТТ1 - измерительный трансформатор тока; Р -
регулятор напряжения; НУ - нагрузочное устройство; А - амперметр; V - вольтметр
Коэффициент трансформации проверяемого ТТ равен отношению значения
напряжения на вторичной обмотке к значению напряжения на первичной обмотке.
Трансформаторы напряжения
Схемы измерений коэффициента трансформации трансформаторов напряжения
показаны на рис. 3.7. Пределы измерений приборов (вольтметров) должны
соответствовать значениям подаваемых на обмотки напряжений и иметь класс
точности не менее 1.
Проверка коэффициента трансформации однофазных ТН выполняется путем
подачи на первичную обмотку регулируемого напряжения и измерения его значения
на выводах высокого и низкого напряжений (см. рис. 3.7, а).
Проверка коэффициента трансформации трехфазных ТН со схемой соединения
обмоток "звезда с нулем - звезда с нулем" производится аналогично
(рис. 3.7, б). Напряжение поочередно подается на вывод каждой фазы и нейтрали
обмотки высокого напряжения и измеряются напряжения на выводах высокого и
низкого напряжений этой фазы.
Рис. 3.7 Схемы измерения коэффициентов трансформации трансформаторов
напряжения:
а - однофазных; б - трехфазных со схемой соединения Yн/Yн; в - трехфазных
со схемой соединения Y/Yн; г, д - трехфазных со схемой соединения Yн/Yн/∆;
е - однофазных, методом сравнения
При соединении обмоток ТН по схеме "звезда - звезда с нулем"
напряжение подается и измеряется на соответствующих выводах обмоток высокого и
низкого напряжений (рис. 3.7, в). Более целесообразно подать на выводы высокого
напряжения симметричное трехфазное напряжение значением до 380В и провести
измерения напряжения на одноименных выводах обмоток высокого и низкого
напряжений.
Коэффициент трансформации проверяемого ТН равен отношению значения
напряжения на первичной обмотке к значению напряжения на вторичной обмотке.
Проверку коэффициента трансформации дополнительных обмоток, соединенных в
разомкнутый треугольник, можно производить однофазным и трехфазным напряжением.
Однофазное напряжение (рис. 3.7, г) подается поочередно на выводы
нейтрали и одной из фаз обмотки высокого напряжения при закороченных обмотках
других фаз высокого напряжения. Отношение первичного напряжения к измеренному
напряжению на выводах "ад - хд" дополнительной
обмотки будет соответствовать определяемому коэффициенту трансформации для
дополнительной обмотки.
При подаче на первичную обмотку трехфазного напряжения (рис. 3.7, д)
необходимо закоротить первичную обмотку одной из фаз. Измеренное напряжение на
выводах "ад - хд" в этом случае будет в три
раза больше, чем при измерении по однофазной схеме.
Для однофазных ТН (напряжением 35кВ и выше) коэффициент трансформации
можно проверить также сравнением напряжений на вторичных обмотках у двух ТН
(рис. 3.7, е). Для этого первичные обмотки проверяемых ТН соединяются
параллельно, на основную вторичную обмотку одного из них подается регулируемое
напряжение. Производится измерение напряжений на всех обмотках проверяемых ТН.
На основных обмотках значения напряжений должны совпадать. На дополнительных
обмотках ТН для сетей с изолированной нейтралью значение напряжения должно быть
в 3 раза меньше, чем поданное напряжение. На дополнительных обмотках ТН для
сетей с заземленной нейтралью измеренное напряжение должно быть в 3 раза
больше, чем поданное напряжение.
.2.7 Определение погрешности
Производится при капитальном ремонте
Реальный ТТ вносит некоторую погрешность как в измеряемое значение
(токовая погрешность), так и в фазу вторичного тока (угловая погрешность).
На рис. 3.8 представлены принципиальная схема, схема замещения и
векторная диаграмма ТТ. Как следует из рисунка, при протекании по первичной
обмотке тока I1 в магнитопроводе создается переменный магнитный
поток Ф1. Последний, 11ересекая вторичную обмотку, индуцирует в ней
э.д.с., под действием которой протекает ток I2. Этот ток создает в
магнитопроводе магнитный поток Ф2, направленный встречно по боку Ф1.
В результате в магнитопроводе устанавливается результирующий поток Ф0
= Ф1 - Ф2, составляющий несколько процентов от основного
потока Ф1. Результирующий поток является источником указанных выше
погрешностей ТТ. Данное заключение следует из векторной диаграммы, отражающей
соотношения между отдельными параметрами ТТ.
На векторной диаграмме представлен вектор тока
вторичной обмотки I2 (и пропорциональный ему вектор м.д.с. F2),
векторы активных и индуктивных составляющих падений напряжения во вторичной
обмотке и нагрузке соответственно İ2 r2, İ2 х2, İ2 r2, İ2 х2. Геометрическая сумма этих векторов
соответствует вектору э.д.с. вторичной обмотки Ė2, который опережает вектор тока данной обмотки на угол
α.
Магнитный поток
опережает создаваемую им э.д.с.
на угол 900. Вектор полной
м.д.с. намагничивания
опережает вектор
на угол φ. Последний характеризует отношение
активной составляющей м.д.с. намагничивания в магнитопроводе F0а к
ее индуктивной составляющей
. Вектор м.д.с. первичной обмотки
есть геометрическая сумма векторов
и
(последний повернут на диаграмме на
1800). Вектор
несколько больше вектора
, а угол между ними несколько меньше
1800. В связи с этим, в реальных ТТ и возникают погрешности.
Токовая погрешность определяется как относительное значение
арифметической разности действительного вторичного тока Iq и приведенного ко
вторичной обмотке первичного тока I’l = I1/ КIном
т.е.
где КIном - номинальный коэффициент
трансформации ТТ.
Так как вектор
всегда меньше вектора
то токовой погрешности присваивается
знак минус. Встречающаяся у ТТ положительная токовая погрешность получается в
результате принимаемых мер, направленных на уменьшение погрешности (витковая
компенсация - т.е. уменьшение числа витков вторичной обмотки и т.д).
Угловой погрешностью называется угол между вектором i1
и повернутым на 1800 вектором i2. Угловая погрешность
выражается в минутах или сантирадианах и считается положительной, если вектор i2,
повернутый на 1800, опережает вектор i1
Значения погрешностей определяют класс точности работы
ТТ (табл. 3.8).
В зависимости от нагрузки вторичной обмотки один и тот
же ТТ может работать в различных классах точности. С увеличением нагрузки сверх
номинальной в данном классе точности ТТ переходит работать в худший класс
точности.
Рис. 3.8 Принципиальная схема, схема замещения и
векторная диаграмма трансформатора тока
Таблица 3.8
Предельные значения токовой, угловой и полной
погрешностей ТТ для измерений и для защиты
|
Класс точности
|
I1/I1ном,%
|
Пределы допустимых
погрешностей
|
Пределы вторичной
нагрузки,% Z2ном
|
|
|
FI,%
|
δI, мин
|
полная
|
|
|
Для измерений
|
|
0,2
|
5 20 100-120
|
± 0,75 ± 0.35 ± 0.20
|
± 30 ± 15 ± 10
|
- - -
|
25-100
|
|
0,5
|
5 20 100-120
|
± 1,50 ± 0.75 ± 0,50
|
± 90 ± 45 ± 30
|
- - -
|
|
|
1
|
5 20 100-120
|
± 3,0 ± 1.5 ± 1.0
|
± 180 ± 90 ± 60
|
- - -
|
|
|
3 5 10
|
50-120
|
± 3 ± 5 ± 10
|
Не нормируется
|
-
|
50-100
|
|
Для защиты
|
|
5Р
|
100
|
± ]
|
± 60
|
5
|
-
|
|
10Р
|
100
|
± 3
|
-
|
10
|
-
|
Трансформаторы тока для цепей измерения проверяют на
точность работы в необходимом для измерительных приборов классе точности,
исходя из нагрузки от приборов. Для лабораторных измерений используют ТТ класса
0,2; для подключения счетчиков - 0,5; для подключения щитовых приборов - класса
1 или 3.
Трансформаторы тока для устройств релейной защиты и
автоматики проверяют на точность работы по кривым предельной кратности.
Предельная кратность К10 это наибольшая кратность первичного тока по отношению
к его номинальному значению. при которой полная токовая погрешность ε ТТ при заданной вторичной нагрузке Z2
не превышает 10%. Кривые предельной кратности - это зависимость К10
от Z2 при ε = 10%.
Трансформаторы напряжения также как и ТТ обладают
погрешностями по напряжению аппо углу (см. векторную диаграмму рис. 4.13).
Схема замещения ТН аналогична схеме замещения ТТ (рис. 4.12). Из векторной
диаграммы следует, что погрешности по напряжению и по углу определяются
где КUном= U1ном / U2ном
- номинальный коэффициент трансформации ТН.
Обе погрешности ТН зависят от коэффициента мощности
нагрузки, значения намагничивающего тока трансформатора и от отношения
напряжения первичной обмотки к номинальному напряжению трансформатора (см. рис.
3.13).
Значения погрешностей определяют класс точности ТН
(см. табл. 3.9). Трансформаторы напряжения в зависимости от значения вторичной
нагрузки могут работать в различных классах точности. При увеличении нагрузки
сверх номинальной в данном классе точности трансформаторы переходят работать в
худший класс точности. ТН класса точности 0,2 применяются для точных измерений,
поверок и исследований при наладочных работах, приемочных испытаниях
оборудования, для подключения вычислительных машин, приборов автоматического
регулирования частоты и т. д. ТН класса 0,5 и 1 используются для подключения
щитовых приборов, расчетных и контрольных счетчиков и других, у которых
погрешность напряжения не должна превышать 0,5 или 1%. Для подключения
расчетных счетчиков должны применяться ТН класса точности 0,5.
Рис. 3.9 Векторная диаграмма и погрешности по
напряжению и по углу ТН
ТН класса точности 3 и грубее используются в цепях
релейной защиты, устройствах автоматики, для питания сигнальных ламп и в иных
устройствах, где допустима погрешность измерения 3% и более.
Таблица 3.9
Предельные значения погрешностей трансформаторов
напряжения
|
Класс точности
|
Пределы допустимых
погрешностей
|
|
FU,%
|
δU,. мин
|
|
0,2
|
0.2
|
10
|
|
0,5
|
0,5
|
20
|
|
1
|
1,0
|
40
|
|
3
|
3,0
|
Не формируется
|
При проверке погрешности трансформаторов тока и
напряжения получаемые значения должны быть не выше указанных в стандартах или
технических условиях.
.2.8 Проверка уплотнений
трансформаторов тока
Проверка производится для маслонаполненных негерметичных
ТТ. Перед проверкой необходимо очистить места уплотнений (между цоколем и
покрышкой, между расширителем и покрышкой, в местах сочленения деталей
маслоуказателя, в местах выходов выводов первичной и вторичных обмоток). Стекло
маслоуказателя во избежание разрушения необходимо обернуть тканью. На время
проверки демонтируется воздухоосушитель и на его место присоединяется штуцер с
манометром и шлангом для подачи масла. Производится подкачка масла до давления
50±5 кПа и выдерживается в течение 5 мин. Затем давление снижается и пр о
изводится осмотр мест уплотнений и при необходимости устранение выявленных
неисправностей.
.2.9Испытание трансформаторного масла
Производится в течение эксплуатации
Производится у измерительных трансформаторов 35кВ и
выше. Из измерительных трансформаторов ниже 35кВ проба масла не отбирается, и
допускается полная замена масла, если она не удовлетворяет нормативам при
профилактических испытаниях изоляции.
Испытания проводятся в соответствии с требованиями
изложенными выше. Трансформаторы тока, имеющие повышенное значение
сопротивления изоляции, кроме того, испытываются дополнительно.
4. Экономический раздел. Расчет годового фонда заработанной
платы работников тяговой подстанции
Фонд заработной платы работников тяговой подстанции рассчитывают согласно
«Нормативов численности работников хозяйства электрификации и
электроснабжения», утвержденных постановлением ОАО «РЖД» №25.10 от 1.11.2005 г.
и Положению об оплате труда работников филиалов открытого акционерного общества
"Российские железные дороги" от 15.04. 2004 г.
Вначале определяется группа подстанции по оплате труда и численности
работников ТПС. Для определения группы подстанции приближённо рассчитываем
перерабатываемую в течение года энергию (млн. кВт
ч):
А = (0.2 - 0.3)ST
8760
10-3
где ST - необходимая мощность на тягу
поездов (мощность трансформаторов), 40 МВА.
А = 0.25
40
8760
10-3 = 87,6
Устанавливаем группу тяговой подстанции: I группа
Устанавливаем среднесетевой норматив численности,
чел/ТПС
Он
включает в себя старших электромехаников и электромехаников. Общая численность
персонала определяется исходя из численности персонала на одну тяговую
подстанцию. Оплата труда электромонтеров осуществляется по тарифным ставкам
повременщиков, занятых на работах с тяжёлыми и вредными условиями труда
Численность
начальников тяговых подстанций определяем в зависимости от категорийности
тяговой подстанции по объему переработки электрической энергии и внедрении
кустового метода организации обслуживания.
Определим
численность персонала тяговой подстанции по формуле:
, (4.1)
где:
- среднесетевой норматив численности начальников
тяговых подстанций, равный 0,48 чел/ТП;
- региональный
коэффициент дороги, учитывающий организацию обслуживания тяговой подстанции
кустовым методом, равный 1,30;
-
региональный коэффициент дороги, равный 1,30.
Рассчитываем
персонал работников тяговых подстанций.
Применим: Положение о корпоративной системе оплаты труда работников
филиалов и структурных подразделений открытого акционерного общества
«Российские железные дороги» от 02.04.2013 г.
В целях стимулирования повышения профессионального мастерства рабочим,
стабильно обеспечивающим высокое качество работ (выпускаемой продукции),
освоившим выполнение работ по смежным операциям и профессиям, могут
устанавливаться надбавки за профессиональное мастерство, дифференцированные по
разрядам квалификации: III разряда в размере до 12%, IV разряда - до 16%, V
разряда - до 20%, VI разряда и более высоких разрядов - до 24% тарифной ставки.
Работа в выходной или нерабочий праздничный день оплачивается в двойном
размере:
сдельщикам - по двойным сдельным расценкам;
работникам, труд которых оплачивается по часовым тарифным ставкам, - в
размере двойной часовой тарифной ставки;
работникам, получающим оклад, - в размере одинарной часовой ставки (части
оклада за час работы) сверх оклада, если работа в выходной или нерабочий
праздничный день производилась в пределах месячной нормы рабочего времени, и в
размере двойной часовой ставки сверх оклада, если работа производилась сверх
месячной нормы рабочего времени.
По желанию работника, работавшего в выходной или нерабочий праздничный
день, ему может быть предоставлен другой день отдыха.
Работникам филиалов ОАО «РЖД», расположенных в районах Крайнего Севера и
приравненных к ним местностях, а также в южных районах Восточной Сибири и
Дальнего Востока, выплачивается процентная надбавка к заработной плате за стаж
работы в данных районах или местностях:
¾ в южных районах Дальнего Востока, Красноярского края.
Иркутской и Забайкальского края, республики Бурятия, республики Хакасия -10% по
истечении первого года работы с увеличением на 10% за каждые последующие два
года работы, но не свыше 30% заработка.
Система премирования предусматривает единый порядок выплаты премий
определенному кругу работников на основании установленных условий и показателей
премирования в соответствующих положениях о премировании. Начисление текущей
премии производится на должностной оклад (тарифную ставку, сдельный или
аккордный заработок), фиксированную заработную плату (денежное вознаграждение)
за фактически отработанное время в оцениваемом периоде (10-30%).
Устанавливаем премию в 30% электромеханникам, старшему электромеханику,
электромонтерам.
Таблица 4.1
|
№ п/п
|
Наименование должности
|
Количество человек на одном
ЭЧЭ
|
|
|
Опорная
|
Всего
|
|
1
|
Начальник ЭЧЭ
|
1
|
1
|
|
2
|
Старший электромеханик
|
1
|
1
|
|
3
|
Электромеханик
|
1
|
1
|
|
4
|
Электромонтер 5 разряда
|
1
|
1
|
|
5
|
Электромонтер 4 разряда
|
1
|
1
|
|
Всего
|
5
|
5
|
Статья 407. Текущий ремонт и техническое обслуживание тяговой подстанции.
Рассчитаем фонд заработной платы для всех категорий работников:
, (4,2)
руб.;
руб.;
руб.;
руб.;
руб.
Определим
размер премии для всех категорий работников. Она составляет 30% от фонда
заработной платы по основной ставке:
, (4.3)
руб.;
руб.
Рассчитаем
доплаты за сложные и опасные условия труда для всех категорий работников. Она
составляет 20% от фонда заработной платы по основной ставке:
, (4.4)
руб;
руб.
Рассчитаем
доплаты за классность. Она составляет 12% для III разряда,
16% для IV, 20% для V разряда; VI разряда и более высоких
разрядов - до 24% тарифной ставки.
руб;
руб.;
руб.;
руб.;
руб.
Определяем
районную надбавку за стажность - 30% от общего заработка
Гр12
= 0,3(Гр7 + Гр8 + Гр9 + Гр10 + Гр11) (4.5)
Определим
общий фонд заработной платы по всем категориям работников:
, (4.6)
руб.;
руб.
5. Вопросы охраны труда и экологии. Электробезопасность
Вопросы охраны труда и техники безопасности определяются нормативным
документом: ЦЭ 402 «Инструкция по технике безопасности при эксплуатации тяговых
подстанций, пунктов электропитания и секционирования электрофицированных
железных дорог» от 17.10.96 г.
Вводный инструктаж по охране труда проводят со всеми принимаемыми на
работу (в том числе переводимыми с других предприятий) независимо от их
образования, стажа работы по данной профессии (должности), а также с временными
работниками, с командированными работниками, учащимися и студентами, прибывшими
на производственное обучение или практику.
С лицами, переводимыми с одной работы на другую внутри дистанции, вводный
инструктаж не проводят.
Вводный инструктаж должен проводить инженер по охране труда и техники
безопасности дистанции. При его отсутствии вводный инструктаж допускается
проводить инженеру по обучению, главному инженеру дистанции или другому
специалисту, на которого возложены обязанности инженера по охране труда.
Вводный инструктаж проводят в кабинете охраны труда с использованием
технических средств обучения и наглядных пособий (плакатов, фотовыставок,
макетов, видеофильмов и т.п.).
Цель вводного инструктажа - ознакомление с условиями труда, правилами
внутреннего трудового распорядка в дистанции и общим положением по охране
труда, должностными обязанностями по охране труда. Его проводят по программе,
утвержденной начальником дистанции, по согласованию с профсоюзным комитетом.
При разработке конспекта вводного инструктажа необходимо учитывать
требования стандартов ССБТ, правил, норм, положений по охране труда, а также
особенности производства.
Продолжительность вводного инструктажа устанавливают в соответствии с
утверждённой программой.
Вводный инструктаж проводят перед подписанием приказа о приеме на работу.
Лицо, проводившее вводный инструктаж, должно сделать соответствующую
запись в журнале регистрации вводного инструктажа, с обязательной подписью
инструктируемого и инструктирующего, а также с записью в личной карточке.
Обеспечение электробезопасности при работе на тяговых
подстанциях
Анализ состояния условий производства
Электротехнический персонал, занятый эксплуатацией, техническим
обслуживанием и ремонтом электроустановок на тяговых подстанциях, относится к
категории работников, на которых могут воздействовать вредные и опасные
производственные факторы.
Вредными называют производственные факторы, воздействие которых на
работающих в определенных условиях приводит к заболеванию или снижению
работоспособности. Опасными производственными факторами считают те, воздействие
которых на работающих в определенных условиях может привести к травме или
другому внезапному ухудшению здоровья.
Специфичность труда и его повышенная опасность особо остро ощущаются на
работах, связанных с эксплуатацией электроустановок. При нарушении правил
обслуживания электроустановок работниками подстанций может произойти поражение
их электрическим током. Опасность представляет касание токоведущих частей,
находящихся под рабочим или наведенным напряжением, а также прикосновение к
элементам цепи обратного тока - к рельсам и соединенным с ними устройствам.
Так как обслуживание открытой части подстанции производится в любое время
года, а в аварийных ситуациях - не только днем, но и ночью, то воздействие
климатических факторов тоже вносит ряд трудностей. С изменением погоды связан
целый ряд отказов в работе электроустановок тяговых подстанций. В сильные
морозы увеличивается число механических повреждений из-за снижения прочности
металла, гибкой и фарфоровой изоляции, замерзания смазки и т.д. В зимний период
резко ухудшается состояние производственной территории, из-за снежных заносов
усложняются условия подхода к электроустановкам для их осмотра и ремонта. В
гололед увеличивается опасность падений. В холодное время года приходится
пользоваться теплой спецодеждой, затрудняющей движения, ухудшающей слышимость.
Длительная работа на открытом воздухе в сильные морозы может привести к
обморожению. Неблагоприятно сказывается на условиях труда резкая перемена
погоды. Даже в течение одной рабочей смены температура, влажность окружающего
воздуха, скорость ветра могут изменяться в довольно широком диапазоне. Поэтому
спецодежда и спецобувь, предназначенные для работы на открытом воздухе, должны
обладать свойствами, обеспечивающими нормальные условия труда при резкой
перемене погоды.
При работах, ведущихся на высоте, неудобная поза и ограниченное время, в
течение которого должны быть выполнены работы в условиях бесперебойного
электроснабжения потребителей, создают трудности для безошибочного соблюдения
правил безопасности.
Особенно опасно при эксплуатации и ремонте электрического оборудования
то, что человек может оказаться в сфере действия электромагнитного поля или в
непосредственном соприкосновении с токоведущими элементами. В результате прохождения
тока через человекаможет произойти нарушение его жизнедеятельных функций.
Электрический ток отличается от других опасных факторов тем, что не имеет
внешних признаков, поэтому его, как правило, нельзя обнаружить без наличия
специальных приборов. Воздействие тока на человека в большинствеслучаев
приводит к серьезным нарушениям наиболее важных жизнедеятельных систем -
центральной нервной системы, сердечно-сосудистой, дыхательной, что увеличивает
тяжесть поражения. Переменный ток способен вызывать интенсивные судороги мышц,
приводящие к неотпускающему эффекту, при котором человек не может
самостоятельно освободиться от воздействия тока. Кроме того, воздействие тока
вызывает у человека резкую реакцию отдергивания, а в ряде случаев - и потерю
сознания, что при работе на высоте может привести к падению и травмированию.
Электрический ток, проходя через тело человека, может оказывать биологическое,
тепловое, механическое и химическое действия. Биологическое действие -
способность тока раздражать и возбуждать живые ткани организма, тепловое -
способность вызывать ожоги, механическое воздействие приводит к разрывам
тканей, химическое - к электролизу крови. В результате воздействия
электрического тока или электрической дуги человек может получить электротравму.
Электротравмы подразделяются на местные - при которых возникает местное
повреждение организма, электрические ожоги, механические повреждения кожи,
воспаления наружных оболочек глаз - и общие, называемые электрическими ударами,
которые приводят к поражению всего организма, нарушению или полному прекращению
деятельности наиболее жизненно важных органов и систем (легких, сердца,
дыхательной системы, кровообращения).
Характер воздействия электрического тока на человека и тяжесть полученных
повреждений зависят от многих факторов: величины, длительности воздействия,
рода (постоянный или переменный), частоты тока; пути прохождения тока через
человека ("рука - рука", "рука - ноги", "нога -
нога" и др.); окружающей среды; индивидуального сопротивления тела
человека (которое у всех различное).
Разработка организационных, технических и технологических мероприятий
Наличие опасных и вредных производственных факторов требует разработки
целенаправленных мероприятий по охране труда, организационных и технических
мероприятий по обеспечению безопасности выполнения работ. На основании
требований действующих законодательных актов и постановлений, государственных
стандартов, с учетом опыта эксплуатации электроустановок потребителей создан
ряд документов, регламентирующих правила безопасных работ на электроустановках.
К ним относятся "Правила эксплуатации электроустановок потребителей",
"Правила применения и испытания средств защиты, используемых в
электроустановках, технические требования к ним", "Правила техники
безопасности при эксплуатации электроустановок потребителей" и другие
документы. Требования безопасности при обслуживании тяговых подстанций сведены
в "Инструкцию по технике безопасности при эксплуатации тяговых подстанций,
пунктов электропитания и секционирования электрифицированных железных
дорог" ЦЭ-402, разработанную департаментом электрификации и
электроснабжения МПС России в 1996 году.
Опыт эксплуатации электроустановок напряжением до 1000 В и выше
показывает, что их обслуживание совершенно безопасно при условии соблюдения
правил техники безопасности электроустановок. Большинство несчастных случаев
при обслуживании электроустановок происходит из-за нарушения действующих правил
техники безопасности. Поэтому эксплуатацию, техобслуживание и ремонт
электроустановок должен осуществлять только специально подготовленный
электротехнический и электротехнологический персонал.
Электротехнический персонал подразделяется на
административно-технический, оперативный, ремонтный, оперативно-ремонтный.
Административно-технический персонал занимается организациейэксплуатации
электроустановок. Это руководители и инженерно-технические работники дистанций
электроснабжения, начальники тяговых подстанций, ремонтно-ревизионных участков.
Оперативный персонал осуществляет оперативное управление электрохозяйством
дистанции электроснабжения, а также оперативное обслуживание электроустановок
(электромеханики, дежурные по тяговым подстанциям, энергодиспетчеры, старшие
энергодиспетчеры).
Ремонтный персонал - это персонал, выполняющий работы по техническому
обслуживанию и ремонту оборудования электроустановок (персонал РРУ,
испытательных лабораторий).
Оперативно-ремонтный персонал - ремонтный персонал, специально обученный
и подготовленный для оперативного обслуживания закрепленных за ним
электроустановок. К оперативно-ремонтному персоналу относятся старшие
электромеханики, электромеханики и электромонтеры тяговых подстанций, персонал
РРУ и других подразделений, которым предоставлены права оперативного персонала.
К работе в электроустановках допускаются лица не моложе 17 лет, имеющие
группу по электробезопасности II - V, соответствующие по состоянию
здоровья требованиям, предъявляемым к работникам этой категории, прошедшие
обучение, инструктаж, проверку знаний вкВалификационной комиссии с присвоением
соответствующей группы, знающие инструкции и руководящие материалы по
электробезопасности, приемы освобождения пострадавших от действия
электрического тока и оказания первой помощи пострадавшим. Кроме того, весь
персонал электроустановок подвергают периодическим проверкам знаний правил,
производственных и должностных инструкций.
Работы, производимые в электроустановках, в отношении мер безопасности
подразделяются на следующие категории:
выполняемые при снятии напряжения;
выполняемые без снятия напряжения вблизи и на токоведущих частях,
находящихся под напряжением;
выполняемые без снятия напряжения вдали от токоведущих частей,
находящихся под напряжением.
К работам, выполняемым со снятием напряжения, относятся работы, при
выполнении которых напряжение должно быть снято с токоведущих частей, где будет
производиться работа, а также с токоведущих частей, к которым возможно в
процессе работы приближение на расстояние менее допустимого. Для
электроустановок с номинальным напряжением 3-35кВ допустимое расстояние до
токоведущих частей от людей и применяемых ими инструментов и приспособлений, от
временных ограждений составляет 0.6 м, от механизмов и грузоподъемных машин в
рабочем и транспортном положении, от стропов грузозахватных приспособлений и
грузов - 1 м; для электроустановок 60-110кВ - 1 м и 1.5 м; 150кВ - 1.5 м и 2 м;
220кВ - 2 м и 2.5 м соответственно.
Работа без снятия напряжения вдали от токоведущих частей, находящихся под
напряжением, - работа, при которой исключено случайное приближение работников и
используемых ими ремонтной оснастки и инструментов к токоведущим частям на
расстояние, меньше допустимого, и не требуется принятия технических или
организационных мер (например, непрерывного надзора) для предотвращения такого
приближения.
Работами, выполняемыми без снятия напряжения на токоведущих частях и
вблизи них, считаются работы, проводимые непосредственно на этих частях, когда
основной мерой защиты работающего является применение соответствующих
электрозащитных средств (изолирующих клещей, электроизмерительных клещей,
изолирующих штанг и др.). Такие работы должны выполняться не менее, чем в два
лица.
Для обеспечения безопасных условий работы в электроустановках должны
выполняться организационные и технические мероприятия.
Назначаются лица, ответственные за безопасную организацию и проведение
работ:-
лицо, выдающее наряд или отдающее распоряжение;
лицо, дающее разрешение на допуск (энергодиспетчер);
допускающий;
ответственный руководитель работ;
производитель работ;
наблюдающий;
член бригады.
Обязанности данных лиц определяются "Инструкцией по технике
безопасности при эксплуатации тяговых подстанций, пунктов электропитания и
секционирования электрических железных дорог" ЦЭ-402.
Организационными мероприятиями являются:
оформление работы нарядом, распоряжением, в порядке текущей эксплуатации
или приказом энергодиспетчера;
проведение выдающим наряд, распоряжение инструктажа руководителю работ
(наблюдающему);
выдача разрешения на подготовку места работы (приказ, согласование);
допуск к работе;
инструктаж членам бригады;
надзор во время работы;
оформление перерывов в работе, переводов на другое рабочее место,
окончания работы.
Наряд - письменное задание на производство работы, составленное на бланке
установленной формы, определяющее содержание, место, категорию работы, условия
ее выполнения, время начала и окончания, необходимые меры безопасности, состав
бригады и лиц, ответственных за безопасное производство работ. По наряду
выполняются работы со снятием напряжения и без снятия напряжения на токоведущих
частях и вблизи них. Срок действия наряда определяется длительностью работ и не
должен превышать 5 суток.
Распоряжение - письменное задание на производство работы, определяющее
содержание, место работы, категорию, время начала и окончания работ, меры
безопасности и лиц, которым поручено ее выполнение. Оно может выдаваться
производителю работ непосредственно или по телефону, имеет разовый характер,
выдается на одну работу и действует в течение одного рабочего дня (смены)
производителя работ. По распоряжению выполняются: работы без снятия напряжения
вдали от токоведущих частей, находящихся под напряжением; работы без снятия
напряжения вблизи токоведущих частей и на токоведущих частях, находящихся под
напряжением до 1000В; отдельные виды работ со снятием напряжения с электроустановок
напряжением до 1000В. Распоряжение записывает в оперативный журнал лицо, его
отдающее. Оперативный персонал доводит распоряжение до сведения производителя
работ и осуществляет подготовку рабочего места (если это требуется).
Кроме работ, выполняемых по наряду и распоряжению, существуют работы,
выполняемые в порядке текущей эксплуатации. На тяговой подстанции должен
иметься перечень работ, выполняемых в порядке текущей эксплуатации, в котором
определены меры безопасности при их производстве. К таким работам относят
уборку коридоров и служебных помещений, ЗРУ до постоянного ограждения,
помещений щитовых, территорий ОРУ, проезд по территории ОРУ автомашин,
транспортировка грузов и т.п.
Все организационные мероприятия при работе на подстанции выполняются в
соответствии с "Инструкцией по технике безопасности при эксплуатации
тяговых подстанций, пунктов электропитания и секционирования электрических
железных дорог" ЦЭ-402.
Техническими являются следующие мероприятия
производство необходимых отключений и принятие мер, препятствующих подаче
напряжения к месту работы вследствие ошибочного или самопроизвольного включения
коммутационной аппаратуры;
вывешивание запрещающих плакатов на приводах ручного и ключах (кнопках)
дистанционного управления коммутационной аппаратурой;
проверка отсутствия напряжения на отключенных токоведущих частях;
заземление отключенных токоведущих частей включением заземляющих ножей и
наложением переносных заземлений;
вывешивание предупреждающих, предписывающих и указательных плакатов;
ограждение рабочих мест и оставшихся под напряжением токоведущих частей.
На месте производства работ со снятием напряжения должны быть отключены
токоведущие части, на которых будет производиться работа, и неогражденные
токоведущие части, к которым возможно приближение людей, ремонтной оснастки,
механизмов, машин на расстояние, меньше допустимого. Если указанные токоведущие
части не могут быть отключены, они должны быть ограждены. С каждой стороны,
откуда коммутационным аппаратом может быть подано напряжение на рабочее место,
должен быть видимый разрыв (отключение разъединителей, снятие или отсоединение
шин и проводов, снятие предохранителей, отключение отделителей и выключателей
нагрузки). Ручные приводы у разъединителей, отделителей, выключателей нагрузки
в отключенном положении должны быть заперты на механический замок, у
разъединителей, управляемых оперативной штангой, стационарные ограждения должны
быть заперты на механический замок, у приводов перечисленных коммутационных
аппаратов, имеющих дистанционное управление, отключить силовые цепи и при
необходимости тягу привода отсоединить и запереть на замок.
В целях предупреждения людей о возможной опасности, запрещения или
предписания определенных действий, информации о расположении объектов при
работах в электроустановках используются плакаты и знаки безопасности, которые
подразделяются на запрещающие, предупреждающие, предписывающие и указательный
плакат "Заземлено".
Перед началом работ в электроустановках со снятием напряжением необходимо
проверить отсутствие напряжения на отключенной для производства работ части
электроустановки. Для этого используется указатель напряжения, который
непосредственно перед этим должен быть проверен на исправность специальными
приборами или приближением к токоведущим частям, находящимся под напряжением. В
РУ 35-220кВ для проверки отсутствия напряжения используются также изолирующие
штанги. Ими несколько раз прикасаются к токоведущим частям. Признаком
отсутствия напряжения является отсутствие искрения и потрескивания. В ОРУ
напряжением до 220кВ проверять отсутствие напряжения указателем или штангой
можно только в сухую погоду, а в сырую погоду производится тщательное
прослеживание схемы в натуре.
Заземление токоведущих частей производится в целях защиты работающих от
поражения электрическим током в случае ошибочной подачи напряжения к месту
работы. В РУ-3.3; 6; 10; 27.5; 35кВ независимо от включения стационарных
заземляющих ножей необходимо устанавливать переносное заземление
непосредственно на месте работ, в ОРУ 110 и 220кВ переносные заземления
устанавливаются в случаях, когда заземляющие ножи не видны с места работы.
Сечение переносного заземления выбирается с учетом наибольшего установившегося
тока короткого замыкания и времени срабатывания основной релейной защиты.
Комплекты переносных заземлений должны быть пронумерованы, иметь бирки с
указанием номера и сечения заземляющего проводника и храниться в специально
отведенных для этого местах.
Для безопасного обслуживания электроустановок на подстанции имеются
защитные средства, которые служат для защиты эксплуатационного персонала от
поражения электрическим током, воздействия электрической дуги, электрического
поля и др. Защитные средства подразделяются на три группы: изолирующие,
ограждающие и предохранительные. Изолирующие защитные средства делятся на
основные и дополнительные.
Основные изолирующие средства способны длительно выдерживать рабочее
напряжение установки и поэтому ими разрешено касаться токоведущих частей,
находящихся под напряжением. В электроустановках выше 1000В к ним относятся
изолирующие штанги, изолирующие и электроизмерительные клещи, указатели
напряжения, устройства и приспособления для обеспечения безопасности труда при
проведении испытаний и измерений в электроустановках (указатели напряжения для
проверки совпадения фаз, устройства для прокола кабеля, указатели повреждения
кабелей и т.п.), прочие средства защиты, изолирующие устройства и
приспособления для ремонтных работ (полимерные изоляторы, изолирующие лестницы
и т.п.).
Дополнительные изолирующие защитные средства не способны выдерживать
рабочее напряжение и поэтому предназначаются лишь для усиления действия
основных средств. В электроустановках выше 1000 В к ним относятся
диэлектрические перчатки, диэлектрические боты, диэлектрические ковры,
изолирующие подставки и накладки, изолирующие колпаки, штанги для переноса и
выравнивания потенциала.
К средствам защиты от электрических полей повышенной напряженности
относятся комплекты индивидуальные экранирующие для работ на потенциале провода
ВЛ и на потенциале земли в ОРУ и на ВЛ, а также съемные и переносные
экранирующие устройства и плакаты безопасности.
Ограждающие защитные средства - переносные ограждения, временные
переносные заземления, предупреждающие плакаты - предназначены для временного
ограждения токоведущих частей и для предупреждения ошибочных операций с
коммутационными аппаратами.
Предохранительные защитные средства предназначены для индивидуальной
защиты персонала. В электроустановках применяются средства индивидуальной
защиты следующих классов:
средства защиты головы (каски защитные);
средства защиты глаз и лица (очки и щитки защитные);
средства защиты органов дыхания (противогазы и респираторы);
средства защиты рук (рукавицы);
средства защиты от падения с высоты (пояса предохранительные и канаты
страховочные).
Средства защиты должны отвечать требованиям Правил пользования и
испытания защитных средств и храниться в условиях, обеспечивающих их
исправность и пригодность к употреблению.
Во избежание поражения обслуживающего персонала электрическим током
правила безопасности предусматривают следующие требования к электроустановкам.
Распределительные устройства выше 1000 В должны быть оборудованы
оперативной блокировкой, исключающей ошибочные действия персонала при
производстве переключений (блокировка от ошибочных переключений) и
блокировками, препятствующими непреднамеренному проникновению персонала к
токоведущим частям, находящимся под напряжением. Блокировки от ошибочных
переключений должны исключать: отключение (включение) разъединителей при
включенном выключателе; включение заземляющих ножей до отключения
разъединителя; включение разъединителей (вкатывание тележки МВ в ячейках КРУН)
при включенных заземляющих ножах. Блокировки, препятствующие ошибочному
проникновению, должны исключать открытие дверей ячеек, шкафов преобразователей,
открытие лестниц для подъема на силовые трансформаторы (кроме лестниц для
осмотра газового реле и т.п.) до включения заземляющих ножей.
Согласно ПУЭ и правилам техники безопасности конструктивные элементы
электроустановок, нормально не находящиеся под напряжением, но могущие
оказаться под напряжением, должны заземляться. Заземление, обеспечивающее
безопасность обслуживающего персонала, называют защитным. Защитное заземление
представляет собой преднамеренное металлическое соединение с землей частей
установки, нормально не находящихся под напряжением, при помощи проводов и
заземлителей. Заземлитель - металлический проводник или группа проводников,
находящихся в непосредственном соприкосновении с землей, которые обладают
определенным сопротивлением растеканию тока.
При прикосновении человека к незаземленному корпусу электроустановки, у
которой произошел пробой изоляции одной из фаз на корпус, через тело человека
будет проходить весь ток однофазного замыкания на землю Iз, ограниченный в основном
сопротивлением тела человека Rч,
т.е. Iч = Iз. При наличии заземления человека и заземлитель можно
рассматривать как параллельно включенные сопротивления, находящиеся под
напряжением однофазного замыкания на землю, т.е.
Uз = IзRз = IчRч,
где Iз и Iч - токи, проходящие через заземление и человека,
А; Rз и Rч - сопротивления заземления и человека, Ом.
Сопротивление тела в зависимости от среды и состояния человека находится
в пределах от 100 тыс. до 600 Ом; в среднем его принимают равным 8000 Ом;
заземления изготовляют с сопротивлением от 0.5 до 10 Ом. Так как сопротивление
заземления значительно меньше сопротивления человека, то ток, проходящий через
заземление, значительно больше тока, проходящего через тело человека. Ток,
проходящий через тело человека, равен: Iч = IзRз/Rч. Из этого выражения видно, что заземление можно изготовить
с таким сопротивлением, при котором ток Iч будет безопасен для жизни человека.
Когда человек прикасается к корпусу аппарата с поврежденной изоляцией
одной из фаз, то он попадает под напряжение прикосновение, которое представляет
собой разность потенциалов заземлителя (равного потенциалу фазы при замыкании
ее на корпус заземленного оборудования) и потенциала точки земли, где стоит
человек. Напряжение прикосновения - напряжение, образующееся в цепи тока
замыкания на землю между двумя ее точками.
Основной частью заземляющего устройства является заземлитель, от
правильного расчета и выполнения которого зависит надежность работы
заземляющего устройства. Заземлители подразделяют на естественные и
искусственные. К естественным заземлителям относятся: проложенные в земле
водопроводные трубы; металлические конструкции зданий и сооружений, имеющие
надежное соединение с землей; металлические оболочки кабелей, проложенных в
земле, при их числе не менее двух и т.п.
Искусственные заземлители представляют собой специально заложенные в
землю металлические электроды из труб, уголков, полос или стержней. Электроды
забивают в грунт так, чтобы их верхние концы располагались на глубине 0,5-0,8 м
от поверхности земли. К верхним концам электродов приваривают вертикальные
соединительные полосы. Такое заглубление уменьшает колебания сопротивления
заземления растеканию тока при сезонных изменениях проводимости верхних слоев
грунта: зимой - от промерзания, летом - от уменьшения влажности.
Зануление - способ защиты, заключающийся в преднамеренном электрическом
соединении с нулевым защитным проводником металлических нетоковедущих частей,
которые могут оказаться под напряжением. Зануление применяют в четырехпроводных
сетях с глухозаземленной нейтралью напряжением до 1000 В. Защитный эффект
зануления состоит в уменьшении длительности замыкания на корпус и,
следовательно, в снижении времени воздействия электрического тока на человека.
Это достигается путем подключения корпусов потребителей к нулевому проводу. При
таком соединении любое замыкание на корпус становится однофазным коротким
замыканием.
Выравнивание потенциалов - метод снижения напряжений прикосновения и шага
между точками электрической цепи, к которым возможно одновременное
прикосновение или на которых может одновременно стоять человек. Потенциалы
выравнивают, как правило, путем устройства контурных заземлений. Заземлители в
нем располагаются как по контуру, так и внутри защищаемой зоны. При замыкании
токоведущих частей электроустановки на корпус, соединенный с таким контурным
заземлителем, участки земли внутри контура приобретают высокий потенциал,
близкий к потенциалу заземлителей. Тем самым значительно снижаются напряжения
прикосновения и шага.
Защитное отключение - быстродействующая защита, обеспечивающая
автоматическое отключение электроустановки при возникновении в ней опасности
поражения током. В случае замыкания токоведущих частей на корпус, снижения
уровня изоляции, прикосновения человека к токоведущим частям происходит
изменение отдельных параметров системы - на корпусе возникает напряжение
относительно земли, появляется ток замыкания на землю, нейтраль трансформатора
оказывается под напряжением и др. Эти изменения воспринимаются соответствующим
датчиком защитно-отключающего устройства в виде входного сигнала. При
достижении входным сигналом определенного значения преобразующий орган дает
команду исполнительному органу защитного устройства, и он отключает
электроустановку. Это значение входного сигнала называют уставкой срабатывания.
Защитно-отключающие устройства применяются как самостоятельно, так и в
комплексе с защитным заземлением и занулением.
Электрическое разделение сети представляет собой разделение электрической
сети на отдельные, электрически не связанные между собой участки посредством
разделяющего трансформатора. Разветвленные сети большой протяженности имеют
значительные емкости относительно земли и сравнительно небольшие сопротивления
изоляции. Прикосновение человека к токоведущим частям в этих сетях опасно, т.к.
он может оказаться под воздействием напряжения, близкого к фазному.
Электрическое разделение позволяет резко снизить опасность поражения за счет
уменьшения емкостной и активной проводимостей сети.
Малое напряжение - номинальное напряжение не более 42В, применяемое в
целях уменьшения опасности поражения электрическим током. Малое напряжение
используют в основном для питания ручного электрифицированного инструмента,
переносных светильников и местного освещения на станках, установленных в
помещениях с повышенной опасностью и особо опасных. Однако малое напряжение
нельзя считать безопасным для человека, поэтому наряду с ним должны применяться
и другие меры защиты.
Изоляция применяется для защиты от случайного прикосновения в
электроустановках к токоведущим частям. Различают рабочую, дополнительную,
двойную и усиленную изоляцию. Рабочей является электроизоляция токоведущих
частей электроустановки, обеспечивающая ее нормальную работу и защиту от
поражения электрическим током. Дополнительной называют изоляцию,
предусмотренную дополнительно к рабочей для защиты от поражения электрическим
током в случае повреждения рабочей изоляции. Двойная изоляция представляет
собой электрическую изоляцию, состоящую из рабочей и дополнительной. Усиленная
изоляция - это улучшенная рабочая изоляция, обеспечивающая такую же степень
защиты, как и двойная.
Техника безопасности в токовых цепях без отключения присоединения
При разомкнутой вторичной обмотке намагничивающая сила первичной обмотки
не уравновешивается и весь поток, создаваемый ею, индуцирует э.д.с. весьма
большой величины, которая опасна для изоляции вторичной обмотки, а также для
персонала, ведущего измерения. Кроме того, в таких случаях возможен большой
нагрев стали из-за увеличения магнитного потока. Поэтому, если к вторичной
обмотке не присоединен прибор, ее замыкают накоротко и размыкать вторичную
обмотку при наличии тока в первичной обмотке опасно. Вторичную обмотку ТТ,
кроме того, обязательно заземляют для обеспечения безопасности в случае пробоя изоляции
между первичной и вторичной обмотками.
Мероприятия по охране окружающей среды
Воздушные линии электропередачи (ВЛ) и подстанции (ПС) в нормальном
режиме эксплуатации слабо загрязняют окружающую природную среду. По
специфическому воздействию на экологию электрические сети можно отнести к
«мягко» влияющим производствам. Загрязнение водной, воздушной среды и почвы,
как правило, происходит лишь во время строительства и частично при ремонтных
работах.
К специфическим воздействиям ВЛ и ПС относятся: электромагнитные поля,
акустический шум, озон, окислы азота, электропоражение птиц, садящихся на
провода, изоляторы и конструкции опор.
Особенно отрицательно воздействуют на живую природу (при определенных
условиях) электрические (ЭП) и магнитные (МП) поля. Защитой от этих влияний
является соблюдение предельно допустимых уровней (ПДУ) напряженности ЭП,
определенных «Санитарными нормами и правилами защиты населения от воздействия
ЭП, создаваемого ВЛ промышленной частоты».
Как гигиенические нормы эти ПДУ имеют смысл, но как экологические -
практически нет, поскольку не учитывают специфику конкретных биоценозов.
Оправданием повсеместного применения указанных ПДУ напряженности ЭП в качестве
природоохранных являются экологически безопасная длительная эксплуатация большого
числа ВЛ сверх- и ультравысокого напряжения. Однако влияние ПДУ на гидроценозы
ничем не подтверждено, поскольку гидросфера - не среда обитания человека.
Таким образом, требуется разработка системы объективных экологических
нормативов, определяющих допустимые границы вмешательства человека в ход
естественных процессов на соответствующей территории и других средах.
Устанавливая ПДУ по ЭП и МП, нужно иметь допустимые средства измерения
нормируемых величин. Такие измерители напряженности ЭП и МП, а также метрологические
установки для их аттестации разработаны СибНИИЭ. В настоящее время выпущена
партия измерителей ЭП, но ими оснащены далеко не все сетевые предприятия и
санитарные службы.
Наиболее существенно ВЛ и ПС влияют на орнитофауну. Выбор трасс ВЛ и размещение
ПС следует производить с учетом мест расселения и путей миграции птиц, а также
в зависимости от их состава и ценности. Защита птиц заключается в создании
условий, исключающих их гнездование на опорных конструкциях ВЛ и ПС, а также в
реализации технических решений, препятствующих перекрытию изоляционных
промежутков тушками птиц. Кроме того, необходимо региональный видовой состав
орнитофауны.
Неспецифическое отрицательное воздействие на окружающую природу
оказывается в основном при сооружении ВЛ и ПС в результате вырубки леса,
отчуждения определенной территории под конструкции ВЛ и размещении ПС,
нарушении устойчивости поверхностного слоя почвы в тундре, лесотундре,
полупустынях, горных районах, развития эрозионных и оползневых процессов,
ограничения использования земли в охранной зоне.
Минимальный ущерб для природной среды обеспечивается
ландшафтно-экологическим сопровождением ВЛ на всех стадиях ее сооружении и
функционирования. Основой такого сопровождения является региональная
ландшафтно-экологическая информация многоцелевого назначения.
Ландшафтно-экологические карты могут служить основой выбора
природоохранных мероприятий на всех стадиях проектирования, строительства и
эксплуатации электрических сетей, в том числе при ее расширении и техническом
перевооружении. Природоохранные мероприятия должны не только обеспечивать
защиту природных систем от воздействия ВЛ и ПС, но и исключать негативное
влияние окружающей среды на нормальную работу электропередачи.
Заключение
В данном дипломном проекте была спроектирована тяговая подстанция
115/27,5/11кВ. Для достижения поставленной задачи была построена однолинейная
схема, выбрана коммутационная и контрольно - измерительная аппаратура и
токоведущие части, а именно: разъединители, высоковольтные выключатели, гибкие
и жесткие шины, изоляторы, трансформаторы тока и напряжения и ограничители
перенапряжения. Вся выбранная аппаратура была проверена на различные условия.
Был произведен выбор силового трансформатора и трансформатора собственных нужд,
а также произведен расчет заземляющих устройств.
Список используемой литературы
1. Почаевец B.C. Электрические
подстанции. М.: Желдориздат, 2001.
2. Бей Ю.И. и
др. Тяговые подстанции. М.: Транспорт, 1986.
. Прохорский
А.А. Тяговые и трансформаторные подстанции. М.: Транспорт, 1983.
. М.
Гринберг-Басин. Тяговые подстанции. М. Транспорт, 1986.
. Давыдов
И.К., Попов Б.Н., Эрих В.Н. Справочник по эксплуатации тяговых подстанций и
постов секционирования. М.: Транспорт, 1978
. Е.Б. Петров
Методическое пособие по дипломному и курсовому проектированию.М.: «Маршрут»,
2004.
7. Крючков И.П. и др. Электрическая
часть электростанций и подстанций: Справочные материалы для курсового и
дипломного проектирования. М.: Энергия, 1978.
8. «Экономика
отрасли» Методические указания по выполнению курсовой работы, Москва, 2003
9. Мамошин Р.Р., Зимакова А.Н. Электроснабжение электрифицированных
железных дорог. - М.: Транспорт, 2009. - 296 с.
. Правила устройства системы тягового электроснабжения железных дорог
Российской Федерации. - М.: МПС РФ, 1997. - 78 с.
. Правила устройства электроустановок. - Главгосэнергонадзор России,
2008. - 549 с.
. Правила эксплуатации электроустановок потребителей. -
Главгосэнергонадзор России, 1997. - 285 с.
. Справочник по электроснабжению железных дорог / Под ред. К.Г.
Марквардта: Т.1 и Т.2. - М.: Транспорт, 2006. - 256 с., 392 с.
. Типовой проект организации труда на тяговой подстанции: МПС. - М.:
Транспорт, 1988. - 39 с.
. Электрическая часть станций и подстанций: Учеб. для вузов / А.А.
Васильев, И.П. Крючков, Е.Ф. Наяшков и др.; Под ред. А.А. Васильева. - 2-е изд.
перераб. и доп. - М.: Энергоатомиздат, 1990. - 576 с.
. Почаквец В.С. Электрические подстанции. М.: Желдориздат, 2009. - 512 с.
. Клочкова Е.Б. Охрана труда на железнодорожном транспорте. М.:
Издательство «Маршрут», 2008. - 411 с.
18. Расчет
токов короткого замыкания и выбор электрооборудования / Под редакцией И.П.
Крючкова. - М.: Издательство «ACADEMA». - 2009г.
19. Силовое
оборудование тяговых подстанций железных дорог. Сборник справочных материалов.
- М.: «Трансиздат», 2004 г.
ГОСТы и Нормативная документация
ГОСТ
21.613-88 Силовое электрооборудование. Рабочие чертежи.
ГОСТ 2.105-95
Общие требования к текстовым документам
ГОСТ 2.755-87
Обозначения устройств коммутационных и контактных соединений.
ГОСТ 2.614-88
Изображение, условные графические элементы оборудования и проводок на планах.
ГОСТ 2.702-75
Правила выполнения электрических схем.
Приложение А
Форма Паспорта-протокола трансформатора тока и его вторичных
цепей
Паспорт-протокол трансформатора тока и его вторичных цепей
Энергосистема электростанция, сетевой район, подстанция
Защищаемый объект
Место установки
|
Обозначение обмотки
|
Класс точности
|
Номинальный режим нагрузки
|
Номинальная предельная
кратность К10ном
|
|
|
Ом
|
В-А
|
|
|
|
|
|
|
|
Схема соединения и
полярность трансформаторов тока
|
Маркировка
|
Загрузка трансформаторов
тока
|
|
Фаза
|
Сторона
|
|
Полярность
|
|
Обозначение обмоток
|
|
Маркировка
|
|
|
Показать полную схему
соединения обмоток с заземлениями. В прямоугольниках указать полярность и
обозначение выводов вторичных обмоток.
|
Показать полную схему
загрузки. В прямоугольниках указать обозначение загрузки. Например: РТ, А,
ВУ-25 и т.п.
|
Основные кабели
|
№ п.п.
|
Наименование
|
Маркировка
|
Марка
|
Сечение, мм2
|
Длина, м
|
Сопротивление жил, Ом
|
|
1
|
|
|
|
|
|
|
|
2
|
|
|
|
|
|
|
|
3
|
|
|
|
|
|
|
|
4
|
|
|
|
|
|
|
|
5
|
|
|
|
|
|
|
|
6
|
|
|
|
|
|
|
|
7
|
|
|
|
|
|
|
|
8
|
|
|
|
|
|
|
|
9
|
|
|
|
|
|
|
|
10
|
|
|
|
|
|
|
|
11
|
|
|
|
|
|
|
|
12
|
|
|
|
|
|
|
|
13
|
|
|
|
|
|
|
|
14
|
|
|
|
|
|
|
. Паспортные данные
Тип трансформатора тока
Коэффициент трансформации
Год выпуска
Соединительные муфты
|
№ п.п
|
Обозначение кабеля
|
Расстояние по длине кабеля
от трансформатора тока до муфты
|
|
|
|
Дата
Составил
Проверил
. Проверка при новом включении
.1 Внешний осмотр
|
Элементы схемы
|
Состояние
|
|
Выводы
|
|
|
Сборки выводов
|
|
|
Заземления
|
|
|
Уплотнения
|
|
|
Кабельные разделки
|
|
|
Кабели и соединительные
муфты
|
|
|
Прочее
|
|
2.2 Проверка схемы соединения токовых цепей
Схема и маркировка соответствуют монтажной схеме №
.3 Проверка сопротивления изоляции трансформаторов тока и их цепей по
элементам мегаомметром на В
|
Наименование параметра
|
Значение на (указать дату)
|
|
|
|
|
|
|
|
|
|
|
|
|
|
|
Обозначение трансформаторов
тока
|
|
|
|
|
|
|
|
|
|
|
|
|
|
Сопротивление изоляции
между обмотками, МОм
|
|
|
|
|
|
|
|
|
|
|
|
|
|
Сопротивление изоляции на
землю, МОм
|
|
|
|
|
|
|
|
|
|
|
|
|
|
Обозначение кабеля
|
|
|
|
|
|
|
|
|
|
|
|
|
|
Сопротивление изоляции на
землю, МОм
|
|
|
|
|
|
|
|
|
|
|
|
|
|
Минимальное расстояние
между жилами, мм
|
|
|
|
|
|
|
|
|
|
|
|
|
|
Сопротивление изоляции на
землю в полной схеме, МОм
|
|
|
|
|
|
|
|
|
|
|
|
|
.4 Проверка электрической прочности изоляции токовых цепей на землю
Изоляция токовых цепей испытана напряжением В, в течение мин. Изоляция
испытана мегаомметром на В.
Сопротивление изоляции (МОм)
.5 Проверка полярности и схемы соединений трансформаторов тока.
Однополярные зажимы
.6 Снятие характеристик намагничивания U2 = f(I'нам)
|
Наименование
|
Значение характеристик
|
|
Обозначение обмотки
|
|
|
|
|
|
Класс трансформаторов тока
|
|
|
|
|
|
Фаза
|
|
|
|
|
|
|
|
|
|
|
|
|
|
|
|
|
|
Нагрузка трансформаторов
тока, Ом
|
|
|
|
|
|
|
|
|
|
|
|
|
|
|
|
|
|
|
|
|
|
|
|
|
|
|
|
|
|
|
|
|
|
|
Ктт при снятии
характеристики намагничивания
|
|
|
|
|
|
Результаты измерений
|
I'нам
|
U2
|
U2
|
I'нам
|
U2
|
I'нам
|
U2
|
|
|
|
|
|
|
|
|
|
|
|
|
|
|
|
|
|
|
|
|
|
|
|
|
|
|
|
|
|
|
|
|
|
|
Вольтамперная характеристика для рабочего коэффициента трансформации
Приборы
Способ и схема проверки
.7 Проверка коэффициента трансформации первичным током А
|
Фазы
|
Вторичный ток А при
ответвлениях вторичной обмотки
|
Установленный коэффициент
трансформации
|
|
|
|
|
|
|
|
|
|
|
|
|
А
|
|
|
|
|
|
|
|
|
|
|
|
В
|
|
|
|
|
|
|
|
|
|
|
|
С
|
|
|
|
|
|
|
|
|
|
|
|
А
|
|
|
|
|
|
|
|
|
|
|
|
В
|
|
|
|
|
|
|
|
|
|
|
|
С
|
|
|
|
|
|
|
|
|
|
|
|
А
|
|
|
|
|
|
|
|
|
|
|
|
В
|
|
|
|
|
|
|
|
|
|
|
|
С
|
|
|
|
|
|
|
|
|
|
|
|
А
|
|
|
|
|
|
|
|
|
|
|
|
В
|
|
|
|
|
|
|
|
|
|
|
|
С
|
|
|
|
|
|
|
|
|
|
|
.8 Проверка схемы соединения трансформаторов тока вторичным током
|
Фаза
|
Номер трансформатора тока
|
i1, А
|
i2, А
|
Схема соединения
трансформатора тока
|
Номер трансформатора тока
|
i1, А
|
i2, А
|
Схема соединения
трансформатора тока
|
|
А
|
|
|
|
|
|
|
|
|
|
В
|
|
|
|
|
|
|
|
|
|
С
|
|
|
|
|
|
|
|
|
|
0
|
|
|
|
|
|
|
|
|
.9 Измерение нагрузок вторичных обмоток трансформаторов тока при
различных значениях тока
|
Сочетание фаз
|
Значение нагрузки вторичных
обмоток при токе
|
|
...А
|
...А
|
...А
|
|
U, В
|
z, Ом
|
z, Ом/фаза
|
U, В
|
z, Ом
|
z, Ом/фаза
|
U, В
|
z, Ом
|
z, Ом/фаза
|
|
А-В
|
|
|
|
|
|
|
|
|
|
|
В-С
|
|
|
|
|
|
|
|
|
|
|
С-А
|
|
|
|
|
|
|
|
|
|
|
А-0
|
|
|
|
|
|
|
|
|
|
|
В-0
|
|
|
|
|
|
|
|
|
|
|
С-0
|
|
|
|
|
|
|
|
|
|
.10 Дополнительные проверки
Начальник МС РЗАИ
Проверку производил
. Результаты эксплуатационных проверок
|
Дата
|
Наименование и объем
проверки. Выявленное отклонение характеристик. Обнаруженные дефекты
|
Сопротивление изоляции
токовых цепей на землю обмотки
|
Подпись
|
|
|
I
|
II
|
III
|
IV
|
проверяющего
|
контролирующего
|
|
|
|
|
|
|
|
|
|
|
|
|
|
|
|
|
|
|
|
|
|
|
|
|
|
|
|
|
|
|
|
|
|
|
|
|
|
|
|
|
Изменение схемы соединений и нагрузки трансформаторов тока
|
Дата
|
Произведенные изменения
|
Подпись
|
|
|
проверяющего
|
контролирующего
|
|
|
|
|
|
|
|
|
Приложение Б
Форма Паспорта-протокола трансформатора напряжения и его
вторичных цепей
Паспорт-протокол трансформатора напряжения и его вторичных
цепей
Предприятие
Электростанция
Подстанция
. Трансформатор напряжения
|
1
|
Трансформатор напряжения
|
|
|
|
|
|
|
2
|
Место установки ТН
|
|
|
|
|
|
|
3
|
Тип, номинальное
напряжение, схема соединения обмоток
|
|
|
|
|
|
|
4
|
Заводской№, год выпуска
|
|
|
|
|
|
|
Для емкостных ТН
|
Тип и номера конденсаторов
|
|
|
|
|
|
|
Коэффициент деления
|
|
|
|
|
|
|
Положение переключателей
|
реактора
|
|
|
|
|
|
|
|
трансформатора
|
|
|
|
|
|
|
6
|
Класс точности
|
2
|
5
|
|
|
Предельная мощность
|
|
Мощность, ВА
|
|
|
|
|
|
|
7
|
Однополярные выводы
|
|
|
|
|
|
|
Измерение сопротивления
|
Замкнутые выводы
|
|
|
|
|
|
|
Напряжение, В
|
|
|
|
|
|
|
Ток, А
|
|
|
|
|
|
|
Измеренное сопротивление,
Ом
|
|
|
|
|
|
|
Расчетное сопротивление,
Ом/фазу
|
|
|
|
|
|
|
Состояние ТН по внешнему
осмотру
|
|
|
|
|
|
2. Основные кабели
|
Место прокладки
|
Маркировка кабеля
|
Марка кабеля
|
Сечение (мм2) и число жил
|
Длина, м
|
Сопротивление изоляции, МОм
|
|
|
|
|
|
между жилами
|
по отношению к земле
|
|
1
|
|
|
|
|
|
|
|
2
|
|
|
|
|
|
|
|
3
|
|
|
|
|
|
|
|
4
|
|
|
|
|
|
|
|
5
|
|
|
|
|
|
|
|
6
|
|
|
|
|
|
|
|
7
|
|
|
|
|
|
|
|
8
|
|
|
|
|
|
|
Места установки соединительных муфт
|
Номер кабеля
|
Расстояние по трассе от
шкафа ТН, м
|
|
|
|
|
|
|
|
|
. Вторичные цепи
.1 Вторичные цепи и маркировка выполнены по принципиальной схеме № и
монтажной № проекта, выполненного и согласованного с
.2 Допущены отступления от проекта:
Отступления согласованы с
.3 Состояние вторичных цепей, кабельных разделок, шкафов, блок-контактов
разъединителей, трассы кабелей по внешнему осмотру
.4 Сопротивление изоляции полной схемы вторичных цепей относительно
земли, измеренное мегаомметром на напряжение, В
.5 Результаты испытаний переменным напряжением 1000 В в течение 1 мин.
.6 Принципиальная схема соединения обмоток ТН и размещение автоматических
выключателей, предохранителей, рубильников и прочей аппаратуры с обозначением
выводов ТН.
.7 Измерение сопротивления вторичных цепей
|
Цепь от - до
|
Место установки закоротки
|
Место подключения питания
|
Напряжение, В
|
Ток, А
|
Сопротивление, Ом
|
|
1
|
|
|
|
|
|
|
2
|
|
|
|
|
|
|
3
|
|
|
|
|
|
|
4
|
|
|
|
|
|
|
5
|
|
|
|
|
|
.8 Расчетные значения сопротивления
|
Цепь от - до
|
Сопротивление цепи
"звезда", Ом
|
Сопротивление цепи
"разомкнутый треугольник", Ом
|
|
Фаза а
|
Фаза в
|
Фаза с
|
Ноль
|
Жила Н
|
Жила К
|
Жила И
|
Жила Ф
|
|
1
|
|
|
|
|
|
|
|
|
|
2
|
|
|
|
|
|
|
|
|
|
3
|
|
|
|
|
|
|
|
|
|
4
|
|
|
|
|
|
|
|
|
|
5
|
|
|
|
|
|
|
|
|
.9 Расчет тока КЗ и чувствительности защиты вторичных цепей от КЗ
|
Место КЗ
|
Замкнуты фазы
|
Ток КЗ расчетный
|
Тепловой расцепитель или
предохранитель
|
Отсечки
|
|
|
|
Номинальный ток
|
Чувствительность
|
Ток срабатывания
|
Чувствительность
|
|
1
|
|
|
|
|
|
|
|
2
|
|
|
|
|
|
|
|
3
|
|
|
|
|
|
|
|
4
|
|
|
|
|
|
|
|
5
|
|
|
|
|
|
|