Проектирование трансформаторной подстанции аэропорта
Содержание
Введение
.
Характеристика объектов, питающихся от проектируемой трансформаторной
подстанции
. Выбор места
расположения трансформаторной подстанции
. Выбор
количества и мощности трансформаторов на трансформаторной подстанции
. Разработка
схем РУ-6(10) кВ
. Выбор камер
КСО
. Выбор
элементов РУ-10 кВ
. Разработка
схемы РУ-0,4 кВ
. Выбор
элементов схемы РУ 0,4
. Разработка
плана здания трансформаторной подстанции
. Разработка
схемы АВР
. Разработка
схем защиты
. Расчет
заземления
. Расчет
питающих КЛ
. Техника
безопасности
. Техника
эксплуатации оборудования трансформаторной подстанции
Литература
Приложение
Введение
Электрическая энергия, необходима для работы потребителей аэропортов
производиться и доставляется системами электроснабжения.
Под системами электроснабжения и источниками электрической энергии, как
правило, имеющих одно номинальное напряжение и один род тока, понимает
первичное электропитание и первичную сеть.
Аэропорты и объекты электрорадиотехнического и светотехнического
обеспечения полетов ЭСТОП получают электрическую энергию от государственных
электростанций или промышленных трансформаторных подстанций к аэродромам
осуществляется по высоковольтным линиям электропередач. Передача и
распределение электрической энергии на территории аэропорта осуществляется по
кабельным линиям.
Распределение и коммутация электрической энергии на аэродромах или
объектах аэропорта, обеспечение необходимого ее качества, преобразование
напряжения и рода тока, а также управление входящей в состав объекта электропитающей
аппаратурой: контроль за ее работай и электрическая защита осуществляется с
помощью средств электропитания, объединенных в систему вторичного
электропитания.
Под системой вторичного электропитания понимают совокупность источников и
функциональных узлов вторичного электропитания, объединенных общим
функциональным назначением. Совокупность систем электроснабжения и вторичного
электропитания образует систему электропитания данного объекта аэропорта. В
состав системы обычно входят: собственная трансформаторная подстанция ТП,
понижающая подводимое напряжение 6(10) кВ до 0,4 кВ собственная электростанция
- резервный источник питания электроэнергии, электропитающее оборудование -
химический источник питания, обеспечивающий бесперебойное электроснабжение
объекта.
Такой принцип построения систем электроснабжения аэропорта обусловлен
присутствием в аэропорту мелких элетроприемников работающих на напряжение 380 В
и 220 В, суммарное потребление элетроприемников производиться в несколько
мегаватт. Каждая ТП размещается на территории аэропорта примерно от 100 до 500
м от питающих элетроприемников, чем меньше мощность элетроприемнико тем дальше
они могу размещаться от ТП. При блеском расположение электроприемников к ТП
возможна повышенная надежность электроснабжения отдельных ЭП за счет питающих
их 2-х или нескольких ТП.
Каждый потребитель предъявляет к электропитанию свои специфические
требования, определяемые функциональной особенностью, назначением и условиями
работы:
· обеспечение необходимого количества и качества
электроэнергии, т.е. необходимых мощностей, величин постоянных и переменных
напряжений требуемой стабильности, стабилизации частоты переменных токов и
необходимых форм кривых переменных напряжений, а также требуемого минимума
пульсации постоянных напряжений.
· обеспечение надежности и бесперебойности работы систем
электропитания. Время перерывов электроснабжения не должно превышать
допустимого для данного потребителя.
· обеспечения необходимого в длительном питании, быстроты
коммутаций сети и удобства эксплуатации электроустанок.
· отсутствием недопустимых электромагнитных полей.
· возможность большая унификация элементов, узлов и деталей,
стандартизации оборудования
· способность выдерживать перегрузки и работать в требуемом
диапазоне температур, влажности и давления воздуха.
· высокая экономичность, минимальные габариты, масса и
стоимость системы электропитания.
1. Характеристика объектов, питающихся от проектируемой трансформаторной
подстанции
Огни малой интенсивности предназначены для обеспечения взлета и посадки
самолётов на аэродромах местных воздушных линий.
Комплект системы применяется преимущественно там, где небольшое
самолётовождение и где тем не менее при ухудшенных метеорологических условиях
необходимо осуществлять безопасную и надежную посадку самолётов.
В комплект оборудования ОМИ входит:
. Огни приближения 15х100 В*А
. Световой горизонт 10х100 В*А
. Ограничительные/входные огни 20х100 В*А
. Посадочные огни 60х45 В*А
. Огни знакоприземления 6х45 В*А
. Огни рулёжных дорожек 30х100 В*А
. Освещение 3 кВ*А
. Обогреватели 11х3 кВ*А
. Кондиционирование 2 кВ*А
. Маломощные приборы 0.5 кВ*А.
Также от проектируемой ТП запитываются потребители 3-й категории 100 кВт
и потребители 2-й категории 200 кВт.
По надёжности электроснабжения ОМИ - приёмник 1-й категории особой
группы, бесперебойная работа которого необходима для безаварийного останова
производства с целью предотвращения угрозы жизни людей, взрывов, пожаров и
повреждение дорогостоящего оборудования.
Для электроснабжения этой группы должно предусматриваться дополнительное
питание от третьего независимого взаиморезервирующего источника питания.
Данная особая группа включает электроприёмники светотехнического
обеспечения полётов, непосредственно используемые при посадке воздушного судна,
бесперебойная работа которых необходима для безаварийного останова.
. Выбор места расположения трансформаторной подстанции
Назначение ТП - преобразование и распределение
электроэнергии. В ее состав входят трансформаторы, РУ, устройства управления и
вспомогательные сооружения.
Расположение ТП аэропорта должно предусматривать их
максимальное приближение к потребителям электроэнергии с целью уменьшения
протяженности распределительных сетей низкого напряжения, расхода
проводникового материала, потери электроэнергии. Для определения места
положения ГПП, РП или ЦРП на территории аэропорта наносят картограмму
электрических нагрузок в виде размещенных на генеральном плане окружностей,
площадь которых в выбранном масштабе равна расчетным нагрузкам объектов
аэропорта.
Для каждого объекта наносится своя окружность радиусом
ri √Sp.i /mπ, где Sp.i - расчетная нагрузка соответствующего объекта, кВ·А;
m -масштаб для определения площади круга, кВ·А/мм2. Систему
координат по отношению к нагрузкам рассматриваемых объектов располагают
произвольно. По координатам нагрузок х,i и уi определяют координаты условного
центра нагрузок ЦН:
=
Υ =
Пример определения дан на рисунке, где рассмотрены три
объекта с нагрузками S1, S2, S3 с соответствующими координатами.
Место положения ТП уточняют с учетом требования
архитектуры, обеспечения проездов, летной службы.
. Выбор количества и мощности трансформаторов на трансформаторной подстанции
Число трансформаторов определяется прежде всего требованиями надёжности.
Наилучшим вариантом является установка 2-х трансформаторов на ТП,
обеспечивающих практически бесперебойное электроснабжение.
Для надёжного питания объектов выбираем 2-х трансформаторную подстанцию.
= 11кВА+ 200кВА+ 100кВА= 311кВА.=
= 435кВА
Исходя из расчётов выбираем силовой трансформатор ТМ1000.
Выбираем два трансформатора ТМ 1000, так как имеется первая категория,
она должна иметь два центра питания, два трансформатора по категорийности
электроснабжения.
Мощности трансформатора ТМ 1000 достаточно для питания 1,2 и 3 категории
в связи с тем что потребляемая мощность потребителей этих категорий составляет
311 кВ*А, что вполне достаточно для запитки потребителей 1, 2 и 3 в аварийном
режиме.
Snom= 33кВА+ 2кВА+ 3кВА+ 0,5кВА= 39 кВА.=
= 55 кВА.
Исходя из расчетов выбираем трансформатор собственных нужд НТМИ-10-66.
4. Разработка схем РУ-6(10) кВ
В зависимости от расположения оборудовая открытые (ОРУ) и закрытые (ЗРУ).
ОРУ в основном оборудование установленно на открытом воздухе, а в ЗРУ
оборудование расположенное в здании. Для рационального распределения электроэнеогии
по потребителям используют распределительный пункт(РП)-он преднозначен для для
приема и распределения электроэнергии на одном напряжении без прелбразования и
трансформации, не входящие в состав подстанции.
РУ выполняется с требованиями правил устройства электроустановок. Здания
ЗРУ и камеры трансформаторов должны быть I или II степени огнестойкости.
Расстояние между расположением по периметру промышленных зданий пристроенным
или встроенным подстанциями не нормируется. Для стеснений условий расстояние по
местным органам пожарной охраны могут быть уменьшены при условии, что стена
ЗРУ, обращенная в сторону здания, предусмотрена глухой. Помещение в РУ отделяют
от служебных и вспомогательных помещений.
Выходы могу быть выполнены наружу, на лестничную клетку или другое
производственное помещение с несгораемыми стенами и перекрытиями, не содержащие
огне-и взрывоопасных предметов, отделенные от данной несгораемой или трудно
сгораемой дверью с пределом огнестойкости не менее 0,6 ч.
Полы помещений РУ выполняются по всей площади каждого этажа на одном
уровне, пороги в дверях между отдельными помещениями не допускается. Двери
между отсеками РУ должны иметь устройство, фиксирующее двери в закрытом
положении и не препятствующей открытию их в обоих направлениях.
Двери между помещениями РУ разных напряжений должны открываться в сторону
РУ с нисшим напряжением до 1 кВ.
Замки в дверях помещений РУ одного напряжения должны открываться одним и
тем же ключом; ключи от выходных дверей РУ и других помещений не должны подходить
к замкам камер.
При установке баковых масленых малообъёмных выключателей, устанавливаются
в отдельных взрывных камерах с выходом на наружу или во взрывной коридор. В
каждой камере должен быть предусмотрен порог, рассчитанный на удержание полного
объема масла.
При массе масла в одном баке более 600 кг должен быть устроен пандус или
порог из несгораемого материала в дверном проеме камер или в проеме
вентиляционного канала, рассчитанный на удержание 20% масло трансформатора или
аппарата. Должны быть также предусмотрены меры против растекания масла через
кабельные сооружения.
Вентиляция помещений трансформаторов и реакторов должна обеспечивать
отвод выделяемого ими тепла в таких количествах, чтобы при их нагрузке, с
учетом перегрузочной способности и максимальной расчетной температуре
окружающей среды, нагрев трансформаторов и реакторов не превышал максимально
допустимого для них значения.
Вентиляция помещений трансформаторов и реакторов должна быть выполнена
таким образом, чтобы разность температур воздуха, выходящего из помещения и
входящего в него, не превосходила: 15°С для трансформаторов, 30°С для реакторов
на токи до 1000 А, 20°С для реакторов на токи более 1000 А.
При невозможности обеспечить теплообмен естественной вентиляцией
необходимо предусматривать принудительную, при этом должен быть предусмотрен
контроль ее работы с помощью сигнальных аппаратов.
В помещениях, в которых дежурный персонал находится 6 ч и более, должна
быть обеспечена температура воздуха не ниже + 18°С и не выше + 28°С.
В ремонтной зоне ЗРУ на время проведения ремонтных работ должна быть
обеспечена температура не ниже + 5°С.
В Помещении РУ трубопроводы отопления прокладываются при условии
применении цельных сварных труб без фланцев и вентилей. Безопасность и удобство
обслуживания от не изолированных токоведущих частях различных фаз, расстояние
до заземленных конструкций и ограждений должно быть:
От токоведущих частей до заземленных конструкций и частей зданий 120 мм.
- Между проводниками различных фаз 130 мм.
- От токоведущих частей до сплошных ограждений 150 мм.
- От токоведущих частей до сетчатых ограждений 280 мм.
- Между не ограждёнными токоведущими частями различных фаз 2000
мм.
- Между не ограждёнными токоведущими частей до пола 2500 мм.
- От не огражденных выводов из ЗРУ до земли при выводе их на
территорию ОРУ 4500 мм.
- От контакта и ножа разделителя до ошиновки проводимого ко
второму контакту 150 мм.
Если не изолированные токоведущие части расположены вне камеры ниже 2500
мм от пола их ограждают сетками с высотой прохода по ограждению не менее 1,9 м.
Сборные шины монтируются на высоте 2,5 м и не ограждение сеткой так как
они установлены в горизонтальном положении.
РУ 6-10 кВ монтируются из камер или шкафов, которые установлены в один
или в два ряда. Расположение камер в два ряда при их большом числе , что
уменьшает длину помещения РУ и обеспечивает хорошую обозреваемость аппаратов.
Камеры размещаю в определенной последовательности с назначение устройства, его
мощность, и числа питающих линий. Для обеспечения обслуживания или перемещения
аппаратов между камерами при двух или односторонним расположении оставляют
коридор облуживания с шириной не менее 1,5 м с односторонним и 2 м при 2-х
стороннем обслуживании.
Величина РУ зависит от того, сколько питающих и отходящих линий, какие
требования по надежности, какие управление аппаратами .
Так как от проектируемой ТП питающая I, II, III категории то необходимо
секции сборных шин и соединение ячейкой секционирования.
Каждая секция будет содержать:
- Силовой трансформатор.
- Отходящие линии.
- Входные линии.
- Трансформатор собственных нужд.
- Шкаф с заземляющими ножами.
Снабжение электроэнергией каждой секции шин в нормальном режиме работы
осуществляется от двух независимых источников при отключении секционном
разъединителе.
5. Выбор камер КСО
В данной проектируемой ТП выбираем камеры КСО ИН-99. Они предназначены
для приёма и распределения электрической энергии трёхфазного переменного тока
частотой 50Гц на номинальное напряжение 6 и 10 кВ в системах с изолированной
нейтралью и используются для комплектования распределительных устройств
трансформаторных подстанций. Камеры КСО устанавливаются в закрытых помещениях
трансформаторных подстанций, в машинных залах и других местах, не доступных для
не инструктированного персонала.
Камеры КСО просты и удобны в эксплуатации. Все элементы камер доступны
для проведения эксплуатационных работ. Степень защиты камер IP20 для наружных
оболочек фасада и боковых сторон и IP00 для других частей. Камеры между собой
скрепляются болтами. Щитки рядом стоящих камер образуют канал для проводки
вспомогательных цепей. Конструкция камер предусматривает внутреннее освещение
с применением ламп накаливания под патрон Е27 переменным напряжением 12,24,36В
и обеспечивает возможность замены ламп без снятия напряжения с КСО.
Камеры КСО представляют собой сварную металлическую конструкцию из гнутых
стальных профилей, внутри которой стационарно установлена коммутационная и
вспомогательная аппаратура.
Доступ в камеру обеспечен через две двери: верхнюю - в зону масляного
выключателя, трансформатора напряжения или предохранителя, нижнюю - в зону
кабельных присоединений, силового трансформатора или разрядников. Нижняя дверь
имеет смотровое окно для обзора внутренней части камер без снятия напряжения.
Верхняя дверь является панелью, на которой смонтирована аппаратура схем
вспомогательных цепей.
На фасаде размещена аппаратура с задним присоединением проводов, на
внутренней стороне выполнена раскладка проводов. Внутри камера освещена лампой
накаливания. В средней части камеры на фасаде расположена панель зажимов,
служащая каналом для магистральных шинок оперативных цепей питания
электромагнитов включения, цепей управления сигнализации, для выполнения
междукамерных вторичных соединений при монтаже камер КСО.
Конструкция камер КСО обеспечивает сборку камер в ряд РУ и соединение
главных цепей по сборным шинам. При двухрядном расположении камер для
соединения главных цепей по сборным шинам применяются шинные мосты без
разъединителей и с разъединителями.
Сборные шины, шинные и секционные разъединители камер КСО имеют с
фасадной стороны сетчатые ограждения. Конструкция камер КСО обеспечивает
механические блокировки, не допускающие:
• включение и отключение заземляющих ножей и шинного разъединителя при
включенном высоковольтном выключателе;
• рабочих ножах разъединителей;
• включение разъединителей при включенных заземляющих ножах;
• блокировку, препятствующую открыванию двери камеры КСО при включенных
разъединителях.
Рукоятки приводов заземляющих ножей окрашены в красный цвет. Заземляющие
ножи, тяги заземляющих ножей и шины заземления окрашены в черный цвет.
Корпус камеры КСО допускает непосредственную приварку его к металлическим
заземленным конструкциям.
На фасаде камеры расположен зажим заземления, предназначенный для
присоединения к заземленному корпусу элементов, временно подлежащих заземлению.
6. Выбор элементов РУ-10 кВ
Выбор элементов схем осуществляется исходя из отношений Iн ≥ Iн.с.,
н =Uн.с.
где Iн. - номинальный ток аппарата а Iн.с. - расчетный номинальный ток
сети (для всех аппаратов кроме разъединителей, рубильников) для них
используется
н.с. =
где: S - мощность используемая рассчитываемыми объектами.
При осуществлении выбора необходимо учитывать следующие соотношения:
Определившись с условиями, которые необходимо учитывать при выборе
элементов укажем необходимые элементы.
разъединитель с заземляющими ножами
трансформатор тока
трансформатор напряжения
предохранители
ограничитель перенапряжения
Для правильного выбора элементов схемы найдем номинальный ток сборных шин
по формуле
Iн.с. =
=
Выбираем элементы:
- Вакуумный выключатель - служит для коммутации электроцепей в
нормальных режимах работы и автоматического отключения этих цепей при аварийных
режимах. Берём выключатель BB/TEL -10-12,5/1000У2.
- Разъединители с заземляющими ножами служат для коммутации
электрических цепей при отсутствии тока (РВЗ 10/400 III УХЛ2)
- Трансформатор тока (ТЗЛМ-50)
- Предохранители служат для защиты силовых трансформатор,
воздушных и кабельных линий, кондиционеров, трансформаторов напряжения. В
камерах к присоединенным силовым трансформаторам предохранители типа ПКТ 10/50
. Разработка схемы РУ-0,4 кВ
Распределительные устройство на напряжение 0,4 кВ предназначены для
приема и распределения электрической энергии. Выводы вторичной обмотки силового
трансформатора соединяются со сборными шинами низковольтных распределительных
щитов. Щиты изготовляют на заводах и поставляют в виде шкафов или панелей, в
которых установлены коммутационные аппараты, трансформаторы тока, КИП и реле
защиты. На изоляторах щитов монтируют сборные шины. Эти шины в зависимости от
назначения подразделяют на силовые, осветительные и оперативного тока, по
характеру обслуживания одностороннего и двух стороннего обслуживания, по
исполнению открытого и закрытого типа.
Принцип построения электрических устройств с выдвижными блоками улучшает
эксплуатацию оборудования. Вместо ревизии и ремонта аппарата на месте установки
и в неудобных условиях стало возможным быстрое отсоединение аппаратов от схемы
и ремонта его в условиях мастерской. Создание комплектных устройств с
выдвижными блоками повысило эксплуатационную надежность благодаря замене
ремонтируемого блока на запасной. Появилась возможность работать во время
ремонта блока на данном присоединении. При наличии ШР такая замена
производиться в течении короткого времени без снятия напряжения с данного узла.
При полной безопасности обслуживаемого персонала.
К КРУ на напряжение до 1 кВ относятся распределительные щиты, силовые
пункты, посты управления и т.д.
В данном РУ применены распределительные щиты одностороннего облуживания
серии ЩО-70. Щиты устанавливают непосредственно у стен РУ, обслуживание
осуществляется с фронтальной стороны. Щиты комплектует вводными, линейными и
секционными шкафами; вводные шкафы служат для присоединения кабельных и шинных
вводов через рубильники и автоматические выключатели. Для вводных шкафов
кабельный ввод предусмотрен снизу, шины сзади кафа. Линейные шкафы позволяют к
СШ РЩ присоединить через установочные автоматы; на отходящих линиях ввод кабеля
снизу шкафа на металлическом основании на изоляторах, смонтированы рубильники,
и предохранители, установочные автоматы располагают в глубине шкафа и не
посредственно у одностворчатой двери при расположении автоматов в глубине
шкафов рукоятки их управления выводят через прямоугольное отверстие в двери.
Секционные шкафы служат для секционирования сборных шин. При наличии на вводных
и секционных шкафах автоматов с двигательными привадами можно выполнить схему
АВР.
Двух трансформаторная ТП оборудуется двух секционным щитом, который
составляют из двух вводных шкафов одного секционного, несколько линейных и двух
торцовых шкафов. Они имеют одностворчатые двери. Вольтметры и амперметры
устанавливают в верхней части лицевой панели. Кабельные присоединения выполняют
внутри шкафа СШ крепят на изоляторах.
Особыми требованиями к РУ 0,4 кВ, запивающим потребители 1-й категории
являются наличии двух щитов: первый щит не гарантированного питания ЩНГП;
второй щит гарантированного питания ЩГП.
Эти щиты необходимы для обеспечения надежности электронадежности. Каждый
из двух ЩГП состоит из вводного шкафа, линейных шкафов и общего для них
секционного шкафа. Ввод в ЩГП осуществляется от ЩНГП с помощью кабельных
ставок.
Схема РУ 0,4 кВ прилагается.
. Выбор элементов схемы РУ 0,4
В зависимости от величины тока в отходящих линиях выбор трансформаторов
тока, автоматических выключателей и других коммутационных и защитных элементов
делаем исходя из отношений:
н ≥ Iн.c., Uн ≥ Uн.c.
где Iн - номинальный ток аппарата, Iн.c. - расчётный номинальный ток
сети, Uн - номинальное напряжение выбранного аппарата, Uн.c. - номинальное
напряжение сети.
ЩНГП:
Шкаф ввода и секционирования:
н.с. =
=
Выбираем аппаратуру: трансформаторы тока (ТОП-0,66), рубильники (РПБ-5),
автоматические выключатели (АВМ-10).
Линейные шкафы к III категории:
н.с. =
=
Выбираем аппаратуру: автоматический выключатель (ВА47-400, 400А),
рубильники (РБ-34, 400А).
Линейные шкафы к II категории:
н.с. =
=
Выбираем аппаратуру: автоматические выключатели (АВМ - 10НВ, 600А),
рубильники (РПБ-5 600А)
Шкаф подключения ЩГП:
н.с. =
=
Устанавливаем рубильник (РБ-31, 150А).
ЩГП:
Шкаф ввода и шкаф секционирования
н.с. =
=
.
Выбираем аппараты: трансформаторы тока (ТШ-0,66); рубильники (РБ-31),
автоматические выключатели (АВМ-10).
Линейные шкафы:
н.с. =
=
Выбираем аппараты: Рубильники (РБ-31, 150А), автоматические выключатели
(АВМ-10).
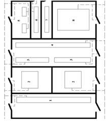
. Разработка плана здания трансформаторной подстанции
В состав помещения ТП входит:
РУ-6(10) кВ;
Помещения с силовыми трансформаторами ТМ1000;
ЩНГП на РУ - 0,4 кВ;
ЩГП на РУ - 0,4 кВ;
Помещение с АКБ бесперебойного питания;
Помещение для хранения топлива;
Агрегатная дизель-генератора АСДА-100.
ТП выполняют в соответствии требованиями с ПУЭ. Здания и помещения РУ
должны быть 1 и 2 степеней огнестойкости. ЗРУ разных напряжений размещают в
отдельных помещениях. Помещения РУ отделяют от служебных и других
вспомогательных помещений. Число входов из РУ определяется требованиями
безопасности обслуживания (при длине РУ до 7 метров допускается один выход, при
большей длине РУ должно быть предусмотрено два выхода по его концам), причем
двери должны открываться в направлении других помещений либо наружу и
снабжаться само запирающим замком, открываемым без ключа со стороны РУ. Двери
между помещениями РУ разных напряжений должны открываться в сторону устройства
с низшим напряжением. Замки в дверях устройств одного напряжения должны
открываться одним и тем же ключом, ключи от входных дверей РУ и других
помещений не должны подходить к замкам камер.
Полы помещений РУ выполняют по всей площади на одной отметке без порогов
в дверях между отдельными помещениями. Перекрытие кабельных каналов делают
съёмными из несгораемого материала и располагают их в одном уровне с чистыми
полами помещений. Обычно РУ выполняют без скол. В случае необходимости в
естественном освещении применяют стеклоблоки или армированное стекло. Освещение
РУ предусматривает рабочее и аварийное.
Моя проектируемая ТП должна иметь размеры:
помещение для камер ИН-99: ширина 3000мм, длина 11000мм
помещение для СТ: ширина 5400мм, длина 5400мм
помещение для шкафов ЩО-70: ширина 3100мм, длина 11000мм.
помещение для АКБ: ширина 4200мм, длина 2500мм
помещение для дизель-генератора, аппаратуры управления ширина 4200 длина
3000 мм
помещение для хранения топлива: ширина 4200 длина 2500
Высота всех помещений должны быть не менее 2900 мм
План здания прилагается.
Размер здания ТП с учетом известных условий составляет 15700х11 0000.
План здания прилагается.
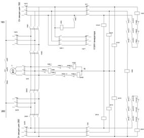
. Разработка схемы АВР
Назначение устройства АВР - восстановление питания
приемников путем автоматического присоединения резервного источника
электроэнергии при отключении рабочего источника. Устройства АВР
предусматривают также для включения резервного оборудования при отключении
рабочего оборудования, приводящем к нарушению нормального технологического.
Требования предъявляемые к АВР:
. Устройства должны находиться в постоянной
готовности и вступать в действие при исчезновении напряжения на шинах
приемников электроэнергии. В качестве пусковых органов устройства АВР обычно
применяют реле минимального напряжения. Пусковые органы не должны срабатывать
при понижении напряжения, вызванного коротким замыканием. Принимают, что
напряжение срабатывания реле
ср = (0,25 ÷ 0,4) Unom.
. Пуск схемы устройства должен осуществляться вспомогательными
контактами отключившегося выключателя рабочего источника питания.
. Устройство должно действовать при наличии
напряжения на резервном источнике питания.
. Время действия устройства должно быть
минимальным.
. Действие устройства должно быть однократным и
не допускать многократного включения резервного источнику питания при не
устраненном КЗ.
. Действие устройства АВР не должно приводить к
перегрузке резервного источника питания.
. Схемы устройств АВР должны предусматривать
контроль цепей включения выключателя.
Устройство АВР на контакторной станции БУ-8253
подстанции имеет следующие аппараты:
в силовой цепи: контакторы сети 1КМ1 и 2КМ1 и
контакторы генератора 1КМ2 и 2КМ2;
в цепи управления: автоматические выключатели SF1 и
SF2, реле контроля напряжения 1KV4-1KV6 и 2KV4-2KV6, реле контроля напряжения
вводов КМ5 (пускатель П6-111), реле контроля напряжения генератора КМ4
(пускатель П6-111), реле контроля фаз сети КМЗ (пускатель ПАЕ-311). Для
проверки работы дизель-генератора исчезновение напряжения в сети имитируют
отключением автомата линейного шкафа щита гарантированного питания, например
1QF10.
Схема устройства АВР дизель-генератора работает
следующим образом.
При включении автомата lQF5 на шкафу питания ЩНГП и
автомата цепи управления SF1 получают питание катушки реле напряжения
1KV4-1KV6. Контакты 1KV4.2-1KV6.2 этих реле замыкают цепь питания катушки
контактора сети 1КМ1, и он включается; контакты 1KV4.1-1KV6.1 замыкают цепь
контактора КМ5. При включенном автомате 1QF6 через главные контакты контактора
1КМ1 напряжение подается на секцию шин 1В3 гарантированного питания. При
включенном контакторе сети 1КМ1 вспомогательный контакт 1KML1 размыкает цепь
катушки контактора генератора 1КМ2.
При включении автомата SF2 схема работает аналогично.
Через автоматы SF1 и SF2 и контакты реле напряжения
получает питание катушка пускателя КМ5. Его контакты КМ5.1 включают цепь
катушки пускателя КМ3. Через контакты КМ3.1, главные контакты 1QF7 автомата
получает питание блок контроля напряжения (БКН) генератора С.
Исчезновение напряжения на одной из секций шин,
например на секции 1В3, вызывает отключение автоматов 1QF5 и 1QF6. Через 0,3 с
включается секционный автомат 4QFB. При отсутствии напряжения на вводе от шин
1В2 щита негарантированного питания и на катушках реле 1KV4-1KV6 они
отключаются: контакты 1KV4.2-1KV6.2 снимают питание с катушки контактора сети
1КМ1, контакты 1KV4.1-1KV6.1 обесточивают катушку КМ5. Контактор сети
отключается, контакты цепи 1КМ1 размыкают силовую цепь; вспомогательные
контакты 1КМ1.1 замыкают цепь питания катушки контактора генератора 1КМ2. При
отключении катушки пускателя КМ5 его кон такт КМ5.1 отключает реле КМЗ. Контакт
КМ3.1 размыкает цепь питания блока контроля напряжения генератора, и контакт
КМ3.2 замыкает цепь катушки контактора КМ4. Дизель-генератор запускается, и при
достижении напряжения генератора значения, равного напряжению срабатывания реле
КМ4, замыкаются контакты КМ4.1 в цепи катушки контактора генератора 1КМ2, он
включается, и напряжение подается на сборные шины секций 1В3.
Одновременно контакт КМ4.3 замыкает цепь катушки
контактора сети 1КМ1, а контакт КМ4.4 снимает питание с катушки контактора сети
2КМ1, он отключается и через его вспомогательный контакт 2КМ1.1 получает
питание катушка контактора генератора 2КМ2. Контактор генератора 2КМ2
включается, и генератор питает секции шин 1В3 и 2В3.
При появлении напряжения на вводе секции 1В3
срабатывают реле напряжения 1KV4-1KV6, пускатели КМ3 и КМ5, получает питание
блок контроля напряжения генератора, который дает сигнал на остановку дизеля.
При снижении напряжения обесточиваются катушки контакторов генератора 1КМ2,
2КМ2 и КМ4, в результате чего получают питание и включаются контакторы сети, а
секции шин 1В3 и 2В3 получают питание от источников централизованного
электроснабжения через щиты негарантированного питания.
Устройство АВР на секционном автомате РУ на напряжение
0,4 кВ ТП системы "Свеча-3" применяют на щитах гарантированного
питания.
При наличии напряжения на вводах секций шин 1ВЗ и 2ВЗ
срабатывают реле напряжения 1KV1, 1KV2 и 5KV1, 5KV2 (где 1 - номер шкафа, KV -
обозначение реле, 1 и 2 - номер реле), которые являются пусковыми органами
напряжения. Для срабатывания реле 1KV3 и 5KV3 необходимо включить автоматы цепи
управления 1SF1 и 5SFl. Pелe 1KV3 контактами 1KV3.3 или 1KV3.4 подает питание
на цепи управления от секции шин 1В3 или от 2В3. Контакты 1KV1.2 - 1KV3.2
размыкают цепь реле отключения 1KL4 автомата 1QF6, а через контакты
1KV1.1-1KV3.1 получает питание катушка реле 1KL1 и реле срабатывает. Контакт
1KL1.1 размыкает цепь запирающего сигнала реле времени 1КТ. Аналогично
протекают процессы при срабатывании реле напряжения 5KV1-5KV3.
Для включения автомата 1QF6 ввода питания секции шин
1В3 необходимо нажать кнопку включения 1SBC. Срабатывает реле включения 1KL3,
которое переключает контакты 1KL3.1 и 1KL3.2. По цепи: фаза С ввода секции шин
1ВЗ - Х2 - 1ZL-X1- 1KL4.1-1KL3.1 - ХЗ -1YA2 - 1YA1 - 1VD - Х4 - N получают
питание катушки электромагнитов в 1YA1 и 1YA2 электромагнитного привода. Привод
включает автомат 1QF6. Контакт концевого выключателя 1ZL1 размыкает, а контакт
1ZL2 замыкает цепь питания катушек электромагнитов 1YA1 и 1YA2. Через главные
контакты автомата подается напряжение на секцию шин 1В3, контакт 1QF6.1
размыкает цепь катушек электромагнитов привода, контакт 1QF6.3 размыкает цепь
блока питания реле 1КТ, а через контакт 1QF6.2 получает питание
реле-повторитель 1KL2 и оно срабатывает, контакт 1KL2.1 размыкает цепь реле
1KL3, контакт 1KL2.2 замыкает цепь реле отключения 1KL4, контакт 1KL2.3
размыкает цепь реле включения 5KL6 секционного автомата 4QFB, контакт 1KL2.4
замыкает цепь реле отключения 5KL7 автомата 4QFB.
Аналогично включают автомат 2QF6 ввода питания секции
шин 2ВЗ. Для отключения автоматов 1QF6 и 2QF6 имеются кнопки отключения 1SBT
(5SBT) и реле отключения 1KL4(5KL4).
При включенных автоматах 1QF6 и 2QF6 переключатель
режима работы 5SA устанавливают в положение "Вкл" и его контакты в
цепях автоматики замыкаются. Схема устройства АВР подготовлена к работе.
Понижение напряжения сети на 30-40% от номинального
или исчезновение его на одной из секций шин гарантированного питания, например
1В3, приводит к обесточиванию реле напряжения 1KV1-2KV3, в результате
контактами 1KV1.1- 1KV3.1 снимается питание с катушки реле 1KL1 и оно
отключается, контакт реле 1KL1.1 замыкает цепь запирающего сигнала реле времени
1КТ.
Через контакт 1KV3.4 цепь управления получает питание
от секции шин 2ВЗ, а через контакты 1KV1.2-1KV3.2 - катушка реле отключения
1KL4, которое срабатывает и переключает контакты 1KL4.1 и 1KL4.2. По цепи: фаза
С ввода секции шин 2В3-1KL4.2 - XI - 1ZL2-1YА2 - 1YA1-1VD - X4 - N0 получают
питание катушки электромагнитов 1YA1 и 1YА2 привода автомата 1QF6. Автомат
отключается. Контакт концевого выключателя 1ZL2 размыкает, а контакт 1ZL1
замыкает цепь катушки электромагнитов. Контакты главной цепи автомата 1QF6
размыкают силовую цепь питания секции шин 1В3, вспомогательный контакт 1QF6.3
замыкает цепь катушки реле времени 1КТ, а контакт 1QF6.2 снимает питание с
катушки реле повторителя 1KL2, которое отключается.
В результате отключения реле 1KL2 контакт 1KL2.2
размыкает цепь катушки реле отключения 1KL4, контакт 1KL2.4 - цепь питания
катушки реле отключения 5KL 7 секционного автомата 4QFB, контакт 1KL2.1
замыкает цепь питания катушки реле включения 1KL3, а через контакт 1KL2.3
получает питание катушка реле включения 5KL6 секционного автомата 4QFB. Через
контакт 5KL6.1 получают питание катушки электромагнитов 4YA2 и 4YA1 привода
секционного автомата 4QFB (по цепи, аналогичной цепи питания электромагнитов
1YA1 и 1YA2). Привод включает секционный автомат 4QFB, через главные контакт
напряжение с секции шин 2В3 подается на секцию шин 1В3.
При включении секционного автомата контакт 4QFB3
размыкает цепь электромагнитов привода, контакт 4QFB1 замыкает цепь катушки
реле времени 5КТ, а через контакт 4QFB2 получает питание реле-повторитель 5KL5.
При этом переключаются контакты: 5KL5.1 размыкает цепь питания реле включения
5KL6; 5KL5.2 замыкает цепь реле отключения 5KL7; через 5KL5.3 получает питание
реле времени 1КТ, но оно не срабатывает, так как через контакт 1KLL1 подан
запирающий сигнал. Аналогично работает схема при исчезновении напряжения одной
из фаз.
С появлением напряжения со стороны ввода секции 1В3
получают питание реле напряжения 1KV1-1KV3 и через их контакты включается реле
1KL1. Его контакт 1KL1.1 размыкает цепь запирающего сигнала реле времени 1КТ.
При срабатывании реле времени через контакт 1КТ1.1, замыкающийся с задержкой по
времени около 10с, получает питание реле включения 1KL3 автомата 1QF6. Через
контакт 1KL3.1 получают питание катушки электромагнитов 1YA1 и 1YA2 привода
автомата 1QF6. Через его главные контакты подается напряжение на секцию шин 1ВЗ
от источника питания централизованного электроснабжения. Вспомогательный
контакт автомата 1QF6.2 замыкает цепь катушки реле-повторителя 1KL2. Через его
контакт 1KL2.4 получает питание катушка реле отключения 5KL7. Реле срабатывает,
и через контакт 5KL7.2 получают питание катушки электромагнитов 4YA1 и 4YA2
привода секционного автомата 4QFB. Привод отключает секционный автомат. Каждая
группа электроприемников получает электроэнергию от своих секций шин 1В3 и 2В3
распределительного устройства на напряжение 0,4 кВ.
Если время появления напряжения на вводе будет меньше
времени срабатывания реле времени, автомат не включится, так как реле 1KL1
снова замкнет контакт в цепи запирающего сигнала реле времени 1КТ.
Агрегаты бесперебойного питания с накопителями
электрической энергии состоят из полупроводниковых выпрямителей, аккумуляторной
батареи и преобразователей постоянного тока в переменный (инверторов). Возможны
схемы ненагруженного, нагруженного резервов и непрерывного питания от
инвертора. При ненагруженном резерве аккумуляторная батарея непрерывно
подзаряжается от источника централизованного электроснабжения. При исчезновении
напряжения на шинах бесперебойного питания инвертор подключает их к
аккумуляторной батарее. Максимальная продолжительность перерыва электропитания
при исчезновении напряжения составляет от 50 мс до 6 с.
При непрерывном питании электроприемников от источника
1G и 2G через контакторы 1КМ или 2КМ контакторной станции А напряжение подают
на зарядку аккумуляторной батареи GB, а через инвертор UZ - на шины В
гарантированного питания. При отказе источника 1G или 2G питание потребителей
электроэнергии осуществляют через инвертор от аккумуляторной батареи.
11. Разработка схем зашиты
Сети аэропортов на напряжение 10 кВ выполняются
силовыми кабельными линиями сравнительно не большой протяжённости. Для них
предусматривают устройства релейной защиты от многофазных КЗ и однофазных
замыканий. В цепях защиты линий от КЗ применяют токовую защиту, получающую
информацию от трансформаторов тока. Они просты по устройству, относительно
дешевые, имеют большую надежность по сравнению с защитами, у которых используют
напряжение. Токовые защиты достаточно чувствительны к режиму КЗ.
Защита от многофазных замыканий предусматривают в 2-х
фазном исполнении и включают в одни и те же фазы по всей сети данного
напряжения. В зависимости от требований чувствительности защиту выполняют одно,
2-х и 3-х релейную. На одиночных линиях с односторонним питанием от многофазных
замыканий устанавливают как правило 2- ступенчатую токовую защиту, первую
ступень которой делает в виде токовой отсечки, а вторую - в виде МТЗ с
независимой или зависимой характеристикой выдержки времени. На параллельных
линиях в дополнении к 2-х ступенчатой токовой защите при необходимости
ускорения отключение повреждения применяют поперечную направленную защиту.
Для обеспечения эксплуатационных проверок и испытаний
в схеме защит предусматривают, где это необходимо испытательные блоки.
Устройства РЗ, выводимые из работы по условиям режима работы сети,
селективность действия или по другим причинам, должны иметь специальные
приспособления для проведения этой операции оперативным персоналом.
Максимальная токовая защита линий на каждом защищаемом элементе
устанавливается со стороны источника питания. Из числа таких защит наиболее
простой и дешевой является токовая защита с использованием встроенных в ручные
или грузовые приводы реле прямого действия серий РТМ и РТВ, которые подключают
к двум трансформаторам тока. Схема защиты довольно проста, не требует
дополнительных источников питания, однако чувствительность ее невысока.
В своём случае я установил три вида схем защиты:
1. Двухфазная двухрелейная схема максимальной токовой
защиты, имеющая независимую от тока выдержку времени, исполняется на токовых
реле КА1 и КА2 серии РТ-40, реле времени КТ серии РВ-100, промежуточного реле
KL типа РП-23 или РП-24 и указательного реле КН типа РУ-21. Катушки токовых
реле присоединены к вторичным обмоткам трансформаторов тока ТА1 и ТА2. Питание
оперативных цепей на постоянном токе. При двух- или трехфазном КЗ достаточно
срабатывания одного из реле КА1 или КА2, которые замыкают свои контакты KA1.1
или КА2.1 в цепи катушки реле КТ. По истечении заданной выдержки времени оно
замкнет свой контакт КТ1 в цепи реле KL. При срабатывании последнего через его
контакт KL1 и замыкающий контакт SQ выключателя Q замыкается цепь катушки YAT
электромагнита отключения привода выключателя Q. Выключатель отключается. О
срабатывании максимальной токовой защиты укажет реле КН, включенное
последовательно с катушкой YAT электромагнита отключения. В двухрелейных схемах
используют также индукционно-токовые реле серии РТ-80.
2. Защита линий от однофазных коротких замыканий имеет
свою специфику. Однофазные замыкания на землю в сетях с изолированной нейтралью
не являются режимом короткого замыкания. Однофазные замыкания приводят к
изменению напряжения сети, нарушению работы однофазных приемников
электроэнергии, появлению опасности поражения электрическим током
людей,попавших в зону растекания тока. Такие замыкания составляют 70-80% всех
видов КЗ.
Защиту от однофазных замыканий на землю выполняют в
виде устройства контроля изоляции (при этом отыскание поврежденного элемента
осуществляют специальными устройствами; допускается отыскание поврежденного
элемента поочередным отключением присоединений) или селективной защиты,
устанавливающей поврежденное направление и действующей на сигнал. Данную защиту
выполняют, как правило, с использованием трансформаторов тока нулевой
последовательности (ТНП).
На стальном магнитопроводе ТНП 1, имеющем форму Кольца
или прямоугольника, намотана вторичная обмотка 2. Первичной обмоткой являются
все три фазы кабеля 3, токи которых I, IB IC создают в магнитопроводе
замыкающиеся по нему магнитные потоки ФА, ФВ, ФС. результирующий поток
первичной обмотки
Фрез = ФА + Фв + ФС.
электроснабжение транформатор подстанция
аэропорт
Фрез= ФА + ФВ + ФС = k(IA + Ib + IC) = 30,
где k - коэффициент пропорциональности магнитного
потока значению тока нулевой последовательности. При нормальном режиме, трех- и
двухфазном КЗ (без замыкания на землю) поток Фрез = 0. Когда возникает
замыкание какой-либо фазы на землю, появляются токи нулевой последовательности.
Они создают результирующий поток, не равный нулю. Под его действием во
вторичной обмотке наводится электродвижущая сила. По реле КА проходит ток IP,
вызывающий его срабатывание и замыкание контактов КА1 в цепи Предупредительной
сигнализации. ТHП выпускают кабельного и винного типов. Кабельные ТHП бывают с
неразъемными и разъемными магнитопроводами, первые надевают на кабель до
монтажа, вторые устанавливают на кабели, находящиеся в эксплуатации, без снятия
кабельной воронки.
При замыкании на землю на другой питающей линии вблизи
табеля по оболочке и броне кабеля протекают токи, создающие магнитный поток в
магнитопроводе ТНП и наводящие электродвижущую силу в обмотке, что может
вызывать ложное срабатывание защиты, поэтому воронку кабеля заземляют
проводником, пропущенным в окно ТНП. Магнитные потоки, создаваемые токами,
протекающими по броне и заземляющему проводнику, взаимно уничтожаются. Между
сердечником ТНП и броней кабеля должна быть надежная изоляция.
Ток срабатывания защиты должен быть не меньше
трехкратного значения тока нулевой последовательности. Защита не должна
срабатывать при повреждениях на других присоединениях сети, когда по защищаемой
линии будет протекать ток, обусловленный емкостью самой линии.
. Токовая отсечка линий - это максимальная токовая
защита с ограниченной зоной действия. Она предназначена для быстрого отключения
линий, близко расположенных к источнику питания при большом числе ступеней
максимальной токовой защиты. Токовую отсечку, как правило, выполняют совместно
с максимальной токовой защитой. При КЗ вне зоны токовой отсечки действует
максимальная токовая защита.
Токовая отсечка имеет ограниченную зону действия
потому, что ее ток срабатывания отстраивают не от тока нагрузки, как у
максимальной защиты, а от тока КЗ при появлении замыкания в конце линии. От
источника питания G подают напряжение на сборные шины распределительного
устройства подстанции ТП1. кабельную линию длиной l присоединяют к шинам через
вакуумный выключатель Q1 и трансформатор тока КА. К сборным шинам подстанции
ТП2 через предохранитель F подключают трансформатор Т. При возникновении
короткого замыкания в точке К1 Ток короткого замыкания IK31 протекает по всем
аппаратам и элементам системы электроснабжения от источника питания до этой
точки. Если ток превышает ток срабатывания токового реле КА, оно приходит в
действие, замыкает свои контакты. При замыкании через его контакт КА1 питание
от цепи оперативного тока поступает на цепь катушки YAT электромагнита
отключения привода выключателя Q. Выключатель отключается.
Если время срабатывания указанной защиты более 1 с,
дополнительно применяют токовую отсечку, выполненную с помощью реле КА серии
РТ-40 или РТ-80.
Значение тока КЗ зависит от результирующего
сопротивления цепи короткого замыкания. При коротком замыкании в точке К1 ток
равен IКЗ1, в точке К2 - IКЗ2. Кривая 1 - это график изменения тока короткого
замыкания в зависимости от расположения точки КЗ по длине l кабельной линии Е.
Значения тока срабатывания отсечки разделяет линию
длиной l на две зоны: lз.з - длина зоны защиты лини, составляющей 60-70 % всей
длины линии; lм.з. - длина "мертвой" зоны. Если короткое замыкание
возникает в "мертвой" зоне, срабатывает максимально-токовая защита с
выдержкой времени.
При необходимости обеспечения селективной работы
токовых отсечек ее выполняют отстройкой на разные токи КЗ с одной ступенью
выдержки времени. Применение мгновенной отсечки и отсечки с выдержкой времени
дает возможность получить двухступенчатую защиту (выдержка времени второй
ступени до 0,5-0,6 с), а при использовании и максимальной токовой защиты -
трехступенчатую защиту.
Схема прилагается.
12. Расчет заземления
Заземлением называют преднамеренное электрическое
соединение какой-либо части электроустановки или другой установки с заземляющим
устройством. Заземляющее устройство - это совокупность заземлителя и
заземляющих проводников. Земля является токопроводящей средой и характеризуется
удельным сопротивлением.
Заземлители - это проводники, находящиеся в
соприкосновении с землей.
Виды заземлителей:
естественные - находящиеся в соприкосновении с землей
электропроводящие части коммуникаций, зданий и сооружений производственного или
иного назначения, используемые для целей заземления (металлические и
железобетонные конструкции зданий, водопроводные и обсадные трубы скважин,
свинцовые оболочки двух и более кабелей);
искусственные - заземлители, выполненные для
заземления [уголки 50x50x4 мм длиной ℓ = 2,5-3 м, трубы диаметром 50-60
мм и длиной 2,5-3 м, круглая сталь (прутки) диаметром 12-18 мм и длиной 5м].
Заземляющее устройство выполняют контурным или
выносным (последнее при большом удельном сопротивлении земли). При выполнении
контурного заземляющего устройства по периметру здания электроустановки на
расстоянии 0,8-1 м от фундамента выкапывают траншею глубиной 0,5-0,7 м.
Вертикальные заземлители забивают в траншею и соединяют сваркой горизонтальными
заземлителями стальной полосой сечением не менее 48 мм2. Заземлители должны
выступать над дном траншеи на 0,1-0,2 м. Расстояние между заземлителями
принимают: для прутков а = ℓ, для труб и уголков а = 21. Числом
заземлителей искусственно поднимается потенциал в зоне растекания тока, чем
уменьшается напряжение прикосновения и напряжение шага. Внутренний контур
заземления делают открытым: из стальной полосы сечением не менее 24 мм2
при толщине более 3 мм, из уголка с толщиной полки не менее 2 мм, из
водопроводной трубы с толщиной стенки не менее 2,5 мм. Каждый заземленный
элемент электроустановки присоединяют к магистрали заземления или зануления с
помощью заземляющих проводников.
В качестве заземляющих проводников используют
специальные проводники, фермы, колонны зданий, арматуру железобетонных строительных
конструкций, металлические конструкции производственного назначения, стальные
трубы электропроводок, алюминиевые оболочки кабелей.
В цепи заземляющих проводников не должно быть
разъединяющих приспособлений и предохранителей. Присоединяют заземляющие
проводники к оборудованию сваркой или болтовым соединением. Заземлению подлежат
корпуса электрических машин, трансформаторов, аппаратов, светильников, приводы
электрических аппаратов, вторичные обмотки трансформаторов напряжения и тока,
распределительных щитов и шкафов (их каркасы), металлические конструкции
крепления кабелей, соединительные муфты, металлические рукава и трубы,
металлические оболочки и броня контрольных и силовых кабелей, металлические
корпуса переносных и передвижных электроприемников, металлические конструкции
электроустановок, в том числе каркасы, стойки, балки, ограждения камер и
щитков.
Расчет заземлений выполняют в определенной
последовательности. Исходными данными для расчета и выполнения заземляющего
устройства являются предельные значения их сопротивления, принимаемые согласно
ПУЭ, в зависимости от напряжения, режима работы нейтрали и элемента
электроустановки, подлежащего заземлению. Если к заземлению присоединяют
электроустановки разных напряжений и назначений, то сопротивление заземления r3
принимают по электрооборудованию, для которого сопротивление наименьшее.
Сопротивление заземления может быть различным:
а) для электроустановок с изолированной нейтралью при
напряжении:
кВ и выше сопротивление r3 ≤ (250/ I3);
до 1 кВ сопротивление гэ ≤ (125/ I3),
где
= Unom (Iв + 35ℓK/350) - расчетный ток замыкания
на землю;
ℓB и ℓK - длина воздушных и кабельных
линий электрической сети одного напряжения.
Для электроустановок напряжением до 1 кВ сопротивление
должно быть не более 4 Ом при нормальной мощности источника питания Snom ≥
100 кВ∙А и не более 10 Ом при Snom < 100 кВ∙А:
Так как питающие линии расчитываемые нами являются
кабельными то формула приобретает вид:
= Unom 35ℓK/350
Длину КЛ берем 0,5 км, таким образом:=500 А. Тогда:
≤ 250/ 500=0.5
Выполняем расчет заземления:
. В зависимости от напряжения и типа электроустановки
принимают допустимое значение r3 (0,5 ом).
. Выбирают профиль заземлителя (труба 3м длина и
диаметр 50-60 мм) и определяют сопротивление растекания тока одного вертикального
заземлителя по выражению
RB =
где ρрасч - удельное расчетное
сопротивление грунта; ℓ- длина заземлителя; k - числовой коэффициент (k =
2); d - диаметр заземлителя; hcp - средняя глубина заложения заземлителя (hcp =
h + 0,5ℓ, здесь h - расстояние от поверхности земли до заземлителя).
=0,5+3*0.5=2(м)=
=1,09
. Определяют теоретическое число заземлителей по
формуле
теор = RB/r3=1,09/0,5=2,18
. Находят расстояние между заземлителями из равенства
а = L3/nТ,=54/2,18= 24 м
+15700+11000+11000=53400 = 54м.
где L3 ~ периметр заземляющего контура.
. Рассчитываем сопротивление горизонтального
заземлителя по выражению:
Rr =
(0,366εpaсч/ℓ)
lg (kℓ2/bh),
где
ℓ - длина горизонтального заземлителя;-
коэффициент (при прямоугольном сечении заземлителя k = 2, при круглом - k = 1);
Ь - ширина полосы;- глубина заложения заземлителя.
= (0,366*4/5) lg (2*52/0,5*0,7)=0,631 ом
. Вычисляем действительное число заземлителей с учетом
поле связи по следующей формуле:
nд =
,
где ηг и ηв - коэффициенты экранирования горизонтальных и
вертикальных заземлении, зависящие от числа вертикальных заземлителей и
отношения all (значения коэффициентов приводятся в специальных таблицах).
д =
=3,27
. Расчет питающих КЛ
Для выбора КЛ является минимум проведенный затрат. В практике
проектирования линий массового строительства выбора сечения производиться не по
составительным, а нормирующим показателям. В качестве такого показателя при
проектировании КЛ используются экономическая плотность тока. В ПУЭ установлены
значения экономических плотностей тока, зависящие от материала, конструкции
провода, продолжительности использования максимальной нагрузки и ремонта, характеризующего
стоимости топлива.
Экономически целесообразное сечение предварительно отделять по расчету
току линий
в нормальном режиме работы и экономической плотности тока
Найденное расчетное сечение округляются до ближайшего стандарта.
Для обеспечения нормативных условий КЛ и правильной работы защищаемых
аппаратов, выбранное сечения должно быть проверено по допускаемой длительной
нагрузке по нагреву в нормальных и послеаварийных режимах работы. Проверка
производиться по условию:
,
где
-фактически допустимая токовая нагрузка.
Для подвода напряжения на ТП используем кабель ААБШВ с тремя алюминиевыми
жилами. Экономическую плотность на тока примем равной 1,2 для кабелей с
алюминиевыми жилами и бумажной изоляцией.
н.с. =
=

Из справочника выбираем наиболее приближенное значение жил кабеля
полученному значению.
Окончательно выбираем ААБШВ-3х35, соответствующий всем значениям,
приведенных выше.
Так как длина питающей линии не превышает одного километра, то расчет по
допустимой величине потерь напряжения не производим.
14. Техника безопасности
Оперативное обслуживание электроустановок может осуществляться как
местным оперативным или оперативно-ремонтным персоналом, за которым закреплены
данные электроустановки, так и внезапным, за которым закреплена группа
электроустановок.
К оперативному обслуживанию электроустановок допускаются лица, знающие
оперативные схемы, особенности оборудования и прошедшие обучения и проверку
знаний. Оперативный персонал обязан проводить обходы и осмотры оборудования
закрепленного за ними.
со снятием напряжения;
без снятия напряжения на токоведущих частях и вблизи них;
без снятия напряжения вдали от токоведущих частей, находящихся под
напряжением
В электроустановках напряжением выше 1кВ работы без снятия напряжения на
токоведущих частях и вблизи них должны производится с применением средств
защиты для изоляции работника от токоведущих частей либо от земли. При работе в
электроустановках напряжением до 1кВ без снятия напряжения на токоведущих
частях и вблизи них необходимо:
оградить расположенные вблизи рабочего места другие токоведущие части,
находящиеся под напряжением;
применять инструмент с изолирующими рукоятками.
При работе с применением электрозащитных средств допускается приближение
человека к токоведущим частям на расстоянии, определенное длинной изолирующей
части этих средств.
При снятии и установке предохранителей под напряжением необходимо
пользоваться диэлектрическими перчатками, защитными очками, резиновым ковриком.
После проведения необходимых отключений на приводах разъединителей,
отделителей и выключателей нагрузки напряжением выше 1 кВ, на ключах и кнопках
дистанционного управления ими, на коммутационной аппаратуре напряжением до 1 кВ
(автоматы, рубильники, выключатели) должны быть вывешены плакаты "Не
включать, работают люди", "Не открывать, работают люди". Перед
началом всех видов работ в электроустановках со снятием напряжения необходимо
проверить отсутствие напряжения. Персонал, обслуживающий электроустановки,
должен быть снабжен всеми необходимыми средствами защиты, обеспечивающие
безопасность работы.
К электрозащитным средствам относятся:
изолирующие штанги, изолирующие и электроизмерительные клещи, указатели
напряжения и т.д.;
изолирующие устройства и приспособления для ремонтных работ под
напряжением выше 1 кВ и слесарно-монтажный инструмент для работы в
электроустановках напряжением до 1 кВ;
диэлектрические перчатки, боты, галоши, ковры, изолирующие накладки и
подставки;
индивидуальные экранирующие комплекты, переносные заземления.
Средства защиты необходимо хранить и переводить в условиях обеспечивающих
их исправность и пригодность к употреблению, поэтому они должны быть защищены
от увлажнения, загрязнения и механических повреждений. Все перечисленное выше
при работе в электроустановках поможет избежать производственного травматизма,
а также смертельных случаев связанных с поражение электрическим током и
пренебрежением простейших правил безопасности.
15. Техника эксплуатации оборудования трансформаторной подстанции
Правила имеют цель обеспечить надежную, безопасную и рациональную
эксплуатацию электроустановок и содержание их в исправном состоянии.
Трансформаторы.
Настоящая глава правил распространяется на все силовые трансформаторы.
Трансформаторы должны устанавливаться в соответствии с требованиями действующих
ПУЭ.
Для обеспечения длительной надежности эксплуатации трансформаторов
необходимо:
соблюдение температурных и нагрузочных режимов, уровнем напряжения;
строгое соблюдение норм на качество и изолирующие свойства масла,
содержанное в исправном состоянии устройство охлаждения, регулирование
напряжения, защиты и т.д.;
проведение плановых осмотров и ремонтов.
Трансформаторные установки оснащаются противопожарными средствами в
соответствии с требованиями ПУЭ.
Защита от перенапряжения.
Устройства защиты должны удовлетворять требованиям ПУЭ и руководящих
указаний по защите от перенапряжений.
В зависимости от степени ответственности здания или сооружения
потребители внешнему осмотру без отключения напряжения, при этом обращают
внимания на состояние фарфорового корпуса, регистров срабатывания.
Ремонты разрядников проводят при появлении трещин в корпусе и
армировочных швах. Так же при эксплуатации ежегодно измеряют сопротивление
изоляции, также измеряют ток утечки. Ежегодно перед началом грозового сезона
предприятие должно проверять установки и схемы грозозащиты с учетом
происходящих или намеченных изменений в их устройстве и в схемах электроцепей
для приведения их в соответствии с типовыми схемами.
РУ напряжением до 1 кВ.
РУ с установленными в них приборами и автоматами должны соответствовать
требованиям ПУЭ.
Кабельные каналы РУ закрываются плитами и содержатся в частоте.
Токоведущие части пускорегулирующих и защитных аппаратов должны быть
защищены от случайных прикосновений.
Осмотр и чистка РУ, щитков, сборок от пыли и загрязнений проводятся не
реже одного раза в 3 месяца.
РУ должны иметь четкие надписи, указывающие назначение отдельных цепей и
панелей. Расположение фаз и полюсов в пределах всего устройства должны быть
одинаковыми.
Все металлические части РУ должны быть окрашены иметь другое
антикоррозийное покрытие.
РУ и подстанции напряжением выше 1кВ.
Для надежного и экономического электроснабжения при эксплуатации РУ
должны постоянно находиться в работе, все секции и системы шин, а так же все
электрооборудование, кроме резервного.
При плановых осмотрах РУ особое внимание следует обратить на:
состояние помещения, исправность дверей, отсутствие тяги в кровле и
межэтажных перекрытиях, наличие и исправность замков;
исправность отопления и вентиляции;
исправность освещения и сети заземления;
наличие средств защиты;
уровень температуры масла и отсутствие течи в аппаратах.
состояние контактов.
целостность пломб у счетчиков и реле, состояние изоляции.
Релейная защита, электроавтоматика.
Все установки релейных защит проверяют на чувствительность в условиях
минимальной нагрузки.
На щитах управления подстанции или РУ переключающие устройства в цепях
релейной защиты, автоматики должны располагаться в поле зрения персонала, а
одношинные операции в ними проводятся одинаково.
Панели и пульты РЗ и аппараты, установленные на них периодически очищают
от пыли.
Все устройства защиты и автоматики пломбируют. Постоянный надзор за всеми
щитовыми приборами осуществляет дежурный персонал в соответствии должностной
инструкции.
При осмотрах проверяют состояние корпуса, стекла, контактных соединений,
убеждаются в правильном значении стрелок приборов. Проверяю соответствие
положение устройств, соответствие положения накладок, рубильников, ключей и
испытательных блоков, проводят измерения.
Устройства РЗ и автоматики проверяют в соответствии с годовыми графиками
плана предупредительных работ.
Заземляющие устройства.
Они должны соответствовать требованиям ПУЭ. Присоединение заземляющих
устройств к заземляющему контуру, и заземляемым конструкциям должно выполнятся
сваркой, а к корпусам аппаратов - сваркой или надежным болтовым соединением.
Для определения технического состояния заземляющего устройства
периодически производятся:
внешний осмотр видимой части заземляющего устройства;
осмотр с проверкой цепи между заземлителем и заземляемым элементом;
измерение сопротивления заземляющего устройства.
Литература
1. П.П.
Андреев "Электроснабжение аэропортов"
. Правило
устройства электроустановок
. Правило
технической эксплуатации электроустановок потребителей
. В.И. Нерет,
Ю.К. Величко "Принципы построения систем электроснабжения аэропортов"
Приложение
План здания
1. РУ-6(10) кВ;
. Помещения с силовыми трансформаторами ТМ1000;
. ЩНГП на РУ - 0,4кВ;
. ЩГП на РУ - 0,4кВ;
. Помещение с РЯ ZKP-T8;
. Помещение с АКБ(бесперебойного питания);
. Помещение для хранения топлива;
. Агрегатная дизель-генератора АСДА-100.

Схема заземления.



Принципиальная схема автоматики устройства АВР дизель-генератора на
контакторной станции БУ-8253
Схема агрегата бесперебойного питания
Устройство АВР на секционном автомате РУ на напряжение
0,4 кВ.

Двухфазная двухрелейная схема максимальной токовой защиты

Защита линий от однофазных коротких замыканий

Токовая отсечка линий