Проектирование теплофикационной установки на ТЭЦ ЦКТИ для нового микрорайона

  • Вид работы:
    Курсовая работа (т)
  • Предмет:
    Физика
  • Язык:
    Русский
    ,
    Формат файла:
    MS Word
    258,17 Кб
  • Опубликовано:
    2015-06-05
Вы можете узнать стоимость помощи в написании студенческой работы.
Помощь в написании работы, которую точно примут!

Проектирование теплофикационной установки на ТЭЦ ЦКТИ для нового микрорайона

САНКТ-ПЕТЕРБУРГСКИЙ ГОСУДАРСТВЕННЫЙ ПОЛИТЕХНИЧЕСКИЙ УНИВЕРСИТЕТ

Институт энергетики и транспортных систем

Кафедра "Атомная и тепловая энергетика"







Проектирование теплофикационной установки на ТЭЦ ЦКТИ для нового микрорайона


Студент:

Ожерельев Д.В.

группа 43221/10

Научный руководитель:

Пермяков К.В.



Санкт - Петербург

г.

Содержание

Введение

1. Актуальность темы работы

. Исходные данные

. Тепловая схема проектируемой ТФУ

. Выбор основного оборудования ТФУ

.1 Подогреватели сетевой воды

.1.1 Подогреватели ПСВ

.1.2 Подогреватели ПСВК

.2 Насосы

.3 Трубопроводы

.4 Компоновочные решения

. Расчеты сетевых подогревателей

.1 Тепловой расчет

.2 Проверочный расчет

5.3 Гидравлический расчет

5.4 Прочностной расчет

.4.1 Обечайка корпуса и водяных камер

.4.2 Расчет обечайки съемной части корпуса

.4.3 Расчет эллиптического днища верхней водяной камеры

.4.4 Расчет эллиптического днища нижней водяной камеры

.4.5 Паровые патрубки

.4.6 Водяные патрубки

.4.7 Конденсатные патрубки

.4.8 Расчет жесткозакрепленной трубной доски

Заключение

Список литературы

Введение

теплофикационный подогреватель насос трубопровод

В 2007 году ТЭЦ НПО ЦКТИ отметила 100 лет со дня ввода в действие. Станция создана в 1907 году для снабжения электроэнергией первой очереди городской трамвайной сети, в 1918 году была национализирована и стала переориентироваться на решение задач в рамках реализации плана ГОЭЛРО.

С 1938 года станция входит в состав ЦКТИ (позднее НПО ЦКТИ) в качестве экспериментальной электростанции.

Сегодня наряду с поставкой тепла и электроэнергии внешним потребителям, основным назначением ТЭЦ НПО ЦКТИ является обеспечение энергией стендовой и лабораторной базы НПО ЦКТИ - научного предприятия, разрабатывающего основы создания энергетического оборудования для отечественного энергомашиностроения.

ТЭЦ НПО ЦКТИ осуществляет поставку тепла и электроэнергии таким оптовым потребителям как ОАО "ПСК", ООО "Русэнергосбыт", ОАО "РЖД" и пр.

От ТЭЦ отходят три тепловые магистрали: в район Тележной улицы Центрального района, на Невский завод и в район Московского вокзала.

Потребителями пара от ТЭЦ являются: "Энергосбыт" ОАО "ТГК-1", ОАО "РЖД", больница имени Боткина и др.

В состав оборудования входят:

Три турбины по 6 МВт, 9 котлов (8 паровых и 1 водогрейный) Общая установленная тепловая мощность ТЭЦ составляет 414 Гкал/час.

1. Актуальность темы работы

В связи с застройкой освободившейся территории станции Московская товарная, возникла необходимость обеспечения тепловой энергией нового микрорайона, который получил название Царская столица. Станция была перенесена в район Шушары. Рассматривался вариант строительства на этой территории собственной котельной. В конечном итоге был выбран вариант подключения дополнительной нагрузки на новый микрорайон от ТЭЦ ЦКТИ. В связи с этим возникла необходимость строительства новой теплофикационной установки.

2. Исходные данные

Дополнительная отопительная нагрузка и нагрузка ГВС к ТЭЦ ОАО "НПО ЦКТИ" составляет Q=50 Гкал/ч по расчетному температурному графику 110/65 ºС при независимой схеме включения потребителя и закрытой схемой водозабора.

Проектируемая теплофикационная установка входит в состав ТЭЦ "НПО ЦКТИ" и подключается к источникам энергии и вспомогательным системам ТЭЦ параллельно существующим бойлерным. Тепловая энергия передается потребителю через индивидуальные тепловые пункты, подключенные к магистралям "прямой" и "обратной" сетевой воды, независимо по отоплению и горячему водоснабжению. Предусмотрена возможность независимого регулирования температуры прямой сетевой воды, подаваемой на отопление и ГВС, изменением расхода сетевой воды. Заданное давление сетевой воды в точках входа и выхода: на входе - 0,25 МПа, на выходе - 0,8 МПа.

3. Тепловая схема проектируемой теплофикационной установки

Требуемый расход сетевой воды:

 

где ССВ, ТПР и ТОБР - соответственно, средняя удельная теплоемкость (ккал/(кг, температуры (прямой и обратной сетевой воды при расчетном режиме работы.

Значения располагаемых параметров основного греющего пара представляются исходя из параметров пара на выхлопе и в отборах имеющихся турбин, а также двух РОУ - 13/2 и 40/2 ата: давление РГР П=2 ата, энтальпия НГР П=666 ккал/кг, tS=120.

Принята схема бойлерной, состоящая из трех однотипных подогревателей сетевой воды (2 рабочих, 1 резервный), параллельно включенных по сетевой воде и греющему пару 2 ата, из которых подогреватели №1 и №2 дополнительно по греющему пару подключены к магистрали повышенного давления.

В отопительный период работают 2 ПСВ. При обеспечении требуемой температуры сетевой воды на выходе из теплофикационной установки, работают любые 2 ПСВ. При недогреве до требуемой температуры - в работу включается ПСВ №1 либо №2 и любой другой со смешением сетевой воды на выходе из теплофикационной установки.

В летний период работает 1 ПСВ с уменьшенным расходом сетевой воды.

Конструкция бойлеров - вертикальная, исходя из располагаемого помещения, без охладителя конденсата греющего пара.

Требуемый расход греющего пара давлением 2 ата:

 

где НК - энтальпия конденсата греющего пара, ккал/кг.

Указанный требуемый расход пара обеспечивается подачей из общего парового коллектора 2 ата, в который пар поступает из следующих источников (указан максимально возможный расход):

с выхлопа турбины Р-6 - 50 т/ч,

с отбора турбины АТ-6 - 30 т/ч,

с выхлопа турбины ПР-6 - 30 т/ч,

с РОУ 13/2 и РОУ 40/2 ата.

Подача пара повышенного давления в ПСВ №1 и №2 обеспечивается за счет пара от коллектора 13 ата через РОУ до 3 - 7 ата, а также непосредственно от магистрали 7 ата.

Расчетный расход подпиточной воды в м3/ч принят в соответствии с указаниями СНиП 41-2-2003, в которых для закрытых систем эта величина должна составлять 0,75% от фактического объема воды в трубопроводах тепловых сетей. Исходя из этого, при объеме воды в трубопроводах 472 м3, расход подпитки должен равняться 3,54 м3/ч.

Принятая схема ТФУ работает следующим образом. Обратная сетевая вода от микрорайона "Царская столица" при входе на ТЭЦ ЦКТИ может подаваться либо на старую ТФУ ТЭЦ, либо на новую. При подаче на новую ТФУ, сетевая вода поступает через механические сетчатые фильтры (1 рабочий, 1 резервный) на сетевые насосы (в отопительный период в работе 1 основной насос, 1 находится в резерве, в неотопительный период - в работе 1 летний насос).

Для регулирования подачи сетевой воды, на напоре сетевых насосов предусмотрен трубопровод рециркуляции.

К раздаточной трубе на всасе сетевых насосов подключен трубопровод подпиточной воды с регулирующим клапаном подпитки.

После сетевых насосов обратная сетевая вода поступает на раздаточный коллектор подогревателей сетевой воды, включенных параллельно. В отопительный период в работе должно быть 2 теплообменника, в летний период 1 любой. Нагретая в подогревателях вода собирается в сборном коллекторе, где смешивается с частью расхода обратной сетевой воды с целью регулирования температуры прямой сетевой воды, и поступает через запорную задвижку в магистраль прямой сетевой воды. Обратная сетевая вода подается через два параллельно включенных регулирующих клапана.

В целях обеспечения теплоснабжения "Царской столицы" при неработающей новой ТФУ, к магистрали прямой сетевой воды помимо трубопровода прямой воды из новой ТФУ подключен также трубопровод прямой воды из существующей ТФУ.

На ТФУ ТЭЦ предусмотрено регулирование общего расхода сетевой воды регулирующим заслоночным затвором, установленным на магистрали обратной сетевой воды. Для промывки всего контура сетевой воды при отключенных по сетевой воде подогревателях (во избежание их загрязнения) на подогревателе №1 предусмотрена перемычка между входом и выходом воды.

Подача греющего пара производится от общего раздаточного трубопровода. Кроме того, к подогревателям №1 и №2 подводится пар повышенного давления от РОУ 13 ата и, как запасной вариант, с отбора турбины ПР-6 и от магистрали 7 ата.

Конденсат греющего пара перекачивается насосами в деаэраторы, либо сливается в бак нижних точек. Для замера расхода конденсата греющего пара по отдельным подогревателям, на общем сливном участке предусмотрен съемный расходомерный участок.

4. Выбор основного оборудования ТФУ

.1 Подогреватели сетевой воды

Подогреватели сетевой воды должны отвечать следующим общим требованиям:

Давление греющего пара, кгс/см2 (МПа)                                 1,9-2,6 (0,19-0,26)

Максимальная мощность, Гкал/ч (МВт):

при давлении греющего пара 1,9 кгс/ см2 23 (26,7)

при давлении греющего пара 2,6 кгс/ см2 27 (31,4)

Расчетная температура сетевой воды на входе, °С 65

Температура сетевой воды на выходе, °С:

при давлении греющего пара 1,9 кгс/ см2 106,2

при давлении греющего пара 2,6 кгс/ см2 113,8

Расход греющего пара при максимальной мощности, т/ч:

при давлении греющего пара 1,9 кгс/ см2 52,4

при давлении греющего пара 2,6 кгс/ см2 43,5

Энтальпия греющего пара, ккал/кг:

при давлении греющего пара 1,9 кгс/ см2 660

при давлении греющего пара 2,6 кгс/ см2 660,4

Температура конденсата на выходе - на линии насыщения

Давление сетевой воды, кгс/см2 (МПа) 9,1(0,9)

Максимальный расход сетевой воды, т/ч 553,5

Скорость сетевой воды в трубчатке, м/с >0,8

Конструктивное исполнение - вертикальное, с верхним и нижним фланцевым разъемами

Диаметры патрубков, мм:

подвод и отвод сетевой воды 300

подвод греющего пара 500

отвод конденсата 150

Номенклатура отечественных сетевых подогревателей вертикального исполнения достаточно ограниченна:

подогреватели ПСВ ОСТ 108.271.101, производство ОАО "Сарэнергомаш"

подогреватели ПСВК ТУ4933-049-05762252-2003, выпускаются ОАО "НПО ЦКТИ".

При выполнении работы рассматривалась возможность применения на проектируемом объекте подогревателей обеих серий.

.1.1 Подогреватели ПСВ

Подогреватели ПСВ выпускаются в практически неизменном исполнении около 60 лет, изначально имели обозначение БО, представляют собой вертикальный кожухотрубный аппарат с выемной трубной системой, с плавающей малой водяной камерой, с верхним расположением распределительной камеры. Для условий заданного объекта изготовителем - ОАО "Сарэнергомаш" - предложен подогреватель ПСВ-300-14-23.

Он имеет следующие основные технические характеристики:

Поверхность нагрева, м2 - 300

Диаметр корпуса, мм - 1500

Диаметр и толщина стенки труб, мм -19х1

Длина трубной системы, мм - 5250

Полная высота подогревателей, мм - 7780

Масса сухая, т - 17,6

Масса подогревателя, полностью заполненного водой, т - 28,8.

Схема подогревателя приведена на рис. 1. Габаритный чертеж с характеристиками подогревателя представлены в приложении 3.

Рис. 1 Схема ПСВ-300-14-23

Эксплуатация подогревателей ПСВ в условиях реальных объектов, подобных рассматриваемому, сопряжена со значительными сложностями и неудобствами. Для очистки или отглушения теплообменных труб необходимо осуществлять выемку трубной системы из корпуса.

Поскольку слив воды из трубной системы возможен только после ее выемки из корпуса, приходится извлекать трубную систему, заполненную водой. Это требует наличия большого свободного пространства над подогревателем, а также крана большой грузоподъемности. Эти условия в котельных и небольших ТЭЦ, как правило, отсутствуют.

.1.2 Подогреватели ПСВК

В качестве альтернативного варианта сетевого подогревателя для данного объекта был рассмотрен подогреватель типа ПСВК. В аппаратах ПСВК эксплуатационные проблемы, характерные для подогревателей ПСВ, решены. После снятия крышки корпуса, предоставляется возможность слива воды из трубной системы, а при снятой нижней камере открывается доступ к нижней трубной доске, и таким образом, наиболее распространенные операции по обслуживанию и ремонту подогревателя выполняются без выемки трубной системы из корпуса.

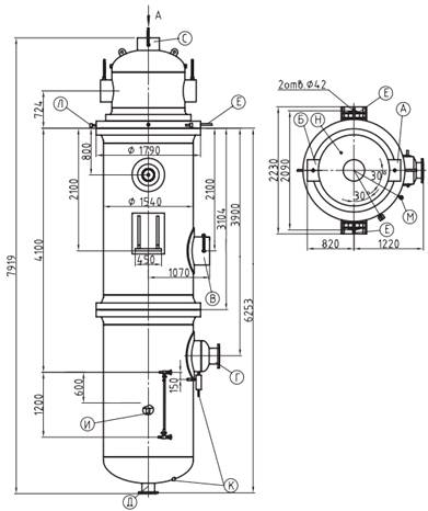
С учётом изложенных соображений для проектируемой ТФУ были выбраны подогреватели серии ПСВК. На основании предварительного анализа был сделан вывод о возможности применения аппарата по типу ПСВК-220-1,0-1,0-IV, но с увеличенной приблизительно на 20% поверхностью теплообмена. В связи с тем, что в типоразмерном ряду подогревателей ПСВК необходимый аппарат на момент проектирования ТФУ отсутствовал, было принято решение о его разработке. Подогреватель получил обозначение ПСВК-264-1,0-1,0. Габаритный чертеж и технические характеристики представлены в приложении 2.

4.2 Насосы

В отопительный период расход сетевой воды обеспечивается насосами 1Д1250 - 125б (1 работающий, 1 резервный).

В неотопительный период расход сетевой воды обеспечивается насосом ЦН 400 - 105.

Для слива конденсата греющего пара приняты насосы Кс 50 - 110 - 2.

Характеристики насосов представлены в таблице 1.

Таблица 1 - Технические характеристики насосов.

Типоразмер насоса

Диаметр рабочего колеса, мм

Напор, м

Подача, м3

Частота вращения, с-1 (об/мин)

КПД

Допускаемый кавитационный запас, м

1Д1250 - 125б

526

90

900

24,5 (1450)

0,75

5

ЦН 400 - 105

385

70

450

24,5 (1450)

0,7

4,7

Кс 50 - 110 - 2

205

55

50

3000

0,61

1,6


.3 Трубопроводы

Трубопроводы приняты в соответствии с рекомендациями по скоростям сред в трубопроводах различного назначения и представлены в таблице 2.

Таблица 2 - Характеристика трубопроводов

Наименование трубопровода

Расход, т/ч

Dxδ

Скорость среды, м/с

Подающий трубопровод сетевой воды

1107

426х9

2,47

Обратный трубопровод сетевой воды

1107

426х9

2,4

Трубопроводы подвода/отвода сетевой воды к теплообменникам

491

325х8

1,85

Трубопровод подвода пара 2 ата к ТФУ

92,5

630х9

77,3

Трубопровод подвода пара 2 ата к подогревателям сетевой воды

46,25

530х9

55

Трубопровод слива конденсата греющего пара из подогревателей

46,25

159х4,5

0,77

Байпас подогревателей ТФУ

124,8-803

325х8

0,47-3

Трубопровод подпитки ТФУ

3,54

38х2

1,08


.4 Компоновочные решения

Теплофикационная установка (ТФУ) для подачи тепловой энергии к объекту "Царская столица" размещается в помещении 2-Н №61, корпус №8 ТЭЦ НПО ЦКТИ.

Место установки ТФУ выбрано Заказчиком - ТЭЦ НПО ЦКТИ.

Схема расположения оборудования приведена в Приложении №4.

В состав ТФУ входят:

три подогревателя сетевой воды;

каркас для установки трех подогревателей;

три насоса сетевой воды;

три конденсатных насоса;

трубопроводы прямой и обратной сетевой воды;

трубопроводы подачи греющего пара и слива конденсата;

запорная и регулирующая арматура.

Три подогревателя сетевой воды размещаются в осях "2а-2б", ряды "З-К" и монтируются на новую металлоконструкцию - каркас.

Три сетевых насоса размещаются в осях "2-2б", рядах "З-И" на отметке -3,26 и монтируются на новых фундаментах.

Три конденсатных насоса размещаются в осях "2-2а", рядах "З-Л" на отметке -3,26 и монтируются на двух существующих фундаментах и одном новом фундаменте.

Конструкция подогревателя типа ПСВ не предусматривает возможность проведения ремонтных работ без выемки трубной системы аппарата, слив воды из трубной системы возможен только тогда, когда она находится вне корпуса. Ввиду ограниченного пространства помещения бойлерной, выполнение технических работ с выемкой трубной системы подогревателя является затруднительной. Немаловажным является то, что масса подогревателя, заполненного водой составляет 27, 2т (сухая масса 16т), что усложняет подъемно - транспортные манипуляции с ним. Эта проблема осложняется тем, что на основе проведенного гидрологического обследования фундамента бойлерной было сделано заключение о том, что максимально-допустимая несущая способность крана должна быть не выше 4,7т. В случае необходимости поднятия более тяжелых грузов, потребуется укрепление фундамента.

Конструктивные особенности подогревателя типа ПСВК позволяют решить указанные выше проблемы. Масса аппарата, полностью заполненного водой, составляет 13,1т. (6,85т - сухая масса). Кроме того, возможность доступа к трубной системе подогревателя без её выемки из корпуса снимает необходимость использования крана при необходимости выполнения технических работ.

Указанные преимущества подогревателя типа ПСВК стали определяющими при выборе типа подогревателей для ТФУ.

5. Расчеты сетевых подогревателей

5.1 Тепловой расчет

В результате расчета сетевого подогревателя должны быть определены площадь поверхности теплообмена, а также длина трубок. Известны давление рп и температура tн в соответствующем теплофикационном на номинальном режиме работы турбины. Принимается температура обратной сетевой воды, которая является входной температурой t по отношению к сетевому подогревателю. Принимается величина скорости сетевой воды wв в трубках при номинальном расходе, выбирается наружный и внутренний диаметры трубок и число ходов в аппарате. Таким образом, для расчета сетевого подогревателя необходимы следующие исходные данные:

Номинальная тепловая нагрузка аппарата, кВт QТФ

Давление в отборе турбины, МПа                                                  рп

Температура насыщения пара в отборе турбины, °С                   tп

Температура обратной сетевой воды, °С                                       t

Скорость воды в трубках при номинальном расходе, м/с            wв

Наружный и внутренний диаметры трубок, м dн , dвн

Число ходов воды z

Материал трубок                                                                                   -

В качестве материала теплообменных трубок выбран медно - никелевый сплав МНЖ 5-1. Для него предельная скорость сетевой воды, рекомендуемая [1] составляет 2,7 м/с.

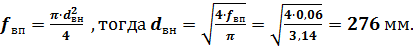
Наружный и внутренний диаметры трубок принимаем как в типовых подогревателях ПСВ - 19х1 мм.

) Температура воды на выходе из аппарата: t=110 °С

) Номинальный расход сетевой воды:

 

в м, ч - массовый часовой расход сетевой воды

 

в v,c - объемный секундный расход сетевой воды

v’=1,03 [2] - удельный объем воды, м3

) Суммарная площадь проходного сечения

 

4) Количество трубок в аппарате

 

К полученному количеству трубок вводится коэффициент запаса, увеличивающий найденное значение на 15%:

 = 260 1,15 = 299 шт.

5) Коэффициент теплопередачи

.1) Средний для всей поверхности теплообмена коэффициент теплопередачи:

 

5.2) Коэффициент теплопередачи с учетом коэффициентов технической чистоты трубок поверхности теплообмена βr , влияние эффективности работы воздухоподогревателя βв, поправки на отклонение диаметра трубок βd :

 

βr=0,85, βв=1-0,225(Nвозд/N), где Nвозд - количество трубок в зоне воздухоохладителя, Nвозд=0, βd=1.

.3) Коэффициент теплопередачи с учетом теплопроводности материала трубок λст:

 

где λст=129,6  [2]

.4) Коэффициент теплопередачи с учетом загрязнения трубок:

 

Rзагр - термическое сопротивление слоя загрязнений, Rзагр=0. В связи с неопределенностью параметров загрязнения (химический состав, время работы перед чисткой и др.), расчет будем вести по чистым трубам, а к рассчитанной поверхности теплообмена применим коэффициент запаса 1,2.

k = k* = 4890 .

6) Среднелогарифмическая разность температур:

 

) Необходимая поверхность теплообмена:

 

8) Длина трубок поверхности теплообмена:

 

 

Компоновка трубного пучка. Найденная длина труб больше максимальной длины труб у отечественных заводов - изготовителей. Её принятие вызовет затруднения на всех стадиях изготовления подогревателей: при заказе труб, их перевозке, набивке пучков. Кроме того, при одноходовой компоновке вход и выход находятся с разных сторон, что делает проблематичной компенсацию температурных расширений трубного пучка и корпуса. Из приведенных соображений увеличиваем число ходов и уменьшаем длину труб. Принимаем четырехходовое исполнение подогревателя. Получаем длину труб l=3,6 м.

Верхняя водяная камера Нижняя водяная камера

Рис. 2 Схема установки перегородок в водяных камерах подогревателя.

Общее число трубок Nобщ = 4∙N = 4∙299 = 1196 шт.

Определение диаметра корпуса:

Были проработаны различные варианты размещения требуемого числа труб в различных диаметрах корпуса подогревателя. По их результатам выбран диаметр корпуса Dкорп = 1100 мм, общее количество труб 1248, т.е. в среднем 312 труб в одном ходе.

Рис. 3 Схема треугольной компоновки труб в пучке

Шаг между перегородками lперегородок = 0,5 м, количество перегородок nперегородок = 6шт., толщина δперегородок =8 мм.

Таким образом, получаем активную длину трубок:

 

 

lакт = l - nперегор.∙δперегор. - 2δтр.доски = 3600 - 6 х 8 - 2 х 60 = 3432 мм.

Полученную длину увеличиваем до целого. В тепловом расчёте используем активную длины трубок.

5.2 Проверочный расчет

1) Величина температуры насыщения пара в аппарате:

ts=119,9 °C

) Коэффициент теплоотдачи со стороны сетевой воды:

 

 

 

ν = 3,35∙10-7 м2/с [2] - кинематическая вязкость воды;

 

Prв=2 [2];

λв=0,673 Вт/(м∙с) [2];

3) Теплофикационная нагрузка сетевого подогревателя:

 

4) Температура стенки трубок поверхности теплообмена:

 

;

λст = 129,6 Вт/(м×°С) [2];

Q = 50000 кВт;

 

5) Разность температур между пленкой и стенкой:

Δtп-с = ts-tст=119,9-109,9=10°С

) Температура пленки конденсата:

 

7) Критическая разность температур:

 

 

8) Условие Δtп-с< Δtкр не выполняется, поэтому коэффициент теплоотдачи со стороны пара определяется по формуле:

 

;

т.к. tпл ≥ 110 °C, то С = 1,163 ×∙ (18361,1-48,06 · tпл) = 1,163 ∙ (18361,1 - 48,06 ∙ ∙114,9) =14931,8


9) Коэффициент теплоотдачи:

 

10) Величина недогрева воды до ts:

 

11) Новое значение температуры насыщения:

 

 

Таким образом, расчет выполнен достоверно и с достаточной степенью точности, расхождение между полученной температурой насыщения и прежней её величиной составляет 1,2%.

5.3 Гидравлический расчет

Гидравлический расчет аппарата проводится с целью определения потерь давления воды:

 

Схема движения воды в подогревателе представлена на рисунке 4.

Рис. 4. Схема движения воды в подогревателе

Коэффициент сопротивления трения гладких прямых U - образных труб:

 

L= 4 ∙ 3,6 = 14,4 м - общая длина труб при четырехходовом исполнении.

Так как Re находится в пределах 104 - 5∙106, то для технически гладких труб

 

 

Коэффициенты местных сопротивлений выбираются по рекомендациям [1], см. табл. 3.

Таблица 3


В нашем случае имеются сопротивления "поворот с ударом во входной или выходной камерах" (1) и "поворот на угол 180° из одной секции в другую через промежуточную камеру" (2).

С учётом этого полное гидравлическое сопротивление подогревателя по сетевой воде равно:

 

1,5 - коэффициент сопротивления на входе в трубную систему, выходе из неё с учётом поворота на 90°;

,5 - коэффициент сопротивления поворота на 180°.

Гидравлическое сопротивление подогревателя находится в допустимых пределах. Таким образом, рассчитываемый подогреватель удовлетворяет условиям и может быть принят для дальнейшей проработки.

5.4 Прочностной расчет

Проведем прочностной расчет основных элементов теплообменника:

обечайка корпуса и водяных камер;

эллиптические днища верхней водяной камеры и съёмной части корпуса;

верхняя трубная доска.

Расчёт обечаек и днищ проводится в соответствии с [5].

5.4.1 Обечайка корпуса и водяных камер

Расчётная схема обечайки представлена на рисунке 5:

Рис. 5 Расчетная схема обечайки


 

р - расчетная толщина стенки;

С - прибавка к толщине стенки. Для обечайки С = 2,2 мм. [4]

 

[σ] - допускаемое напряжение при расчетной температуре, МПа;

Для стали Ст. 3 [σ] = 142 МПа;

p = 1 МПа - давление воды;

Dвн = 1,1 м - диаметр корпуса;

φр = 0,9 - коэффициент прочности продольного сварного шва.

  ≥ 4, 32+2,2 = 6,52 мм.

По рассчитанной величине принимаем толщину стенки корпуса 8 мм.

Допускаемое внутреннее избыточное давление:

 

.4.2 Расчет обечайки съемной части корпуса

вн = 1200 мм.

  ≥ Sp + C = 4,71 + 2,2 = 6,91 мм.

По рассчитанной величине принимаем толщину стенки обечайки съемной части корпуса 8 мм.


.4.3 Расчет эллиптического днища верхней водяной камеры

Днища выбираются из ряда стандартных размеров по [7].

Расчетная схема эллиптического днища представлена на рисунке 6:

Рис. 6 Расчетная схема эллиптического днища

 

 

 - радиус кривизны в вершине днища, для эллиптического днища R=D.

S ≥ Sp + C = 5,78 + 3,8 = 9,58 мм, где

С = 3,8 мм - прибавка к толщине стенки для днища [4].

По рассчитанной величине принимаем толщину стенки днища 10 мм.

Допускаемое внутреннее избыточное давление:

 

5.4.4 Расчет эллиптического днища нижней водяной камеры

 = Dвн = 1200 мм.

 

S ≥ Sp + C = 5,82 + 3,8 = 9,62 мм.

По рассчитанной величине принимаем толщину стенки днища 10 мм.

Допускаемое внутреннее избыточное давление:

 

По рекомендациям [1] определяем диаметры патрубков аппарата.

5.4.5 Паровой патрубок

 

 = 526,2 - удельная теплота парообразования при p = 2 кгс/см2 (ts = 120°C).

Объемный секундный расход пара:

 

 = 0,946 м3/т - удельный объем воды.

 

п = 50 м/с. В соответствии с [1] рекомендуемая скорость насыщенного пара с давлением выше атмосферного находится в пределах 30-50 м/с. Для обеспечения удобства компоновки стремятся к увеличению скорости для уменьшения диаметра патрубка. Поэтому скорость приближена к верхнему пределу.

 

По [6] принимаем dнар = 630 мм при толщине стенки 8 мм.

dвн = dнар - 2 ∙ δст = 630 - 2 ∙ 8 = 614 мм.

 ≥ Sp + C = 2,41 + 2 = 4,41 мм - минимально- допустимая толщина стенки.

.4.6 Водяные патрубки

Расход воды:

 

в = 2,7 м/с - рекомендуемая скорость воды [1];

 

 

Диаметр водяного патрубка принят по следующим критериям:

wв находится в пределах 2-3 м/с согласно рекомендациям в [1];

диаметр соответствует ряду стандартных труб по ГОСТ 10704-76.

 вн = dнар - 2 ∙ δст = 325 - 2 ∙ 8 = 309 мм.

 ≥ Sp + C = 1,21 + 2 = 3,21 мм - минимально- допустимая толщина стенки.

По [6] принимаем dнар = 325 мм при толщине стенки 8 мм.

5.4.7 Конденсатный патрубок

 

 

п = 1 м/с. В [1], рекомендуемый диапазон скоростей конденсата греющего пара в патрубках свободного слива находится в пределах 0,5 - 1,5 м/с. В соответствии с этим, принимаем среднюю величину скорости конденсата 1 м/с.

 

По [6] принимаем dнар = 159 мм при толщине стенки 4 мм.

dвн = dнар - 2 ∙ δст = 159 - 2 ∙ 4 = 151 мм.

S ≥ Sp + C = 0,59 + 2 = 2,59 мм - минимально- допустимая толщина стенки.

Диаметры рассчитаны таким образом, чтобы обеспечить рекомендуемый уровень скоростей в них, а также с учетом сортамента труб, установленного в [6].

В соответствии с результатами расчетов приняты следующие диаметры патрубков:

Таблица 5

Водяные патрубки

Паровые патрубки

Конденсатные патрубки

dнар, мм

dвн, мм

δст, мм

dнар, мм

dвн, мм

δст, мм

dнар, мм

dвн, мм

δст, мм

325

309

8

630

614

8

159

151

4


По рекомендациям [1] и в соответствии с технико - компоновочными соображениями приняты следующие скорости сред в патрубках:

Таблица 6

Патрубки

Водяные

Паровые

Конденсатные

Скорость среды, м/с

2,7

50

1


5.4.8 Расчет жесткозакрепленной трубной доски

Определение толщины верхней трубной решетки подогревателя проводится в соответствии с ГОСТ Р 52857.7 - 2007 [8].

Таблица 4. Исходные данные:

Расчетное давление, МПа:


- в межтрубном пространстве

Рр

1,6

- в трубном пространстве


1,6

- на трубную решетку


1,6

Расчетная температура, °С

tр

200

Допускаемое напряжение, МПа:


- для трубной решетки, материал: 092С ГОСТ 19281

[σ]р

148

- для труб, материал: ДК РНП Л68


50

Коэффициент прочности сварного шва

φ

1

Средний диаметр прокладки, мм

Dс.п.

1144

Диаметр отверстия в решетке, мм

d0

19,2

Толщина стенки трубы, мм

δ

1

Шаг расположения отверстий, мм

tр

25


) Толщина трубной решетки в зоне перфорации

Толщина трубной решетки в зоне перфорации должна удовлетворять условию:

 

С = 4мм [4] - прибавка к толщине для решетки;

 

.

φЕ = 0,23 - эффективный коэффициент ослабления. [8], (приложение Б);

Sр = 58,8 + 4 = 62,8 мм.

) Расчетная толщина трубной доски (по условию прочности беструбной зоны)

 

E = 250 мм - диаметр окружности, вписанной в максимальную беструбную зону.

) Толщина решетки в месте уплотнения под кольцевую прокладку

 

В = 1120 мм - наименьший диаметр утоненной части решетки.

 

 

Sрr max = 12,2 + 4 = 16,2 мм.

4) Толщина решетки в сечении канавки

 

п = 9 мм - ширина канавки под прокладку;

tп = 50 мм - расстояние между осями рядов отверстий, расположенных с двух сторон от паза;

φр - коэффициент ослабления трубной решетки;

 

;

 

.

Принятая толщина трубной доски должна быть не меньше, чем максимальная величина из рассчитанных по приведенным ниже условиям:

Толщина решетки в сечении канавки: не менее 29,4 мм;

Толщина решетки в месте уплотнения под кольцевую прокладку: не менее 16,2 мм;

Расчетная толщина трубной решетки по условию прочности беструбной зоны: не менее 17 мм;

Расчетная толщина трубной решетки: не менее 58,8 мм.

Исходя из этих условий, окончательно принимаем конструктивную толщину трубной решетки равную 65 мм.

Заключение

1. В настоящей работе выполнены основные конструктивные решения по новой теплофикационной установке ТЭЦ ОАО "НПО ЦКТИ" для теплоснабжения строящегося микрорайона "Царская столица".

. Произведен выбор основного оборудования для бойлерной: сетевые подогреватели, насосы, трубопроводы.

. На основе обзора существующих конструкций сетевых подогревателей для применения в составе ТФУ выбраны сетевые подогреватели типа ПСВК.

. В связи с тем, что в типоразмерном ряду подогревателей ПСВК на момент проектирования не было подогревателя с требуемой поверхностью теплообмена, на основе конструктивной схемы подогревателей ПСВК разработан аппарат, удовлетворяющий условиям работы в новой ТФУ. Он получил обозначение ПСВК-264-1,0-1,0-IV.

. Для разработанного подогревателя проведены тепловые, гидравлические, прочностные расчёты, на основе их результатов определены размеры основных элементов и массогабаритные характеристики подогревателя.

Список литературы

1. РТМ 108.271.23-84 "Расчет и проектирование поверхностных подогревателей высокого и низкого давления".

. "Теплофизические свойства воды и водяного пара" С. Л. Ривкин,

А. А. Александров.

. "Справочник металлиста" том 2 под ред. А. Г. Рахштадта, Москва "Машиностроение" 1976 г.

. ГОСТ Р 52857.1-2007. Сосуды и аппараты. Нормы и методы расчёта на прочность. Общие требования. Прибавки и доп. напряжения.

5. ГОСТ Р 52857.2-2007. Сосуды и аппараты. Нормы и методы расчета на прочность. Расчет цилиндрических и конических обечаек, выпуклых и плоских днищ и крышек

. ГОСТ 10704-76. Трубы стальные электросварные прямошовные. Сортамент

7. ГОСТ 6533-78. Днища эллиптические отбортованные стальные для сосудов, аппаратов и котлов. Основные размеры.

8. ГОСТ Р 52857.7-2007. Сосуды и аппараты. Нормы и методы расчета на прочность. Теплообменные аппараты.

Похожие работы на - Проектирование теплофикационной установки на ТЭЦ ЦКТИ для нового микрорайона

 

Не нашли материал для своей работы?
Поможем написать уникальную работу
Без плагиата!
Без нейросетей!