Проектирование силового масляного трансформатора ТМН-11000/110
Аннотация
трансформатор масляный магнитопровод напряжение
В данном курсовом проекте спроектирован силовой масляный трансформатор
ТМН-11000/110. В процессе проектирования трансформатора было осуществлёно
технико-экономическое обоснование оптимального варианта, отвечающего условиям
минимума приведённых затрат. Это позволило выявить основные размеры и параметры
данного трансформатора, а именно диаметр стержня, высоту окна магнитопровода,
потери холостого хода и короткого замыкания, минимальную цену трансформатора.
При проектировании выполнено построение и расчёт активного сечения стержня
магнитопровода, произведён выбор типа и расчёт параметров обмоток
трансформатора, определены потери и напряжение короткого замыкания, потери и
ток холостого хода. Кроме того, произведена компоновка активной части
трансформатора в баке, выбор размеров бака, произведён тепловой расчёт, целью
которого было определение числа и типа радиаторов. Помимо этого пояснительная
записка включает в себя расчёт динамической стойкости трансформатора при
коротком замыкании, выбор вспомогательного оборудования. Курсовой проект
состоит из пояснительной записки объёмом 43 листа и графической части,
выполненной на двух листах формата А1.
Содержание
Введение
.
Технико-экономический расчёт оптимального варианта
. Построение
и расчёт сечения стержня магнитопровода
. Расчёт
напряжения одного витка, количества витков, напряжений и токов на всех
ответвлениях обмотки РО
. Выбор типа
и расчёт параметров обмоток трансформатора
.1 Выбор типа
и параметров обмотки НН
.2 Выбор типа
и параметров обмотки ВН
4.3 Проверка
уровня отклонения расчетного значения UКЗР% от заданного (UКЗ=10,5%)
4.4 Расчёт
параметров регулировочной обмотки
. Расчёт
потерь короткого замыкания и напряжения короткого замыкания
.1 Расчёт
сопротивлений обмоток НН и ВН постоянному току и масс обмоточного провода
.2 Расчёт
основных потерь в обмотках НН и ВН
.3 Расчёт
составляющих добавочных потерь в обмотках НН и ВН
.4 Расчёт
добавочных потерь в металлоконструкциях
.5 Общие
потери короткого замыкания
. Расчёт
напряжения короткого замыкания
. Расчёт
потерь и тока холостого хода
. Тепловой
расчёт трансформатора
. Расчёт
динамической стойкости трансформатора при коротком замыкании
. Компоновка
активной части трансформатора в баке
. Выбор
вспомогательного оборудования силовых масляных трансформаторов
. Описание
конструкции
Заключение
Литература
Введение
Трансформатором называется статическое электромагнитное устройство,
имеющее две или более индуктивно связанных обмотки и предназначенное для
преобразования посредством электромагнитной индукции одной или нескольких
систем переменного тока в одну или несколько других систем переменного тока.
Трансформаторы различного назначения в диапазоне мощностей от долей
вольт-ампера до 1 млн кВА широко используются в народном хозяйстве.
Назначение силовых трансформаторов - преобразование электрической энергии
в электрических сетях и установках, предназначенных для приёма и использования
электрической энергии. Силовые трансформаторы подразделяются на трансформаторы
общего назначения, которые предназначены для включения в сеть, не отличающиеся
особыми условиями работы, характером нагрузки и режимом работы, и
трансформаторы специального назначения, которые предназначены для
непосредственного питания потребительской сети или приёмников электрической
энергии.
Силовой трансформатор является одним из важнейших элементов современной
электрической сети, и дальнейшее развитие трансформаторостроения определяется в
первую очередь развитием электрических сетей, а, следовательно, энергетики
страны.
Особо важными задачами являются повышение качества трансформаторов,
использование прогрессивной технологии производства, экономия материалов при их
изготовлении и возможно низкие потери энергии при их работе в сети. Экономия
материалов и снижение потерь особенно важны в распределительных
трансформаторах, в которых расходуется значительная часть материалов и
возникает существенная часть потерь энергии всего трансформаторного парка.
Хотя КПД трансформаторов очень велик и для большинства составляет 98-99%,
общие потери во всём трансформаторном парке достигают существенных значений
ввиду многократной трансформации энергии. Поэтому одной из главных задач в
настоящее время является задача существенного уменьшения потерь в
трансформаторах, то есть потерь холостого хода и потерь короткого замыкания.
Уменьшение потерь холостого хода достигается, главным образом, путём всё
более широкого применения холоднокатаной рулонной электрической стали с
улучшенными магнитными свойствами - низкими и особо низкими удельными потерями
и низкой удельной намагничивающей мощностью.
Применение этой стали, обладающей анизотропией магнитных свойств и очень
чувствительной к механическим воздействиям при обработке - продольной и
поперечной резке рулона на пластины, сочетаются с существенным изменением
конструкции магнитных систем, а также с новой прогрессивной технологией
заготовки и обработки пластин, сборки магнитной системы.
Новые конструкции магнитных систем характеризуются применением косых
стыков, стяжкой стержней и ярм кольцевыми бандажами вместо сквозных шпилек. Эти
новые конструкции позволяют уменьшить расход активной стали и потери холостого
хода. Существенное уменьшение потерь короткого замыкания достигается понижением
плотности тока за счет увеличения массы металла в обмотке.
Сокращение расхода изоляционных материалов, трансформаторного масла и
металла, употребляемого на изготовление баков и систем охлаждения
трансформаторов, может быть достигнуто путём снижения испытательных напряжений
и уменьшением изоляционных расстояний при улучшении изоляционных конструкций на
основе совершенствования технологии обработки изоляции.
1. Технико-экономический расчёт оптимального варианта
Целью технико-экономического расчета является выбор нескольких технически
возможных вариантов такого, который имеет оптимальное соотношение между уровнем
затрат на изготовление трансформатора и уровнем затрат при эксплуатации.
Критерием при выборе оптимального варианта является минимум проведённых затрат
для различных значений β - коэффициента, определяющего соотношение основных
размеров в трансформаторе.
,
где
ДН-В - средний диаметр канала между обмотками НН и ВН
НОБМ
- высота обмоток
Коэффициент
β
в трансформаторах изменяется в пределах
0,5…4 . Определение минимума приведенных затрат проводится в результате расчета
нескольких вариантов с различными значениями β, результаты расчетов сводятся в таблицу 1. Расчетные
формулы и коэффициенты взяты из
.
Предварительная ширина обмотки НН:
=
0,14·0,4·(11·106·10-6) 0,0577=0,064 м ,
где
КВ1, КВ2,
- коэффициенты, определяемые на основе анализа
геометрических соотношений в изготавливаемых трансформаторах и могут быть
приняты равными следующими значениями: КВ1=0,14, КВ2=0,4,
=0,0577
Предварительная ширина обмотки ВН:
=
0,14·(11·106·10-6)0,0577-0,064=0,096 м
Приведенная ширина главного канала рассеяния (между обмотками ВН и НН):
=
м,
где
ВН-В=0,045м, ширина канала между обмотками ВН и НН
Диаметр
стержня магнитопровода:
=
м,
где КЗАП.КР = 0,885 - коэффициент заполнения площади круга стержня
магнитопровода активной сталью;
Кос = 0,95 - коэффициент осевого поля рассеяния;
Вст = 1,6 Тл - индукция в стержне.
Средний диаметр канала между обмотками:
=(1+2·0,015)·0,40+2·(0,018
+0,064)+0,05=0,626 м ,
где
Кст-о = 0,015 - коэффициент, учитывающий толщину бандажей, прессующих стержень
магнитопровода;
во-н
= 0,018 - изоляционное расстояние от стержня до обмотки НН
.6.
Межосевое расстояние между центрами разных фаз:
Lмо
= Дн-в+ вн-в+2× (вв+ вв-р+ вр)+ вм-ф=
0,626+0,05+2·(0,096+0,05+0,032)+0,04==1,072 м,
где вр =0,5вн=0,5·0,064=0,032 м - ширина регулировочной обмотки,
м;
вм-ф =0,045 м - межфазное расстояние
вв-р = 0,055 м - ширина канала между ВН и РО
Высота обмотки
=
= 1,695 м
Высота
окна магнитопровода
Нокн=
Нобм+ hЕК +hобм-в.я+ hобм-н.я+ hпрес=1,695+0,03+0,09+0,08+0,07=1,965 м,
где hЕК = 0,03 м - высота емкостного кольца обмотки ВН совместно с прилегающим
к обмотке каналом;
hобм-в.я =0,09м; hобм-н.я =0,08 м - изоляционный промежуток от обмотки до
верхнего и нижнего ярма магнитопроводапрес = 0,07 м - высота, необходимая для
размещения устройств, прессующих обмотки.
Масса электротехнической стали магнитопровода:
ст= (3Нокн+2ДСТ +4× Кус.яр.×Lмо)× gст× КЗАП.КР× p× Д2СТ /4 = =(3·1,965+2·0,400+4·1,02·1,072)·7,65·103·0,885·3,14·0,400 2 /
4=9417 кг
где gст = 7,65×103 кг/м3 - плотность
электротехнической стали;
Кус.яр. = 1,02 - коэффициент увеличения площади сечения ярма по сравнению
с площадью сечения стержня.
Удельные потери в стали магнитопровода
=0,296·1,52,64=0,863
,
где
Кр = 0,296 , Квр = 2,64 - коэффициенты, определенные для стали марки 3407
толщиной 0,3 мм для диапазона индукции в стали Вст = 1,5…1,7 Тл.
Активные
потери холостого хода трансформатора (полные потери в стали магнитопровода)
Рхх
= рхх × Кув.р.× Gст =
0,863·1,4·9417=11377,6 Вт,
где
Кув.р=1,4 - коэффициент, учитывающий увеличение активных потерь в стали в
зависимости от конструкции и технологии изготовления магнитопровода.
Удельная
намагничивающая мощность в стали
=0,137·1,55,06=1,066
ВАР / кг,
где Кq=0,137, Квq=5,06
Удельная намагничивающая мощность в стыках
=2620·1,55=19895,6
ВАР/м2,
где
Кстык = 2620; Кв.стык = 5
Реактивные
потери холостого хода трансформатора (полная намагничивающая мощность)
Qхх= Кув.Q × qхх× Gст+
1,414·nстык× qстык× Кзап.КР.×p × Д2СТ /4=1,2·1,066·9417+1,414·8·19895,6 ·0,885·3,14·0,402 / 4
= 37079,4 ВАР,
где Кув.Q = 1,2 - коэффициент, учитывающий увеличение реактивных потерь в
стали в зависимости от конструкции и технологии изготовления магнитопровода;
nстык = 8 - количество стыков в схеме шихтовки трехфазных трансформаторов
плоской стержневой конструкции с косым стыком.
Ток холостого хода трансформатора
%=
Средняя
плотность тока в обмотках
=
= 1317188 А/м2,
где
rпр = 3,65×10-8 Ом×м - удельное сопротивление медного провода при 75 0 C;
Кдоб = 1,25 - коэффициент, учитывающий добавочные потери короткого
замыкания, создаваемые магнитным полем рассеяния трансформатора.
Масса обмоточного провода
=
кг,
где gпр = 2,7×103 кг/м3 - плотность
аллюминевого обмоточного провода
Крег = 1,05 - коэффициент, учитывающий увеличение массы обмоточного
провода за счет регулировочной обмотки (РО).
Экономически приведенная к стали масса активных материалов
=
кг,
где Цпр =66руб / кг - оптовая цена аллюминевого провода
Цст=21руб / кг - оптовая цена электротехнической стали
Киз = 1,21- коэффициент увеличения массы обмоточного провода за счет
изоляции для аллюминевого провода
Удельная оптовая цена трансформатора
=6,03·(11·106·10-6)-0,284=3,05
руб./кг,
где кC1 = 6,03; кС2 = 0,284
Цена трансформатора
Цтр= С0 ×
Gприв=3,05·18950,7=57799,635 руб.
Приведенные затраты:
Зприв
= (eн+атр)×Цтр + уэ×Твкл×Рхх + уэ·Твкл×
·Sном =
=(0,15+
0,063)·57799+0,0183·10-3·8600·11377,6+
+0,0183·10-3·8600·
·11·106=19987,94 руб. / год ,
где
атр= 0,063 1/год - норма амортизационных отчислений от стоимости
трансформатора;
Цтр
- оптовая цена трансформатора, руб.;
уэ
= 0,0183×10-3 руб/Вт×час -
стоимость электроэнергии, рассчитанная для двухставочного тарифа при средней
продолжительности максимальной нагрузки для понижающих трансформаторов 5300
час/год,;
Твкл
= 8600 час/год. - продолжительность включения трансформатора,
Рисунок
1. Нахождение βОПТ.
Таблица
1.Результаты расчетных Зприв=f(b)
|
Наименование параметра
|
РЕЗУЛЬТАТЫ РАСЧЕТА
|
|
b
|
0,63
|
1
|
1,6
|
2,5
|
4
|
опт =1,16
|
|
Дст , м
|
0,34
|
0,38
|
0,42
|
0,48
|
0,53
|
0,4
|
|
Дн-в , м
|
0,569
|
0,61
|
0,652
|
0,713
|
0,765
|
0,626
|
|
Lм-о , м
|
1,035
|
1,076
|
1,117
|
1,179
|
1,231
|
1,072
|
|
Hобм , м
|
2,84
|
1,92
|
1,28
|
0,9
|
0,6
|
1,695
|
|
Hокн , м
|
3,13
|
2,207
|
1,569
|
1,186
|
0,891
|
1,965
|
|
Gст , кг
|
8770
|
9039
|
9480
|
11860
|
13070
|
9417
|
|
Рхх , Вт
|
12570
|
12950
|
13590
|
16380
|
18740
|
11378
|
|
Qхх , ВАР
|
33180
|
38090
|
43760
|
55470
|
66090
|
37079
|
|
iхх , %
|
0,332
|
0,381
|
0,438
|
0,555
|
0,661
|
0,34
|
|
j , А/м2
|
1192000
|
1390000
|
1590000
|
1897000
|
2157000
|
1317188
|
|
Зпр руб/год
|
19860
|
19670
|
19796
|
20560
|
21360
|
19987
|
2. Построение и расчёт сечения стержня магнитопровода
Рисунок 2. Ступенчатое сечение стержня магнитопровода
Геометрическое сечение стержня, равное площади многоступенчатой фигуры:
ст.геом.=2•∑ВКtК=0,116619 м2
Активное сечение стержня:
ст=kзап• Fст.геом.=0,96•0,116619=0,11195424 м2
Коэффициент заполнения площади круга:
KЗАП=
=
=0,8913
Таблица
2. Расчет геометрического сечения стержня
|
№
|
Ширина ВК,м
|
Толщина tК,м
|
Площадь,м2
|
№
|
Ширина ВК,м
|
Толщина tК,м
|
Площадь,м2
|
|
1
|
0,385
|
0,0510
|
0,0196350
|
8
|
0,250
|
0,0080
|
0,0020000
|
|
2
|
0,368
|
0,0240
|
0,0088320
|
9
|
0,230
|
0,0080
|
0,0018400
|
|
3
|
0,350
|
0,0185
|
0,0064750
|
10
|
0,215
|
0,0055
|
0,0011825
|
|
4
|
0,325
|
0,0200
|
0,0065000
|
11
|
0,195
|
0,0050
|
0,0009750
|
|
5
|
0,310
|
0,0100
|
0,0031000
|
12
|
0,175
|
0,0055
|
0,0009625
|
|
6
|
0,295
|
0,0090
|
0,0026550
|
|
|
|
|
|
7
|
0,270
|
0,0130
|
0,0035100
|
|
|
|
|
Рационально спроектированное сечение стержня обеспечивает Кзап.КР не
меньший, чем при выборе оптимального варианта Кзап.КР. ³ 0,885
3. Расчёт напряжения одного витка, количества витков, напряжений и токов
на всех ответвлениях обмотки РО
Предварительное значение напряжения одного витка:
В0=4,44•f•Вст0•Fст=4,44•50•1,6•0,11195424=39,766 В
Количество витков в обмотке НН:
WНН=
=
Уточненное
значение напряжения одного витка:
В=
=39,873 В
Уточненное
значение индукции в стержне:
СТ=
=1,604 Тл
Количество
витков обмотки ВН на основном ответвлении:
ВН_НОМ=
=1665,
где
UВН_Ф_НОМ=
=66395,281 В
Количество
витков в одной ступени регулирования:
СТУП=
=30ступ_ВН_Ф=
=1181,836
В
Количество
витков на любой ступени регулирования:
ВН_N_СТУП=WВН_НОМ
± NСТУП•WСТУП
Фактическое
значение напряжения на любой ступени регулирования:
*ВН_Ф_Nступ=UВ•WВН_Nступ
Расчетное
значение напряжения на любой ступени регулирования:
ВН_Ф_Nступ=UВН_Ф_НОМ
± Nступ•Uступ_ВН_Ф
Отклонение
расчетного и фактического значений напряжений на любой ступени регулирования:
U=UВН_Ф_Nступ
- U*ВН_Ф_Nступ В
Относительное
отклонение расчетных и фактических значений напряжений на любой ступени
регулирования должно обеспечить нормируемый стандартом допуск на коэффициент
трансформации:
≤
0,05
Таблица 3. Расчет числа витков и значений отклонений
|
№
|
UВН_Ф_Nступ 4.9
|
WВН_N_СТУП
4.7
|
IВН_Ф_Nступ 4.13
|
U*ВН_Ф_Nступ 4.8
|
U 4.10 4.11
|
|
|
-9
|
55758,8
|
1395
|
65,8
|
55618,65
|
140,15
|
2,5·10-3
|
|
-8
|
56940,6
|
1425
|
64,4
|
56814,75
|
125,85
|
2,2·10-3
|
|
-7
|
58122,4
|
1455
|
63,1
|
58010,85
|
111,55
|
1,9·10-3
|
|
-6
|
59304,3
|
1485
|
61,8
|
59206,95
|
97,35
|
1,6·10-3
|
|
-5
|
60486,1
|
1515
|
60,6
|
60403,05
|
83,05
|
1,4·10-3
|
|
-4
|
61667,9
|
1545
|
59,5
|
61599,15
|
68,75
|
|
-3
|
62849,8
|
1575
|
58,3
|
62795,25
|
54,55
|
9·10-4
|
|
-2
|
64031,6
|
1605
|
57,3
|
63991,35
|
40,25
|
6·10-4
|
|
-1
|
65213,4
|
1635
|
56,2
|
65187,45
|
25,95
|
4·10-4
|
|
0
|
66395,3
|
1665
|
55,2
|
66383,55
|
11,75
|
2·10-4
|
|
+1
|
67577,1
|
1695
|
54,2
|
67579,55
|
-2,55
|
-4·10-4
|
|
+2
|
68758,9
|
1725
|
53,3
|
68775,75
|
-16,85
|
-2·10-4
|
|
+3
|
69940,8
|
1755
|
52,4
|
69971,85
|
-31,05
|
-4·10-4
|
|
+4
|
71122,6
|
1785
|
51,5
|
71167,95
|
-45,35
|
-6·10-4
|
|
+5
|
72304,5
|
1815
|
50,7
|
72364,05
|
-60,55
|
-8·10-4
|
|
+6
|
73486,3
|
1845
|
49,9
|
72560,15
|
-73,85
|
-10·10-4
|
|
+7
|
74668,1
|
1875
|
49,1
|
74756,25
|
-88,15
|
-12·10-4
|
|
+8
|
75850,0
|
1905
|
48,3
|
75952,35
|
-102,35
|
-13·10-4
|
|
+9
|
77031,8
|
1935
|
47,6
|
77148,45
|
-116,65
|
-15·10-4
|
Относительное отклонение рассчетного и фактического значений напряжений
на любой ступени регулирования должно обеспечить нормируемый стандартом допуск
на коэффициент трансформации
Номинальный фазный ток обмотки ВН:
IВН_Ф_НОМ=
=
=55,2 А
Фазный
ток обмотки ВН на любой ступени регулирования:
ВН_Ф_Nступ=
=
фазный
ток обмотки НН:
НН_Ф_НОМ=
=
=582 А
4.
Выбор типа и расчёт параметров обмоток трансформатора
.1
Выбор типа и параметров обмотки НН
Проверка возможности выбора однозаходной винтовой обмотки:
hПР=
ПР.МИН=4,75•10-3 м
м,
где
mв - число параллельных ветвей обмотки (для трансформаторов с расщепленными
обмотками mв = 1
КАН.МИН.НН=3•10-3м
КУС- коэффициент усадки обмоток при сушке kус = 0,1;
tB.НН=0,5•10-3м
hПР.МИН
меньше,чем hПР
Выбираем однозаходную винтовую обмотку
Количество катушек
Высота
провода
где
hкан min - высота минимального радиального канала.
Ширина
провода
где
mВ=1 - число параллельных ветвей для трансформаторов с расщепленными
обмотками.пр=2,65·10-3 м.
Сечение
провода
где
kЗАП.ПР=0,985 - коэффициент заполнения провода, учитывающий уменьшение сечения
провода за счет округления его углов
Число
параллельных проводов
Сечение
витка
Уточненная
плотность тока
j=
= 1304932
Высота
катушки
КАТ=hпр+tВ=8•10-3+0,5•10-3=8,5•10-3
м
В=0,5•10-3
м толщина изоляции провода на две стороны для обмотки НН
Уточненная
ширина катушки
КАТ=1,03•
=0,0706м
Высота
канала
.2
Выбор типа и параметров обмотки ВН
Проверка возможности выбора однозаходной винтовой обмотки:
hПР=
ПР.МИН=4,75•10-3 м
м,
где
mв - число параллельных ветвей обмотки (для трансформаторов с расщепленными
обмотками mв = 1
КАН.МИН.ВН=5•10-3м
КУС- коэффициент усадки обмоток при сушке kус = 0,1;
.ВН=1,35•10-3м
hПР.МИН≥hПР
Выбирается равномерная непрерывная обмотка
Количество прокладок
nпрок=

=16
где
= 2 - кратность количества катушек в одной
параллельной ветви непрерывной обмоткиПОЛЯ=0,12 - расстояние между соседними
прокладками, рассчитываемое по окружности среднего диаметра обмоток
Высота
провода
ПР=15•10-3
м
Количество
параллельных проводов
ПАР=1•mВ=1
где
mВ=1 - число параллельных ветвей для трансформаторов с расщепленными обмотками
Предварительное сечение витка
Fобм.о.=
= 4,2•10-5 м2
Ширина
провода
ПР=
=
=2,8•10-3
м
где
kЗАП.ПР=0,985 - коэффициент заполнения провода, учитывающий уменьшение сечения
провода за счет округления его углов
=5,36
5,36
Сечение
провода
ПР=kЗАП•hПР•bПР=0,985•0,015•0,0028=4,137•10-5
м2
Сечение
витка
ОБМ=nПАР•FПР=4,137•10-5
м2
Уточненная
плотность тока
=
=1,334•106
Индукция
осевого поля рассеивания
BОС=
=0,089 Тл
Высота
катушки
КАТ=hР+tВ=15•10-3+1,35•10-3=0,01635
м
В=1,35•10-3
м толщина изоляции провода на две стороны для обмотки НН
Добавочные
потери от осевого поля рассеивания
ДОБ.ОС.%=54,8•
=3,59%
Число
катушек
КАТ=
=84
где
hКАН.MIN=5•10-3 м - высота минимального радиального канала для НН
КУС=0,1
- коэффициент усадки обмоток при сушке
Число
витков в катушке
КАТ=
Уточненная
ширина катушки
КАТ=1,03•
0,0855 м
4.3
Проверка уровня отклонения расчетного значения UКЗР% от заданного (UКЗ=10,5%)
Средний диаметр между обмотками ВН и НН
ДН-В=(1+2×КСТ.О) ×ДСТ +2× (bО_Н+bН)+bН-В=(1+2·0,015) ·0,40 +2·
(0,018+0,0706)+0,05=0,6392 м
Средний диаметр обмотки НН
ДН.СР=ДН-В-bН-bН-В=0,6392-0,0706-0,05= 0,5186 м
Средний диаметр обмотки ВН
ДВ.СР.=ДН-В+bВ+bН-В=0,6392+0,0855+0,05=0,775 м
Приведенный диаметр бака
ДБ
=
=0,06625 м2
Реактивная
составляющая напряжения
КЗ.Р.=
= 10,29 %
ГОСТ
разрешает отклонение до ±10%.
4.4
Расчет параметров регулировочной обмотки
В качестве регулировочной обмотки была выбрана слоевая многовинтовая
обмотка без осевых каналов с числом заходов mзах = nступ.РО = 10, числом
параллельных проводов и числом слоёв nсл = 2
Высота обмотки
м
Высота провода
В.РО
= 1 - число параллельных ветвей обмотки РО;
В.СЛ =
2,95 10-3 м - толщина изоляции провода на две стороны.
Принимаем
hПР = 7,5×10-3 м.
Сечение обмотки (предварительно)
Ширина провода
пар = 2
Отношение
высоты провода к его ширине
Сечение
провода
Сечение
обмотки
Плотность
тока в регулировочной обмотке
Толщина
слоя обмотки
Толщина
обмотки.
МС =
0,015м
Рисунок 3. Разрез обмоток в окне магнитопровода трансформатора с
нерачщепленной обмоткой
5. Расчёт потерь короткого замыкания и напряжения короткого замыкания
.1 Расчет сопротивления обмоток НН и ВН постоянному току и масс
обмоточного провода.
Активное сопротивление обмотки при расчетной температуре
где
LПАР - разомкнутая длина одного провода на номинальном ответвлении:
Н.ПАР=p×ДН.СР.×Wобм=3,14•0,5186•158=257,3
мВ.ПАР=p×ДВ.СР.×Wобм=3,14•0,775•1665=4051,8
мОБМ.НН=
0,021 ОмОБМ.ВН=
3,575 Ом
Масса
обмоточного провода катушек обмоток НН и ВН, через которые проходит ток при
работе на номинальном ответвлении
прНН=
mф×Lпар×Fобм×gпр =3•257,3•4,46•10-4•2,7•103=929,88 кгПРВН= mф×Lпар×Fобм×gпр =3•4051,8•4,137•10-5•2,7•103=1357,75 кг
5.2
Расчет основных потерь в обмотках НН и ВН
Основные
потери в функции тока и сопротивления в обмотках НН и ВН
ОСННН=
mф × I2ф.ном. × Rобм =3•(582)2•0,021=21340 ВтОСНВН= mф × I2ф.ном. × Rобм=3•(55,2)2•3,575=32680 Вт
Росн
=
;
РоснНН
=
=
21410 Вт
РоснВН
=
=
=32660 Вт
Основные
потери в обмотках НН и ВН в функции плотности тока и массы провода
Росн.НН
+ Росн.ВН
∑РОСН=
Росн.НН + Росн.ВН=32660+21410 =54070 Вт
∑РОСН=
Росн.НН + Росн.ВН=32680+21340=54020 Вт
Таблица
4. Результаты расчета основных потерь в обмотках НН и ВН
|
Параметр
|
Обмотка
|
|
ВН
|
НН
|
|
LПАР, м
|
4051
|
257,3
|
|
RОБМ, Ом
|
3,575
|
0,021
|
|
GПР, кг
|
1357,75
|
929,88
|
|
PОСН=f(I,R), Вт
|
32680
|
21340
|
|
PОСН=f(j,GПР), Вт
|
32660
|
21410
|
5.3 Расчет составляющих добавочных потерь в обмотках НН и ВН
Индукция осевого поля рассеивания
Вос
=
ВОСНН=
Тл
ВОСВН=
Тл
Удельные
потери от осевой составляющей поля рассеивания в обмотках НН и ВН
рв.ос.=
РВ.
ОСНН=
РВ.ОСВН=
Полные
потери от осевой составляющей поля рассеивания в обмотках НН и ВН
Рв.ос.
= рв.ос.×Gпр
РВ.ОС.НН=0,61•929,88=567,2
Вт
РВ.ОС.ВН=0,86•1357,75=1167,67
Вт
Радиальные
составляющая поля рассеивания
Врад
1-2 =
;
ВРАД1=0,4•ВОСНН=0,4•0,0887=
0,03548 Тл
ВРАД2-3=0,1•ВОСНН=0,1•0,0887=0,00887
Тл
ВРАД2-3=ВРАД2=0,0103
Тл
Тл
Удельные
потери от радиальной составляющей поля рассеивания в обмотках НН и ВН. Расчет
производится для участков 1-2 и 2-3
рВ.РАД.
=
Вт/кг
РВ.РАД.1-2ВН=
РВ.РАД.2-3ВН=
РВ.РАД.1-2НН=
РВ.РАД.2-3НН=
Полные
потери на участках 1-2 и 2-3 от радиальной составляющей поля рассеивания в
обмотках НН и ВН
Рв.рад.1-2
= рв.рад.1-2 ×Gпр.1-2 Вт ,
Рв.рад.2-3 = рв.рад.2-3 ×Gпр.2-3 Вт ,
GПР1-2НН=0,05•GПРНН=0,05•929,88=46,494
кгПР3-2НН=0,45•GПРНН=0,45•929,88=418,446
кгПР1-2ВН=0,05•GПРВН=0,05•1357,75=67,875 кгПР2-3ВН=0,45•GПРВН=0,45•1357,75=610,9875
кг
РВ.РАД.1-2НН=1,446•46,494=68,160 Вт
РВ.РАД.2-3НН=0,06997•418,446=29,279 Вт
РВ.РАД.1-2ВН=5,153•67,875=349,824 Вт
РВ.РАД2-3ВН=0,24598•610,9875=150,291 Вт
Рисунок 4. Распределение индукции радиального поля вдоль высоты обмотки
Потери от радиальной составляющей поля рассеивания в обмотках НН и ВН
Рв.рад = 2×(Рв.рад.1-2 + Рв.рад.2-3)
РВ.РАД.НН.=2•(68,160 +29,279)=194,878 Вт
РВ.РАД.ВН=2•(349,824 +150,291)= 1000,23 Вт
Таблица 5. Результаты расчетов добавочных потерь от вихревых токов,
вызванных осевой и радиальной составляющих поля рассеяния
|
Параметры
|
Ед.изм.
|
Обмотка
|
|
|
НН
|
ВН
|
|
ВОС
|
Тл
|
0,0887
|
0,0887
|
|
РВ.ОС.
|
0,610,86
|
|
|
|
РВ.ОС.
|
Вт
|
567,2
|
1167,67
|
|
ВРАД
|
1
|
Тл
|
0,03548
|
0,03548
|
|
2
|
|
0,00887
|
0,00887
|
|
1-2
|
|
0,0406
|
0,0406
|
|
2-3
|
|
0,00887
|
0,00887
|
|
РВ.РАЗ
|
1-2
|
1,4665,153
|
|
|
|
2-3
|
|
0,06997
|
0,24598
|
|
YПР
|
1-2
|
кг
|
46,494
|
67,8875
|
|
2-3
|
|
418,446
|
610,9875
|
|
РВ.РАД
|
1-2
|
Вт
|
68,160
|
349,824
|
|
2-3
|
|
29,279
|
150,291
|
|
РВ.ОБ
|
Вт
|
194,878
|
1000,23
Межосевое расстояние
мо = Дн-в+ вн-в+2× (вв+ вв-р+ вро)+ вм-ф=0,6392+0,05+2•(0,0855+0,05+0,0353)+0,04=1,0708 м
Наружный диаметр обмоток
=0,9105+0,05+2•0,0353=1,0311
м
где
=0,775+0,0855+0,05=0,9105 м - средний диаметр между
обмотками ВН и РО
Ширина
бака
=1,0311+2•0,365=1,7611
м
где
ВОБМ-Б=0,365 м - усредненное расстояние от наружной обмотки до стенки бака.
Длина
бака
=2•1,0708+1,0311+2•0,365=3,9027
м
Периметр
бака
=4•(1,078+1,7611)=
11,3276 м
Средний радиус бака
= м
Добавочные
потери в металлоконструкциях
Вт
где к = 2,20 при Uкз.р= 11,5% ;
Вб -
поток одного стержня
Общие потери короткого замыкания
РКЗ.=32680+21340+194,878+1000,23+567,2+1167,67+14281,81=71232Вт
Отклонение потерь короткого замыкания от заданных
Допускается
отклонение до + 5%.
6.
Расчёт напряжения короткого замыкания
Реактивная
составляющая напряжения короткого замыкания Uкз.р.КЗ.Р=10,29%
Активная
составляющая напряжения к.з.
=
Полное
напряжение к.з.
%.= %
В
результате расчета напряжения короткого замыкания видно, что расчетное значение
меньше заданного не более, чем на ±10%.
7.
Расчёт потерь и тока холостого хода
Расчет массы магнитопровода
Масса стержней магнитопровода
где
Кзап = 0,96 - коэффициент электротехнической стали с жаростойким покрытием;
gст = 7,65.103 кг/м3
- плотность электротехнической стали;
=3•1,965•0,11195424=0,6599
м3 - объем стержней.
СТЕРЖ=7,65•103•0,6599·0,96=5048,2 кг
Масса углов магнитопровода
где
=6•0,4•0,11195424=0,2687 м3- объем угла.
УГЛ=0,96•7,65•103•0,2687=2055,6 кг
Масса ярм магнитопровода
м3
Кус.яр
= 1,02 - коэффициент усиления ярма.
ЯРМ=0,96•7,65•103•0,09=2363,85 кг
Полная масса магнитопровода
СТ=GСТЕРЖ+GУГЛ+GЯРМ=9467,605
кг
Потери холостого хода
где
Pстерж, Рярм, Ругл - удельные потери Рхх, соответствующие индукциям Вст=1,6 Тл,
Тл; Тл;
Кр.отв., Кр.тех., Кр.прес., Кр.ф.яр., Кр.шихт.яр. - коэффициенты
увеличения потерь на соответствующих участках магнитопровода вследствие
конструкции и технологии изготовления магнитопровода.
РХХ=(1,014•1•1•5048,2+0,965•1•1•2363,85+0,991•1•1•1,523•2055,6+
+472•8•0,1583)•1,02·1·1,05=11888,28 Вт
Намагничивающая мощность, потребляемая трансформатором при холостом ходе
где qстерж, qярм, qугл - удельная намагничивающая мощность,
соответствующих индукций;стык - удельная намагничивающая мощность в стыках
магнитопровода;
Кq.отв, Кq.техн, Кq.прес, Кq.ф.яр, Кq.шихт.яр - коэффициенты увеличения
мощности на соответствующих участках магнитопровода вследствие конструкции и
технологии изготовления магнитопровода.
ХХ=(1,42•1•1•5048,2+1,33•1•1•2363,85+1,33•1•1•2,95·2055,6·8·0,15383·105)•1,02·1·1,02=38334
Вт
Реактивная составляющая тока холостого хода
Активная
составляющая холостого хода
%
Полный ток холостого хода
%
8.
Тепловой расчёт трансформатора
Расчет превышения температуры катушки над маслом
Удельная тепловая нагрузка теплоотдающей поверхности катушки может быть
рассчитана по формуле
где
- коэффициент закрытия части поверхности катушки
изоляционными прокладками, создающими канал между катушками.
здесь bпрок.НН = 0,04 м, bпрок.ВН = 0,05 м, nпрокл.НН = nпрокл.ВН;

Расчет превышения температуры катушки над маслом
0С
0С
f1нн=0,147·[1+(5·bкатНН-0,18)]=0,172нн=2,75·(tвНН-0,55·10-3)]=-1,375·10-4вн=0,147·[1+(5·bкатВН-0,18)]=0,183вн=2,75·(tвВН-0,55·10-3)]=2,2·10-3кат=0,7
Расчет превышения температуры масла над воздухом
Превышения температуры масла над воздухом исходя из норм нагрева масла
0С
где Ктц - коэффициент, учитывающий взаимное расположение тепловых центров
трансформатора;
Превышения
температуры масла над воздухом исходя из норм нагрева обмоток
0С
Расчет
количества радиаторов для системы охлаждения типа М и Д
Расчетные потери трансформатора
Удельная
тепловая нагрузка поверхности бака
Тепловой
поток отводимый поверхностью бака
Тепловой
поток отводимый радиатором
Удельная
тепловая нагрузка радиатора
где Кохл = 0,42 для системы охлаждения М .
Необходимое число радиаторов
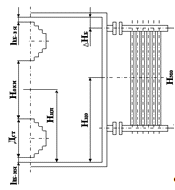
Рисунок
5. Для расчета высоты бака
9.
Расчёт динамической стойкости трансформатора при коротком замыкании
Кратности
амплитуды ударного тока к.з. по отношению к номиналу
Ккз.уст= - кратность установившегося тока к.з.;
-
ударный коэффициент учитывающий увеличение тока к.з. из-за наличия
апериодической составляющей.
Ударный
ток к.з., проходящий через каждый виток в катушки обмоток НН и ВН

Расчет
механических напряжений в обмотках от радиальных сил.
Средний
радиус обмоток НН и ВН
м
м
Средняя
алгебраическая величина индукции осевого поля рассеяния при к.з. действующей по
ширине катушки
=1,873•9,699• Тл
Напряжение
растяжения или сжатия в проводнике катушки
= 
=
Расчет
механических напряжений в обмотках от осевых сил
Длина расчетного пролета
= м
= м
Средняя
алгебраическая величина индукции радиального поля рассеяния при к.з.,
действующего по высоте обмотки
=1,873•9,699•0,17•0,0887=0,268Тл
Напряжение изгиба в каждом проводнике катушки определяется из
рассмотрения пролета между прокладками катушки как балки с защемленными
концами.
=
=
Проверка
механической прочности обмоток
Суммарные
напряжения в проводнике от радиальных и осевых сил не должны превышать
допустимого напряжения

где
[G]=49000000 - допустимые напряжения для алюминиевого провода
Критическая
радиальная нагрузка Рк для круговой балки, действующая на единицу длины балки
=
Епр=0,648×1011 - модуль
упругости проводника:
Iпр - момент инерции сечения проводника обмотки
=
=
Критическое напряжение в проводнике Gк, соответствующее критической
радиальной нагрузке Рк

10.
Компоновка активной части трансформатора в баке
Наносим концентры обмоток трансформатора на расстоянии LМО диаметром
ДРО.нар и их оси, полки верхних ярмовых балок, элементы раскрепления активной части
в баке. В плане активной части отводы обмотки ВН будем располагать вниз от
концентров обмоток, отводы обмотки НН - вверх.
От обмотки РО откладываем изоляционное расстояние S1 = 170 мм до
линейного отвода ВН, диаметр изолированного отвода обмотки ВН d1 = 25 мм. Через
центр изолированного отвода проводим линию 1-1, которая будет местом установки
вводов ВН. Изоляционные расстояния и диаметры отводов здесь и далее берутся из
табл. 11.2 [1].
Откладываем изоляционное расстояние S2 = 190 мм от изолированного отвода
ВН до изолированного отвода РО другой фазы и диаметр изолированного отвода РО
d2 = 20 мм.
Откладываем изоляционное расстояние S3 = 100 мм от изолированного отвода
РО до стенки бака с учётом размещения элементов крепления отводов РО на
планках.
Вверх от обмотки РО откладываем изоляционное расстояние S4 = 90 мм до
изолированного отвода обмотки НН. Через центр отвода НН диаметром d3 = 20 мм
проводим линию 2-2, которая будет местом установки вводов НН.
Откладываем изоляционное расстояние S5 = 50 мм от отвода обмотки НН до
отвода обмотки НН другой фазы, т.к. обмотка НН соединена в треугольник и концы
фаз будут перекрещиваться.
Откладываем изоляционное расстояние S6 = 100 мм от отвода НН другой фазы
до стенки бака с учётом размещения элементов крепления отводов на деревянных
планках.
Определяем ширину бака
Разделив эту величину пополам, находим ось бака.
Для размещения переключающего устройства РПН от обмоток крайней фазы
откладываем изоляционное расстояние S7 = 240 мм и прибавляем к нему размер 223
мм, равный радиусу окружности расположения контактов переключателя. Таким
образом, получим точку лежащую на оси 3-3 переключающего устройства. Отложив от
оси 3-3 размер (S7+223) мм, получим точку, расположенную на стенке бака,
которая закругляется по радиусу, равному ВБ /2= 0,81 мм. Центр оси цилиндра
контактов РПН располагается с таким условием, чтобы верхний фланец
переключающего устройства разместился на крышке бака.
Линейные вводы ВН (А, В, С) устанавливаются на линии 1-1. В целях
экономии металла бака одну из его боковых стенок, расположенную справа делаем
прямой с радиусом скругления с передней и задней стенок не менее 350 мм. Этот
радиус выбирается из условия практического выполнения. Правая боковая стенка
бака располагается от торца ярмовых балок на расстоянии 60 мм. Эта стенка
делается прямой с радиусами скруглений 350 мм. Длину бака определяем по чертежу
LБ = 4048 мм.
Рисунок 6.Основные размеры опорного фланца переключающего устройства РПН
На расстоянии изоляционного промежутка S8 = 140 мм от правой стенки бака
по линии 1-1 размещаем первый ввод ВН. При этом должно быть проверено изоляционное
расстояние S9 (S9 > S8).
Похожие работы на - Проектирование силового масляного трансформатора ТМН-11000/110
|