Проектирование производственно-отопительной котельной с котлами ДКВР 6,5-13
АНОО
«Нижегородский колледж теплоснабжения и автоматических систем управления»
Дисциплина:
«Котельные установки»
Курсовой
проект
«Проектирование
производственно-отопительной котельной с котлами ДКВР 6,5-13»
Нижний
Новгород
г.
Введение
В данной курсовой работе выполнен проект
производственно-отопительной котельной, расположенной в г. Самара на реке
Волге. В качестве топлива используется природный газ нитки газопровода Средняя
Азия - Центр.
Котельная используется для снабжения паром промышленного
предприятия и для отопления жилого района. Тепловые нагрузки на технологические
нужды - 12 тонн пара в час; на отопление и вентиляцию - 15 ГДж/час; на ГВС - 8
ГДж/час.
С производства конденсат возвращается с
температурой tконд.техн.=60°С в количестве 50%
В котельной применяются котлы марки ДКВР-6,5-13
производства Бийского котельного завода.
Теплоснабжение района осуществляется по
двухтрубной закрытой схеме. Расчетные параметры теплоносителя: подающий
трубопровод - 130°С; обратный трубопровод - 70°С.
1. Описание и расчет тепловой схемы
котельной
.1 Краткое описание котельного
агрегата ДКВР-6,5-13
Вертикально-водотрубные отопительные котлы типа
ДКВР предназначены для выработки насыщенного и перегретого пара с температурой
250, 370 и 440 °С, имеют несколько типоразмеров в зависимости от рабочего
давления пара 1,4; 2,4; 3,9 МПа и номинальной паропроизводительности 2,5; 4;
6,5; 10; 20; 35 т/ч.
Отопительные котлы типа ДКВР являются
унифицированными. Они представляют собой двухбарабанные вертикально-водотрубные
отопительные котлы с естественной циркуляцией. По длине верхнего барабана
отопительные котлы ДКВР имеют две модификации - с длинным барабаном и
укороченным. У котлов паропроизводительностью 2,5; 4; 6,5 и 10 т/ч (раннего
выпуска) верхний барабан значительно длиннее нижнего. У котлов
паропроизводительностью 10 т/ч последней модификации, а также 20 и 35 т/ч
верхний барабан значительно укорочен. Комплекция котлов типа ДКВР теми или
иными топочными устройствами зависит от вида топлива. Котлы ДКВР-2,5-13,
ДКВР-4-13 и ДКВР-6,5-13 имеют одинаковое конструктивное оформление.
Два барабана отопительного котла - верхний 2 и
нижний 13 - изготовлены из стали 16ГС и имеют одинаковый внутренний диаметр 1
000 мм. Нижний барабан котла укорочен на размер топки. Отопительный котел имеет
экранированную топочную камеру 1 и развитый кипятильный пучок труб 10. Топочные
экраны и трубы кипятильного пучка выполнены из труб Ø51
х
2,5 мм. Топочная камера отопительного котла разделена кирпичной стенкой 75 на
собственно топку и камеру догорания 8, устраняющую опасность затягивания
пламени в пучок кипятильных труб, а также снижающую потери от химической
неполноты сгорания.
Ход движения продуктов горения топлива в
отопительных котлах разных типов схематично показан на рисунке 1.2, а-в.
Дымовые газы из топки выходят через окно, расположенное в правом углу стены
топки, и поступают в камеру догорания 8 (см. рисунок 1.1.1). С помощью двух
перегородок 9, шамотной (первая по ходу газов) и чугунной, изнутри
отопительного котла образуются два газохода, по которым движутся дымовые газы,
поперечно омывающие все трубы конвективного пучка. После этого они выходят из
котла через специальное окно, расположенное с левой стороны в задней стене
котла.
Верхний барабан отопительного котла в передней части
соединен с двумя коллекторами 16 трубами, образующими два боковых топочных
экрана. Одним концом экранные трубы ввальцованы в верхний барабан, а другим
приварены к коллекторам Ø108x4 мм.
В задней части верхний барабан котла соединен с нижним барабаном пучком
кипятильных труб, которые образуют развитую конвективную поверхность нагрева.
Расположение труб - коридорное с одинаковым шагом 110 мм в продольном и
поперечном направлениях. Коллекторы соединены с нижним барабаном с помощью
перепускных труб.
Рисунок 1.1.1 - Паровой котел ДКВР-6,5-13:
1-топочная камера; 2-верхний барабан; 3-манометр; 4-предохранительный клапан;
5-питательные трубопроводы; 6-сепарационное устройство; 7-легкоплавкая пробка;
8-камера догорания; 9-перегородка; 10-кипятильный пучок труб; 11-трубопровод
непрерывной продувки; 12-обдувочное устройство; 13-нижний барабан;
14-трубопровод периодической продувки; 15-кирпичная стенка; 16-коллектор
Питательная вода подается в паровой отопительный
котел ДКВР по двум перфорированным (с боковыми отверстиями) питательным
трубопроводам 5 под уровень воды в верхний барабан. По опускным трубам вода из
барабана отопительного котла поступает в коллекторы 16, а по боковым экранным
трубам пароводяная смесь поднимается в верхний барабан, образуя таким образом
два контура естественной циркуляции.
Третий контур циркуляции образуют верхний и
нижний барабаны котла и кипятильный пучок. Опускными трубами этого контура
являются трубы наименее обогреваемых последних рядов (по ходу газов)
кипятильного пучка.
Вода по опускным трубам отопительного котла
поступает из верхнего барабана в нижний, а пароводяная смесь по остальным
трубам котельного пучка, имеющим повышенную тепловую нагрузку, поднимается в
верхний барабан. В верхнем барабане котла происходит разделение пароводяной
смеси на пар и воду. Для снижения солесодержания и влажности пара в верхнем
барабане установлено сепарационное устройство 6 из жалюзи и дырчатого листа,
улавливающее капли уносимой с паром котловой воды. При необходимости
производства перегретого пара пароперегреватель устанавливают после второго или
третьего ряда труб кипятильного пучка, заменяя часть его труб. Для отопительных
котлов с давлением 1,4 МПа и перегревом 225... 250 °С пароперегреватель
выполняют из одной вертикальной петли, а для котлов давлением 2,4 МПа - из
нескольких петель труб Ø32 х
3 мм.
В нижней части верхнего барабана отопительного
котла имеются патрубок, через который осуществляется непрерывная продувка котла
с целью снижения солесодержания котловой воды и поддержания его на заданном
уровне, а также две контрольные легкоплавкие пробки 7, сигнализирующие об
упуске воды.
Нижний барабан отопительного котла является
шламоотстойником; из него по специальному перфорированному трубопроводу 14
проводится периодическая продувка котла. Кроме того, в нижнем барабане имеются
линия для слива воды и устройство для подогрева паром в период растопки котла.
На верхнем барабане отопительного котла
установлены два водоуказательных стекла, манометр 3, предохранительные клапаны
4, имеется патрубок для отбора пара на собственные нужды, парозапорный вентиль.
Для защиты обмуровки и газоходов от разрушения и предотвращения возможных
взрывов отопительного котла в верхних частях топки и кипятильного пучка
расположены взрывные предохранительные клапаны. Для очистки наружных
поверхностей труб от загрязнений котел оборудуют обдувочным устройством 12 -
вращающейся трубой с соплами. Обдувка выполняется паром.
Рассматриваемый отопительный котел не имеет
несущего каркаса, трубно-барабанная система его размещается на опорной раме, с
помощью которой паровой отопительный котел ДКВР крепится к фундаменту.
Паровые отопительные котлы производительностью
10; 20; 30 т/ч имеют рабочее давление 1,4; 2,4 и 3,9 МПа и выполняются как с
пароперегревателем, так и без него. Обмуровка отопительных котлов типа ДКВР
выполняется из шамотного и обыкновенного кирпича или облегченной из
термоизоляционных плит.
Все отопительные котлы типа ДКВР и особенно с
повышенным рабочим давлением работают на химически очищенной и деаэрированной
воде. При сжигании газа и мазута КПД этих котлов 90 %.
Таблица 1.1.1 - Основные характеристики котла
ДКВр-6,5-13ГМ
|
Топливо
|
природный
газ/мазут
|
|
Номинальная
производительность
|
6,5
т/ч
|
|
Избыточное
давление пара
|
13
кг/см2 (1,3 МПа)
|
|
Температура
перегретого пара
|
194
°С
|
|
Температура
питательной воды
|
100
°С
|
|
Расчетный
КПД
|
87
%
|
|
Габариты
компоновки (LхBхH)
|
8526х4695х5170
мм
|
|
Масса
по компоновке, кг
|
11447
|
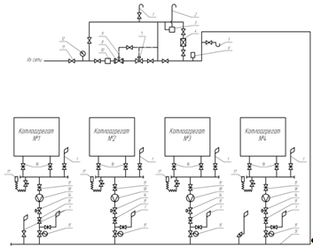
1.2 Описание тепловой схемы
котельной
Принципиальная тепловая схема котельной приведена
на рисунке 1.2.1
Исходная вода с температурой 5°С насосом 1
подается в теплообменник 2, в котором нагревается остаточной водой,
загрязненной солями, поступающей из сепаратора непрерывной продувки (СНП) 5.
Затем, подогретая исходная вода попадает в теплообменник 3, где нагревается
паром до температуры 25-40°С. Нагрев до такой температуры необходим для
обеспечения более эффективной работы катионитных фильтров и предотвращения
конденсации водяных паров на трубах и оборудовании химводоочистки. Далее, вода
поступает на химводоочистку 4, где происходит умягчение воды (удаление солей Ca
и Mg) и, при необходимости, уменьшение солесодержания. Химически обработанная
вода поступает в деаэратор 9, в котором из воды удаляются коррозионно-активные
газы (O2, CO2). Часть воды из деаэратора питательным насосом 11 подается в
паровой котел 6, другая часть подпиточным насосом 10 направляется на подпитку
тепловой сети.
Паровой котел 6 вырабатывает пар с давлением 1,4
МПа, часть которого без понижения давления подается на производство. Другая
часть пара используется для подогрева воды, поступающей в системы отопления,
вентиляции, горячего водоснабжения и для собственных нужд котельной (подогрев
воды перед ХВО, деаэрация).
Рисунок 1.2.1 - Принципиальная тепловая схема
производственно-отопительной котельной: 1-насос исходной воды; 2-охладитель
непрерывной продувки; 3-подогреватель сырой воды; 4-химводоочистка; 5-сепаратор
непрерывной продувки; 6-паровой котел; 7,8-редукционый клапан; 9-деаэратор;
10-подпиточный насос; 11-питательный насос; 12-сетевой подогреватель;
13-охладитель конденсата; 14-сетевой насос; 15-охладитель выпара
Так как паро-водяные теплообменники по условию
прочности рассчитаны на давление ≤1МПа, давление пара перед ними снижается
редукционным клапаном 7 до уровня 0,7МПа. Деаэратор атмосферного типа работает
при давлении 0,12МПа, которое поддерживается редукционным клапаном 8.
Подогрев сетевой воды осуществляется следующим
образом: Вода из обратного трубопровода тепловой сети насосом 14 подается в
водо-водяной теплообменник 13, в котором нагревается конденсатом из
паро-водяного теплообменника 12, а затем в теплообменник 12, где нагревается
паром до необходимой температуры ~130-150°С.
Для использования теплоты продувочной воды в
котельной устанавливают сепаратор непрерывной продувки (СНП) 5. Продувочная
вода поступает в СНП с давлением, равным рабочему давлению в котле (1,4МПа), в
сепараторе давление снижается до уровня 0,15МПа, что приводит к вскипанию воды
и разделению ее на пар вторичного вскипания и остаточную, загрязненную солями
воду. Пар вторичного вскипания подается в деаэратор, а остаточная вода
поступает в теплообменник 2, где подогревает исходную воду, а затем
сбрасывается в продувочный колодец.
Для использования теплоты выпара из деаэратора,
устанавливается охладитель выпара 15, подогревающий поступающую в деаэратор
химически очищенную воду.
Конденсат после паро-водяных теплообменников, а
также конденсат с производства подаются в деаэратор.
1.3 Расчет тепловой схемы котельной
В общем случае основными целями расчета тепловой
схемы котельной являются:
определение общих тепловых нагрузок, состоящих
из внешних нагрузок и расхода пара на собственные нужды и потерь,
определение всех тепловых и массовых потоков
необходимых для выбора оборудования,
определение исходных данных для дальнейших
технико-экономических расчётов (годовых выработок тепла, топлива и т.д.).
Расчёт тепловой схемы позволяет определить
суммарную производительность котельной установки при нескольких режимах её
работы. Расчёт производится для максимально-зимнего режима с соответствующей
наружного воздуха в г.Самара ,которая определяется по СНиП 23-01-99
«Строительная климатология» [1]:
максимально-зимнего (-30 °С),
средней температуры наиболее холодного месяца
(-18 °С),
средней температуры за отопительный период (-5,2
°С),
Заданные тепловые нагрузки котельной сведены в
таблицу 1.3.1
Таблица 1.3.1 - Заданные максимальные тепловые
нагрузки котельной установки
|
Вид
тепловой нагрузки
|
Расчетные
тепловые нагрузки
|
Характеристика
теплоносителя
|
|
Отопление
и вентиляция, ГДж/ч
|
15
8 12
|
Вода
130/70°С
|
|
Горячее
водоснабжение, ГДж/ч
|
|
Вода
130/70°С
|
|
Пар
на технологические нужды т/ч
|
|
Пар
1,4МПа
|
Исходя из заданных тепловых нагрузок на
отопление, вентиляцию и горячее водоснабжение для всех характерных режимов
определяются:
Расход пара на отопление, вентиляцию и горячее
водоснабжение:
|
|
(1.3.1)
|
|
|
(1.3.2)
|
где
-
энтальпия пара, подаваемого на подогреватели воды, 2763кДж/кг (давление 0,07
МПа);
- энтальпия
конденсата на выходе из подогревателей воды, кДж/кг
;
- КПД
подогревателя, принимаем
Коэффициент снижения расхода теплоты на
отопление и вентиляцию:
|
|
(1.3.3)
|
где
-
расчетная температура внутри помещений, принимается +18°С,
- температура
наружного воздуха, [1] °С,
- температура
наружного воздуха при максимально-зимнем режиме, [1] °С.
Определяем максимальную производительность КУ:
|
(1.3.4)
где -
расход пара на технологические нужды, т/ч; K=1,1.
|
|
Определяем паропроизводительность КУ при
:
(1.3.5)
Ориентировочно определяем количество котлов
,которые необходимо установить в котельной:
В соответствии со СНиП II-35-76 “Котельные
установки” [2], расчётная мощность котельной определяется суммой мощностей,
требующихся потребителям отопление, вентиляцию и горячее водоснабжение при
максимально-зимнем режиме.
При определении мощности котельной должны также
учитываться мощности, расходуемые на собственные нужды котельной и покрытия
потерь в котельной и тепловых сетях.
Количество котлов, устанавливаемых в котельной,
следует выбирать по режиму наиболее холодного месяца:
|
|
(1.3.6)
|
где
-
коэффициент снижения расхода теплоты на отопление и вентиляцию, рассчитанный по
режиму наиболее холодного месяца.
Ориентировочно принимаем 4 котла.
Производительность одного котла в максимально-зимний период в таком случае
будет равна:
|
|
(1.3.7)
|
По условиям надежности количество котлов должно
быть таким, чтобы при выходе из строя одного из котлов оставшиеся обеспечили
расчетную тепловую нагрузку котельной при средней температуре наиболее
холодного месяца.
|
|
(1.3.8)
|
Для обеспечения требуемой паропроизводительности
принимаем к установке четыре котла типа ДКВр-6,5-13ГМ.
При летнем режиме для обеспечения выработки пара
на технологические нужды и горячего водоснабжения потребителей достаточно двух
котлов, при этом еще один котёл должен находиться в резерве на случай выхода из
строя работающего котла.
Определяем расход пара внешними потребителями:
(1.3.9)
Определяем полное количество пара,
вырабатываемое КУ:
|
|
(1.3.10)
|
Где,
-
расход пара на собственные нужды котельной, т/ч.
Принимаем
;т/ч
;т/ч
- потери пара
внутри котельной, т/ч.
Принимаем
Определяем расход питательной и продувочной
воды, подаваемой в котел:
|
|
(1.3.11)
|
Где
-
расход продувочной воды, т/ч. Согласно СНиП II-35-76 «Котельные установки» [2],
для котлов с давлением до 1,4МПа включительно, расход питательной воды должен
быть не более 10% от
. Принимаем
Определяем расход пара
и
расход остаточной воды
на выходе из
сепаратора непрерывной продувки. Для этого составим уравнение материального и
теплового баланса сепаратора.
Рисунок 1.2.2
, отсюда:
где
-
расход остаточной воды на выходе из сепаратора, т/ч;
- энтальпии
насыщенного пара и воды на выходе из СНП при давлении 0,15МПа, кДж/кг ⁰С.
;
- энтальпия
котловой воды при давлении 1,4МПа, кДж/кг⁰С.
.
Потери конденсата технологическими
потребителями:
|
Где -
возврат конденсата технологическими потребителями;
|
(1.3.14)
|
Расход подпиточной воды, согласно СНиП
2.04.07-86 «Тепловые сети», принимается как 0,75% от объема воды в системе
теплоснабжения.
|
|
(1.3.15)
|
Где
-
объем воды в системе теплоснабжения, м3.
|
|
(1.3.16)
|
Где
-
удельный объем воды в системе, м3/МВт. Для закрытых систем
=65
м3/МВт;
- тепловая нагрузка
на отопление и вентиляцию МВт;
- тепловая нагрузка
на горячее водоснабжение, МВт.
Расход деаэрированной воды:
, т/ч (1.3.18)
т/ч
Выпар из деаэратора:
|
,т/ч
т/ч
|
|
Количество воды, которое должно подвергнуться
умягчению:
|
|
(1.3.19)
|
Действительный расход сырой воды, которая
подается в котельную, будет несколько больше, т.к. часть воды используется для
регенерации фильтров:
, т/ч.
т/ч.
|
|
(1.3.20)
|
Рисунок 1.2.3
Определяем температуру исходной воды на выходе
из теплообменника 2. Из уравнения теплового баланса теплообменника 2:
где,
-
температура исходной воды. Принимаем
для
зимнего периода и
для летнего
периода;
- температура
продувочной воды на выходе из сепаратора. Принимается равной температуре
насыщения при давлении 0,15МПа.
;
- температура
продувочной воды на выходе из теплообменника. Принимаем
Расход пара на подогрев исходной воды:
|
|
(1.3.21)
|
Рисунок 1.2.5
Где
-
температура воды, необходимая для эффективной химводоочистки. Принимаем
- температура конденсата
после паро-водяного теплообменника. Принимаем
;
кДж/кг⁰С
Найдем температуру воды на выходе из охладителя
выпара (на входе в деаэратор):
|
|
(1.3.22)
|
Рисунок 1.2.6
где
-
температура конденсата после охладителя выпара. Принимаем
.
Определяем расход пара на деаэрацию воды:
Рисунок 1.2.7
|
,т/ч
=3,2
т/ч
|
(1.3.23)
|
Расчетное значение расхода пара на собственные
нужды котельной:
|
|
(1.3.24)
|
Относительная погрешность расчета:
|
|
(1.3.25)
|
При Δ<20% считается,
что учебный расчет выполнен с необходимым приближением и не требует пересчета.
Расход сетевой воды на отопление и вентиляцию:
|
|
(1.3.26)
|
где
-
тепловая нагрузка на отопление и вентиляцию, кДж/ч;
,
- температура сетевой воды в прямом и обратном трубопроводах, °С,
- теплоемкость
воды.
Расход сетевой воды на горячее водоснабжение:
|
|
(1.3.27)
|
где
-
тепловая нагрузка на горячее водоснабжение, кДж/ч;
Общий расход воды внешними потребителями в
подающей магистрали тепловой сети:
|
|
(1.3.28)
|
Температура на входе всетевой подогреватель:
|
|
(1.3.26)
|
Температура конденсата на выходе из охладителя
конденсата:
|
|
(1.3.27)
|
Результаты расчета приведены в таблице 1.3.2
Таблица 1.3.2 - Расчет тепловой схемы котельной
|
1
|
2
|
3
|
|
1
|
Температура
наружного воздуха tн.в., °С
|
-30
|
|
2
|
Температура
внутри отапливаемых помещений tв.н., °С
|
18
|
|
3
|
Тепловая
нагрузка на отопление и вентиляцию Qо.в., ГДж/ч
|
15,00
|
|
4
|
Тепловая
нагрузка на горячее водоснабжение Qг.в., ГДж/ч
|
8,00
|
|
5
|
Коэффициент
снижения расхода теплоты на отопление и вентиляцию Ко.в.
|
1,00
|
|
6
|
Текущая
температура сетевой воды в подающем трубопроводе t 1, °С
|
130,00
|
|
7
|
Текущая
температура сетевой воды в обратном трубопроводе t2, °С
|
70,00
|
|
8
|
Расход
сетевой воды на отопление и вентиляцию Gо.в., т/ч
|
59,6
|
|
9
|
Расход
сетевой воды на горячее водоснабжение Gг.в., т/ч
|
31,8
|
|
10
|
Расход
воды внешними потребителями в подающей магистрали тепловой сети Gс, т/ч
|
91,4
|
|
11
|
Энтальпия
пара, подаваемого на подогреватели воды hп, кДж/кг (давление 0,7МПа)
|
2763,00
|
|
12
|
Энтальпия
конденсата после паро-водяных теплообменников hк, кДж/кг
|
398,05
|
|
13
|
КПД
подогревателя
|
0,98
|
|
14
|
Расход
пара на отопление и вентиляцию Dо.в., т/ч
|
6,47
|
|
15
|
Расход
пара на ГВС Dг.в., т/ч
|
3,45
|
|
16
|
Выработка
пара для внешних потребителей Dвн, т/ч
|
21,92
|
|
17
|
Расход
пара на собственные нужды котельной Dс.н., т/ч
|
3,28
|
|
18
|
Потери
пара внутри котельной Dпот, т/ч
|
0,44
|
|
19
|
ПолнаяпаропроизводительностьКУ
, т/ч
|
25,64
|
|
20
|
Расход
питательной воды, подаваемой в котел Gпит, т/ч
|
28,2
|
|
21
|
Расход
пара на выходе из СНП Dс, т/ч
|
0,41
|
|
22
|
Расход
остаточной воды на выходе из СНП G'пр, т/ч
|
2,15
|
|
23
|
Потери
конденсата технологическими потребителями Gпк, т/ч
|
6
|
|
24
|
Объем
воды в системе теплоснабжения Vсист, м3
|
415,27
|
|
25
|
Расход
подпиточной воды Gподп, т/ч
|
3,11
|
|
26
|
Выпар
из деаэратора Dвып, т/ч
|
0,15
|
|
27
|
Количество
воды, подвергаемое умягчению Gхво, т/ч
|
11,78
|
|
28
|
Расход
сырой воды Gисх, т/ч
|
12,95
|
|
29
|
Температура
исходной воды на выходе из теплообменника 2 t'ив
|
11,2
|
|
30
|
Расход
пара на подогрев исходной воды Dив, т/ч
|
0,69
|
|
31
|
Температура
конденсата после охладителя выпараtд, °С
|
46,9
|
|
32
|
Температура
воды на входе в сетевой подогреватель τ’2, °С
|
70,8
|
|
33
|
Температура
конденсата после охладителя конденсата t’к, °С
|
82,7
|
|
34
|
Расход
пара на деаэрацию Dд, т/ч
|
3,2
|
|
35
|
Расчетный
расход пара на собственные нужды котельной ,
т/ч
|
3,89
|
|
36
|
Невязка
расхода пара на собственные нужды котельной ∆, %
|
15
|
|
37
|
Расход
продувочной воды , т/ч
|
2.56
|
2. Выбор водоподготовительного
оборудования
Надежная и экономичная работа котельной
установки в значительной степени зависит от качества воды, применяемой для
питания котлов.
Источниками водоснабжения для питания котлов
могут служить пруды, реки, озера (поверхностный водозабор), а также грунтовые
или артезианские воды, городской или поселковый водопровод. Природные воды,
обычно содержат примеси в виде растворенных солей, коллоидные и механические
примеси, поэтому непригодны для питания котлов без предварительной очистки.
2.1 Состав природной воды
Вода, как и всякая жидкость, может растворять
только определенное количество того или иного вещества, образуя при этом
насыщенный раствор, а избыточное количество вещества остается в нерастворенном
состоянии и выпадает в осадок.
Различают вещества, хорошо и плохо растворимые в
воде. К веществам, хорошо растворимым в воде, относят хлориды (соли
хлористоводородной кислоты) СаС12, МgС12, КаС1, к плохо растворимым - сульфиды
(соли серной кислоты) СаSО4, МgSО4, N3SO4 и силикаты (соли кремниевой кислоты)
СаSiO3, МgSiO3. Присутствие сульфидов и силикатов в воде приводит к образованию
твердой накипи на поверхности нагрева котлов.
Растворимость веществ зависит от температуры
жидкости, в которой они растворяются. Различают вещества, у которых
растворимость увеличивается с ростом температуры, например СаС12, МgС12,
Мg(NO3)2, Са(NO3)2, и у которых уменьшается, например СаSО4, СаSiO3, МgSiO3.
2.2 Показатели качества воды
Качество воды характеризуется прозрачностью
(содержанием взвешенных веществ), сухим остатком, жесткостью, щелочностью,
окисляемостью.
Сухой остаток содержит общее количество
растворенных в воде веществ: кальция, магния, натрия, аммония, железа, алюминия
и др., которые остаются после выпаривания воды и высушивания остатка при 110°С.
Сухой остаток выражают в миллиграммах на килограмм или в микрограммах на
килограмм.
Жесткость воды характеризуется суммарным
содержанием в воде солей кальция и магния, являющихся накипеобразователями.
Различают жесткость общую, временную (карбонатную) и постоянную
(некарбонатную).
Общая жесткость представляет собой сумму величин
временной и постоянной жесткости и характеризуется суммой содержания в воде
кальциевых и магниевых солей: сернокислых (СаSО4 и МgSО4), хлористых (СаС12 и
МgС12), азотнокислых (Са(NО3)2 и Мg(NО3)2), кремнекислых (СаSiO3 и МgSiO3),
фосфорнокислых (Са3(РО4)2 и Мg(РО4)2), двууглекислых (Са(НСО3)2 и Мg(НСО3)2).
Временная жесткость характеризуется содержанием
в воде бикарбонатов кальция и магния Са(НСО3)2 и Мg(НСО3)2. Постоянная
жесткость обусловливается содержанием указанных выше солей кальция и магния, за
исключением двууглекислых.
Для определения величины жесткости в настоящее
время установлена единица показателя жесткости - миллиграмм-эквивалент на 1 кг
раствора (мг-экв/кг) или микрограмм-эквивалент на 1 кг раствора (мкг-экв/кг); 1
мг-экв/кг жесткости соответствует содержанию 20,04 мг/кг иона кальция Са+ или
12,16 мг/кг иона магния Мg2 +.
Щелочность воды характеризуется содержанием в
ней щелочных соединений. Сюда относят гидраты, например NаОН - едкий натр,
карбонаты Nа2СО3 - кальцинированная сода, бикарбонаты NаНСО3, Na3РО4 и др.
Величина щелочности воды равна суммарной концентрации в ней гидроксильных,
карбонатных, бикарбонатных, фосфатных и других анионов слабых кислот,
выраженной в эквивалентных единицах (мг-экв/кг или мкг-экв/кг). В зависимости
от преобладающего наличия в воде анионов тех или иных солей различают
щелочность: гидратную (концентрация в воде гидроксильных анионов ОН),
карбонатную (концентрация карбонатных анионов CO3²¯) и
бикарбонатную (концентрация бикарбонатных анионов НСОз³¯.).
Окисляемость воды характеризуется наличием в
воде кислорода и двуокиси углерода, выраженных в миллиграммах или микрограммах
на килограмм.
Таблица 2.2.1 - Химический состав воды р. Волга
при отборе пробы в г. Самара
|
Взвешенные
вещества, мг/кг
|
Сухой
остаток, мг/кг
|
Щелочность,
мг-экв/кг
|
Жесткость,
мг-экв/кг
|
Содержание
катионов и анионов в воде, мг/кг
|
|
|
|
|
|
|
|
|
карбонатная
|
общая
|
Ca2+
|
Mg2+
|
Na+
|
Fe3+
|
HCO3-
|
SO42-
|
Cl-
|
NO3-
|
SlО32-
|
|
|
|
|
|
|
|
|
|
|
|
|
|
|
|
-
|
372
|
2,45
|
2,45
|
4,09
|
63,22
|
11,3
|
31,5
|
0,2
|
149,2
|
78,9
|
48,6
|
-
|
-
|
Вода, подготовленная для питания котельной
установки, не должна давать отложений шлама и накипи, разъедать стенки котла и
его вспомогательные поверхности нагрева, а также вспениваться.
2.3 Обработка воды для паровых
котлов
Исходными данными для выбора оборудования
предварительной водоочистки является:
величина продувки котла;
содержание углекислоты в паре;
относительная щелочность котловой воды.
Обработка воды для водогрейных котлов включает в
себя следующие основные этапы:
удаление взвешенных частиц;
удаление железа;
умягчение, предотвращение накипеобразования;
предотвращение коррозии (удаление кислорода и
углекислого газа из питающей воды с помощью деаэраторов различных
конструкций.Применение деаэратора позволяет существенно снизить содержание
свободного кислорода (до 0,02 мг/кг), остальное же количество должно
связываться химическим способом).
2.3.1 Удаление механических примесей
с помощью фильтров
Для удаления осаждаемых (песок, окислы железа,
соли CaCO3 и другие тяжелые частицы) и взвешенных частиц (мелкая глина, грязь и
органические вещества) используются механические фильтры различных конструкций.
При незначительных механических загрязнениях (до
5,0 мг/кг), можно устанавливать компактные фильтры картриджного типа (сменные
или промывные), основные достоинства которых - малые габариты, высокие скорость
и глубина фильтрации.
При содержании в воде взвешенных частиц более 15
мг/л, целесообразно осуществлять фильтрацию на напорных фильтрах с
комбинированным слоем (песок + антрацит).
Отфильтрованные частицы, по мере необходимости,
удаляются из слоя противоточной промывкой.
2.3.2 Умягчение воды методом ионного
обмена
Наиболее распространенным способом очистки воды
для ее последующего использования в качестве теплоносителя являются методы
ионного обмена. Сущность этих методов заключается в том, что вода фильтруется
через специальный материал, называемый ионитом. Этот материал имеет способность
изменять ионный состав воды в нужном направлении. С электрохимической точки
зрения молекулы ионита представляют собой твердый электролит. В зависимости от
того какой заряд несет диффузионный слой, иониты разделяются на катиониты и
аниониты.
Наиболее распространенными катионитами являются:
сульфоуголь и ионообменные смолы КУ 1, КУ 2. Наиболее распространенные
аниониты: АН-31, АВ-17, АВ-18. В зависимости от качества исходной воды и
требований к качеству обработанной воды в практике применяют следующие методы
ионного обмена: натрий-катионирование, водород-катионирование,
хлор-ионирование, аммоний-катионирование.катионирование - наиболее
распространенный метод обработки воды. Заключается в фильтровании ее через слой
катионита, содержащего обменный ион натрия.
При этом протекают следующие реакции:
Са(НСО)3 + 2NaR®СаR2 +
2NaНСО3(НСО)3 + 2NaR®MgR2 + 2NaНСО3
CaCl2 + 2NaR ®СаR2
+ 2NaCl+ 2NaR® MgR2 + Na2SO4
Как видно из приведенных реакций, кальциевые и
магниевые соли, содержащиеся в воде, вступают в обменные реакции с катионитом,
замещая в нем натрий и, тем самым, умягчая воду. Вместо кальциевых и магниевых
солей в обрабатываемой воде образуется эквивалентное количество легко
растворимых натриевых солей. Следовательно, солесодержание при обработке воды
не снижается, а несколько увеличивается. Щелочность воды и анионный состав при
Na-катионировании не изменяются.
Эксплуатация катионитного фильтра сводится к
последовательному проведению следующих операций: умягчение, взрыхление,
регенерация, отмывка.
Основная операция процесса - умягчение. При
умягчении происходит реакция обмена катионов Ca2+ и Mg2+ на катионы Na+. По
мере прохождения ионного обмена катионит истощается и уплотняется, обменные
реакции замедляются вплоть до проскока катионов Ca2+ и Mg2+ в обработанную
воду. Для восстановления обменной способности катионита его взрыхляют и
регенерируют. Взрыхление осуществляется обратным потоком воды, подаваемой из
бака, расположенного выше фильтра, или с помощью насоса. Регенерация
осуществляется раствором поваренной соли NaCl. Последней операцией является
отмывка (промывка) катионита от остаточных продуктов регенерации.
В практике применяются две схемы умягчения воды
по методу Na-катионирования: одноступенчатая и двухступенчатая.
Одноступенчатым Na-катионированием можно
получить воду с остаточной жесткостью до 0,1 мг-экв/кг. При необходимости более
глубокого умягченния воды (до 0,01 - 0,02 мг-экв/кг) следует применять
двухступенчатое (последовательное) Na-катионирование.
Число ступеней катионирования определяется
требованиями к обработанной воде; так для паровых экранированных котлов, где
требуется глубокое умягчение воды, целесообразно применение схемы
двухступенчатого Na-катионирования; для горячего водоснабжения, требуется
частичное умягчение воды, достаточно одной ступени катионирования.
Н-катионирование. Обработка воды методом
Н-катионирования состоит в фильтровании ее через слой катионита, содержащего в
качестве обменных ионов катионы водорода. Протекающие в водородном фильтре
реакции сводятся к замене катионов Ca2+ и Mg2+ и Na+ на катион водорода. При
этом протекают следующие химические реакции:
(HCO3)2 + 2НR®СаR2+ 2Н2O + СО2(HCO3)2
+ 2НR®MgR2+
2Н2O + СО2
CaCl2 + 2НR
®
CaR2 + 2HCl+2НR®
MgR2 + H2SO4+ НR ®NaR
+ HClSO4 +2НR ®
2NaR + H2SO4
2HR + Na2SiO3® 2NaR + H2SiO3
Следовательно, присутствующие в воде соли
(сульфаты, хлориды и др.) превращаются в процессе ионного обмена в кислоты
(серную, соляную и др.), т.е. обработанная вода имеет кислую реакцию (рН<7),
что недопустимо. Поэтому Н-катионирование всегда совмещается с
Na-катионированием, которое обуславливает щелочную реакцию обработанной воды.
Принцип работы Н-катионитного фильтра аналогичен
работе Na-катионитного фильтра. Регенерация фильтра производится раствором
серной кислоты.
Различают следующие схемы Н-Na-катионирования:
Н-Na-катионирование с «голодной» регенерацией
фильтров;
параллельное Н-Na-катионирование;
последовательное Н-Na-катионирование;
совместное Н-Na-катионирование.
Н-Na-катионирование с «голодной» регенерацией
фильтров применяется для обработки вод с повышенной карбонатной жесткостью при
сравнительно малом содержании солей натрия.
Параллельное Н-Na-катионирование применяется в
тех случаях, когда вода, поступающая на фильтры, имеет Жк>
0,5 Жо;
и когда необходимо получить умягченную воду с
заданной остаточной щелочностью не выше 0,35 мг-экв/кг.
Последовательное Н-Na-катионирование применяется
для обработки сильно минерализованных вод с солесодержанием выше 1000 мг/кг при
Жк< 0,5 Жо и при
Совместное Н-Na-катионирование применяется в тех
случаях, когда сумма анионов сильных кислот в воде, поступающей на фильтры, не
превышает 3,5 мг-экв/кг и когда получаемая по этой схеме щелочность (Щост= 1 -
1,3 мг-экв/кг) не вызовет заметного увеличения продувки котлов сверх
установленных норм.Cl-ионирование.Na-Cl-ионитный метод основан на умягчении
воды с одновременным снижением щелочности и осуществляется путем
последовательного фильтрования обрабатываемой воды через Na--катионитный фильтр
первой ступени, Cl-анионитный фильтр и затем Na- катионитный фильтр второй
ступени.
Вторую ступень Na-катионирования, как правило,
совмещают в одном фильтре с Cl-ионированием, при этом внизу загружается
катионит, а сверху сильноосновный анионит типа АВ - 17.
В этом методе катионит и анионит регенируются
поваренной солью NaCl (Na+ регенерирует катионит, Cl- - анионит). В фильтрах
первой ступени происходит умягчение воды по реакциям. Во второй ступени (в
совмещенном Na-Cl-ионитном фильтре) в слое анионита происходит обмен анионов
SO42-, NO3-, NO2-, HCO3-, содержащихся в воде, на хлор, а в слое катионита
«проскочившие» катионы жесткости обмениваются на Na+.
При этом в анионите протекают следующие реакции:
Na2SO4 + 2АнCl®
АнSO4
+ 2NaCl+ АнCl®АнNO3
+ NaCl
NaНСO3 + АнCl®АнНСO3 + NaCl
Методом Na-Cl-ионирования воды можно снизить
жесткость воды до 0,01 мг-экв/кг и щелочность до 0,2 мг-экв/кг.
Выбор схемы обработки исходной воды
Выбор схемы обработки воды для котлов
обуславливается:
Качеством исходной воды;
Требованиями к качеству пара, котловой и
питательной воды.
Для выбора схемы обработки определим основные
показатели водно-химического режима парового котла:
Величина продувки котла
|
|
(2.3.1)
|
Где
-
сухой остаток обработанной воды, мг/кг.
Для Na-катионирования
;
- доля
обработанной воды в питательной;
- сухой остаток
котловой воды, мг/кг
|
|
(2.3.2)
|
Где
-
расход химобработанной воды, м3/ч;
- расход
питательной воды воды, м3/ч;
Относительная щелочность котловой воды равна
относительной щелочности обработанной воды и определяется по формуле:
|
|
(2.3.3)
|
Где
-
относительная щелочность обработанной воды, мг-экв/кг. Для схемы
натрий-катионирования
принимается равной
щелочности исходной воды
мг-экв/кг.
Содержание углекислоты в паре при использовании
деаэратора с барботажем определяется по формуле:
|
|
(2.3.4)
|
Где
-
доля разложения Na2CO3 в котле
=0,7;
- доля разложения
Na2CO3 в ДА
=0,4
При
;
и
оптимальным
способом очистки воды является натрий-хлор-ионирование. В качестве первой
ступени ХВО выступает Na-катионитный фильтр, в качестве второй -
Na-Cl-ионитный.
2.4 Подбор натрий-катионитных
фильтров
Расчет и выбор Na-катионитных фильтров ведется
на основе следующих данных:
производительность установки Gхво, м3/ч;
общая жесткость воды, поступающей на фильтры Жо,
г-экв/ м3;
остаточная жесткость воды после фильтров Жост,
г-экв/ м3.
Технологические данные для расчета
Na-катионитных фильтров приведены в таблице 2.4.1.
Таблица 2.4.1 - Технологические данные для
расчета натрий-катионитных фильтров
|
Показатель
|
Фильтр
первой ступени
|
Фильтр
второй ступени
|
|
Высота
слоя катионита, м
|
2
- 2,5
|
1,5
|
|
Крупность
зерен катионита, мм
|
0,5
- 1,1
|
0,5
- 1,1
|
|
Скорость
фильтрования, м/ч, нормальная, в скобках максимальная (при регенерации одного
из фильтров), при жесткости, мг-экв/л: до 5 до 10
|
25
(35) 15 (25)
|
40
(50)
|
|
Взрыхляющая
промывка катионита: Интенсивность, кг/(м2×с), при
крупности зерен катионита, мм 0,5 - 1,1 0,8 - 1,2 продолжительность2, мин
|
4
5 30 (15)
|
4
5 30 (15)
|
|
Удельный
расход поваренной соли на регенерацию сульфоугля, г/г-экв, при двухступенчатом
натрий-катионировании и жесткости обрабатываемой воды, мг-экв/л: до 5 до 10
|
100
- 120 120 -200
|
300
- 400
|
|
Концентрация
регенерационного раствора, %
|
5
- 8
|
8
- 12
|
|
Скорость
пропуска регенерационного раствора, м/ч
|
3
- 4
|
3
- 5
|
|
Отмывка
катионита от продуктов регенерации: скорость пропуска отмывочной воды через
катионит, м/ч удельный расход отмывочной воды, м3/м3, при загрузке фильтра:
сульфоуглем катионитом КУ-2
|
6
- 8 4 6
|
6
- 8 6 8
|
Подберем диаметр фильтра по скорости
фильтрования. Рассчитаем живое сечение фильтра:
|
|
(2.4.1)
|
где
-
скорость фильтрования. Принимаем
;
-
производительность фильтра, м3/ч;- количество фильтров. Количество фильтров
принимаем равное трем, один из которых является резервным и в расчете не
участвует.
Исходя из рассчитанного живого сечения, выбираем
стандартный фильтр с ближайшим сечением, диаметром Dу=700мм с площадью
фильтрования
. Это фильтр ФИПа
I-0,7-0,6-Na производства саратовского завода энергетического машиностроения.
Габаритные размеры фильтра приведены на рисунке 2.4.1.
Проверяем выбранный типоразмер фильтра
по нормальной скорости (когда оба фильтра в
работе):
|
|
(2.4.2)
|
по максимальной скорости (когда один из фильтров
регенерируется):
Нормальная и максимальная скорости лежат в
рекомендуемых и допустимых пределах соответственно. Количество солей жесткости,
удаляемое в Na-катионитных фильтрах:
|
|
(2.4.3)
|
где
- общая жесткость воды, поступающей на фильтр, г-экв/м3;
Число регенераций натрий-катионитного фильтра в
сутки:
|
|
(2.4.4)
|
Где
-
высота слоя катионита, м. Принимаем
;
- рабочая обменная
способность катионита.
Принимаем
.
Следовательно, регенерацию натрий-катионитного
фильтра необходимо проводить три раза в сутки.
Расход соли на одну регенерацию определяется по
выражению:
|
|
(2.4.5)
|
Где
-
удельный расход соли на регенерацию, г/г-экв обменной способности катионита.
Принимаем
.
2.5 Подбор натрий-хлор-ионитных
фильтров
Расчет Na-Cl-ионитных фильтров ведется на основе
следующих данных:
производительность натрий-хлор-ионитных фильтров
Gхво, м3/ч;
остаточная щелочность обрабатываемой воды Щост,
мг-экв/л;
качественный состав исходной воды (таблица
2.5.1).
Рисунок 2.5.1 - Габаритные размеры фильтра ФИПа
I-0,7-0,6-Na
Технологические данные для расчета фильтров
приведены в таблице 2.5.1.
Таблица 2.5.1 - Технологические данные для
расчета хлор-ионитных фильтров
|
Показатель
|
Смешанный
Na-Cl-ионитный фильтр
|
|
Высота
слоя, м: анионита катионита
|
0,5-2,0
0,5 - 2,0
|
|
Крупность
зерен анионита, мм
|
0,35
- 1,2
|
|
Скорость
фильтрования, м/ч: допустимая рекомендуемая
|
4-30
15 - 20
|
|
Взрыхляющая
промывка анионита: интенсивность, л/(с×м2)
продолжительность, мин
|
3
15
|
|
Отмывка
анионита: скорость отмывки, м/ч расход воды на отмывку анионита, м3/м3
|
6
- 8 4
|
Подберем диаметр фильтра по скорости
фильтрования. Рассчитаем живое сечение фильтра:
|
|
(2.5.1)
|
где
-
скорость фильтрования. Принимаем
;
-
производительность фильтра, м3/ч;- количество фильтров.
Количество фильтров принимаем равное трем, два
фильтра работают попеременно, третий является резервным.
Исходя из рассчитанного живого сечения, выбираем
ближайший стандартный фильтр диаметром Dу=1500мм с площадью фильтрования
.
Это фильтр саратовского завода энергетического машиностроения марки
ФИСДВр-1,5-0,6. Габаритные размеры фильтры приведены на рисунке 2.6.1.
Проверяем выбранный типоразмер фильтра
по нормальной скорости (при параллельной работе
она же является максимальной):
|
|
(2.5.2)
|
Нормальная скорость лежит в допустимых пределах.
Количество удаляемых ионов HCO3:
|
|
(2.5.3)
|
где
-
щелочность исходной воды, г-экв/м3;
- остаточная
щелочность после хлор-ионирования, г-экв/м3. Остаточная щелочность определяется
по формуле:
|
|
(2.5.4)
|
|
|
|
Число регенераций хлор-ионитного фильтра в
сутки:
|
|
(2.5.5)
|
Где
-
высота слоя анионита, м. Согласно данным завода-изготовителя
;
- рабочая обменная
способность анионита АВ-17 по иону HCO3. В расчетах принимают
.
Следовательно, регенерацию хлор-ионитного
фильтра необходимо проводить 1 раз в 2 суток.
Расход соли на одну регенерацию определяется по
выражению:
|
|
(2.5.6)
|
Где
-
удельный расход соли на 1м3 анионита, кг.
Рисунок 2.5.2 - Габаритные размеры фильтра
ФИСДВр-1,5-0,6
2.6 Выбор солерастворителя
Солерастворитель предназначен для приготовления
раствора NaCl, использующегося в процессе регенерации Na-катионитных и
Na-Cl-ионитных фильтров водоподготовительной установки. Солерастворитель
выбираем исходя из массы соли, которая может быть загружена для приготовления
раствора MNaCl, кг.
В целях надежности и исключения ошибок при
приготовлении регенерационных растворов, для Na-катионитных и Na-Cl-ионитных
фильтров используем отдельные солерастворители.
- для
Na-катионитных фильтров;
- для
Na-Cl-ионитных фильтров;
Для обоих случаев выбираем однотипные
солерастворители марки С-0,5-0,7 производства Саратовского завода
энергетического машиностроения
Габаритные размеры солерастворителей
представлены на рисунке 2.6.1.
Рисунок 2.6.1 - Габаритные размеры
солерастворителя С-0,5-0,7
2.7 Выбор деаэратора
Деаэраторы предназначены для удаления
коррозионно-агрессивных газов (кислорода и свободной углекислоты) из питательной
воды паровых котлов и подпиточной воды систем теплоснабжения. Процесс деаэрации
воды основан на повышении ее температуры до кипения, при котором из воды
выделяются растворенные газы.
В производственно-отопительных котельных
используются деаэраторы атмосферного типа. Процесс деаэрации в них происходит
при давлении, близком к атмосферному (0,12 МПа). Кипение в них достигается за
счет нагрева воды паром, отбираемым после парового котла и поступающим в
колонку деаэратора.
Содержание кислорода в сетевой воде для паровых
котлов не должно превышать 0,03мг/кг.
Выбор деаэратора осуществляем по двум
параметрам: номинальной производительности и емкости бака. Номинальная
производительность должна быть не меньше расхода деаэрированной воды в
котельной при максимально-зимнем режиме:
|
|
(2.7.1)
|
Емкость бака деаэратора должна быть не менее 50%
от часовой паропроизводительности котельной
.
Исходя из этих условий выбираем деаэратор
атмосферного типа марки ДА-50/15 производства Саратовского завода
энергетического машиностроения.
Основные параметры деаэратора приведены в
таблице 2.7.1, габаритные размеры деаэратора указаны на рисунке 2.7.1.
Таблица 2.7.1 - Параметры деаэратора ДА-50/15
|
Деаэратор
|
Производительность
номинальная, т/ч
|
50
|
|
Диапазон
производительности, %
|
30…120
|
|
Диапазон
производительности, т/ч
|
15…60
|
|
Давление
рабочее избыточное, МПа
|
0,12
|
|
Давление
макс. При срабатывании защитного устройства, избыточное, МПа
|
0,17
|
|
Температура
деаэрированнойводы,°C
|
104,25
|
|
Средний
нагрев воды в деаэраторе, °С
|
10...50
|
|
Удельный
расход выпара, кг/т.д.в
|
1,5...2
|
|
Колонка
|
Обозначение
колонки деаэраторной
|
КДА-50
|
|
Масса
сухая, кг
|
647
|
|
Бак
|
Обозначение
бака деаэраторного
|
БДА-15
|
|
Полезная
емкость бака, м3
|
15
|
|
Масса
сухая, кг
|
3720
|
|
Охладитель
|
Обозначение
охладителя выпара
|
ОВА-2
|
|
Площадь
поверхности теплообмена охладителя выпара, м2
|
2
|
|
Масса
сухая, кг
|
232
|
|
Предохранительное
устройство
|
Обозначение
предохранительного устройства
|
ДА-50/15
|
|
Масса
сухая, кг
|
401
|
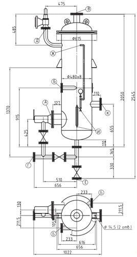
Рисунок 2.7.1 - Устройство и габаритные размеры
деаэратора ДА: 1-Бак деаэраторный; 2-колонка деаэрационная; 3-охладитель
выпара; 4-устройство предохранительное; 5-регулятор уровня; 6-регулятор
давления; 7-холодильник отбора проб; 8-барботажное устройство; 9-барботажная
тарелка; 10-перепускная тарелка; 11-верхняя тарелка; 12-пароперепускное
устройство; 13-указатель уровня; 14-люк-лаз
В состав деаэратора ДА-50/15 входят:
деаэрационная колонка;
деаэраторный бак;
охладитель выпара;
комбинированное предохранительное устройство для
защиты от аварийного повышения давления и уровня.
В деаэраторе ДА-50/15 применена двухступенчатая
схема дегазации: две ступени размещены в деаэрационной колонке первая ступень -
струйная, вторая - барботажная. В деаэраторном баке размещена третья,
дополнительная ступень, в виде затопленного барботажного устройства.
Вода, подлежащая деаэрации, подается в колонку
(2) через штуцеры (А, 3, И, Г). Здесь она последовательно проходит струйную и
барботажную ступени, где осуществляется ее нагрев и обработка паром. Из колонки
вода струями стекает в бак, после выдержки в котором отводится из деаэратора
через штуцер (Ж).
Основной пар подается в бак деаэратора через
штуцер (Е), вентилирует паровой объем бака и поступает в колонку. Проходя
сквозь отверстия барботажной тарелки (9), пар подвергает воду на ней
интенсивной обработке (осуществляется догрев воды до температуры насыщения и
удаление микроколичеств газов). При увеличении тепловой нагрузки срабатывает
гидрозатвор пароперепускного устройства (12), через которое пар перепускается в
обвод барботажной тарелки. При снижении тепловой нагрузки гидрозатвор
заливается водой, прекращая перепуск пара.
Из барботажного отсека пар направляется в
струйный отсек. В струях происходит нагрев воды до температуры, близкой к
температуре насыщения, удаление основной массы газов и конденсация большей
части пара. Оставшаяся парогазовая смесь (выпар) отводится из верхней зоны
колонки через штуцер (Б) в охладитель выпара (3) или непосредственно в
атмосферу. Процесс дегазации завершается в деаэраторном баке (1), где
происходит выделение из воды мельчайших пузырьков газов за счет отстоя. Часть
пара может подаваться через штуцер в размещенное в водяном объеме бака
барботажное устройство (8), предназначенное для обеспечения надёжной деаэрации
(особенно в случае использования воды с низкой бикарбонатной щёлочностью
(0,2...0,4 мг-экв/кг) и высоким содержанием свободной углекислоты (более 5
мг/кг) и при резко переменных нагрузках деаэратора.
Конструкция внутренних устройств деаэрационной
колонки обеспечивает удобство внутреннего осмотра. Перфорированные листы
внутренних устройств изготавливаются из коррозионно-стойкой стали.
Охладитель выпара поверхностного типа состоит из
горизонтального корпуса и размещенной в нем трубной системы (материал трубок -
латунь либо коррозионно-стойкая сталь).Химически очищенная вода проходит внутри
трубок и направляется в деаэрационную колонку через штуцер (А). Парогазовая
смесь (выпар) поступает в межтрубное пространство, где пар из нее практически
полностью конденсируется. Оставшиеся газы отводятся в атмосферу, конденсат
выпара сливается в деаэратор или дренажный бак.
Для обеспечения безопасной эксплуатации
деаэраторов предусматривается их защита от опасного повышения давления и уровня
воды в баке с помощью комбинированного предохранительного устройства.
Устройство подключается к деаэраторному баку
через штуцер перелива.
Устройство состоит из двух гидрозатворов, один
из которых защищает деаэратор от превышения допустимого давления, а другой от
опасного повышения уровня, объединенных в общую гидравлическую систему, и
расширительного бака.
Расширительный бак служит для накопления объёма
воды (при срабатывании устройства), необходимого для автоматической заливки
устройства (после устранения нарушения в работе установки), т.е. делает
устройство самозаливающимся.
Диаметр парового гидрозатвора определён исходя
из наибольшего допустимого давления в деаэраторе при работе устройства 0,07 МПа
и максимально возможного в аварийной ситуации расхода пара в деаэратор при
полностью открытом регулирующем клапане и максимальном давлении в источнике
пара.
Бак деаэратора имеет антикоррозийное покрытие,
деаэрационная колонка и бак имеют наружную теплоизоляцию.
Полный назначенный срок службы деаэратора - 20
лет.
Средний ресурс до капитального ремонта - не
менее 24000 ч.
3. Расчет и выбор вспомогательного
оборудования котельной
.1 Выбор насосов
Питательные устройства являются ответственными
элементами котельной установки, обеспечивая безопасность ее эксплуатации.
Питательные устройства должны иметь паспорт
завода-изготовителя и обеспечивать необходимый расход питательной воды при
давлении, соответствующем полному открытию рабочих предохранительных клапанов,
установленных на паровом котле.
Насосы в данном курсовом проекте выбираются по
производительности. Производительность насоса подбирается с учетом коэффициента
запаса
.
В проектируемой котельной используем насосы с
электроприводом. В соответствии со СНиП II-35-76 «Котельные установки» [2], при
использовании насосов с электроприводом, они должны быть подключены к двум
независимым источникам электроснабжения.
Число и производительность питательных насосов
выбираются с таким расчетом, чтобы в случае остановки наибольшего по
производительности насоса оставшиеся обеспечили подачу воды в необходимых
количествах.
3.1.1 Выбор насосов исходной воды
Насос исходной воды служит для подачи сырой воды
из системы водопровода жилого района к оборудованию водоподготовки котельной.
Данные насосы выбираются исходя из максимальной потребности котельной в
химически очищенной воде (Gхво), включая расход воды на собственные нужды
химводоочистки. При определении расхода учитывается коэффициент запаса
.
Расчетный расход сырой воды для выбора насоса:
|
|
(3.1.1)
|
Для питания котельной выбираем два насоса марки
GRUNDFOSCR 15-4 (Вертикальный многоступенчатый центробежный насос с нормальным
всасыванием типа "ин-лайн" для монтажа на плите-основании). Один из
них является резервным. Основные характеристики насоса представлены в таблице
3.1.1.
Таблица 3.1.1 - Технические характеристики
насоса GRUNDFOSCR 15-4
|
Материал
корпуса
|
Чугун
|
|
Материал
рабочих колес и промежуточных камер
|
Нержавеющая
сталь
|
|
Привод
насоса
|
Трехфазный
асинхронный электродвигатель
|
|
Рабочая
жидкость
|
Чистая
вода
|
|
Диапазон
температур жидкости
|
|
Частота
вращения
|
2917
об/м
|
|
Номинальная
подача
|
17
м3/ч
|
|
Гидростатический
напор насоса
|
44,8
м
|
|
Тип
электродвигателя
|
112MC
|
|
Номинальная
мощность электродвигателя
|
4
кВт
|
|
Промышленная
частота
|
50
Гц
|
|
Номинальное
напряжение
|
380
В
|
|
Номинальный
ток
|
8
A
|
|
Пусковой
ток
|
1120-1230
%
|
|
Cos
φ
|
0,88-0,84
|
|
Класс
защиты
|
IP55
|
|
Вес
нетто
|
78
кг
|
|
Полный
вес
|
103
кг
|
3.1.2 Выбор питательных насосов
Питательные насосы предназначены для
бесперебойного снабжения паровых котлов питательной водой. Количество и подача
питательных насосов выбирается так, чтобы в случае остановки самого мощного
насоса оставшиеся обеспечили подачу воды в количестве, необходимом для питания
всех рабочих паровых котлов.
Расчетный расход питательной воды:
|
|
(3.1.2)
|
Для питания котлов выбираем два насоса GRUNDFOS
CRE 32-2 A-F-A-E HQQE. Один из них является резервным. Основные характеристики
насоса представлены в таблице 3.1.2.
Таблица 3.1.2 - Технические характеристики
насоса GRUNDFOS CRE 32-2 A-F-A-E HQQE
|
Материал
корпуса
|
Чугун
|
|
Материал
рабочих колес и промежуточных камер
|
Нержавеющая
сталь
|
|
Привод
насоса
|
Трехфазный
асинхронный электродвигатель
|
|
Рабочая
жидкость
|
Чистая
вода
|
|
Диапазон
температур жидкости
|
-30
.. 120 °C
|
|
Частота
вращения
|
3525
об/м
|
|
Номинальный/максимальный
расход
|
36/111
м3/ч
|
|
Общий/максимальный
напор насоса
|
43/268
м
|
|
Тип
электродвигателя
|
112MC
|
|
Номинальная
мощность электродвигателя
|
7.5
кВт
|
|
Промышленная
частота
|
50
Гц
|
|
Номинальное
напряжение
|
380
В
|
|
Номинальный
ток
|
14,8-11,6
A
|
|
Номинальная
скорость
|
360-3530
об/м
|
|
Пусковой
ток
|
1120-1230
%
|
|
Класс
защиты
|
IP55
|
|
Вес
нетто
|
103
кг
|
|
Полный
вес
|
126
кг
|
Двигатель насоса снабжен защитой от перегрузки и
перегрева.
Расход питательной воды не является постоянной
величиной, и меняется в зависимости от режима работы котельной установки. Для
обеспечения плавного регулирования подачи питательных насосов, экономии
электроэнергии и увеличения ресурса оборудования, электродвигатели питательных
насосов подключаются к источнику электроснабжения через преобразователи
частоты.
Использование преобразователей частоты позволяет
осуществлять автоматическое плавное регулирование подачи питательных насосов в
зависимости от расхода воды. При этом исключаются гидроудары и обеспечивается
экономия электроэнергии за счет регулирования подачи насоса частотой вращения
рабочего колеса, а не закрытием задвижки.
Выбранный тип насоса изначально комплектуется
преобразователем частоты и датчиком давления, что позволяет автоматизировать
работу насоса.
3.1.3 Выбор сетевых насосов
Сетевые насосы предназначены для обеспечения
циркуляции теплоносителя в тепловой сети. Сетевые насосы устанавливаются на
выходе из котельной в обратной линии тепловой сети перед подогревателями, так
как температура сетевой воды в данной точке не превышает 70 °С. В котельной
должно быть установлено не менее двух сетевых насосов.
Расход одного насоса:
|
|
(3.1.3)
|
|
-
коэффициент запаса;
|
|
В качестве сетевых применяем два насоса
GRUNDFOSTPE 125-320/4-S A-F-A BAQE. Один насос является основным, второй -
резервным. Насосы комплектуются встроенным преобразователем частоты серии CUE,
позволяющим осуществлять плавное регулирование подачи насосов в широких
пределах.
Управление насосом может осуществляться с
помощью пульта дистанционного управления R100, который позволяет задавать и
считывать количественные параметры, такие как "Текущее значение",
"Скорость", "Входная мощность" и
"Энергопотребление".
Основные характеристики насоса представлены в
таблице 3.1.3.
Таблица 3.1.3 - Технические характеристики
насоса GRUNDFOS TPE 125-320/4-S A-F-A BAQE
|
Материал
корпуса
|
Чугун
|
|
Материал
рабочего колеса
|
Чугун
|
|
Привод
насоса
|
Трехфазный
асинхронный электродвигатель
|
|
Рабочая
жидкость
|
Вода
в системе отопления
|
|
Диапазон
температур жидкости
|
0
.. 120 °C
|
|
Частота
вращения
|
1450
об/м
|
|
Номинальный
расход
|
155
м3/ч
|
|
Номинальный/максимальный
гидростатический напор насоса
|
27/322
м
|
|
Тип
электродвигателя
|
180MA
|
|
Номинальная
мощность электродвигателя
|
18,5
кВт
|
|
Промышленная
частота
|
50
Гц
|
|
Номинальное
напряжение
|
380
В
|
|
Номинальный
ток
|
30..37
A
|
|
Номинальная
скорость
|
240..1750
об/м
|
|
Класс
защиты
|
IP55
|
|
Вес
нетто
|
379
кг
|
|
Полный
вес
|
429
кг
|
3.1.4 Выбор подпиточных насосов
Подпиточные насосы служат для восполнения утечек
воды из системы теплоснабжения. Подпитка ведется химически обработанной водой
из бака деаэратора. Вода подается в обратную линию тепловой сети.
Производительность подпиточных насосов
выбирается равной удвоенной величине полученного количества воды для
восполнения возможной аварийной подпитки:
|
|
(3.1.4)
|
В котельной устанавливаем два подпиточных насоса
GRUNDFOSCR 5-4 A-FGJ-A-V HQQV, один из них является резервным. Основные
характеристики насоса представлены в таблице 3.1.4.
Таблица 3.1.4 - Технические характеристики
насоса GRUNDFOSCR 5-4 A-FGJ-A-V HQQV
|
Материал
корпуса
|
Чугун
|
|
Материал
рабочего колеса
|
Нержавеющая
сталь
|
|
Привод
насоса
|
Трехфазный
асинхронный электродвигатель
|
|
Рабочая
жидкость
|
Вода
в системе отопления
|
|
Диапазон
температур жидкости
|
-20
.. 90 °C
|
|
Частота
вращения
|
2856
об/м
|
|
Текущий
рассчитанный расход
|
5.8
м3/ч
|
|
Общий
гидростатический напор насоса
|
19.4
м
|
|
Тип
электродвигателя
|
71B
|
|
Номинальная
мощность электродвигателя
|
0,55
кВт
|
|
Промышленная
частота
|
50
Гц
|
|
Номинальное
напряжение
|
380
В
|
|
Номинальный
ток
|
1,44
A
|
|
Номинальная
скорость
|
2830-2850
об/м
|
|
Пусковой
ток
|
480-520
%
|
|
Класс
защиты
|
IP55
|
|
Вес
нетто
|
24,7
кг
|
|
Полный
вес
|
27,4
кг
|
3.1.5 Выбор конденсатных насосов
Конденсатные насосы предназначены для подачи
конденсата, возвратившегося с производства в деаэратор. Производительность
конденсатного насоса равна часовому расходу конденсата от технологического
потребителя.
:
|
|
(3.1.5)
|
Где
-
расход пара на технологические нужды, т/ч;
- процент возврата
конденсата.
Выбираем два конденсатных насоса GRUNDFOS CR 5-4
A-FGJ-A-V HQQV, один из них является резервным. Основные характеристики насоса
представлены в таблице 3.1.5.
Таблица 3.1.5 - Технические характеристики
насоса GRUNDFOS CR 5-4 A-FGJ-A-V HQQV
|
Материал
корпуса
|
Чугун
|
|
Материал
рабочего колеса
|
Нержавеющая
сталь
|
|
Привод
насоса
|
Трехфазный
асинхронный электродвигатель
|
|
Рабочая
жидкость
|
Вода
в системе отопления
|
|
Диапазон
температур жидкости
|
-20
.. 120 °C
|
|
Частота
вращения
|
2856
об/м
|
|
Минимальный/максимальный
расход
|
5.8
м3/ч
|
|
Общий
гидростатический напор насоса
|
19.4
м
|
|
Тип
электродвигателя
|
71B
|
|
Номинальная
мощность электродвигателя
|
0,55
кВт
|
|
Промышленная
частота
|
50
Гц
|
|
Номинальное
напряжение
|
380
В
|
|
Номинальный
ток
|
1,44
A
|
|
Номинальная
скорость
|
2830-2850
об/м
|
|
Пусковой
ток
|
480-520
%
|
|
Класс
защиты
|
IP55
|
|
Вес
нетто
|
24,7
кг
|
|
Полный
вес
|
27,4
кг
|
3.2 Выбор теплообменников
Выбор теплообменников производится на основании
теплового расчета установки. На практике, обычно выполняются только проверочные
расчеты для определения пригодности выбранных по каталогам теплообменников для
заданных расчетных условий. Поверхности нагрева серийно изготавливаемых
теплообменников должны быть несколько больше требуемых по расчету, то есть
выбираться с запасом. В курсовом проекте выбор ведется по
теплопроизводительности и площади поверхности нагрева.
Теплопроизводительность теплообменника, т.е.
количество передаваемой теплоты, определяется из уравнения теплового баланса.
Для водо-водяного теплообменника:
|
|
(3.2.1)
|
где
-
теплоемкость воды;
- расход греющей и
нагреваемой воды, кг/с.
Площадь поверхности нагрева теплообменника
определяется по формуле:
|
|
(3.2.2)
|
где Q - количество передаваемой теплоты, кВт;
К - коэффициент теплопередачи. Для
ориентировочного расчета;', t” - температуры теплоносителя на входе и выходе из
теплообменника, °С;
- коэффициент,
учитывающий потери теплоты от наружного охлаждения. Принимаем
;
-
среднелогарифмический температурный напор:
|
|
(3.2.3)
|
где
-
большая и меньшая разности температур теплоносителей на входе и выходе из
теплообменника, °С.
.2.1 Расчет охладителя непрерывной
продувки
Принимаем водоводяной подогреватель ПВ76*
2000(К9):
максимально допустимое давление 1,0 МПа;
длина секции 2000мм;
площадь нагрева одной секции 0,65
(принимаем
2 секции общей площадью 1,3
)
мощность 13,1 кВт
диаметр корпуса - 76 мм
число трубок в одной секции - 7 шт
масса корпуса - 48,9 кг.
Максимальная температура 150 °С
Расчет охладителя конденсата

Принимаем водоводяной подогревательВВП
08-114-4000 (К12) в количестве 3 шт.
максимально допустимое давление 1,0 МПа;
длина секции 4000мм;
площадь нагрева одной секции 3,58
;
мощность 86 кВт;
диаметр корпуса - 114 мм;
число трубок в одной секции - 19шт;
масса корпуса - 96 кг;
Максимальная температура 150 °С.
3.2.2 Принципы работы подогревателя
ВВП
Принцип работы теплообменника ВВП очень прост.
Греющая или охлаждающая вода, являющаяся теплоносителем, проходит по
внутреннему пространству нагревателя, а жидкость, которая нагревается, течет по
межтрубному пространству.
теплообменник ВВП сконструирован из отдельных
неразборных секций, присоединяющихся к системе с помощью переходных патрубков. Секция
подогревателя водоводяного состоит из оболочки, трубок поверхности теплообмена
и трубных досок. Стандартные секции подогревателей изготавливаются диаметром от
55 до 535 мм. Длина секций может быть 2 и 4 метра. Однако размеры подогревателя
могут быть изменены в соответствии с индивидуальными чертежами. Максимальное
рабочее давление равно 1 МП, а максимальная рабочая температура теплоносителя
не должна превышать 150°С. Средний срок службы подогревателя - 25 лет.
3.2.3 Использование подогревателя
ВВП
Теплообменник ВВП используется на различных
объектах с водяной системой отопления, работающей от теплосетей ТЭЦ и
промышленных магистралей. Таким образом, для подогревателя такого типа
теплоносителем является горячая вода сторонней системы.
Теплообменник ВВП эффективно применяется, для
отопления коммунально-бытовых, общественных и производственных зданий. Так же
он используется для горячего водоснабжения. Водоподогреватель водоводяной может
быть использован и в других системах, в которых требуется подогрев или
охлаждение жидкости. К примеру, подогреватель используется в газовой и
нефтехимических промышленностях. В таких случаях теплообменник используют для
нагрева, охлаждения и конденсации пара, смесей различных газов, что необходимо
в тех или иных технологических процессах. Теплообменник ВВП является
универсальным устройством с целым рядом преимуществ и возможностей применения.
Рисунок 3.2.1
3.2.4 Правила эксплуатации
подогревателя ВВП
На первый взгляд теплообменник ВВП может
показаться довольно простым устройством, однако, это не так. Подогреватель -
это высокотехнологическое приспособление, требующее определенного ухода,
правильного запуска и соблюдения правил эксплуатации.
Для обеспечения нормальной стабильной работы, а
так же для управления подогревателем на нем должны быть установлены
контрольно-измерительные приборы, предохранительные устройства и запорная
арматура. Эти приспособления и их назначение подробно описаны в проектной
документации. Обслуживающий персонал обязан регулярно и не реже одного раза в
год проверять исправность всех вспомогательных устройств подогревателя. Так же
должны строго соблюдаться требования по режиму работы водоводяного
подогревателя. Категорически запрещается производить любые ремонтные и наладочные
работы устройства и его компонентов во время работы подогревателя.
При запуске Теплообменника ВВП следует соблюдать
следующую очередность операций:
пуск холодной подогреваемой воды; - пуск горячей
воды - теплоносителя в межтрубное зону.
При вынужденных кратковременных остановках
подогревателя, его ввод в эксплуатацию допускается лишь после полного
охлаждения трубных досок.
Теплообменник водоводяной необходимо отключить в
следующих случаях:
при повышении давления сверх допустимой нормы; -
при поломке или дефекте предохранительных клапанов; - при нахождении на корпусе
и элементах подогревателя пропусков, трещин или потения сварных швов; - при
поломке манометра, а так же при отсутствии возможности определения давления по
другим приборам. Для стабильной и долговечной работы подогревателя, сетевая
вода должна соответствовать нормам ОСТ 24.030.47-75.
При соблюдении этих правил, а так же ежегодного
сервисного осмотра устройства, теплообменник ВВП прослужит Вам долгие годы.
Для пароводяного теплообменника:
|
|
(3.2.6)
|
где D - расход пара, кг/с;
- энтальпии пара и
конденсата, кДж/кг.
Площадь поверхности нагрева теплообменника
определяем по выражению:
|
|
(3.2.7)
|
где K - коэффициент теплопередачи. Для
ориентировочного расчета принимаем
-
для паро-водяных теплообменников и
для
водо-водяных теплообменников.
η - коэффициент,
учитывающий потери теплоты в окружающую среду. Принимаем η=0,98
Расчет подогревателя сырой воды
,7’’=2763кДж/кг
)к=419кДж/кг
Принимаем пароводяной подогреватель ПП2−6−2−2
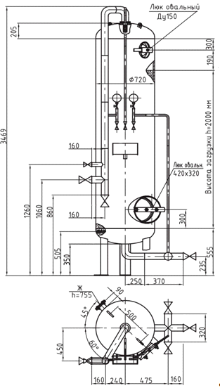
(К10) (#"806523.files/image209.gif">
диаметр корпуса 325 мм
мощность 680 кВт
длина 2550 мм
число трубок в одной секции - 68шт
масса 390 кг
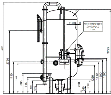
Расчет пароводяного подогревателя сетевой воды
,7’’=2763кДж/кг
)к=697кДж/кг
Принимаем пароводяной подогреватель ПП2-9-7-2
(К11) в количестве 3 шт:
максимально допустимое давление 0,7-1,6 МПа;
площадь нагрева одной секции9,5
диаметр корпуса 325 мм
мощность 1890 кВт
длина 3550 мм
число трубок в одной секции - 68шт
масса 506 кг
3.3 Принцип работы теплообменника
Внутри подогревателя греющаяся вода течет по теплообменным
трубам, в это же время греющий пар сквозь пароподводящий патрубок поступает в
межтрубное пространство. Конденсат от пара собирается в нижней части корпуса и
выводится сквозь регулирующий автоматический клапан. Таким образом, аппарат
автоматического регулирования конденсата поддерживает его нормальное количество
и препятствует выходу паров из корпуса. Скапливающиеся в отсеках подогревателя
неконденсируемые газы выводятся с помощью специального патрубка на корпусе.
3.3.1 Строение подогревателя
Подогреватель пароводяной представляет из себя
кожухотрубный тепловой обменник вертикального типа. Основными технологическими
узлами которого, являются трубная система, корпус и водяная камера. Сборка
подогревателя осуществляется при помощи фланцевого соединения, которое
обеспечивает возможность профилактики и ремонта оборудования. Корпус состоит из
цилиндрической обечайки, овального днища и соединительного фланца. Трубная
система сложена из каркаса, трубной доски и U-образных тепловых труб,
развальцованных концами в трубной доске. Каркас трубной системы состоит из
каркасных стоек, поперечных перегородок, направляющих потоки пара и
пароотбойного щита. Воздушный клапан, размещенный на трубной доске,
предназначается для отвода воздуха при гидро испытаниях, тут же располагается
клапан слива воды из водяной камеры. Очень важная система регенерации низкого
давления, преимущественно создается однопоточной. В такой системе вода
нагревается в одной группе последовательно размещенных подогревателей. При
необходимости отдельные ступени регенеративного подогрева имеют два аппарата ПН
подсоединенных параллельно.
Рисунок 3.3.1
Результаты расчета параметров Q и F сведены в
таблицу 3.3.1.
Таблица 3.3.1 - Расчет основных параметров теплообменников
|
Наименование,
обозначение
|
Температура
греющей среды на входе t'1, °С
|
Температура
греющей среды на выходе t"1, °С
|
Температура
нагреваемой среды на входе t'2, °С
|
Температура
нагреваемой среды на выходе t"2, °С
|
Расход
нагреваемой среды Gнагрев, кг/с
|
Среднелогарифмический
температурный напор ∆t, °С
|
Коэффициент
теплопередачи К, кВт/м2·°С
|
Теплопроизводительность
Q, кВт
|
Площадь
поверхности теплообмена F, м2
|
|
Охладитель
непрерывной продувки, К9
|
111,35
|
73,2
|
5
|
12,95
|
86,9
|
1,7
|
80,29
|
0,54
|
|
Подогреватель
сырой воды, К10
|
164,95
|
95
|
11,2
|
40
|
12,65
|
103,5
|
3,5
|
436,45
|
1,21
|
|
Сетевой
подогреватель, К11
|
164,95
|
164,95
|
70,8
|
130,00
|
91,4
|
59
|
3,5
|
5567
|
26,96
|
|
Охладитель
конденсата, К12
|
164,95
|
82,7
|
70,00
|
70,8
|
91,4
|
40,5
|
1,7
|
792,31
|
11,5
|
|
Охладитель
выпара, К13
|
Поставляется
в комплекте с деаэратором
|
Таблица 3.3.2 - Результаты выбора
теплообменников
|
Наименование,
обозначение
|
Тип
|
Площадь
поверхности теплообмена F, м2
|
Поверхность
нагрева 1-й секции f, м2
|
Количество
трубок n, шт
|
Теплопроизводительность
Q, кВт
|
Габаритные
размеры ВхШхГ, мм
|
Масса,
кг
|
|
Охладитель
непрерывной продувки 2 шт, К9
|
ПВ76*
2000
|
1,3
|
0,65
|
7
|
14
|
2000х76
|
32.6
|
|
Подогреватель
сырой воды, К10
|
ПП2−6−2−2
|
6,3
|
6.3
|
68
|
680
|
2550х633
|
390
|
|
Сетевой
подогреватель 3 шт, К11
|
ПП2-9-7-2
|
28,5
|
9,5
|
68
|
5670
|
3550х633
|
550
|
|
Охладитель
конденсата 3 шт, К12
|
ВВП
08-114-4000
|
10.74
|
3,58
|
19
|
257,1
|
4000х114
|
98
|
3.3.2 Выбор сепаратора непрерывной
продувки
Сепараторы непрерывной продувки предназначены
для разделения на пар и воду пароводяной смеси, образующейся из продувочной
воды паровых котлов путем снижения её давления до давления в сепараторе (что
приводит к вскипанию воды), с последующим использованием тепла воды и пара.
Для ускорения процесса сепарации применяется
тангенциальный подвод продувочной воды. Также в сепараторах присутствуют вертикальные
жалюзийные каплеуловители для осушки пара вторичного вскипания.
Сепаратор представляет собой вертикальный
цилиндрический сосуд сварной конструкции и состоит из корпуса с приваренным к
нему нижним эллиптическим днищем; верхнее эллиптическое днище соединяется с
корпусом с помощью фланцевого разъёма. В средней части корпуса приварены 2 или
4 опоры для установки сепаратора в подвешенном состоянии на опорных балках.
В нижней части корпуса находится приёмное
устройство, состоящее из двух концентрично установленных обечаек и двух
тангенциально вваренных в корпус патрубков, предназначенное для приёма
тангенциально подводимой продувочной воды.
В верхней части корпуса крепится болтами к
кольцу сепарирующее устройство, состоящее из набора специально отогнутых лопаток
и предназначенное для отделения мелких капель воды от пара.
Постоянный уровень отсепарированной воды
автоматически поддерживается поплавковым регулятором уровня, встроенным в
штуцере в нижней части корпуса.
Для визуального наблюдения за уровнем отсепарированной
воды сепаратор оснащён водоуказательным устройством, состоящим из
водоуказательного стекла и кранов клапанного типа.
Для наблюдения за рабочим давлением в паровом
пространстве сепаратора имеется манометр показывающий с пределом измерения до
1,6МПа с продувочным 3-х ходовым краном и спускным вентилем.
Отсекание давления пара в корпусе выше
допустимого (0,75МПа) обеспечивается клапаном предохранительным полноподъёмным
фланцевым, снабжённым сменной пружиной, работающей при давлении в пределах
0,7-1,3МПа. Срабатывание клапана регулируется на давление 0,75МПа. Верхняя
часть клапана закрыта колпаком, в котором имеется регулировочный винт для
установки пружины на заданное давление.
Работа сепаратора заключается в приёме
пароводяной смеси от котла, разделении её на пар и воду за счёт расширения и
вращательного движения потока в приёмном устройстве сепаратора. Окончательно
пар осушивается в сепарирующем устройстве.
Сепаратор непрерывной продувки выбирается исходя
из расхода продувочной воды
|
|
(3.3.1)
|
где
-
расход остаточной воды на выходе из СНП, т/ч;
- расход пара на
выходе из СНП, т/ч
Исходя из заданных условий выбираем сепараторы
марки СП-0,28-0,45 производства Саратовского завода энергетического
машиностроения. Основные характеристики СП-0,28-0,45 приведены в таблице.
Габаритные размеры указаны на рисунке 3.3.3.
Таблица 3.3.3 - Технические характеристики
СП-0,28-0,45
|
Давление
рабочее
|
0,7
МПа
|
|
Температура
рабочая
|
170
°С
|
|
Давление
пробное при гидроиспытании
|
1,0
МПа
|
|
Паропроизводительность
|
0,7
т/ч
|
|
Расход
пароводяной смеси
|
3,5
т/ч
|
|
Вместимость
|
0,28
м3
|
|
Масса
сухая
|
470
кг
|
Рисунок 3.3.2 - Габаритные размеры сепаратора
СП-0,28-0,45: А-штуцер регулятора уровня; Б-подвод пароводяной смеси; В-выход
отсепарированного пара; Г-выход отсепарированной воды; Д-для предохранительного
клапана; Е-дренаж; Ж-муфта манометра; И-муфты указателя уровня; К-штуцер
смотровой
4. Расчет и подбор тягодутьевого
оборудования
.1 Описание схемы подачи воздуха и
дымоудаления
В соответствии со СНиП II-35-76 «Котельные
установки», для обеспечения подачи воздуха к котельным агрегатам и отвода
продуктов сгорания тягодутьевые установки предусматриваются индивидуально для
каждого котла. В состав тягодутьевой установки котельного агрегата входят:
дутьевой вентилятор - для подачи воздуха, необходимого при сжигании топлива; дымосос
- для отвода продуктов сгорания от котлоагрегата в окружающую среду.
Для подачи в топочную камеру в зимнее время
используется теплый воздух из верхней зоны котельной, а в летний - воздух,
забираемый из окружающей среды. Воздухопроводы внутри котельной изготавливаются
стальными круглого сечения.
Отвод продуктов сгорания осуществляется по
железобетонным подземным газоходам. Каждый котлоагрегат имеет индивидуальный
газоход, отводящий продукты сгорания к дымовой трубе.
В котельной предусмотрена одна дымовая
железобетонная труба высотой 30 м с диаметром устья 1,2м. В местах сопряжения
газоходов с дымовой трубой предусматриваются температурно-осадочные швы.
Для обеспечения экономичной работы тягодутьевого
оборудования, электроприводы вентиляторов и дымососов подключаются к
электросети через преобразователи частоты, которые осуществляют плавное
регулирование оборотов электродвигателя (а следовательно и производительность
оборудования) в зависимости от режима работы котлоагрегатов. Установка
преобразователей частоты позволяет обеспечить экономию электроэнергии до 30%,
автоматизировать работу тягодутьевого оборудования и продлить срок его службы,
исключить человеческий фактор при управлении аппаратами.
4.2 Выбор тягодутьевого оборудования
Тягодутьевое оборудование котельной выбираются
по производительности и создаваемому напору. Для выбора данного оборудования
необходимо определить величину аэродинамического сопротивления газовоздушного
тракта котельной установки. Расчет производится по упрощенной методике.
4.2.1 Выбор дутьевого вентилятора
Определим расчетную производительность дутьевого
вентилятора:
|
|
(4.2.1)
|
где
-
коэффициент запаса. Согласно приложению 3 СНиПII-35-76 [2],
1,1
- расход топлива
на котельный агрегат, м3/ч;
теоретический объем
воздуха, необходимого для полного сгорания 1
природного
газа,
;
- коэффициент
избытка воздуха в топке;1,05
- температура
воздуха, подаваемого на горение. Принимаем
.
Расчетный напор вентилятора определяется с
учетом аэродинамического сопротивления горелки и воздушного тракта котельной
установки:
|
|
(4.2.2)
|
где
-
коэффициент запаса. Согласно приложению 3 СНиПII-35-76 [2],
1,1
- аэродинамическое
сопротивление горелкиГМГ-4м.
;
- аэродинамическое
сопротивление воздуховодов, принимаем
.
Для подачи воздуха выбираем дутьевой вентилятор
марки ВДН-8-1500 производства Бийского котельного завода. Технические
характеристики вентилятора приведены в таблице 4.2.1. Габаритные размеры
указаны на рисунке 4.2.1.
Таблица 4.2.1 - Технические характеристики
дутьевого вентилятора ВДН-8-1500
|
Диаметр
рабочего колеса
|
0,8
м
|
|
Частота
вращения максимальная
|
1500
об/мин
|
|
Типоразмер
электродвигателя
|
АИР160S4
|
|
Установленная
мощность электродвигателя
|
15,0
кВт
|
|
Номинальная
потребляемая мощность
|
7,9
кВт
|
|
Производительность
на всасывании
|
10460
м3/ч
|
|
Полное
давление
|
2330
Па
|
|
Температура
перемещаемой среды на всасывании
|
30
°С
|
|
Максимальная
температура перемещаемой среды на всасывании
|
200
°С
|
|
КПД
|
83
%
|
|
Габаритные
размеры
|
1165х1470х1285мм
|
|
Масса
|
523кг
|
Рисунок 4.2.1 - Габаритные размеры вентилятора
ВДН-8-1500: 1-корпус; 2-рабочее колесо; 3-осевой направляющий аппарат;
4-электродвигатель; 5-постамент
4.2.2 Выбор дымососа
Определим расчетную производительность дымососа:
|
|
(4.2.3)
|
где
-
коэффициент запаса. Согласно приложению 3 СНиПII-35-76 [2],
1,05
- расход топлива
на котельный агрегат, м3/ч;
-полный объем
продуктов сгорания, образующихся при сжигании 1м3 топлива,
.
;
- коэффициент
избытка воздуха в уходящих газах. Принимаем
;
- температура
уходящих газов. Принимаем
.
Для отвода продуктов сгорания выбираем дымосос
марки ВДН-10-1000 производства Бийского котельного завода. Технические
характеристики дымососа приведены в таблице 4.2.2. Габаритные размеры указаны
на рисунке 4.2.2.
Таблица 4.2.2 - Технические характеристики
дымососа ДН-10-1000
|
Диаметр
рабочего колеса
|
1
м
|
|
Частота
вращения максимальная
|
1000
об/мин
|
|
Типоразмер
электродвигателя
|
АИР160S6
|
|
Установленная
мощность электродвигателя
|
11,0
кВт
|
|
Номинальная
потребляемая мощность
|
7,1
кВт
|
|
Производительность
на всасывании
|
13620
м3/ч
|
|
Полное
давление
|
1550
Па
|
|
Температура
перемещаемой среды на всасывании
|
30
°С
|
|
Максимальная
температура перемещаемой среды на всасывании
|
200
°С
|
|
КПД
|
83
%
|
|
Габаритные
размеры
|
1288х1825х1485мм
|
|
Масса
|
625кг
|
Рисунок 4.2.2 - Габаритные размеры дымососа
ВДН-10-1000: 1-корпус; 2-рабочее колесо; 3-осевой направляющий аппарат;
4-электродвигатель; 5-постамент
5. Топливоснабжение котельной
.1 Описание газорегуляторной
установки
В качестве основного топлива в проектируемой
котельной используется природный газ второй нитки газопровода
Ставрополь-Москва. Для газоснабжения производственно-отопительной котельной
предусмотрена ГРУ (газорегуляторная установка), которая располагается внутри
помещения котельной.
Основные функции газорегулятоной установки:
Снижение давления газа до заданных параметров;
поддержание в автоматическом режиме этого
давления на выходе из ГРУ;
прекращение подачи газа при давлениях выше максимального
и ниже минимально допустимого;
очистка газа от существенных механических
примесей;
учёт расхода газа.
Помещение ГРУ оборудуется системами вентиляции,
отопления и освещения. Система вентиляции рассчитана таким образом, что
обеспечивает как минимум трехкратный часовой воздухообмен в помещении ГРУ.
Система отопления - водяная (температура теплоносителя не должна превышать 130
°С). Внутренняя температура в ГРУ в зимнее время поддерживается не ниже +5 °С.
Система искусственного освещения ГРУ выполняется с использованием оборудования
во взрывозащищенном исполнении.
Входное давление газа на вводе в ГРУ составляет
0,6МПа. На вводе газопроводов в ГРУ и на выводе из нее устанавливаются
отключающие устройства на расстоянии 5м.
Газопроводы к котельным агрегатам после ГРУ
прокладываются в виде тупиковых ответвлений. Газопроводы котельных снабжаются
продувочной свечой, которая обеспечивает отвод газа в атмосферу при продувке
газопроводов.
.2 Состав и функции оборудования ГРУ
В состав ГРУ входит следующее оборудование:
Фильтр газовый - служит для очистки поступающего
газа от механических примесей (пыли, окалины, грязи). Очистка газа необходима
предотвращения стирания уплотняющих поверхностей запорных устройств, острых
кромок измерительных диафрагм а также предотвращения загрязнения импульсных
трубок и дросселей.
Степень чистоты фильтра характеризуется
перепадом давления, которое контролируется в процессе эксплуатации и не должно
превышать заданных значений (максимум 10кПа).
Предохранительно-запорный клапан (ПЗК) - для
полного автоматического отключения подачи газа при повышении или понижении
давления газа за регулятором на 25 %.
На верхнюю заданную границу давления клапан
настраивается сжатием пружины верхней границы, а на нижнюю - сжатием пружины
нижней границы. Клапан устанавливается после фильтра перед регулятором
давления.
Регулятор давления - обеспечивает автоматическое
снижение давления газа и поддержание его значения на заданном уровне независимо
от изменения и колебания давления во входном газопроводе.
Регулятор давления настраивается таким образом,
что колебание давления за ним не превышает 10 % от заданного значения.
Предохранительно-сбросной клапан (ПСК) - служит
для сброса некоторого количества газа в атмосферу при возможных кратковременных
повышениях давления. ПСК настраивается на величину превышения давления меньшую,
чем ПЗК. Это позволяет избежать отключения подачи газа при незначительных
колебаниях давления за счет сброса излишков газа в атмосферу.
Байпас (обводной газопровод) - обводной
газопровод для подачи по нему газа во время ревизии или ремонта оборудования
ГРУ.При переводе котельной на питание по обводному газопроводу давление
регулируется вручную с помощью задвижек.
Сбросные и продувочные линии - для сброса газа в
атмосферу от предохранительно сбросного клапана и продувки газопроводов и
оборудования.
Измерительные приборы-давления и температуры
газа.
Узел учёта - для учета расхода газа.
Принципиальная схема газоснабжения котельной
приведена на рисунке 5.1.1.
Рисунок 5.1.1 - Принципиальная схема
газоснабжения котельной: 1-продувочная свеча; 2-сбросная лини от
предохранительного клапана; 3-предохранительный сбросной клапан; 4-счетчик;
5,12-манометры; 6-термометр; 7-регулятор давления; 8-предохранительный клапан;
9-импульсная линия; 10-фильтр; 11,15-задвижки; 13-общая магистраль;
14-регуляторы расхода; 16-самосмазывающиеся краны к горелкам; 17-запальники;
18-диафрагма для измерения расхода газа
5.2 Автоматика котельной
.2.1 Общие требования к
автоматизации
Основные цели автоматизации:
обеспечение выработки необходимого количества
пара;
достижение экономичности сжигания топлива,
рационального использования электроэнергии для собственных нужд установки;
минимизация потерь теплоты;
обеспечение надёжности и безопасности, т.е.
установление и сохранение нормальных условий работы каждого агрегата,
исключающих возможность неполадок и аварий, как самого агрегата, так и
вспомогательного оборудования.
Параметры, подлежащие контролю
В котельной применяются следующие виды приборов:
показывающие - для наблюдения за
технологическими параметрами;
сигнализирующие - для контроля за параметрами,
изменение которых может привести к аварийному состоянию оборудования;
суммирующие - для контроля параметров, на основе
которых производится последующий анализ работы оборудования.
В производственно-отопительной котельной
контролируются следующие параметры:
температура и давление питательной воды в общей
магистрали перед котлами;
давление пара и уровня воды в барабане;
температура уходящих газов;
давление пара в барабане;
давление воздуха после дутьевого вентилятора,
каждого регулирующего органа;
давление газообразного топлива перед горелками
за регулирующим органом;
разрежение в топке;
разрежение перед дымососом;
расход пара в общем паропроводе от котлов
(самопишущий прибор);
содержание кислорода в уходящих газах
(переносный газоанализатор);
давление воды до и после каждого фильтра
водоподготовки;
расход воды, поступающей к каждому ионитному
фильтру;
расход воды, поступающей на водоподготовку
(суммирующий);
расход воды на взрыхление фильтров;
расход воды, поступающей к каждому эжектору
приготовления регенерационного раствора.
котельная газоснабжение сепаратор
теплообменник
5.2.2 Автоматика безопасности котла
Автоматика безопасности котла предусматривает
прекращение подачи топлива при:
повышении или понижении давления газообразного
топлива перед горелками;
уменьшении разрежения в топке;
понижении давления воздуха перед горелками;
погасании факелов горелок, отключение которых
при работе котла не допускается;
повышении давления пара при работе котельных без
постоянного обслуживающего персонала;
повышении или понижении уровня воды в барабане.
Контроль технологических параметров
обеспечивается непрерывным опросом состояния датчиков и концевых выключателей
исполнительных механизмов. При отклонении любого контролируемого параметра от
нормы система управления котлом переводится в режим останова, т.е.
автоматически прекращается подача топлива к котлу, проводится перекрытие
запорной арматуры газовых блоков, производится после остановочная вентиляция
топки.
6. Сигнализация
В котельной предусмотрена светозвуковая
сигнализация следующих событий:
остановки котла (при срабатывании защиты);
причины срабатывания защиты;
повышения или понижения давления газа;
понижения давления воды в каждой питательной
магистрали (при постоянно работающих питательных насосах);
понижения или повышения давления воды в обратном
трубопроводе тепловой сети;
повышения или понижения уровня воды в баках
(деаэраторных, конденсатных, питательной, декарбонизированной воды и т.п.), а
также понижения уровня промывочной воды в баках;
повышения температуры жидких присадок в
резервуарах хранения;
повышения температуры подшипников
электродвигателей и технологического оборудования;
понижения давления (разрежения) в деаэраторе.
Автоматическое регулирование
В котельной предусмотрено автоматическое
регулирование следующих процессов:
автоматическое регулирование подачи в котлы
питательной воды;
автоматическое поддержание давления в сетевом
трубопроводе;
автоматическое регулирование температуры воды,
поступающей в тепловые сети;
автоматическое регулирование уровня воды и
давления пара в деаэраторе;
автоматическое поддержание давления в
редукционных установках;
автоматическое регулирование уровня конденсата в
паро-водяных теплообменниках;
автоматическое регулирование температуры
подогрева исходной воды.
Описание архитектурно-строительной части
котельной установки
Компоновка оборудования котельной выполнена
исходя из следующих требований:
обеспечение надежной работы, удобного и
безопасного обслуживания установленного оборудования;
минимальная протяженность трубопроводов,
коммуникаций, кабельных линий;
минимизация габаритов помещений для сокращения
капитальных затрат на строительные конструкции;
обеспечение возможности расширения действующей
котельной с минимальными переделками коммуникаций;
создание условий для механизированного
производства ремонтных работ, ревизий, чистки оборудования и арматуры.
Паровые котлы устанавливаются в один ряд с
фронтом, расположенным в одну линию и обращенным к окнам котельного зала. Фронт
котлов располагается на расстоянии 3м от стены котельной. Расстояние от
крайнего котла до стены - 1,3м.
Газораспределительная установка расположена на
стене котельной напротив фронта котлов. Трансформаторная подстанция -
пристроенная. Помещения для персонала располагаются на втором этаже на отметке
+3,300. Лаборатория химводоочистки размещается на первом этаже.
7. Отопление и вентиляция помещения
котельной
Отопление и вентиляция проектируется в соответствии
со СНиП 23-01-99 «Строительная климатология».
В помещении котельной предусмотрена система
воздушного отопления, во вспомогательных - система водяного отопления с
применением в качестве нагревательных приборов регистров из гладких труб.
Система вентиляция спроектирована таким образом,
что обеспечивает трехкратный часовой воздухообмен.
Вытяжная вентиляция - естественная с вытяжкой
воздуха из верхней зоны и за счет подсоса в газовоздушный тракт котлоагрегата.
Вытяжка осуществляется через дефлекторы ЦАГИ.
Приточная вентиляция - естественная. В теплый
период года подача воздуха осуществляется в рабочую зону.
Список использованных источников
1. Строительная
климатология. СНиП 23-01-99.
. Котельные установки.
СНиП II-35-76.
. Энергетическая
эффективность жилых и общественных зданий. Нормативы по энергопотреблению и
теплозащите. ТСН 23-341-2002 Рязанской области Администрация Рязанской области
г. Рязань - 2002.
. Тепловые сети. СНиП
2.04.07-86.
. Тепловой расчет
котельных установок. Методические указания для выполнения расчетной работы №1.
Мордовский государственный университет им. Н.П. Орагева. Саранск, 2005.
. Александров А.А.,
Григорьев Б.А. Таблицы теплофизических свойств воды и водяного пара:
Справочник. Рек. Гос. службой стандартных справочных данных. ГСССД Р-776-98 -
М.: Издательство МЭИ. 1999.
. Эстеркин Р.И.
Котельные установки. Курсовое и дипломное проектирование: Учеб. пособ. Для
техникумов. - Л.: Энергоатомиздат. Ленингр. Отд-ние, 1989.
. Выбор и расчет
теплообменников. Учебное пособие. Пензенский государственный университет.
Пенза, 2001.
. Роддатис К.Ф.
Котельные установки. Учебное пособие для студентов неэнергетических
специальностей вузов. - М.: «Энергия», 1977.
. Роддатис К.Ф.,
Полтарецкий А.Н. Справочник по котельным установкам малой производительности. -
М.: Энергоатомиздат, 1989.
11. Бузников
Е.Ф., Роддатис К.Ф., Берзиньш Э.Я. Производственные и отопительные котельные
2-е изд. - М.: Энергоатомиздат, 1984.
. Справочник
эксплуатационника газифицированных котельных. Л.Я. Порецкий, Р.Р. Рыбаков, Е.Б.
Столпнер и др. - 2-е изд., перераб. и доб. - Л.: Недра,1988.