Электромагнитная совместимость устройств электроснабжения
Реферат
Курсовая работа содержит 32 страницы
пояснительной записки, 9 рисунков, 7 таблиц, 3 использованных источника.
Тема работы - расчёт опасных и мешающих влияний
тяговой сети переменного тока на смежные линии.
Цель работы - произвести расчёт опасных и
мешающих влияний, принять меры для их снижения.
В процессе работы выполнен расчёт магнитного
влияния тяговой сети на воздушную линию 380/220 В, рассчитано электрическое
влияние тяговой сети на воздушную линию 380/220 В, рассчитаны мешающие влияния
тяговой сети на линию связи.
В результате работы определён комплекс
мероприятий по снижению опасных и мешающих влияний тяговой сети переменного
тока.
Содержание
Введение
. Магнитное влияние тяговой
сети на воздушную линию 380/220 В
. Электрическое влияние тяговой
сети на воздушную линию
. Совместное электрическое и
магнитное влияние
. Расчёт мешающих влияний
тяговой сети на линию связи
Заключение
Список использованных источников
Введение
Тяговая сеть оказывает электромагнитное влияние
на низковольтные линии, расположенные вдоль железной дороги. Это влияние
нормируется правилами защиты устройств проводной связи от влияния тяговой сети
электрических железных дорог в соответствии с типом аппаратуры уплотнения,
применяемой в низковольтной линии, и для двух режимов работы тяговой сети:
кратковременный (режим короткого замыкания) и длительный (вынужденный).
Магнитное влияние проявляется в возникновении продольной ЭДС в смежной линии,
индуцированной магнитным полем, которое создаётся током контактной сети. Электрическое
влияние проявляется в наведении в смежной линии потенциала по отношению к земле
под воздействием поля, которое создаётся при наличии напряжения в контактной
сети.
Курсовая работа посвящена расчёту опасных
напряжений, наводимых в воздушной линии продольного электроснабжения 380/220В,
имеющей сближение с тяговой сетью однофазного переменного тока. Так же в работе
производится расчёт мешающего напряжения шума, создаваемого за счёт магнитного
влияния гармоник тягового тока в двухпроводной линии, имеющей сближение с
тяговой сетью переменного тока.
. Магнитное влияние тяговой сети на воздушную
линию 380/220 В
Воздушные линии напряжением до 1000 В, имеющие
сближение с тяговой сетью переменного однофазного тока, должны иметь глухое
заземление нулевой точки обмотки низкого напряжения питающего трансформатора.
Не допускается устройство повторных заземлений нулевого провода линий.
В соответствии с заданными параметрами, построим
расчётную схему взаимного расположения тяговой сети и трёхфазной низковольтной
линии продольного электроснабжения.
Рисунок 1 - Расчётная схема взаимного
расположения тяговой сети и смежной трёхфазной низковольтной линии
В вынужденном режиме работы
рассчитаем эквивалентный влияющий ток
, одинаковый по всей длине сближения
и индуцирующий в линию такое же напряжение, какое возникает при реальном
распределении тока в контактной сети от нескольких нагрузок.
, (1)
где
- результирующий нагрузочный ток
расчётного плеча питания в вынужденном режиме работы тяговой сети;
- коэффициент, характеризующий
уменьшение эквивалентного тока по сравнению с нагрузочным током.
где
- число поездов, одновременно
находящихся на фидерной зоне;
- длинна плеча питания тяговой сети
при вынужденном режиме работы;
= 8500 В - максимальная потеря
напряжения в тяговой сети между подстанцией и наиболее удалённым от неё
электровозом;
r = 0,23 Ом/км, x = 0,47 Ом/км
- соответственно погонное активное и реактивное сопротивление тяговой сети [2];
cos
= 0,8, sin
= 0,6 -
косинус и синус угла сдвига фазы между напряжением и первой гармоникой тока
тяговой сети.
вычислим по формуле:
где
- расстояние от тяговой подстанции
до места расположения начала линии, км;
- длина сближения линии с
тяговой сетью, км.
.
Напряжение магнитных влияний в каждой фазе линии
для вынужденного режима рассчитывается по формуле:
где
= 1,15 - коэффициент формы кривой
тягового тока, характеризующий увеличение индуцированного напряжения вследствие
несинусоидальности кривой тягового тока;
ω = 314 - угловая
частота основной гармоники тягового тока;
=0,55 - коэффициент
экранирующего действия рельсов для однопутного участка при проводимости земли
=0,05
См/м [1];
- модуль коэффициента взаимной
индукции между однопроводными цепями на i -ом
участке, рассчитывается по формуле, Гн/км:
где
= 50 Гц - частота влияющего тока;
- среднегеометрическая ширина
сближения линии и тяговой сети при косом сближении, м;
- проводимость земли, См/м.
где
,
-
соответственно ширина сближения начала и конца i-го
участка линии, м.
Напряжение магнитных влияний в линии при
коротком замыкании в тяговой сети:
Рассчитаем ток КЗ для однофазного тягового
трансформатора по формуле:
где
= 27,5 кВ - номинальное напряжение;
= 13% -
напряжение короткого замыкания трансформатора из [2];
- расстояние от тяговой подстанции
до точки короткого замыкания в тяговой сети, км.
, (10)
Модуль результирующего напряжения в
фазах линий по отношению к земле, обусловленных наличием в каждой фазе рабочего
напряжения 220 В и индуцированного продольного напряжения, может быть определён
для каждой из фаз по формуле:
, (11)
где
- модуль рабочего напряжения в фазе
линии, равный 220 В;
- модуль продольного наведённого
напряжения в фазе линий, В;
− угол между векторами
фазного напряжения в линии и наведённого напряжения.
Величину угла
для каждой
фазы следует определять из векторных диаграмм, которые представлены на рисунках
2 и 3. Для построения векторной диаграммы результирующих напряжений в фазах
линии следует принять угол
между заданным вектором напряжения
питания тяговой сети и вектором тягового тока равным 37
. При
построении векторной диаграммы результирующих напряжений в фазах линии для
режима короткого замыкания в тяговой сети (рисунок 3) угол
между
вектором напряжения питания тяговой сети и вектором тока короткого замыкания
определяется:
, (12)
где
- реактивное
сопротивление петли короткого замыкания с учётом сопротивления участка тяговой
сети, трансформатора и системы, приведённое к напряжению 27,5 кВ, Ом;
- активное
сопротивление петли КЗ тяговой сети, Ом.
Векторная диаграмма результирующих
напряжений в фазах линии для вынужденного режима построена в масштабе на
рисунке 2.
Рисунок 2 - Векторные диаграммы:
а) векторы напряжений питающей системы;
б) для определения фазы наведённых напряжений;
в) результирующих напряжений в фазах
низковольтной линии
Результирующее напряжение фазы А в вынужденном
режиме:
Результирующее напряжение фазы В в вынужденном
режиме:
Результирующее напряжение фазы С в вынужденном
режиме:
Векторная диаграмма результирующих напряжений в
фазах линии для режима КЗ в тяговой сети построена в масштабе на рисунке 3.
Рисунок 3 - Векторные диаграммы:
а) векторы напряжений питающей системы;
б) для определения фазы наведённых напряжений;
в) результирующих напряжений в фазах
низковольтной линии
Результирующее напряжение фазы А для режима КЗ в
тяговой сети:
Результирующее напряжение фазы В для режима КЗ в
тяговой сети:
Результирующее напряжение фазы С для режима КЗ в
тяговой сети:
Полученные расчётным путём результирующие
напряжения в фазах линии сравним с допустимыми значениями напряжений,
приведёнными в [1].
Для вынужденного режима
Для режима КЗ в тяговой сети
Рассчитанные напряжения в фазах низковольтной
линии при магнитных влияниях оказались меньше предельно допустимых уровней.
2. Электрическое влияние тяговой сети на
воздушную линию
Предполагается, что в результате ошибочных
действий персонала линия отключена от питающего трансформатора и от нагрузки и
оказалась изолированной от земли. При этом в проводах линии возникает
наведённое напряжение за счёт влияния электрической составляющей переменного
электромагнитного поля контактной сети. Напряжение в изолированной от земли
линии при электрическом влиянии рассчитывается по формуле:
где
= 27500 В - напряжение в контактной
сети;
= 6,93 м - высота провода,
эквивалентного по электрическому влиянию контактной подвеске;
- радиус эквивалентного провода, м;
величины
и
, входящие в
формулу, показаны на рисунке 4.
При отсутствии на опорах контактной
сети усиливающих, экранирующих проводов и проводов системы ДПР для однопутных
участков величина
.
Рисунок 4 - К расчёту электрического влияния
По теореме Пифагора находим
и
:
, (16)
, (17)
где
- средняя ширина сближения,
где
- величина среднегеометрического
сближения i-го участка
линии, принятая по расчётам раздела 1.
Для снижения уровня напряжения электрических
влияний применяют заземление начала и конца проводов линии через высокоомные
сопротивления, в качестве которых используют конденсаторы ёмкостью С3
= 0,5 мкФ на рабочее напряжение 1000 В. Подключение таких ёмкостных заземлений,
а также взаимная с контактной сетью ёмкость Скл и собственная
ёмкость линии Сл показаны на рисунке 5.
Рисунок 5 - К расчёту наведённого напряжения
электрических влияний в заземлённой линии
Для расчёта наведённых напряжений при
электрическом влиянии в случае применения защитных сопротивлений требуется
определить ёмкости Скл и Сл.
Ёмкость
линии относительно земли:
где
Ф/м
- диэлектрическая проницаемость вакуума;
- высота подвеса линии, м;
- радиус провода линии, м,
Ёмкость между контактной подвеской и воздушной
линией рассчитывается через потенциальные коэффициенты:
Определим ёмкостные сопротивления:
Напряжение на концах заземлённой линии будет
равно падению напряжения, создаваемому ёмкостным током на защитном
сопротивлении:
При заземлении начала и конца линии через
конденсаторы ёмкостью по С3 = 0,5 мкФ наведённое напряжение
за счёт электрических влияний в отключённой линии снизилось с
до
.
. Напряжение
снизилось в 806 раз.
3. Совместное электрическое и магнитное влияния
Так как в проводах линии, отключённых от земли,
присутствует кроме электрического ещё и магнитное влияние, то следует
рассчитать их векторную сумму, как результат их совместного воздействия.
Рассчитывается напряжение на концах отключённых проводов линии для вынужденного
режима работы тяговой сети и при отсутствии рабочего напряжения в линии:
где y - фазовый угол между вектором магнитных влияний
на выбранном
конце изолированного от земли провода линии и вектором электрических влияний
в проводе.
Величина фазового угла y выбирается из векторной
диаграммы, изображённой на рисунке 6.
Рассчитаем напряжение от совместного
действия электрических и магнитных влияний на обоих концах провода линии.
В начале линии:
В конце линии:
Рисунок 6 - Векторная диаграмма наведённых
напряжений на концах проводов отключённой линии
. Расчёт мешающих влияний тяговой сети на линию
связи
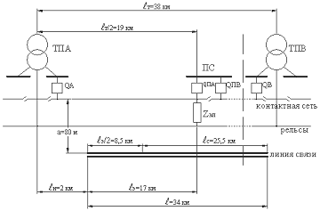
В соответствии с заданными параметрами, построим
расчётную схему взаимного расположения тяговой сети и двухпроводной линии
связи.
Рисунок 7 - Расчётная схема расположения тяговой
сети и линии связи
Для воздушной и кабельной линии связи, имеющих
одинаковое сближение с тяговой сетью и одинаковые трассы, необходимо определить
напряжение шума, создаваемого за счёт влияния ряда гармоник тягового тока.
Учитывается влияние гармоник с кратностью к = 1, 3, 5, …, 69 по
отношению к основной частоте тока, равной 50 Гц.
Для расчёта напряжения мешающих влияний
требуется определить гармонический состав тока контактной сети, используя
заданную кривую полуволны тягового тока, то есть получить значения амплитуд
синусоидальных составляющих кривой. Для этого воспользуемся графоаналитическим
методом.
Разложим кривую тока на гармоники с кратностью к
= 1, 3, 5, 7, 9, 11, для чего, по теореме Котельникова, участок оси абсцисс от
0
до 180
достаточно разделить на 12 равных частей.
Полуволна тягового тока представлена на рисунке
8.
Рисунок 8 - Кривая полуволны тягового тока
Значения токов кривой, соответствующие серединам
интервалов разбиения с номером i,
определены графоаналитическим методом с помощью кривой полуволны тока,
представленной на рисунке 8, и сведены в таблицу 1.
Таблица 1 - Значения токов середин интервалов
разбиения
|
◦
|
7,5
|
22,5
|
37,5
|
52,5
|
67,5
|
82,5
|
97,5
|
112,5
|
127,5
|
142,5
|
157,5
|
172,5
|
|
I/300, A
|
0,56
|
0,7
|
0,71
|
0,75
|
0,81
|
0,86
|
0,91
|
0,95
|
0,98
|
1
|
0,98
|
0,66
|
В соответствии с теорией разложения
периодических несинусоидальных функций, симметричных относительно оси абсцисс,
в дискретный ряд Фурье рассчитываются амплитуды синусной
и
косинусной
составляющей
-й гармоники
ряда, А:
; (29)
, (30)
где
− количество интервалов
разбиения кривой полуволны тока по оси абсцисс,
=12;
− значение тока кривой,
соответствующее середине интервала разбиения с номером
, А;
− угол, соответствующий
середине интервала с номером i,◦.
Амплитуда k-й
гармоники:
Начальная фаза k-й
гармоники:
По формуле 29 рассчитаем
(k=1):
По формуле 30 рассчитаем
(k=1):
По формуле 31 рассчитаем
(k=1):
По формуле 32 рассчитаем
(k=1):
Остальные значения
,
,
,
сведём
в таблицу 2.
Таблица 2 - результаты расчётов для построения
гармоник тягового тока с кратностью 1…11
|
k
|
, A
|
, A
|
, A
|
, ○
|
|
1
|
329,826
|
-39,401
|
332,171
|
-6,812
|
|
3
|
97,604
|
13,620
|
98,55
|
7,944
|
|
5
|
54,356
|
9,279
|
55,142
|
9,687
|
|
7
|
34,488
|
5,044
|
34,855
|
8,32
|
|
9
|
23,973
|
2,395
|
24,093
|
5,704
|
|
11
|
20,171
|
1,013
|
20,196
|
2,875
|
На основании данных таблицы 2 построим гармоники
тягового тока с кратностью 1…11, также их сумму и исходную полуволну тягового
тока, изображённую на рисунке 8.
Рисунок 9 - полуволна тягового тока и разложение
её в ряд Фурье на гармоники с кратностью 1,3,5,7,9,11
Расчет напряжения шума в двухпроводной линии для
каждой гармоники тока проводится по формуле 34, мВ:
, (32)
где
-
коэффициент акустического воздействия для
-й гармоники;
-
коэффициент чувствительности двухпроводной линии для
- й
гармоники.
Найдём напряжение шума для 1 - ой гармоники:
мВ.
Для других гармоник ряда расчеты производятся
аналогично. Полученные данные сведены в таблицу №6.
Таблица №6 - Расчет напряжение шума в
двухпроводной линии и напряжения шума в кабеле для 11 гармоник тока
|
Гармоника
|
Гн/км ,мВ ,мВ
|
|
|
|
1
|
0,000325
|
0,2586
|
0,0002
|
|
3
|
0,000223
|
11,189
|
0,010
|
|
5
|
0,000178
|
38,060
|
0,019
|
|
7
|
0,000151
|
48,949
|
0,052
|
|
9
|
0,000132
|
36,335
|
0,104
|
|
11
|
0,000118
|
34,914
|
0,063
|
Напряжение шума от воздействия всего спектра
гармоник определяется с помощью формулы:
(33)
Произведем расчет этой величины:
мВ.
Необходимо рассчитать напряжение
шума в кабеле, предполагая, что его трасса соответствует трассе воздушной линии
связи. Тип кабеля МКБАБ 7х4х1,2+6х0,9. Расчет напряжения шума в кабеле
-й гармоники
проводится по формуле, мВ:
, (34)
где
−
коэффициент чувствительности двухпроводной кабельной линии;
- коэффициент экранирующего
действия оболочки кабеля.
Определим напряжение шума в кабеле для 1-ой
гармоники:
, мВ
Для других гармоник ряда расчеты
производятся аналогично. Полученные данные сведены в таблицу №6.
Найдем напряжение шума в кабеле от
первых 11 гармоник, мВ:
(35)
мВ.
Амплитуды гармоник с кратностью
=13, 15…….69
можно определить по справочной кривой путём умножения амплитуды тока первой
гармоники
на
поправочный коэффициент
.
Определяется напряжение магнитных
влияний в одном проводе воздушной линии связи от тока каждой гармоники,
рассчитывается напряжение шума в двухпроводной линии для каждой гармоники тока,
напряжение шума от воздействия всего спектра гармоник. Также производится
расчёт напряжения шума в кабеле для
-й гармоники и напряжение шума в
кабеле от воздействия всего спектра гармоник. Все расчёты для гармоник с 13 по
69 производятся аналогичным образом как и для первых 11. Результаты вычислений
представлены в таблице №7.
Определим напряжение шума
от воздействия всего спектра гармоник от 1 по 69:
А теперь определим напряжение шума в
кабеле от всего спектра гармоник с 1 по 69:
Таблица №7 - Расчет напряжение шума в
двухпроводной линии и напряжения шума в кабеле для гармоники тока с 13 по 69
|
Гармоника
|
Гн/км   ,мВ ,мВ
|
|
|
|
|
|
13
|
0,000107
|
0,018
|
33,800
|
14,666
|
0,081
|
|
15
|
0,000098
|
0,017
|
38,107
|
17,387
|
0,100
|
|
17
|
0,000090
|
0,015
|
40,349
|
20,238
|
|
19
|
0,000084
|
0,013
|
39,579
|
20,288
|
0,097
|
|
21
|
0,000078
|
0,013
|
40,677
|
21,664
|
0,110
|
|
23
|
0,000073
|
0,012
|
41,024
|
23,589
|
0,108
|
|
25
|
0,000069
|
0,012
|
62,137
|
36,327
|
0,171
|
|
27
|
0,000065
|
0,011
|
75,656
|
45,625
|
0,193
|
|
29
|
0,000062
|
0,011
|
66,211
|
42,589
|
0,179
|
|
31
|
0,000059
|
0,01
|
20,912
|
13,632
|
0,051
|
|
33
|
0,000056
|
0,01
|
15,869
|
10,618
|
0,038
|
|
35
|
0,000054
|
0,009
|
13,023
|
9,214
|
0,028
|
|
37
|
0,000051
|
0,009
|
11,873
|
8,595
|
0,026
|
|
39
|
0,000049
|
0,009
|
10,800
|
8,017
|
0,023
|
|
41
|
0,000047
|
0,008
|
8,073
|
6,156
|
0,016
|
|
43
|
0,000046
|
0,008
|
7,526
|
5,905
|
0,015
|
|
45
|
0,000044
|
0,008
|
7,018
|
5,613
|
0,014
|
|
47
|
0,000042
|
0,007
|
6,458
|
5,290
|
0,011
|
|
49
|
0,000041
|
0,007
|
5,851
|
4,931
|
0,010
|
|
51
|
0,000040
|
0,007
|
5,258
|
4,527
|
0,009
|
|
53
|
0,000038
|
0,006
|
4,680
|
4,119
|
0,007
|
|
55
|
0,000037
|
0,006
|
4,096
|
3,686
|
0,006
|
|
57
|
0,000036
|
0,006
|
3,507
|
3,228
|
0,006
|
|
59
|
0,000035
|
0,005
|
2,967
|
2,787
|
0,004
|
|
61
|
0,000034
|
0,005
|
2,425
|
2,325
|
0,003
|
|
63
|
0,000033
|
0,005
|
1,927
|
1,878
|
0,003
|
|
65
|
0,000032
|
0,004
|
1,904
|
1,889
|
0,002
|
|
67
|
0,000031
|
0,004
|
1,904
|
1,916
|
0,002
|
|
69
|
0,000031
|
0,004
|
1,892
|
1,951
|
0,002
|
Заключение
В ходе выполнения курсового проекта было
рассчитано магнитное влияние тяговой сети на воздушную линию продольного
электроснабжения 380/220 В. Также были вычислены напряжения магнитных влияний и
результирующие напряжения в каждой фазе линии, построены векторные диаграммы
результирующих напряжений для вынужденного режима и режима к.з..
Во второй части курсового проекта производился
расчет напряжения электрических влияний тяговой сети на воздушную линию в
случае, когда последняя оказывается изолированной от земли. Также рассчитано
напряжение на концах отключенной линии, заземленной через высокоомные
сопротивления.
В заключительной части были рассчитаны мешающие
влияния тяговой сети на линию связи. Был определен гармонический состав тока
контактной сети, который позволил построить суммарную кривую, приблизительно
повторяющая заданную полуволну тягового тока. Были найдены напряжения мешающих
влияний для воздушной медной и кабельной линии связи.
Список использованных источников
сеть электроснабжение ток переменный
1. Семенов Ю.Г., "Расчёт
опасных и мешающих влияний тяговой сети переменного тока на смежные
линии". Учебно-методическое пособие по выполнению комплексной курсовой
работы. ФГБОУ ВПО РГУПС. - Ростов-на-Дону, 2013. - 24 с.
. Марквардт К.Г.
"Электроснабжение электрических железных дорог", Москва: Транспорт,
1982. - 528 с.
. Справочник по
электроснабжению железных дорог. Том 2./ Под ред. К.Г. Марквардта. - М.:
Транспорт, 19 с.