Частотно-регулируемый электропривод питательного насоса ТЭЦ
Министерство
образования и науки Российской Федерации
федеральное
Государственное бюджетное образовательное учреждение
высшего
профессионального образования
«Уфимский
государственный нефтяной технический университет»
КУРСОВАЯ РАБОТА
по курсу «Силовая электроника»
Тема «Частотно-регулируемый
электропривод питательного насоса ТЭЦ»
Выполнил:
студ. гр. БАЭ 11-01
В.Л. Улиханян
Проверил:
канд. тех. наук, доцент
В.И. Бабакин
Уфа 2013
ВВЕДЕНИЕ
Одной из важнейших отраслей промышленного производства
является энергетика. Развитие энергетики должно происходить с опережением
темпов развития и роста других отраслей промышленности.
Производство электроэнергии является одним из главных
показателей экономического уровня развития страны и отражает общее состояние
производящих сил.
В программах индустриального развития регионов нашей
страны предусматривается строительство мощных тепловых электростанций. Основным
типом ТЭС являются паротурбинные электростанции, которые могут работать на
любом топливе, иметь весьма большую мощность и сооружаться там, где есть
потребность в тепловой и электрической энергии. При блочной схеме ТЭС, каждый
блок в значительной мере является независимым элементом ТЭС, и так как
строительство электростанции длится несколько лет, часто блоки второй очереди
имеют более совершенную конструкцию.
С ростом населения Сибири и Дальнего Востока
развивается промышленность и сельское хозяйство. Соответственно растет
энергопотребление в качестве тепла и электроэнергии. Для этого требуется
строительство новых и расширение существующих ТЭС.
С ростом численности населения в городе Чите
возрастает потребность в тепловой и электрической энергии. Существующие ТЭС с
трудом покрывают их. С этой целью предлагается проект ТЭЦ.
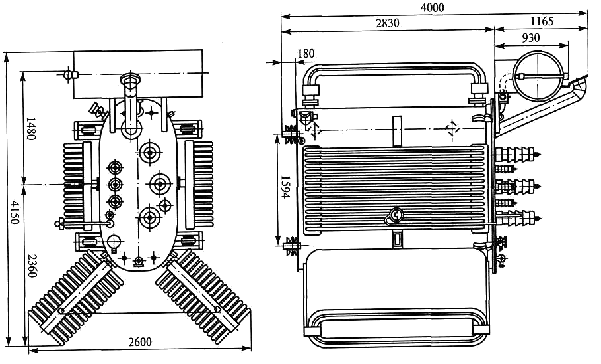
1. Технологическая часть
.1 Описание технологического процесса
При описании технологической установки используются некоторые термины,
являющиеся специфическими для данного типа установок:
Насос - гидравлическая машина, создающая напорное перемещение жидкости
при сообщении ей энергии.
Насосный агрегат (НА) - совокупность насоса, электропривода и
передаточного механизма (муфта, редуктор, шкив).
Насосная установка (НУ) - комплекс оборудования, обеспечивающий требуемый
режим работы насосов одного или нескольких насосных агрегатов. НУ состоит из
одного или нескольких насосных агрегатов, трубопроводов, запорной и
регулирующей арматуры, контрольно-измерительной аппаратуры, а также аппаратуры
управления и защиты.
Насосная станция (НС) - сооружение, включающее в себя одну или несколько
насосных установок, а также вспомогательные системы и оборудование.
Тепловая электростанция (ТЭС) - энергопредприятие, предназначенное для
преобразования химической энергии органического топлива (каменного угля,
мазута, природного газа, сланцев и др.) в электрическую энергию.
Теплоэлектроцентрали (ТЭЦ) - является энергетическим предприятием,
предназначенным для выработки и отпуска производственным и коммунально-бытовым
потребителям двух видов энергии:
) тепловой - в виде горячей воды или водяного пара;
) электрической.
Теплоэлектростанция (ТЭС, ТЭЦ) - это энергетическая установка
(собственный энергоблок), работающая на базе газотурбинных или газопоршневых
двигателей, которая одновременно вырабатывает несколько видов энергии (как
правило, тепло и электричество).
Этот вид электростанций предназначен для централизованного снабжения
промышленных предприятий и городов электроэнергией и теплом. В ТЭЦ
электроэнергия вырабатывается генераторами электрического тока. Генераторы
используют механическую работу двигателей. Системы охлаждения двигателей и
выхлопные газы отдают тепловую энергию в виде горячей воды или технического
пара.
преобразователь
диод электромагнитный транзистор
Рис.1. Технологическая схема паротурбинной электростанции, работающей на
твердом топливе; 1 - электрический генератор; 2 - паровая турбина; 3 - пульт
управления; 4 - деаэратор; 5 и 6 - бункеры; 7 - сепаратор; 8 - циклон; 9 -
котел; 10 - поверхность нагрева (теплообменник); 11 - дымовая труба; 12 -
дробильное помещение; 13 - склад резервного топлива; 14 - вагон; 15 -
разгрузочное устройство; 16 - конвейер; 17 - дымосос; 18 - канал; 19 -
золоуловитель; 20 - вентилятор; 21 - топка; 22 - мельница; 23 - насосная
станция; 24 - источник воды; 25 - циркуляционный насос; 26 - регенеративный
подогреватель высокого давления; 27 - питательный насос; 28 - конденсатор; 29 -
установка химической очистки воды; 30 - повышающий трансформатор; 31 -
регенеративный подогреватель низкого давления; 32 - конденсатный насос
Кроме основного оборудования, в комплекс электростанции, как видно из
рассмотренной технологической схемы, входит многочисленное вспомогательное
оборудование, а именно: механизированные склады твердого топлива, мазутное и
газовое хозяйство, оборудование шлакозолоудаления, устройства для подготовки
добавочной воды и технического водоснабжения, маслохозяйство и др.
Под технологической схемой понимают последовательный путь топлива, воды,
пара и электрического тока на паротурбинной электростанции, выдающей внешним
потребителям электрическую и тепловую электроэнергию. На рисунке представлена
примерная технологическая схема паротурбинной электростанции, работающей на
твердом топливе.
С места добычи твердое топливо доставляется на электростанцию по железной
дороге в специальных саморазгружающихся вагонах «2». Вагон поступает в закрытое
разгрузочное устройство «1» с вагоноопрокидывателей, где топливо высыпается в
находящийся под вагоноопрокидывателем приемный бункер, из которого попадает на
ленточный транспортер «6».
В зимнее время вагоны со смерзшимся углем предварительно подают для
размораживания в размораживающее устройство. Транспортером уголь подается на
склад угля «3» (обслуживаемый мостовым грейферным краном «4») или через
дробильную установку «5» в бункера сырого угля «7», установленные перед фронтом
котельных агрегатов. В эти бункера уголь может быть подан также со склада «3».
Для учета расхода топлива, поступающего в котельное отделение электростанции,
на тракте топлива до бункеров котельной устанавливают весы для взвешивания
этого топлива.
Из бункеров сырого угля «7» топливо поступает в систему
пылеприготовления: питатели сырого угля «8», а затем углеразмольные мельницы
«9», из которых угольная пыль пневматически транспортируется через мельничный
сепаратор «10», пылевой циклон «11» и пылевые шнеки «13» в пылеугольный бункер
«12». Из, бункера «12» пыль питателями «14» подается к горелкам «17» топочной
камеры.
Весь пневматический транспорт пыли от мельницы до топки осуществляется
мельничным вентилятором «15». Воздух, необходимый для горения топлива,
забирается дутьевым вентилятором «22» из верхней зоны котельной или снаружи,
затем подается в воздухоподогреватель «21», откуда после подогрева нагнетается;
частично в мельницу «9» для подсушки и транспортировки топлива в топку
котельного агрегата (первичный воздух) и непосредственно к пылеугольным
горелкам «17» (вторичный воздух).
Растопка пылеугольных котельных агрегатов производится на газе или
мазуте. Природный газ поступает из магистрального пункта в газорегулировочный
пункт, а оттуда в котельную. Мазут доставляется на электростанцию в
железнодорожных цистернах, в которых он перед сливом разогревается острым
паром. После разогрева мазут сливается по межрельсовому (также обогреваемому)
лотку в приемный резервуар малой емкости, оттуда перекачивающим насосом
подаётся в основной расходный резервуар. При растопке котельного агрегата мазут
прокачивается насосом «первого подъема» через паровые подогреватели, после
которых уже насосами «второго подъема» подается к мазутным форсункам,
В топке «18» и газоходах котельного агрегата «16» тепло газов,
образующихся от сгорания топлива, передается последовательно воде (подаваемой в
котельный агрегат питательными насосами «38») в водяном экономайзере «20»,
насыщенному и перегретому пару в топочных экранах и пароперегревателе «19» и
воздуху, необходимому для горения топлива, в воздухоподогревателе «21». После
воздухоподогревателя газы поступают в золоуловители «23» (механические,
гидравлические или электрофильтры) для очистки от содержащейся в них летучей
золы и затем дымососом «24» подаются в дымовую трубу «25».
При сгорании топлива образуется значительное количество шлака в топке и
летучей золы, выносимой газами из котельного агрегата. Шлак (сухой раскаленный
или жидкий) из шлаковых шахт топки котельного агрегата и летучая зола,
осажденная в золоуловителях, смывными устройствами направляются в смывные
каналы системы гидрошлакозолоудаления «26» и «27», после чего проходят
металлоуловитель, шлакодробилку и поступают в багерный насос, которым перекачиваются
в виде золошлаковой пульпы по золопроводам на золоотвал.
На паротурбинных электростанциях, сжигающих жидкое (мазут) и газообразное
(природный газ) топливо, топливное хозяйство значительно проще, чем на
пылеугольных электростанциях, и, кроме того, отсутствует необходимость в
золоулавливании и шлакозолоудалении. Свежий перегретый пар после
пароперегревателя «19» по паропроводу «28» направляется в ЦВД паровой турбины
«31». После ЦВД пар со сниженным давлением и температурой по трубопроводу «29»
поступает в промежуточный перегреватель котельного агрегата; расположенный
между перегревателем свежего пара «19» и водяным экономайзером «20» и
перегревается в нем снова до начальной температуры свежего пара. По
трубопроводу «30» nap промежуточного перегрева поступает в ЦСД, а оттуда по
верхним перепускным трубам в ЦНД и из них в конденсаторы турбины «33».
Из конденсаторов конденсат насосами «34» направляется на фильтры
установки очистки конденсата, а затем в группу вертикальных регенеративных
подогревателей низкого давления «35» и оттуда в деаэратор «36». Из питательного
блока деаэратора «37» вода, освобожденная от растворенных в ней газов -
кислорода и углекислоты питательными насосами «55» прокачивается через
регенеративные подогреватели высокого давления «39» и по трубопроводам «40» и
подается в водяной экономайзер котельного агрегата «20». Здесь замыкается
пароводяной тракт паротурбинной электростанции. При работе электростанции в
пароводяном тракте происходят потери питательной воды, которые восполняются установкой
приготовления и подачи добавочной воды. Химическая очистка сырой воды
производится в ионообменных фильтрах химводоочистки «46», откуда вода поступает
в бак обессоленной воды, забирается насосом и подается в конденсатор турбины.
Для подачи охлаждающей воды в конденсатор турбины служит система технического
водоснабжения.
Охлаждающая вода подается через очистные сетки циркуляционными насосами
«43» по напорным трубопроводам «44», из источника водоснабжения (в данном
примере - береговой насосной станции) «41» и возвращается по сливным
трубопроводам «45». Электрический генератор «32» приводится во вращение паровой
турбиной и вырабатывает переменный электрический ток, который поступает на
повышающие электротрансформаторы, а оттуда на сборные шины открытого
распределительного устройства электростанции. К выводам генератора через
трансформатор собственных нужд присоединено также распределительное устройство
собственных нужд.
На схеме, представленной ниже, отображен состав основного оборудования
теплоэлектроцентраль станции и взаимосвязь ее систем. По этой схеме можно
проследить общую последовательность технологических процессов протекающих на
ТЭЦ.
Рис
2. Схема состава основного оборудования ТЭЦ и взаимосвязь ее систем Обозначения
на схеме ТЭЦ: 1 - Топливное хозяйство; 2 - Подготовка топлива; 3 - котел
<#"806480.files/image003.gif">
Рисунок 3. Силовая схема ВЧРП
Силовая схема ВЧРП-ТМ состоит из входного трансформатора и однофазных
ячеек ШИМ-инверторов.
Ячейки инвертора
Каждая ячейка инвертора содержит трехфазный диодный выпрямитель и
однофазный IGBT инвертор, объединенные шиной постоянного тока. Ячейка модуля
может быть выдвинута из направляющих для обеспечения возможности сервисного
обслуживания. Все модули одинаковые. Среднее время восстановления ВЧРП-ТМ не
более 30 минут.
В соответствии с требованиями эксплуатации электропривода предусмотрена
система принудительного воздушного охлаждения:
забор воздуха через дверцы шкафа
восходящий поток через ячейки-инверторы и трансформатор
вытяжное устройство наверху шкафа.
Основные технические характеристики:
Мощность от 250 кВт до 8 МВт;
Работа с отклонением питающей сети 25% от номинала 3, 6, 10 кВт;
Работоспособность при полном пропадании сети в течение 0, 3 сек.;
Сейсмостойкость 9 баллов;
При изготовлении в блочно-модульном здании возможна эксплуатация при
температуре от -60 до +60°С;
Высокая степень надежности (средняя наработка на отказ 100 000 часов).
Внедрение ВЧРП-ТМ дает возможность реализовать энергосберегающие
программы на всех промышленных предприятиях, где используются мощные
высоковольтные двигатели
Экономия электроэнергии до 25-40 %
Экономия ресурсов обслуживаемых двигателей
Снижение эксплуатационных и производственных затрат
2.2 Выбор диодов и транзисторов
.2.1 Выбор диода
Таблица 2.3 - Основные параметры диода Д453-630
Диод Д453-630 - прибор, предназначенный для высоковольтных схем
преобразовательных устройств различного назначения.
Представленный диод имеет высокую стабильность прямых падений напряжений,
что гарантирует им точный подбор для параллельной работы и высокую симметрию
токов в силовых ветвях преобразователей на весь период эксплуатации.
Рисунок 4. Диод Д453-630
Супервысоковольтные диоды Д453-630 в преобразовательных устройствах
позволяют уменьшить количество последовательно соединенных приборов,
существенно упростить конструкцию силовой схемы, снизить издержки монтажа и
обслуживания преобразовательного устройства, что позволяет уменьшить вес
преобразователя и повысить надежность системы.
2.2.2 Выбор транзистора
Для
преобразователя частоты ВЧРП-ТМ выбран высоковольтный IGBT транзистор серии BiMOSFETs IXBX75N170 фирмы IXYS. Его основные параметры представлены
в таблице 2.4.
Таблица 2.4 -
Основные параметры IGBT транзистора
IXBX75N170
|
№ Серии
|
VCES, (V)
|
IC при TC=25°C, (A)
|
VCE(sat) max при TJ=25°C, (V)
|
RthJC IGBT, (°C/W)
|
td(on) (тип.) нс
|
Tr (тип.) нс
|
td(off) (тип.) нс
|
Tf (тип.) нс
|
Тип конфигурации
|
Тип корпуса
|
|
IXBX75N170
|
1700
|
200
|
3.1
|
0.12
|
47
|
230
|
260
|
580
|
Copack (FRD)
|
PLUS247
|

Рисунок 5.
Транзистор IXBX75N170
2.3 Выбор трансформатора
Силовые трансформаторы с воздушным охлаждением, называются сухими
трансформаторами.
В первую очередь сухие трансформаторы применяются в местах, где особое
значение имеет высокий уровень безопасности людей, оборудования и окружающей
среды. Сухие трансформаторы больших мощностей необходимы в электроустановках
промышленных предприятий, в частности нефтехимической, металлургической,
машиностроительной, целлюлозно-бумажной отраслей, а также для электроснабжения
общественных зданий, сооружений, транспорта.
Сухие трансформаторы с естественным воздушным охлаждением в основном
предназначены для установки в сухих закрытых помещениях (с относительной
влажностью воздуха не выше 80% и отсутствии в атмосфере агрессивных веществ и
пыли).
В данном курсовом проекте был выбран силовой сухой трансформатор типа TR
с литой изоляцией из эпоксидной смолы мощностью 20000 кВА напряжением до 36кВ
производства Tesar.
Сухие трансформаторы Tesar обладают высокой надежностью, простотой
эксплуатации, компактностью, пожарной и экологической безопасностью. Сухие
трансформаторы применяются в различных отраслях промышленности с жесткими
требованиями пожаро- и взрывобезопасности.
Соответствие
сухих трансформаторов Tesar ГОСТ и стандартам CEI и IEC:
- Силовые сухие трансформаторы Tesar соответствуют всем российским и
международным стандартам;
По электромагнитной совместимости сухие трансформаторы Tesar
соответствуют требованиям Директивы Совета европейских сообществ по
электромагнитной совместимости 89/336/ЕЕС, что доказано испытаниями,
проведенными в специальных лабораториях;
Завод сухих трансформаторов Tesar Srl является одним из немногих
производителей сухих трансформаторов, полностью отвечающих новейшим требованиям
стандарта IEC60076-11. Данный стандарт включает требования для испытаний на
перегрев, на частичный разряд, на соответствие классам окружающей среды,
климатическим и классам пожаробезопасности на одном образце сухого
трансформатора;
Производство сухих трансформаторов Tesar сопровождается типовыми и
специальными испытаниями в современных лабораториях завода, оснащенных согласно
стандарту IEC60076-11.
Основные характеристики трансформатора представлены в таблице 2.5.
Рис. 6. Общий вид трансформаторов ТR-20000
Цифрами в обозначении трансформатора указывают номинальную мощность в
киловольт-амперах и через косую черту класс напряжения обмотки ВН в
киловольтах. Кроме того, в обозначении указывают: год выпуска рабочих чертежей
трансформаторов Данной конструкцию (две последние цифры); климатическое
исполнение и категорию размещения (ГОСТ 15150-69).
Таблица 2.5 - Технические характеристики сухих трансформаторов TR-20000
|
Параметры
|
|
Под заказ
|
|
Мощность трансформатора, кВА
|
|
20000
|
|
Напряжение, кВ
|
|
до 36
|
|
Диапазон регулирования
|
+5%, +2,5%, 0%, -2,5%, -5%
|
|
Потери х.х., Po (Вт)
|
|
от 25000
|
|
Потери к.з. при 75ºC, Pcc (Вт)
|
|
от 100000
|
|
Напряжение к.з., Vcc (%)
|
|
10
|
|
Ток холостого хода, Io (%)
|
0,5
|
|
Вентиляция (м3/мин.)
|
1000
|
|
Тепловыделение (Вт)
|
|
от 125000
|
|
Звуковое давление, LpA (дБ)
|
|
82
|
|
Металл обмоток
|
|
Алюминий
|
|
|
или Медь
|
|
|
|
При транспортировке, хранении, эксплуатации
|
от -25ºС до +40ºС
|
от -25ºС до +55ºС
|
|
|
|
|
|
|
|
Высота установки
|
до 1000 м над уровнем моря
|
Свыше 1000 м над уровнем моря
|
|
Вес, кг
|
38000
|
Предоставляется
|
|
|
по запросу
|
|
Степень защиты
|
IP00, IP21, IP31, IP23
|
|
Сейсмостойкость
|
до 7 баллов по шкале MSK
|
до 9 баллов по шкале MSK
|
|
Гарантийный срок обслуживания
|
Стандартно - 18 месяцев с момента ввода в эксплуатацию, но
не более 24 месяцев с момента отгрузки. Возможно увеличение гарантийного
срока сухих трансформаторов TESAR при предварительном согласовании.
|
|
Класс окружающей среды
|
Е2 (сухие трансформаторы TESAR могут использоваться в
сильно загрязненной окружающей среде, а также при образовании конденсата)
|
|
Класс климатического исполнения
|
С2 (сухие трансформаторы TESAR могут работать при
минимальной температуре - 25 ºС)
|
|
Класс пожаробезопасности
|
F1 (сухие трансформаторы TESAR устойчивы к самовозгоранию,
не выделяет токсичных веществ и не образует дыма).
|
В результате проведенной работы к двигателю СТД-8000 был подобран
преобразователь частоты ВЧРП-ТМ напряжением на 10 кВ с диодами и IGBT транзисторами, а также входной
трансформатор с воздушным охлаждением.
3. Анализ электромагнитной совместимости
преобразователя частоты ВЧРП-ТМ и питающей сети
Современный регулируемый электропривод как постоянного, так и переменного
тока содержит силовые преобразователи электрической энергии, выполненные на
силовых полупроводниковых ключах и являющиеся дискретными устройствами.
Рост установленной мощности преобразовательных агрегатов и связанное с
принципом их работы ухудшение электромагнитной обстановки обострили проблему
обеспечения нормального функционирования других потребителей, подключенных к
общей с преобразователями сети, т.е. электромагнитную совместимость.
Так как в курсовом проекте рассматривается ЧРЭП, то необходимо произвести
расчет электромагнитной совместимости преобразователя частоты с питающей сетью.
Индуктивное сопротивление трансформатора TR-20000 найдём по формуле, мОм
,
где
Uкз - напряжение короткого замыкания, %,
Ркз
- мощность короткого замыкания, кВт,
Sном - полная
мощность трансформатора, кВ·А,
Uб - базовое
напряжение, В.
мОм.
Зная
длину и марку кабельной линии, нетрудно найти его индуктивное сопротивление
,
где
x0 - индуктивное сопротивление единицы длины кабельной линии, Ом/км;
L - длина
кабельной линии, км.
Получим
мОм,
мОм.
Индуктивное
сопротивление сети определяется двумя составляющими: индуктивным сопротивлением
трансформатора и индуктивным сопротивлением кабельной линии
мОм.
Полная
мощность КЗ на шинах подключения преобразователя
Вт,
где
Еф - действующее значение фазного напряжения.
Номинальную
мощность на выходе звена постоянного тока можно определить исходя из условия,
что КПД современных автономных инверторов напряжения приблизительно равен 0,85
,
где
Рпч - номинальная мощность преобразователя, Вт.
Вт.
Номинальное
напряжение на выходе двухфазного двухполупериодного мостового выпрямителя
определяется выражением
,
где
m - число фаз;
n - число
полупериодов.
Вт.
Ток
на выходе выпрямителя
А.
Приведенное
значение ЭДС короткого замыкания преобразователя частоты найдем по формуле
В.
Относительное
значение ЭДС короткого замыкания, куда входит вся цепь коммутации вентилей
выпрямителя преобразователя частоты, определяется по формуле
В.
Относительное
значение коммутационного провала определяется параметрами делителя напряжения и
рассчитывается по формуле
Угол
коммутации найдём из выражения
.
Площадь
коммутационного провала в точке подключения преобразователя к сети определяется
из выражения
.
.
Относительная
амплитуда синусной и косинусной составляющей первой гармоники коммутационных
провалов
,
.
После
определения синусной и косинусной составляющей первой гармоники коммутационных
провалов найдём относительное действующее значение первой гармоники
коммутационных провалов
.
Относительное
действующее значение высших гармоник импульсов коммутационных искажений
находится по формуле
.
Коэффициент
несинусоидальности
.
Площадь
коммутационных провалов, выраженная в процентах и электрических градусах
Как
показывают расчеты, выполнение норм на качество электрической энергии по
коэффициенту несинусоидальности обеспечивается, т.к. для сети 380В коэффициент
искажения несинусоидальности напряжения не должен превышать 0,08. Что касается
площади коммутационных провалов, то данная величина не выходит за пределы
допустимых норм, которая для сети низкого напряжения составляет 420 %
электрических градусов.
4. Патентная проработка
Главной задачей данного курсового проекта является изучение
частотно-регулируемого режима работы питательного насоса типа НМ - 10000-210 с
помощью регулируемого электропривода.
Для более подробного изучения была проведена патентная проработка.
Основное внимание было направлено на поиск частотно-регулируемого
электропривода.
.1 Результаты патентного поиска
Патентный поиск проводился с использованием фонда ФГУ ФИПС (РОСПАТЕНТ) по
источникам патентной документации России. В связи с тем, что научные разработки
в области ЧРЭП развиваются быстрыми темпами, глубина поиска составила семь лет
с 2005 по 2012 гг.
Результаты поиска сведены в таблицу 4.1.
Таблица 4.1 - Результаты патентного поиска
|
Страна
|
Индекс МПК
|
Номера авторских свидетельств и патентов
|
Выявленные аналоги
|
|
1
|
2
|
3
|
4
|
|
Россия
|
H02P4/00
|
2465714
|
Способ управления частотно-регулируемым электроприводом
|
|
Россия
|
H02Р27/04
|
2397602
|
Частотно-регулируемый привод и способ снижения тока утечки
на землю и защиты транзистора
|
|
Россия
|
H02Р3/18
|
2374751
|
Частотно-регулируемый привод с возможностью регенерации
|
|
Россия
|
Н02Р23/14
|
2331152
|
Устройство для управления частотно-регулируемым
электроприводом
|
|
Россия
|
H02P1/52
|
112550
|
Высоковольтный частотно-регулируемый электропривод
|
4.2 Анализ результатов
патентного поиска
На сегодняшний день имеется множество работ, посвященных частотно -
регулируемому электроприводу. По результатам патентного поиска наиболее близким
к теме курсового проекта является - патент №112550 « Высоковольтный
частотно-регулируемый электропривод».
В патенте № 112550 «Высоковольтный частотно-регулируемый электропривод»
от 19.07.2011 года описывается высоковольтный частотно регулируемый
электропривод, содержащий электродвигатель и энергетический модуль, состоящий
из последовательно соединенных многообмоточного трансформатора, регулируемого
преобразователя высокой частоты и системы управления, отличающийся тем, что
введен нерегулируемый преобразователь высокой частоты, содержащий инвертор
напряжения, выходом соединенный с первичной обмоткой многообмоточного трансформатора,
выполненного высокочастотным; конденсатор фильтра, выпрямительный блок, вход
которого предназначен для подсоединения к промышленной сети, например, через
трехфазный реактор.
В патенте № 2397602 «Частотно-регулируемый привод и способ снижения тока
утечки на землю и защиты транзистора» от 30.12.2005 года описывается одна из
проблем ЧРЭП. При необходимости иметь малые токи утечки на землю использование
частотно-регулируемых приводов в приложениях на среднее напряжение может быть
осложнено. Необходимость малого тока утечки на землю возникает в потенциально
взрывоопасных средах или средах, требующих пониженных электромагнитных помех.
Высокочастотные токи утечки на землю с частотой до мегагерцевого диапазона
могут привести к возникновению электромагнитных помех, например в
радиоприемниках, компьютерах, системах, использующих штриховой код, и системах
технического зрения. Техническим результатом является снижение тока утечки на
землю, наводимого емкостями системы на землю при перепадах высокочастотного напряжения,
и увеличение эффективной диэлектрической прочности транзисторных модулей
привода, обеспечивающих выходное напряжение высоконадежного привода при
заданном номинальном напряжении транзистора.
В патенте № 2331152 «Устройство для управления частотно-регулируемым
электроприводом» от 26.04.2007 года описывается устройство для управления
частотно-регулируемым электроприводом, которое содержит управляемый
преобразователь частоты, состоящий из нерегулируемого выпрямителя, фильтра и
инвертора, задатчик интенсивности, датчик ошибки ЭДС, датчик напряжения, блок
сравнения. В устройство для управления введены регулятор частоты поля статора
двигателя и регулятор ЭДС двигателя, функциональный преобразователь,
обеспечивающий преобразование текущего значения напряжения двигателя в текущее
значение ЭДС двигателя, задатчик абсолютного скольжения ротора двигателя,
который задает величину скольжения, определяющую момент двигателя в
пускотормозных режимах его работы. Управление работой двигателя осуществляется
блоком управления инвертора, который работает по двум входным сигналам: сигналу
управления частотой поля статора, подающемуся на первый его вход от регулятора
частоты поля статора двигателя, и сигналу управления ЭДС двигателя, подающемуся
на его второй вход от регулятора ЭДС. В зависимости от конкретного текущего
значения ЭДС двигателя в любой момент времени обеспечивается соответствие
текущего значения частоты поля статора двигателя текущему значению ЭДС
двигателя во всех режимах его работы. Это адекватно частотному управлению с
постоянством потокосцепления взаимоиндукции статора и ротора двигателя.
При использовании автоматизированных электроприводов переменного тока с
преобразователями частоты и частотным управлением двигателями переменного тока
возникает проблема обеспечения их быстродействия в динамических режимах и
устойчивости как систем автоматического регулирования.
Техническое решение направлено на обеспечение поддержания постоянным
соотношения между текущими значениями ЭДС и частоты поля двигателя при перегрузках
в статических и динамических режимах, т.е. когда начинает работать
токоограничение, чтобы исключить «опрокидывание» двигателя.
ЗАКЛЮЧЕНИЕ
В данном курсовом проекте была рассмотрена возможность применения
частотно-регулируемого привода для магистрального насоса НМ 10000-210.
В технологической части выбран наиболее оптимальный по своим
технико-экономическим характеристикам преобразователь типа ВЧРП-ТМ. Для него
подобраны диоды Д453-630 и IGBT
модуль фирмы IXYS типа IXBK75N170 на 1700 В. Также был
подобран сухой трансформатор TR-20000 с воздушным охлаждением фирмы Tesar.
В результате
проведенной патентной проработки были обнаружены некоторые недостатки
частотно-регулируемого привода, которые со временем были устранены. Учитывая
обобщённый опыт внедрения и эксплуатации устройств частотного регулирования
электроприводов, следует отметить, что зарекомендовали они себя как весьма
надёжные устройства и проблем с ними немного.
Произведен расчет электромагнитной совместимости преобразователя частоты
с сетью.
На сегодняшний день частотно-регулируемый электропривод является самым
эффективным способом регулирования производительности электроагрегатов.
СПИСОК ИСПОЛЬЗОВАННЫХ ИСТОЧНИКОВ
1. Силовая
электроника: учеб. Пособие/ Бабакин В.И. - Уфа: Изд-во УГНТУ, 2013.
. Насосные
и воздуходувные станции/ Карасев Б.И.: Мн.: ВШ, 1990.
. Сооружение
насосных и компрессорных станций/ Березин В.Л., Бобрицкий Н.В.: М.: Недра,1985.
С. 77-78
. Преобразователи
частоты для насосных станций/ Бару А.Ю., Эпштейн И.И.: Водоснабжение и
санитарная техника, 1986, №3.
. Внедрение
автоматизированных систем регулируемого электропривода в насосные установки /
Гинзбург Я.Н., Лезнов Б.С.: Автоматизация и управление системами водоснабжения
и водоотведения, 1986.
. Регулирование
режимов работы насосной установки/ Лезнов Б.С., Чебанов В.Б.: Водоснабжение и
санитарная техника, 1985, №4.
. Рекомендации
по применению регулируемого электропривода в системах управления насосных
установок - М.: ВНИИВОДГЕО, 1987.
. Теория
электропривода: учеб. пособие/ Ключев В.И.: Энергоатомиздат, 1985.