|
Вывод
|
Обозначение
|
Тип
вывода
|
Функциональное
назначение выводов
|
|
1-8
9 10 11 12-19 20
|
D0-D7 OE GND STB 0-7 Ucc
|
Вход
Вход Вход -- Вход Выход
|
Информационная
шина Разрешение передачи (управление 3-м состоянием) Общий Стробирующий
сигнал Информационная шина Напряжение питания +5 В 5%
|
Основные электрические параметры микросхемы:
– Выходное напряжение низкого уровня 0,45
В;
– Выходное напряжение высокого уровня 2,4
В;
– Входной ток низкого уровня 0,2 мА;
– Входной ток высокого уровня 50 мА;
– Ток потребления 160 мА;
– Время задержки распространения сигналов
Q относительно сигнала D 30 нс;
– Время задержи распространения сигналов Q
относительно сигнала STB 45 нс;
– Время задержки распространения сигналов
Q при переходе их из состояния высокого, низкого уровня в 3-е состояние 18 нс;
– Время задержки распространения сигналов
Q при переходе их из 3-го состояния в состояние высокого, низкого уровня 30 нс;
– Время перехода при выключении
(включении) 20 нс;
– Входная емкость 12 пФ;
Дешифратор К514ИД4. Микросхема К555ИД7 -
дешифратор 4-разрядного двоичного кода в сигналы для управления
полупроводниковыми 7-сегментными цифробуквенными индикаторами на основе
светодиодных структур с разъединенными анодами. Условное обозначение микросхемы
представлено на рисунке 3.1.5.
Рисунок 3.1.5 - Условное обозначение микросхемы
К555ИД7
Назначение выводов: D0
- D3 - информационные
входы, предназначенные для приёма 4-разрядного двоичного числа; Г - вход
гашения; УП - вход управления памятью; A,B,C,D,E,F,G
-выходы, подключаемые к анодам сегментов индикатора; 16 - питание; 8 - общий.
Дешифрирование входных сигналов осуществляется
при установлении низких логических уровней на входах Г и УП. Сигнал высокого
логического уровня, поступающий на вход Г, переводит все выходы дешифратора в
состояния логических нулей (независимо от входной информации), при этом все
сегменты индикатора гаснут.
Если в некоторый момент работы микросхемы на
вход УП поступает сигнал высокого уровня, а на входе Г сохраняется уровень
логического нуля, то информационные входы отключаются, а на выходах микросхемы
запоминается предыдущая информация, которая сохраняется до момента снятия со
входа УП напряжения высокого уровня.
Основные электрические параметры:
– Входное напряжение -0,3 - +5,5 В
– Входной ток 200 мкА
– Ток потребления при выключенных
сегментах индикатора 60 мА
– Выходной ток в состоянии логической 1
при Uвых = 1,7 В, не
более 13 мА
– Напряжение питания +5 В.
Индикатор АЛ324А. Одноразрядные цифро-буквенные
индикаторы с высотой цифры 7,5 мм из семи сегментов с децимальной точкой.
Изготавливаются на основе светодиодных структур галлий-фосфор-мышьяк.
Выпускаются в пластмассовом корпусе. Масса не более 2,5 г.
Рисунок 3.1.6 - Условное обозначение индикатора
АЛ324А
основные
параметры:
– сила света одного сегмента при I=20
мА 0,15 мкд;
– сила света децимальной точки при I=20
мА 0,05 мкд;
– постоянное прямое напряжение при I=20
мА 2,5 В;
– максимум спектрального распределения
излучения на длине волны 0,65…0,67 мкм;
– постоянный прямой ток через один
сегмент:
§ при Токр<35оС 25 мА;
§ при Токр=70оС 7,5 мА;
– мощность рассеяния индикатора:
§ при Токр<35оС 500 мВт;
§ при Токр=70оС 150 мВт;
– постоянное обратное напряжении 5В;
– диапазон рабочей температуры окружающей
среды -60…+70оС;
АЦП AD7417.
Микросхема AD7417 фирмы Analog
Device представляет собой
десятиразрядный АЦП.
Основные параметры его следующие:
– время преобразования 15мкс;
– количество аналоговых входов - 4;
– встроенный температурный датчик (-550С…+1250С);
– встроенный индикатор превышения
температурного порога;
– широкий диапазон напряжений питания
(+2,7В…+5,5В);
– I2C
совместимый интерфейс.
Рисунок 3.1.7 - Условное обозначение микросхемы AD7417
Назначение выводов:
– VСС
- питание +5В;
– GND
- общий вывод;
– SDA
- последовательная двунаправленная шина данных I2C;
– SCL
- цифровой вход тактовых импульсов интерфейса I2C;
– OTI
- выход цифрового сигнала индикатора превышения температурного порога. Выход
устанавливается, если результат преобразования по каналу 0 больше, чем
8-битовое число, хранящееся в регистре OTR;
– REF
- вход внешнего опорного напряжения +2,5В. Чтобы использовать внутренний
источник опорного напряжения, необходимо соединить этот вывод с выводом GND;
– Conv
- вход цифрового сигнала начала аналого-цифрового преобразования. Если импульс
больше 4мкс, то его отрицательный фронт запускает цикл преобразования;
– AIN1…AIN4
-
аналоговые входные каналы;
– A0…A2
- три программируемых бита адреса микросхемы для последовательного интерфейса I2C.
Кварцевый резонатор является внешним элементом
встроенного в микросхему микропроцессора генератора тактовых импульсов. Схема
подключения кварцевого резонатора представлена на рисунке 3.1.8.
Рисунок 3.1.8 - Схема подключения кварцевого
резонатора к микросхеме КР1816ВЕ51
Кварцевый резонатор ZQ1
выбираем с частотой 11,059 МГц, а конденсаторы С1 и С2 по 33пФ в соответствии с
рекомендациями производителя микросхем. Выводы XL1
и XL2 подсоединяются к
выводам 19 и 18 микросхемы соответственно.
Микросхема AT24C16.
Микросхема AT24C16
представляет собой электрически стираемое и перепрограммируемое постоянное
запоминающее устройство (ЭППЗУ), организованное в 2048 слова по 8 байт
(2Кбайта).
На рисунке 3.1.9 представлено условное
обозначение микросхемы.
Рисунок 3.1.9 - Условное графическое обозначение
микросхемы AT24C16
Микросхема MAX232.
Микросхема фирмы MAXIM.
Содержит 2 приемника и 2 передатчика интерфейса RS-232С,
который имеет форму 25-контактного разъема типа D.
Основные параметры:
– скорость передачи информации - 116 кБ/с;
– напряжение питания - 5В;
– потребляемый ток - 4мА;
– количество конденсаторов - 5;
– номинальная емкость конденсаторов -
10мФ.
Условное обозначение микросхемы приведено на
рисунке 3.1.8
Рисунок 3.1.8 - Условное обозначение микросхемы
MAX232
Назначение выводов:
– T1IN,
T2IN,
R1 OUT,
R2OUT
- выводы, подключаемые к МП;
– T1OUT, T2OUT, R1IN, R2IN - выводы,
подключаемые
к
RS-232C;
– C1+,
C1-, C2+,
C2-, U+,
U- - выводы для
подключения конденсаторов;
– VCC
- питание +5В;
– GND - общий вывод.
.2 Разработка
электрической принципиальной схемы усилителей
После преобразования неэлектрической величины в
электрическую с помощью ИП, полученный полезный сигнал необходимо усилить при
помощи усилителя.
Для этого используем схему неинвертирующего
усилителя на основе микросхемы операционного усилителя MX9002
фирмы MAXIM с
однополярным питанием от источника с напряжением плюс 5 В.
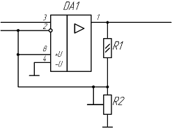
Рассчитаем усилитель DA1, представленный на
рисунке 3.2.1. На его вход подается сигнал, который поступает с выхода
измерительного преобразователя ИП1, который преобразует скорость перемещения СО
в воздухе в напряжение.
Рисунок 3.2.1 - Схема неинвертирующего усилителя
DA1 на МС ОУ МХ9002
Коэффициент усиления такого усилителя
описывается следующим выражением:

3.2.1)
Для расчета коэффициента усиления
определим сначала необходимое напряжение на входе АЦП. Известно, что диапазон
измерения равен от 0 до 500 мм/с, c дискретностью
1мм/с, а максимальное значение напряжения на выходе датчика 
. Исходя из этого, определим
максимальное число, которое должно быть на выходе АЦП для измерения
концентрации взвесей:

. 3.2.2)
Так как АЦП AD7417(I2C)
10-разрядный, то максимальное десятичное число, которое может быть получено в
результате преобразования аналогового сигнала в цифровой код - 1023, что
соответствует максимальному входному напряжению +5В. Определим необходимое
напряжение на входе АЦП, которому будет соответствовать число 
:

(3.2.3)
Тогда коэффициент усиления с учетом (3.2.3)
будет равен:

3.2.4)
С учетом (3.2.4) и (3.2.1) рассчитаем
сопротивления резисторов R2
и R1:
R2
= 1 кОм, R1
= 13 кОм.
Резистор R2
выбираем подстроечным, чтобы при настройке можно было точно выставить
полученное значение коэффициента усиления.
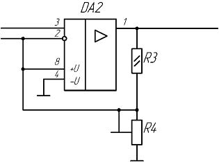
Рассчитаем усилитель DA2, представленный на
рисунке 3.2.2. На его вход подается сигнал, который поступает с выхода датчика
Дат2, который преобразует коэффициент отражения в напряжение.
Рисунок 3.2.2 - Схема неинвертирующего усилителя
DA2 на МС ОУ МХ9002
Коэффициент усиления такого усилителя
описывается следующим выражением:

3.2.5)
Для расчета коэффициента усиления
определим сначала необходимое напряжение на входе АЦП. Известно, что диапазон
измерения равен от 0 до 2000 мг/м3, c
дискретностью 1 мг/м3, а максимальное значение напряжения на выходе
датчика 
. Исходя из этого, определим
максимальное число, которое должно быть на выходе АЦП для измерения
концентрации взвесей:

. 3.2.6)
Так как АЦП AD7417(I2C)
8-разрядный, то максимальное десятичное число, которое может быть получено в
результате преобразования аналогового сигнала в цифровой код - 255, что
соответствует максимальному входному напряжению +5В. Определим необходимое
напряжение на входе АЦП, которому будет соответствовать число 
:

(3.2.7)
Тогда коэффициент усиления с учетом (3.2.7)
будет равен:

(3.2.8)
С учетом (3.2.8) и (3.2.5) рассчитаем
сопротивления резисторов R3
и R4:
R4
= 1 кОм, R3
= 105 кОм.
3.3 Разработка
электрической принципиальной схемы прибора
Электрическая принципиальная схема прибора
разработана в соответствии с его структурной схемой и представлена чертеже
00.00.000 Э3.
После включения питания на вывод 9 (RST) МС DD1
подается сигнал высокого уровня, после чего параметры всей МПС устанавливаются
в исходное состояние. Для сброса МПС в исходное состояние во время работы
прибора используется клавиша «RESET»
(SB1). К выводам Х1 и
Х2 МС DD1 подключен
кварцевый резонатор, с помощью которого формируется последовательность
прямоугольных импульсов, вырабатываемых встроенным в МП генератором тактовых
импульсов. Она синхронизирует во времени работу всех элементов МПС. Порт Р0 в
МП DD1 используется для
выдачи младшего байта адреса и для обмена данными. Для того, чтобы
зафиксировать младший байт адреса, используется МС DD2
- восьмиразрядный регистр. При подаче стробирующего импульса на вывод 11(STB)
микросхемы DD2 с выхода АLE
(вывод 30) МП DD1 происходит
фиксация младшего байта адреса. После этого порт Р0 DD1
используется для обмена данными с внешними устройствами. На выводах DD2
формируется младший байт системной шины адреса АD0
- АD7. Старший байт
шины адреса А8 - А15 начинается с выводов порта Р2 МП.
В качестве микросхем ПЗУ используются три МС
К1609РР1 (DD5, DD6,
DD7). На их входы
поступают сигналы с системной ША. Выводы D0…D7 соединены с выводами порта Р0 МП
DD1. Считывание данных происходит при подаче сигнала на выводы 20(ОЕ) МС DD5
или DD6 или DD7, который
формируется на выводе 29(PSEN) МС DD1. В микросхемах DD5,
DD6, DD7
хранятся программы, выполняемые МПС.
В качестве микросхемы ОЗУ используется МС
НМ64256 (DD4).
Активизация МС ОЗУ DD4
происходит при подаче сигнала низкого уровня на вывод 20(СЕ). Чтение данных из
МС DD4 осуществляется
при подаче сигнала низкого уровня на её вывод 22 (OE),
который формируется на выводе 17(P3.7/RD)
МС DD1. При записи
данных в ОЗУ подается сигнал низкого уровня на вывод 27(WE)
МС DD4 с вывода 16(P3.6/WR)
МП DD1.
Процесс преобразования аналоговых сигналов в
цифровые осуществляется при помощи АЦП DA3.
Для выбора режима необходимо только подать соответствующие опорные напряжения.
Преобразование аналоговых сигналов в цифровой
код осуществляется поочередно с последующей записью результата преобразования в
ячейки внутреннего ОЗУ. В течение всего периода преобразования результат
хранится в каждой ячейке. Содержимое каждой ячейки памяти может быть считано
микропроцессором. Адресные входы А0, А1, А2 определяют внутренние двоичные
адреса ячеек ОЗУ.
Дискретный сигнал подается на процессор через
вывод 14 (P3.4/T0),
предварительно усиленный операционным усилителем DA1.
Аналоговый сигнал на вход Ain0
DA3 поступает с
выхода операционного усилителя DA2,
который применяются для усиления полезного сигнала, полученного с первичного
преобразователя.
Шина I2C
начинается с выводов 12(Р3.2) и 13(Р3.2) МП DD1.
Удобства применения шины I2C
очевидны - малое количество проводников и достаточно высокая скорость побитного
обмена между МП и внешними устройствами, простота аппаратной реализации линий
связи. Для записи и хранения результатов измерения используется микросхема
электрически перепрограммируемого ПЗУ. Управление этой микросхемой происходит
по шине I2C.
Выводы порта Р1 (P1.0…P1.6)
МП DD1 используются для
подключения клавиатуры. Управление клавиатурой осуществляется программным
путем. Клавиша «Градуировка» (SB4)
используется для перевода прибора в режим градуировки. Клавиши «Измерение 1» (SB2)
и «Измерение 2» (SB10)
переводят прибор в режим измерения дискретной и аналоговой величины
соответственно. Клавиша «Чтение» (SB3)
- для вывода результатов измерений на ЦОУ. Клавиши «Вперед» (SB6)
и «Назад» (SB8) - для
перехода к следующему или предыдущему значению результата измерения, записанного
в памяти. Клавиша «Запись» (SB5)
- для записи чисел в ППЗУ (используется при градуировке прибора). Клавиша
«ЦИФР» (SB12)
используется для переключения клавиатуры в числовой режим, то есть для
использования клавиш не как функциональных, а для ввода цифр от 0 до 9
(соответственно клавиши SB2
- SB11).
После обработки и анализа полученной
измерительной информации осуществляется вывод результата измерения на УОИ,
реализованное на четырёх АЛ324А, которые отображаю результат в цифирном виде.
Индикаторы DD13-DD16
работают под управлением дешифраторов DD9-DD12
соответственно.
Прибор подключается к компьютеру по
последовательному интерфейсу RS-232
(XS3 и DD17)
с использованием линий приема/передачи данных (TXD/RXD).
4. Разработка электрической принципиальной схемы
источника питания
.1 Расчет потребляемой приборам мощности
Для обеспечения функционирования прибора на его
питающие выводы необходимо подать напряжение +5В. Такие питающие напряжения
нужны всем электронным элементам, которые использованы при разработке
электрической принципиальной схемы, что отражено в их паспортных данных.
Рассчитаем суммарный ток, потребляемый прибором от источника с выходным
напряжением +5В. Для этого, используя паспортные данные, определим ток,
потребляемый каждой микросхемой в отдельности. Эти данные приведены в таблице
4.1.
Таблица 4.1 - Токи, потребляемые микросхемами.
|
Микросхема
|
Потребляемый
ток
|
|
КР1816ВЕ51
|
151
мА
|
|
К1609РР1
(3 шт.)
|
3*170
мА
|
|
HM64256
|
3
мА
|
|
КР58ОИР82
(2 шт.)
|
2*160
мА
|
|
АЛ324А
(4 шт.)
|
4*25
мА
|
|
AD7417
|
600 мкА
|
|
К514ИД4
(4 шт.)
|
4*200
мкА
|
|
MX9002
(2 шт.)
|
2*240 мкА
|
|
MАX232
|
4
мА
|
|
АТ24С16
|
3
мА
|
|
Логические элементы
(4 шт.)
|
очень мал,
пренебрегаем
|
Суммарный ток будет равен:

(4.1.1)
Рассчитаем мощность, потребляемую
прибором (
):

(4.1.2)
Так как прибор должен питаться от переменного
сетевого напряжения 220В, а также от автономного источника, то в составе
источника питания должны быть следующие элементы: понижающий трансформатор,
диодный выпрямитель переменного напряжения, конденсатор для сглаживания
пульсаций выпрямленного напряжения, устройство, стабилизирующее напряжение на
нагрузке, аккумуляторная батарея, кнопка переключения режима питания
(сеть/аккумулятор), индикация состояния (светодиод).
4.2 Выбор
микросхемы стабилизатора напряжения и диодного выпрямителя
По известным значениям максимального тока I
= 1,093А и напряжения U
= 5 В, выбираем микросхему стабилизатора напряжения DА1
К142ЕН5А, для которой максимальный ток нагрузки равен 3А, а выходное
стабилизированное напряжение - (+5±0,1) В. Условное обозначение её представлено
на рисунке 4.2.1:
Рисунок 4.2.1 - Условное обозначение МС К142ЕН5А
Назначение выводов МС: 1 - вход; 2 - общий; 3 -
выход.
Диодный выпрямитель выбираем в виде диодной
сборки КЦ410А. Его максимальный ток нагрузки равен 3А.
4.3 Расчет и выбор
конденсатора для сглаживания пульсаций
В стабилизированных источниках питания
конденсаторы устанавливаются на входных и выходных выводах микросхемы
стабилизатора напряжения. Это делается для того, чтобы конденсатор, включаемый
после диодного выпрямителя, сглаживал пульсации выпрямленного напряжения, а
после микросхемы стабилизатора напряжения - для сглаживания пульсаций в
нагрузке.
Величина ёмкостей конденсаторов С1 и С2,
сглаживающих пульсации выпрямленного напряжения, рассчитываются по формуле:

(4.3.1)
где
- ток нагрузки, А;
- напряжение пульсаций, В;
- частота переменного напряжения в
сети, Гц.
Рассчитаем ёмкость конденсатора
:

(4.3.2)
Выбираем стандартный конденсатор с емкостью
2200мкФ и рабочим напряжением не менее 16 В.
Конденсатор С2 выполняет функцию
фильтра, подавляющего импульсные помехи, возникающие в результате переходных
процессов в цифровых микросхемах и распространяющиеся по цепям питания. Такого
рода помехи могут приводить к ложному срабатыванию логических элементов и сбою
в работе цифрового блока прибора. Ёмкость конденсатора С2 подбирается
экспериментально при изготовлении прибора и выполнении регулировочных работ и
обычно находится в пределах от 0,01 до 0,047 мкФ. При необходимости таких
конденсаторов может быть установлено несколько по одному возле каждой цифровой
микросхемы.
4.4 Расчет
действующего напряжения на вторичной обмотке трансформатора и выбор его по
мощности
Рассчитаем действующие значения напряжений на
вторичных обмотках трансформатора по следующей формуле:
, (4.4.1)
где
- выходное стабилизированное
напряжение микросхемы DA1;
- входное напряжение микросхемы DA1;
UВЫХ.МС = UВЫХ.СТ ;
- напряжение пульсаций на входе DA1;
- прямое падение напряжения на
выпрямителе VD1, равное
1В;
К - коэффициент, учитывающий
понижение сетевого напряжения на заданную величину (минус 15 %).
Разность значений
и
для МС
КР142ЕН5А равна 2,5 В.

(4.4.2)
Далее рассчитаем мощность
трансформатора. Для этого необходимо просуммировать рассчитанные выше мощности
в нагрузке и учесть мощность, потребляемую микросхемой DA1. Для МС
К142ЕН5А
мА. Тогда
А.
Суммарная мощность будет равна:
S = Uд2
I
=8,2
1,193 =
9,7826 Вт. (4.4.3)
4.5 Разработка
электрической принципиальной схемы стабилизированного источника питания
Электрическая принципиальная схема стабилизированного
источника питания изображена на чертеже 00.00.001 ЭЗ.
Переменное сетевое напряжение 220 В понижается
трансформатором ТU1 до
напряжения ~8,2 В, затем выпрямляется диодной сборкой VD1
КЦ410А. Конденсаторы С1 и C2 сглаживают пульсацию выпрямленного напряжения.
Далее выпрямленное напряжение подается на микросхемы стабилизатора напряжения DA1
и стабилитрон VD2. В данной схеме предусмотрено автономное питание от
аккумулятора GB1. Переход
на автономное питание производится нажатием кнопки SB2.
В качестве автономного источника питания может быть использован, например,
аккумулятор «ЛИКГП-10». Он имеет следующие параметры:
– номинальное напряжение - 12В;
– электрическая ёмкость - 10А/ч;
5. Определение
системных адресов элементов МПС
Системные адреса элементов, входящих в состав
МПС, определяются по схеме электрической принципиальной прибора (см. чертёж
00.00.000 Э3). При этом учитываются не только сигналы, поступающие на адресные
входы микросхем, но и сигналы, обеспечивающие их переход в активное состояние,
а также особенности МП (имеется в нём или нет внутреннее ПЗУ, используется ли
оно).
В качестве внешнего ПЗУ используется три МС K1609PP1
(DD5, DD6,
DD7). Каждая имеет
объем памяти 8 Кбайт. Из параметров микроконтроллера 80C31BH
следует, что внутри МС не используется внутреннее ПЗУ. Адресное пространство
для ячеек МС КМ1609РР1 (DD5)
будет начинаться с адреса 0000h.
Запишем адреса первой и последней её ячеек в двоичной и шестнадцатеричной
формах (таблица 5.1).
Таблица 5.1 - Адресное пространство микросхем
ПЗУ
|
A15
|
A14
|
A13
|
A12
|
A11
|
A10
|
A9
|
A8
|
A7
|
A6
|
A5
|
A4
|
A3
|
A2
|
A1
|
A0
|
HEX
|
|
DD5
|
|
0
|
1
|
0
|
0
|
0
|
0
|
0
|
0
|
0
|
0
|
0
|
0
|
0
|
0
|
0
|
0
|
4000h
|
|
-
|
-
|
-
|
-
|
-
|
-
|
-
|
-
|
-
|
-
|
-
|
-
|
-
|
-
|
-
|
-
|
-
|
|
0
|
1
|
0
|
0
|
0
|
1
|
1
|
1
|
1
|
1
|
1
|
1
|
1
|
1
|
1
|
1
|
47FFh
|
|
DD6
|
|
1
|
0
|
0
|
0
|
1
|
0
|
0
|
0
|
0
|
0
|
0
|
0
|
0
|
0
|
0
|
0
|
8000h
|
|
-
|
-
|
-
|
-
|
-
|
-
|
-
|
-
|
-
|
-
|
-
|
-
|
-
|
-
|
-
|
-
|
-
|
|
1
|
0
|
0
|
0
|
1
|
1
|
1
|
1
|
1
|
1
|
1
|
1
|
1
|
1
|
1
|
1
|
8FFFh
|
|
DD7
|
|
0
|
0
|
1
|
0
|
0
|
0
|
0
|
0
|
0
|
0
|
0
|
0
|
0
|
0
|
0
|
0
|
2000h
|
|
-
|
-
|
-
|
-
|
-
|
-
|
-
|
-
|
-
|
-
|
-
|
-
|
-
|
-
|
-
|
-
|
-
|
|
0
|
0
|
1
|
0
|
1
|
1
|
1
|
1
|
1
|
1
|
1
|
1
|
1
|
1
|
1
|
1
|
2FFFh
|
В качестве ОЗУ используется МС HM64256
(DD4). Эта микросхема
обладает объемом памяти 32 Кбайта. Двоичные и шестнадцатеричные адреса первой и
последней ячеек этой микросхемы отражены в таблице 5.2.
Таблица 5.2 - Адресное пространство микросхемы
ОЗУ
|
A15
|
A14
|
A13
|
A12
|
A11
|
A10
|
A9
|
A8
|
A7
|
A6
|
A5
|
A4
|
A3
|
A2
|
A1
|
A0
|
HEX
|
|
DD4
|
|
0
|
0
|
0
|
0
|
0
|
0
|
0
|
0
|
0
|
0
|
0
|
0
|
0
|
0
|
0
|
0
|
0000h
|
|
-
|
-
|
-
|
-
|
-
|
-
|
-
|
-
|
-
|
-
|
-
|
-
|
-
|
-
|
-
|
-
|
-
|
|
0
|
1
|
1
|
1
|
1
|
1
|
1
|
1
|
1
|
1
|
1
|
1
|
1
|
1
|
1
|
1
|
0FFFh
|
Определим адрес датчика АЦП К572ПВ4 (DA3)
для UА
- аналоговая величина (см. электрическая принципиальная схема прибора, которая
представлена на чертеже 00.00.000 Э3) и запишем в таблицу 5.3.
Таблица 5.3 - Адрес датчика К572ПВ4
|
A15
|
A14
|
A13
|
A12
|
A11
|
A10
|
A9
|
A8
|
A7
|
A6
|
A5
|
A4
|
A3
|
A2
|
A1
|
A0
|
HEX
|
|
DA3
|
|
1
|
0
|
0
|
0
|
0
|
0
|
0
|
0
|
0
|
0
|
0
|
0
|
0
|
0
|
0
|
0
|
8000h
|
Системные адреса элементов, связанные в МПС
шиной I2C,
определяются схемой подключения их адресных входов к выводам источника питания.
Адрес МС ЭППЗУ DD3
в шине I2C
- 0000h.
6. Разработка
блок-схем алгоритмов работы прибора
.1 Общая блок-схема
алгоритма работы прибора
В соответствии с заданием проектируемый прибор
должен обеспечивать выполнение не только измерительных функций, но и
переводиться в режим градуировки. Выбор требуемого режима работы осуществляется
с помощью клавиш SB1
- SB10 (чертёж
00.00.000 Э3), которые для удобства пользования прибором маркируются
специальными символами и надписями (рисунок 6.1.1). Прибор переходит в рабочий
режим работы после подачи на него питающих напряжений от сети или от
автономного источника. При этом все параметры устанавливаются в исходное
состояние, и начинает выполняться основная программа, переводящая прибор в
режим ожидания.
Рисунок 6.1.1 - Внешний вид электронного блока
проектируемого прибора
Далее нажатие одной определенной клавиши (или
нескольких клавиш в заданной последовательности) заставляет микропроцессор
переключиться на выполнение соответствующей подпрограммы (рисунок 6.1.2).
Рисунок 6.1.2 - Общая блок-схема алгоритма
работы прибора
На данной блок-схеме показаны основные режимы
работы прибора. Блок 1 - включение питания, после чего все элементы прибора
подготавливаются к работе. Блок 2 - при нажатии клавиши «Градуировка»
микропроцессор переходит в режим градуировки прибора и из ПЗУ вызывается
соответствующая подпрограмма(блок 3). Блок 4 - при нажатии клавиши «Измерение1»
или «Измерение2» МП переключается в режим измерения уровня сыпучего материала
или влажности и из ПЗУ вызывается подпрограмма для этого режима (блок 5). Блок
6 - обеспечивает требуемый интервал между измерениями. Блок 7 - выключение
прибора при завершении работы с ним.
6.2 Блок-схемы
алгоритмов работы прибора в различных режимах
Чтобы проектируемый прибор - рабочее средство
измерения (РСИ) - стал измерительным, необходимо предусмотреть разработку
специального программного обеспечения, обеспечивающего выполнение
градуировочных операций. Сущность их заключается в передаче РСИ единицы
измеряемой физической величины от образцового средства измерения (ОСИ). Это
может быть сделано путем одновременного воздействия измеряемой величиной Х на
РСИ и ОСИ (рисунок 6.2.1).
Рисунок 6.2.1 - Градуировка РСИ с использованием
ОСИ
При этом на их ЦОУ появятся числа Nр
и Nо соответственно,
причем Nо будет
действительным значением Х. Выполнив несколько таких экспериментов, по
полученным числовым значениям Nр1,
Nр2,
Nо1
= Х1 и Nо2
= Х2 может быть построена графическая зависимость Nр
= f(Х), которая и
будет являться градуировочной характеристикой РСИ (рисунок 6.2.2).
Рисунок 6.2.2 - Градуировочная характеристика
РСИ
Если зависимость Nр
= f(Х) линейная, то
можно записать математическое выражение для градуировочной характеристики,
которое будет представлять собой уравнение прямой, проходящей через две точки А
и В с известными координатами. Тогда нахождение неизвестной измеряемой величины
Хi
может быть осуществлено путем решения уравнения:
, (6.2.1)
где Nрi - числовое
значение, полученное с помощью РСИ при воздействии на него искомой величиной Хi. Координаты
точек
и
- величины
известные, которые определяются при градуировке РСИ и записываются в его ППЗУ.
Блок-схема алгоритма работы прибора в режиме градуировки показана на рисунке
6.2.3.
Блок 1 - с помощью этого блока
задается количество точек, необходимое для проведения поверки. Блок 2 -
осуществляется цикл, т.е. постепенное уменьшение значения количества точек,
пока это значение не станет равным нулю. После того, как значение числа точек
станет равным нулю, осуществляется выход из подпрограммы. Блок 3 - на рабочее
средство измерения (РСИ) и образцовое средство измерения (ОСИ) воздействуют
некоторой входной величиной
. Блок 4 - при воздействии на РСИ
величиной
, на выходе
АЦП формируется некоторое число. Значение этого числа и соответствующего ему
значения ОСИ записывают при нажатии клавиши «Запись» в ПЗУ, формируя тем самым
базу координат. Соответствующее значение показания ОСИ при воздействии на него
величиной
вводится
при помощи клавиатуры.
Рисунок 6.2.3 - Блок-схема алгоритма работы
прибора в режиме градуировки
Выражение (6.2.1) справедливо для линейной
функции преобразования РСИ. Однако в большинстве случаев функция преобразования
РСИ является нелинейной. Поэтому определение координат двух точек при его
градуировке оказывается недостаточным. При градуировке РСИ с нелинейной
функцией преобразования необходимо определить координаты возможно большего
числа точек в диапазоне измерения величины Х и записать их значения в его ППЗУ.
Нелинейная функция преобразования может быть
аппроксимирована набором прямолинейных отрезков, каждый из которых описывается
выражением, аналогичным (6.2.1) (рисунок 6.2.4).
Координаты двух соседних точек позволяют
составить уравнение отрезка, соединяющего эти точки.
Для отрезка АВ с учетом (6.1) уравнение прямой
запишется в виде:
. (6.2.2)
Рисунок 6.2.4 - Градуировочная характеристика
РСИ с нелинейной функцией преобразования
Для отрезка ВС:
. (6.2.3)
Для отрезка СD:
. (6.2.4)
Алгоритм вычисления величины Х при
нелинейной зависимости Nр = f(Х) будет
отличаться выполнением дополнительных операций, связанных с определением
координат двух соседних точек, между числовыми значениями которых окажется
измеряемая величина. Определение двух ближайших координат
и
осуществляется
путем сравнения полученного РСИ числа
и значений, зафиксированных в его
ППЗУ при градуировке. Для числовых значений
и
в ППЗУ хранятся также
соответствующие им числовые значения
и
. Тогда измеряемая величина Х может
быть определена с помощью выражения:
. (6.2.5)
Блок-схема алгоритма вычисления измеряемой
величины Х с использованием выражения (6.2.5) приведена на рисунке 6.2.5. Этот
алгоритм реализуется в процессе работы прибора в режиме измерения, блок-схема
которого имеет следующий вид (рисунок 6.2.6):
Рисунок 6.2.5 - Блок - схема алгоритма
вычисления измеряемой величины Х
Рисунок 6.2.6 - Блок-схема алгоритма работы
прибора в режиме измерения
В блоке 1 происходит предварительная
запись числа наблюдений n=48 в ячейку ОЗУ. В специально зарезервированных
ячейках ОЗУ будет храниться суммарный результат всех выполненных наблюдений
, поэтому
эти ячейки перед началом выполнения подпрограммы необходимо обнулить. В блоке 2
происходит считывание данных из АЦП. Полученное двоичное число обрабатывается в
блоке 3 в соответствии с функцией преобразования для получения результата
наблюдения контролируемой величины. Затем полученный результат суммируется с
результатом
(блок 4),
после чего количество наблюдений измеряемой величины n уменьшается на 1 (блок
5). В блоке 6 делается проверка количества выполненных наблюдений. Если
наблюдений выполнено меньше заданного числа n, то выполнение блоков 2-5
повторяется заново. После выполнения n=48 наблюдений в блоке 7 определяется
результат измерения Х путем вычисления среднего арифметического 48 наблюдений
(делится
/n).
Полученный результат выводится на индикаторы (блок 8). ЦОУ отображает величину
Х в течение заданного временного интервала (22 секунд).
Заключение
В ходе выполнения курсового проекта сделано
следующее:
) на основе анализа исходных данных
разработана структурная схема прибора;
) в соответствии со структурной схемой
осуществлен подбор электронных элементов и разработана электрическая
принципиальная схема прибора;
) сделан расчёт и выбор элементов для
источника питания, разработана его электрическая принципиальная схема,
обеспечивающая питание прибора как от сетевого переменного напряжения 220 В,
так и от автономного источника (аккумуляторной батареи);
) на основании электрической
принципиальной схемы определены системные адреса элементов микропроцессорной
системы;
) разработана общая блок-схема алгоритма
работы прибора;
) разработана блок-схема алгоритма работы
прибора в режиме градуировки, обеспечивающая заданную точность прибора в
процессе измерений;
) разработана блок-схема алгоритма работы
прибора в режиме измерения;
) разработана блок-схема алгоритма
определения числового значения измеряемой величины с использованием функции
преобразования;
) разработана блок-схема алгоритма
статистической обработки результатов наблюдений, получения результата измерения
и вывода его на цифровое отсчётное устройство в соответствии с заданным
режимом;
) составлены перечни элементов в
соответствии с электрическими принципиальными схемами прибора и источника
питания;
Таким образом, в результате выполнения данного
курсового проекта был разработан цифровой прибор на основе микропроцессора
80С31ВН для измерения скорости перемещения и концентрации СО в воздухе.
Индикация результата представляется на индикаторах АЛ342А. Прибор питается от
напряжения 220В с частотой 50Гц.
Благодаря применению микропроцессора возможна
коррекция погрешностей при использовании внутренних программных ресурсов
прибора. Прибор имеет большие возможности в измерительной технике, так как
заменой программного обеспечения и датчика можно перестроить прибор для
измерения любой другой физической величины. В целом микропроцессорная техника
развивается крайне интенсивно и с появлением новых, более современных
микропроцессоров становится возможным создание современных средств измерения
различных физических величин.
Литература
1) Микропроцессоры и
микропроцессорные комплекты интегральных микросхем. Справочное пособие / Под
редакцией В.А. Шахнова М.: Энергоиздат, 1992.
2) Конспект лекций по
микропроцессорной технике / Под редакцией Афанасьева А.А. Могилев, 2002.
) Аналоговые и цифровые
интегральные микросхемы. Справочное пособие / Под ред. С.В. Якубовского: 2-е
изд.-М.: Радио и связь,1985. - 43 гс.:ил.
) Гусев В.Г., Гусев Ю.В.
Электроника: Учебное пособие для приборостроит. спец. узлов. - 2 - е изд.,
переработанное и дополненное - М.: Высшая школа. 1998 - 304 с.:ил.
) Гутников В.С. Интегральная
электроника в измерительных устройствах. - 2-е изд., переработанное и
дополненное Л.: Энергоиздат. Ленинград. отд - ние, 1998 - 304 с.: ил.
) Федорков Б.Г. Микросхемы
ЦАП и АЦП : функционирование, параметры, применение. - М.: Энергоиздат, 1990 -
320 с.: ил.
) Хоровиц П., Хил У.
Искусство схемотехники. В 3-х томах . - М. : Мир, 1993.
) Цифровые интегральные
микросхемы: Справочник/М.И. Богданович, И.Н. Грель, С.А. Дубин и др. - 2 - е
изд., перераб. и доп. - Мн.: Беларусь, Полымя. 1996. - 605 с. :ил.