Цифровое реле сопротивления с эллиптической характеристикой срабатывания
Федеральное
агентство по образованию
Федеральное государственное
образовательное учреждение
Высшего
профессионального образования
"Чувашский государственный
университет им. И.Н. Ульянова"
Электротехнический
факультет
Кафедра
электрических и электронных аппаратов
Курсовая работа
Цифровое реле
сопротивления с эллиптической характеристикой срабатывания
Выполнил студент
группы ЭТ-21-07:
Кузнецов А.А.
Руководитель работы
к.т.н., доцент:
Костерин В.А.
Чебоксары
2010 г.
Содержание
цифровой реле микропроцессор дешифрация
1. Задание на
проектирование
. Карта памяти микропроцессорной
системы
. Структурная
схема МПС и её описание
.1 Описание
МП системы
.2 Работа МП ADuC812 с памятью
.3 Работа с
клавиатурой и индикацией
.4 Работа с дискретными входами и кнопками
управления
.5 Работа со
светодиодными индикаторами и выходными реле
. Условное графическое обозначение,
краткое описание, назначения выводов
.1
Однокристальный микроконтроллер ADuC812
.2
Оперативное запоминающее устройство КР537РУ17
.3 Дешифратор-демультиплексор с
инверсией на выходе КР1554ИД7
.4
Восьмиразрядный регистр КР1554ИР22
.5 Приемопередатчик КР1554АП6
.6
Программируемое интерфейсное КР580ВВ55
. Синтез схем дешифрации адресов
.1 Дешифрация
БИС ОЗУ
.2 Дешифрация
БИС КР580ВВ55
.3 Дешифрация
БИС КР1554ИР22
.4 Дешифрация
БИС КР1554АП6
. Принципиальная схема устройства и ее
описание
.
Таймеры-счетчики
. Временные
диаграммы
. Расчет нагрузочных способностей БИС
. Расчет
элементов схемы
.1 Схема
сброса
.2 Расчёт
дискретных входов
.3 Семисегментные индикаторы
.4 Расчет
схемы управления выходным реле
.5 Расчет
цепи светодиодов сигнализации
.6 Расчет
активных полосовых фильтров
Список
использованной литературы
1. Задание на проектирование
Вариант №32
Цифровое реле сопротивления с эллиптической характеристикой срабатывания
|
Процессор
|
ADuC812
|
|
Внешнее ОЗУ
|
Объем ОЗУ
|
48К
|
|
БИС ОЗУ
|
8К 8
|
|
Начальн. адрес
|
0000Н
|
|
Последовательный интерфейс
|
ТП-20 мА
|
|
Управление, индикация и
сигнализация
|
Светодиоды сигнализации
|
5
|
|
Сегментные индикаторы
|
6
|
|
Выходные реле
|
3
|
|
Кнопки управления
|
2
|
|
Клавиатура
|
3 4
|
|
Дискретные входы (кол-во,
=U)
|
2 ( =110В)
|
|
Аналоговые входы
(количество)
|
6
|
|
Активные полосовые фильтры
|
6 (на каждом входе)
|
|
Подробное описание блока
|
Таймеры-счётчики
|
2. Карта памяти микропроцессорной системы
Микропроцессор (МП) ADuC812 использует гарвардскую архитектуру, в которой
пространства памяти программ и данных представляют раздельные поля. Объем
каждого поля может быть до 64Кб. ADuC812 включает в себя внутреннее ЭРПЗУ,
которое представляет собой два массива FLASH/EE памяти.
Для пользователя доступно 640 байт встроенной в МП электрически
перепрограммируемой неразрушимой памяти данных FLASH/EE. Она может
использоваться как неразрушимая память данных общего применения. Доступ к
данной памяти осуществляется через группу из шести регистров специального
назначения. Так же имеется 8Кб внутренней FLASH/EE памяти программ в нижней
части 64Кб полной памяти. Используется для пользовательского кода и программ
без необходимости установки внешней памяти ПЗУ.
Распределение пространства памяти в микропроцессорной системе (МПС) для
организации ОЗУ удобно показывать с помощью карты памяти (рис.1), на которой
указывается расположение в пространстве памяти запоминающих устройств ОЗУ с
указанием их адресов.
По заданию объем ОЗУ составляет 48 Кбайт, начальный адрес 0000H.
Следовательно, для организации памяти ОЗУ потребуется 6 БИС серии КР537РУ17
емкостью 8Кx8, тогда конечный адрес будет ВFFFH.
|
Адресное пространство
|
БИС
|
Адреса (НЕХ)
|
Адреса (BIN)
|
|
0000H … FFFFH
|
бис1
|
0000H 1FFFH
|
0000 0000 0000 0000 0001
1111 1111 1111
|
|
бис2
|
2000H 3FFFH
|
0010 0000 0000 0000 0011
1111 1111 1111
|
|
бис3
|
4000H 5FFFH
|
0100 0000 0000 0000 0101
1111 1111 1111
|
|
бис4
|
6000H 7FFFH
|
0110 0000 0000 0000 0111
1111 1111 1111
|
|
бис5
|
8000H 9FFFH
|
1000 0000 0000 0000 1001
1111 1111 1111
|
|
бис6
|
А000H ВFFFH
|
1010 0000 0000 0000 1011
1111 1111 1111
|
|
ВВ55
|
F000H F003H
|
1111 0000 0000 0000 1111
0000 0000 0011
|
|
ИР22
|
F004H F007H
|
1111 0000 0000 0100 1111
0000 0000 0111
|
|
АП6
|
F008H F00BH
|
1111 0000 0000 1000 1111
0000 0000 1011
|
Рис. 1. Карта памяти.
3. Структурная схема МПС и её описание
.1 Описание МП системы
Центральным процессором в данной микропроцессорной структуре (МПС)
является однокристальный микроконтроллер (ОМК) ADuC812 фирмы Analog Devices.
К входам ОМК XTAL1 и XTAL2 подключается кварцевый резонатор ZQ1,
обеспечивающий стабилизацию частоты внутреннего генератора тактовых импульсов
(ГТИ).
Для сброса МП и установки его в начальное состояние используется
"Схема сброса", содержащая в себе RC-цепочку и инвертор КР1554ЛН1.
Для обмена информацией между МПС и пультом управления по
последовательному каналу к входам RxD и TxD подключен интерфейс "ТП-20
мА".
В данной структуре используется совмещенная шина адреса/данных. Байты
данных передаются по двунаправленному порту P0, причем тут же формируется и
младший байт адреса при обращении к внешней памяти системы. Адрес защелкивается
в регистре по стробу ALE. Двунаправленный порт P2 используется для передачи
старшего байта адреса.
В качестве регистра-защелки порта Р0 используется восьмиразрядный регистр
с параллельным входом и третьим состоянием выходов КР1554ИР22. По стробу
сигнала ALE подаваемого на вход WR, регистр защелкивает адрес. Так как вход 0E
постоянно замкнуты на общую шину питания, младший байт адреса (А0-А7) сразу
отображается на выходах регистров. Так же регистр увеличивает нагрузочную
способность шины адреса.
На порт Р2 "вешаем" восьмиразрядный шинный формирователь (ШФ) с
параллельным входом и третьим состоянием выходов КР1554АП6. Так как вход 0E
постоянно замкнуты на общую шину питания и на вход Т подаётся лог. 1, то
старший байт адреса (А8-А15) сразу отображается на выходах ШФ. Так же ШФ
увеличивает нагрузочную способность шины адреса.
Дешифратор КР1554ИД7 используется для дешифрации адреса и выбора
микросхем.
Программируемый контролер индикации и клавиатуры КР580ВВ55 используется
для подключения к МПС клавиатуры и 6 семисегментных светодиодных индикаторов
"Усилитель" представляет собой транзисторные ключи, которые
усиливают сигналы, подаваемые КР580ВВ55 для выбора соответствующего
семисегментного индикатора.
Входные трансформаторы на аналоговых входах обеспечивают гальваническую
развязку внешних входных цепей и внутренних цепей МПС, служат для
преобразования токовых сигналов в сигналы напряжения приемлемого для МПС
уровня.
Полосовые фильтры предназначены для селекции сигнала частотой 50Гц и
отброса гармонических составляющих. Фильтр представляет собой операционный
усилитель с многоконтурной обратной связью.
.2 Работа МП ADuC812 с памятью
Так как шина адреса и шина данных совмещены, для их разделения во времени
служит регистр КР1554ИР22, который по стробу сигнала ALE фиксирует младший байт
адреса. Дешифрирует адрес дешифратор КР1554ИД7. На адресных входах дешифратора
будет двоичный код БИС, а на выходе - десятичный номер корпуса примет низкий
уровень и соответствующая БИС будет выбрана. Одновременно с этим, на адресных
входах БИС памяти будет двоичный адрес ячейки памяти, к которой производиться
обращение. При чтении данных сигнал
будет иметь низкий уровень, а
- высокий. При записи данных сигнал
, напротив, будет иметь низкий
уровень.
3.3 Работа с клавиатурой и индикацией
Клавиатура 3
4 подключается к контроллеру КР580ВВ55. Контроллер
освобождает МП от задачи постоянного сканирования клавиатуры и поддерживает
вывод цифровой информации на семисегментный светодиодный индикатор. При нажатии
кнопки на клавиатуре, контроллер запоминает во встроенном ОЗУ код нажатой
кнопки и вырабатывает сигнал "Запрос на прерывание" INT. Кроме того,
в контроллере имеется оперативное запоминающее устройство отображения 16 слов x
8 разрядов, в котором храниться код символов выводимых на семисегментные
индикаторы. Записывается и считывается информация через шину данных по
управляющим сигналам
и
. Выбор БИС КР580ВВ55 производиться по низкому уровню сигала
.
.4 Работа с дискретными входами и кнопками управления
Дискретные входы и кнопки управления подключены через шинный формирователь
КР1554АП6 к шине данных МПС. При выборе формирователя управляющими сигналами
и
происходит считывание двоичного
кода, который соответствует входным сигналам от дискретных входов с выходов ШФ
на шину данных МПС.
.5 Работа со светодиодными индикаторами и выходными реле
Выходные реле и светодиоды сигнализации подключаются к шине данных МПС
через регистр КР1554ИР22. Светодиоды подключается к выходам регистра через
токоограничивающие резисторы, а реле - через транзисторные ключи. При выборе
регистра, который осуществляется по сигналам
и
, в нем защелкивается двоичный 8
разрядный код, поступающий по шине данных от МП. Каждый разряд этого кода
соответствует реле либо светодиодному единичному индикатору, поэтому их
состояние зависит от значения кода.
4. Условное графическое обозначение, краткое описание, назначения выводов
.1 Однокристальный микроконтроллер ADuC812
Таблица 1
|
Обозначение
|
Выводы
|
Описание
|
|
DVdd
|
20, 34, 48
|
Цифровое положительное
питание 3В или 5В.
|
|
AVdd
|
5
|
Аналоговое положительное
питание 3В или 5В.
|
|
DGND
|
21,35,47
|
Цифровая земля. Общая точка
цифровых цепей.
|
|
AGND
|
6
|
Аналоговая земля. Общая
точка аналоговых цепей.
|
|
ADC0-ADC7
|
1-4,11-14
|
Порт 1, только ввод. По
умолчанию настраивается на ввод аналоговых сигналов.
|
|
P0. 0- P0. 7 (A0-A7)
|
43-46,49-52
|
Двунаправленный Порт 0. При
обращении к вн. памяти программ или данных Порт 0 мультиплексирован
магистралями младш. байта адреса и данных.
|
|
P2.0-P2.7 (A8-A15)
|
28-31,36-39
|
Двунаправленный Порт 2. При
выборке памяти программ Порт 2 содержит старший байт адреса, при обращении к
памяти данных порт выдает старший байты 24-разрядного адресного пространства.
|
|
T0
|
22
|
Вход Таймера/Счетчика 0
|
|
T1
|
23
|
Вход Таймера/Счетчика 1.
|
|
RST
|
|
Вход сброса МП.
|
|
RxD
|
16
|
Вход приемника асинхронного
последовательного интерфейса (UART) или Вод/Вывод данных для синхронного.
|
|
TxD
|
17
|
Выход передатчика
асинхронного последовательного интерфейса (UART) или Выход синхронизации для
синхронного.
|
|
INT0
|
18
|
Вход внешнего прерывания 0,
программируется по перепаду/уровню. Контакт может использоваться как строб
управления для Таймера 0.
|
|
INT1
|
19
|
Вход внешнего прерывания 1,
программируется по перепаду/уровню. Контакт может использоваться как строб
управления для Таймера 1.
|
|
WR
|
24
|
Выход сигнала управления
Записью. Защелкивает байт данных из Порта 0 во внешнюю память данных.
|
|
RD
|
25
|
Выход сигнала управления
Чтением. Разрешает ввод данных из внешней памяти в Порт 0.
|
|
XTL2
|
33
|
Инвертирующий выход
генераторного усилителя.
|
|
XTL1
|
32
|
Вход усилителя и вход
доступа к внутренним цепям генератора.
|
|
ALE
|
42
|
Выход строба записи адреса.
Используется для защелкивания младшего байта адреса памяти.
|
|
EA
|
40
|
Вход разрешения доступа к
вн. памяти программ.
|
|
PSEN
|
41
|
Выход строба разрешения вн.
памяти программ
|
.2 Оперативное запоминающее устройство КР537РУ17
БИС К537РУ17 - ОЗУ с организацией 4Кх8. Требует источник оперативного
питания 5В и имеет время доступа от 15 до 100 нс. Выпускается в корпусах
CERDIP28, PDIP28, SOJ28. Напряжение питания +5В. Емкость адресного входа 8пФ.
УГО приведено на рис.3, а назначения выводов таблице 2.
Рис. 3 УГО К537РУ17
Таблица 2
|
Обозначение выводов
|
Назначение выводов
|
|
A0…A12
|
Адресные входы
|
|
D0…D7
|
Входы данных
|
|
CS (chip select )
|
Вход выбора БИС
|
|
OE (output enable)
|
Разрешение выходов
|
|
R/W
|
Чтение/запись
|
4.3 Дешифратор-демультиплексор с инверсией на выходе КР1554ИД7
Представляет собой дешифратор демультиплексор из 3 в 8. УГО приведено на
рис. 4. Назначение выводов и режимы работы определены в соответствующих
таблицах 3, 4.
Рис. 4. УГО КР1554ИД7.
Таблица 3
|
Обозначение
|
Выводы
|
Описание
|
|
D1-D3
|
1,2,3
|
Адресные входы.
|
|
Q0-Q7
|
15-9,7
|
Выходы Q.
|
|
С1,С2,С3
|
6,5,4
|
Входы разрешения
|
|
Ucc
|
16
|
Питание +5В
|
|
GND
|
8
|
Общий.
|
Таблица 4
|
Входы
|
Выходы
|
|
С1
|
С2
|
С3
|
1
|
2
|
3
|
0
|
1
|
2
|
3
|
4
|
5
|
6
|
7
|
|
X
|
X
|
1
|
X
|
X
|
X
|
1
|
1
|
1
|
1
|
1
|
1
|
1
|
1
|
|
X
|
1
|
X
|
X
|
X
|
X
|
1
|
1
|
1
|
1
|
1
|
1
|
1
|
1
|
|
0
|
X
|
X
|
X
|
X
|
X
|
1
|
1
|
1
|
1
|
1
|
1
|
1
|
1
|
|
1
|
0
|
0
|
0
|
0
|
0
|
0
|
1
|
1
|
1
|
1
|
1
|
1
|
1
|
|
1
|
0
|
0
|
1
|
0
|
0
|
1
|
0
|
1
|
1
|
1
|
1
|
1
|
1
|
|
1
|
0
|
0
|
0
|
1
|
0
|
1
|
1
|
0
|
1
|
1
|
1
|
1
|
1
|
|
1
|
0
|
1
|
1
|
0
|
1
|
1
|
1
|
0
|
1
|
1
|
1
|
1
|
|
1
|
0
|
0
|
0
|
0
|
1
|
1
|
1
|
1
|
1
|
0
|
1
|
1
|
1
|
|
1
|
0
|
0
|
1
|
0
|
1
|
1
|
1
|
1
|
1
|
1
|
0
|
1
|
1
|
|
1
|
0
|
0
|
0
|
1
|
1
|
1
|
1
|
1
|
1
|
1
|
1
|
0
|
1
|
|
1
|
0
|
0
|
1
|
1
|
1
|
1
|
1
|
1
|
1
|
1
|
1
|
1
|
0
|
.4 Восьмиразрядный регистр КР1554ИР22
Представляет собой восьмиразрядный регистр, управляемый по уровню с
параллельным вводом-выводом данных с входом на три состояния. УГО приведено на
рис. 5. Назначение выводов и режимы работы определены в соответствующих
таблицах 5, 6.
Рис. 5. УГО КР1554ИР22.
Таблица 5
|
Обозначение
|
Выводы
|
Описание
|
|
D0-D7
|
3,4,7,8,13,14,17,18
|
Входы данных.
|
|
Q0-Q7
|
2,5,6,9,12,15,16,19
|
Выход данных.
|
|
EZ
|
1
|
Вход разрешения выхода.
|
|
EWR
|
11
|
Вход разрашения записи
|
|
Ucc
|
20
|
Питание +5В
|
|
GND
|
10
|
Общий.
|
Таблица 6
|
Режим работы
|
Входы
|
Выходы
|
|
EZ
|
EWR
|
D
|
|
|
Режим повторителя
|
0
|
1
|
1
|
1
|
|
0
|
1
|
0
|
0
|
|
Хранения
|
0
|
0
|
X
|
Q0
|
|
Выходы запрещены
|
1
|
X
|
X
|
Z-состояние
|
.5 Приемопередатчик КР1554АП6
Представляет собой восьмиканальный двунаправленный приемопередатчик с
тремя состояниями на выходе КР1554АП6. УГО приведено на рис. 6. Назначение
выводов и режимы работы определены в соответствующих таблицах 7, 8.
Рис. 6 УГО КР1554АП6.
Таблица 7
|
Обозначение
|
Выводы
|
Описание
|
|
D0-D7
|
2 - 9
|
Вход-выходы данных D.
|
|
Q0-Q7
|
11 - 18
|
Вход-выходы данных Q.
|
|
COD
|
1
|
Вход сигнала выбора
направления передачи данных
|
|
COZ
|
19
|
Вход разрешения выхода.
|
|
Ucc
|
20
|
Питание +5В
|
|
GND
|
10
|
Общий.
|
Таблица 8
|
Режим работы
|
Входы
|
|
COZ
|
COD
|
|
Передача данных от порта Q
к порту D
|
0
|
0
|
|
Передача данных от порта D к
порту Q
|
0
|
1
|
|
Выходы запрещены
|
1
|
X
|
4.6 Программируемое интерфейсное КР580ВВ55
Представляет собой программируемое интерфейсное устройство для
ввода-вывода информации.
Микросхема представляет собой программируемый параллельный интерфейс.
Применяется в качестве элемента ввода вывода общего назначения, сопрягающего
различные типы периферийных устройств с магистралью данных систем обработки
информации. Обмен информацией осуществляется через 8-разрядный двунаправленной
трех стабильный канал данных (D). Для связи с периферийными устройствами
используется 24 линии ввода (вывода), сгруппированные в 3 8- разрядных канала
(ВА, ВВ, ВС), направление передачи информации и режим работы которых
определяется программным способом
Программируемый адаптер КР580ВВ55 осуществляет параллельный обмен данными
с помощью управляющих сигналов или без них как в режиме программного
управления, так и по прерываниям. Определение и переопределение режима работы
выполняется программно с помощью специальных команд инициализации, записываемых
в регистр управляющего слова.
УГО приведено на рис. 7. Назначение выводов определены в соотв. таблице
9.
Таблица 9
|
Номер вывода
|
Назначение
|
Обозначение
|
|
1-8
|
Входы/выходы
|
D(0-7)
|
|
9-16
|
Порт A
|
PA(0-7)
|
|
17
|
Чтение данных из портов
|
RD
|
|
18
|
Запись данных в порты
|
WR
|
|
19
|
Выбор БИС
|
CS
|
|
20
|
Общий вывод
|
GND
|
|
21-28
|
Порт C
|
PC(0-7)
|
|
29-36
|
Порт B
|
PB(0-7)
|
|
37
|
Выбор внутреннего регистра
(МР)
|
A0
|
|
38
|
Выбор внутреннего регистра
(СР)
|
A1
|
|
39
|
Сброс
|
RST
|
|
40
|
Питание
|
Ucc
|
Рис. 7 УГО КР580ВВ55
5. Синтез схем дешифрации адресов
.1 Дешифрация БИС ОЗУ
Объем ОЗУ 48К значит, имеем 6 корпусов микросхем 8Кх8. Битовая раскладка
16-и разрядного адреса выглядит следующим образом:
|
Разряд
|
A15
|
A14
|
A13
|
A12
|
A11
|
A10
|
A9
|
A8
|
A7
|
A6
|
A5
|
A4
|
A3
|
A2
|
A1
|
A0
|
|
Бит
|
К
|
К
|
К
|
Х
|
X
|
X
|
X
|
X
|
X
|
X
|
X
|
X
|
X
|
X
|
X
|
X
|
|
Выбор бис
|
Выбор ячейки памяти
|
где К - номер корпуса БИС в двоичном коде,- любое (определяет адрес
ячейки памяти).
.2 Дешифрация БИС КР580ВВ55
Для выбора БИС КР580ВВ55 воспользуемся дешифратором, на адресные входы
которого подадим сигналы A2, A3.
Будем использовать 0-й выход, тогда битовая раскладка выглядит следующим
образом:
|
Разряд
|
15
|
14
|
13
|
12
|
11
|
10
|
9
|
8
|
7
|
6
|
5
|
4
|
3
|
2
|
1
|
0
|
|
Бит
|
1
|
1
|
1
|
1
|
0
|
0
|
0
|
0
|
0
|
0
|
0
|
0
|
0
|
0
|
х
|
х
|
Т.к. разряды А0 и А1 используются для внутренних нужд ИМС 580ВВ55, то они
не учавствуют в дешифрации устройств, а соответственно могут иметь различные
значения, которые не будут влиять на выбор той или иной схемы.
Таким образом, базовый ряд адресов ВВ55 будет F000Н - F003H.
.3 Дешифрация БИС КР1554ИР22
Для выбора БИС КР1554ИР22 сделаем так же, как и в случае с ВВ55. Только
воспользуемся 1-м выходом.
Тогда битовая раскладка будет выглядеть следующим образом:
|
Разряд1514131211109876543210
|
|
|
|
|
|
|
|
|
|
|
|
|
|
|
|
|
|
Бит
|
1
|
1
|
1
|
1
|
0
|
0
|
0
|
0
|
0
|
0
|
0
|
0
|
0
|
1
|
х
|
х
|
Таким образом, базовый ряд адресов ИР22 будет F004Н - F007H.
.4 Дешифрация БИС КР1554АП6
Для выбора БИС КР1554АП6 сделаем так же, как и в случае с ВВ55. Только
воспользуемся 2-ым выходом.
Тогда битовая раскладка будет выглядеть следующим образом:
|
Разряд1514131211109876543210
|
|
|
|
|
|
|
|
|
|
|
|
|
|
|
|
|
|
Бит
|
1
|
1
|
1
|
1
|
0
|
0
|
0
|
0
|
0
|
0
|
0
|
0
|
1
|
0
|
х
|
х
|
Таким образом, базовый ряд адресов АП6 будет F008Н - F00ВH.
6. Принципиальная схема устройства и ее описание
В данной МПС используются следующие величины напряжений: +5В, -5В - для
питания микросхем системы; +12В - для питания выходных реле.
Центральным процессором (ЦП) является однокристальный микроконтроллер DD1
(ADuC812). Тактовый генератор выполнен c использованием кварцевого резонатора
ZQ1, номинал которого составляет 11,059 МГц, и конденсаторов С1 и С2
предназначенных для компенсации внутренних индуктивностей.
Схема сброса обеспечивает сигнал RST на ЦП и программируемый контролер
DD13 (КР580ВВ55) при включении питания и при принудительном ручном сбросе.
Резистор R1 и конденсатор C3 обеспечивают необходимую выдержку времени для
сброса микросхем.
Интерфейс "ТП - 20 мА" реализована на оптопарах VU1 и VU2
(АОТ128Г). По TxD - передаются выходные данные, по RxD - принимаемые данные.
Регистр DD4 (КР1554ИР22) предназначен для выделения во времени адреса на
шине P0.0…P0.7. Строб адреса ALE на входе С защелкивает данные в регистре. Так
как вход ОЕ регистра подключен к общей шине (0) питания, данные сразу
отображаются на выходах. Кроме того, регистр повышает нагрузочную способность
шины адреса.
Дешифратор DD6 (КР1554ИД7) осуществляет дешифрацию адреса с адресных
линий А13…А15 и формирование сигнала CS для выбора соответствующих микросхем
ОЗУ. Дешифратор всегда выбран.
БИС ОЗУ DD10, DD12, DD15, DD18, DD20, DD23 имеют по 13 адресных входов,
на которые подаются адресные линии А0…А12. Входы CS1 и CS2 служат для выбора
БИС. При этом не инвертирующий вход CS2 соединен через токоограничивающий
резистор с шиной +5В, а на инвертирующий вход CS1 подается управляющий сигнал с
дешифратора DD6. Выбор необходимой БИС производиться низким уровнем сигнала CS1
- CS6. Высокий уровень сигнала на входе OE переводит выходные линии в режим
высокого импеданса. В данном случае, к нему подключен выход RD ЦП. RD имеет
низкий уровень при операции чтения. При записи состояние выходов БИС ОЗУ не
имеет значение, поэтому они отключены сигналом с RD, равным "1".
Выбор режима "запись-чтение" ОЗУ производиться по уровню сигнала на
входе WR - при низком уровне идет запись, при высоком - чтение. Выходы D0…D7
имеют три состояния. При операциях записи или чтения на них присутствуют данные
c шин данных (D0…D7).
Контроллер ввода-вывода DD13 КР1554ВВ55 предназначен для вывода
информации на семисегментные индикаторы и ввода данных с клавиатуры. Выбор
схемы производиться при низком уровне сигнала на входе CS7. Запись-чтение
происходит по сигналам RD и WR соответственно. Вход А0 определяет передачу
команд слов состояния (А0 =1) или передачу данных (А0 =0). К этому входу
подключается адресная линия А0. Вход RST предназначен для сброса контроллера.
Сброс происходит одновременно со сбросом ЦП. Счетчик сканирования - четырех
разрядный двоичный счетчик сканирует строки клавиатурной матрицы и регенерирует
показания на дисплее (семисегментных индикаторах HG1…HG6). Сигналы с линии
сканирования поступают на столбцы клавиатурной матрицы. Контроллер DD13 снабжен
буфером отображения. В процессе регенерации отображения на дисплее информация
из ОЗУ циклически выдается на выходы контроллера. Буфер клавиатуры обеспечивает
хранение информации поступающей со входов и выдачу ее на микропроцессор через
шину данных D0…D7 по командам чтения.
Резисторы R36…R104 предназначены для ограничения тока на сегментах
индикаторов HG1…HG6.
Регистры DD21 (КР1554ИР22) предназначен для подключения светодиодов и
выходных реле. Входы D0…D7 подключаются к шине данных соответственно на линии
D0…D7. Вход OE замкнут на общую шину, поэтому выходы регистра постоянно
разрешены. К выходам регистра подключены светодиоды, через токоограничивающие резисторы,
и выходные реле, через транзисторные ключи. Выбор микросхемы осуществляется
сигналами CS8 и WR, снимаемыми с дешифратора DD11 и ЦП DD1 соответственно. Для
избежания не согласованной работы данные стробы объединены по схеме
"ИЛИ-НЕ" микросхемой (КР1554ЛЕ1). Сигнал с выхода ЦП поступает на
вход WR выбора регистра DD21, при подаче логической "1" в регистре
защелкивается двоичный код, каждый разряд которого соответствует тому или иному
индикатору или реле. При подаче логического "0" на индикаторы они под
действием протекающего прямого тока включаются. Резисторы служат для
ограничения прямого тока на светодиодах. Реле срабатывают при подаче на
выходные ключи логической "1", при этом транзисторы открываются, и по
реле начинает протекать ток. Диоды предназначены для защиты цепи от возникающих
перенапряжений во время коммутаций реле.
Дискретные входы подключены через шинный формирователь DD14 КР1554АП6 к
шине данных МПС. Резисторы ограничивают входной ток для светодиодов
транзисторных оптронов и в совокупности с конденсаторами образуют
низкочастотные пассивные фильтры. Диоды предназначены для защиты светодиодов
транзисторных оптронов от обратных напряжений в случае ошибочной смены
полярности напряжений на дискретных входах. Транзисторные оптроны используются в
качестве гальванической развязки внутренних цепей МПС от внешних. При подаче
дискретного сигнала транзистор оптрона открывается и на входы шинного
формирователя DD14 подается сигнал логического "0". Выбор микросхемы
осуществляется сигналами CS9 и RD, снимаемыми с дешифратора и ЦП
соответственно. Чтобы считывание данных и выбор микросхемы происходили
согласованно, сигналы CS9 и RD объединены элементом "ИЛИ" микросхемы
DD9.3 (КР1554ЛЛ1). Так как вход T микросхемы DD14 через токоограничивающий резистор
соединен с шиной +5В при выборе микросхемы двоичный код, каждый разряд которого
соответствует своему дискретному входу и кнопке управления, передается без
задержек с входов микросхемы DD14 на ее выходы и далее по шинам данных - в ЦП
DD1.
Аналоговые сигналы, поступающие на входы МПС в виде синусоидального тока,
через измерительные трансформатор тока TA1-TA3 и напряжения TV1-TV3, с учетом
коэффициента трансформации, подаются на резисторы соответственно. Напряжения с
этих резисторов фильтруются активными полосовыми фильтрами с резонансной
частотой 50 Гц. Фильтры построены на операционных усилителях DA1- DA6 с
многоконтурной обратной связью.
7. Таймеры-счетчики
содержит три 16-разрядных Счетчика/Таймера: Таймер 0, Таймер 1 и Таймер
2. Аппаратура Таймеров-счетчиков включена в состав чипа для того, чтобы
освободить микропроцессорное ядро от излишних затрат ресурса, свойственных
программной эмуляции процесса счета.
Каждый Таймер-счетчик состоит из двух 8-разрядных регистров THx и TLx (x
= 0, 1 и 2). Все три можно сконфигурировать как таймеры, либо как счетчики
событий.
В состав ОМК51 входят два 16-разрядиых многорежимных таймеpa/счетчика,
каждый из которых состоит из старшего байта (THО или ТН1) и младшего байта (TL0
или TL1). Регистры ТН и TL размещены в области спецрегистров SFR и программно
доступны. Каждый из регистров ТН и TL может быть использован как обычный
регистр SFR если Т/СТ не работает (бит TR регистра SCON равен "О").
Таймеры/счетчики могут быть независимо друг от друга запрограммированны
для работы либо в качестве таймера (Т), либо в качестве счетчик (СТ) внешних
событий. Функция Т состоит в счете синхроимпульсов, cледующих с частотой OSC/12
(т.е. в счете числа МЦ ОМКЗГ). в результате чего могут быть заданы интервалы
времени в диапазоне от длительности выполнения одного МЦ до длительности
выполнения 65536 МЦ. При OSC = 12 МГц этот диапазон составляет 1- 65536 мке с
дискретностью 1 мкс.Напомним, что длительность цикла определяется как 12/OSC,
где OSC - частота генератора ВЕ51 в МГц. Более длинные задержки задержки
времени легко получаются программным путем.
Функция СТ заключается в подсчете внешних событий (счет числа входных
импульсов, поступающих на вход ТО или Tl OMK от внешнего источника), причем СТ
реагирует на перепад входного сигнала I/O. симальпая частота входных сигналов в
режиме СТ составляет OSC/24, для OSC =. 12 МГц составляет 500 КГц. Для
гарантированного прочтения входного сигнала он должен удерживаться в состоянии
1 или 0,l крайней мере, в течение одного МЦ.
Таймер/счетчик считает количество входных импульсов до переполнения (т.е.
до 65536), после чего сбрасывается в "0" или перезагружается. При
переполнении устанавливается флаг TF0 или TF1 (регистр TCON), то может являться
источником внутреннего прерывания.
Управленце Т/СТ осуществляется регистрами режима TMOD с адресом 89Н и
управления/статуса TCON с адресом 88Н. Эти регистры входят в область RSEG.
Регистр режима ТМОD разбит на две тетрады, младшая из которых управляет
Т/СТО, а старшая - Т/СЕ1 (рис. 10)
Назначение разрядов управления Т/СТ следующее:
Значедае бита GATE (TMOD.7 или TMOD.3) служит для разрешения запуска
соответствующего Т/СТ. Если GATE=.1} то работа Т/СТ разрешется, если на входе
INT=1 и бит TR-1 (рис. 9). Если GATE-0, то при TR=1 работа Т/СТ разрешается при
любых значениях сигнала на входе INT.
Значение бита С/Т (TMOD.6 или-ТМООЗ) определяет работу в режиме Т или СТ.
При С/Т=0 - работа в режиме таймера с запуском от внутренней схемы
синхронизации с частотой OSC/12, при С/Т=1 - работа в режиме СТ с запуском от
внешних сигналов на входах.ТО или Т1 (рис.9).
С помощью разрядов Ml и МО задается один из четырех режимов работы: 0,
1,2 или 3. Режимы работы 0, 1 й 2 одинаковы для обоих Т/СТ, которые в этих
режимах работают независимо друг от друга. Работа Т/СТО и Т/СТ 1 в режиме 3
различна.
Режим 0 (М1=0, МО=0) подобен режиму работы Т/СТ ОМК48 (рис. 9,а). В
данном режиме регистр TL имеет длину 5 бит и служит делителем частоты ла 25=
32. В старший байт ТК предварительно может быть загружено 8-ра.зряд-ное
начальное, значение, с которого ьачинается счет. При переполнении регистра ТН
флаг ТF регистра TCON устанавливается в состояние "1". Признак ТF
может быть опрошен программно либо использован как источник прерывания от Т/СТ.
В этом режиме могут быть заданы интервалы времени, - вычисляемые по формуле:
T = [256-(ТН)]*Тмц*32,
где Тмц - длительность МЦ иkи произведен счет внешних сигналов в
диапазоне от 1 до 213. Счет разрешается при TR=1 и GATE=0, либо TR-1 и INT=1.
Установка GATE-1 позволяет организовать запуск Т/СТ аппаратно по наличию
сигнала INT-l (при этом бит TR должен быть равен 1). В этом случае с помощью
Т/СТ может быть измерена длительность сигнала на вхо_е запроса прерывания INT.
Режим 1 {М1 = 0, МО = 1) подобен режиму 0, но в нем используется полный
16-разрядный счетчик ТН иТL (рис. 9.а).
Режим 2 (М1 = 1, МО = 0) представляет 8-разрядный Т/СТ с
азтопереза-грузкой (рис. 9.б). Начальное значение загружается в регистр ТН,
которое переписывается в регистр TL при каждом переполнении последнего, при
этом также устанавливается флаг TF. Перезагрузка не меняет содержимое ТН.
Режим 3 (М1 = 1, МО = 1) для СТО и СТ1 осуществляется по-разному.
Таймер/счетчик 0 работает как два независимых 8-разрядных счетчика ТНО и TL0 с
фиксацией переполнения в разрядах TF1 и TF0 соответственно (рис. 9,в). Работу
ТНО, который может выполнять только функции таймера (подсчет МЦ ОМК),
определяет управляющий бит TR1 ("1" -запуск ТНО). Регистр TL0
выполняет функцию счетчика или таймера и упрзвляется аналогично режиму 1.
Если Т/СТО настроен на режим 3, то Т/СТ1 может быть запрограммирован на
работу в любом из режимов. 0-2, но без установки флага переполнения и
генерирования прерывания. В режиме 3 Т/СТ1 остановлен и не работает.
Режим 3 используется тогда, когда требуется наличие дополнительного
8-битного таймера или СТ событий. Можно считать, что в режиме 3 ОМК51 имеет в
своём составе три Т/СТ. В том случае, когда Т/СТО используется в режиме 3, Т/СП
может быть использован, например, как генератор, задающий скорость передачи
последовательного порта или в любом другом применении, не требующем прерывания.
Сигналом сброса RST вае разряды регистра TMOD сбрасываются в
"0".
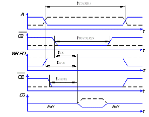
8. Временные диаграммы
Временные диаграммы чтения и записи ОЗУ приведены на рисунках 9 и 10
соответственно.
Рис. 9. Временные диаграммы цикла записи из внешнего ОЗУ.
Рис. 10. Временные диаграммы цикла чтения из внешнего ОЗУ.
Обозначения на диаграммах:- выходное сопротивление при третьем состоянии
(высокоомный уровень);
А - значение текущего адреса (уровень логической 1 или логического
0);(WR) - время цикла записи в ОЗУ;(A-WR) - время задержки сигнала записи (WR)
относительно адреса;(WR) - длительность сигнала записи (WR);(WR-A) - время
задержки сигнала записи (WR) относительно адреса;(DI-WR) - время опережения
сигнала записи (WR) сигналом данных;(WR-DI) - время действия сигнала данных для
завершения записи;(RD) - время цикла чтения из ОЗУ;(CS)RD - время действия сигнала
выбора БИС для завершения записи;- время действия сигнала выбора БИС;(A) -
время доступа адреса;(OE) - время действия сигнала разрешения выхода.
9. Расчет нагрузочных способностей БИС
Расчет нагрузочных способностей БИС ведется по двум параметрам: по току и
по емкости. Для того чтобы БИС не были перегружены необходимо, чтобы ток на
выходе БИС был больше суммы входных токов микросхем, к которым подключен наш
вывод. Так же и с емкостью: емкость на выходе БИС больше суммы емкостей по
входам микросхем, к которым подключен наш вывод.
Рассчитаем нагрузочную способность портов ЦП и регистров на основании
данных помещённых в таблицу 10 и анализа принципиальной схемы МПС.
Таблица 10
|
Микросхема
|
мкА
|
мкА
|
мА
|
мА
|
пФ
|
пФ
|
пФ
|
мкА
|
мкА
|
|
КР1554АП6
|
0,1
|
0,1
|
24
|
24
|
50
|
4,5
|
|
|
|
|
КР1554ИР22
|
0,1
|
0,1
|
24
|
24
|
50
|
4,5
|
|
|
|
|
КР1554ИД7
|
0,1
|
0,1
|
24
|
24
|
50
|
4,5
|
|
|
|
|
КР580ВВ55
|
|
|
0,4
|
22
|
100
|
10
|
10
|
10
|
10
|
|
К537РУ17
|
|
|
10
|
|
|
10
|
10
|
1
|
5
|
|
ADuC812
|
|
|
0,080
|
1,6
|
100
|
10
|
|
|
|
Рассчитаем на нагрузочную способность порта P0 ЦП ADuC812
По емкости:
Необходимо чтобы выполнялось условие
По току:
Необходимо чтобы выполнялось условие
Рассчитаем на нагрузочную способность порта P2 ЦП ADuC812
По емкости:
Необходимо чтобы выполнялось условие
По току:
Необходимо чтобы выполнялось условие
Все порты микроконтроллера и регистр нагрузку выдерживают.
10. Расчет элементов схемы
.1 Схема сброса
Сброс МПС осуществляется подачей сигнала, равного "1", на вход
RST центрального процессора рис. 11. Для гарантированного сброса ADuC812 этот
сигнал должен удерживаться на выходе RST в течение 24 периодов ГТИ (генератора
тактовых импульсов).
Время запуска ГТИ зависит от его частоты и для 12 МГц составляет примерно
1 мс. Длительность импульса на выходе RST ЦП определяется постоянной времени
RC-цепи.
,
.
Возьмем
, тогда
,
.
Этим мы обеспечиваем гарантированный сброс процессора.
Рис. 11. Схема сброса.
10.2 Расчёт дискретных входов
Рис. 12. Дискретный вход.
Для гальванической развязки дискретных сигналов используем транзисторный
оптрон VU серии АОТ128Г.
Исходные данные оптрона:
|
Напряжение на входах
|
|
|
Прямой ток на светодиоде
оптрона
|
|
|
Прямое падение напряжения
на светодиоде оптрона
|
|
|
Напряжение насыщения
коллектор-эмиттер при
|
|
Учитывая исходные данные найдём номинал резистора R3
Выберем наиболее близкое значение сопротивления из стандартного ряда E24:
R3=11кОм
Для защиты светодиода оптрона от значительных обратных напряжений,
которые могут возникнуть при ошибочном изменении полярностей входных дискретных
сигналов, встречно с диодом оптрона подключается выпрямительный диод VD1 серии
КД424А.
Для повышения помехоустойчивости схемы от возможных скачков напряжения
ставиться конденсатор С ёмкостью 0,1мкФ, шунтирующий светодиод оптрона.
Сопротивление R1 выберем таким образом, чтобы в открытом состоянии по
коллектору транзистора оптрона протекал ток в пределах допустимого значения:
Выберем наиболее близкое значение сопротивления из стандартного ряда E24:
R1=1кОм
Сопротивление R2 выберем таким образом, чтобы в открытом состоянии по
коллектору транзистора оптрона протекал ток в пределах допустимого значения:
R2=1кОм.
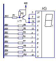
.3 Семисегментные индикаторы
Рис. 13. Семисегментный индикатор.
Семисегментные индикаторы подключены к выходам инверторов. Индикаторы
работают в динамическом режиме, зажигаясь поочередно с большой частотой. Глаз
человека не успевает следить за быстрыми переключениями и расценивает это как
постоянное свечение. Для переключения индикаторов применены транзисторные
ключи, в коллекторной цепи которых подключены аноды индикатора. Поочередно
подавая сигнал "0" на базу транзисторов VT2-VT7 (КТ501В) можно
поочередно включать индикаторы.
Индикаторы АЛС324Б
Прямой ток одного сегмента - 20мА;
Прямое падение напряжение одного сегмента - 2,5В;
Исходные данные:
|
Прямой ток на сегменте
индикатора
|
|
|
Прямое падение напряжения
на сегменте индикатора
|
|
|
Выходное напряжение низкого
уровня выходов микросхемы КР1554ЛН1
|
|
|
Выходной ток низкого уровня
выходов микросхемы КР1554ЛН1
|
|
Определим номинал токоограничивающих сопротивлений R3-R10:
где
- падение напряжения на КЭ переходе;
Выберем
по ряду Е24.
Определим номинал сопротивлений R1 и R2 в цепи базы транзисторов:
ток коллектора, который потечет при зажигании всех сегментов
индикатора;
- статический коэффициент передачи тока в схеме с общим
эмиттером;
- напряжение насыщения БЭ перехода транзистора;
Выберем
по ряду Е24.
.4 Расчет схемы управления выходным реле
Рис. 14. Выходное реле.
В качестве выходных реле используем реле серии RM84. Так как в качестве
исто-чника питания используется блок питания напряжением +12 В, то для этого
случая удо-влетворяет тип реле 1012.
Основные технические данные реле:
|
Активное сопротивление
обмотки
|
|
|
Номинальная потребляемая
мощность
|
|
|
Номинальное напряжение
обмотки реле
|
|
В качестве усилительного каскада используем транзисторный ключ с
транзистором серии КТ315Б.
Его основные технические данные:
|
Максимальный ток коллектора
|
|
|
Максимальное напряжение
эмиттер-коллектор
|
|
|
Статический коэффициент
передачи тока
|
|
|
Напряжение насыщения
база-эмиттер
|
|
|
Напряжение насыщения
коллектор-эмиттер
|
|
Найдем номинал резистора R1, исходя из условия насыщения транзистора,
включенного по схеме с общим эмиттером:
.
Учитывая что
,
где
- выходное напряжение высокого уровня регистра КР1554ИР22,
получим:
,
.
Выберем близкое значение сопротивления из стандартного ряда E24:
.
Диод VD1 серии КД424А.
10.5 Расчет цепи светодиодов сигнализации
Рис. 15. Светодиод сигнализации.
В качестве светодиодов сигнализации используем единичные индикаторы серии
АЛ307ЛМ красного свечения.
Основные параметры:
|
Прямой ток на светодиоде
|
|
|
Прямое падение напряжение
на светодиоде
|
|
Найдем номинал токоограничивающего резистора R45:
,
где
- выходное напряжение низкого уровня регистра КР1554ИР22;
.
Выберем близкое значение сопротивления из стандартного ряда E24:
.
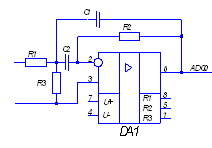
10.6 Расчет активных полосовых фильтров
Рис. 16. Селективный фильтр.
Возьмем в качестве активного ПФ 2-го порядка селективный фильтр. Нам
необходимо чтобы наш СФ был прозрачным для сигнала частоты 50Гц, следовательно
. Амплитуда выходного сигнала равна:
.
Коэффициент затухания для фильтра Баттерворта 2-го порядка
.
Передаточная функция для нашего СФ имеет вид:
;
Параметры
,
,
определяются из системы:
;
;
;
Зададимся значениями емкостей конденсаторов
Решая систему уравнений, найдем все сопротивления:
,
,
;
Выберем соответствующие номиналы резисторов из ряда Е24:
,
,
.
Из-за отличия расчетных значений сопротивлений от номиналов резисторов,
параметры фильтра изменяются и они равны:
;
;
;
Построим АЧХ и ФЧХ:
Рис. 17 График АЧХ СФ.
Рис. 18 График ФЧХ СФ.
Список использованной литературы
1. Костерин
В.А., Никитин А.А. Однокристальные 8-разрядные микроконтроллеры серии К1816.
Учеб. пособие. ЧГУ, Чебоксары, 1997.
2. Костерин
В.А. Микропроцессорные средства и системы: Учеб. пособие. ЧГУ, Чебоксары, 1992.
3. Буткевич
Г. Задачник по электрическим аппаратам. - М.: Высшая школа, 1977
4. Шнеерсон
Э. Проектирование трансформаторных преобразователей тока и напряжения устройств
автоматики. Учеб. пособие. ЧГУ, Чебоксары, 1989
. Шнеерсон
Э. Линейные преобразователи аналоговых сигналов в электрических аппаратах
автоматики: Учеб. пособие. ЧГУ, Чебоксары, 1990
. Шнеерсон
Э. Нелинейные преобразователи аналоговых сигналов в электрических аппаратах
автоматики. Учеб. пособие. ЧГУ, Чебоксары, 1989
7. Справочник
по интегральным микросхемам. ОАО "РНИИ "Электростандарт", 2004.
8. Никитин
А.А. Микропроцессорные реле: Конспект лекций. Чебоксары: Учебный центр
"Лидер", 2002