Проектирование автоматизированного электропривода насосного агрегата подачи воды
ВВЕДЕНИЕ
электропривод автоматизированный преобразователь
На данном этапе технического прогресса во всех развитых странах мира в
последние годы принято направление, согласно которому необходимо как можно
эффективнее распределять и использовать все виды энергоресурсов. Это позволяет
не только сберечь потраченные средства, но и рационализировать производство
посредством его модернизации.
Так основными мероприятиями по энергосбережению и в частности в данном
дипломном проекте являются: оптимальный выбор мощности электродвигателя
насосной установки, а также использование частотно-регулируемого
электропривода.
Турбомеханизмы являются машинами массового применения. Около 25% всей
вырабатываемой электроэнергии расходуется на электропривод насосов,
вентиляторов и компрессоров. Техническое совершенство и экономичность
электроприводов турбомеханизмов в значительной степени определяют
рациональность использования электроэнергии в народном хозяйстве. Под
экономичностью электропривода следует понимать не только его минимальную
стоимость и высокие энергетические показатели, но и такое качество
электропривода, как регулируемость. Высокая экономичность электропривода
позволяет турбомеханизмам производить работу, необходимую по технологическим
условиям, с наименьшими энергетическими затратами.
Большинство насосных установок стран постсоветского пространства
использует нерегулируемый электропривод, что приводит к лишним затратам
электроэнергии. Использование регулируемого электропривода насосных агрегатов
показало, что регулирование скорости рабочего колеса насосов позволяет
существенно повысить энергетические показатели установок, получить значительную
экономию электроэнергии, и сократить потери воды за счет исключения избытка
давления в гидравлической сети.
Таким образом, производится модернизация действующих насосных установок с
применением в цепи питания преобразователей частоты, позволяющих регулировать
скорость двигателя. При этом используются преобразователи как иностранных, так
и отечественных фирм-производителей.
Целью данного дипломного проекта является проектирование
частотно-регулируемого электропривода насосной установки. Применение
частотно-регулируемого электропривода турбомеханизмов позволяет обеспечить
требуемые технологические показатели при существенном сокращении затрат
электроэнергии. Тема данного дипломного проекта является весьма актуальной в
настоящее время.
1.
АНАЛИЗ ТЕХНОЛОГИЧЕСКОГО ПРОЦЕССА ПРОМЫШЛЕННОЙ УСТАНОВКИ И ФОРМУЛИРОВАНИЕ
ТРЕБОВАНИЙ К АВТОМАТИЗИРОВАННОМУ ЭЛЕКТРОПРИВОДУ
«Мозырский нефтеперерабатывающий завод» (полное наименование Открытое
Акционерное Общество «Мозырский нефтеперерабатывающий завод») - одно из двух
белорусских нефтеперерабатывающих предприятий. Завод расположен в промышленной
зоне города Мозыря в 15 км к югу от жилых массивов города. Предприятие является
крупномасштабным, и для правильного ведения технологического процесса всего
завода, необходимо своевременное, и в достаточном количестве поступление как
технологической, так и питьевой воды на территорию завода и близ расположенных
объектов. Для решения этой проблемы были применены насосы для подъёма и
транспорта воды на необходимые расстояния.
1.1 Описание
промышленной установки
Для обеспечения водой завода и околозаводных объектов используется
оборудование, расположенное на станции «Насосная II - IV подъёма». На станции
размещены насосные установки для обеспечения подачи питьевой и технологической
воды. По сути, станция и разделена на два типа перекачиваемой жидкости. Второй
этап подъёма говорит о менее тщательной фильтрации воды, в отличие от
четвёртого, где вода фильтровалась как минимум трижды.
Часть насосов, расположенных в машинном отделении перекачивает воду для
обеспечения рабочего персонала чистой питьевой водой. Другие насосы необходимы
для подачи технологической воды на блоки первичной и вторичной переработки
нефти, производства химических веществ, и других установок, не требующих
высокого качества фильтрации воды. Причём, если для технологической воды
станция является вторым этапом подъёма, то для питьевой воды это уже четвёртый.
В зависимости от вида используемой воды, для её забора используются различные
источники, такие как природные водоёмы, реки, родники, после чего поступает в
резервуары, также разделённые по типу находящейся в них воды, и по объёму.
Представим общий вид промышленной установки на следующем рисунке 1.1:
Рисунок 1.1 - Общий вид промышленной установки с размещением оборудования
На рисунке 1.1 приняты следующие условные обозначения:
Н1 … Н9 - насосы, соответственно 1 … 9;
М1 … М9 - двигатели, соответственно 1 … 9.
В данном дипломном проекте стоит задача модернизации процесса подачи
питьевой воды на Мозырский нефтеперерабатывающий завод
1.2 Анализ
технологического процесса промышленной установки и выбор управляемых координат
электропривода
В нашем технологическом процессе применяется 4 параллельно установленные
насосные установки. Однако при этом один насос работает постоянно (Н6 или Н7),
а третий включается при аварийном останове одного из рабочих насосов. Четвёртый
насос (Н9) необходим на случай пожарных ситуаций и постоянно выключен. Насос Н6
является основным рабочим насосом, который постоянно поддерживает необходимый
напор в сети, определяющийся режимом водопотребления. Насос Н7 предназначен для
поддержания (подкачки) заданного напора, когда необходимо сменить насос Н6, с
целью равномерного износа двигателей. Насос Н8 является резервным, который
вступает в работу в случае выхода из строя насоса Н6 или насоса Н7.
Управляемой координатой в данной установке является поддержание давления
в заданных пределах. Текущее значение давления в напорной части водопровода
поступает от датчика давления. В соответствии с поступившим значением давления
контроллер дает задание на преобразователь частоты и подключает его к одному из
трех насосов.
Наиболее широкое распространение получили установки с центробежными
насосами.
В спиральном корпусе насоса помещается рабочее колесо с лопатками. При
вращении колеса двигателем жидкость, поступающая к центру колеса из заборного
резервуара через всасывающий трубопровод и открытую задвижку, центробежной
силой выбрасывается по лопаткам на периферию корпуса. В результате в центре
рабочего колеса создается разряжение, жидкость засасывается в насос, снова
выбрасывается и далее подается в напорный трубопровод. Таким образом, в системе
при открытой задвижке создается непрерывное течение, и центробежный насос имеет
равномерный ход. Приведём принципиальную схему центробежного насоса на рисунке
1.2 с описанием работы механизма и указанием на нём основных элементов,
участвующих в технологическом процессе.
Рисунок 1.2 - Принципиальная схема центробежного насоса
- рабочая камера; 2 - рабочее колесо; 3 - направляющий аппарат; 4 - вал;
5 - лопатка рабочего колеса; 6 - лопатка направляющего аппарата; 7 -
нагнетательный патрубок; 8 - подшипник; 9 - корпус насоса (опорная стойка); 10
- гидравлическое торцовое уплотнение вала (сальник); 11 - всасывающий патрубок.
На рабочем колесе имеются лопатки (лопасти), которые имеют сложную форму.
Жидкость подходит к рабочему колесу вдоль оси его вращения, затем направляется
в межлопаточный канал и попадает в отвод. Отвод предназначен для сбора
жидкости, выходящей из рабочего колеса, и преобразования кинетической энергии
потока жидкости в потенциальную энергию, в частности в энергию давления.
Указанное выше преобразование энергии должно происходить с минимальными
гидравлическими потерями, что достигается специальной формой отвода.
Корпус насоса предназначен для соединения всех элементов насоса в
энергетическую гидравлическую машину. Лопастный насос осуществляет
преобразование энергии за счет динамического взаимодействия между потоком
жидкой среды и лопастями вращающегося рабочего колеса, которое является их
рабочим органом. При вращении рабочего колеса жидкая среда, находящаяся в
межлопаточном канале, лопатками отбрасывается к периферии, выходит в отвод и
далее в напорный трубопровод.
1.3
Формулирование требований к автоматизированному электроприводу
Насосы являются механизмами с режимом длительной нагрузки с малым числом
включений и большим количеством часов работы в году. Нагрузка на валу
приводного двигателя спокойная, без перегрузок. Электропривод должен нормально
функционировать в условиях повышенной влажности и относительно высоких
температур, а также иметь максимально возможные показатели надежности. В этих
условиях предпочтительным является применение асинхронного электродвигателя с
короткозамкнутым ротором (АДКЗ), получающего питание от преобразователя частоты
(ПЧ). АДКЗ отличается простотой, надежностью, отсутствием контактных соединений
(щеток), дешевизной, а ПЧ позволяет добиться достаточно точного регулирования
скорости АДКЗ, и конечно сбережения энергоресурсов.
Таким образом, можно сформулировать требования к электроприводу и системе
автоматизации промышленной установки.
Автоматизированный электропривод должен обеспечивать:
− наиболее экономичный способ регулирования для снижения затрат на
энергоресурсы;
− необходимый диапазон регулирования скорости;
− линейный закон изменения скорости во время пуска;
− торможение выбегом;
− климатическое исполнение УХЛ4;
− степень защиты IP44;
− в случае выхода из строя ПЧ перейти в режим нерегулируемого
насоса (байпасный режим включения);
− включение резервного насоса при выведении из строя основного.
2.
ПРОЕКТИРОВАНИЕ ФУНКЦИОНАЛЬНОЙ СХЕМЫ АВТОМАТИЗИРОВАННОГО ЭЛЕКТРОПРИВОДА
2.1 Обзор
систем электропривода, применяемых в промышленной установке
Обычно насосы подбирают по максимальному значению требуемой подачи.
Однако в условиях эксплуатации объемную подачу и напор необходимо изменять.
Фактическая подача определяется точкой пересечения характеристики полного
давления насосов с характеристикой сети. Значит, изменить подачу можно в
результате изменения характеристики нагнетателя или сети.
Под регулированием понимают такое изменение подачи (и других параметров
работы) насоса, которое осуществляется с помощью специального регулирующего
устройства (направляющего аппарата, гидро- и электромуфты, дросселя-клапана и
т.д.), позволяющего получать непрерывное изменение характеристик без останова
машины.
Цель регулирования - приспособление параметров насосов к изменяющимся
условиям его работы.
Все регулирующие устройства в зависимости от их влияния на характеристику
или нагнетателя можно разделить на 2 группы:
устройства, изменяющие характеристику сети, но не изменяющие
характеристику насоса. К таким устройствам относятся клапаны, шиберы, задвижки,
диафрагмы и т.д.
устройства, изменяющие частоту вращения рабочего колеса
(характеристику насоса). При этом характеристика сети не изменяется. Известно
множество устройств, позволяющих изменять частоту вращения рабочего колеса:
фрикционные передачи, гидромуфты, индукторные муфты скольжения, различные
системы электропривода (ПЧИН-АДКЗР, ПЧИТ-АДКЗР, ТРН-АДКЗР, АВК и т.д.) и т.д.
Из первой группы рассмотрим один из самых распространенных способов
регулирования - это регулирование производительности турбомеханизма с помощью
задвижки. Из второй группы один из самых перспективных на сегодняшний день
способ регулирования параметрами турбомеханизма - система электропривода
ПЧИН-АДКЗР.
Дросселирование при n = const - самый неэкономичный, но весьма
распространенный способ регулирования. Он заключается в искусственном введении
в сеть дополнительного сопротивления в виде заслонки, дросселя-клапана или
других подобных элементов. При этом сопротивление сети увеличится. Поскольку
наибольшая подача достигается при полностью открытом состоянии задвижки, то
такой способ регулирования применяется только с целью уменьшения подачи. Схема
такого способа регулирования представлена на рисунке 2.1.
Рисунок 2.1 - Схема регулирования насоса путем дросселерования
При дросселировании уменьшается мощность на валу машины и вместе с тем
повышается доля энергии, расходуемой при регулировании. Поэтому такой способ не
экономичен. Чем более глубже осуществляется процесс регулирования, тем более
непроизводительны затраты мощности.
Технология дроссельного регулирования давления (с помощью задвижек):
неэкономична;
требует постоянного контроля дежурным персоналом;
допускает большие колебания давления и увеличивает вероятность
аварий на трубопроводах,
вызывает повышенный износ оборудования (насосов, задвижек,
электродвигателей).
Рассмотрим способ регулирования, при котором изменяется частота вращения
рабочего колеса. Этот способ регулирования наиболее экономичен, т.к. при
уменьшении подачи вследствие снижения частоты вращения колеса потребляемая
мощность снижается пропорционально третьей степени отношения частот вращения:
Этим
способом можно также увеличивать подачу. Экономичность всей установки, т.е.
нагнетателя с приводом, зависит от способа изменения частоты вращения колеса.
Изменение
частоты вращения насоса приводит к изменению его характеристики, как это
показано на рисунке 2.2. Здесь кривые 2 и 3 соответствуют пониженной частоте
вращения. Из рисунка видно, что снижение частоты вращения насоса приводит к
перемещению рабочей точки вдоль характеристики системы и существенному снижению
расхода электроэнергии.
Рисунок
2.2 - Характеристики насоса и системы при регулировании частоты вращения
На
рисунке 2.3 представлен сравнительный график мощности, потребляемой насосом, в
зависимости от расхода при регулировании дросселированием и частотном
регулировании. Разность между значениями этими кривыми при заданном расходе
позволяет определить экономию энергии при частотном регулировании по сравнению
с регулированием дроссельной заслонкой.
Рисунок
2.3 - Зависимость потребляемой мощности от расхода при различных способах
регулирования
Как
видно на предыдущем графике зависимостей, для достижения необходимого значения
подачи необходимо рассчитывать на большие мощности лишь в том случае, когда
используется способ регулирования задвижкой или же при номинальной мощности. Но
для того, чтобы сберечь энергоресурсы, очевидно, необходимо использовать
частотное регулирование.
2.2 Выбор
рациональной системы электропривода
Электроприводы турбомеханизмов потребляют не менее 20-25% всей
вырабатываемой электроэнергии и в большинстве случаев остаются нерегулируемыми,
что не позволяет получить режим рационального энергопотребления и расхода воды
при изменении технологических потребностей в широких пределах. Силовое
оборудование выбирается на максимальную производительность, в действительности
же его среднесуточная загруженность может составлять около 50% от номинальной
мощности. Значительное снижение момента нагрузки при снижении скорости вращения
приводного двигателя, характерное для рассматриваемых механизмов, обеспечивает
существенную экономию электроэнергии (до 50%) при использовании регулируемого
электропривода и позволяет создать принципиально новую технологию
транспортировки воды, воздуха и т. д., обеспечивающую эффективное регулирование
производительности агрегата. Кроме того, поддержание в системе минимально
необходимого давления приводит к существенному уменьшению непроизводительных
расходов транспортируемого продукта и снижению аварийности гидравлических
сетей.
Невысокие требования к качеству регулирования давления и расхода
обуславливают возможность применения наиболее простых и, следовательно,
относительно недорогих преобразователей частоты, которые являются наиболее
удобными с точки зрения проектирования и наладки. Положительным моментом
является также то, что преобразователь частоты может быть легко внедрен в уже
существующую установку без какой-либо реконструкции системы в целом. Сочетание
высокой экономичности регулирования и относительно низкой стоимости
оборудования обеспечивает минимальный срок его окупаемости (6-12 месяцев).
В целом применение частотно-регулируемого асинхронного электропривода в
насосных установках дает следующие преимущества:
экономия электроэнергии (до 50%);
экономия транспортируемого продукта за счет снижения
непроизводительных расходов (до 25%);
снижение аварийности гидравлической или пневматической сети за
счет поддержания минимально необходимого давления;
снижение аварийности сети и самого агрегата за счет возможности
применения плавного пуска;
повышение надежности и снижение аварийности электрооборудования
за счет устранения ударных пусковых токов;
снижение уровня шума, создаваемого установкой;
удобство автоматизации;
удобство и простота внедрения.
Учитывая плюсы частотного регулирования в качестве приводного двигателя
насосной установки будем использовать асинхронный двигатель с короткозамкнутым
ротором, а питание двигателя осуществлять от преобразователя частоты.
2.3 Проектирование
функциональной схемы автоматизированного электропривода
Следует учитывать, что согласно конструктивному исполнению насосная
станция для подъёма питьевой воды содержит четыре электропривода, соединенных
параллельно, три из них работают от одного преобразователя частоты.
На основании принятых решений о системе электропривода и реализации ее
управления можно построить функциональную схему автоматизированного
электропривода, представленную на рисунке 2.4:
Рисунок 2.4 - Функциональная схема автоматизированного электропривода
На рисунке 2.4 приняты следующие обозначения:
L -
входной дроссель;
С - сглаживающий фильтр;
НВ - неуправляемый выпрямитель;
АИН - автономный инвертор напряжения;
АД - асинхронный двигатель;
Н6, Н7, Н8, Н9 - насосы на соответствующих позициях;
СУ АИН - система управления инвертором;
ПЧ - преобразователь частоты;
ПЛК - программируемый логический контроллер;
ЭВМ - персональная электронная вычислительная машина.
3.
ВЫБОР ЭЛЕКТРОДВИГАТЕЛЯ
На данном этапе выбор электродвигателя ограничен выбором насоса, т. к. в
первую очередь необходимо ориентироваться на потребности завода по расходу
воды. Поэтому необходимо проанализировать кинематическую схему механизма и
определить её параметры.
3.1 Анализ
кинематической схемы механизма и определение ее параметров. Составление
математической модели механической части электропривода и определение ее
параметров
Согласно требованиям по расходу питьевой воды необходимо выбрать насос
производительностью не менее необходимого значения из следующих условий:
(3.1)
Так,
в течении суток по заводу расход колеблется от 190 до 300 м3/ч.
Таким образом, выбираем насос серии 1Д-315-71а с производительностью 300 м3/ч.
Насосы типа 1Д - центробежные, горизонтальные, одноступенчатые. Данные типы
насосов комплектуются асинхронными электродвигателями мощностью до 90 кВт [1].
Технические
характеристики данного насоса приведены в виде таблицы 3.1:
Таблица
3.1 - Параметры насоса типа 1Д-315-71а
|
Обозначение насоса
|
1Д-315-71a
|
|
Подача, м3/ч
|
300
|
|
Напор, м
|
62
|
|
Номинальная частота
вращения, об/мин
|
3000
|
|
Допускаемый кавитац. запас, м
|
7,0
|
|
Мощность э/двигателя, кВт
|
90
|
Горизонтальный насос двухстороннего входа 1Д 315-71 получил свое название
от разъема корпуса в горизонтальной плоскости. Удобное расположение входящего и
выходящего патрубка в нижней части корпуса насоса позволяет с легкостью
проводить ревизию и ремонт рабочих органов (ротор в сборе) не отсоединяя насос
от трубопровода. Насос применяются для перекачивания чистых и технических вод с
содержанием взвеси и абразивных частиц. Насос Д нашел широкое применение на
насосных станциях в рудо и горнодобывающей промышленности, в сельском
хозяйстве, а также на угольных промывочных установках, электростанциях, теплоэлектроцентралях,
гидроэлектростанциях, одним словом насос Д применяются там, где надо
перекачивать большие объемы жидкости.
Схема обозначения насоса - 1Д-315-71a, где:
- первая модернизация;
Д - двустороннего входа;
- номинальная подача, м3/ч;
- номинальный напор, м;
б - подрезка рабочего колеса.
Характеристика насоса приведена на рисунке 3.1:
Рисунок 3.1 - Характеристика насоса типа 1Д-315-71а
По рекомендациям производителя, для привода насосных агрегатов используются
электродвигатели общепромышленного исполнения и в качестве примера указывают
применение электродвигателя АИР250М2. Существует более новейшая разработка -
5АМ250М2, являющаяся аналогом данного двигателя. В отличие от старого
исполнения, двигатель имеет лучшие коэффициенты отношения пусковых моментов и
тока к номинальным значениям, а также лучший показатель коэффициента мощности,
однако имея при этом больший динамический момент инерции. Предварительно при
кинематических расчётах будем использовать именно его. Кинематическая схема
электропривода представлена на рисунке 3.2:
Рисунок 3.2 - Кинематическая схема электропривода
На рисунке приняты следующие обозначения:
- Асинхронный электродвигатель;
- Муфта;
- Насос.
Тогда одномассовую модель электропривода можно представить в следующем
виде (рисунок 3.3):
Рисунок 3.3 - Одномассовая модель электропривода
Для создания механического соединения между насосом и электродвигателем
будем использовать упругую втулочно-пальцевую муфту. Выберем её по
максимальному моменту, развиваемым электроприводом, согласно следующему
расчёту:
(3.2)
(3.3)
Определим
номинальный момент ЭД по формуле:
(3.4)
Номинальная
угловая скорость:
; (3.5)
Тогда
согласно формуле (3.3):
Таким
образом выбираем из каталога муфту упругую втулочно-пальцевую [2] типа МУВП 500
с номинальным вращающим моментом 
Нм и скоростью вращения 
об/мин. Для данных параметров каталог также рекомендует
выбирать эту муфту, что доказывает правильность расчёта.
Т.
к. момент инерции носит по большей части информативный характер, нежели
является основной частью всего момента инерции механизма, опустим его.
Суммарный
момент инерции электропривода определяется следующим выражением:
. (3.6)
Если
момент инерции электропривода известен, а возможности прямого доступа к
рабочему колесу насоса нет, то момент инерции турбомеханизма определим
приблизительно, суммой двух вращающихся дисков, и лопаток между ними. Значит:
Момент
инерции диска рабочего колеса определяется по следующей формуле:
(3.7)
где
- плотность стали,
;
- радиус
рабочего колеса, руководствуясь габаритами установки,
;
-
площадь диска,
; (3.8)
-
толщина диска,
.
Определим
момент инерции диска рабочего колеса:
Момент
инерции одной лопатки рабочего колеса определяется как:
(3.9)
где
- плотность стали;
- длина
лопатки рабочего колеса, исходя из габаритов установки,
;
- ширина
лопатки рабочего колеса, исходя из габаритов установки,
;
-
площадь лопатки,
;
-
толщина лопатки,
.
Определим
момент инерции одной лопатки рабочего колеса:
Момент
инерции турбомеханизма:
.
Суммарный
момент инерции согласно (3.6):
Математическую
модель асинхронного двигателя представим в виде структурной схемы, изображённой
на рисунке 3.4:
Рисунок
3.4 - Математическая модель асинхронного электродвигателя
На
рисунке, WD - передаточная функция асинхронного двигателя.
3.2
Расчет нагрузок, построение механической характеристики Ммех = f(ω) и нагрузочной диаграммы механизма Ммех
= f(t)
Построим механическую характеристику
используя пример расчёта одной точки - для скорости ω = 165 рад/с. Напор
турбомеханизма можно определить согласно следующему выражению:
(3.10)
Сначала
определим расход, определяемый скоростью нашей точки из следующего соотношения:
(3.11)
Теперь
можно определить рабочий напор на данной скорости:
Получим мощность механизма на этом участке
скорости
(3.12)
И
для определения момента, необходимо воспользоваться следующим выражением:
(3.13)
Построим
технологические характеристики насосного агрегата. Расчеты точек приведём в
виде таблицы 3.2. Расчёты и характеристика производились в среде Microsoft
Office Excell 2007.
Таблица
3.2 - Расчет механической характеристики
|
N, Вт
|
M, Нм
|
Q, м3/c
|
H, м
|
щ, рад/с
|
|
0
|
0
|
0
|
0
|
0
|
|
19,77031
|
0,958483
|
20
|
0,275556
|
20,62667
|
|
158,1624
|
3,833931
|
40
|
1,102222
|
41,25333
|
|
533,7982
|
8,626345
|
60
|
2,48
|
61,88
|
|
1265,3
|
15,33572
|
80
|
4,408889
|
82,50667
|
|
2471,288
|
23,96207
|
100
|
6,888889
|
103,1333
|
|
4270,386
|
34,50538
|
120
|
9,92
|
123,76
|
|
6781,215
|
46,96566
|
140
|
13,50222
|
144,3867
|
|
N, Вт
|
M, Нм
|
Q, м3/c
|
H, м
|
щ, рад/с
|
|
10122,4
|
61,3429
|
160
|
17,63556
|
165,0133
|
|
14412,55
|
77,63711
|
180
|
22,32
|
185,64
|
|
19770,31
|
95,84828
|
200
|
27,55556
|
206,2667
|
|
26314,28
|
115,9764
|
220
|
33,34222
|
226,8933
|
|
34163,09
|
138,0215
|
240
|
39,68
|
247,52
|
|
43435,36
|
161,9836
|
260
|
46,56889
|
268,1467
|
|
54249,72
|
187,8626
|
280
|
54,00889
|
288,7733
|
|
66724,78
|
215,6586
|
300
|
62
|
309,4
|
Ниже, на рисунке 3.5 приведена рабочая характеристика М(ω) механизма, отражающая расчёт
приведённых данных из таблицы 3,2:
Рисунок 3.5 - Рабочая характеристика насоса типа 1Д-315-71а в виде
зависимости М = f(ω)
Для построения нагрузочной диаграммы механизма приведём график расхода
воды в течении суток (рисунок 3.6):
Рисунок 3.6 - Суточный график расхода воды
Определение момента механизма будет производиться таким же образом, как и
при анализе механической характеристики за исключением, того, что осью абсцисс
является ряд значений по времени. Приведём таблицу 3.3 рассчитанных значений:
Таблица 3.3 - Результаты расчета момента механизма при регулировании
расхода насоса с помощью системы ПЧИН-АДКЗР
|
Участок времени
|
Q, м3/c
|
ωр, рад/c
|
Hp, м
|
N, Вт
|
M, Нм
|
|
0-1
|
200
|
206,27
|
27,6
|
19770,31
|
95,85
|
|
1-2
|
200
|
206,27
|
27,6
|
19770,31
|
95,85
|
|
2-3
|
200
|
206,27
|
27,6
|
19770,31
|
95,85
|
|
3-4
|
200
|
206,27
|
27,6
|
19770,31
|
95,85
|
|
4-5
|
200
|
206,27
|
27,6
|
19770,31
|
95,85
|
|
5-6
|
250
|
257,83
|
43,1
|
38613,88
|
149,76
|
|
6-7
|
250
|
257,83
|
43,1
|
38613,88
|
149,76
|
|
7-8
|
250
|
257,83
|
43,1
|
38613,88
|
149,76
|
|
8-9
|
250
|
257,83
|
43,1
|
38613,88
|
149,76
|
|
9-10
|
250
|
257,83
|
43,1
|
38613,88
|
149,76
|
|
10-11
|
280
|
288,77
|
54,0
|
54249,72
|
|
Участок времени
|
Q, м3/c
|
ωр, рад/c
|
Hp, м
|
N, Вт
|
M, Нм
|
|
11-12
|
280
|
288,77
|
54,0
|
54249,72
|
187,86
|
|
12-13
|
280
|
288,77
|
54,0
|
54249,72
|
187,86
|
|
13-14
|
280
|
288,77
|
54,0
|
54249,72
|
187,86
|
|
14-15
|
280
|
288,77
|
54,0
|
54249,72
|
187,86
|
|
15-16
|
280
|
288,77
|
54,0
|
54249,72
|
187,86
|
|
16-17
|
250
|
257,83
|
43,1
|
38613,88
|
149,76
|
|
17-18
|
250
|
257,83
|
43,1
|
38613,88
|
149,76
|
|
18-19
|
250
|
257,83
|
43,1
|
38613,88
|
149,76
|
|
19-20
|
250
|
257,83
|
43,1
|
38613,88
|
149,76
|
|
20-21
|
200
|
206,27
|
27,6
|
19770,31
|
95,85
|
|
21-22
|
200
|
206,27
|
27,6
|
19770,31
|
95,85
|
|
22-23
|
200
|
206,27
|
27,6
|
19770,31
|
95,85
|
|
23-24
|
200
|
206,27
|
27,6
|
19770,31
|
95,85
|
На основании данных таблицы, нагрузочная диаграмма механизма Ммех
= f(t) будет выглядеть следующим образом (рисунок 3.7):
Рисунок 3.7 - Нагрузочная диаграмма механизма М = f(t)
3.3
Предварительный выбор двигателя по мощности
Производитель данных насосов рекомендует использовать в качестве привода
насоса электродвигатели серии 5А, 5АИ, АИР и для насоса 1Д-315-71а необходим
электродвигатель мощностью порядка 90 кВт. Однако в качестве учебных целей и
проверки достоверности данной информации, рассчитаем требуемую мощность
электродвигателя.
Мощность электродвигателя для насоса определяется по формуле:
(3.14)
где
kз - коэффициент запаса, принимаемый 1,1-1,3 в
зависимости от мощности электродвигателя. Примем kз = 1,2;
ƞнас - КПД насоса;
ƞп
- КПД передачи. Т.к. у нас вал АД
соединен жестко с валом насоса с помощью муфты, то ƞп = 1.
Подставим
данные в (3.14) и рассчитаем требуемую расчетную мощность электродвигателя:
3.4 Выбор
номинальной скорости и типоразмера двигателя. Построение характеристики Мдоп
= f(ω), где ωмин≤ ω≤ ωмакс
Выбор электродвигателя будем осуществлять по условию:

(3.15)
В
соответствии со стандартным рядом мощностей электродвигателей, ближайшей
мощностью к рассчитанной в пункте 3.3, является мощность 90 кВт, что
собственно и подтверждает расчеты производителя насосов. Учитывая, что данный
насос рассчитан на номинальную частоту вращения 2900 об/мин (таблица
3.1), из [3], выбираем электродвигатель 5АМ250М2, со степенью защиты IP54.
Параметры электродвигателя 5АМ250М2 приведены в таблице3.4:
Таблица
3.4 - Параметры электродвигателя типа 5АМ250М2
|
Тип двигателя
|
5АМ250М2
|
|
Номинальная мощность
|
 кВт
|
|
Частота переменного тока
|
 Гц
|
|
Номинальный ток
|
 А
|
|
Коэффициент полезного
действия
|
 %
|
|
Cos φ
|
|
|
Момент инерции двигателя
|
 кг·м2
|
|
Частота вращения
|
 об/мин
|
|
Iп/ Iн
|
7,0
|
|
Мп/Мн
|
1,8
|
Допустимый по условиям нагрева момент регулируемого самовентилируемого
асинхронного электродвигателя рассчитывается, исходя из уравнения теплового
равновесия для данной угловой скорости ω и может быть найден по следующей
формуле, которую можно получить после ряда преобразований уравнения теплового
равновесия:
(3.16)
где
μдоп
− допустимый момент в
относительных единицах;
−
относительная частота, а f1ном =
50 Гц - текущая частота;
−
коэффициенты, определяемые по следующим выражениям:
где
βo −
коэффициент охлаждения при ω = 0,
обычно для закрытых АД исполнения IP44-IP54 βo ≈
0,5;
ΔPном − номинальные потери АД, определяемые как:
(3.18)
Рном,
ƞном −
номинальная мощность и номинальный КПД электродвигателя;
ΔPμ ном −
потери в обмотке статора от тока намагничивания, которые рассчитываются по
формуле:
(3.19)
(3.20)
R1 − активное сопротивление обмотки статора;
I1
ном − номинальный фазный
ток статора;
ΔPпер.ном. − переменные потери мощности 3-фазного АД,
вычисляемые по формуле [4]:
(3.21)
kз,m −
коэффициент, соответствующий максимальному к.п.д. АД;
ΔPст.ном. −
номинальные потери в стали, которые можно принять равными:
(3.22)
ΔPмх.ном. −
номинальные механические потери, которые можно принят равными:
(3.23)
Рассчитаем
все необходимые потери. Подставим данные в (3.18) и найдем номинальные потери
АД:
При
kз,т. =
0,9, подставив значения в (3.21)
получим:
Подставив
значение ΔPном в формулы (3.22) и
(3.23) найдем потери в стали и номинальные механические потери:
Подставив
значения в (3.20) получим:
Для
того чтобы найти ΔPμ, сперва необходимо найти активное сопротивление
статора R1,
которое определим используя методику, приведенную в методическом пособии [4], с
помощью следующих формул:
де
Sном −
номинальное скольжение;
−
переменные номинальные потери мощности в обмотках статора;
−
переменные номинальные потери мощности в роторе;
М0 − момент холостого хода;
Мэ. ном.
− электромагнитный номинальный момент.
Подставим
полученные значения в (3.19) и найдем ΔPμ ном:
Подставим
полученные значения в (3.17) и определим коэффициенты:
В
связи с тем, что определение коэффициентов в уравнении теплового равновесия
связано с параметрами, которые не всегда точно известны, для непротиворечивых
результатов решения уравнения относительно μ необходимо проверить условие для номинального режима при θ0 = +40ºС, т.е. при μ = 1 и α = 1
необходимо, чтобы соблюдалось равенство:
(3.25)
из
которого целесообразно найти:
(3.26)
при
уже известных коэффициентах
.
Подставив
полученные коэффициенты в формулу (3.13) получим выражение, для нахождения
допустимого момента электродвигателя в диапазоне работы.
(3.27)
С
помощью программы Microsoft Office Excel
2007 рассчитаем и построим график зависимости допустимого момента от угловой
скорости в относительных единицах. Расчеты зависимости допустимого момента от
угловой скорости и график представлены в таблице 3.5 и на рисунке 3.8
соответственно.
Таблица
3.5 - Расчет зависимости допустимого момента от угловой скорости в
относительных единицах
|
f1,
Гц
|
α
|
μдоп
|
|
5
|
0,1
|
1,06474348
|
|
7,5
|
0,15
|
1,08781418
|
|
10
|
0,2
|
1,10413316
|
|
12,5
|
0,25
|
1,11573966
|
|
15
|
0,3
|
1,12368423
|
|
17,5
|
0,35
|
1,12858916
|
|
20
|
0,4
|
1,13085485
|
|
22,5
|
0,45
|
1,13075232
|
|
25
|
0,5
|
1,12847034
|
|
30
|
0,6
|
1,11785848
|
|
32,5
|
0,65
|
1,10968212
|
|
35
|
0,7
|
1,09964889
|
|
37,5
|
0,75
|
1,08777392
|
|
40
|
0,8
|
1,0740533
|
|
42,5
|
0,85
|
1,05846511
|
|
45
|
0,9
|
1,04096944
|
|
47,5
|
0,95
|
1,02150753
|
|
50
|
1
|
1
|
В связи с тем, что статический момент насосной установки зависит от
скорости, то с уменьшением скорости будет уменьшаться статический момент и
соответственно повышается допустимый по условиям нагрева момент (рисунок 3.8).
Расчетная зависимость μдоп = f(α) подтверждает это.
Рисунок 3.8 - Зависимость относительного допустимого момента μдоп от относительной частоты α
3.5
Построение
нагрузочной диаграммы электропривода M = f(t) за цикл работы
Нагрузочная диаграмма электропривода представляет собой зависимость
электромагнитного момента от времени. Рассматриваемая установка работает в
длительном режиме без каких-либо изменений нагрузки в течении длительного
времени. И изменяется лишь трижды при (Q = 200, м3/c; Q = 250, м3/c и Q = 280, м3/c), каждый раз при этом имея разные
значения электромагнитного момента, что видно из приведённой диаграммы на
рисунке 3.3. Таким образом, проанализировав полученные данные, изобразим
нагрузочную диаграмму в следующем виде (рисунок 3.9):
Рисунок 3.9 - Нагрузочная диаграмма электропривода насоса подачи воды на
предприятие МНПЗ
3.6 Проверка
выбранного электродвигателя по нагреву и перегрузочной способности
Специфика работы электродвигателей в данном режиме насосной установки
такова:
. Электродвигатели работают с длительной постоянной нагрузкой с
постоянным рабочим моментом, меньше номинального;
. Пуск турбомеханизма осуществляется по линейному закону,
вследствие чего пусковой момент Мп не превышает номинальный Мн.
В нормальном режиме работы электродвигатель насоса питается от
управляемого преобразователя частоты, но в аварийных режимах двигатель питается
от сети переменного тока, минуя преобразователь, так называемый режим "bypass". Поэтому необходимо произвести
проверку электродвигателя по условиям прямого пуска.
Согласно проведённому анализу кинематической используем данные полученные
при этом расчёте, а именно суммарный момент инерции:
Найдем
средний статический момент:
. (3.28)
Найдем
пусковой момент:
. (3.29)
Динамический
момент равен:
(3.30)
Температура
окружающей среды:
.
Начальная
температура:
, (3.31)
Найдем
время пуска двигателя:
. (3.32)
Из
справочника [5] берем значение скорости нагрева двигателя, имеющего аналогичные
технические параметры, однако серии 4А:
.
Таким
образом температура двигателя при прямом пуске:
. (3.33)
Таким
образом, температура двигателя при прямом пуске, равная
не превышает допустимую температуру для данного
класса изоляции двигателя F, которая равна
.
Следовательно, выбранный двигатель типа 5АМ250М2 может обеспечить прямой пуск
установки из нагретого состояния с допустимой температурой обмоток.
4.
ПРОЕКТИРОВАНИЕ ПРЕОБРАЗОВАТЕЛЯ ЭЛЕКТРИЧЕСКОЙ ЭНЕРГИИ
4.1 Определение
возможных вариантов и обоснование выбора вида преобразователя электрической
энергии
На данном этапе развития промышленных технологий, большое количество
производственных механизмов нуждается в модернизации и обновлении. Поэтому
неудивительно что, компании, выпускающие различные электроприборы, управляющие
устройства, а в частности и преобразователи частоты заинтересованы в
сотрудничестве с таким производством. Именно поэтому существует целый ряд
фирм-производителей, которые готовы предоставить выбор данных преобразователей
на любые мощности электродвигателей.
Однако, за исключением некоторых специальных возможностей, требующихся в
достаточно узком круге применения, преобразователи отличаются главным образом
конструктивным исполнением.
Таким образом, при выборе преобразователя частоты будем полагаться на
многолетний опыт компании в сфере производства приводов, обеспечивающие его
качество и надёжность. Также стоит обратить внимание на достаточную широту
номенклатуры для беспрепятственного выбора преобразователя по мощности
управляемого двигателя.
Проанализировав рынок производителей управляющего оборудования, было
принято решение выбрать преобразователь частоты зарубежного производства.
Отечественные производители преобразователей частоты очень сильно уступают в
качестве, надежности и производительности.
Так, выбор был сделан на трёх компаниях, удовлетворяющих таким
компонентам, как качество и надёжность, а также предлагающие большой ряд
мощностей на выбор. Это - ABB, Deltа и Siemens.
Опишем основные преимущества и недостатки выбранных преобразователей:
ABB -
один из ведущих мировых производителей приводов переменного тока.
Шведско-швейцарская компания зарекомендовала себя, как производитель высококачественных
преобразователей. Существенным недостатком является цена данных приводов.
Delta
- относительно молодая тайваньская компания, преобразователи частоты которого,
относительно недорогие, уступают по качеству мировым лидерам, хотя в нашей
стране они нашли широкое применение. Однако хорошим показателем послужит опыт
использования оборудования в мировом масштабе и на продолжительном промежутке
времени, которого у молодой компании как раз-таки нет.- как заявляет
производитель, а также многочисленные отзывы пользователей данных
преобразователей, в качестве вышеперечисленным компаниям не уступают. Более
того, цена приводов одной номенклатуры мощности ниже, чем у
шведско-швейцарского производителя. Компания давно себя зарекомендовала на
рынке, что говорит о её опыте на международной арене. Они предназначены для
установки в промышленные системы отопления и кондиционирования, ленточные
транспортеры и насосы. Основываясь на вышеизложенном, останавливаемся на выборе
частотного преобразователя фирмы Siemens.
Из [6] выбираем преобразователь частоты типа MicroMaster 430
6SE6430-2UD38-8FA0.
Основные технические параметры представлены в таблице 4.1.
Таблица 4.1 - Технические параметры преобразователя частоты типа Siemens
MicroMaster 430 6SE6430-2UD38-8FA0
|
Число фаз/напряжение на
входе, В
|
3-фазы 380
|
|
Мощность двигателя, кВт
|
90
|
|
Выходной непрерывный ток, А
|
178
|
|
Ток в течении 1 минуты, А
|
267
|
|
Номинальный ток перегрузки
|
140% - 3 с, 110% - 60 с.
|
|
Степень защиты
|
IP20
|
|
Скалярный режим управления
|
есть
|
Частотный преобразователь MICROMASTER 430 применяется в составе силовых
приводов систем отопления, водоснабжения, вентиляции. Её применение оправдано в
системах кондиционирования воздуха и создания микроклимата. Данные привода
могут применяться для оптимального регулирования скорости электродвигателей при
поддержании силовых параметров на должном уровне.
По сравнению с частотными преобразователями серии Micromaster 420 в
данных преобразователях увеличено количество входов и выходов. По желанию
заказчика инверторы Siemens Micromaster 430 могут поставляться с базовой
панелью оператора с возможностью выбора режима работы - ручного или
автоматического. Программное обеспечение преобразователей адаптировано для
управления промышленным вентиляционным и насосным оборудованием. Приведём
некоторые из достоинств данного частотного преобразователя перед другими:
автоматический повторный запуск при пропадании сети или нарушениях режима
работы;
чтобы предотвратить преждевременный выход из эксплуатации, имеется
встроенная функция оценки и измерения изменений подачи давления. Это не даёт
преобразователю работать в сухую, что значительно продлевает срок его работы;
чтобы уберечь трубопроводную систему от повреждений, частотный
преобразователь способен плавно и постепенно распределять воду, исключая резкие
толчки и удары;
обеспечивает безопасную работу системы водоснабжения. При возникновении
повреждений или протеканий, частотный преобразователь останавливает работу
насоса и подаёт звуковой сигнал тревоги.
4.2
Расчет параметров и выбор электрических аппаратов силовой цепи: входного и
выходного фильтров, тормозного резистора
Для обеспечения надежной и грамотной эксплуатации преобразователя в
составе с ним должно применяться различное дополнительное оборудование.
В выбранном преобразователе частоты, на внешней панели имеются выходные
клеммы, для подсоединения к ним, при необходимости, тормозного резистора.
Однако, учитывая тот факт, что в насосных установках торможение
электродвигателей осуществляется за счет свободного выбега, чтобы не создавать
в трубопроводе избыточное давление и гидравлические удары, в нашей установке
устанавливать тормозной резистор нет необходимости, более того использование
тормозного резистора в нашей системе будет негативно сказываться на состояние
трубопровода.
Для силовой цепи необходимо вычислить входную ёмкость С-фильтра, потому
как данная серия преобразователей ими не комплектуется.
Ток, протекающий по силовой цепи, описывается уравнением:
(4.1)
Отклонение
напряжения в цепи постоянного тока от заданного не должно превышать 5%:
(4.2)
Ток
вычисляется по формуле:
, (4.3)
где
U1H =
220 B; I1H =
157 A;
Cosφ = 0,93.
Подставляя
значения в формулу (4.3), получим:
. (4.4)
Ёмкость
вычисляем по формуле:
,
(4.5)
(4.6)
Подставляя
значения в формулу (4.5), получим:
5.
ПРОЕКТИРОВАНИЕ СИСТЕМЫ АВТОМАТИЧЕСКОГО УПРАВЛЕНИЯ
5.1 Выбор
датчиков для измерения управляемых координат электропривода
Регулируемой координатой в нашей системе является давление, поэтому
необходимо выбрать датчик этого параметра, предназначенный для преобразования
значения абсолютного давления в электрический выходной сигнал. Выбор датчика
осуществляется по значению давления.
В качестве датчика обратной связи по давлению выбираем датчик
производителя BD Sensors серии DS201, основные технические данные которого
приведены в таблице 5.1.
Таблица 5.1 - Основные технические данные датчика давления типа BD Sensors DS201
|
Диапазон измерений
давления, бар
|
0.06…600 (настраиваемый)
|
|
Выходной сигнал
(аналоговый), мА
|
4…20
|
|
Выходной сигнал
(дискретный), мА
|
1,2 или 4 программируемых
PNP выхода (I макс. = 125 мА)
|
|
Точность измерения
|
0.5% от заданного диапазона
измерения
|
|
Напряжение питания датчика
давления и уровня, В DC
|
15…36
(в зависимости от исполнения)
|
|
Рабочая температура, °C
|
-25…+125 °C
|
|
Класс защиты датчика
|
IP66
|
Датчик подходит для работы в вязкой пастообразной агрессивной и
загрязненных средах. Прибор может работать в качестве пикового детектора.
Конструкция индикатора позволяет повернуть дисплей в удобное для наблюдателя
положение в зависимости от положения установки датчика.
Преимущества и особенности датчика давления DS200
Индивидуальная настройка диапазона по требованию заказчика. Например,
-1…4 бар
Светодиодный дисплей: 7-сегментный, 4-х разрядный, вращаемый дисплей и
корпус
Один, два или четыре релейных выхода, простота конфигурирования, оконный
режим или режим гистерезиса, время задержки вкл/выкл
Удобный контроль, программное исполнение функций: программной блокировки,
конфигурирования дисплея.
5.2 Составление
математических моделей (уравнений, структурных схем) объекта управления,
датчиков и исполнительного устройства
Структурную схему, отражающую динамические своиства электропривода
турбомеханизмов можно взять из источника и риведём её на рисунке
Это нелинейная система, которую можно использовать при имитационном
моделировании. Линеаризуем эту систему для синтеза регулятора Wp, приняв передаточную функцию АД в
виде^
(5.1)
а
статический момент Мс линейно зависящий от скорости
(5.2)
где
(5.3)
(5.4)
(5.5)
(5.6)
(5.7)
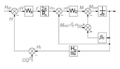
Рисунок
5.1 - Структурная схема электропривода при стабилизации напора в рабочем
диапазоне частот
Wp
- передаточная функция регулятора;
WD
- передаточная функция АД;
β - модуль жесткости механической характеристики АД при данном
статическом моменте;
βс -
модуль жесткости механической характеристики турбомеханизма;
Sк.е -
критическое скольжение на естественной механической характеристике АД;
Tэ - электромагнитная постоянная времени АД.
В
результате получаем линеаризованную структурную схему, приведенную на рисунке
5.2, где
(5.8)
H1 - напор турбомеханизма при Q
= 0 и данной скорости ω.
Рисунок
5.2 - Линеаризованная структурная схема электропривода при стабилизации напора
в рабочем диапазоне
Структурную
схему на рисунке 5.2 можно преобразовать к более удобному виду (рисунок 5.3).
Рисунок
5.3 - Преобразованная линеаризованная структурная схема электропривода
Для
структурной схемы рисунок 5.4, полученной из рисунка 5.3, рассмотрим
передаточную функцию от возмущающего воздействия Q'L:
Рисунок
5.4 - Окончательный вид линеаризованной структурной схемы
Следующие
уравнения описывают приведённую выше, линеаризованную структурную схему:
при Hз
(р) = 0, (5.9)
где
(5.10)
(5.11)
(5.12)
Обычно
в электроприводе турбомеханизма предусматривается ПИ-регулятор давления с
передаточной функцией:
(5.13)
Подставляем
(5.13) в (5.10) и с учетом (5.11) находим:
(5.14)
где
(5.15)
(5.16)
Тогда
(5.17)
Где
(5.18)
Постоянную
интегрирования Ти регулятора давления принимаем равной:
(5.19)
(5.20)
(5.21)
Коэффициент
усиления регулятора давления находим из следующего условия:
(5.22)
Откуда
станет известно:
(5.23)
5.3 Расчет
параметров объекта управления, датчиков и исполнительного устройства
Объектом управления является асинхронный двигатель. Линеаризованная
структурная схема асинхронного двигателя представлена на рисунке 5.5:
Рисунок 5.5 - Линеаризованная структурная схема асинхронного двигателя
Необходимо рассчитать основные параметры эквивалентной схемы замещения
двигателя, это уже было сделано в третьей главе настоящего дипломного проекта,
поэтому продублируем результаты данного расчёта:
Номинальное скольжение:
(5.24)
Номинальная
угловая скорость:
(5.25)
Синхронная
угловая скорость:
(5.26)
Номинальные
потери мощности:
(5.27)
Принимаем:
, (5.28)
(5.29)
Момент
холостого хода:
(5.30)
Электромагнитный
номинальный момент:
(5.31)
Переменные
номинальные потери мощности в роторе:
(5.32)
Задаемся
коэффициентом загрузки kз,m,
соответствующим максимальному к.п.д. АД:
kз,m = 0,5 - 1,0.
Переменные
номинальные потери мощности при kз,m =
0,9:
(5.33)
Постоянные
потери мощности:
(5.34)
Переменные
номинальные потери мощности в обмотках статора:
(5.35)
Активное
сопротивление обмотки статора:
(5.36)
Максимальное
значение электромагнитного момента:
(5.37)
Коэффициент:
(5.38)
Сопротивление:
(5.39)
Приведенное
активное сопротивление фазы ротора:
(5.40)
Индуктивное
сопротивление короткого замыкания:
(5.41)
Критическое
скольжение:
(5.42)
Коэффициент
a:
(5.43)
Рассчитывает
электромагнитный момент АД по формуле Клосса для найденных параметров и
скольжения S = Sном:
(5.44)
Сравниваем
Мэ.ном, рассчитанный по формуле (5.30), с М(Sном).
Если погрешность Δm
превышает допустимую (обычно 5-10%), то корректируем kз,m и М0 , а затем повторяем
расчет до получения требуемой погрешности.
(5.45)
Погрешность
Δm не
выходит за допустимые пределы, следовательно перерасчет производить не надо.
Принимаем:
(5.46)
Ток
холостого хода:
(5.47)
Эквивалентное
сопротивление намагничивающего контура:
(5.48)
Синус
j0
холостого хода
(5.49)
Индуктивное
сопротивление намагничивающего контура:
(5.50)
Определив
значения сопротивлений, рассчитываем значения индуктивностей:
Гн, (5.51)
Гн, (5.52)
Гн. (5.53)
Индуктивности
рассеивания статора и ротора:
(5.54)
(5.55)
Рассчитаем
эквивалентные сопротивления, индуктивности цепи статора и эквивалентную
постоянную времени статора.
Эквивалентная
индуктивность цепи статора:
Гн. (5.56)
Эквивалентное
сопротивление цепи статора:
(5.57)
Электромагнитная
постоянная времени статора:
. (5.58)
Электромагнитная
постоянная времени ротора:
(5.59)
Модуль
жесткости механической характеристики:
(5.60)
где
Мк - критический момент, определяемый по формуле:
Тогда
передаточная функция асинхронного двигателя примет вид:
5.4 Проектирование
регуляторов на основании разработанных математических моделей и требований к
автоматизированному электроприводу
Учитывая, что насосная установка работает с постоянной нагрузкой,
применим в нашей системе скалярное частотное управление по закону ψ1 = const с IR компенсацией.
При скалярном частотном управлении скорость АД регулируется за счет
изменения частоты и амплитуды напряжения. Все законы скалярного управления
обеспечивают достижение требуемых статических характеристик и используются в
электроприводе со "спокойной" нагрузкой.
Функциональная схема такого частотного управления может быть представлена
в следующем виде (рисунок 5.6):
Рисунок 5.6 - Функциональная схема асинхронного электропривода при
частотном управлении по закону ψ1 = const с IR компенсацией
На схеме введены следующие обозначения:
ЗИ - задатчик интенсивности;
РЧ - регулятор частоты;
РН - регулятор напряжения;
ПЧ - преобразователь частоты;
АД - асинхронный двигатель типа 5АМ250М2;
ДТ - датчик тока;
ФП - функциональный преобразователь;
UЗС - напряжение задания скорости;
UЗЧ - напряжение задания частоты;-
заданная частота;
U -
заданное напряжение.
Согласно подпункту 5.2, в электроприводе турбомеханизма будем
использовать ПИ-регулятор давления, имеющий следующую передаточную функцию:
(5.61)
где
(5.62)
Постоянная
интегрирования регулятора давления:
(5.63)
где
(5.64)
(5.65)
.
Передаточная
функция регулятора:
(5.66)
Коэффициент
будет рассчитан по следующей формуле:
(5.67)
Функциональный
преобразователь представлен коэффициентом ke и
определяется из выражения:
(5.68)
Рассчитав
все параметры системы, можно изобразить их, подставляя в структурную схему
электропривода со стабилизацией напора (рисунок 5.7):
Рисунок
5.7 - Структурная схема электропривода с рассчитанными параметрами системы
6.
РАСЧЕТ И АНАЛИЗ ДИНАМИЧЕСКИХ И СТАТИЧЕСКИХ ХАРАКТЕРИСТИК АВТОМАТИЗИРОВАННОГО
ЭЛЕКТРОПРИВОДА
6.1 Разработка
компьютерной (имитационной) модели автоматизированного электропривода
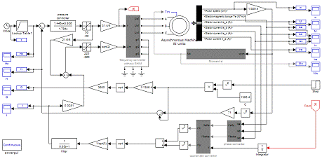
На основании выбранной математической модели выполним построение
имитационной модели автоматизированного электропривода в среде MATLAB 7.8 c использованием идеализированной модели формирования
напряжения на входе блока «Asynchronous Machine SI Units».
На основании структурной схемы электропривода при стабилизации напора
составим имитационную модель автоматизированного электропривода, представленную
на рисунке 6.1.
Рисунок 6.1 - Имитационная модель автоматизированного электропривода при
частотном управлении по закону ψ1 = const
с IR-компенсацией, при стабилизации
напора в рабочем диапазоне частот
Так как, все необходимые расчеты были выполнены в предыдущем разделе,
выполним настройку всех блоков имитационной модели. Некоторые элементы
реализованы в виде подсистем при помощи блока "Subsystem". Все
подсистемы подсвечены графически и имеют каждая своё название. Целесобразно
привести структурные схемы данных блоков.
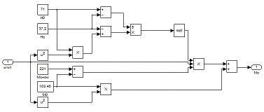
Так подсистема “frequency converter” представляет собой преобразователь
частоты, на вход которой подаётся заданное значение частоты f и амплитуда питающего напряжения Um. Структурная схема представлена на
рисунке 6.2:
Рисунок 6.2 - Структурная схема модели подсистемы "frequency
converter " - Преобразователь частоты
Определение статического момента представлено выражением, определяющим
статический момент электропривода, выражение заключено в подсистему с названием
“Moment st”.
На вход подсистемы подаётся отношение текущей скорости к номинальной.
Структурная схема приведена на рисунке 6,3:
Рисунок 6.3 - Структурная схема модели подсистемы “Moment st” - Определение статического момента
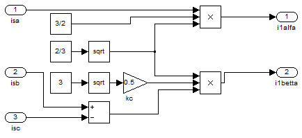
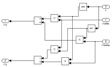
Действующее значение тока двигателя определяется на основании фазных и
координатных преобразований в подсистемах "phase converter" -
Преобразователь фаз и "coordinate converter" -
Преобразователь координат. Преобразования выполняются в соответствии со
следующими выражениями:
преобразование из трехфазной системы координат в двухфазную ("phase
converter" - Преобразователь фаз):
(6.1)
где
i1α, i1β - проекции токов статора в системе координат α-β;
i1a, i1b, i1c - мгновенные значения фазных токов обмотки статора;
преобразование
из неподвижной системы координат во вращающуюся систему координат ("coordinate converter" - Преобразователь координат):
(6.2)
где
i1x, i1y - проекции
токов статора во вращающейся системе координат х-у;
φ - угол поворота системы координат.
Действующее
значение тока определяется из выражения
(6.3)
Структурные
схемы моделей подсистем "phase converter" - Преобразователь фаз и
"coordinate converter" - Преобразователь
координат представлены на рисунках 6.4 и 6.5 соответственно.
Рисунок
6.4 - Структурная схема модели подсистемы "phase converter" -
Преобразователь фаз
Рисунок
6.5 - Структурная схема модели подсистемы "coordinate converter" - Преобразователь координат
Для
моделирования асинхронного двигателя используется стандартный блок Asynchronous Machine SI Units,
расположенный в разделе Machines библиотеки SimPowerSystems. Так как блок
имеет широкий диапазон настроек, приведём для наглядности основное окно
настроек с используемыми рассчитанными параметрами (рисунок 6.6):
Рисунок
6.6 - Основное окно настройки параметров блока асинхронной машины Asynchronous Machine SI Units
6.2 Расчет
переходных процессов и определение показателей качества
Для отображения переходных процессов на диаграммах, произведём
моделирование пуска двигателя насосной установки и разгона его до номинальной
скорости (ωном = 309,4рад/с; H зд = H ном = 62м) без
обратного значения давления. При достижении номинальной скорости и требуемой
высоты напора, в момент времени 15с изменим значение расхода питьевой
воды до Q изм = 300м3/ч и подадим сигал ступенчатым образом
блоком “step”. Такое изменение значения расхода жидкости позволит
проанализировать полученные данные и сделать необходимые выводы. Графики
переходных процессов представлены на рисунках 6.7 - 6.14:
Рисунок 6.7 - График зависимости напора от времени при пуске
электродвигателя типа 5АМ250М2 с помощью преобразователя частоты
Рисунок 6.8 - График зависимости угловой скорости от времени при пуске
электродвигателя типа 5АМ250М2 с помощью преобразователя частоты
Рисунок 6.9 - График зависимости расхода от времени при пуске
электродвигателя типа 5АМ250М2 с помощью преобразователя частоты
Рисунок 6.10 - График зависимости статического момента от времени при
пуске электродвигателя типа 5АМ250М2 с помощью преобразователя частоты
Рисунок 6.11 - График зависимости электромагнитного момента от времени
при пуске электродвигателя типа 5АМ250М2 с помощью преобразователя частоты
Рисунок 6.12 - График зависимости действующего значения тока статора от
времени при пуске электродвигателя типа 5АМ250М2 с помощью преобразователя
частоты
Рисунок 6.13 - График зависимости мгновенного значения тока статора от
времени при пуске электродвигателя типа 5АМ250М2 с помощью преобразователя
частоты
Рисунок 6.14 - График зависимости мгновенного значения тока ротора от
времени при пуске электродвигателя типа 5АМ250М2 с помощью преобразователя
частоты
В результате компьютерного имитационного моделирования были получены
переходные процессы автоматизированного электропривода насосной установки для
подачи питьевой воды на предприятие МНПЗ.
Определение показателей качества системы будет определяться такими
параметрами, как величина регулирования, время регулирования и числом колебаний
исходной величины до установившегося значения за время переходного процесса.
Для оценки перерегулирования нашей системы проанализируем график
переходного процесса зависимости угловой скорости от времени, а именно рисунок
6.8. Как можно убедиться, перерегулирование будет очень низким, что объясняется
наличием задатчика интенсивности. Таким образом колебательность системы можно
принять близкой к нулю, так как значения не превосходят 5% от установившегося
режима.
Быстродействие, определяемое временем достижения системой значения
установившегося состояния, составляет порядка 5 секунд.
6.3 Расчет
зависимости задающего воздействия от времени U3 = f(t) для
реализации технологического процесса за цикл работы
Основная задача насоса - поддержание напора на заданном уровне (Hзд
= 62 м).
Объект управления можно реализовать относительно напора Н на выходе
трубопровода при переменном расходе Q воды. Это не трудно представить следующим
уравнением:
(6.2)
где
С
- коэффициент, зависит от свойств магистрали.
Из графиков видно, что переходные процессы при пуске протекают без
значительных колебаний и отклонений регулируемой величины от заданного
значения. Процесс пуска происходит с примерно постоянным ускорением.
Стабилизация напора при изменении расхода происходит без резких скачков и
колебаний.
Задание напора в данной имитационной модели организовано с помощью блока
линейной интерполяции “Lookup
Table”. Окно настройки данного блока представлено на рисунке 6.15:
Рисунок 6.15 - Основное окно настройки параметров линейной интерполяции
LookUP Table
блок позволяет задать закон изменения напора, которого необходимо
достичь. В данном случае с помощью таблицы данных задан следующий линейный
закон для напора: в начальный момент времени напор отсутствует и равен нулю.
При истечении времени в 5 секунд, напор должен достичь отметки в 62 метра и
остаться на этом уровне. 5 секунд выдержки времени, говорит о времени пуска
двигателя. Характеристика, отображающая данную зависимость, изображена на
рисунке 6.16:
Рисунок 6.16 - График зависимости задания напора от времени при пуске
электродвигателя типа 5АМ250М2 с помощью преобразователя частоты
6.4
Построение статических характеристик электропривода, соответствующих
зависимости U3 = f(t) за цикл работы
Согласно выбранному закону частотного управления, а именно ψ1 = const с IR компенсацией., построим семейство механических
характеристик идеализированного асинхронного двигателя, при частотном
управлении при квадратичном статическом моменте. Эти характеристики можно
представить следующей системой уравнений:
(6.5)
где
- относительная частота.
Подставим
рассчитанные ранее значения в эту систему и используя программу Microsoft Office Excel 2007 построим ряд
механических характеристик варьируя при этом значения относительной частоты от
1 до 0,6 с шагом в 0,2. Система примет следующий вид:
(6.6)
Построим
семейство полученных механических характеристик в относительных единицах и
изобразим их на рисунке 6.17:
Рисунок
6.17 - Механические характеристики электродвигателя 5АМ250М2 при частотном
управлении по закону ψ1 =
const с IR компенсацией.
7.
ОКОНЧАТЕЛЬНАЯ ПРОВЕРКА ПРАВИЛЬНОСТИ ВЫБОРА ДВИГАТЕЛЯ
7.1 Построение
точной нагрузочной диаграммы электропривода за цикл работы автоматизированного
электропривода
Используя имитационную модель, которая была подробно рассмотрена в 6
разделе, была получена зависимость момента от времени при пуске. Из-за длительного
времени работы установки, без изменения нагрузки (от нескольких часов до
нескольких суток) невозможно промоделировать весь цикл работы, поэтому в
качестве точной нагрузочной диаграммы приведём нагрузочную диаграмму при пуске
электропривода (рисунок 7.1).
Рисунок 7.1 - Точная нагрузочная диаграмма автоматизированного
электропривода насоса подачи воды на МНПЗ
7.2 Проверка
электродвигателя по нагреву и перегрузочной способности электропривода по
точной нагрузочной диаграмме
Так как двигатель работает в режиме S1, то по нагреву двигатель проверять не нужно. За время пуска
или торможения температура двигателя практически не изменяется, а в
установившемся режиме двигатель работает в пределах номинальных параметров.
Проверка двигателя по перегрузочной способности производиться по условию:
(7.1)
Исходя
из рисунка 7.1: Mmax = 700 Н·м.
Максимальный
электромагнитный момент был найдет в п. 5.3 и согласно (5.36) Mэ.max = 787,32Н·м.
Проверим
условие (7.1):
700
Н·м < 787,32Н·м.
Следовательно,
двигатель типа 5АМ250М2 по нагреву и перегрузочной способности выбран верно.
8.
ПРОЕКТИРОВАНИЕ СИСТЕМЫ АВТОМАТИЗАЦИИ ПРОМЫШЛЕННОЙ УСТАНОВКИ НА ОСНОВЕ
ПРОГРАММИРУЕМОГО КОНТРОЛЛЕРА
8.1 Формализация
условий работы промышленной установки
Запуск насосной установки происходит в следующем порядке. Преобразователь
частоты подключается к основному электродвигателю и производит его запуск.
В технологическом процессе необходимо поддерживать заданное давление,
поэтому при рассогласовании задающего сигнала с действующим, который можно
получить с помощью выбранного ранее датчика давления, ПЧ меняет значение
частоты в большую, либо меньшую сторону.
При поломке насосной установки возможны следующие случаи:
выход из строя преобразователя частоты. В этом случае система
автоматизации должна немедленно обеспечить подключение АД напрямую к сети;
выход из строя основного либо вспомогательного электродвигателя. В этом
случае необходимо запустить резервный АД.
Визуальная сигнализация выхода из строя преобразователя частоты,
работающего двигателя, а также датчика давления позволит выявить поломку в
работе системы.
8.2 Разработка
алгоритма и программы управления
Согласно требованиям к автоматизации промышленной установки и описанию её
работы, изложенной в п. 8.1, составим алгоритм работы установки и по этому
алгоритму составим программу управления.
Рисунок 8.1 - Алгоритм управления автоматизированным электроприводом
насосной установки для подачи питьевой воды на МНПЗ
Окончание рисунка 8.1
Программа управления автоматизированным электроприводом насосной
установки для подачи питьевой воды на МНПЗ представлена на рисунке 8.2.
Таблица 8.1 - Адресация входов, выходов и промежуточных сигналов
программируемого логического реле Siemens LOGO
|
№
|
Адрес
|
Функция
|
|
Входные переменные
|
|
1
|
I1
|
Исправность
преобразователя частоты
|
|
2
|
I2
|
Исправность датчика
давления
|
|
3
|
I3
|
Исправность работающего
насоса
|
|
4
|
I4
|
Пуск основного насоса -
сигнал с кнопки
|
|
5
|
I5
|
Остановка насосной
установки - сигнал с кнопки
|
|
6
|
I6
|
Пуск резервного насоса -
сигнал с кнопки
|
|
7
|
I7
|
Сигнал о текущем давлении
от датчика давления
|
|
8
|
I8
|
Сигнал задания требуемой
величины давления
|
|
Выходные переменные
|
|
9
|
Q1
|
Сигнализация о
неисправности преобразователя частоты
|
|
10
|
Q2
|
Сигнализация о
неисправности датчика давления
|
|
11
|
Q3
|
Сигнализация о
неисправности работающего насоса
|
|
12
|
Q4
|
Начало работы насоса от
преобразователя частоты
|
|
13
|
Q5
|
Останов работы насоса
|
|
14
|
Q6
|
Начало работы насоса в
режиме “bypass”
|
|
15
|
Q7
|
Сравнение текущего и
заданного значения давления
|
|
16
|
Q8
|
Сигнал на включение
резервного насоса
|
Рисунок 8.2 - Программа управления автоматизированным электроприводом
насосной установки
8.3
Проектирование функциональной схемы системы автоматизации
В случае изменения технологических параметров процесса, ввод новых
параметров осуществляется на пульте управления (ПУ). Информация поступает с
персональной ЭВМ центрального пульта управления. Далее полученная информация
обрабатывается центральным процессорным устройством в соответствии с
преобразованиями по управляющей программе. Рассчитанные параметры
технологического процесса сохраняются во внутреннем оперативном запоминающем
устройстве (ОЗУ). Редко изменяемые данные (текст программы, последовательности
расчетов) - в перепрограммируемое постоянное запоминающем устройстве (ПЗУ).
Во время работы на контроллер поступает информация:
о состоянии преобразователя частоты (ПЧ);
информация от датчиков давления;
Передаваемая информация проходит преобразования в зависимости от
устройства назначения.
Функциональная схема системы автоматизации представлена на рисунке 8.3.
На рисунке 8.3 приняты следующие обозначения:
БП - блок питания;
ПУ ЭВМ - пульт управления персональной электронной вычислительной машины;
ЦП - центральный процессор
МП - модуль памяти;
ПЛР - программируемое логическое реле;
ДВВ - модуль ввода-вывода дискретных сигналов;
ПЧ - преобразователь частоты;
ДД - датчик давления.
Рисунок 8.3 - Функциональная схема системы автоматизации
8.4 Выбор
аппаратов системы автоматизации
В п. 4.1 был выбран для нашей системы преобразователь частоты фирмы
Siemens. Поэтому для хорошей совместимости оборудования целесообразно
использовать программируемое логическое реле этой же фирмы. Из [7] выбираем
программируемое логическое реле Siemens LOGO! 24RC 6ED1 052-1HB00-0BA6.
Логические модули LOGO! - это универсальные программируемые модули,
предназначенные для построения простейших устройств автоматического управления.
Они могут использоваться автономно или дополняться необходимым набором модулей
расширения. Компактные размеры, относительно низкая стоимость, простота
программирования, монтажа и эксплуатации позволяют получать на основе модулей
LOGO! множество рентабельных решений для различных областей промышленного
производства и автоматизации зданий.
Модули LOGO! Basic оснащены встроенным дисплеем и клавиатурой. Они могут
использоваться как на этапе программирования модуля, так и на этапе
эксплуатации готового устройства. Встроенный дисплей позволяет отображать до 4
строк буквенно-цифровой информации с 12 символами на строку и управлением
подсветкой дисплея из программы модуля. Меню и текстовые сообщения могут отображаться
на английском, голландском, испанском, итальянском, китайском, немецком,
русском, турецком, французском и японском языке. Программирование
осуществляется посредством соединения встроенных функциональных блоков и
задания параметров настройки с помощью системы встроенных меню. Все встроенные
функции хранятся в памяти логического модуля в виде двух библиотек.
В процессе эксплуатации на экран дисплея выводятся простейшие оперативные
сообщения, которые можно использовать для модификации параметров настройки с
помощью встроенной клавиатуры модуля.
Так данное реле имеет в своём составе только 8 дискретных входов и 4
дискретных выхода, а нам необходимо 8 выходов, расширим его дополнив
совместимым с ним модулем дискретных сигналов LOGO! DM8 [7]. Таким образом, получим расширенную версию Siemens
LOGO! 24RC с 12 дискретными входами и 8 дискретными выходами. Собственно,
Модуль LOGO! может поддерживать 24 цифровых входов,
Питание данного реле будем производить от блока питания LOGO! Power 6EP1332-1SH42 [7], который
предназначен для питания логических модулей LOGO!, их входных и выходных цепей,
а также любых других нагрузок. Приведём таблицу 8.2 основных технических
параметров программируемого реле:
Таблица 8.2 Технические параметры программируемого реле Siemens LOGO!
24RC 6ED1052-1HB00-0BA6 и дополнительным модулем входов/выходов LOGO! DM8
|
Напряжение питания, В
|
24 В постоянного или
переменного тока
|
|
Потребление тока, мА
|
45 ... 130 мА при 24 В
переменного тока 40 ... 100 мА при 24 В постоянного тока
|
|
Число входов
|
12 дискретных
|
|
Количество выходов
|
8 дискретных
|
IP 20
|
|
Операции:
|
38 встроенных функций,
включая триггеры, счетчики, таймеры, импульсные реле, компараторы, генераторы
импульсов и т.д.
|
|
Языки программирования
|
Ladder/Function Block
Diagram
|
|
Температура окружающей
среды
|
0 ... 55 °C
|
|
Дисплей и клавиатура
|
Отображение настроек
программы на дисплее
|
|
Необходимое программное
обеспечение
|
LOGO! Comfort V6.0 и выше
|
8.5 Проектирование
схемы электрической соединений системы автоматизации
Электрическая схема соединения системы автоматизации представлена на
рисунке 8.4. На рисунке изображены такие элементы автоматизации как
преобразователь частоты Siemens Micromaster 430 и программируемое логическое
реле Siemens LOGO! вместе с блоком питания LOGO! Power.
Рисунок 8.4 - Схема электрическая соединений системы автоматизации
8.6 Полное
описание функционирования системы автоматизации
Программируемое логическое реле обеспечивает полную автоматическую работу
насосной установки с поддержанием давления в заданных пределах.
При включении программируемого логического реле, контроллер проверяет,
работает ли преобразователь частоты, а также проверяет работоспособность
датчика давления (есть ли сигнал) и электропривода (есть ли вращение на валу).
В случае неработоспособности чего-либо из вышеописанного, на панели
преобразователя сигнализируется ошибка. Если преобразователь частоты
неисправен, обеспечивается пуск электродвигателя напрямую от сети, обходя сеть
частотного преобразователя. Если преобразователь частоты в порядке, то при
нажатии на кнопку "Пуск" основной двигатель подключается к
преобразователю частоты и осуществляет его разгон до необходимой скорости.
Сигнал о текущем давлении в трубопроводе приходит на преобразователь частоты,
который, в свою очередь, настроен на поддержание необходимого значения
давления. Сигнал о текущей частоте приходит на логическое реле, которое, при
необходимости, согласно алгоритму работы, производит переключение контакторов.
При выходе из строя двигателя, данная насосная установка отключается и вместо
неё, в совместную работу насосной станции, вступает в работу резервный
двигатель. При вторичной поломке одного из двух оставшихся в работе двигателей
насосная станция полностью отключается до разбирательства.
При нажатии на кнопку "Стоп" все рабочие двигатели отключаются
от питания и останавливаются за счет свободного выбега.
При выходе из строя преобразователя частоты, установка работает по схеме
описанной выше, однако пуск двигателей осуществляется напрямую от сети.
9.
ПРОЕКТИРОВАНИЕ СХЕМЫ ЭЛЕКТРОСНАБЖЕНИЯ И ЭЛЕКТРИЧЕСКОЙ ЗАЩИТЫ ПРОМЫШЛЕННОЙ
УСТАНОВКИ
9.1 Выбор
аппаратов, проводов и кабелей
Для питания выбранного программируемого логического реле необходимо
использовать блок питания с выходным постоянным напряжением 24В. Из [7]
выбираем блок питания фирмы SIEMENS
LOGO! Power 6EP1332-1SH42, c основными техническими параметрами,
представленными в таблице 9.1.
Таблица 9.1 - Технические параметры блока питания LOGO! Power 6EP1332-1SH42
|
Параметр
|
Значение
|
|
Номинальное входное
напряжение, В
|
~ 100 - 240
|
|
Номинальное входное
напряжение, В
|
= 24В
|
|
Номинальный выходной ток, А
|
2,5
|
|
Температура окружающей
среды, ºС
|
-20 − +55 (рабочий
диапазон)
|
|
Степень защиты
|
IP20
|
Магнитные пускатели предназначены для пуска и разгона электродвигателя до
номинальной скорости, обеспечения его непрерывной работы, отключения питания и
защиты электродвигателя и подключенных цепей от рабочих перегрузок. Выбор
магнитных пускателей будем производить по номинальному току электродвигателя в
соответствии со следующим выражением [8]:
(9.1)
где
Iм.п. -
номинальный ток магнитного пускателя.
Для
нашего асинхронного двигателя типа 5АМ250М2 с номинальным током Iн = 157 А из [9] выбираем магнитные пускатели ПМ12-180120 в
количестве 6шт., со следующими основными техническими параметрами:
Таблица
9.2 - Технические параметры магнитного пускателя ПМ12-180120
|
Параметр
|
Значение
|
|
Номинальный ток главной
цепи, А
|
180
|
|
Номинальное напряжение
втягивающей катушки, В
|
380
|
|
Номинальное напряжение
изоляции, В
|
1000
|
|
Мощность двигателя, кВт
|
до 90
|
|
Степень защиты
|
IP54
|
|
Наличие теплового реле
|
Без теплового реле
|
Так как данные пускатели не комплектуются тепловыми реле их необходимо
выбрать. Тепловые реле используются для защиты электродвигателей от длительных
перегрузок по току при обрыве одной из фаз. При длительном режиме работы
двигателей номинальный ток нагревательного элемента теплового реле Iн.э выбирают, исходя из номинального
тока двигателя Iн, по соотношению [8]:
(9.2)
Из
[10] выбираем тепловое реле РТИ-5376 IEK с регулируемым током срабатывания в
пределах 150-180А.
Выбор
плавких предохранителей производим по номинальному напряжению, по номинальному
току предохранителя и по номинальному току плавкой вставки в соответствии со
следующими выражениями [8]:
(9.3)
где
Iпл.вст. -
номинальный ток плавкой вставки,
Iп - пусковой ток двигателя.
Пусковой
ток электродвигателя определяется выражением [8]:
(9.4)
Из
[11] выбираем плавкие предохранители ППН-41, с номинальным током плавкой
вставки 1250А.
Подключение
всего оборудования осуществляется с помощью автоматических выключателей.
Номинальные токи автоматического выключателя Iна и его расцепителей Iнр определяют по номинальному току двигателя [8].
(9.5)
Ток
срабатывания электромагнитного расцепителя находим по формуле:
, (9.6)
где
- кратность отсечки, определяемая из неравенства:
, (9.7)
где
1,25 - коэффициент, учитывающий разброс защитных характеристик автоматического
выключателя.
.
Тогда
согласно формуле (9.6) имеем:
Из
[10] выбираем автоматические выключатели ВА88-43 IEK, со следующими
техническими параметрами (таблица 9.3):
Таблица
9.3 - Технические параметры автоматического выключателя ВА88-32
|
Параметр
|
Значение
|
|
Количество полюсов
|
3
|
|
Номинальное рабочее
напряжение, В
|
380
|
|
Уставка теплового
расцепителя, А
|
1000-1600
|
|
Срок службы не менее, лет
|
15
|
|
Диапазон рабочих
температур, ºС
|
− 60 … + 40
|
Для подключения блока питания к сети из [10] выбираем двухполюсный
автоматический выключатель ВА47-2П.
Для выбора общего вводного автоматического выключателя необходимо
определить общую расчетную нагрузку.
(9.8)
где
Ки = 0,7 - коэффициент использования для насосов [8].
Тогда
Расчетная
реактивная мощность определяется следующим образом:
(9.9)
Расчетный
ток группы электродвигателей:
(9.10)
Из
[10] выбираем трехполюсный автоматический выключатель ВА88-43 IEK с
аналогичными параметрами, приведенными в таблице 9.3.
Выбор
сечения кабеля по допустимому нагреву производится по таблице допустимых токов
по условию [8]:
, (9.10)
где
- коэффициент, учитывающий фактические условия
прокладки ( при нормальных условиях прокладки
).
Следовательно
.
Выбор
сечения по условию соответствия аппаратов максимальной токовой защиты,
установленной в начале линии, производится по условию:
(9.12)
где
kз -
кратность длительного допустимого тока провода или кабеля по отношению к
номинальному току или току срабатывания защитного аппарата. kз = 1.
Iз -
номинальный ток защитного аппарата.
Следовательно
выбор кабелей осуществляем по условию
Используя
таблицу допустимых токов кабелей в [8] можно сделать вывод, что нам необходимо
использовать кабель с сечением токопроводящей жилы 10мм2. Из [13]
выбираем кабель ВВГ-1х10.
10.
ПРОЕКТИРОВАНИЕ СХЕМЫ ЭЛЕКТРИЧЕСКОЙ ПРИНЦИПИАЛЬНОЙ АВТОМАТИЗИРОВАННОГО
ЭЛЕКТРОПРИВОДА
10.1 Схема
электрическая принципиальная автоматизированного электропривода
На основании функциональной схемы, а также выбора всех аппаратов и
элементов, можно построить электрическую принципиальную схему
автоматизированного электропривода, которая изображена на рисунке 10.1.
На рисунке приняты следующие обозначения:
М6-М9 - асинхронный электродвигатель типа 5АМ250М2;
КК1-КК8 - тепловое реле типа РТИ-5376;
ПЛР - программируемое логическое реле типа SIEMENS LOGO! 24RC 6ED1
052-1HB00-0BA6;
ПЧ - преобразователь частоты типа SIEMENS MicroMaster 430
6SE6430-2UD38-8FA0;
БП - блок питания типа SIEMENS LOGO! Power 6EP1332-1SH42;
ДД - датчик давления типа BD Sensors DS201;-FU12 - плавкие предохранители
типа ППН-41;
КМ1-КМ7 - магнитные пускатели типа ПМ12-180120;
L1-L3 - входные дроссели типа RWK
212-46-KL;, QF3-QF7 - автоматические выключатели типа ВА88-43;- автоматический
выключатель типа ВА47-2П.
Рисунок 10.1 - Схема электрическая принципиальная автоматизированного
электропривода
10.2 Составление
перечня элементов электрооборудования промышленной установки
Таблица 10.1 - Перечень элементов электрооборудования промышленной
установки
|
Поз. обозначение
|
Наименование
|
Кол.
|
Прим.
|
|
1
|
2
|
3
|
4
|
|
|
|
|
|
Автоматический
выключатель
|
|
|
|
QF1, QF3-QF7
|
ВА88-43
|
6
|
|
|
QF2
|
BA47-2П
|
1
|
|
|
|
|
|
|
Блок питания
|
|
|
|
БП
|
LOGO! Power
6EP1332-1SH42
|
1
|
|
|
|
|
|
|
Входной дроссель
|
|
|
|
L
|
RWK 212-46-KL
|
3
|
|
|
|
|
|
|
Датчик давления
|
|
|
|
Датчик давления
|
BD Sensors DS201
|
1
|
|
|
|
|
|
|
Магнитный пускатель
|
|
|
|
КМ1-КМ7
|
ПМ12-180120
|
7
|
|
|
|
|
|
|
Насос
|
|
|
|
Н6-Н9
|
1Д-315-71а
|
4
|
|
|
|
|
|
|
1
|
2
|
3
|
4
|
|
Плавкий предохранитель
|
|
|
|
FU1-FU12
|
ППН-41
|
12
|
|
|
|
|
|
|
Преобразователь частоты
|
|
|
|
ПЧ
|
MicroMaster 430
6SE6430-2UD38-8FA0
|
1
|
|
|
|
|
|
|
Программируемое
логическое реле
|
|
|
|
ПЛР
|
LOGO! 24RC 6ED1
052-1HB00-0BA6
|
1
|
|
|
|
|
|
|
Тепловое реле
|
|
|
|
КК1-КК8
|
РТИ-5376
|
8
|
|
|
|
|
|
|
Электродвигатель
|
|
|
|
М6-М9
|
5АМ250М2
|
4
|
|
10.3 Полное
описание функционирования схемы электрической принципиальной
автоматизированного электропривода
На рисунке 10.1 представлена схема автоматизированного электропривода
насосной установки для подачи питьевой воды на предприятие Мозырский НПЗ. Для
защиты электродвигателей и преобразователя частоты, их подключение к
промышленной сети производится через автоматические выключатели QF1, QF3-QF7. Для защиты
цепи питания системы автоматического управления используется автоматический
выключатель QF2. Он защищает блок питания БП от
коротких замыканий, перегрузок и снижения напряжения. Программируемое
логическое реле получает питание =24В от блока питания.
Помимо автоматических выключателей, электродвигатели защищены при помощи
плавких предохранителей и тепловых реле.
При поступлении сигнала "Пуск" с пульта управления, происходит
запуск насосной установки, в задачу которой входит поддержание постоянного
давления в трубопроводе в зависимости от времени суток. В зависимости от
требований со стороны технологического процесса расход воды будет различным, а
для более правильного его ведения целесообразна смена двигателей в случае
выхода из строя одного из них, автоматическое переключение которых, при
необходимости, осуществляет программируемое логическое реле SIEMENS LOGO!,
согласно алгоритму работы (рисунок 8.1). При поломке двигателя, система
автоматизации произведет отключение вышедшей из строя насосной установки и
вместо неё, при необходимости, в совместную работу запустит резервную насосную
установку. Система автоматического управления позволяет работать насосной
установке без вмешательства человека, в полностью автоматическом режиме.
11.
ОХРАНА ТРУДА
11.1 Расчет
зануления для автоматизированного электропривода насосной установки машины
непрерывного литья заготовок
Зануление - это преднамеренное электрическое соединение с нулевым
защитным проводником металлических нетоковедущих частей, которые могут
оказаться под напряжением.
Принцип действия зануления - превращение
замыкания на корпус в однофазное короткое замыкание (между фазным и нулевым
проводником) с целью вызвать больший ток, способный обеспечить срабатывание
защиты и автоматически отключит поврежденное электрооборудование от питающей
сети. В качестве отключающих аппаратов могут быть использованы плавкие
предохранители, автоматические выключатели, магнитные пускатели и т.д.
Необходимо также отметить, что с момента возникновения аварии (замыкания на
корпус) до момента автоматического отключения поврежденного оборудования от
сети имеется небольшой промежуток времени, в течение которого прикосновение к
корпусу опасно, так как корпус находится под напряжением Uф (рисунок 11.1) и отключение его
от сети еще не произошло. В этот период срабатывает защитная функция заземления
корпуса оборудования через нулевой защитный проводник.
Из рисунка видно, что схема зануления требует
наличия в сети следующих элементов: нулевого защитного проводника, глухого
заземления нейтрали источника тока, повторного заземления нулевого защитного
проводника.
Нулевой защитный проводник предназначен для
обеспечения необходимого отключения установки значения тока путем создания для
этого тока цепи с малым сопротивлением.
Назначение заземления нейтрали - снижение
напряжения зануленных корпусов относительно земли до безопасного значения при
замыкании фазы на землю.
Назначение повторного заземления нулевого
защитного проводника - снижение напряжения на корпус относительно земли при
замыкании фазы на корпус в случае исправной схемы и в случае обрыва нулевого
защитного проводника, в соответствии с ТКП 339-2011.
Рисунок 11.1 - Схема зануления
На рисунке приняты следующие обозначения:
- корпус;
- аппараты защиты от токов короткого замыкания;
R0 -
сопротивление заземления нейтрали источника тока;
Ik - ток короткого замыкания;
Iн -
часть тока короткого замыкания, протекающая через нулевой проводник;
Iз - часть тока короткого, протекающая через землю;
Область применения зануления:
) трехфазные четырех проводные сети напряжением до 1000 В с заземленной
нейтралью;
) сети постоянного тока, если средняя точка источника заземлена;
) однофазные сети переменного тока с заземленным выводом.
Отключение поврежденной насосной установки от питающей сети произойдет,
если значение тока однофазного короткого замыкания IК, которое искусственно создается в цепи, превысит значение
тока срабатывания защитного аппарата Iэ.р. и
выполнит следующее условие:
. (11.1)
Уставка
срабатывания по току короткого замыкания автоматического выключателя I
= 1000А (таблица 9.3). Таким образом
из (11.1) следует:
Величину
тока однофазного короткого замыкания, возникающего в петле фаза - нулевой
провод, при однофазном замыкании на корпус, определяют по формуле [14]:
(11.2)
где
(11.3)
Zп - полное сопротивление петли фаза-ноль;
Zт/3 -
сопротивление трансформатора;
Rф - активное
сопротивление фазных жил кабеля;
R0 - активное сопротивление зануляющего проводника;
х - реактивное сопротивление (определяется только для
электропроводок в стальных трубах);
Согласно
источнику Rф =
3,74Ом/км, R0 =
1,07Ом/км, Zт/3
= 0,043Ом.
Сопротивление на участке длиной 30 м фазной жилы:
Rф = 3,74·0,03 = 0,1122 Ом.
Сопротивление на участке длиной 30 м нулевой жилы:
R0 =1,07·0,03 = 0,0321 Ом.
Подставим значения в формулу (11.3) и найдем
полное сопротивление петли фаза-ноль.
Находим
действующее значение тока однофазного короткого замыкания, проходящего в схеме
в аварийном режиме:
Согласно
условию (11.1):
Следовательно,
отключающая способность системы зануления обеспечена.
11.2 Меры
безопасности при обслуживании электродвигателей насосной станции
Если работа на насосной установкой связана с прикосновением работающих к токоведущим
или вращающимся частям, то электродвигатель должен быть отключён. Работа, не
связанная с прикосновением к токоведущим или вращающимся частям насосной
установки, проводиться при работающем электродвигателе. Запрещается снимать
защитное ограждение вращающихся частей работающего электродвигателя и
механизма.
При работе на насосной установке заземление устанавливается на любом
участке кабельной линии, соединяющей электродвигатель с щитом или сборкой. Если
на отключённом электродвигателе работы не проводятся или прерваны на несколько
дней, то отсоединённая от него кабельная линия заземляется со стороны
электродвигателя. В тех случаях, когда сечение жил кабеля не позволяет
применять переносные заземления, допускается заземлять кабельную линию медным проводником
сечением не менее сечения жилы кабеля либо соединять между собой жилы кабеля и
изолировать их. Такое заземление и соединение жил кабеля должно учитываться в
оперативном журнале наравне с переносным заземлением. На установке вывешиваются
плакаты "Стой! Напряжение" независимо от того, находятся они в работе
или нет. На электродвигателе, на котором предстоит работа, должен быть вывешен
плакат "Работать здесь".
Со схем ручного, дистанционного и автоматического управления снимается
напряжение, а на ключах, кнопках управления электроприводами должны быть
вывешены плакаты "Не включать! Работают люди", согласно ТКП 427-2012.
Контроль работы электроприводов насосов проводит бригада с разрешения
начальника смены структурного подразделения организации, в котором они
установлены. О выдаче разрешения делается запись в оперативном журнале
структурного подразделения организации, а о получении этого разрешения - в
оперативном журнале структурного подразделения организации, проводящего
опробование.
Порядок включения электродвигателей для опробования содержит следующие
операции:
Производитель работ выводит бригаду с места работы, оформляет перерыв в
работе и сдаёт наряд оперативно-ремонтному персоналу, который в свою очередь
снимает установленные заземления, плакаты безопасности, выполняет сборку схемы.
После опробования при необходимости продолжения работы на электродвигателе
оперативно-ремонтный персонал вновь подготавливает рабочее место, и бригада по
наряду повторно допускается к работе на электродвигателе. Включать и отключать
электродвигатели пусковой аппаратурой с приводами ручного управления необходимо
в электроизолирующих перчатках. Ремонт и наладку электрических схем
электроприводов, не соединённых с исполнительным механизмом, допускается
проводить по распоряжению. Их опробование разрешает лицо, отдавшее
распоряжение. Запись об этом должна быть сделана при регистрации распоряжения.
11.3 Пожарная
безопасность
В соответствии с ТКП474-2013, данное производство по пожарной, взрывной и
взрывопожарной опасности можно отнести к категории Д. Категория Д - это
производства, в которых обрабатываются негорючие вещества и материалы в
холодном состоянии. Здание, в котором предполагается размещение данной насосной
станции, можно отнести ко II степени огнестойкости, в котором допускается
использовать один эвакуационный выход, если число работающих соответствует
приведенному в таблице 11.1.
Таблица 11.1 - Использование эвакуационного выхода
|
Степень огнестойкости
здания
|
Предельное число
эвакуируемых человек с одного этажа здания при числе этажей
|
|
2
|
3
|
4 и более
|
|
II
|
70
|
35
|
15
|
Ширина эвакуационного прохода составляет не менее 1 м., коридор или
переход в другое здание - не менее 1,4 метра. Ширина лестничных маршей не менее
ширины выхода на лестничную площадку с наиболее населенного этажа, но не менее
1 метра. Максимальное расстояние от наиболее удаленного рабочего места до
эвакуационного выхода должно составлять 50 метров.
В качестве способа предотвращения распространения огня, здание
оборудовано огнестойкими противопожарными перегородками 1 типа.
Помещение, в котором располагается насос, оборудовано первичными
средствами пожаротушения. В качестве таких средств можно применять
углекислотные и порошковые огнетушители, предназначенные для тушения различных
материалов установок под напряжением до 1000В.
12.
ЭКОНОМИЧЕСКОЕ ОБОСНОВАНИЕ ТЕХНИЧЕСКИХ РЕШЕНИЙ
Электроприводы турбомеханизмов потребляют 25% всей вырабатываемой
электроэнергии и в большинстве случаев остаются нерегулируемыми, что не
позволяет получить режим рационального энергопотребления и расхода воды, пара,
воздуха и т. д., при изменении технологических потребностей в широких пределах.
Силовое оборудование выбирается на максимальную производительность, в
действительности же его среднесуточная загруженность может составлять около 50%
от номинальной мощности. Значительное снижение момента нагрузки при снижении
скорости вращения приводного двигателя, характерное для рассматриваемых
механизмов, обеспечивает существенную экономию электроэнергии (до 50%) при
использовании регулируемого электропривода и позволяет создать принципиально
новую технологию транспортировки воды, воздуха и т. д., обеспечивающую
эффективное регулирование производительности агрегата. Кроме того, поддержание
в системе минимально необходимого давления приводит к существенному уменьшению
непроизводительных расходов транспортируемого продукта и снижению аварийности
гидравлических и пневматических сетей.
Невысокие требования к качеству регулирования давления и расхода
обуславливают возможность применения наиболее простых и, следовательно,
относительно недорогих преобразователей частоты, которые являются наиболее
удобными с точки зрения проектирования и наладки. Положительным моментом
является также то, что преобразователь частоты может быть легко внедрен в уже
существующую установку без какой-либо реконструкции системы в целом. Сочетание
высокой экономичности регулирования и относительно низкой стоимости
оборудования обеспечивает минимальный срок его окупаемости (до 12 месяцев).
Создание системы с частотно-регулируемыми приводами, в которых управление
частотой осуществляется наряду с контролем целого комплекса различных
технологических параметров, позволяет снизить не только потребление
электрической энергии, но и обеспечивает экономию потребления энергоресурсов
всей системы.
В целом, применение частотно-регулируемого асинхронного электропривода в
насосных и вентиляторных установках дает следующие преимущества:
экономия электроэнергии до 60%;
экономия транспортируемого продукта за счет снижения непроизводительных
расходов до 25%;
снижение аварийности гидравлической или пневматической сети за
счет поддержания минимально необходимого давления;
снижение аварийности сети и снижение аварийности
электрооборудования за счет устранения ударных пусковых токов;
снижение уровня шума, создаваемого технологическим оборудованием;
удобство автоматизации;
удобство и простота внедрения.
Произведём расчёт экономии потребляемой электроэнергии при использовании
системы ПЧ-АД по сравнению с регулированием производительности насосной станции
при помощи задвижки. При расчетах примем, что за годовой период потребления
питьевой воды, по нуждам завода необходимо было поддерживать давление,
достаточное для бесперебойной работы персонала, что соответствует нагрузочной
диаграмме представленной рисунке 3.6 и зададимся количеством рабочих дней
равным 365 дней, потому как на заводе действует посменный график работы, за
видом того, что расход в ночные часы заметно меньше, чем днём, что и
демонстрирует приведённая диаграмма.
Количество потребляемой электроэнергии в системе ПЧ-АД определяется по
формуле [15]:
(12.1)
где
Pт/м(Q) -
потребляемая мощность турбомеханизма, определяемая как [15]:
(12.2)
a
- коэффициент, принимаемый для
насосов a = 0,08 - 0,15. Принимаем a = 0,1.
ΔPАД - потери АД, исходя из частичной загруженности
двигателя, определяемые как:
(12.3)
ƞАДраб - КПД двигателя при частичной загруженности;
ΔPПЧ - потери в преобразователе частоты.
(12.4)
ƞПЧ
- КПД преобразователя частоты, равный
0,95 - 0,99. Принимаем ƞПЧ = 0,97.
КПД
двигателя при частичной загрузке будем находить из графика зависимости КПД от
коэффициента загрузки. Т.к. график загрузки для нашего двигателя 5АМ250М2 найти
в общедоступной литературе невозможно, то в наших учебных целях будем
использовать график загрузки для аналогичного по мощности двигателя 4А250М2,
что не составит больших погрешностей в расчета и допустимо в наших учебных
целях. Из [16] возьмем данные зависимости КПД от коэффициента загрузки.
По
таблице 12.1 нанесем точки на ось и произведем их аппроксимацию, получение
которой изобразим на рисунке 12.1.
Таблица
12.1 - Зависимость КПД от коэффициента загрузки для двигателя 4АМ250М2
|
ȠАД, %
|
25
|
50
|
75
|
100
|
125
|
|
P2/Pн, %
|
84
|
90
|
92
|
92
|
91,5
|
Рисунок 12.1 - График зависимости КПД коэффициента загрузки двигателя
Коэффициент загрузки определяется по формуле:
(12.4)
Произведем
расчет потребляемой мощности основной насосной установкой, работающей согласно
диаграмме 3.3:
- Произведем расчет потребляемой мощности насосной установкой, с
расходом Q = 280м3/ч.
Потребляемая мощность насосом:
Как
рассчитывалось ранее в п. 3.5, при расходе Q = 280м3/ч. насосная установка работает с рабочим моментом М(Q=280м3/ч)
= 187,9 Н·м. Определим коэффициент загрузки:
откуда
из рисунка 12.1 следует, что ƞАД ≈ 0,915.
Потери
двигателя:
Потери
в преобразователе частоты:
Тогда
потребляемая мощность при расходе в 280м3/ч будет равна:
- Произведем расчет потребляемой мощности насосной установкой, с
расходом Q = 250м3/ч.
Потребляемая мощность насосом:
Как
рассчитывалось ранее в п. 3.5, при расходе Q = 250м3/ч.
насосная установка работает с рабочим моментом М(Q=250м3/ч)
= 149,8 Н·м. Определим коэффициент загрузки:
откуда
из рисунка 12.1 следует, что ƞАД ≈ 0,9.
Потери
двигателя:
Потери
в преобразователе частоты:
Тогда
потребляемая мощность при расходе в 250м3/ч будет равна:
- Произведем расчет потребляемой мощности насосной установкой, с
расходом Q = 200м3/ч.
Потребляемая мощность насосом:
Как
рассчитывалось ранее в п. 3.5, при расходе Q = 200м3/ч. насосная установка работает с рабочим моментом М(Q=200м3/ч)
= 95,9 Н·м. Определим коэффициент загрузки:
откуда
из рисунка 12.1 следует, что ƞАД ≈ 0,86.
Потери
двигателя:
Потери
в преобразователе частоты:
Тогда
потребляемая мощность при расходе в 200м3/ч будет равна:
Количество
потребляемой электроэнергии за год работы насосной станции, при регулировании с
помощью ПЧ:
(12.6)
Теперь
рассчитаем потребляемую мощность при регулировании производительности насосной
станции с помощью задвижки.
Потребляемая
электроэнергия при регулировании производительности насосной станции задвижкой:
(12.7)
Pт/м(Q) - потребляемая мощность турбомеханизма, определяемая
по естественной характеристике насоса (рисунок 3.1).
По
рисунку 3.1 определяем потребляемую мощность насосом при расходе Q
= 280м3/ч:
Определяем
потребляемую мощность насосом при расходе Q = 250м3/ч:
Определяем
потребляемую мощность насосом при расходе Q = 200м3/ч:
Количество
потребляемой электроэнергии за год работы насосной станции, при регулировании
производительности при помощи задвижки:
Проанализировав
данные, полученные из вышеприведенного расчета, можно заметить заметную
экономию электроэнергии за год работы насосной станции, при использовании ПЧ:
(12.8)
что
в процентом соотношении равняется:
(12.9)
Стоимость
электроэнергии рассчитывается по следующей формуле::
(12.10)
где
- цена кВт·ч электроэнергии.
для промышленных и приравниваемых к ним потребителям,
с присоединенной мощностью до 750кВА [17].
Годовая
стоимость электроэнергии при регулировании производительности преобразователем
частоты:
Годовая
экономия при использовании преобразователя частоты:
Величина
суммарных затрат по внедрению частотного регулируемого электропривода насосной
станции определяется как:
(12.11)
где
- цена преобразователя частоты и устройств
автоматизации, руб.,
-
коэффициент увеличения затрат на дополнительные проектно-конструкторские
работы, монтаж, наладку и запуск оборудования, в зависимости от мощности
преобразователя,
. Принимаем кдоп = 1,15.
Срок
окупаемости проекта рассчитывается по формуле:
(12.12)
Стоимость
преобразователя частоты равна [18]:
Стоимость
программируемого логического реле равна [19]:
По
формуле (12.11) определим величину суммарных затрат по внедрению
частотно-регулируемого электропривода:
Тогда
срок окупаемости модернизации насосной установки, за счет экономии электроэнергии,
по составит:
Плановая
продолжительность ремонтного цикла (ремонтный цикл - наработка электрического
оборудования, выраженная в годах календарного времени между двумя капитальными
плановыми ремонтами) определяется по следующей формуле [20]:
(12.14)
где
- продолжительность ремонтного цикла,
лет (для
асинхронного электродвигателя),
лет (для преобразователя частоты);
-
коэффициент, учитывающий уменьшение ремонтного цикла основного оборудования,
для ремонтного цикла,
для
межремонтного периода.
Плановая
продолжительность ремонтного цикла для асинхронного электродвигателя
составляет:
Плановая
продолжительность ремонтного цикла для преобразователя частоты составляет:
Плановая
продолжительность межремонтного периода определяется формулой [20]:
(12.15)
где
tТАБЛ -
продолжительность межремонтного периода,
мес. (для
асинхронного электродвигателя),
мес. (для
преобразователя частоты);
Плановая
продолжительность межремонтного периода для асинхронного электродвигателя
составляет:
Плановая
продолжительность межремонтного периода для преобразователя частоты составляет:
По
полученным величинам можно рассчитать количество капитальных и текущих ремонтов
в расчете за 1 год по следующей формуле:
(12.16)
Для
асинхронного электродвигателя количество капитальных ремонтов в год составляет:
Для
преобразователя частоты количество капитальных ремонтов в год составляет:
Количество
текущих ремонтов для асинхронного электродвигателя составляет:
Количество
текущих ремонтов для преобразователя частоты составляет:
По
заданному количеству ремонтов в год, а также по заданной норме трудоемкости
определяется годовая трудоемкость ремонтов. Годовая трудоемкость капитальных и
текущих ремонтов электрических машин рассчитывается по формуле [20]:
(12.17)
где
- норма трудоемкости, чел·ч,
- норма трудоемкости для капитального ремонта
электродвигателя,
- норма трудоемкости для капитального ремонта
преобразователя частоты,
- норма трудоемкости для текущего ремонта
электродвигателя,
- норма трудоемкости для текущего ремонта
преобразователя частоты;
-
поправочный коэффициент, учитывающий частоту вращения электродвигателя,
для электродвигателей с частотой вращения 3000
об/мин.
Т.к.
в нашей насосной установке используется 3 электродвигателя, работающих
посменно, то формула для расчета капитальных и текущих ремонтов
электродвигателей примет следующий вид:
(12.18)
Для
асинхронного электродвигателя годовая трудоемкость капитальных ремонтов
составит:
Для
преобразователя частоты годовая трудоемкость капитальных ремонтов составит:
Годовая
трудоемкость текущих ремонтов для асинхронного электродвигателя составляет:
Годовая
трудоемкость текущих ремонтов для преобразователя частоты составляет:
Годовая
трудоемкость технического обслуживания принимается равной 10% от нормы
трудоемкости текущего ремонта оборудования без учета поправочных коэффициентов:
Для
удобства сравнения выполненного расчета, полученные данные трудоемкости ремонта
и технического обслуживания, для двух вариантов систем регулирования
производительности насосной установки, сведены в таблицу 12.2.
Таблица
12.2 - Сравнение выполненного расчета трудоемкости ремонта и технического
обслуживания
|
Способ регулирования
производительности
|
Задвижка
|
Преобразователь частоты
|
|
Годовая трудоемкость
капитальных ремонтов, чел·ч
|
|
Электродвигатель
|
6,63
|
6,63
|
|
Преобразователь
|
−
|
7
|
|
Годовая трудоемкость
текущих ремонтов, чел·ч
|
|
Электродвигатель
|
3,36
|
3,36
|
|
Преобразователь
|
−
|
0,79
|
|
Годовая трудоемкость
технического обслуживания, чел·ч
|
|
Электродвигатель
|
25,2
|
25,2
|
|
Преобразователь
|
−
|
12
|
|
Суммарная трудоемкость
обслуживания оборудования
|
35,19
|
54,98
|
По известной годовой трудоемкости эксплуатации оборудования, учитывая
тарифную ставку ремонтного рабочего, а также соответствующие налоги, можно
определить затраты на заработную плату ремонтных рабочих за 1 год по формуле:
(12.19)
По
известной годовой трудоемкости эксплуатации оборудования, учитывая тарифную
ставку ремонтного рабочего, а также соответствующие налоги, можно определить
затраты на заработную плату ремонтных рабочих за 1 год по формуле:
(12.19)
где
- часовая тарифная ставка ремонтного рабочего (по
четвертому разряду
);
-
коэффициент, определяющий затраты на выплату налогов в связи с начислением
зарплаты,
;
-
суммарная трудоемкость эксплуатации оборудования.
При
регулировании производительности насосной станции задвижкой затраты на
заработную плату ремонтных рабочих за 1 год составят:
При
регулировании производительности насосной станции преобразователем частоты
затраты на заработную плату ремонтных рабочих за 1 год составят:
Стоимость
материалов для ремонта и обслуживания принимается равной 100% от основной
заработной платы ремонтных рабочих без учета выплаты налогов.
Стоимость
материалов для ремонта и обслуживания оборудования при регулировании
производительности насосной станции задвижкой составляет:
Стоимость
материалов для ремонта и обслуживания оборудования при регулировании
производительности насосной станции преобразователем частоты составляет:
Общецеховые
расходы принимаются равными 100% от основной заработной платы без учета
налогов.
При
регулировании производительности насосной станции задвижкой общецеховые расходы
составят:
При
регулировании производительности насосной станции преобразователем частоты
общецеховые расходы составят:
Критерием
принятия решения технического варианта является минимальная текущая стоимость
варианта (NPV). В данном случае в качестве критерия можно
использовать приведенные затраты, которые являются модификацией формулы NPV и
вычисляются по формуле:
, (12.20)
где
Eн -
нормировочный коэффициент эффективности, равный Eн = 0,15;
К - капиталовложения;
С - суммарные годовые затраты, определяемые как сумма
годовых эксплуатационных расходов.
Рассчитаем
приведенные затраты З для обоих случаев:
руб.
руб.
В
таблице 12.3 приведены экономические показатели сравниваемых систем
регулирования производительности насосной станции.
Таблица
12.3 - Технико-экономические показатели
|
Наименование
|
Обозначение
|
Способ регулирования
производительности
|
|
|
Задвижка
|
Преобразователь частоты
|
|
Количество потребляемой
электроэнергии, кВт·ч
|
WƩ
|
562 800
|
489 760
|
|
Годовая экономия
электроэнергии, кВт·ч
|
ΔW
|
73 040
|
|
Стоимость потребляемой
электроэнергии, руб.
|
CЭ
|
748 467 720
|
651 331 824
|
|
Заработная плата ремонтных
рабочих, руб.
|
СЗП
|
1 231 650
|
1 924 300
|
|
Стоимость материалов для
ремонта, руб.
|
СМАТ
|
879 750
|
1 374 500
|
|
Общецеховые расходы, руб.
|
СЦ
|
879 750
|
1 374 500
|
|
Суммарные эксплуатационные
расходы, руб.
|
СƩ
|
751 458 870
|
656 005 124
|
|
Капитальные затраты, руб.
|
К
|
−
|
70 955 000
|
|
Приведенные затраты, руб.
|
З
|
751 458 870
|
666 648 374
|
|
Экономический эффект, руб.
|
Э
|
95 453 746
|
|
Срок окупаемости, лет
|
Tок
|
0,73
|
|
|
|
|
|
|
По данным таблицы 12.3 можно определить экономический эффект за 1 год при
модернизации насосной станции для подачи питьевой воды на предприятие Мозырский
НПЗ:
(12.21)
ЗАКЛЮЧЕНИЕ
В соответствии с заданием в данном дипломном проекте выполнено
проектирование автоматизированного электропривода насосной установки для подачи
воды на предприятие Мозырский НПЗ.
В данном проекте был проведён анализ возможных вариантов управления
насосной установкой. Выбран способ регулирования посредством применения
преобразователя частоты со скалярным управлением и обратной связью по давлению.
Применён преобразователь частоты фирмы SIEMENS серии MICROMASTER 430. Задачей
системы управления является поддержание требуемого давления в трубопроводе, при
различном расходе воды. Для автоматизации всех процессов системы было применено
программируемое логическое реле SIEMENS LOGO! 24RC.
В следствии имитационного моделирования были получены графики рабочих
параметров системы, проанализированы, и учтены все требования необходимые для
проектирования данной системы управления насосом подачи питьевой воды. В
результате экономического обоснования технических решений, было экономически
оправдано решение использования частотно регулируемого электропривода.
Разработанная система отличается достаточной простой, с высокой надежностью,
экономией по сравнению с первоначальным вариантом. Срок окупаемости данного
проекта составит 267 календарных дней, согласно рассчитанным
технико-экономическим показателям.
СПИСОК ИСПОЛЬЗОВАННЫХ ИСТОЧНИКОВ
1. Выбор
насоса 1Д-315-71а - Режим доступа: <http://www.hms-pumps.ru>.
. Выбор
муфты МУВП 500 - Режим доступа: <http://www.uralremdetal.ru>.
. Выбор
двигателя 5АМ250М2 - Режим доступа: <http://www.ges.ru>.
. Фираго,
Б.И. Регулируемые электроприводы переменного тока / Б.И. Фираго, Л.Б. Павлячик.
− Минск: Техноперспектива, 2006. − 363 с. Техническая документации
объекта 30.08-01 «Институт Белгоспроект».
5. Герасимов В.Г. - Электротехнический справочник. В трех томах. Том
3, книга 2.Фираго Б.И. Учебно-методическое пособие к курсовому проектированию
по теории электропривода для студентов специальности 1-53 01 05.−Мн.:
БНТУ, 2005.−122с.
6. Выбор
преобразователя частоты Siemens MICROMASTER 430
6SE6430-2UD38-8FA0 - Режим доступа: <http://www.siemens.ru>.
. Выбор
ПЛК Siemens LOGO! 24RC, модуль DM8 LOGO!,
блок питания LOGO! Power 6EP1332-1SH42 - Режим доступа: <http://www.promspecrele.ru>.
8. Королев, О.П. Учебно-методическое пособие по курсовому и
дипломному проектированию / Королев О.П., Радкевич В.Н., Сацукевич В.Н. −
Минск: БГПА, 1997. − 142с.
9. Выбор
насоса 1Д-315-71а - Режим доступа: <http://www.hms-pumps.ru>.
. Выбор
теплового реле РТИ-5376 IEK, автоматических выключателей ВА88-43 IEK, ВА47-2П -
Режим доступа: <http://www.iek.ru>.
. Выбор
предохранителей ППН-41 - Режим доступа: <http://www.expoelectro.ru>.
12. Фираго Б.И., Павлячик Л.Б. Теория электропривода: 2-е изд. -
Минск: Техноперспектива, 2007. - 585с.
13. Выбор
кабеля ВВГ-1х10 - Режим доступа: <http://www.vikab.by>.
. Методические
указания к проведению практических занятий «Расчет зануления в электрических
сетях»./ Л.П. Филянович. - Мн.: БГПА, 1998.
15. Конспект лекций по дисциплине "Автоматизированный
электропривод типовых производственных и транспортных установок"/ Сидоров
В.Г. − Минск: БНТУ, 2012. − 62с.
16. А.Э. Кравчик, М.М. Шлаф. Асинхронные двигатели серии 4А./М.:
Энергоиздат, 1982 - 504с.
17. Стоимость
энергоресурсов (кВч) - Режим доступа: http://www.energosbyt.by .
. Стоимость
ПЧ MICROMASTER 430 6SE6430-2UD38 - Режим доступа: <http://www.elleron.ru>.
. Стоимость
ПЛК Siemens LOGO! 24RC - Режим доступа: <http://www.promspecrele.ru>.
20. Синягин, Н.Н. Система планово-предупредительного ремонта
оборудования и сетей промышленной энергетики/ Синягин Н.Н., Афанасьев Н.А.,
Новиков С.А. − 2-е изд., перераб. − М.: Энергия, 1978 − 408с.