Проект дизельной установки для универсального сухогруза 'Dewi Laksmi'

  • Вид работы:
    Курсовая работа (т)
  • Предмет:
    Физика
  • Язык:
    Русский
    ,
    Формат файла:
    MS Word
    1,33 Мб
  • Опубликовано:
    2015-05-27
Вы можете узнать стоимость помощи в написании студенческой работы.
Помощь в написании работы, которую точно примут!

Проект дизельной установки для универсального сухогруза 'Dewi Laksmi'

Введение

Совокупность оборудования, непосредственно обеспечивающая движение транспортного судна - главные двигатели (ГД), судовые движители и система передачи мощности от ГД к движителям называют пропульсивным или движительным комплексом. Пропульсивный комплекс является наиболее весомой частью судовой энергетической установки (СЭУ). На него приходится до 70% первоначальной стоимости СЭУ и до 95% эксплуатационных расходов [1, с. 4]. Технические решения по пропульсивному комплексу в значительной степени предопределяют технические решения по другим подсистемам судовой энергетической установки, оказывают значительное влияние на показатели эффективности и безопасности судна.

Среди всей совокупности оборудования, образующей пропульсивный комплекс, самый сложный, дорогой и ответственный элемент - агрегат главного двигателя. Он оказывает наиболее сильное влияние на характеристики судна. На двигатель приходится до 50-60% текущих расходов по эксплуатации судна, он оказывает влияние на проектные решения по комплектованию и расположению оборудования, технологии постройки, длине машинного отделения и др [5, с. 3]. Поэтому выбор главного двигателя - важнейшая из проектных задач, решаемая при проектировании судна.

Все оборудование пропульсивых комплексов и СЭУ, в том числе двигатели, производится в соответствии со стандартами параметров и при проектировании выбирается из стандартных типоразмерных рядов. При этом достигается экономия времени, снижение стоимости оборудования и повышение надежности. Задача выбора двигателя решается обычно в процессе эскизного проектирования судна. Очевидно, что мощность, развиваемая им не должна быть меньше требуемой для движения судна с заданной скоростью.

В процессе обоснования выбора двигателя решаются две задачи:

) выбор типоразмера двигателя из типоразмерного ряда;

) расположение рабочих режимов двигателя в области его допустимых режимов.

Первая задача возникает в связи с тем, что в составе типоразмерного ряда могут быть несколько двигателей, способных развить мощность не меньше, чем требуемая.

Вторая связана с тем, что двигатель имеет достаточно широкий диапазон рабочих режимов - область допустимых номинальных режимов, в пределах которой можно размещать расчетные режимы двигателя. В какой части области выгоднее расположить эксплуатационные режимы должно быть решено в процессе оптимизационного исследования.

Важным вопросом при выборе главного двигателя являются его габаритные характеристики. Особенно важен вертикальный габарит, определяющий возможность размещения двигателя в корпусе корабля.

В процессе разработки исследовательского или эскизного проектов, а также контрактной документации на постройку судна, рассматривается несколько альтернативных вариантов выбора двигателя, технические решения обосновываются количественно, проводится сложное комплексное исследование эффективности и работоспособности различных типоразмеров двигателей на заданном судне при различных режимах эксплуатации. Полученные варианты сравниваются и вариант, обеспечивающий получение наилучшего значения критерия, является объективно лучшим из числа рассмотренных и может быть признан оптимальным.

Задачей данной курсовой работы является выбор двигателя для универсального сухогрузного судна из типоразмерного ряда, выбор типа движителя, конструкции судового валопровода и других частей СЭУ и обоснование принятых технических решений.

1.     
Описание типа судна

энергетический двигатель мощность

Универсальное сухогрузное судно - грузовое судно для перевозки генеральных грузов в упаковке (ящиках, кипах и т.п.) или отдельными местами (напр., металлические конструкции, различное оборудование), а также контейнеров, некоторых навалочных грузов и колесной техники. Наиболее распространенный тип судна (около 60% мирового флота).

По типу перевозимых грузов различаются следующие виды сухогрузов:

-             Балкер, или навалочник - специализированное судно для перевозки грузов насыпью и навалом, таких как зерно, уголь, руда, цемент и других сыпучих грузов.

-             Контейнеровоз - судно для перевозки грузов в однотипных контейнерах.

-             Лесовоз - судно для перевозки леса.

-             Ролкер - судно для перевозки грузов на колесной базе: автомобили, грузовой транспорт, железнодорожные вагоны.

Существуют и другие типы сухогрузов, а также комбинированные и универсальные сухогрузные суда, способные перевозить грузы нескольких видов.

Сухогрузы имеют объемные грузовые трюмы, занимающие основную часть корпуса. Машинное отделение расположено в корме или сдвинуто в нос на 1 - 2 грузовых трюма. Более габаритные грузы крепятся на палубе с помощью тросов. Для погрузки и разгрузки используются локальные грузовые краны и стрелы. Дедвейт большинства универсальных судов - от 500т до 15 тыс. т, реже до 20 тыс. т и более.

В таблице 1 приведены некоторые технические характеристики универсальных сухогрузных судов наиболее подходящие к проектируемому судну [7], [9].

Таблица 1. Технические характеристики сухогрузных судов

Характеристика

«Пятидесятилетие комсомола»

Капитан Лусь

Пр. DCV16

«Алаид»

Год постройки

1975

1994

2009

2010

Длина, м:





наибольшая, Lнб

139,96

98,2

136,72

122,20

между перпендикулярами, Lpp

120,90

90,14

111,8

116,0

Ширина В, м

17,83

17,6

15,85

19,8

Высота борта Н, м

9,83

7,8

12,15

10

Осадка по ЛГВЛ, м

7,84

6,99

9,2

7,2

Валовая вместимость GT

6330

4998

5890

7579

Чистая вместимость NT

3219

1651

3121


Объем грузовых трюмов (по нижнюю кромку люковых закрытий), м3

10120

5539

10597

13250

Контейнеровместимость всего/ в трюмах, TEU

-

241

363/144

264

Количество, мощность (кВт) и тип главных двигателей

1х3800 9ДКРН 50/110

1х3360 БМЗ 6ДКРН 35/105-10

1х6600 МаК 6М601

1х3360MAN 7 L 32/40

Скорость при осадке по ЛГВЛ, уз

16

12,5

20

13

Движительно-рулевой комплекс

ВФШ

ВРШ+руль

ВРШ+руль

ВРШ+руль

Мощность вспомогательных ДГ и ВГ, кВт

ДГ 2х330 ВГ1х220

ДГ 3х320 ВГ 1х500

ДГ 2х450 ВГ 1х980

ВГ 3х392

Мощность аварийного ДГ, кВт

110

100

200

150

Водоизмещение, т

11830

8328

12830

13230

Дедвейт, т

8290

5036

8470

9000

Коэффициент использования водоизмещения по дедвейту

0,7

0,605

0,66

0,68



2. Исходные данные

Таблица 2. Исходные данные для проектирования дизельной установки сухогруза

Тип судна

Универсальный сухогруз

Название судна

Dewi Laksmi

Дедвейт, DW, т

9000

Длина, l, м

120

Ширина, b, м

15

Высота борта, h, м

10

Осадка, T, м

7

Скорость, v, узл

15

Экипаж, z, чел.

11

Дальность плавания, L, миль

3000 - 10000

Автономность, А, сутки

20-40


3.     
Определение основных параметров СЭУ

3.1    Состав оборудования СЭУ

В настоящее время на судах различных типов широкое применение получили пропульсивные установки с двигателями внутреннего сгорания, причем исключительно дизеля - ДВС с самовоспламенением впрыскиваемого топлива от высокой температуры воздуха, сжатого в цилиндре. Дизельные установки имеют наибольший КПД (до 50%) и сравнительно малые габариты. Они отличаются от других энергетических установок высокой топливной экономичностью, приспособлены к работе на относительно дешевом топливе - мазуте марки МТ-100 с вязкостью до 700сСт при 50єС [1, с. 20].

На грузовых судах в основном применяются малооборотные дизеля с газотурбинным наддувом, имеющие частоту до 250 об/мин. Они хорошо приспособлены к автоматизации и унификации вспомогательного оборудования, высокой надежностью, отсутствием передач между двигателем и валопроводом, удобством обслуживания, невысоким уровнем шума и вибраций [4, с. 1].

Для данного судна неэффективно использование в качестве СЭУ ПТУ, т.к. она развивает большую мощность и применяется на крупнотоннажных судах. ГТУ же применяется на СПК и кораблях ВМФ. Таким образом, наиболее целесообразно выбрать в качестве СЭУ для данного судна ДУ с МОД.

В состав ДУ с МОД входят: один или несколько главных МОД; судовые валопроводы, гребные винты, системы - топливная, масляная, газо-выпускная, пускового воздуха, охлаждения пресной и забортной воды, СЭС.

На судах может быть как один, так и несколько валопроводов. Применение двухвальных установок носит ограниченный характер и обычно связано с необходимостью размещения на судах подъемной аппарели и организацией проезда по главной палубе между газовыхлопными трактами двух двигателей. На сухогрузах, лесовозах, танкерах и других судах преимущественно применяются одновальные установки с МОД мощностью до 30МВт. Одновальные установки имеют больший КПД гребного винта, большую скорость хода и более простую конструкцию. Таким образом, целесообразно применение одновальной установки с расположением оси пропульсивного комплекса в диаметральной плоскости.

В качестве привода вспомогательных механизмов применяем валогенератор переменного тока, т.к. такой генератор прост по конструкции, меньше по габаритам и более удобен в эксплуатации.

Наиболее часто в составе пропульсивного комплекса с МОД применятся винты фиксированного шага (ВФШ). В данном случае реверс может быть обеспечен при ВФШ установкой главных реверсивных двигателей.

На рисунке 1 изображена принципиальная схема СЭУ для данного судна с комплексным использованием энергии отработавших газов.

Рис. 1 Принципиальная схема СЭУ

ДВС - малооборотный двигатель, Р - газовыпускной коллектор, ГТН - газотурбонагнетатель, УГТ - утилизационная газовая турбина, М - мультипликатор, ВГ - валогенератор, СЧ - стабилизатор частоты.

3.2   
Определение требуемой эффективной мощности

Выбор главного двигателя зависит от потребляемой им мощности. Требуемая эффективная мощность главного двигателя определяется в соответствии со следующей зависимостью:

, (1)

где - коэффициент запаса мощности, отражающий возможное возрастание сопротивления, например, при движении в сложных метеорологических условиях (принимаем из интервала 1,1-1,3), R - сопротивление движению судна с заданной скоростью, определяется опытным путем в исследовательских бассейнах путем буксировки моделей и заносится в сетку типоразмеров судов модульной постройки [1, с. 36, табл. 1.10], - эксплуатационная скорость, - КПД валопровода, учитывающий потери на трение в подшипниках и сальниках валопровода (принимает значения 0,9-0,98) [1, с. 16], - КПД передачи (так как передача отсутствует ), - пропульсивный коэффициент, учитывающий комплексную энергетическую эффективность винта (для одновальных судов может принимать значения 0,6-0,65) [1, с. 36].

Выбранные значения подставляем в формулу (1) и рассчитываем эффективную мощность

Мощность энергетической установки судов ледового плавания должна быть меньше определенной по следующей зависимости:

, (2)

где - коэффициент влияния типа винта (для ВФШ ), - коэффициент влияния типа носового образования (для носовой оконечности с углом наклона ц , примем ). В любом случае произведение должно быть не менее 0,85, -коэффициент влияния ширины корпуса (, В-ширина судна, Д - водоизмещение по летнюю грузовую марку, примем ),  и - коэффициенты, отражающие влияние категории ледового усиления и водоизмещения (судно относится к категории ледового усиления ЛУ2 (предназначено для плавания в неарктических замерзающих морях - Балтика), для которого , [1, с. 38].

Подставляем выбранные данные в формулу (2):

Следовательно, мощность выбранной энергетической установки удовлетворяет условию (2).

3.3 Расчет винта

Проверка допустимости ПК по удельной нагрузке на винты проводится по формуле:

, (3)

где - максимально допустимое значение удельной нагрузки на лопасти винтов (для небуксирных судов 260 кВт/м2) [1, с. 39].

Прежде всего, определяем диаметр винта. При определении максимально допустимого диаметра винта необходимо добиваться того, чтобы исключалось влияние свободной поверхности воды на работу винта, поэтому можно найти из соотношения:

,

где - диаметр винта, - расчетная осадка судна, - допустимое отношение диаметра винта к осадке (для морских судов в случае применения одновальной установки 0,7-0,75) [2, с. 75]. м

Подставляем полученное значение в формулу (3):

ПК удовлетворяет условию (3).

3.4 Выбор главного двигателя

Выбор главного двигателя производится по максимальному режиму движения с наибольшей скоростью (на режиме испытаний на скорость) в соответствии со следующей зависимостью:

;

Произведение цилиндровой мощности принятого типоразмера на число цилиндров, соответствующее ограничениям на их число, должно быть не меньше мощности, требуемой для движения с учетом принятого коэффициента запаса мощности, за вычетом мощности утилизационной газовой турбины на режиме МДМ. Так как применение валогенератора и турбокомпаундной системы требует дополнительного обоснования, рассмотрим вариант без этих устройств.

По рассчитанной мощности выбираем главный двигатель из типоразмерного ряда ДВС типа МС [1, с. 36 табл. 1,5]. Технические и массо-габаритные характеристики главного двигателя приведены в таблицах 3 и 4.

Таблица 3. Характеристики главного двигателя

Фирма

MAN - Burmeister&Wein

Марка двигателя

L42MC

Мощность двигателя

5970

Мощность цилиндра , кВт995


Число цилиндров в составе агрегата, Zц

6

Диаметр цилиндра D, м

0,42

Ход поршня Sц, м

1,36

Частота на режиме номинальной максимальной длительной мощности (НМДМ) nmax, об/мин

176

Частота на нижней границе области допустимых значений (МДМ) nmin, об/мин

132

Удельный расход топлива на режиме (НМДМ) bе, кг/кВт

0,1768

Максимальное среднее эффективное давление на границе области допустимых МДМ , бар18,418


Минимальное среднее эффективное давление на границе области допустимых МДМ , бар11,5



Таблица 4. Массогабаритные характеристики двигателя

Масса шестицилиндрового агрегата Gаб, т

123

Масса одного отсека цилиндра данного типоразмера Gц, т

16,5

Длина шестицилиндрового агрегата Lаб, м

6,325

Межцилиндровое расстояние двух соседних цилиндров в составе агрегата Lмц, м

0,748

Вертикальный физический габарит - расстояние от нижней поверхности лап фундаментной рамы до верхней точки двигателя Нгаб, м

7,4

Вертикальный ремонтный габарит - минимально необходимое расстояние для разборки двигателя, измеряемое от опоры фундаментной рамы до гака грузоподъемного устройства Нрем, м

7,4

Ширина двигателя по лапам фундаментной рамы Вфр, м

2,46


Для данного типа судна выбран двигатель марки L42МC, т.к. он имеет относительно небольшие габариты и массу, что позволяет сделать СЭУ с меньшими габаритами и, следовательно, увеличить полезную площадь судна, предназначенную для перевозки грузов, что повышает рентабельность судна. При выборе типоразмера ДВС следует учитывать ограничение по высоте. Нужно выбирать агрегат с ремонтным габаритом, не превышающим высоты борта до главной палубы, за вычетом высоты второго дна, высоты набора палубы и размеров грузоподъемного устройства крана или тельфера для выемки тяжёлых деталей двигателя при его ремонте.

3.5 Расчет параметров длительного эксплуатационного режима

Для выбранного агрегата главного двигателя рассчитываем параметры длительного эксплуатационного режима. На этом режиме двигатель будет эксплуатироваться большую часть времени. рассчитывается также как требуемая мощность, но без учета коэффициента запаса мощности.


На рисунке 2 представлен диапазон допустимых режимов МДМ агрегата МОД с 6 цилиндрами L42МC. На поле допустимых режимов расположение длительного эксплуатационного режима обозначено Э. Через точку Э проведена номинальная винтовая характеристика «В». Это приблизительно кубическая парабола, соответствующая средним за эксплуатационный период условиям коррозии и обрастания корпуса. Параболу «В» можно описать следующей зависимостью:

 

Рис. 2. Диапазон допустимых режимов МДМ агрегата МОД с 6 цилиндрами L42MC

Вертикаль, проведенная через точку «Э» позволяет определить частоту двигателя на режиме длительной эксплуатационной мощности. Частоту двигателя на эксплуатационном режиме можно также определить аналитически по следующей зависимости [1, с. 40]:

 об/мин

Частота на длительном эксплуатационном режиме определяет размеры движителя. Для достижения относительного максимума КПД его параметры - диаметр D, частота n и упор Р - должны соответствовать соотношению, установленному Л.С. Артюшковым для морских судов [1, с. 40]:

 ,

где t - коэффициент засасывания, характеризующий понижение давления в кормовой оконечности судна вследствие работы винта, отбрасывающего воду от корпуса (его среднестатистическое значение t=0,18) [1, с. 16]:

Отсюда, упор:

диаметр винта на оптимальном режиме:

м

Сравним полученное значение с ограничением по осадке (): 4,24 м < 5,11 м

Настройка двигателя на длительный эксплуатационный режим на рисунке 2 обозначена точкой «И», соответствующая расчетной мощности, найденной по выражению (1). Частая эксплуатация на режиме «И» не предусмотрена, однако возможна при увеличении сопротивления движению судна, например, в случае задержки вор время рейса и необходимости прибытия в порт назначения в установленное время. Этот режим также обеспечивает достижение максимальной скорости, оговоренной параметрами технического задания.

При работе двигателя на режиме МДМ его мощность не должна превышать мощность в соответствии с выражением (4) не более чем на один цилиндр данного типоразмера:

 (4)

Целесообразно, чтобы разница между этими двумя величинами была поменьше. В идеальных условиях она должна быть равной нулю.

Для выбранного двигателя:

·6 - 5098 = 872<995, то есть разница довольно велика. Для четырехцилиндрового двигателя S46МС-С эта разница была бы меньше, но ремонтный габарит такого двигателя 9,59 делает его не приемлимым для данного судна. Для 8-цилиндрового двигателя L35МС разница также мала, слишком велика частота двигателя на режиме Э, поэтому был выбран 6-цилиндровый двигатель L42МС.

Возможна оптимизация эксплуатационного режима за счет снижения частоты и увеличения диаметра винта. Более тяжелая винтовая характеристика В2 реализует эксплуатационную мощность при более низкой частоте, она отмечает крайнее положение для оптимизации винта за счет снижения частоты. Вертикаль, проведенная через точку О соответствует пониженной частоте вращения. Так как режим «И» и режим МДМ не слишком сильно отличаются диаметр винта увеличивать не целесообразно.

4. Принципиальные схемы энергетических систем СЭУ

.1 Общие сведения

Системы СЭУ объединяют главные и вспомогательные механизмы в единый энергетический комплекс. Системой СЭУ называется совокупность специализированных трубопроводов с механизмами, аппаратами, устройствами и приборами, предназначенными для выполнения определенных функций, обеспечивающих нормальную эксплуатацию СЭУ [4, с. 356].

В общем случае, в состав систем СЭУ входят следующие типы механизмов и агрегатов:

-    насосы - предназначены для создания давления рабочей среды;

-       фильтры - предназначены для очистки среды от посторонних (чаще всего механических примесей);

-       сепараторы - предназначены для очистки рабочей среды от посторонних жидких фракций;

-       редукторы - предназначены для снижения давления рабочей среды до необходимых параметров;

-       охладители (нагреватели) - предназначены для охлаждения (нагрева) рабочей среды до требуемых параметров;

-       рабочие сосуды - предназначены для хранения рабочей среды под определённым давлением;

-       предохранительные устройства - предназначены для предотвращения повышения параметров среды выше установленных параметров;

-       испарители (конденсаторы) - предназначены для изменения агрегатного состояния среды;

-       аккумуляторы- источники энергии и другие.

Системы СЭУ классифицируют по назначению на: топливные, масляные, водяного охлаждения (забортной и пресной водой), воздушно-газовые (подвода воздуха для горения топлива, сжатого воздуха, газовыпуска, дымоходы судовых котлов), конденсатно-питательные и паровые.

СЭУ всех типов снабжены системами топливной, масляной, охлаждения, пускового воздуха, воздухоприемной и газовыпуска.

В таблице 5 приведены необходимые параметры вспомогательного оборудования для обеспечения работы двигателя Man B&W L42MS

Таблица 5. Параметры вспомогательного оборудования систем двигателя Man B&W L42MS

Наименование

Обозначение

Размерность

Значение

1

Расход воздуха

кг/с2,3



2

Расход газов

кг/с2,35



3

Температура газов

°С255



4

Подача циркуляционного топливного насоса

м3/ч0,48



5

Подача топливоподкачивающего насоса

м3/ч0,28



6

Подача насоса пресной воды

Wпр

м3

10,2

7

Подача насоса забортной воды

Wзв

м3

35

8

Подача главного масляного насоса

м3/ч25



9

Подача насоса смазки распределительного вала

м3/ч0,25



10

Отвод тепла от продувочного воздуха

кВт353,3



11

Отвод теплоты с маслом

кВт32,5



12

Поток забортной воды через маслоохладитель

м3/ч13



13

Отвод теплоты от пресной воды

кВт143,3



14

Подвод теплоты к топливу

кВт12,7





4.2 Топливная система

Топливная система СЭУ предназначены для приема, хранения, перекачивания, очистки, подогрева и подачи топлива к двигателям и котлам, а также для передачи топлива на берег или на другие суда.

В качестве основного топлива в соответствии с ГОСТ 1667-68* Топливо моторное для среднеоборотных и малооборотных дизелей принято топливо ИФО-30, содержащее 30-40% средне-дистиллятных продуктов (примерно соответствует мазуту Ф-5). Топливо судовое ИФО-30 является аналогом судового остаточного топлива класс Г, выпускаемого по международному стандарту ISO 8217: ИФО-30 - аналог ИСО-F-RMC 10.

В соответствии с требованиями Регистра РФ для установок, работающих на тяжелом топливе, предусмотрено две системы: система дизельного топлива (приятое маловязкое дизельное топливо в соответствии с ТУ38.101567-2005) для маневровых целей и работы вспомогательных двигателей и система высоко- или средне-вязкого топлива для главного двигателя. В составе топливной системы для обеспечения использования тяжелого топлива за топливоподкачивающим насосом (перед дизелем) предусмотрен подогреватель. Вдоль всех трубопроводов тяжелого топлива проложен паровой трубопровод-спутник, заключенный в общую изоляцию с основным трубопроводом. Перед фильтрами тяжелое топливо подогревается.

Вместимость расходных цистерн тяжелого топлива обеспечивает работу двигателя в течение не менее 12 ч. При использовании дизельного топлива это время уменьшено до 8 ч. В составе установки предусмотрено по две расходные топливные цистерны на каждый вид топлива.

Топливо от расходных цистерн к топливному насосу высокого давления подводится топливоподкачивающим насосом, подача которого превосходит фактический расход топлива в 2- 3 раза. Давление насосов принимается 0,2-0,4 МПа.

В составе системы предусмотрен резервный топливоподкачивающий электронасос, который используется также для предпусковой прокачки топлива.

Перед подачей в расходные цистерны топливо очищается в сепараторах. Вязкость топлива при сепарировании поддерживается не более 45 мм2/с, для чего его подогревают. В блоке сепарации предусмотрено три сепаратора для обеспечения резерва и проведения обслуживания сепараторов в длительном плавании или при плавании в штормовых условиях. Пропускную способность сепараторов определена из условий необходимости очистки суточного расхода топлива за 8-12 ч, что соответствует трех- или двукратному часовому расходу топлива (в зависимости от его качества). Основной запас топлива размещён в междудонных и бортовых цистернах. Предусмотрено размещение суточного запаса топлива вне двойного дна. Тяжелое топливо в запасных цистернах подогревается до 40-50°С паром давлением 0,2-0,3 МПа, проходящим через змеевики. Перекачка топлива из одной цистерны в другую, подача его в отстойные цистерны и выдача на палубу производятся двумя электронасосами [4, с. 384].

Погрузка топлива на судне производится береговыми средствами или средствами специального судна-раздатчика (танкера, наливной баржи). Для приема топлива на главной палубе или под палубой предусмотрен стационарный трубопровод с приемными отростками, выведенными к обоим бортам. Топливный трубопровод расположен в местах, защищенных от механических повреждений, и на всем протяжении доступен для осмотра и ремонта.

Таким образом, топливная система обеспечивает:

) прием топлива с берега, хранение его в емкостях основного запаса;

) перекачку из одних емкостей в другие и выдачу на берег;

) очистку топлива от воды и механических примесей;

) непрерывную подачу топлива требуемой вязкости к главным и вспомогательным парогенераторам.

Рис. 3 Схема топливной системы: 1-блок фильтров, 2-подогреватель топлива, 3-топливоподающие насосы, 4-блок сепараторов.

Насосы выбираем по известной подаче, согласно ГОСТ 15829-89.

Характеристики топливоподающего насоса марки НМШ 5-25-4/4Б [10]:

Подача - 4 м3/ч;

Напор - 4 кг/см2;

Мощность привода - 2,2 кВт;

Частота вращения - 1500 об/мин;

Масса - 18 кг;

Габариты - 642х277х430 мм;

Характеристики циркуляционного насоса марки НМШГ 20-25-14/10 [10]:

Подача - 14м3/ч;

Напор - 10 кг/см2;

Мощность привода - 7,5 кВт;

Частота вращения - 1000 об/мин;

Масса - 214 кг;

Длина - 989 мм;

Ширина - 290 мм;

Высота - 640 мм.

Сепаратор топлива

Основной функцией топливного сепаратора (он же - фильтр - сепаратор) является отделение топлива от воды, т.к. наличие воды в топливе вызывает износ вследствии коррозии прецензонных пар, а в условиях низких температур - к размораживанию топливной системы двигателя и срыву в её работе. Воду, которая скапливается при водоотделении в нижней части корпуса (водосборнике), удаляется в специальную цистерну.

Выбираем сепаратор СЦ-3/II

Номинальная производительность, л/ч - 5750

Макс. давление подающего насоса на нагнетании, МПа - 0,25

Мощность электродвигателя, кВт - 5,5

Масса сепаратора, кг - 940

L=1200 мм

B=995 мм

H=1600 мм

Выбираем подогреватель топлива СНП4

Qmax=1900 кг/ч

Pпара=2,9 МПа

ДPтопл= 0,1 МПа

Lподогр=2420 мм

G=100 кг

N=155 кВт

Фильтр очистки топлива

Фильтр горючего должен быть рассчитан на тяжелое дизельное топливо.

Рабочее давление 10 кг/см2;

Нефтяная вязкость в рабочей температуре - 15 cSt

4.3 Масляная система

Масляная система предназначена для приема, хранения, перекачивания, очистки, и подачи масла к местам охлаждения и смазки трущихся частей деталей механизмов, а так же для передачи его на берег или на другие суда.

Масло в СЭУ применяется для смазки и отвода теплоты от трущихся поверхностей двигателей, механических передач, дейдвудных, опорных и упорных подшипников валопровода, охлаждения поршней дизелей, работы системы автоматического регулирования управления и защиты (РУЗ).

Основным оборудованием, входящим в масляную систему, являются насосы, фильтры, сепараторы, охладители и подогреватели. Применяемые насосы по конструкции бывают шестеренными и винтовыми.

Наиболее широкое применение в СЭУ нашли минеральные масла. В системах смазки МОД используют два сорта масел. Для циркуляционной смазки деталей движения подшипников и охлаждения поршней применяются моторные масла с малой вязкостью. Для смазки рабочих цилиндров используют цилиндровые масла с высокой вязкостью и стабильностью при высоких температурах. Для улучшения функциональных свойств базовых масел в них вводят специальные присадки: моющие, антиокислительные, антикоррозионные, противоизносные, противозадирные, антипенные, вязкостные и другие.

Судовые установки с МОД имеют наиболее сложные циркуляционные масляные системы. Они включают несколько самостоятельных систем:

.        напорную - для смазки механизма движения и для охлаждения поршней;

.        гравитационную - для смазки гозотурбонагнетателя;

.        линейную - для смазки цилиндров;

.        напорную - для смазки механизмов привода топливных насосов и системы газораспределения.

Рис. 4. Схема системы смазки ДУ

1-сточная циркуляционная система, 2-циркуляционные насосы, 3-маслоохладитель, 4-система автоматического регулирования системы смазки, 5-маслянный фильтр, 6-цистерна запаса масла, 7-цистерна запаса масла.

Руководствуясь требованиями ГОСТ 12337-84 и рекомендациями фирмы - производителя выбрано масло моторное М-16Е30, спецификации / допуски производителей по ГОСТ 12337-84.

Главный масляный насос выбираем по известной подаче, согласно типоразмерному ряду характеристик вспомогательного оборудования главного двигателя.

Подбираем блок из 2 масляных насосов.

Характеристики главного масляного насоса марки 3Вх2 500/10-400/10Б [11]:

Подача - 400 м3/ч;

Давление насоса 10 кгс/см2

Мощность привода - 132 кВт;

Длина - 2580 мм;

Ширина - 850 мм;

Высота -1260;

Масса - 2600 кг;

Вакуумметрическая высота всасывания - 5 м.

Характеристики насоса смазки распределительного вала марки БГ11-22:

Подача - 18 м3/ч;

Давление 2,5 кгс/см2;

Частота вращения - 1450 об/мин;

Масса - 34 кг;

Длина - 500 мм;

Ширина - 200 мм;

Высота - 252 мм.

Расчёт поверхности теплообмена маслоохладителя.

Расчитываем необходимую поверхность теплообмена по формуле:

,

где FОХЛ - поверхность теплообмена; Q - тепловой поток; k - коэффициент теплопередачи; Дtср - средняя тазница температур между двумя жидкостями, обменивающимися теплом.

Для этого узнаем температуры в теплообменниках:

kМО = 300…500 (800, если повысить турболизацию) кДж/(м2 ч С)

Теплоемкость забортной воды:

СЗВ=4,19 кДж/(кг град);

Теплоемкость масла:

СМ=2,05 кДж/(кг град);



По полученной поверхности теплообмена выбираем 2 маслоохладителя марки МБМ-63-90

Характеристики маслоохладителя:

Поверхность теплообмена - 66 м2;

Расход забортной воды - 108 м3/ч;

Расход масла - 90 м3/ч;

Гидравлическое сопротивление по забортной воде - 0,016 МПа;

Гидравлическое сопротивление по маслу - 0,009 МПа;

Длина - 4630 мм;

Ширина - 1310 мм;

Высота - 1320 мм;

Масса рабочая - 9121 кг.

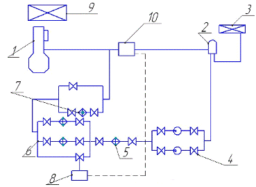
Принципиальная схема системы приёма-перекачки масла приведена на рис. 5

Рис. 5. Схема системы приёма-перекачки масла

4.4 Система охлаждения

Система охлаждения в дизельных установках предназначена для отвода теплоты от отдельных узлов главных и вспомогательных двигателей, турбонагнетателей и воздухоохладителей. В главных двигателях охлаждаются втулки, крышки и поршни рабочих цилиндров, форсунки, выпускные клапаны и коллекторы, а во вспомогательных двигателях - цилиндры.

Главные судовые дизели имеют сложную систему охлаждения. Но во всех случаях охлаждение пресной воды и масла осуществляется забортной водой в водо- и маслоохладителях. Наиболее сложные системы охлаждение ДУ, обычно двухконтурные (пресной и забортной водой). Отдельные узлы главного двигателя охлаждаются маслом и топливом. В зависимости от рода жидкости, охлаждающей цилиндры, поршни и форсунки двигателя, различают следующие системы:

) с охлаждением цилиндров, поршней и форсунок пресной водой;

) с охлаждением цилиндров и форсунок пресной водой, а поршней - маслом;

) с охлаждением цилиндров пресной водой, поршней - маслом, а форсунок - топливом.

Рис. 6. Система охлаждения дизельной СЭУ пресной водой

-ДВС; 2-деаэратор; 3-расширительная цистерна; 4-циркуляционные насосы; 5-вакуумная опреснительная установка; 6-водоохладитель пресной воды; 7-подогреватель воды; 8-система регулирования температуры воды; 9-воздухоохладитель; 10-температурный датчик.

Насосы пресной воды и забортной выбираем по известной подаче, согласно типоразмерному ряду характеристик вспомогательного оборудования главного двигателя.

Характеристики центробежного насоса пресной воды марки НЦВ 400/20А:

Подача - 400 м3/с;

Напор - 200 Дж/кг;

Частота вращения -1500 об/мин;

Мощность привода - 30 кВт;

Подача на нижней границе области допустимых режимов - 255 м3/ч;

Подача на верхней границе области допустимых режимов - 490 м3/ч;

Длина - 1250 мм;

Ширина - 740 мм;

Высота - 620 мм;

Масса - 469 кг.

Рис. 7. Система охлаждения дизельной СЭУ забортной водой

1 - бортовой кингстонный ящик; 2 - воздушные трубы; 3 - насосы забортной воды; 4 - датчик температуры забортной воды, подающий импульс на терморегулятор 9; 5 - маслоохладитель; 6 - охладитель продувочного воздуха; 7 - охладитель пресной воды; 8 - охладитель масла распредвала; 10 - отливной клапан; 11 - отливной коллектор; 12 - дроссельная шайба; 13 - трубопровод рециркуляции (возврата); 14 - приемный фильтр; 15 - донный кингстонный ящик.

Подбираем блок из 2 центробежных насосов

Характеристики 1-го центробежного насоса забортной воды марки НЦВ 630/30АГ [11]:

Подача - 630 м3/ч;

Напор - 300 Дж/кг;

Мощность привода - 70 кВт;

Частота вращения - 1500 об/мин;

Подача на низшей границе области допустимых режимов - 395 м3/ч;

Подача на верхней границе области допустимых режимов - 725 м3/ч;

Длина - 1365 мм;

Ширина - 870 мм;

Высота - 825 мм;

Масса - 699 кг;

Характеристики 2-го центробежного насоса пресной воды марки НЦВ 400/20А [11]:

Подача - 400 м3/с;

Напор - 200 Дж/кг;

Частота вращения -1500 об/мин;

Мощность привода - 30 кВт;

Подача на нижней границе области допустимых режимов - 255 м3/ч;

Подача на верхней границе области допустимых режимов - 490 м3/ч;

Длина - 1250 мм;

Ширина - 740 мм;

Высота - 620 мм;

Масса - 469 кг.

Расчёт поверхности теплообмена охладителя пресной воды.

Расчитываем необходимую поверхность теплообмена

,

где FОХЛ - поверхность теплообмена; Q - тепловой поток; k - коэффициент теплопередачи; tср-средняя разница температур между двумя жидкостями, обменивающимися теплом.

Для этого узнаем температуры в теплообменниках:

kМО = 300…500 (800, если повысить турболизацию) кДж/(м2 ч С)

СЗВ=4,19 кДж/(кг град); СМ=2,05 кДж/(кг град);



По результатам расчета выбираем охладитель пресной воды марки 40В.01.000

Характеристики охладителя:

- поверхность теплообмена - 15 м2;

- расход забортной воды - 25,4 кг/с;

расход пресной воды - 33,6 кг/с;

давление забортной воды - 0,4 МПа;

давление пресной воды - 0,4 МПа;

длина - 965 мм;

ширина - 1310 мм;

высота - 580 мм;

масса брутто - 380 кг.

4.5 Система пускового воздуха

Система пускового воздуха предназначена для обеспечения пуска главных и вспомогательных двигателей и реверсирования главных двигателей с прямой или механической передачей мощности на ВФШ.

Для пуска главных и вспомогательных двигателей устанавливаются воздухохранители (баллоны), давление воздуха в которых обычно принимается 2.5…3.0 МПа. Запас воздуха, предназначенный для пуска и реверсирования главных двигателей, должен обеспечить не менее 12 пусков попеременно на передний и задний ход каждого двигателя. Для пуска главных нереверсивных двигателей, а также главных дизель - генераторов запас воздуха должен быть достаточным для выполнения шести пусков двигателя наибольшей мощности из установленных, а при наличии более двух двигателей - не менее трех пусков каждого двигателя, подготовленного к действию. Для вспомогательных двигателей допускается один воздухохранитель объема, достаточный для выполнения шести последовательных пусков одного двигателя. При расположении вспомогательных двигателей на разных бортах судна устанавливают два баллона, по одному на каждый борт.

На судах с дизельной установкой сжатый воздух также используется для подачи звуковых сигналов при помощи тифона, создания напора в пневмоцистернах пресной и забортной воды, привода в действие пневматических инструментов и других нужд.

На рисунке 8 представлена принципиальная схема пускового воздуха ДУ.

Рис. 8. Схема пускового воздуха ДУ.

-главные компрессоры; 2-подкачивающий компрессор; 3-дизель компрессор; 4-баллоны пускового воздуха ГД; 5-баллоны пускового воздуха дизель - генераторов; 6-ДВС; 7-вспомогательный и аварийный дизель генераторы; 8-водомаслоотделитель; 9-подача воздуха на продувание кингстонов и хозяйственные нужды; 10-тифон.

Система имеет два главных компрессора, один из которых является резервным и может быть выбран с такими же характеристиками, как и основной.

Расчет производительности компрессора

,

где q - объем цилинрра двигателя; D - диаметр поршня; S - ход поршня; z - число цилиндров; zпусков - число последовательных реверсов

Суммарная производительность компрессоров:

,

где tK - время работы компрессора (0,5 - 1 ч)

Производительность одного компрессора 888,5/2=444,2 м3

Производительность подкачивающего компрессора:

На основе рассчитанных данных выбираем основной компрессор марки Н-374

Характеристики компрессора:

Производительность - 505 м3/мин;

Потребляемая мощность - 99,3 кВт;

Длина - 2330 мм;

Ширина - 885 мм;

Высота - 1350 мм;

На основе рассчитанных данных выбираем подкачивающий компрессор марки Н-74

Характеристики компрессора:

Производительность - 170 м3/мин;

Потребляемая мощность - 33,8 кВт;

Длина - 1530 мм;

Ширина - 885 мм;

Высота - 1250 мм;

Суммарный объем баллонов:


Рраб - рабочее давление (32 атм)

Рmin - минимальное давление (5 атм)

По правилу Регистра нам нужно 2 баллона

Pбал = 8,11/2=4,05 м3

4.6 Система утилизации теплоты

Утилизационные котлы предназначены для выработки пара за счет утилизации теплоты выпускных газов ДВС и ГТД. Судовые УК выполняются с пароперегревателями (при использовании пара турбогенераторами или пропульсивными паровыми турбинами) или без пароперегревателей (при снабжении только потребителей теплоты). В отличие от главных и вспомогательных котлов, УК чаще имеют многократную принудительную циркуляцию (естественная циркуляция применяется крайне редко), что обусловлено невысокой температурой выпускаемых газов, а также преимущественно змеевиковой формой испарительной поверхности УК.

Эффективность УК оценивается коэффициентом использования теплоты выпускных газов ŋн.т, который представляет собой отношение теплоты, воспринятой водой в УК в процессе ее парообразования в пар, к располагаемой теплоте выпускных газов.

Отработавшие газы из ТНА поступают в УПГ. Образующийся насыщенный пар поступает в сепаратор, осушается и подводится к потребителям. При наличии пароперегревателя перегретый пар поступает к утилизационному турбогенератору. Конденсат от потребителей  собирается в теплом ящике, откуда перекачивает питательным насосом в сепаратор. Циркуляционный насос подает воду в УПГ.

Так как температуры отработанных газов главного двигателя = 245°С на номинальном режиме, то утилизационный котёл применять не целесообразно. Следовательно, производим расчет вспомогательной теплопроизводящей установки.

Расчет вспомогательной теплопроизводящей установки.

Вспомогательная теплопроизводящая установка предназначена для обеспечения паром (горячей водой) следующих потребителей: систем парового отопления, камбуза, душевых, прачечной, пожарной системы пожаротушения, системы обогрева кингстонов и другой донной и забортной арматуры, паровых водоопреснителей, системподогрева тяжелого топлива, систем подогрева груза и мойки грузовых танков на танкерах, вспомогательных механизмов и устройств теплогенераторной установки, специальных вспомогательных механизмов с паровым приводом, вспомогательных турбогенераторов электрического тока.

Рассчитаем часовой расход теплоты [4, с. 190].

Рассчитаем часовой расход теплоты на бытовые нужды:

, где

z - число людей на судне;

Рассчитаем часовой расход теплоты на поддержание температуры груза (тяжёлые нефтепродукты) в зимний период:

кДж/ч, где

G - грузоподъемность судна;

Рассчитаем часовой расход теплоты на дополнительный подогрев груза перед выгрузкой:

 кДж/ч, где

- интенсивность дополнительного подогрева груза перед выгрузкой;

Количество теплоты, необходимое на ходу:

кДж/ч, где

- коэффициент запаса;

- коэффициент, учитывающий одновременность работы;

- необходимое ходовое количество теплоты;

Количество теплоты, необходимое на стоянке:

кДж/ч, где

- необходимое стояночное количество теплоты;

Требуемая паропроизводительность:

На ходу

т/ч

На стоянке

т/ч, где

- энтальпия пара

- энтальпия пароводяной смеси

В качестве ВППУ выбираем вспомогательный автоматизированный котел типа КАВ 4/7, который предназначен для обеспечения насыщенным паром технологических, хозяйственно-бытовых и технических нужд. Котел производит влажный насыщенный пар с давлением 0,7МПа и выдаёт его на потребители в диапазоне 0-100% от номинальной при полностью автоматизированном регулировании процессов горения и питания.

Электропитание механизмов производится переменным током напряжением 380 В с частотой 50Гц. Электропитание системы автоматики - 220 В и 380 В с частотой 50Гц.

Таблица 6. Технические данные котлоагрегата КАВ 4/7

Наименование параметра

Размерность

Значение

Паропроизводительность номинальная

кг/ч

4000

Давление пара

МПа

0,5-0,7

Влажность пара

%

не более 1

КПД

%

80,7

Удельный паросъем

кг/м2×ч

408

Топливо: малой вязкости ГОСТ 305-73 ГОСТ 4749-73 средней вязкости ГОСТ 1667-68 ГОСТ 10585-75 высокой вязкости ГОСТ 1667-68 ГОСТ 10585-75

  - -  - -  - -

  Л-0,5 ДС  ДТ Ф 5 и Ф 12  40 В 40

Расход условного топлива

кг/ч

311

Расход воздуха на горение

кг/с

1,5

Продолжение таблицы 6

Расход пара на подогрев и распыливание топлива

кг/ч

33-35

Поверхность нагрева

м2

98,1

Габариты котлоагрегата (длина * ширина * высота)

мм

3160 * 2610 * 3820

Масса котлоагрегата в сухом состоянии

т

8,78


4.7 Расчет запасов пресной воды и выбор опреснительной установки

Потребности судна в пресной воде

треб = Kз(DнZл + DдвNе/1000 + DпгWпг0,24 + DтIт) =1,25 (0,26×11+0,27×5,9+0,1×4×0,24)=5,7 т/сут где

з - коэффициент запаса производительности, равный 1,25-1,5;

Dн - санитарная норма расходования воды, 260 л/сут на человека;

Zл - число людей на судне, включая команду и пассажиров;

Dд - потери воды из систем охлаждения двигателей, л/сут на 1000 кВт включенной мощности;

Nе - суммарная мощность двигателей, работающих на длительном эксплуатационном режиме, кВт;

Dпг - коэффициент потерь пресной воды из систем вспомогательного парогенератора, %;

Wпг - производительность вспомогательного парогенератора, кг/час;

Dт - нормативы расходования пресной воды на технологические нужды судна, литр на единицу измерителя;

Iт - измеритель расходования пресной воды на технологические нужды судна, ед/сут.

Выбираем 2 опреснителя обратного осмоса серии Custom SW150 выполненых с электрическим двигателем [12].

Модель Custom SW150

Производительность 150 л/ч

л/сутки

Опреснители Custom изготовлены из пяти отдельных модулей, которые монтируются непосредственное на борту судна, в зависимости имеющегося свободного пространства. Опреснительная установка оснащена всеми шлангами и коннекторами, необходимыми для монтажа. Судовые опреснители Custom SW150 имеют международный сертификат качества ISO 9001:2008 - сертификат RINA (Registro Italiano Navale, Италия). Стандартное оборудование: · корпус из нержавеющей стали · помпа высокого давления с керамическими поршнями · клапан регулирования рабочего давления из нержавеющей стали AISI 316 · сосуды (содержащие мембраны) из эпоксидной смолы с укреплениями из нержавеющей стали · мембраны обратного осмоса с высокой проходимостью · коннекторы из нержавеющей стали 316L для работы под высоким давлением · прессостат безопасности с блокировкой установки в случае повышенного давления · монитор для контроля производства пресной воды · манометр из нержавеющей стали, гелевый для контроля рабочего давления · манометр из нержавеющей стали, гелевый для стадии предварительной фильтрации · двойная система предварительной фильтрации морской воды · ручная система промывки мембран Опции: · устройство дистанционного управления · прессостат безопасности при недостаточном давлении на входе · поршневая помпа с головкой из нержавеющей стали AISI 316 · пре-фильтр для очистки речной и озерной воды · пост-фильтр для реминерализации пресной воды.

Процесс работы установки для опреснения воды заключается в следующем:

Необработанная вода хранится в резервуаре, там же происходит ее дезинфекция. Через 30 минут вода подается на двухступенчатый (противопесочный) фильтр (для удаления взвешенных частиц) и фильтр дехлоринации;

Дехлорированная вода подвергается антискалантному дозированию, в целях предотвращения окалины на мембранах обратного осмоса.

Затем воду пропускают через систему защитной фильтрации, установленной вверх по потоку системы обратного осмоса, с тонкостью фильтрации до 5 мкм, чтобы удалить возможные твердые частицы, которые могут оказать негативное влияние на работу мембран обратного осмоса.

Концентрированная вода, на выходе из установки обратного осмоса, попадает в дренаж, фильтрованная вода хранится в резервуаре для хранения фильтрата, где она дезинфицируется. После этого вода будет доступна для конечного использования.

4.8 Газовыпускная система

Предназначена для отвода продуктов сгорания от главных и вспомогательных двигателей и котлов, для транспортировки высокотемпературных газов (150 - 500єС), обладающих токсичностью и несущих несгоревшие частички топлива в виде искр, которые могут вызвать пожар. В ее состав входят газовыпускные трубопроводы, глушители шума, искрогасители, компенсаторы температурных расширений, утилизационные котлы и другие элементы. Каждый дизель должен иметь отдельный газоотводной трубопровод, выводимый в общую дымовую трубу, расположенную над настойками судна. Дымоход изготовляют из листовой стали, с внешней стороны его защищают слоем изоляционного материала. Газовыпускные трубы изготовляют из стальных труб стандартных размеров небольшой длины, соединяемых между собой с помощью фланцев.      Для компенсации тепловых удлинений в газовыпускной трубопровод необходимо встраивать специальный эластичный элемент - компенсатор, который также снижает уровень шума и вибрации. Применяют сальниковые и линзовые компенсаторы. В системах газовыпуска обычно устанавливают глушители шума и предусматривают искрогасители.

Рис. 9. Схема газовыпуска ДУ

1 - вспомогательный дизель; 2 - главный дизель; 3 - опора (подвеска); 4 - вспомогательный парогенератор; 5 - паровой искрогаситель; 6 - глушитель-искрогаситель; 7 - кожух дымовой трубы с жалюзи для приема наружного воздуха; 8 - двери естественной вентиляции; 9 - выгородка с жалюзи для приема наружного воздуха; 10 - нагнетательный вентилятор; 11 - утилизационный парогенератор; 12 - труба аварийного слива воды; 13 - компенсаторы; 14 - трубы для спуска гудрона; 15 - главный электрощит.

Расчет параметров оборудования [3, с. 174]:


- необходимое сечение дымохода, где Vг - объемный расход выхлопных газов; aS - суммарный коэффициент избытка воздуха, для МОД фирмы MAN aS=3,0-3,7, принимаем =3,5; L0 = 14,33 кг/кг - теоретически необходимое количество воздуха для сгорания топлива, Wг = 20…40 м/с - скорость газа, принимаем Wг = 40 м/с,  - плотность газа, где рг = 3-4 кПа - давление газа, принимаем рг = 3,5 кПа, R = 287,1 Дж/кг*К - газовая постоянная, Тг = 245 0С - температура газа.

По известному расходу воздуха и радиусу проходного сечения дымохода выбираем два радиальных вентилятора (один резервный) марки ВРС 35/20-1. [8]

Характеристики вентилятора:

Диаметр рабочего колеса - 0,4 м;

Частота вращения - 2900 об/мин;

Производительность на номинальном режиме - 3190 м3/ч;

Полное давление - 2010 Па;

Статическое давление - 1700 Па;

Потребляемая мощность - 2,26 кВт;

КПД - 0,79;

Мощность, потребляемая из сети - 2,7 кВт;

Нагрев воздуха в вентиляторе - 3,0 0С;

Производительность на рабочем участке - 1780 - 4400 м3/ч;

Полное давление на рабочем участке - 2400-1320 Па;

Масса - 45 кг;

Приводной двигатель - АИР100S20M2.

.9 Расчет судовой электростанции

Система управления судовой электростанцией (СУ СЭС) поставляется либо в составе главного распределительного щита (ГРЩ) (в том случае, если ГРЩ и СУ СЭС изготавливаются одним предприятием), либо в отдельном конструктиве (шкаф, щит), если ГРЩ и СУ СЭС поставляются различными изготовителями.

 

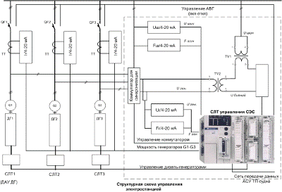
Рис. 10. Схема СЭС

В последнее десятилетие получили достаточно широкое применение интегрированные системы ДАУ ДГ, выполняющие, кроме основных функций (пуск, остановка, защита ДГ и аварийно-предупредительная сигнализация), дополнительные функции синхронизации генераторов, включение на параллельную работу и последующее распределение нагрузки.

Такая система ДАУ ДГ встраивается, как правило, в генераторную секцию главного распределительного щита (ГРЩ). Наиболее предпочтительным вариантом поставки оборудования для судовых электростанций является комплексная поставка одним предприятием (разработчиком и изготовителем) как ГРЩ, так и средств автоматизации (систем ДАУ ДГ и системы управления электростанцией). Указанные системы выполняются на базе типовых комплектующих изделий (программируемые контроллеры, коммутационная аппаратура, органы управления, средства отображения информации) применяемых в общесудовой АСУ ТП. В этом случае система управления электростанцией и системы ДАУ ДГ являются подсистемами распределённой АСУ ТП судна. При этом полностью решаются задачи обеспечения унификации аппаратных средств и программного обеспечения всех подсистем управления судовыми объектами, существенно сокращается объём кабельных связей и, соответственно, объём электромонтажных работ, что в общем даёт возможность значительного снижения строительной стоимости судна.

Судовая электростанция генерирует электроэнергию необходимых параметров и распределяет ее между судовыми потребителями в соответствии с режимами работы судна. Она должна обеспечивать бесперебойное снабжение энергией высокого качества всех ответственных потребителей на всех режимах работы судна и удовлетворять требованиям простоты, удобства обслуживания, высокой надежности при минимально возможных начальной стоимости, массе, габаритах и эксплуатационных затратах.

Выбор дизель-генераторов.

Для выработки электроэнергии на ходовом и стояночном режиме на всех судах с дизельной установкой используют дизель-генераторы, так как они обладают рядом преимуществ перед другими типами генераторов:

хорошей ремонтопригодностью;

высоким КПД двигателя-дизеля;

высокой готовностью к пуску и приёму загрузки;

способностью работы на дешёвых средневязких и высоковязких сортах топлива;

низкой относительной массой ДГ.

Согласно требованиям Регистра МФ РФ на морском судне должно быть не менее двух одновременно работающих генераторов, плюс один резервный, а так же один аварийный дизель-генератор с высоконадёжным пуском, который вместе с распределительным щитом, топливной цистерной и другим оборудованием размещают в отдельном помещении, находящемся выше уровня переборок и имеющем выход на открытую палубу. Рекомендуется, чтобы все 3 ДГ были одинаковой мощности, и загрузка каждого работающего ДГ в каждом режиме была бы наиболее полной - не менее 75% от номинальной мощности. Мощность аварийного ДГ выбирается достаточной для обеспечения электроэнергией всего оборудования, работа которого необходима во время аварии (пожарный насос, аварийное освещение, рулевой привод, связь и др.) и обычно составляет 100 кВт.

На каждом судне имеется достаточно много потребителей электроэнергии: электродвигатели механизмов, нагревательные и осветительные приборы, средства судовождения и связи. Основными элементами электростанции являются: источники энергии (первичные двигатели и генераторы тока), распределительные устройства и электрическая сеть, мощность судовых электростанций составляет 10-20% от мощности главных агрегатов. При этом рассматривают следующие режимы судна:

. ходовой режим;

. стоянка без грузовых операций;

. стоянка с грузовыми операциями;

. режим маневрирования.

Для выбора ДГ необходимо знать потребляемую им мощность на каждом из режимов [4, с. 260]:

. Ходовой режим

Лето:


Зима:


. Стоянка без грузовых операций

Лето:


Зима:


. Стоянка с грузовыми операциями

,

где n - число грузовых лебёдок (n = 4); G =10 т - грузоподъёмность одной лебёдки; V= 65 м/мин - скорость подъёма груза.

. Режим маневрирования


После расчёта нагрузок электростанции на основных режимах работы судна выбираем максимальную мощность и для неё подбираем дизель-генератор. Максимальной будет мощность на стоянке с грузовыми операциями летом N = 555 кВт. Выбираем 3 дизель-генератора, два из которых являются одновременно работающими, а третий - резервным.

Характеристики основного дизель-генератора 6ДГ50М1 [4, с. 237, табл. 4.14]

Мощность генератора, кВт                                        600

Напряжение, В                                                            420

Удельный расход топлива, кг/кВт´ч                                  0,224

Удельный расход масла, г/КВт´ч                             4,2

Масса, т                                                                       22,8

Длинна, мм                                                                 6652

Ширина, мм                                                                1577

Высота, мм                                                                  2520

Характеристики резервного дизель - генератора ДГА-200:

Мощность генератора, кВт:                                                200

двигателя - 220

Напряжение, В                                                                    420

Частота вращения коленчатого вала двигателя, мин-1              500

Удельный расход, г/кВт´ч:

топлива                                                              238

масла                                                                          5,4

Габаритные размеры, мм                                          3430´1110´1265

Масса, кг                                                                              12200

5. Расчет запасов топлива и масла

Количество топлива, принимаемого на борт, зависит от удельного расхода топлива главными и вспомогательными двигателями, дальности и продолжительности рейса.

. Продолжительность эксплуатации СЭУ за рейс [14]:

Время эксплуатации СЭУ на ходовом режиме.

, где:

- дальность плавания (миль);

- скорость движения судна (уз);

- коэффициент, учитывающий сопротивление движению судна.

Время эксплуатации СЭУ на режиме маневрирования.

ч

Время эксплуатации СЭУ на режиме стоянка.

ч

а) время эксплуатации СЭУ на режиме стоянка с грузовыми операциями.


б) Время эксплуатации СЭУ на режиме стоянка без грузовых операций.


Суммарная продолжительность эксплуатации СЭУ за рейс

ч (40 сут)

. Суммарный расход топлива МDO за рейс:

, где:

х - расход топлива на ходовом режиме.

, где

- расход топлива главного двигателя, кг;

- расход топлива дизель - генераторами на ходу, кг:


 - расход топлива вспомогательным котлом, кг:

, где:

- расход топлива на стоянке, кг

, где:

- расход топлива дизель - генераторами, кг


 - расход топлива вспомогательным котлом, кг:

, где:

-коэффициент использования котла.

. Расход легкого топлива.

Составляет 15 20% от расхода тяжёлого топлива.


. Запас топлива для аварийных дизель-генераторов:

По правилам Регистра запас топлива должен обеспечивать работу аварийной электростанции в течение 6 часов.


Производитель ГД рекомендует установить запасы смазочного масла в 2 цистернах по 5 тонн (всего 10 т смазочного масла) и одну донную отстойную цистерну объёмом 17,5т. Запасы цилиндрового масла рекомендованы в размере 2х34 т, а также должна быть расходная цистерна цилиндрового масла на 2,6 т.

6. Расположение оборудования

СЭУ располагается в одном или нескольких водонепроницаемых отсеках судна, что определяется в значительной мере общей компоновкой судна, его назначением и возможностью обеспечить требования живучести и у дифферентовки. Число отсеков для размещения СЭУ по возможности должно выбираться минимальным. Это сокращает коммуникации, упрощает обслуживание и уменьшает массу всей установки. Длина отсека СЭУ ограничивается обычно условиями непотопляемости. В отдельных случаях, при повышенных специальных требованиях к обеспечению живучести и при подразделении всей установки на несколько групп (эшелонов), установка располагается в нескольких несмежных отсеках. Ориентировочная длина помещений СЭУ, отнесенная к длине судна между перпендикулярами, составляет для транспортных судов от 12 до 18%, а для ледоколов и буксиров от 50 до 65%. Относительный объем отсеков СЭУ может быть равным 200-400 м3 на каждую 1000 кВт мощности главных двигателей [6].

В зависимости от места размещения СЭУ по длине судна различают среднее, кормовое и промежуточное ее расположение [3, с. 389].

Рис. 11. Расположение помещений СЭУ по длине судна: а) - средне, б) - кормовое, в) - промежуточное

Существенным недостатком среднего расположения является значительная длина валопровода, для которого требуется выделять специальные коридоры в кормовых отсеках. При кормовом расположении СЭУ длина валопровода минимальна, однако в этом случае увеличивается общая длина отсеков СЭУ из-за влияния заостренности кормовых обводов, снижается аварийная непотопляемость (при затоплении больших кормовых отсеков СЭУ), создаются неблагоприятные условия обитаемости (из-за увеличенной амплитуды и ускорений при килевой качке) и затрудняется работа на судах. В том числе и обзор из ходовой рубки при ее размещении в общей надстройке. Несмотря на это, кормовое расположение СЭУ получило широкое распространение на танкерах, на судах для перевозки массовых грузов и транспортных судах внутреннего плавания (речных и озерных).

При промежуточном расположении многие недостатки как кормового, так и среднего расположения СЭУ отсутствуют, и поэтому оно часто применяется на судах различных типов. При размещении оборудования СЭУ в нескольких отсеках оно может располагаться по линейной или эшелонной схеме. Эшелонная схема менее удобна с точки зрения обслуживания судовыми механиками, но обеспечивает наибольшую живучесть установки.

Для расположения валопроводов вне машинных отделений выгораживаются водонепроницаемые коридоры достаточных размеров для обслуживания подшипников, смены отдельных валов и выполнения ремонта. Коридор валопровода оборудуется аварийным выходом на открытую палубу.

Шахты помещений СЭУ служат для выхода дымоходов и газовыпускных трубопроводов, размещения глушителей, утилизационных судовых котлов, подачи воздуха, обеспечения входа и расположения лифтов, а в периоды ремонтов - для погрузки и выгрузки механизмов и отдельных узлов двигателей и агрегатов. Шахты МО заканчиваются на открытых палубах световыми люками, с крышками.

Кожухи дымовых труб предназначены для вывода газовыпускных труб и дымоходов и иногда могут служить для вывода - вытяжной вентиляции. Форма кожухов и их количество определяются общей компоновкой судна, его силуэтом и местом расположения СЭУ.

Размеры кожухов труб находятся в зависимости от количества газоотводных трубопроводов и дымоходов и размеров их сечений. В отдельных случаях кожухи труб могут быть совмещены с мачтами.

Ниже представлена схема расположения механизмов в МО универсального сухогрузного судна (Рис. 12).

Рис. 12. Общее расположение механизмов в МО универсального сухогруза пр. 15760

План трюма: 1 - ГД; 2-сепаратор масла СЛ-1; 3-сепаратор дизельного топлива СЛ-1; 4 - сепаратор тяжелого топлива (самоочищающийся); 5 - подогреватель топлива ПТК5-108; 6 - подогреватель масла ПМ1, 7В-10; 7 - электронасос циркуляционной смазки; 8 - блок топливо-подготовки; 9 - блок охлаждения забортной водой; 10 - блок охлаждения пресной водой; 11 - стояночный электронасос охлаждения пресной водой ДГ; 12 - электронасос охлаждения холодильной установки провизионных кладовых; 13 - блок перекачки технической воды; 14 - блок очистки холодильников воздуха; 15 - электронасос перекачки тяжелого топлива; 16 - блок подпорных топливных насосов ГД; 17 - электронасос смазки дейдвуда; 18 - электронасос откачки шлама; 19 - электронасос перекачки масла; 20 - электронасос очистки масла сальников, штоков, поршней ГД; 21 - насос фекальный; 22 - пожарный электронасос; 23 - балластно-осушительный насос; 24 - поршневой осушительный электронасос; 25 - установка для сепарации сточных вод; 26 - цистерна сбора масла из подпоршневых полостей; 27 - цистерна управляющей воды сепараторов; 28 - аппарат CO-II; 29 - цистерна дизельного топлива; 30 - цистерна тяжелого топлива; 31 - расходные цистерны тяжелого топлива; 32 - отстойная цистерна; 33 - кингстонный ящик; 34 - ледовый ящик; 35 - цистерна сточных вод; 36 - шахта аварийного выхода; 37 - помещение сепарации и топливоподготовки; 38 - портовый насос забортной воды

Судовая энергетическая установка является составной частью судна, и поэтому тип судна и его параметры оказывают влияние на состав и параметры СЭУ. Это влияние определяется требованиями к СЭУ различных судов, составом, параметрами потребителей энергии, режимами и условиями эксплуатации судов.

Выводы

В ходе курсового проекта была разработана энергетическая установка для универсального сухогрузного судна Dewi Laksmi. В качестве главного двигателя был выбран дизель Man B&W L42MC с 6 цилиндрами. Эффективная мощность двигателя была рассчитана и составила 5790 кВт. Так как главный двигатель является малооборотным и обеспечивает прямую передачу мощности на движитель, применение редуктора не требуется. Пропульсивная установка принята одновальной. В качестве движителя был выбран винт фиксированного шага. Диаметр винта был рассчитан и составил 4,24 м.

Также были представлены принципиальные схемы основных систем СЭУ: топливной, масляной, систем охлаждения, пускового воздуха, утилизации теплоты, газовыпуска. Оборудование систем (насосы, компрессоры, вентиляторы) было подобрано из типоразмерных рядов и каталогов.

В ходе расчета СЭС были выбраны вспомогательные дизель - генераторы: один работающий постоянно, два - при режимах маневрирования и плавания в сложных условиях, один - аварийный. Мощность генераторов рассчитывалась в соответствии с режимом работы (стоянка/ход) и временем года. При расчете энергетических запасов было определено необходимое количество топлива и масла.

В заключение была представлена схема кормового расположения СЭУ в МКО.

Литература и ресурсы интернет

1.      Даниловский А.Г., Орлов М.А., Боровикова И.А. Оптимизация судового пропульсивного комплекса - СПб, изд. СПбГМТУ, 2008.

.        Румб В.К. Судовая пропульсивная установка с двигателем внутреннего сгорания: учебное пособие - СПб: изд. СПБ ГМТУ, 2012.

.        Артемов Г.А., Волошин В.П. Судовые энергетические установки - Л.: Судостроение, 1987.

.        Румб В.К., Яковлев Г.В. Судовые энергетические установки. Судовые дизельные энергетические установки / учебник - СПб.: изд. СПбГМТУ, 2007.

.        Архипов Г.А., Даниловский А.Г. Учебно - исследовательская система автоматизированного проектирования судовых энергетических установок. Выбор главного двигателя для морского транспортного судна - СПб.: изд. СПбГМТУ, 1999.

.        Голубев Н.В., Чистяков В.А., Яковлев Г.В. Основы проектирования расположения судовых энергетических установок - Л.: изд. ЛКИ, 1988 г.

7.      http://www.tehnorma.ru/doc_ussrperiod/textussr/usr_17959.htm

.        http://www.moven.ru/new/catalog/vrs.php

9.      http://www.femco.ru/uploads/files/Alaed_spec_rus

.        http://www.hydrotehnika.ru/rush.htm

. http://www.hms-pumps.ru/pump.shtml? 297

. www.sailormall.ru/опреснители-серии-custom-070220

13. http:// www.standartov.ru

. http://www.userdocs.ru/fizika/7408/index.html? page=8

Похожие работы на - Проект дизельной установки для универсального сухогруза 'Dewi Laksmi'

 

Не нашли материал для своей работы?
Поможем написать уникальную работу
Без плагиата!
Без нейросетей!