Устройство измерения уровня паводковых вод и способ предполагаемого использования

  • Вид работы:
    Реферат
  • Предмет:
    Информатика, ВТ, телекоммуникации
  • Язык:
    Русский
    ,
    Формат файла:
    MS Word
    1,18 Мб
  • Опубликовано:
    2014-09-01
Вы можете узнать стоимость помощи в написании студенческой работы.
Помощь в написании работы, которую точно примут!

Устройство измерения уровня паводковых вод и способ предполагаемого использования

Аннотация

 

Пояснительная записка содержит __ страницу, в том числе 1 таблицу, 19 источников и 7 рисунков.

В данной работе проработан вопрос выбора типа и создания датчиков контроля параметров внешней среды (уровня воды) в системе автоматизированного прогнозирования затоплений и подтоплений.

Содержание

Введение

1. Способы измерения уровней жидкостей, основные виды датчиков

1.1 Основные способы измерения уровня жидкости и виды датчиков

1.1.1 Гидростатические датчики

1.1.2 Ультразвуковые датчики

1.1.3 Радиоволновые (радарные) датчики

1.1.4 Пьезоэлектрические датчики

1.2 Недостатки представленных видов датчиков

2. Устройство датчиков для измерения уровня воды

2.1 Конструкция простейших датчиков уровня воды

2.1.1 Сигнализатор уровня воды

2.1.2 Ультразвуковой датчик (разработчики А. Кукса, В. Снигур)

3. Описание предлагаемого устройства измерения уровня паводковых вод и способ предполагаемого использования

3.1 Описание принципиальной схемы устройства

3.2 Способ предполагаемого использования

Заключение

Список использованных источников

Введение

В процессе функционирования систем автоматизации деятельности весьма важным вопросом является получение входных сигналов и их последующая обработка.

Входные команды и сигналы могут подаваться оператором. Но в полностью автоматизированных системах участие человека исключается.

Кроме того, в силу физических возможностей и особенностей человека скорость ввода и реакции на внешние события достаточно низкой. Кроме того, в силу тех же особенностей у человека может быть снижена скорость принятия решения. То есть, в ситуациях когда на принятие решения отводятся доли секунды и необходимо быстрое получение и обработка входных данных, человек может просто не успеть с обработкой данных и принятием адекватного решения. Именно поэтому в рамках данной курсовой работы нами предлагается рассмотреть датчики, как средство оперативного получения информации. В частности будут рассмотрены их конструкцию и принципиальные схемы, которые могут помочь в изготовлении датчиков вне условий специализированного производства. Однако, при серийном производстве подобных датчиков, возможно, схема потребует доработки под условия серийного производства.

датчик уровень вода измерение

1. Способы измерения уровней жидкостей, основные виды датчиков


1.1 Основные способы измерения уровня жидкости и виды датчиков


Измерения уровня жидкостей играет важную роль при автоматизации технологических процессов во многих отраслях. В ряде случаев замер должен проводиться с высокой точностью и в большом диапазоне, охватывающем всю рабочую высоту резервуара, порой не имеющего доступа для обслуживающего персонала со стороны боковых стенок и днища (например, подземные бензохранилища). Для измерения уровня применяется множество различных методов и приборов (поплавковые, гидростатические, омические, емкостные, термические, акустические, радиоизотопные и др.), возможности использования которых определяются с одной стороны, технологическими требованиями (диапазон, точность, пожаро- и взрывобезопасность и др.), а с другой, влиянием неинформативных параметров (давление, плотность, вязкость, электропроводность и др.). Поэтому во многих технологических процессах приходится применять комплекс разнородных по принципу действия методов и приборов, что значительно усложняет конструкции вторичных измерительных устройств и увеличивает стоимость измерительных систем. [5]

Для ведения технологических процессов большое значение имеет контроль за уровнем жидкостей и твердых сыпучих материалов в производственных аппаратах. Кроме того, зная площадь любой емкости, по величине уровня можно определить количество вещества в ней. Часто по условиям технологического процесса нет необходимости в измерении уровня по всей высоте аппарата. В таких случаях применяют узкопредельные, но более точные уровнемеры. Особую группу составляют уровнемеры, используемые только для сигнализации предельных значений уровня. [4]

Для измерения уровня жидкости применяют поплавковые, буйковые, гидростатические, ультразвуковые и акустические приборы, для измерения уровня жидкости и твердых сыпучих материалов - емкостные и радиоизотопные.

В поплавковых уровнемерах имеется плавающий на поверхности жидкости поплавок [19], в результате чего измеряемый уровень преобразуется в перемещение поплавка. В таких приборах используется легкий поплавок, изготовленный из коррозионно-стойкого материала. Показывающее устройство прибора соединено с поплавком тросом или с помощью рычагов. Поплавковыми уровнемерами можно измерять уровень жидкости в открытых емкостях. [6]

В буйковых уровнемерах применяется неподвижный погруженный в жидкость буек.

Принцип действия буйковых уровнемеров основан на том, что на погруженный буек действует со стороны жидкости выталкивающая сила. [14]

По закону Архимеда эта сила равна весу жидкости, вытесненной буйком. Количество вытесненной жидкости зависит от глубины погружения буйка, т.е. от уровня в емкости. Таким образом, в буйковых уровнемерах измеряемый уровень преобразуется в пропорциональную ему выталкивающую силу. Поэтому зависимость выталкивающей силы от измеряемого уровня линейная. [5] В буйковых уровнемерах буек передает усилие на рычаг промежуточного преобразователя. Выходной сигнал первого уровнемера - унифицированный пневматический, второго - унифицированный электрический сигнал (постоянный ток).

Принцип действия буйковых уровнемеров позволяет в широких пределах изменять их диапазон измерения. Это достигается как заменой буйка, так и изменением передаточного отношения рычажного механизма промежуточного преобразователя. [6]

1.1.1 Гидростатические датчики

Гидростатический способ измерения уровня основан на том, что в жидкости существует гидростатическое давление, пропорциональное глубине, т.е. расстоянию от поверхности жидкости.

Принцип действия гидростатических уровнемеров основан на измерении давления внутри жидкости, определяемого массой столба жидкости, расположенного между точкой измерения и поверхностью жидкости в емкости. Если емкость открыта и жидкость, уровень которой измеряют, неагрессивна, то в качестве измерительного прибора применяют манометры (при высоте емкости не ниже 4 м) или напоромеры (при высоте емкости менее 4 м), устанавливаемые вблизи днища резервуара. Давление, показываемое прибором, при постоянной плотности жидкости будет пропорционально уровню жидкости. При небольшом расходе воздуха его давление в минусовой камере оказывается равным давлению над жидкостью в емкости, а в плюсовой - давлению в жидкости. Поэтому перепад давлений в дифманометре будет равен гидростатическому давлению жидкости и, следовательно, пропорционален измеряемому уровню. [4] Работа емкостных уровнемеров основана на различии диэлектрической проницаемости жидкостей и воздуха. Простейший первичный преобразователь емкостного прибора представляет собой электрод (металлический стержень или провод), расположенный в вертикальной металлической трубке. Стержень вместе с трубой образуют конденсатор.

Емкость такого конденсатора зависит от уровня жидкости, так как при его изменении от нуля до максимума диэлектрическая проницаемость будет изменяться от диэлектрической проницаемости воздуха до диэлектрической проницаемости жидкости.

Емкостные уровнемеры могут измерять уровень не только жидкостей, но и твердых сыпучих материалов: цемента, извести и т.п.

Большое распространение получили емкостные сигнализаторы уровня. Для повышения чувствительности их электроды устанавливают в горизонтальном положении [3].

Радиоизотопные уровнемеры. Такие уровнемеры применяют для измерения уровня жидкостей и сыпучих материалов в закрытых емкостях. Их действие основано на поглощении у-лучей при прохождении через слой вещества.

В радиоизотопном уровнемере источник и приемник излучения подвешены на стальных лентах, на которых они могут перемещаться в трубах по всей высоте бака. Ленты намотаны на барабан, приводимый в движение реверсивным электродвигателем. Если измерительная система (источник и приемник у-лучей) расположена выше уровня измеряемой среды, поглощение излучения слабое и от приемника по кабелю на блок управления будет приходить сильный сигнал. [17]

По этому сигналу электродвигатель получит команду на спуск измерительной системы.

При снижении ее ниже уровня среды поглощение Y-лучей резко увеличится, сигнал на выходе приемника уменьшится, и электродвигатель начнет поднимать измерительную систему Таким образом, положение измерительной системы будет отслеживать уровень в емкости (точнее, она будет находиться в непрерывном колебании около измеряемого уровня). Это положение в виде угла поворота ролика преобразуется измерительным устройством в унифицированный сигнал - напряжение постоянного тока U. [18]

1.1.2 Ультразвуковые датчики

В локационных ультразвуковых уровнемерах используется эффект отражения ультразвуковых колебаний от границы раздела жидкость - газ, в связи с чем они получили название ультразвуковых. Положение уровня определяется по времени прохождения ультразвуковых колебаний от источника до приемника после отражения их от поверхности раздела. В уровнемерах поглощения положение уровня определяется по ослаблению интенсивности ультразвука при прохождении через слои жидкости и газа. В резонансных уровнемерах измерение уровня производится посредством измерения частоты собственных колебаний столба газа над уровнем жидкости, которая зависит от высоты уровня. Наибольшее распространение получили локационные уровнемеры. Локация уровня может производиться либо через газовую среду над жидкостью, либо снизу через слой жидкости. Уровнемеры с локацией через жидкость могут быть использованы для сред под высоким давлением, для них требуется небольшая мощность источника, однако они чувствительны к включениям в жидкость, например к пузырькам газа при вскипании.

Поэтому эти уровнемеры применимы только для однородных жидкостей. Кроме того, они также чувствительны к изменению температуры и давления среды из-за зависимости от них скорости распространения ультразвука. Действие ультразвуковых уровнемеров основано на измерении времени прохождения импульса ультразвука от излучателя до поверхности жидкости и обратно. [16] При приеме отраженного импульса излучатель становится датчиком. Если излучатель расположен над жидкостью, уровнемер называется акустическим; если внутри жидкости - ультразвуковым. В первом случае измеряемое время будет тем больше, чем ниже уровень жидкости, во втором - наоборот. Электронный блок служит для формирования излучаемых ультразвуковых импульсов, усиления отраженных импульсов, измерения времени прохождения импульсом двойного пути (в воздухе или жидкости) и преобразования этого времени в унифицированный электрический сигнал. [11]

1.1.3 Радиоволновые (радарные) датчики

Перспективным методом измерения уровня является радиоволновой метод. Радиоволновыми (радарными) называются уровнемеры, основанные на зависимости параметров колебаний электромагнитных волн от высоты уровня жидкости. К радиоволновым методам относятся радиолокационный, радиоинтерферационный, эндовибраторный и резонансный. Работа радиолокационных (радарных) уровнемеров основывается на явлении отражения электромагнитных волн от границы раздела сред, различающихся электрическими и магнитными свойствами. Скорость распространения электромагнитной волны в среде определяется значениями ее диэлектрической е и магнитной р проницаемостей. Уровень h определяется измерением временного интервала между моментом посылки сигнала излучателем 1 и приходом отраженного сигнала на приемник. Обычно локация ведется через газовую среду над жидкостью.

Локация через газ предпочтительнее, так как излучатели не подвергаются воздействию жидкости. Кроме того, магнитные и диэлектрические проницаемости газов невелики и практически не зависят от изменения параметров и свойств газа. Это делает показания уровнемера практически не зависящими от свойств жидкости.

Недостатком таких уровнемеров является трудность точного измерения малых интервалов времени. Они чувствительны к нахождению в зоне излучения посторонних предметов, например металлических стенок емкостей.

В принципе локация может осуществляться и через жидкость, если она неэлектропроводная). недостатка необходимо применить узконаправленное излучение с помощью рупорных антенн. Существуют схемы радиолокационных (радарных) уровнемеров, в которых локация осуществляется через стенку рабочей емкости. Применительно к металлургическому производству таким образом можно контролировать границу раздела шлак - металл либо осуществлять непрерывное измерение уровня (существующие приборы имеют диапазон измерения до 200 мм). [9]

1.1.4 Пьезоэлектрические датчики

Конструктивно сигнализаторы уровня резонансного типа выполнены в виде погружаемого в жидкость резонатора с прикрепленным к нему пьезопреобразователем. Резонатор, генерирующий механические продольные колебания, вместе с пьезопреобразователем представляют собой единую резонансную систему, которая крепится в корпусе датчика к мембране в точке ее нулевой продольной деформации. Схематично такой акустоэлектронный резонансный датчик уровня жидких сред показан на К пьезопреобразователю в резонансной системе такого типа датчиков предъявляются следующие требования:

резонансная частота пьезопреобразователя и всей системы в целом должна обладать высокой стабильностью во времени, чтобы при старении не происходило рассогласования всей резонансной системы, т.е. выхода из строя датчика контроля уровня;

для достижения высокой точности контроля уровня жидкости минимальная ширина резонансной полосы пропускания частот должна составлять менее 0,3% от резонансной частоты, что обеспечит пьезопреобразователю механическую добротность выше 350;

устойчивая работа в широком диапазоне температур - от - 196 до +200°С;

емкость подсоединительного кабеля должна быть значительно ниже собственной электрической емкости преобразователя (~100 пФ).

В современных серийно выпускаемых датчиках резонансных уровнемеров используются преобразователи в виде цилиндра диаметром 8,5 мм и высотой 10-11 мм, изготовленные из пьезо-керамического материала ЦТСтБС-2. Их торцевые поверхности снабжены серебряными электродами, предназначенными для контакта с контрольно-измерительной аппаратурой.

Для такой конструкции пьезопреобразователя материал ЦТСтБС-2 оптимален по всему набору параметров: относительной диэлектрической проницаемости ("2000), механической добротности (>350), тангенсу угла диэлектрических потерь (<0,01).

С другой стороны, конструкция пьезоэлемента в виде стержня не позволяет использовать пьезоматериалы с более стабильными параметрами в рабочем диапазоне температур и более высоким значением механической добротности, так как они обладают сравнительно низким значением относительной диэлектрической проницаемости.

С целью повышения эксплуатационных характеристик резонансных сигнализаторов уровня специалисты филиала НИИФИ (Ростов-на-Дону) разработали конструкцию монолитного многослойного пьезопреобразователя В нем на торцевых поверхностях двух пьезоактивных элементов расположены изоляторы. Пьезоэлементы электрически соединены параллельно друг с другом гибкими проволочными выводами из стали марки 18х12Н10Т, которые находятся под прямым углом друг к другу и закреплены механически в пазах глубиной 0,25-0,2 мм.

Пазы размещены в плоскости электродов между изоляторами и пьезоэлементами, а также в средней части между пьезоэлементами. Монолитность конструкции достигается путём термокомпрессионной сварки изоляторов и пьезоэлементов, свариваемые поверхности которых покрыты вожженным в керамику серебром. Новая конструкция обладает следующими преимуществами по сравнению с обычной:

электроды пьезоактивных элементов изолированы от корпуса датчика, что обеспечивает его помехозащищенность;

возможность применения более "сегнетотвердых" пьезокерамических материалов с более низкими значениями относительной диэлектрической проницаемости и более высокими значениями механической добротности;

гибкие проволочные токосъемники освобождают от необходимости ненадежной пайки токовыводов к электродам пьезопреобразователя, приводящей к локальному перегреву пьезоэлементов; [10]

1.2 Недостатки представленных видов датчиков

Таблица 1.1 - Основные недостатки представленных датчиков.

Вид датчика

Недостатки, ограничивающие применение

Поплавковый

Наличие поплавка в резервуаре, трудности измерения уровня в резервуарах под давлением.

Гидростатический

Отсутствие возможности определения массы и регистрации объема измеряемой жидкости. Необходимость проведения дополнительных измерений и расчетов определения измеряемого уровня жидкости. [18]

Cущественное влияние налипания на датчик веществ, содержащихся в жидкости, на его погрешность. [7]

Радиоизотопный

Необходимость применения специальных мер защиты обслуживающего персонала от облучения. [15]

Ультразвуковой

Устройства характеризуются всеми основными недостатками датчиков емкостного типа. Стоимость ультразвуковых датчиков превышает стоимость емкостных датчиков. [4]

Радарный (радиоволновой)

Трудность точного измерения малых интервалов времени. Они чувствительны к нахождению в зоне излучения посторонних предметов, например металлических стенок емкостей. [5]

Пьезоэлектрический

Недостатком данного датчика сигнализатора является то, что клеевое соединение пьезопреобразователя и стакана механически непрочно и может нарушиться даже при незначительных вибрациях и ударах. К тому же клеевое соединение является неразборным, что резко ухудшает ремонтопригодность датчика сигнализатора при выходе из строя пьезопреобразователя. [10] Также клеевое соединение не обеспечивает высокой чувствительности, что ограничивает применение сигнализатора только для контроля жидких материалов. [13]


Рассмотрев данные таблицы 1.1, можно прийти к выводу, что наименьшими недостатками, в условиях решаемой задачи, обладают емкостные и радиоизотопные датчики. Однако, радиоизотопные датчики могут представлять опасность для здоровья обслуживающего персонала.

2. Устройство датчиков для измерения уровня воды

2.1 Конструкция простейших датчиков уровня воды

Рисунок 2.1 - Конструкция простейшего датчика уровня воды Устройство может использоваться для автоматического поддержания уровня воды в заданных пределах.

Удобен для управления электронасосом для откачки грунтовых вод из подвалов и других заглубленных помещений. В подвале, в наиболее глубоком месте, выкапывают металлический резервуар и монтируют в нем два датчика уровня: один опускают почти до дна, второй устанавливают вблизи верхней кромки резервуара.

Резервуар [1] и датчики подключают к электронному блоку (см. схему). сверху резервуар прикрывают решеткой. Грунтовая вода, скапливаясь в резервуаре, через некоторое время достигнет нижнего конца датчика Е1. В этот момент на управляющем электроде тринистора VS1 появится открывающее напряжение, он откроется и сработает реле К1. Контактами К1.1 оно подключит параллельно датчику Е1 второй датчик Е2. Контактами К1.2 (на схеме не показаны) реле включит пускатель насоса, который начнет откачку воды из резервуара. изготовить из нержавеющего металла.

Реле К1 - РЭС9, паспорт РС.4524.203 (или другое на подходящее напряжение срабатывания, желательно с более мощными контактами). Трансформатор Т1 - любой мощностью 5.8Вт с напряжением вторичной обмотки 15В, конденсатор С1 - 200мкФх25В. Описанный регулятор может быть использован для различных целей. Важно лишь, чтобы рабочая жидкость была электропроводна.

2.1.1 Сигнализатор уровня воды

Сигнализатор дает знать, когда вода достигнет заданного уровня. Состоит из генератора, выполненного на микросхеме D1, усилителя мощности на транзисторе V3 и электронного ключа на транзисторах V1, V2. Датчик, подключаемый к разъему Х1, состоит из двух металлических штырей, укрепленных на планке из изоляционного материала на расстоянии 20.30мм друг от друга. Питание на автомат подается через штырьки 1, 3 разъема датчика.

Когда вода достигнет датчика, сопротивление между его штырями станет сравнительно небольшим и достаточным для открывания транзисторов V1, V2 ключа. Через них на усилитель мощности поступит напряжение питания и в динамической головке B1 раздастся звук.

Чувствительность автомата высокая - он срабатывает уже при сопротивлении между штырями датчика 500кОм. Это необходимо для контроля уровня другой жидкости, обладающей большим сопротивлением, чем вода. Микросхему К155ЛА1 можно заменить на К155ЛА3, использовав только два ее элемента. Но в этом случае придется подобрать резистор R4 (уменьшить его сопротивление почти вдвое), чтобы напряжение между выводами 7 и 14 микросхемы составило примерно 5В. Вместо транзисторов КТ315А подойдут другие кремниевые транзисторы структуры n-p-n со статическим коэффициентом передачи тока более 20. Вместо транзистора КТ807А можно установить КТ807Б. Динамическая головка В1 - 0,1ГД-6 или другая малогабаритная мощностью до 0,25Вт и сопротивлением звуковой катушки постоянному току 6.10Ом.

Питается сигнализатор от источника напряжением 9В. Потребляемый ток в режиме ожидания не превышает 10мА.

Рисунок 2.2 - Схема сигнализатора уровня воды

2.1.2 Ультразвуковой датчик (разработчики А. Кукса, В. Снигур)

К достоинствам рассматриваемого ультразвукового уровнемера можно отнести малые размеры и потребляемую мощность, возможность измерения уровня агрессивных жидкостей, быстро приводящих в негодность погруженные в них металлические электроды обычных кондуктивных датчиков. В зависимости от установленного режима работы на индикатор выводится расстояние от поверхности жидкости до закреплённого над ней датчика или от поверхности до днища резервуара. Цифровая индикация с высоким темпом обновления даёт возможность судить о динамике изменения уровня.

Установленные пороги включения и выключения насосов, открывания и закрывания кранов или заслонок не изменяются при выключении и последующем включении прибора. Однако при необходимости они могут быть оперативно изменены в процессе его работы. Всё это позволяет с успехом использовать прибор в системах автоматического управления технологическими процессами.

Следует отметить, что на поверхности жидкости не должны плавать большие посторонние предметы, изменяющие характер отражения ультразвуковой волны. Например, очень плохо отражает ультразвук пористая поверхность, уровень отражённого от неё сигнала может стать недостаточным для работы прибора.

Схема прибора показана на рис. Микроконтроллер 001 программно формирует на своём выходе НВЗ пачки импульсов. Длительность пачки - около 400 мкс, период повторения - 500 мс. Частота импульсов, образующих пачку, в программе задана равной резонансной частоте датчика (пьезокерамического излучателя-приёмника ультразвука ЕЮ1) - 33 или 40 кГц в зависимости от его типа. [2]

Основным недостатком данной схемы в свете решаемой задачи является сложность схемы и большое количество компонентов, которое усложняет изготовление печатной платы и сборку прибора. Также может усложниться и поиск неисправности в приборе.

Рисунок 2.3 - Схема ультразвукового датчика (А. Кукса, В. Снигур) [2]

3. Описание предлагаемого устройства измерения уровня паводковых вод и способ предполагаемого использования


3.1 Описание принципиальной схемы устройства

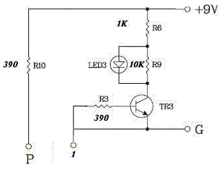
В качестве основного датчика, который может быть использован в системе прогнозирования затоплений и подтоплений, нами предлагается следующая схема, представленная на рисунке 3.1

Рисунок 3.1 - Примерная схема датчика уровня воды.

Данная схема представляет собой емкостный датчик со световой сигнализацией уровней воды.

Схема состоит из трех узлов, каждый из которых включает в себя:

Резисторы 390, 10 и 1 Ком Светодиод Транзистор В исходном виде, как это указано на рисунке 3.1, схема включает три узла и, соответственно, три светодиода для сигнализации при достижении жидкостью трех уровней: ниже допустимого, допустимого, предельного.

В контексте решаемой задачи, нас будет интересовать только предельно допустимый уровень. В результате, схема примет вид, указанный на рисунке 3.2

Рисунок 3.2 - Оптимизированная схема датчика уровня воды.

Оптимизированная схема, согласно рисунку 3.2 включает в себя один транзистор и один светодиод для сигнализации о состоянии датчика. Общий принцип действия схемы заключается в следующем: вода замыкает контакты Р и 1, электричество через транзистор попадает на светодиод.

Рисунок 3.3 - Фрагмент схемы. Параллельное включение резистора.

Фрагмент схемы, показанный на рисунке 3.3 - это, согласно рекомендациям [12], необходимое условие устойчивой и длительной работы светодиодов. Невыполнение данного требования приведет к выходу светодиодов из строя. Возможное дальнейшее усовершенствование схемы - включение вместо пары светодиод - резистор, микросхемы с загруженной в нее программой обработки сигнала от чувствительного элемента датчика. Также возникает необходимость передачи сигналов на автоматизированное рабочее место (АРМ) оператора системы прогнозирования. Данную задачу можно выполнить с помощью GSM модуля либо GSM модема, который подключается в схему последовательно с микросхемой и выполняет функции передачи данных на АРМ оператора.

3.2 Способ предполагаемого использования

Основной метод использования прибора - обнаружение жидкости и сигнализация о данном факте, при превышении жидкостью определенного уровня.

Основной вариант использования прибора - закрепление на опорах мостов вблизи или непосредственно в населенных пунктах.

Для закрепления на опорах мостов необходимо при проектировании топологии схемы закладывать места под технологические отверстия. При непромышленном способе изготовления схемы датчика, путем травления с помощью хлорного железа, необходимо помнить о том, чтобы не было замыкания схемы на корпус и крепежные элементы, в результате неаккуратной разметки дорожек печатной платы.

При повышении уровня воды до предельных значений, контакты датчика замыкаются водой. Вследствие замыкания электрической цепи, ток проходит через транзистор, который усиливает напряжение и подает ток на пару светодиод-резистор. Светодиод загорается, сигнализируя о наличии воды.

Также возможен контроль двух состояний предельно допустимого и критического. Для этого общая схема прибора принимает следующий вид:

Рисунок 3.4 - Схема датчика с двумя состояниями

При усовершенствованиях, указанных в пункте 3.1, данную схему также возможно использовать для передачи сигналов на АРМ оператора. Цветовая сигнализация в программном обеспечении АРМ может быть следующая: желтый цвет - при достижении предельно допустимого уровня, красный цвет - критический уровень. При достижении критического уровня также возможно применение на АРМ оператора и звуковой сигнализации, для привлечения внимания персонала.

Программное обеспечение АРМ оператора должно быть связано с базой данных для накопления данных об уровне воды и составления оперативного прогноза развития затопления и подтопления территорий, а также будущих прогнозов затопления и подтопления территорий.

Также для увеличения срока службы датчика и его надежности, нами предлагается собрать датчик в пластиковом корпусе. Выводы же чувствительного элемента оставить за пределами корпуса, чтобы обеспечить их контакт с водой для контроля ее уровня.

Заключение

В процессе написания данной курсовой работы были рассмотрены различные конструкции датчиков, определены их достоинства и недостатки. Также был произведен обоснованный выбор конструкции датчика, наиболее подходящей для решения задачи контроля затопления и подтопления территорий. В результате наиболее оптимальной для решения задачи контроля уровня воды была выбрана емкостная конструкция датчика воды. Данная конструкция обладает меньшим количеством недостатков по сравнению с остальными и проста в изготовлении, что в итоге потребует меньше времени на изготовление опытного образца датчика и его практическую проверку. Еще один перспективный тип датчиков, который был рассмотрен в работе - ультразвуковые. Однако, их сборка требует больше времени, так как их топология более сложна, чем топология емкостных датчиков и для их сборки требуется больше времени и большее количество компонентов. Но оценить на практике возможно только готовый, собранный прибор. Из этого можно сделать вывод о том, что первичные эксперименты возможны с емкостными датчиками. При отрицательных результатах первичных экспериментов возможна смена варианта конструкции датчиков.

Список использованных источников


1. Топников А. Емкостный измеритель уровня жидкости/ Топников А. // Радио. - 2014. - №9. - С 34-38

. Кукса А, Снигур В. Ультразвуковой измеритель уровня жидкости /Кукса А, Снигур В. // Радио. - 2012. - №6. - С 41-43

. Вельдт И. Д, Михайлова Ю.В. Электромагнитный метод измерения расхода и уровня жидкости в безнапорных трубопроводах /Вельдт И. Д, Михайлова Ю.В. // Измерительная техника. - 2013. - №7. - 45-50

. Леонидова З.Е. Особенности обработки цифровых изображений датчиков уровня жидкости с несколькими лазерными источниками и матричными приемниками излучения/ Леонидова З.Е. // Экологические системы и приборы. - 2012. - №7. - С 29

. Способ измерения уровня жидкостей. - Режим доступа: http://agroapk.ru/menu-archive

. Поплавковые и буйковые уровнемеры. - Режим доступа: http://studopedia.net/1_32829_poplavkovie-i-buykovie-urovnemeri.html

. Емкостный уровнемер. - Режим доступа: http://www.ngpedia.ru/id543720p3.html

. Контроль расхода топлива: варианты организации. - Режим доступа: http://gps-global. kz/fuelsensors.html

. Радиоволновые, радарные уровнемеры. Устройство, принцип действия, типы и виды радарных уровнемеров. - Режим доступа:

http://www.eti. su/articles/izmeritelnaya-tehnika/izmeritelnay-tehnika_518.html

. Датчик пьезоэлектрического сигнализатора уровня. - Режим доступа: http://www.findpatent.ru/patent/236/2365879.html

. Акустические ультразвуковые уровнемеры. Устройство, принцип действия, типы и виды ультразвуковых уровнемеров. - Режим доступа:

http://www.eti. su/articles/izmeritelnaya-tehnika/izmeritelnaya-tehnika_522.html

. Соединение светодиодов. - Режим доступа: http://gyrator.ru/soedinenie-svetodiodov

. Пьезоэлектрические датчики уровня жидких сред монолитной конструкции. - Режим доступа: http://www.electronics.ru/files/article_pdf/1/article_1265_143. pdf

. Измерение уровня. - Режим доступа: http://kipinfo.ru/info/stati/? id=25

. Радиоизотопные уровнемеры. - Режим доступа: http://www.td-urovnemer.ru/info/articles/radioizotopnie_yrovnemeri. htm

. Акустические ультразвуковые уровнемеры. Устройство, принцип действия, типы и виды ультразвуковых уровнемеров. - Режим доступа:://www.eti. su/articles/izmeritelnaya-tehnika/izmeritelnaya-tehnika_522.html

. Гидростатический уровнемер. - Режим доступа: http://www.ngpedia.ru/id543715p3.html

. Технологии и методы измерения уровня. - Режим доступа: http://knowkip. ucoz.ru/publ/teplotekhnicheskie_izmerenija/izmerenie_urovnja/tekhnologii_i_metody_izmerenija_urovnja_sredy/4-1-0-55

Похожие работы на - Устройство измерения уровня паводковых вод и способ предполагаемого использования

 

Не нашли материал для своей работы?
Поможем написать уникальную работу
Без плагиата!
Без нейросетей!