Устройство и назначение баллистокардиографа

  • Вид работы:
    Реферат
  • Предмет:
    Информатика, ВТ, телекоммуникации
  • Язык:
    Русский
    ,
    Формат файла:
    MS Word
    602,82 Кб
  • Опубликовано:
    2015-01-12
Вы можете узнать стоимость помощи в написании студенческой работы.
Помощь в написании работы, которую точно примут!

Устройство и назначение баллистокардиографа

Содержание

Обозначения и сокращения

Введение

. Существующие решения

. Обоснование структурной схемы

. Выбор элементной базы, расчет основных элементов и узлов

.1 Блок питания

.2 Датчик

.3 Операционный усилитель

.4 Микроконтроллер

.5 Подключение разъема RS-232 в разрабатываемое устройство

.6 Подключение оптронной развязки в разрабатываемый прибор

Заключение

Список используемой литературы


Обозначения и сокращения

·  Б - Баллситокардиография;

·        БКГ - Баллистокардиограмма;

·        МК - Микроконтроллер;

·        ПК - Персональный компьютер;

·        РФ - Российская Федерация;

·        ФИПС - Федеральный институт промышленной собственности;

·        ЭВМ - Электронно-вычислительная машина;

·        ЭКГ - Электрокардиограмма.


Введение

Баллистокардиография (греч. ballō бросать + kardia сердце + graphō писать, изображать) - метод графической регистрации реактивных механических движений тела человека, обусловленных сокращениями сердца и перемещением крови в крупных артериях.

На регистрируемой кривой - баллистокардиограмме (БКГ) отражаются колебания тела, возникающие под влиянием систолы сердца, гидравлического удара крови о дугу аорты и бифуркацию легочного ствола, а затем о бифуркацию аорты. Амплитуда волн БКГ в систолической фазе пропорциональна энергии сердечного выброса. На БКГ отражается также степень замедления кровотока, зависимая от величины периферического сопротивления кровотоку. В зависимости от регистрируемого параметра колебаний (обычно по продольной оси тела) различают Б. смещения, скорости и ускорения (последняя называется также акцелерационной Б.).

Предложено два основных варианта регистрации БКГ: прямой метод, при котором записываются колебания тела обследуемого, лежащего на неподвижном основании, и непрямой метод, основанный на записи колебаний подвижного основания, на котором лежит обследуемый. Запись осуществляют с помощью специальных приборов - баллистокардиографов. К разновидностям Б. можно отнести ряд методов регистрации связанных с сердечной деятельностью механических колебаний грудной клетки (локальная Б.) - динамокардиографию (регистрацию перемещений центра тяжести грудной клетки), сейсмографию (регистрацию сотрясений грудной стенки) и низкочастотную сейсмографию, позволяющую регистрировать колебания грудной стенки частотой от 1 до 10 Гц (кинетокардиография).

Баллистокардиография является неспецифическим методом исследования сократимости миокарда и гемодинамики. По изменениям амплитуды и деформации систолических волн различают четыре степени патологических изменений БКГ, которые могут соответствовать выраженности нарушений сократимости миокарда. Однако форма БКГ зависит и от других факторов (эластичности крупных артерий, наличия препятствий на пути кровотока - пороков сердца, стенозов аорты и магистральных артерий, артериовенозных шунтов, вязкости крови, отношения массы миокарда к массе тела и т.д.). Поэтому выраженные сдвиги БКГ, соответствующие III-IV степени изменений, могут быть выявлены и при достаточном сердечном выбросе и нормальной сократимости миокарда, например у больных с мерцательной тахиаритмией (из-за интерференции волн, относящихся к различным сердечным циклам).

Одновременно с БКГ обычно записывают ЭКГ, по зубцам Р и Т которой устанавливают соотношение волн баллистокардиограммы.

Баллистокардиограмма здорового человека представляет собой кривую, имеющую несколько волн, или зубцов. Согласно обозначениям Старра, первой волной БКГ является волна G, после которой следуют волны Н, I, J, К, L, М, N. Волна G возникает при систоле предсердий и регистрируется непосредственно перед зубцом Р на ЭКГ. В отношении происхождения волны Н нет единого мнения. Одни исследователи считают, что она является отражением движения верхушки сердца, другие - движением атрио-вентрикулярной перегородки и крови в предсердиях, третьи объясняют ее замедлением кровотока внутри желудочков во время систолы.

Волна I является следствием систолы желудочков. Момент выбрасывания крови в аорту и в легочную артерию сопровождается обратной отдачей сердца, обратным толчком. Волна J возникает в связи с внезапным замедлением тока крови при ее ударе о дугу аорты и развилку легочной артерии.

Волна К обусловлена замедлением тока крови в нисходящей части аорты в результате периферического сопротивления.

Волны L, М, N носят название диастолических и обязаны своим происхождением притоку крови к желудочкам. Между волнами (зубцами) баллистокардиограммы различают два основных интервала IJ и JK. Первый отражает движение крови по восходящему, а второй - по нисходящему отделу аорты. Временные соотношения волн баллистокардиограммы, установленные по зубцу R на ЭКГ, соответствуют следующему: RH - 0,07 с, RI-0,13 с, RJ-0,19 с, RK-0,27 с. Амплитуды волн БКГ у здоровых людей тоже имеют между собой определенные соотношения: волна Н не должна быть больше ¼ волны I. Волна I меньше волны J, но больше волны Н. Волна К в 2 раза меньше волны J. Волна L соответствует 1/3-¼ волны J.

На рисунке 1 показаны амплитудный и аременной анализы баллистокардиографического комплекса.

Рисунок 1 - Амплитутдный и временной анализ баллистокардиографичекого комплекса

При патологических состояниях и изменениях сердечно-сосудистой системы нарушаются форма, длительность и амплитуда отдельных волн БКГ. Кроме того, с помощью БКГ можно выявить функциональную недостаточность сердечно-сосудистой системы. При этом проводятся пробы: с физической нагрузкой (20 приседаний), нитроглицерином, вдыханием газовой смеси, содержащей 10% кислорода (аноксемическая проба), проба с задержкой дыхания. У здоровых людей эти пробы почти не дают изменения волн баллистокардиограммы, отражаясь (увеличивая) лишь на их амплитуде.

1. Существующие решения

Патент РФ №2089095: изобретение относится к медицине, кардиологии. Сущность: регистрируют вертикальную баллистокардиограмму, измеряют ее амплитудные и временные показатели.

Затем вычисляют обобщенный показатель фи по формуле

Ф = Kii,

где Кi - постоянные коэффициенты,

Пi - клинические признаки.

По вычисленному значению судят о состоянии сократительной функции миокарда. Способ позволяет оценивать состояние сократительной функции миокарда, осуществлять раннюю диагностику ишемической болезни сердца. 3 табл.

Изобретение относится к медицине, а именно к кардиологии. Известен способ баллистокардиографии, заключающийся в том, что исследуемого помещают в жидкую среду и производят регистрацию механического движения тела исследуемого, вызванного пульсовыми толчками сердечного выброса крови с помощью датчиков, размещенных в той же среде в непосредственной близости от поверхности тела.

Однако данный способ трудоемок для целей массовых профилактических обследовании, и не позволяет выявить ишемическую болезнь у лиц с ранними нарушениями сократительной функции миокарда.

Цель изобретения - ранняя диагностика скрытых форм заболевании в условиях массовых профилактических обследований, выявление признаков ранних стадий ишемической болезни сердца без предъявления обследуемое тестов с физической нагрузкой.

Указанная цель достигается тем, что регистрируют вертикальную баллистокардиограмму, измеряют баллистокардиографические волны, антропометрические и функциональные показатели, рассчитывают показатель состояния сократительной функции миокарда (Ф) по формуле

Ф = Kii,

где Кi постоянные коэффициенты;

Пi- клинические признаки, в качестве которых выбирают рост, возраст, диастолическое артериальное давление (Адд), и параметры баллистокардиограммы, причем Ф с эффективностью не менее 84% рассчитывают по формуле:

Ф1 0,246 hi/k + 0,239 hi + 0,244 i/k + 0,231 i + 0,298 ij/k + 0,141 jk/k +

,133 jk 0,16 j 0,16 jk/k 6,5575;

а с эффективностью не менее 78% ф рассчитывают по формуле:

Ф2 0,12724 рост + 0,78237ij/k 0,14784 возраст 0,11278 Адд 10,982

и судят о нормальном состоянии сократительной функции миокарда при Ф < порогового значения и о нарушении сократительной функции при Ф > порогового значения, при этом пороговое значение для решающих правил лежит в диапазонах:

,056 < Ф1 < 0,751,337 < Ф2 < 0,584

Способ осуществляют следующим образом: обследуемому сообщается о цели обследования, подчеркивается безвредность процедуры, перспективность в профилактическом плане, необходимость мышечного расслабления.

Обследование проводится вне зависимости от сроков приема пищи, курения или характера предшествующей деятельности.

Обследуемого или больного с клиническими проявлениями ИБС, но без характерных изменении на электрокардиограмме, или больного, который не в состоянии выполнять физические нагрузки, размещают на сиденье, установленном на динамометрической платформе устройства. Положение обследуемого свободное, мышцы расслаблены, дыхание спокойное. По стрелочному индикатору устанавливают массу обследуемого. Проводится регистрация вертикальной баллистокардиограммы в течение 10 15 с (но не более 1 мин). Измеряют амплитудные показатели, нормированные к массе обследуемого и временные показатели сегментов вертикальной баллистокардиограммы.

В зависимости от конфигурации системы регистрация проводилась в памяти ПЭВМ (магнитный диск) или на ленте графического регистратора.

На базе аппарата статистической классификации были разработаны решающие правила, обеспечивающие решение альтернативной задачи в отношении обследуемого посредством предлагаемой системы, а именно:

обследуемый здоров, т.е. сократительная функция миокарда в норме;

обследуемый болен, т.е. сократительная функция миокарда имеет отклонения, требуется консультация врача-специалиста.

Решающие правила представляют собой полином, аргументами которого являются информативные признаки (медицинские параметры, анамнестические данные), характеризующие состояние обследуемого на момент обследования.

Набор информативных признаков приведен в табл. 1.

Был осуществлен выбор и минимизация информативных признаков исходя из критерия эффективности работы систем кардиологического скрининга, имеющих различную аппаратную конфигурацию, степень технической сложности и стоимости.

Выбраны соответствующие этим вариантам, решающие правила, отличающиеся набором информативных признаков и потребными для их регистрации техническими средствами, входящими в систему доврачебного скрининга.

Реализация правила Ф2 предполагает использование анамнестических данных из истории болезни и результатов инструментальных исследований (артериальное давление, рост, масса, ВБКГ). Правило Ф1 обеспечивает проведение кардиологического скрининга, только на основе вертикальной баллистокардиографии.

Зависимость характеристик решающих правил от значения диагностического порога и подход к выбору этого значения иллюстрируется табл.3.

При использовании предложенной системы в случае обследований, когда высока "цена" ошибки пропуска больных, таких как, профотбор, предрейсовый и профилактический осмотры на транспорте, воздушном флоте и т.п. предпочтение отдается значениям, лежащим в нижнем диапазоне таблицы.

Рассчитывают обобщенный показатель по формуле:

Ф =

где Кi постоянные коэффициенты $Пi врачебные признаки и судят о нормальном состоянии сократительной функции миокарда при Ф < меньшем пороговой величины, а при нарушениях сократительной функции Ф > больше пороговой величины для выбранного решающего правила.

Пороговые величины для решающих правил лежат в следующих диапазонах:-1,056 < Ф1 < 0,75-1,337 < Ф2 < 0,584

Пример 1. Больной Севостьянов Л.Д. 53 лет, порядковый номер №258 по массиву историй болезней поступил в терапевтическую клинику с жалобами на периодические боли в области сердца сжимающего характера, возникающие при физической нагрузке, иррадирующие в левую руку, снимающиеся приемом нитроглицерина, одышку при быстрой ходьбе, периодический кашель с мокротой.

При объективном обследовании левая граница сердца на 1 см смещена влево, 1 тон на верхушке приглушен, акцент 2 тона на аорте. Над легкими единичные сухие хрипы на фоне жесткого дыхания. Других отклонений от нормы не выявлено. На ЭКГ, снятой в покое, зафиксирована синусовая брадикардия, 56 в 1 мин, что является вариантом нормы, по данным ВБКГ изменения 4 ст по Брауну, количественные параметры, свидетельствующие о значительном снижении сократительной функции миокарда. Это послужило основанием для более глубокого обследования больного. При эхокардиографии выявлены умеренная дилятация полости левого желудочка, уменьшение фракции изгнания до 35%. На коронарографии установлен стеноз верхней трети и 2 стеноза в средней трети правой коронарной артерии на 60% диффузные изменения в периферических отделах левой коронарной артерии, окклюзия нисходящей артерии в средней трети.

Установлен диагноз ИБО. Таким образом, баллистокардиограмма оказалась в данном случае информативною, определила ход дальнейшего обследования, в результате которого диагноз ИБС был верифицирован.

Пример 2. Больной Егоров В.П. 50 лет, поступил в терапевтическую клинику с жалобами на боли в области сердца сжимающего, жгучего характера, усиливающиеся на вдохе, иррадирующие в левую лопатку. Больным себя считает в течение 5 лет.

При объективном обследовании установлено смещение границы относительной сердечной тупости влево на 0,5 см, приглушение 1 тона на верхушке. Болезненность при пальпации 3-4 межреберий слева. На ЭКГ, снятой в покое, отклонений не выявлено. ВБКГ 2 ст. по Брауну, сократительная функция миокарда уменьшена незначительно, согласно возрасту. Больному проведена велоэргометрическая проба: при мощности выполняемой работы 100 Вт достигнута планируемая частота сердечных сокращений. Реакция АД в норме. Толерантность к нагрузке средняя. Проба отрицательная. Это дало основания исключить у больного ИБО. Осмотрен невропатологом. Выявлен остеохондроз шейно-грудного отдела позвоночника, межреберный миозит слева. Соответствующее лечение дало значительное улучшение.

Вывод: настоящий клинический пример показал ценность БКГ, не уступающую ЭКГ, при диагностике заболеваний с синдромом кардиалогии экстракардиального генеза.

Пример 3. Больная Заборжевская Л.В. 27 лет, поступила в терапевтическую клинику с жалобами на боли в области сердца в течение всего дня, усиливающиеся к вечеру, жгучего характера, сопровождающиеся сердцебиением, одышку при физической нагрузке.

В детстве часто болела ангинами. При объективном обследовании границы сердца в норме, приглушение 1 тона на верхушке, короткий систолический шум в точке Боткина. Других отклонений не выявлено. На ЭКГ, снятой в покое, без патологии. ВБКГ Ч ст. по Брауну, количественные параметры свидетельствуют о значительном снижении сократительной функции миокарда. При проведении велоэргометрической пробы на 3 мин нагрузки, мощность 50 Вт, появилась депрессия сегмента ST в V3 V6 более 1мм, появились боли в области сердца и головокружение. Проба расценена как положительная по клиническим и ЭКГ-критериям, толерантность к нагрузке низкая. После проведения курса лечения выписана в удовлетворительном состоянии, с диагнозом: миокардитический кардиосклероз, Н.

Вывод: в данном случае изменения, выявленные на ЭКГ, послужили основанием для проведения дополнительного обследования, после чего был установлен клинический диагноз.

Пример 4. Больной Вертий Н.Г. 53 лет, поступил в терапевтическую клинику с жалобами на боли за грудиной давящего характера, возникающие при физической нагрузке, купируемые нитроглицерином. Больным себя считает в течение года. При объективном обследовании отмечено увеличение размеров сердца влево на 1 см, приглушение 1 тона на верхушке. Других отклонений от норм не выявлено. На ЭКГ, снятой в покое, ритм синусовый, признаки умеренной гипертрофии левого желудочка, ВБКГ 3-4 ст. по Брауну, умеренное снижение сократительной функции миокарда. Выполнена эхокардиография на которой выявлен участок повышенной эхоплотности, уменьшение амплитуды движений на задней стенке левого желудочка, снижение фракции изгнания до 33%.

Это свидетельствовало о наличии рубцовой ткани в миокарде. Проведенное соответствующее лечение вызвало значительное уменьшение болевого синдрома и улучшение общего самочувствия.

Вывод: патологические сдвиги БКГ больного при невыраженных неспецифических измерениях ЭКГ, позволили наметить оптимальный перечень инструментальных обследований, в результате чего впервые установлен диагноз ИБС и постинфарктного кардиосклероза.

Апробация системы в клинике кардиологии ВМА, в ходе массовых обследований организованных контингентов на базе поликлиники, проведении контроля операторской деятельности в ходе натурных экспериментов, показала высокую чувствительность предлагаемого способа к ранним стадиям нарушения сократительной функции миокарда.

Применение вертикальной баллистокардиографии в качестве единственного метода обследования обеспечивает высокие специфичность при обследовании здоровых лиц и чувствительность при решении задачи обнаружения сердечно-сосудистой патологии.

Методическая простота, бесконтактность метода позволяют выявить нарушения сократительной функции миокарда на ранних стадиях заболеваний при проведении массовых профилактических обследований.

Патент СССР №573665: Предметом изобретения является портативный электромагнитный баллистокардиограф для исследования продольных пульсовых движений тела человека, связанных с перемещением крови при сокращениях сердца.

Описываемый аппарат является приставкой к электрокардиографу и служит подставкой под ноги лежащего на спине больного (рисунок 1.1). Действие устройства основано на принципе регистрации баллистокардиограмм совмещением особенностей двух известных способов - прямого и косвенного.

В отличие от громоздких баллистокардиографических столов, состоящих из нескольких частей, и аппаратов для прямого и косвенного методов, предлагаемый аппарат (приставка к электрокардиографу) представляет собой единую малогабаритную конструкцию, удобную для применения в широкой медицинской практике.

Рисунок 1.1 - Подставка под ноги

Портативный электромагнитный баллистокардиограф (рисунок 1.2) состоит из двух площадок 1 и 4, жестко соединенных между собой четырьмя плоскими стальными пружинами 3. К. верхней площадке 1 при помощи специальной панели 5 прикреплен подковообразный магнит 6, с нижней площадкой 4 жестко скреплена индукционная катушка 7, концы которой а и б подключаются на вход электрокардиографа соединительными элементами для стальных пружин и катушки являются металлические уголки 2 и 8.

Рисунок 1.2

Пульсовые смещения передаются верхней площадке аппарата, вследствие чего она смещается относительно нижней в направлении продольной оси тела и перпендикулярно к плоскости стальных пружин. При смещении магнита, соединенного с верхней площадкой, магнитные силовые линии пересекают витки катушки и в ней возникает электрический ток, пропорциональный скорости смещения магнита, а следовательно, скорости смещения верхней площадки и тела. Регистрацией этого тока с помощью электрокардиографа записывается баллистокардиограмма скорости.

2. Обоснование структурной схемы

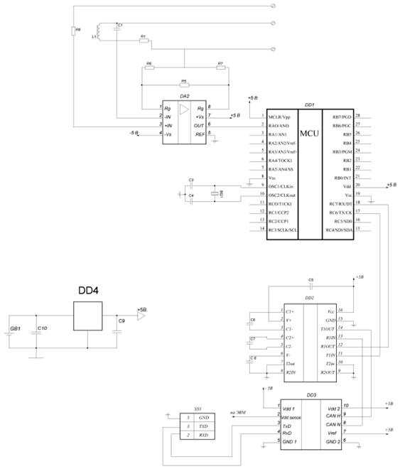
Структурная схема разрабатываемого устройства представлена на рисунке 2.1.

Для регистрации БКГ на одноканальном приборе использовался простой индукционный датчик движения, состоящий из катушки с магнитом и конденсатора. Движения магнита, следующие за движениями тела человека, индуцируют в катушке ток, электродвижущая сила которого прямо пропорциональна скорости движения. Стержень магнита на 2/3 его длины вводят строго посередине в отверстие неподвижно закрепленной на штативе индукционной катушки с большим числом витков (около 100 000) тонкой медной проволоки.

Рисунок 2.1 - Структурная схема устройства

Исследуемый сигнал с пары электродов передается на дифференциальный усилитель. Сигнал, снимаемый с правой ноги, сначала проходит через схему обратной связи, предназначенной для компенсации синфазного сигнала, где применен операционный усилитель. Далее сигнал поступает на микроконтроллер, где фильтруется, оцифровывается и передается на ЭВМ через разъем RS232. В разрабатываемом устройстве предусмотрена микросхема оптронной развязки, которая полностью соответствует стандарту ISO 11898 CAN. Отображение баллистокардиограммы, наложенной на ЭКГ, происходит на мониторе ЭВМ.

Устройство питается от напряжения питания плюс минус 5В через блок питания, собранного на базе микросхемы MAX639.

графический миокард гемодинамика баллистокардиограф

3. Выбор элементной базы, расчет основных элементов и узлов

3.1 Блок питания

Источник питания батарейка “Крона 9В”. Так как наша схема питается от напряжения питания 5В, то мы стабилизировали напряжение с помощью стабилизатора DD3 и двух конденсаторов С8 и С9, которые равны 20пФ. За счет этого мы получаем на выходе напряжение питания 5В.

Рисунок 3.1 -Блок питания устройства

3.2 Датчик

При пользовании электромагнитными датчиками обычно параллельно катушке включается конденсатор. Так как сама катушка обладает определенным омическим сопротивлением, то такой контур эквивалентен интегрирующей схеме. Предлагается для получения кривых смещения включать параллельно катушке конденсатор емкостью не менее 75 мкф, а катушка должна быть индуктивность порядка 8 мГн. При этом постоянная времени контура так мала, что заметного интегрирования баллистокардиограммы не получается; в то же время эта постоянная времени вполне достаточна для интегрирования относительно высокочастотных сетевых наводок и внешних вибраций. В результате интегрирования происходит ослабление электрических наводок и помехоустойчивость баллистокардиографа увеличивается. На рисунке 3.1.1 предложена сема включения датчика в разрабатываемое устройство.

Рисунок 3.1.1 - Индукционный датчик в разрабатываемом устройстве

Движения магнита, следующие за движениями тела человека, индуцируют в катушке ток, электродвижущая сила которого прямо пропорциональна скорости движения.

3.3 Операционный усилитель

В качестве усилителя применён AD620 - недорогой усилитель с высокой точностью и превосходными характеристиками на постоянном токе: коэффициент ослабления синфазного сигнала CMR >> 100 dB на частотах вплоть до 1 кГц, смещение на входе не более 50 мкВ, малый входной ток (1 нА макс.) и низкое напряжение шума (0,28 мкВ в полосе 0,1...10 Гц).

Для AD620 требуется единственный внешний резистор RG, задающий коэффициент усиления. Резисторы R2 и R3 также влияют на коэффициент усиления: КУС = 1+49,4k/RG + (49,4k/2)/22k. Для того чтобы избежать насыщения выхода, коэффициент усиления установлен таким, чтобы размах выходного напряжения соответствовал максимальному, если на входе присутствует максимальное расчетное напряжение сигнала. При напряжении питания ±5 В размах выходного напряжения ИС AD620 составляет ±3,8 В; тогда при входном сигнале ±5 мВ и при возможном постоянном смещении ±300 мВ расчетный коэффициент усиления составит 12,45. Таким образом, с учетом запаса, мы устанавливаем коэффициент усиления равным 8 (±1%) при помощи RG = 8,45 кОм.

Таблица 3.3.1

Электрические характеристики AD620A


В программном продукте Proteus 7.0 была промоделирован усилитель. Ниже приведены экранные формы:

Рисунок 3.3.1 - Модель усилителя в разрабатываемом устройстве

Как показано на рисунке, на выходе усилителя выводится достаточный уровень напряжения полезного сигнала для дальнейшей его обработки микроконтроллером.

3.4 Микроконтроллер

PIC16F876 имеет 25 задействованных ножек, позволяющих выполнять различные действия с данными.

Все команды выполняются за один цикл, кроме инструкций переходов, выполняемых за два цикла

При тактовой частоте - 20МГц, время одного машинный цикл - 200нс.

До 256 x 8 байт EEPROM памяти данных

Система прерываний (до 14 источников)

8-уровневый аппаратный стек

Программируемая защита памяти программ

Режим энергосбережения SLEEP

Выбор параметров тактового генератора

Широкий диапазон напряжений питания от 2.0В до 5.5В

Повышенная нагрузочная способность портов ввода/вывода (25мА)

Малое энергопотребление (при тактовой частоте равной 4 МГц ток потребления составляет менее 0,6 мА, напряжение потребления меньше 3 В.

При использовании внешнего тактового генератора XT, LP и HS кварцевый или керамический резонатор подключается к выводам OSC1/CLKIN, OSC2/CLKOUT микроконтроллера PIC16F876, целесообразно использовать резонаторы с параллельным резонансом. Использование резонаторов с последовательным резонансом может привести к получению тактовой частоты, не соответствующей параметрам резонатора.

Рисунок 3.4.1 - Схема включения МК в разрабатываемом приборе

Рисунок 3.4.2 - Расположение выводов

Для частоты в 20 МГц выберем емкость в 22 пФ, и кварцевый резонатор 20.000 МГц (см. рисунок 3.4.3).

В таблице 3.4.1 приведены параметры микроконтроллера.

Таблица 3.4.1

Параметры МК


Модуль 10-разрядного АЦП имеет 5 каналов у 28-выводных микросхем и восемь каналов у 40/44-выводных микросхем. Входной аналоговой сигнал через коммутатор каналов заряжает внутренний конденсатор АЦП CHOLD. Модуль АЦП преобразует напряжение, удерживаемое на конденсаторе CHOLD в соответствующий 10-разрядный цифровой код методом последовательного приближения.

Для управления АЦП в микроконтроллере используется 4 регистра:

·  Регистр результата ADRESH (старший бит);

·        Регистр результата ADRESL (младший бит);

·        Регистр управления ADCON0;

·        Регистр управления ADCON1.

Регистр ADCON0 используется для настройки работы модуля с АЦП, а с помощью регистра ADCON1 устанавливаются какие входы МК будут использоваться модулем АЦП и в каком режиме.

На рисунке 3.4.3 приведена структурная схема модуля АЦП

Рисунок 3.4.3 - Структурная схема модуля АЦП

Аналого-цифровое преобразование: сброс бита GO/-DONE в 0 во время преобразования приведет к его прекращению. При этом регистры результата ADRESH и ADRESL не изменяют своего содержимого. После досрочного завершения преобразования необходимо обеспечить временную задержку 2TAD. Выдержав требуемую паузу, можно начать новое преобразования установкой бита GO/-DONE в 1.

На рисунке 3.4.4 показана последовательность получения результата после установки бита GO/-DONE в 1.

Рисунок 3.4.4 - Последовательность получения результата в модуле АЦП

10-разрядный результат преобразования сохраняется в спаренном 16-разрядном регистре ADRESH и ADRESL. Запись результата преобразования может выполняться с правым и левым выравниванием, в зависимости от значения бита ADFM (см. рисунок 3.4.5). Не задействованные биты регистра ADRESH и ADRESL читаются как 0. Если модуль АЦП выключен, то 8-разряднын регистры ADRESH и ADRESL могут использоваться как регистры общего назначения.

Рисунок 3.4.5 - Выравнивание результатов аналого-цифрового преобразования

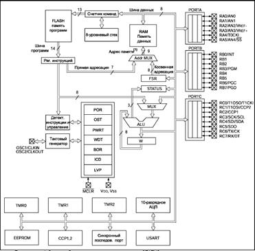
Рисунок 3.4.5 - структурная схема PIC16F876

3.5 Подключение разъема RS-232 в разрабатываемое устройство

Необходимость подключения контроллера к персональному компьютеру возникает при различных обстоятельствах - отладка программы (мониторинг состояния портов, результаты вычислений и тп.), управление и контроль посредством ПК, считывание данных с подключенных к контроллеру сенсоров и датчиков. Соединение с ПК возможно посредством различных интерфейсов - LPT-порт, COM-порты (протокол RS-232), USB и тп. Все они обладают набором, как достоинств, так и недостатков. Самым распространенным интерфейсом является соединение с помощью COM-порта. Подобное соединение довольно простое в схемотехническом плане, недорогое и обладает достаточной скоростью обмена информацией для большинства проектов.

Рисунок 3.5.1 - Схема включения RS-232 через MAX-232

Интерфейс RS-232 был разработан для простого применения, однозначно определяемого по его названию "Интерфейс между терминальным оборудованием и связным оборудованием с обменом по последовательному двоичному коду". Каждое слово в названии значимое, оно определяет интерфейс между терминалом (DTE) и модемом (DCE) по передаче последовательных данных. В RS-232 используются два уровня сигналов: логические 1 и 0. Логическую 1 иногда обозначают MARK, логический 0 - SPACE . Логической 1 соответствуют отрицательные уровни напряжения, а логическому 0 - положительные. Соответствующие значения напряжений представлены в таблице 3..5.1

Таблица 3.5.1

Уровни сигналов данных

Уровень

Передатчик

Приемник

Логический 0

От +5 В до +15 В

От +3 В до +25 В

Логический 1

от-5 В до -15 В

От -3 В до -25 В

Не определен

От -3 В до +3 В


Рисунок 3.5.2 - Диаграмма передаваемых данных с синхронизирующим тактовым сигналом

Старт бит: Сигнальная линия может находиться в двух состояниях: включена и выключена. Линия в состоянии ожидания всегда включена. Когда устройство или компьютер хотят передать данные, они переводят линию в состояние выключено - это установка Старт бита. Биты сразу после Старт бита являются битами данных.

Стоп бит: Стоп бит позволяет устройству или компьютеру произвести синхронизацию при возникновении сбоев. Например, помеха на линии скрыла Старт бит. Период между старт и стоп битами постоянен, согласно значению скорости обмена, числу бит данных и бита четности. Стоп бит всегда включен. Если приемник определяет выключенное состояние, когда должен присутствовать стоп бит, фиксируется появление ошибки.

Установка Стоп бита: Стоп бит не просто один бит минимального интервала времени в конце каждой передачи данных. На компьютерах обычно он эквивалентен 1 или 2 битам, и это должно учитываться программе драйвера. Хотя, 1 стоп бит наиболее общий, выбор 2 бит в худшем случае немного замедлит передачу сообщения.

Микросхема MAX232 быстро стала индустриальным стандартом. Многие разработчики используют ее. Она наиболее надежна и проста во включении в разрабатываемое устройство.

Рисунок 3.5.3 - Конфигурация выводов MAX232

На структурной схеме MAX232 изображены удвоитель напряжения и инвертор напряжения плюс 10В в минус10В (см. рисунок 3.7.4). Эти напряжения используются для формирования сигналов соответствующих RS-232. MAX232 позволяет подключить два последовательных порта.

Рисунок 3.5.4 - Структурная схема MAX-232

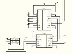
На рисунке 3.5.5 представлена схема включения MAX-232 и RS-232 в разрабатываемый прибор.

Рисунок 3.5.5 - Схема включения MAX-232 и RS-232 в разрабатываемый прибор

3.6 Подключение оптронной развязки в разрабатываемый прибор

Электрическая прочность изоляции микросхемы развязки ADM3054 составляет 5 кВ(скз). Развязка полностью соответствует стандарту ISO 11898 CAN и выполнена по фирменной технологии iCoupler® digital isolator. Применение развязки позволяет сократить площадь, занимаемую всем решением на печатной плате на 70% по сравнению с решением на дискретных компонентах. Через нее можно осуществлять подачу напряжения питания на то или иное устройство значением плюс минус 5 В. Основные параметры микросхемы:

·    VDD1: 3,3 или 5 В.

·              VDD2: 5 В.

·              Скорость передачи сигнала до 1 Мбит/с.

·              Защита от кз.

·              Устойчивость к синфазным сигналам: свыше 25 кВ/мкс.

·              Промышленный диапазон рабочих температур:-40…125°С.

·              Время задержки передатчика не превышает 120 нс.

На рисунке 3.6.1 изображена блок схема микросхемы

Рисунок 3.6.1 - блок схема микросхемы

Заключение

В ходе проделанной работы мною был разработан баллистокардиограф, которому присвоены следующие функции:

·  Устройство снимает баллистокардиограмму наложенную на кардиограмму;

·        Устройство поддерживает работу в комплексе с ЭВМ по разъему RS232 со скоростью передачи данных 9600кбит/с;

·        Устройство безопасно для проведения исследований;

·        Время получения баллистокардиограммы составляет доли секунды;

·        Устройство выносит данные на ЭВМ;

·        Устройство питается через ЭВМ.

Список используемой литературы

1. Сайт ФИПС / Информационные ресурсы / Описание изобретения к патенту РФ № 2089095/

2.      Сайт ФИПС / Информационные ресурсы / Описание изобретения к патенту СССР №573665

3. Дж. Фрайден. Современные датчики. Справочник. Москва: Техносфера, 2005. - 592 с.

.   Аналоговая электроника на операционных усилителях, А.Дж. Пейтон, В. Волш, М.: БИНОМ, 1994 г.

5.      100 лучших радиоэлектронных схем, М.: ДМК Пресс, 2004 г.

.        В.Л. Шило / Популярные цифровые схемы. Справочник, М.: Радио и связь, 2007 г.

.        Корн Г. и Корн Т. / Справочник по математике (Для научных работников и инженеров) // М.: Наука-1978, с. 151.

Похожие работы на - Устройство и назначение баллистокардиографа

 

Не нашли материал для своей работы?
Поможем написать уникальную работу
Без плагиата!
Без нейросетей!