Уровень звука и динамический диапазон излученного сигнала
Вопрос 1
Максимальное звуковое давление, создаваемое
источником звука, равно 2 Па, минимальное 0,02 Па. Определите динамический
диапазон источника звука и допустимый уровень шумов в помещении, если уровень
шума меньше уровня сигнала на 20 дБ
Решение:
= N max- N min= 20 Lg
=
20 Lg
=
40 дБ
∆= 20 Lg
= 20 дБ
P
=
=
Па
Ответ: Dc= 40 дБ ,P
=
Па
Вопрос 2
)Перечислите основное оборудование студий
звукового вещания.
Студией называется акустически обработанное
помещение, предназначенное для создания различных вещательных передач. Студии
звукового вещания делятся на большие, средние и малые концертные (музыкальные),
речевые, литературно-драматические студии. Каждая студия должна иметь
оптимальные акустические характеристики. Стены, пол, потолок студии покрывают
звукопоглощающими материалами.1.Пористый поглотитель - высокочастотный
поглотитель2.Резонансный поглотитель - низкочастотный
поглотитель3.Перфорированные конструкции - изменяя шаг перфорации, диаметр,
толщину, расстояние, можно в широких пределах изменять частотную характеристику
коэффициента поглощения. Студии оборудуются микрофонами, пультами диктора и
контрольными громкоговорителями. При студиях оборудуются аппаратные, совместно
образующие аппаратно студийный блок.Если студия используется для звукозаписи и
вещания, то при ней оборудуется две студийные аппаратные : записи и вещания.В
аппаратные для записи устанавливают пульт звукорежиссера, записывающие
устройства и контрольный громкоговоритель.Вещательная аппаратная образуется пультом
звукорежиссера, а так же устройствами коммутации и сигнализации о готовности
последующего вещательного тракта к началу вещания.
) Опишите принцип действия и работу микрофона,
применяемого в студиях для записи речи.
Микрофон - можно сказать основное звуковое
устройство. Он занимается тем, что преобразует колебания звука в
электроэнергию, точнее в колебания тока.Микрофоны в основе своей состоят из
механико-электрической системы и акустико-механической части. Система
преобразования в микрофонах развивалась с годами и выделила несколько типов
микрофонов:· Конденсаторные;· Динамические;· Ленточные;
Конденсаторный микрофон

Рисунок 1. Конденсаторный микрофон
Более научно - электростатические микрофоны, в
свою очередь, делятся на конденсаторные ламповые микрофоны и конденсаторные
транзисторные микрофоны (по типу применяемого усилителя). А транзисторные
микрофоны делятся на электретные микрофоны (они чаще работают от батареек) и
обычные конденсаторные (они чаще работают от фантомного питания). Строго
говоря, электретный микрофон тоже может быть ламповым, и подобные эксперименты
проводились лично автором (и не безуспешно), но, в силу того, что в основной
своей массе электретные капсюли по характеристикам хуже классических
конденсаторных, промышленного производства электретных ламповых микрофонов,
скорее всего, не существует.
В отличие от динамических, конденсаторные
микрофоны устроены по принципу конденсатора. Капсюль конденсаторного микрофона
не вырабатывает электричества, сколько бы мы его ни болтали. Зато он меняет
свою ёмкость, так как при колебаниях под воздействием звука, мембрана,
являющаяся одной из пластин колеблется относительно неподвижного, хорошо
отполированного электрода. Чтобы получить электрический сигнал, на капсюль
приходится подавать поляризующее напряжение (20...120В) и включать в самую
простую электрическую цепь (контур): конденсатор + сопротивление + источник
энергии, и тогда мы можем уже усиливать полученный сигнал, снимая его с того
самого сопротивления, в контур с которым соединён капсюль-конденсатор.
Особенность состоит в том, что для усиления
этого сигнала не подходит обычный вход пульта, и в каждом конденсаторном
микрофоне стоит специальный согласующий каскад на полевом транзисторе или
электронной лампе, после которого, уже "окрепший" сигнал можно
подавать в микшерский пульт или другие устройства. Хотя сигнал с
конденсаторного микрофона, как правило, больше по уровню, чем с динамического
микрофона, тем не менее, он всё равно предназначен для микрофонных , а не для
линейных входов устройств.Вес колеблющейся пластины-диафрагмы (мембраны) в
конденсаторном микрофоне значительно меньше веса диафрагмы с катушкой
динамического микрофона, поэтому, за счёт меньшей инерции, конденсаторный
микрофон обеспечивает более точную и качественную звуковую картину по сравнению
с динамическим микрофоном, имеют более широкий частотный диапазон.Следует
отметить, что амплитуда изменения электрического сигнала, снимаемого с
конденсаторной системы, в отличие от электродинамической системы не прямо
пропорциональны силе звука, воздействующего на диафрагму, а имеет квадратичную
зависимость. И только благодаря математике, так сказать, теории малых сигналов,
инженеры делают допуск, что при столь малых амплитудах изменения ёмкости, как в
конденсаторном микрофоне, нелинейностью преобразования можно пренебречь. И
практика показывает, что это работает.Капсюли электретных микрофонов, в отличие
от капсюлей классических конденсаторных микрофонов не требуют напряжения
поляризации, так как содержат перманентно поляризованный (электретный)
материал, располагающийся либо в пластине, либо в самой диафрагме. Однако, в
силу технологических особенностей, создать электретный капсюль высокого
качества, а, тем более, большого размера, весьма затруднительно. Поэтому
электретные микрофоны получили большее распространение в бытовой технике
(диктофонах, мобильных телефонах и современных домашних телефонах) и системах
подзвучки инструментов и актёров на сцене.
В отличие от динамических микрофонов, все конденсаторные микрофоны требуют
питания усилителя, а неэлектретные нуждаются ещё и в поляризующем напряжении.
Питание конденсаторных микрофонов происходит или
от батареек, или от отдельного блока питания (БП), или от фантомного питания по
сигнальному шнуру.Фантомное питание начали применять как только технология
электроники и схемотехники шагнула в сторону полевых транзисторов, и лампу, без
которой ранее конденсаторный микрофон не мог существовать, заменили полевым
транзистором, не нуждающимся ни в высоком анодном напряжении, ни в сильноточном
питании накала. Ток потребления усилителя на полевом транзисторе настолько мал,
что питание без проблем можно передать по тем же проводам, что и сигнал. При
этом соблюсти нужно лишь одно условие, проводов в кабеле должно быть два, не
считая экранирующего. Есть два способа подачи питания: либо питание идёт по
отдельному (второму) проводу, либо и питание сигнал идут одновременно по двум
проводам, но с разными знаками полярности. Второй способ прижился, как более
универсальный, позволяющий во-первых коммутировать теми же проводами и
динамические микрофоны, и, во-вторых, повышающий помехозащищённость линии
(провода). Эта система называется симметричная (балансная) линия. В ней
звуковой сигнал передаётся в противофазе, разъединяясь на выходе и складываясь
на входе специальными трансформаторами или усилителями. Питание же усилителя
конденсаторного микрофона передаётся по обоим проводам с одним и тем же знаком
(+48В), и для того, чтобы оно не попало в полезный сигнал, его отфильтровывают
специальными развязками, с помощью того же трансформатора или разделительных
конденсаторов.При этом наличие в проводах фантомного питания нисколько не
мешает динамическим микрофонам (если конечно он профессиональный симметричный и
распаян правильным образом), наоборот, наличие постоянного напряжения ещё
больше увеличивает помехозащищённость симметричной линии,
"отталкивая" помехи уровнем ниже +48В.Следует отметить, что ламповый
конденсаторный микрофон не может работать от фантомного питания, так как лампа,
находящаяся внутри микрофона и усиливающая сигнал, требует своих напряжений и
токов (как минимум, накальное и анодное питание), которые невозможно
синтезировать (высосать) из стандартного слаботочного фантомного питания.
Фантомное питание может выдержать нагрузку 10...20мА, в то время как ток накала
лампы составляет до 500мА!Ламповые микрофоны делаются не для получения жирности
или, как говорят, "ламповости" звука, как иногда можно встретить в
источниках. Просто именно с лампового микрофона, собственно, и началась история
конденсаторных микрофонов вообще. Это произошло потому, что транзисторов
подходящих характеристик в то время попросту не было изобретено. Когда же
транзисторы появились, их внедрение началось слишком быстро, и не всегда
продуманно, поэтому большая часть транзисторных микрофонов 70...80-х годов,
особенно бытовых, оказалось посредственного качества, из-за чего взоры
звукорежиссёров вновь были обращены к ламповым микрофонам (та же ситуация
произошла и со звукоусилительной техникой - усилителями мощности).
В результате ситуация на микрофонном рынке до
сих пор остаётся противоречивой. Существует ряд моделей с прекрасными
капсюлями, звучание которых подавлено внутренними транзисторными усилителями, и
существует ряд старых ламповых микрофонов, капсюли которых уже оставляют желать
лучшего, но за ними почему-то до сих пор найдётся масса охотников.Возможно,
если бы история началась сразу с транзисторной техники, слово было бы за ней.
Другой разговор, что само существование электронной усилительной лампы делает
ненужным дополнительные изыскания и совершенствование транзисторной
схемотехники микрофонов. Действительно, усилительный каскад на электронной
лампе имеет ряд объективных преимуществ.Прежде всего, это большой коэффициент
усиления в одном единственном каскаде (то есть сигнал преобразуется лишь один
раз, в отличие от транзисторного каскада при том же усилении или, тем более,
микросхемы). Во-вторых, это огромный динамический диапазон электрического
тракта, обусловленный высоким напряжением питания лампового каскада. А всем
известно, что большой динамический диапазон (то есть запас по перегрузке) -
это, прежде, всего прозрачность звука. В-третьих, это сам принцип
преобразования сигнала в вакууме, а не на пластине полупроводника (даже само
это предложение уже звучит загадочно и маняще), возможно, именно он сохраняет
или даже добавляет некую магию в сигнал на выходе микрофона...
Динамический микрофон

Рисунок 2. Динамический микрофон
Динамический микрофон (более верно -
электродинамический микрофон) в свою очередь может быть катушечным и ленточным
(о ленточных микрофонах мы поговорим отдельно).Механизм действия динамического
катушечного микрофона можно представить как обратный механизму действия
динамика. Здесь диафрагма присоединена к катушке из тонкого провода,
расположенной в магнитном поле, создаваемом постоянным магнитом. Динамический
микрофон это минигенератор электроэнергии, практически аналогичный генератору автомобиля,
только катушка не крутится, а ёрзает туда-сюда (как в динамике акустической
системы) под действием звука. И на обоих концах (выводах) катушки образуется
электрический сигнал. Не большой (5...15мВ), но достаточный, чтобы его затем
усилить и отличить от шумов усилителя. Достаточно простая конструкция
динамического микрофона обуславливает его относительную дешевизну, прочность и
меньшую требовательность к условиям окружающей среды. В некоторых динамических
микрофонах (особенно старого образца, когда технологии были несовершенны) для
расширения частотного диапазона применяются два капсюля - низкочастотный и
высокочастотный, подобно двухполосным акустическим системам. В таких микрофонах
имеется, как и в двухполосных акустических системах, разделительный
фильтр-кроссовер, соединяющий сигналы от обоих капсюлей в один сигнал.
Ленточный микрофон
Рисунок 3. Ленточный микрофон
Несмотря на то, что ленточные микрофоны
относятся по конструктивным признакам к динамическим микрофонам, мы всё же
выделим их в отдельную группу, так как по звучанию они ближе к конденсаторным
микрофонам. Происходит это потому, что сама ленточка, являющаяся
преобразователем звука в сигнал, также как и в случае с конденсаторным
микрофоном, имеет очень малый вес, малую инерцию. Кроме того, она не натянута,
как мембрана в конденсаторном микрофоне, а висит достаточно свободно, поэтому
собственный резонанс ленточки сдвинут в инфранизкие частоты, и не окрашивает
звук ни снизу, как динамические микрофоны, ни сверху, как конденсаторные
микрофоны.Алюминиевая лента, находясь в магнитном поле и повторяя колебания
воздуха, генерирует электрический сигнал, подающийся на первичную обмотку
трансформатора для согласования низкого сопротивления ленты с входным
сопротивлением усилителя.
Хрупкость в изготовлении и эксплуатации и слабый сигнал - основные недостатки
ленточных микрофонов. Преодолеть можно только последний их них: технология
малошумящих транзисторов шагнула далеко вперёд, и теперь от уровня шума можно
несколько отодвинуться, хотя при этом микрофон всё равно остаётся
транзисторным. Производить же ламповые ленточные микрофоны, отвечающие
современным стандартам, весьма затратно, поэтому и стоят такие микрофоны для
рядовой студии недосягаемо дорого.
Вопрос 3
)Определите динамический диапазон D и частоту
дискретизации звукового сигнала, передаваемого в цифровой форме, а так же
скорость цифрового потока на выходе АЦП. При N=8, Fmax=3,4 кГц, n=2.
Решение:=6*N+2=6*8+2=50 дБ= (2,1/2,4)*Fmax=2,2*3,4=
7,48 кГц=Fg*(N+n)= 7,48*(2+8)=74,8 кбит/с
Ответ: D=50дБ; Fg=7,48 кГц; Q=74,8 кбит/с
) Приведите структурную схему АЦП для
преобразования звукового сигнала в дискретную форму. Поясните назначение
генератора белого шума (ГБШ).
ФНЧ У
В Х
Антиэластичный Устройство АЦП
фильтр выработки
и
хранения
Рисунок 4. Структурная схема АЦП
Генератор белого шума
Рисунок 5. ГБШ
Источником шума является полупроводниковый диод
- стабилитрон VD1 типа КС168, работающий в режиме лавинного пробоя при очень
малом токе. Сила тока через стабилитрон VD1 составляет всего лишь около 100
мкА. Шум, как полезный сигнал, снимается с катода стабилитрона VD1 и через
конденсатор С1 поступает на инвертирующий вход операционного усилителя DA1 типа
КР140УД1208. На неинвертирующий вход этого усилителя поступает напряжение
смещения, равное половине напряжения питания с делителя напряжения,
выполненного на резисторах R2 и R3. Режим работы микросхемы определяется
резистором R5, а коэффициент усиления - резистором R4. С нагрузки усилителя,
переменного резистора R6, усиленное напряжение шума поступает на усилитель
мощности, выполненный на микросхеме DA2 типа К174ХА10. С выхода усилителя
шумовой сигнал через конденсатор С4 поступает на малогабаритный широкополосный
громкоговоритель В1. Уровень шума регулируется резистором R6. Стабилитрон VD1
генерирует шум в широком диапазоне частот от единиц герц до десятков мегагерц.
Однако на практике он ограничен АЧХ усилителя и громкоговорителя. Стабилитрон
VD1 подбирается по максимальному уровню шума. Вместо усилителя на DA2 можно
использовать любой УЗЧ с возможно более широким диапазоном рабочих частот.
Вопрос 4
)Нарисуйте структурную схему возбудителя
«Синхронизатор» и поясните его работу.
Рисунок 6 .Структурная схема возбудителя
«Синхронизатор»
Возбудитель «Синхронизатор» характеризуется
высокой стабильностью частоты опорного генератора. Его суточная нестабильность
не превышает
=
.Возбудитель
предназначен для одновременного возбуждения двух вещательных передатчиков,
работающих в ДВ и CВ диапазонах. С выхода опорного генератора ОГ напряжение
частоты f=5 МГц направляется к магазину частот МЧ, в котором путем
преобразования опорной частоты с помощью делителей и умножителей образуется 16
частот, имеющих номинальное значение 66,6; 99; 95 ; 100; 135; 180; 200;
225;380; 450; 900; 1000; 1180; 1315; 1530; кГц.
)Перечислите особенности организации
радиовещания в диапазонах километровых и гектометровых волн, а так же
преимущества и недостатки по сравнению с радиовещанием в диапазоне декаметровых
волн.
В ДВ, СВ и КВ диапазонах передающие устройства
работают с амплитудой модулей. Требуемая ширина полосы частот радиоканала ∆fn
равна при этом удвоенному значению верхней частоты Fв спектра модулирующего
сигнала ∆fn=2Fв. Согласно международному соглашению в диапазонах ДВ, CD и
КВ ширина полосы, выделяемая для организации одного радиоканала, равна 9 кГц.
Значения несущих частот передатчиков, работающих в ДВ и CВ диапазонах
установлены кратными цифре 9. Несущие частоты следуют через интервал 9 кГц
следующим образом: диапазон ДВ -155(1-й канал, 164 (2-й)…281 (15-й), в
диапазоне CВ - 531 (1-канал)….1602 (120-й). Таким образом в ДВ диапазоне
размещается 15, а в диапазоне CВ 120 радиовещательных каналов. Три радиоканала
в CВ диапазоне с несущими частотами 1485, 1584 и 1602 кГц выделены для
передатчиков с излучаемой мощностью до 1 кВт (каналы малой мощности). Значения
несущих частот передатчиков, работающих в КВ диапазоне, кратны цифре 5. Если КВ
РВС обслуживают одну географическую зону, то при ∆fп=9 кГц разнос несущих
РВС принимается равным 10 кГц. При обслуживании разных гео. зон (зоны не
перекрываются) допускается разнос 5 кГц. В КВ диапазоне можно организовать
около 400 радиоканалов.В связи с ограниченным числом выделенных частотных
каналов в ДВ и СВ диапазонах передающая сеть может быть организована с помощью
станций работающих на одной волне и передающих разные программы (совмещенный,
частотный диапазон), или с помощью радиовещательных станций работающих на одной
волне и передающих одну программу (синхронное вещание).В диапазоне ДВ
используется земная волна, способная огибать Землю и мало затухающая при
распространении на большие расстояния. Радиус зоны обслуживания РВС достигает
800…1000 км.при мощности передатчиков 1000 кГц. Напряженность поля, создаваемая
земной волной, не зависит от времени суток поэтому прием РВС, работающих в ДВ
диапазоне отличается большой устойчивостью. Диапазон ДВ используется
радиовещанием для обслуживания больших территорий. Средние волны распространяются
земной и пространственной волнами. Качество приема и число принимаемых станций
в диапазоне CВ зависит от времени суток. Днем наблюдается устойчивый прием
земной волны, излучаемой близкими и мощными станциями.CВ сильнее поглощаются
поверхностью Земли, поэтому зона обслуживания РВС днем меньше, чем в диапазоне
ДВ и составляет 300…500 км. Ночью резко уменьшается затухание пространственных
волн и становится возможным прием РВС расположенных далеко от места приема. Но
в это время суток наблюдается замирание поля из-за интерференции в месте приема
земной и пространственной волны с нерегулярной изменяющейся с амплитудой и
фазой, связано с изменением электронной концентрации слоя Е ионосферы, от
которого CВ отражаются. Особенно сильно выражены замирания при приеме станций,
несущие частоты которые расположены ближе к коротковолновой границе CВ
диапазона.Преимущества радиовещания в CВ диапазоне:1.Большая площадь
обслуживания, когда отсутствуют помехи от пространственных волн дальних
мешающих станций.2.Приемники ДВ и CВ в советские годы были дешевыми,
экономическими. Диапазоны ДВ и CВ характеризуются сильными атмосферными и
промышленными помехами. В связи с тем, что в этих диапазонах нельзя получить
остронаправленные антенны, для получения в месте приема достаточной
помехозащищенности применяются передатчики большой мощности (до 1000 кВт). КВ
могут распространяться земной и пространственной волнами. При использовании
земной волны из-за сильного поглощения в почве прием возможен лишь в пределах
нескольких десятков километров. Пространственные волны при отражении от
ионизирующих слоев атмосферы испытывают значительные поглощения. Это делает КВ
более удобными чем CВ и ДВ при передаче сообщений на большие расстояния.
Используя пространственную волну в КВ диапазоне можно передать сообщение на
несколько тысяч километров. Днем возможен прием станций в диапазоне (10…25 м)
(дневные волны), ночью принимаются (35…100м) (ночные волны). Главным
недостатком использования КВ для вещания являются большие и
частотно-избирательные замирания, затрудняющие организацию уверенного приема.
Замирания на КВ происходит из-за интерференции образованной двумя или
несколькими пространственными шумами, в результате уровень сигнала меняется в
сотни раз (общее замирание), так же происходят замирания в отдельных участках
спектра радиосигнала, включая несущую (частотно-избирательные замирания). Это
вызывает появление частотных и нелинейных искажений.
Вопрос 5
) Составите структурную схему узла
проводного вещания с децентрализованным питанием сети ПВ. Поясните принцип
работы схемы и назначение отдельных элементов схемы.
Рисунок 7. Структурная схема узла проводного
вещания с децентрализованным питанием
Программы звукового вещания от источников
программ поступают на ЦСПВ. После предварительного усиления по соединительным
кабелям линиям ГТС они распределяются на ОУС. По этим же соединительным линиям
с ЦСПВ осуществляется дистанционное управление и контроль за работой
оборудования ОУС. На ОУС происходят основное усиление сигналов звукового вещания
и распределение их по МФ на ТП. Для повышения надежности ТП подключены через
резервные МФ с соседним ОУС. При повреждении оборудования, например ОУС-2, ТП-2
будет получать питание от ОУС-1. Когда резервный МФ из-за большой протяженности
строить экономически нецелесообразно, ТП совмещают с резервным усилителем
звуковых частот. Такие станции называют блок-станциями БС. БС включают только
при повреждении основного МФ. Переключение МФ, контроль за работой оборудования
ТП, БС так не осуществляется по соединительным линиям с ЦСПВ.
) Объясните назначение и принцип автоматического
регулирования сигнала на входе усилителя УПВ-5 при перевозбуждении усилителя со
стороны входа. Нарисуйте графики зависимости амплитуды сигнала на выходе
усилителя от амплитуды входного сигнала.
В сетях ПВ возможны короткие замыкания одной или
нескольких распределительных линий. Возникающая при этом перегрузка усилителя
при отсутствии соответствующей защиты может привести к разрушению ламп
оконечного каскада. Мощные усилители должны быть защищены от
(перенапряжения)-превышения номинального значения входным напряжением, что
также может привести к разрушению усилительного устройства. Поэтому для защиты
усилителей от перегрузок и перенапряжений применяют автоматические регуляторы
уровня сигналов программы звукового вещания. Постоянство выходного напряжения
при изменении нагрузки обеспечивается глубокими отрицательными обратными
связями (ООС), охватывающими оконечный каскад и весь усилитель в целом, что
способствует также снижению линейных и нелинейных искажений, повышению
устойчивости и стабильности работы усилительного устройства.Экономичность
мощных усилителей определяется в основном режимом работы выходного каскада. Для
повышения КПД ламповых усилителей их выходные каскады работают в режиме отсечки
тока анода и с сеточными токами. Для уменьшения нелинейных искажений
предоконечный каскад собирается по схеме катодного повторителя с малым выходным
сопротивлением.Для повышения экономичности усилителей ПВ с выходной мощностью
5; 15 и 30 кВт применяют электронные регуляторы сеточного смещения ламп
выходного каскада. Напряжение сеточного смещения изменяется автоматически в
зависимости от уровня сигнала. При отсутствии или малом напряжении сигнала
напряжение смещения наибольшее. При этом анодный ток ламп выходного каскада и
потребляемая ими мощность минимальны. При увеличении уровня сигнала напряжение
смещения уменьшается и анодный ток увеличивается.Для защиты усилителей ПВ от
перенапряжения на входе применяют в основном потенциометрические ограничители
максимальных значений уровня, на полупроводниковых диодах и полезных
транзисторах.При уменьшении сопротивления нагрузки (перегрузка) возрастает
выходной ток усилителя. Для защиты от перегрузки в усилителях применяют
авторегуляторы, которые обеспечивают понижение входного напряжения.В усилителях
УПВ-1,25 и УПВ-5 (рис. 12.13) схемы защиты одинаковы. Усилитель-ограничитель
состоит из усилителя У и потенциометрического ограничителя максимальных
уровней, выполненного на резисторах Ru R2, Rз, Rt и кремниевых диодах VDX и
VD2. Когда диоды закрыты, их сопротивление R велико. При этом коэффициент
передачи ограничителя К максимален и определяется соотношениями сопротивлений
резисторов Ri... R4. При Ri - R2 = R и Rз = = R4 = r0 Кмакс - Ги/(R + r0). В
зависимости от тока, протекающего через диоды в прямом направлении, их
сопротивление меняется. Так как диоды VD, и VD2 включены параллельно резисторам
R3 и R4, то с уменьшением сопротивления диодов уменьшается коэффициент передачи
ограничителя.Напряжение, вызывающее изменение сопротивления диодов (управляющее
напряжение) и вследствие этого изменение коэффициента передачи, подается к
диодам с выхода УПТ. Амплитудная характеристика УПТ близка к линейной, поэтому
коэффициент передачи ограничителя зависит от напряжений i и £у2,
снимаемых с выходов выпрямителей, собранных на диодах VD3... VDb.Напряжения £уi
и £у2
взаимно независимы: £у, является
функцией перенапряжения, а £у2
- функцией перегрузки усилителя. Потенциометрами устанавливаются напряжения
задержки Е3щ и Езд2, при превышении которых начинается автоматическое
регулирование коэффициента передачи потенциометрического ограничителя. Сигнал к
выпрямителю В, подают с выхода У, имеющего достаточно линейную амплитудную
характеристику и малое выходное сопротивление. Напряжение, поступающее к
выпрямителю В2, снимается с резистора г, включенного последовательно с
нагрузкой. Падение напряжения на г пропорционально выходному току. При
перегрузке коэффициент передачи ограничителя управляется напряжением £у2,
при перенапряжении - напряжениями £у1
и £у2.
Эффективность автоматического регулятора достаточно велика: при уменьшении
нагрузки в два раза по сравнению с номинальным значением выходной ток
возрастает всего на 1 ...2%.Увеличение входного уровня по сравнению с
номинальным иа 12 дБ (перенапряжение) приводит к возрастанию выходного уровня
не более чем иа 0,2 дБ.
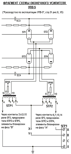
Рисунок 8. Фрагмент схемы оконченного усилителя
УПВ-5
При нормальном напряжении трехфазной питающей
сети ("Фаза" - "Ноль" = 220 вольт) напряжение между фазами
составляет 380 вольт. При завышенном напряжении ("Фаза" -
"Ноль" = 250...270 в.) сети между фазами имеется уже примерно
420...440 вольт. Если проследить по схеме включение накальных трансформаторов
5ТР1 и 5ТР2, то мы видим, что вывод 4 5ТР1 через контакты реле 5Р3 и блокировки
подключен к фазе "В", вывод 4 5ТР2 - фазе "А", а выводы 1
обеих трансформаторов - к клемме 4 платы силового ввода 5ГР1
"корпус"("0"). Таким образом на первичных обмотках этих
трансформаторов завышенное напряжение. Но если отключить выводы 1
трансформаторов 5ТР1 и 5ТР2 ( оставив перемычку 1-1) от корпуса
("0"), как показано на прилагаемой схеме, (точки "X" и
"Y") то в этом случае трансформаторы оказываются включенными между
фазами "А" и "В" последовательно. Учитывая идентичность
трансформаторов, в результате на первичных обмотках 420:2=210 вольт (440:2=220
вольт), а на вторичных обмотках - 16-17 вольт, что соответствует техническим
требованиям эксплуатации режима накала. Практика показала, что даже при
напряжении накала ламп ГМ-100 = 16 вольт качество выходного сигнала не
ухудшается, а срок службы ламп значительно увеличивается.
Графическая зависимость амплитуды (или
действующего значения) выходного напряжения усилителя от амплитуды (или
действующего значения) его входного напряжения на некоторой неизменной частоте
сигнала получила название амплитудной характеристики.Амплитудная характеристика
реального усилителя не проходит через начало координат: при отсутствии входного
напряжения напряжение на выходе не равно нулю. Величина этого напряжения в
реальных усилителях напряжение определяется уровнем собственных шумов усилителя
и помехами3. Основными составляющими шумов усилителя являются: шумы
усилительных элементов, тепловые шумы различных цепей усилителя; шумы микрофонного
эффекта, вызванные воздействием на узлы и детали усилителя механических толчков
и вибраций, фон, обусловленный воздействием на цепи усилителя пульсаций
напряжения питания, наводки, определяемые воздействием на цепи усилителя
посторонних источников сигналов и источников помех и т.п.

Список используемых источников
генератор шум звуковое вещание
1)Выходец
А.В., Коваленко В.И., Кохно М.Т. Звуковое и телевизионное вещание.-М.: Радио и
связь, 1987.
)Кохно
М.Т. Звуковое и телевизионное вещание.- Минск.:Экоперспектива 2000.
)Барановский
Б.К., Булгак Б.В. Техника проводного вещания и звукоусиления.- М.:Радио и
связь, 1985
)Сидоров
И.Н., Димитров А.А. Микрофоны и телефоны.-М.: Радио и связь, 1993
5)
<https://ru.wikipedia.org/>
)
http://nix-studio-edition.ru/hard-and-soft/hard/1165-microtip.html