Преобразователь двоично-десятичного кода в код семисегментного индикатора в базисе И-НЕ
КУРСОВОЙ
ПРОЕКТ
Преобразователь
двоично-десятичного кода в код семисегментного индикатора в базисе И-НЕ
Введение
Цель курсового проекта - разработка
преобразователя двоично-десятичного кода в код семисегментного индикатора в
базисе И-НЕ на микросхемах серии К155 или зарубежных аналогах серии 74.
Исходным данными для разработки является задание на курсовое
проектирование.
Задачами курсового проекта являются:
1. Разработка электронной принципиальной схемы
2. Разработка конструкции печатного узла;
. Разработка технологического процесса изготовления
печатного узла;
4. Выполнение расчетов конструктивных элементов
печатного монтажа, надежности, и расчета на воздействие вибрационных и ударных
нагрузок;
В ходе выполнения курсового проекта должны быть разработаны:
1. сборочный чертеж печатного узла преобразователя
двоично-десятичного кода в код семисегментного индикатора в базисе И-НЕ,
2. рабочий чертеж печатной платы.
Должны быть проведены расчеты:
конструктивных элементов печатного монтажа
2 расчет надежности системы
3 расчет на действие вибрации
4 расчет на действие удара
Проектирование печатной платы должно быть выполнено двумя
методами:
1. традиционным (без использования систем
автоматизированного проектирования);
̶ схема электрическая-принципиальная (формат А2);
̶ сборочный чертеж (формат А3);
̶ чертеж печатной платы детали (формат А3)
2. с использованием системы автоматизированного
проектирования печатных плат DipTrace
1.
Техническое задание
преобразователь
технологический схема печатный
Настоящее техническое задание в дальнейшем (ТЗ)
распространяется на разработку преобразователя двоично-десятичного кода в код
семисегментного индикатора в базисе И-НЕ (в дальнейшем «Преобразователь кода»).
1.1 Общие сведения о разработке
Преобразователь кода может быть использованы в различных
электронных приборах для индикации цифровой информации.
Разработка преобразователя кода производится на основании
технического задания на курсовое проектирование.
1.2 Показатели назначения
Срок службы устройства должен быть не менее 10 лет.
Устройство должно обеспечивать возможность ремонта в течении срока службы. Срок
сохранности до ввода его в эксплуатации не менее 12 месяцев с момента выпуска.
Среднее время наработки на отказ не менее 100000 часов. Среднее время восстановления
работоспособности при аппаратных повреждениях не менее 1 часа.
1.1. Масса устройства должна быть не более
0,12 кг.
1.2. Габариты преобразователя кода должны
быть не более 150х140х30
1.3. Конструкция устройства должна
обеспечивать возможность быстрой и удобной разборки и сборки, для проведения
ремонта и профилактических работ.
1.4. Технические требования
) применять в первую очередь стандартные и унифицированные
ЭРЭ;
) количество типов и типоразмеров сводить к минимуму;
) допуска на ЭРЭ, если они не заданы, выбирать в пределах
10…20 %;
) коэффициент нагрузки по электрическим параметрам не должен
превышать 0,5…0,7;
) необходимо учитывать условия эксплуатации: температуру,
влажность, давление, данные о биологической среде, виды и параметры механических
воздействий, факторов которые не должны превышать условия и режим,
установленные в ТУ на ЭРЭ;
1.5. Общие технические требования.
Преобразователь кода, должен обеспечивать непрерывный режим
работы с учетом требований.
1.6. Требования к разработке.
При разработке должен быть разработан комплект
конструкторской документации:
̶ Техническое задание.
̶ сборочный чертеж (формат А3);
̶ Техническое приложение.
̶ Спецификация преобразователя кода
̶ Перечень элементов
Должны быть разработаны:
̶ Сборочный чертеж печатного узла
̶ Чертеж печатной платы.
̶ Электрическая принципиальная схема.
Должны быть проведены расчеты:
̶ Расчет конструктивных элементов печатного
монтажа
̶ Расчет надежности системы.
̶ Расчет на действие вибрации.
̶ Расчет на действие удара
2.
Анализ технического задания
.1 Анализ назначения изделия
Данное устройство должно быть выполнено на микросхемах серии
К 155 или ее зарубежном аналоге серии 74.
Визуальное представление двоично-десятичных чисел часто
выполняется с помощью семисегментных индикаторов на основе
электролюминесцентных приборов, жидких кристаллов или светодиодных матриц.
Количество семисегментных индикаторов определяется разрядностью чисел,
отображаемых на световом табло - обычно шесть или более десятичных цифр.
2.2 Условия эксплуатации
Учет климатических факторов необходим для выбора типа
конструкции (герметичная, пылезащищенная и т. д.), типа монтажа и его защиты,
грамотного выбора элементной базы и выбора покрытий. Причем для выбора
необходимо определить климатическую зону и категорию исполнения изделия в
соответствии с ГОСТ 15051.
Рассмотрим воздействие температуры. В первую очередь
температурный диапазон влияет на выбор электро радиоэлементов, монтажных
проводов, материала основания печатной платы и покрытий. Так как радиотехническая
аппаратура является источником выделения тепла, то необходимо учитывать тот
факт, что температура внутри будет выше температуры окружающей среды. Для
выбора конструктивно-технологических решений на первых этапах разработки
необходимо сделать ориентировочную оценку перегрева частотомера, а в
дальнейшем, при необходимости можно будет произвести коррекцию.
Относительная влажность составляет 70 % при 303 К (30 °С) и
поэтому необязательно защищать электрический монтаж дополнительными
влагостойкими лакокрасочными покрытиями. Но на всех металлических деталях
корпуса (из алюминиевых сплавов и стали) обязательно применяются гальванические
и на внешних декоративных поверхностях, в случае необходимости, лакокрасочные
покрытия.
Климатические воздействия на изделие в диапазоне рабочих
температур t=
-10 °С÷ +70 °С; влажность 50 ÷ 98 %; атмосферное
давление 750 ± 30 мм. рт. ст.
Атмосферное давление от 70 до 104 кПа является нормальным и
поэтому дополнительных мер защиты от него принимать не надо.
Поскольку в ТЗ климатические воздействия не оговорены будут
взяты стандартные условия эксплуатации.
2.3 Условия эксплуатации
Устройство может быть подвержено разнообразным воздействием,
нужно учесть возможные воздействия, чтобы избежать повреждения конструкции.
Возможные воздействия:
Ударные воздействия проявляются только при транспортировании,
значит, их необходимо учитывать только при проектировании тары и упаковки.
2.4 Анализ требований к конструкции
Конструкция преобразователя кода может быть выполнена виде
печатного узла с двусторонним печатным монтажом.
Для подключения источника питания и входных сигналов должны
использоваться разъемы, к которым не предъявляются специальные требования по
допустимым току и напряжению. Результат работы преобразователя кода должен
выводиться на семисегментный индикатор. Другие органы управления и подключения
не предусматриваются. Особые требования к защите от внешних воздействий не
требуются.
2.5 Анализ технологичности
Монтаж - совокупность электрических соединений между ЭРЭ и
узлами РЭА, выполненная в соответствии со схемой электрической принципиальной
(Рисунок 1).
Монтаж РЭА должен иметь:
1. высокую надежность соединений;
. минимальную длину проводников и объем, занимаемый
монтажом;
. минимальное комплексное сопротивление проводников и контактов;
. стабильность параметров при воздействии дестабилизирующих
факторов (изменение температуры, влажности и т. д.);
. максимальное единообразие для всех узлов РЭА;
. свободный допуск к ЭРЭ в процессе регулировки и ремонта;
В данном случае выбираем печатный монтаж, который в настоящее
время широко применяется в РЭА серийном и массовом производстве.
Достоинства печатного монтажа:
) малые габариты и масса печатных узлов;
2) стабильные значения паразитных параметров монтажа;
) малая трудоемкость, изготовленная и сборки узлов на
ГШ;
) возможность создания полосковых систем ВЧ и СВЧ
устройств;
) высокая стойкость к воздействию внешних факторов;
) возможность автоматизации процессов проектирования
узлов на печатной плате (в дальнейшем «ПП»).
К недостаткам печатного монтажа относится невозможность
изменения электрической схемы ФУ без переработки ПП.
1.7. Анализ требований по ремонтопригодности
Как было сказано в пункте 2.6, должен быть свободный доступ к
РЭА. Для чего это нужно, в случае дефекта или поломки РЭА его можно будет легко
заменить новым. Стандартизация элементов необходима для обеспечения доступности
элементов.
3.
Разработка электрической принципиальной схемы
.1 Разработка
Визуальное представление двоично-десятичных чисел часто
выполняется с помощью семисегментных индикаторов на основе
электролюминесцентных приборов, жидких кристаллов или светодиодных матриц.
Количество семисегментных индикаторов определяется разрядностью чисел,
отображаемых на световом табло - обычно шесть или более десятичных цифр.
На практике преобразование кода
осуществляется следующим образом. Когда десятичный код отображаемой цифры
поступает на вход двоично-десятичного преобразователя выходы которого a, b, c., g подключаются к
соответствующим сегментам индикатора (рис. 1, а).
Единичное значение выходного сигнала
преобразователя вызывает свечение сегмента, подключенного к этому выходу.
Комбинации единичных сигналов на выходах преобразователя образуют изображение
десятичной цифры в своем разряде (рис. 1, б).
Соответствие между двоично-десятичным
числом и необходимыми для отображения десятичной цифры наборами сегментов
представлено в таблице 1.
Таблица 1. Таблица истинности для преобразователя кода
|
X1
|
X2
|
X3
|
X4
|
a
|
b
|
c
|
d
|
e
|
f
|
g
|
|
0
|
0
|
0
|
0
|
0
|
1
|
1
|
1
|
1
|
1
|
1
|
0
|
|
1
|
0
|
0
|
0
|
1
|
0
|
1
|
1
|
0
|
0
|
0
|
0
|
|
2
|
0
|
0
|
1
|
0
|
1
|
1
|
0
|
1
|
1
|
0
|
1
|
|
3
|
0
|
0
|
1
|
1
|
1
|
1
|
1
|
1
|
0
|
0
|
1
|
|
4
|
0
|
1
|
0
|
0
|
0
|
1
|
1
|
0
|
0
|
1
|
1
|
|
5
|
0
|
1
|
0
|
1
|
1
|
0
|
1
|
1
|
0
|
1
|
1
|
|
6
|
0
|
1
|
1
|
0
|
1
|
0
|
1
|
1
|
1
|
1
|
1
|
|
7
|
0
|
1
|
1
|
1
|
1
|
1
|
1
|
0
|
0
|
0
|
0
|
|
8
|
1
|
0
|
0
|
0
|
1
|
1
|
1
|
1
|
1
|
1
|
1
|
|
9
|
1
|
0
|
0
|
1
|
1
|
1
|
1
|
1
|
0
|
1
|
1
|
|
10
|
1
|
0
|
1
|
0
|
X
|
X
|
X
|
X
|
X
|
X
|
X
|
|
11
|
1
|
0
|
1
|
1
|
X
|
X
|
X
|
X
|
X
|
X
|
X
|
|
12
|
1
|
1
|
0
|
0
|
X
|
X
|
X
|
X
|
X
|
X
|
X
|
|
13
|
1
|
1
|
0
|
1
|
X
|
X
|
X
|
X
|
X
|
X
|
X
|
|
14
|
1
|
1
|
1
|
0
|
X
|
X
|
X
|
X
|
X
|
X
|
X
|
|
15
|
1
|
1
|
1
|
1
|
X
|
X
|
X
|
X
|
X
|
X
|
X
|
|
Для сокращения выражений, полученных из
таблицы истинности, используется метод карт Карно.
При сокращении выражений картами Карно
звездочки используются как 1 и могут включаться в контур.
В результате сокращений получили следующие
выражения:
Т. к. преобразователь кода должен работать на логических элементах
базиса И-НЕ, нужно перевести полученные выражения в этот базис добавлением
двойного отрицания:
Далее применяется закон Де Моргана к этим выражениям:
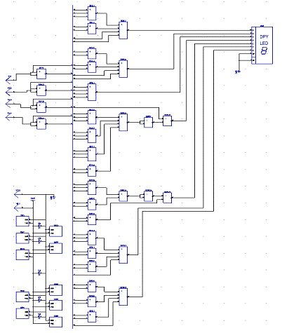
По этим выражениям была собрана виртуальная схема в NI Multisim
12.0 (Рис. 2)
Рис. 2 Электрическая схема преобразователя кода
В виртуальной схеме сделанной в Multisim не установлены
конденсаторы ввиду отсутствия элементов питания у микросхем.
Рис. 3 Принципиальная схема сделанная в программе DipTrace
На ПП с использованием микросхем серий К155 необходима
установка блокировочных конденсаторов между цепью плюс 5 В и землей. Их число
определяется одним-двумя конденсаторами емкостью 0,033…0,15 мкФ на каждые пять
микросхем. Конденсаторы следует располагать на плате по возможности равномерно
и в непосредственной близости от микросхем.
4. Описание
элементной базы
1) 7400N
Рис. 4 Фотография микросхемы 7400N
Рис. 5 Условное графическое обозначение
Отечественный аналог: К155ЛА3
) 7412N
Рис. 6 Фотография микросхемы 7412N
Рис. 7 Условное графическое обозначение 7412N
Отечественный аналог: К155ЛА10
) 7420N
Рис. 8 Фотография микросхемы 7420N
Рис. 9 Условное графическое обозначение 7420N
Таблица 2. Электрические параметры микросхем 7400N, 7412N, 7420N
|
Номинальное
напряжение питания
|
5 В 5 %
|
|
Выходное
напряжение низкого уровня
|
не более 0,4 В
|
|
Выходное
напряжение высокого уровня
|
не менее 2,4 В
|
|
Входной ток
низкого уровня
|
не более -1,6
мА
|
|
Входной ток
высокого уровня
|
не более 0,04
мА
|
|
Входной
пробивной ток
|
не более 1 мА
|
|
Ток потребления
при низком уровне выходного напряжения
|
|
Ток потребления
при высоком уровне выходного напряжения
|
не более 12 мА
|
|
Потребляемая
мощность
|
не более 19,7
мВт
|
|
Время задержки
распространения при включении
|
не более 15 нс
|
|
Время задержки
распространения при выключении
|
не более 22 нс
|
Отечественный аналог: К155ЛА1
Используемые в проекте микросхемы выполнены в корпусе DIP-14
Рис. 10 Графическое обозначение Dip-14
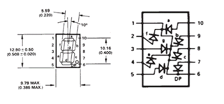
4) Семисегментный индикатор Green HDSP-F503
Рис. 11 Фотография семисегментного индикатора Green HDSP-F503
Описание
Рис. 12 Корпус и условное графическое обозначение
Таблица 3. Электрические параметры Green HDSP-F503
|
Пиковая Длинна
Волны (nm)
|
Максимальные
значения параметров
|
Электрооптические
характеристики При ls 20мА
|
|
|
Vf(V)
|
Iv(mcd)
|
|
л(nm)
|
Pb(nm)
|
If(mA)
|
Peak(mA)
|
Typ
|
Max
|
Typ
|
Max
|
|
566
|
90
|
40
|
15
|
50
|
2,25
|
2,6
|
7
|
9,5
|
) Разъёмы штыревые PLS-4, PLS-2
Рис. 13 Фотография Разъёма штыревого PLS
Рис. 14 Корпус PLS
Таблица 4. Спецификация PLS
|
Материал контактов
|
Варианты
покрытия контактов:
|
Изолятор
|
|
Медь
|
золото / олово
выборочно
|
нейлон-6Т,
усиленный стекловолокном UL-94V-0
|
|
Электрические
характеристики
|
|
Предельное
напряжение
|
Сопротивление
изолятора
|
Сопротивление
контакта
|
|
500В в течении
1 мин
|
не менее
1000Мом
|
не более: 0,02
Ом
|
|
Эксплуатационные
характеристики
|
|
Допустимые
температуры
|
|
-40 С
|
+ 105 С
|
|
|
|
|
6) Конденсаторы К10-17-1Б
Рис. 15 Фотография конденсатора К10-17-1Б
Рис. 16 Корпус К10-17
Рис. 17 Спецификация К10-17
4.
Выбор типа, материала и класса точности печатной платы
.1 Основные понятия
Печатная плата (ПП) - изделие, состоящее из плоского
изоляционного основания с отверстиями, пазами, вырезами и системой
токопроводящих полосок металла (проводников), которое используют для установки
и коммутации электро радио изделия (ЭРИ) и функциональных узлов в соответствии
с электрической принципиальной схемой (Рис. 18).
Рисунок печатной платы - конфигурация проводникового и (или)
диэлектрического материала на печатной плате.
Проводящий рисунок - конфигурация проводящего материала.
Проводящий рисунок ПП должен быть четким, с ровными краями, без вздутий,
протравливания, разрывов, отслоений, следов инструмента и остатков
технологических материалов. Для повышения коррозионной стойкости на поверхность
проводящего рисунка наносят электролитическое, химическое или органическое
покрытие, которое должно быть сплошным, без разрывов и отслоений.
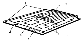
Рис. 18 Печатная плата: 1 - крепежные отверстия; 2 - концевые
печатные контакты; 3 - монтажное отверстие 4 - место маркировки ПП; 5 -
печатный проводник; 6 - ориентирующий паз. [7]
Маркировка ПП - совокупность знаков и символов на ПП,
необходимая для ее идентификации и контроля.
Крепежные отверстия - отверстия для крепления ПП в Модулях
более высокого конструктивного уровня (панелях, блоках).
Монтажные отверстия - отверстия для установки и пайки ЭРИ. На
внутреннюю поверхность металлизированных монтажных отверстий наносят медное
покрытие толщиной не менее 25 мкм и покрытие для обеспечения паяемой, которые
должны быть сплошными, без пор и включений, пластичными, с мелкокристаллической
структурой, быть прочно сцепленными с диэлектриком, иметь определенное
сопротивление, выдерживать токовую нагрузку 250 А/мм2 в течение 3 с при
нагрузке на контакты.
Печатный монтаж - способ монтажа, при котором электрическое
соединение ЭРИ, экранов, функциональных узлов между собой выполнено с помощью
элементов печатного рисунка: проводников, контактных площадок и т. п. по ГОСТ
23751-86.
Печатные платы широко применяются в бытовой технике,
аппаратуре, вычислительной технике, в промышленности.
В качестве материала основания ПП применяться слоистый
диэлектрик с одной или с двух сторон фольгированный медной фольгой, или не
фольгированные диэлектрики (Рис. 19).
Наиболее распространенные марки фольгированных диэлектриков
следующие:
ГФ-1-35, ГФ-1-50, ГФ-2-50, СФ-1-35, СФ-1-50, СФ-2-35,
СФ-2-50, где первые две буквы означают вид диэлектрика, первая цифра говорит о
том односторонний или двусторонний фольгированный диэлектрик, следующие две
цифры указывают на толщину фольги в микрометрах.
ГОСТ 23751-86 устанавливает пять классов точности печатных
плат в соответствии со значениями основных параметров и предельных отклонений
элементов конструкции.
Наименьшие номинальные значения основных размеров элементов
конструкции печатных плат для узкого места в зависимости от класса точности
приведены в таблице.
Таблица 5. Наименьшие номинальные значения основных параметров для
классов точности ПП.
|
Условные
обозначения элементов печатного монтажа
|
Класс точности
ПП
|
|
1
|
2
|
3
|
4
|
5
|
|
t, мм
|
0,75
|
0,45
|
0,25
|
0,15
|
0,1
|
|
S, мм
|
0,75
|
0,45
|
0,25
|
0,15
|
0,1
|
|
b, мм
|
0,3
|
0,2
|
0,1
|
0,05
|
0,025
|
|
г=d/H
|
0,4
|
0,4
|
0,33
|
0,25
|
0,2
|
|
Дt, мм (без
покрытия)
|
±0,15
|
±0,1
|
±0,05
|
±0,03
|
0; - 0,03
|
|
Дt, мм (с
покрытием)
|
+0,25; - 0,2
|
0,15; -0,1
|
±0,1
|
±0,05
|
±0,05
|
|
Tl,
мм - ОПП, ДПП, МПП (наружный слой)
|
0,2
|
0,1
|
0,05
|
0,03
|
0,02
|
|
Tl, мм
- МПП (внутренний слой)
|
0,3
|
0,15
|
0,1
|
0,08
|
0,05
|
где:- наименьшая
номинальная ширина проводника.- наименьшее номинальное расстояние между
проводниками;- минимально допустимая ширина контактной площадки;- номинальное
значение диаметра наименьшего металлизированного отверстия;
Н - толщина ПП;
∆t -
предельное отклонение ширины печатного проводника, контактной площадки,
концевого печатного контакта и др.;i - позиционный допуск расположения
печатного проводника, относительно соседнего элемента проводящего рисунка.
Класс точности ПП
указывают в конструкторской документации на ПП. Выбор класса точности всегда
связан с конкретным производством, так как он обусловлен уровнем
технологического оснащения производства.
Первый и второй
классы ПП применяют в случае малой насыщенности поверхности ПП дискретными
элементами и микросхемами малой степени интеграции;
Третий класс ПП -
для микросхем со штыревыми и планарными выводами при средней и высокой
насыщенности поверхности ПП элементами;
Четвертый и пятый
классы точности используют при высокой и очень высокой насыщенности поверхности
ПП элементами с выводами и без них.
Переходные
отверстия - отверстия для электрической связи между слоями или сторонами ПП.
Толщина ПП
определяется толщиной материала основания ПП и проводящего рисунка (без
дополнительных покрытий). Ее выбирают в зависимости от конструктивных,
технологических особенностей и механических нагрузок: вибраций и ударов при
эксплуатации и транспортировке, которые могут вызвать механические перегрузки и
привести к деформации и разрушению ПП. Предпочтительными значениями номинальных
толщин ОПП и ДПП являются 0,8; 1,0; 1,5; 2,0 мм. Допуск на толщину ПП
устанавливают по техническому условию (ТУ) на материал или по ГОСТ 23751-86.
При выборе
толщины ПП необходимо учитывать следующее:
) ПП должна
соответствовать диаметрам применяемых металлизированных отверстий (для
качественной металлизации отношение диаметра металлизированного отверстия к
толщине ПП должно быть не менее 0,4;
) длину штыревых
выводов ЭРИ и соединителя косвенного сочленения минимальная длина участка
вывода, выступающего из отверстия должна быть не менее 0,5 мм для обеспечения
нормальных условий пайки и получения качественного паяного соединения;
) установочный
размер соединителя прямого сочленения для получения надежного контакта концевых
печатных контактов ПП и соединителя;
) механические
нагрузки на ПП в процессе эксплуатации и при транспортировке;
) используемую
элементную базу для высокочастотной ЭА (выше 107… 108 Гц) для увеличения
значения волнового сопротивления, (необходимого для коммутации микро схем)
толщина МПП должна быть увеличена; [7, с. 20-27]
На основании
вышеизложенного материала выбрана двухсторонняя печатная плата материал
фольгированный стеклотекстолит (СФ-2-35), 3-й класс точности и шаг координатной
сетки 2,54 мм.
Шаг сетки 2,54
выбран, так как планируется использовать микросхемы серии 74, зарубежные
аналоги отечественной серии К155, которые имеют шаг выводов 2,54.
Толщина платы 1,5
мм.
Плата будет
изготовлена комбинированным позитивным методом.
5.
Расчетная часть
.1 Расчет конструктивных параметров
Расчет конструктивных параметров элементов
печатного монтажа проводится по методике изложенной в [7, с. 90-120].
Расчет площади элементов производится с учётом минимального
расстояния между элементами (+1,5 мм к ширине, +1 мм к длине элемента), длина
некоторых элементов взята с учётом шага координатной сетки печатной платы (2,54
мм) Расчет площади ЭРИ.
Таблица 6. Таблица элементов и их площади
|
ЭРИ
|
Корпус
|
A
|
B
|
Sэ
|
n
|
Syi
|
|
Семисегментный
индикатор
|
HDSP-F503
|
12,9
|
9,5
|
126,291
|
1
|
126,291
|
|
Микросхема
|
DIP 14
|
20
|
8,5
|
170
|
10
|
1700
|
|
Конденсатор
|
К10-17-1Б
|
7,5
|
4,5
|
33,75
|
5
|
168,75
|
|
Разъем штыревой
|
PLS-4
|
10
|
2,5
|
25
|
1
|
25
|
|
Разъем штыревой
|
PLS-2
|
5
|
2,5
|
12,5
|
1
|
12,5
|
|
|
|
|
|
|
2032,541
|
|
KSУ
|
2
|
|
|
|
|
4065,082
|
Формула расчёта суммарной площади ЭРИ:
, (1)
где:
- площадь ПП
- установочная площадь i-гo ЭРИ;
- коэффициент, зависящий от назначения и условий эксплуатации
аппаратуры (
= 2);
Для большего удобства была выбрана плата нестандартного
размера 80x70.
Монтажные отверстия - отверстия для установки ЭРИ.
Если вывод прямоугольный то Dэ можно рассчитать как
диагональ прямоугольного вывода.
Номинальный диаметр монтажных металлизированных и не
металлизированных отверстий устанавливают исходя из следующего соотношения:
, (2)
где
- нижнее предельное отклонение диаметра
отверстия, (определяется по табл. 5);
- максимальное значение диаметра вывода ЭРИ, устанавливаемого на
ПП (для прямоугольного вывода за диаметр принимается диагональ его сечения);
- разность между минимальным значением диаметра отверстия и
максимальным диаметром вывода, устанавливаемого ЭРИ (ее выбирают в пределах
0,1…0,4 мм при ручной установке ЭРИ и в пределах 0,4.:. 0,5 мм - при
автоматической).
Таблица 7. Предельные отклонения диаметров монтажных и переходных
отверстий
|
Диаметр
отверстия, мм
|
Наличие
метализации
|
Предельное
отклонения диаметра мм, по классам точности
|
|
|
1
|
2
|
3
|
4
|
5
|
|
До 1,0
включительно.
|
без метализации
|
±0,10
|
±0,10
|
±0,05
|
±0,05
|
±0,05
|
|
с металлизацией
без оплавления
|
+0,05 -0,15
|
+0,05 -0,15
|
0; -0,10
|
0; -0,10
|
0; -0,075
|
|
с металлизацией
с оплавлением
|
+0,05 -0,18
|
+0,05 -0,12
|
0; -0,13
|
0; -0,13
|
0; -0,13
|
|
Свыше 1,0
|
без метализации
|
±0,15
|
±0,15
|
±0,10
|
±0,10
|
±0,10
|
|
с металлизацией
без оплавления
|
+0,10 -0,20
|
+0,10 -0,20
|
+0,05 -0,15
|
+0,05 -0,15
|
+0,05 -0,15
|
|
с металлизацией
с оплавлением
|
+0,10 -0,23
|
+0,10 -0,23
|
+0,05 -0,18
|
+0,05 -0,18
|
+0,03 -0,18
|
Расчетное значение d, следует округлить в сторону увеличения
до десятых долей миллиметра и должны соответствовать ГОСТ 10317-79, который
устанавливает следующий ряд: 0,4; 0,5; 0,6; 0,7; 0,8; 0,9; 1,0; 1,1; 1,2; 1,3;
1,4; 1,5; 1,6; 1,7; 1,8; 2,0; 2,1; 2,2; 2,3; 2,4; 2,5; 2,6; 2,7; 2,8; 3,0 мм.
Таблица 8. Расчет диаметра отверстий
|
Микросхема Dip 14
|
dэ = 0,6
|
d= 0,9
|
Класс точности
|
|
Индикатор
HDSP-F503
|
dэ = 0,6
|
d= 0,9
|
3
|
|
Конденсатор
К10-17-1Б
|
dэ = 0,6
|
d= 0,9
|
|
|
Разъем штыревой
PLS-2
|
dэ = 0,9
|
d= 1,3
|
Дdн.о.= -0,1
|
|
Разъем штыревой
PLS-4
|
dэ = 0,9
|
d= 1,3
|
r= 0,2
|
|
Технологическое
отверстие
|
dэ = 2
|
d= 2,4
|
|
Расстояние
должно быть не менее толщины ПП с учетом
допуска.
Толщина ПП = 1,5 мм
Допуск на размеры сторон = -0,13
= 2 мм
Расчет расстояния Q2 от края паза, выреза до элементов проводящего
рисунка. Расстояние от края паза, выреза, не металлизированного отверстия, до
элементов печатного рисунка определяют по формуле:
, (3)
где:
= 0,35 ширина ореола, скола в зависимости
от толщины материала основания и класса точности ПП.
= 0,15 наименьшее расстояние от ореола, скола до соседнего
элемента проводящего рисунка определяется по таблице 6.
= 0,15 позиционный допуск расположения центров контактных площадок
= 0,08 позиционный допуск расположения осей отверстий в
зависимости размеров и класса точности ПП
= 0,05 верхнее предельное отклонение размеров элементов
конструкции
Таблица 9. Допустимая ширина поверхностных сколов и просветлений
(ореолов)
|
Толщина
материала основаия ПП, мм
|
Класс толщины
|
Класс точности
ПП
|
|
|
1
|
2
|
3
|
4
|
5
|
|
До 0,5
включительно
|
1
|
0,3
|
0,3
|
0,15
|
0,15
|
0,1
|
|
Свыше 0,5 до
0,8 включительно
|
2
|
0,5
|
0,5
|
0,2
|
0,2
|
0,15
|
|
» 0,8» 1,0»
|
3
|
0,8
|
0,8
|
0,25
|
0,25
|
0,2
|
|
» 1,0» 1,5»
|
4
|
1
|
1
|
0,35
|
0,35
|
0,25
|
|
» 1,5» 2,0»
|
5
|
1,2
|
1,2
|
0,5
|
0,5
|
|
» 2,0» 2,5»
|
6
|
1,4
|
1,4
|
0,7
|
0,7
|
0,5
|
|
» 2,5
|
7
|
1,7
|
1,7
|
0,8
|
0,8
|
0,6
|
5.2 Расчет ширины печатных проводников
Ширина печатного проводника зависит от электрических,
конструктивных и технологических требований.
Наименьшее номинальное значение ширины печатного проводника
t, мм, рассчитывают по следующей формуле:
(4)
где:
- минимально допустимая ширина проводника
= 0,25 мм
- нижнее предельное отклонение размеров отклонения размеров ширины
печатного проводника = -0,05 мм
Минимальная ширина проводника по току равна 0,07 мм, но для
повышения надёжности целесообразно выбрать ширину 0,25 мм (минимальная ширина
для 3-го класса точности).
Расчет расстояния между элементами:
(5)
Где:
= 0,2 -
таблица 1.4
= 0,05 - таблица 1.1
= 0,05
Расчет диаметра контактных площадок:
= 1,5 (6)
Где:
= 0,9
= 0
= 0 для ДПП
= 0,1
= 0,08D = 0,15
= -0,05
= -0,05
5.3 Расчет на вибропрочность
Расчет на действие вибрации изложен в [7, c. 512-517]
Вибропрочность - способность конструкции выполнять функции и
сохранять значения параметров в заданных пределах после воздействия вибраций.
Виброустойчивость - способность конструкции выполнять функции
и сохранять значения параметров в заданных пределах во время воздействия
вибраций.
Под вибрацией понимают механические колебания элементов
конструкции или конструкции в целом. Вибрация характеризуется
виброперемещением, виброскоростью и виброускорением. Проводя проработку
компоновки ячейки ЭА, конструктор должен обеспечить вибропрочность,
виброустойчивость и отсутствие резонанса ЭРИ в рабочем диапазоне частот.
Целью расчета является определение действующих на ЭРИ и ПП
перегрузок при действии вибраций, а также максимальных перегрузок и проверка
этих ЭРИ и ПП на вибропрочность.
В нашем случае диапазон вибраций будет взят из условий ТЗ Гц,
виброускорение a0 = 19,6 м/с2
Определим частоту собственных колебаний:
Гц (7)
где:
= 80 мм - длина
пластины
= 70 мм - ширина пластины
= 8, 926 - цилиндрическая жесткость
= 31,25 - коэффициент, зависящий от способа закрепления сторон
пластины
=0,035 кг - масса ПП с ЭРИ:
кг (8)
кг, (9)
где:
=2,05*103 кг/м3 - плотность материала
платы.
(10)
Таблица 10. Вес используемых элементов
|
где - масса ЭРИ0,01825
|
|
|
Элемент
|
Количество
|
Масса, кг
|
Общая масса
|
|
Семисегментный
индикатор
|
1
|
0,0025
|
0,0025
|
|
Штыревой разъем
PLS-4
|
1
|
0,00025
|
0,00025
|
|
Штыревой разъем
PLS-2
|
1
|
0,0005
|
0,0005
|
|
Микросхема
|
10
|
0,001
|
0,01
|
|
Конденсатор
|
5
|
0,001
|
0,005
|
Цилиндрическая жесткость вычисляется по формуле:

Н*м (11)
где:
= 3,02*1010 H/м2
- модуль упругости для материала платы
= 1,5 мм - толщина платы
= 0,22 - коэффициент Пуассона
(12)
где:
= 22,37,
=1,
=
,
=0,19 - коэффициенты закрепления сторон
Определим коэффициент динамичности:

(13)
Где 
= 0,01 - коэффициент затухания для стеклотекстолита
- коэффициент расстройки
(14)
Амплитуда вибросмещения основания
(15)
Определение виброускорения и вибросмещения ЭРИ
(16)
Где: x и y координаты элемента.
Коэффициент передачи по ускорению:
(17)
Где
= 1,29;
= 1,28 - коэффициенты формы колебаний
Определим виброускорение:
(18)
Определим виброперемещение:
(19)
5.4 Расчет на ударопрочность
Методика расчета ударопрочности изложена в [7, c. 517-519]
Ударопрочность - способность конструкции выполнять функции и
сохранять значения параметров в заданных пределах после воздействия ударов.
Конструкция ЭА выполняет требования к ударопрочности, если
перемещение и ускорение при ударе не превышает допустимых значений.
Исходные данные: масса ПП, геометрические размеры ПП,
характеристики материала ПП (плотность материала ПП, коэффициент Пуассона),
длительность удара ф =5…10 мс, ускорение
= 100 м/с2, частота ударов
= 40…120 мин-1.
Определение условной частоты ударного импульса:
Определяем условную частоту ударного импульса для наихудшего
случая (ф = 5 мс).
(20)
Определение коэффициента передачи при ударе
(21)
Где
(22)
= 714 Гц
Определение ударного ускорения
Ударное ускорение рассчитывается по следующей формуле:
(23)
Определение максимального относительного перемещения
Максимальное относительное перемещение определяется по
формуле:
(24)
где:
- коэффициент передачи при ударе
- амплитуда ускорения ударного импульса
- частота
собственных колебаний;
Проверка выполнения условий ударопрочность для ЭРИ.
Минимально допустимая ударная перегрузка для ЭРИ
(25)
Проверка выполнения условий ударопрочность для ПП с ЭРИ.
(26)
Оба условия выполнены.
5.5 Расчет надежности
Методика расчета надежности схемы изложена в [7, c. 524-527].
При проектировании электронной аппаратуры стремятся создать
конструкцию, удовлетворяющую оптимальным соотношениям между заданными
техническими характеристиками изделия, надежностью в заданных условиях
эксплуатации и технологичностью конструкции.
На этапе эскизного проектирования проводятся ориентировочные
расчеты, учитывающие влияние на надежность только количества и типов,
применяемых ЭРИ. На этапе технического проекта расчеты проводятся на уровне
ячейки с учетом реальных электрических и тепловых режимов работы.
Данные расчетов сведены в таблицу.
Интенсивность отказов элементов:
(27)
где:
i -
номинальная интенсивность отказа i элемента
- поправочный коэффициент на условия эксплуатации
- поправочный коэффициент нагрузки
Среднее время наработки на отказ высчитывается по
формуле:
(28)
Таблица 11. Расчет надежности элементов
|
Расчет
интенсивности отказа элементов
|
|
Элемент
|
Интенсивность
отказа, *10-6 1/ч
|
Кол-во
элементов
|
Суммарная
интенсивность отказа *10-6 1/ч
|
|
Семисегментный
индикатор
|
1,4
|
1
|
1,4
|
|
Штыревой разъем
PLS-4
|
0,248
|
1
|
0,248
|
|
Штыревой разъем
PLS-2
|
0,124
|
1
|
0,124
|
|
ПП
|
0,7
|
1
|
0,7
|
|
Паяное
соединение
|
0,01
|
98
|
0,98
|
|
Микросхема
|
0,013
|
10
|
0,13
|
|
Конденсатор
|
0,04
|
5
|
0,2
|
|
Система
|
|
|
3,658
|
|
|
|
|
|
31 год
|
|
|
|
6.
Выбор технологического процесса изготовления печатного блока
Для изготовления элементов проводящего
рисунка ПП применяются две технологии: субтрактивная и адаптивный.
Субтрактивный процесс - получение проводящих
рисунков путем избирательного травления участков фольги с пробельных мест.
Аддитивный процесс - получение проводящего
рисунка путем избирательного осаждения проводникового материала на не
фольгированный материал основания.
Токопроводящие участки РП можно изготавливать субтрактивным,
полуадцитивным и аддитивным методами.
Субтрактивный метод состоит из следующих этапов:
1. Получение заготовки из материала СТЭФ.
2. Получение фиксирующих (базовых) отверстий.
3. Получение канавок, монтажных и переходных отверстий.
4. Мотивирование (зачистка) поверхности заготовок.
5. Химическое омеднение заготовок (толщина 3…7 мкм).
6. Гальваническое омеднение заготовок (толщина меди
25…40 мкм).
7. Нанесение защитного резиста (жидкой спирт канифольной
смеси) на всю поверхность металлизированной заготовки.
8. Зернение (удаление защитного резиста с пробельных
мест).
9. Травление меди с пробельных мест.
10. Лужение.
11. Контроль.
Мотивирование поверхности гидроабразивной обработкой
необходимо для очистки поверхности и отверстий от стружки после фрезерования и
сверления, для создания шероховатости пробельных мест, для очистки от
Загрязнений и обеспечения равномерности покрытия химической медью.
В результате нанесения защитного резиста и испарения спирта
из спирт канифольной смеси при повышенной температуре вся поверхность заготовки
покрывается равномерной канифольной пленкой.
Операцию зернения проводят в вибробункере, в котором
керамические шарики оббивают канифольную пленку с пробельных мест.
При лужении в расплавленном припое канифольная пленка
выступает в роли флюса и способствует осаждению припоя на проводящий рисунок
РП.
Полу аддитивный метод состоит из следующих операций:
1. Получение заготовки из материала СТЭФ.
2. Получение фиксирующих (базовых) отверстий.
3. Получение канавок, монтажных и переходных, отверстий.
4. Мотивирование поверхности заготовки.
5. Химическое омеднение (3…7 мкм).
6. Маскирование пробельных мест.
7. Гальваническое омеднение в канавки и отверстия (25…40
мкм).
8. Гальваническое нанесение металлорезиста.
. Удаление маски с пробельных мест.
10. Травление меди с пробельных мест.
11. Лужение.
12. Контроль.
Маскирование пробельных мест - накатка специальными валками
защитной краски на пробельные места заготовки. Остальные операции аналогичны
подобным операциям субтрактивного метода.
Аддитивный метод состоит из следующих операций:
1. Получение заготовки из материала СТАМ с введенным в
объем катализатором, активизирующим осаждение химической меди, на поверхностях
которого припрессована пассивная пленка.
2. Получение фиксирующих (базовых) отверстий.
3. Травление адгезионного слоя в серно-хромовой смеси.
4. Получение канавок, монтажных и переходных отверстий.
5. Химическое меднение вскрытых участков заготовки.
6. Гальваническое меднение канавок, монтажных и переходных
отверстий.
7. Лужение или гальваническое осаждение припоя.
8. Контроль.
При химическом меднении интенсивное осаждение меди происходит
только на вскрытых участках заготовки.
Двусторонние печатные платы (ДПП)
применяют практически во всех видах ЭА. ДПП 1-, 2- и 3-го классов точности
изготавливают в мелкосерийном, серийном и крупносерийном производстве, 4- и
5-го - в серийном, прецизионные - мелкосерийном производстве. Максимальные
габариты ДПП 500x600 мм, минимальный диаметр отверстий - 0,4 мм. Для прецизионных
ДПП применяют материалы с толщиной фольги 5 мкм или не фольгированные
диэлектрики. Гибкие ДПП выполняют на гибком тонком фольгированном или не
фольгированном основании.
При изготовлении ДПП на не фольгированном
основании применяют методы, позволяющие получить ПП по 4-му и 5-му классам
точности: электрохимический (полу аддитивный), аддитивный, фото формирование, с
использованием активирующих паст и др.
Рост степени интеграции микросхем ведет к
увеличению выделяемой ими теплоты. Отвод теплоты от таких микросхем в процессе
эксплуатации - сложная конструкторско-технологическая задача. Решить ее можно
использованием ПП на металлическом основании. В качестве основания применяют
металлические листы из алюминия, стали, титана или меди толщиной 0,1…3,0 мм. Токопроводящие
участки ПП получают электрохимическим или аддитивным методами. Основным при
этом является необходимость обеспечения надежной электрической изоляции
печатных проводников от металлического основания.
К преимуществам этого метода изготовления
МПП относятся надежность межслойных соединений, большое число слоев, к
недостаткам - длительный технологический цикл, невозможность использования
элементов со штыревыми выводами, высокая стоимость изготовления.
Так как в данном проекте используется
двухслойная печатная плата, то для изготовления элементов проводящего рисунка
будет применяться метод химического травления - получение проводящего рисунка
путем стравливания проводникового материала на фольгированный материал
основания.
6.1 Технологический процесс изготовления
печатного узла
Исходными данными для разработки
технологических процессов являются:
· конструкторская
документация на изделие (сборочные чертежи, рабочие чертежи, электрические
схемы, монтажные схемы);
· технические требования на
изделие, где указываются дополнительные требования к изделию. Например,
необходимость защиты, виды испытаний;
· спецификация на входящие
в изделие компоненты;
· справочная, нормативная
литература, программы.
Правила разработки техпроцессов определены в рекомендациях
Р50-54-93-88. В соответствии с этими правилами разработка ТП состоит из
последовательности этапов, набор и характер которых зависит от типа
запускаемого в производство изделия, вида ТП, типа производства.
Таблица 12. Порядок операций изготовления печатного узла
|
№
|
Наименование и
содержание операции
|
Оборудование,
производительность
|
|
1
|
Монтажная:
установка, приклейка и подпайка контактных площадок
|
Монтажный стол
|
|
2
|
Сушка и
поляризация клея
|
Шкаф сушки
|
|
3
|
Монтажная:
пайка выводов контактной площадки
|
Квант 50-01
250…300 шт./ч
|
|
4
|
Контрольная:
контроль контактных соединений (визуально)
|
Монтажный стол
|
|
5
|
Монтажная:
установка, приклейка и подпайка ИМС
|
Монтажный стол
|
|
6
|
Монтажная:
установка, приклейка конденсаторов
|
Монтажный стол
|
|
7
|
Сушка и
полимеризация клея
|
Шкаф сушки
|
|
8
|
Монтажная:
пайка выводов ИМС
|
Полуавтомат
ПНП-5, 800…1000 шт./ч
|
|
9
|
Монтажная:
пайка выводов конденсаторов
|
Квант 50-01
250…300 шт./ч
|
|
10
|
Контрольная:
контроль контактных соединений (визуально)
|
Монтажный стол
|
|
11
|
Промывка
модулей
|
Линия промывки,
150 плат/ч
|
|
12
|
Контрольная:
диагностический контроль и разбраковка
|
Аппаратура
контроля логических блоков, цикл - 2 мин
|
|
13
|
Лакирование
модулей
|
Монтажный стол
|
|
14
|
Сушка модулей
|
Шкаф сушки
|
Таблица 13. Порядок операций изготовления печатной платы
|
№
|
Наименование и
содержание операции
|
Оборудование,
производительность
|
|
1
|
Входной
контроль диэлектрика
|
Монтажный стол
|
|
2
|
Резка заготовок
|
Монтажный стол
|
|
3
|
Сверление
базовых отверстий
|
Монтажный стол
|
|
4
|
Сверление
монтажных отверстий
|
Монтажный стол
|
|
5
|
Подготовка
поверхности: протравливание
|
Гальваническая
ванна
|
|
6
|
Термолиз и
предварительное электрохимическое омеднение
|
Гальваническая
ванна
|
|
7
|
Подготовка:
Протравливание
|
Гальваническая
ванна
|
|
8
|
Нанесение
защитного рельефа: СГ
|
Гальваническая
ванна
|
|
9
|
Электрохимическая
металлизация: Гальваническое омеднение и нанесение металлорезистора
|
Гальваническая
ванна
|
|
10
|
Удаление
защитного рельефа
|
Монтажный стол
|
|
11
|
Травление с
удалением металлорезистора
|
Гальваническая
ванна
|
|
12
|
Нанесение
защитной паяльной маски: СГ
|
Гальваническая
ванна
|
|
13
|
Лужение
|
Монтажный стол
|
|
14
|
Отмывка флюса
|
Монтажный стол
|
|
15
|
Сверление
отверстий и фрезерование по контуру
|
Монтажный стол
|
|
16
|
Промывка
ультразвуковым методом
|
Монтажный стол
|
|
17
|
Контроль
электрических параметров
|
Монтажный стол
|
7. Автоматизация проектирования
Система автоматизированного проектирования ПП представляет
собой сложный комплекс программ. Применяется для автоматизации проектирования и
подготовки производства ПП начиная с прорисовки электрической принципиальной
схемы, размещения ЭРИ, ПМК и других этапов, трассировки соединений и заканчивая
выводом на печать конструкторской и технологической документации на ПП и
разработкой управляющих файлов для сверлильно-фрезерных станков, фото
плоттеров, фото координатографов.- разработка принципиальных схем и печатных
плат, в пакет включено четыре программы:
) PCB Layout - проектирование плат с возможностью ручной и
автоматической трассировки, количество слоев и компонентов не ограничено;
) SchemEdit - редактор компонентов, создание символов,
привязка их к корпусам и объединение в библиотеки компонентов для Схемотехники
и PCB.
) PatternEditor - редактор корпусов для печатной
платы. Позволяет создавать свои библиотеки.
Программа обладает наиболее удобным среди САПР для
проектирования печатных плат пользовательским интерфейсом. Вся работа
сопровождается подсветкой редактируемых и зависящих от них элементов,
позволяющих наглядно оценивать ситуацию. Логическая структура принципиальной
схемы или платы формируется сразу при построении и изменение одного элемента отражается
на зависящих от него.
В Schematic была разработана принципиальная схема (Рис. 3)
после чего была перенесена в PCB Layout где была выполнена трассировка печатной
платы (Рис. 20).
Также были создана библиотека компонентов в ComEdit.
Рис. 20 Трассировка схемы преобразователя кода сделанная в
программе PCB Layout
После выполнения трассировки в программе PCB Layout, была сформирована 3D модель преобразователя
кода.
Рис. 21
3D модель преобразователя кода
Рис. 22 3D модель, под углом
Рис. 23 3D модель, обратная сторона платы
- двух- и трёхмерная система автоматизированного
проектирования и черчения, разработанная компанией Autodesk.
В области двумерного проектирования AutoCAD позволяет
использовать элементарные графические примитивы для получения более сложных
объектов. Кроме того, программа предоставляет весьма обширные возможности
работы со слоями и аннотативными объектами (размерами, текстом, обозначениями).
Использование механизма внешних ссылок (XRef) позволяет разбивать чертеж на
составные файлы, за которые ответственны различные разработчики, а динамические
блоки расширяют возможности автоматизации 2D-проектирования обычным
пользователем без использования программирования.
Также в программе реализовано управление трёхмерной печатью и
поддержка облаков точек. Тем не менее, следует отметить, что отсутствие
трёхмерной параметризации не позволяет AutoCAD напрямую конкурировать с
машиностроительными САПР среднего класса.позволяет получить высококачественную
визуализацию моделей с помощью системы рендеринга mentalray.
Рис. 24 Сборочный чертеж преобразователя кода в AutoCAD
Рис. 25 Чертеж печатной платы преобразователя кода в AutoCAD
Заключение
В ходе выполнения курсового проекта были разработаны:
Преобразователь кода, рабочий чертеж печатной платы детали.
Были проведены расчеты:
1. конструктивных элементов печатного монтажа
2. расчет надежности системы
. расчет на действие вибрации
. расчет на действие удара
Проведенные расчеты показывают, что разработанное устройство
полностью соответствует требованиям технического задания.
При выполнение курсового проекта были закреплены знания
полученные при изучении МДК «Цифровая схемотехника» и «Проектирование цифровых
устройств».
Список
литературы и интернет ресурсов
преобразователь технологический схема печатный
1. http://www.chipdip.ru
2. http://www.electromonter.info/handbook/symbol_271081.html
. http://www.ru.wikipedia.org
. http://www.ledlabs.ru/
5. Бабич Н.П. Жуков И.А.
Б125 Компьютерная схемотехника. Методы
построения: Учебное пособие. - К.: «МК-Пресс», 2004. - 576 с., ил.
. Угрюмов Е.П. Цифровая схемотехника. - СПб.:
БХВ - Санкт-Петербург, 2000. - 528 с.: ил.
7. Пирогова Е.В. Проектирование и технология
печатных плат: Учебник. - М.: ФОРУМ: ИНФРА-М, 2005. -560 с. (Высшее
образование).