Типовые задачи расчета цепей, содержащих электронные элементы
Введение
Электроника-это наука о формировании, передаче и
обработке электрических сигналов.
В системах автоматического управления различными
объектами важную роль играет информация, полученная от датчиков состояния
объекта, ее переработка, с точки зрения формирования управляющего воздействия
или выходной информации. Пример: необходимо следить за уровнем воды в баке.
Следовательно, датчик уровня вырабатывает сигнал, который преобразуется в
нужную форму, затем сравнивается с необходимой величиной (проходит обработку) и
в зависимости от этого сравнения воздействует на клапан, предварительно пройдя
превращение в мощный сигнал, способный переместить клапан.
Физическими носителями информации являются
сигналы, например, акустические, механические, электрические, световые,
пневматические и так далее. В современных системах используют в основном
электрические сигналы, для которых характерны высокая скорость их обработки,
простота формирования и передачи на длинные расстояния. В процессе
формирования, передачи и обработки электрические сигналы подвергаются различным
преобразованиям: усилению, фильтрации для устранения искажений и защиты от
помех, формируются по форме, амплитуде и длительности. Для этого используют
электронные устройства, которые состоят из электронных элементов и пассивных
электрических цепей (резисторов, конденсаторов, катушек индуктивности).
Современная промышленность выпускает два вида
электронных элементов: в виде отдельных дискретных компонентов (диодов,
транзисторов и так далее) и в виде микросхем (интегральных схем), в которых в
одном корпусе собрана электронная схема, представляющая собой функциональный
узел для обработки информации и располагающаяся на одном кристалле
полупроводнике.
Полупроводником называют вещество, у которого
сопротивление много больше, чем сопротивление проводника и много меньше, чем
сопротивление изолятора. Проводниками являются элементы четвертой группы
таблицы Менделеева (углерод, кремний, германий), пятой (фосфор, мышьяк,
сурьма), шестой (селен), а также химические соединения (арсенид галлия).
Итак: электроника - область науки, изучающая
физические явления в полупроводниках и электровакуумных приборах, их
характеристики, параметры, а также устройств, основанных на их применении.
В данной работе поставлена задача выполнения 6
заданий, в каждом из которых надо применить все практические знания по данному
курсу. В первом задании надо рассчитать ток и напряжение на диоде, параметры
цепи с диодом. Во втором нужно произвести расчет переходного процесса в цепи с
нелинейным элементом и построить графики . В третьем задании требуется
рассчитать нелинейную цепь с источниками питания различного типа. В четвертом
задании требуется определить параметры выпрямителей. В пятом: определить
положение рабочей точки и рассчитать параметры транзистора в этой точке. Шестое
задание представляет собой переход от h-параметров транзистора с общим
эмиттером к h-параметрам с общим коллектором.
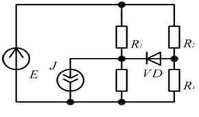
Задача 1. Расчет электрической цепи, содержащей
диод
При известных:
;
;
;J=0.05 A.
Для следующей цепи
Рис. 1. Схема исследуемой цепи.
. Определить ток короткого замыкания Iкз
2. Определить напряжение холостого хода Uxx
. Определить входное сопротивление относительно
зажимов диода
. Методом опрокинутой характеристики найти ток и
напряжение на диоде. 5. Определить Е при Uvd =0 и Ivd=0
Решение
Рис. 2. Схема исследуемой цепи с обозначением
контурных токов.
Составим выражения по методу контурных токов
(направления обхода всех контуров по часовой стрелке) :
Подставим численные значения:
I11-800 I22-200
I33=26
I11+1000 I22
=0
I11+1000 I33=-10
Значения контурных токов:11=0,075А22=0,06А33=0,005А
Значение тока короткого замыкания:кз=
I22 - I33 =0,06 -0,005=0,055А
.Для нахождения напряжения Uхх
размыкаем цепь на месте диода:
Рис.3 цепь для нахождения напряжения
холостого хода
xx=-E1+I1xR3-I2xR4=-10+5.2-12.8=17.6
B
. Находим входное сопротивление в
виде суммы значений резистивных элементов:
Выполним проверку:
Согласно методу эквивалентного
генератора входное сопротивление можно найти как отношение напряжения холостого
хода к току короткого замыкания:
следовательно, расчёты верны.
. Используя метод опрокинутой
характеристики найдем ток и напряжение на диоде.
Получаем что Ivd=0.028 A , Uvd=8
B.
.Чтобы найти ЭДС источника при отсутствии диода
используем раннее полученную формулу для нахождения напряжения холостого хода:
xx=-E1+I1xR3-I2xR4
Тогда при Uxx=0 находим что E=-13.3
Ответы:,Iкз=0,055 A;хх=17,6
Ввх=320 Ом;vd=8 В,Ivd=0,028 А;Е=-13.3 В при Ivd
=0, Uvd=0.
Задача 2. Расчет переходного процесса в
нелинейных цепях
Решение.
. Составим дифференциальные уравнения
цепи для конечного положения ключа на основе законов Кирхгофа:
2.Составим характеристическое
уравнение
для
конечного положения ключа, исключая источник ЭДС.
Преобразуем схему, описанную выше,
для нахождения характеристического уравнения.
Тогда получим следующее:
искомое характеристическое
уравнение.
.Определим корни характеристического
уравнения, полученного выше:
.Определим принужденную составляющую
переходной величины.
Для этого рассмотрим цепь в
установившемся режиме. Т.к. цепь питается от постоянного напряжения, то
принужденные величины - это постоянные токи и напряжения.

Сопротивления
и
параллельны.
Тогда:
Тогда
.Запишем решение в общем виде:
,
где
.
.Определим независимые начальные
условия:
Найдем
Запишем второй закон Кирхгофа для контура А:
Тогда
Определим постоянные интегрирования
и запишем окончательное выражение искомой величины.
Запишем общее решение при
:
,
Тогда
Ответ:
График тока на индуктивности:
Графики тока и напряжения на диоде включенном в
прямом направлении:

Графики диода включенного обратно:

Задача 3. Расчет электрической цепи, содержащей
стабилитрон
График ВАХ стабилитрона и схема стабилизатора:
1. Построить график напряжения на
стабилитроне;
. Построить график тока на стабилитроне;
. Построить графики тока и напряжения на
стабилитроне
Решение:
Преобразуем данную схему:
Найдем значение
. Для этого
упростим исходную схему, используя данные преобразования:
Первый этап перестроения:
Второй этап:
Третий этап:
Данную схему преобразуем к
окончательному виду схемы:
Т.к. стабилитрон включен в обратном
направлении и
, то график
напряжения на стабилитроне будет выглядеть так:
Построим график
:
Подставляя значения
из графика
в суммарную
вольтамперную характеристику, получим ток при данной
. Т.к. все
элементы цепи соединены последовательно, то ток стабилитрона равен току цепи.
График тока на стабилитроне.
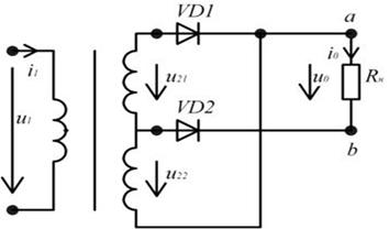
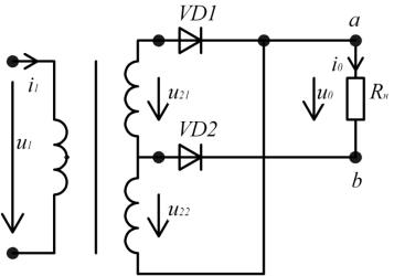
Задача №4. Расчет выпрямителей
Рассчитать однофазный однополупериодный
выпрямитель с фильтром.

Рассчитать однофазный двухполупериодный
выпрямитель с нулевым выводом с фильтром.
Рассчитать однофазный мостовой выпрямитель с
фильтром.
Определить параметры трансформатора и диода, при
условии, чтобы амплитуда отрицательной полуволны напряжения на нагрузке
равнялась бы 0,2 амплитуды отрицательной полуволны.

Решение:
Среднее значение выпрямленного напряжения равно:
.
Следовательно, действующее значение
напряжения на нагрузке равно:
В.
Действующее значение тока нагрузки
равно:
.
Среднее значение тока нагрузки
равно:
.
Тогда действующее значение тока
нагрузки равно:
.
Коэффициент трансформации равен:
В,
мА.
Промежуточный ток через диод равен
мA.
Обратное напряжение на диоде:
В.
Фильтр представляет собой
конденсатор, присоединённый параллельно нагрузке.
Фильтр
Ф.
Среднее значение выпрямленного
напряжения равно:
.
Следовательно, действующее значение напряжения
на нагрузке равно:
В.
Действующее значение тока нагрузки
равно:
.
Среднее значение тока нагрузки
равно:
.
Тогда действующее значение тока
нагрузки равно:
мA.
Коэффициент трансформации равен:
,
А.
Промежуточный ток через диод равен:
А.
Обратное напряжение на диоде:
В.
Фильтр
Среднее значение выпрямленного
напряжения равно:
.
Следовательно, действующее значение напряжения
на нагрузке равно:
В.
Действующее значение тока нагрузки
равно:
.
Среднее значение тока нагрузки
равно:
.
Тогда действующее значение тока
нагрузки равно:
мA.
Коэффициент трансформации равен:
,
мА.
Промежуточный ток через диод равен:
А.
Обратное напряжение на диоде:
В.
Ф.
Среднее значения напряжения на
нагрузке равно:
Из полученного выражения следует,
что
В.
Аналогично для тока
А.
Определим
:
Ом;
;
Ом.
Определяем действующее значение
переменного тока
:
;
А.
и
получаем
В.
Определим параметры трансформатора:
Коэффициент трансформации:
,
А..
Мощность трансформатора:
Вт
Задача 5. Определение h-параметров транзистора
типа ГТ322
Любой транзистор можно представить как активный
четырехполюсник. Для описания четырехполюсника при малых амплитудах сигнала и
при расчете и анализе соответстующих устройств используется так называемые
малосигнальные параметры. Малосигнальные параметры являются дифференциальными
параметрами. Наиболее употребительна система h-параметров.
Обычно в качестве независимых
переменных принимают приращение входного тока
и выходного напряжения
, тогда
зависимые переменные
и
можно найти
как
Эти уравнения соответствуют схеме
замещения транзистора:
- параметры транзистора легко могут
быть определены опытным путем из опытов холостого хода и короткого замыкания.
- коэффициент передачи тока при
;
выходная проводимость при
.
Конкретные значения h зависят от
схемы включения транзистора и режима работы. Они могут быть определены по
статическим характеристикам или схемам замещения.
Найдем параметры транзистора марки ГТ322
включенном по схеме ОБ.
Дано: входные и выходные характеристики ОБ.
Система уравнений h-параметров с общим
эмиттером:
Решение:
1. Определяем рабочую точку А:
,
. На входной характеристике
указана точка А для того же режима, что и на выходных характеристиках. Проводим
к точке А касательную и по приращениям между
и
при постоянном напряжении
, находим
. Если рассматривать
как
,
как
, а
как
, то
есть
коэффициент обратной связи по напряжению, обусловленной эффектом модуляции
толщины базы:
Задав
, определим значения
для входных
характеристик, построенных при
(в точке D) и при
(в точке А).
Получаем
. На выходной характеристике
указана точка рабочая точка А, проводим к ней касательную и по приращениям между
и
точками E и
F при постоянном токе
, находим
5. Из выходных характеристик по
заданным приращениям
и
между
точками G и H при постоянном напряжении
находим
Ответ:
,
,
,
Задача 6. Определение h-параметров
по физическим параметрам
Рисунок. Схема замещения транзистора
в физических параметрах.
Рисунок. Схема замещения транзистора
в h - параметрах.
короткое замыкание
коллектор-эмиттер.
Схема в физических параметрах примет
следующий вид:
Рисунок. Короткое замыкание
коллектор-эмиттер на схеме в физических параметрах.
Учтя, преобразования имеем:
;
;
;
;
.
;
;
;
.
;
;
;
;
.
;
;
;
.
транзистор диод стабилитрон напряжение
;
.
Заключение
В данной курсовой работе были рассмотрены
типовые задачи расчета цепей содержащих электронные элементы, изученных в курсе
«Физические основы электроники»: были рассчитаны базовые схемы и параметры
транзистора, выявлены особенности работы диода и стабилитрона.
Сопоставляя результаты, полученные в данной
курсовой работе с введением, представленным выше, можно прийти к выводу, что
все задания выполнены: в первом задании рассчитан диод, параметры цепи с
диодом. Во втором - произведен расчет стабилитрона и построены графики его
характеристик. В третьем задании определены параметры выпрямителей. В
четвертом: найдено положение рабочей точки и рассчитаны параметры транзистора в
этой точке. В пятом задании выведены h-параметры транзистора. В шестом был
произведен переход от заданных параметров к необходимым.
Список использованной литературы
1.
Гусев В.Г., Гусев Ю.М. Электроника. - М.: Высшая школа, 1991 г. - 622 с.
.
Основы промышленной электроники. Под ред. В.Г. Герасимова. - М.: Высшая школа,
1986 г. - 336 с.
.
Бочаров Л.Н., Жеребятников С.К., Колесников И.Ф. Расчет электронных устройств
на транзисторах. - М.: Энергия, 1978 г. - 208 с.
.
Изъюрова Г.И. и др. Расчет электронных схем: примеры и задачи. - М.: В.шк.,1987
г. - 395 с.
.
Полупроводниковые приборы: диоды, тиристоры, оптоэлектронные приборы:
Справочник. Под общ. ред. Н.Н. Горюнова. - М.: Энергоиздат, 1982 г. - 744 с.