Тесламетр

  • Вид работы:
    Отчет по практике
  • Предмет:
    Информатика, ВТ, телекоммуникации
  • Язык:
    Украинский
    ,
    Формат файла:
    MS Word
    938,71 Кб
  • Опубликовано:
    2014-11-25
Вы можете узнать стоимость помощи в написании студенческой работы.
Помощь в написании работы, которую точно примут!

Тесламетр

Вступ

Метою написання дипломного проекту є створення вимірювального приладу електромагнітної індукції тесламетра. Тесламетр - (від тесла і ... метр), прилад для вимірювання індукції або напруженості магнітного поля в не феромагнітному середовищі. Тесламетри використовують для вимірювання електромагнітного поля ліній електропередач, побутової техніки та промислових пристроїв, а також у між полюсних зазорах електромагнітів, каналах соленоїдальних систем і на поверхнях постійних магнітів і магнітних систем в цехових і лабораторних умовах, при дослідженнях в постійних магнітних полях в електротехніці, вимірювальній техніці , приладобудуванні, медицині, біології.

Особливістю даного приладу буде чутливій діапазон приладу, мікротесла та десятки мілітесла, що дозволить використовувати прилад в більш широкому діапазоні задач.

Прилади для виміру магнітних величин користуються великим попитом та популярністю, в наш час необхідність в контролі магнітного поля в радіотехніці та електротехніки займає важливе місце.

1. Огляд відомих пристроїв вимірювання магнітної напруженості поля (тесламетрів)

Перед оглядом відомих пристроїв вимірювання напруженості поля розглянемо декілька термінів які нам будуть зустрічатись і потрібні для розуміння принципів роботи приладу.

Магнітна індукція - вектор , чисельно рівний межі відносини сили, що діє з боку магнітного поля на елемент провідника з електричним струмом , до добутку струму і довжини елемента провідника , якщо довжина цього елемента прагне до нуля , а елемент так розташований у полі , що ця межа має найбільше значення , і спрямований перпендикулярно до напрямку елемента провідника і до напрямку сили, що діє на цей елемент з боку магнітного поля , причому з його кінця обертання по найкоротшій відстані від напрямку сили до напрямку струму в елементі провідника має бути видно, що відбувається проти годинникової стрілки.

Магнітне поле - різновид електромагнітного поля, створювана рухомими електричними зарядами або струмами і що надає силовий вплив на рухомі електричні заряди або струми.

Тесламетр - (від тесла і ... метр), прилад для вимірювання індукції або напруженості магнітного поля в не феромагнітному середовищі.

Датчик Холла (перетворювач Холла) - пристрій для отримання залежного від магнітної індукції електричного сигналу, принцип роботи якого заснований на ефекті Холла.

Ефект Холла - виникнення поперечного електричного поля і різниці потенціалів в провіднику або напівпровіднику, по якому проходить електричний струм, при приміщенні його в магнітне поле, перпендикулярне напрямку струму.

Існує декілька видів реалізації вимірювальних приладів напруженості магнітного поля. Їх можна розділити на дві головні гілки:

прилади виміру змінного магнітного поля;

прилади виміру постійного магнітного поля.

Незважаючи на різноманітність існуючих способів реалізації магнітних вимірювань, в багатьох способах вимірювання магнітних величин фактично вимірюється не магнітна, а електрична величина, в яку магнітна величина перетворюється в процесі вимірювання. Цікавить нас магнітна величина визначається розрахунковим шляхом на підставі відомих залежностей між магнітними і електричними величинами. Теоретичною основою подібних методів є друге рівняння Максвелла, що зв'язує магнітне поле з полем електричним; ці поля є двома проявами особливого виду матерії, іменованого електромагнітним полем.

Принципи побудови приладів для вимірювання магнітних величин. В даний час відомо багато різноманітних приладів і способів для виміру магнітної індукції, магнітного потоку і напруженості магнітного поля. Як правило, прилад для вимірювання магнітних величин складається з двох частин - вимірювального перетворювача, призначенням якого є перетворення магнітної величини у величину іншого виду (електричну, механічну), більш зручну для подальших операцій, і вимірювального пристрою для вимірювання вихідної величини вимірювального перетворювача.

Вимірювальні перетворювачі, вхідний величиною яких є магнітна величина, називають магнітовимірювальні і відповідно до виду вихідної величини ділять на три основні групи: магнітоелектричні перетворювачі (вихідна величина електрична), магнітомеханічне (вихідна величина механічна) і магнітооптичні (вихідна величина оптична).

У кожній з цих груп багато різновидів перетворювачів, основою для створення яких служать ті чи інші фізичні явища. Як основні, найбільш широко використовуваних явищ можуть бути названі такі:

- явище електромагнітної індукції;

силова взаємодія вимірюваного магнітного поля з полем постійного магніту або контуру зі струмом;

гальваномагнітні явища;

явище зміни магнітних властивостей матеріалів у магнітному полі;

явища, що виникають при взаємодії мікрочастинок з магнітним полем.

Друга частина приладу для вимірювання магнітних величин може бути або звичайним приладом для вимірювання електричної величини, або приладом зі спеціальними характеристиками.

Отже судячи із вище сказаного можна стверджувати що загальні схеми вимірювальних приладів магнітного поля структурно є однаково і відрізняються в основному тільки датчиком який перетворює для нас магнітну величину в зручну для нас.

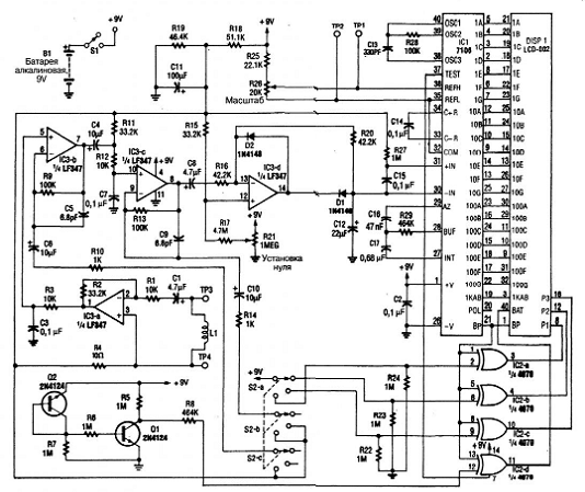
Рис. 1. Принципова схема вимірювача змінного магнітного поля

На Рис.1 приведений для прикладу готовий прилад виміру напруженості змінного магнітного поля. Принцип роботи даного приладу поданий нижче.

На вхід вимірювача магнітного поля підключена котушка з 12 витків , яка служить для виявлення магнітного поля. Для дистанційного зондування може використовуватися зовнішня котушка. Магнітне поле, що сприймається котушкою , проявляється у вигляді напруги , пропорційного напруженості поля і частоті. Воно надходить на вхід багато каскадного підсилювача IC3 - a , 1СЗ -Ь і 1СЗ -с . У першому каскаді підсилювача за допомогою резисторів R1 і R2 встановлено коефіцієнт посилення 3.3 . Загальний коефіцієнт перетворення складає 100 мкВ / мкТл або 100 мВ / мТл . Аналого-цифровий перетворювач ( АЦП) на мікросхемі IC1 має діапазон повної шкали 2 В. У зв'язку з цим мінімальний діапазон виміру складе 20 мТл на всю шкалу. ОУ 1СЗ - а підсилює сигнал до нормованого рівня 100 мкВ / мкТл . Далі сигнал посилюється в 1,100 , або 10 000 раз ОУ 1СЗ -Ь і 1СЗ -с . Три каскаду посилення забезпечують діапазони 2 мТл , 200 мкТл і 2 мкТл на всю шкалу. Елементи R3 і СЗ і R12 і С7 встановлюють частоту зрізу частотної характеристики в точці 20 кГц , яка компенсує пропорційну частоті чутливість котушки зв'язку . ОУ IC3 - d виконує функцію точного випрямляча і пікового детектора. Вихідний сигнал з нього надходить на АЦП і РКІ дисплей. Компоненти R25 - R29 і С13 - С17 використовуються 101, щоб встановити час перетворення, тактову частоту і опорна напруга. Десяткові точки управляються IC2 залежно від обраного перемикачем S2 діапазону. Транзистори Q1 і Q2 відчувають зниження напруги батареї і включають сигналізацію розряду батареї на РКІ при досягненні рівня 7 В.

Якщо проаналізувати даній опис принципу роботи, то відразу кидається до уваги те що дані залежать від частоти і вимір постійних величин стає неможливий із-за принципів перетворення магнітної величини в цьому приладі, але досить великим плюсом є низьке енергоспоживання і цифровий вивід результату що є досить зручним.

Для того щоб вимірювати постійні значення магнітної індукції попереднім способом потрібно обертати вимірювальну котушку, але це є незручним і не точним методом виміру.

Існують і інші перетворювачі які мають змогу вимірювати і постійні величини магнітної індукції поля. Наприклад такі основні види:

Тесламетри з перетворювачем Холла прості в експлуатації , дозволяють вимірювати магнітну індукцію або напруженість постійних , змінних (у широкому діапазоні частот ) і імпульсних магнітних полів. Перетворювачі Холла мають малі розміри , що дозволяє проводити вимірювання індукції в малих зазорах .

Тесламетри , засновані на явищі надпровідності , дозволяють виміряти параметри магнітного поля біострумів серця і мозку людини.

Тесламетри , засновані на зміні електричного опору матеріалів , відомі давно. У практиці магнітних вимірювань набула поширення так звана вісмутова спіраль - перетворювач з висмутовой дроту , який зазвичай включають в одне з плечей моста Вітстона . Зміна опору перетворювача при приміщенні його в магнітне поле досить точно вимірюють цим мостом.

Магніторезистивні тесламетри застосовуються в області сильних полів.

Тесламетр з перетворювачем Холла вимірюють параметри середніх і сильних магнітних полів. Перетворювачі в цих приладах мають малі габарити; прилади прості й зручні в експлуатації. Тесламетри з квантовими перетворювачами ( різних видів) , що володіють високою чутливістю і точністю , використовують для вимірювання параметрів слабких і середніх , постійних і змінних (до 20 кГц) магнітних полів. Ферромодуляціонние тесламетри мають високу чутливість і середньою точністю , мають малі габарити перетворювача , прості і надійні . Вони широко використовуються для вимірювання параметрів слабких і середніх , постійних і змінних (до 1 кГц) магнітних полів. Надпровідникові тесламетри мають унікальну чутливістю (теоретичний поріг чутливості 10 - 15 Тл ) , високою точністю , стабільністю , але вони складні і дороги. Їх використовують для вимірювання параметрів слабких постійних і змінних (до 1 кГц) магнітних полів.

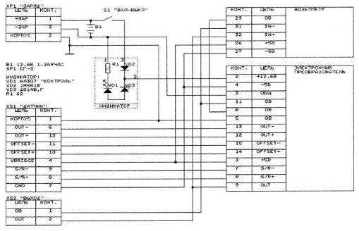
Рис. 2. Електрична принципова схема цифрового Тесламетр з датчиком Холла типу ПХЕ

На Рис. 2 приведена схема цифрового тесламетра який зроблений на основі датчику Холла. Коротка інформація про прилад:

Умови експлуатації:

         робоче значення атмосферного тиску від 650 мм рт. ст. до 800 мм рт. ст.

температура навколишнього середовища від +10 до +35 0C

відносна вологість повітря до 80 % при температурі навколишнього середовища +20 0C

навколишнє середовище не вибухонебезпечне , наявність струмопровідного пилу і агресивних речовин неприпустимо

Технічні дані:

діапазон вимірюваних значень величини індукції магнітного поля 0 ... +1999 мТл ( 3 1/ 2 цифри і індикатор полярності ) , для змінного магнітного поля вимірюється середній модуль індукції (середньо випрямлене значення )

роздільна здатність 1 мТл ;

похибка вимірювання не більше 3 % + 1 од. рахунки

частота вимірювальної змінного магнітного поля 10 ... 300 Гц при вищевказаної похибки вимірювання , 0 ... 1000 Гц при похибки вимірювання , що виходить за межі вищевказаної

номінальну напругу мережі живлення 220 + 0 В

число фаз живильної мережі - 1

номінальна частота живильної мережі 45 ... 65 Гц

споживана потужність не більше 15 В ∙ А

Принцип роботи Тесламетр заснований на вимірюванні ЕРС Холла , що виникає при наявності магнітного поля в зоні датчика при живленні останнього постійним струмом.

Прилад складається з наступних основних вузлів: джерело струму і вимірювальний підсилювач із стабілізаторами напруги , детектор , цифровий вольтметр з аналого-цифровим перетворювачем (АЦП ) і світлодіодним індикатором , щуп з датчиком Холла. Живлення приладу здійснюється від мережі змінного струму напругою 220 В частотою 50 Гц через захисний запобіжник FU1 і мережевий вимикач S1. Трансформатор T1 знижує мережеве напругу до необхідного рівня. З вторинної обмотки мережевого трансформатора T1 змінну напругу подається на плату джерела струму і вимірювального підсилювача , де за допомогою випрямляча , фільтрів і стабілізаторів виробляються необхідні для живлення електронних вузлів приладу постійні напруги.

Для живлення датчика Холла використовується стабілізатор струму величиною 100 мА. Щуп з датчиком Холла підключається через роз'єм XS1 " датчика Холла " . Вимірювальний підсилювач підсилює корисний сигнал датчика Холла до рівня 1 вольт / тесла . З виходу вимірювального підсилювача , залежно від різновиду вимірюваного магнітного поля ( постійне або змінне) сигнал через перемикач S2 подається на вхід вольтметра безпосередньо або через детектор. Крім того , цей сигнал виводиться на зовнішній роз'єм XS2 "ВИХІД 1 В / ТЛ" , щоб забезпечити можливість спільної роботи Тесламетр з іншими вимірювальними приладами чи обладнанням.

Детектор зібраний за схемою двухполупериодного випрямляча з фільтром нижніх частот. Вольтметр складається з аналого-цифрового перетворювача ( АЦП) зі світлодіодним семи сегментним індикатором [ 1 ] .

Тесламетр виконаний у вигляді переносного приладу . Датчик Холла монтується в щупі С- або М- типу з розбірною або нерозбірними рукояткою , до якої кріпиться кабель для підключення датчика до приладу . На рукоятці щупа є маркування у вигляді знака " +" або стріли , що дозволяє визначати напрямок магнітного поля.

Судячи з опису прилад задовольняє майже всі параметри але головна проблема приладу низька чутливість вимірів. Тобто відсутність діапазону вимірів в мікротесла.

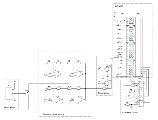
Рис.3. Електрична принципова схема індукційні

На Рис.3 приведена схема мікротесламетра. Головна відмінність від інших методів в використані чутливого елемента приладу використана мікросхема HMC1022 [1] ( GMR - датчик). До складу мікросхеми входять два магніторезистивних датчика, осі максимальної чутливості яких взаємоортогональних.

Залежно від типу щупа (С- або М- тип) використовується один з датчиків. За допомогою електронного перетворювача виробляються сигнали управління , що подаються на датчик , і обробляються вихідні сигнали датчика. Вихідна напруга перетворювача вимірюється за допомогою вбудованого цифрового вольтметра [ 2 ] , що складається з аналого-цифрового перетворювача семисегментним індикатором . Для живлення схем приладу використовується акумуляторна батарея із стабілізаторами напруги ( джерело живлення) .

Даний прилад задовольняє майже всі можливі вимоги які ставлять в наш час до вимірювальних приладів, але головним недоліком даного типу пристроїв є висока вартість магніторезестивних датчиків.

3. Обґрунтування принципів побудови тесламетра

Проаналізувавши всі вище описані існуючі аналоги можна зупинитись на групі приладів які працюють на ефекті Холла, так як вони являються найбільше розповсюдженими та найкраще піддаються модернізації та настройці.

Отже якщо брати за основу прилади на основі датчика Холла то в загальному у приладі мають бути такі блоки:

датчик Холла;

блок живлення приладу;

схема по давлення синфазних завад;

перетворювач, детектор у вигляді АЦП;

індикатор.

Датчик Холла буде виконувати перетворення магнітної величини в електричну, а саме в напругу. Підсилювач необхідний для підсилення на низьких діапазонах вихідного сигналу із датчика Холла, також перед підсиленням повинна бути схема усунення небажаних завад які будуть виникати в лінії передачі сигналу із датчика до підсилювача. Детектор або перетворювач ми представмо у вигляді АЦП для перетворення значення напруги в код необхідний для виводу результату на індикатор.

Блок живлення для нашого пристрою повинен забезпечувати неперервне та стабільне живлення усіх блоків схеми, а саме живлення підсилювачів, АЦП із Індикатором та самого Датчика Холла. При цьому стабільність і точність напруги досить важлива для точності виводу даних на АЦП та самому датчику.

4. Розробка Е1 та Е2 тесламетра

Із принципів побудови тесламетра ми отримаємо такі основні блоки схеми:

датчик Холла;

блок живлення приладу;

схема підсилення сигналу із датчика;

схема по давлення синфазних завад;

перетворювач, детектор у вигляді АЦП;

індикатор;

пристрій керування.

З яких і отримаємо нашу структурну схему приладу яка наведена на Рис. 4.

Рис.4. Схема принципова тесламетра

Далі потрібно розробити функціональну схему але щоб це зробити треба вирішити головні питання які і встановлять основні вимоги до схемо технічних рішень. А саме треба встановити основні технічні характеристики тесламетра.

Діапазон вимірів тесламетра буде від 1 мкТ до 100 мТ. Даного діапазону якраз вистачить для контролю магнітного поля землі, навколишнього середовища та слабо потужних магнітів. Даний прилад буде виготовлятись для лабораторій, або навчальних закладів як показовій прилад, або прилад тесту магнітної індукції магнітів. Отже виходячи із цього напруга живлення буде ~36 В (стандартна напруга в навчальних закладах). Клас точності необхідний нам тоді буде 5%. Умови роботи в приміщені отже температура в діапазоні кімнатної температури 25ºС.

На Рис.5. приведена спрощенна електрична функціональна схема створена відповідно до зазначених параметрів.

Рис. 5 Електрична функціональна схема тесламетра

5. Розробка пропозицій щодо технічного завдання на дипломний проект

Із попередніх пунктів я можу рекомендувати такі наступні пропозиції щодо технічного завдання:

Умови експлуатації:

робоче значення атмосферного тиску від 650 мм рт. ст. до 800 мм рт. ст.;

температура навколишнього середовища від +10 до +35ºC;

відносна вологість повітря до 80 % при температурі навколишнього середовища +20ºC;

навколишнє середовище не вибухонебезпечне , наявність струмопровідного пилу і агресивних речовин неприпустимо;

Технічні дані:

діапазон вимірюваних значень величини індукції магнітного поля ±1мкТ ... ±100 мТл, для змінного магнітного поля вимірюється середній модуль індукції (середньовипрямлене значення);

роздільна здатність 1 мкТл ;

похибка вимірювання не більше 5 % + 1 од. рахунка;

частота вимірюваної змінного магнітного поля 10 ... 300 Гц при вищевказаної похибки вимірювання , 0 ... 1000 Гц при похибки вимірювання , що виходить за межі вищевказаної;

номінальну напругу мережі живлення ~36В;

номінальна частота живильної мережі 45 ... 65 Гц;

споживана потужність не більше 15 В ∙ А;

прилад має природне повітряне охолодження , готовий до роботи відразу після включення , час безперервної роботи не обмежений.

6. Вибір елементної бази тесламетрів

Для забезпечення неохідних нам технічних характеристик треба віконати підбір елесентної бази тесламетра.

Датчик Холла який буде викорастанно у пристрої буде SS49E провідного виробника магніточутливих датчиків HONEY. Його характеристики: Чутливий діапазон: 1mV / G ~ 1.75mV / G.

Напруга живлення: 3 V ~ 6.5 V.

Струм вихідний: 10mA. Струм - вихідний (макс.): 1mA.

Робоча температура: -40 °C ~ 100 °C.

Так як чутливість датчика 1мВ на 100мкТ то значить що на 1мкТ буде припадати напруга 10мкВ, а отже нам потрібно буде підсилити вихідні дані та відфільтрувати від завад, схему фільтрації синфазних шумів та підсилення пропоную виконати на Операційних підсилювачах КР140УД8А, дані підсилювачі мають виводи корекції нуля. І є досить стабільними та малошумящими, що нам і потрібно. Приведемо їхні характеристики:

Кількість каналів 1

Напруга живлення, В ± 15

Частота, МГц 3

Напруга зсуву, мВ 30

Температурний діапазон, C -45 ... +70

АЦП буде представлено мікросхемою КР572ПВ5. Мікросхеми КР572ПВ2, КР572ПВ5 являють собою інтегруючі аналого-цифрові перетворювачі на 3,5 десяткових розряду з виведенням інформації на семисегментні індикатори,. Аналоги: ICL71G6, ICL7107 фірм INTERSIL та MAXIM (США).

Мікросхеми призначені для застосування у вимірювальних приладах напруги, струму, опору, температури, маси та інших з виведенням інформації на семисегментний рідкокристалічний (КР572ПВ5) або світлодіодний (КР572ПВ2) індикатори.

Параметри АЦП:

Розрядність 3.5 (десят.)

Тип корпусу 2123.40-2 (pdip40)

Діапазон робочих температур, С -10 ... +70

Напруга живлення, В 9

Струм споживання, мА 1.8

Опорна напруга, В 1

Вибір на даній АЦП було зроблено із-за її розповсюдженості та можливості зміни опорної напруги із 1 В на 0,1В що дозволяє більш точніше виміряти малі величини, і ще головною перевагою є робота із ЖК індикаторами що може економити енерговитрати приладу.

Висновки

За час проходження переддипломної практики мною було підібрано необхідний матеріал для випускної кваліфікаційної роботи, вивчено теоретичну базу, яка необхідна для успішного виконання завдання на проектування, проведено аналіз стану питання., оцінив задачі, які необхідно розв’язати у процесі проектування та можливі шляхи їх розв’язання.

Мною була обрана тема створення вимірювального приладу магнітної індуктивності «Тесламетра», провів порівняльний аналіз із аналогами, та оцінив перспективність даної роботи.

магніт тесламетр індукція силовий

Список літератури

1.      Справочник «Электронные схемы на операционных усилителях» В.И. Щербаков, Г.И. Грездов. Киев «Техника»1983г.

2.      «Электроные схемы 1300 примеров» Р. Граф Издательство «Мир»1989г.

.        Справочник «Микромагнитоэлектроника», Бараночников М. Л. 2002г.

4.      Бараночников М.Л. Микромагнитоэлектроника. Т.1. Принципы функционирования основных изделий микромагнитоэлектроники.

5.      Шило В.Л., Бараночников М.Л. Микросхемы Холла серии К1116КП. Параметры и применение.

6.      Техічний альбом тесламетра виробництва ПАТ «Електровимірювачь».

7.      «Электрорадиоизмерения» Кушнир

Похожие работы на - Тесламетр

 

Не нашли материал для своей работы?
Поможем написать уникальную работу
Без плагиата!
Без нейросетей!