Совершенствование системы переподготовки пилотов на самолет ИЛ-114-100 в авиакомпании 'Узбекские авиалинии'

  • Вид работы:
    Дипломная (ВКР)
  • Предмет:
    Транспорт, грузоперевозки
  • Язык:
    Русский
    ,
    Формат файла:
    MS Word
    670,28 Кб
  • Опубликовано:
    2015-02-18
Вы можете узнать стоимость помощи в написании студенческой работы.
Помощь в написании работы, которую точно примут!

Совершенствование системы переподготовки пилотов на самолет ИЛ-114-100 в авиакомпании 'Узбекские авиалинии'

Содержание

Введение

1. Принципы автоматизации и работы экипажей на современных ВС

1.1 Особенности деятельности человека в современной системе управления

1.2 Основные задачи автоматизации. Принципы автоматизации и работы экипажа на современных ВС

1.3 Особенности формирования навыков пилота

2. Анализ нормативной базы подготовки членов летных экипажей на ВС, оснащенные дисплейной (цифровой) индикацией

2.1 Подготовка молодых кадров НАК " Узбекистон Хаво Йуллари”

2.2 Требования к кандидатам при переучивании на новую технику в АК "Узбекские авиалинии"

2.3 Анализ структуры и содержания курса учебно-лётной подготовки на самолет ИЛ-114100 в АК "Узбекские Авиалинии”

3. Рекомендации по обучению членов летного экипажа эксплуатации высокоавтоматизированных ВС

3.1 Специальная программа подготовки пилотов на ВС оснащенные дисплейной индикацией

3.3 Рекомендации по формированию обучающих программ подготовки членов летного экипажа к эксплуатации высокоавтоматизированных воздушных судов

3.4 Совершенствование технологии обучения взаимодействию в экипаже "Multi crew cooperation"

Выводы и рекомендации

Список использованной литературы

Приложения

Введение


За последние два десятилетия произошло бурное и обширное развитие новых технологий, применяющихся при проектировании кабин ВС, основанных на возможностях жидкокристаллических дисплеев, микропроцессоров, компьютеров и цветной графики. Кабины, перегруженные приборными досками и различными панелями, начали превращаться в более простые и эргономичные рабочие места. Жидкокристаллические дисплеи позволили выдавать необходимую информацию в более доступном виде, заменяя собой несколько приборов.

Появилась возможность предоставления графической информации экипажу в виде карт пролетаемой местности и метеорологической обстановки, схем захода на посадку, функциональных схем самолета и даже в виде трехмерных изображений. Различные автоматические системы, работу в которых обеспечивает бортовой компьютер, взяли на себя часть функций бортинженера и штурмана, что позволило сократить состав экипажа до двух человек, сохраняя при этом уровень интенсивности деятельности полетов в допустимых пределах.

Одной из наиболее важных задач, стоящих перед гражданской авиацией, является достижение максимальной эффективности воздушного транспорта при обеспечении высокого уровня безопасности полетов. Повышение эффективности возможно за счет улучшения организации летной работы, повышения квалификации авиационного персонала, экономии ресурсов.

В настоящее время использовать самолет в качестве основного средства для обучения и переучивания пилотов невозможно из-за высокой стоимости полетов, большого расхода топлива и ресурса, а также из-за опасности. Поэтому центральной проблемой является обеспечение полной адекватности наземной подготовки тем результатам, которые имели бы место при подготовке в полете. Только это гарантирует обоснованный перенос в летную практику знаний, навыков и умений, сформированных с помощью тренажеров и других обучающих средств.

Комплексный тренажер позволяет отрабатывать действия экипажа практически во всех ОС. При этом материальные затраты на обучение значительно меньше, чем в реальном полете.

Из сказанного вытекает одна из задач методологии системного подхода к обучению, которая заключается в установлении рационального соотношения между отдельными элементами каскада обучающих средств. В конечном счете, доля дорогостоящих, опасных и сложных тренировочных полетов должна быть минимальной. В то же время должны быть строго соблюдены все требования к качеству подготовки на тренажере, в частности, соблюдение принципов систематичности и последовательности обучения, адекватность применяемых методов подготовки естественным процессам познания.

Именно на основе системного подхода к подготовке пилота, рассмотренного в данной работе, можно достичь конечной цели обучения летных экипажей с помощью всего арсенала летных и наземных средств - выработке устойчивого комплекса знаний, навыков и умений по пилотированию конкретного ВС на всех этапах полета и во всей совокупности факторов и условий полета на ВС с высокой степенью автоматизации.

Отмеченные положения свидетельствует о необходимости совершенствования организации, содержания и методов подготовки летного персонала к эксплуатации ВС, оснащенных дисплейной (цифровой) индикацией, что определяет актуальность темы исследования.

Целью выпускной квалификационной работы является совершенствование методов обучения экипажей для работы в высокоавтоматизированных кабинах.

Основные задачи выпускной квалификационной работы - изучение основных документов, требований и приказов к обучению экипажей на современные типы ВС, определение их эффективности и внедрение новых методов обучения.

автоматизация экипаж воздушное судно

1. Принципы автоматизации и работы экипажей на современных ВС


1.1 Особенности деятельности человека в современной системе управления


Деятельность человека-оператора сложной системы "человек-машина" характеризуется рядом специфических особенностей. Отметим главные из них.

. С усложнением систем управления и расширением сферы разрешаемых ими задач расширились и функции оператора в этих системах. В настоящее время человеку-оператору вменяется в обязанность выполнение ряда разнообразных и часто несходных между собой функций (наблюдение, управление, запись показателей работы системы в журналы, переговоры по телефону и т.д.). В такой деятельности особенно высоки требования к ее организации, планированию, распределению внимания, контролю.

. В сложной системе управления между человеком и управляемым объектом "вклиниваются" системы дистанционной передачи: по одной линии оператор получает информацию о состоянии объекта и системы управления, по другой с помощью органов управления воздействует на систему, на объект. В таких условиях человек может судить о состоянии управляемого объекта, основываясь главным образом на тех ограниченных данных, которые он получает по дистанционной передаче, к тому же в закодированной форме; возможности его воздействия на объект также ограничены выведенными к нему органами дистанционного управления,

. В современной сложной системе управления нагрузка на различные сенсорные каналы восприятия человека распределяется неравномерно. Если при непосредственном контакте с предметом труда человек может воспринимать и оценивать его по зрительному, слуховому, тактильному и другим каналам восприятия, то при дистанционном управлении он лишается возможности такого полного много модального восприятия. Здесь основная нагрузка ложится обычно на зрение, и этот канал зачастую оказывается перегруженным.

. Во многих сложных системах человеку приходится работать в условиях жестких ограничений по своевременности и точности действий, когда даже минимальное запаздывание с ответным действием или его недостаточная точность ведет к не достижению заданной цели. Для таких систем характерна высока! цена ошибки - здесь неправильные действия человека часто влекут за собой тяжелые последствия, большой ущерб. В подобных системах возможны резкие изменения условий труда - от расслабляющей монотонности до ситуаций, требующих экстренных решительных действий для спасения людей, техники. Поэтому деятельность оператора в сложной системе управления оказывается порой весьма ответственной, а следовательно, и эмоционально напряженной.

. Операторам некоторых сложных систем "человек-машина" приходится находиться и работать в совершенно необычных условиях жизнедеятельности. Наиболее ярким примером здесь может служить деятельность оператора космического корабля, который работает в ограниченном жизненном пространстве в состоянии невесомости или при больших перегрузках, сенсорной изоляции и многих других необычных факторах.

В инженерной психологии при анализе структуры системы "человек-машина" удобно рассматривать человека как компонент системы управления. При этом действия человека анализируются совместно с работой технических устройств системы. Такое рассмотрение следует расценивать как чисто условное - как искусственный метод, позволяющий соотносить столь разнородные составляющие данной системы, какими являются человек и машина. Здесь мы исходим из основной предпосылки данного курса о том, что человек является центральным компонентом этой системы, а машина - лишь орудием его деятельности. Именно с таких позиций и будет вестись дальнейшее сопоставление этих компонентов. В связи с рассмотрением человека как компонента системы может возникнуть целый ряд принципиально важных вопросов. Допустимо ли рассматривать на одном уровне две такие разные по своей природе, по действиям, по возможностям, по характеристикам составляющие системы "человек-машина"? Допустимо ли применять для оценки человека те же критерии, которые используются для оценки технических устройств?

Остановимся последовательно на отдельных возражениях, которые могут возникнуть по этому поводу.

а) Первое возражение заключается в следующем: при рассмотрении человека как компонента системы "человек-машина" мы как бы "вырываем" его из социальной среды и включаем в искусственные рамки отдельной технической системы.

Однако в системе рассматривается не абстрактный оператор, а человек, сформировавшийся под воздействием социальной среды, которая, естественно, будет отражаться на его поведении в системе и управляющей деятельности. Здесь оператор рассматривается как человек, использующий технические компоненты системы - машину и ее оборудование - в качестве орудий труда и выполняющий таким образом свои социальные функции. Эти особенности человека-оператора принимаются во внимание при анализе его действий как компонента системы.

б) Техническое устройство действует по вполне определенной, заранее заданной однозначной схеме, и его действие можно всегда описать алгоритмом. Управляющие же операции человека оказываются весьма неопределенными - одна и та же цель, в зависимости от условий деятельности, здесь может достигаться с помощью различных операций. Возникает сомнение, можно ли столь по-разному действующие компоненты ставить в один ряд и рассматривать совместно?

Ответ на это возражение мог бы быть следующим. Действие человека движимо целью, т.е. соответствующим представлением, сформировавшимся в его сознании и определяющим направленность и программу его поведения. Но направленностью действия обладают и технические устройства - автоматы, которые также действуют по определенной программе (правда, заданной им заранее человеком). В наше время уже существуют такие автоматы, которые способны не только ретранслировать поступающую к ним информацию, но и разносторонне оценивать ситуацию и выбирать из многих вариантов оптимальный способ действия, внося тем самым дополнительную информацию в систему. Если не вдаваться в принципиальное различие физической природы направленности человека и автомата (которое в данном рассмотрении не является решающим), то можно заключить, что указанное замечание также не может служить препятствием к совместному рассмотрению в единой схеме человека и машины.

в) Техническое устройство в системе управления реагирует только на определенный комплекс сигналов, и на его выходе существует некоторый конкретный набор ответных действий. Человек же воспринимает бесконечное множество сигналов и располагает бесконечным числом вариантов ответных действий.

Такая разнородность действий может препятствовать их совместному рассмотрению.

Однако при этом не принимается во внимание тот факт, что оператор в сложной системе управления получает дистанционно от индикаторных приборов весьма ограниченный набор сигналов и его возможности воздействия на управляемый объект также технически лимитированы. Если к тому же учесть, что оператор в своих управляющих действиях ограничен инструкциями и правилами, то легко заключить, что и это возражение может быть опровергнуто.

г) И последнее, наиболее существенное возражение против рассмотрения человека как компонента системы управления заключается в следующем. Каждое техническое устройство в данный момент имеет вполне определенную передаточную функцию, связывающую его входной и выходной сигналы. Если это устройство заменить любым другим исправным устройством той же марки, то передаточная функция этого компонента системы сохранится. Передаточная же функция у каждого человека своя. Она зависит от особенностей его высшей нервной деятельности, от его профессиональных, личностных качеств и существенно изменяется в зависимости от отношения человека к задаче, от степени его мотивации к ее разрешению, от его психического и физического состояния и других трудно учитываемых факторов. Такая большая изменчивость "передаточной функции" человека делает этот компонент столь неопределенным, столь отличным от остальных, технических компонентов, что может утратиться смысл их совместного рассмотрения.

Чтобы ответить на этот вопрос, следует обратиться к теории индивидуального стиля, развиваемой в советской психологии В.С. Мерлиным, Е.А. Климовым и их последователями. Сущность этой теории состоит в следующем: в большинстве видов деятельности (к которым человек пригоден) люди с разными свойствами нервной системы оказываются способными достигать достаточно высоких результатов за счет выработки своих индивидуальных стилей деятельности. У человека обычно имеются определенные природные качества, которые полезны для данной деятельности, и какие-то качества, которые препятствуют ее успешности.

В процессе тренировки могут быть выработаны способности компенсации отрицательных для данной деятельности природных качеств и более полного использования положительных природных качеств.

Так, например, высокая лабильность нервных процессов является положительным качеством оператора, но в то же время это качество порой порождает поспешность действий, а следовательно, и дополнительные ошибки, что уже; является его недостатком. Люди с малой лабильностью нервной системы имеют худшие скоростные качества, но зато реже допускают ошибки за счет поспешности.

В процессе тренировки в данной деятельности происходит формирование индивидуального стиля, что способствует уменьшению различий в результатах деятельности людей того или другого типа. Операторы с малой лабильностью вырабатывают соответствующие компенсаторные качества (повышенную чувствительность к сигналам, большую внимательность и др.), которые позволяют им действовать так же своевременно, как и операторам с высокой лабильностью. Люди же с высокой лабильностью, благодаря тренировкам, становятся более сдержанными, научаются быстро обнаруживать и исправлять свои ошибки и действовать не только своевременно, но также достаточно правильно и точно.

Благодаря такой направленности человека на активное использование своих преимуществ в данной деятельности и выработку компенсаторных механизмов для парирования свойственных ему недостатков, происходит нивелирование на высоком уровне результатов работы людей с различными особенностями нервной системы. Таким образом, выработка индивидуального стиля является процессом адаптации человека к машине, идущим навстречу тенденции приспособления машины к человеку. Следует отметить, что теория индивидуального стиля разработана главным образом применительно к таким видам действия, где существующие ограничения не препятствуют формированию индивидуального стиля. И хотя деятельность человека-оператора является довольно детерминированной, у людей, пригодных к данной профессии, обычно остаются достаточно широкие возможности для приспособления к этой деятельности в соответствии с их индивидуальными особенностями.

Итак, внутренние различия операторов, пригодных и подготовленных к данной деятельности, при положительной мотивации к ее выполнению будут сравнительно мало отражаться на их выходных показателях. Следовательно, и возражение, основывающееся на неопределенности "передаточной функции" человека и различии его выходных результатов, также является несостоятельным. Многочисленные эксперименты, проведенные с различными операторами в естественных и лабораторных условиях, свидетельствуют о значительной общности их выходных характеристик деятельности. Этому обстоятельству в немалой степени способствует также единство существующих методов обучения и тренировки операторов. Поэтому выходные характеристики компонента "человек" системы управления оказываются достаточно сходными и могут описываться и анализироваться теми же статистическими методами, которые используются для оценки технических устройств. Статистические показатели работы человека-оператора представляется возможным апроксимировать и выражать их функциональные связи в виде графиков и алгоритмов.

Итак, проведенный анализ показывает, что человека можно рассматривать как компонент системы управления. Однако при этом всегда следует помнить, что это компонент совсем иного рода, который отличается от ее технических компонентов не только по своей природе, но и по тем возможностям, по тем задачам, которые он оказывается способным разрешать.

Теперь рассмотрим пример функционирования оператора в системе "человек-машина". Подобные системы могут быть незамкнутыми и замкнутыми. В незамкнутой системе человек только запускает машину, и этим его функция завершается (например, артиллерист произвел расчеты, прицелился, выстрелил - и таким образом завершил свою деятельность). В замкнутых же системах "человек-машина", которые изучаются в инженерной психологии, деятельность человека организуется на основе информации, поступающей по линии обратной связи; здесь человек обычно выступает и как приемник информации, и как ее преобразователь, и как регулятор системы. Разберем управляющую деятельность человека-оператора в замкнутой системе.

Рис. 1. Схема обмена информацией в системе "человек - машина”

О состоянии управляемого объекта и показателях выходного продукта оператор судит по индикаторным приборам.

Пока показания приборов находятся в норме и свидетельствуют о том, что управляемый объект функционирует в соответствии с заданной программой, оператор осуществляет только контроль за работой системы. Отклонение показаний одного или нескольких индикаторных приборов от нормы является сигналом о появлении в работе системы отклонения от заданной программы и необходимости вмешательства оператора в управление. Чтобы устранить возникшее нарушение оптимальным способом, оператор должен соотнести показания о нарушении с показаниями остальных индикаторов и, исходя из их связи, сделать вывод о состоянии управляемого объекта и динамике его изменения, затем актуализировать в памяти возможные способы устранения подобных нарушений и выбрать из них вариант, наиболее подходящий для сложившейся ситуации. Этот вариант оператор реализует! соответствующим перемещением органов управления и по индикаторным приборам! Контролирует процесс устранения нарушения и приведения системы к заданному программой состоянию. Если введенное управляющее воздействие не дает желаемых результатов, то оператор анализирует отклонение фактического процесса от ожидаемого и изыскивает другие пути согласования управляемого процесса с заданной программой и так далее, вплоть до приведения параметров системы к установленной норме.

При описании рассматриваемой блок-схемы мы расчленили управляющую деятельность человека-оператора на процессы контроля, восприятия нарушения, поиска способа его устранения, моторных действий по реализации избранного способа действий и контроля за их результатами. Если оператор будет выполнять все эти действия поочередно, развернуто во времени, то его реакция на возникшее нарушение, очевидно, будет отсроченной. Подобным образом оператор действует в тех случаях, когда возникает совершенно необычное, незнакомое ему нарушение, для устранения которого у него не выработаны навыки управления. Для большинства же нарушений, возникающих в системе управления, у оператора выработаны соответствующие автоматизмы их обнаружения и устранения. Поэтому перечисленные действия оператора чаще всего оказываются свернутыми во времени и сжатыми в едином управляющем акте, что проявляется в его немедленном реагировании на обнаруживаемые нарушения.

Вывод: Рассмотренный пример иллюстрирует такую деятельность оператора, которую можно определить как деятельность по устранению нарушений, возникающих в управляемом объекте, в системе. Подобная деятельность присуща многим операторским профессиям: операторам по управлению технологическими процессами, операторам водительского профиля (летчикам, шоферам) и др. Однако данный пример можно трактовать и шире - не просто как деятельность по устранению отдельных рассогласований, но и как деятельность по выдерживанию заданной программы работы системы. В таком случае принцип действия изложенной схемы будет охватывать еще более широкий круг операторских профессий - он может быть применен также к операторам, осуществляющим руководство движением, операторам по обнаружению сигналов и пр. Все они управляют системой, перестраивают ее и фактически устраняют отклонения ее режима работы от заданной программы.

1.2 Основные задачи автоматизации. Принципы автоматизации и работы экипажа на современных ВС


Резкое увеличение скорости реактивных самолетов, скачкообразный рост интенсивности воздушного движения, сложность окружающей систему "экипаж - ВС” среды, огромные затраты перевозчиков при авиационных происшествиях и осознание ограниченных возможностей человека побудили проектировщиков ВС и авиакомпании к внедрению автоматизации ВС. Можно сформулировать семь основных задач автоматизации ВС:

повышение безопасности полетов;

увеличение экономичности полетов, их надежности и качества обслуживания пассажиров (например, регулярности полетов);

уменьшение рабочей нагрузки на членов экипажа и создание предпосылок для уменьшения числа членов экипажа ВС при повышении производительности их труда;

снижение требований к уровню квалификации летного персонала;

повышение точности при выполнении маневров при осуществлении навигации и пилотирования;

обеспечение гибкости и избирательности в представлении экипажу необходимой информации;

уменьшение объема пространства кабины экипажа.

Таблица 1

Основные приборы в кабинах отечественных и зарубежных ВС

№ п/п

Фирма


"Туполев”

"Airbus”

"Boeing”

1

Командно-пилотажный индикатор (КПИ)

Primary flight display (PFD)

Attitude director indicator (ADI)

2

Комплексный индикатор навигационной обстановки (КИНО)

Navigation display (ND)

Horizontal situation indicator display (HSID)

3

Мульти-функциональные индикаторы (МИ)

Electronic centralized aircraft monitoring (ECAM)

Engine indications and crew aleting system (EICAS)

4

Система самолетовождения (ССВ)

Multi control display unit (MCDU)

Control display unit (CDU)

5

Панель автопилота (ПА)

Flight control unit (FCU)

Mode control unit (MCU)

6

Резервные приборы (РП)

Standby instruments (SI)

Standby instruments (SI)


Автоматизация кабины экипажа приводит к повышению экономичности полетов ВС. Например, уменьшение потребления топлива на 1%, достигнутое благодаря выполнению в полете более точных маневров, обеспечению гибкости в отображении информации и оптимальному использованию пространства кабины экипажа, означает для авиакомпаний - членов Международной ассоциации эксплуатантов воздушного транспорта (ИАТА) ежегодную экономию около 100 млн. дол. США.

Рис. 2. Управление ВС с помощью электрических приводов

В настоящее время можно сформулировать 9 принципов автоматизации:

. Эксплуатация системы должна быть простой и понятной для облегчения обнаружения неисправностей и их диагностики.

. Летная эксплуатация ВС и работа экипажа в кабине должны обеспечить более высокий уровень безопасности, более комфортные условия для пассажиров и экономическую эффективность, причем именно в указанном порядке приоритетности.

. Поскольку при работе со сложными системами и бортовой ЭВМ бывает очень трудно определить, когда требования к экипажу (пилоту) при выполнении задач летной эксплуатации становятся чрезмерными, пилот должен иметь соответствующую подготовку и мотивацию, чтобы уметь использовать автоматику в качестве дополнительного средства управления полетов.

. Поскольку у пилотов различные требования и пожелания к степени автоматизации ВС, следует по возможности учитывать разные стили работы экипажа (т.е. обеспечить выбор степени использования автоматизации полета и систем). Следует принять специальные меры к тому, чтобы вся система была невосприимчива к разным вариантам (стилям) работы экипажей ВС. Автоматизацию следует рассматривать как дополнительное средство управления в полете, доступное для пилота, который может решить, когда делегировать те или иные задачи FMS и какой уровень помощи является желательным в соответствии с конкретной ситуацией в полете.

. Для работы с автоматизированными системами должна осуществляться профессиональная подготовка не только для обеспечения их правильной эксплуатации, а также настройки и ввода данных, но и для усвоения знаний о правильной работе оборудования (для обнаружения отклонений от нормы) и о порядке действий при тех или иных неисправностях, для своевременной их диагностики и устранения.

. Если применение автоматизации сокращает требования к объему выполняемых задач, доводя их до недопустимо низкого уровня, то в целях сохранения вовлеченности пилота в процесс управления ВС и предотвращения отвлечения его внимания от этого процесса на него следует возложить обязанности по выполнению целенаправленной работы. Многие рекомендуют ставить при этом дополнительные задачи, однако очень важно, чтобы любые дополнительные функции являлись целенаправленными (а не предусматривали "работу ради работы”) и были подчинены выполнению основной задачи полета.

. Следует разрабатывать методы и средства обучения (включая тренажеры с частичным и полным выполнением задач: СВТ, FTD, и т.п.), чтобы обеспечивать ознакомление членов летных экипажей со всеми видами тревожной сигнализации и возможными ее состояниями и обучить их соответствующим действиям.

. Эксплуатация нового ВС должна упрощать задачи экипажа, увеличивая ситуационную осведомленность (полное понимание ситуации в полете и понимание текущего состояния функциональных задач самолета).

. При проектировании ВС необходимо учитывать, что кабина должна соответствовать широкому диапазону уровней летной квалификации и опыту, приобретенному на предыдущих ВС.

Рис. 3. Основной вид кабины самолета Airbus A-320

Летная работа сложна и предъявляет большие требования к членам экипажа, в частности при обработке информации на речемыслительном и наглядно-образном уровнях. Как известно, у человека существует пять основных органов чувств. Очевидно, что доминирующим каналом восприятия является визуальный канал, который принимает 80.85 % от всего объема поступающей информации. Это определяет необходимость развития технических средств, выдающих визуальную информацию, и его направления. Цель этого развития - облегчить ситуационный мониторинг в кабине экипажа во время выполнения полета.

Образ полета у пилота формируется в результате обработки информации о пространственном положении самолета относительно его трех осей, навигационных данных, параметрах функциональных систем и коммуникации в целом (с ОВД, в экипаже, с другими ВС, с бортпроводниками). Процесс формирования образа пространственного положения - наиболее сложный элемент деятельности пилота. К его познавательным компонентам следует отнести умственные действия, связанные с преобразованием пилотажной и навигационной информации в представление о положении самолета относительно трех осей координат, земной поверхности, контрольных пунктов маршрута полета и т.п. К исполнительным действиям относятся операции, связанные с получением информации от конкретных приборов и с выполнением управляющих движений, адекватных сложившейся полетной ситуации.

Рис. 4. Командно-пилотажный прибор (КПИ, PFD, ADI):

- Скорость; 2 - 3 - Статус вкл/выкл АП и его текущий режим; 4 - Указатель положения руд; 5 - Заданная высота; 6 - Установленная высота на панели АП; 7 - Указатель вертикальной скорости набора/снижения; 8 - Установленное давление; 9 - Курс; 10 - Текущая высота; 11 - Планки ДУ; 12 - Текущая приборная скорость; 13 - Указатель уборки закрылков и шасси

Экспериментальные исследования показали, что эффективным средством формирования познавательных компонентов действий пилота по ведению ориентировки на местности является применение простых технических средств обучения (планшеты, рисунки, фотографии приборной доски с показаниями приборов), а также обучение решению мыслительных задач по определению положения самолета относительно трех осей координат, земной поверхности в зависимости от показаний пилотажно-навигационных приборов. Возможности цифровых технологий существенно упростили достижение этих целей

В настоящее время кабины воздушных судов имеют, как правило, два основных мульти-функциональных дисплея, расположенных непосредственно на панелях перед каждым пилотом (КПИ, PFD, ADI и КИНО, ND, HSID), панель блока управления полетом, смонтированную на козырьке центральной панели (ПА, FCU, MCU) и два пульта (ССВ, MCDU, CDU) для управления системой FMS.

Предназначение первого мульти-функционального дисплея, называемого командно-пилотажным прибором (КПИ, PFD, ADI), показанного на рис.3, - предоставление всей информации относительно пилотажных параметров самолета: пространственного положения самолета, скорости, высоты, вертикальной скорости и их прогнозируемых значений через несколько секунд полета, числа М, углов скольжения, курса, а также данных о различных режимах полета и используемого оборудования. Кроме того, на КПИ (PFD, ADI) может осуществляться индикация:

заданных значений перечисленных параметров и их ограничений в зависимости от условий полета, конфигурации воздушного судна и режима полета;

положения ВС на курсе-глиссаде на этапе захода на посадку и относительно линии заданного пути на маршруте или схемах вылета/прибытия;

командных стрелок для пилотирования по сигналам от бортового компьютера.

Основной задачей второго дисплея, называемого комплексным индикатором навигационной обстановки (КИНО, ND, HIS), является предоставление пилотам всей навигационной информации, которая может потребоваться в полете.

Командно-пилотажный прибор "КИНО" (рис.4) имеет возможность выдавать информацию в нескольких режимах, отличающихся друг от друга числом навигационных параметров, отображаемых на дисплее. Эта опция позволяет избежать перегруженности экрана и выдавать пилоту ту информацию, которая необходима в данный момент.

На экране можно увидеть местоположение ВС относительно маршрута полета и вектор прогнозируемого положения ВС через несколько секунд; на нем отображаются названия опорных точек маршрута с расчетным временем пролета этих точек. Кроме того, индицируются показания дальномера, текущий и заданный курсы, значения пеленгов различных радиосредств, а также моментальные значения вектора скорости ветра, его направления и угла сноса, вычисляемые навигационным комплексом.

Рис. 5. Комплексный индикатор навигационной обстановки (КИНО, ND, HIS):

- Путевая и истинная скорости; 2 - Курс; 3 - Следующий ППМ; 4 - Удаление от ППМ; 5 - Текущее время и время в полете; 6 - Текущее положение ВС; 7 - Масштаб карты; 8 - Индикация работоспособности TCAS; 9 - Скорость и направление ветра

Предусмотрена возможность изменения ориентации карты как по меридиану, так и по продольной оси самолета по усмотрению пилота. В дополнение к информации, касающейся выполнения полета, выдаваемой системой FMS, на КИНО может быть представлено изображение метеорологической обстановки, построенное по данным бортового радиолокатора, в разноцветном виде для обозначения зон метеоявлений с различной степенью интенсивности (опасности). Помимо этой информации на КИНО выводится также информация от систем:(traffic alert and collision avoidance system), отображающей воздушную обстановку относительно других ВС, находящихся в непосредственной близости;

близости земли GPWS (ground proximity warning system), осуществляющей индикацию опасных зон, угрожающих столкновением с землей (препятствиями);

предупреждения о сдвиге ветра.

Очевидно, что подобный способ отображения данных очень удобен и практичен. Если ранее пилоту для получения картины происходящего приходилось снимать показания с нескольких индикаторов, расположенных на разных приборных досках, осмысливать, сопоставлять и преобразовывать их показания, то сегодня для этого достаточно одного взгляда на дисплей. Вся эта информация выдается в режиме реального времени в понятном виде, что позволяет пилотам получить полную картину происходящего на любом этапе полета и за минимальное время.

Следует отметить, что к обязанностям пилотов современных ВС добавилась необходимость мониторинга всех функциональных систем: от показаний силовых установок до электрических цепей или систем кондиционирования салонов. Этот поток объемной информации раньше был в компетенции отдельного члена экипажа - бортинженера. Сегодня функциональные системы достаточно автоматизированы, они управляются, как правило, бортовыми компьютерами и в течение всего полета не требуют вмешательства. Более того, в случае особой ситуации система автоматически локализует отказ в кратчайшие сроки с выдачей пилоту информации о возникшей проблеме и выполненных операциях. В целях отображения параметров некоторых из систем в кабине экипажа устанавливаются еще два мультифункциональных индикатора (МИ, f ЕСАМ, EICAS) (рис.5). Эти универсальные дисплеи выполняют функции нескольких десятков приборов, использовавшихся для отображения такой информации ранее. Как правило, они располагаются один над другим в середине центральной приборной доски и удобны для обозрения обоими пилотами.

Данные дисплеи служат для мониторинга многих систем. Рассмотрим их работу на примере системы EICAS, установленной на самолетах фирмы "Боинг".

В штатном режиме на основном дисплее EICAS (рис.6) отображаются параметры работы двигателя: скорость вращения компрессоров низкого давления, температура выхлопных газов, температура на входе в двигатель, режим работы двигателя, выбранный системой FMS, и статус различных устройств силовой установки, а также критические значения некоторых параметров. Этот дисплей включен в течение всего полета.

Рис. 6. Основной дисплей EICAS

На вторичном дисплее EICAS отображаются: скорость вращения компрессоров высокого давления, текущий расход топлива каждого двигателя, давление масла, температура масла, количество масла, уровень вибрации двигателей. Эта информация позволяет оперативно следить за наличием запаса по тому или иному параметру.

Вторичный дисплей имеет возможность отображать информацию в сокращенном виде. В крейсерском полете, если нет особых ситуаций, дисплей выключен. Но если какой-либо из параметров выходит за установленные пределы, экран активируется и высвечивает его; как правило, это сопровождается звуковой сигнализацией. Кроме того, на рассмотренных дисплеях отображается информация о проблеме, выполненных операциях и алгоритм необходимых действий для пилотов, что помогает сориентироваться в происходящем за минимальное время.

Вывод: благодаря такому детальному объему информации, осуществляются постоянный автоматический мониторинг и надежный контроль за системами ВС, требующие минимального вмешательства. Все это позволяет исключить из состава экипажа бортинженера и возложить соответствующие функции на пилотов, не превышая допустимые значения интенсивности их деятельности.

1.3 Особенности формирования навыков пилота


В процессе летной работы формируются сложные навыки и умения, которые обеспечивают соответствующие взаимодействие пилота с летательным аппаратом при воздействии различных, в том числе и неблагоприятных, факторов внешней среды.

Проблема формирования, закрепления и поддержания навыков является одной из важнейших проблем летной практики. Она чрезвычайно многогранна и имеет различные аспекты: летно-методический, медицинский, психофизиологический, инженерно-психологический и др. Разработка этой проблемы имеет существенное значение для решения многих задач, связанных с практикой первоначального летного обучения, переучивания и подготовкой летных кадров.

Значение навыков в жизни человека исключительно велико. Основоположник отечественной педагогики К.Д. Ушинский писал, что если бы человек не имел способности к навыку, то он не мог бы продвинуться в своем развитии, беспрестанно задерживаемый бесчисленными трудностями, которые можно преодолевать только навыком, освободив ум и волю для новых побед.

Навыки имеют значение для человека как одна из главных сторон его готовности к трудовой деятельности. Они служат основой для приобретения новых умений. Деятельность человека может быть успешной, если она базируется на разнообразных, прочно сформированных и хорошо закрепленных навыках. Чем больше запас навыков, тем разностороннее и эффективнее осуществляется летная деятельность. Непрерывное развитие авиационной техники и способов ее применения обусловливают систематическое совершенствование задач и программ, которые базируются на психофизиологических закономерностях формирования и сохранения профессиональных навыков. Переучивание летного состава, освоение новых видов и способов применения самолетов предусматривают совершенствование или создание новых навыков и умений. Это представляет особую значимость в связи с повышением требований к точностным характеристикам деятельности летного состава и последствиями ошибок или невыполнения полетных заданий. Из-за недостаточности навыков в процессе переучивания пилоты допускают большее количество ошибочных действий, чем на освоенных самолетах.

В литературе широко используется термин "навык", но употребляется это понятие с самыми различными оттенками. Общепринятого определения нет. Б.М. Теплов считает, что навыки - это автоматизированные компоненты сознательной деятельности, вырабатывающиеся в процессе ее выполнения. Е.В. Гурьянов отмечает, что навыки - это упрочившиеся благодаря упражнению способы выполнения действий. По мнению К.К. Платонова, трудовой навык - это действие, формирующееся в процессе упражнений. В энциклопедии дается следующее определение: "Навык-доведенное до автоматизма умение решать тот или иной вид задачи". Наиболее приемлемое определение летного навыка, на мой взгляд, дают П.В. Картамышев и А.К. Тарасов. Они определяют летный навык как хорошо заученное действие, доведенное до автоматизма и представляющее собой составную часть сознательной деятельности пилота.

По мнению Н.А. Берштейна, двигательный навык представляет собой динамическую многоуровневую структуру. Его формирование осуществляется на основе активной психомоторной деятельности с помощью сенсорных коррекций. Несмотря на различия определений навыка, можно отметить ряд общих положений:

в формировании навыка непосредственно участвует сознание;

не следует отождествлять навык и деятельность; навык представляет собой функциональное образование в отличие от таких структурных элементов деятельности, как действие, операция; летная деятельность осуществляется благодаря многим навыкам разной структуры и значимости;

навыки формируются в процессе тренировок, выполнения соответствующих упражнений и продолжают совершенствоваться после них;

как бы не был автоматизирован летный навык, он полностью не освобождается от контроля сознания.

Если исходить из тогo, что летная деятельность является операторской и относится к сенсомоторному типу, то в наиболее общем виде она может быть представлена рядом компонентов, тесно взаимодействующих друг с другом. К ним можно отнести: сенсорный, интеллектуальный (умственный), двигательный и вегетативный. Качественное и количественное взаимодействие этих компонентов составляет существо процесса формирования, закрепления и автоматизации навыка. Всякому навыку, особенно двигательному, соответствует определенная организация вегетативных, психомоторных и других функций, которые обеспечивают необходимую двигательную активность в процессе деятельности.

Изменение психофизиологических функций во время работы в различных условиях во многом зависит от стадии формирования и закрепления профессиональных навыков. Чем слабее сформированы навыки, тем раньше и в большей степени они нарушаются, особенно в неблагоприятных условиях деятельности. Вследствие этого ухудшается функциональное состояние, снижается качество работы, быстрее развивается утомление. Указанное обстоятельство может оказывать существенное влияние на безопасность полетов, что в свою очередь требует комплексной оценки летных навыков, изучения их физиологических механизмов.

Формирование летных навыков и умений - это длительный, напряженный, ответственный этап летного обучения, его конечная цель, которая достигается организацией системы упражнений, выполняемых под руководством инструктора.

Основа формирования летных навыков - вырабатываемый у обучаемого динамический стереотип, который представляет собой относительно устойчивую систему нервных связей, сложившихся под влиянием определенных раздражителей, действующих многократно в определенном порядке и в определенных условиях.

Упражнение - это целенаправленное, многократное повторение определенных действий с целью выработки и совершенствования навыков и умений. Правильно построенное упражнение позволяет сформировать навыки и умения быстрее и качественнее.

По мере образования навыка с целью его быстрейшей автоматизации упражнение следует усложнить путем объединения нескольких простых действий в одно сложное или вводить усложнение, определяющее условия полета (ветер, болтанка, имитация особых ситуаций). Процесс формирования можно выразить в виде так называемой кривой упражнений, на которой по оси абсцисс отложено число полетов, а по оси ординат - число успешных выполнений при каждом данном упражнении. Кривая упражнений показывает изменение продуктивности навыка, вскрывает сущность этапов его формирования, вызванных процессом автоматизации действий обучаемого. Четкой границы между этапами образования навыка не существует, отмечается постепенный их переход. Процесс формирования летных навыков не зависит от тренировки. К внешним признакам, указывающим на успешный ход процесса формирования летных навыков, позволяющем оценить их продуктивность, относится ряд таких проявлений, как объединение частных действий в одно целостное; устранение отдельных движений и излишнего напряжения; ослабление роли зрительного контроля за техникой выполнения действий; возможность выполнения действий различными способами или приемами.

Изложенные суждения позволяют сформулировать основные положения, определяющие закономерности формирования летных навыков и умений:

основа для формирования летных навыков и умений - полнота, глубина и прочность специальных знаний, полученных в процессе теоретической подготовки;

летные навыки и умения не являются врожденными, они приобретаются и вырабатываются в процессе летной и тренажерной подготовки.

летные навыки и умения развиваются и совершенствуются в процессе производственной деятельности и самостоятельной работе.

Характерной особенностью является то, что при отсутствии благоприятных условий летные навыки теряют свою продуктивность вплоть до деавтоматизации.

Деавтоматизация навыка - это такое явление, когда под влиянием ряда причин навык возвращается на ранее приобретенные этапы своего развития. Факторами вызывающими деавтоматизацию могут быть; перерыв в выполнении соответствующих действий, эмоциональное возбуждение, утомление, заболевание. Это еще раз показывает, что существует необходимость в постоянной подготовке летного состава, особенно к действиям в особых случаях, так как навыки выработанные при выполнении упражнений по действиям в особых случаях не могут закрепляться в производственной деятельности.

Определение степени подготовленности обучаемого летного состава к производственной деятельности - это этап, которым завершается обучение учащихся в летных учебных заведениях. Учебный процесс нельзя считать завершенным до тех пор, пока обучаемые и обучающие не убедились в усвоении знаний навыков и умений, а так же в их соответствии требованиям предстоящей производственной деятельности. Итоговая проверка имеет целью не только выявить уровень знаний, навыков и умений обучаемых но и также собрать материал для анализа содержания, методики и организации учебного процесса по учебному заведению в целом, что позволяет сделать выводы по дальнейшему совершенствованию подготовки выпускаемых специалистов.

Для успешной выработки летных навыков необходимо иметь специальные знания. В основе использования технических средств обучения в качестве источника знаний лежат вполне определенные психические процессы. Обучающий вводит такие раздражители, которые сильно воздействуют на органы обучающегося, основательно перестраивая все его психические функции. Участвующие в процессе восприятия зрительные и слуховые анализаторы способствуют получению более полных и точных представлений об изучаемых вопросах. Зрительные анализаторы обладают гораздо более высокой пропускной способностью, чем слуховые. Но основную информацию обучаемый получает с помощью сигналов, воспринимаемых слуховыми анализаторами. Отсюда следует что зрительный анализатор обладает значительными потенциальными резервами для увеличения ввода с его помощью обучающей информации.

Для успешного обучения важно, чтобы в процессе восприятия участвовало как можно больше видов восприятия, на первом месте по значимости и эффективности в условиях применения технических средств обучения находятся комбинированные зрительно слуховые восприятия, затем следуют зрительные и наконец слуховые. Таким образом, одновременное воздействие сложного комплекса раздражителей на разные анализаторы (или как бы синтетическое воздействие) обладает особой силой, особой эмоциональностью. (рис 7) Поэтому организм обучаемого, воспринимающего информацию с помощью технических средств обучения, находится под воздействием мощного потока качественно не обычной информации, создающей эмоциональную основу, на базе которой от чувственного образа легче переходить к логическому мышлению, к абстрагированию.

В настоящее время в практике теоретической, наземной и тренажерной подготовки находят применение различные технические средства обучения. По характеру решаемых задач к ТСО относятся средства предъявления информации и формирования практических навыков и умений.

Рис. 7. Доля информации, сохраняемой в памяти человека при ее восприятии по различным каналам в процессе обучения

Научно-технический прогресс и информационная революция влияют на профессиональную подготовку двояким образом. С одной стороны, усложняется традиционная профессиональная подготовка вследствие неуклонного усложнения осваиваемых комплексов при практически неизменных в среднем интеллектуальных и психофизиологических возможностях человека. С другой стороны, создаются новые уровни автоматизации и информатизации, позволяющие разрешить этот кризис.

Процесс подготовки членов экипажей ВС, с точки зрения формирования знаний, навыков, умений, включает следующие разделы (рис.8):

Рис. 8. Составляющие процесса подготовки членов экипажей ВС к полетам

Система профессиональной подготовки представляет собой множество взаимосвязанных структурных и функциональных компонентов, образующих устойчивое единство и целостность, подчиненных задачам обучения. Все системы подготовки объединяет общая цель: передача знаний, опыта, воспитание определенных свойств личности специалистов, их поведения и отношений.

Вывод: В летной деятельности навыки и умения имеют важнейшее значение, развитие авиационной техники приводит к необходимости формирования новых навыков и умений, Учитывая психофизиологические свойства человека и все возрастающую информационную загрузку пилота необходимо повышать эффективность профессиональной подготовки пилота. Существуют различные виды обучающих программ позволяющих осуществлять профессиональную подготовку.

2. Анализ нормативной базы подготовки членов летных экипажей на ВС, оснащенные дисплейной (цифровой) индикацией


2.1 Подготовка молодых кадров НАК " Узбекистон Хаво Йуллари”


Национальная авиакомпания "Узбекистон хаво йуллари" была учреждена Указом Президента Ислама Каримова 28 января 1992 года. За годы независимости НАК на международном рынке перевозок сумела не только выстоять в условиях жесткой конкурентной борьбы, но и завоевать доверие клиентов и расширить сферу своей деятельности.

География маршрутов все более расширяется. В 2010 году начались регулярные рейсы из Ташкента в Мадрид, Женеву и обратно. Открыта авиалиния Ташкент-Калининград-Ташкент. Проработаны новые маршруты выполнения чартерных рейсов по маршрутам Ташкент-Шарм Эль-Шейх-Ташкент, Ташкент-Новосибирск-Пула (Хорватия) - Ташкент. В целях расширения агентской сети продаж авиаперевозок дополнительно заключены интерлайн-соглашения с авиакомпаниями "SriLankan Airlines LTD", "Kenya Airways", "Estonian Air", "Indian Airlines". Продлены сроки действия соглашений "Код-шер" между НАК "Узбекистон хаво йуллари" и авиакомпаниями "Air Baltic", "Korean Air", "Czech Airlines".

Коммерческая активность НАК проявилась также и в увеличении рейсов в Нью-Йорк, Алматы, Киев, Сеул, Бангкок. В нынешнем году НАК планирует еще более расширить географию маршрутов. Были открыты новые направления, по которым начали действовать прямые рейсы в Хабаровск (Россия), Мумбай (Индия), Исламабад (Пакистан). С совершенствованием системы продажи авиаперевозок значительно расширена агентская сеть, подобраны новые партнеры, с которыми заключены агентские соглашения (в Индонезии, Кыргызстане, в России: Уфа, Красноярск, Минеральные Воды). Идет активная подготовка по вхождению в международную систему продажи BSP, а также увеличению продажи электронных авиабилетов. Продолжаются подготовительные работы по вступлению в альянс "Sky Team". Отрабатываются расписания движения воздушных судов в летнее время в связи с поступлением лайнеров "А-320-200" международного консорциума "Airbus Industries".

Естественно, чтобы осуществлять подобную деятельность, надо располагать хорошо оснащенным авиапарком. Глава нашего государства уделяет большое внимание дальнейшему развитию гражданской авиации. За годы независимости НАК благодаря всесторонней поддержке Президента страны Ислама Каримова провела последовательные реформы в отрасли. Прежде всего, курс взят на современную авиатехнику с высокой топливной эффективностью и безупречной комфортабельностью. Взамен устаревшей авиатехники авиакомпания приобретает современные лайнеры.

Сегодня авиапарк НАК состоит из самолетов западного производства Боинг-757/767, А320, современных лайнеров отечественного производства Ил-114-100, а также грузовых воздушных судов А300-600. В 2010 году началась эксплуатация нового для нас лайнера - "A-320". В 2011 году общее количество этих самолетов достигло десяти единиц. Кроме того, в соответствии с контрактом, заключенным с ГАО "Ташкентское авиационное производственное объединение имени В.П. Чкалова", НАК к пяти уже эксплуатируемым крылатым машинам "Ил-114-100" получила еще две.

НАК "Узбекистон хаво йуллари" запустила новый тренажерный комплекс.

В Национальной авиакомпании "Узбекистон хаво йуллари" прошла пресс-конференция, посвященная открытию нового Тренажерного комплекса.

В новом тренажерном комплексе Учебно-тренировочного центра НАК "Узбекистон хаво йуллари" функционируют современные процедурные тренажеры для воздушных судов A320, Boeing-757/767 и Full-flight симулятор отечественного самолета Ил-114-100.

Процедурные тренажеры позволяют проводить тренировку экипажей по действиям в любых нестандартных ситуациях, при отказах и неисправностях, в условиях, максимально приближенных к реальным.

Строительство нового тренажерного комплекса было обусловлено модернизацией авиапарка и стало требованием времени, а также обязательным условием поддержания летной годности пилотов и обеспечения необходимой квалификации летного состава.

Процедурный симулятор A320, произведенный мировым лидером тренажерного производства "CAE Simfinity", был введен в эксплуатацию в 2010 году перед приобретением НАК "Узбекистон хаво йуллари" десяти воздушных судов А320. На нем проводится обучение, переучивание, ежеквартальные тренировки пилотов, а также re-fresh.

Введенный в эксплуатацию в 2012 году процедурный тренажер ВС Boeing-757/767 производства американской корпорации "Aerosim" также позволяет задавать необходимые характеристики, симулирующие стандартные и нештатные ситуации в управлении самолетом. Это становится возможным благодаря тому, что органы управления автопилотов и устройств ввода полетных данных на нем установлены как на реальном воздушном судне. В случае выхода из строя тех или иных компонентов системы вся необходимая для тренировки информация отображается на экранах и можно устранять неполадки, не прерывая тренировочный процесс.

Новый "Full-flight" симулятор ВС Ил-114-100 создан по последнему слову техники специалистами из различных стран, в том числе и отечественного ГАО "ТАПОиЧ". Он воссоздает полное ощущение "реальности" полета, имитируя динамику и работу всех систем самолета. Комплексный тренажер самолета Ил-114 (КТС-114) соответствует уровню "D" нормы годности авиационных тренажеров, который подразумевает движение симулятора в "шести степенях свободы". Это единственный в мире тренажер, в котором установлена кабина самолета в натуральную величину, а не муляж - она до миллиметра дублирует оригинальную кабину Ил-114-100.

Вне сомнений, уникальный современнейший "Full-flight" симулятор Ил-114-100 сыграет огромную положительную роль в повышении уровня практических знаний пилотов и, в свою очередь, в обеспечении безопасности полетов.

По итогам прошлого года воздушными судами Национальной авиакомпании (НАК)"Узбекистон хаво йуллари" выполнено 24835 рейсов, при этом перевезено 2,636 млн. пассажиров. Показатель грузоперевозок составил 40 тысяч тонн. Только через аэропорт "Навои" было отправлено 33З30 тонн груза.

Такие цифры были озвучены на состоявшейся в Ташкенте пресс-конференции, посвященной 23х-летию со дня основания НАК "Узбекистон хаво йуллари".

В мероприятии приняли участие представители Национальной авиакомпании, республиканских и зарубежных СМИ.

января текущего года исполнился 22 года со дня издания Указа Президента Республики Узбекистан о создании Национальной авиакомпании "Узбекистан хаво йуллари". За эти годы авиакомпания, являющаяся многофакторной динамичной системой, укрепила лидирующие позиции на мировом рынке авиауслуг как сильный, быстроразвивающийся авиаперевозчик, обеспечивающий безопасность и высокий сервис пассажирам.

Как было отмечено на пресс-конференции, ушедший 2013 год был плодотворным и насыщенным значимыми событиями. В 2012 году НАК "Узбекистон хаво йуллари" успешно прошла аудит IOSA. За достижения в области обеспечения безопасности полетов она стала лауреатом награды Некоммерческого партнерства "Безопасность полетов" и обладателем диплома Международного фонда безопасности полетов (Flight Safety Foundation).

Поэтапно осуществляется программа по обновлению авиапарка за счет современных лайнеров западного производства. Так, парк авиакомпании пополнили десять А320 в 2011 году, два Боинг-767-300-ЕR в 2012, и два Боинг-767-300-ЕR в 2013. В 2016 году планируется получение самолетов нового поколения Boeing-787-8 Dreamliner.

Строительство нового Тренажерного комплекса было обусловлено модернизацией авиапарка и проведено в целях поддержания летной годности пилотов и обеспечения необходимой квалификации летного состава. Сегодня в новом Тренажерном комплексе Учебно-тренировочного центра НАК функционируют современные процедурные тренажеры для воздушных судов Boeing-757 <#"805944.files/image007.jpg">

Рис. 10. Виды обучающих программ: а - линейная; б - разветвленная

Линейная программа реализует схему постоянного подкрепления правильной реакции обучаемого на предъявляемый стимул. Цель состоит в том, чтобы постоянно поддерживать интерес и внимание обучаемого к учебному материалу.

Формируя линейную программу, преподаватель четко представляет, какие знания, умения и навыки должны усвоить обучаемые после прохождения программы. При ее составлении нужно жестко задать понятия, термины, правила и порядок их расположения в процессе обучения. Поскольку результаты контроля не влияют на ход дальнейшего обучения, то процесс управления обучением является разомкнутым.

Линейная программа по существу исключает продумывание учебного материала обучаемым. В связи с таким характером обучения по линейным программам высказывалось очень много критических замечаний по поводу их использования. Главным образом эти замечания были вызваны тем, что такое обучение не рассчитано на развитие мышления. Однако было бы неверно совсем отвергнуть возможность использования таких программ в процессе подготовки летного состава в УТЦ НАК. Данный вид обучающих программ дает хорошие результаты при изучении жестко заданного учебного материала. Например, при изучении различного рода летных наставлений, инструкций, освоении навыков работы с клавиатурой дисплеев бортовых электронно-вычислительных машин (ЭВМ) и т.п.

В целом же для повышения эффективности обучения необходимо наряду с линейными программами использовать и разветвленные.

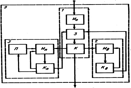
В общем случае кадр обучающей программы должен иметь сложную структуру, учитывающую требования и проблемно-эвристического метода, и информационно-сообщающего. Обобщенная структура кадра обучающей программы, раскрывающая элемент содержания обучения, приведена на рис.10. Элемент содержания строится по схеме:

Э = (Ио + З + К) V (Ид + Кд) V [ (Ип + Кп) V П, (2)

где Ио - основной учебный материал; З - закрепляющий учебный материал; К - задания к изученному материалу; Ид - дополнительный учебный материал; Кд - задания к дополнительному учебному материалу; Ип - проблемный учебный материал; Кп - задание к проблемному учебному материалу; П - учебный материал, уточняющий и конкретизирующий задание (подсказка).

Первый вариант (Ио + З + К) воспроизводит информационно-сообщающий метод. Основной учебный материал Ио рассчитан на сильных обучаемых.

Средним и слабым обучаемым предоставляется возможность обращения к дополнительным материалам, если их ответы на задания К неверны. Задания К содержат достаточный объем задач и вопросов для определения дальнейшей последовательности изучения материалов курса.

Рис. 11. Обобщенная структура кадра содержания обучения (обучающей программы)

Второй вариант (Ид+Кд) V (Ио + З + К) позволяет реализовать информационно-иллюстративный метод, благодаря включению в состав кадра дополнительной учебной информации. Причем дополнительные материалы содержат расширенные сведения по изучаемому вопросу и могут предъявляться в различной форме с привлечением всех средств наглядности, имеющихся в АОС. Это графические средства, видеофильмы, слайды и т.п. Дополнительные материалы могут иметь свои задания Кд, но проверка усвоения проводится, только после получения закрепляющей информации З. Работа с информацией, закрепляющей знания, требует от обучаемого применения всего изученного материала. Только после усвоения основного учебного материала обучаемому могут быть предъявлены проблемные задачи, если они предусмотрены в составе кадра.

В этом случае реализуется третий вариант выполняемых кадром функций в процессе обучения. В данном варианте воспроизводится информационно-проблемный метод при наличии подсказки П и проблемно-эвристический, когда подсказка не предъявляется обучаемому. Возможно также применение кадров, реализующих эти варианты совместно.

Если при построении обучающей программы используется т различных типов учебно-познавательных заданий, а содержание обучения разбито на N уровней по сложности, то содержание обучения может быть представлено в виде матрицы:

Э1 1

Э1 2

Э1 i

ЭiN

………………………………………………………………………

Эj1

Эj 2

Эj i

ЭjN

………………………………………………………………………

Эm1

Эm 2

Эm i

ЭmN


где Эji - элемент содержания обучения (кадр обучающей программы) i-го уровня сложности, включающий задание j-го типа. При использовании заданий одного типа, содержание обучения может быть представлено в виде вектора:

Эj1

Эj 2

Эj i

ЭjN


Таким образом, при построении обучающих программ в зависимости от используемого метода обучения в кадры могут включаться различные типы вопросов, задач и упражнений.

Вывод: в условиях применения АОС преподаватель наряду с возможностью выбора содержания кадров имеет также широкие возможности по варьированию форм подачи информации. Продумывая структуру кадра, он может привлекать все средства наглядности. Следовательно, в комплексной АОС для подготовки летного состава в УТЦ НАК наиболее целесообразно применение комбинированных обучающих программ с обобщенной структурой кадров.

3.4 Совершенствование технологии обучения взаимодействию в экипаже "Multi crew cooperation"


Работа экипажа современных гражданских воздушных судов представляет собой сложный комплекс различных технологических процедур взаимодействия в системе "человек-машина" направленных на выполнение и обеспечение безопасности полета. Для выполнения этих процедур каждый член экипажа должен иметь хорошую теоретическую и практическую подготовку.

Наряду с теоретической подготовкой, немаловажную роль в подготовке экипажа отводят и тренажерной (тренаж в кабине) подготовке.

Достижение наибольшего успеха в тренировке приобретается путем последовательной отработки различных процедур максимально приближенной к реальности (отработка стандартных эксплуатационных процедур с распределением летной нагрузки между членами экипажа, отработка аварийных ситуаций связанных с различными отказами систем самолета).

Решая научно-техническую задачу разработки критериев (параметров, показателей) деятельности пилота, в работе были выделены два их различных типа:

) критерии, характеризующие конкретный этап, вид подготовки;

) критерии, оценивающие деятельность оператора.

После детальной разработки каждого критерия определяются критерии эталона для конкретной ситуации, воздушного судна, метода подготовки. Применительно к задачам подготовки экипажей ВС к ОС полета к критериям первого типа могут быть отнесены:

темп предъявления информации;

длительность предъявления информации;

наличие интерферирующей информации различных сенсорных регистров (модальностей);

возможность идентификации.

Проведенные исследования в области методов взаимодействия в экипаже позволили сформулировать 14 основных критериев, по которым может быть произведена оценка эффективности взаимодействия в экипаже ВС.

К таким критериям относятся:

реагирование при неполных данных;

реакция при информационной перегрузке;

проверка информации (полезной, ложной, пустой);

устойчивость характеристик деятельности;

адаптация к внезапным изменениям в задаче;

рациональность распределения внимания;

логичность действий, адекватных возникшей ситуации;

нахождение альтернативных решений;

выбор приоритетов;

зависимость "темп предъявления информации - ошибка”;

резкий "скачок” ошибок;

частота ошибок (повторяемость);

скорость обработки информации;

стереотипность мышления (гибкость навыка).

Выделив указанные критерии, появилась возможность повысить достоверность оценки эффективности взаимодействия экипажа в кабине ВС на этапе "Multi Crew Cooperation" программ переподготовки членов летных экипажей высокоавтоматизированных ВС НАК "Узбекские авиалинии".

Тренаж в кабине ВС, как правило, проводится в составе экипажа под руководством пилота-инструктора - CHECK CAPTAIN (SIMULATOR INSTRUCTOR). В случае необходимости возможно проведение тренажа в кабине ВС только для одного пилота. В этом случае CHECK CAPTAIN (SIMULATOR INSTRUCTOR) занимает кресло отсутствующего пилота и выполняет его обязанности одновременно со своими обязанностями.

Тренаж в кабине проводится по принципу: вводная - ответ и имитация действий экипажа - ожидаемый результат.

После получения вводной члены экипажа докладывают о необходимых действиях и имитируют их на макете (в кабине ВС).

В ходе тренировки CHECK CAPTAIN (SIMULATOR INSTRUCTOR) анализирует ответы и действия членов экипажа. В случае выявления ошибок в ответах и действиях, CHECK CAPTAIN (SIMULATOR INSTRUCTOR) обязан проанализировать ошибки, объяснить причины их возникновения и способы устранения.

Для повышения объективности предполётной подготовки (briefing) и послеполётного разбора (debriefing) в работе предложено использовать видеоконтроль ошибок летного экипажа на КТС (FFS).

Цель тренировки - ознакомление с особенностями компоновки и приборного оборудования конкретного типа ВС, а также отработка и совершенствование практических навыков пилотов по выполнению всех процедур (NORMAL, ABNORMAL and EMERGENCY PROCEDURE). Объем тренировки - 2 часа.

Тренировка проводится согласно программе "SYLLABUS FOR INITIAL GROUND COCKPIT TRAINNG".CAPTAIN (SIMULATOR INSTRUCTOR) обязан отработать с членами экипажа каждое упражнение задания на тренировку до уверенных и правильных действий, согласно "NORMAL PROCEDURES" (Standard Operation Procedures (SOP) - стандартная технология работы экипажа) и Quick Reference Handbook (QRH) (A&E C/L).

В случае необходимости объем тренировки может быть увеличен на 50%.

В процессе тренажа в кабине (макете) необходимо уделить достаточное внимание отработке взаимодействия в летном экипаже. Общие положения взаимодействия в летном экипаже сформулированы таким образом:

Взаимоконтроль работы пилотов (принцип "CROSS-CHECK") в экипаже является обязательным элементом обеспечения безопасности полета.

В основе принципа лежит постоянное взаимоинформированние об изменениях режима полета и параметров работы двигателей и оборудования, согласование предпринимаемых действий и взаимный контроль их выполнения.

Внесение изменений в режим полета или в работу какой-либо из систем производится после взаимного согласования. Если в процессе контроля обнаруживается невыполнение (неправильное выполнение) какого-либо элемента, то продолжение процедуры разрешается только после устранения замеченного недостатка.

Соблюдение принципа "CROSS-CHECK" является обязательным при выполнении всех процедур на ВС (NORMAL, SUPLEMENTARY, NON-NORMAL, EMERGENCY).

В процессе работы оба пилота должны быть уверены, что озвученная в кабине (или поступившая извне) информация принята обоими и понята однозначно.

С этой целью полученная информация должна подтверждаться вслух стандартным словом "CHECK" означая, что информация принята и понята.

Если двукратная информация члена экипажа остается без подтверждения, последний должен немедленно выяснить причину и в случае неадекватности поведения другого члена экипажа, взять на себя управление и выполнить процедуру, предусмотренную при потере сознания одного из членов экипажа (CREW MEMBER INCAPACITATION PROCEDURE).

Тренаж в кабине является составной частью раздела Multi Crew Cooperation (MCC). Для повышения его эффективности предложено использовать СВТ непосредственно в кабине пилотов.

Тренаж в кабине ВС проводится после окончания переучивания во FLIGHT CREW TRAINING CENTER, перед началом выполнения линейной тренировки в рейсовых условиях.

Тщательные исследования приобретенного опыта у большего числа практиковавшихся на тренажерах (тренаж в кабине) пилотов показали устойчивое закрепление стандартных эксплуатационных процедур (SOPs) c рациональным распределением летной нагрузки между членами экипажа и слаженное взаимодействие их в различных обстоятельствах.

Рис. 12. Предложения по совершенствованию технологии обучения взаимодействию в экипаже "Multi crew cooperation"

Выводы и рекомендации


Выводы:

. При совершенствовании и развитии воздушных судов благодаря подробной информации, которую пилоты получают на дисплеях осуществляется постоянный автоматический мониторинг и надежный контроль за системами ВС, требующие минимального вмешательства. Все это позволяет исключить из состава экипажа бортинженера и возложить соответствующие функции на пилотов, не превышая допустимые значения интенсивности их деятельности.

. К прохождению переподготовки на другие (новые) типы воздушных судов гражданской авиации допускаются члены летных экипажей гражданской авиации либо члены летных экипажей других видов авиации, прошедшие дополнительную подготовку в объеме, необходимом для получения сертификата (свидетельства) специалиста гражданской авиации, годные к летной работе по состоянию здоровья с учетом возраста, квалификации, стажа работы по специальности, образованию, профессиональных качеств.

. Сформулированные в работе основные принципы эксплуатации высокоавтоматизированных воздушных судов направлены на устранение причин авиационных происшествий в Республике Узбекистан, основными из которых являются:

недостаточное понимание обстановки и места ВС

неправильное использование автоматизированных систем

излишнее доверие информации, получаемой от автоматизированных систем

Рекомендации:

. Применение специальной программы подготовки пилотов на ВС, оснащенные дисплейной индикацией позволит обеспечить распределение и согласование функций в эргономической системе управления "человек - ВС", определить правила использования автоматизированных систем управления, основные задачи автоматизации, сформировать в сознании пилота модель полета, обусловленную автоматизацией процесса управления ВС, обеспечить распределение внимания при работе с системами и оборудованием ВС

. В условиях применения АОС преподаватель наряду с возможностью выбора содержания кадров имеет также широкие возможности по варьированию форм подачи информации. Продумывая структуру кадра, он может привлекать все средства наглядности. Следовательно, в комплексной АОС для подготовки летного состава в УТЦ НАК наиболее целесообразно применение комбинированных обучающих программ с обобщенной структурой кадров.

. В работе предложено усовершенствовать технологию обучения взаимодействию в экипаже ВС ("Multi crew cooperation") в НАК "Узбекские авиалинии":

для повышения объективности предполётной подготовки (briefing) и послеполётного разбора (debriefing) в работе предложено использовать видеоконтроль ошибок летного экипажа на КТС (FFS);

для повышения его эффективности предложено использовать СВТ непосредственно в кабине пилотов.

Список использованной литературы


1.      Анализ состояния безопасности полетов в Республики Узбекистан в 2004 г. - Ташкент: Госавианадзор РУз., 2004.

2.      Анализ состояния безопасности полетов в Республики Узбекистан в 2004 г. - Ташкент: Госавианадзор РУз., 2005.

.        Анализ состояния безопасности полетов в Республики Узбекистан в 2004 г. - Ташкент: Госавианадзор РУз., 2006.

.        Аугустинавичюте А. Соционика: Введение / Сост.Л. Филипов. М.: ООО "Фирма "Издательство АСТ""; СПб.: Terra Fantastica, 1998. - 448 с.

.        Зинченко В.П., Леонтьев А.Н., Панов Ю.Д. Проблемы инженерной психологии // Инженерная психология. М.: Изд-во МГУ, 1964.

6.      Инструкция по отбору летного персонала национальной АК "Узбекские авиалинии" для переучивания на новую технику, 2007.

.        Картамышев П.В., Игнатович М.В., Оркин А.И. Методика летного обучения. - М.: Транспорт, 1987.

.        Лейченко С.Д., Малишевский А.В., Михайлик Н.Ф. Человеческий фактор в авиации: Монография в 2-х книгах. Кн.2. - Санкт-Петербургский государственный университет гражданской авиации, Санкт-Петербург, 2006. - 506 с.

.        Ошибки пилота: человеческий фактор / Пер. с англ.А.С. Щеброва. - М.: Транспорт, 1986. - 262 с., ил., табл.

.        Программы подготовки летного состава на воздушные суда западного производства НАК "Узбекские авиалинии". - Ташкент: НАК "Узбекские авиалинии", 2004.

.        Руководство по обучению в области человеческого фактора. (Doc 9683-AN/950). - Издание первое - Канада, Монреаль, ICAO, 1998. - 333 с.

.        Совершенствование профессиональной подготовки летного и диспетчерского составов / Г.В. Коваленко, Г.А. Крыжановский, Н.Н. Сухих, Ю.Е. Хорошавцев; Под ред. Г.А. Крыжановского. - М.: Транспорт, 1996.

.        Курс учебно-лётной подготовки на ВС Ил-114-100

.        Инструкция по взаимодействию и технология работы экипажа ВС ИЛ-114-100

15.    TCAS 2000/TCAS II Pilot’s Guide.

16.    www.Uzairways.com <#"805944.files/image010.jpg">

Рис. 1. Установленная схема захода на посадку на ВС ИЛ-114-100 с закрылками отклоненными на 20˚

Приложение 2

Рис. 2. Уход на второй круг на ВС ИЛ-114-100 с закрылками 20˚ (с двумя или одним работающим двигателем.

Приложение 3

Таблица 1

НОРМАТИВЫ ОЦЕНОК ПРИ ВЫПОЛНЕНИИ ПОЛЁТОВ НА КТС-114 И ВС Ил-114-100

СОДЕРЖАНИЕ ПРОВЕРКИ

ОЦЕНКИ


"5"

"4"

"3"

1. Подготовка к полЁту.

1.1 Знание РЛЭ (5-7 вопросов).

Правильные ответы на все вопросы

Правильные, неполные ответы на один - два вопроса

Правильные, неполные ответы более чем на два вопроса

1.2 Предполётная подготовка в службах аэропорта.

Без замечаний

Одно замечание

Два замечания

1.3 Предполётная подготовка на самолете.

Без замечаний

Одно замечание

Два замечания

1.4 Запуск двигателей.

Без замечаний

Одно замечание

Два замечания

2. Выполнение полёта.

2.1 Руление.

Без замечаний

Одно замечание

Два замечания

До 2м от оси ВПП Расчётная

До 5м от оси ВПП Расчётная +10

До 10м от оси ВПП Расчётная +20

2.3 Набор высоты: скорость, км/ч.

Установленная ± 10

Установленная ± 15

Установленная ± 20

2.4 Горизонтальный полёт: скорость, км/ч; высота, м; курс, град.

Установленная ± 10 Заданная ± 10 Заданный ± 2

Установленная ± 15 Заданная ± 30 Заданный ± 5

Установленная ± 20 Заданная ± 50 Заданный ± 10

2.5 Разворот: крен, град; координация.

Заданный Шарик в центре

Заданный ±3 Отклонение ша-рика на 0,5 диаметра

Заданный ± 5 Отклонение шарика на диаметр

 2.6 Снижение: вертикальная скорость, м/с; воздушная скорость, км/ч; курс, град.

 Расчётная ± 1 Заданная ± 10 Заданный ± 5

 Расчётная ± 2 Заданная ± 15 Заданный ± 10

 Расчётная ± 3 Заданная ± 20 Заданный ± 15

2.7 Выполнение схемы захода на посадку.

Без замечаний

Одно замечание

Два замечания

2.8 Заход на посадку по ОСП:

2.8.1 Вывод самолета в створ ВПП на 4 развороте.

МПР, отличающийся от МПУ посадки на 5°

МПР, отличающийся от МПУ посадки на 10°

МПР, отличающийся от МПУ посадки на 15°

2.8.2 Пилотирование по курсу в створе приводных радио- станций.

МПР, отличающийся от МПУ посадки на 3°

МПР, отличающийся от МПУ посадки на 5°

МПР, отличающийся от МПУ посадки на 8°

2.8.3 Выдерживание траектории снижения: воздушная скорость, км/ч; вертикальная скорость, м/с; высота пролета ДПРМ, м; точность выхода на ВПП.

 Заданная +5 Расчётная Установленная +10 В створе ВПП

 Заданная +10/- 5 Расчётная ± 1 Установленная + 20/- 10 С доворотом ± 5°

 Заданная +20 /-10 Расчётная ± 2 Установленная + 30/- 20 С доворотом ± 7°

2.9 Заход на посадку по ILS:

 - вывод самолёта в створ ВПП;

В пределах: жёлтого кружка КПИ; ширины стрелки КИНО

В пределах: до символа крыла самолёта на КПИ; до первой точки на КИНО

В пределах: до ½ символа крыла самолёта на КПИ; до второй точки на КИНО

 - пилотирование в зоне курса;

В пределах: жёлтого кружка КПИ; ширины стрелки КИНО; ½ до первой точки на АГБ-96Г

В пределах: до символа крыла самолёта на КПИ; до первой точки на КИНО; до первой точки на АГБ-96Г

В пределах: до ½ символа крыла самолёта на КПИ; до второй точки на КИНО; до второй точки на АГБ-96Г

выдерживание глиссады снижения.

В пределах: жёлтого кружка КПИ; ширины стрелки КИНО; ½ до первой точки на АГБ-96Г

В пределах: двух кружков на КПИ; до первой точки на КИНО до первой точки на АГБ-96Г

В пределах: более двух кружков на КПИ; до второй точки на КИНО; до второй точки на АГБ-96Г

2.10. Выполнение полёта и заход на посадку с применением автоматических систем:

 - включение системы;

Без замечаний

Одно замечание

Два замечания

-эксплуатация системы;

Без замечаний

Одно замечание

Два замечания

 - переход на ручное управление;

Своевременно и правильно

Одно замечание

Два замечания

 - исправление боковых отклонений;

Своевременно и правильно

Одно замечание

Два замечания

 - уход на второй круг;

Своевременно и правильно

Одно замечание

Два замечания

-выдерживание установленной скорости на участке от ВПР до порога ВПП (15м).

 + 5/- 0

 +10/- 5

 +15/- 5

2.11. Расчёт на посадку: скорость приземления;

Расчетная + 5

Расчетная + 10/- 5

Расчетная +15/- 10

2.12. Посадка.

Приземление без сноса на основные опоры самолёта с перегрузкой до 1,5 ед. без последующих отделений от ВПП

Приземление без сноса на основные опоры самолёта с правильно исправленным взмыванием или отделением после посадки от ВПП с перегрузкой 1,51-1,70 ед.

Приземление с неправильно исправленным взмывания или серией отделений от ВПП с перегрузкой 1,71-2,0 ед.

2.13. Выполнение визуального захода на посадку

2.13.1 Разворот на посадочный курс: крен, град.; координация; приборная скорость.

 Заданный Шарик в центре Заданная ± 5

 Заданный ± 3 Отклонение шарика на 0,5 Æ Заданная +10/ - 5

 Заданный ± 5 Отклонение шарика на Æ Заданная +15/ - 5

2.13.2 Выход самолёта в створ ВПП

По осевой линии ВПП

По боковой кромке ВПП


 Примечание: оценка выставляется после анализа результатов расшифровки СОК, согласно утвержденной методике для ВС Ил-114-100.

3. Пилотирование самолёта при отказе двигателя

3.1 Действия экипажа при отказе двигателя.

Правильные и своевременные

Одно замечание

Два замечания

3.2 Построение манёвра захода на посадку.

Правильное

Одно замечание

Два замечания

3.3 Предпосадочная прямая: пилотирование в зоне курса

В пределах: жёлтого кружка КПИ; ширины стрелки КИНО

В пределах: до символа крыла самолёта на КПИ; до первой точки на КИНО

В пределах: до ½ символа крыла самолёта на КПИ; до второй точки на КИНО

выдерживание глиссады

В пределах: жёлтого кружка КПИ; ширины стрелки КИНО

В пределах: двух кружков на КПИ; до первой точки на КИНО

В пределах: более двух кружков на КПИ; до второй точки на КИНО

 - выдерживание скорости на предпосадочном снижении, км/ч

Установленная +10

Установленная +15/ - 5

Установленная +20/ - 7

4. Самолётовождение.

4.1 Предварительный расчёт полёта.

Без ошибок

Одна ошибка

Две ошибки

4.2 Проверка и подготовка навигационного оборудования самолёта к полёту.

Без замечаний

Одно замечание

Два замечания

4.3 Эксплуатация навигационного оборудования в полёте.

Без замечаний

Одно замечание

Два замечания

4.4 Самолётовождение.

Без замечаний с комплексным использованием навигационных и радио - технических средств.

Два замечания без отклонения от установленного маршрута (схемы) полёта.

Два замечания при наличии отклонения от установленного маршрута (схемы) полёта в пределах установленных границ.

4.5 Точность пролета ПОД, мин.

 ± 1

± 2

± 3 и более

4.6 Подготовка к посадке и расчёт элементов снижения и захода на посадку.

Без замечаний

Одно замечание

Два замечания

4.7 Выдерживание схемы манёвра при вылете (SID) и при снижении и заходе на посадку (STAR).

Без замечаний

Одно замечание

Два замечания

5. Организация работы экипажа.




5.1 Выполнение карты контрольной проверки и листов контрольного осмотр.

Без замечаний

Одно замечание

Два замечания

5.2 Выполнение "Инструкции по взаимодействию и технологии работы экипажа".

Без замечаний

Одно замечание

Два замечания

5.3 Эксплуатация систем самолёта и его спецоборудования.

Без замечаний

Одно замечание

Два замечания

5.4 Ведение радиосвязи.

Без замечаний

Одно замечание

Два замечания

5.5 Дисциплина в экипаже.

Без замечаний

Одно замечание

Два замечания

5.6 Осмотрительность на земле и в полёте.

Без замечаний

Одно замечание

Два замечания

5.7 Ведение полётной документации.

Без замечаний

Одно замечание

Два замечания

5.8 Аналитические способности и способность прогнозировать развитие ситуации в полёте.

Анализирует самостоятельно

Анализирует с подсказкой

Слабые способности к анализу

5.9 CRM - Принципы взаимодействия с автоматизированными средствами и оптимизация экипажа в кабине. Координация между членами экипажа, взаимоконтроль и взаимная поддержка.

 Без замечаний

 Одно замечание

 Два замечания


Похожие работы на - Совершенствование системы переподготовки пилотов на самолет ИЛ-114-100 в авиакомпании 'Узбекские авиалинии'

 

Не нашли материал для своей работы?
Поможем написать уникальную работу
Без плагиата!
Без нейросетей!