Система управления запуском и розжигом газотурбинного двигателя

  • Вид работы:
    Курсовая работа (т)
  • Предмет:
    Транспорт, грузоперевозки
  • Язык:
    Русский
    ,
    Формат файла:
    MS Word
    461,76 Кб
  • Опубликовано:
    2015-06-22
Вы можете узнать стоимость помощи в написании студенческой работы.
Помощь в написании работы, которую точно примут!

Система управления запуском и розжигом газотурбинного двигателя

Введение

В гражданской авиации (ГА) широкое применение получили генераторы постоянного тока. По своему назначению электрические машины делятся на электрические генераторы и двигатели. Самолетные генераторы преобразуют часть механической энергии вращения авиадвигателей в электрическую энергию, потребляемую авиационным оборудованием. В свою очередь, механическая энергия вращения авиадвигателей получается за счет химической энергии сжигания топлива в среде окислителя. Самолётные электродвигатели преобразуют электрическую энергию, полученную от генераторов в механическую энергию потребителей.

Предусмотрена защита генераторов использованием ДМР.

Дифференциальное минимальное реле ДМР предназначено для выполнения следующих функций:

подключает генератор к бортсети в случае, когда ЭДС источника электропитания на 0,2 - 1,0B превышает напряжение сети;

отключает генератор от сети, если его напряжение уменьшилось и из сети через генератор идёт обратный ток;

исключает возможность включения генератора в бортсеть с неправильной полярностью;

обеспечивает ручное, дистанционное включение и отключение генератора, а также функционирование сигнализации.

Все отмеченные функции реле ДМР выполняет автоматически.

Дифференциальное минимальное реле состоит из двухпозиционного поляризованного реле, нескольких обычных электромагнитных реле и силового контактора. Элементы ДМР компонуются на общей панели, на которой установлены болтовые соединения для подключения устройств в силовую цепь генератора и систему управления.

При вынужденном выключении трех генераторов (при пожаре или дымлении электрифицированного оборудования) на самолетах, где установлены автономные шины, в случае необходимости включения гидронасосных станций разрешается включить один из генераторов на основную сеть, при этом предварительно выключить аварийный переключатель включаемого генератора.

Система управления запуском и розжигом ГТД <#"805841.files/image001.gif">

Рис. 1 - Схема генератора: 1 - виток., 2 - магниm, 3 - коллектор 4 - щетка, 5 - изолятор

е =BlV

где В - магнитная индукция;длина проводника;его линейная скорость.

В случае расположения витка вертикально и совпадении его плоскости с плоскостью осевой линии полюсов, проводники пересекают максимальный магнитный поток. При этом в них индуцируется максимальное значение ЭДС. Направление индуцируемой ЭДС в проводнике определяется по правилу правой руки, что показано стрелками. Когда же виток, перемещаясь, займёт горизонтальное положение, ЭДС в проводниках становится равным нулю.

При вращении витка 1 проводник, смещаясь, переходит под другой полюс магнита 2. В результате направление ЭДС в нём меняется на обратное.

Однако поскольку вместе с витком вращается коллектор 3, а щётки 4 неподвижны, то с верхней щёткой всегда соединён проводник, находящийся под северным полюсом магнита. Соответственно, его ЭДС постоянно направлена от щётки. Поэтому полярность щёток остаётся неизменной, а, следовательно, сохраняется постоянной по направлению ЭДС на щётках - ещ (рис.2).

Таким образом, коллектор 3 предназначен для преобразования переменной ЭДС в проводниках обмотки якоря в постоянную ЭДС на щётках генератора. Явление, вызванное изменением направления тока в проводниках обмотки якоря при переходе их из одной параллельной ветви в другую, то есть при пересечении линии, по которой установлены щётки, называется коммутацией.

Вместе с тем, несмотря на то, что ЭДС рассматриваемого генератора получается постоянной по направлению, ее величина изменяется во времени по синусоидальному закону. За один полный оборот витка ЭДС генератора принимает два раза максимальное, а также два раза нулевое значение (рис 2.). Поэтому, в строгом смысле слова, ЭДС с такой большой пульсацией нельзя назвать постоянной и она непригодна для большинства приёмников постоянного тока.

Для устранения отмеченного недостатка и уменьшения пульсации обмотку якоря генератора изготавливают с большим числом витков (катушек), а коллектор выполняют со значительным количеством коллекторных пластин, изолированных друг от друга. Коллектор состоит из медных пластин, которые соединяют с обмоткой якоря. Например, у генератора ГС-12ТО он набран из 102 пластин хромовой бронзы, изолированных слюдяными прокладками. Такое конструктивное оформление электрической машины позволяет получить практически постоянное значение ЭДС обмотки якоря.

Основными узлами и деталями генераторов являются: статор, ротор (якорь), коллектор, коллекторный щит, узел масляной защиты, патрубок, защитная лента, полюса (основные и дополнительные), гибкий и жёсткий валы, щёточно-коллекторный узел, обмотки и клеммные зажимы.

Статор представляет неподвижную часть электрической машины и предназначен для возбуждения главного магнитного поля. В свою очередь, ротор является вращающейся частью генератора, который служит для индуцирования ЭДС. Соответственно, магнитопровод, по которому замыкается магнитный поток, является основной частью электрической машины. В статоре магнитная цепь электрической машины неподвижна, а в роторе она вращается. Влияние магнитного потока якоря на основной магнитный поток статора называется реакцией якоря.

Статор выполнен в виде стального цилиндра, к которому прикреплены магнитные полюса. В качестве магнитных систем используются постоянные магниты (у машин малой мощности), либо электромагниты. У электромагнитов на полюсы крепится обмотка возбуждения. Она питается постоянным током и создаёт относительно статора неподвижный магнитный поток. Соединяют обмотки полюсов параллельно или последовательно, причём с таким расчётом, чтобы северный и южный полюса чередовались.

Ротор электрической машины для снижения потерь мощности от вихревых токов набирается из листовой электротехнической стали с изоляцией листов друг от друга. В пазах якоря располагается обмотка якоря или рабочая обмотка. Проводники обмотки якоря соединяются между собой лобовыми частями, то есть проводники одного паза связаны с проводниками другого паза. Полученная система образует последовательное соединение, которое называется катушкой или секцией. Секции между собой также соединяются последовательно и составляют замкнутую цепь. Расположение соединений выполнено так, чтобы обеспечить одинаковое направление ЭДС в проводниках, входящих в одну параллельную ветвь.

Якорь генератора имеет полый и гибкий валы, изготовленные из высокопрочной стали. Щётки бывают графитовые и меднографитовые.

Они крепятся в щёткодержателях, допускающие поворот на некоторый угол. Рассмотрим особенности конструкции дополнительных полюсов и компенсационных обмоток на примере генератора ГС-12ТО. Он устанавливается на газотурбинных двигателях ТА-6А-8 вспомогательной силовой установки ВСУ самолёта ТУ -134А. Генератор предназначен для питания бортсети постоянным током напряжением 28,5В на земле и высотах полёта до 3000м (генераторный режим), а также для запуска и холодной прокрутки газотурбинного авиадвигателя (стартерный режим). В обозначении: Т - теплостойкое исполнение, О - с вынужденным охлаждением.

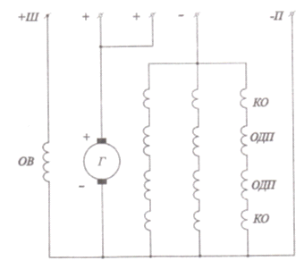
Корпус генератора стальной и он является магнитопроводом. К нему присоединены 6 основных и 6 дополнительных полюсов с обмотками. Основные полюса набраны из листовой электротехнической стали. Они снабжены в полюсных наконечниках пазами для закладки компенсационных обмоток КО (рис. 2). Дополнительные полюса цельные, изготовлены также из электротехнической стали. На основных полюсах размещена шунтовая обмотка возбуждения ОВ, на дополнительных - обмотки дополнительных полюсов ОДП.

Компенсационные обмотки КО предназначены для выполнения следующих функций:

поддерживают в воздушном зазоре неизменным магнитное поле при переходе генератора Г с режима холостого хода на режим нагрузки путём компенсации реакции якоря, что позволяет увеличить перегрузочную способность генератора;

при повышенных скоростях вращения подавляют явление перемагничивания полюсов;

Рис. 2 - Электрическая схема генератора ГС-12ТО

способствуют сокращению размеров обмотки возбуждения и уменьшению тока возбуждения;

при высоких частотах вращения и небольших нагрузках обеспечивают достижение устойчивой работы генератора;

позволяют значительно повысить линейную нагрузку и окружную скорость генератора.

В свою очередь, обмотки дополнительных полюсов ОДП возбуждают магнитные поля, которые воздействуют на поля ротора некомпенсированные компенсационными обмотками. При этом обмотки дополнительных полюсов включают последовательно с компенсационными обмотками и обмоткой якоря.

Причём соединение указанных обмоток осуществляют таким образом, чтобы магнитодвижущие силы МДС обмоток КО и ОДП были направлены встречно с МДС обмотки якоря. Данное схемное решение позволяет получить компенсацию при любой нагрузке и быть пропорционально ей, то есть пропорционально реакции якоря.

Следовательно, применение усложняющих конструкцию устройств компенсационных обмоток и обмоток дополнительных полюсов вызвано необходимостью повышения линейной нагрузки генератора для того, чтобы получить возможность снизить массу и габариты генератора, а также повысить его надёжность.

Рис. 3 - Схема соединения генератора

Современные авиационные генераторы снабжены схемой внутренних соединений с общим «-» (рис. 3). В такой схеме один из концов обмотки возбуждения прикреплён наглухо к «-». Второй конец обмотки присоединён к «+» генератора через регулируемый резистор rp (регулятор напряжения). Указанная схема обеспечивает частичное или полное предотвращение возможности повышения напряжения генератора при случайных замыканиях обмотки возбуждения.

Основным недостатком электрических генераторов постоянного тока является их конструктивная сложность, связанная с использованием щёточно-коллекторного узла. К тому же, в щёточно-коллекторном аппарате, осуществляющем постоянную коммутацию цепей электрической машины, возникает искрение. В результате снижается надёжность электрических генераторов постоянного тока и ограничивается область их применения

Авиационные генераторы обладают следующими техническими данными:

Номинальная мощность - 1500-20000Вт,

Номинальный ток нагрузки - 54-4000А,

Частота вращения вала - 3500-112000б/мин,

Число щёток - 4-24,

Критическая высота щёток - 15-20мм,

Допустимая интенсивность износа - 0,01-0,06мм/ч,

Давление щётки на коллектор - 4,5-12,5Н.

Масса генератора        - 11,5-50кг.

Отличительной особенностью самолетных генераторов является высокофорсированный режим их работы и минимальный вес. Вместе с тем, главным требованием, предъявляемым к авиационной технике, является высокая надёжность, обеспечивающая заданную безопасность полётов. Поэтому, учитывая высокофорсированный режим, вводится гарантийный ресурс работы авиационных генераторов. Он определяется допустимым нагревом их частей и составляет 500-3000ч. Для сравнения, срок службы промышленных электрических генераторов исчисляется десятками лет.

Для обеспечения полноценного функционирования самолётных потребителей необходимо, чтобы напряжение, подводимое к их зажимам, было стабильным и имело постоянное значение, равное номинальному. Однако в реальных условиях полёта частота вращения якоря генератора и нагрузка потребителей электрического тока не остаются постоянными. Так, например, скорость вращения ротора генератора изменяется из-за варьирования частоты вращения вала авиадвигателя при различных режимах его работы. В свою очередь, нагрузка потребителей электрического тока также постоянно изменяется в течение полёта, так как на различных этапах задействовано разное количество приборов и устройств. Соответственно, ток в обмотке якоря генератора изменяется в зависимости от нагрузки. В результате система электроснабжения самолёта подвержена колебаниям напряжения, что недопустимо. Поэтому напряжение авиационных генераторов требует постоянного регулирования, причём с высокой точностью.

Как известно, напряжение генератора равно:

= E - IяRя,= СеФп - IяRя,

где Е - ЭДС генератора;я - ток в обмотке якоря генератора;я - сопротивление обмотки якоря;

Се - постоянный коэффициент;

Ф - магнитный поток полюсов;

п - частота вращения якоря генератора.

Наглядное представление влияния указанных факторов на напряжение генератора может дать, в частности, внешняя характеристика генератора. Она представляет собой график зависимости напряжения генератора от тока нагрузки при постоянной скорости вращения ротора и неизменном сопротивлении RB цепи возбуждения:

= f (Iя) при п = coпst, RB = coпst.

2. Защита генераторов постоянного тока

Дифференциальное минимальное реле ДМР предназначено для выполнения следующих функций:

подключает генератор к бортсети в случае, когда ЭДС источника электропитания на 0,2 - 1,0B превышает напряжение сети;

отключает генератор от сети, если его напряжение уменьшилось и из

сети через генератор идёт обратный ток;

исключает возможность включения генератора в бортсеть с неправильной полярностью;

обеспечивает ручное, дистанционное включение и отключение генератора, а также функционирование сигнализации.

Все отмеченные функции реле ДМР выполняет автоматически.

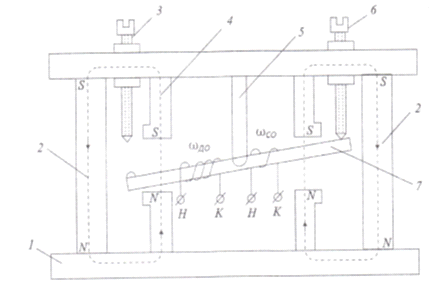
Главным в поляризованном реле является магнитная система, которая состоит из двух стальных пластин 1, постоянных магнитов 2 и полюсных наконечников 4. Эта магнитная система воздействует на подвижный элемент реле - якорь 7. Он изготовлен в виде стальной пластины, свободно проходящей внутри катушек ωдо и ωсо. Якорь реле присоединён к скобе 5 изолированной от корпуса 1. Перемещение якоря в пространстве удерживается контактным винтом 3 и упорным винтом 6. Указанные винты, ограничивая угол перемещения якоря, обеспечивают регулировку реле.

Рис. 4 - Электрокинематическая схема поляризованного реле ДМР

Поляризованное реле осуществляет управление ДМР. При работе ДМР оно выдаёт сигнал для включения источника электропитания в сеть при превышении напряжения генератора напряжения сети и правильной его полярности. Кроме того, поляризованное реле формирует сигнал на отключение генератора при возникновении обратного тока. На схеме управляющим реле УР является поляризованное реле (рис. 4).

Оно содержит сериесную СО и дифференциальную ДО обмотки. Сериесная обмотка СО выполнена с одним витком, тогда как дифференциальная обмотка ДО содержит большое число витков для возбуждения значительного магнитного поля при небольших токах. Силовая цепь генератора соединена с бортсетью через контакты контактора К.

Схема работает следующим образом. При повышении ЭДС источника электропитания больше напряжения сети в дифференциальной обмотке ДО управляющего реле будет протекать ток такого направления, при котором его контакт замкнётся на контактный винт. При этом цепь обмотки контактора включается на напряжение сети. Через сериесный виток СО протекает ток пря-мого направления, что усиливает магнитное поле якоря. В результате якорь сильнее удерживается в первоначальном состоянии. Когда же ЭДС генератора станет меньше напряжения сети, в генератор из сети потечет обратный ток.

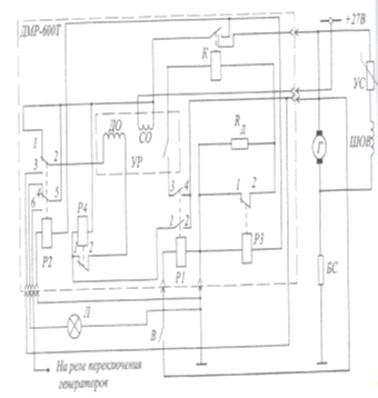
Рис. 5 - Электрическая схема ДМР-600Т

При изменении направления электрического тока в сериесной обмотке СО на обратное и превышении его величины более 25-50А магнитная полярность якоря сменится на обратную. Взаимодействуя с полюсами, якорь займет положение при котором контакты разомкнутся. Соответственно, обмотка контактора прекратит питаться напряжением сети и генератор отключится от бортсети.

Следует отметить, что в среднем промежуточном положении якорь реле установиться не может, поскольку в нем отсутствует противодействующая пружина. В результате якорь может занимать только два крайних положений. При малейшем смещении якоря со среднего положения между полюсами, постоянный магнит притягивает концы якоря к одной либо другой ближайшей разноименной паре полюсов.

Схема ДМР-600Т содержит четыре реле, которые выполняют конкретные операции при функционировании устройства. Реле ТКЕ1Р2ДТ Рl предназначено для подготовки дифференциального минимального реле к работе.

Сигнализацию о работе генератора производит реле ТКЕ22ПДТ Р2. Реле ТНЕ210ДТ Р3 служит для подключения добавочного резистора последовательно с обмоткой контактора. Для предохранения дифференциальной обмотки ДО управляющего реле от перегрева используется реле ТКЕ210ДТ Р4. Обмотка данного реле соединена параллельно обмотке ДО.

При переключении сетей генераторов:

При нормальной работе генераторов контакторы 22, 25, 40 находятся под током; также находятся под током реле 27 каждого генератора двигателя. Рассмотрим случаи отказа генераторов и переключение сетей генераторов при выключенной и включенной системе обогрева предкрылков.

При отказе одного генератора-обогрев предкрылков не включен:

а) При отказе генератора № 1 обесточатся контактор 22 и реле 27 генератора № 1. В этом случае сеть I через контакты контакторов 14, 22, контакты контактора 25 автоматически подключается к генератору № 2.

б) При отказе генератора № 2 обесточатся контактор 25 и реле 27- генератора № 2. Сеть II через контакты контакторов 17, 25 и 22 автоматически переключается на генератор № 1.

в) При отказе генератора № 3 обесточатся контактор 40 и реле 27 генератора № 3. В этом случае сеть III через контакты контактора 40, 42 и 25 автоматически подключается к генератору № 2.

При отказе одного генератора-обогрев предкрылков включен:

При включении выключателя обогрева предкрылков (ВГ-15К) 39 подается напряжение на реле 44.

а) При отказе генератора № 1 обесточатся контактор 22 и реле 27 генератора №.1.Напряжение через автомат защиты АЗСГК-10, контакты реле 27 генератора № 1, контакты реле 44 подается на контакторы 14 и 36. Контактор 14 отключает сеть I от генератора № 1 и переключает ее на питание от генератора № 3. Контактор 36 выключает питание шины бытового оборудования. Таким образом от генератора № 2 будет питаться сеть II, а от № 3 - сети I и III. Шина бытового оборудования будет обесточена.

б) При отказе генератора № 2 обесточатся контактор 25 и реле 27 генератора № 2. Напряжение через автомат защиты АЗСГК-10, контакты реле 27, 44 подается на контакторы 14 и 36.

В результате сеть 1 отключается от генератора № 1 и переключается на питание от генератора №3, шина бытового оборудования выключается, сеть II переключается на питание от генератора № 1.

в) При отказе генератора № 3 обесточатся контактор 40 и реле 27 генератора № 3. Напряжение через контакты реле 27 и реле 44 подается на контакторы 42 и 36. В результате через контакты контакторов 40 и 42 сеть III переключается на питание от генератора № 1. Контактор 36 выключит шину бытового оборудования.

При отказе двух генераторов:

а) При отказе генераторов № 1 и 2 обесточатся контакторы 22 и 25, а также реле 27 отказавших генераторов. Напряжение через контакты реле 27 подается на контакторы 14, 17, 36.

В результате контактор 14 переключает сеть I на питание от гене-ратора № 3, контактор 17 подготавливает питание сети II от генератора ВСУ, контактор 36 выключает шины бытового оборудования.

б) При отказе генераторов № 1 и 3 обесточатся контакторы 22 и 40, срабатывают контакторы 17 и 36.

В результате сеть II отключается от генератора №2 и подготав-ливается на питание от генератора ВСУ; сети I и III переключаются на питание от генератора № 2, шина бытового оборудования выключается.

в) При отказе генераторов № 2 и 3 обесточатся контакторы 25 и 40 и сработают контакторы 17 и 36.

В результате сети I и III будут получать питание or генератора № 1, сеть II подготовится на питание от генератора ВСУ, шина бытового оборудования выключится.

При отказе двух любых генераторов:

произвести снижение до высоты 5000 м, чтобы обеспечить питание двигателей топливом самотеком из расходного бака на случай отказа последнего работающего генератора;

если необходимо включить ПОС предкрылков, то на высоте не более 3000 м запустить ВСУ и включить генератор ВСУ, который будет питать только сеть II.

Запрещается в полете (на снижении и при заходе на посадку) переводить двигатель работающего генератора на режим ниже nвд = 60% (40÷50° УПРТ).

При отказе трех генераторов:

При отказе трех генераторов обесточатся их реле и контакторы 22, 25, 40. В результате обесточатся все три сети переменного тока 200 В. Напряжение через автомат защиты АЗСГК-10 «Переключение сетей генераторов», контакты реле 27 трех генераторов подается на контактор 19 и через контакты выключателя «Противообледенитель и бытовое оборудование» 43 на реле 41 и 37. Контактор 19 подготавливает подключение сетей I и III от генератора ВСУ. Реле 41 включает контактор 36, тем самым отключается шина бытового оборудования от сети III. Реле 37 при срабатывании снимает напряжение с выключателя обогрева предкрылков 39. Выключатель 43 расположен в верхней части правой панели АЗС. На самолетах с № 400 реле 37 не устанавливается, а следовательно, напряжение с выключателя обогрева предкрылков не снимается. Выключатель 43 в этом случае имеет трафарет «Бытовое оборудование».

3. Распределение электроэнергии напряжением 200В

1. При отказе одного генератора (двигателя) при включенной ПОС предкрылков можно включить:

в полете на трассе - одну НС-46 без ограничений;

при заходе на посадку - одну НС-46, при этом нагрузка генератора, работающего на сети I и III, не должна превышать 110 А. При большей нагрузке предварительно следует выключить часть потребителей:

люминесцентное освещение салонов;

топливные насосы баков (№ 2, 3, 4), при этом топливо в двигатели будет поступать только из расходного бака № 1;

радиолокатор «Гроза».

После включения насосной станции НС-46 следить за нагрузкой генератора, не допуская перегрузок более 138 А.

. При отказе двух любых генераторов (двигателей) порядок включения насосных станций НС-46 тот же, что и при отказе одного генератора (двигателя) при включенной ПОС предкрылков (см. п.1), но ее питание в этом случае может осуществляться только от генератора ВСУ.

. При вынужденном выключении трех генераторов (при пожаре или дымлении электрифицированного оборудования) на самолетах, где установлены автономные шины, в случае необходимости включения гидронасосных станций разрешается включить один из генераторов на основную сеть, при этом предварительно выключить аварийный переключатель включаемого генератора.

4. Система запуска

Система управления запуском и розжигом ГТД <http://ru.wikipedia.org/wiki/%D0%93%D0%B0%D0%B7%D0%BE%D1%82%D1%83%D1%80%D0%B1%D0%B8%D0%BD%D0%BD%D1%8B%D0%B9_%D0%B4%D0%B2%D0%B8%D0%B3%D0%B0%D1%82%D0%B5%D0%BB%D1%8C> служит для обеспечения перевода авиадвигателя из нерабочего состояния в установившийся режим малого газа, который характеризуется наименьшими оборотами турбины, при которых он может устойчиво работать длительное время.

Для запуска газотурбинного двигателя необходимо принудительно, от внешнего источника энергии раскрутить вал турбины компрессора, подать в камеру сгорания определённое количество топлива, воспламенить его. При этом процесс максимально автоматизируется, с целью обеспечения заданной устойчивости протекания процедуры запуска и предотвращения механических и тепловых перегрузок элементов двигателя.

Электрическая раскрутка от стартера или стартер-генератора обычно применяется на небольших ГТД и ВСУ <http://ru.wikipedia.org/wiki/%D0%92%D1%81%D0%BF%D0%BE%D0%BC%D0%BE%D0%B3%D0%B0%D1%82%D0%B5%D0%BB%D1%8C%D0%BD%D0%B0%D1%8F_%D1%81%D0%B8%D0%BB%D0%BE%D0%B2%D0%B0%D1%8F_%D1%83%D1%81%D1%82%D0%B0%D0%BD%D0%BE%D0%B2%D0%BA%D0%B0>. Питание подаётся от наземных источников электроэнергии, а также от бортовых аккумуляторов <http://ru.wikipedia.org/wiki/%D0%90%D0%BA%D0%BA%D1%83%D0%BC%D1%83%D0%BB%D1%8F%D1%82%D0%BE%D1%80> или генератора <http://ru.wikipedia.org/wiki/%D0%AD%D0%BB%D0%B5%D0%BA%D1%82%D1%80%D0%B8%D1%87%D0%B5%D1%81%D0%BA%D0%B8%D0%B9_%D0%B3%D0%B5%D0%BD%D0%B5%D1%80%D0%B0%D1%82%D0%BE%D1%80> работающей бортовой ВСУ. Вал стартер-генератора соединяется с валом ГТД через двухскоростной редуктор <http://ru.wikipedia.org/wiki/%D0%A0%D0%B5%D0%B4%D1%83%D0%BA%D1%82%D0%BE%D1%80> и обгонную муфту. Передаточное отношение редуктора автоматически меняется, в зависимости о направления передачи крутящего момента - в стартерном режиме оно больше. Кроме того, применяется ступенчатая подача электроэнергии, для уменьшения нагрузки на трансмиссию и большей плавности хода.

Более мощные авиадвигатели раскручиваются от работающего турбостартера (ТС), который представляет собой малогабаритный газотурбинный двигатель, который в свою очередь, имеет небольшой электростартер <http://ru.wikipedia.org/wiki/%D0%AD%D0%BB%D0%B5%D0%BA%D1%82%D1%80%D0%BE%D1%81%D1%82%D0%B0%D1%80%D1%82%D0%B5%D1%80>, систему зажигания и подачи топлива, но в упрощённом виде. Турбостартер обычно работает на том же топливе, что и основной двигатель. В конструкции турбостартера применяют две турбины - одна служит для привода компрессора ТС, а вторая служит для раскрутки компрессора двигателя. Валы турбостартера и двигателя соединены через редуктор и обгонную муфту. Процесс запуска турбостартера и время его работы регламентируется программным устройством. Воздушный стартер - это турбоагрегат, работающий на сжатом воздухе.

Сжатый воздух, как правило, поступает от турбины компрессора работающей ВСУ, представляющей собой малогабаритный автономный ГТД, выполняющий на борту летательного аппарата роль энергоузла. Сжатый воздух может подаваться и от наземных установок или воздушных баллонов, а также от турбины компрессора соседнего, уже запущенного авиадвигателя. Воздушные стартеры ввиду простоты и надёжности нашли широкое применение на мощных двигателях.

В процессе раскрутки, в строго заданной последовательности включается подача пускового топлива к пусковым форсункам и система зажигания. Подача топлива обеспечивается топливными насосами, заслонками и электрокранами, до момента полного воспламенения основного топлива и начала интенсивной раскрутки турбины. После воспламенения топлива система зажигания автоматически выключается.

При запуске двигателя в воздухе (неважно, ТРД или ТВД) раскрутка турбины происходит от набегающего потока воздуха, поэтому при заданных оборотах авторотации включается подача топлива и зажигание, программа наземного запуска не включается. Признаком успешного запуска является рост оборотов и повышение температуры выходящих газов.

Для прекращения работы двигателя служит отсечной топливный клапан, который прерывает поступление топлива в камеру сгорания. Этот клапан управляется рычагом остановки двигателя (РОД), или стоп-краном.

В процессе запуска двигателя система контролирует достаточно много параметров. Программа автоматически прекращается при затянутом запуске (зависании оборотов), превышении температуры газов за турбиной или падению давления масла, и конечно, при срабатывании пожарной сигнализации. Впрочем, в любой момент запуск двигателя может прекратить лётчик или бортинженер нажатием на кнопку «стоп» или переводом РОД.

5. Системы высотного оборудования

Система кондиционирования воздуха - одна из бортовых систем жизнеобеспечения. СКВ предназначена для поддержания давления и температуры воздуха в гермокабине <http://ru.wikipedia.org/w/index.php?title=%D0%93%D0%B5%D1%80%D0%BC%D0%BE%D0%BA%D0%B0%D0%B1%D0%B8%D0%BD%D0%B0&action=edit&redlink=1> летательного аппарата на уровне, обеспечивающем нормальную жизнедеятельность <http://ru.wikipedia.org/wiki/%D0%96%D0%B8%D0%B7%D0%BD%D0%B5%D0%B4%D0%B5%D1%8F%D1%82%D0%B5%D0%BB%D1%8C%D0%BD%D0%BE%D1%81%D1%82%D1%8C> экипажа <http://ru.wikipedia.org/wiki/%D0%AD%D0%BA%D0%B8%D0%BF%D0%B0%D0%B6> и пассажиров <http://ru.wikipedia.org/wiki/%D0%9F%D0%B0%D1%81%D1%81%D0%B0%D0%B6%D0%B8%D1%80>. Герметичность кабин обеспечивается их конструктивным исполнением, наличием уплотнений на дверях и люках, а также постоянным наддувом от СКВ. Обычно система работает на воздухе, отбираемом от компрессоров работающих авиадвигателей, с температурой отбираемого воздуха до 500 градусов и давлением до 1,6 МПа. Воздух разделяется на два потока (линии). Один поток проходит систему охлаждения и поступает в смеситель <http://ru.wikipedia.org/wiki/%D0%A1%D0%BC%D0%B5%D1%81%D0%B8%D1%82%D0%B5%D0%BB%D1%8C> (холодная линия), второй поток поступает в смеситель напрямую (горячая линия). В смесителе оба потока дозированно смешиваются и затем подаются в гермокабину. Также горячий воздух на многих самолётах направляется в противообледенительную систему (ПОС) и проходит по трубам под обшивкой, обогревая её во избежание нарастания льда.

Для охлаждения воздуха применяют следующие типы теплообменников - воздухо-воздушные (ВВР) или топливно-воздушные радиаторы (ТВР) и турбохолодильники (ТХ). В сложных системах кондиционирования могут применяться несколько ступеней (каскадов) для охлаждения воздуха, и каждая - со своими автоматическими регуляторами температуры, например, на Ту-154 отобранный от двигателей воздух охлаждается в первичных ВВР и ТХ, установленных возле третьего двигателя, и подаётся к ПОС и СКВ, а в СКВ имеются по два вторичных ВВР и ТХ (установленных в носках корневых частей крыльев, для продува ВВР в крыльях сделаны небольшие воздухозаборники), охлаждающих воздух до пригодной для дыхания температуры. Типовой регулятор температуры состоит из задатчика температуры в кабине, датчика температуры в трубопроводе, блока автоматического управления и исполнительного электромеханизма - регулирующей заслонки в трубопроводе. Расход воздуха в магистралях надува поддерживается автоматически пневматической системой весовой подачи (ПСВП) и составляет от 7 до 13 единиц по каждому указателю УРВ-1500.

Заключение

самолетный генератор ток реле

Я, во время выполнения курсовой работы извлек для себя вывод, что тока по своему назначению электрические машины делятся на электрические генераторы и двигатели. Самолетные генераторы преобразуют часть механической энергии вращения авиадвигателей в электрическую энергию, потребляемую авиационным оборудованием. В свою очередь, механическая энергия вращения авиадвигателей получается за счет химической энергии сжигания топлива в среде окислителя. Самолётные электродвигатели преобразуют электрическую энергию, полученную от генераторов в механическую энергию потребителей. Так же осуществляется защита генераторов постоянного тока посредством использования ДМР. Принцип работы ДМР основан на использовании поляризованного реле.

Так же на ЛА есть система распределения электроэнергии напряжением 200В при нормальной работе систем и при аварийной ситуации в процессе эксплуатации. Система управления запуском и розжигом ГТД <http://ru.wikipedia.org/wiki/%D0%93%D0%B0%D0%B7%D0%BE%D1%82%D1%83%D1%80%D0%B1%D0%B8%D0%BD%D0%BD%D1%8B%D0%B9_%D0%B4%D0%B2%D0%B8%D0%B3%D0%B0%D1%82%D0%B5%D0%BB%D1%8C> служит для обеспечения перевода авиадвигателя из нерабочего состояния в установившийся режим малого газа, который характеризуется наименьшими оборотами турбины, при которых он может устойчиво работать длительное время. На самолетах ГА есть система кондиционирования, которая играет роль системы жизнеобеспечения. Система кондиционирования воздуха - одна из бортовых систем жизнеобеспечения. СКВ предназначена для поддержания давления и температуры воздуха в гермокабине <http://ru.wikipedia.org/w/index.php?title=%D0%93%D0%B5%D1%80%D0%BC%D0%BE%D0%BA%D0%B0%D0%B1%D0%B8%D0%BD%D0%B0&action=edit&redlink=1> летательного аппарата на уровне, обеспечивающем нормальную жизнедеятельность <http://ru.wikipedia.org/wiki/%D0%96%D0%B8%D0%B7%D0%BD%D0%B5%D0%B4%D0%B5%D1%8F%D1%82%D0%B5%D0%BB%D1%8C%D0%BD%D0%BE%D1%81%D1%82%D1%8C> экипажа <http://ru.wikipedia.org/wiki/%D0%AD%D0%BA%D0%B8%D0%BF%D0%B0%D0%B6> и пассажиров <http://ru.wikipedia.org/wiki/%D0%9F%D0%B0%D1%81%D1%81%D0%B0%D0%B6%D0%B8%D1%80>. Герметичность кабин обеспечивается их конструктивным исполнением, наличием уплотнений на дверях и люках, а также постоянным наддувом от СКВ.

Похожие работы на - Система управления запуском и розжигом газотурбинного двигателя

 

Не нашли материал для своей работы?
Поможем написать уникальную работу
Без плагиата!
Без нейросетей!