Силовая часть преобразователя частоты для индукционного нагрева средней мощности и средней частоты
Содержание
Введение
1. Аналитический обзор
2. Расчет колебательного контура
3. Структурная схема преобразователя, расчет и выбор элементов
силовой части схемы
3.1 Разработка и описание структурной схемы силовой части
3.2 Расчет компенсатора реактивной мощности
3.3 Расчет и выбор элементов преобразователя частоты
3.4 Расчет и выбор элементов снабберных цепочек для силовых
транзисторов
3.5 Расчет и выбор элементов неуправляемого выпрямителя и
сглаживающего фильтра
4. Выбор и описание системы управления частотным преобразователем
4.1 Синтез и описание функциональной схемы работы системы
управления
4.2 Выбор драйвера для силовых транзисторов
4.3 Выбор USB-моста
4.4 Выбор ЖКИ.
4.5 Выбор датчика тока
5. Моделирование силовой части
Заключение
Список использованной литературы
Введение
В индукционных печах и устройствах тепло в электропроводном
нагреваемом теле выделяется токами, индуктированными в нем переменным
электромагнитным полем. Таким образом, здесь осуществляется прямой нагрев.
Индукционный нагрев металлов основан на двух физических законах: законе
электромагнитной индукции Фарадея-Максвелла и законе Джоуля-Ленца.
Металлические тела (заготовки, детали и др.) помещают в переменное магнитное
поле, которое возбуждает в них вихревое электрическое поле. ЭДС индукции
определяется скоростью изменения магнитного потока. Под действием ЭДС индукции
в телах протекают вихревые (замкнутые внутри тел) токи, выделяющие теплоту по
закону Джоуля-Ленца. Эта ЭДС создает в металле переменный ток, тепловая
энергия, выделяемая данными токами, является причиной нагрева металла.
Индукционный нагрев является прямым и бесконтактным. Он позволяет достигать
температуры, достаточной для плавления самых тугоплавких металлов и сплавов.
Интенсивный индукционный нагрев возможен лишь в электромагнитных полях высокой
напряженности и частоты, которые создают специальными устройствами -
индукторами. Индукторы питают от сети 50 Гц (установки промышленной частоты)
или от индивидуальных источников питания - генераторов и преобразователей
средней и высокой частоты. Простейший индуктор устройств косвенного
индукционного нагрева низкой частоты - изолированный проводник (вытянутый или
свернутый в спираль), помещенный внутрь металлической трубы или наложенный на
ее поверхность. При протекании по проводнику-индуктору тока в трубе наводятся
греющие ее вихревые токи. Теплота от трубы (это может быть также тигель,
емкость) передается нагреваемой среде (воде, протекающей по трубе, воздуху и
т.д.).
Наиболее широко применяется прямой индукционный нагрев
металлов на средних и высоких частотах. Для этого используют индукторы
специального исполнения. Индуктор испускает электромагнитную волну, которая
падает на нагреваемое тело и затухает в нем. Энергия поглощенной волны
преобразуется в теле в теплоту. Эффективность нагрева тем выше, чем ближе вид
испускаемой электромагнитной волны (плоская, цилиндрическая и т.д.) к форме
тела. Поэтому для нагрева плоских тел применяют плоские индукторы,
цилиндрических заготовок - цилиндрические (соленоидные) индукторы. В общем случае
они могут иметь сложную форму, обусловленную необходимостью концентрации
электромагнитной энергии в нужном направлении.
Особенностью индукционного ввода энергии является возможность
регулирования пространственного расположения зоны протекания вихревых токов.
Во-первых, вихревые токи протекают в пределах площади, охватываемой индуктором.
Нагревается только та часть тела, которая находится в магнитной связи с
индуктором независимо от общих размеров тела. Во-вторых, глубина зоны
циркуляции вихревых токов и, следовательно, зоны выделения энергии зависит,
кроме других факторов, от частоты тока индуктора (увеличивается при низких
частотах и уменьшается с повышением частоты). Эффективность передачи энергии от
индуктора к нагреваемому току зависит от величины зазора между ними и
повышается при его уменьшении. Индукционный нагрев применяют для поверхностной
закалки стальных изделий, сквозного нагрева под пластическую деформацию (ковку,
штамповку, прессование и т.д.), плавления металлов, термической обработки
(отжиг, отпуск, нормализация, закалка), сварки, наплавки, пайки металлов.
Косвенный индукционный нагрев применяют для обогрева технологического
оборудования (трубопроводы, емкости и т.д.), нагрева жидких сред, сушки
покрытий, материалов (например, древесины). Важнейший параметр установок
индукционного нагрева - частота. Для каждого процесса (поверхностная закалка,
сквозной нагрев) существует оптимальный диапазон частот, обеспечивающий
наилучшие технологические и экономические показатели. Для индукционного нагрева
используют частоты от 50Гц до 5Мгц.
Преимущества индукционного нагрева представлены ниже.
. Передача электрической энергии непосредственно в
нагреваемое тело позволяет осуществить прямой нагрев проводниковых материалов.
При этом повышается скорость нагрева по сравнению с установками косвенного
действия, в которых изделие нагревается только с поверхности.
2. Передача электрической энергии непосредственно в
нагреваемое тело не требует контактных устройств. Это удобно в условиях
автоматизированного поточного производства, при использовании вакуумных и
защитных средств.
. Благодаря явлению поверхностного эффекта
максимальная мощность, выделяется в поверхностном слое нагреваемого изделия.
Поэтому индукционный нагрев при закалке обеспечивает быстрый нагрев поверхностного
слоя изделия. Это позволяет получить высокую твердость поверхности детали при
относительно вязкой середине. Процесс поверхностной индукционной закалки
быстрее и экономичнее других методов поверхностного упрочнения изделия.
. Индукционный нагрев в большинстве случаев позволяет
повысить производительность и улучшить условия труда. Индукционные плавильные
печи Индукционную печь или устройство можно рассматривать как своего рода
трансформатор, в котором первичная обмотка (индуктор) подключена к источнику
переменного тока, а вторичной обмоткой служит само нагреваемое тело.
преобразователь частота силовая часть
1. Аналитический обзор
Как правило, преобразователи частоты промышленного назначения
проектируются на основе мощных полупроводниковых - тиристоры, полевые
транзисторы - и, все реже, на основе вакуумных ламп. Каждый из силовых приборов
имеет свои преимущества и недостатки.
Рисунок 1.1 - Тиристорный преобразователь частоты
Главным достоинством тиристорных преобразователей частоты
является способность работать с большими токами и напряжениями, выдерживая при
этом продолжительную нагрузку и импульсные воздействия. Однако, искаженный
выходной сигнал таких преобразователей является источником высших гармоник,
которые вызывают дополнительные потери в индуктивной нагрузке, как следствие -
ее перегрев, а также дает сильные помехи питающей сети. Применение
компенсирующих устройств приводит к повышению стоимости, массы, габаритов,
понижению к. п. д. системы в целом.
Как известно, условием закрытия однооперационного тиристора
является спад тока до нуля (либо подача обратного напряжения на анод). Поэтому
проектирование сложной системы управления также входит в недостатки таких
преобразователей. Также для тиристоров свойственны большие времена на открытие
и восстановление запирающих свойств, что существенно ограничивает их применение
в индукционных установках [1].
Преобразователи частоты на тиристорах в настоящее время
занимают доминирующее положение в высоковольтном приводе в диапазоне мощностей
от сотен киловатт и до десятков мегаватт с выходным напряжением 3-10 кВ и выше.
Однако их цена на один кВт выходной мощности самая большая в классе
высоковольтных преобразователей. Как правило, на тиристорах строится силовая
часть для индукционных печей [2].
Биполярный транзистор с изолированным затвором (IGBT) отличается от
тиристоров полным управлением, относительно простая неэнергоемкая система
управления, а также высокая частота переключения.
Рисунок 1.2 - Преобразователь частоты на IGBT-транзисторах [3]
Применение IGBT с более высокой частотой переклАючения в
совокупности с микропроцессорной системой управления в преобразователях частоты
снижает уровень высших гармоник, характерных для тиристорных преобразователей.
Как следствие меньшие добавочные в нагрузке, уменьшение нагрева индуктора,
снижение пульсаций. Снижаются потери в трансформаторах, конденсаторных
батареях, увеличивается их срок службы и изоляции проводов, уменьшаются
количество ложных срабатываний устройств защиты и погрешности индукционных
измерительных приборов.
Преобразователи на транзисторах IGBT по сравнению с
тиристорными преобразователями при одинаковой выходной мощности отличаются
меньшими габаритами, массой, повышенной надежностью в силу модульного
исполнения электронных ключей, лучшего теплоотвода с поверхности модуля и
меньшего количества конструктивных элементов [4].
Одним из препятствий применения IGBT-транзисторов в
индукционных установках является ограничение в использовании на сверхвысоких
частотах. Известно, что при коммутировании с частотой свыше 75-100КГц IGBT
работает на пределе своих возможностей и довольно большая вероятность выхода
прибора, а, следовательно, и преобразователя из строя.
На более высоких частотах способны работать
MOSFET-транзисторы.
Рисунок 1.3 - Преобразователь частоты на основе
MOSFET-транзисторах
Но особенность их изготовления не позволяет получить
одновременно высокоточный транзистор, позволяющий выдерживать большие
напряжения. Поэтому область применения этих приборов ограничивается мощностью
нагрузки.
Также MOSFET-транзисторы более сложны в управлении, чем IGBT,
следовательно, недостатком обладает и конструирование системы управления.
Наиболее высокими рабочими частотами отличаются вакуумные
приборы - электронные лампы. Также лампы могут пропускать через себя большую
мощность в нагрузку. Однако их недостатки существенно снижают область их
применения. Это, в первую очередь, низкий к. п. д.: полупроводниковые элементы
имеют к. п. д. до значения 90% при правильной эксплуатации и эффективном
охлаждении, в то время как ламповые приборы имеют максимальный к. п. д. в
районе 60-70%.
Также огромным недостатком является низкая надежность и малое
время службы ламповых приборов, что значительно увеличивает затраты, даже по
сравнению с эксплуатацией тиристорных преобразователей [5].
Рисунок 1.4 - Один из вариантов исполнения преобразователя
частоты на вакуумных приборах [6]
Все вышесказанное можно отобразить на диаграмме 1.5.
Рисунок 1.5 - Использование различных силовых ключей в
установках индукционного нагрева
Как видно, очень тяжело добиться повышения частоты и мощности
в нагрузке одновременно, причем, использовать это как можно более эффективно.
Так как по условию технического задания, преобразователь не
будет работать на сверхвысоких частотах и будет необходима средний диапазон
мощности в нагрузке, выберем в качестве силовых ключей IGBT-транзисторы,
включенные в полную мостовую схему.
2. Расчет
колебательного контура
Основное применение установок индукционного нагрева - это
сверхчистая бесконтактная пайка и сварка металла, термообработка деталей,
поверхностная закалка. Также применяются для операций в ювелирном деле,
получения опытных образцов сплавов [7].
Выбор частоты в основном определяется целями, которые
преследует разработчик установки. Но, как правило, существует целесообразность
применения установок, рассчитанных под определенные частоты. Например, если
плавильные печи или установки, предназначенные для постепенного нагревания
материала можно проектировать под промышленные частоты, то с усложнением
технологии, увеличения геометрических размеров материала, величина частоты
преобразования может варьироваться и достигать нескольких мегагерц. Подробнее
применение индукционного нагрева на разных частотах указано на рисунке 2.1.
Рисунок 2.1 - Применение установок индукционного нагрева на
разных мощностях и частотах [8]
Как правило, установки индукционного нагрева токами средней
(в диапазоне 10.500КГЦ) и высокой (свыше 500КГц) частоты используют в основном
для поверхностной закалки либо для нагрева мелких деталей [9]. Поэтому, при
проектировании данного преобразователя, будем ссылаться именно на это
применение.
Расчеты и опыт [10] показывают, что глубина проникновения
тока в заготовку на частотах свыше 2КГц меньше, чем 1.5мм. Используя формулу
[10 (35)]:
это значение можно уточнить для выбранной частоты.
Также, используя таблицу опытных данных [9, табл.2], можно
подобрать диаметр заготовки, который наиболее эффективно установка нагреет на
заданной частоте.
Видим, что эффективный диаметр на радиочастотах равен 3см и
менее. Учитывая размер индуктирующего провода и зазор между индуктором и
деталью, а также учтем использование разрабатываемой установки на частотах,
ниже проектируемой, примем (D2) диаметр и высоту (a2) индуктора 5см.
Используя методику для расчета индукторов для нагрева
цилиндрических заготовок [10], можно найти время нагрева детали.
где K - расчетный коэффициент, зависящий от формы
детали и разницы температуры между поверхностью и центром детали. Значение
берется из таблицы [10, табл.3] (K = 6);
D’2 - приведенный диаметр
заготовки, см.
где x - глубина
слоя, в котором выделяется главная часть энергии индуктированного тока, см.
Значение зависит от соотношения 
Так как значение соотношения 
, то 
С учетом возможных тепловых потерь мощности на нагрев окружающей
среды, индуктирующего провода, а также учитывая передачу тепла от поверхности
заготовки к центру, целесообразней уменьшить время нагрева в 3 раза, что
существенно увеличит подводимую к заготовке мощность.
Найдя массу заготовки (G), можно определить мощность, необходимую для нагрева (Pt). Зная геометрические параметры и
плотность стали (r), выразим
через них массу:
где V - объем детали, см3;
плотность стали равна 
.
Объем находится по формуле:
получаем, что масса находится из выражения:
Из формулы:
найдем необходимую мощность для разогрева:
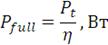
Найдем потери мощности на нагрев элементов преобразователя, а
также потери в индукторе, вымываемые охлаждающей водой, из выражения:
где
η - КПД преобразователя. Как правило,
транзисторные преобразователи имеют КПД приблизительно 90%, а учитывая потери
на нагрев воды и окружающей среды, примем значение КПД 
Исходя из рассчитанной мощности и напряжения сети, найдем ток в
индукторе:
где Ud - выпрямленное напряжение, которые равно:
где n - число фаз.
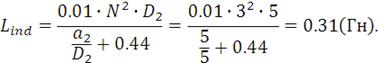
Из конструкции индуктора определим его индуктивность из выражения
[11]:
где N - количество витков. Количество витков
возьмем из отношения высоты индуктора к диаметру провода. К установке примем
провод толщиной 1.5 см, тогда количество витков будет равно:
Оставшиеся 0.5 см будут составлять лаковое покрытие и
воздушный зазор между витками.
Зная нужные нам параметры, вычислим индуктивность индуктора:
Для обеспечения резонанса в колебательном контуре нагрузки,
необходимо, чтобы собственная частота RC-контура
была равна (или близка) частоте преобразования. Это можно записать выражением:
следовательно, можем найти емкость, необходимую для установки в
колебательный контур, из этого выражения:
Для более точного подбора значения емкости, примем в качестве
конденсатора нагрузки C составной
конденсатор, состоящий из двух - C1 и C2, как показано на рисунке 2.2.
Тогда суммарное значение емкости конденсаторов будет равно:
Путем подбора значений, определим, что емкости конденсаторов
должны быть равны:
Рисунок 2.2 - Распределение энергии между двумя конденсаторами
загрузки
К установке примем конденсаторы DCT3UF4102KB8B и DCT3UF4472KB8B фирмы muRata [12]. Технические характеристики конденсатора представлены в
таблице 2.1.
Таблица 2.1 - Технические характеристики конденсаторов
колебательного контура.
|
Параметр
|
Значение
|
|
Максимальное напряжение высокой частоты, В
|
30 · 103
|
|
Номинальная реактивная мощность, ВАр
|
300 · 103
|
|
Максимальное значение тока, А
|
60
|
К расчету собственной частоты колебательного контура подходят
с особой тщательностью, т.к. пропускная способность последовательного контура
будет ограничена очень малым диапазоном частот из-за конденсатора, который для
остальных частот будет иметь сопротивление, стремящееся к бесконечности.
3. Структурная схема преобразователя, расчет и выбор
элементов силовой части схемы
3.1
Разработка и описание структурной схемы силовой части
Приведем структурную схему преобразователя на рисунке 3.1.
Рисунок 3.1 - Структурная схема установки индукционного
нагрева
Неуправляемый выпрямитель служит преобразователем переменной
энергии питающей сети в постоянное напряжение для последующего преобразования.
Постоянное напряжение подается на вход преобразователя частоты, где и
инвертируется с заданными параметрами.
Компенсатор реактивной мощности - конденсаторная установка,
уменьшающая влияние преобразователя на питающую сеть, замыкая реактивную
энергию на себя. Компенсатор играет в мощных установках большое значение, т.к.
во-первых, это обусловлено относительной дороговизной электроэнергии, а также
ее большим дефицитом. Во-вторых, установки, потребляющие реактивную мощность,
снижают качество энергии, а также обуславливают создание электромагнитных
полей, что влияет на здоровье обслуживающего персонала. К тому же, реактивная
энергия со стороны извлекаемой из нее пользы является бесполезной, но иногда
даже превышает активную, что прямо влияет на работоспособность и обслуживание
таких установок [13]. В нашей схеме компенсатор позволит разгрузить силовые
ключи от реактивных токов.
Рисунок 3.2 - Зависимость мощности в колебательном контуре от
частоты
3.2
Расчет компенсатора реактивной мощности
Для выбора устанавливаемых конденсаторов в качестве
компенсаторов реактивной мощности, необходимо вычислить количественное значение
этой мощности. По методике [14] определим значение реактивной мощности по
формуле:
где φ1 - угол коэффициента
нагрузки без компенсации реактивной мощности, эл. град.;
φ2 - планируемый угол
коэффициента нагрузки с компенсацией, эл. град.
Исходя из опытных данных [9,15], коэффициент мощности без
компенсации реактивной мощности (особенно на высоких частотах или при больших
мощностях) очень мал, порой способен достигать значения cos (φ) = 0.2, но обычно принимается в пределах 0.5.0.6. В данном курсовом
проекте примем наихудшее значение из заданного предела, т.е. cos (φ1) = 0.5. Как отмечают современные издания,
коэффициент мощности современных транзисторных установок довольно таки высок и
варьируется в окрестности значения cos (φ) = 0.9. Однако для расчетов
примем менее хороший результат и допустим, что полученный коэффициент нагрузки
равен cos (φ1) = 0.8.
Итак, получаем значение:
Затем нам необходимо определить суммарную емкость
компенсирующего устройства. Это значение мы вычислим из выражения:
Выражая из равенства параметр C и подставляя известные
данные, получаем:
В качестве конденсаторов для установки примем ряд параллельно
включенных специальных конденсаторов E50. N23-344N50-320 и E50. N23-344N50-60 производителя Electronicon [16] номиналами 320 и
60мкФ соответственно. Конденсаторы предназначены на напряжения 900В, не создают
паразитных высокочастотных связей с индуктивной нагрузкой и имеют диапазон
рабочих частот, охватывающий мегагерцовую отметку.
Так как преимущественно реактивная энергия проходит через
электронные ключи, а не циркулирует в колебательном контуре, конденсаторную
установку подключим параллельно преобразовательному мосту, как показано на
рисунке 3.3.
Рисунок 3.3 - Подключение компенсатора реактивной мощности
3.3
Расчет и выбор элементов преобразователя частоты
Выберем силовые транзисторы для преобразователя частоты.
Важными параметрами для выбора вентилей являются: напряжение, прикладываемое к
ключу, значение тока коллектора, а также частота переключения.
В предлагаемой нами схеме выпрямленное напряжение и ток
делится между двумя силовыми приборами, но для исключения сбоя работы
компенсатора реактивной мощности или в случае протекания неучтенных по
каким-либо причинам реактивных токах, выберем транзисторы с большим запасом.
К установке выберем транзисторы IRGS30B60K фирмы International Rectifier [17] и проверим, сможет
ли он работать в проектируемых условиях. Технические характеристики приведены в
таблице 3.1.
Таблица 3.1 - Технические характеристики силовых
транзисторов.
|
Параметр
|
Значение
|
|
Максимальное напряжение перехода
коллектор-эмиттер, В
|
600В
|
|
Действующее значение тока при температурах 25°
и 100°С, А
|
78, 50
|
|
Максимальная мощность рассеивания корпусом, Вт
|
370
|
|
Максимальное время задержки выключения, с
|
200 · 10-9
|
|
Максимальное время спада, с
|
40 · 10-9
|
|
Диапазон рабочих температур,°С
|
-55.175
|
|
Паразитная индуктивность перехода, Гн
|
7.5 · 10-9
|
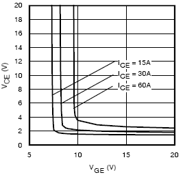
Определим из графика на рисунке 3.4 зависимости падение
напряжения на транзисторе от напряжения затвор-эмиттер.
Падение напряжения равно: 
Далее, определим из графика на рисунке 3.5 энергию включения и
выключения транзистора.
Эти значения равны:
- 
- 
Также, для определения температуры кристалла во время работы
транзистора, определим термический коэффициент в установившемся режиме из
зависимости.
Рисунок 3.4 - Зависимость падения напряжения на транзисторе
от напряжения затвор-эмиттер
Рисунок 3.5 - Зависимость энергий включения и выключения от
тока коллектора
Получаем значение: 
Определим динамическую и статическую мощности, выделяемую на
транзисторе:
Рисунок 3.6 - Зависимость температурного коэффициента от времени
Суммарная мощность будет равна:
Тогда температура кристалла с учетом максимальной температуры
окружающей среды будет равна:
Как видно, мощность, рассеиваемая в транзисторе, меньше значения,
которое корпус транзистора может рассеять без принудительного охлаждения, а
температура кристалла меньше допустимого максимального значения. Однако, для
исключения возможных выбросов мощности переключения, желательно применить радиатор.
Транзистор IRGS30B60K не содержит в
корпусе обратного диода, поэтому выберем для установки силовой диод RHRG75120 фирмы Fairchild Microsemi
[18], характеристики которого указаны в таблице 2.3.
Таблица 3.2 - Технические характеристики силового диода RHRG75120.
|
Параметр
|
Значение
|
|
Максимальное обратное напряжение, В
|
1200
|
|
Максимальный прямой ток, А
|
Элементы разместим так, как показано на рисунке 3.7.
Рисунок 3.7 - Мостовая схема преобразователя частоты
Вместо транзисторов подключены силовые диоды для облегчения
работы системы управления, а также из-за возможной рассогласованности при
работе накрест лежащих ключей из-за разброса параметров. На противоположном
плече подключим диоды такие же, что и на снабберных цепях - RHRG75120.
3.4 Расчет и
выбор элементов снабберных цепочек для силовых транзисторов
Так как нагрузка у частотного преобразователя индуктивная,
создаваемая противо-эдс во время выключения пары транзисторов в сумме с
напряжением питания может превысить допустимое значение для силового ключа и
вывести его из строя. Для этих целей применяют снабберы - устройства,
позволяющие ключу быстро восстановить свои запирающие свойства или принять
большую нагрузку переключения на себя.
Простейшая реализация снабберов - RC-цепочка, подключенная
параллельно силовому ключу. Для расчета параметров RC-цепи воспользуемся
методикой [19].
Емкость снаббера рассчитывается из соображений:
где Ls - паразитная индуктивность шины, Гн;
Upeak - максимально допустимое напряжения для
транзистора, В.
Номинал снабберного резистора рассчитывается выражением:
а мощность резистора:
Используя рассчитанные раннее данные, найдем номиналы
снабберов:
Принцип установки снабберов указан на рисунке 3.8.
Рисунок 3.8 - Снабберная цепочка для транзистора
3.5
Расчет и выбор элементов неуправляемого выпрямителя и сглаживающего фильтра
Основные критерии для выбора ключей неуправляемого
выпрямителя - это максимальный прямой ток фазы и обратное напряжение.
В качестве ключей неуправляемого выпрямительного моста
выберем диодный модуль KBPC5006W производителя DC Components [20]. Их
характеристики представлены в таблице 3.3.
Для уменьшения пульсаций в первичной обмотке трансформатора
питающей сети в качестве нагрузки неуправляемого выпрямителя примем фильтрующую
индуктивность. Тогда конденсатор будет одновременно являться источником
напряжения для преобразователя частоты, что соответствует решениям, описанным
раннее.
Таблица 3.3 - Технические характеристики выпрямительного
моста KBPC5006W.
|
ПараметрЗначение
|
|
|
Максимальное обратное напряжение, В
|
600
|
|
Максимальный прямой ток, А
|
50
|
Для расчета фильтра воспользуемся методикой, указанной в
[21]. Индуктивность дросселя должна быть больше, чем:
где Rload - эквивалентное
сопротивление нагрузки, Ом. Можно найти его из соотношения:
m - пульсность выпрямительного устройства. Для
мостовой трехфазной схемы m = 6;
ω - круговая частота
выпрямляемого напряжения:
Подставляем найденные данные в выражение:
Емкость фильтрующего конденсатора находится из выражения:
где S - коэффициент фильтрации. Для простоты расчетов
можем задаться этим значением: S = 0.1.
Тогда:
Для установки в качестве фильтрующих элементов примем:
конденсатор B25620B0707K822 фирмы Epcos [22] номиналом 660мкФ.
Его параметры указаны в таблице 2.4; индуктивность STP561 фирмы Schmid-Multitech [23] номиналом 560мГн.
Для улучшения качества фильтрования, перед нагрузкой
установим электролитический конденсатор номиналом приблизительно на порядок
меньше основного. Примем к установке алюминиевый электролитический конденсатор B43699 номиналом 47мкФ
производителя Epcos [22].
Принципиальная схема выпрямителя и сглаживающего фильтра
представлена на рисунке 3.9.
Рисунок 3.9 - Принципиальная схема неуправляемого выпрямителя
и сглаживающего фильтра
Полная принципиальная схема преобразователя частоты представлена
в графической части.
4. Выбор и
описание системы управления частотным преобразователем
4.1
Синтез и описание функциональной схемы работы системы управления
Существует множество способов управления частотными
преобразователями. К наиболее часто применяющимся относят широтно-импульсный и
частотно-импульсный. Частотно-импульсный и фазово-импульсный способы,
применительно к системам индукционного нагрева, пересекаются и можно сказать,
что для таких преобразователей метод является одинаковым, так как за подстройкой
фазы управляющих импульсов, начинает изменяться частота, что ведет к изменению
мощности в нагрузке.
Также существует различное множество реализаций данных
способов управления, начиная от узкофункциональных блоков на дискретных
элементах, заканчивая огромным выбором микропроцессорных систем, позволяющие
решать так много задач и вычислений, насколько это позволяют доступные
средства, а также требует техническое задание.
В последнее время очень широко применяются системы на ПЛИС
как аналог микропроцессора из-за своей функциональности, а также как
микроконтроллер из-за широты своих возможностей. Спроектируем систему
управления преобразователем на базе ПЛИС и разработаем блок-схему управления
частотным преобразователем.
Блок-схема управления представлена на рисунке 4.1.
Рассмотрим детальней принцип работы системы управления: после
подачи команды старта процесса нагрева, система подает тестовые два импульса на
силовые ключи, т.е. происходит один период процесса преобразования. Далее
происходит анализ колебательного контура (или силовых ключей, в зависимости от
принципа защиты). В нашем случае можно фиксировать состояния с драйверов
транзисторов или фиксировать ток с шунта колебательного контура напрямую. Это
дает нам предварительную оценку о состоянии готовности системы в целом, а также
предупреждает о возможном аварийном состоянии. Например, срабатывание защиты по
току может быть из-за причины отсутствия в индукторе заготовки, либо в
индукторе находится слишком маленькая деталь, либо какой-то транзистор уже
выведен из строя.
В случае срабатывания защиты, на индикаторы будет выведена
необходимая информация, а система снова вернется в режим ожидания. Если система
прошла проверку успешно, начнется работа инвертора, причем, начальное значение
частоты коммутации будет равно 1КГц. Это делается для предотвращения разрушения
металла, когда энергия резко вводится в нагрузку.
По мере работы преобразователя частота коммутации будет
увеличиваться, т.е. сравниваться с заданием, мощность, отдаваемая в нагрузку,
будет повышаться либо наоборот, уменьшаться.
Предполагается, что программироваться ПЛИС будет на
современном языке высокого уровня VHDL, в котором возможны параллельные
вычисления [24]. Поэтому, по мере работы преобразователя будут сканироваться
данные с датчиков, а также проверяться, не была ли отключена система
пользователем. Более детальное сканирование драйверов транзисторов будет
произведено после выхода преобразователя в установившийся режим и при
отсутствии команды об окончании процесса.
В случае нажатия кнопки окончания процесса нагрева, мощность
в нагрузке будет постепенно контролируемо уменьшаться, что даст возможность
уберечь индуктор от возможных разрушений.
Любой аварийный режим в ходе работы преобразователя будет
зафиксирован системой. В этом случае питание для силовых транзисторов будет
отключено и система будет заблокирована до принятия команды, которая оповестит
ПЛИС об устранении неисправности.
Возможности ПЛИС делают доступным управление преобразователем
удаленно. Для этого целесообразно установить мост USB-UART, связывающий сервер
и систему нагрева. Это удобно в случае, когда оператор находится далеко от
преобразователя, либо в случае, когда высокие частоты могут оказать ущерб
здоровью обслуживающего персонала.
4.2
Выбор драйвера для силовых транзисторов
Важной особенностью проектирование системы управления
является подбор согласующего звена между системой и силовым ключом.
Особое распространение получили драйверы, т.к. являются не
только согласующим звеном, а и распределителем импульсов, средством защиты от
аварийных ситуаций, а в некоторых случаях - индикация данных на внешние
устройства. Все это зависит от функциональности драйвера.
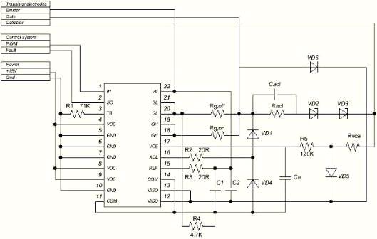
В нашей системе применим одноканальный драйвер 1SC2060P фирмы Concept [25], который способен
управлять транзисторами IBGT или MOSFET большой мощности, обеспечивая при этом
как высокое быстродействие, так и надежность отпирания ключей. Схема
подключения рекомендована в информации об устройстве и представлена на рисунке
4.2.
4.3
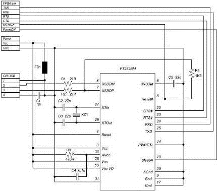
Выбор USB-моста
USB-мост необходим для связи ПЛИС с удаленным
устройством для управления преобразователем на расстоянии.
В качестве драйвера USB-UART выберем микросхему FT232BM производителя FTDI Chip [26]. В информации о
продукте представлена рекомендуемая схема подключения к микросхеме. Отобразим
ее на рисунке 4.3.
Рисунок 4.1 - Блок-схема работы системы управления
преобразователем частоты

Рисунок 4.3 - Принципиальная схема подключения USB-моста к
ПЛИС
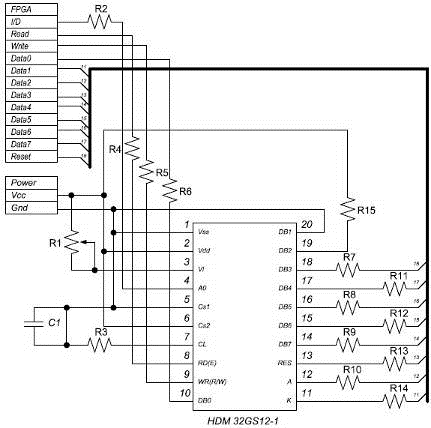
4.4 Выбор
ЖКИ.
Особых требований к ЖК индикатору не предъявляется, поэтому
остановимся на одном из экономичных с точки зрения питания, а также времени
обработки информации. Выберем для подключения индикатор HDM 32GS12-1 фирмы Hantronix [27].
Исходя из данных из информации о продукте, отобразим схему
подключения индикатора к микросхеме на рисунке 4.4.
Рисунок 4.4 Принципиальная схема подключения ЖКИ-индикатора
4.5 Выбор
датчика тока
Измерить ток в индукторе дискретными элементами представляет
большую сложность, так как логические устройства не предназначены для входящего
тока в несколько десятков ампер, а понижение даст существенную погрешность и
само по себе будет энергоемким, воспользуемся специальными датчиками тока,
основанными на эффекте Холла.
Для установки примем датчик ACS750xCA-075 фирмы Allegro Microsystems Inc. [28], способный
измерять токи величиной до 75А.
Принципиальная схема подключения устройства указана на
рисунке 4.5.
Рисунок 4.5 Принципиальная схема подключения датчика тока
Полная принципиальная схема системы управления представлена в
графической части.
5.
Моделирование силовой части
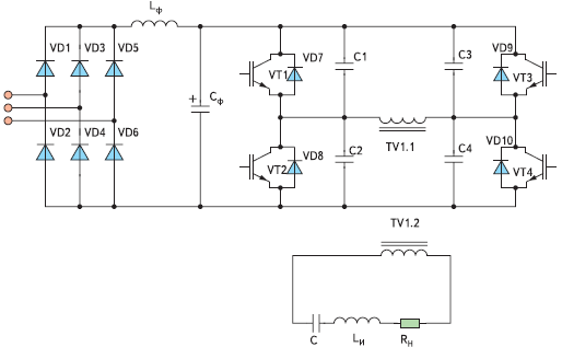
Для моделирования силовой части схемы воспользуемся пакетом
автоматического проектирования OrCAD.
Принципиальная схема, работа которой моделировалась в ходе
исследования работы преобразователя частоты, представлена на рисунке 5.1.
За неимением в базе OrCAD необходимых нам моделей силовых
ключей, воспользуемся аналогами, имеющими похожие электрические характеристики,
а именно: вместо силовых транзисторов - APT75GL60BN фирмы Advanced Power Technologies [29], а вместо всех
диодов - HFA25TB60 фирмы International Rectifier [17].
Диаграммы напряжения нагрузки представлена на рисунках 5.2 и
5.3 Диаграммы тока нагрузках - на рисунке 5.4 и 5.5.
Для опредления среднего значения мощности, выделямой в
нагрузке, воспользуемся командой avg (x) в пакете симуляции PSpice.
График изменения мощности от времени указан на рисунке 5.6 Как видно из
графика, преобразователь выходит на необходимую нам мощность в нагрузке за 2.25×10-3с.
Рисунок 5.1 - Принципиальная схема моделируемого преобразователя
Рисунок 5.2 - Диаграмма напряжения нагрузки
Рисунок 5.3 - Диаграмма напряжения нагрузки на коротком периоде
Рисунок 5.4 - Диаграмма тока нагрузки
Рисунок 5.5 - Диаграмма тока нагрузки на коротко периоде
Рисунок 5.6 - График роста средней мощности в нагрузке
Заключение
Результатом курсового проекта стала разработанная силовая
часть преобразователя частоты для индукционного нагрева средней мощности и средней
частоты.
При проектировании учитывались не только электрические
параметры, а еще и тепловые процессы в ключах и нагрузке. Также, после изучения
рынка силовых полупроводниковых приборов, помимо предельных характеристик
компонентов при их выборе, был сделан акцент на надежность продукции
производителей, что играет ключевую роль при реальном проектировании
преобразователей.
Также при проектировке было учтено внимание наличию высших
гармонических составляющих в цепи преобразователя, которые так или иначе, могут
повлиять на его работу или на питающую сеть. Для подавления реактивной мощности
был предложен емкостной компенсатор реактивной мощности.
Была сделана попытка представить оригинальную, но весьма
надежную и точную систему управления, однако конечное заключение в выборе
остается за проектировщиком.
Более того, было произведено моделирование спроектированной
системы в пакете автоматического проектирования OrCAD, что позволило определить
правильность расчетов, а также увидеть недостатки идеальной модели для
последующего их устранения.
Список
использованной литературы
1. Забродин
Ю.С. - Промышленная электроника: Учебник для вузов. - М.: Высш. школа, 1982. -
496с., ил.
2. Преобразователи
частоты Веспер, устройства плавного пуска, станции управления электроприводом,
Украина. URL: http://www.vesper.com.ua/downloads/chrp. doc
(дата обращения 1.12.2010).
. Особенности
работы высокочастотного силового трансформатора в схеме последовательного
резонансного инвертора / С. Земан, А. Осипов, О. Сандырев // Силовая электроника,
2007г., вып.1 [Электронный ресурс]. URL: http://www.power-e.ru/2007_01_67. php (дата обращения 1.12.2010).
. Силовые
биполярные транзисторы с изолированным затвором (IGBT). URL:
http://www.gaw.ru/html. cgi/txt/publ/igbt/transistor. htm (дата обращения 1.12.2010).
5. Электронная
лампа - Википедия. URL: http://ru. wikipedia.org/wiki/Электронная_лампа (дата обращения 1.12.2010).
. Вестник
старого радио - выпуск 502. URL: http://www.amradio.ru/issues/issue502. htm
(дата обращения 1.12.2010).
. Индукционный
нагрев - Википедия. URL: http://ru. wikipedia.org/wiki/Индукционный_нагрев (дата обращения
1.12.2010).
8. An
overview of solid-state power supplies for induction heating / Don L. Loveless
// Proceedings
of the 17th Heat Treating Conference, 1.01.1997.
9. Богданов
В.Н., Рыскин С.Е. - Применение сквозного индукционного нагрева в
промышленности.М. - Л., Машиностроение, 1965. - 96с., ил.
. Слухоцкий
А.Е. - Индукторы/Под ред.А.Н. Шаманова - 5-е изд., перераб. и доп. - Л.:
Машиностроение. Ленингр. отд-ние, 1989. - 69с.: ил. - (Б-чка
высокочастотника-термиста: Вып.12).
11. Russian Hamradio - О некоторых закономерностях
пересчета параметров катушек индуктивности. URL: http://qrx. narod.ru/spravka/zp_pki. htm
(дата обращения 1.12.2010).
12. Murata
Manufacturing Co., Ltd. URL: http://www.murata.com/ (дата обращения 1.12.2010).
13. Реактивная
мощность, компенсация реактивной мощности, косинус фи, коэффициент мощности,
конденсаторная установка, батарея. URL: http://utek.com.ua/reactive-power-about.html (дата обращения 1.12.2010).
. Компенсация
реактивной энергии - Выбор компенсатора реактивной мощности или ФКУ. URL:
http://www.enkordis.com.ua/index. php?
option=com_sobi2&sobi2Task=sobi2Details&catid=25&sobi2Id=11&Itemid=143
(дата обращения 1.12.2010).
15. Слухоцкий
А.Е., Рыскин С.Е. - Индукторы для индукционного нагрева. - Л., Энергия, 1974. -
264с., ил.
16. Electronicon::
ELECTRONICON Kondensatoren GmbH. URL: http://www.electronicon.com/ (дата обращения 1.12.2010).
. International
Rectifier - The Power Management Leader. URL: http://www.irf.com/ (дата обращения 1.12.2010).
18. Fairchild
Semiconductor | Power Management & Mobile IP Solutions. URL:
http://www.fairchildsemi.com/ (дата обращения 1.12.2010).
19. Y.
Zhang, S. Sobhani, R. Chokhawala - Snubber Considerations for IGBT
Applications. - Kanzas St., International Rectifier Applications Engineering.
. DC
COMPONENTS CO., LTD. URL: http://www.dccomponents.com/ (дата обращения 1.12.2010).
21. Методические
указания к выполнению курсового проекта по дисциплине "Электронные
преобразовательные системы" / Сост.: А.Ф. Бондаренко - Алчевск: ДонГТУ,
2007 - 20с.
22. Epcos
- Electronic Components, Modules and Systems. URL: http://www.epcos.com/web/generator/Web/Sections/Home/Homepage,templateId=render,locale=en.html (дата обращения 1.12.2010).
23. Home
- Schmid-Multitech GmbH. URL:
. http://www.schmid-multitech. de/ (дата обращения 1.12.2010).
. Бибило
П.Н. - Основы языка VHDL - М.: СОЛОН-Р, 2002. - 224с.: ил.
26. Concept
Electronics. URL: http://www.conceptelectronics. ro/index.html (дата обращения 1.12.2010).
. FTDI
Chip Home Page. URL: http://www.ftdichip.com/ (дата обращения 1.12.2010).
28. HANTRONIX,
INC. - TFT LCD, OLED, Graphic, Character displays. URL: http://www.hantronix.com/ (дата обращения 1.12.2010).
29. Allegro
MicroSystems, Inc. URL: http://www.allegromicro.com/en/ (дата обращения 1.12.2010).
. Advanced
Power Technologies. URL: http://www.advpowertech.com/ (дата обращения 1.12.2010).
31. Методически
указания по оформлению курсовых проектов и работ / Сост.: Ю.Э. Паэранд, П.В.
Охрименко - Алчевск: ДГМИ, 2002. - 50с.