Система автоматического регулирования электровоза ВЛ80р
КУРСОВАЯ
РАБОТА
Система
автоматического регулирования электровоза ВЛ80р
Введение
В число научных дисциплин, образующих науку об
управлении, входит теория автоматического управления и регулирования. Для
осуществления автоматического управления техническим процессом создается
система, состоящая из управляемого объекта и связанного с ним управляющего
устройства. Как и всякое техническое сооружение, система должна обладать
конструктивной жесткостью и динамической прочностью. Эти чисто механические
термины в данном случае несколько условны. Они означают, что система должна
выполнять заданные ей функции с требуемой точностью, несмотря на инерционные
свойства и на неизбежные помехи. Пока объект обладает достаточной жесткостью и
динамической прочностью, потребности в автоматическом регулировании не
возникают.
Значение теории автоматического управления в
настоящее время переросло рамки только технических систем. Динамические
управляемые процессы имеют место в живых организмах, экономических и организационных
человеко-машинных системах. В таких системах функции управления не могут быть
полностью переложены на автоматические устройства. Принятие наиболее
ответственных решений остается за человеком. Системы, в которых
автоматизируется часть операций, а другая часть выполняется человеком, получили
название «Автоматизированные системы управления» (АСУ). АСУ создаются на
нескольких уровнях: технологических процессов (АСУТП) и предприятия (АСУП),
отрасли и т. д. В АСУ широко используется вычислительная техника. Изучение
принципов построения АСУ составляет предмет специального учебного курса.
Соотношение между числом автоматизированных и
неавтоматизированных операций в АСУ различных уровней неодинаково. На низшем
уровне (АСУТП) роль автоматических устройств и роль динамики превалируют. На
высших уровнях учет динамики становится существенно труднее как вследствие
усложнения структуры системы и возрастания числа управляемых переменных, так и
вследствие увеличения числа и возрастания роли не поддающихся формализации на
математическом языке факторов. В настоящее время интенсивно развиваются новые
разделы динамики управления: «Динамика сложных систем», изучающая системы
высокой размерности со сложной структурой, описание которых может быть
выполнено на математическом языке, и «Системная динамика», изучающая поведение
сложных систем при наличии как формализуемых, так и неформализуемых факторов.
Одним из основных методов исследования в системной динамике является
имитационное моделирование. В настоящее время изучение динамики сложных систем
и системной динамики выходит за рамки излагаемого в данной книге курса обнов
теории автоматического управления.
Законы динамики в сложных системах обычно не
являются основными и определяющими само управление, как это свойственно
техническим системам, но тем не менее их влияние зачастую существенно и отказ
от их учета приводит к крупным потерям В автоматизированных системах,
управления (АСУ) технологическими процессами роль динамики бесспорна и
превалирует, но она становится все более ясной и в других типах АСУ по мере
расширения, их не только информационных, но и управляющих функций.
В настоящее время автоматизированные системы
внедрены в различные сферы хозяйственной деятельности, и в первую очередь в
проектирование, управление оборудованием и технологическими процессами.
Исходные данные
. Разработать систему автоматического
регулирования параметров электровоза ВЛ80р.
. Основной параметр - тормозная сила.
. Дополнительный параметр - возбуждение.
. Режим регулирования - рекуперация
. Система астатическая.
. Расчет провести на одну тележку.
1. Описание силовой
схемы электровоза ВЛ 80р
Силовая схема в рекуперативном режиме. Все
переключения в силовой цепи при переходе из тягового режима в режим торможения
и обратно производятся тормозными переключателями 49, 50. При сборе силовой
цепи в режиме торможения якорь каждого тягового двигателя отключается от своей
обмотки возбуждения и подключается последовательно со стабилизирующим
резистором R5 к
выпрямительно-инверторному преобразователю. Обмотки возбуждения всех двигателей
1-й и 2-й секций соединяются последовательно. Резисторы постоянной шунтировки
Р0-РЗ остаются включенными параллельно обмотке возбуждения.
Обмотка тягового трансформатора с выходами х4,
а6, а7 и выпрямительные установки возбуждения 60 1-й и 2-й секций образуют
схему двухполупериодного выпрямления с нулевой точкой для питания регулируемым
выпрямленным напряжением обмоток возбуждения тяговых двигателей. Напряжение
холостого хода между выводами а6-а7 и а7-х4 составляет 180В.
Включение и отключение обмоток возбуждения
тяговых двигателей осуществляется электропневматическими контакторами 46, 47.
Тяговые двигатели в рекуперативном режиме работают как генераторы постоянного
тока с независимым возбуждением. При рекуперативном торможении осуществляется
инвертирование постоянного тока генераторного режима в переменный ток
промышленной частоты. Стабилизирующий резистор R5
необходим для обеспечения электрической устойчивости при работе инвертора и
улучшения распределения тока между тяговыми двигателями. Измерение тока якоря
двигателей М1-М4 осуществляется датчиками тока ДкТ1-ДкТ4, которые подают
соответствующие сигналы в систему управления преобразователем в режиме
рекуперации.
В рекуперативном режиме работы электровоза
тормозное усилие регулируется в зоне высоких скоростей плавным изменением тока
возбуждения, а в зоне малых скоростей - плавным изменением э.д.с.
трансформатора.
Схемой предусмотрен режим торможения
противотоком (I зона, низкая скорость). В этом случае тяговые двигатели
работают как двигатели с независимым возбуждением при обратном направлении
протекания тока возбуждения. Контур тока якорей двигателей остается прежним,
однако моменты открытия тиристоров выбираются так, чтобы ток протекал под
действием э.д.с. контактной сети.
Регулирование тормозного усилия плавным
изменением тока возбуждения от 0 до 1100А осуществляется изменением угла
открытия тиристоров выпрямительных установок возбуждения 60.
Основные регуляторы и датчики.
Регулятор напряжения РН-43. Предназначен для
поддержания заданного напряжения цепей управления.
Датчик тока ДТ-39. Предназначен для формирования
электрического сигнала, пропорционального токам якорей или токам возбуждения
тяговых двигателей в режиме рекуперативного торможения.
Датчик угла коммутации ДУК. Предназначен для
формирования импульсов напряжения, длительность которых соответствует времени
коммутации тока в плечах силового преобразователя.
Трансформатор тока ТТ-14. Предназначен для
формирования импульсов тока в момент коммутации тока в плечах преобразователя
ВИП для датчика угла коммутации.
Контроллер машиниста КМЭ-80. Предназначен для
дистанционного управления электровозом в режимах тяги и рекуперативного
торможения. КМЭ имеет сельсины марки БД-501НА для управления ВИП в режимах тяги
и рекуперации.
Датчик тока ДТ-020. Предназначен для
формирования напряжения, пропорционального току якоря.
Рис1. Принципиальная электрическая схема
электровоза ВЛ80р в режиме рекуперативного торможения.
2. Функциональная схема
САР
Режим рекуперативного торможения предполагает
наличие двух управляемых выпрямительных установок. Управляемые выпрямительные
установки (ВИП и ВУВ) осуществляют питание обмоток возбуждения и инвертирование
тока. Для вентилей ВИП и ВУВ необходимы системы управления для регулирования
углов открытия тиристоров.
Каждая функциональная схема имеет задающие
элементы (задатчики) для задания требуемого значения регулируемого параметра.
Поскольку проектируемая система является двухпараметрической, то будем иметь
два задатчика.
Функциональная схема содержит задатчики для
снятия действительных значений регулируемых параметров и элементы сравнения для
сравнения заданных и действительных значений параметров регулирования.
Функциональная схема проектируемого САР
представлена на рисунке № 2.
На рисунке № 2 применены следующие обозначения:
ЗдТВ - задатчик тока возбуждения (КМЭ-80);
ЗдТС - задатчик тормозной силы (КМЭ-80);
БП - блок питания;
БВУ - блок выпрямительной установки возбуждения
(БВУ-758);
БУ - блок управления (БУВИП-113);
ДТЯ - датчик тока якоря (ДТ-020);
ДТВ - датчик тока возбуждения (ДТ-39);
ДТС - датчик тормозной силы;
ОР - орган регулирования (ТЭД).
3. Разработка
принципиальных схем основных элементов системы
3.1 ОБЩИЕ ПОЛОЖЕНИЯ
Функциональные схемы являются основой для
конструирования всей системы, состоящей из отдельных элементов. Для
исследования статических и динамических характеристик системы в целом
составляют ее структурную схему, которая состоит из отдельных типовых
динамических звеньев и является ее математической моделью. Поэтому, конструируя
тот или иной функциональный узел, удобно давать математическую модель, которая
отражает его статическую и динамическую характеристики, служит основой для
составления общей структурной схемы. Заметим, что число звеньев (узлов) в
функциональной и структурной схемах может не совпадать, так как функциональный
узел может быть довольно сложным, а его математическое описание выходит за
рамки элементарного математического звена, то есть передаточная функция
оказывается типовой.
Наиболее универсальной математической
характеристикой звена (или системы в целом) является передаточная функция,
являющаяся свернутым изображением дифференциального уравнения, описывающего
динамику передачи сигналов с входа на выход. Для ее получения необходимо,
прежде всего, установить, что считать сигналами входа и выхода и записать
связывающее их дифференциальное уравнение. Далее, пользуясь правилами
формализации (в частности переходя к операторной форме записи), установить
передаточную функцию.
Рассмотрим основные функциональные узлы
применительно к простейшим системам управления ЭПС и дадим их математические
описания.
3.2 ОБЪЕКТ РЕГУЛИРОВАНИЯ (УПРАВЛЕНИЯ)
В качестве объекта управления на ЭПС в
большинстве случаев принимается тяговый двигатель, так как с его работой
связано движение локомотива и поезда; тяговый двигатель формирует основные
регулируемые параметры - ток и зависящий от него вращающий момент (силы тяги и
торможения), скорость вращения (в конечном счете - поступательную скорость) и
т. п.
Тяговый Двигатель локомотива может работать как
в режиме двигателя, так и генератора; в том и другом случаях он может иметь
последовательное или независимое возбуждение. имея в большинстве случаев
передаточную функцию звена первого или второго порядка, электрическая цепь
тягового двигателя неоднозначна по параметрам, входящий в передаточную функцию.
.2.1 Двигатель
последовательного возбуждения
Представлены (рис. 3) принципиальная
схема (а), функциональное звено (б) и его передаточная функция (в), когда входным
сигналом считается приложенное к коллектору двигателя напряжение 
, выходным - величина тока 
.
Передаточная функция тягового
двигателя, как звена системы авторегулирования, получена на основе
дифференциального уравнения
(1)
где 
, 
, 
- индуктивность, активное
сопротивление и ЭДС двигателя.
Рис. 3
Тяговый двигатель - нелинейное
звено, так как 
, а функция 
представляет кривую намагничивания.
Используя приемы линеаризации, можно записать уравнение динамического
равновесия в приращениях:
(2)
Учитывая, что электрический
переходной процесс развивается достаточно быстро и V=const, уравнение
может быть записано в виде
(3)
где 

постоянный коэффициент для точки
линеаризации.
Тогда
(4)
где 
и

- передаточная функция двигателя
последовательного возбуждения, полученная на основе линеаризованного уравнения
для конкретной точки линеаризации;
, (6)
, (7)
Необходимые цифровые данные для
расчета 
можно получить по тяговым
характеристикам и характеристике намагничивания с использованием следующих
формул:
, (8)
где 
- передаточное число редуктора
электровоза;

- число пар полюсов;

число проводников обмотки якоря;

диметр бандажа, м;


число параллельных ветвей обмотки
якоря;
, (9)
где 
индуктивности обмотки возбуждения,
якоря и дополнительных полюсов соответственно, Гн:
, (10)
где 

коэффициент рассеяния главных
полюсов;


число витков катушки главных
полюсов.
Учитывая, что наибольшая часть
индуктивности всей цепи тягового двигателя сосредоточена в его обмотке
возбуждения, можно принять
, (11)
, (12)
Отношение 
находится по кривой намагничивания
для тягового двигателя, размерность магнитного потока 
Вб.
.2.2 Тяговый двигатель в режиме генератора
При рекуперативном торможении
тяговый двигатель переводится в режим генератора, как правило, с независимым
возбуждением (в системах импульсного регулирования при электрическом торможении
может сохраниться последовательное возбуждение).
При рекуперативном торможении используются
оба канала воздействия: изменение подведенного, противодействующего со стороны
сети напряжения (инвертора) и возбуждения.
Таким образом, тяговый двигатель,
как объект регулирования в системах ЭПС, может в линеаризованном виде
приниматься звеном первого или второго порядков, однако числовые значения
входящих в передаточные функции параметров зависят от выбранных сигналов входа
и выхода и способа возбуждения. Возможны и уточненные, но более сложные
математические модели тягового двигателя .
.3 ДАТЧИКИ
В зависимости от выбранных или
заданных параметров (контролируемых величин) выбираются датчики: тока,
напряжения, скорости, давления, силы и т. п. Необходимо иметь в виду, что
подавляющее большинство систем авторегулирования и автоуправления (а на ЭПС -
практически все) строится на электрическом принципе. Поэтому независимо от
физической природы контролируемой величины выходной сигнал датчика, как
правило, один: электрическое напряжение в вольтах. Таким образом, датчики
органически включают элемент преобразования сигналов.
В автоматизированных системах
управления ЭПС по току и скорости требуются датчики соответствующих величин.
Если управление ведется по тяговому (тормозному) усилию, то информацию об этом
получают косвенным путем.
3.3.1
Датчики тока
В качестве датчиков переменного тока
используют измерительные трансформаторы. Датчики постоянного тока на ЭПС с
целью гальванической развязки высоковольтных цепей и управления выполняют в
виде трансформаторов постоянного тока (ТПТ) на базе магнитных усилителей. На
электровозе ВЛ80р в цепях измерения используются датчики тока (ДТ-039) со
следующими техническими данными:
напряжение питания 127 В;
коэффициент трансформации 1240 мА/А;
сопротивление нагрузки 44 Ом;
номинальный первичный ток 1100 А;
режим работы длительный.
3.3.2
Датчики скорости
В системах автоуправления ЭПС
используются тахогенераторные датчики скорости, устанавливаемые в буксовом узле
и механически соединенные с осью колесной пары.
Внешнюю характеристику
тахогенератора можно считать линейной
(13)
датчик в целом - безынерционным, а
передаточный коэффициент
является,
по существу, масштабным коэффициентом, переводящим скорость (км/ч или м/с) в
вольты. При проектировании можно условно считать, что километру в час
соответствует один В выходного напряжения.
3.3.3
Датчики силы
Непосредственное измерение силы
(тяги и торможения) хотя принципиально и возможно с помощью тензометрических
или подобных им устройств, однако в эксплуатационных условиях на ЭПС такие
датчики еще не нашли практического применения. Поэтому информацию о силах тяги
или торможения получают косвенным путем, для чего используются функциональные
преобразователи.
Рис. 4
Так, например, информацию о величине
тормозной силы можно получить, выполнив в соответствии с выражением
, (14)
две операции: функциональное
преобразование по нелинейному закону тока возбуждения Iв в
магнитный поток Ф; перемножение магнитного потока и тока якоря с учетом
масштабных коэффициентов. Функционально датчик силы состоит из нескольких
элементов (рис. 6), чаще всего нелинейных, взаимодействующих между собой на
принципе вычислительных устройств непрерывного действия. Часто операции
функционального преобразования и перемножения совмещаются в одном устройстве.
Поскольку для исполнения
функциональных преобразователей используются быстродействующие (часто -
электронные) элементы, в динамическом режиме их можно считать безынерционными.
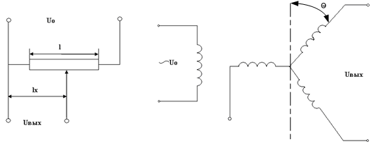
.4 ЗАДАЮЩИЕ УСТРОЙСТВА (ЗАДАТЧИКИ)
В качестве задающих элементов
используются устройства, у которых выходной сигнал Uвых
изменяется в зависимости от положения какого-либо перемещающегося элемента,
приводимого в движение чаще всего вручную или автоматически по заданной
программе. Задатчиками могут быть потенциометры и регулируемые резисторы,
поворотные трансформаторы, сельсины.
Для потенциометра (рис. 6,а)
выходной сигнал
(при
равномерном распределении сопротивления по длине), для сельсина (рис. 7,б),
работающего в режиме задатчика,
,
где k -
коэффициент, зависящий от параметров сельсина;
- угол отсчета, при этом за
исходное положение задатчика принимается такое, при котором Uвых=0, то
есть
,
.
Рис. 5
Инерционностью задающих устройств,
как правило, пренебрегают, так как переходный процесс в системе управления
начинается после появления управляющего сигнала, то есть выходного сигнала
задатчика.
.5 ЭЛЕМЕНТЫ СРАВНЕНИЯ ИЛИ
КОМПАРАТОРЫ
Элементы сравнения представляют
собой вычислительные устройства автоматики, выполняющие операцию вычитания для
получения сигнала разности между двумя входными (рис. 6). Чаще всего на
элементе сравнения получают сигнал рассогласования (ошибки) между сигналами
задающего устройства и обратной связи (датчика).
Простейшие элементы сравнения
напряжений выполняются по схемам рис. 6,в, г, реализующим операцию:
, (15)
Принципиально операция сравнения
может быть выполнена на любом устройстве, имеющем более одного входа (магнитные
или электромашинные усилители и т.п.).
Рис. 6
Особенностью потенциометрических
элементов сравнения, подобных изображенным на рис. 6, в, г, является их
безынерционность, в то время как обмотки управления магнитных и машинных
усилителей обладают определенной инерционностью.
3.6 УСИЛИТЕЛИ
Следует различать понятия:
усилитель, как конструктивный узел (магнитный, машинный и т.п.) и как элемент
по функциональному назначению в общей схеме автоматики. Так, например,
магнитный усилитель в зависимости от способа его использования может выполнять
функции датчика (тока, напряжения), вычислительного элемента, усилителя,
фазорегулятора и т.п.
Усилителем мощности (или просто
усилителем) называется устройство, в котором мощность выходного сигнала
превышает мощность входного. Эффект усиления по мощности достигается в
усилителях за счет энергии некоторого вспомогательного источника (рис. 7), то
есть входной сигнал усилителя хвх лишь управляет передачей энергии от источника
на выход усилителя.
В зависимости от характера
вспомогательного источника энергии усилители могут быть механическими,
гидравлическими, пневматическими, электрическими и т. д. В устройствах
автоуправления ЭПС наибольшее распространение получили электрические усилители
с подвижными частями (реле, контакторы, электромашинные) и усилители, не
имеющие подвижных частей (электронные, магнитные и т.п.).
xвх
хвых
Рис 7
Среди основных характеристик любого
усилителя необходимо выделить следующее: мощность, коэффициент усиления,
инерционность. Коэффициент усиления по мощности всегда больше единицы, а по ее
составляющим (по току и напряжению - для электрических усилителей) - любым, в
том числе n меньше единицы. Инерционность усилителей определяется по их
динамическим характеристикам. Если постоянная времени усилителя,
характеризующая его инерционность, по крайней мере, на два порядка меньше
наименьшей из постоянных времени других звеньев автоматической системы, то его
можно считать безынерционным звеном.
К ним относятся: ламповые,
транзисторные и тиристорные. Ламповые и транзисторные усилители могут работать
как в режиме линейного преобразования сигналов (собственно усилитель), так и в
ключевом(насыщения); тиристорные усилители работают только в режиме
электронного ключа.
Наиболее часто используемая схема
транзисторного усилителя с общим эмиттером приведена на рис. 8 а, а его
выходная характеристика Ik(Iб) - на рис.
8 б где Uп - напряжение питания; Uу - напряжение управления; Uсм и Iсм
-напряжение и ток смещения для надежного закрытия транзистора. Как видно на
рис. 8 б, зависимость Ik (Iб)
характеризует коэффициент усиления по току
, (16)
а для линейной части характеристики
можно считать
. (17)
Рис. 8
Учитывая, что приращение эмиттерного
тока
,
. (18)
Коэффициент усиления по напряжению
, (19)
то есть даже при
=
коэффициент
усиления по напряжению значительно больше единицы.
Коэффициент усиления по мощности
б =Iу
. (20)
При расчете транзисторного усилителя
в проекте необходимо:
установить, по какому параметру
требуется усиление (току, напряжению, мощности с учетом характера нагрузки);
по параметрам нагрузки в
коллекторной цепи усилителя выбрать напряжение питания;
по максимальному току нагрузки
выбрать тип транзистора, сопротивление коллекторной цепи рассчитывается по
выражению
, (21)
Где
и
- сопротивление нагрузки и
эмиттерно-коллекторного перехода для выбранного типа транзистора;
выбрав напряжение управления (оно
может быть и задано), по максимально базовому току (Iб м рис. 8 б) найти
, (22)
где
- дополнительное сопротивление в
цепи управления.
Для обеспечения плавного
регулирования тока управления
,резистор
должен быть
регулируемым, если напряжение является стабильным
является
стабильным.
3.6.2
Магнитные усилители (МУ)
Магнитный усилитель представляет
собой статическое устройство, действие которого основано на использовании
существенной нелинейности кривой намагничивания ферромагнитного материала.
Основной характеристикой МУ является
зависимость между токами нагрузки и управлении, .которая отображает коэффициент
усиления МУ по току (рис.9). МУ представляет собой катушку, включенную в сеть
переменного тока и расположенную на магнитопроводе, магнитный поток в котором
может усиливаться или ослабляться за счет подмагничивания катушкой постоянного
тока (управления). В соответствии с уравнением равновесия магнитодвижущих сил
, (23)
где Wн и Wу - число
витков рабочей катушки и управления;
Коэффициент усиления по току

, (24)
Рис 9
Соответственно коэффициенты
усиления:
по напряжению

, (25)
где Rн, Ry -
сопротивления цепей нагрузки и управления;
по мощности

, (26)
Магнитный усилитель в режиме
фазорегулятора. Способность МУ резко изменять сопротивление цепи нагрузки при
насыщении используется в устройствах фазорегулирования ( БУРТ электровоза
ВЛ80р). Для увеличения наклона характеристики насыщения МУ собирается по схеме
с внутренней обратной связью (схема амплистата рис. 10).
Момент насыщения
по отношению
к питающему напряжению (рис. 11) зависит от степени подмагничивания, то есть от
тока управления, так как
(27)
Учитывая, что
, можно
записать
. (28)
Таким образом, момент (фаза)
появления сигнала на выходе становится функцией тока управления.
Наличие нескольких обмоток
управления на сердечнике МУ дает возможность регулировать фазу от нескольких
сигналов управления, то есть МУ, как фазорегулятор, может одновременно быть и
решающим устройством.
3.6.3
Электромашинный усилитель
В устройствах автоматики общепромышленного
назначения широко используются специализированные электромашинные усилители с
поперечным полем.
Передаточная функция
электромашинного усилителя, как элемента автоматики, может быть найдена по двум
уравнениям электродинамики:
, (29)
, (30)
где Lу, Lq -
индуктивность цепей управления и обмотки поперечного поля;
Rу, Rq, Iу, Iq -
соответствующие сопротивления и токи;
Eвых -
выходная ЭДС усилителя.
Проведя соответствующие преобразования,
можно получить выражение передаточной функции ЭМУ:
, (31)
где T1,T2 -
постоянные времени цепи обмотки управления и поперечной цепи якоря ЭМУ;
ky -
коэффициент усиления по напряжению;
- число витков обмотки управления;
m1 - угловой
коэффициент характеристики холостого хода ЭМУ;
.7 ГЕНЕРАТОРЫ ИМПУЛЬСОВ
Плавное регулирование напряжения на
коллекторе тягового двигателя в системе ЭПС постоянного тока возможно при
импульсном регулировании. Для этой цели в системе управления необходимо
предусмотреть генерирование импульсов с регулируемой частотой (ЧИМ) и шириной
(ШИМ) импульсов.
В настоящее время применяется много
различных схем и конструкций импульсных устройств, в основе которых
используются полупроводниковые элементы, работающие в режиме ключа, и
формирующие RC-цепочки.
Основными из видов генераторов импульсов (или задающих генераторов ЗГ) являются
мультивибратор на транзисторах (рис.12), блокингенератор с трансформаторной
связью (рис.13) и релаксационный генератор на динисторе (рис.14).
Не останавливаясь подробно на
принципах работы каждого из ЗГ, отметим, что общим для них являются процессы
заряда-разряда конденсатора в цепи RC, которые в
сочетании с ключевым режимом работы полупроводниковых приборов дают
незатухающие колебания на соответствующих выходах.
Известно, что дифференциальное
уравнение, описывающее переходный процесс в цепи с R и C, имеет вид
где U -
приложенное напряжение. Учитывая, что
это уравнение может быть записано в
виде
, (33)
а его решение
. (34)
где
- постоянная времени цепи.
Для блокинг-генераторов и
генераторов на динисторах характерным является значительное превышение
продолжительности паузы tи над импульсом. Поэтому можно
считать Т=tп .
Продолжительность же паузы по-прежнему определяется временем разряда (у
блокинг-генератора) и заряда (у генератора на динисторе) конденсатора С на
резистор R. В то же
время частота следования импульсов у генераторов этой категории, кроме
постоянной времени τ
=
RC, зависит от
напряжения питания, что в некоторых случаях удобно использовать для
регулирования частоты.
Рис. 15
Способ регулирования частоты
изменением постоянной времени времязадающих цепей, то есть изменением R или С,
имеет ограниченные возможности, а кроме того, требует обязательного наличия
перемещающегося элемента (движка резистора пли вращения пластин конденсатора).
Этот способ возможен при ручном управлении частотой, а при автоуправлении он
менее пригоден.
Плавное регулирование частоты
мультивибратора может осуществляться по схеме, приведенной на рис. 17, п. В
этом случае для создания смещения на базах транзисторов используется источник
Есм, напряжение которого изменяется. С уменьшением Есм уменьшается скорость
изменения напряжения на конденсаторе (рис. 15,б). Это напряжение позже
достигает нулевого значения. То же самое можно отнести и, например, к
генератору на динисторе: чем меньше напряжение питания на зажимах общей схемы (
+ U). тем
медленнее будет заряжаться конденсатор С (см. рис. 14). Для симметричного
мультивибратора с учетом смещения
, (35)
то есть при неизменном напряжении
питания Ек период Т и частота f зависят от Eсм.
Для генератора на динисторе с учетом
того, что tн <tп и T=tп , можно
считать
, (36)
Где U -
напряжение питания;
Uп,д -
пороговое (пробивное) напряжение динистора. Таким образом, чем выше напряжение
питания U, тем меньше
Т и выше f.
В замкнутых системах автоуправления
ЭПС сигналом смещения для мультивибратора Есм или напряжения питания генератора
на динисторе U может
служить выходной сигнал интегратора, полученный как результат непрерывного
суммирования сигнала ошибки (рассогласования) регулирования (см. п. 3.8).
При выполнении курсового или
дипломного проекта генераторы импульсов могут приниматься как типовые звенья (в
том числе и приведенные на рис. 12 -15). Подробный .расчет задающих генераторов
производится по специальному заданию руководителя проектирования с
использованием дополнительных литературных источников.
3.8 ИНТЕГРИРУЮЩИЕ УСТРОЙСТВА
Исполнительными устройствами на ЭПС
с плавным регулированием напряжения чаше всего являются тиристорные
преобразователи. Их выходные сигналы Uвыпр, Uпм
пропорциональны управляющим сигналам αрег, f, которые
зависят от сигнала рассогласования. Поэтому при отсутствии рассогласования
выходные параметры исполнительных устройств становятся равными нулю
Принципиально такие системы, называющиеся статическими, могут существовать,
однако для ЭПС, где напряжение на двигателе должно расти вместе с увеличением
скорости даже при полном отсутствии рассогласования но току, статические
системы не обеспечивают необходимого качества регулирования. Необходимое
напряжение на двигателе и, следовательно, фаза или частота регулирования должны
сохраняться и при полном отсутствии рассогласования по току или скорости.
Системы с непрерывным суммированием
(интегрированием) рассогласования называния астатическими, они могут работать с
сигналом ошибки, равным нулю. Роль астатических звеньев выполняют интегрирующие
устройства, имеющие передаточные функции типа
, (37)
включенные между выходом элемента
сравнения и входом регулирующего элемента (фазорегулятора, генератора частоты и
т. п.).
Для RС-цепочки
при определенных соотношениях между R и С
справедливо уравнение
, (38)
а для двигателя
, (39)
то есть в обоих случаях выходной
сигнал является интегралом от входного. В первом случае величина RC=T является
темпом интегрирования. Если принять R = 106 Ом,
С=10-6 Ф, то Т = 1 с, а результат
при
Темп интегрирования при автопуске и
максимальное напряжение на выходе интегрирующего устройства должны быть
согласованы с напряжением питания регулирующего звена (фазорегулятора,
генератора частоты и т. п.) и ускорением движения поезда.
.9 ИСПОЛНИТЕЛЬНЫЕ (РЕГУЛИРУЮЩИЕ)
УСТРОЙСТВА
Исполнительными устройствами при
плавном регулировании на ЭПС являются выпрямительные или инверторные установки
(ВИПы), выпрямительные установки возбуждения (ВУВ), устройства частотной или
широтной модуляции. Их подробные схемы, с которыми можно ознакомиться по
соответствующим источникам, здесь не приводятся, учитывая, что к началу
выполнения данного проекта студент должен быть подготовлен при изучении курса
«Системы управления ЭПС». Все отмеченные устройства являются той или иной
комбинацией тиристорных ключей. Таким образом, передаточная функция
исполнительного звена предполагает безынерционную связь выходного напряжения
(выпрямленного или модулированного) и регулирующего сигнала (фазы, частоты и т.
п.).
Выбор исполнительного устройства
должен учитывать три основных момента:
род тока в питающей сети;
заданный в проекте режим работы -
тяга или торможение, реостатное или рекуперативное;
на пути сигналов регулирования αр или f к
исполнительному устройству с множеством силовых тиристоров они должны
претерпеть, подчас, многократное усиление и размножение. В конечном итоге это
не повлияет на их фазовую или частотную характеристику, однако элементы
усилительного преобразования и размножения в общей схеме должны быть отражены.
электровоз торможение
двигатель тяговый
4. Анализ
системы автоматического регулирования в режиме рекуперативного торможения
Система автоматического управления
предназначена для автоматического управления работой электровоза в режимах тяги
и рекуперативного торможения.
При работе в режиме рекуперативного
торможения САР выполняет следующие функции:
Предварительное торможение;
. Торможение до заданной скорости
движения с заданной и величиной тормозной силы и учётом ограничений тормозных
характеристик электровоза;
. Поддержание постоянства заданной
скорости движения при движении по переменному профилю;
. Остановочное торможение с заданной
и автоматически поддерживаемой величиной тормозной силы.
. При низких скоростях движения
обеспечивается противокомпаундирование (пртивовключение) тяговых
электродвигателей (на ЭП1 этот режим не поддерживается);
. Плавное нарастание тормозной силы
электровоза до заданного значения (тока якоря ТЭД);
. Ограничение токов якоря тяговых
электродвигателей на уровне 1000А;
. Ограничение тока возбуждения
тяговых электродвигателей на уровне 850А;
. Защиту от юза отдельной колёсной
пары и от синхронного юза всех колёсных пар электровоза.
Рис. 16 САР электровоза ВЛ65 (ЭП1) в
режиме рекуперативного торможения.
5. Анализ устойчивости
системы
Анализ устойчивости системы произведем по
критерию Михайлова.
Правило Михайлова:
Система устойчива тогда и только тогда, если
годограф начинается на вещественной оси, при изменении частоты вращается против
часовой стрелки и обходит столько квадрантов, каков порядок дифференциального
уравнения.
Передаточная функция САР:
(р)=
(К15(Т9р+1)(Т12р+1)(К”+р(Т4р+1)(Т7р+1))+1)/(К’*К2);
К’= 25*1,8*1,8*40*2,5*122,6*22 = 2436,493;
К”= 25*1,8*3,6*40*7,8*48,4*0,1 = 244,633;
К15= 0,61;
Т9 = 0,3; Т12 = 2,8; Т4 = 0,3; Т7 = 0,2;
(р)=(0,61(0,3р+1)(2,8р+1)(2436,493+р(0,3р+1)(0,2р+1))+1)/(25*244,633)
= 0,05р5+0,606р4+1,61р3+8,5р2+29,5р+9,5;
Передаточную функцию приведем к виду:
Д(jw)
= А+jВ,
воспользовавшись заменой оператора р на jw
р= jw;
р5+12,12р4+32,2р3+170р2+590р+190=0;
(jw)5+12,12(jw)4+32,2(jw)3+170(jw)2+590jw+190=0;
jw5+12,12w4-32,2jw3-170w2+590jw+190=0;
А= 12,12 w4-170w2+190;
Задаваясь различными значениями W
рассчитаем А и В в виде таблицы № 1.
Расчет устойчивости
Таблица № 1.
|
W
|
0
|
1
|
2
|
3
|
4
|
5
|
|
А
|
2
|
-5,9
|
-16
|
-5,9
|
22,4
|
25,9
|
|
В
|
0
|
28
|
-48
|
-28
|
-48
|
57,8
|
По данным таблицы № 1. построим годограф
Михайлова на Рис. № 17.
Судя по полученной зависимости система
устойчива.
Проверка системы на устойчивость по методу
Гурвица невозможна, так как в данном случае мы имеем уравнение пятого порядка,
что само по себе исключает возможность проверки, потому, что метод Гурвица
правилен для уравнений не выше 4-го порядка, но и в этом случае сокращается
большой процент ошибки.
Рис. 17
Вывод: система устойчива, так как годограф
начинается на вещественной оси и при изменении частоты вращается против часовой
стрелки обходит пять квадрантов.
Заключение
В данной курсовой работе представлена методика
расчета некоторых функциональных узлов электровоза переменного тока.
Приведена функциональная схема электровоза
ВЛ80р, которая является основой для конструирования всей системы, состоящей из
отдельных элементов.
Данная схема исследована на устойчивость по
критерию Михайлова. По полученному изображению годографа Михайлова сделан
вывод, что система устойчива, так как годограф начинается на вещественной оси и
при изменении частоты вращается против часовой стрелки обходит пять квадрантов.
Библиографический
список
1.
Автоматизация управления электроподвижного состава/В.Н. Лисунов, Н.С.
Назаров.-Омск.: ОмИИТ,-1982.
.
Автоматизация электрического подвижного состава/Ред. Д. Д. Захарченко.-М.:
Транспорт, 1978.