Розробка цифрового блоку з оптоелектронними елементами

  • Вид работы:
    Курсовая работа (т)
  • Предмет:
    Информатика, ВТ, телекоммуникации
  • Язык:
    Украинский
    ,
    Формат файла:
    MS Word
    275,39 Кб
  • Опубликовано:
    2014-11-21
Вы можете узнать стоимость помощи в написании студенческой работы.
Помощь в написании работы, которую точно примут!

Розробка цифрового блоку з оптоелектронними елементами

УМОВНІ ПОЗНАЧЕННЯ

КРС - комп’ютерні репросистеми;

ИС- інтегральная схема;

ТТЛ- цифрові мікросхеми транзисторно-транзисторна логіка;

ТТЛШ- цифрові мікросхеми транзисторно-транзисторна логіка зі структурами Шотки;

ГОІ - генератор одиночних імпульсів;

ВЛІ - вузол лічильника імпульсів;

ВІНД - вузол індикації;

ЦБІ - цифро-буквений індикатор;

ДШ - дешифратор;

СВД - світло-випромінюючий діод;

ЛОІ - лічильник одиниць імпульсів (на основі двійково-десяткового лічильника СТ 2/10);

ЛДІ - лічильник десятих імпульсів (на основі двійково-десяткового лічильника СТ 2/10);

ЛCІ - лічильник сотих імпульсів (на основі двійково-десяткового лічильника СТ 2/10);

ЛТІ - лічильник тисячних імпульсів (на основі двійково-десяткового лічильника СТ 2/10);

ВСТУП

Основним об’єктом вивчення для цієї дисципліни є схеми периферійних пристроїв КРС та їх вузлів (дисплеїв, сканерів, принтерів). Схемотехніка - це науково-технічний напрям, що охоплює проблеми аналізу і синтезу схем електронних пристроїв автоматики, обчислювальної техніки, радіотехніки, зв’язку з метою забезпечення виконання ними заданих функцій.

Схемотехніка займається також розрахунком параметрів та вибором елементів, з яких складаються схеми. Сучасний етап розвитку науково-технічного прогресу характеризується широким використанням електроніки у всіх сферах життєдіяльності людини. Прискорення науково-технічного прогресу у всіх областях вимагає інтенсивного розвитку таких напрямів науки і техніки як автоматизація, роботизація, мікроелектроніка, обчислювальна техніка, освоєння нових технологій і нових матеріалів.

Метою цієї курсової роботи є розробка блока з генератором одиночних імпульсів, двійково-десятковим лічильником і вузлом індикації на цифробуквених індикаторах (ЦБІ) з індикацією на сегментних ЦБІ на світловипромінюючих діодах. Світловипромінюючим діодом (СВД) називається напівпровідниковий діод, призначений для перетворення енергії електричного струму в енергію некогерентного світлового випромінювання. Цифробуквенні індикатори (ЦБІ) на основі СВД являють собою інтегральні схеми з діодних структур у вигляді сегментів та необхідних електричних з’єднань з виводами схем.

1. РОЗРОБКА СТРУКТУРНОЇ СХЕМИ БЛОКУ

При проектуванні двійково-десяткового лічильника одиночних імпульсів нам необхідно мати генератор одиночних імпульсів, який буде подавати сигнал на лічильник, а той в свою чергу підраховуватиме їх кількість. Ще нам потрібно мати дві кнопки, першу для перемикання контактів, а другу для обнуління вузла лічильника. За варіантом завдання лічильник має чотири десяткових розряди. Тобто для виконання необхідних операцій, в цифровому блоці повинні знаходитись чотири двійково-десяткових лічильника.

Лічильники мають більш високий, ніж регістри, рівень складності цифрових мікросхем, що мають внутрішню пам’ять. Хоча в основі будь-якого лічильника лежать ті ж самі тригери, які утворюють і регістри, але в лічильниках тригери сполучені складнішими зв’язками, внаслідок чого їх функції - складніші, і на їх основі можна будувати складніші пристрої, ніж на регістрах. Внутрішня пам’ять лічильників - оперативна, тобто її вміст зберігається тільки до тих пір, поки включено живлення схеми. З виключенням живлення пам’ять стирається, а при новому включенні живлення схеми вміст пам’яті буде довільним, випадковим, залежним тільки від конкретної мікросхеми, тобто вихідні сигнали лічильників будуть довільними.

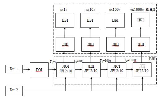
Спрощена структурна схема блока двійково-десяткового лічильника одиночних імпульсів показана на Рис.1. Мій двійково-десятковий лічильник одиночних імпульсів складається з трьох основних вузлів:

ГОІ - генератор одиночних імпульсів;

ВЛІ - вузол лічильника імпульсів;

ВІНД - вузол індикації.

Рис.1 Структурна схема блока двійково-десяткового лічильника одиночних імпульсів.












Скорочення до схеми:

ЦБІ - цифро-буквений індикатор;

ДШ - дешифратор;

СВД - світло-випромінюючий діод;

ЛОІ - лічильник одиниць імпульсів (на основі двійково-десяткового лічильника СТ 2/10);

ЛДІ - лічильник десятих імпульсів (на основі двійково-десяткового лічильника СТ 2/10);

ЛCІ - лічильник сотих імпульсів (на основі двійково-десяткового лічильника СТ 2/10);

ЛТІ - лічильник тисячних імпульсів (на основі двійково-десяткового лічильника СТ 2/10);

ВІНД - вузол індикації на СВД;

ВЛІ - вузол лічильника імпульсів;

Кн. 1 - кнопка з контактами, які мають перемикальні властивості;

Кн. 2 - кнопка для установки ВЛІ в нульове положення.

Принцип роботи:

Початок роботи двійково-десяткового лічильника одиничних імпульсів відбувається після натиснення кнопки КН2, що установлює всі тригери лічильників у нульовий стан. При кожному натисканні на кнопку КН1 генератор ГОІ виробляє одиничний імпульс, що надходить на ВЛІ. Послідовно з’єднані лічильники ЛОІ, ЛДІ, ЛСІ, ЛТІ підраховують кількість одиничних імпульсів, які надходять на їхні входи. ВІНД забезпечує індикацію поточного коду вузла ВЛІ на цифробуквених семисегментних індикаторах на СВД.

2. ВИЗНАЧЕННЯ ОСНОВНИХ ЕЛЕМЕНТІВ БЛОКУ

.1 Вибір елементів генератора імпульсів

Генератор одиничних імпульсів з ручним керуванням іноді називають схемою ліквідації дріботіння контактів. При з’єднанні електричних контактних перемикачів (кнопок) зі швидкодіючими логічними схемами існує проблема дріботіння контактів. У процесі замикання електричного контакту приблизно протягом 1 мс після початку замикання контакт установлюється й розривається від 10 до 100 разів. Якщо через такий контакт подавати логічний сигнал безпосередньо на вхід логічного елемента, то на виході його з’явиться подібне дріботіння з довільним числом зміни рівнів вихідного сигналу. Проста схема ліквідації дріботіння контактів може бути побудована на основі асинхронного RS-тригера.

Для проектування лічильника будемо використовувати мікросхему типу ТР2, в яку входять чотири асинхронні RS-тригери. Для вибору кращої з них використаємо загальний критерій порівняння якості - середню роботу перемикання - А, для мікросхеми ТР2 серії 1533 (ТТЛШ) або 555 (ТТЛШ).

Таблиця 2.1. Параметри мікросхем 1533ТР2 и 555ТР2

1533 ТР2

555 ТР2

Напруга живлення Uж = +5В

Напруга живлення Uж = +5В

Вихідна напруга низького рівня U°вих ≤ 0,4 В

Вихідна напруга низького рівня U°вих ≤ 0,5 В

Вихідна напруга високого рівня U1вих ≥ 2,4 В

Вихідна напруга високого рівня U1вих ≥ 2,7 В

Вхідний струм низького рівня І0вх ≤ - 0,2 мА

Вхідний струм низького рівня І0вх ≤ - 0,4 мА

Вхідний струм високого рівня І1вх ≤ 0,02 мА

Вхідний струм високого рівня І1вх ≤ 0,02 мА

Час затримки розповсюдж. при вкл. t10затр≤ 26 нс

Час затримки розповсюдж. при вкл. t10затр ≤ 27 нс

Час затримки розповсюдж. при викл. t01затр ≤ 20 нс

Час затримки розповсюдж. при викл. t01затр ≤ 21 нс

Струм споживання Іспож ≤ 6 мА

Струм споживання Іспож ≤ 7 мА


Порівняння інтегральних мікросхем по середній роботі перемикання - А.

ТР2:

Іспож ср.= 6 мА

Рспож.ср. = Uж · Іспож. ср. = 5В · 6· 10-3 А = 30 · 10-3 Вт = 30 мВт;затр.ср = (t10затр + t01затр)/2 = (26 · 10-9 с + 20 · 10-9 с)/2 = 23 · 10-9 с = 24,5 нс;


ТР2:

Іспож ср.= 7 мА

Рспож.ср. = Uж · Іспож. ср. = 5В · 7· 10-3 А = 35 · 10-3 Вт = 35 мВт;затр.ср = (t10затр + t01затр)/2 = (27 · 10-9 с + 21 · 10-9 с)/2 = 24 · 10-9 с = 24 нс;

А пер.ср = Рспож. ср · tзатр.ср = 35 · 10-3 Вт · 24 · 10-9 с = 840 · 10-12 Дж.

Після порівняння за узагальненим критерієм середньої роботи перемикання А робимо висновок, що інтегральна схема 1533 ТР2 є кращою, тому саме вона використовуватиметься як основний елемент генератора.

.2 Вибір елементів власне цифрового блоку

В склад власне цифрового блоку входять лічильники. В основі будь-якого лічильника лежать тригери, які утворюють складніші зв’язки, ніж на регістрах, внаслідок чого їх функції - складніші, і на їх основі можна будувати складніші пристрої, ніж на регістрах. Точно так, як і у разі регістрів, внутрішня пам’ять лічильників - оперативна, тобто її вміст зберігається тільки до тих пір, поки включено живлення схеми. З виключенням живлення пам’ять стирається, а при новому включенні живлення схеми вміст пам’яті буде довільним, випадковим, залежним тільки від конкретної мікросхеми, тобто вихідні сигнали лічильників будуть довільними.

В даному випадку цифровий блок складається з чотирьох, послідовно розташованих, двійково-десяткових лічильників. Вони виконують підрахунок одиночних імпульсів від нуля до дев’яти тисяч дев’ятсот дев’яносто дев’яти.

Як основні елементи двійково-десяткового лічильника, для нашого цифрового блока, можна використати мікросхеми ІЕ2 серії КР134 (ТТЛ) або К555 (ТТЛШ). Для того, щоб вибрати з цих мікросхем найбільш відповідну, скористаємося загальним критерієм порівняння якості - середньою роботою перемикання (А).

Таблиця 2.2 Параметри мікросхем КР134ИЕ2 і К555ИЕ2

КР134 ИЕ2

К555 ИЕ2

Напруга живлення: Uж = +5В

Напруга живлення: Uж = +5В

Вихідна напруга низького рівня: U°вих ≤ 0,3 В

Вихідна напруга низького рівня: U°вих ≤ 0,5 В

Вихідна напруга високого рівня: U1вих ≥ 2,6 В

Вихідна напруга високого рівня: U1вих ≥ 2,7 В

Вхідний струм низького рівня: І0вх ≤ - (0,18...1,08) мА

Вхідний струм низького рівня: І0вх ≤ - (0,4...3,2) мА

Вхідний струм високого рівня: І1вх ≥0,072 мА

Вхідний струм високого рівня: І1вх ≥ 0,02...0,08 мА

Струм споживання Іспож=7,25 мА

Струм споживання Іспож=15 Ма

Час затримки розповсюдження при включенні: t1.0затр. р.≤ 400 нс

Час затримки розповсюдження при включенні: t1.0затр. р. ≤ 50 нс

Час затримки розповсюдження при виключенні: t0.1затр. р. ≤ 400 нс

Час затримки розповсюдження при виключенні: t0.1затр. р. ≤ 48 нс


Порівняння інтегральних мікросхем по середній роботі переключення - А:

КР134 ИЕ2:

Іспож. сер. = Іспож = 7, 25 мА;

Рспож.сер. = Uж · Іспож. сер. = 5В · 7, 25 · 10-3 А = 36,25 · 10-3 Вт = 36, 25 мВт;затр.ср = (t1.0затр. р.+t0.1затр. р.)/2 = (400 · 10-9 с + 400 · 10-9 с)/2 = 400 · 10-9с = 400 нс;

А пер.ср = Рспож. ср · tзатр..ср = 36, 25 · 10-3 Вт · 400 · 10-9 с = 14500 · 10-12 Дж.

К555 ИЕ2:

Іспож. сер. = Іспож = 15 мА;

Рспож.сер. = Uж · Іспож. сер. = 5В · 15 · 10-3 А = 75 · 10-3 Вт = 75 мВт;затр.ср = (t1.0затр. р. + t0.1затр. р.)/2 = (50· 10-9 с + 48 · 10-9 с)/2 = 49 · 10-9 с = 49 нс;

А пер.ср = Рспож. сер · tспож.сер = 75 · 10-3 Вт · 49 · 10-9 с = 3675 · 10-12 Дж.

Вирахувавши узагальнений критерій порівняння середньої роботи перемикання А, можемо зробити висновок, що інтегральна схема К555 ІЕ2 є кращою, тому використовуватиметься як основний елемент цифрового блоку саме ця схема.

.3 Вибір елементів вузла індикації

Блоками цифрової індикації ми умовно називаємо найважливіші частини і вузли вимірювальних і контролюючих приладів, електронного годинника і багатьох інших приладів і пристроїв з візуально спостережуваною цифровою інформацією. Їх утворюють дешифратори - спеціальні мікросхеми, що перетворюють (що дешифрують) логічний кодовий стан лічильників імпульсів в сигнали десяткової системи, і знакосинтизуючі індикатори - електронні прилади, що відображають інформацію. Один дешифратор і що відповідає йому один знакосинтизуючий індикатор утворюють однорозрядний блок цифрової індикації.

При проектуванні цифрових вузлів і блоків часто виникає необхідність індикації рівнів логічних сигналів. Для цього зручно використовувати інвертори з відкритим колектором, підключаючи до них різні елементи індикації. Якщо необхідна напруга живлення, для зовнішнього індикатора складає 5В, то в якості джерела живлення можна використати те ж джерело, яке застосовується для живлення електросхем.

Для відображення роботи наших лічильників, нам необхідно розташувати у вузлі індикації два цифро-буквенних індикатора, якими управляють дешифратори. Дешифратори перетворюють двійковий код в напругу логічного рівня, що виникає в тому вихідному проводі, десятковий номер якого відповідає двійковому коду. Дешифратори підбираємо такі, які поєднуються з вибраними лічильниками, а саме постійна напруга повинна не перевищувати 5В.

В якості дешифратора візьмемо мікросхему К176 ИД2. Мікросхема К176 ИД2 являє собою перетворювач двійково-десяткового коду в сигнали семиелементного коду для цифрових сегментних індикаторів на світлодіодах. Ця мікросхема виготовляється на основі кремнієвих КМОП-структур і випускається в стандартному пластмасовому корпусі з 16-ма виводами. Мікросхема К176 ИД2 призначена для керування семиелементними ЦБІ на світлодіодах з роз’єднаними анодами сегментів. Умовне графічне позначення мікросхеми К176 ИД2 (Рис. 2. 3. 1).

Рис. 2. 3. 1 - Умовне графічне позначення мікросхеми К176 ИД2.

Призначення виводів:

S К М 8 16

- - - - -

Вхід керування; вхід блокування; вхід інверсії; спільний (корпус); +Uд.ж

, D1,D2,D3 - інформаційні входи; ,B,C,D,E,F,G - виходи, що підключаються до сегментів індикатора;

Таблиця 2. 3 відповідності вхідних і вихідних сигналів

D3

D2

D1

D0

A

B

C

D

E

F

G

Відображувана цифра

0

0

0

0

1

1

1

1

1

0

0

0

0

0

1

0

1

1

0

0

0

0

1

0

0

1

0

1

1

0

1

1

0

1

2

0

0

1

1

1

1

1

1

0

0

1

3

0

1

0

0

0

1

1

0

0

1

1

4

0

1

0

1

1

0

1

1

0

1

1

5

0

1

1

0

1

0

1

1

1

1

6

0

1

1

1

1

1

1

0

0

0

0

7

1

0

0

0

1

1

1

1

1

1

1

8

1

0

0

1

1

1

1

1

0

1

1

9


Дешифрування вхідних сигналів здійснюється при високому рівні на вході S, а на входах K і M у цей час повинні бути низькі рівні. При подачі на входи D0 -D3 певного двійково-десяткового коду на виходах A - G будуть з’являтися сигнали, що забезпечують індикацію відповідної цифри 0 - 9. При вхідних кодах від 10 до 15 на виходах дешифратора будуть сигнали 0000000, тобто індикатор світитися не буде.

У випадку установки на вході К високого логічного рівня всі виходи дешифратора замикаються незалежно від стану вхідної інформації (тобто, цифровий індикатор повністю вимикається).

Якщо під час роботи дешифратора на вхід S надходить низький рівень, то на виході фіксується той останній код, що був до зміни рівня на вході S, тобто на цифровому індикаторі запам’ятовується відповідна цифра, незалежно від зміни вхідної інформації.

При подачі на вхід М високого логічного рівня, на виходах формуються інверсні сигнали. Це дозволяє використовувати з даним дешифратором цифрові індикатори як із спільними анодами, так і зі спільними катодами (при цьому спільні аноди з’єднуються з +Uдж , а спільні катоди зі спільним проводом).

Слід зазначити, що максимальний вихідний струм цього типу дешифраторів обмежений величинами - 2... +3 мА, тому без вихідних підсилювачів до них можливо підключати тільки малопотужні цифрові індикатори.

Як індикатор оберемо схему КЛЦ201А - це однорозрядний індикатор з висотою цифри 18 мм з семи сегментів (Рис. 2. 3. 2). Виготовляється на основі планарних структур галій-фосфор-миш’як. Випускаються в пластмасовому корпусі. Маса не більше 10 г. Колір яким він світиться є червоний. Сила світла одного сегмента 2 мкд, постійна пряма напруга - 4 В. Такий індикатор нам підходить і за розміром цифри, і за внутрішніми характеристиками.

Рис. 2. 3. 2 - Індикатор КЛЦ201А

3. РОЗРАХУНОК ЛАНЦЮГА ІНДИКАЦІЇ

Для розрахунку вузла індикації використаємо один світловипромінюючий діод (Рис. 3.1).

Рис. 3.1 - Світловипромінюючий діод.

Еквівалентна схема підключення світлодіода до вихода логічного елемента І-НЕ.

Таблиця 3.1. Параметри мікросхеми К555ТР2 і світлодіода КЛЦ201А

К555ИЕ2

КЛЦ201А

Напруга живлення Uж = +5 В

Сила світла: Iv≥ 2 мкд

Вихідна напруга низького рівня- U°вих≤ 0,4 В

Постійна пряма напруга: Uпр ≤ 4 В

Вихідна напруга високого рівня: U1вих ≥ 2,4 В

Номінальний постійний струм: Iпр.ном = 20 мА


Для індикації світлодіода HL необхідно забезпечити проходження прямого струму Іпр.ном = 20мА по ланцюгу Uж-Rобмеж-НL-DD1-корпус. При цьому на мікросхемі DD1 буде падати напруга U0вих = 0,4В, а на світлодіоді HL буде падати напруга Uпр = 4В. Загальний спад напруги на мікросхемі DD1.1 і на світлодіоді НL складає:

Uзаг = U0вих + Uпр = 0,4 В + 4 В = 4,4 В

Таким чином, на обмежувальному резисторі спад напруги URобмеж повинно скласти:

Rобмеж = Uж - Uзаг = 5 В - 4,4 B = 0,6 В

Визначимо величину опору обмежувального резистора Rобмеж за законом Ома:

обмеж= URобмеж/Iпр.ном = 0,6 В / 20 ·10-3 А = 30 Ом

При цьому потужність, що виділяється на резисторі, складатиме:


Виконавши необхідні розрахунки, можна зробити висновок, що необхідний нам резистор, за довідником, буде типу ОМЛТ 0,125-270 Ом ± 5%, бо він підходить за усіма параметрами.

4. РОЗРОБКА І ОПИС РОБОТИ БЛОКА

.1 Розробка принципової схеми вузла генератора імпульсів та опис його роботи

Генератор одиничних імпульсів з ручним керуванням іноді називають схемою ліквідації дріботіння контактів. При стикуванні електричних контактних перемикачів (кнопок) зі швидкодіючими логічними схемами існує проблема дріботіння контактів. У процесі замикання електричного контакту приблизно протягом 1 мс після початку замикання контакт установлюється й розривається від 10 до 100 разів. Це пояснюється залипанням мікроскопічних виступів на поверхні контактів та іншими причинами.

Якщо через такий контакт подавати логічний сигнал безпосередньо на вхід логічного елемента, то на виході його з’явиться подібне дріботіння з довільним числом зміни рівнів вихідного сигналу.

Проста схема ліквідації дріботіння контактів може бути побудована на основі асинхронного RS - тригера (Рис 4. 1. 1).

Рис 4. 1. 1 - Асинхронний RS - тригер та його часова діаграма.

У вихідному стані асинхронний RS-тригер перебуває в стані 1 і на виході З буде потенціал логічної 1. Якщо натиснути й відпустити кнопку S з контактами, які перемикаються, то на входах тригера сигнали UR і US будуть мати вигляд, зображений на часовій діаграмі (тобто при розмиканні й замиканні контактів спостерігається явище дріботіння). При розмиканні контактів 1 і 3 і під час перельоту рухомого контакту 3, стан тригера не змінюється. При першому контактуванні контактів 2 і 3 тригер перемикається в стан 0 і на виході С з’явиться потенціал логічного 0.

При відпусканні кнопки S спочатку розмикаються контакти 2 і 3, однак стан тригера не змінюється. При першому контактуванні контактів 1 і 3 тригер перейде в стан 1 і на виході С з’явиться сигнал логічної 1.

Отже, при наявності дріботіння контактів на вході схеми на її виході формується чіткий сигнал UC, тривалість якого дорівнює часу натискання кнопки. При кожному натисканні кнопки схема формує на виході тільки один імпульсний сигнал. Як основний елемент генератора в даній роботі було обрано інтегральну схему 1533 ТР2. Вона включає чотири асинхронних RS-тригера, при чому два з них мають по два входи установки. Сигналом, що управляє, є рівень логічного нуля (низький рівень), оскільки тригери побудовані на логічних елементах І-НЕ із зворотними зв’язками (тобто виходи інверсні статичні). Установка тригера в стан високого або низького рівня здійснюється кодом 01 або 10 на входах S і R зі зміною коду інформації. Якщо на входах S1=S2=R=0, то на виході Q з’явиться напруга високого рівня. Проте цей стан не буде зафіксований: якщо вхідні рівні 0 прибрати, то але виході Q з’явиться невизначений стан. При поданні на входи S1=S2=R=1 напруга на виході залишиться без зміни. Досить на одному з входів S тригера встановити низький рівень напруги - 0, а на вході R високий рівень напруги - 1, і тригер встановиться в стан високого рівня Qn 1 = 1. У таблиці 4.1 показані стани одного з тригерів мікрохеми ТР2. Тимчасові діаграми його роботи приведені на Рис. 4. 1. 2.

Таблиця 4.1. Стан тригера ТР2

Входи

Вихід

 S1

S2

S

R

Qn+1

1

1

1

1

Qn

0

1

0

1

1

1

0




0

0




1

1

1

0

0

0

1

0

0

1* (*--стан нестабільний, може не зберігатись після после зняття „0” зі входів S и R)

1

0




0

0





.2 Розробка принципової схеми власне цифрового вузла і опис його роботи

Двійково-десяткові лічильники реалізують лічбу імпульсів у десятковій системі числення, причому кожна десяткова цифра від нуля до дев’яти кодується 4-розрядним двійковим кодом. Ці лічильники часто називають десятковими або декадними, оскільки вони працюють з модулем лічби, кратним десяти (10, 100, 1000 і т.д.).

Декада будується на основі 4-розрядного двійкового лічильника, в якому вилучається надлишкове число станів. Вилучення зайвих шести станів у декаді досягається багатьма способами:попереднім записуванням числа 6 (двійковий код 0110);після лічби дев’ятого імпульсу вихідний код дорівнює 1111 і десятковий сигнал повертає лічильник у початковий стан 0110, отже, тут результат лічби фіксується двійковим кодом з надлишком блокування переносів: лічба імпульсів до дев’яти здійснюється у двійковому коді, після чого вмикаються логічні зв’язки блокування перенесень; з надходженням десятого імпульсу лічильник закінчує цикл роботи і повертається в початковий нульовий стан;введенням обернених зв’язків, які забезпечують лічбу в двійковому коді й примусовим перемиканням лічильника в нульовий початковий стан після надходження десятого імпульсу. Лічильником називають пристрій, необхідний для підрахунку кількості імпульсів, що подаються на лічильниковий вхід імпульсу, ділення їх частоти і збереження двійкових багаторозрядних чисел.

В моїй роботі використаний лічильник імпульсів транзисторно-транзисторної логіки із структурами Шотки (ТТЛШ). Основну логічну операцію в елементі ТТЛШ виконує багатоемітерний транзистор, а саме мікросхема К555ИЕ2. Це 4-розрядний двійково-десятковий лічильник, що складається з чотирьох комбінованих тригерів типу JK. Перший тригер може працювати самостійно і утворює дільника вхідної послідовності імпульсів з коефіцієнтом ділення Кд = 2. Тактовий вхід першого тригера СО (вивід 14) інверсний динамічний, тому перемикання тригера відбувається спадом вхідного імпульсу, а вихід QO - вивід 12. Інші три тригери утворюють синхронного дільника на п’ять (Кд=5). Тактові входи С1 інверсні динамічні, управляються синхронно спадом вхідного імпульсу.

Лічильник має два входи R для синхронного спаду (обнуління), це виводи 2 і 3, а також два синхронних входи попередньої установки двійкового коду (1001 = 9), виводи 6 і 7. Входи R і S з логікою 2І-НЕ на вході. Входи синхронного спаду R1 і R2 забороняють дію імпульсів по всім тактовим входам і виходам попередньої установки. Імпульс, поданий на вхід R, виконує скидання даних по всім тригерам одночасно. Подача напруги на входи S1 і S2 забороняє проходження тактових сигналів, а також сигналів від входів R1 и R2 на лічильник. На виходах встановлюється код 1001=9. Так як вихід першого тригера внутрішньо не з’єднаний з наступними трьома тригерами, то можливі три незалежні режими роботи.

В моєму випадку необхідно використання ИЕ2 як двійково-десяткового лічильника зі значенням двійкових розрядів 8-4-2-1. В цьому випадку необхідно вивід 12 (вихід першого тригера) з’єднати з виводом 1 (тактовим входом трьох тригерів) зовнішнім перемикачем. Вхідна послідовність імпульсів подається на тактовий вхід першого тригера (вивід 14). Часові діаграми його роботи зображені на Рис. 4. 2.

Рис. 4. 2 - Часові діаграми роботи двійково-десяткового лічильника типу ИЕ2

Режим роботи ИЕ2 можна прослідкувати в таблиці станів (табл. 4. 2. 1) - це скидання даних в нуль, установка попереднього коду 1001 = 9 і підрахунок.

Таблиця 4. 2. 1 - Стани лічильника ИЕ2

Входи обнуління та установки

Виходи

 R1

R2

S1

S2

Q0р

Q1Р

Q2Р

Q3Р

1

1

0

0

0

0

0

1

1

X

0

0

0

0

0

X

X

1

1

1

0

0

1

0

X

0

X

Підрахунок

X

0

X

0

Підрахунок

0

X

X

0

Підрахунок

X

0

1

X

Підрахунок


Послідовність двійково-десяткового рахунку в лічильнику ИЕ2 див. Табл. 4. 2. 2

Таблиця 4. 2. 2 - Послідовність підрахунку імпульсів в лічильнику.

Кількість імпульсів

Виходи лічильника


Q

Q

Q

Q

0

0

0

0

0

1

0

0

0

1

2

0

0

1

0

3

0

0

1

1

4

0

0

0

5

0

1

0

1

6

0

1

1

0

7

0

1

1

1

8

1

0

0

0

9

1

0

0

1

10

0

0

0

0

11

0

0

0

1

12

0

0

1

0


.3 Розробка принципової схеми вузла індикації і опис його роботи

Вузол індикації в моїй роботі складається з чотирьох частин, кожна з яких складається з дешифратора та цифро-буквеного індикатора з’єднаних між собою послідовно.

Плоскі світловипромінюючі діоди конструктивного досить прості і мають велику робочу поверхню. Проте ефективність їх на порядок нижча ефективності півсферичних. пояснюється це тим, що в плоских світловипромінюючих діодах велика частина внутрішніх променів, що виходять із зони p, - n -переходу, падає на випромінюючу поверхню під кутом, що перевищує критичний, при якому відбувається повне внутрішнє відображення. СВД в основному застосовуються як елементи індикації включення, готовності апаратури до роботи, наявності напруги живлення у блоці, аварійної ситуації і інших станів.

Основними параметрами промислових СВД є:

Сила світла - випромінюваний діодом світловий потік, що доводиться на одиницю тілесного кута в напрямі, перпендикулярному площині випромінюючого кристала. Вказується при заданому значенні прямого струму і вимірюється в канделах.

Пряма напруга - падіння напруги на світлодіоді при протіканні через нього номінального прямого струму.

Максимально допустимий прямий струм - максимальне значення прямого струму, яке заборонено перевищувати.

Яскравість - величина, рівна відношенню сили світла до площі поверхні, що світиться. Вимірюється в канделах на квадратний метр при заданому значенні прямого струму через діод.

Номінальний прямий струм - це рекомендоване значення величини прямого струму при нормальній експлуатації.

Довжина хвилі світлового випромінювання - відповідає максимальній спектральній характеристиці випромінювання.

Основні параметри світлодіодів залежать від навколишньої температури. Зі збільшенням температури яскравість (сила світла), а також падіння напруги на діоді зменшується. Залежність яскравості від навколишньої температури. Зі збільшенням температури яскравість (сила світла), а також падіння напруги на діоді зменшується. Залежність яскравості від температури практично лінійна, в інтервалі робочої температури може змінюватися 2-3 рази. Для формування того або іншого знаку треба на відповідні елементи подати ті, що живлять напругу. Існує два способи елементів з’єднання індикаторів. У простому випадку підкладка використовується як загальний електрод для усіх СВД, а другі їх електроди мають індивідуальні виводи. Число зовнішніх виводів в цьому випадку робить на одиницю більше число СВД. Подаючи від схеми управління індикатором напруги на того, що відповідає з виводом, можна вирахувати необхідну смужку або точковий елемент, з яких складаються потрібна буква або цифра. Інший спосіб включення індикаторів називається x-y-з’єднання окремі діоди індикатори електрично-ізольовані один від одного. Усі катоди діодів, розташованих в одному рядку (вісь x), сполучені між собою і утворюють один вивід. Усі аноди СВД, розташованих в одному стовпці (осі у), сполучені між содою і також мають один загальний вивід.

Дешифратор мікросхема К176 ИД2 - перетворювач двійково-десяткового коду в сигнали семиелементного коду для цифрових сегментних індикаторів на світлодіодах. Ця мікросхема виготовляється на основі кремнієвих КМОП-структур і випускається в стандартному пластмасовому корпусі з 16-ма виводами.

Призначення виводів: D0 - D3 - інформаційні входи; Г - вхід гасіння; А, В, З, D, E, F, G - виходи, що підключаються до сегментних індикаторів; 16 - Uж; 8 - загальний. Дешифрування вхідних сигналів відбувається при встановленні високого логічного рівня на вході Г. При цьому вхідній інформації (на виводах D3, D2, D1, D0) 0000 відповідатиме вихідна (на виводах A, B, C, D, E, F, G) 0000001, що обумовлює збудження на індикаторі символу. Сигнал низького логічного рівня, Г (гасіння), що поступає на вхід, переводить усі виходи дешифратора в стани логічних нулів (незалежно від вхідної інформації), при цьому жоден сегмент індикатора не збуджується.

.4 Розробка принципової схеми блоку в цілому і опис його роботи

Спочатку живлення подається на блок СТ 2/10, після виконання цієї дії усі тригери лічильника встановлюються в нульовий стан шляхом натиснення кнопки Кн2. При кожному натисненні на кнопку Кн1 генератор одиночних імпульсів ГОІ виробляє поодинокий імпульс, який поступає на вузол лічильників імпульсів (ВЛІ).

Послідовно сполучені лічильник одиниць, лічильник десятків, лічильник сотень і лічильник тисяч (ЛОІ, ЛДІ, ЛСІ і ЛТІ відповідно) підраховують кількість одиничних імпульсів, які поступають на їх вхід.

Вузол індикації (ВІНД) забезпечує індикацію поточного коду вузла ВЛІ на ЦБІ на основі свіловипромінюючих діодах. Світлові діоди виводять інформацію.

імпульс генератор лічильник цифровий

ВИСНОВКИ

Під час виконання даної курсової роботи було розроблено цифровий блок з оптоелектронними елементами, а саме блок з генератором одиночних імпульсів, двійково-десятковим лічильником і вузлом індикації на цифробуквених індикаторах (ЦБІ). Були побудовані спрощена структурна і принципова схеми двійково-десяткового лічильника одиночних імпульсів, розроблені і описані основні вузли, які входять до складу блоку.

Було обрано інтегральна схему 1533 ТР2 як основний елемент генератора, за обрахованими показниками вона була кращою. В ході роботи були проведені розрахунки порівняльних характеристик різних мікросхем. Також був проведений розрахунок схеми індикації. Для власне цифрового блоку за узагальненим критерієм порівняння середньої роботи перемикання, було обрано, як найкращу, мікросхему К555 ИЕ2. Для вузла індикації було обрано - К176 ИД2 (дешифратор) і схему КЛЦ201А - це однорозрядний індикатор.

СПИСОК ВИКОРИСТАНОЇ ЛІТЕРАТУРИ

1.      Богданович М.И., Грель И.Н., Прохоренко В.А., Шалимо В.В. Цифровые интегральные микросхемы: Справ. - Минск: “Беларусь”, 1991.

.        Иванов В.И., Аксенов А.И., Юшин А.М. Полупроводниковые оптоэлектронные приборы: Справ. - М. “Энергоатомиздат”, 1989.

.        Резисторы: (справочник) / Ю. Н. Андреев, А. И. Антонян, Д. М. Иванов и др.; Под ред. И. И. Четверткова. - М.: Энергоиздат, 1981. - 352 с., ил.

.        Усатенко С.Т. и др.. Графическое изображение электрорадиосхем. - К.: «Техніка», 1986.

Похожие работы на - Розробка цифрового блоку з оптоелектронними елементами

 

Не нашли материал для своей работы?
Поможем написать уникальную работу
Без плагиата!
Без нейросетей!