Расчеты и составление схем систем судовых энергетических установок судов флота рыбной промышленности

  • Вид работы:
    Курсовая работа (т)
  • Предмет:
    Транспорт, грузоперевозки
  • Язык:
    Русский
    ,
    Формат файла:
    MS Word
    1,34 Мб
  • Опубликовано:
    2014-07-11
Вы можете узнать стоимость помощи в написании студенческой работы.
Помощь в написании работы, которую точно примут!

Расчеты и составление схем систем судовых энергетических установок судов флота рыбной промышленности

МИНИСТЕРСТВО АГРАРНОЙ ПОЛИТИКИ УКРАИНЫ

КЕРЧЕНСКИЙ ГОСУДАРСТВЕННЫЙ МОРСКОЙ ТЕХНОЛОГИЧЕСКИЙ УНИВЕРСИТЕТ

Кафедра судовых энергетических установок








Курсовая работа

По дисциплине "Функциональное взаимодействие СЭУ"

Тема работы:

Расчеты и составление схем систем судовых энергетических установок судов флота рыбной промышленности


Руководитель работы

Токаренко Е.В.





Керчь, 2014 г.

Задание


Выполнить расчет и составить схемы систем энергетической установки судна флота рыбной промышленности с параметрами:

. Тип судна: РТМС "Спрут"

. Длина судна Lнб = 117,5 м.

. Ширина судна В = 17,4 м.

. Средняя осадка Т = 7,05 м.

. Водоизмещение D = 8473 т.

. Автономность плавания - 110 суток.

. Главный двигатель - 6ZD 40/48 2х2650 кВт

. Вспомогательные двигатели - 6AL2/30 2х810 кВт

. Производительность ВПК - 1х4,0 1х6,3 т/ч

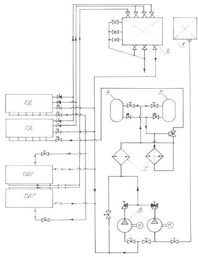
Состав графической части курсовой работы:

Схема топливной системы.

Схема масляной системы.

Схема системы охлаждения.

Схема системы сжатого воздуха.

Схема газо-выпусконой системы.

1. Расчёт топливной системы


1.1 Емкость запасных топливных цистерн

 

1.1.1 Для главных двигателей


 м3.

 

1.1.2 Для вспомогательных двигателей


 

1.1.3 Для ВПК


 м3

где k = 1,1 - коэффициент, учитывающий мертвый запас;

кг/м3 - удельный вес дистиллятного дизельного топлива;e = 0,230 - удельный расход топлива ГД [2, табл. 4.3., стр. 156];e/ = 0,226 - удельный расход топлива ВД [2, табл. 4.3., стр. 158];к = 200 кг/ч - расход топлива ВПК [2, табл. 5.1., стр. 247];= 880 кВт - эффективная мощность ГД;/ = 660 кВт - эффективная мощность ВД;= 2 - число работающих ГД;

 - число работающих ВД на промысле;

 - число работающих ВД на переходе;

ч - время нахождения судна на промысле;

ч - время нахождения судна на переходе;

 - относительное время нахождения судна на промысле;

 - относительное время нахождения судна на переходе;

 - коэффициент загрузки ГД на промысле;

 - коэффициент загрузки ГД на переходе;

 - коэффициент загрузки ВД на промысле;

 - коэффициент загрузки ВД на переходе-промысле;

 - коэффициент загрузки ВД на промысле-переходе;

 - коэффициент загрузки ВКУ на промысле;

 - коэффициент загрузки ВКУ на переходе;

1.2 Емкость цистерн для аварийного запаса топлива


 м3.

1.3 Емкость расходно-отстойных цистерн


1.3.1 Для главных двигателей


 м3.

 

1.3.2 Для вспомогательных двигателей


 м3.

 

1.3.3 Для вспомогательного котла


 м3.

 

1.3.4 Суммарная


 м3.

1.4 Емкость сточной цистерны


 м3.

1.5 Мощность, потребляемая топливоперекачивающим насосом


 кВт

где  м3/ч.

ц = 102 м3 - объем наибольшей запасной цистерны.

м. вод. ст - напор, создаваемый топливоперекачивающим насосом.

 - коэффициент полезного действия винтового насоса

1.6 Мощность, потребляемая дежурным насосом


 кВт

где  м3/ч.

 = 5,99 м3 - емкость расходно-отстойной цистерны.

 м. вод. ст - напор, создаваемый дежурным насосом.

 - коэффициент полезного действия винтового насоса.

1.7 Производительность сепаратора


 м3/ч.

где  = 10 ч - время очистки наибольшего суточного расхода топлива.

2. Расчёт масляной системы


2.1 Производительность циркуляционного масляного насоса ГД


 м3/ч,

где  мДж/час - тепло трения, воспринятое и отводимое маслом;

 мДж/час - тепло, воспринятое от поршней;

 - доля тепла, подведенного в цилиндр двигателя с топливом, ушедшая с охлаждением поршня маслом;

 кДж/кг - низшая теплота сгорания дизельного топлива;

См = 1,9 - теплоемкость масла, кДж/кгК;

gм = 910 кг/м3 - плотность масла марки М10В2;

2.2 Количество масла в системе


 м3,

 

где ц = 60 - кратность циркуляции [1, табл.6, стр.9].

2.3 Вместимость сточной цистерны


 м3,

 

где kвсп = 1,13 - коэффициент вспенивания;

2.4 Производительность масляного сепаратора


 м3/ч,

где  ч. - время сепарации всего масла в системе

2.5 Поверхность охлаждения маслоохладителя


м2,

 

где k = 300 Вт/мІК - коэффициент теплопередачи от масла к охлаждающей воде, для трубчатых охладителей.

0С - средняя разность температур масла и воды.

0С - температура масла перед маслоохладителем;

0С - температура масла после маслоохладителя;

0С - температура забортной воды перед маслоохладителем;

0С - температура забортной воды после маслоохладителя.

2.6 Пропускная способность фильтров тонкой очистки


 м3

3. Расчёт системы охлаждения


3.1 Производительность насосов забортной воды для охлаждения двигателей

 м3

где kЗ = 1,5 - коэффициент запаса, учитывающий дополнительный расход воды на охлаждение компрессоров, подшипников, валопроводов и т.п.

 мДж/час - тепло, воспринятое от цилиндровых втулок двигателя.

 мДж/час

 

СЗВ = 4 кДж/кгК - теплоемкость воды.

 = 20 0С - разность температур воды на входе и выходе из водоохладителя.

3.2 Поверхность водоохладителя определяется по выражению


 м2

где = 1300 Вт/мІК - общий коэффициент теплопередачи пресной воды к забортной.

0С - средняя разность температур забортной и пресной воды.

0С - температура пресной воды на выходе из двигателя;

0С - температура пресной воды за водоохладителем;

0С - температура забортной воды перед водоохладителем;

0С - температура забортной воды после водоохладителя.

4. Расчёт системы сжатого воздуха


4.1 Необходимая вместимость баллонов пускового воздуха ГД

м3,

 

где VВ = 6 м33 - удельный расход пускового воздуха для современных дизелей на 1 м3 рабочего объема цилиндров;= 6 - число планируемых пусков ГД;a = 0,1 МПа - атмосферное давление;

Рн = 3 МПа - начальное давление воздуха в баллонах;

Рк = 0,9 МПа - конечное давление воздуха в баллонах;

 м3 - суммарный объем цилиндров ГД;

= 0,4 м - диаметр цилиндра ГД;= 0,46 м - ход поршня ГД;= 6 - число цилиндров ГД;

4.2 Необходимая вместимость баллонов пускового воздуха ВД

м3,

 

где m/ = 6 - число планируемых пусков ВД;

 м3 - суммарный объем цилиндров ВД;

/ = 0,26 м - диаметр цилиндра ВД;/ = 0,2 м - ход поршня ВД;/ = 6 - число цилиндров ВД;

5. Расчёт газо-выпускной системы


5.1 Объемный расход выпускных газов ГД

 

м3/с,

где М0 = 0,495 кмоль/кг - количество воздуха, теоретически необходимое для полного сгорания топлива;

b = 1,04 - коэффициент молекулярного изменения продуктов сгорания;

aS= 2,52 - суммарный коэффициент избытка воздуха ГД;

кг/ч - расход топлива ГД;

ТГ = 600 К - температура выпускных газов ГД;

Рг = 114750 Па - давление выпускных газов ГД.

5.2 Сечение газо-выпускной трубы ГД


м2,

 

где wГ = 30 м/с - скорость газов в трубе.

5.3 Объемный расход выпускных газов ВД


м3/с,

 - суммарный коэффициент избытка воздуха ВД;

кг/ч - расход топлива ВД;

К - температура выпускных газов ВД;

 Па - давление выпускных газов ВД.

5.4 Сечение газо-выпускной трубы ВД

м2,

 

где wГ = 30 м/с - скорость газов в трубе.

5.5 Объемный расход выпускных газов ВПК


м3/с,

где М0 = 0,495 кмоль/кг - количество воздуха, теоретически необходимое для полного сгорания топлива;

b = 1,04 - коэффициент молекулярного изменения продуктов сгорания;

кг/ч - расход топлива ВПК;

ТГ = 675 К - температура выпускных газов ВПК;

Рг = 200000 Па - давление выпускных газов ВПК.

5.6 Сечение газо-выпускной трубы ВПК


м2,

 

где wГ = 20 м/с - скорость газов в трубе.

Список использованной литературы


1. Лубянко В.Н. Методические указания по выполнению курсовой работы по дисциплине "Функциональное взаимодействие элементов СЭУ" для студентов дневной и заочной форм обучения направления 6.070104 "Морской и речной транспорт" специальности "Эксплуатация судовых энергетических установок", КГМТУ, 2009.

. Артемов Г.А., Волошин В.П. и др Судовые энергетические установки - Л:, Судоремонт 1987.

. Коршунов Л.П. Энергетические установки промысловых судов - Л:, Судостроение 1991.

. Мануилов В.П. Эксплуатация судовых энергетических установок - М:, Транспорт 1979.

. Морской Регистр Судоходства. Правила классификации и постройки морских судов - М:, Транспорт 1995.

. Овсянников М.К., Петухов В.А. Судовые дизельные установки: справочник Л:, Судостроение, 1986.

. Артёмов Г.А., Волошин В.П., Шквар А.Я., Шостак В.Г. Системы СЭУ - М:, Транспорт 1990.

судовой энергетическая установка газ

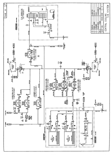
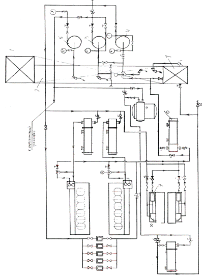
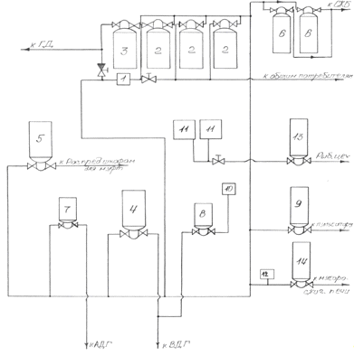
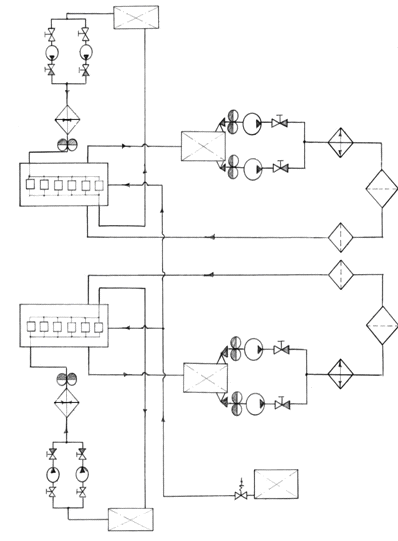
Приложение


Схема топливной системы

Схема масляной системы смазки ГД

Схема системы охлаждения пресной воды



Схема системы забортной охлаждающей воды

Схема системы сжатого воздуха



Похожие работы на - Расчеты и составление схем систем судовых энергетических установок судов флота рыбной промышленности

 

Не нашли материал для своей работы?
Поможем написать уникальную работу
Без плагиата!
Без нейросетей!