Розробка методики розрахунку двотактного трансформаторного підсилювача потужності

  • Вид работы:
    Курсовая работа (т)
  • Предмет:
    Информатика, ВТ, телекоммуникации
  • Язык:
    Украинский
    ,
    Формат файла:
    MS Word
    337,71 Кб
  • Опубликовано:
    2015-05-21
Вы можете узнать стоимость помощи в написании студенческой работы.
Помощь в написании работы, которую точно примут!

Розробка методики розрахунку двотактного трансформаторного підсилювача потужності

Содержание

 

Вступ

1. Розробка методики розрахунку двотактного трансформаторного підсилювача потужності

1.1 Загальні теоретичні відомості

1.2 Розробка методики розрахунку двотактного трансформаторного підсилювача потужності

2. Розрахунок підсилювального каскаду

2.1 Розрахунок одновібратора

2.2 Розрахунок мультивібратора в автоколивальному режимі

2.3 Розрахунок "ГЛЗН”

3. Розрахунок тригера

Висновки

Перелік посилань

Вступ

Підсилення електричних сигналів - один з видів перетворення електромагнітної енергії, який відноситься до процесів її керування. Пристрій, який призначений для керування електричною енергією, для збільшення її потужності називають підсилювачем.

Потужнім каскадом прийнято вважати каскад в якому транзистори віддають в навантаження потужність, близьку до максимально можливої. Основними вимогами, які ставляться до потужних вихідних каскадів, є одержання необхідної потужності в навантаженні і її максимальний коефіцієнт корисної дії при допустимих спотвореннях сигналу. Вимога максимального ККД має найбільше значення для підсилювачів з живленням від автономних джерел. Максимальне підсилення - другорядна вимога, оскільки необхідне підсилення може бути одержане в інших каскадах.

Транзистори, які стоять в підсилювачах потужності можуть працювати в режимах класів А, В, АВ. Вибір режиму здійснюється прикладенням відповідної напруги між базою та емітентом. В режимах класів АВ і В можуть працювати тільки двотактні каскади.

Однотактні вихідні каскади застосовуються деколи в підсилювачах з малою вихідною потужністю, оскільки їх ККД не перевищує 40%

Трансформаторні двотактні вихідні каскади в основному використовуються в режимі АВ, при якому ККД перевищує 50%. В цьому режимі втрати енергії джерелом живлення досить малі при відсутності сигналу і підвищується з підвищенням рівня сигналу, а рівень нелінійних спотворень більший, ніж при роботі в режимі класу А.

Метою виконання даного курсового проекту є виконання наступних задач:

. Провести розробку методики розрахунку двотактного трансформаторного підсилювача потужності.

трансформатор підсилювач потужність мультивібратор

2. Виконати повний розрахунок наступних схем: підсилювального каскаду із спільним емітером, автоколивального мультивібратора, одновібратора, генератора напруги що лінійно змінюється та синхронного тригера.

Виконання розрахунку зазначених вище схем передбачає розрахунок всіх параметрів необхідних для нормального функціонування тієї чи іншої схеми, а також результати моделювання, аналіз результатів моделювання та розрахунків.

1. Розробка методики розрахунку двотактного трансформаторного підсилювача потужності


1.1 Загальні теоретичні відомості


Вихідні підсилювачі потужності звичайно є вихідними каскадами багатокаскадного підсилювача і призначені для одержання, як правило, у низькоомному навантаженні потрібної потужності вихідного сигналу. Такі каскади характеризуються перш за все величиною навантаження Rн і потужністю Рвих, яка віддається в навантаження. Коефіцієнт підсилення потужності Кр звичайно не задається, хоча є найважливішим параметром вихідного каскаду. Величину Кр знаходять після розрахунку вихідного каскаду, щоб визначити потужність, яку повинен давати передостанній каскад.

Слід зазначити, що термін "підсилювач потужності", який часто вживається стосовно вихідних каскадів, не відображає їх специфіки, оскільки підсилення потужності є необхідною властивістю, кожного підсилювача. Наприклад, попередні каскади підсилення також виконують функції підсилення потужності, проте основним показником для них є коефіцієнт підсилення за напругою (для емітерного та витокового повторювачів коефіцієнт підсилення за струмом) при допустимих значеннях частотних, фазових і нелінійних спотворень.

Робота вихідних каскадів пов'язана з віддачею у навантаження значної вихідної потужності, а отже, з споживанням великої потужності від джерела живлення. Тому більш важливого значення набуває такий показник, як ККД, який характеризує економічність вихідних каскадів. Великий рівень вихідної потужності означає також роботу вихідних каскадів у режимі великого сигналу, коли змінні складові напруг і струмів порівнянні з постійними складовими. В цьому випадку нелінійність вхідних та вихідних характеристик транзистора обумовлює значні нелінійні спотворення підсилюваного сигналу.

Вихідні каскади поділяються на два основні типи: однотактні та двотактні. Однотактні каскади звичайно працюють в режимі класу А, двотактні - в режимі класу В або АВ. З усіх варіантів двотактна схема в режимі класу В є найбільш економічною і забезпечує відносно великі рівні вихідної потужності. Однотактна схема застосовується при відносно малих вихідних потужностях.

Транзистори у вихідних каскадах можуть працювати по будь-якій схемі вмикання - з СЕ, СБ, СК. Найпоширенішою є схема вмикання з СЕ, яка відзначається великим підсиленням потужності. Передача з колекторного кола транзистора у навантаження максимальної потужності здійснюється за тієї умови, коли вихідний опір транзистора і опір навантаження є рівними. Через те, що навантаження підсилювачів потужності звичайно низькоомне, а вихідний опір транзистора за схемами з СЕ та СБ великий, то з метою узгодження опорів вмикання навантаження у вихідне коло транзистора часто здійснюється через узгоджувальний трансформатор. Це зменшує також втрати потужності джерела живлення. колекторного кола (збільшується ККД підсилювача), тому що через опір навантаження не протікає постійна складова колекторного струму.

Властивості підсилювачів характеризуються технічними показниками, які регламентуються відповідними стандартними. Число технічних показників визначається призначенням підсилювача.

До основних технічних показників відносяться:

·        вхідні/вихідні параметри;

·        ККД і споживана потужність;

·        коефіцієнт підсилення;

·        амплітудна характеристика і динамічний діапазон;

·        лінійні і нелінійні спотворення;

·        перехідні спотворення;

·        шуми.

1.2 Розробка методики розрахунку двотактного трансформаторного підсилювача потужності

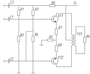
Проведемо розробку методики розрахунку для двотактного трансформатора зображеного на рисунку 1.1

Рисунок 1.1 - Двотактний трансформаторний підсилювач потужності

 

Вхідні дані:

вихідна потужність Рвих;

опір навантаження Rн;

ослаблення на частоті зрізу МНВ

робоча температура навколишнього середовища Тр. н. с;

нижня гранична частота fн;

верхня гранична частота fв.

. Вибір типу транзистора:

1.1 Вихідна (коливальна) потужність сигналу в колекторному колі трансформатора:

 (1.1)

де ηТ - ККД вихідного трансформатора.

1.2 Потужність, яка розсіюється на колекторі транзистора:

, (1.2)

де ηА - ККД колекторного кола транзистора в режимі роботи А (лежить в межах 0,4¸0,45).

.3 Максимальна потужність яка розсіюється на колекторі транзистора з врахуванням температури навколишнього середовища:

, (1.3)

де Рk. maxp. - максимально допустима розрахункова потужність транзистора, який вибирається;

Тр. мах - максимальна температура колекторного переходу;

Тр. ном - номінальна температура, при якій значення потужності, яка розсіюється на колекторі транзистора максимальна.

Тдс - температура довколишнього середовища

.4 Розрахункове значення граничної частоти транзистора для схеми з спільним емітером:

 (1.4)

де Мв - визначається у відносних одиницях:

 (1.5)

.5 Вибираємо тип транзистора виходячи з умов:

 (1.6)

Так, як умова Pk maxр≤ Pk max виконується тільки при наявності тепловідводу, то проводемо розрахунок поверхні охолодження радіатора:

, (1.7)

де RTT - величина теплового опору колекторного переходу.

.6 Виписуємо параметри вибраного транзистора: Pk. max; fh21e; Uke. max; h21e; Ik. max; RTT.

. Розрахунок режиму роботи транзистора по постійному струму.

.1 Напруга на колекторі транзистора в режимі спокою:

 (1.8)

.2 Напруга джерела живлення:

 (1.9)

.3 Величина колекторного струму в режимі спокою:

 (1.10)

.4 Побудова статичних характеристиках транзистора і визначення координати робочої точки: {Ik0; Uke0; Іб0} (рис 1.2)

Рисунок 1.2 - Статична характеристики транзистора

.5 Величина емітерного струму в режимі спокою:

 (1.11)

. Розрахунок режиму роботи транзистора по змінному струму:

3.1 Опір колекторного навантаження по змінному струму для одного плеча схеми:

 (1.12)

.2 Спад напруги на Rк~:

 (1.13)

.3 Напруга між колектором і емітером транзистора:

 (1.14)

.4 Наносимо точки {0, Uke~} та {Ik0, Uke0} на рисунок 1.2

.5 За графіком на рисунку 1.2 визначаємо мінімальне і максимальне значення вихідного струму та напруги транзистора: Ik min; Ik max; Uke max; Ukе min.

.6 Потужність, яку віддає транзистор у вибраному режимі роботи:

 (1.15)

.7 Перевірка виконання умови:

 (1.16)

. Визначення коефіцієнта підсилення плеча каскаду по напрузі і потужності.

4.1 На вхідній динамічній характеристиці транзистора відкладаємо відповідні координати робочої точки і граничних точок (рис.2): {Iб0; Uбe0}, {Iб max; Uбe max}, {Iб. min; Uбe min}

Рисунок 1.3 - Вхідна динамічна характеристики транзистора

.2 Амплітудні значення вхідного струму та напруги:

 (1.17)

 (1.18)

.3 Вхідний опір транзистора по змінному струму:

 (1.19)

.4 Потужність на вході підсилювача:

 (1.20)

4.5 Коефіцієнт підсилення по напрузі:

 (1.21)

4.6 Коефіцієнт підсилення по потужності:

 (1.22)

5. Розрахунок елементів схеми підсилювача.

5.1 Значення резистора R5:

 (1.23)

Значення резисторів R7 та R8 зазвичай приймають рівним 1 Ом:

5.2 Значення резистора R6:

 

 (1.24)

 (1.25)

 (1.26)

5.3 Ємність розв'язуючого фільтру С3

 

 (1.27)

5.4 Вибір робочої напруги на конденсатора СЗ:

 (1.28)

5.5 Значення резисторів R2=R4, R1=RЗ:

 (1.29)

 (1.30)

5.6 Значення ємностей розділових конденсаторів С1 і С2:

 (1.31)

.7 Робоча напруга на розділових конденсаторах С1 і С2:

 (1.32)

5.8 Коефіцієнт трансформації вихідного трансформатора

 (1.33)

5.9 Опір первинної і вторинної обмоток трансформатора

 (1.34)

 (1.35)

де С=0.5 - коефіцієнт, який враховує наявність в первинній обмотці трансформатора постійної складової струму і лежить в межах (0,2¸0,7)

.10 Індуктивність первинної обмотки трансформатора

 (1.36)

2. Розрахунок підсилювального каскаду

 

Дано:

коефіцієнт підсилення по напрузі KU=21,напруга на навантаженні Uн=11 (В),

опір навантаження Rн=1100 (Ом),

нижня гранична частота fн=30 (Гц),

верхня гранична частота fв=20000,5 (Гц).

1. Виходячи з умов отримання максимального коефіцієнта корисної дії підсилювального каскаду приймаємо величину опору в ланцюзі колектора RК рівною опору навантаження:

 (2.1)

2. Знаходимо амплітудне значення колекторної напруги за формулою (2.2):

 (2.2)

3. Розраховуємо струм спокою колектора за формулою (2.3):

 (2.3)

4. Визначаємо величину мінімальної напруги джерела живлення за формулою (2.4):

 (2.4)

Вибираємо найближче значення Eж з ряду стандартних величин так, щоб виконувалася умова (2.5):

 (2.5)

5. Обчислюємо значення максимального струму колектора за формулою (2.6):

 (2.6)

. Знаходимо потужність на навантаженні за формулою (2.7):

 (2.7)

7. Проводимо оцінку потужності, що розсіюється на колекторі транзистора за формулою (2.8):

 (2.8)

. Користуючись довідником [8], вибираємо тип біполярного транзистора. Як критерій вибору використовуємо співвідношення (2.9):

 

 (2.9)


де: Pк. max - максимально допустима потужність, що розсіюється на колекторному переході транзистора;  - максимально допустима постійна напруга колектор - емітер; Iк. max - максимально допустимий постійний струм колектора; fгр - гранична частота коефіцієнта передачі струму в схемі із загальним емітером.

Виходячи з вище наведених нерівностей обираємо транзистор КТ3117Б (n-p-n) для якого умови (2.9) виконуються

 


 - мінімальне значення статичного коефіцієнта передачі біполярного транзистора в режимі малого сигналу в схемі із загальним емітером;

. Розраховуємо опір резистора в ланцюзі емітера за формулою (2.10):

 (2.10)

З ряду Е24 приймається найближче стандартне значення Rе = 160 (Ом).

. Визначаємо значення струму спокою бази транзистора за формулою (2.11):

 (2.11)

. Розраховуємо опори резистивного дільника, для чого вибираємо струм дільника Iд, що протікає по опорах Rб1 і Rб2 за формулою (2.12):

 (2.12)

Знаходимо напругу спокою бази за формулою (2.13):

 (2.13)

де,

DUе - падіння напруги на емітерному переході DUе = 0,45…0,6 (В);

Uе. п - падіння напруги в ланцюзі емітера, визначається за формулою (2.14):

 (2.14)

Визначаємо величину опору Rб2 за формулою (2.15):

 (2.15)

З ряду Е24 приймається найближче стандартне значення Rб2 = 2,4 (кОм).

Визначаємо величину опору Rб1 за формулою (2.16):

 (2.16)

З ряду Е24 приймається стандартне значення Rб1 = 22 (кОм).

. Розраховуємо коефіцієнт підсилення каскаду за формулою (2.17):

 (2.17)

де, Rкн - опір каскаду за змінним струмом, визначається за формулою (2.18):

 (2.18)


. Знаходимо значення ємностей розділових конденсаторів за формулою (2.19):

 (2.19)

З ряду Е24 приймається найближче стандартне значення Cр1 = 27 (мкФ).

. Обчислюємо значення ємності шунтуючого конденсатора в ланцюзі емітера за формулою (2.20):

 (2.20)

З ряду Е24 приймається найближче стандартне значення Cе = 300 (мкФ).

. Визначаємо потужність, споживану каскадом від джерела живлення за формулою (2.21):

 (2.21)

. Обчислюємо коефіцієнт корисної дії каскаду за формулою (2.22):

 (2.22)

Результати розрахунку елементів підсилювача за схемою з загальним емітером наведено в таблиці 2.1.

Таблиця 2.1 - Результати розрахунку підсилювача

Параметр

Значення

Розмірність

1

2

3

Напруга живлення ЕЖ

51

В

Опір резистора бази 1 RБ1

22

кОм

Опір резистора бази 2 RБ2

2,4

кОм

Опір емітерного резистора RЕ

160

Ом

Опір колекторного резистора RК

1100

Ом

1

2

3

Ємність розділових конденсаторів Ср1, Ср2

27

мкФ

Ємність емітерного конденсатора Се

300

мкФ

Коефіцієнт підсилення КU

169,237


Опір навантаження RН

1100

Ом

Проведемо моделювання схеми за допомогою програми Orcad. Схема моделювання подана на рисунку 2.1 Результат моделювання подано на рисунку 2.2.

Рисунок 2.1 - Схема моделювання підсилювача

Рисунок 2.2 - Результати моделювання схеми підсилювача

Висновки: виконавши по розрахунковим даним схемотехнічне моделювання ми отримали графік, розходження якого з розрахованим коефіцієнтом підсилення:


Розходження можна пояснити тим, що моделювання проводилося з аналогом транзистора КТ3117Б, а не з самим транзистором. Отже можна стверджувати, що розрахунок був зроблений вірно. Результати розрахунків наведені в таблиці 2.1.

2. Розрахунок генераторів імпульсних сигналів

 

2.1 Розрахунок одновібратора


Дано: амплітуда вихідного імпульсу Um2 = 11 (В); тривалість вихідного імпульсу tі = 122 (мкс); період проходження імпульсів запуску Т = 172 (мкс); діапазон зміни температур (-50…+60) °С; допустима нестабільність тривалості імпульсу =2,5 (%).

1. По тривалості і періоду визначаємо шпаруватість вихідних імпульсів за формулою (3.1):

 (3.1)

. Вибираємо напруга джерела живлення, яка повинна бути в 1,2.1,3 рази більше амплітуди вихідного імпульсу за формулою (3.2):

 (3.2)

Обираємо стандартне значення Еж=15 (В).

. По напрузі джерела і початковим даним вибираємо тип транзистора.

Виходячи з умови (3.3), вибирається транзистор.

 (3.3)

Оберемо транзистор КТ321Е (p-n-р) [8], у якого Екдоп = 45 > 2·15.

Запишемо необхідні параметри транзистора:


. Знаходимо тепловий струм колектора за формулою (3.4):

 (3.4)

де t0 - початкова температура, приймається для нормальних умов рівною 20 °С.

. Опір в колі бази визначаємо напругою джерела, тепловим струмом і заданою нестабільністю імпульсу за формулою (3.5):

 (3.5)

З ряду Е24 приймається найближче стандартне значення RБ = 68 (кОм).

. Опір в колекторному ланцюзі транзистора VT2 визначаємо за відомим опором в базовому колі і мінімальному для даних умов коефіцієнту підсилення. Для стійкої роботи  вібратора при розрахунку повинна виконуватися умова (3.6).

 (3.6)

де βmin - коефіцієнт підсилення при мінімальній температурі мінус 50 °С. Він складає 60 % середнього значення і визначається за формулою (3.7)

 (3.7)


З ряду Е24 приймається найближче стандартне значення RK2 = 820 (Ом).

. Розрахуємо опір в колекторному колі транзистора VT1 за формулою (3.8).

 (3.8)

З ряду Е24 приймається найближче стандартне значення RK1= 1,2 (кОм)

. Визначимо опір в колі емітера за формулою (3.9).

 (3.9)

З ряду Е24 приймається найближче стандартне значення Rе = 300 (Ом).

. Розрахуємо опори подільника напруги R1 і R2, що встановлюють величину напруги зсуву на базі VT1 та визначають положення робочої точки транзистора і початковий стан одно вібратора, за формулами (3.10) і (3.11).

 (3.10)


З ряду Е24 приймається найближче стандартне значення R1 = 27 (кОм).

 (3.11)

З ряду Е24 приймається найближче стандартне значення R2 = 9,1 (кОм).

. Ємність конденсатора Сб залежить від багатьох параметрів і визначається за формулою (3.12).

 (3.12)

Коефіцієнт ά визначає співвідношення опорів в ланцюзі колектора транзистора VT1, і визначається за формулою (3.13).

 (3.13)

При середньому положенні регулятора напруги коефіцієнт ά =1.


З ряду Е24 приймається найближче стандартне значення ємності конденсатора базового кола VT2 Сб = 2,7 (нФ).

. Замикаюча напруга транзистора VT1 визначається за формулою (3.14).

 (3.14)

. Амплітуда напруги запускаючого імпульсу, що подається на вхід транзистора VT1 одновібратора, визначається за формулою (3.15).

 (3.15)

де Rг - внутрішній опір генератора запускаючих імпульсів, приймається рівним 0,51 (кОм); Rз - опір запускаючого транзистора у відкритому положенні, приймається рівним 51 (Ом).


Проведемо моделювання отриманої схеми у програмі Orcad. Схема моделювання подана на рисунку 3.1 Результати моделювання подано на рисунку 3.2 Результати розрахунку елементів одновібратора наведено в таблиці 3.1.

Рисунок 3.1 - Схема моделювання схеми одновібратора

Рисунок 3.2 - Результати моделювання схеми одновібратора

Висновки: виконавши по розрахунковим даним схемотехнічне моделювання ми отримали графік, на якому розходження між амплітудою вихідного імпульсу відрізняється від заданої теоретично амплітуди на:


Похибка тривалості імпульсу:


Час спадання фронту вихідного імпульсу від рівня 100% до 10% складає близько 0,43 мкс. Отже можна стверджувати, що розрахунок був зроблений вірно. Похибка має місце через незбігання транзисторів, які використовуються при моделюванні і для яких виконувався розрахунок, і наближеність розрахунків.

Таблиця 3.1 - Результати розрахунку одновібратора

Параметр

Значення

Розмірність

Напруга живлення ЕЖ

15

В

Опір резистора бази RБ

68

кОм

Опір емітерного резистора Rе

300

Ом

Опір колекторного резистора RК1

1,2

кОм

Опір колекторного резистора RК2

820

Ом

Опір резистора R1

 27

кОм

Опір резистора R2

9,1

кОм

Ємність базового конденсатора Сб

2700

пФ

Амплітуда напруги запускаю чого імпульсу

0,237

В

2.2 Розрахунок мультивібратора в автоколивальному режимі


Дано:

·        Тип транзисторів - КТ361Б;

·        нестабільність періоду коливань δT =6 (%);

·        Частота імпульсів, що генеруються f = 210 (Гц);

·        Температура навколишнього середовища tк = 40,5 (0C).

З довідника [7] для транзистора КТ361Б (p-n-p) вибираються його параметри:


. Розрахуємо напругу джерела живлення за формулою (3.16).

 (3.16)


 (3.17)

де t0 - температура в нормальних умовах роботи, рівна 20 0C.

. Визначимо опори в базових ланцюгах за формулою (3.18).

 (3.18)

З ряду Е24 приймається найближче стандартне значення Rб = 1,2 (МОм).

. Визначимо опори в колекторних ланцюгах для симетричного мультивібратора за формулою (3.19).

 (3.19)

З ряду Е24 приймається найближче стандартне значення RК=24 (кОм).

При симетрії схеми тривалість імпульсу і паузи буде однаковою і рівною половині періоду, тобто


Визначимо ємність базового ланцюга з формулою (3.20)

 (3.20)


З ряду Е24 приймається найближче стандартне значення Сб=3 (нФ).

. Визначимо дійсне значення періоду за формулою (3.21).

 (3.21)


. Визначимо значення дійсна частоти за формулою (3.22).

 (3.22)

. Визначимо відносну похибку частоти, що генерується, за формулою (3.23).

 (3.23)

Таким чином, розрахункова частота не перевищує допустиме значення відхилення в 6%.

. При несиметричному мультивібраторі період визначається за формулою (3.24).

 (3.24)

Тривалість імпульсу tі1 може бути визначена за формулою (3.25).

 (3.25)


Тривалість імпульсу tі2 може бути визначена за формулою (3.26).

 (3.26)


Проведемо моделювання отриманої схеми у програмі Orcad. Схема моделювання подана на рисунку 3.3 Результати моделювання подано на рисунку 3.4 Результати розрахунку елементів автоколивального мультивібратора наведено в таблиці 3.2.

Рисунок 3.3 - Схема моделювання мультивібратора

Рисунок 3.4 - Результати моделювання схеми мультивібратора

Таблиця 3.2 - Результати розрахунку мультивібратора

Параметр

Значення

Розмірність

Напруга живлення ЕЖ

10

В

Опір резистора бази RБ1

1,2

МОм

Опір резистора бази RБ2

1,2

МОм

Опір колекторного резистора RК1

24

кОм

Опір колекторного резистора RК2

24

кОм

Ємність базового конденсатора Сб1

3

нФ

Ємність базового конденсатора Сб2

3

нФ


Висновки: виконавши по розрахунковим даним схемотехнічне моделювання ми отримали графік, який дещо відрізняється від теоретичного. Розходження між частотою отриманою на графіку і заданою частотою складає:


Отже можна стверджувати, що розрахунок був зроблений вірно. Похибка має місце через незбігання транзисторів, які використовуються при моделюванні і для яких виконувався розрахунок, і наближеність розрахунків.

2.3 Розрахунок "ГЛЗН”


Дано:

·        Uм = 4,5 (В)

·        tроб = 15 (мс)

·        tзв = 2 (мс)

·        Тип операційного підсилювача - К544УД1Б

Розрахунок схеми (рис.3.5) проводиться в наступному порядку.

Рисунок 3.5 - Схема ГЛЗН на операційних підсилювачах

Для даного операційного підсилювача:


1.      Розрахуємо величину вихідної напруги за формулою (3.27).

 (3.27)

. Приймаючи тривалість паузи, рівну тривалості негативної (зворотньої) напруги визначимо постійну часу еквівалентного кола за формулою (3.28)

 (3.28)

. Внаслідок того, що еквівалентний опір повинен бути більше вихідного опору ОП, розраховується значення Rэкв з наступних умов: Rэкв = (); Rэкв > RнminОП = 2 кОм. Приймається Rэкв = 5 кОм.

. Визначаємо ємність інтегруючого конденсатора за формулою (3.29).

 (3.29)

З ряду Е24 приймається найближче стандартне значення С=1,6 (мкФ).

. З умови отримання інтервалу tроб = tі3 = 15 (мс) знаходиться постійна часу за формулою (3.30).

 (3.30)

. Визначаємо опір резистора R2 за формулою (3.31).

 (3.31)

З ряду Е24 приймається найближче стандартне значення R2=36 (кОм).

. Розраховуємо опір резистора R1 за формулою (3.32).

 (3.32)

З ряду Е24 приймається найближче стандартне значення R1=5,6 (кОм)

. Для виключення впливу ланцюга R3 - R4 на постійну часу перезаряду конденсатора С, вибирається опір резистора R3 з умови R3 >> R2. Приймаємо R3 = 1,5 (МОм).

. Визначимо опір резистора R4 за формулою (3.33).

 (3.33)

З ряду Е24 приймається найближче стандартне значення R4=220 (кОм)

. Діод VD може бути будь-якого типу із зворотною напругою більшою, ніж 2Еогр. Перевага повинна бути віддана діодам з меншим прямим падінням напруги. Вибираємо діод типу КД522В.

Проведемо моделювання отриманої схеми у програмі Workbench. Схема моделювання подана на рисунку 3.6 Результати моделювання подано на рисунку 3.7 Результати розрахунку елементів ГЛЗН наведено в таблиці 2.3.

Рисунок 3.6 - Схема моделювання ГЛЗН

Рисунок 3.7 - Результати моделювання схеми ГЛЗН

Таблиця 3.3 - Результати розрахунку ГЛЗН

Параметр

Значення

Розмірність

Опір резистора R1

5,6

кОм

Опір резистора R2

36

кОм

Опір резистора R3

1,5

МОм

Опір резистора R4

220

кОм

Ємність конденсатора С

1,6

мкФ

Тип ОП

К544УД1Б

Тип діода

КД522В


Висновки: в результаті моделювання ми отримали графік, на якому розбіжність між робочим фронтом імпульсу ГЛЗН і заданим в завданні складає:


Отже можна стверджувати, що розрахунок був зроблений вірно. Похибка має місце через незбігання ОП, які використовуються при моделюванні і для яких виконувався розрахунок, і наближеність розрахунків.

 


3. Розрахунок тригера


Дано:

·        амплітуда вихідного сигналу Um = 9 (В);

·        максимальна частота перемикання fпер. мах = 20 (кГц);

·        колекторний струм Iкн = 6 (мА).

1. Вибираємо напругу джерела колекторного живлення за формулою (4.1).

 (4.1)

Приймаємо Еж = 12 (В).

. Тип транзистора вибирається з умов (4.2).

 

 (4.2)

Виберемо транзистор типу КТ203Б (p-n-p) [7], параметри якого наступні:

 


. Визначимо опір в колекторному колі за формулою (4.3).

 (4.3)

З ряду Е24 приймається найближче стандартне значення Rк=2,0 (кОм)

. Визначимо величини прискорюючих ємностей за формулою (4.4).

 (4.4)

де ta - постійна часу коефіцієнта посилення струму емітера, яка визначається співвідношенням (4.5).

 (4.5)

Підставляючи в (3.4) довідкові і розраховані раніше величини, отримаємо розрахункові значення прискорюючих конденсаторів.


З ряду Е24 приймається найближче стандартне значення С=240 (пФ)

. Визначаємо опір в колі бази за формулою (4.6)

 (4.6)

З ряду Е24 приймається найближче стандартне значення Rб=82 (кОм)

. Визначаємо напругу зсуву за формулою (4.7)

 (4.7)

Приймаємо Еб = 1 (В).

. Опір зв'язку Rс визначається шляхом сумісного рішення рівнянь (4.8) - (4.10).

 (4.8)

 (4.9)

 (4.10)


З ряду Е24 приймається найближче стандартне значення Rс=120 (кОм)

Проведемо моделювання отриманої схеми у програмі Orcad. Результати моделювання подано на рисунку 4.2 Результати розрахунку елементів тригера наведено в таблиці 4.1.

Рисунок 4.1 - Схема моделювання симетричного тригера

Рисунок 4.2 - Результати моделювання схеми симетричного тригера

Таблиця 4.1 - Результати розрахунку тригера

Параметр

Значення

Розмірність

Напруга живлення ЕЖ

12

В

Опір резистора бази RБ1

82

кОм

Опір резистора бази RБ2

82

кОм

Опір колекторного резистора RК1

2,0

кОм

Опір колекторного резистора RК2

2,0

кОм

Опір резистора Rс1

120

кОм

Опір резистора Rс2

120

кОм

Ємність конденсатора С1

240

пФ

Ємність конденсатора С2

240

пФ


Висновки: виконавши по розрахунковим даним схемотехнічне моделювання ми отримали графік, в якому мають місце спотворення, але його форма і амплітуда відповідають заданим. Амплітуда логічної одиниці складає 11,726 В, що на 1,76 В більше за задану. Розбіжності можна пояснити округленнями під час обчислень, великим значенням напруги живлення, використанням при моделюванні не тих транзисторів для яких проводився розрахунок.

Висновки


В результаті виконання курсової роботи було розглянуто основну інформацію по двотактним трансформаторним підсилювачам потужності (вихідного каскаду) та розроблено методику їх розрахунку.

Також проведено розрахунок підсилювального каскаду, тригеру та імпульсних пристроїв: одновібратора, мультивібратора та генератора лінійно-змінної напруги. Для всіх розрахованих схем було проведено моделювання у програмах "Orcad" та "Electronics Workbench".

В результаті моделювання було виявлено деякі розбіжності між очікуваними і отриманими результатами, але ці розбіжності лежать в допустимих межах. Це свідчить про досить точний розрахунок параметрів, які забезпечили нормальне функціонування схем при моделюванні.

Перелік посилань


1. В.Г. Гусев, Ю.М. Гусев. Электроника. Москва, "Высшая школа”, 1991

2. Сенько В.І. Електроніка і мікросхемотехніка

3. Олександренко А.Г. Шатурик І. Н Мікросхемотехніка - М.: Радио, 1982

4. Голденберг Л.М. Импульсние устройство - М.: Радио и связь, 1981

5. СтепаненкоИ.П. Основи мікроелектріки - М.: Сов радио, 1980

6. Павлов С М. Схемотехніка (імпульсна техніка) Вінниця ВНТУ, 1998

7. Аксенов А.И. Элементы схем бытовой радиоаппаратуры. Диоды. Транзисторы: Справочник / А.И. Аксенов, А.В. Нефедов, А.М. Юшин. - М.: Радио и связь, 1992 г.

8. О.П. Григорьев, Транзисторы: Справочник / О.П. Григорьев, В.Я. Замятин - М.: Радио и связь, 1989.

9. Ицхоки Я.С. Импульсные и цифровые устройства / Ицхоки Я.С., Овчинников Н.И. - М.: "Советское радио", 1972 - 592 с.

Похожие работы на - Розробка методики розрахунку двотактного трансформаторного підсилювача потужності

 

Не нашли материал для своей работы?
Поможем написать уникальную работу
Без плагиата!
Без нейросетей!