Проектирование фундаментов под 10-этажное здание в открытом котловане
МОСКОВСКИЙ
ГОСУДАРСТВЕННЫЙ СТРОИТЕЛЬНЫЙ УНИВЕРСИТЕТ
Кафедра
Механики грунтов, оснований и фундаментов
КУРСОВОЙ
ПРОЕКТ
на
тему: «Проектирование фундаментов под 10-этажное здание в открытом котловане»
Факультет, курс, группа:
ПГСф 3-2
Студент: Семененок А.Н.
Консультант: Медведев
Е.А.
МОСКВА
2013-14
Введение
Характеристика здания, анализ и
характеры передачи нагрузок, определяющих расчет усилий на фундаменты.
Стены наружные - крупноблочные
толщиной 40 см.
Стены внутренние - сборные г/л панели
толщиной 10 см.
Перекрытия - сборные многопустотные
ж/б плиты толщиной 22 см.
Покрытие - сборные ж/б плиты.
Здание имеет подвал во всех осях.
Отметка пола подвала - 2,20.
Отметка пола первого этажа ± 0,00.
Отметки планировочной поверхности
земли - 0,80 м.
Количество этажей: 10.
Город строительства Смоленск.
При наличие в здании подвала
постоянные и временные нагрузки соответственно увеличиваются:
На стену 1 - постоянные - на 18 и
временные - 2 кН/м;
На колонну 2 - постоянные -на 12 и
временные - 4 кН/м
Нагрузки на фундаменты
|
Нагрузки
|
Без учета подвала
|
|
Стена 1
|
Постоянная кН/м
|
270
|
|
Временная кН/м
|
22
|
|
Стена 2
|
Постоянная кН/м
|
384
|
|
Временная кН/м
|
44
|
1. Оценка инженерно-геологических
условий площадки
.1 Классификация грунтов
основания
Слой №1: Насыпь не слежавшаяся, R0
не нормируется;
Слой №2: Данный слой представлен
глинистым грунтом;
P = WL - WP = (24,4 - 20,0) = 0,044
т.к. индекс пластичности IP≤0,07,
грунт является супесью.
Консистенцию грунта определяем по
индексу текучести:
L = (W - WP)/ IP = (17,7 - 20,0)/4,4= -0,52
т.к. индекс текучести IL<
0, грунт твёрдой консистенции.
Вывод: супесь твёрдой консистенции.
Слой №3: Вид - песчаный грунт, так
как отсутствуют параметры WL и Wp. Тип песчаного грунта
зависит от гранулометрического состава:
,38% + 36,14% = 56,52 % (>70%) Þ песок
средней крупности, т.к. ч-ц р-ром >0.25мм более 50%
Разновидность песчаного грунта по
плотности сложения:
(1 + W) - 1 =
[2,69/1,99]·(1+0,217) - 1 =0,65; (0.55≤ е ≤0.7)
Следовательно, средней
плотности.
Разновидность песчаного
грунта по степени влажности:
Следовательно,
насыщенный водой.
Вывод: песок средней
крупности, средней плотности, насыщенный водой.
Слой №4:
Вид - песчаный грунт,
так как отсутствуют параметры WL и Wp. Тип песчаного
грунта зависит от гранулометрического состава:
,56% + 25,96% = 39,52 %
(>25%)
Þ
песок гравелистый, т.к. ч-ц р-ром >0.2мм более 25%
Разновидность песчаного
грунта по плотности сложения:
(1 + W) - 1 =
[2,68/2,01]·(1+0,227) - 1 =0,64; (0.55≤ е ≤0.7)
Следовательно, средней
плотности.
Разновидность песчаного
грунта по степени влажности:
Следовательно,
насыщенный водой.
Вывод: песок
гравелистый, средней плотности, насыщенный водой.
Слой №5: Данный слой
представлен глинистым грунтом;
P
= WL - WP = (49,3 - 21,4)/100 = 0,279
т.к. индекс пластичности
IP >0,17, грунт является глиной.
Консистенцию грунта
определяем по индексу текучести:
L
= (W - WP)/ IP =(21,3-21,4)/27,9 =-0,003
т.к. индекс текучести IL<
0, грунт твёрдой консистенции.
Вывод: глина твердая.
Слой №6: Данный слой
представлен глинистым грунтом;
P
= WL - WP = (40,6 - 31,8)/100 = 0,088
т.к. индекс пластичности
0,07≤ IP ≤0,17, грунт является суглинком.
Консистенцию грунта
определяем по индексу текучести:
L
= (W - WP)/ IP =(24,9-31,8)/27,9 =-0,25
т.к. индекс текучести IL<
0, грунт твёрдой консистенции.
Вывод: суглинок твердый.
1.2 Определение табличного значения
расчетного сопротивления.
Слой №1. Растительный слой, R0
не нормируется;
Слой №2. Чтобы определить расчётное
сопротивление R0, найдём значение коэффициента пористости е:
;
Принимаем IL=0,
тогда R0 = 242,9
Слой №3. Песок средней
крупности, средней плотности, насыщенный водой имеет расчетное сопротивление Ro=400
МПа.
Слой №4. Песок
гравелистый, средней плотности, насыщенный водой имеет расчетное сопротивление
Ro=400 МПа.
Слой №5. Чтобы
определить расчётное сопротивление R0, найдём значение коэффициента
пористости е:
;
Принимаем IL=0,
тогда R0 = 508,3
Слой №6. Чтобы
определить расчётное сопротивление R0, найдём значение коэффициента
пористости е:
;
Принимаем IL=0,
тогда R0 = 172
2.
Расчет и конструирование фундаментов мелкого заложения
.1 Определение расчетных нагрузок на
фундаменты
На наружные и внутренние стены
здания с подвалом действуют нормативные нагрузки в основном сочетании,
приложенные на отметке верхнего обреза фундамента:
|
Стены
|
Нагрузка
|
Значение
|
|
1
|
Пост.
|
270
|
|
Врем.
|
22
|
|
2
|
Пост.
|
384
|
|
Врем.
|
44
|
Расчётная нагрузка, действующая по
обрезу фундамента, определяется по формуле:
=n(NП +NПП)+n’
nс(Nв+Nвп)
где n и n’ - коэффициенты перегрузок
предельных состояний фундаментов= n’ = 1 - для расчётов по первой группе
предельных состояний = 1,1; n’ = 1,4 - для расчётов по второй группе предельных
состоянийc = 0,9 - коэффициент сочетания постоянных и временных
нагрузок.
Расчетные нагрузки на первую группу
стен:
Расчетные нагрузки на вторую группу
стен:

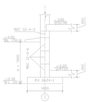
.2 Определение глубины
заложения ленточного фундамента
.2.1 Конструктивные
требования
Отметка пола подвала -
2,2 м
Отметка пола первого
этажа - 0,00 м
Планировочная отметка -
0,8 м
Глубина заложения
фундамента определяется по формуле:
,
где:ц = 0,8 м - расстояние от нулевого уровня цоколя до
полаs = 0,3 м - расстояние от подошвы фундамента до низа пола подвалаcf
= 0,2 м - толщина цементного пола подвалав = 2,2 м - расстояние от
чистого пола первого этажа до пола подвала= 2,2 + 0,3 + 0,2 - 0,8 = 1,9 
.
.2.2 Определение расчетной глубины сезонного промерзания
грунтов> df
Расчётная глубина промерзания грунта:
f =
kh·dfn,
где: kh - коэффициент, учитывающий влияние теплового
режима здания; для домов с подвалом kh=0,6;
dfn - нормативная глубина
промерзания;
dfn = d0
,
где: Mt = 32,9 - безразмерный коэффициент, численно
равен сумме абсолютных значений среднемесячных отрицательных температур за зиму
в Смоленске,0 = 0,28 для супесей и мелких песковfn = 0,28
=
1,6 м.f = khdfn = 0,6 · 1,6 = 0,96 м.
Видим, что d > df.
фундамент здание открытый котлован
2.2.3 Анализ инженерно-геологических
условий
Площадка будущего строительства
сложена не слежавшейся насыпью на глубину 3,2 м. Фундамент должен быть
расположен в слое грунта с расчетным сопротивлением R0>150. Если
R0<150, то необходима песчаная подушка.
Грунтовые воды бурением до 15 метров
вскрыты на отметке начала III слоя.
Учет рассмотренных факторов,
влияющих на глубину заложения фундамента, показывает, что определяющей является
глубина заложения, полученная из конструктивных особенностей подземной части
здания d = 1,9 м.
Определение размеров подошвы
ленточного фундамента
Грунты основания:
Слой №1: мощность-1,2м;
Расчётная величина
удельного веса грунта: γI = 1.8х10=18.0 кН/
;
Слой №2: мощность -
1,00м;
Индекс текучести: IL
= 0;
Расчётная величина
удельного веса грунта: γII = 19.2 кН/
;
Удельный вес твёрдых
частиц: γs=27,4кН/
;
Расчётное значение угла
внутреннего трения: ϕII = 20°;
Расчётное значение
удельного сцепления: сII = 13 кПа;
Слой №3: мощность-3,00
м;
Расчётная величина
удельного веса грунта: γIII = 19,9 кН/
;
Удельный вес твёрдых
частиц: γs= 26,9 кН/
;
Расчётное значение угла
внутреннего трения: ϕIII = 29°;
Расчётное значение
удельного сцепления: отсутствует;
Слой №4: мощность-2,3м;
Расчётная величина
удельного веса грунта: γIV = 20,1 кН/
;
Удельный вес твёрдых
частиц: γs = 26,8 кН/
;
Расчётное значение угла
внутреннего трения: ϕII = 31°;
Слой №5: мощность-2,00м;
Индекс текучести: IL
=0,0
Расчётная величина
удельного веса грунта: γv = 20,9 кН/
;
Удельный вес твёрдых
частиц: γs = 27,6 кН/
;
Расчётное значение угла
внутреннего трения: ϕv = 18°;
Расчётное значение
удельного сцепления: сV = 50 кПа
Слой №6: мощность-5,5м;
Индекс текучести: IL
=0,0
Расчётная величина
удельного веса грунта: γv = 18,5 кН/
;
Удельный вес твёрдых
частиц: γs = 27,5 кН/
;
Расчётное значение угла
внутреннего трения: ϕv = 17°;
Расчётное значение
удельного сцепления: сV = 16 кПа
.3 Определение
геометрических параметров подошвы фундамента
Подбор графическим методом площади
подошвы фундамента стены 1.
Определяется среднее давление рII,i
под подошвой фундамента для
каждой ширины фундаментной плиты по
формуле:
Nфi=b1*1*d*
II
i = 
При b=1мф1=1*1*1,9*20=38кНII
1 =
=347,6
кПа
При b=2мф2=2*1*1,9*20=76кНII
2 =
=192,8
кПа
При b=3мф3=3*1*1,9*20=114
кНII 3 =
=141,2кПа
Вычисление расчетного
сопротивления грунта:
где γc1=
1,25 - характеризует свойства грунта основания
γc2
= 1,1 - характеризует жесткость здания (для зданий с гибкой конструктивной
схемой)
k - коэффициент, принимаемый равным
1, так как прочностные характеристики грунта φII и cII
определены по результатам непосредственных испытаний грунтов;= 0,51; Mq= 3,06;
Mc=5,66 - коэффициенты, принимаемые по табл. 4 СНиП 2.02.01-83* в зависимости
от расчетного значения угла внутреннего трения грунта φII, находящегося непосредственно под подошвой фундамента, т.е.
"рабочего слоя". При φII=20°.z = 1, так как
ширина фундамента < 10 м- ширина фундамента, мII = 13 - основание
γII = 19,2 кН/м3 - удельный
вес грунта, залегающий непосредственно под подошвой фундамента.
γ′II 
кН/м3 - средний
удельный вес выше глубины заложения в = 2,2-0,8 = 1,4 м - глубина
заложения подвала

- приведенная глубина
заложения фундамента.
где hs - толщина слоя грунта от отметки подошвы фундамента до
отметки низа пола подвала, м;- толщина конструкции пола подвала, м;
γcf - расчетное значение удельного веса материала конструкций пола
подвала, принимается равным 22 кН/м3.
При b=0;=
=217,5
кПа.
При b=3;=
=258
кПа.
По полученным двум значениям R1
и R2 в зависимости от b строится график R=f(b). Точка пересечения
прямой R=f(b) и кривой pII=f(b) определяет предварительное значение
требуемой ширины подошвы ленточного фундамента.
Таким образом, получаем:
Предварительное значение требуемой
ширины подошвы: b = 1,54 м. По каталогу конструктивных элементов фундаментов
гражданских и административных зданий выбираем фундаментную подушку ФЛ16.24-1
шириной b=1,6 м, длиной l=2,38 м, высотой h=0,3 м.
) Проверяем принятую ширину
фундамента:. Наружные стены:
Определяем новое значение R при
такой ширине фундамента:
кПа
Проверяем фактическое
среднее давление P под подошвой фундамента:
,где
А = 1 *1,6 = 1,6 м2ф
- собственный вес 1 пог. м фундамента, складывается из веса железобетонной
подушки ФЛ16.24-1, четырех бетонных стеновых фундаментных блоков сплошных ФБС и
пригрузки от пола подвала на внутренней консольной части ак опорной
плиты.
кН/м
Удельный вес бетона
блоков ФБС и пола подвала принят равным γб
= γcf =
22 кН/м3. Удельный вес железобетона фундаментной плиты ФЛ16.24-1 принят равным γжб
= 24 кН/м3.
ак= 0,6 м -
вылет консольной части плиты в сторону обратной засыпки (и в сторону подвала
при вычислении веса пола подвала, входящего в Qф);гр - вес
грунта на консольной части фундаментной плиты с наружной стороны:
кН/м
= d - hs =
1,9 - 0,3 = 1,6 м - высота грунта на консольной части фундаментной плиты с
наружной стороны.
γII
= 19,2 кН/м3 - удельный вес обратной засыпки.
Определяем разницу между
R и Р:
-ЭКОНОМИЧЕН!
Превышение расчётного
сопротивления R над средним давлением, действующим под подошвой ленточного
фундамента Р не должно составлять более 10%. Так как оно не превышает 10%, то
ширина подошвы фундамента ФЛ16.24-1 подобрана экономично.
Подбор графическим методом площади
подошвы фундамента стены 2.
Определяется среднее давление рII,i
под подошвой фундамента для каждой ширины фундаментной плиты по формуле:
Nфi=b1*1*d*
II
i = 
При b=1мф1=1*1*1,9*20=38кНII
1 =
=477,2
кПа
При b=2мф2=2*1*1,9*20=76кНII
2 =
=257,6
кПа
При b=3мф3=3*1*1,9*20=114
кНII 3 =
=184,4кПа
Вычисление расчетного
сопротивления грунта:
где γc1=
1,25 - характеризует свойства грунта основания
γc2
= 1,1 - характеризует жесткость здания (для зданий с гибкой конструктивной
схемой)
k - коэффициент, принимаемый равным
1, так как прочностные характеристики грунта φII и cII
определены по результатам непосредственных испытаний грунтов;= 0,51; Mq= 3,06;
Mc=5,66 - коэффициенты, принимаемые по табл. 4 СНиП 2.02.01-83* в зависимости
от расчетного значения угла внутреннего трения грунта φII, находящегося непосредственно под подошвой фундамента, т.е.
"рабочего слоя". При φII=20°.z = 1, так как
ширина фундамента < 10 м- ширина фундамента, мII = 13 - основание
γII = 19,2 кН/м3 - удельный
вес грунта, залегающий непосредственно под подошвой фундамента.
γ′II 
кН/м3 - средний
удельный вес выше глубины заложения в = 2,2-0,8 = 1,4 м - глубина
заложения подвала

- приведенная глубина
заложения фундамента.
где hs - толщина слоя грунта от отметки подошвы фундамента до
отметки низа пола подвала, м;- толщина конструкции пола подвала, м;
γcf - расчетное значение удельного веса материала конструкций пола
подвала, принимается равным 22 кН/м3.
При b=0;=
=217,5
кПа.
При b=3;=
=258
кПа.
По полученным двум значениям R1
и R2 в зависимости от b строится
график R=f(b). Точка пересечения
прямой R=f(b) и кривой pII=f(b) определяет предварительное значение
требуемой ширины подошвы ленточного фундамента.
Таким образом, получаем:
Предварительное значение требуемой
ширины подошвы: b = 2,12 м. По каталогу конструктивных элементов фундаментов
гражданских и административных зданий выбираем фундаментную подушку ФЛ20.24-1
шириной b=2,0 м, длиной l=2,38 м, высотой h=0,3 м.. Внутренние стены:
Определяем новое значение R при
такой ширине фундамента:
кПа
Проверяем фактическое
среднее давление P под подошвой фундамента:
,
где
А = 2 *1 = 2,0 м2ф
- собственный вес 1 пог. м фундамента, складывается из веса железобетонной
подушки ФЛ20.24-1, четырех бетонных стеновых фундаментных блоков сплошных ФБС и
пригрузки от пола подвала на внутренней консольной части ак опорной
плиты.
кН/м
Удельный вес бетона
блоков ФБС и пола подвала принят равным γб
= γcf =
22 кН/м3. Удельный вес железобетона фундаментной плиты ФЛ20.24-1 принят равным γжб
= 24 кН/м3.
ак= 0,8 м -
вылет консольной части плиты в сторону обратной засыпки (и в сторону подвала
при вычислении веса пола подвала, входящего в Qф);гр -
вес грунта на консольной части фундаментной плиты с наружной стороны:
кН/м
= d - hs =
1,9 - 0,3 = 1,6 м - высота грунта на консольной части фундаментной плиты с
наружной стороны.
γII
= 19,2 кН/м3 - удельный вес обратной засыпки.
Определяем разницу между
R и Р:
Превышение расчётного
сопротивления R над средним давлением, действующим под подошвой ленточного
фундамента Р не должно составлять более 10%. Так как оно не превышает 10%, то
ширина подошвы фундамента ФЛ20.24-1 подобрана экономично.
2.4 Определение стабилизированной
осадки фундамента мелкого заложения методом послойного суммирования
Вычисление ординат эпюры природного
давления szg,i
- на границе I и II
слоев:
кПа
на отметке подошвы
фундамента:
кПа
на границе II и III
слоев:
кПа
на границе III и IV
слоя:
кПа
на границе IV и V слоев:
кПа
скачок на границе IV и V
слоев:
на границе V и VI слоев:
кПа
в VI слое на глубине h6:
кПа
Вычисление ординат эпюры
вспомогательного давления 0,2·szg,i:
szg,i 21,6 35,04 40,8 71,52 95,08 189,88
291,6
,2·szg,i 4,32 7,008 8,16 14,3 19,0137,8
58,32
Для наружных стен:
Вычисление ординат эпюры
дополнительного давления szp,i
Вычисляем верхнюю ординату эпюры szp,0 непосредственно под
подошвой фундамента при z=0:
Вычисляем другие
ординаты по формуле szр,i =ai×szр,0
для различных глубин zi откладываемых от подошвы фундамента.
По таблице 1 приложения
2 СНиП 2.02.01-83 ai зависит от отношения длины фундамента l к ширине фундамента b
Будем задаваться
глубиной
и
принимать табличные значения ai.
По найденным a получим значения дополнительных напряжений szр
для каждого из рассматриваемых слоев.
Полученные при расчете
данные сведены в таблицу:
|
 aiszр,i,
кПаhi, м0,2·szg,i,
кПаСлои основания
|
|
|
|
|
|
|
|
0,0
|
0,00
|
1,000
|
190,36
|
0,1
|
8,16
|
Супесь твердой консистенции
|
|
0,125
|
0,1
|
0,999
|
190,16
|
0,1
|
|
|
|
0,25
|
0,2
|
0,986
|
187,69
|
0,1
|
|
|
|
0,375
|
0,3
|
0,978
|
186,17
|
0,4
|
14,3
|
Песок средней крупности
|
|
0,875
|
0,7
|
0,857
|
163,13
|
0,4
|
|
|
|
1,375
|
1,1
|
0,705
|
134,2
|
0,4
|
|
|
|
1,875
|
1,5
|
0,578
|
110,02
|
0,4
|
|
|
|
2,375
|
1,9
|
0,481
|
91,56
|
0,4
|
|
|
|
2,875
|
2,3
|
0,411
|
78,23
|
0,4
|
|
|
|
3,375
|
2,7
|
0,350
|
66,62
|
0,4
|
|
|
|
3,875
|
3,1
|
0,315
|
59,96
|
0,2
|
|
|
|
4,125
|
3,3
|
0,297
|
56,53
|
0,4
|
19,01
|
|
4,625
|
3,7
|
0,267
|
50,82
|
0,4
|
|
|
|
5,125
|
4,1
|
0,242
|
46,06
|
0,4
|
|
|
|
5,625
|
4,5
|
0,222
|
42,25
|
0,4
|
|
|
|
6,125
|
4,9
|
0,204
|
38,83
|
0,4
|
|
|
|
6,625
|
5,3
|
0,189
|
35,97
|
0,3
|
|
|
|
7,0
|
5,6
|
0,180
|
34,26
|
0,4
|
37,8
|
Суглинок твердый
|
|
7,5
|
6,0
|
0,168
|
31,98
|
0,4
|
|
|
|
8
|
6,4
|
0,158
|
30,07
|
0,4
|
|
|
|
8,5
|
6,8
|
0,148
|
28,17
|
0,4
|
|
|
|
9
|
7,2
|
0,140
|
26,65
|
0,4
|
|
|
По построенной эпюре дополнительного
давления szр,i находим толщину сжимаемой толщи Нс = 6,78 м.
Вычисление деформационных
характеристик слоев грунта основания.
После вычисления ординат
и построения эпюр природного и дополнительного давлений находим полное давление
.
Это позволяет получить интервал изменения напряжения
и
соответствующие границам этого интервала величины коэффициентов пористости e по
компрессионным кривым или s по графикам испытаний штампом и соответственно
интервалы их изменения
и
,
которые необходимы для расчета деформационных характеристик грунта m0,
mn,
E.
Штамповые испытания.-
слой. Песок средней крупности.
Глубина 3,5 м; диаметр
штампа d = 27,7 см.
|
Р, кПа
|
0,0
|
50
|
100
|
150
|
200
|
250
|
300
|
350
|
400
|
|
S, мм
|
0,0
|
0,45
|
0,91
|
1,36
|
1,81
|
2,26
|
2,71
|
3,16
|
3,75
|
кПа1 = 0,51
мм
кПа2 = 1,63
мм
кПа
мм
Компрессионные
испытания.- слой. Супесь твердой консистенции.
Глубина 2 м.
|
Р, кПа
|
0,0
|
50
|
100
|
200
|
400
|
|
е
|
0,680
|
0,672
|
0,660
|
0,651
|
0,640
|
кПа
е1 = 0,675
кПа
е2 = 0,645
Коэффициент сжимаемости:
Относительный
коэффициент сжимаемости:
Модуль деформации:
Вычисление осадки.
Осадка в каждом
грунтовом слое складывается из осадок входящих в него элементарных слоев полных
и неполных.
- слой. (три
элементарных слоев):
- слой. (шесть
элементарных слоев):
Суммарная осадка s = 0,3
+ 0,3 = 0,60 см £ sпред = 8 см.
Полученная осадка
оказалась значительно меньше 8 см - предельной величины осадки, приведенной в
СНиП 2.02.01-83, приложение 4 для производственных и гражданские одноэтажных и
многоэтажных зданий с полным каркасом из железобетона. Поэтому условие расчета
по второму предельному состоянию s £ sпред можно
считать выполненным и использованные в расчете размеры фундамента - глубину
заложения d = 1,9 м и ширину фундамента b = 1,6 м можно считать достаточными и
окончательными, но такое заключение можно делать только в том случае, если
осадка внутренних стен этого дома тоже окажется меньше 8 см, а также будет
удовлетворено и другое условие: Ds£Dsпред.
Для внутренних стен:
Вычисление ординат эпюры
дополнительного давления szp,i
Вычисляем верхнюю
ординату эпюры szp,0 непосредственно под подошвой фундамента при z=0:
Вычисляем другие
ординаты по формуле szр,i =ai×szр,0
для различных глубин zi откладываемых от подошвы фундамента.
По таблице 1 приложения
2 СНиП 2.02.01-83 ai зависит от отношения длины фундамента l к ширине фундамента b
Будем задаваться
глубиной
и
принимать табличные значения ai.
По найденным a получим значения дополнительных напряжений szр
для каждого из рассматриваемых слоев. Полученные при расчете данные сведены в
таблицу:
|
 aiszр,i,
кПаhi, м0,2·szg,i,
кПаСлои основания
|
|
|
|
|
|
|
|
0,0
|
0,00
|
1,000
|
215,06
|
0,1
|
8,16
|
Супесь твердой консистенции
|
|
0,1
|
0,1
|
0,994
|
213,76
|
0,1
|
|
|
|
0,2
|
0,2
|
0,988
|
212,47
|
0,1
|
|
|
|
0,3
|
0,3
|
0,982
|
211,18
|
0,4
|
14,3
|
Песок средней крупности
|
|
0,7
|
0,7
|
0,905
|
204,3
|
0,4
|
|
|
|
1,1
|
1,1
|
0,786
|
169,03
|
0,4
|
|
|
|
1,5
|
1,5
|
0,670
|
144,09
|
0,4
|
|
|
|
1,9
|
1,9
|
0,573
|
123,22
|
0,4
|
|
|
|
2,3
|
2,3
|
0,495
|
106,45
|
0,4
|
|
|
|
2,7
|
2,7
|
0,434
|
93,33
|
0,4
|
|
|
|
3,1
|
3,1
|
0,385
|
82,79
|
0,2
|
|
|
|
3,3
|
3,3
|
0,364
|
78,28
|
0,4
|
19,01
|
Песок гравелистый
|
|
3,7
|
3,7
|
0,329
|
70,75
|
0,4
|
|
|
|
4,1
|
4,1
|
0,299
|
64,3
|
0,4
|
|
|
|
4,5
|
4,5
|
0,274
|
58,92
|
0,4
|
|
|
|
4,9
|
4,9
|
0,253
|
54,41
|
0,4
|
|
|
|
5,3
|
5,3
|
0,235
|
50,53
|
0,3
|
|
|
|
5,6
|
5,6
|
0,223
|
47,95
|
0,4
|
37,8
|
Суглинок твердый
|
|
6,0
|
6,0
|
0,208
|
44,72
|
0,4
|
|
|
|
6,4
|
6,4
|
0,196
|
42,15
|
0,4
|
|
|
|
6,8
|
6,8
|
0,185
|
39,78
|
0,4
|
|
|
|
7,2
|
7,2
|
0,175
|
37,63
|
0,4
|
|
|
По построенной эпюре дополнительного
давления szр,i находим толщину сжимаемой толщи Нс = 7,6 м.
Вычисление деформационных
характеристик слоев грунта основания.
После вычисления ординат
и построения эпюр природного и дополнительного давлений находим полное давление
.
Это позволяет получить интервал изменения напряжения
и
соответствующие границам этого интервала величины коэффициентов пористости e по
компрессионным кривым или s по графикам испытаний штампом и соответственно
интервалы их изменения
и
,
которые необходимы для расчета деформационных характеристик грунта m0,
mn,
E.
Штамповые испытания.-
слой. Песок средней плотности.
Глубина 3,5 м; диаметр
штампа d = 27,7 см.
|
Р, кПа
|
0,0
|
50
|
100
|
150
|
200
|
250
|
300
|
350
|
400
|
|
S, мм
|
0,0
|
0,45
|
0,91
|
1,36
|
1,81
|
2,26
|
2,71
|
3,16
|
3,75
|
кПа1 = 0,50
мм
кПа2 = 1,84
мм
кПа
мм
Штамповые испытания.-
слой. Песок гравелистый.
Глубина 7,0 м; диаметр
штампа d = 27,7 см.
|
Р, кПа0,050100150200250300350400
|
|
|
|
|
|
|
|
|
|
|
S, мм
|
0,0
|
0,39
|
0,80
|
1,21
|
1,62
|
2,03
|
2,44
|
2,86
|
83,39
|
кПа1 = 0,75
мм
кПа2 = 1,36
мм
кПа
мм
Компрессионные
испытания.- слой. Супесь твердой консистенции.
Глубина 2,0 м.
|
Р, кПа
|
0,0
|
50
|
100
|
200
|
400
|
|
е
|
0,680
|
0,672
|
0,660
|
0,651
|
0,640
|
кПа
е1 = 0,673
кПа
е2 = 0,649
Коэффициент сжимаемости:
Относительный
коэффициент сжимаемости:
Модуль деформации:
Вычисление осадки.
Осадка в каждом
грунтовом слое складывается из осадок входящих в него элементарных слоев полных
и неполных.- слой. (три элементарных слоев):
- слой. (восемь
элементарных слоев):
- слой. (шесть
элементарных слоев):
Суммарная осадка s = 0,4
+ 0,2 + 0,5 = 1,1 см £ sпред = 8 см.
Полученная осадка
оказалась значительно меньше 8 см - предельной величины осадки, приведенной в
СНиП 2.02.01-83, приложение 4 для производственных и гражданские одноэтажных и
многоэтажных зданий с полным каркасом из железобетона. Поэтому условие расчета
по второму предельному состоянию s £ sпред можно
считать выполненным и использованные в расчете размеры фундамента - глубину
заложения d = 1,9 м и ширину фундамента b = 2,0 м можно считать достаточными и
окончательными.
Вычисление относительной
разности осадки.

=0,002 проверка сошлась!
Список литературы
1. ГОСТ 25100-95 «Грунты. Классификация»
2. СНиП 2.02.01-83* «Основания зданий и сооружений»
. Ухов С.Б., Семенов В.В., Тер-Мартиросян З.Г. «Механика
грунтов, основания и фундаменты»
. Малышев М.В. и Болдырев Г.Г. «Механика грунтов. Основания и
фундаме