|
Z, м
|
Rfi, kПа
|
hi, м
|
hi · Rfi kH/пм
|
|
2,17
|
0
|
1,94
|
0
|
|
3,57
|
0
|
0,86
|
0
|
|
5,0
|
67,9
|
2,0
|
135,8
|
|
6,5
|
72,5
|
1,0
|
72,5
|
|
8,0
|
77,0
|
2,0
|
154,0
|
|
9,1
|
78,1
|
0,2
|
15,62
|
|
ИТОГО:
|
По формуле (3.22) вычисляем несущую
способность сваи по грунту
.
Для дальнейших расчетов принимаем
значение расчетного усилия по грунту
.
Расчетно-допустимая нагрузка на
сваю:
,
где
- коэффициент надёжности метода
испытаний [5].
3.2.4 Определение количества свай в
кусте
Сечение 2-2
Количество свай в кусте:
(3.24)
меньшая расчётная нагрузка на сваю
из нагрузок по грунту и материалу.
- коэффициент, учитывающий действие
изгибающего момента;
, так как в сечении действует
изгибающий момент;
По формуле (3.24):
Принимаем
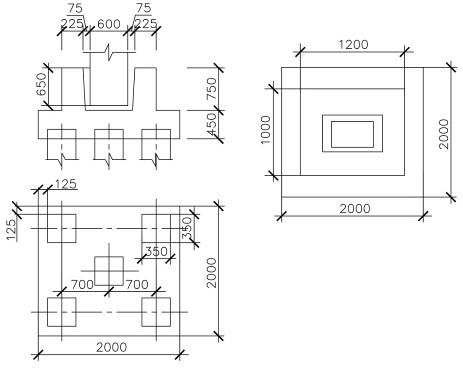
3.2.5 Проектирование ростверка
Сечение 2-2
Расстояние между центрами свай принимается не
менее 2d, где d
- сторона сечения сваи Поскольку свес ростверка относительно крайних осей свай
должен быть не менее 0,5d+100
мм, принимаем следующие размеры ростверка в плане (рисунок 3.14):
Толщину стенок стакана поверху
назначаем 225. Зазор между колонной и стаканом 75мм. Т.к. размеры колонны 
то размеры подколонника в плане:
Высота ростверка:
Высота подколонника:
Определяем глубину стакана:
Размеры дна стакана в плане:
.2.6 Определение глубины заложения и назначение
размеров ростверка
Глубина заложения фундаментов должна приниматься
с учетом назначения и конструктивных особенностей проектируемого сооружения,
влияния расположенных вблизи сооружений и инженерных коммуникаций,
инженерно-геологических, гидрогеологических, геоэкологических условий площадки
строительства и возможных их изменений, в том числе изменение глубины сезонного
промерзания грунтов.
По инженерно-геологическим условиям первый слой
(песок мелкий, малопрочный) не может служить основанием фундаментов. В качестве
основания фундаментов можно использовать второй слой (суглинок полутвердый,
прочный).
Глубина заложения фундаментов для отапливаемых
сооружений из условия недопущения морозного пучения грунтов основания
назначается для фундаментов внутренних стен и колонн независимо от расчетной
глубины промерзания, глубину сезонного промерзания в данном случае определять
нет необходимости.
Первый слой не является несущим, фундамент
должен заглубляться в несущий слой не менее, чем на 0,2 м. При этом в здании
имеется подвал, минимальная глубина заложения фундаментов не менее 0,4 м от
пола подвала.
Исходя из этих условий с учетом
конструктивных особенностей принимаем глубину заложения равной
от
планировочной отметки.
.2.7 Определение длины свай и их
несущей способности
Определяем минимальную длину сваи:
(3.21)
- глубина заделки сваи в ростверк,
= 0,1 м.
- расстояние от подошвы ростверка до
кровли несущего слоя грунта,
;
- заглубление в несущий слой,
;
По табл. Г.1 [4] принимаем сваю
С70.30-8…9, сечением 300x300 и длиной 7 м. Определяем несущую способность сваи.
(3.22)
где
- коэффициент условий работы сваи в
грунте (
);
- расчётное сопротивление грунта под
нижним концом сваи, определяется по табл. Г.2 [4];
А - площадь поперечного сечения
сваи,
м2;
U - наружный
периметр поперечного сечения сваи,
м;
- расчётное сопротивление i-го слоя по
боковой поверхности сваи, определяется по табл. Г.3 [4];
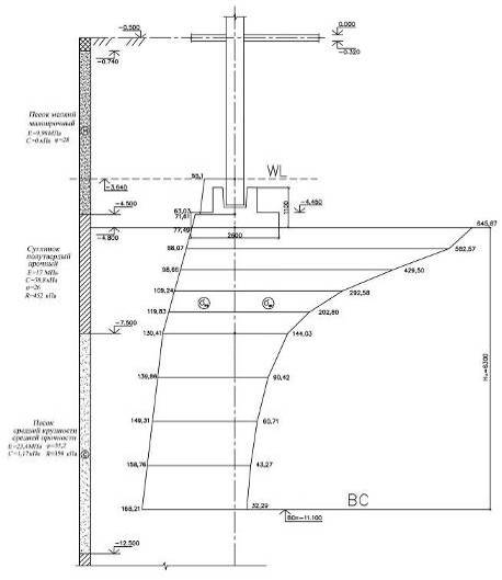
Рис. 3.5. Определение несущей
способности сваи
- коэффициенты работы грунта
соответственно по боковой поверхности и под нижним концом сваи, для свай,
погружаемых забивкой
- мощность i-го слоя
грунта, соприкасающегося с боковой поверхностью сваи, м.
При
Расчетная допустимая нагрузка на
сваю:
(3.23)
где
- коэффициент надёжности (для
гражданских зданий -
);
В дальнейших расчетах принимаем
меньшее значение:
.2.8 Определение количества свай в
фундаменте
Количество свай в кусте:
(3.25)
где
расчётная нагрузка на фундамент,
коэффициент,
учитывающий действие момента,
.
Принимаем 4 сваи.
.2.4 Конструирование ростверка
Из условия унификации размеры
ростверка в плане принимаем кратно 300мм.
Размеры стакана
Расстояние между сваями
Расстояние
от края ростверка до геометрической оси сваи принимаем:
Определяем фактическую нагрузку на сваю:
; (3.26)
где:
фактический вес ростверка, кН;
вес грунта на уступах ростверка, кН;
вес свай в фундаменте, кН;
количество свай в фундаменте, n = 2;
расчетная нагрузка на фундамент,
;
Рис. 3.6. Конструирование ростверка
Принимаем соответствующие
геометрические размеры ростверка:
Получим:
Проверка:
Недонапряжение:
Окончательно принимаем 2 сваи.
.2.9 Проверка прочности основания
куста свай
Для оценки общей устойчивости
свайного фундамента и определения его стабилизированной осадки необходимо
определить вертикальные напряжения в грунте в плоскости, проходящей через
острия свай. При этом свайный фундамент рассматривается как условный массивный
фундамент, в состав которого входят ростверк, сваи, грунт межсвайного
пространства и некоторый объем грунта, примыкающего к наружным сторонам
свайного фундамента.
Нижняя граница условного массива
определяется пересечением плоскости, проходящей через нижние концы свай, и
плоскости, ограниченной углом
:
Определим
размеры условного фундамента:
Давление по подошве условного фундамента от
расчетных нагрузок не должно превышать расчетного давления на грунт:
(3.27)
где
заданная нагрузка на фундамент,

Вычисляем
расчетное сопротивление для условного фундамента по формуле (3.5):
где
коэффициенты условий работы.
Рис. 3.7. Схема к определению границ
условного фундамента
В соответствии с таблицей Д.1 [4]
при
и
принимаем
коэффициенты
:

коэффициенты, принимаемые по табл.
Д.2 [4] (так как
то
);
коэффициент, учитывающий ширину
фундамента, так как
, то
;
осреднённое расчётное значение
удельного веса грунтов, залегающих ниже подошвы фундамента, определяется на
глубине
.
осреднённое расчётное значение
удельного веса грунтов, залегающих выше подошвы фундамента:
приведённая глубина заложения
фундамента, определяемая по формуле (3.6):
м
глубина подвала (поскольку
м,
принимаем
м);
расчётное значение удельного
сцепления грунта, залегающего под подошвой фундамента.
Таким образом:
Получаем:
Условие
выполняется.
Расчет на местное сжатие.
(3.28)
где
площадь сечения колонны;
- расчетное сопротивление бетона
сжатию
Условие выполняется.
Расчёт ростверка на продавливание
колонной не требуется, т.к. пирамида продавливания охватывает сваи.
Расчёт ростверка на продавливание
угловой сваей не требуется, т.к. свая заходит за грань подколонника более чем
на 50 мм.
Расчет прочности по наклонным
сечениям:
, (3.29)
где
сумма реакций всех свай, находящихся
за пределами наклонного сечения,
.
ширина ростверка;
рабочая высота;
- расчетное сопротивление бетона
растяжению
- коэффициент, зависящий от
отношения
(табл.5.1
[3]),
где
расстояние от плоскости внутренних
граней свай до ближайшей грани подколонника;
Условие выполняется, толщина стакана
достаточна.
Расчет
ростверка на изгиб.
По
формуле (3.19) требуемая площадь арматуры:
где
Принимаем рабочую арматуру 8Æ14 S400 с шагом
200 мм
, поперечную
арматуру назначаем конструктивно 5Æ10 S400 с шагом
200 мм
.
Армирование подколонника принимаем
конструктивно арматурой Ш12 мм S400 с шагом 150 мм в продольном направлении и
200 мм в поперечном направлении.
Рис. 3.8. Армирование ростверка
Поперечное армирование стенок стакана выполняем
конструктивно в виде сварных плоских сеток с расположением стержней арматуры Ш8
мм S400 у наружных и внутренних поверхностей стенок. Расстояние между сетками
100 мм (см. рисунок 3.8).
.2.10 Определение осадки фундамента методом
эквивалентного слоя
Расчёт осадки фундамента происходит из условия
(3.8):
где
величина конечной осадки отдельного
фундамента, определяемая расчётом;
предельная величина осадки
фундаментов зданий и сооружений, принимаемая по табл. Д.4 [4] (для данного
здания
).
(3.30)
где:
мощность эквивалентного слоя, м;
средний коэффициент относительной
сжимаемости;
Удельный вес грунтов, залегающих
ниже уровня подземных вод (WL), но выше водоупора, определяется с учётом
взвешивающего действия воды по формуле (3.10).
Определим удельный вес песка
мелкого, не являющегося водоупором:
Находим ординаты эпюры вертикальных
напряжений от собственного веса грунта в характерных горизонтальных сечениях.
На подошве 1-го слоя (песок
пылеватый):
На подошве 2-го слоя (супесь
пластичная):
На отметке уровня грунтовых вод
(WL):
На подошве 3-го слоя (песок мелкий):
На границе водоупора (глина
полутвердая):
На подошве 4-го слоя (глина
полутвердая):
На конце сваи (глина полутвердая):
На расстоянии от конца свай
(супесь
пластичная):
Определяем дополнительное
вертикальное напряжение:
Определяем мощность эквивалентного
слоя грунта:
(3.31)
где
коэффициент эквивалентного слоя
принимаем по табл. 5.6 [5] в зависимости от
и коэффициента Пуассона
.
.
Откладываем от конца свай расстояние
и строим
эпюру дополнительных вертикальных напряжений (см. рис. 3.9).
Находим средний коэффициент
относительной сжимаемости грунта:
(3.32)
где
толщина i-го слоя грунта в пределах
активной зоны;
расстояние от нижней границы
сжимаемой толщи до середины i-го слоя;
коэффициент относительной
сжимаемости грунта в пределах i-го слоя;
(3.33)
Рисунок 3.9. Схема к определению осадки
фундамента методом эквивалентного слоя
модуль деформации i-го слоя, МПа;
- коэффициент, зависящий от
коэффициента относительной поперечной деформации грунта (для супесей
= 0,7).
Для супеси:
.
Определяем осадку свайного
фундамента по формуле (3.30):
Условие выполняется.
.2.11 Выбор сваебойного оборудования и
определение отказа сваи
Исходя из принятой в проекте расчетной нагрузки,
допустимой на сваю, определяется минимальная энергия удара по формуле:
(3.34)
где
эмпирический коэффициент,
несущая способность сваи по грунту.
.
По таблицам Е.7 и Е.8 [4] подбираем
молот, энергия удара которого соответствует расчетной минимальной. Примем
трубчатый дизель-молот с водяным охлаждением С-1047 со следующими
характеристиками:
масса ударной части -
= 25кН ;
наибольшая высота падения ударной
части молота -
= 3м;
расчетная энергия удара -
полный вес молота -
= 55 кН ;
Далее производим проверку
пригодности принятого молота по условию:
(3.35)
где
расчетная энергия удара, Дж;
полный вес молота;
вес сваи, наголовника и подбабка;
- значение коэффициента применимости
молота для трубчатых дизель-молотов при материале свай - железобетон;
Проверяем условие (3.35):
условие выполняется.
Для контроля несущей способности
свайных фундаментов и окончательной оценки применимости выбранного молота,
определяем проектный отказ сваи:
(3.36)
где
проектный отказ сваи, м;
коэффициент, принимаемый в
зависимости от материала сваи, при определении отказа железобетонных свай
;
площадь поперечного сечения сваи, м2;
коэффициент восстановления удара и
при забивке железобетонных свай молотами ударного действия с применением
наголовника с деревянным вкладышем,
Проверяем условие (3.37):
Условие выполняется.
.3 Расчет фундаментов на
искусственном основании
.3.1 Определение глубины заложения
фундаментов
Глубина заложения фундаментов должна
приниматься с учетом назначения и конструктивных особенностей проектируемого
сооружения, влияния расположенных вблизи сооружений и инженерных коммуникаций,
инженерно-геологических, гидрогеологических, геоэкологических условий площадки
строительства и возможных их изменений, в том числе изменение глубины сезонного
промерзания грунтов.
По инженерно-геологическим условиям
первый слой (песок пылеватый, рыхлый, влажный) не может служить основанием
фундаментов. В качестве основания фундаментов можно использовать второй слой
(супесь пластичная).
Поскольку глубина заложения фундаментов
для отапливаемых сооружений из условия недопущения морозного пучения грунтов
основания назначается для фундаментов внутренних стен и колонн независимо от
расчетной глубины промерзания, глубину сезонного промерзания в данном случае
определять нет необходимости.
Первый слой не является несущим,
фундамент должен заглубляться в несущий слой не менее, чем на 0,2 м. При этом в
здании имеется подвал, минимальная глубина заложения фундаментов не менее 0,4 м
от пола подвала.
Исходя из этих условий с учетом конструктивных
особенностей принимаем глубину заложения равной
от планировочной отметки.
3.3.2 Определение характеристик
насыпного грунта
Поскольку грунт залегающий
непосредственно под подошвой фундамента пылевато-глинистый, то в качестве
искусственного основания под фундаменты целесообразно применить песчаную
подушку.
При устройстве песчаной подушки
плотность сложения грунта должна соответствовать значению
>1,65 т/м3.
В качестве материала подушки
принимаем песок крупный со следующими характеристиками:
=2,66 т/м3,
=1,66 т/м3,
=10%.
Определим плотность грунта в сухом
состоянии по формуле (2.1):
.
Определим плотность сложения грунта
по формуле (2.2):
.
Определим степень влажности по
формуле (2.3):
.
Коэффициент пористости:
(3.37)
где
- плотность сухого грунта на нижней
границе уплотняемого слоя;
Так как
, то,
согласно табл. 5 [1], песок крупный плотный.
Степень влажности:
м (3.38)
где
- оптимальная влажность;
Так как
, то,
согласно табл. 6 прил. [1], грунт маловлажный.
Определим нормативные значения
прочностных и деформационных характеристик грунта песчаной подушки.
Удельное сцепление
(согласно
табл. 11 прил. [1]).
Угол внутреннего трения
(согласно
табл. 11 прил. [1]).
Модуль деформации
(согласно
табл. 8 прил. [1]).
Расчётное сопротивление
(согласно
табл. 12 прил. [1]).
Значение
определяется
по формуле:
(3.39)
где
- ускорение свободного падения
;
.
.3.3 Определение размеров фундамента
Глубина заложения
, в стакан
фундамента устанавливается колонна сечением
. На фундамент в сечении 2 - 2
действует нагрузка
. Расчетное
сечение выполняем по скважине №2. Длина здания
, высота
.
Определяем площадь подошвы фундамента в плане по
формуле (3.3):
Ширина фундамента равна:
Принимаем
Рис. 3.10. Схема к определению
глубины заложения и размеров фундамента в плане в сечении 2 - 2 по скважине №2
Определяем расчетное сопротивление
грунта основания по формуле (3.5):
где
коэффициенты условий работы.
В соответствии с таблицей Д.1 [4]
при
принимаем
коэффициенты
:

-
коэффициент надёжности.
коэффициенты, принимаемые по табл.
Д.2 [4] (так как
то
);
коэффициент, учитывающий ширину
фундамента, так как
, то
;
осреднённое расчётное значение
удельного веса грунтов, залегающих ниже подошвы фундамента, определяется на
глубине
.
осреднённое расчётное значение
удельного веса грунтов, залегающих выше подошвы фундамента:
приведённая глубина заложения
фундамента, определяемая по формуле (3.6):
м
глубина подвала (поскольку
м,
принимаем
м);
расчётное значение удельного
сцепления грунта, залегающего под подошвой фундамента.
Таким образом:
Уточняем значение площади подошвы
фундамента по формуле (3.3) при
:
По формуле (3.4):
Принимаем b = 1,1 м.
Поскольку при данной ширине
фундамента величина 0,5b не выходит за пределы того слоя, в
котором находится подошва фундамента, то характеристики принимаются исходными,
т.е.:
Находим среднее давление по подошве
по формуле (3.7):
Размеры фундамента должны
удовлетворять условию
Поскольку условие не выполняется,
принимаем ширину фундамента b = 1,2 м.
Находим среднее давление по подошве
по формуле (3.7):
Размеры фундамента должны
удовлетворять условию
Недонапряжение превышает 5%, но уменьшить
размеры фундамента не представляется возможным.
Окончательно принимаем размеры
фундамента в плане
.3.4 Определение толщины грунтовой
подушки
Мощность слоя слабого грунта под
подошвой фундамента 1,7 м. Целесообразно произвести частичную замену
существующего грунта песчаной подушкой. Примем высоту песчаной подушки
=1,6 м.
Толщина песчаной подушки
определяется из условия, чтобы полное давление на кровлю слабого грунта не
превышало расчетного сопротивления на этот грунт:
, (3.40)
где
- вертикальные напряжения от
собственного веса грунта;
- дополнительное вертикальное
напряжение в грунте.
Для определения
на глубине z, находим:
кПа;
;
.
По значению
=2,67 и
по табл.
Д.5 [4] принимаем значение
=0,219, тогда
кПа.
Вертикальное напряжение от
собственного веса грунта на глубине z от подошвы
фундамента:
кПа.
Расчетное сопротивление
грунта
пониженной прочности с характеристиками
кН/м3,
, СII = 13,6 кПа
на глубине z для
условного фундамента шириной bz определяем
по формуле (3.5):
где
коэффициенты условий работы.
В соответствии с таблицей Д.1 [4]
при
и
принимаем
коэффициенты
:

-
коэффициент надёжности.
коэффициенты, принимаемые по табл.
Д.2 [4] (так как
то
);
коэффициент, учитывающий ширину
фундамента, так как
, то
;
b=bz , где
- ширина
подошвы условного фундамента;
м2; (3.41)
вес фундамента, кН;
вес грунта на уступах фундамента,
кН;
м.
Принимаем
м.
осреднённое расчётное значение
удельного веса грунтов, залегающих ниже подошвы фундамента, определяется на
глубине
.
осреднённое расчётное значение
удельного веса грунтов, залегающих выше подошвы фундамента:
приведённая глубина заложения
фундамента;
глубина подвала (поскольку
м,
принимаем
м);
расчётное значение удельного
сцепления грунта, залегающего под подошвой фундамента.
кПа
Проверяем условие:
.
Условие выполняется, прочность
подстилающего слоя обеспечивается.
Определяем размеры по низу подушки в
плане:
м.
Рис. 3.11. Схема фундамента на
искусственном основании
.3.5 Определение осадки фундамента
методом послойного суммирования
Расчёт осадки фундамента происходит
из условия
где
величина конечной осадки отдельного
фундамента, определяемая расчётом;
предельная величина осадки
фундаментов зданий и сооружений, принимаемая по табл. Д.4 [4] (для данного
здания
).
Определим удельный вес песка
мелкого, не являющегося водоупором, по формуле (3.10):
Находим ординаты эпюры вертикальных
напряжений от собственного веса грунта в характерных горизонтальных сечениях:
На подошве 1-го слоя (песок
пылеватый):
На подошве фундамента (супесь
пластичная):
На подошве слоя песчаной подушки
(песок крупный):
На подошве 2-го слоя (супесь
пластичная):
На отметке уровня грунтовых вод
(WL):
На подошве 3-го слоя (песок мелкий):
На границе водоупора (глина
полутвердая):
На подошве 4-го слоя (глина
полутвердая):
Дополнительное (к природному)
вертикальное напряжение в грунте под подошвой фундамента вычисляется по
формуле:
где
среднее фактическое давление под
подошвой фундамента,
вертикальное напряжение от
собственного веса грунта на уровне подошвы фундамента от веса вышележащих
слоёв,
.
Для построения эпюры дополнительных
вертикальных напряжений толща грунта ниже подошвы фундамента разбивается на ряд
слоёв, мощностью не более
. Принимаем:
.
Для удобства вычисления осадки
фундамента расчёт ведём в табличной форме (табл. 3.3).
Таблица 3.3.
Определение осадок фундамента
|
№
слоёв
|
      
|
|
|
|
|
|
|
|
|
|
|
|
|
|
|
|
|
|
|
|
Песок
крупный
|
|
2
|
0
|
0
|
1
|
0
|
759,387
|
53,553
|
10,711
|
35000
|
0
|
|
2
|
24
|
0,4
|
0,960
|
24
|
729,012
|
56,847
|
11,369
|
35000
|
0,408
|
|
2
|
48
|
0,8
|
0,800
|
24
|
607,510
|
61,140
|
12,228
|
35000
|
0,367
|
|
2
|
72
|
1,2
|
0,606
|
24
|
460,189
|
65,434
|
13,087
|
35000
|
0,293
|
|
2
|
96
|
1,6
|
0,449
|
24
|
340,965
|
69,727
|
13,945
|
35000
|
0,220
|
|
2
|
120
|
2,0
|
0,336
|
24
|
255,154
|
74,021
|
14,804
|
35000
|
0,164
|
|
2
|
144
|
2,4
|
0,257
|
24
|
195,162
|
78,315
|
15,663
|
35000
|
0,124
|
|
2
|
160
|
2,67
|
0,219
|
16
|
166,306
|
82,177
|
16,435
|
35000
|
0,066
|
|
Супесь
пластичная
|
|
3
|
170
|
2,83
|
0,198
|
10
|
150,359
|
84,041
|
16,808
|
18400
|
0,069
|
|
Песок
мелкий
|
|
3
|
192
|
3,2
|
0,160
|
22
|
121,502
|
87,055
|
17,411
|
25000
|
0,096
|
|
3
|
216
|
3,6
|
0,130
|
24
|
98,720
|
89,354
|
17,871
|
25000
|
0,085
|
|
3
|
240
|
4,0
|
0,108
|
24
|
82,014
|
91,653
|
18,331
|
25000
|
0,069
|
|
3
|
264
|
4,4
|
0,091
|
24
|
69,104
|
93,952
|
18,790
|
25000
|
0,058
|
|
3
|
288
|
4,8
|
0,077
|
24
|
58,473
|
96,251
|
19,250
|
25000
|
0,049
|
|
3
|
312
|
5,2
|
0,066
|
24
|
50,120
|
98,551
|
19,710
|
25000
|
0,042
|
|
3
|
336
|
5,6
|
0,058
|
24
|
44,044
|
100,850
|
20,170
|
25000
|
0,036
|
|
3
|
360
|
6,0
|
0,051
|
24
|
38,729
|
103,149
|
20,630
|
25000
|
0,032
|
|
3
|
384
|
6,4
|
0,045
|
24
|
34,172
|
105,448
|
21,090
|
25000
|
0,028
|
|
3
|
390
|
6,5
|
0,044
|
6
|
33,413
|
106,023
|
21,205
|
25000
|
0,006
|
|
Глина
полутвердая
|
|
4
|
408
|
6,8
|
0,040
|
18
|
30,376
|
130,555
|
26,111
|
21000
|
0,018
|
|
4
|
432
|
7,2
|
0,036
|
24
|
27,338
|
135,263
|
27,053
|
21000
|
0,026
|
|
4
|
435
|
7,25
|
0,0357
|
3
|
27,110
|
135,656
|
27,131
|
21000
|
0,003
|
2,258
Осадка основания:
.
Таким образом, нижняя граница
сжимаемой (активной) зоны грунта (ВС) находится на глубине
от подошвы
фундамента, где
.
.3.6 Расчет фундаментов по несущей
способности
Размеры фундамента 1,2х1,2 м. Высота
фундамента
сечение
колонны 300х400.
Рис. 3.12. Схема и эпюры к расчету
осадок фундамента
Принимаем конструкцию фундамента с
подколонником стаканного типа и плитой. Толщину стенок стакана поверху
назначаем 225 мм (для фундаментов с армированной стаканной частью). Зазор между
колонной и стаканом 50 мм. Т.к. размеры колонны 
мм, то размеры подколонника в плане:
Принимаем одну ступень:
Высота подколонника:
Определяем глубину стакана:
Размеры дна стакана в плане:
Вынос ступени по формуле (3.14):
Конструктивная схема фундамента
представлена на рис. 3.13.
Рис. 3.13. Размеры фундамента
Принимаем бетон класса
Защитный
слой бетона для арматуры подошвы 70 мм.
Расчёт фундамента на продавливание
колонной не требуется, т.к. пирамида продавливания охватывает плитную часть
фундамента.
Рассчитаем рабочую арматуру для
плитной части фундамента.
Определяем реактивное давление
грунта по подошве фундамента от расчетных нагрузок:
где
- расчетная нагрузка.
Определяем площадь сечения арматуры
по формуле (3.19):
Изгибающий момент в плите
центрально
нагруженного фундамента определяем по формуле (3.20):
где Р - давление на грунт в зоне
смятия
;
- вылет
консоли фундамента.
Сечение 1 - 1:
Конструктивно устанавливаем 6
стержней
с шагом 200
мм
.
Сечение 2 - 2:
Конструктивно устанавливаем 6
стержней
с шагом 200
мм
.
Армирование подколонника принимаем
конструктивно арматурой Ш12 мм S400 с шагом 150 мм в продольном направлении и
200 мм в поперечном направлении.
Поперечное армирование стенок
стакана выполняем конструктивно в виде сварных плоских сеток с расположением
стержней арматуры Ш8 мм S400 у наружных и внутренних поверхностей стенок.
Расстояние между сетками 100 мм (см. рисунок 3.14).
Рис. 3.14. Армирование фундамента
4. Технико-экономическое сравнение
вариантов
. Фундамент на естественном
основании (рис. 4.1):
земляные работы:
;
устройство фундаментов:
.
Рис. 4.1. Определение объемов работ
при устройстве фундамента на естественном основании
. Свайный фундамент (рис. 4.2):
земляные работы:
забивка свай:
устройство ростверка:
3. Фундамент на искусственном основании (рис.
4.3):
земляные работы:
устройство песчаной подушки:
устройство фундаментов:
.
Рис. 4.2. Определение объемов работ
при устройстве свайного фундамента
Рис. 4.3. Определение объемов работ
при устройстве фундамента на искусственном основании
Технико-экономическое сравнение.
Таблица 4.1. Фундамент на
естественном основании
|
№
|
Название
работ
|
Ед.
изм
|
Расценка
на ед. изм.
|
Объем
работ
|
Стоимость
работ
|
|
1
|
Разработка
грунта под фундаменты
|
м3
|
3,6+3,6x0,3+3,6x0,07=4,9
|
89,80
|
440,02
|
|
2
|
Устройство
ж/б фундаментов
|
31,0
|
2,15
|
66,65
|
|
У
|
506,67
|
Таблица 4.2. Свайный фундамент
|
№
|
Название
работ
|
Ед.
изм
|
Расценка
на ед. изм.
|
Объем
работ
|
Стоимость
работ
|
|
1
|
Разработка
грунта под фундаменты
|
м3
|
4,9
|
58,64
|
287,33
|
|
2
|
Забивка
ж/б свай
|
м3
|
88,4
|
1,62
|
143,21
|
|
3
|
Устройство
ж/б ростверков
|
м3
|
31,0
|
0,81
|
25,11
|
|
У
|
455,65
|
Таблица 4.3. Фундамент на искусственном
основании
|
№
|
Название
работ
|
Ед.
изм
|
Расценка
на ед. изм.
|
Объем
работ
|
Стоимость
работ
|
|
1
|
Разработка
грунта под фундаменты
|
м3
|
4,9
|
353,15
|
1730,44
|
|
2
|
Устройство
песчаной подушки
|
м3
|
7,2
|
58,97
|
424,58
|
|
3
|
Устройство
ж/б фундаментов
|
м3
|
31,0
|
1,05
|
32,55
|
|
У
|
2187,57
|
Вывод: наиболее экономичным является второй
вариант - свайный фундамент.
фундамент свайный строительство
5. Расчет фундаментов на ЭВМ
Таблица 5.1. Расчет фундаментов на ЭВМ проводим
с использованием программы «Конструктор зданий».
.1 Расчет свайных фундаментов в сечении 5 - 5
Рис. 5.1. Сечение 5 - 5
На фундамент в сечении 5 - 5
действует нагрузка
. Расчетное
сечение выполняется по скважине №1.
Глубина заложения
.
Ширина ростверка
, высота 400
мм, длина
Принимаем 4 фундаментных блока
ФБС24.6.6 и 1 фундаментный блок ФБС12.6.3.
В данном сечении устанавливаем 3
сваи С40.30-3, сечением 300x300 мм и длиной 4 м.
Расчетная нагрузка на сваю
Усилия в ростверке:
) вдоль:
момент на опоре
момент в пролете
поперечная сила
) поперек:
момент
поперечная сила
Осадка сваи - 0,02 см.
Забивка свай производится трубчатым
дизель-молотом с водяным охлаждением С-1047.
Отказ сваи - 2,5 см.
При армировании ростверка и свай
используется бетон класса
и
арматура класса S400.
Рис. 5.2. Армирование ростверка
5.2 Расчет свайных фундаментов в
сечении 8 - 8
Рис. 5.3. Сечение 8 - 8
На фундамент в сечении 8 - 8
действует нагрузка
. Расчетное
сечение выполняется по скважине №3.
Глубина заложения
.
Ширина ростверка
, высота 400
мм, длина
Принимаем 4 фундаментных блока ФБС24.6.6
и 1 фундаментный блок ФБС12.6.3.
В данном сечении устанавливаем 2
сваи С40.30-3, сечением 300x300 мм и длиной 4 м.
Расчетная нагрузка на сваю
Усилия в ростверке:
) вдоль:
момент на опоре
момент в пролете
поперечная сила
) поперек:
момент
поперечная сила
Осадка сваи - 0,13 см.
Забивка свай производится трубчатым
дизель-молотом с водяным охлаждением С-1047.
Отказ сваи - 2,0 см.
При армировании ростверка и свай
используется бетон класса
и
арматура класса S400.
Рис. 5.4. Армирование ростверка
6. Технология производства работ
Строительству объекта предшествует инженерная
подготовка площадки. В состав этих процессов в общем случае входят расчистка
территории площадки, отвод поверхностных и грунтовых вод, создание
геодезической разбивочной сетки.
Далее производят разбивку котлованов и
привязывают их с строительному генеральному плану. После этого вокруг будущего
котлована, на расстоянии 2-3м от его бровки параллельно основным разбивочным
осям устраивают обноску.
Разрабатывают грунт экскаваторами на проектную
глубину. Выполняют крепление стенок деревянными щитами с опорными стойками.
Опорные стойки крепят с помощью металлических оттяжек или деревянными схватками
с анкерными сваями, забиваемых за пределами призмы обрушения.
Для устройства вводов в здание коммуникаций, а
также уменьшения типоразмеров фундаментных стеновых блоков, в стенах
фундаментов оставляют проёмы длиной не более 0,6м, которые при необходимости
заполняются кирпичом или бетоном. Проёмы по углам здания не допускаются.
Затем выполняют гидроизоляционные работы.
Обмазочную гидроизоляцию из горячих битумов наносят на внешнюю сторону
фундаментных стен. Слои наносят за 2-3 приёма, чтобы перекрыть все пропущенные
места предыдущих слоёв. Затем рулонными гидроизоляционными материалами
изолируют цоколь здания от стен. Рубероидный ковёр наклеивают на битумной
мастике.
Засыпку пазух дна котлована выполняют только
после подписания акта о сдаче работ нулевого цикла.
Забивка свай и устройство ростверка.
Забивные сваи погружают в грунт свайным молотом
С-1047. Масса ударной части свайного молота должна быть не меньше массы самой
сваи с наголовником, надеваемым на голову сваи для защиты её от разрушения
ударами молота.
Для смягчения удара в наголовники укладывают
прокладки из дерева, резины и других упругих материалов. Такие прокладки
снижают эффективность удара, однако без них разрушается бетон головы сваи.
Забивку сваи трудно осуществлять через слои
плотных маловлажных песков. В таких грунтах целесообразно применять подмыв под
нижним концом погружаемой сваи или пробуривать лидерные скважины. Подмыв и
проходку лидерных скважин заканчивают не менее чем на 1 м выше проектного
положения острия свай.
Забивку свай начинают с медленного опускания
молота на наголовник после установки сваи на грунт и ее выверки. Под действием
массы молота свая погружается в грунт. Чтобы обеспечить правильное направление
сваи, первые удары производят с небольшой высоты подъема молота (0.4-0.5м). При
использовании дизель-молотов замеряют время действия молота, расходуемое на
каждый метр погружения сваи, число ударов в минуту. В начале забивки необходимо
внимательно наблюдать за правильностью погружения сваи в плане и по вертикали.
При забивке дизель-молотами за отказ принимают
величину погружения сваи за 1 минуту. Отказы измеряют с погрешностью не более 1
мм.
Сваи, не давшие контрольного отказа после
перерыва в 3-4 дня, подвергают контрольной добивке. Если глубина сваи сваи не
достигла 85% проектной, а на протяжении 3-х последовательных залогов получен
расчетный отказ, необходимо выяснить причины этого явления и согласовать с
проектной организацией порядок дальнейшего ведения свайных работ.
Ростверк выполняем из монолитного железобетона. Перед
устройством ростверка выполняют выравнивание голов свай (срубают бетон, режут
арматуру). Бетон срезают с помощью пневматических отбойных молотков.
При организации и осуществления контроля
качества необходимо исходить из двух основных положений:
от качества выполнения свайных работ зависит
несущая способность свайных фундаментов, что имеет важное значение для всего
здания или сооружения;
свайные работы, как правило, относят к скрытым
работам, требующим проверки качества в процессе изготовления.
Установка арматуры.
Арматура фундаментов монтируется из сеток и
каркаса, заранее изготовленных в арматурном цехе. Из-за больших размеров и
трудности транспортировки сетки изготавливать не целиком, а из двух равных
частей. Стыковать сетки необходимо электродуговой сваркой стержней внахлестку
одним фланговым швом.
На подготовленное основание уложить в шахматном
порядке через бетонные подкладки размером 70х70 мм, которые должны обеспечить
необходимую толщину защитного слоя бетона. После проверки горизонтальности их укладки
рейкой и уровнем уложить первую половину сетки нижней ступени фундамента, затем
внахлестку - вторую половину и сетки сварить. После этого смонтировать каркас с
приваркой его к сетке.
Требования к качеству сварки:
швы по внешнему виду должны иметь мелкочешуйчатую
поверхность без наплывов, пережогов и сужений,
наплавленный металл должен быть плотный по всей
длине шва, без трещин.
До начала монтажа арматурщики должны спустить в
котлованы и траншею лестницы, бетонные подкладки, трапы и инструмент; разметить
места установки бетонных подкладок для фиксации толщины защитного слоя,
разложить их и выверить горизонтальность положения трехметровой рейкой и
уровнем. Затем застропить одну из половин арматурной сетки. Крановщик должен
поднять сетку и подать ее к месту установки. Проверив правильность ее
установки, арматурщики должны аналогично ус установить вторую половину сетки,
но с нахлесткой стержней на величину длины сварного шва. После прихватки
зачистить и сварить стыки одним фланговым швом.
Бетонирование фундаментов.
Укладывают бетон в фундаменты в два этапа:
. Бетонирование башмака фундамента до низа
отметки стакана подколонника. При этом бетонирование выполнить послойно слоями
толщиной 0,3 м.
. Укладка бетонной смеси после установки и
выверки опалубки стакана фундамента.
Бетонную смесь уплотнять глубинными вибраторами
марки ИВ-66: в углах и у стенок опалубки произвести дополнительное уплотнение
штыкование ручными шуровками. Укладку каждого последующего слоя необходимо
выполнять до начала схватывания предыдущего слоя. При этом конец рабочей части
вибратора погрузить в ранее уложенный слой бетона на глубину 5-10 см.
Бетонщик должен принять бетонную смесь из
самосвала, очистить кузов от налипшего бетона, а в остальное время заниматься
подготовкой площадки для следующей стоянки крана.
При обработке поверхности бетона (после
перерывов в работе) водовоздушной струей бетонщик должен держать сопло форсунки
под углом 30° на расстоянии 30-40 см обрабатываемой поверхности. Обработку
поверхности механической щеткой производить полосами зигзагообразными
движениями вперед и равномерном нажатии на щетку, чтобы не допустить перегрузку
двигателя.
Устройство железобетонных фундаментов.
Перед строповкой блоков необходимо убедиться,
что кран находится на безопасном расстоянии от края котлована, что его опоры
расположены за пределами призмы обрушения. Фундаментные блоки укладываются по
схеме их раскладки в соответствии с проектом.
Монтаж начинать с установки маячных блоков по
углам и в местах пересечения стен на расстоянии 20-30 м друг от друга.
правильность установки по осям маячных блоков проверить по осевым рискам. После
укладки маячных блоков шнур-причалку (натянутый на грани фундаментной ленты)
поднять до уровня верхнего наружного ребра блоков и по ней расположить все
промежуточные блоки.
При монтаже фундаментные блоки поднять за четыре
петли четырехветвевым стропом. Поворотом стрелы монтажного крана блок
переместить к месту укладки и по команде звеньевого опустить на основание.
Незначительные отклонения от проектного положения устранить, перемещая блок
монтажным ломом при натянутых стропах. При этом нельзя нарушать поверхность
основания.
Стропы снимать после того, как блок займет
правильное положение по высоте и в плане. Положение рядовых блоков
контролировать по причалке, отвесу визированием на ранее установленные блоки и
по разметочным рискам на фундаментах.
Заключение
В пояснительной записке к курсовому проекту
рассмотрены: оценка инженерно-геологических условий площадки строительства,
расчет фундамента мелкого заложения на естественном основании, проектирование
свайных фундаментов, проектирование фундаментов на искусственном основании,
технико-экономическое сравнение вариантов фундаментов, расчет фундаментов на
ЭВМ, технология производства работ по устройству фундаментов.
Список использованной
литературы
1. Задания к
курсовому проекту и контрольным работам по курсу «Механика грунтов, основания и
фундаменты» для студентов специальности 1-70.02.01, Брест, 1996. - 49 с.
. Методические
указания к выполнению курсового и дипломного проектов по курсу «Механика
грунтов, основания и фундаменты» для студентов дневной и заочной формы обучения
специальности 1-70.02.01 «Промышленное и гражданское строительство». Часть 1.
Методика проектирования и расчетов. Брест, 2000 - 58 с.
3. Методические
указания к выполнению курсового и дипломного проектов по курсу «Механика
грунтов, основания и фундаменты» для студентов дневной и заочной формы обучения
специальности 1-70.02.01 «Промышленное и гражданское строительство». Часть 2.
Примеры расчета. Брест, 1999 - 58 с.
4. Методические
указания к курсовой работе по дисциплине «Механика грунтов, основания и
фундаменты» для студентов специальности 1-70.04.03 «Водоснабжение,
водоотведение и охрана водных ресурсов». Брест, 2008 - 56 с.
5. Цытович Н.А.
Механика грунтов. - М.: Высшая школа, 1983. - 288 с.
6. СНиП 2.02.03-85.
Свайные фундаменты. Госстрой СССР. Москва 1985.
7. СНБ 5.01.01-99, Министерство
архитектуры и строительства Республики Беларусь. Минск 1999. Приложение №4 к
СНБ 5.01.01-99
8. Основания, фундаменты
и подземные сооружения / М.И. Горбунов-Посадов, В.А. Ильичев, В.И. Крутов и
др.; Под общ. ред. Е.А. Сорочана и Ю.Г. Трофименкова. - М.: Стройиздат, 1985. -
480 с.