Модернизация низковольтного оборудования тяговой подстанции
Содержание
Введение
. Модернизация низковольтного оборудования тяговой подстанции
.1 Электроснабжение собственных нужд тяговой подстанции и
объектов СЦБ
. Трансформатор собственных нужд
тяговой подстанции
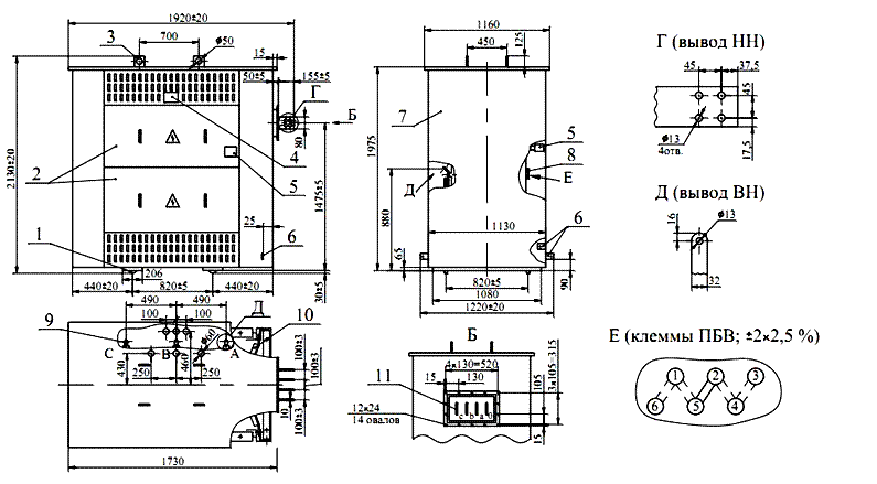
.1 Характеристики трансформаторов собственных нужд
.2 Устройства релейной защиты и автоматики трансформатора
собственных нужд
2.2.1 Автоматическое включение резерва трансформатора
собственных нужд
2.3 Режимы работы трансформаторов собственных нужд
.3.1 Отказы силовых трансформаторов
.3.2 Переходные процессы в трансформаторах
. Модернизация оборудования
собственных нужд тяговой подстанции
.1 Замена трансформаторов собственных нужд
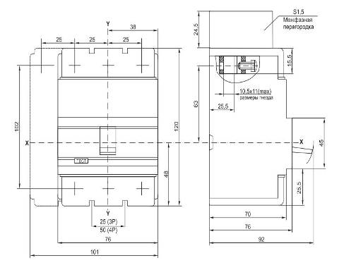
.2 Установка автоматических выключателей на низкой стороне
трансформатора собственных нужд
. Расчет срока окупаемости проекта модернизации
низковольтного оборудования тяговой подстанции
.1 Расчет затрат на модернизацию оборудования собственных
нужд тяговой подстанции
.2 Расчет численности персонала тяговой подстанции
.3 Расчет срока окупаемости
. Техника безопасности при ревизии трансформатора
собственных нужд
.1 Характеристика возможных опасных и вредных
производственных факторов при ревизии трансформатора собственных нужд
.2 Организационные мероприятия по технике безопасности
.3 Технические мероприятия по обеспечению безопасности при
ревизии трансформатора собственных нужд
.4 Оценка эффективности технических средств защиты,
обеспечивающих безопасность работ в электроустановках напряжением выше 1000 В
Заключение
Библиографический список
Введение
Приоритет развития современного железнодорожного транспорта в России -
это удовлетворение потребностей экономики страны в перевозках грузов и
пассажиров. Основные показатели этого процесса - обеспечение требуемого
качества предоставляемых услуг; повышение энергоэффективности и конкурентоспособности
рельсового транспорта.
Важнейшая роль железных дорог в перспективе их развития состоит в
организации международных перевозок по транспортным коридорам на основе
формирования грузо и пассажиропотоков. В условиях реформирования транспорта
ключевым в решении этих задач является совершенствование инфраструктуры
электроснабжения железных дорог.
По протяженности электрифицированных линий российские железные дороги
занимают первое место в мире: на электрическую тягу переведено 43 085 км (около
50% протяженности железных дорог), в том числе 24 660 км на переменном токе 50
Гц и 18 425 км на постоянном токе. Удельный вес объема перевозок на электротяге
составляет 84,5%. При этом железнодорожный транспорт потребляет 4,5%
электроэнергии, вырабатываемой в России. Доля потребления электроэнергии
железными дорогами превышает 70 млрд кВт∙ч в год, или 6,5%
электроэнергии, расходуемой отечественными потребителями. Среднегодовое
удельное электропотребление на 1 км эксплуатационной длины главных путей в
однопутном исчислении на 01.01.2014 г. составляет 512,1 тыс. кВт∙ч/км.
Мощность потребления электроэнергии из контактной сети одним поездом зачастую
превышает 10МВт.
Значительная часть электрифицированных линий оснащена устройствами
электроснабжения, изготовленными в 50х и 60х годах прошлого столетия. Эти
устройства, имеющие нормативный срок эксплуатации до 40 лет, исчерпали свой
ресурс и ждут очереди на замену и обновление.
В условиях труднопреодолимого опережающего темпа выхода устройств за
нормативный срок службы по отношению к темпу обновления принят ряд
научно-технических программ, входящих в стратегию развития железнодорожного
транспорта России до 2030 г. и реализуемых на основе инновационных проектов
железнодорожной инфраструктуры, требующих значительных капитальных затрат.
Кроме того, для качественного энергообеспечения железнодорожного
транспорта большое значение имеет совершенствование управления эксплуатационной
работой, оптимизация штата работников и специалистов, повышение
производительности труда и безопасности движения поездов, разработка и
осуществление современной системы корпоративного управления отраслью.
Важную роль играет разработка современных технологий обслуживания
устройств инфраструктуры. Необходимость обеспечения возрастающего объема и
качества услуг по перевозкам, повышения эффективности использования имеющегося
оборудования и сокращения эксплуатационных расходов вызывает потребность в
ускоренном развитии технических средств, постоянной модернизации оборудования и
обновления устройств электроснабжения. Это и определяет основные направления
инновационной деятельности Российских железных дорог.
1.
Модернизация низковольтного оборудования тяговой подстанции
1.1
Электроснабжение собственных нужд тяговой подстанции и объектов СЦБ
На тяговых подстанциях расход электроэнергии происходит не только для
питания тяговой нагрузки, но и для собственных нужд подстанции. Для этого на
подстанциях всех типов применяют трансформаторы собственных нужд (ТСН).
На тяговых подстанциях всех типов, кроме опорных на напряжение 110-220
кВ, обычно устанавливают по два ТСН мощностью 250-400 кВ∙А каждый. На
опорных подстанциях 110-220 кВ, масляные выключатели которых имеют мощные
подогревательные устройства, применяют два дополнительных ТСН мощностью 250-400
кВ∙А для подогрева.
Общая нагрузка собственных нужд тяговых подстанций с учетом питания цепей
подогрева выключателей, электроотопления зданий подстанции, электроснабжения
устройств сигнализации централизации и блокировки (СЦБ) и потребителей
дежурного пункта района контактной сети достигает 1400 кВ∙А на опорных
подстанциях 220 кВ, 970 кВ∙А - на опорных подстанциях 110 кВ, 400-800 кВ∙А
- на транзитных подстанциях на напряжение 110-220 кВ.
При этом мощность питания устройств СЦБ достигает 100 кВ∙А на одну
подстанцию, мощность подогрева выключателей - от 25 до 650 кВ∙А в
зависимости от количества выключателей; мощность на отопление зданий подстанций
от 60 (подстанции переменного тока) до 140 кВ∙А (подстанции постоянного
тока); мощность осветительной установки здания подстанции - 4-6 кВ∙А,
открытой территории - 35 кВ∙А.
На подстанциях с двумя ТСН мощность каждого трансформатора должна
обеспечить (с учетом его перегрузочной способности) питание всех потребителей
собственных нужд, включая устройства подогрева высоковольтной аппаратуры. На
опорных подстанциях, имеющих трансформаторы подогрева, мощность основного ТСН
выбирается без учета питания подогревательных устройств РУ-110(220) кВ.
Распределение энергии собственных нужд тяговых подстанций переменного и
постоянного тока показано на рисунке 1 [1]:
К шинам 10 кВ трансформаторы собственных нужд подключаются через
соответствующую коммутационную аппаратуру - разъединитель и выключатель.
Подключение вторичных обмоток ТСН к шинам 380/220 В в шкафах 1 и 2
переменного тока на открытой части подстанции осуществляется через
разъединители (рубильники).
Шины СН выполняются одинарными секционированными разъединителем. В летний
период включен обычно один ТСН, для второго предусматривается автоматика
включения резерва (АВР). В зимний период включаются на опорных подстанциях
110(220) кВ и трансформаторы подогрева ТСН3 и ТСН4, которые подают питание в
шкаф 15 подогрева масляных выключателей. От шкафа 15 получает электроэнергию
шкаф 16 автоматики подогрева приводов выключателей 110 (220) кВ.
Рисунок
1 - Распределение энергии собственных нужд тяговых подстанций
К
шинам шкафа 1 подключены фидеры, питающие цепи подогрева масляных выключателей
и их приводов от шкафов автоматики 3, 4 и 5 соответственно 27,5 кВ (только для
подстанций переменного тока), 35 и 110 кВ. К шинам СН шкафа 1 подключаются
трансформатор СЦБ, подогрев КРУН-10, обдув понижающих трансформаторов, дежурный
пункт контактной сети, а также могут подключаться различные передвижные
устройства (подстанции, масляное хозяйство и т.д.). От шкафа 2 питание шкаф 6
СН переменного тока в здании подстанции, к которому подключены стойки и шкафы
телеблокировки, телемеханики и связи, цепи управления моторными приводами, шкаф
10 рабочего освещения подстанции.
Дизель-генератор
9, установленный в специальном помещении здания подстанции, через шкаф 6
подключается к шинам СН 380/220 В и является источником резервного питания
устройств СЦБ при аварийном выходе из работы ТСН или полном отключении питания
электротяги на участке железной дороги.
Шкаф
12 СН постоянного тока получает выпрямленное напряжение от зарядно-подзарядного
агрегата 13 типа ВАЗП, а в аварийных ситуациях - от аккумуляторной батареи 14,
которая питает также щиток 11 аварийного освещения подстанции, а также устройства
телемеханики и связи.
Шкаф
7, подключенный к шинам СН. служит для включения цепей отопления и вентиляции
помещения аккумуляторной батареи.
Шкаф
8 подключается к шинам СН через изолировочный трансформатор ТИ-1, который
предотвращает попадание высокого напряжения при нарушении изоляции РУ-3,3 кВ в
цепи СН.
Этот
шкаф служит для питания потребителей собственных нужд, расположенных в местах,
где возможно такое нарушение изоляции. Шкаф 8 применяется только на тяговых
подстанциях постоянного тока.
Составим перечень используемого оборудования в системе
собственных нужд.
В системе собственных нужд используется разнообразное
оборудование, для примера приведем лишь некоторое:
РВЗ 10/400(РВ 10/400) - разъединитель внутренней
установки с заземляющим ножом РВЗ-10/400 предназначен для многократных
включений и отключений без нагрузки участков цепей трехфазного тока напряжением
6 (10) кВ, частотой 50 Гц, а также заземления отключенных участков при помощи
ножей заземления. Разъединитель серии РВ отличается отсутствием заземляющих
ножей.
Расшифровка условного обозначения разъединителя
РВ(З)-10/400:
Р - разъединитель; В - внутренней установки; З - с
заземляющими ножами; 10 - номинальное напряжение; кВ, 400 - номинальный ток, А.
ВМП 10/630 - выключатель масляный подвесной.
Расшифровка условного обозначения выключателя
ВМП-10/630:
В - выключатель; М - масляный; П - подвесной; 10 -
номинальное напряжение, кВ; 630 - номинальный ток, А.
ТПЛУ-10-100/5 - трансформатор предназначен для
установки в комплексные распределительные устройства и служат для передачи
сигнала измерительной информации измерительным приборам и устройствам защиты,
автоматики и управления в установках переменного тока на класс напряжения до 10
кВ частоты 50 Гц.
Расшифровка условного обозначения трансформатора ТПЛУ-10-100/5:
Т - трансформатор; П - проходной; Л - литой; У - для
умеренного климата; 10 - номинальное напряжение, кВ; 100 - номинальный ток
первичной обмотки, А; 5 - номинальный ток вторичной обмотки, А.
ТМ-400-10/0,23 - трансформатор масляный серий ТМ-400 предназначен
для работы в электросетях напряжением 6(10) или 35 кВ в открытых
электроустановках в условиях умеренного климата (исполнение У1 по ГОСТ
15150-69) и служит для понижения высокого напряжения питающей электросети до
установленного уровня потребления. Трансформатор помещен в бак с маслом для
охлаждения и предотвращения разрушение обмоток трансформатора от внешней среды.
Расшифровка условного обозначения трансформатора
ТМ-400-10/0,23:
Т - трансформатор; М - масляный; 400 - номинальная
мощность, кВ∙А; 10 - номинальное напряжение обмотки ВН, кВ; 0,23 -
номинальное напряжение обмотки НН, кВ.
ТК-0,23-200/5 - трансформатор катушечный.
Расшифровка условного обозначения трансформатора
ТК-0,23-200/5:
Т - трансформатор; К - катушечный; 0,23 - номинальное
напряжение, кВ; 200 - ток первичной обмотки, А; 5 - ток вторичной обмотки, А.
Р-400, Р-600 - рубильники серии Р открытого
исполнения, трехполюсные, с ручными приводами зависимого действия, для
переднего присоединения проводников с выводами перпендикулярно плоскости
монтажа (для рубильников на 400А и 630 А), обладающие свойствами разъединителей
предназначены для нечастых (не более 6 в час) неавтоматических коммутаций
электрических цепей переменного тока частотой 50 Гц, напряжением 380 В.
Расшифровка условного обозначения разъединителя
(рубильника) Р-400:
Р - разъединитель (рубильник); 400(600) - номинальный
ток отключения, А.
ПР-250, ПР-400 - предохранители серии ПР выполняются в
двух исполнениях ПР1 и ПР2 на напряжение до 250В для первого исполнения и до
500В - для второго. Предохранители этой серии выпускаются на токи от 15 до
1000А и предназначены для защиты электроустановок от больших нагрузок и
коротких замыканий.
Расшифровка условного обозначения предохранителей
ПР-250,ПР-400:
П - предохранитель; Р - разборный; 250(400) -
максимальное значение пропускаемого тока.
ДГА-100 - установка, состоящая из дизеля и
электрического генератора, используемая в качестве источника электроэнергии.
Применяется для питания телефонных и телеграфных устройств; аппаратуры
селекторной, избирательной и дальней связи; цепей электрической централизации
железнодорожных узлов и станций и других стационарных потребителей, а также
служит источником резервного питания на тяговых подстанциях. Источником энергии
в ДГА служит дизель мощностью 20-400 кВт (на 20-25% больше номинальной мощности
электрогенератора).
Расшифровка условного обозначения ДГА-100:
Д - дизель; Г - генератор(ный); А - аппарат; 100 -
номинальная мощность, кВт.
2.
Трансформатор собственных нужд тяговой подстанции
2.1 Характеристики
трансформаторов собственных нужд
В качестве трансформаторов собственных нужд тяговых
подстанций могут применяться масляные силовые трансформаторы или сухие с литой
изоляцией мощностью до 1000 кВ∙А
В основном, в настоящее время применяются трансформаторы
собственных нужд мощностью 400 кВ∙А, так как они экономически более
выгодны и полностью отвечают требованиям надежности электроснабжения
собственных нужд подстанции.
Преимущества сухих трансформаторов с литой изоляцией:
1) сухие трансформаторы максимально безопасны (трансформаторы обладают
свойствами самоугасания и в случае пожара не выделяют ядовитых газов);
) сухие трансформаторы экономически выгодны:
сухие трансформаторы не требуют частых осмотров
отсутствует необходимость контроля над состоянием трансформаторного масла
или селикагеля;
) сухие трансформаторы экологически безопасны (невозможна утечка
трансформаторного масла или токсичных газов);
) сухие трансформаторы надежны: трансформаторы чрезвычайно стойки к
воздействию внешних факторов, возникающих при каких-либо нарушениях нормальной
работы сети;
) уникальный температурный режим для эксплуатации сухих трансформаторов в
диапазоне от -45°С до +40°С;
) обмотки ВН и НН сухих трансформаторов выполняются фольгой, а не
проводом;
) литая изоляция обмотки ВН сухих трансформаторов из эпоксидной смолы,
изготавливаемая в вакууме и обеспечивающая идеальную межвитковую изоляцию и
идеальное качество поверхности трансформатора;
) Идеальное качество сборки трансформаторов.
Недостатки сухих трансформаторов с литой изоляцией:
) из-за применения литой изоляции у сухих трансформаторов ухудшается
отвод тепла от обмоток, по сравнению с масляными трансформаторами;
) несмотря на применение глубокого вакуума при изготовлении монолитных
обмоток сухих трансформаторов, все же существует различие коэффициентов
теплового объемного расширения материалов проводника и литой изоляции, в связи
с чем, блоки обмоток сухих трансформаторов в процессе эксплуатации подвержены
микроразрушениям. Это в свою очередь приводит к появлению частичных разрядов,
которые опасны возникновением короткого замыкания и выгоранием обмотки целиком;
) стоимость сухих трансформаторов с литой изоляцией намного превышает
стоимость масляного трансформатора с аналогичными параметрами.
Преимущества масляных трансформаторов:
) преимуществом масляных трансформаторов является
защищенность обмоток трансформатора от внешних воздействий, что повышает
надежность работы;
) в герметичных масляных трансформаторах полностью
отсутствует контакт масла с окружающей средой, что исключает увлажнение,
окисление и шламообразование масла. Не требуется проведение профилактических,
текущих и капитальных ремонтов в течение всего срока эксплуатации
трансформатора.
) стоимость масляных трансформаторов существенно ниже,
чем сухих трансформаторов с аналогичными параметрами.
Недостатки масляных трансформаторов связаны с особенностью системы
охлаждения:
) большие габаритные размеры трансформатора;
) необходимость в постоянном обслуживании (очистка и замена масла);
) высокая пожароопасность, связанная с возможностью возгорания
трансформаторного масла.
Таблица 1 - Технические характеристики сухих
трансформаторов с литой изоляцией
|
Тип трансформатора
|
Номинальная мощность, кВ∙А
|
Номинальное высшее
напряжение, кВ
|
Номинальное низшее
напряжение, кВ
|
Схема и группа обмоток
|
Климатическое исполнение и
категория размещения
|
Потери холостого хода, Вт
|
Потери короткого замыкания,
Вт
|
Напряжение короткого
замыкания, %
|
Степень защиты
|
Класс изоляции
|
|
ТСЛ-400/10
|
400
|
6;10
|
0,4
|
Y/Yн-0
|
У3;УХЛ3
|
1150
|
4300
|
6,0
|
IP00
|
F
|
|
ТСЗЛ-400/10
|
400
|
6;10
|
0,4
|
Y/Yн-0
|
У3;УХЛ3
|
1150
|
4300
|
6,0
|
IP21
|
F
|
Таблица 2 - Технические характеристики масляных
трансформаторов
|
Тип трансформатора
|
Номинальная мощность, кВ∙А
|
Номинальное высшее
напряжение, кВ
|
Номинальное низшее
напряжение, кВ
|
Схема и группа обмоток
|
Климатическое исполнение и
категория размещения
|
Потери холостого хода, Вт
|
Потери короткого замыкания,
Вт
|
Напряжение короткого
замыкания, %
|
Степень защиты
|
Класс изоляции
|
|
ТМ-400
|
400
|
6, 10
|
0,4
|
Y/Yн-0
|
У1 (УХЛ1)
|
750
|
5400
|
4,5
|
IP13
|
A
|
|
ТМГ-400
|
400
|
6, 10
|
0,4
|
Y/Yн-0
|
У1 (УХЛ1)
|
750
|
5400
|
4,5
|
IP13
|
A
|
Условные обозначения:
Т - трехфазный;
С - сухой;
Л - с литой изоляцией;
З - в защитном кожухе;
М - масляный;
Г - герметичный;
- номинальная мощность, кВ∙А;
У1 (УХЛ1) - климатическое исполнение:
Буквенная часть обозначает климатическую зону:
У - умеренный климат;
ХЛ - холодный климат;
УХЛ - умеренный и холодный климат;
Т - тропический климат;
М - морской умеренно-холодный климат;
О - общеклиматическое исполнение (кроме морского);
ОМ - общеклиматическое морское исполнение;
В - всеклиматическое исполнение.
Следующая за буквенной цифровая часть означает
категорию размещения:
- на открытом воздухе;
- под навесом или в помещении, где условия такие же,
как на открытом воздухе, за исключением солнечной радиации, атмосферных осадков;
- в закрытом помещении без искусственного
регулирования климатических условий;
- в закрытом помещении с искусственным регулированием
климатических условий (вентиляция, отопление);
- в помещениях с повышенной влажностью, без
искусственного регулирования климатических условий.
IP00, IP13, IP21 - степень защиты от внешних
воздействий обозначается кодом IP и двумя цифрами.
Первая цифра (от 0 до 6) обозначает степень защиты от
проникновения внутрь электротехнического изделия посторонних предметов и пыли:
- защиты нет. Допустимое применение: в корпусах;
- защита от твердых частиц размером от 50 мм.
Допустимое применение: в закрытых помещениях (доступ в которые разрешается
только уполномоченным и обученным лицам);
- защита от твердых частиц размером от 12 мм.
Допустимое применение: в обычных помещениях;
- защита от частиц размером от 2,5 мм. Допустимое
применение: в обычных помещениях;
- защита от частиц размером от 1 мм. Допустимое
применение: в обычных помещениях;
- частичная защита от пыли. Допустимое применение: в
изредка пыльных помещениях;
- полная защита от пыли. Допустимое применение: в
постоянно пыльных помещениях;
Вторая цифра (от 0 до 8) показывает стойкость к
воздействию влаги. Чем больше цифра - тем выше защита:
- защиты нет. Допустимое применение: в сухих
помещениях;
- от вертикально падающих капель. Допустимое
применение: во влажных помещениях с устройством в заданном вертикальном
положении;
- от капель воды, падающих под углом 15°. Допустимое
применение: во влажных помещениях;
- от наклонно падающих брызг, угол наклона до 60°.
Допустимое применение: места, подвергающиеся дождю, но не струям снизу;
- от брызг. Допустимое применение: места,
подвергающиеся дождю и струям (например, станция с прохождением транспортных
средств);
- от водяных струй. Допустимое применение: в местах,
подвергающихся мойке струями воды средней мощности;
- от мощных водяных струй. Допустимое применение: в
местах, подвергающихся энергичной мойке и штормам (например, на пирсах);
- от временного погружения в воду. Допустимое применение:
во временно затопляемых или надолго оказывающихся под снегом местах;
- от продолжительного погружения в воду.
F - класс изоляции.
Класс изоляции аппарата характеризует предел стойкости
изоляционных материалов используемых в аппарате при нагреве. Существует семь
классов изоляции.
Таблица 3 - Классификация изоляции
|
Класс нагревостойкости
|
Температура, °C
|
Изоляционный материал
|
|
Y
|
90
|
Волокнистые материалы из
целлюлозы, хлопка, натурального шёлка
|
|
A
|
105
|
Волокнистые материалы из
целлюлозы, хлопка, натурального или синтетического шёлка пропитанные или
погружённые в жидкий диэлектрик
|
|
E
|
120
|
Синтетические органические
материалы (плёнки, смолы и др.) и материалы или простые сочетания материалов,
для которых на основании практического опыта или соответствующих испытаний
установлено, что они могут работать при температуре, соответствующей данному
классу
|
|
B
|
130
|
Материалы на основе слюды,
асбеста и стекловолокна, применяемые с органическими связующими или
пропитывающими составами
|
|
F
|
155
|
Материалы на основе слюды,
асбеста и стекловолокна, применяемые в сочетании с синтетическими связующими
и пропитывающими составами, которые соответствуют данному классу
нагревостойкости
|
|
H
|
180
|
Материалы на основе слюды,
асбеста и стекловолокна, применяемые в сочетании с кремнийорганическими
связующими и пропитывающими составами, кремнийорганические эластомеры
|
|
C
|
Свыше 180
|
Слюда, керамические
материалы, стекло, кварц или их комбинации, применяемые без связующих или с
неорганическими и элементоорганическими составами. Температура применения
этих материалов определяется их физическими, химическими, механическими и
электрическими свойствами
|
Потребителями электроэнергии собственных нужд (СН) подстанций являются
[1]:
электродвигатели системы охлаждения трансформаторов; устройства обогрева
масляных выключателей и шкафов распределительных устройств с установленными в
них аппаратами и приборами; электрическое освещение и отопление помещений, и
освещение территории подстанций.
Наиболее ответственными потребителями СН являются устройства системы
управления, релейной защиты, сигнализации, автоматики и телемеханики. От этих
потребителей СН зависит работа основного оборудования подстанций, прекращение
их питания даже кратковременно приводит к частичному или полному отключению
подстанции. Приемники собственных нужд, перерыв в электроснабжении которых не
вызывает отключения или снижения мощности электроустановки, относятся к
неответственным.
Питание потребителей СН электроустановок может быть индивидуальным,
групповым и смешанным. При индивидуальном питании каждый потребитель получает
электроэнергию от шин СН по индивидуальному кабелю, чем обеспечивается высокая
надежность электроснабжения, но это приводит к значительному расходу кабелей.
При групповом питании потребители получают энергию от групповых щитков и
сборок, расположенных вблизи группы потребителей и подключенных одним кабелем к
шинам СН. При этом снижается расход кабеля, но возникают дополнительные расходы
на групповые щитки и сборки, снижается надежность электроснабжения, так как
повреждение кабеля приводит к отключению всех потребителей данной группы.
Наиболее рациональным является смешанное питание, при котором ответственные
потребители питаются по индивидуальным кабелям непосредственно от шин СН, а
остальные - от групповых щитков и сборок.
На тяговых подстанциях от шин СН получают электроэнергию устройства СЦБ
железных дорог, дежурные пункты районов контактной сети, совмещенные с тяговыми
подстанциями, а также мастерские тяговых подстанций.
К шинам СН кроме постоянных потребителей могут подключаться также
различные передвижные устройства (подстанции, испытательные станции, установки
масляного хозяйства).
Все потребители собственных нужд делятся на 3 категории:
Потребители I категории,
которые должны быть обеспечены двумя независимыми источниками электроснабжения,
перерыв в электроснабжении этих потребителей допускается только на время
автоматического включения резерва.
Рисунок
2 - Схема питания потребителей I категории
К ним относятся:
зарядные устройства аккумуляторных батарей подстанции;
электродвигатели приводов выключателей;
электродвигатели аварийной вентиляции;
электродвигатели системы охлаждения трансформаторов;
устройства РПН;
цепи оперативной блокировки разъединителей.
Среди потребителей I
категории выделяется особая группа, для которой предусматривается
дополнительное питание от третьего независимо взаимно резервирующего источника
питания.
Рисунок
3 - Схема питания потребителей I особой категории
К
ним относятся:
оборудование
связи и телемеханики;
автоматизированные
системы управления тяговыми подстанциями.
Потребители II категории,
которые обеспечиваются электроэнергией от двух независимых взаимно
резервирующих источников питания. Перерыв в электроснабжении допускается на
время включения резервного питания действиями дежурного персонала или выездной
оперативной бригады.
Рисунок
4 - Схема питания потребителей II категории
К
ним относятся:
обогрев
приводов и баков масляных выключателей;
обогрев
воздухозаборников;
обогрев
релейных шкафов наружной установки;
обогрев
шкафов управления воздушных выключателей и др.
Потребители
III категории, обеспечиваются электроэнергией, как
правило, от одного источника питания. Перерыв электроснабжения допускается на
время ремонта или замены поврежденного оборудования, но не более одних суток.
Рисунок
5 - Схема питания потребителей III категории
К
ним относят:
электродвигатели
вентиляции помещений;
питание
грузоподъемных устройств;
маслоочистительные
установки, оборудование для ремонтных работ и др.
.2 Устройства релейной защиты и автоматики трансформатора собственных
нужд
Все электроустановки оборудуются устройствами релейной защиты. Релейной
защитой называют комплект специальных устройств, обеспечивающий автоматическое
отключение поврежденной части электрической сети, установки. Если повреждение
не представляет для установки непосредственной опасности, то релейная защита
должна обеспечить сигнализацию о неисправности. Специальные аппараты,
обеспечивающие автоматическое воздействие при нарушении нормального режима
работы электроустановки, называются реле.
Реле контролируют напряжение или силу тока, мощность
или сопротивление электрической сети и др. При отклонении контролируемого
параметра от заданного значения реле срабатывает и замыкает цепь отключения
соответствующих выключателей, которые и отключат поврежденный элемент или
участок цепи.
Релейная защита должна обеспечить быстроту и
избирательность действия, надежность работы и чувствительность. Кроме того,
стоимость релейной защиты должна быть по возможности небольшой.
На трансформаторах собственных нужд устанавливаются
следующие виды релейной защиты:
Для защиты трансформаторов 10/0,4 кВ мощностью 400 кВ∙А,
в том числе устанавливаемых на подстанциях, применяются в соответствии с
«Правилами» [2] следующие основные типы релейной защиты
токовая отсечка 1 без выдержки времени - от коротких
замыканий на наружных выводах 10 кВ трансформатора и в части обмотки 10 кВ;
максимальная токовая защита 2 (с пуском или без пуска
по напряжению) от сверхтоков, обусловленных повреждениями в трансформаторе или
внешними междуфазными КЗ на стороне 0,4 кВ;
максимальная токовая защита в одной фазе от
сверхтоков, обусловленных перегрузкой 3; устанавливается на трансформаторах
мощностью от 400 кВ∙А и выше, у которых возможна перегрузка после
срабатывания устройства АВР, и действует на сигнал или на автоматическую
разгрузку (отключение части отходящих линий 0,4 кВ).
На рисунке условно показаны схема и типы защит
трансформатора собственных нужд 10/0,4 кВ, мощностью 400 кВ∙А, а также
трансформаторы тока, на которые включены максимальные реле тока этих защит. Для
взаимного резервирования все защиты (кроме защиты от перегрузки) должны действовать
на отключение выключателя 10 кВ.
Рисунок 6 - Схема размещения защит трансформатора
собственных нужд
тяговый подстанция защита автоматика
Токовая отсечка. Токовой отсечкой называется
быстродействующая максимальная токовая защита с ограниченной зоной действия.
Токовая отсечка на трансформаторах 10/0,4 кВ выполняется с помощью двух
максимальных реле тока, настроенных таким образом, что они надежно не
срабатывают при трехфазном КЗ на стороне 0,4 кВ защищаемого трансформатора
(точка К1 на рис.) и надежно срабатывают при всех видах двухфазных КЗ на
стороне 10 кВ трансформатора (точка К2). Отсечка на трансформаторах должна
действовать без выдержки времени. Это не только ускоряет отключение КЗ на
выводах и в части обмотки 10 кВ защищаемого трансформатора, но и позволяет
выбирать минимальное время срабатывания для защит питающих линий 10 кВ.
Токовая отсечка может выполняться с помощью отдельных
реле тока (РТМ, РТ-40) или специализированных блоков многофункциональных
электронных защит (например, ЯРЭ-2201).
Максимальная токовая защита (без пуска по напряжению).
На трансформаторах 10/0,4 кВ со схемой соединения обмоток Д/Y, максимальная
токовая защита выполняется с тремя токовыми реле. Как правило, применяются
максимальные реле тока, имеющие зависимые времятоковые характеристики, типа РТВ
или РТ-80, так же как на линиях 10 кВ. Реже применяется максимальная токовая
защита с независимой времятоковой характеристикой, например в КРУ, но также с
тремя реле тока. Схема неполной звезды с тремя реле имеет в 2 раза более высокую
чувствительность к двухфазным КЗ за трансформатором со схемой соединения
обмоток Д/У, чем та же схема, но только с двумя реле. Это объясняется тем, что
при одном из сочетаний двухфазного КЗ на стороне 0,4 кВ по выводам 10 кВ
проходят разные по значению токи, причем в одной из фаз ток в два раза больше,
чем в двух других, и равен по значению току трехфазного КЗ. Установка трех реле
обеспечивает при всех видах двухфазного КЗ появление этого большего тока в
одном из реле защиты. При установке только двух реле нужно рассчитывать на
худший, но реальный случай, когда в каждом из двух реле пройдет по половине
тока КЗ, а сумма окажется в обратном проводе, где реле отсутствует. Третье
реле, таким образом, повышает чувствительность защиты к КЗ в трансформаторе и
на его выводах 0,4 кВ. Не следует забывать про установку третьего реле и при
замене старых трансформаторов со схемой соединения обмоток Y/Y на новые Д/У.
Защита от перегрузки выполняется с помощью МТЗ,
включенной на ток одной фазы. Защита действует с выдержкой времени на сигнал, а
на необслуживаемых подстанциях - на разгрузку или отключение трансформатора. На
двухобмоточных трансформаторах защита о перегрузки устанавливается со стороны
основного питания. На трехобмоточных трансформаторах при двухстороннем питании
- со стороны основного питания и со стороны обмоток, где питание отсутствует, а
при трехстороннем питании - со всех трех сторон.
2.2.1
Автоматическое включение резерва трансформатора собственных нужд
Все
устройства АВР должны удовлетворять следующим основным требованиям [3]:
) схема АВР
приходит в действие при исчезновении напряжения на шинах потребителя по любой
причине, в том числе при аварийном, ошибочном или самопроизвольном отключении
выключателей рабочего источника питания, а также при исчезновении напряжения на
шинах, от которых осуществляется питание рабочего источника. Включение
резервного источника часто допускается также при КЗ на шинах потребителя;
) для того
чтобы уменьшить длительность перерыва питания потребителей, включение
резервного источника питания должно производиться сразу же после отключения
рабочего источника;
) действие
АВР должно быть однократным, чтобы не допускать нескольких включений резервного
источника на неустранившееся КЗ;
4) схема АВР не должна приходить в действие до отключения выключателя
рабочего источника, чтобы избежать включения резервного источника на КЗ в
неотключившемся рабочем источнике. Выполнение этого требования исключает также
в отдельных случаях несинхронное включение двух источников питания;
) для того чтобы схема АВР действовала при исчезновении напряжения на
шинах, питающих рабочий источник, когда его выключатель остается включенным,
схема АВР должна дополняться специальным пусковым органом минимального
напряжения;
) для ускорения отключения резервного источника при его включении на
неустановившееся КЗ должно предусматриваться ускорение защиты резервного
источника после АВР. Это особенно важно в тех случаях, когда потребители,
потерявшие питание, подключаются к другому источнику, несущему нагрузку. Ускоренная
защита обычно действует по цепи ускорения без выдержки времени.
В установках же собственных нужд, а также на подстанциях, питающих
большое число потребителей, ускорение защиты осуществляется до 0,5 с.
Замедление ускоренной защиты необходимо, чтобы предотвратить ее неправильное
срабатывание в случае кратковременного замыкания контактов токовых реле в
момент включения выключателя под действием толчка тока, обусловленного сдвигом
по фазе между напряжением энергосистемы и затухающей ЭДС, который может достигать
180°.
Назначение АВР состоит в том, чтобы при авариях, когда по тем или иным
причинам исчезает напряжение на одной системе (секции) сборных шин, опознать
сложившуюся аварийную ситуацию и без вмешательства персонала автоматически
восстановить электроснабжение потребителей от резервного источника питания.
Резервными источниками могут быть трансформаторы, линии, а также смежные
секции сборных шин, получающие питание от других источников (трансформаторов,
линий и т.д.). Резервные источники нормально могут быть отключены, могут
находиться только под напряжением или нести нагрузку. В последнем случае
источники питания могут резервировать друг друга.
Схемы АВР приходят в действие при исчезновении напряжения на сборных
шинах, питающих нагрузку. При секционированной одиночной системе сборных шин и
питании каждой секции от отдельного источника причиной исчезновения напряжения
может быть отключение выключателя рабочего источника релейной защитой,
самопроизвольно или ошибочно персоналом, исчезновение напряжения на шинах ВН,
питающих рабочий источник, когда выключатели его остаются включенными. Исходя
из этого, пуск АВР осуществляется вспомогательными контактами отключившегося по
любой причине выключателя рабочего источника. Чтобы АВР подействовал при
исчезновении напряжения на сборных шинах ВН, он дополнен специальным пусковым
органом минимального напряжения. При исчезновении напряжения этот орган,
подключенный к трансформатору напряжения со стороны НН, воздействует на
отключение выключателей рабочего трансформатора. После отключения выключателя
трансформатора со стороны НН схема АВР приходит в действие. Пусковой орган
минимального напряжения выполняется таким образом, чтобы он действовал только
при действительном исчезновении напряжения на сборных шинах подстанции и не
действовал при повреждении вторичных цепей трансформаторов напряжения.
Трансформаторы собственных нужд получают питание от
разных секций шин РУ - 27,5(10) кВ (тяговые подстанции постоянного или
переменного тока, рисунок 7). Подключение к секции шин РУ - 27,5(10) кВ
трансформатора собственных нужд ТСН1 осуществляется через разъединитель QS1, выключатель Q1 и трансформаторы тока ТАa и TAb. Шины собственных нужд разделены на две секции.
Мощные трансформаторы собственных нужд, вторичный ток которых составляет 500 А
и более, подключают двумя контакторами и рубильниками (разъединителями).
Трансформаторы подогрева и ТСН, вторичный ток которых не превышает 500 А,
подключаются к секциям шин одним контактором КМ2 и рубильником S2 (рисунок 7). К трансформаторам тока
ТАa1, TAb1, TAс1
подключены реле перегрузки ТСН1 КА1 (ТСН2 КА2), амперметр РА и счетчик активной
энергии PI. Контроль напряжения на шинах
собственных нужд СН осуществляют реле напряжения 1КV1 и 1КV2 на
первой секции, 2КV1 и 2КV2 на второй.
В летнее время обычно в работе находится один ТСН, при
этом секционный контактор КМ включен. При отключении рабочего ТСН устройство
АВР включает резервный трансформатор. В зимний период в работе могут находиться
оба ТСН, при этом секционный контактор КМ отключен. При отключении одного из
трансформаторов АВР включает секционный контактор, обе секции получают питание
от оставшегося в работе ТСН.
Защищаются трансформаторы от повреждений максимальной
токовой защитой МТЗ и токовой отсечкой ТО (как было сказано раньше). Токовые реле
МТЗ КА1а, КА1b, КА1с и ТО КАа, КАb подключаются к фазам первичной
обмотки ТСН через трансформаторы тока ТАа и ТАb.Защиту трансформаторов от перегрузки с действием на сигнал
выполняют со вторичной стороны ТСН в однофазном варианте с помощью токового реле
КА1. При перегрузке трансформатора ТСН1 реле КА1 замыкает цепь 1 - 2 (рисунок
8, а), а трансформатора ТСН2 реле КА2 - цепь 3 - 2 реле времени КТ защиты от
перегрузки. Установленное время замедления реле КТ составляет до 9 секунд. Реле
КТ при срабатывании замыкает цепь 5 - 4 реле неисправности подстанции КLнп через катушку указательного реле
КН.
Оперативное включение ТСН осуществляется путем
включения контактора КМ2 и выключателя Q1 при включенном рубильнике S2 и разъединителе QS1. Включение контактора КМ2 происходит при замыкании цепи 13 - 6 кнопкой
включения SBC2 (рисунок 8, б). Катушка КМ2
получает питание, контактор включается и включает последовательно с катушкой
резистор, дешунтируя его своим контактом. Другим контактом КМ2 замыкает цепь 17
- 6, становясь на самоподпитку через замкнутые контакты SBT2 кнопки отключения и промежуточного
реле защит KL.Контактор замыкает также цепь 73 -
30 своего повторительного реле ККМ2.
Включение выключателя Q1 происходит при замыкании цепи 25 - 10 контактора включения
выключателя КМ1 кнопкой SBC1.
Контактор замыкает цепь катушки включения выключателя YAC1, выключатель включается и переключает своими
блок-контактами цепи 29 - 10 и 29 - 12 (рисунок 9). При этом повторительное
реле КQC1 включается, а реле КQT1 отключается. Одновременно кнопкой SBC1 по цепи 25 - 18 переключается реле
фиксации КQQ1, которое фиксирует команду
оперативного включения выключателя Q1 (рисунок 9).
Включение секционного контактора КМ осуществляется
путем замыкания цепи 19 - 8 кнопкой SBC. После включения контактор становится на самоподпитку по цепи 23 - 8
через контакт кнопки отключения SBT
(рисунок 8, б).
Оперативное отключение ТСН осуществляется путем
отключения контактора КМ2 и выключателя Q1. Выключатель отключается при замыкании кнопкой отключения SBT1 цепей: 31 - 12 катушки отключения
выключателя YAT, 53 - 20 катушки отключения реле
фиксации команды КQQ1. При этом
выключатель и реле фиксации КQQ1
отключаются. Отключение Q1
приводит к переключению его повторителей: КQT1 получает питание по цепи 29 - 10; КQC1 теряет питание при размыкании цепи 29 - 12 (рисунок 9).
Автоматическое включение резервного ТСН2 происходит
при отключении рабочего ТСН1. При этом исчезает напряжение на шинах собственных
нужд 380/220 В и реле напряжения 1КV1, 1КV2 и 2КV1,2КV2
обесточиваются. Контактами этих реле замыкаются цепи 65 - 26, 67 - 26 и
промежуточного реле КL1 и
цепи 69 - 28, 71 - 28 промежуточного реле КL2. Реле КL1 и КL2 подают питание на реле времени КT1 по цепи 61 - 24 и КT2 по цепи 63 - 24, которые замыкают
цепь 55 - 22 реле автоматического включения КСС2 трансформатора ТСН2. В этой
цепи контакты переключателя автоматики включения резерва SA в позиции В2 замкнуты, т.е. в
резерве находится трансформатор ТСН2. Если в резерве находится трансформатор
ТСН1, то переключатель SA в
позиции В1 и при этом получает питание реле КСС1. При работе двух
трансформаторов ТСН и отключенном секционном контакторе КМ переключатель SA в позиции В, реле КТ1 и КТ2 замыкают
цепи 57 - 22 при отключении трансформатора ТСН1 или 59 - 22 при отключении
трансформатора ТСН2 (рисунок 9). При этом получает питание реле КСС, которое
замыкает цепь 21 - 8 секционного контактора КМ. Контактор включается,
становится по цепи 23 - 8 на самоблокировку и подает напряжение на секцию шин
СН, где оно исчезло при отключении трансформатора ТСН (рисунок 8, б).
Если трансформатор ТСН2 находится в работе, а
трансформатор ТСН1 - в резерве, то при отключении трансформатора ТСН2 по цепи
55 - 22 получит питание реле КСС1, которое своими контактами замыкает цепи 15 -
6 контактора КМ2, 27 - 10 контактора КМ1 и 27 - 18 реле КQQ. При включении выключателя Q1 и контактора КМ2 в работу
включается резервный трансформатор ТСН, на шинах СН появляется напряжение. Реле
1КV1, 1КV2, 2КV1, 2КV2 получают питание, отключают реле КL1 и КL2, которые размыкают цепи 61 - 24 и 63 - 24. Реле времени КТ1
и КТ2 размыкают цепь 55 - 22 реле КСС1. На этом процесс автоматического
включения резервного трансформатора заканчивается.
Вывод АВР из работы производится переключением SA в позицию 0 и отключением реле КСС1,
КСС2 и КСС, а также при размыкании цепи этих реле блокировочным реле по
напряжению КВV в результате исчезновения напряжения
на шинах 27,5 кВ (для пост. тока 10 кВ)
Автоматическое отключение ТСН осуществляют
максимальная токовая защита и токовая отсечка. При КЗ в первичной обмотке ТСН1
срабатывают реле КАа и КАb
отсечки, замыкают цепи 37 - 14 и 39 - 14 промежуточного реле защит КL, которое становится на самоподпитку
по цепи 35 - 14 до отключения выключателя и размыкания этой цепи контактом
повторительного реле КQT1
(рисунок 9). Если же токовая отсечка срабатывает сразу после включения
трансформатора, то реле КL
выполняет роль блокировочного реле, размыкая цепи 25 - 10 и 27 - 10 контактора
КМ1 и становясь на самоблокировку по цепям 25 - 14 или 27 - 14, пока эти цепи
не разомкнут контакты кнопки SBC1
или реле КСС1. Срабатывание токовой отсечки фиксирует указательное реле КН2
(рисунок 9).
Максимальная токовая защита срабатывает при КЗ во
вторичной обмотке ТСН1, на первой секции шин СН или на присоединении ТСН1 к
первой секции, а также при значительной перегрузке, опасной для трансформатора.
При срабатывании реле КА1а, КА1b, КА1c замыкаются цепи 45 - 16, 47 - 16, 49
- 16 реле времени КТ, которое замыкает с выдержкой времени цепь 41 - 14
промежуточного реле КL
защит трансформатора через указательное реле КН3 (рисунок 9).
Реле КL
замыкает цепь 33 - 12 отключающей катушки выключателя YAT1. Другим своим контактом реле КL размыкает цепь 17 - 6 самоподпитки
контактора КМ2 (рисунок 8, б). Таким образом, трансформатор отключается
выключателем Q1 от шин 27,5(10) кВ и контактором
КМ2 от шин СН.
Автоматическое отключение трансформатора ТСН1 по цепи
43 - 14 происходит перед автоматическим включением трансформатора ТСН2 с
помощью реле КСС2 (рисунок 9). Это необходимо, например, в случае исчезновения
напряжения на секции шин 27,5(10) кВ, к которой подключен трансформатор ТСН1, в
результате чего исчезло напряжение на шинах СН и автоматика приступила к
включению трансформатора ТСН2. Реле блокировки КВV при сохранении напряжения на другой секции 27,5(10) кВ, к
которой подключен трансформатор напряжения ТV2, не будет запрещать работу АВР. Реле КСС2 включает реле КL, которое становится на
самоблокировку по цепи 35 - 14, подает питание на катушку отключения
выключателя YAT1 и размыкает цепь 17 - 6
самоблокировки контактора КМ2.Отключение трансформатора ТСН1 с помощью реле
КСС2 фиксирует указательное реле КН4, катушка которого находится в цепи 43 - 14
(рисунок 9).
Рисунок
7 - Схема подключения ТСН к шинам 27,5(10) и 380/220 В
Рисунок
8 - Цепи защиты от перегрузки (а), схема управления контакторами (б)
Рисунок
9 - Схема вторичной коммутации выключателя Q1
2.3 Режимы
работы трансформаторов собственных нужд
Для начала рассмотрим режимы работы всех силовых
трансформаторов [4].
Различают несколько режимов работы трансформаторов.
Рабочий режим, при котором напряжение первичной обмотки близко к
номинальному или равно ему, а ток определяется нагрузкой трансформатора.
Нагрузочным или рабочим называется режим работы
трансформатора, при котором к первичной обмотке подведено напряжение U1, а к
вторичной подключены потребители ZН (рисунок 10), так что I2 > 0.
Рисунок
10 - Нагрузочный режим однофазного трансформатора
Это
основной режим, при котором вторичный ток изменяется в пределах 0<I2 ≤
I2Н , а коэффициент мощности cosφ2 определяется характером нагрузки и может изменяться от нуля до 1,0.
Особенности взаимодействий в рабочем режиме трансформатора определяются тем,
что ток I2 создает МДС F2 = I2W2 и соответствующий магнитный поток Ф2,
действующие встречно по отношению к МДС F1 и потоку Ф0, т.е. в соответствии с
принципом Ленца реакция вторичной обмотки направлена на уменьшение основного
магнитного потока взаимоиндукции Ф0, созданного при холостом ходе. Однако,
поскольку подводимое к первичной обмотке напряжение не изменяется, а оно, в
основном, уравновешивается ЭДС Е10, то поток Ф0не должен изменяться, что
соответствует уравнению равновесия:
(1)
Для
поддержания неизменным магнитного потока при переходе от холостого хода
трансформатора к нагрузке МДС I0W1 первичной обмотки увеличивается до такой
величины I1W1, при которой компенсируется размагничивающее действие МДС
вторичной обмотки I2W2. При этом закон Ома для магнитной цепи трансформатора в
рабочем режиме записывается в виде:
(2)
Левые
части соотношений одинаковы, поэтому справедливо равенство:
(3)
которое
называют уравнением равновесия МДС трансформатора.
Из
последнего равенства получают уравнения равновесия токов, которые записывают в
виде:
(4)
Или
(5)
При
нагрузках, близких к номинальной, током холостого хода иногда пренебрегают и
второе уравнение упрощается:
(6)
откуда следует соотношение:
(7)
Таким
образом, соотношение токов при нагрузках, близких к номинальной, определяется
соотношением числа витков, причем оно обратно пропорционально коэффициенту
трансформации. Поэтому для номинального режима можно записать приближенное
равенство:
(8)
из которого следует, что полная мощность, потребляемая
трансформатором из сети, примерно равна полной мощности, отдаваемой
потребителю.
Схема замещения первичной обмотки при переходе от
режима холостого хода к нагрузке не изменяется, однако первичный ток
увеличивается до значения I1 (рисунок 11, а), что должно найти отражение в
уравнении равновесия ЭДС первичной обмотки при нагрузке:
(9)
Ток вторичной обмотки подобно току первичной обмотки
создает магнитный поток рассеяния Фрс2, действие которого учитывается или
величиной ЭДС самоиндукции Ерс2, или уравновешивающим ее падением напряжения
I2x2, на индуктивном сопротивлении рассеяния:
(10)
где L2 - индуктивность рассеяния вторичной обмотки.

Электрическая
схема замещения вторичной обмотки показана на рисунке 11, б, на которой r2 - её
активное сопротивление, а полное сопротивление нагрузки:
(11)
Уравнение электрического равновесия вторичной обмотки
при нагрузке имеет вид:
(12)
Это уравнение источника электрической энергии, что и
представляет собой трансформатор по отношению к нагрузке. Как видно, при работе
под нагрузкой напряжение на нагрузке отличается от ЭДС Е2 на величину падения
напряжения на внутренних сопротивлениях вторичной обмотки. Следует отметить,
что соотношение между ЭДС Е2 и напряжением U2 зависит также от характера
нагрузки, о чем будет сказано ниже.
Векторные диаграммы первичной и вторичной обмоток
являются графическим решением уравнений:
(13)
(14)
(15)
(16)
Для вторичной обмотки (рисунок 12, б) сдвиг по фазе
между током I2 и напряжением U2 , (угол φ2) определяется соотношением
параметров нагрузки:
(17)
а угол ψ2 - соотношением реактивных и
активных сопротивлений вторичной обмотки и нагрузки, т.е.
(18)
Рисунок
12 - Векторные диаграммы первичной (а) и вторичной (б) обмоток трансформатора
На
рисунке 12 векторные диаграммы изображены для случая активно-индуктивной
нагрузки. На векторной диаграмме первичной обмотки (рисунок 12, а) вектор тока
получают, пристраивая к вектору тока холостого хода
вектор тока
,
измененный в отношении 1/к и повернутый на 180°, т.е. вектор
(19)
Построение
вектора первичного напряжения U1 аналогично построению для режима холостого
хода, однако, векторы падений напряжения
(20)
ориентируются
по отношению к вектору тока
.
Сдвиг
по фазе между током I1 и напряжением U1 обозначают φ1. Угол φ1, определяет, как известно, при заданных значениях тока и напряжения,
подводимую к трансформатору от сети активную P1 = U1I1cosφ1 и реактивную Q1 = U1I1sinφ1 мощности. Чем больше угол φ1, тем меньше активная и тем больше реактивная
мощности.
Режим
параллельной работы трансформаторов, при котором в работе находятся и рабочий и
резервный трансформаторы. В таком режиме трансформаторы работают при возросшей нагрузке
(для тяговых трансформаторов, например, пропуск тяжелого сверхдлинного
состава).
Такое дробление трансформаторной мощности позволяет: отключать часть
трансформаторов при уменьшении нагрузки, обеспечивать резервирование мощности
при авариях и проведении профилактических ремонтов.
При эксплуатации параллельно включенных трансформаторов важно, чтобы
нагрузка между ними распределялась пропорционально их номинальным мощностям.
Схема включения на параллельную работу двух однофазных трансформаторов и их упрощенная
схема замещения показаны на рисунке 13.
Рисунок
- 13 Схема включения на параллельную работу однофазных трансформаторов (а) и их
схема замещения (б)
Как
видно из схемы замещения по сопротивлению нагрузки
протекает ток равный сумме токов первого
и второго
трансформаторов
. Соответственно полная мощность
, отдаваемая параллельно работающими трансформаторами
в нагрузку
(21)
где
полная мощность первого трансформатора,
полная мощность второго трансформатора.
Для
включения трансформаторов ТрI и ТрII на параллельную работу необходимо, чтобы в режиме
холостого хода в их обмотках не возникали уравнительные токи, а при нагрузке не
один из трансформаторов не перегружался.
Уравнительные
токи протекая между обмотками параллельно работающих трансформаторов вызывают
циркуляцию мощности от одного трансформатора к другому, следовательно
неравномерную нагрузку трансформаторов, сопровождающуюся увеличением потерь
мощности и нагрева:
,
(22)
где
и
ЭДС
вторичных обмоток трансформаторов в режиме холостого хода (вторичные напряжения
при холостом ходе).
Из
(22) следует, что уравнительный ток отсутствует
, если
разность ЭДС вторичных обмоток не нагруженного трансформатора равна нулю.
Равенство выполнимо, если ЭДС вторичных обмоток трансформатора одинаковы по
величине и совпадают по фазе, т.е. имеют одинаковое количество витков и
принадлежат к одной группе соединения обмоток.
Таким
образом, идеальные условия параллельной работы трансформаторов можно
сформулировать следующим образом [5]:
группы
соединения обмоток одинаковы;
соотношение
мощностей трансформаторов не более 1:3;
коэффициенты
трансформации (линейных напряжений) отличаются не более чем на ±0,5%;
напряжения
короткого замыкания отличаются не более чем на ±10%;
произведена
фазировка трансформаторов.
Режим
«горячего резерва» трансформатора.
Трансформатор
считается находящимся в «горячем резерве», если он отключен от источника и
приемника энергии только выключателями, а разъединители при этом включены.
Из
определения следует, что в «горячем резерве» могут находиться только те
трансформаторы, которые в схеме своего присоединения имеют не только
разъединители, но и выключатели, либо только одни выключатели. Перевод
трансформатора из оперативного состояния «в горячем резерве» в оперативное
состояние «в работе» должен осуществляться путем включения только выключателей
без операций разъединителями.
Техническое
состояние трансформатора, находящегося «в горячем резерве», должно быть таково,
чтобы его можно была в любой момент ввести «в работу».
Режим
«холодного резерва» трансформатора.
Трансформатор
считается находящимся в «холодном резерве», если он отключен разъединителями и
выключателями, при наличии таковых в схеме присоединения.
Трансформатор,
находящийся «в холодном резерве», может быть как в исправном, так и в неисправном
состоянии, что отмечается в оперативной документации при приеме и сдаче
дежурства.
На
трансформаторе, находящемся «в холодном резерве», не должны стоять защитные
переносные заземления, при установке последних оборудование переходит в
оперативное состояние «в ремонте».
Также
существуют ненормальные (аварийные) режимы работы трансформаторов:
Режимы
холостого хода и короткого замыкания возникают при авариях. Эти режимы могут
создаваться специально для испытания трансформаторов на заводах изготовителях в
опытах холостого хода и короткого замыкания.
Режим
холостого хода, т.е. режим ненагруженного трансформатора, при котором цепь
вторичной обмотки разомкнута (или подключена к нагрузке с очень большим
сопротивлением).
Режим
холостого хода трансформатора рассмотрим на практическом режиме отключении
нагрузки. В этом режиме путем проведения специальных измерений (опыт холостого
хода) могут быть оценены важные технико-эксплуатационные параметры
трансформатора. Анализ режима XX позволяет выявить основные физические процессы
в трансформаторе, знание которых важно для других режимов.
Рисунок
14 - Электрическая схема трансформатора
Напряжение
холостого хода:
(23)
В
режиме XX трансформатор подключается под номинальное напряжение, то напряжение,
при котором предусматривается работа трансформатора:
(24)
Для
дальнейшего рассмотрения и составления электрической модели трансформатора
удобно ЭДС E10S за счет рассеяния трактовать, как падение напряжения
на чисто реактивном сопротивлении индуктивности рассеяния в цени первичной
обмотки jI10X0. Тогда:
(25)
Для
построения векторной диаграммы за точку отправления возьмем направление вектора
магнитного потока
Рисунок
15 - Пример векторной диаграммы на холостом ходу
При
действии в магнитном проводнике переменного магнитного потока совершается
работа по перемагничиванию реального магнитного материала (явление гистерезиса)
и расходуется энергия на нагревание сердечника, возникающее в нем из-за
появления вихревых токов (токов Фуко). В этой связи
имеет две составляющих:
активную
(отражает потери на гистерезис и вихревые токи)
составляющую
в виде тока намагничивания
, которую
создает основной магнитный поток.
Пользуясь
представленным выше уравнением (25) и поясняющей его векторной диаграммой
трансформатора на ХХ (рисунок 15), можно поставить в соответствие следующую его
схему замещения (эквивалентную схему, электрическую модель трансформатора)
(рисунок 16).
Рисунок
16 - Эквивалентная схема замещения трансформатора
Приведенная
эквивалентная схема является строгим электрическим аналогом реального
трансформатора, если должным образом определены величины сопротивлений:
R1, X1, R0, X0.
Эта
схема позволяет производить все электрические расчеты токов, напряжения,
мощности, углов запаздывания и т.д.
Опыт
холостого хода:
Рисунок
17 - Схема проведения опыта холостого хода
Если
первичную обмотку трансформатора включить в сеть источника электрической
энергии переменного тока, то в этой обмотке будет протекать ток холостого хода
I10, который представляет собой малую величину по сравнению с номинальным током
трансформатора. В трансформаторах больших мощностей ток холостого хода может
достигать значений порядка 5- 10% номинального тока. В трансформаторах малых
мощностей этот ток достигает значения 25-30% номинального тока. Ток холостого
хода I10 создает магнитный поток в магнитопроводе трансформатора. Для возбуждения
магнитного потока трансформатор потребляет реактивную мощность из сети. Что же
касается активной мощности, потребляемой трансформатором при холостом ходе, то
она расходуется на покрытие потерь мощности в магнитопроводе, обусловленных
гистерезисом и вихревыми токами.
Так
как реактивная мощность при холостом ходе трансформатора значительно больше
активной мощности, то коэффициент мощности cos φ его весьма мал и обычно равен 0,2-0,3.
По
данным опыта холостого хода трансформатора определяется сила тока холостого
хода I10, потери в стали сердечника Рс и коэффициент трансформации К.
Силу
тока холостого хода I10 измеряет амперметр, включенный в цепь первичной обмотки
трансформатора.
При
испытании трехфазного трансформатора определяется фазный ток холостого хода.
О
потерях в стали сердечника Pс судят по показаниям ваттметра, включенного в цепь
первичной обмотки трансформатора.
Коэффициент
трансформации трансформатора равен отношению показаний вольтметров, включенных
в цепь первичной и вторичной обмоток:
(26)
Активная
составляющая тока холостого хода:
(27)
Потери
в стали сердечника:
(28)
Потери
холостого хода трансформатора:
(29)
Режим
короткого замыкания трансформатора, при котором его вторичная обмотка замкнута
накоротко (или подключена к нагрузке с очень малым сопротивлением).
При
коротком замыкании вторичной обмотки сопротивление трансформатора очень мало и
ток короткого замыкания во много раз больше номинального. Такой большой ток
вызывает сильный нагрев обмоток трансформатора и приводит к выходу его из
строя. Поэтому трансформаторы снабжаются защитой, отключающей его при коротких
замыканиях.
При
опыте короткого замыкания вторичная обмотка трансформатора замкнута накоротко,
т. е. напряжение на зажимах вторичной обмотки равно нулю. Первичная обмотка
включается в сеть с таким пониженным напряжением, при котором токи в обмотках
равны номинальным. Такое пониженное напряжение называется напряжением короткого
замыкания и обычно равно 5,5% от номинального значения.
По
данным опыта короткого замыкания определяется напряжение короткого замыкания Uкз
%, его активная Uа % и реактивная Uх %
составляющие, потери на нагревание обмоток трансформатора Pобм при номинальной
нагрузке и активное, реактивное и полное сопротивления трансформатора при
коротком замыкании rкз, xкз и zкз.
Потери
в обмотках указываются ваттметром.
Рисунок
18 - Схема проведения опыта короткого замыкания
(примерно
1-3%)
На
входе действует малое напряжение
, то мала
и электродвижущая сила (ЭДС (противо-ЭДС)), уравновешивающей его, а значит, мал
и магнитный поток, ее создающий.
При
малом потоке потерями в стали можно пренебречь.
Потери в меди:
(30)
Активное
сопротивление:
(31)
Реактивное
сопротивление:
(32)
Полное сопротивление:
(33)
Ток короткого замыкания:
(34)
2.3.1 Отказы силовых трансформаторов
Трансформаторы различных габаритов и конфигураций
являются сердцем энергетических систем. Будучи крайне необходимым и
дорогостоящим оборудованием, трансформаторы играют важную роль в передаче
электроэнергии и целостности энергетической системы, в общем. Тем не менее,
трансформаторы имеют свой ресурс эксплуатации, в случае превышения которого
может произойти отказ трансформатора. Под воздействием неблагоприятных условий
системе и системному оборудованию могут быть нанесены тяжелые повреждения,
кроме того, возможно недопустимое прерывание снабжения потребителей. Поскольку
период ремонта и замены силовых трансформаторов обычно очень длительный,
ограничение ущерба, наносимого поврежденным трансформаторам, является
первоочередной целью их защиты.
Экономическое воздействие от отказа силового
трансформатора:
прямые экономические последствия ремонта или замены
трансформатора;
непрямые экономические последствия, связанные с
потерей мощности или перерывами электроснабжения.
Такие условия эксплуатации, как перегрузка
трансформатора вследствие ошибки и т.д., часто приводят к отказу
трансформатора. Это подчеркивает необходимость функций защиты трансформатора от
перегрузки и перегрева. Длительная работа трансформатора в таких анормальных
условиях, как неисправности или перегрузки, может подвергнуть риску силовой
трансформатор. Адекватная защита необходима для скорейшего отключения
трансформатора при таких обстоятельствах. Используемый тип защиты должен
уменьшать время отключения в случае наличия неисправности внутри трансформатора
и минимизировать риск катастрофической поломки, чтобы упростить возможный
ремонт.
Риск отказа трансформатора измеряется двумя
параметрами: частота сбоев в работе и серьезность поломки. Чаще всего отказ
трансформатора становится результатом повреждения изоляции. Эта категория
включает неправильный или некачественный монтаж, износ изоляции, короткое
замыкание и, с другой стороны, внешние факторы резкого изменения напряжения в
электросети, такие как молния или порыв на линии электропередачи.
Сбои в работе трансформаторов могут быть
классифицированы следующим образом:
Неисправность обмоток вследствие коротких замыканий
(витковое замыкание, замыкание «фаза-фаза», «фаза земля», открытая обмотка);
Повреждения сердечника (нарушение изоляции сердечника,
укороченные пластины);
Терминальные повреждения (открытые вводы, неплотные
соединения, короткие замыкания);
Сбои системы регулирования напряжения под нагрузкой
(механические, электрические, короткие замыкания, перегрев);
Ненормальные условия эксплуатации (перенасыщение,
перегрузка, перенапряжение);
Внешние неисправности.
Другими причинами отказа трансформатора могут стать:
Перегрузка - трансформаторы, которые несут устойчивую
нагрузку, превышающую номинальную, часто отказывают в связи с перегрузкой.
Перепады напряжения - отказ, вызванный коммутационными
перенапряжениями, скачками напряжения, неполадками на линии электропередачи, и
другими нарушениями передачи и распределения энергии предполагает, что защите
от перенапряжения, адекватности крепления витков обмоток и мощности коротких
замыканий должно уделяться больше внимания.
Неплотные соединения - неплотные соединения,
неправильное сопряжение разнородных металлов, неправильная затяжка болтовых
соединений может также привести к отказу трансформатора.
Загрязнение масла - загрязнение масла ведет к
образованию осадка, влаги и отложению углерода в масляном баке, что часто
приводит к поломке трансформатора.
Конструкционные / производственные ошибки - включают
такие проблемы, как болтающаяся или неподдерживаемая ошиновка, плохая фиксация,
некачественная пайка, недостаточная изоляция сердечника, низкая выдерживаемая
мощность коротких замыканий и посторонние предметы, оставленные в баке.
Неправильное обслуживание / управление - ненадлежащее
обслуживание и эксплуатация являются главной причиной отказа трансформаторов.
Сюда относятся отключенная или неправильно установленная система управления,
потери охлаждения, накопление грязи и масла, коррозия.
Внешние факторы - некоторые внешние факторы, такие как
наводнения, пожары, взрывы, удары молнии, и высокая влажность могут стать
причиной повреждения трансформатора.
Наилучшие способы предупреждения отказов трансформаторов.
Поломок трансформаторов и угроз их безопасности можно
избежать или свести их к минимуму, убедившись в том, что проводники и
оборудование имеют правильный размер, защиту и надлежащее заземление.
Неправильная установка трансформаторов может вызвать пожар из-за неправильной
защиты, а также поражение электрическим током в связи с несоответствующим
заземлением.
Как только трансформатор будет смонтирован, бак должен
быть постоянно заземлен на правильно установленном стационарном заземлении
надлежащего сечения.
В условиях повышенной влажности или дождя доступ к
заполненному жидкостью трансформаторному баку должен быть ограничен.
Сухой воздух должен непрерывно поступать в газовое
пространство, если влажность превышает 70%.
Силовой трансформатор должен быть защищен от дождя
таким образом, чтобы вода не попадала внутрь.
Все оборудование, используемое при обработке жидкостей
(шланги, насосы и т.д.) должно быть чистым и сухим. Если в ходе проверки
выводиться изоляционная жидкость, его уровень должен оставаться не ниже верхней
части обмотки.
Когда заполненный жидкостью трансформатор установлен
снаружи, необходимо поддерживать положительное постоянное давление газа на
уровне от 1 до 2 МПа (даже при низкой температуре окружающей среды).
Прежде чем подать напряжение, необходимо провести
заключительный осмотр трансформатора. Должна быть произведена проверка всех
соединений, изоляции и вводов.
При загрузке трансформатор должен находиться под
наблюдением в течение первых часов работы. Температура и давление в баке
трансформатора должны контролироваться на протяжении первой недели работы.
2.3.2 Переходные процессы в трансформаторах
Переходные процессы получаются при переходе от одного установившегося
режима работы к другому. Такой переход не совершается мгновенно, так как
энергия магнитных и электрических полей, связанных с цепями, различна при
различных установившихся режимах, а для конечного изменения энергии полей
необходимо некоторое время.
Изменение энергии полей сопровождается возникновением, так называемых
свободных полей и соответствующих им токов и напряжений, накладывающихся на
токи и напряжения установившегося режима.
При переходных процессах результирующие токи, а также напряжения на
отдельных частях обмоток могут значительно превышать те же величины при
установившихся режимах, что необходимо учитывать при проектировании и
эксплуатации трансформаторов и электрических машин.
Включение трансформатора. Будем рассматривать переходный процесс при
включении ненагруженного трансформатора. Для этого случая можем написать:
(35)
где
Ф - полный поток, сцепляющийся со всеми витками первичной обмотки, a ψ - угол, определяющий мгновенное значение напряжения в
момент включения трансформатора (при t=0). Так как в трансформаторе со стальным
сердечником поток Ф и ток i1 связаны сложной зависимостью, то приходится искать
приближенное решение.
Можем
заменить:
(36)
где
L1 - статическая индуктивность, являющаяся функцией
потока Ф. Теперь уравнение (35) примет вид:
(37)
Второй
член левой части количественно в обычных случаях значительно меньше, чем первый
член; поэтому примем, что L1 не зависит от потока и представляет собой
постоянную величину. Тогда получаем уравнение с постоянными коэффициентами,
которое решается обычным способом. Его решение состоит из двух слагаемых:
(38)
где
Ф' - мгновенное значение установившегося потока, а Ф"- мгновенное значение
свободного потока.
Установившийся
поток
(39)
Рисунок
19 - Изменение потока при наихудших условиях включения трансформатора
Свободный
поток определяется из уравнения:
(40)
интеграл,
которого имеет вид:
(41)
Постоянная
интегрирования С находится из начальных условий. Рассмотрим случай, когда в
момент включения в сердечнике трансформатора имел место поток остаточного
магнетизма ±Фост. Тогда при t = 0 согласно (38) и (39)
(42)
откуда
(43)
и
(44)
Подставляя
найденные значения
в (38), получим:
(45)
Наиболее
благоприятные условия получаются при включении, когда
(при
) и
. В этом случае имеем:
(46)
т.е с первого же момента устанавливается нормальный поток, а
следовательно, и ток холостого хода.
Наихудшие
условия для включения получим при
(при
) и при
направленном
против
. В этом случае:
(47)
Поток
Ф достигает наибольшего значения, спустя приблизительно полпериода после
включения, т.е. при
. Если принять
, то для
наибольшего значения потока можем, следовательно, написать (рисунок 19):
(48)
Найдя
кривую изменения потока, можно при помощи кривой намагничивания трансформатора
(рисунок 20) построить кривую намагничивающего тока. Мы видим, что при наиболее
неблагоприятном случае ток холостого хода достигает весьма большого значения, в
десятки раз превышающего максимальное значение установившегося тока холостого
хода. Такой «бросок тока» следует иметь в виду, например, при опыте холостого
хода: токовые цепи высокоточных измерительных приборов во избежание поломки
стрелок нужно до включения трансформатора шунтировать.
Приведенное
решение, как отмечалось, является приближенным, так как не были учтены поле
рассеяния, действие вихревых токов и непостоянство L1. Однако опыт
подтверждает, что броски тока при включении трансформатора достигают указанных
значений.
Внезапное
короткое замыкание. Наибольшие токи в обмотках трансформатора получаются при
трехфазном коротком замыкании. Как известно
. При U=Uном
он достигает весьма большого значения. Оно может быть найдено из следующего
соотношения:
(49)
где
- номинальное напряжение короткого замыкания.
Задача
определения тока для переходного процесса достаточно точно решается при
пренебрежении током холостого хода. Мы в этом случае в дифференциальных
уравнениях напряжений обмоток
(50)
(51)
Рисунок
20 - К определению "броска тока" при включении по кривой
намагничивания трансформатора
Приняв
, можем положить
.
Тогда
вычитая (51) из (50) и исключая
при
помощи равенства
получим:
(52)
Так
как
(53)
(54)
где
и
-
индуктивность и активное сопротивление при коротком замыкании, то (52) можем
переписать в следующем виде:
(55)
Таким образом, переходный ток здесь определяется так же, как для
реактивной катушки, включенной на синусоидальное напряжение.
Он
состоит из установившегося тока и свободного, затухающего в соответствии с
постоянной времени
.
Если
пренебречь затуханием свободного тока, то в самом неблагоприятном случае
мгновенное значение тока короткого замыкания
будет в
2 раза, а с учетом затухания свободного тока - в 1,5-1,8 раза больше амплитуды
установившегося тока, т.е.
(56)
Если,
например,
, то
(57)
Рисунок 21 - Примерная форма кривой электрического импульса при грозовых
разрядах
Такие токи в обмотках трансформатора создают очень большие
электромагнитные силы, опасные в отношении механической прочности обмоток. При
конструировании обмоток их необходимо принимать во внимание, особенно в случае
мощных трансформаторов, где эти силы на единицу длины обмотки иногда получаются
настолько большими, что приходится для таких трансформаторов брать повышенные
значения uк, чтобы уменьшить ток короткого
замыкания. Кроме того, следует по возможности выполнять трансформаторы с
обмотками одинаковой высоты. Если высоты обмоток неодинаковы, то возникают
большие аксиальные силы, которые могут привести к разрушению изоляции с
последующим пробоем ее.
Перенапряжения в трансформаторах. Перенапряжения, возникающие в
трансформаторах, могут быть вызваны различными причинами. Из них главнейшие:
процессы при включении и выключении трансформатора; короткие замыкания и
повторные заземляющие дуги на линии передачи, к которой присоединен
трансформатор; грозовые разряды вблизи линии. Наибольшие перенапряжения в
обмотках трансформатора получаются при грозовых разрядах. Они называются
атмосферными перенапряжениями.
В
большинстве случаев грозовые разряды создают в линии апериодические
электрические импульсы большой амплитуды и малой продолжительности действия. Примерная
форма такого импульса показана на рисунке 21. Здесь время подъема напряжения от
нуля до максимума, достигающего пяти-шестикратного значения амплитуды фазного
напряжения, измеряется иногда десятыми долями микросекунды (отрезок
). Соответствующая часть кривой называется фронтом
волны. Она может рассматриваться как четверть периода периодического процесса
весьма высокой частоты. При такой частоте мы можем считать, что ток будет
проходить только по емкостным связям между витками отдельных катушек и между
катушками обмотки высшего напряжения, а также между катушками и сталью. Обмотку
низшего напряжения при этом приближенно можно принять заземленной, так как она
соединена со сталью большими емкостями (т. е. малыми емкостными
сопротивлениями). Токами по индуктивным и активным сопротивлениям катушек мы
пренебрегаем: при очень высокой частоте они малы по сравнению с емкостными
токами.
В
этом случае обмотка высшего напряжения, обычно состоящая из последовательно
соединенных катушек, может быть заменена цепочкой емкостей, показанной на
рисунке 22,а, где СЗ - емкости между катушками и землей; СК - емкости между
катушками. Распределение напряжения вдоль обмотки получается неравномерным
(кривая а на рисунке 22,б), так как токи, проходящие по емкостям СК, будут
неодинаковы. Они больше вблизи линейного конца и меньше вблизи заземленной
нейтрали. Показанное распределение напряжения называется емкостным.
Рисунок
22 - Приближенная схема замещения трансформатора при высокочастотных процессах
(а), кривые распределения напряжения вдоль обмотки (б)
После
затухания свободных полей получим равномерное распределение напряжения вдоль
обмотки (кривая b на рисунке 22,б). Теперь оно будет обусловлено только индуктивными
и активными сопротивлениями катушек и будет соответствовать установившемуся
режиму работы при нормальной частоте тока.
Кривая
а на рисунке 22,б показывает, что при начальном распределении напряжения
большая его часть приходится на первые катушки, и, следовательно, их изоляция
подвергается наибольшей опасности. Опыт это подтверждает, так как пробои
изоляции чаще всего имеют место именно на первых катушках, поэтому их часто
выполняют с усиленной изоляцией.
Переход
от начального распределения напряжения к установившемуся (от кривой а к кривой
b) сопровождается колебательными процессами и перенапряжениями резонансного
характера, так как здесь вступают в действие не только емкостные, но и
индуктивные связи между катушками. Опытные исследования этих процессов
показывают, что высокие градиенты электрического поля получаются также для
средних и нижних катушек, но все же наибольшие значения они имеют для начальных
катушек.
3.
Модернизация оборудования собственных нужд тяговой подстанции
Целью
модернизации оборудования собственных нужд тяговых подстанций является замена
морально и физически устаревшего на современное оборудование.
На
большинстве тяговых подстанций оборудование собственных нужд выработало свой
ресурс и не отвечает современным требованиям надежности электроснабжения
потребителей, среди которых потребители 1 категории, для которых недопустимо
прекращение электроснабжения.
Связано
это с тем, что на большинстве подстанций со времен массовой электрификации
(1956 - 1965 гг.) не проводилась модернизация оборудования.
Установка
нового оборудования не только повысит надежность электроснабжения, но и снизит
текущие расходы на ремонт и обслуживание. Будет производиться переход к
малообслуживаемым тяговым подстанциям.
Основные
направления модернизации:
)
замена старых масляных трансформаторов собственных нужд на малообслуживаемые
сухие трансформаторы мощностью 400 кВ∙А (как альтернатива - замена более
современными масляными трансформаторами);
)
установка автоматических выключателей на низкой стороне трансформатора для
восстановления нормального режима работы трансформатора.
.1
Замена трансформаторов собственных нужд
В
качестве новых трансформаторов будут использоваться сухие трансформаторы типа
ТСЗГЛ - 400-10/0,4 - У3, для этих трансформаторов характерны все преимущества,
указанные в пункте 2.1, но с дополнительными достоинствами:
- для изоляции обмоток используется эпоксидный компаунд с кварцевым
наполнителем (геафоль);
- дополнительно обмотки усилены стеклотканью, что исключает возникновение
трещин в эпоксидном компаунде даже при перегрузке трансформаторов.
Геафоль не оказывает вредного влияния на окружающую среду, не выделяет
токсичных газов даже при воздействии дуговых разрядов. Благодаря такой изоляции
обмотки не требуют технического обслуживания.
Рисунок
23 - Условное обозначение и расшифровка трансформатора ТСЗГЛ
Для
защиты от перегрева трансформаторы комплектуются цифровым реле тепловой защиты
ТР-100, оборудованным интерфейсом RS-485 MODBUS
RTU. Реле ТР-100 имеет универсальное питание и может
подключаться на постоянное или переменное напряжение от 24 до 260 В. Реле
тепловой защиты управляется тремя датчиками температуры с характеристикой
РТ100, встроенными в обмотки низкого напряжения. На рисунке 23 приведено условное
обозначение и расшифровка трансформаторов ТСЗГЛ.
Обслуживание
трансформаторов ТСЗГЛ:
Обслуживание
трансформатора заключается в периодических осмотрах и плановых отключениях (не
реже одного раза в год).
При
плановых отключениях следует выполнять следующие работы [6]:
Изоляционные
детали и обмотки протереть от образовавшегося налета и пыли;
Охлаждающие
каналы между магнитопроводом и обмотками, обмотками соседних фаз продуть сухим
сжатым воздухом;
Проверить
состояние заземления, контактных соединений шин.
Порядок
замены старых трансформаторов на новые:
Производится
перевод питания на резервный трансформатор;
Производят
отключение всех коммуникаций трансформатора;
Производится
демонтаж старого трансформатора (слив масла, погрузка на железнодорожную
платформу или на автоприцеп, вывоз трансформатора);
Подготавливается
площадка под установку нового трансформатора;
Устанавливается
новый трансформатор;
Подключаются
вводы высокого и низкого напряжения;
Производится
тестовый запуск трансформатора.
Те
же действия производят с резервным трансформатором.
На
рисунке 24 показаны общий вид и габаритные размеры трансформатора
ТСЗГЛ-400-10/0,4 У3.
Рисунок 24 - Общий вид трансформатора ТСЗГЛ-400-10/0,4 У3
Цифрами на рисунке 24 показаны:
- ролик транспортный; 2 - съемные стенки кожуха; 3 - пластина для подъема
трансформатора; 4 - табличка; 5 - реле теплозащиты ТР-100; 6 - узел заземления
трансформатора; 7 - кожух; 8 - клеммы регулирования напряжения ВН; 9 - вывод
ВН; 10 - уголок, установленный на время транспортирования; 11 - вывод НН
В качестве более дешевой альтернативы можно использовать масляные
трансформаторы типа ТМГ номинальной мощностью 400 кВ∙А.
Силовые трансформаторы серии ТМГ (масляные герметичные) мощностью 16-2500
кВ∙А, классом напряжения 10(6)/0,4 кВ изготавливаются в гофробаке,
заполненном дегазированным маслом в вакуумной камере. Гофрированные баки
обеспечивают необходимую поверхность охлаждения, без применения съемных
охладителей.
В трансформаторах ТМГ используются герметичные баки без расширителя.
Отсутствие расширителя исключает контакт масла с окружающей средой,
предотвращая тем самым процессы увлажнения, окисления и шламообразования.
Благодаря этому масло не меняет своих диэлектрических свойств в течение всего
срока службы.
Регулирование напряжения осуществляется переключателем типа ПБВ
(переключение без возбуждения) в ручном режиме при снятой нагрузке и
напряжении, путем переключения ответвлений обмотки ВН.
Рисунок
25 - Условное обозначение и расшифровка трансформатора ТМГ
Рисунок
26 - Общий вид трансформатора ТМГ 400-10/0,4 У1
На
рисунке 26 показан общий вид и габаритные размеры трансформатора ТМГ 400-10/0,4
У1, цифрами обозначены:
-
ролик транспортный; 2 - зажим заземления; 3 - пробка сливная; 4 - бак; 5 -
табличка; 6 - маслоуказатель; 7 - ввод НН; 8 - ввод ВН; 9 - гильза термометра;
10 - патрубок для заливки масла; 11 - серьга для подъема трансформатора; 12 -
переключатель; 13 - пробивной предохранитель.
Таблица
4 - Размеры и масса трансформатора ТМГ-400-10/0,4 У1
|
Размеры, мм
|
Масса, кг
|
|
L
|
B
|
H
|
H1
|
A
|
A1
|
A2
|
A3
|
A4
|
b
|
b1
|
масла
|
полная
|
|
1300
|
860
|
1485
|
1085
|
660
|
660
|
270
|
110
|
110
|
140
|
105
|
350
|
1360
|
Для контроля уровня масла трансформаторы типа ТМГ снабжаются маслоуказателем
поплавкового типа.
Для измерения температуры верхних слоев масла на крышке трансформаторов
предусмотрена гильза для установки жидкостного стеклянного термометра.
.2 Установка автоматических выключателей на низкой стороне трансформатора
собственных нужд
В качестве устанавливаемых автоматических выключателей будем использовать
выключатели ВА 88-32 российской фирмы IEK. Технические характеристики выключателя указаны в таблице 5.
Автоматы ВА 88 предназначены для защиты электрооборудования в трехфазных
сетях, проведения тока в при значения In соответствующих расчетным и размыкания
электроцепи при коротких замыканиях, токах перегрузки, а также при недопустимых
снижениях напряжения с помощью минимальных и расцепителей. Возможно ручные
оперативные включения и отключения участков электроцепей. Выключатели
рассчитаны на использование в электроустановках с напряжением до 400В.
Основные области применения выключателей ВА 88
вводные автоматические выключатели в электрощите;
защита цепей электродвигателей;
защита отходящих линий;
на вводе резерва;
защита отходящих линий на низкой стороне трансформатора.
Особенности и основные характеристики выключателей ВА 88:
6 типоразмеров на номинальные токи от 100 до 1600А;
диапазон уставки расцепителей по току перегрузки в зависимости габарита
корпуса от 12,5 до 1600А;
предельная отключающая способность от 12,5 до 5,кА в зависимости от
типоразмера;
автоматы ВА88 изготавливаются с термомагнитными и электронными
расцепителями;
наличие кнопки тест для проверки работы расцепителей, электронные
расцепители позволяют создавать селективную систему защиты;
Автоматические выключатели ВА 88 могут комплектоваться следующими
дополнительными устройствами:
аварийный контакт сигнализации - дополнительный контакт, переключающий
свое состояние в момент срабатывания автомата;
дополнительный контакт;
независимый расцепитель - для дистанционного принудительного размыкания
цепи, путем подачи управляющего сигнала на выводы расцепителя;
расцепитель минимального напряжения - для автоматического отключения
автомата ВА88 при снижении напряжения ниже допустимого значения;
привод ручной поворотный - удлиненная рукоятка для ручного оперирования
выключателем через дверцу шкафа;
электропривод - для дистанционного включения устройства, путем подачи
управляющего напряжения на выводы электропривода;
втычная панель (цоколь);
выкатная панель (корзина);
Все оборудование устанавливается дополнительно, что позволяет
модернизацию выключателей в процессе эксплуатации.
Конструкция и принцип действия выключателя:
Выключатель ВА88 выполнен в виде моноблока и состоит из основания и
крышки с фальшпанелью, в которой имеется окно для рукоятки управления и
толкатель кнопки “Тест” проверки механизма отключения выключателя. Основание
является несущей конструкцией для присоединительных зажимов, неподвижных
силовых контактов с системой дугогашения, механизма управления с системой
подвижных контактов, блока защиты от сверхтоков. Крышка закрывает все подвижные
элементы механизма управления и внутренние токоведущие части. Механизм
управления выключателя построен на принципе переламывающегося рычага и снабжен
мощной возвратной пружиной.
При взведении рукоятки механизма управления приводится в движение
изолирующая рейка, на которой закреплены подпружиненные подвижные силовые
контакты с гибкими соединениями. Рейка поворачивается в боковых направляющих,
обеспечивая не только замыкание подвижных и неподвижных силовых контактов, но и
необходимые провалы для увеличения и выравнивания давления на подвижные
контакты. Действие возвратной пружины блокируется элементами переламывающегося
рычага, находящимися в этот момент на одной прямой линии и опирающимися одним
коленом на выступ поворотного элемента “сброса” механизма управления. “Сброс”
механизма управления осуществляется посредством плоской рейки, на которую
воздействуют через регулировочные винты толкатели и биметаллических пластин
тепловых расцепителей и электромагнитов защиты от коротких замыканий.
Система дугогашения выключателей в исполнениях ВА88-32 и 33 (до 160А)
состоит из дугогасящих решеток со стальными никелированными вкладышами; в
исполнении ВА88-35 (250А) и выше применены дополнительные распылители дуги в
виде толстых перфорированных стальных пластин, вставленных в крышку.
Тем не менее, при установке выключателей в замкнутый объём
распределительных устройств, необходимо учитывать возможность выброса вперед на
расстояние до 30 мм продуктов горения дуги, в случае срабатывания защиты от
сверхтока. Габаритные размеры выключателя приведены на рисунке 27.
Рисунок 27 - Габаритные размеры выключателя ВА 88-32
Таблица 5 - Технические характеристики выключателя ВА 88-32
|
Максимальный номинальный
ток Inm, А
|
Номинальный ток (уставка
теплового расцепителя), In, А
|
Уставка электромагнитного
расцепителя Im, А
|
Номинальная наибольшая
отключающая способность Ics при 400В, кА
|
Номинальная предельная
отключающая способность Icu при 400В, кА
|
Номинальная наибольшая
включающая способность Icm/cosφ при 400В, кА
|
Механическая
износостойкость циклов В-О, не менее
|
Электрическая
износостойкость циклов В-О, не менее
|
Срок службы, лет, не менее
|
|
125
|
12,5; 16; 25; 32; 40; 50;
63; 80; 100; 125.
|
10∙ In
|
12,5
|
25
|
73,5/0,25
|
8500
|
2500
|
15
|
Рисунок 28 - Внутреннее устройство выключателя ВА 88-32
На рисунке 28 приведено внутреннее устройство выключателя ВА 88-32,
цифрами на нем указаны:
- Корпус из термостойкой пластмассы; 2 - Винтовые зажимы; 3 - Неподвижные
силовые контакты; 4 - Подвижные силовые контакты; 5 - Блок системы дугогашения;
6 - Механизм взвода; 7 - Изолирующая рейка; 8 - Плоская рейка; 9 - Узел
теплового и электромагнитного расцепителя; 10 - Регулировочные винты теплового
расцепителя.
Для возможности дистанционного управления выключателем на него
устанавливаются электропривод и независимый расцепитель.
С данным выключателем устанавливается электропривод ЭП-32. Технические
характеристики указаны в таблице 6.
Электропривод предназначен для дистанционного включения и отключения
автоматических выключателей серии ВА-88 и по своим характеристикам
соответствует техническим условиям ТУ3429-030-18461115-2006.
Данный электропривод допускает возможность перехода на ручное управление
при отсутствии напряжения в цепи управления.
Электропривод обеспечивает надежную и устойчивую работу при следующих
условиях эксплуатации:
Диапазон рабочих температур окружающего воздуха - от -40 до +50˚С;
Высота над уровнем моря - не более 2000 м;
Климатическое исполнение по ГОСТ 15150 - УХЛ3.
Таблица 6 - Технические характеристики электропривода ЭП-32
|
Наименование параметра
|
Значение
|
|
Номинальное рабочее
напряжение Ue, В
|
230
|
|
Диапазон рабочих напряжений
U, В
|
|
|
Номинальная частота сети,
Гц
|
50
|
|
Максимальная мощность при
пуске, В∙А
|
2000
|
|
Время включения, с, не
более
|
0,1
|
|
Время отключения, с, не
более
|
0,1
|
|
Износостойкость, циклов
В-О, не менее
|
8000
|
|
Масса, кг, не более
|
0,84
|
Рисунок 29 - Общий вид выключателя ВА 88-32 с электроприводом ЭП-32
Электропривод допускает 15 операций включение/отключение подряд с паузой
между операциями не менее 5с. При наличии напряжения в цепи управления электропривода
процесс включения и отключения заканчивается автоматически (независимо от
оператора), если контакты кнопок управления электроприводом находились в
замкнутом положении не менее 0,2 с.
На рисунке 29 показан общий вид выключателя ВА 88-32 с электроприводом
ЭП-32.
Конструкция и принцип действия электропривода:
Конструкция электропривода представляет собой моноблок, устанавливаемый
на переднюю (лицевую) панель выключателя, и включает в себя два электромагнита,
питаемых через выпрямители, и переключаемый концевой выключатель. На передней
панели электропривода расположена рукоятка ручного оперирования электроприводом
(вкл/откл). К соединительным проводникам 1, 2, 3 длиной 15 см каждый
подключаются кнопки дистанционного управления SB1, SB2 и
питающее напряжение. Принцип действия электропривода следующий: если
выключатель находится во включенном состоянии, то при нажатии на кнопку SB1 “Откл” подается напряжение на
электромагнит YA1, срабатывание которого приводит к
отключению выключателя. Цепь питания электропривода переключается контактами
концевого выключателя SQ.
При нажатии на кнопку SB2
“Вкл” питающее напряжение подается на электромагнит YA2, срабатывание которого приводит к включению выключателя.
При срабатывании выключателя от сверхтока, независимого расцепителя,
расцепителя минимального напряжения или кнопки “Тест” (при этом рукоятка
электропривода установится в среднее положение) для повторного включения
выключателя необходимо нажать кнопку SB1 “Откл”, а затем нажать кнопку SB2 “Вкл”.
На рисунке 30 показана принципиальная электрическая схема электропривода.
Рисунок 30 - Принципиальная электрическая схема электропривода ЭП-32
Условные обозначения на рисунке 30:
SB1, SB2 - выключатели кнопочные; SQ - выключатель концевой; VD1, VD2 - выпрямители; YA1, YA2 - электромагниты; 1, 2, 3 -
присоединительные проводники.
На рисунке 31 приведены габаритные размеры выключателя ВА 88-32 с
электроприводом ЭП-32.
Рисунок 31 - Габаритные размеры выключателя ВА 88-32 с электроприводом
ЭП-32
Данный выключатель комплектуется независимым расцепителем РН-125/160
(РН-32/33).
Независимый расцепитель предназначен для дистанционного отключения
выключателя. После подачи напряжения в цепь управления независимого расцепителя
его электромагнитный механизм отключает выключатель, у которого размыкаются
контакты главной цепи. При этом поворотная рейка выключателя воздействует на
вспомогательные контакты, встроенные в механизм независимого расцепителя и
блокирующие повторную подачу напряжения. Это позволяет обходиться без установки
в механизм независимого расцепителя для его защиты свободных вспомогательных
контактов.
Также на выключатель может быть установлен расцепитель минимального
напряжения РМ-125/160 (РМ-32/33).
Расцепитель минимального напряжения предназначен для отключении
выключателя при снижении фазного или линейного напряжения на его вводе до 70%
от номинального, а также препятствует его включению, если напряжение в этой
цепи меньше 85% от номинального. Основным назначением расцепителя минимального
напряжения является отключение электрооборудования при недопустимом для него
снижении напряжения. Расцепитель минимального можно также использовать в
качестве независимого расцепителя, если последовательно в цепь его управления
включить кнопочный выключатель с размыкающим контактом. При кратковременном
размыкании контакта кнопочного выключателя расцепитель минимального напряжения
отключит автоматический выключатель.
На рисунке 32 показаны независимый расцепитель РН-125/160 (РН-32/33) и
расцепитель минимального напряжения РМ-125/160 (РМ-32/33).
Рисунок 32 - Независимый расцепитель РН-125/160 (а), и расцепитель
минимального напряжения РМ-125/160 (б)
4. Расчет срока окупаемости проекта модернизации низковольтного
оборудования тяговой подстанции
Срок окупаемости инвестиций служит для определения степени рисков
реализации проекта и выгоды инвестиций [7]. Различают простой и динамический
сроки окупаемости. Простой срок окупаемости проекта - это период времени, по
окончании которого чистый объем поступлений (доходов) перекрывает объем
инвестиций (расходов) в проект. Его можно рассчитать по формуле [7]:
(58)
где
РР - срок окупаемости инвестиций (лет);
К0
- первоначальные инвестиции;
CFсг -
среднегодовые денежные поступления от реализации инвестиционного проекта.
Показатель простой окупаемости инвестиций завоевал широкое признание благодаря
своей простоте и легкости расчета даже теми специалистами, которые не обладают
финансовой подготовкой.
Пользуясь
показателем простой окупаемости, надо всегда помнить, что он хорошо работает
только при справедливости следующих допущений [8]:
)
все сопоставляемые с его помощью инвестиционные проекты имеют одинаковый
экономический срок жизни;
)
все проекты предполагают разовое вложение первоначальных инвестиций;
)
после завершения вложения средств инвестор начинает получать примерно одинаковые
ежегодные денежные поступления на протяжении всего периода экономической жизни
инвестиционных проектов.
Метод
расчета простого срока окупаемости обладает очень серьезными недостатками, так
как игнорирует три важных обстоятельства [8]:
)
различие ценности денег во времени;
)
существование денежных поступлений и после окончания срока окупаемости;
)
разные по величине денежные поступления от хозяйственной деятельности по годам
реализации инвестиционного проекта.
Именно
поэтому расчет срока окупаемости не рекомендуется использовать как основной
метод оценки приемлемости инвестиций. К нему целесообразно обращаться только
ради получения дополнительной информации, расширяющей представление о различных
аспектах оцениваемого инвестиционного проекта.
Динамический срок окупаемости соответствует периоду, при котором
накопительное значение чистого потока наличности изменяется с отрицательного на
положительное. Расчет динамического срока окупаемости осуществляется по
накопительному (кумулятивному) дисконтированному чистому потоку наличности.
Срок окупаемости инвестиций - рассчитанный по данным инвестиционного
проекта отрезок времени, за который сумма амортизационных отчислений и прибыли
(после налогообложения), исчисленная нарастающим итогом, достигает величины
общего объема инвестиций, предусмотренных по инвестиционному проекту.
Период фактической окупаемости инвестиций - отрезок времени, в котором
началось осуществление инвестиций, до момента фактической окупаемости
инвестиций.
.1 Расчет затрат на модернизацию оборудования собственных нужд тяговой
подстанции
В данном дипломном проекте рассматривалось два варианта модернизации
оборудования собственных нужд:
с установкой сухих малообслуживаемых трансформаторов собственных нужд и
автоматических выключателей ВА 88-32 с моторным приводом ЭП-32;
с установкой традиционных, более дешевых, но требующих более частого
осмотра и обслуживания масляных трансформаторов и автоматических выключателей
ВА 88-32 с моторным приводом ЭП-32.
Первый вариант более дорогостоящий, но в дальнейшие затраты на
обслуживание сухих трансформаторов сводятся к минимуму и ими можно пренебречь,
второй вариант более дешевый, но масляные трансформаторы требуют периодической
очистки и замены масла, установку более совершенной системы пожаротушения.
Стоимость нового оборудования указана в таблице 7.
Таблица 7 - Стоимость оборудования для модернизации
|
Наименование изделия
|
Единица измеренения
|
Количество
|
Цена за единицу с учетом
НДС, р.
|
Сумма затрат, р
|
|
I вариант
|
|
Трансформатор
ТСЗГЛ-400-10/0,4 У3
|
шт.
|
2
|
505570
|
1011140
|
|
Выключатель ВА 88-32
|
шт.
|
2
|
1591
|
3182
|
|
Электропривод ЭП-32
|
шт.
|
2
|
2528
|
5056
|
|
Панель для монтажа ПМ1/П32
|
шт.
|
2
|
977
|
1954
|
|
Независимый расцепитель
РН-125/160
|
шт.
|
2
|
219
|
438
|
|
Расцепитель минимального
напряжения РМ-125/160
|
шт.
|
2
|
476
|
952
|
|
Итого:
|
1022722
|
|
II вариант
|
|
Трансформатор
ТМГ-400-10/0,4 У1
|
шт.
|
2
|
223000
|
446000
|
|
Выключатель ВА 88-32
|
шт.
|
2
|
1591
|
3182
|
|
Электропривод ЭП-32
|
шт.
|
2
|
2528
|
5056
|
|
Панель для монтажа ПМ1/П32
|
шт.
|
2
|
977
|
1954
|
|
Независимый расцепитель
РН-125/160
|
шт.
|
2
|
219
|
438
|
|
Расцепитель минимального
напряжения РМ-125/160
|
шт.
|
2
|
476
|
952
|
|
Итого:
|
457582
|
Затраты на установку I
варианта оборудования примем равными 20% от общей стоимости оборудования, для
второго варианта примем их равными 50 % процентам от общей стоимости
оборудования, т.к. для масляных трансформаторов требуется подготовка более
серьезной системы пожаротушения и общие подготовительные работы к монтажу более
дорогостоящие.
Затратами на обслуживание для сухих трансформаторов пренебрежем, а для
масляных трансформаторов примем равными 10% от стоимости оборудования.
Общие затраты на проект модернизации указаны в таблице 8.
Таблица 8 - Общие затраты на модернизацию
|
Общие затраты на
модернизацию, р.
|
|
I вариант
|
II вариант
|
|
1227266
|
686373
|
4.2 Расчет численности персонала тяговой подстанции
Устанавливается
среднесетевой норматив численности,
чел/тп.
Он
включает в себя старших электромехаников и электромехаников. Общая численность
персонала определяется исходя из численности персонала на одну тяговую
подстанцию.
Численность
начальников тяговых подстанций определяем в зависимости от категорийности
тяговой подстанции по объему переработки электрической энергии и внедрении
кустового метода организации обслуживания.
Определим
численность персонала тяговой подстанции по формуле:
, (59)
где
- среднесетевой норматив численности начальников
тяговых подстанций, равный 0,48 чел/тп;
-
региональный коэффициент дороги, учитывающий организацию обслуживания тяговой
подстанции кустовым методом, равный 1,20;
-
региональный коэффициент дороги, равный 0,82.
чел.
Полученный
результат округляем до 5 человек.
Таблица
8 - Численность персонала тяговой подстанции
|
№ п/п
|
Наименование должности
|
Количество человек на одном
ЭЧЭ
|
|
|
Отпаечная
|
Всего
|
|
1
|
Начальник ЭЧЭ
|
1
|
1
|
|
2
|
Старший электромеханик
|
1
|
1
|
|
3
|
Электромеханик
|
1
|
1
|
|
4
|
Электромонтер 5 разряда
|
1
|
1
|
|
5
|
Электромонтер 4 разряда
|
1
|
1
|
|
Итого
|
5
|
В связи с применением малообслуживаемого оборудования (трансформаторы и
выключатели) снизим численность штата тяговой подстанции на электромонтера 4
разряда, что позволит экономить на заработной плате.
Рассчитаем экономию, складывающуюся из зарплаты электромонтера 4 разряда
[9].
Зарплата рассчитывается по следующей формуле:
(60)
где
Траб - фонд времени в часах, примем равный 165 часам;
tст - часовая
тарифная ставка работника, соответствующего разряда, рассчитывается по формуле
(61);
Кдопл
- коэффициент, учитывающий доплаты в долях от тарифной ставки за условия труда,
примем равным 4% от оклада;
Кнадб
- коэффициент, учитывающий надбавки, примем равным 20% от оклада;
Кпр
- коэффициент премий, примем равным 25% от оклада работника;
Кр
- районный коэффициент, равный 15% от оклада.
Часовая
тарифная ставка электромонтера 4 разряда рассчитывается по формуле:
(61)
где
tIст - часовая тарифная ставка электромонтера I
разряда, равная 37,46 рублям;
Кт
- тарифный коэффициент, равный для 4 разряда 1,89.
Рассчитаем
часовую тарифную ставку для монтера 4 разряда:
Оклад
электромонтера 4 разряда за месяц будет равен 11681,9 рублей.
Тогда
Экономия
за год:
(62)
.3 Расчет срока окупаемости
Рассчитаем срок окупаемости по формуле (58).
Для I варианта:
CFсг =
Эг,
тогда
Для
II варианта:
График
срока окупаемости приведен на рисунке 33.
Рисунок 33 - График срока окупаемости проектов модернизации
5. Техника безопасности при ревизии трансформатора собственных нужд
Под ревизией понимается совокупность работ по вскрытию, осмотру,
проверке, устранению замеченных неполадок и герметизации активной части
трансформатора. Ревизия производится в случае нарушений требований
транспортирования и хранения трансформаторов и других нарушений, которые могут
привести к повреждению активной части трансформатора. Началом ревизии для
трансформаторов, транспортируемых с маслом, считается начало слива масла, для
трансформаторов, транспортируемых без масла, - вскрытие крышки или любой
заглушки. Кратковременное вскрытие какой-либо заглушки (например, для установки
термометра с целью измерения температуры при прогреве) не принимается во
внимание. Для трансформаторов до 35 кВ включительно окончанием ревизии
считается герметизация бака перед заливкой масла.
.1
Характеристика возможных опасных и вредных производственных факторов при
ревизии трансформатора собственных нужд
Формулировки охраны труда и производственных факторов приводятся в
действующем Трудовом Кодексе РФ [10]:
Охрана труда - система сохранения жизни и здоровья работников в процессе
трудовой деятельности, включающая в себя правовые, социально-экономические,
организационно-технические, санитарно-гигиенические, лечебно-профилактические,
реабилитационные и иные мероприятия.
Вся работа по технике безопасности должна быть направлена на создание
системы организационных мероприятий и технических средств, предназначенных для
предотвращения воздействия на рабочий персонал опасных и вредных
производственных факторов.
Опасный производственный фактор - это фактор, воздействие которого на
работающий персонал в определенных условиях приводит к травме или к внезапному
резкому ухудшению здоровья. К резкому ухудшению здоровья можно отнести
отравление, тепловой удар, облучение.
Вредный производственный фактор - это фактор, воздействие которого на
работающий персонал в определенных условиях приводит к заболеванию или снижению
работоспособности. В зависимости от уровня и продолжительности воздействия
вредный производственный фактор может стать опасным.
При выполнении ревизии трансформатора собственных нужд возможны следующие
вредные и опасные факторы [11]:
) Наличие напряжения является основным опасным фактором при эксплуатации
силовых трансформаторов, так как существует опасность включения человека в
электрическую цепь и поражения током.
Поражение человека электрическим током возможно в следующих случаях:
прикосновение или приближение на опасное расстояние к токоведущим частям
под напряжением без изоляции или с повреждённой изоляцией;
прикосновение к корпусу силового трансформатора, который оказался под
напряжением вследствие нарушения изоляции;
попадание под шаговое напряжение при нахождении в зоне растекания тока
замыкания на землю.
Рассматриваемый опасный фактор оценивается током, протекающим через
человека.
Тяжесть поражения человека электрическим током зависит от следующих
факторов:
сила тока;
электрическое сопротивление цепи человека;
длительность протекания тока через тело человека;
род и частота тока;
индивидуальные свойства организма человека;
условия окружающей среды.
) Повышенный уровень статического электричества;
3) Повышенный уровень электромагнитных полей;
) Движущиеся машины и механизмы; подвижные части производственного
оборудования; передвигающиеся изделия, заготовки, материалы; разрушающиеся
конструкции;
.2 Организационные мероприятия по технике безопасности
К организационным мероприятиям по обеспечению безопасности работы при
ревизии трансформатора собственных нужд относятся [12]:
назначение лиц, ответственных за безопасное ведение работ;
выдача наряда;
выдача разрешения на подготовку рабочих мест и на допуск;
подготовка рабочего места и допуск;
надзор при выполнении работы;
- оформление перерывов в работе, перевода на другое место, окончание
работы.
К работам на электроустановках могут быть допущены работники не моложе 18
лет, которые прошли медицинский осмотр, производственное обучение безопасным
методам работ и имеющим удостоверение о проверке знаний по электробезопасности.
Уровень требуемых знаний определяется присвоенной квалификационной группой по
технике безопасности. Чем выше квалификационная группа, тем больше требований
предъявляется к работнику.
Все работы, связанные с ревизией трансформатора собственных нужд
производятся по нарядам, со снятием напряжения которые выдаются не более чем за
24 часа до ее начала, срок действия наряда определяется длительностью работ, но
не должен превышать пяти календарных дней. Наряд-допуск - письменное задание на
производство работы, составленное на бланке установленной формы, определяющее
содержание и зону (место) работы, необходимые меры безопасности, состав бригады
и лиц, ответственных за безопасность проведения работы.
Право выдачи наряда может быть предоставлено электротехническому
персоналу предприятия с группой по электробезопасности не ниже пятой, а также
имеющим стаж работы не менее 3-х лет. Лицо, выдающее наряд устанавливает
необходимость и объем работы, отвечает за возможность безопасного ее
выполнения, достаточность квалификации ответственного руководителя,
производителя или наблюдающего, а также членов бригады. Наряд на работу
заполняется в 2-х экземплярах через копирку чернилами, шариковой ручкой. Запись
должна быть ясной и четкой в обоих экземплярах. Исправления и зачеркивания в
наряде не допускаются.
Один экземпляр наряда должен находиться у производителя работ до их
полного окончания, а другой (копия) - у лица, выдающего наряд.
До выписки наряда необходимо руководителю работ дать заявку
энергодиспетчеру, на выполнение указанной работы. В заявке должны быть указаны:
состав бригады;
зона (место) работы;
категория работ и меры безопасности.
Энергодиспетчер должен согласовать с диспетчером связи о выполнении
данной работы.
Работа по ревизии трансформатора собственных нужд производится в составе
не менее двух человек, включая руководителя работ и членов бригады с группой по
электробезопасности не менее 4-й. Лицо, выдающее наряд обязательно должен провести
целевой инструктаж руководителю работ об обеспечениях предстоящей работы,
порядок ее выполнения, о чем производится запись в журнале регистрации
инструктажа по охране труда с росписью инструктируемого. Руководитель должен
допустить бригаду к работе лишь после получения разрешения на работу от
энергодиспетчера.
Перед допуском к работе по наряду руководитель обязан на месте работы
произвести инструктаж членов бригады, в котором должен указать:
условия производства работ (категорию, технологию);
точные границы зон и мест работы членов бригады;
места наложения заземления;
порядок перемещения в зоне работы;
места, на которых запрещается работа.
После проведения инструктажа все члены бригады должны расписаться в
специальной графе наряда.
Во всех случаях работы допуск осуществляет руководитель работ после того
как он лично непосредственно на месте работы убедится в правильности всех
мероприятий, обеспечивающих безопасного выполнения работ. Надзор за работающими
должен осуществлять руководитель работ. Лица, ведущие надзор, обязаны
непрерывно контролировать выполнение работ исполнителями, следить за
соблюдением требований техники безопасности. Если руководителю работ необходимо
на короткое время отлучиться с места работы, то бригада должна прекратить
работу, собраться в одном месте и возобновить работу, лишь после возвращения
руководителя. По окончании работ руководитель обязан: дать команду прекратить
работу, убрать инструмент и приспособления, убедиться в полной готовности
ремонтируемых устройств, снять ограждения с места работ, дать уведомление об
окончании работ.
После полного окончания работ руководитель закрывает наряд и передает его
лицу, выдавшему наряд, или руководителю дистанции, которые обязаны проверить
правильность заполнения наряда.
5.3 Технические мероприятия по обеспечению безопасности при ревизии
трансформатора собственных нужд
Перечень технических мероприятий при ревизии трансформатора собственных
нужд [13]:
1) работа при поднятой крышке трансформатора во время ревизии обмоток или
переключателя ступеней напряжения разрешается только при условии, если между
крышкой и баком трансформатора установлены предохранительные прокладки, надежно
удерживающие выемную часть трансформатора;
2) работать внутри бака разрешается только в том
случае, если из бака полностью удалены масляные пары, выемная часть не висит
над баком и внутри бака применены переносные лампы на напряжение не выше 12 В.
Запрещается использовать для промывки бака и арматуры трансформатора бензин или
другие легковоспламеняющиеся вещества. Удалять остатки масла из баков и очищать
их внутреннюю поверхность разрешается только при вынутой и отведенной в сторону
выемной части. Зажигать огонь и курить в баке трансформатора запрещено;
) проезды к помещению или месту, где производится
сушка, должны обеспечивать беспрепятственный проезд пожарной автомашины в
случае возникновения пожара;
) помещение, в котором производится сушка
трансформатора и трансформаторного масла, должно быть обеспечено вентиляцией,
телефоном, водоснабжением и противопожарными средствами;
) в помещениях, предназначенных для сушки, запрещается
находиться посторонним лицам, разводить открытый огонь или курить, хранить
бочки с трансформаторным маслом или другими горючими материалами, применять
войлок, древесные стружки или паклю для теплоизоляции трубопроводов, емкостей и
кожухов;
) до начала сушки трансформаторов электрическим током
корпуса, трубопроводы и баки трансформаторов должны быть заземлены. При сушке
силовых трансформаторов необходимо место работы оградить. Во всех опасных местах
необходимо вывесить знаки безопасности. Все электровоздуходувки и другие
нагревательные приборы, и аппараты должны иметь приспособление, не пропускающее
искры;
) при сварочных работах должны соблюдаться следующие
условия:
сварщик должен пройти специальный инструктаж по
пожарной безопасности;
при сварке обязательно должны применяться экраны;
к сварке маслонаполненной аппаратуры могут допускаться
сварщики высокой квалификации, прошедшие специальную подготовку и имеющие опыт
данной работы;
) производить сварочные работы в помещении, в котором
работает маслоочистительная аппаратура, запрещено;
) установка маслоочистительной аппаратуры на монтажной
площадке должна позволять обслуживающему персоналу свободный подход к
аппаратуре со всех сторон. Расстояние между стенами и оборудованием до
аппаратуры должно быть не менее 0,75 м с трех сторон, а со стороны управления -
не менее 1,5 м;
) запрещается устранять какие-либо дефекты в
маслоочистительной аппаратуре во время ее работы;
) установку и крепление радиаторов, расширительного
бака, выводов в фарфоровых маслонаполненных изоляторах и других деталей
трансформатора разрешается производить только с помощью грузоподъемных
механизмов;
) перед тем как производить измерение сопротивления
изоляции обмоток, необходимо отключить питание намагничивающей и рабочих
обмоток;
) совмещать монтажные работы на трансформаторе с
работами по его испытаниям категорически запрещается.
.4 Оценка эффективности технических средств защиты,
обеспечивающих безопасность работ в электроустановках напряжением выше 1000 В
Персонал, обслуживающий электроустановку, должен быть снабжен всеми
необходимыми средствами защиты, обеспечивающими безопасность его работы.
Трансформаторы собственных нужд относятся к категории электроустановок
напряжением выше 1000 В.
Изолирующие электрозащитные средства подразделяются на две категории
[12]:
основные средства защиты;
дополнительные средства защиты.
К основным средствам защиты для электроустановок напряжением выше 1000 В
относятся:
изолирующие и измерительные штанги;
токоизмерительные клещи;
указатели напряжения.
К дополнительным средствам защиты в электроустановках напряжением выше
1000 В относятся:
диэлектрические перчатки;
боты;
коврики;
изолирующие подставки на фарфоровых изоляторах.
Использование этих средств защиты в различных сочетаниях позволяет
обеспечить защиту людей от прикосновения к токоведущим частям.
Заключение
В дипломном проекте рассмотрены вопросы электроснабжения потребителей шин
собственных нужд тяговой подстанции. Изучены схемы главных электрических
соединений тяговых подстанций постоянного тока. Особое внимание уделено
трансформатору собственных нужд, выявлены особенности его работы, а именно -
режим «обратного холостого хода» и отсутствие «горячего резерва», что
недопустимо в отношении электроснабжения потребителей первой категории.
В целях повышения надежности электроснабжения собственных нужд и
устройств сигнализации, централизации и блокировки предложены варианты
модернизации оборудования тяговой подстанции. Первый, более дорогой, предполагает
замену масляного трансформатора собственных нужд на современный
малообслуживаемый сухой трансформатор. Второй - установку нового масляного
трансформатора улучшенной конструкции, что дает возможность сократить расходы
на его обслуживание. В обоих вариантах имеет место замена рубильника 0,4 кВ на
автоматический выключатель с аналогичными параметрами. Последний оборудован
электроприводом и электромагнитным и тепловым расцепителями, что позволяет
обеспечить защиту трансформатора собственных нужд с низкой стороны и, самое
главное, автоматическое включение резервного трансформатора и дистанционное
управление выключателем.
Материалы дипломного проекта могут быть использованы в учебном процессе
при чтении соответствующих курсов, а также при модернизации реальных тяговых
подстанций.
В экономическом разделе произведен расчет сроков окупаемости вариантов
модернизации, которые составили 5 лет и 4 года для первого и второго вариантов
соответственно.
В разделе безопасности и экологичности определены мероприятия по технике
безопасности при ревизии трансформатора собственных нужд.
Библиографический
список
1 Почаевец В.
С. Электрические подстанции / В. С. Почаевец. М.: Желдориздат., 2001. 512с.
Правила
устройства электроустановок / 7-е изд.. перераб. и доп. - М.: Кнорус, 2012. 488
c.
Почаевец В.
С. Автоматизированные системы управления устройствами электроснабжения железных
дорог. / Учебник для СПО / В. С. Почаевец. М.: Маршрут, 2006. 314 с.
Бессонов Л.А.
Теоретические основы электротехники. Электрические цепи. / Л.А. Бессонов. М.:
Гардарики, 2002. 638 с.
Правила
технической эксплуатации электроустановок потребителей: утв. Министерством
энергетики РФ 13.01.03: ввод в действие с 01.07.03. - СПб.: Издательство ДЕАН,
2003.
Трансформаторы
ТСЗГЛ (с реле ТР-100). Руководство по эксплуатации. 32с.
7
Экономическая оценка инвестиций: Учебное пособие. / Е.Г. Непомнящий. Изд-во
ТРТУ. Таганрог, 2005. 292 c.
Липсиц
И.В.Инвестиционный проект. / И.В. Липсиц, В.В. Коссов. М.: Издательство БЕК,
1996. 10с.
Технико-экономические
обоснования инженерных решений в дипломных проектах. Часть 1. Основные
положения технико-экономического обоснования инженерных решений: Методические
указания для дипломного проектирования / Г.И. Акользина, Л.Г. Архипова и др.
Омский государственный университет путей сообщения. Омск, 1999. 43 с.
10 Трудовой
кодекс Российской Федерации от 30.12.2001 N 197-ФЗ (ред. от 29.12.2012) М.:
Кнорус, 2012. 224 c.
11 ГОСТ 12.0.003-74 (с изм. 1977 г.) ССБТ. Опасные и вредные
производственные факторы. Классификация. М., 1982. 4 с.
Инструкция по безопасности при эксплуатации электроустановок тяговых
подстанций районов электроснабжения железных дорог ОАО “РЖД” (ЦЭ-4054). М.:
Техинформ, 2008. 195 с.
Павлович С. Н. Ремонт и обслуживание электрооборудования. / С. Н.
Павлович, Б. Н. Фираго Ростов-на-Дону: Феникс, 2002. 248 с.