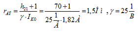
|
Тип транзистора
|
Структура
|
Uкб,В
|
Uкэ,тВ
|
Iкмакс мА
|
Ркмакс Вт
|
h21э
|
Iкб0 мА
|
frp, МГц
|
Кш дБ
|
 
|
|
|
|
КТ943Д
|
п-р-п
|
60
|
60
|
3000
|
25 (60)
|
20-100
|
≤1
|
10
|
≤2
|
100-45...+8530
|
|
|
С
помощью формулы
находим постоянную времени транзистора.
Найдём параметры элементов на основе справочных данных следующим образом:
¨ объемное
сопротивление базы
,
где
- постоянная времени цепи внутренней обратной связи в
транзисторе на ВЧ;
¨ активное
сопротивление эмиттера
,
¨ Dr = (0,5…1,5) Ом;
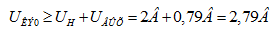
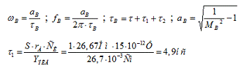
Для определения нагрузочной прямой по постоянному и переменному току
найдем:
Соединив точки ЕП=30В и Iнаг-=857А, получим нагрузочную прямую по постоянному току на
выходных характеристиках. Усилитель работает в режиме класса «А». В этом режиме
рабочая точка не заходит в не линейный участок это соответствует: UКЭ0=14,2 В, Iб0=8 мА, UбЭ=0,71 В, Iко=500 мА.
Далее определим переменный ток коллектора. Для построения нагрузочной
прямой по переменному току находим:
. Сопротивление эмиттера:
, выберем RЭ=27 Ом (С2-23)
. Сопротивление нагрузки по переменному току:
. Определяем переменный ток коллектора:
Получаем нагрузочную прямую по переменному току на выходных
характеристиках.
Из рис.4 можно увидеть, что в данной рабочей точке требуемый размах
выходного напряжения обеспечивается
Так как усилитель работает в линейном режиме, то мы можем описывать
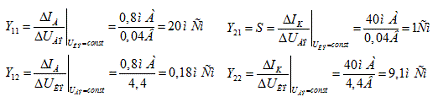
оконечный каскад системой Y -
параметров.
где:
- входная проводимость
-
проводимость обратной связи с выхода на вход
- прямая
проводимость с выхода на вход (крутизна)
-
выходная проводимость
По
входным и выходным вольт - амперным характеристикам (рис. 4) находим:
-
коэффициент передачи по току
- емкость
перехода коллектор - эмиттер
Находим
проводимости:
Начинаем рассматривать каскад на различных частотах:
- монтажная
емкость,
-
входная проводимость следующего каскада
-
входная емкость следующего каскада
Рис.
5 Эквивалентная схема эмиттерного повторителя.
Рассмотрим
область средних частот.
- можно
пренебречь,
- можно пренебречь
Рис.
6. Эквивалентная схема эмиттерного повторителя в области средних частот.
коэффициент усиления на средних частотах без учёта действия ООС. В
области средних частот коэффициент усиления не зависит от частоты.
где:
- крутизна транзистора,
-
проводимость в цепи эмиттера
-
проводимость нагрузки. В области средних частот сопротивление
, то мы емкостью
можем
пренебречь
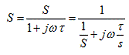
Проведя анализ, с учётом ООС получим для области СЧ:
коэффициент усиления на средних частотах с учётом действия ООС,
глубина ООС;
Рассмотрим область низких частот.
- можно
пренебречь,
В
области низких частот сказывается
.
Следовательно, ей мы пренебрегать не можем.
Рис.
7. Эквивалентная схема эмиттерного повторителя в области низких частот.
коэффициент
усиления в области НЧ.
коэффициент
частотных искажений.
Рассмотрим
область высоких частот.
- можно
пренебречь,
В
области высоких частот сказывается
.
Следовательно, ей мы пренебречь не можем.
Рис.
8. Эквивалентная схема эмиттерного повторителя в области высоких частот.
В
области высоких частот в эквивалентной схеме эмиттерного повторителя появляется
колебательный контур обуславливающий частотной зависимостью S1.
коэффициент
усиления в области высоких частот
частотно
зависимая крутизна
-
коэффициент частотных искажений.
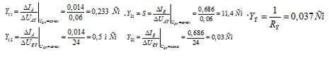
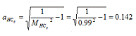
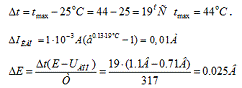
Расчет элементов термостабилизации:
-
изменение обратного тока коллектора;
(параметр
для кремниевых транзисторов).
-
внутреннее изменение смещения на эмиттерном переходе; E=1.1В (параметр
для кремниевых транзисторов), Т - максимальная температура в Кельвинах;
приращение
коллекторного тока, вызванное температурным изменением
-
изменение тока коллектора в рабочей точке.
Коэффициент
нестабильности, который должна обеспечивать схема температурной стабилизации:
Из ряда номинала выбираем ближайшие:
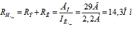
Тогда входное сопротивление каскада с учётом ООС равно:
- напряжение на входе 5-го каскада.
Находим номиналы элементов из ряда номинальных сопротивлений резисторов и
ряда номинальных емкости конденсаторов.
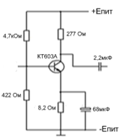
Рис. 9. Принципиальная схема выходного каскада с номиналами элементов.
По входной и выходной характеристикам строим сквозную характеристику. Эта
характеристика даёт возможность оценить нелинейность, и представляет собой
зависимость выходного тока (при заданной нагрузке каскада) от ЭДС источника
входного сигнала. Для построения сквозной характеристики нужно построить
нагрузочную прямую на выходных характеристиках при нелинейном токе. Величину ЭДС
генератора с внутренним сопротивлением по переменному току Rген, который обеспечивает на входе
напряжение Uб, находят из уравнения:
Uген=Uб+Iб~Rг
Зададим Rг=50Ом (Rг
=50≤100Ом)
Для удобства построения заполним таблицу 2
Таблица 2
|
№ точки
|
Iк, А
|
Iб~, мА
|
Uб, В
|
Uг, В
|
|
1
|
0,264
|
1
|
0,69
|
0,74
|
|
2
|
0,350
|
3
|
0,70
|
0,85
|
|
3
|
0,500
|
8
|
0,72
|
1,12
|
|
4
|
0,800
|
12
|
0,74
|
1,34
|
|
5
|
0,950
|
15
|
0,75
|
1,5
|
Находим Uг по формуле: Uген=Uб+Iб~Rг
Строя зависимость Iк=φ(Uг) получаем сквозную динамическую характеристику
каскада для определённой нагрузки и внутреннего сопротивления генератора.
Следовательно, она учитывает и свойства транзистора и параметры генератора.
Рис. 10. Сквозная динамическая характеристика каскада.
По сквозной характеристике, которая приведена на рис.10, находим
коэффициент нелинейных искажений по третьей гармонике, без учёта действия ООС:
Коэффициент нелинейных искажений с учётом ООС:
Зададимся коэффициентом асимметрии плеч схемы Х=0,5. Тогда коэффициент
нелинейных искажений по второй гармонике:
Тогда общий коэффициент нелинейных искажений:
что намного меньше заданного коэффициента нелинейных искажений, т.е.
0,003<0,11
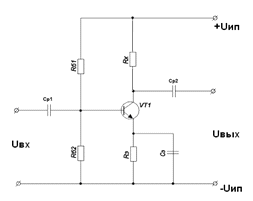
.3 Расчет 4-го каскада (КПУ 3)
Схемная реализация каскада предварительного усиления представлена на рис.
2. Это схема усилителя на биполярном транзисторе включенном по схеме с общим
эмиттером. Питание каскада возьмем порядка 29В, предусматривая наличие в цепи
питания RC цепочки, подробный расчет приведен
ниже в соответствующем разделе.
Исходные данные:UВЫХm.=24.4В, RH=130,4Ом,ЕП=29В.
Находим мощность транзистора, который можно использовать в этом каскаде:
Выходя из этих расчетов можно сказать, что в предоконечном каскаде можно
использовать тот же транзистор, что и на оконечном каскаде, модели КТ943Д (n-p-n типа).
Так как каскад работает как усилитель класса А, то рабочую точку выбираем
в середине линейного участка - это соответствует UКЭ0=15В, IКО=1050мА, Iб0=15мА, UбЭ=0,72В. Построим нагрузочную прямую
по постоянному току на выходных характеристиках.
Рис. 11. Входные и выходные характеристики транзистора КТ 943Д.
Таблица 3. Справочные данные транзистора
|
Тип транзистора
|
Структура
|
Uкб,В
|
Uкэ, В
|
Iкмакс мА
|
Ркмакс Вт
|
Iкб0 мА
|
frp, МГц
|
Кш дБ
|
 
|
|
|
|
КТ943Д
|
п-р-п
|
60
|
60
|
3000
|
25 (60)
|
≤1
|
10
|
≤2
|
100-45...+8530
|
|
|
Через
рабочую точку проведем нагрузочную прямую по постоянному току, и из рис.11
находим постоянный ток коллектора:
Далее определим переменный ток коллектора для построения нагрузочной
прямой по переменному току, для этого находим:
. Сопротивление нагрузки по постоянному току:
2. Сопротивление эмиттера:
. Сопротивление коллектора:
4. Эквивалентное сопротивление нагрузки (сопротивление нагрузки по
переменному току):
5.Определяем переменный ток коллектора:
Получаем нагрузочную прямую по переменному току на выходных
характеристиках.
Из рис.11 можно увидеть, что в данной рабочей точке требуемый размах
выходного напряжения обеспечивается.
Усилитель работает в режиме класса «А». В этом режиме рабочая точка не
заходит в не линейный участок. Так как усилитель работает в линейном режиме, то
мы можем описывать педконечный каскад системой Y - параметров.
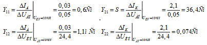
По входным и выходным вольт - амперным характеристикам (рис. 11) находим:
Находим проводимости:
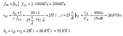
Найдём параметры элементов на основе справочных данных следующим образом:
¨ Определяем постоянную времени транзистора на ВЧ.
¨ объемное
сопротивление базы
,
¨ активное
сопротивление эмиттера
,
¨ Dr =(0,5…1,5) Ом;
Коэффициент усиления каскада:
Расчет искажений на ВЧ.
- для кремниевых транзисторов.
,
где
- постоянная времени транзистора на ВЧ
Определим
верхнюю частоту, которую обеспечивает каскад при заданном уровне частотных
искажений:
Примем
СМ=5пФ - емкость монтажа.
-
требуемый коэффициент усиления, чтобы получить это значение введем
последовательную ООС с частичным шунтированием сопротивления в цепи эмиттера,
это снизит коэффициент усиления до требуемого значения и увеличит верхнюю
граничную частоту. Найдем необходимый фактор ООС:
Найдем
необходимое значение
Емкость
разделительного конденсатора и емкость в цепи эмиттера.
Рассчитаем
значение разделительной емкости
Столь
большое значение шунтирующей емкости в цепи эмиттера обусловлено низкой
граничной частотой и требуемым уровнем искажений на низких частотах.
Расчет
элементов термостабилизации.
-
изменение обратного тока коллектора;
(параметр
для кремниевых транзисторов).
-
внутреннее изменение смещения на эмиттерном переходе; E=1.1 В
(параметр для кремниевых транзисторов), Т - максимальная температура в
Кельвинах;
приращение
коллекторного тока, вызванное температурным изменением
.
Расчет
сопротивления делителя.
Зададим
ток делителя Iдел=(3…5) IБО.
;
Входная
емкость каскада:
Отрицательная
обратная связь уменьшает входную емкость каскада в F-раз и
увеличивает входное сопротивление транзистора в F-раз.
Входное
сопротивление каскада:
Входное
напряжение каскада равно:
Находим
номиналы элементов из ряда номинальных сопротивлений резисторов и ряда
номинальных емкости конденсаторов.
Получаем
схему с такими номиналами:
Рис.12
Принципиальная схема предоконечного каскада.
1.4 Расчет 3-го каскада (КПУ 2)
Схемная реализация каскада предварительного усиления представлена на
Рис.2. Это схема усилителя на биполярном транзисторе включенном по схеме с
общим эмиттером. Питание каскада возьмем порядка 29В, предусматривая наличие в
цепи питания RC цепочки, подробный расчет приведен
ниже в соответствующем разделе.
Исходные данные:UВЫХm.=4.4В, RH=118Ом, СН=30,36нФ, ЕП=29В.
Находим мощность транзистора, который можно использовать в этом каскаде:
Под эти требования подходит транзистор КТ 603А n-p-n типа:
Таблица 4.
|
Тип транзистора
|
Структура
|
Uкбо,В
|
Uкэо, В
|
Iкмакс мА
|
Ркмакс Вт
|
h21э
|
Iкб0 мкА
|
frp, МГц
|
  
|
|
|
|
|
КТ603А
|
п-р-п
|
40
|
40
|
300 (600)
|
2
|
10-80
|
≤15
|
200
|
≤2
|
100 МГц
|
15
|
Рис. 12. Входные и выходные характеристики транзистора КТ 603 А.
Построение рабочей точки.
Зададимся
падением напряжения на эмиттере:n
Напряжение коллектор-эмиттер в рабочей точке:
где
- напряжение начального нелинейного участка выходных
характеристик транзистора. Примем
в рабочей
точке.
Зададимся
током покоя коллектора:
На
входной характеристике КТ 603А находим:
Через
рабочую точку проведем нагрузочную прямую по постоянному току, и из рис.13
находим постоянный ток коллектора:
Далее определим переменный ток коллектора для построения нагрузочной
прямой по переменному току, для этого находим
. Сопротивление нагрузки по постоянному току:
2. Сопротивление эмиттера:
. Сопротивление коллектора:
. Эквивалентное сопротивление нагрузки (сопротивление нагрузки по
переменному току):
Усилитель работает в режиме класса «А». В этом режиме рабочая точка не
заходит в не линейный участок это соответствует: UКЭ0=7В, Iб0=1,5мА, UбЭ=0,9В,Iко=75мА.
Получаем нагрузочную прямую по переменному току на выходных характеристиках.
Из Рис.13 можно увидеть, что в данной рабочей точке требуемый размах
выходного напряжения обеспечивается.
Так как усилитель работает в линейном режиме, то мы можем описывать
оконечный каскад системой Y -
параметров
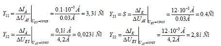
Рассчитаем Y-параметры:
Из справочных данных:
,
где
- постоянная времени транзистора;
Расчет
искажений на ВЧ.
Определим
верхнюю частоту, которую обеспечивает каскад при заданном уровне частотных
искажений:
-
постоянная времени связанная с нагрузкой и коллекторной цепью;
- емкость
коллекторного перехода.
Примем
СМ=5пФ - емкость монтажа.
-
требуемый коэффициент усиления, чтобы получить это значение введем
последовательную ООС с частичным шунтированием сопротивления в цепи эмиттера,
это снизит коэффициент усиления до требуемого значения и увеличит верхнюю
граничную частоту. Найдем необходимый фактор ООС:
Емкость
разделительного конденсатора и емкость в цепи эмиттера.
Рассчитаем
значение разделительной емкости
Столь
большое значение шунтирующей емкости в цепи эмиттера обусловлено низкой
граничной частотой и требуемым уровнем искажений на низких частотах.
Расчет
элементов термостабилизации.
-
изменение тока коллектора в рабочей точке.
Расчет
сопротивления делителя.
Зададим
ток делителя Iдел=(3…5) IБО., Iдел=3 IБО ;
;
Отрицательная
обратная связь уменьшает входную емкость каскада в F-раз и
увеличивает входное сопротивление транзистора в F-раз.
Входное
сопротивление каскада:
Входное
напряжение каскада равно:
Находим
номиналы элементов из ряда номинальных сопротивлений резисторов и ряда
номинальных емкости конденсаторов.
Получаем
схему с такими номиналами:

Рис.13. Принципиальная схема третьего каскада.
1.5 Расчет 2-го каскада.(КПУ 1)
Схемная реализация каскада предварительного усиления представлена на
Рис.2. Это схема усилителя на биполярном транзисторе включенном по схеме с
общим эмиттером. Питание каскада возьмем порядка 29В, предусматривая наличие в
цепи питания RC цепочки, подробный расчет приведен
ниже в соответствующем разделе.
Исходные данные:UВЫХm.=0,79В, RH=190Ом, СН=0,3нФ, ЕП=29В.
Находим мощность транзистора, который можно использовать в этом каскаде.
Под эти требования подходит транзистор КТ 385 А n-p-n типа:
Таблица 5.
|
Тип транзистора
|
Структура
|
Uкбо,В
|
Uкэо, В
|
Iкмакс мА
|
Ркмакс мВт
|
Iкб0 мкА
|
frp, МГц
|
  
|
|
|
|
|
КТ 385А
|
п-р-п
|
60
|
40
|
300
|
300
|
≤10
|
200
|
3,5
|
100 МГц
|
4
|
80 nc
|
Построение рабочей точки.
Зададимся
падением напряжения на эмиттере:
Напряжение
коллектор-эмиттер в рабочей точке:
Рис.14 Входные и выходные характеристики транзистора КТ 385 А.
где
- напряжение начального нелинейного участка выходных
характеристик транзистора. Примем
в рабочей
точке.
Зададимся
током покоя коллектора:
Через
рабочую точку проведем нагрузочную прямую по постоянному току, из рис.15
находим постоянный ток коллектора:
Усилитель работает в режиме класса «А». В этом режиме рабочая точка не
заходит в не линейный участок это соответствует: UКЭ0=7В, Iб0=0,5мА, UбЭ=0,75В, Iко=80мА.
Построим нагрузочную прямую по постоянному току на выходных характеристиках.
Так как усилитель работает в линейном режиме, то мы можем описывать
оконечный каскад системой Y -
параметров.
Расчет параметров транзистора.
Из рис.15 находим:
Рассчитаем Y-параметры:
Из справочных данных:
Коэффициент усиления каскада:
Расчет искажений на ВЧ.
Определим верхнюю частоту, которую обеспечивает каскад при заданном
уровне частотных искажений:
- емкость
коллекторного перехода.
Примем
СМ=5пФ - емкость монтажа.
-
требуемый коэффициент усиления, чтобы получить это значение введем
последовательную ООС с частичным шунтированием сопротивления в цепи эмиттера,
это снизит коэффициент усиления до требуемого значения и увеличит верхнюю
граничную частоту.
Емкость
разделительного конденсатора и емкость в цепи эмиттера.
Рассчитаем
значение разделительной емкости
Рассчитаем
значение емкости в цепи эмиттера:
Столь
большое значение шунтирующей емкости в цепи эмиттера обусловлено низкой граничной
частотой и требуемым уровнем искажений на низких частотах.
Расчет
элементов термостабилизации.
-
изменение обратного тока коллектора;
(параметр
для кремниевых транзисторов).
-
внутреннее изменение смещения на эмиттерном переходе; E=1.1В (параметр
для кремниевых транзисторов), Т - максимальная температура в Кельвинах;
-
приращение коллекторного тока, вызванное температурным изменением
.
Расчет
сопротивления делителя.
Зададим
ток делителя Iдел=(3…5) IБО.
Отрицательная обратная связь уменьшает входную емкость каскада в F-раз и увеличивает входное
сопротивление транзистора в F-раз.
Входное сопротивление каскада:
Примем за сопротивление каскада большее из двух расчетных значений.
Входное напряжение каскада равно:
Получаем схему с такими номиналами:
Рис.15. Принципиальная схема второго каскада.
1.6 Расчет входного каскада
В качестве выходного каскада используется эмиттерный повторитель.
Исходные данные:UВЫХ1.=0,142В, RH=237,75Ом, СН=280пФ, ЕП=30В.
Находим мощность транзистора, который можно использовать в этом каскаде:
Под эти требования подходит транзистор КТ 340 А n-p-n типа:
Таблица 6.
|
Тип транзистора
|
Структура
|
Uкбо,В
|
Uкэо, В
|
Iкмакс мА
|
Ркмакс мВт
|
h21э
|
Iкб0 мкА
|
frp, МГц
|
  
|
|
|
|
|
КТ 340А
|
п-р-п
|
40
|
40
|
50
|
150
|
100-300
|
≤1
|
300
|
3
|
100 МГц
|
3,7
|
60 nc
|
Найдём параметры элементов на основе справочных данных следующим образом:
¨ объемное
сопротивление базы
,
где
- постоянная времени цепи внутренней обратной связи в
транзисторе на ВЧ;

¨ активное
сопротивление эмиттера
,
¨ Dr =(0,5…1,5) Ом;
Рис.16. Входные и выходные характеристики транзистора КТ 340 А.
Построение рабочей точки.
Так как каскад работает как усилитель класса А, то рабочую точку выбираем
в середине линейного участка - это соответствует UКЭ0=15В, Iко=7мА,
Iб0=0,1мА, UбЭ=0,67В. Построим нагрузочную прямую по постоянному току на
выходных характеристиках.
Расчет параметров транзистора.
Рассчитаем Y-параметры:
Расчет элементов термостабилизации:
-
изменение обратного тока коллектора;
(параметр
для кремниевых транзисторов).
-
внутреннее изменение смещения на эмиттерном переходе; E=1.1В (параметр
для кремниевых транзисторов), Т - максимальная температура в Кельвинах;
-
приращение коллекторного тока, вызванное температурным изменением
.
Коэффициент
нестабильности, который должна обеспечивать схема температурной стабилизации:
Рассмотрим область средних частот.
- можно
пренебречь,
- можно пренебречь
коэффициент
усиления на средних частотах без учёта действия ООС. В области средних частот
коэффициент усиления не зависит от частоты.
Где:
- крутизна транзистора,
-
проводимость в цепи эмиттера
-
проводимость нагрузки.
В
области средних частот сопротивление
, то мы
емкостью
можем пренебречь
Проведя анализ, с учётом ООС получим для области СЧ:
-
коэффициент усиления на средних частотах с учётом действия ООС,
Рассмотрим область низких частот.
- можно
пренебречь,
В
области низких частот сказывается
.
Следовательно, ей мы пренебрегать не можем.
Рассмотрим область высоких частот.
- можно
пренебречь,
В
области высоких частот сказывается
.
Следовательно, ей мы пренебречь не можем.
В
области высоких частот в эквивалентной схеме эмиттерного повторителя появляется
колебательный контур обуславливающий частотной зависимостью S.
-
коэффициент усиления в области высоких частот
-
частотно зависимая крутизна
-
коэффициент частотных искажений,
Определим
входное сопротивление каскада с учётом действия ООС.
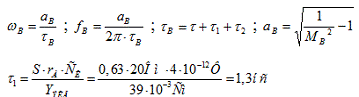
Рассчитаем значение разделительных ёмкостей:
Находим номиналы элементов из ряда номинальных сопротивлений резисторов
и ряда номинальных емкости конденсаторов.
Рис 17. Принципиальная схема первого каскада.
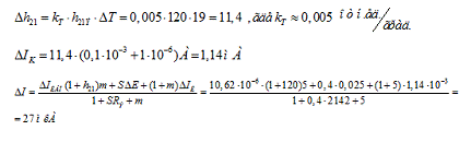
.6 Расчет фильтрующих цепей
В
спроектированном нами УНЧ есть 3 каскада, где мы использовали НЧ коррекцию.
-
осуществляют развязку каскада в диапазоне усиливаемых частот и повышают
устойчивость работы усилителя. Это каскады предварительного усиления (КПУ1,
КПУ2,КПУ3).
Фильтры
в цепи питания были введены между пятым и четвертым, четвёртым и третьим, а
также между третьим и вторым каскадами. Падения напряжения на них,
В,
В,
В.
где
мА - ток коллектора в рабочей точке транзистора
четвёртого каскада.
мА - ток
коллектора в рабочей точке транзистора третьего каскада.
мА - ток
коллектора в рабочей точке транзистора второго каскада.
Емкости
в цепи фильтров на частоте помехи
Гц
(частота питающей сети) и выше будут равны:
По
ряду номиналов возьмем
мкФ.
По
ряду номиналов возьмем
мкФ.
По
ряду номиналов возьмем
мкФ.
1.7 Определение размеров печатной платы
Плату изготовим из стеклотекстолита фольгированного СФ2-35-1.5 методом
химического травления. Данный метод позволяет получить ширину проводника не
менее 0.18 мм. Выполним проводники шириной 0.5 мм, т.к. это позволит облегчить
технологический процесс при изготовлении платы.
Шаг координатной сетки выберем равным 1.25 мм.
Найдём размеры печатной платы XP*YP для размещения k=42 элементов заданной электрической
схемы.
Данные по установочным размерам элементов представлены в табл. 7.
Таблица 7
|
Поз. обозначение
|
Наименование
|
Установочные размеры по
ГОСТ 29137-91, мм
|
|
|
Вариант установки
|
Z0
|
Ni
|
YU
|
XU
|
ZU
|
SE, мм2
|
|
C1,С7,С10, С12,С13,С14
|
K53-30
|
180
|
1
|
6
|
4
|
4
|
12
|
96
|
|
С2-С6, С8, С9, С11
|
K50-35
|
180
|
1
|
8
|
8
|
8
|
13
|
512
|
|
R1-R13, R22,R23
|
С2-23-0,125
|
140
|
1
|
15
|
2
|
10
|
3
|
300
|
|
R14-R21
|
С2-23-0,5
|
140
|
1
|
8
|
2
|
10
|
3
|
160
|
|
VT1
|
КТ340А
|
180
|
1
|
1
|
5
|
5
|
8.3
|
50
|
|
VT2
|
КТ385А
|
180
|
1
|
1
|
5
|
5
|
8.3
|
50
|
|
VT3
|
КТ603А
|
180
|
1
|
1
|
5
|
5
|
8.3
|
50
|
|
VT4,VT5
|
КТ943Д
|
180
|
1
|
2
|
8
|
4
|
8.3
|
64
|
|
XS1
|
СН051-4/ 69-98-14
|
390
|
1
|
1
|
5
|
18
|
6
|
90
|
|
ZUmax=13мм
|
SE=1282мм2
|
Каждый элемент с габаритными размерами XUi*YUi занимает на плате площадь/
Площадь, занимаемая элементами на плате, составит
С учётом зазоров между элементами, общую площадь для элементов
электрической схемы можно представить как площадь функциональной поверхности SF:
SF=SE/CZ,
где CZ-коэффициент заполнения или плотности
упаковки элементов на плате. Выберем коэффициент заполнения равным CZ=0.25. Тогда
Размеры краевых полей X1,X2,Y1,Y2 выбираются
кратными шагу координатной сетки, поэтому выберем значение 2,5 мм. Ширину зоны
присоединения Xпр возьмём тоже 2.5 мм
Принимаем размеры печатной платы XPхYP=90х60мм,
соответствующие линейным размерам печатных плат по ГОСТ 10716-81. (См.
Приложение, таблица 1).
Рассчитаем размеры функционального узла по координате Z.
Рис. 18 Размеры печатного узла по координате Z.
Из рис. 19 определим
где h-толщина материала платы;
ZUmax=13-максимальная из высот монтажа элементов;
Z0-толщина пайки элементов со стороны
печатных проводников.
Таким образом, в ходе расчётов установлены окончательные размеры платы:
90x60x15мм.
2. Микросхемный вариант
Общий коэффициент усиления усилителя на интегральных микросхемах:
Так как сопротивление нагрузки слишком мало, из-за этого мы в оконечном
каскаде используем эмиттерный повторитель.
В качестве микросхем в каскадах будет использоваться, микросхемы типа
К140УД1В.
При выборе микросхемы необходимо учитывать чтобы она обеспечивала запас
по усилению на 20-30%. Микросхема должна также обеспечить необходимый уровень
выходной мощности, номинальное напряжение питания, входное сопротивление.
Данным требованиям удовлетворяет микросхема К140УД1В. Эта микросхема
представляет собой операционный усилитель, для усиления постоянного и
переменного тока. Также микросхема способна заменить предварительный усилитель
и входной каскад (усилитель). Ее параметры:
UИ.П.=±30В - напряжение источника питания.
КU=1350-8000 - коэффициент усиления
напряжения.
RВХ=30кОм - входное сопротивление.
1000 Ом -
входное сопротивление ОУ без ОС
Для
согласования с нагрузкой используем оконечный каскад (эмиттерный повторитель).
Так
как выходное сопротивление каскада на данной микросхеме имеет значение почти на
два порядка выше сопротивления нагрузки(
1000 Ом -
входное сопротивление ОУ без ОС, а RН=35 Ом), а так же принимая во внимание то, что
микросхема на обеспечит требуемого выходного тока, делаем вывод о том что
требуется согласование применяем выходной каскад, рассчитанный в транзисторном
варианте как эмиттерный повторитель.
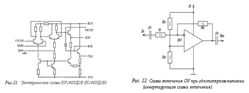
В
усилителе будет использоваться однополярное питание, следовательно, необходимо
специальная схема включения ОУ.
Схема
включения одного ОУ представлена на рисунке ниже.
2.2 Расчет выходного каскада
В качестве выходного каскада используется эмиттерный повторитель. В
качестве активного элемента используется биполярный транзистор КТ943Д n-p-n типа (Рис.21).
Рис.21. Входные и выходные характеристики транзистора КТ943Д.
Таблица 8. Справочные данные транзистора
|
Тип транзистора
|
Структура
|
Uкб,В
|
Uкэ, В
|
Iкмакс мА
|
Ркмакс Вт
|
Iкб0 мА
|
frp, МГц
|
Кш дБ
|
 
|
|
|
|
КТ943Д
|
п-р-п
|
60
|
60
|
3000
|
25 (60)
|
≤1
|
10
|
≤2
|
100-45...+8530
|
|
|
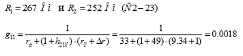
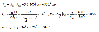
С
помощью формулы
находим постоянную времени транзистора.
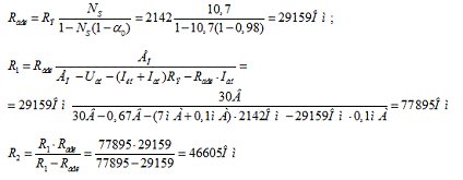
Найдём параметры элементов на основе справочных данных следующим образом:
¨ объемное сопротивление базы
,
где
- постоянная времени цепи внутренней обратной связи в
транзисторе на ВЧ;
¨ активное
сопротивление эмиттера
,
¨ Dr =(0,5…1,5) Ом;
Построение рабочей точки.
Далее определим переменный ток коллектора. Для построения нагрузочной
прямой по переменному току находим:
. Сопротивление эмиттера:
, выберем RЭ=27 Ом (С2-23)
. Сопротивление нагрузки по переменному току:
3. Определяем переменный ток коллектора:
Получаем нагрузочную прямую по переменному току на выходных
характеристиках.
Из рис. 23 можно увидеть, что в данной рабочей точке требуемый размах
выходного напряжения обеспечивается
Так как усилитель работает в линейном режиме, то мы можем описывать
оконечный каскад системой Y -
параметров.
где:
- входная проводимость
-
проводимость обратной связи с выхода на вход
- прямая
проводимость с выхода на вход (крутизна)
-
выходная проводимость
Находим
проводимости:
Где
- монтажная емкость,
-
входная проводимость следующего каскада
-
входная емкость следующего каскада
Рис.
22. Эквивалентная схема эмиттерного повторителя.
Рассмотрим
область средних частот.
- можно
пренебречь,
- можно пренебречь
Рис.
23. Эквивалентная схема эмиттерного повторителя в области средних частот.
коэффициент усиления на средних частотах без учёта действия ООС. В
области средних частот коэффициент усиления не зависит от частоты.
где:
- крутизна транзистора,
-
проводимость в цепи эмиттера
-
проводимость нагрузки. В области средних частот сопротивление
, то мы емкостью
можем
пренебречь
Проведя анализ, с учётом ООС получим для области СЧ:
-
коэффициент усиления на средних частотах с учётом действия ООС,
Рассмотрим область низких частот.
- можно
пренебречь,
В
области низких частот сказывается
.
Следовательно, ей мы пренебрегать не можем.
Рис.24
Эквивалентная схема эмиттерного повторителя в области низких частот.
-
коэффициент усиления в области НЧ.
-
коэффициент частотных искажений.
Рассмотрим
область высоких частот.
- можно
пренебречь,
В
области высоких частот сказывается
.
Следовательно, ей мы пренебречь не можем.
Рис.
25. Эквивалентная схема эмиттерного повторителя в области высоких частот.
В
области высоких частот в эквивалентной схеме эмиттерного повторителя появляется
колебательный контур обуславливающий частотной зависимостью S1.
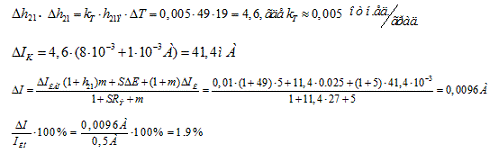
Расчет элементов термостабилизации:
-
изменение обратного тока коллектора;
(параметр
для кремниевых транзисторов).
внутреннее
изменение смещения на эмиттерном переходе; E=1.1В (параметр
для кремниевых транзисторов), Т - максимальная температура в Кельвинах;
-
приращение коллекторного тока, вызванное температурным изменением
.
Находим
номиналы элементов из ряда номинальных сопротивлений резисторов и ряда
номинальных емкости конденсаторов.
Рис.26.
Принципиальная схема выходного каскада с номиналами элементов.
2.2 Расчет входного каскада
Найдём Rос и R1. Rос и R1 можно менять, чтобы менялось усиление. Найдём Rос и R1 по формуле:
.
Зададим Rос и R1 сами,
чтобы обеспечить максимальный коэффициент усиления КU = 155,6, т.е.
, тогда
, т.е. Rос=156,6
R1.
Зададим R1=300 Ом,
тогда Rос=156,6·300=46980Ом.
Номинальное
значение Rос=47кОм.
Примем
сопротивления резисторов плеч делителя равными
кОм.
Для
регулировки коэффициента усиления используем построечный резистор в цепи
обратной связи, включенный последовательно с постоянным резистором.
Входное
сопротивление каскада при инвертирующем включении равно:
300Ом.
Произведем расчет разделительных конденсаторов:
мкФ (см.
п.2.2.).
где RЭП=130,4 Ом - входное сопротивление
выходного каскада(ЭП).
RГ =25 кОм
В результате расчётов получаем схему УНЧ на ОУ с такими номиналами
(Приложение рис.2). Теперь можно приступить к определению размеров печатной
платы.
3. Выбор оптимального варианта
Площадь печатной платы транзисторного варианта усилителя больше варианта
на ИМС, число элементов приблизительно в три раза больше у варианта печатной
платы на транзисторах.
Следовательно, вариант усилителя на ИМС предпочтительнее ввиду его
простоты при одинаковых параметрах усилителей.
Начертим плату в сборе усилителя низкой частоты на интегральных
микросхемах
Заключение
В результате расчетов были получены два варианта реализации схемы
усилителя систем автоматики с заданным коэффициентом усиления К0=140
(так же, обеспечен запас по усилению в обоих вариантах). Транзисторная схема
состоит из пяти каскадов, причем коэффициент усиления каждого не превышает 15,
что, вполне соответствует предварительному расчету усилителя, при этом выходным
является эмиттерный повторитель. При меньшем числе каскадов усиление некоторых
из них придется делать значительно большим, что может повлиять на устойчивость,
она может резко упасть и привести к самовозбуждению.
В результате сравнения габаритов печатных плат, мы выяснили, что
оптимальным вариантом является усилитель с применением ИМС. Такой вывод
напрашивается вследствие простой, а главное дешевой реализации, и затрат
минимума времени на расчёт и физическое изготовление.
усилительный транзистор сопротивление
Литература
1.
Проектирование
усилительных устройств на транзисторах: Учебное пособие для вузов/ Г.В.
Войшвилло, В.И. Караванов и др. Под ред. Г.В. Вайшвилло. - М.: Связь, 1972. -
184с.
2.
Мамонкин И.Г.
Усилительные устройства. - 2-е изд.перераб. и доп. - М.: Связь, 1977. - 360с
3.
Проектирование
усилительных устройств. Под редакцией Н.В. Терпугова. - М.: Высшая школа, 1982.
4.
Микросхемы для
бытовой радиоаппаратуры. Справочник. - М.: Радио и связь, 1989.
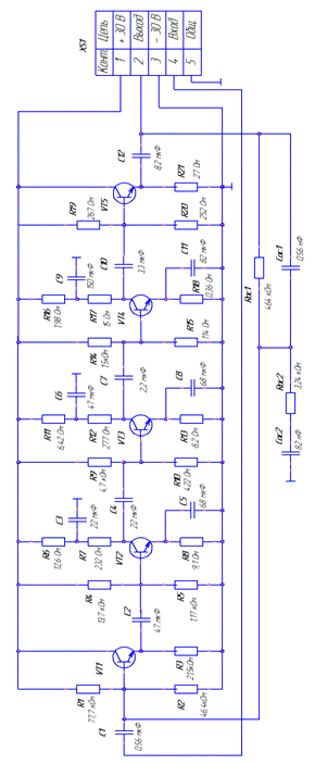
Приложение
Рис. 1. СЭП 5 каскадного УНЧ на транзисторах
Рис. 2. СЭП УНЧ на ОУ