Методы контроля толщины многослойных покрытий на основе тугоплавких оксидов

  • Вид работы:
    Дипломная (ВКР)
  • Предмет:
    Физика
  • Язык:
    Русский
    ,
    Формат файла:
    MS Word
    1010,46 Кб
  • Опубликовано:
    2014-11-10
Вы можете узнать стоимость помощи в написании студенческой работы.
Помощь в написании работы, которую точно примут!

Методы контроля толщины многослойных покрытий на основе тугоплавких оксидов

МИНИСТЕРСТВО ОБРАЗОВАНИЯ РЕСПУБЛИКИ БЕЛАРУСЬ

Учреждение образования

"Гомельский государственный университет

имени Франциска Скорины"

Физический факультет

Кафедра оптики





Дипломная работа

Методы контроля толщины многослойных покрытий на основе тугоплавких оксидов


Исполнитель

студентка группы Ф-53

Я.А. Миненок

Научный руководитель

к.т.н., доцент Н.Н. Федосенко




Гомель 2014

Содержание

Введение

. Современные методы контроля толщины в процессе формирования покрытий оптического назначения

.1 Состояние и перспективы методов контроля оптической толщины покрытий различного функционального назначения

.2 Фотометрические методы определения оптической толщины тонких покрытий

.3 Системы контроля оптических характеристик на основе современной компьютерной диагностики

. Контроль толщины оптических покрытий на основе тугоплавких оксидов формируемых методом электронно-лучевого синтеза

.1 Фотометрическая система контроля СФКТ-751В

.2 Встраиваемая система контроля оптических характеристик Iris-0211

.3 Синтез однослойных и многослойных покрытий и контроль их оптической толщины

. Исследование спектральных характеристик многослойных покрытий на основе тугоплавких оксидов и определение их оптических параметров

.1 Определение фотометрических параметров однослойных и многослойных покрытий на основе тугоплавких оксидов

.2 Контроль оптических характеристик с помощью спектрального эллипсометра ESM 512

3.3 Программа расчёта интерференционных покрытий

Заключение

Список используемых источников

Приложение

оптический тугоплавкий интерференционный покрытие

Введение

Оптика тонких слоёв - новая часть прикладной оптики, получившая быстрое развитие с середины 20 века. Стимулом к этому послужило успешное практическое использование явлений интерференции и поляризации света в тонких прозрачных слоях, что коренным образом изменяет оптические и другие свойства поверхности стекла или иной оптической среды.

Оптические покрытия представляют собой тонкие слои диэлектриков, металлов или полупроводников, образуемые тем или иным способом на поверхностях массивных деталей или специально приготовленных подложек. Тонкослойные покрытия широко применяются в оптике, микроэлектронике, оптоэлектронике и других областях науки и техники [1].

Применительно к оптическим задачам следует отметить важную роль тонкослойных покрытий для увеличения коэффициента пропускания оптических систем и тем самым повышения их светосилы. Даже однослойное диэлектрическое покрытие позволяет существенно влиять на преломленную и отраженную составляющие световой волны на границе раздела двух сред. С помощью двух, трех и более определенным образом подобранных слоев представляется возможным уменьшить коэффициент отражения на преломляющих оптических поверхностях в широкой области спектра (ахроматическое просветление) и одновременно обеспечить защитные свойства поверхностей на гигроскопических и полимерных материалах. При этом перспективны неоднородные по толщине покрытия с непрерывно меняющимся показателем преломления.

Поразительные результаты увеличения коэффициента отражения дают тонкослойные покрытия из чередующихся слоев с высоким и низким показателями преломления (диэлектрические зеркала) , без которых трудно представить современные достижения в лазерной технике. Нанесение диэлектрических слоев на обычные металлические зеркала существенно повышает их коэффициент отражения (на 6 ÷ 8 %), при этом слои одновременно выполняют важную защитную роль, значительно продлевая долговечность изделий. С помощью тонкослойных покрытий удается получить и обратный эффект - практически полностью погасить свет на блендах оптических приборов.

Использование оптических покрытий позволяет заданным образом изменять спектральный коэффициент пропускания (отражения): выделять узкие участки спектра с полушириной полосы пропускания до 1 нм и меньше (узкополосные интерференционные фильтры) или сравнительно широкие участки спектра (широкополосные фильтры), а также резко отделять один спектральный диапазон от другого (отрезающие фильтры).

При наклоне узкополосного интерференционного фильтра, расположенного в параллельном пучке лучей, происходит смещение максимума полосы пропускания в сторону коротких длин волн. Это свойство в системе двух интерференционных фильтров позволяет ограничить полевой угол и устранить, например, засветку приемников излучения для углов падения, превосходящих заданные значения. Если в одном из фильтров используется разделительный слой с аномальной дисперсией, то такая система обладает релейным эффектом: для некоторого угла наклона она автоматически перекрывает прохождение светового пучка.

Высокая прозрачность слоев диэлектрических зеркал и разделительного слоя в интерференционных фильтрах является непременным условием получения высокого коэффициента пропускания. Небольшое уменьшение прозрачности слоев приводит к резкому уменьшению коэффициента пропускания фильтра. При изготовлении зеркал и разделительного слоя из фотохромных материалов достигается эквивалентный результат по модуляции при значительном снижении мощности управляющих световых потоков.

Большая роль отводится тонкослойным покрытиям в интегральной оптике [2]. Эта новая область базируется на явлениях распространения световых волн по слоям высокопрозрачных материалов. Тонкослойные элементы позволяют передавать, модулировать, отклонять и селектировать световые волны, а также осуществлять их генерацию путем использования лазерного эффекта. Благодаря компактности, надежности и высокой помехоустойчивости интегрально-оптические устройства перспективны для использования в системах связи и быстродействующих функциональных устройствах обработки информации. К качеству слоёв для интегральной оптики предъявляются особенно повышенные требования в отношении однородности, прозрачности и отсутствия рассеяния света.

Тонкослойные покрытия привели к созданию новой важной области техники - микроэлектроники. В производстве интегральных схем отдельные слои находят применение для получения активных областей, контактных площадок и т.д. В производстве гибридных интегральных схем многослойные структуры используются для создания пассивных элементов на подложках из стекла или стеклокерамического материала. Таким способом получаются резисторы, конденсаторы, контактные площадки, межсхемные и внутрисхемные соединения.

При помощи таких покрытий можно существенным образом изменить механические, оптические, электрические, магнитные, тепловые и химические свойства исходного материала, получая изделия с требуемыми свойствами.

Проблема нанесения тонкоплёночных покрытий является едва ли не самой обширной среди современных актуальных направлений технологии и материаловедения. Высокие темпы развития наукоемких отраслей промышленности требуют непрерывного повышения качества, и эксплуатационных свойств покрытий. Реализация этих требований напрямую зависит от достижений в конструировании оборудования и совершенствования технологий получения тонких плёнок.

 

1. Современные методы контроля толщины в процессе формирования покрытий оптического назначения

.1 Методы контроля оптической толщины покрытий различного функционального назначения

В настоящее время для контроля толщины оптических покрытий в процессе их осаждения в вакууме используются различные методы. Наиболее широко применяются два метода контроля - радиочастотный (по изменению массы) и фотометрический (по изменению коэффициента пропускания или отражения).

Рентгенографические методы контроля толщины слоя. Насколько известно, наиболее точные измерения толщины для тонких металлических плёнок можно, провести, используя рентгеновские лучи. Наиболее ранним методом измерения толщины был метод поглощения, который основан на измерении ослабления в плёнке соответствующего пучка рентгеновских лучей, дифрагированных кристаллической подложкой. Имеются серьезные ограничения этого метода, так как на измерение интенсивности оказывают влияние характеристики плёнки, такие как: размер кристаллитов, напряжения и предпочтительная ориентация. Он может быть применен тогда, когда подложка содержит значительное количество элементов присутствующих в плёнке. Видоизмененный метод поглощения заключается в измерении ослабления в плёнке характеристического излучения материала подложки. Ослабление для данной длины волны является экспоненциальной функцией толщины плёнки и зависит от коэффициента объемного поглощения материала плёнки. Он не подвержен влиянию не основных примесей. Интервал измеряемых толщин зависит от энергии излучения подложки и коэффициента поглощения плёнки. Обычно он используется для толстых однокомпонентных плёнок (от 100 нм до 1000 мкм) с точностью ± 5%. Этот метод не обладает избирательностью в том смысле, что может быть измерена любая плёнка, если ее подложка имеет характеристическое излучение, измеряемое после ослабления плёнкой. В случае поликристаллических плёнок можно использовать интерференционные полосы, получаемые при отражении рентгеновских лучей при почти скользящем падении. Этот метод можно использовать только в случае относительно тонких плёнок (d < 60 нм), но зато он дает точность до 1% и нечувствителен к кристаллической структуре плёнок, но зависит от качества поверхности и от изменения толщины плёнки вдоль ее длины. Другой метод основан на дифракции рентгеновских лучей. Если металлическая плёнка является кристаллической и хорошо ориентирована, то вокруг дифракционного пятна, соответствующего плоскостям, параллельным подложке, появляется система полос с очень малой интенсивностью, меняющейся как (sinx/x) [3]. Этот метод очень чувствителен к ориентации и размеру кристаллитов и к вариациям толщины, поэтому им можно пользоваться только в случае высококачественных плёнок. Если тщательно приготовленная металлическая плёнка представляет собой плоскопараллельную пластинку, то ее толщина может быть определена с точностью до ± 0,1 нм. Метод эмиссии рентгеновских лучей интенсивно используется с момента его первого применения. Материал плёнки возбуждается источником высокой энергии, таким как: рентгеновские лучи, пучок электронов или радиоактивный источник. При этом измеряется интенсивность селективной длины волны характеристического излучения, эмитируемого материалом плёнки. Интенсивность эмитируемого излучения прямо пропорциональна толщине для тонких плёнок и растет экспоненциально для более толстых плёнок, достигая максимальной величины. Метод применяется более широко, чем метод поглощения, так как требует одного условия, чтобы материал подложки не содержал ни одного элемента, имеющегося в плёнке. Могут быть также измерены многокомпонентные плёнки. В общем, значения толщин, подсчитанные из рентгеновских данных, используются для целей анализа состава плёнок. Метод ограниченно селективен, так как элементы легче, чем Z = 11 (Na) не могут быть легко определены. Элементы от Z = 11 до 22 (от Na до Ti) требуют использования вакуумных или гелиевых спектрометров. Метод применим для плёнок толщиной от 2 до 1000 нм с площадью от 0,2 до 5 см2. При этом может быть достигнута точность ± 2%. Рентгенографический метод требует использования приборов, дорогостоящих, но лёгких в управлении. Кроме того, необходимо иметь эталоны, которые должны быть прокалиброваны другими методами измерения толщины. Полученные данные являются усреднёнными по измеряемой площади. Если эталоны для применяемого типа материала плёнки имеются, то измерения проводятся достаточно быстро. Этот метод является одним из лучших неразрушающих методов для непрозрачных плёнок. Толщина плёнки может быть также измерена посредством оценки отраженных от плёнки β-частиц, эмитируемых радиоактивным источником. Интенсивность отраженных частиц зависит от толщины плёнки и увеличивается с атомным номером материала плёнки, который должен быть отличен от атомного номера материала подложки. Метод этот не дорогостоящий, очень простой, быстрый и неразрушающий. Он применим как для непрозрачных плёнок, так и для прозрачных плёнок. При соответствующем выборе источника может быть получена точность измерения толщины ± 5% для плёнок от 100 нм до 50 мкм с площадью ≈ 1 см2. Этот метод наиболее пригоден для осуществления контроля, при котором систематически измеряются определенный состав "плёнка - подложка" и требуются меньшие точности, чем в лабораторных исследованиях.

Радиочастотный метод контроля толщины слоя. Радиочастотный метод основан на измерении изменения частоты колебаний кварцевого кристалла при осаждении на нем плёнки напыляемого вещества. [4] Как известно, изменение частоты колебаний кварцевого кристалла пропорционально изменению его массы. Следовательно, если известна масса осаждаемой плёнки, ее плотность и площадь на которую она осаждается, тогда её толщина легко определяется. Однако допущение, что плотность плёнки постоянна по мере ее роста справедливо для металлических плёнок, имеющих толщину более 20 ÷ 30 нм, а при меньших толщинах плотность плёнки является функцией толщины. Выбор рабочей частоты зависит от диапазона толщин измеряемых плёнок. Если требуется измерять очень тонкие плёнки с высокой чувствительностью, то выбирают высокую рабочую частоту. Если же требуется проводить контроль осаждения в большом диапазоне измеряемых толщин, требующий широкой области линейной зависимости изменения частоты от толщины напыляемой плёнки, то выбирают относительно низкую рабочую частоту. Чувствительность метода в основном определяется стабильностью частоты измерительного кварцевого генератора и эталона частоты. Обычно чувствительность кварцевого резонатора Δm/Δf = 10 г/кГц. Используемые приборы при рабочей частоте 20 МГц дают возможность определить сдвиг частоты на 2 Гц, что позволяет измерять приращение массы 10-10 г/см. Поскольку кристаллы кварца чувствительны к изменениям температуры, а при напылении испарители выделяют значительное количество тепла, то необходимо применение системы охлаждения для датчиков. Диапазон измеряемых толщин для серийных приборов лежит в диапазоне от 10 до 10000 нм с точностью 10%. Так же необходимо учитывать различия коэффициента конденсации плёнкообразующего вещества на образце и кристалле кварца.

Фотометрические методы контроля толщины слоя. Фотометрический метод основан на контроле изменения коэффициента пропускания или отражения на контрольной длине волны или на нескольких длинах волн. Точностные возможности и диапазон контролируемых толщин плёнок зависит не только от точности измерения коэффициентов пропускания и отражения, но и от методологии проведения контроля. В отличие от предыдущего метода данный метод позволяет контролировать и оптические постоянные слоя. В обоих выше изложенных методах контроля толщины слоя на существующем уровне развития техники легко реализуется автоматическое окончание осаждения слоя, что позволяет исключить ошибку оператора. Это особенно важно при изготовлении многослойных покрытий и покрытий, изготавливаемых с высокой скоростью осаждения (единицы секунд), например полупрозрачных слоев металлов. Однако фотометрические методы позволяют не только контролировать толщину слоя, но и отслеживать изменение оптических постоянных слоя в процессе его роста. На практике при контроле оптических постоянных и толщины слоя в процессе осаждения плёнки в вакууме наиболее приемлемыми являются фотометрические измерения, проводимые по нормали к поверхности образца. В настоящее время существуют различные схемы (рисунок 1.1) проведения фотометрических измерений [5, 6]. Наиболее универсальной системой контроля (рисунок 1.2) можно считать схему, позволяющую проводить автоматический контроль осаждения, с использованием двух источников излучения и двух пар фотоприемников, реализующую одновременный контроль коэффициентов пропускания и отражения на двух длинах волн или коэффициентов пропускания, отражения и обратного отражения на одной длине волны [7].

Рисунок 1.1 - Функциональная схема измерения коэффициентов отражения пропускания и обратного отражения в процессе нанесения покрытия

Рисунок 1.2 - Принципиальная схема автоматического контроля осаждения

Тип контроля выбирается согласно установке источников излучения и соответствующих им пар фотоприемников. Схема реализована таким образом, что с каждым источником синхронизирована пара фотоприемников (один для измерения коэффициента отражения, другой коэффициента пропускания). При отработанном технологическом процессе данная схема позволяет заканчивать осаждение слоёв не по контролю экстремума, а по заданному коэффициенту отражения или пропускания, что позволяет изготавливать неравнотолщинные системы без расчёта контрольных длин волн для каждого слоя.

Поскольку во время испарения происходит постоянная фоновая засветка фотоприемников излучением испарителей, то измерения необходимо проводить модулируя излучение источников света. Поскольку необходимо проводить 10 и более измерений в секунду необходима частота модуляции 10 ÷ 30 кГц.

Механическими модуляторами такой частоты не достигнуть, поэтому применима электрическая модуляция источника света. По быстродействию из источников света подходят светодиоды и полупроводниковые лазеры, поскольку лампы накаливания обладают большой инерционностью и при электрической модуляции не достичь полной модуляции светового потока, и для повышения уровня переменной составляющей необходимо повышение мощности, а газоразрядные лампы (неоновые) имеют малую яркость и требуют сложной схемы управления. Из фотоприемников по быстродействию удовлетворяют фотоэлементы вакуумные с коаксиальным выходом предназначенные для регистрации коротких световых импульсов, фотодиоды и фототранзисторы, а также некоторые типы фоторезисторов (например, германиевые и на основе антимонида индия) и фотоэлектронных умножителей.

.2 Фотометрические методы определения оптической толщины тонких покрытий

Вещество в виде тонкой плёнки представляет собой своеобразное состояние материи, по своей структуре и характеристикам часто заметно отличающееся от этого же вещества в массе. Поэтому, если известен показатель преломления, плотность, электропроводность или другие свойства вещества в массе, нельзя без достаточных оснований приписывать их значения тонкой плёнке. Исследования показывают, что характеристики плёнок чрезвычайно чувствительны к условиям, в которых они получены. Этим объясняются значительные расхождения в оптических и других физических постоянных плёнок, приводимых различными исследователями для тех же веществ [1].

Оптические методы определения толщины тонких плёнок или пластин, по-видимому, получили развитие раньше других методов. С тех пор как Ньютон обнаружил, что цвет тонких предметов определяется их толщиной, этот эффект интенсивно используется для определения толщины плёнок [8].

При отсутствии поглощения оптическими характеристиками тонкой плёнки служат показатель преломления и толщина (геометрическая или оптическая). Свойства тонкой плёнки как оптической системы зависят от свойств окружающей среды, от характеристик источника и приемника излучения. Если толщина плёнки соизмерима с длиной волны излучения, то наблюдаемые в ней явления интерференции и поляризации света можно использовать для определения указанных оптических характеристик [1].

Для работы в области тонкоплёночных технологий, необходимо получение плёнок с точно известными значениями толщин. Рассмотрим фотометрический метод определения толщины напыляемых материалов.

Этот метод обычно используется для определения толщины у непоглощяющих покрытий. Он основан на эффекте интерференции волн в плёнках, толщины которых соизмеримы с длиной волны. В случае непоглощяющих плёнок на диэлектрической подложке, интерференция приводит к эффектам окрашивания. Кроме того, важна относительная величина показателей преломления плёнки nр и подложки ns.

Если измеряется отражение света на определенной длине волны λ, то при увеличении толщины плёнки в случае nр > ns отражение сначала увеличивается (достигая максимума при толщине, равной λ/4), затем уменьшается и проходит через минимум при толщине, равной λ/2 и т.д. Максимумы будут наблюдаться при толщине, определяемой равенством:

 (1.1)

где d - геометрическая толщина плёнки; m - целое число.

Минимумы будут наблюдаться при толщине, соответствующей равенству:

. (1.2)

Если измеряется пропускание света на определенной длине волны λ, то при увеличении толщины плёнки в случае nр > ns пропускание сначала уменьшается (достигая минимума при толщине, равной λ/4), затем увеличивается и проходит через максимум при толщине, равной λ/2 и т.д. Минимумы будут наблюдаться при толщине, определяемой равенством:

, (1.3)

Максимумы будут наблюдаться при толщине, соответствующей равенству:

. (1.4)

Последовательность появления максимумов и минимумов меняется на обратное для nр < ns по сравнению со случаем np > ns.

При интерференции мощность излучения (поток энергии) не уничтожается, а только перераспределяется. То, чего недостает в интерференционных минимумах, появляется в виде добавки в интерференционных максимумах.

Принцип действия измерителя заключается в следующем. Свет от лампы накаливания, сформированный в параллельный пучок линзой и поворотным зеркалом через стеклянное окно в вакуумной камере направляется на стекло, на которое напыляется плёнка. Отраженный от нее пучок света несет информацию о показателе преломления вещества плёнки и ее толщине.

Световой пучок, отраженный от стекла с плёнкой, выведенный за пределы вакуумной камеры попадает в монохроматор, где из всего спектра излучения лампы накаливания выделяется требуемая длина волны. Далее пройдя выходную щель монохроматора, свет попадает на фотоэлектронный умножитель (ФЭУ), где преобразуется в электрический сигнал, диапазон изменения которого 1 ÷ 200 мВ [9].

Рассмотрим описание технически простого фотометрического метода определения параметров тонкой плёнки: толщины, показателя преломления и коэффициента экстинкции в зависимости от длины волны.

При прохождении излучения через тонкую плёнку, в ней происходит интерференция, вызванная многократным переотражением от поверхностей плёнки. Интенсивность отраженного излучения определяется разностью фаз волн, отраженных от нижней и верхней границ раздела плёнки и затуханием волны. Разность фаз, в свою очередь, для заданной длины волны, зависит от толщины плёнки и ее показателя преломления. Таким образом, спектр коэффициента отражения содержит в себе информацию об искомых параметрах плёнки, значения которых можно вычислить путем обработки нескольких измерений для разных длин волн.

Будем считать, что подложка имеет достаточную толщину для того, чтобы излучение, отражение от ее нижней грани можно было не учитывать. Запишем амплитудные коэффициенты отражения для границы раздела "воздух - плёнка" для составляющих, поляризованных перпендикулярно и параллельно плоскости падения [10]:

, (1.5)

, (1.6)

где n1 = 1 - показатель преломления воздуха; n2, k2 - показатель преломления и коэффициент экстинкции плёнки; n3 - показатель преломления подложки.

Комплексные значения коэффициентов отражения можно представить в виде:

, (1.7)

. (1.8)

Аналогичные выражения можно записать и для второй границы раздела сред, "плёнка - подложка". Углы θ2 и θ3 могут быть найдены из закона Снеллиуса. Следует учитывать, что cos(θ2) - комплексная величина для сред с k = 0.

Коэффициенты отражения по интенсивности (отражательная способность) от тонкой металлической плёнки на неметаллической подложке для составляющей, поляризованной перпендикулярно плоскости падения, определяется по известной формуле:

, (1.9)

. (1.10)

Для излучения, поляризованного под углом α к плоскости падения, отражательная способность будет определяться выражением:

 (1.11)

Из представленных выше выражений видно, что отражательная способность определяется длиной волны падающего излучения, показателем преломления, коэффициентом экстинкции, толщиной плёнки, поляризацией и углом падения излучения. Считая известными угол падения, поляризацию излучения и длину волны, можно определить остальные параметры, проведя измерения отражательной способности для разных длин волн.

Для достаточно сильно различающихся длин волн следует учитывать дисперсию материала. Значения n2 и k2 можно аппроксимировать полиномами:

, (1.12)

, (1.13)

где A , B , C, D, a, b , с, d - константы, зависящие от материала.

Введем функцию R(1, d, A, B, C, D, a ,b, c, d ). Тогда теоретическое значение отражательной способности можно записать:

, (1.14)

где x - вектор аргументов, состоящий из известных во время измерения величин, p - вектор параметров, состоящий из неизвестных и постоянных от измерения к измерению величин, входящих в функцию [11].

Экспериментальная часть. Работоспособность модели проверялась на примере плёнки из оксида индия - олова. Исходными данными для расчета послужили измерения со спектрофотометра при угле падения излучения θ1 = 6 градусов. Минимизацию функции S(p) было решено производить методом Нелдера-Мида [5].

Для того чтобы уменьшить число неизвестных и не учитывать поляризацию падающего света при нахождении параметров было принято θ1 = 0. В результате работы программы получены следующие зависимости оптических постоянных:

 (1.15)

 (1.16)

Толщина измеряемой плёнки оказалась равной 297 нм, толщина этой плёнки, полученная другим методом составляет 300 нм.

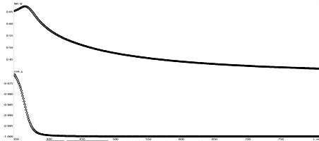
Рисунок 1.3 - Зависимость отражательной способности от длины волны

На рисунке 1.3 сопоставлены график отражательной способности полученный из измерений на спектрофотометре Re и теоретический Rt, полученный подстановкой найденных параметров в математическую модель. Графики имеют схожий вид. Их небольшое различие можно объяснить несколькими причинами. Во-первых, при расчете параметров было принято, что излучение падает перпендикулярно (θ1 = 0), а экспериментальная зависимость получена при θ1 = 6. Во-вторых, зависимость оптических постоянных от показателя преломления может иметь более сложный вид. В этом случае в разложении в ряд можно учитывать более высокие степени.

Изложенный метод позволяет измерять толщину покрытия, выполненного из материала с неизвестными показателем преломления и коэффициентом экстинкции и определять зависимость этих оптических постоянных материала от длины волны при наличии серии измерений ее отражательной способности для разных длин волн. Преимущества описанного метода в том, что не требуется проводить непрерывных спектральных измерений отражательной способности измеряемого покрытия, а достаточно нескольких измерений.

.3 Системы контроля оптических характеристик на основе современной компьютерной диагностики

Развитие нанотехнологий стимулирует развитие методов исследования тонких плёнок и плёночных покрытий. При этом интерес представляют плёнки, толщины которых составляют несколько нанометров (сверхтонкие плёнки). Такие плёнки широко используются в микроэлектронике, нанофотонике, вычислительной технике и промышленности, оптике и оптоэлектронике, космической и бытовой промышленности, в разнообразных технических отраслях. Особое внимание уделяется в силу специфичности их свойств проводящим плёнкам [13].

Хорошо разработанные технологии получения сверхтонких плёнок имеют ряд недостатков: качество полученной плёнки зависит от выбранного метода создания плёнки; недостаточная воспроизводимость результатов во всех существующих технологиях и нестабильность свойств плёнок во времени, что обусловлено особенностями фазовых и структурных состояний вещества в тонких плёнках.

Это выдвигает на первый план задачу мобильного и точного измерения параметров наноразмерных плёнок. При этом методы исследования должны относиться к методам оперативного и неразрушающего контроля, данные которого могут быть получены в цифровом виде для быстрой обработки [14].

Решение этой задачи обеспечивают оптоволоконные спектрометры компании Avantes B.V., оснащённые специализированной системой измерения толщины тонких плёнок AvaSpec Thin Film в диапазоне от 10 нм до 50 мкм.

Принцип измерения толщины тонких плёнок AvaSpec Thin Film базируется на анализе параметров интерференции света, определяемых в процессе измерений фотометрических характеристик анализируемого объекта. Результаты интерференции света при помощи математической функции преобразуется в характеристики толщины плёнки. В случае системы с одиночным плёночным слоем толщина этого слоя может быть вычислена, если известны оптические характеристики материала плёнки и подложки.

Схема экспериментальной установки представлена на рисунке 1.4.

1 - персональный компьютер; 2 - спектрометр; 3 - блок с источниками света; 4 - держатель для установки образца; 5 - оптоволоконная линия связи;

- держатель оптического щупа; 7 - исследуемый образец

Рисунок 1.4 - Схема установки для измерения толщин тонких плёнок

Все составные части установки показаны на приведённых ниже фотографиях:

Рисунок 1.5 - Внешний вид спектрометра 2048

Блок с источниками света (рисунок 1.6) содержит 2 источника с взаимно перекрывающимися непрерывными спектрами излучения:

галогенную лампу, излучающую свет в видимом и инфракрасном диапазонах;

дейтериевую лампу, излучающую свет, в основном, ультрафиолетового и частично в видимом диапазона.

Рисунок 1.6 - Блок с источниками света

Оба источники могут включаться независимо друг от друга или одновременно тумблером (1), расположенным на передней панели блока источников света.

В левом положении тумблера (1) включена дейтериевая лампа (D); в правом положении тумблера включена лампа накаливания (H); в среднем положении тумблера включены обе лампы (DH). В последнем случае спектр снятия интерференционной картины оказывается широким - от коротковолнового ультрафиолетового излучения до длинноволнового инфракрасного излучения. Тумблер (2), также расположенный на передней панели блока, управляет включением или выключением электропитания [15].

На рисунке 1.7 приведена фотография подставки для установки образца, держатель оптического щупа и подведённая оптоволоконная линия связи, а на рисунке 1.8 - фотография типичных образцов для исследования.

Рисунок 1.7 - Держатель оптического щупа с установленным образцом

Рисунок 1.8 - Образцы для исследования

Линия волоконно-оптической связи состоит из двух волноводов. Они объединены в единый кабель, который соединён перед держателем оптического щупа, и расходятся для подсоединения к блоку источников света и спектрометру (рисунок 1.9).

Рисунок 1.9 - Делитель оптоволоконного кабеля

Программное обеспечение AvaSoft-Thinfilm - автономный пакет программ, который поставляется с спектрометрической системой определения толщины плёнок TUAvaThinfilmUT <#"805283.files/image026.gif">

Рисунок 2.1 - Вакуумная установка ВУ-1А с системой контроля СФКТ-751В

Структурная схема установки электронно-лучевого испарения представлена на рисунке 2.2.

Система состоит из осветителя и оптических элементов, обеспечивающих формирование светового пучка: монохроматора, работающего в диапазоне 0,22 ÷ 0.8 мкм, возможностью замены дифракционной решетки для работы в других спектральных диапазонах, а также приемного и регистрирующего блоков.

Контроль толщин выполняется по спектральным коэффициентам пропускания (отражения), центрального (контрольного) или боковых (рабочих) образцов, отстоящих от центра на расстоянии 60 ÷ 150 мм.

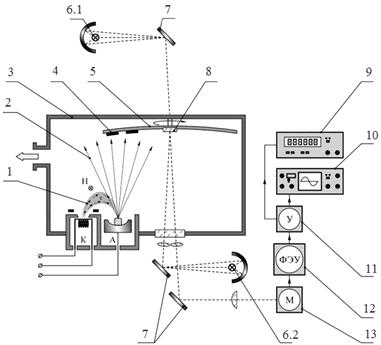
1 - электронный луч; 2 - поток распылённого вещества; 3 - вакуумная камера; 4 - подложки; 5 - вращающаяся оснастка; 6.1 - лампа накаливания "на просвет"; 6.2 - лампа накаливания "на отражение"; 7 - плоские зеркала; 8 - образец-свидетель; 9 - цифровой вольтметр; 10 - осциллограф; 11 - электронный усилитель; 12 - фото-электронный усилитель; 13 - монохроматор; А - анод (тигель с веществом); К - катод

Рисунок 2.2 - Схема установки ВУ-1А с оптической схемой комплекса СФКТ-751В

Нанесение покрытий на подложки 4, закреплённые на вращающемся предметном столе 5, осуществлялось испарением мишеней помещённых в анод электронно-лучевого испарителя в вакууме при остаточном давлении 7·10-3 Па. Распыление мишеней из различных материалов осуществлялось в едином технологическом цикле с помощью отклонения электронного луча 1 исходящего из катода и фокусировки его на другую мишень с помощью магнитного поля. Распылённое вещество испаряясь, попадает также на образец-свидетель 4, который используется для фотометрического контроля толщины наносимых слоёв [18]. Наиболее удобно осуществлять контроль толщины слоя по сигналу фотометрической системы в точках экстремума [19]. Для этого необходимо знать длину излучения λ0, на которой производится фотометрирование, и подсчитать количество экстремумов. В этом случае оптическая толщина слоя вычисляется:

 (2.1)

где m - количество экстремумов.

Скорость напыления можно определять по времени, которое требуется для напыления плёнки с толщиной, соответствующей расстоянию между двумя соседними экстремумами. Так как вблизи точки экстремума при сохранении постоянной скорости осаждения слоя сигнал изменяется незначительно, погрешность измерения толщины слоя может быть весьма велика. Так, например, погрешность при осаждении четвертьволнового слоя селенида цинка на стеклянный образец при ошибке фотометрической системы в 1 % может достигать 17 %. Улучшить точность измерений можно увеличением числа экстремумов при заданной толщине слоя, что достигается уменьшением реперной длины волны λ0 [6, 20].

С учетом значений оптических констант контрольного образца и осаждаемого слоя на длине контроля λ0, для каждого слоя рассчитывается ход изменения интенсивности прошедшего (отраженного) излучения в зависимости от изменения толщины плёнки, осаждаемой на контрольный образец. Далее, в процессе напыления, в реальном времени по предварительно рассчитанному характеру изменения интенсивности прошедшего излучения определяется толщина осаждаемого слоя, даже если его оптическая толщина не равна λ0 /4.

За исключением случая сквозного фотометрирования, при измерении толщины осаждаемой плёнки описанным методом основной тонкостью является тот факт, что определение толщины осуществляется на контрольном образце, в то время, когда необходимо контролировать толщину на подложке. Так как испаритель обладает определенной диаграммой направленности, то толщина осаждаемой плёнки на контрольный образец будет отличной от толщины плёнки, напыляемой на подложку [7, 8].

Оптические свойства плёнок сильно зависят от способа получения, от технологических режимов: температуры подложки, скорости осаждения, остаточного давления в вакуумной камере, используемых при их изготовлении плёнкообразующих материалов, и отличаются от оптических констант исходных веществ. Поэтому для успешного синтеза любого оптического покрытия должны быть с достаточной степенью определены оптические характеристики получаемых на практике тонких плёнок. Под оптическими характеристиками понимаются спектральные зависимости показателя преломления n(λ) и показателя поглощения k(λ).

.2 Встраиваемая система контроля оптических характеристик Iris-0211

В данный момент установка вакуумного напыления ВУ-1А (рисунок 2.3), оснащенная источником электронно-лучевого испарения УЭЛИ-I и системой контроля оптических характеристик, модель Iris-0211 (СОК Iris).

Рисунок 2.3 - Вакуумная установка В-1А со встраивоемой системой контроля Iris-0211

Встраиваемая система контроля оптических характеристик, модель Iris-0211 (далее СОК Iris), предназначена для измерения спектральных характеристик отражения и пропускания плоских оптических деталей и покрытий на них. Программное обеспечение, поставляемое с СОК Iris, позволяет отображать на интерфейсе измеренный спектр и сохраненные спектры отражения и пропускания, а также управлять параметрами измерения.

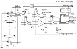
На рисунке 2.4 представлена оптическая схема СОК Iris и состоит система из пяти основных узлов:

блок управления и регистрации;

узел конденсора "на пропускание";

узел конденсора "на отражение" и объектива;

узел источника излучения дейтериевый;

узел источника излучения галогенный.

- электронный луч; 2 - поток распылённого вещества; 3 - вакуумная камера; 4 - подложки; 5 - вращающаяся оснастка; 6 - модулятор; 6.1 - источник излучения галогенный и дейтериевый "на пропускание"; 6.2 - источник излучения галогенный и дейтериевый "на отражение"; 7 - плоские зеркала; 8 - образец-свидетель 9 - компьютер с программой "IrisSoft"; 10 - блок управления и регистрации; 11 - монохроматор М250; А - анод (тигель с веществом); К - катод

Рисунок 2.4 - Схема установки ВУ-1А с оптической схемой СОК Iris

Основные параметры СОК Iris приведены в таблице 2.1.

Таблица 2.1 - Характеристики системы оптического контроля

Параметр

Значение параметра

Спектральный диапазон, нм

190 - 1100

Спектральное разрешение, нм

1,8

Воспроизводимость длины волны, нм

0,4

Точность установки длины волны, нм

0,8

Фотометрические функции

%T, %R

Источник света

Галогенная лампа, дейтериевая лампа

Точность измерения

+/- 0,005 х Т

Воспроизводимость измерения

0,002 х Т

Стабильность базовой линии

0,005 T/ч (30 мин прогрева)

При контроле процесса нанесения покрытия "на пропускание" излучение источника излучения галогенного 6.1 модулируется механическим модулятором 6. Световой поток зеркалами 7 фокусируется на свидетеле 8 и далее, пройдя через него, линзой объектива фокусируется на торце световода. Световод, разделяя излучение на три части, передает его на входы спектрометров, расположенных в БУР 10. При работе в ультрафиолетовой области спектра вместо источника излучения галогенного устанавливается источник излучения дейтериевый. При контроле процесса нанесения покрытия "на отражение" излучение источника излучения галогенного 6.2 модулируется механическим модулятором 6. Световой поток зеркалами 7 фокусируется на свидетеле 8 и далее, отразившись от него, направляется на линзу объектива. Линза объектива фокусирует световой поток на торце световода. Световод, разделяя излучение на три части, передает его на входы спектрометров, расположенных в БУР 10. При работе в ультрафиолетовой области спектра вместо источника излучения галогенного устанавливается источник излучения дейтериевый. Принцип измерения толщины основан на фотоэлектрическом методе регистрации лучистого потока, пропущенного через напыляемый образец или отраженного от него. При этом об оптической толщине напыляемого материала можно судить по изменению коэффициента пропускания или отражения образца. В эксперименте использована схема измерения оптической толщины покрытий при отражении светового потока от образца-свидетеля. В ходе напыления слоёв с помощью программного обеспечения регистрируются спектры отражения и пропускания (в зависимости от выбранного метода контроля) от образца-свидетеля сигнала. Экстремальным значениям коэффициента отражения R соответствует оптическая толщина слоя nd. Программное обеспечение позволяет рассчитывать спектры оптических покрытий, проводя тем самым оптимизацию конструкции многослойного покрытия. Результаты расчета позволяют послойно контролировать процесс напыления оптических покрытий. В программе имеются библиотеки материалов покрытий и материалов подложек.

.3 Синтез однослойных и многослойных покрытий и контроль их оптической толщины

Получение интерференционных многослойных покрытий осуществляется с помощью установки вакуумного напыления ВУ-1А, в штатной комплектации вакуумная установка ВУ-1А оснащена комплексом фотометрического контроля толщины СФКТ-751В.

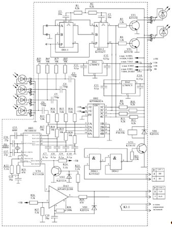
Принцип действия обеих систем основан на фотоэлектрическом методе регистрации лучистого потока, пропущенного через напыляемый образец или отраженного от него. Оптическая схема комплекса для контроля оптической толщины плёнки СФКТ-751В [18] приведена на рисунке 2.5.

1 - лампа накаливания; 2 - сферическое зеркало; 3 - плоское зеркало 4 - входное окно; 5 - "свидетель"; 6 - выходное окно; 7 - линза; 8 - плоское зеркало 9 - защитное стекло; 10 - линза; 11 - отрезающие фильтры; 12 - входная щель монохроматора; 13 - параболическое зеркало; 14 - плоская дифракционная решетка; 15 - плоское зеркало; 16 - выходная щель монохроматора

Рисунок 2.5 - Оптическая схема комплекса для контроля оптической толщины плёнки по измерению ее пропускания (а) и отражения (б)

В схему входят верхний и нижний блоки пропускания, элементы вакуумной установки, монохроматор с приемником излучения. Световой поток от лампы накаливания 1 блока источника излучения падает на сферическое зеркало 2, затем − на плоское зеркало 3, направляющее изображение нити лампы на плоскость напыляемого образца 5 (свидетеля), расположенного внутри вакуумной камеры. Излучение попадает в камеру через входное окно 4, проходит образец и через выходное окно 6 камеры попадает на линзу 7 нижнего блока пропускания. Далее луч направляется плоским зеркалом 8 через защитное стекло 9 на линзу 10, формирующую изображение нити лампы на входной щели 12 монохроматора. Пройдя входную щель монохроматора, излучение попадает на вне осевое параболическое зеркало 13 и отклоняется им на плоскую дифракционную решетку 14. Дифрагированное излучение от решетки попадает снова на зеркало 13 и фокусируется плоским зеркалом 15 на выходную щель 16 монохроматора. После выходной щели излучение попадает непосредственно на катод фотоэлектрического умножителя. Устранение мешающего излучения достигается с помощью отрезающих фильтров 11, которые помещаются перед входной щелью 12.

Для обеспечения высокой энергетической эффективности излучения во всем диапазоне работы комплекса 250 ÷ 1100 нм предусмотрены две сменные дифракционные решетки с 1200 и 600 штрих/мм и максимумами излучения на λ = 300 ÷ 650 нм. Данные о величине обратной линейной дисперсии монохроматора с обеими решетками представлены в таблице 2.2.

Таблица 2.2 - Обратная линейная дисперсия монохроматора СФКТ-751В

λ, нм

Решетка, штрих/мм.

Обратная линейная дисперсия, нм/мм

250 350 450 500

1200

3.0 2.9 2.9 2.9

450 550 650 850 950 1000 1100

600

5.9 5.9 5.9 5.8 5.7 5.7 5.7


Данные о фильтрах, решетках и фотоприемниках монохроматора комплекса СФКТ-751В приведены в таблице 2.3.

Таблица 2.3 - Параметры элементов комплекса СФКТ-751В

λ, нм

Решетка штрих/мм

Отрезающие фильтры

Фотоприемник

250 - 500

1200

УФС1 (250 - 380 нм) БС4 (360 - 500 нм)

ФЭУ-39А ФЭУ-100 (от 350 - 500 нм)

450 - 1100

600

ЖС16 (480 - 920 нм) КС15 (670 - 1200 нм)

ФЭУ-100 (до 800 нм) ФЭУ-62 (600 - 1100 нм)


Входная и выходная щели монохроматора служат для изменения сигнала, в итоге поступающего на фотоприемник. Однако следует помнить, что при увеличении щели увеличивается спектральный интервал, который можно оценить по формуле:

 (2.2)

где S - ширина раскрытия щели; dλ/dl - обратная линейная дисперсия.

Эффективная ширина щели и напряжение питания на фотоприемнике и лампе следует подбирать, учитывая конкретные требования работы.

Очистка в среде аргона осуществлялась при следующих параметрах в течении 15 мин (таблица 2.4):

Таблица 2.4 - Параметры очистки вакуумной камеры низкоэнергетическим ионным источником типа "АИДА"

Состав покрытия

Ускоряющее напряжение, В

Ток катода, А

Ток анода, А

ZrO2

170

17

1,6

Al2O3

70

16

1,9

TiO2

110

17

1,75

ZnS

85

17

1,3

SiO2

60

16

1,3

ZrO2+SiO2

170

17

1,6


Осаждение покрытий осуществлялось методом электронно-лучевого испарения при следующих параметрах (таблица 2.4):

Таблица 2.5 - Параметры осаждения при испарении материалов

Состав покрытия

Ускоряющее напряжение, кВ

Ток накала катода, мА

Ток эмиссии, мА

Давление камеры, Па

ZrO2

6

16

50

  6·10-3

Al2O3

12

11

140


TiO2

6

11

60


ZnS

6

8

10


SiO2

6

11

39



На рисунках 2.5 - 2.10 изображены покрытия на подложках из кремния полученные методом электронно-лучевого испарения.

Рисунок 2.5 - Однослойное покрытие ZrO2

Рисунок 2.6 - Однослойное покрытие ZnS

Рисунок 2.7 - Однослойное покрытие Al2O3

Рисунок 2.8 - Однослойное покрытие TiO2

Рисунок 2.9 - Однослойное покрытие SiO2

Рисунок 2.10 - Пятислойное покрытие ZrO2+SiO2

3. Исследование спектральных характеристик многослойных покрытий на основе тугоплавких оксидов и определение их оптических параметров

.1 Определение фотометрических параметров однослойных и многослойных покрытий на основе тугоплавких оксидов

Интерференция происходит между лучами света, отраженными от верхней и нижней поверхностей плёнки (рисунок 3.1).

Рисунок 3.1 - Интерференция равной толщины

В отраженном свете интерферируют лучи 1¢ и 2¢, в проходящем свете лучи 1² и 2². Для первых двух разность хода возникает при движении фронта волны на пути ABC для луча 1¢ и от точки D до C для луча 2¢.

Оптическая длина пути равна (AB + BC)n, где n - показатель преломления материала плёнки. Разность хода определяется из уравнения:

D=n(AB+BC)-CD=2nh cos r, (3.1)

D=2h(n2-sin2 i)1/2. (3.2)

Из опыта и теории известно, что при отражении света от границы среды с большим показателем преломления в среду с меньшим показателем преломления наблюдается дополнительный сдвиг (скачок) фазы, равный p, чему соответствует изменение разности хода лучей 1¢ и 2¢ на половину длины волны l/2; при этом максимумы будут наблюдаться в том случае, если разность хода будет равна нечетному числу полуволн:

 

D=2nh cos r=(2k+1)l/2. (3.3)

В проходящем свете максимумы будут наблюдаться при разности хода лучей, равной целому числу волн:

D=2nh cos r=kl. (3.4)

В отраженном свете интерференционная картина будет более контрастной, чем в проходящем, так как здесь интерферируют лучи равной интенсивности, а в минимумах - полное гашение света. От нижней поверхности, как и от верхней, отражается одинаковое количество падающего света 4 ÷ 8 %, а проходит около 90 ÷ 85 %. Поэтому в проходящем свете интерференция отраженного и прошедшего лучей различной интенсивности не дает в минимумах полного гашения. Графики полученные в результате экспериментального напыления тонких покрытий на установке ВУ-1А и теоретического расчета программы "MultiSpectrum".

Рисунок 3.3 - Теоретически рассчитанный спектр отражения однослойного покрытия ZrO2 толщиной 3λ/4

Рисунок 3.4 - Теоретически рассчитанный спектр отражения однослойного покрытия Al2O3 толщиной /4

Рисунок 3.5 - Экспериментально полученный спектр отражения однослойного покрытия Al2O3 толщиной /4

Рисунок 3.6 - Теоретически рассчитанный спектр отражения однослойного покрытия TiO2 толщиной /4

Рисунок 3.7 - Экспериментально полученный спектр отражения однослойного покрытия TiO2 толщиной /4

Рисунок 3.8 - Теоретически рассчитанный спектр отражения однослойного покрытия ZnS толщиной /4

Рисунок 3.9 - Экспериментально полученный спектр отражения однослойного покрытия ZnS толщиной /4

Рисунок 3.10 - Экспериментально рассчитанный спектр отражения однослойного покрытия SiO2 толщиной /4

Рисунок 3.11 - Экспериментально полученный спектр отражения однослойного покрытия SiO2 толщиной /4

Рисунок 3.12 - Теоретически рассчитанный спектр отражения пятислойного покрытия ZrO2+SiO2 толщиной λ/4

Рисунок 3.13 - Экспериментально полученный спектр отражения пятислойного покрытия ZrO2+SiO2 толщиной λ/4

3.2 Контроль оптических характеристик с помощью спектрального эллипсометра ESM 512

Для того, чтобы охарактеризовать с оптической точки зрения тонкую изотропную плёнку, необходимо указать значения оптических постоянных n и k, материала а также ее толщину d. Метод эллипсометрии основан на измерении параметров, описывающих состояние поляризации отраженного от исследуемой плёнки света. Поскольку плоскополяризованный свет после отражения оказывается эллиптически-поляризованным, понятно происхождение названия этого метода. С помощью эллипсометра определяются сдвиги фаз при отражении световых волн, поляризованных параллельно плоскости падения dp и перпендикулярно плоскости падения ds, а также относительный азимут эллипса поляризации отраженного света y. Эти экспериментальные параметры связаны оптическими параметрами плёнки:

, (3.5)

 (3.6)

где ,  - комплексные коэффициенты отражения для параллельно и перпендикулярно поляризованного света.

Выражение (3.5) является уравнением для комплексных величин, которое разбивается на два уравнения - для действительной и мнимой составляющих. Т.е., решив уравнение (3.5), можно найти значения двух величин, например n и k, если d определено из независимых измерений. Все три величины n, и k и d могут быть определены по D и y, измеренных при двух различных углах падения. Отличительная черта эллипсометрических методов состоит в том, что измеряемыми величинами являются углы, разности фаз и отношения амплитуд компонент световой волны. Вид эллипсометра ESM 512, на котором проводились измерения оптических параметров представлен на рисунке 3.15.

Рисунок 3.15 - Эллипсометр ESM 512

Спектральный эллипсометр ESM 512 состоит из блока питания, оптико-механической части эллипсометра с встроенным в нее источником света на 8 светодиодах, малогабаритным дифракционным монохроматором, линейкой фотодиодов, и электронной системы управления, сопряжения и регистрации эллипсометрических параметров с комплектом программного обеспечения на языке Visual С. Принцип действия спектрального эллипсометра ESM 512 основан на переключении состояния поляризации, при этом на исследуемый образец попеременно направляется пучок белого света, преобразующийся в последовательность ортогонально поляризованных пучков с азимутами линейной поляризации Р и Р + 90 градусов. Отраженное от образца излучение с каждым состоянием поляризации попеременно разделяется в последовательность ортогонально поляризованных пучков с азимутами линейной поляризации A и A + 90 градусов, попадает на монохроматор, формирующий спектр на линейке 512 фотодиодов, который анализируется электронной системой регистрации эллипсометрических параметров.

Таблица 3.1 - Технические характеристики эллипсометра ESM 512

Спектральный диапазон длин волн

350 - 810 нм

Спектральное разрешение

4 нм

Воспроизводимость и стабильность при измерении

- эллипсометрических параметров Ψ и Δ на просвет не хуже 0,010. - толщины - не хуже 0,1 нм* - показателя преломления - 0,005 *.

450 - 900 с интервалом 50

Диапазон измеряемых толщин

0,1 нм - 5 мкм

Диаметр светового луча

3 мм (200 мкм с микроприставкой)

Типичное время измерения спектра

от 3 сек и более в зависимости от спектрального диапазона и требуемой точности

Дискретность измерений спектра

1 нм


В эллипсометрии измеряется относительный фазовый сдвиг двух ортогонально поляризованных компонент и их относительное изменение при взаимодействии пучка с образцом. Для эллипсометрии с конфигурацией поляризатор- образец- анализатор интенсивность света на фотодетекторе определяется формулой:

 (3.7)

где P и A - азимуты поляризатора и анализатора; I0 - коэффициент, не зависящий от P и A; Ψ и Δ - эллипсометрические углы, определяющие отношение комплексных амплитудных коэффициентов отражения rp и rs для p и s поляризаций:

 (3.8)

В данной модели спектрального эллипсометра используется оригинальный метод поляризационно-оптических измерений с переключением состояния поляризации, в котором на исследуемый образец попеременно направляется излучение с двумя ортогональными состояниями поляризации с азимутами P и P + 90о и анализируются сигналы на фотоприемниках для азимутов анализатора A и A + 90о:

 (3.9)

 (3.10)

 (3.11)

 (3.12)

 

ha - коэффициент, характеризующий отношение чувствительностей двух каналов в анализаторе.

Для каждого из азимутов P и P + 90о измеряется отношение сигналов на фотоприемниках при азимутах анализатора А и А + 90о. По измеренным отношениям  и  определяются эллипсометрические параметры Ψ и Δ из соотношений:

 (3.13)

 (3.14)

здесь , , , , .

Для выбранной модели образца по измеренным величинам Ψ и Δ параметры слоев могут быть рассчитаны из известных эллипсометрических уравнений.

В результате мы получили значения (таблица 3.2) для ZrO2 (рисунки 3.16, 3.17), Al2O3 (рисунки 3.18, 3.19), TiO2 (рисунки 3.20, 3.21), ZnS (рисунки 3.22, 3.23), SiO2 (рисунки 3.24, 3.25), ZrO2+SiO2 (рисунки 3.26, 3.27) на заданной длине волны лазера λ = 480 нм.

Таблица 3.2 - Оптические характеристики покрытий на длине волны 480 нм

Название образца

Коэффициент поглощения

Показатель преломления

ZrO2

0,8

1,1

Al2O3

1,1

1,4

TiO2

0,9

1,5

ZnS

0,2

2,6

SiO2

0,4

2,0

ZrO2+SiO2

0,1

2,8


Рисунок 3.16 - Показатель преломления и коэффициент поглощения для ZrO2

Рисунок 3.17 - Экспериментальные параметры плёнки для ZrO2

Рисунок 3.18 - Показатель преломления и коэффициент поглощения для Al2O3

Рисунок 3.19 - Экспериментальные параметры плёнки для Al2O3

Рисунок 3.20 - Показатель преломления и коэффициент поглощения для TiO2

Рисунок 3.21 - Экспериментальные параметры плёнки для TiO2

Рисунок 3.22 - Показатель преломления и коэффициент поглощения для ZnS

Рисунок 3.23 - Экспериментальные параметры плёнки для ZnS

Рисунок 3.24 - Показатель преломления и коэффициент поглощения для SiO2

Рисунок 3.25 - Экспериментальные параметры плёнки для SiO2

Рисунок 3.26 - Показатель преломления и коэффициент поглощения для пятислойной плёнки ZrO2+SiO2

Рисунок 3.27 - Экспериментальные параметры пятислойной плёнки ZrO2+SiO2

Наибольшим показателем преломления на длине волны 480 нм обладает ZrO2+SiO2 (n = 2,8), и наименьшим ZrO2 (n = 1,1). Наибольшим коэффициентом поглощения на длине волны 480 нм обладает Al2O3 (k = 1,1), и наименьшим ZrO2+SiO2 (k = 0,1).

Проведенные в работе экспериментальные измерения нанесенных электронно-лучевым напылением тонких плёнок показали, что эллипсометрические измерения параметров тонких плёнок являются точным и надежным методом контроля технологического процесса изготовления сложных композиционных покрытий, включая и прецизионные покрытия высокоотражающих лазерных зеркал. Применяя результаты анализа измерений можно оптимизировать процессы их изготовления.

.3 Программа расчёта интерференционных покрытий

На основании теоретических данных [3] разработан алгоритм расчета однослойного покрытия и разработана программа для определения коэффициента пропускания и коэффициента отражения на заданной длине волны (рисунок 3.28).

Рисунок 3.28 - Схема коэффициента пропускания и отражения для ZrO2

Результат расчёта однослойного интерференционного покрытия ZrO2 показан в приложении А. Разработанная программа в среде Microsoft Excel показана на рисунке 3.29.

Рисунок 3.29 - Вид программы в среде Microsoft Excel

Заключение

В данной дипломной работе были рассмотрены современные методы контроля толщины в процессе формирования покрытий оптического назначения. Отмечены перспективы методов контроля оптической толщины покрытий различного функционального назначения. Изучены фотометрические методы определения оптической толщины тонких покрытий. Проведены экспериментальные работы по нанесению оптических покрытий на основе тугоплавких оксидов. Нанесение осуществлялось в лабораторных условиях на установке электронно-лучевого испарения (ВУ-1А). Осуществлен контроль толщины оптических покрытий на основе тугоплавких оксидов с помощью встраиваемой системы контроля оптических характеристик Iris-0211. Исследованы спектральные характеристики многослойных покрытий на основе тугоплавких оксидов и определены их оптические параметры. Экспериментально проведены исследования оптических характеристик с помощью спектрального эллипсометра ESM 512. В результате получены данные: наибольшим показателем преломления на длине волны 480 нм обладает ZrO2+SiO2, и наименьшим ZrO2, а наибольшим коэффициентом поглощения на длине волны 480 нм обладает Al2O3, и наименьшим ZrO2+SiO2. На основании теоретических данных разработан алгоритм расчета однослойного покрытия и разработана программа в среде Microsoft Excel для определения коэффициента пропускания и коэффициента отражения на заданной длине волны.

По результатам дипломной работы имеется акт внедрения лабораторной работы "Методика определения коэффициента отражения и коэффициента пропускания в интерференционных покрытиях" в учебный процесс кафедры оптики физического факультета.

Список использованных источников

1. Крылова, Т. Н. Интерференционные покрытия / Т. Н. Крылова. - Л.: Машиностроение, 1973. - 224 с.

. Демтредер, В. Интегральная оптика / В. Демтредер; пер. с англ.; под ред. Т. Тамира. - М.: Мир, 1978. - 344 с.

. Андреев, С.В. Оптические покрытия: учебное пособие по курсу для студентов. / С.В. Андреев, Л.А. Губанова, Э.С. Путилин. - СПб: ГУИТМО, 2006. - 35 с.

. Данилин, Б.С. Вакуумное нанесение тонких плёнок. / Б.С. Данилин. - М.: Энергия, 1967. - 120 с.

. Баринов, Ю.А. Простое устройство ввода аналогового сигнала в компьютер / Ю.А. Баринов. - М.: Наука, 2003. - 64 с.

. Спектрометрический усилитель. Гибридный микроузел / А.Н. Архипкин, В.Г. Бровченко, А.М. Кириченко, Н.А. Петров, И.Г. Толпекин, В.В. Федоренко. - М.: Наука, 2003. - 84.

. Автоматизация фотометрического контроля толщины осаждаемых слоев / С.В. Андреев, Н.Н. Карасев, Э.С. Путилин, А.О. Шакин, - М.: Электроника, 2003. - 143 с.

8. Майссел, Л.И. Нанесение тонких плёнок катодным распылением / Л.И. Майссел // Физика тонких плёнок / пер. с англ.; под ред. Г. Хасса, Р. Туна. - М.: Мир, 1968. - 58 с.

. Меркулов, С.В. Измеритель оптической толщины / С.В. Меркулов, Е.В. Лебедев, Д.Д. Баинов // Приборы и техника эксперимента. - 2004. - №6, С. 6 - 8.

10. Борн, М. Основы оптики / М. Борн, Э. Вольф, пер. с англ. под ред. Г.П. Мотулевич. - М.: Наука, 1970. - 856 с.

11. Лазерный рефлектометрический метод измерения толщины наноплёнок золота на кварцевой подложке / В.А. Городничев, М.Л. Белов, А.М. Белов, С.В. Березин, Ю.В Федотов. - М.: Наука и образование, 2012. - 101 с.

. Никитин, М.М. Технология и оборудование вакуумного напыления / М.М. Никитин. - М.: Металлургия, 1992. - 161 с.

13. Фурман, Ш.А. Тонкослойные оптические покрытия / Ш.А. Фурман. - Л.: Машиностроение, 1977. - 264 с.

. Мешков, Б.Б. Проектирование интерференционных покрытий / Б.Б. Мешков, П.П. Яковлев. - М.: Машиностроение, 1987. - 185 с.

. Путилин, Э.С. Оптические покрытия / Э.С. Путилин. - СПб: ГУИТМО, 2005. - 230 с.

16. Карпенко, Г.Д. Современные методы генерации осаждаемого вещества при нанесении тонкоплёночных покрытий в вакууме / Г.Д. Карпенко, В.Л. Рубинштейн. - Минск: БелНИИНТИ, 1990. - 36 с.

17. Котликов, Е.Н. Исследование оптических констант плёнок халькогенидов мышьяка в области длин волн 0.5 - 2.5 мкм / Е.Н. Котликов, В.А. Иванов, В.А. Крупенников. - Оптика и спектроскопия, 2007. - 983 с.

18. Черёмухин, Г.С. Расчёт оптических характеристик плёнок / Г.С. Черёмухин. - М.: Наука, 1976. - 13 с.

19. Хасса, Г. Физика тонких плёнок. / Под общ. ред. Г. Хасса и Р.Э. Тауна; пер. с англ. под ред. В.Б. Сандомирского, А.Г. Ждана. - М.: Мир, 1967. - 15с.

. Оптические плёнкообразующие материалы для инфракрасной области спектра / Е.Н. Котликов, Ю.Н. Кузнецов, Н.П. Лавровская, А.Н. Тропин. - Научное приборостроение, 2008. - 32 с.

Приложение

Результаты расчёта однослойного интерференционного покрытия в среде Microsoft Excel

n0 (воздух)

1

Данные вставлены для ZrO2




n1 (пок прелом)

2,05

k1(пок поглощения)

0,00001

nd(опт толщина)

435


ns (подложка)

1,52

k2(пок поглощения)

0

nd(опт толщина)

1000


λ (дл волны,нм)

580



Оптическая толщина






λ/4

145






λ/2

290


1-ый

слой



3λ/4

435


φ

553,5






φ'

0,0027






m11

0,836633921






m12

0,267204438






m21

1,122926606






m22

0,836633921






m11'

0,001478973






m12'

-0,001100602






m21'

0






m22'

0,001478973






V

-0,433376724






Z

-0,717544926






X

2,109990395






Y

1,532804363






R=

0,103312663

Коэффициент отражения




T=

0,89391406

Коэффициент пропускания





Похожие работы на - Методы контроля толщины многослойных покрытий на основе тугоплавких оксидов

 

Не нашли материал для своей работы?
Поможем написать уникальную работу
Без плагиата!
Без нейросетей!