Расчет на прочность крыла и шасси пассажирского самолёта Ту-134
Реферат
Курсовая работа на тему «Расчет на прочность
крыла и шасси пассажирского самолёта Ту-134» содержит:
страниц - 61
рисунков - 28
таблиц - 14
Цель работы - определить границы допустимых
скоростей и перегрузок, определить нагрузки на крыло и стойку шасси самолета,
выполнить проектировочный и проверочный расчеты на прочность крыла и стойки
шасси самолета, рассчитать ресурс элемента стойки шасси.
Вывод: расчеты, приведенные в данной работе,
дают возможность спроектировать сечение крыла и стойку шасси самолета, исходя
из статического действия нагрузок.
Ключевые слова: нормы летной годности (НЛГ),
эксплуатационные и маневренные перегрузки, нормальные и касательные напряжения,
стрингеры, лонжероны, нагрузка, прочность, ресурс, устойчивость
Содержание
Введение
Общие
сведения о самолёте Ту-134
Технические
данные самолёта Ту-134
1. Определение расчётных
скоростей и перегрузок, построение огибаюшей режимов полёта «скорость -
перегрузка»
.1
Выбор максимальной и минимальной маневренных перегрузок
.2
Определение расчетных скоростей полета
.2.1
Выбор максимальной и минимальной маневренных перегрузок
.2.2
Определение расчётных скоростей полёта
.2.3
Расчёт перегрузок при полёте в неспокойном воздухе
.2.4
Определение максимальной и минимальной эксплуатационных перегрузок
2. Определение нагрузок на крыло
самотёта
.1
Спрямление крыла
2.2
Определение равнодействующих воздушных и массовых нагрузок
.3
Определение распределения воздушной нагрузки по размаху
крыла
2.4
Определение распределения массовой нагрузки по размаху
крыла
.5
Расчет поперечных сил, изгибающих и приведенных моментов
.6
Проверка правильности построения эпюр нагрузок
.
Проектировочный расчёт сечения крыла
.1
Определение толщины обшивки и шага стрингеров в растянутой и сжатой панелях
крыла
.2
Расчёт площадей стрингеров в растянутой и сжатой панелях крыла. Подбор
стрингеров по сортаменту авиационных профилей
.3
Определение площадей лонжеронов в растянутой и сжатой панелях крыла
.4
Определение толщин стенок лонжеронов
.5
Расчёт расстояния между рядовыми нервюрами
.
Проверочный расчёт крыла самолёта на прочность
.1
Расчёт сечения крыла на эксплуатационные и расчётные нагрузки по методу
редуционных коэффициентов
.1.1
Расчёт нормальных напряжений (ручной счёт)
.1.2
Определение нормальных напряжений на ЭВМ
.
Расчёт стойки шасси на прочность и ресурс
.1
Рзработка кинематической схемы стойки шасси. Выбор и обоснование КСС стойки
шасси
.1.1
Описание стойки шасси
.1.2
Исходные данные
.1.3
Подбор колёс
.1.4
Определение основных параметров амортизатора
.2
Определение нагрузок на стойку шасси при посадке самолета
.3
Определение толщины стенок штока и цилиндра
.4
Расчёт конструктивных элементов шасси на прочность
.4.1
Проверочный расчёт штока
.4.2
Проверочный расчёт цилиндра
.5
Расчёт ресурса стойки шасси
.5.1
Расчёт размеров оси колеса
.5.2
Расчёт коэффициента концентрации напряжений
.5.3
Расчёт минимального гарантийного ресурса оси колеса
Заключение
о прочности крыла и шасси самолёта
Список
использованной литературы
скорость самолет шасси крыло
Введение
Самолёту, как летательному аппарату, предъявляют
сложные и противоречивые требования: аэродинамические (сводятся к выбору
внешних форм), прочностные (способность воспринимать нагрузки, действующие в
эксплуатации, без разрушений), надёжности (способность выполнять заданные
функции в течение установленного срока), эксплуатационные, ремонтопригодности,
технологичности и т. д. при условии минимума веса конструкции.
Проверка прочности означает проверку целостности
конструкции при заданных внешних нагрузках. Поэтому прочностные требования
входят в группу важнейших.
Расчёт на прочность занимается методами
определения и нормирования нагрузок на самолёт и его агрегаты, выявление
силовой схемы конструкции, изучение методов расчёта конкретных силовых схем.
Общие сведения о самолёте
Ту-134 - советский пассажирский самолет для
авиалиний малой и средней протяженности, разработанный в начале 1960 годов в
ОКБ им. Туполева и выпускавшийся серийно с 1965 по 1984 год на Харьковском
авиационном производственном объединении (рисунок 1). Ту 134 является одним из
самых массовых пассажирских самолетов, собиравшихся в Советском Союзе. Всего
было построено 852 самолета всех модификаций. Первый полет был выполнен 29 июля
1963, в эксплуатации лайнер находится с сентября 1967 года.
Рисунок 1 - Пассажирский самолёт Ту-134
Ту-134 выполнен по схеме
цельнометаллического свободного низкоплана
<#"805281.files/image002.gif">
Рисунок 2 - Общий вид самолёта Ту-134
Раздел 1. Границы допустимых скоростей и
перегрузок
1.1 Обоснование выбора норм летной
годности самолета
НЛГC
- это свод обязательных положений, требований к летной годности гражданских
самолетов, их двигателей и оборудования, направленные на обеспечение
безопасности полета. В НЛГC
регламентированы величины нагрузок на летательный аппарат, агрегаты и элементы
при проектировании и испытаниях на прочность; сформулированы полетные условия,
для которых прочность конструкции должна быть обеспечена.
Ближнемагистральный пассажирский самолет Ту-134
относится к транспортной категории самолетов, поэтому расчеты, связанные с
проектированием и сертификацией самолета проведены в соответствии с
требованиями FAR-25 или аналогов JAR-25(Европа), АП-25(СНГ).
1.2 Расчёт огибающей предельных
полётных условий V-n
Все многообразие нагрузок, действующих на
самолет в эксплуатации, в НЛГC сведено к ограниченному числу расчетных случаев,
которые определяют прочность конструкции. В соответствии с требованиями
прочности должно быть доказано, что любые комбинации скорости полета V и
перегрузки ny находятся на границе и внутри огибающей полетных условий V-ny,
обусловленные маневрированием или порывами ветра.
Прочность должна быть обеспечена как внутри, так
и на границах огибающей предельных режимов полета.
1.2.1 Выбор максимальной и
минимальной маневренных перегрузок
Максимальные маневренные эксплуатационные
перегрузки согласно АП-25 для самолетов транспортной категории должны быть в
пределах:
,
где
- максимальный взлётный вес
самолёта, кг.
Тогда,
, принято
= 2.5.
Минимальная маневренная
эксплуатационная перегрузка на должна быть не меньше, чем -1. Принято
.
1.2.2 Определение расчётных
скоростей полёта
Принятые расчетные скорости полета
являются индикаторными скоростями (EAS). В НЛГC для каждой
категории самолетов регламентированы различные расчетные скорости полетов.
Расчетная скорость - это минимальная
скорость полета, которая должна приниматься для расчета нагрузок на самолет в
соответствующем расчетном случае.
Для расчёта выбран симметричный
профиль крыла NACA-0012 (рисунок 3), характеристики которого представлены в
таблице 1.
Рисунок 1.1
- Аэродинамический профиль NACA-0012
Таблица 1.1
|
Геометрические
характеристики (в % от хорды)
|
Аэродинамические
характеристики (в % от хорды)
|
|
x
|
ув
|
ун
|
α0
|
Сy
|
Сх
|
|
0
|
0
|
0
|
-4
|
-0.30
|
0.015
|
|
2.5
|
2.62
|
-2.62
|
-2
|
-0.15
|
0.009
|
|
5
|
3.56
|
-3.56
|
0
|
0.0
|
0.007
|
|
7.5
|
4.20
|
-4.20
|
2
|
0.15
|
0.009
|
|
10
|
4.68
|
-4.68
|
4
|
0.30
|
0.015
|
|
15
|
5.34
|
-5.34
|
6
|
0.445
|
0.020
|
|
20
|
5.74
|
-5.74
|
8
|
0.60
|
0.033
|
|
25
|
5.94
|
-5.94
|
10
|
0.745
|
0.041
|
|
30
|
6.00
|
-6.00
|
12
|
0.90
|
0.059
|
|
40
|
5.80
|
-5.80
|
14
|
1.045
|
0.075
|
|
50
|
5.29
|
-5.29
|
16
|
1.20
|
0.096
|
|
60
|
4.56
|
-4.56
|
18
|
1.32
|
0.119
|
|
70
|
3.66
|
-3.66
|
20
|
1.46
|
0.142
|
|
80
|
2.62
|
-2.62
|
22
|
1.55
|
0.173
|
|
90
|
1.45
|
-1.45
|
22
|
1.20
|
0.262
|
|
95
|
0.725
|
-0.725
|
|
|
|
|
100
|
0.00
|
0.00
|
24
|
1.09
|
0.322
|
По приведенным данным построена зависимость Су(α)
(рисунок
1.2).
Рисунок 1.2
- Зависимость Су(α)
Максимальное значение коэффициента подъемной
силы профиля достигается при угле атаки α = 22º и
равно Су maxпроф
=
1.55. Тогда максимальное допускаемое значение коэффициента подъемной силы:
.
Определена производная подъемной
силы профиля по графику зависимости Су(α):
.
Определены расчетные скорости
полёта. В АП-23 для каждой категории самолётов регламентированы различные
расчётные скорости полёта. Расчётная скорость полёта - это минимальная скорость
полёта, которая должна быть принята для расчёта нагрузок на самолёт в
соответствующем расчётном случае.
· Расчётная скорость сваливания -
минимальная скорость, при которой подъёмная сила самолёта равна его весу
(вычисляют при убранных закрылках, максимальном коэффициенте подъёмной силы и
расчётном весе самолёта):
;
· Расчётная скорость маневрирования (полёт
с максимальной эксплуатационной перегрузкой при максимальном коэффициенте
подъёмной силы):

;
· Расчётная крейсерская скорость
(полёт при максимально продолжительной тяге двигателя):

;
· Расчётная скорость пикирования:

;
· Расчётная скорость при максимальной
интенсивности порывов.
Коэффициент ослабления порыва
по АП-25:
,
где
- массовый параметр самолёта,
,
где
- удельная нагрузка на крыло, кг/м2;
- плотность воздуха на высоте Н (
);
- средняя геометрическая хорда
крыла,

;
Тогда коэффициент ослабления порыва:
.
Согласно АП-25, в качестве индикаторной
эффективной скорости порывов максимальной интенсивности следует принимать 20.1
м/с до высоты 6100м. При полёте на больших высотах, эту скорость можно линейно
уменьшать до 11.6 м/с на высоте 15250м (рисунок 1.3).
Рисунок 1.3
- Изменение скорости порывов с высотой
Крейсерская высота полёта - 11200м, по графику
определена эффективная скорость порывов Wу
=14.8
м/с.
Расчётная скорость при максимальной
интенсивности порыва:

,
где 
;

.

.
1.2.3 Расчет перегрузок при полете в
неспокойном воздухе
Кроме маневренных перегрузок,
независимо от летчика возникают перегрузки при полете в неспокойном воздухе.
Вследствие неравномерного распределения поля температур в атмосфере всегда
существуют горизонтальные и вертикальные воздушные течения.
Максимальные и минимальные
перегрузки при полете в неспокойном воздухе определены для нормируемых
скоростей воздушных порывов, для крейсерской скорости Vc и скорости
пикирования Vd. Расчет
произведён на высоте Н = 11200 м. Для расчётных скоростей сваливания и
маневрирования перегрузки не определены, так как они не могут превышать
максимальную эксплуатационную перегрузку Перегрузка при полете в неспокойном
воздухе вычисляется по следующей формуле:

где
- перегрузка до действия порыва
;
- приращение перегрузки от действия
порыва.
Для приближенной оценки перегрузки
при полете в неспокойном воздухе используют зависимость:
,
где
- эффективная скорость порыва, м/с;
- скорость полёта самолёта, м/с;
- удельная нагрузка на крыло, кг/м2;
Зависимости эффективной скорости
порыва от высоты полёта самолёта при крейсерской скорости и скорости
пикирования представлены на рисунке 1.2.3.1.
Рисунок 1.4 - Изменение
скорости порывов с высотой
Определены эффективные скорости
порывов для крейсерской высоты полёта (Н = 11200 м):
,
.
Тогда максимальная и минимальная
перегрузки от действия неспокойного воздуха:
.
Результаты вычислений занесены в
таблицу 1.2.
Таблица 1.2
|

|
|
|
153.7192.1
|
|
|
|
2.52.5
|
|
|
|
-1-1
|
|
|
|
1.861.58
|
|
|
|
0.060.42
|
|
|
На рисунке 1.5
приведены
огибающие режимов полёта для маневренных перегрузок и перегрузок при полёте в
неспокойном воздухе.
Рисунок 1.5
- Огибающая полетных режимов V-n
для максимального взлетного веса
1.2.4 Определение максимальной и минимальной
эксплуатационных перегрузок
Получив значения маневренной перегрузки и
перегрузки при полете в неспокойном воздухе, можно определиться с тем, какие
величины перегрузок являются определяющими для данного самолета. В связи с этим
в дальнейших расчетах будут использованы следующие значения максимальной и
минимальной эксплуатационных перегрузок:
Раздел 2. Определение нагрузок на
крыло самолёта
2.1 Спрямление крыла
При расчёте стреловидного крыла при
угле стреловидности более 15
(рисунок 2.1) необходимо ввести
эквивалентное прямое крыло и все дальнейшие расчёты проводить для спрямлённого
крыла. Прямое крыло введено путём поворота стреловидного полукрыла так, что
линия центров жёсткости поперечных сечений прямого крыла перпендикулярна оси
фюзеляжа. Далее стреловидное крыло спрямлено до равновеликого по площади
прямого крыла (рисунок 2.2). Стреловидность крыла учитывается введением
поправки на стреловидность в выражение циркуляции потока по размаху крыла.
Рисунок 2.1 - Исходное крыло.
Рисунок 2.2 - Спрямлённое крыло.
Размеры корневой и концевой хорд
уменьшаются, а величина полуразмаха увеличивается. При определении величины
полуразмаха
учена
схема расположения крыла самолета - низкоплан. Для низкоплана рекомендуется в
качестве параметра
принимать
значение равное расстоянию от конца полукрыла до оси самолета.
Геометрические характеристики
спрямлённого крыла:
= 15.68 м
b0 = 5.74 м
bк = 1.45 м
Удлинение крыла:
.
Относительное сужение крыла:
.
2.2 Определение равнодействующих
воздушных и массовых нагрузок
На крыло воздействуют распределённые
по поверхности воздушные силы и массовые силы от конструкции крыла и от
помещаемого в крыле топлива, сосредоточенные силы от масс агрегатов,
расположенных на крыле.
Эксплуатационное значение
аэродинамической нагрузки на крыло:
,
где
- равнодействующая нагрузка на
горизонтальное оперение;
= 2,5 - максимальная перегрузка,
возможная при эксплуатации;
= 467000 Н - взлётный вес самолёта.
Ввиду упрощения расчетов и
отсутствия некоторых данных для расчета
, прията приближённо эта нагрузка в
размере 5% от нагрузки на крыло. Тогда равнодействующая воздушной нагрузки на
крыло:
Величина расчетной подъемной силы:

,
где f - коэффициент
безопасности (принято f = 1.5).

.
Определено расчётные значения
равнодействующей массовой нагрузки на крыло и нагрузки от сосредоточенного
груза (шасси). Вес крыла принят как 10% от взлётного веса самолёта, вес шасси -
4%.

;
.
2.3 Определение распределения
воздушной нагрузки по размаху крыла
Распределённая (погонная) воздушная
нагрузка есть подъёмная сила, создаваемая отсеком крыла единичной длины.
Погонная воздушная нагрузка может быть найдена через равнодействующую воздушной
нагрузки и относительную циркуляцию:

,
где
- относительная циркуляция
воздушной нагрузки по размаху крыла.
Относительную циркуляцию принято
задавать в виде суммы относительной циркуляции прямого плоского крыла и
поправок на стреловидность, крутку и влияние надстроек (фюзеляжа и мотогондол):
Г = Гпр + ΔГχ + ΔГφ + ΔГф,м
Относительная циркуляция прямого
плоского крыла Гпр зависит от удлинения и сужения крыла. Так как
крутка, как геометрическая так и аэродинамическая, отсутствуют, а влияние
фюзеляжа и мотогондол не учитывается, определена только поправка на
стреловидность:
ΔГχ = ΔГ45 
;
где ΔГ45 -
табулированное значение поправочной функции для угла стреловидности 45°;
χ - данный угол стреловидности
крыла (
)
Расчётные значения функции Г и
воздушной нагрузки приведены в таблице 2.1.
Таблица 2.2
|
№
сечения
|
z
|
Гпр
|
ΔГ45
|
ΔГ35
|
Г
|
|
|
0
|
0
|
1.3435
|
-0.2350
|
-0.1828
|
1.1607
|
44511.0
|
|
1
|
0.1
|
1.3298
|
-0.1750
|
-0.1361
|
1.1937
|
45775.2
|
|
2
|
0.2
|
1.2908
|
-0.1230
|
-0.0957
|
1.1951
|
45830.6
|
|
3
|
0.3
|
1.2228
|
-0.0720
|
-0.0560
|
1.1668
|
44744.1
|
|
4
|
0.4
|
-0.0250
|
-0.0194
|
1.1290
|
43292.8
|
|
5
|
0.5
|
1.0570
|
0.0250
|
0.0194
|
1.0764
|
41279.2
|
|
6
|
0.6
|
0.9571
|
0.0730
|
0.0568
|
1.0139
|
38879.9
|
|
7
|
0.7
|
0.8538
|
0.1110
|
0.0863
|
0.9401
|
36051.9
|
|
8
|
0.8
|
0.7430
|
0.1350
|
0.1050
|
0.8480
|
32518.8
|
|
9
|
0.9
|
0.6090
|
0.1400
|
0.1089
|
0.7179
|
27529.4
|
|
10
|
0.95
|
0.4593
|
0.1250
|
0.0972
|
0.5565
|
21341.3
|
|
11
|
1
|
0
|
0
|
0
|
0
|
0
|
На рисунке 2.3 приведены эпюры относительной
циркуляции для прямого и стреловидного крыла, на рисунке 2.4 - эпюра воздушной
нагрузки.
Рисунок 2.3 - Распределение относительной
циркуляции по размаху крыла.
Рисунок 2.4 - Распределение воздушной нагрузки
по размаху крыла.
2.4 Определение распределения
массовой нагрузки по размаху крыла.
На самолет как в полете так и на
земле действует нагрузка от массы составляющих конструкцию агрегатов. На крыло
также действует массовая нагрузка от его собственного веса. В приближенных
расчетах можно считать, что погонная нагрузка массовых сил крыла
пропорционально хордам. Точка приложения этой нагрузки (линия центров тяжести)
в сечении крыла 0.45·
от носка
крыла. Тогда пользуются формулой:
.
где
- текущая хорда сечения с
координатой
;
- площадь крыла в плане.
Распределённая нагрузка от веса
топлива в общем случае может быть представлена как:
;
где
- удельный вес топлива (для
керосина
);
- площадь поперечного сечения бака
с координатой 
.
Топливо, объёмом 15.8 м3,
расположено в кессон-баках крыла. Подобраны геометрические размеры топливного
бака.
Определено расположение лонжеронов:
первый лонжерон расположен на расстоянии 20% от хорды, второй - 65% от хорды
крыла. Соответственно расстояние между лонжеронами определено как 45% от хорды
крыла. Строительные высоты для переднего и заднего лонжеронов для симметричного
профиля:

,
где
- хорда крыла, вычислена
аналитически:
.
Площадь сечения бака:

;
где 
- строительные высоты переднего и
заднего лонжеронов;

- расстояние между лонжеронами.
Топливный бак рассматривается как
усечённая пирамида высотой, равной длине бака 
. Площадь большего основания равна
, площадь
меньшего - 
. Тогда объём топлива, помещаемого в
подобранном топливном баке:
Расчёты погонной нагрузки от веса
топлива сведены в таблицу 2.3.
Таблица 2.3
|
№
сечения
|
2zi/l
|
b(z),
м
|
bл(z),
м
|
H1,
м
|
H2,м
|
Hср,м
|
Sб,
м2
|
qyт(z),
Н/м
|
|
0
|
0
|
5.74
|
2.58
|
0.66
|
0.47
|
0.57
|
1.46
|
0.0
|
|
1
|
0.1
|
5.31
|
2.39
|
0.61
|
0.44
|
0.52
|
1.25
|
25002.4
|
|
2
|
0.2
|
4.88
|
2.20
|
0.56
|
0.40
|
0.48
|
1.06
|
21123.6
|
|
3
|
0.3
|
4.45
|
2.00
|
0.51
|
0.37
|
0.44
|
0.88
|
17571.5
|
|
4
|
0.4
|
4.02
|
1.81
|
0.46
|
0.33
|
0.40
|
0.72
|
14346.2
|
|
5
|
0.5
|
3.59
|
1.62
|
0.41
|
0.30
|
0.35
|
0.57
|
11447.6
|
|
6
|
0.6
|
3.16
|
1.42
|
0.36
|
0.26
|
0.31
|
0.44
|
8875.8
|
|
7
|
0.7
|
2.73
|
1.23
|
0.31
|
0.22
|
0.27
|
0.33
|
6630.7
|
|
8
|
0.8
|
2.31
|
1.04
|
0.26
|
0.19
|
0.23
|
0.24
|
4712.4
|
|
9
|
0.9
|
2.09
|
0.94
|
0.24
|
0.17
|
0.21
|
0.19
|
3875.8
|
|
10
|
0.95
|
1.88
|
0.84
|
0.22
|
0.15
|
0.18
|
0.16
|
3120.9
|
|
11
|
1
|
1.45
|
0.65
|
0.17
|
0.12
|
0.14
|
0.09
|
0.0
|
Суммарная погонная нагрузка:

.
Расчёт суммарной погонной нагрузки
сведен в таблицу 2.4, по данным которой построены эпюры 
(рисунок 2.5).
Таблица 2.4
|
№
сечения
|
2zi/l
|
qв,
Н/м
|
qyт(z),
Н/м
|
qyкр(z),
Н/м
|
q∑(z),
Н/м
|
|
0
|
0
|
44511.0
|
0.0
|
-5164.3
|
39346.7
|
|
1
|
0.1
|
45775.2
|
-25002.4
|
-4778.0
|
15994.7
|
|
2
|
0.2
|
45830.6
|
-21123.6
|
-4391.8
|
20315.2
|
|
3
|
0.3
|
44744.1
|
-17571.5
|
-4005.6
|
23167.0
|
|
4
|
0.4
|
43292.8
|
-14346.2
|
-3619.3
|
25327.4
|
|
5
|
0.5
|
41279.2
|
-11447.6
|
-3233.1
|
26598.5
|
|
6
|
0.6
|
38879.9
|
-8875.8
|
-2846.8
|
27157.3
|
|
7
|
0.7
|
36051.9
|
-6630.7
|
-2460.6
|
26960.6
|
|
8
|
0.8
|
32518.8
|
-4712.4
|
-2074.3
|
25732.0
|
|
9
|
0.9
|
27529.4
|
-3875.8
|
-1881.2
|
21772.3
|
|
10
|
0.95
|
21341.3
|
-3120.9
|
-1688.1
|
16532.3
|
|
11
|
1
|
0.0
|
0.0
|
0.0
|
0.0
|
|
|
|
Рисунок
2.5 - Эпюры погонной нагрузки
|
2.5 Расчёт поперечных сил,
изгибающих и приведенных моментов
Эпюра поперечных сил получена путём
численного интегрирования эпюры распределённой суммарной нагрузки с учётом
сосредоточенных нагрузок. Применён метод трапеций. Длина консоли разбита на 10
участков, длиной
= 1,57 м.
Нумерация сечений от плоскости симметрии самолёта. Тогда поперечная сила:
,
откуда в соответствии с методом
трапеций:
;
;
;
;
;
В качестве сосредоточенной нагрузки
на крыле является нагрузка от веса стойки шасси, которая приложена на
расстоянии z = 4.7 м.
= 18680 Н;
Расчёт перерезывающей силы приведен
в таблице 2.5, эпюра приведена на рисунке 2.6.
Таблица 2.5
|
№
сечения
|
2zi/l
|
ΔQ,
Н
|
Q,
Н
|
|
0
|
0
|
43387.7
|
348682.1
|
|
1
|
0.1
|
28467.0
|
305294.4
|
|
2
|
0.2
|
34090.1
|
276827.4
|
|
3
|
0.3
|
38019.6
|
242737.3
|
|
4
|
0.4
|
40709.9
|
204717.7
|
|
5
|
0.5
|
42144.5
|
184623.4
|
|
6
|
0.6
|
42428.4
|
142478.9
|
|
7
|
0.7
|
41311.0
|
100050.5
|
|
8
|
0.8
|
37243.4
|
58739.5
|
|
9
|
0.9
|
15015.4
|
21496.1
|
|
10
|
0.95
|
6480.7
|
6480.7
|
|
11
|
1
|
0.0
|
0.0
|
Рисунок 2.6 - Эпюра перерезывающей силы
Эпюра изгибающих моментов получена путём
интегрирования эпюры поперечных сил.
;
Интегрируя от конца крыла по методу
трапеций:
;
;
;
;
;
;
где
- расстояние между сечениями.
Расчёт и эпюры изгибающих моментов
по размаху крыла приведены в таблице 2.6 и на рисунке 2.7 соответственно.
Таблица 2.6
|
№
сечения
|
2zi/l
|
ΔM,
Нм
|
М,
Нм
|
|
0
|
0
|
512717.6
|
2679982.6
|
|
1
|
0.1
|
456383.5
|
2167265.0
|
|
2
|
0.2
|
407338.7
|
1710881.6
|
|
3
|
0.3
|
350804.7
|
1303542.9
|
|
4
|
0.4
|
305243.4
|
952738.1
|
|
5
|
0.5
|
256448.3
|
647494.7
|
|
6
|
0.6
|
190143.1
|
391046.4
|
|
7
|
0.7
|
124491.4
|
200903.3
|
|
8
|
0.8
|
62904.7
|
76412.0
|
|
9
|
0.9
|
10966.9
|
13507.3
|
|
10
|
0.95
|
2540.4
|
2540.4
|
|
11
|
1
|
0.0
|
0.0
|
Рисунок 2.7 - Эпюра изгибающего момента
Приведенные моменты необходимы для нахождения
точки приложения равнодействующей нагрузки Q
в каждом сечении крыла. На рисунке крыла вплане (рисунок 2.8) показаны контур
топливного бака, линия центров давления, линия центров тяжести сечений крыла и
топлива; выбрано положение оси приведения. Ось приведения проходит через точку
пересечения передней кромки крыла с продольной осью самолёта перпендикулярно
продольной оси самолёта.
Рисунок 2.8 - Крыло вплане
Рассмотрено одно из сечений крыла вплане. Ось
приведения видна в виде точки. Распределённая воздушная нагрузка приложена по
линии центров давления, распределённая массовая нагрузка от веса крыла
приложена по линии центров тяжести крыла, распределённая массовая нагрузка от
веса топлива - по линии центров тяжести топлива. Нагрузки по отношению к оси
приведения рассмотрены на рисунке 2.9.
Рисунок 2.9 - Сечение крыла
Воздушная нагрузка приложена в центре давления
;
.
Массовая нагрузка от веса крыла
приложена в центре тяжести сечения
;
.
Распределенная нагрузка от веса
топлива приложена в центре тяжести сечения бака
;
.
Для нахождения приведенных моментов
построена эпюра погонных приведенных моментов mz. В
соответствии с рисунком 4.5.4:
,
где 
- расстояния от оси приведения до
точек приложения соответствующих нагрузок (найдены из чертежа).
Расчёт погонных приведенных моментов
приведен в таблице 2.7, эпюра представлена на рисунке 2.10.
Таблица 2.7
|
№
сечения
|
2zi/l
|
qв,
Н/м
|
qyт(z),
Н/м
|
qyкр(z),
Н/м
|
aв,
м
|
aкр,
м
|
aт,
м
|
mz,
Н/м
|
|
0
|
0
|
44511.0
|
0.0
|
5164.3
|
1.43
|
2.58
|
0.0
|
50
326.9
|
|
1
|
0.1
|
45775.2
|
25002.4
|
4778.0
|
1.54
|
2.60
|
2.51
|
-4
685.2
|
|
2
|
0.2
|
45830.6
|
21123.6
|
4391.8
|
1.65
|
2.63
|
2.54
|
10
416.2
|
|
3
|
0.3
|
44744.1
|
17571.5
|
4005.6
|
1.76
|
2.65
|
2.56
|
23
151.9
|
|
4
|
0.4
|
43292.8
|
14346.2
|
3619.3
|
1.86
|
2.67
|
2.59
|
33
704.6
|
|
5
|
0.5
|
41279.2
|
11447.6
|
3233.1
|
1.97
|
2.69
|
2.62
|
42
630.3
|
|
6
|
0.6
|
38879.9
|
8875.8
|
2846.8
|
2.08
|
2.71
|
2.65
|
49
634.4
|
|
7
|
0.7
|
36051.9
|
6630.7
|
2460.6
|
2.19
|
2.73
|
2.68
|
54
466.0
|
|
8
|
0.8
|
32518.8
|
4712.4
|
2074.3
|
2.20
|
2.75
|
2.70
|
53
113.4
|
|
9
|
0.9
|
27529.4
|
3875.8
|
1881.2
|
2.40
|
2.78
|
2.73
|
50
259.6
|
|
10
|
0.95
|
21341.3
|
3120.9
|
1688.1
|
2.45
|
2.79
|
2.75
|
38
993.9
|
|
11
|
1
|
0.0
|
0.0
|
0.0
|
2.51
|
2.80
|
2.76
|
0.0
|
Рисунок 2.10 - Эпюра погонного приведенного
момента
Приведенный момент получен интегрированием эпюры
распределённого приведенного момента. Интегрирование проведено, учитывая
наличие сосредоточенных грузов.
,
где
- расстояние от оси приведения до
центра тяжести шасси. Знак «+» берётся, если момент относительно оси приведения
совпадает по направлению с моментом от qв.
= 1.98 м.
Численное интегрирование:
;
;
;
;
;
.
Точка приложения равнодействующей
поперечной силы найдена путём деления приведенного момента на поперечную силу в
сечении:
,
где
- расстояние, откладываемое от оси
приведения.
Расчёт представлен в таблице 2.8, по
данным которой построена эпюра приведенных моментов (рисунок 2.11).
Таблица 2.8
|
№
сечения
|
2zi/l
|
∆Mпр,
Н/м
|
Мпр,
Н/м
|
аQ
|
|
0
|
0
|
35783.1
|
515484.3
|
1.48
|
|
1
|
0.1
|
4493.1
|
479701.2
|
1.57
|
|
2
|
0.2
|
26317.3
|
475208.1
|
1.72
|
|
3
|
0.3
|
44575.4
|
448890.8
|
1.85
|
|
4
|
0.4
|
59846.5
|
404315.3
|
1.97
|
|
5
|
0.5
|
72335.5
|
374705.1
|
2.03
|
|
6
|
0.6
|
81614.7
|
302369.6
|
2.12
|
|
7
|
0.7
|
84342.2
|
220754.9
|
2.21
|
|
8
|
0.8
|
81044.4
|
136412.7
|
2.32
|
|
9
|
0.9
|
34987.4
|
55368.2
|
2.58
|
|
10
|
0.95
|
20380.8
|
20380.8
|
3.14
|
|
11
|
1
|
0.0
|
0.0
|
0.0
|
Рисунок 2.11 - Эпюра приведенных моментов
2.6 Проверка правильности построения
эпюр нагрузок.
При проверке топливо считаем сосредоточенной
нагрузкой. Значение перерезывающей силы в корневом сечении:

;
.
Погрешность составляет 4.7%.
По теореме о среднем изгибающий
момент в корневом сечении:

,
где
- среднее арифметическое значение
поперечной силы.
Погрешность составляет 0.3%.
Раздел 3. Проектировочный расчёт
сечения крыла
Цель проектировочного расчета:
определение геометрических характеристик сечения крыла, при этом необходимо
использовать нормали авиационных профилей и толщин обшивки. Проектировочный
расчет, выполняется с использованием упрощенной модели крыла, а именно:
лонжероны - плоские балки
(воспринимают нагрузку только в своей плоскости);
обшивка и стенки лонжеронов работают
только на сдвиг;
участие обшивки в восприятии
нормальных напряжений учитывается путем присоединения участков обшивки к
продольным силовым элементам.
Выбор материала лонжеронов,
стрингеров и обшивки
Первый этап расчета - выбор силовой
схемы крыла и материалов элементов поперечного сечения. Силовую схему выбирают
в зависимости от взлетного веса, от вида крыла в плане, способа заполнения
внутреннего объема и других параметров проектируемого самолета. При этом нужно
учитывать требования оптимальности по весу, надежности, технологичности в
изготовлении и эксплуатации.
Из трех усилий, действующих в
поперечном сечении крыла, изгибающий момент является основным усилием, так как
масса силовых элементов, воспринимающих изгиб, составляет около 50% общей массы
крыла. В зависимости от того, какими силовыми элементами в основном
воспринимается изгибающий момент, силовые схемы крыльев разделяют на
лонжеронные, кессонные и моноблочные.
В данной работе выбрана схема кессонного
типа с двумя лонжеронами. Материал стрингеров и обшивки был выбран Д16Т, в
качестве материала для лонжеронов был выбран В95 для лонжеронных профилей.
Механические характеристики дюраля
Д16Т для стрингеров и обшивки приведены в таблице 3.1.
Таблица 3.1
Механические характеристики для лонжеронного
профиля сплава В95 приведены в таблице 3.2.
Таблица 3.2
3.1 Определение толщины обшивки и
шага стрингеров в растянутой и сжатой панелях крыла
Для определения толщины обшивки
зададимся шагом стрингеров. В реальных конструкциях шаг стрингера расположен в
пределах 
. Шаг
задается таким образом, чтобы между
лонжеронами помещалось целое число стрингеров. Поскольку расстояние между
лонжеронами
,
окончательно принято
150, 200 мм
для нижней и верхней панели соответственно (рисунок 3.1).
Рисунок 3.1 - Расчетное сечение (
= 0.1)
Толщину обшивки
находим из
условия получения волнистости поверхности крыла не выше определенного значения.
Величина
должна
удовлетворять неравенству:
;
Здесь
и
- давление в горизонтальном полете
на нижней и верхней поверхности крыла;
- коэффициент Пуассона (для обеих
материалов
);
- модуль
упругости первого рода материала обшивки. Параметр
является
относительным прогибом
, где
максимальный
прогиб обшивки, рассматриваемой как балка-полоска, нагруженная поперечной
нагрузкой
и
защемленная в местах ее крепления к стрингерам. Для скоростных самолетов
рекомендуется
брать не более 0.002 Приближенно величины
и
считаем равными:
,
.
Тогда толщины обшивки на верхней и
нижней панелях:
Выбраны толщины обшивок: для верхней
панели
; для нижней
-
.
При подборе продольных силовых
элементов найдены усилия, воспринимаемые верхней и нижней половинками
поперечного сечения крыла. Средняя высота сечения определена по формуле:
где
и
- высоты профиля в местах
расположения первого и второго лонжеронов (рисунок 3.1.1), коэффициент
учитывает,
что расстояние между центрами тяжести полок лонжеронов меньше теоретической
высоты профиля в местах установки лонжеронов. Значение коэффициента
лежит в
пределах 0,9…0,95., принято
.
Сила сжатия верхней части сечения
крыла и растяжения нижней части определена по формуле:
.
При проведении проектировочного
расчета достаточно учесть только составляющую
изгибающего
момента:
=
.
Усилие
,
воспринимаемое каждой половиной сечения, представлено в виде суммы усилия
,
нагружающего полки лонжерона, и усилия
, воспринимаемого стрингерами и
обшивкой:
;
.
Введенный коэффициент
определяет
долю от усилия
,
воспринимаемую стрингерами и обшивкой, и его численное значение лежит обычно в
промежутке 0,3…0,7 в зависимости от силовой схемы крыла. Зададимся значением
=0,5.
.2 Расчёт площадей стрингеров в
растянутой и сжатой панелях крыла. Подбор стрингеров по сортаменту авиационных
профилей.
Растянутая зона
Усилие
в
растянутой зоне определяется равенством:
где
- разрушающее напряжение стрингера
в растянутой зоне;
- площадь поперечного сечения
одного стрингера;
- толщина обшивки в растянутой
зоне;
- коэффициент, учитывающий
концентрацию напряжений и ослабление сечения отверстиями под заклепки;
- коэффициент, учитывающий
запаздывание во включении в силовую схему обшивки по сравнению со стрингером.
Принято:
;
.
Найдена площадь поперечного сечения
стрингера, которая обеспечит восприятие стрингерами и обшивкой усилия
:
Зная потребную площадь стрингера, из
сортамента [1] выбран стрингер с наиболее близкой площадью поперечного сечения:
равнобокий уголок ПР100-35 с площадью поперечного сечения
Основные размеры стрингера:
Пересчёт ранее найденного усилия
с новой
площадью стрингера:
Усилие, воспринимаемое лонжероном:
Сжатая зона
Усилие в сжатой зоне найдем по
формуле:
где
- расчетное разрушающее напряжение
в сжатой зоне;
- площадь стрингера в сжатой зоне;
- присоединенная площадь обшивки,
работающая вместе с напряженным стрингером. В первом приближении величину
можно
считать равной критическому напряжению устойчивости сжатого стрингера.
При выборе стрингера в сжатой зоне,
как и в растянутой, сначала найдены его потребные площади. При этом площадь
присоединенной обшивки приближенно примем равной
= 30·
. В хорошо спроектированных крыльях,
критические напряжения стрингеров близки к пределу прочности материала
стрингера, предполагая вышесказанное, принято, что
=
. Найдем
потребную площадь стрингера:
;
Из сортамента выберем профиль: зет
нормальный ПР105-6 с располагаемой площадью поперечного сечения равной 5.18 см2.
Характеристики сечения стрингера:
Критические напряжения устойчивости
стрингера определяются по формуле:
,
где 
;
- предел прочности материала
стрингера;
- эйлерово критическое напряжение,
определяемое по формулам строительной механики для стержней и пластин.
При местной потери устойчивости
стрингера величина
равна:
Здесь
и
- ширина, и толщина стенки стрингера,
теряющей устойчивость как
пластина;
- модуль упругости материала
стрингера;
- коэффициент, учитывающий условия
закрепления граней стенки. Коэффициент
определён в соответствии с [1].
Тогда величина
:
;
Стрингер необходимо проверить и на
общую устойчивость, считая его многопролетной балкой, опертой на нервюры.
Однако, если расстояние между нервюрами выбрано из условия равнопрочности
стрингера при общей и местной потере устойчивости, то критические напряжения
общей потери устойчивости можно не находить.
Прилегающая к обшивке полка сжатого
стрингера должна иметь бортики или ее толщина должна превосходить толщину
обшивки, что существенно повышает несущую способность панелей при сжатии.
Ширина присоединенной обшивки
, работающей
с напряжениями стрингера, определяется по формуле:
.
При расчетах по предельному
состоянию, полагают, что напряжения в стрингере равны разрушающему напряжению:
=
.
При определении площади обшивки,
присоединенной к стрингеру в сжатой зоне, имеет значение, сколькими
заклепочными швами обшивка приклепана к стрингеру. Для панели присоединенная
площадь:
.
Пересчитаем ранее найденное значение
:
3.3 Определение площадей лонжеронов
в растянутой и сжатой панелях крыла
Суммарная площадь полок лонжеронов
в
растянутой зоне получена из уравнения:
.
где
- предел прочности материала полки
лонжерона при растяжении;
- коэффициент, учитывающий влияние
концентрации напряжений в полке.
Площадь
следует
распределить между растянутыми полками переднего и заднего лонжеронов. Площади
полок распределены пропорционально квадратам высот лонжеронов:
;
Суммарная площадь полок лонжеронов в
сжатой зоне
получена из
уравнения:
где
- расчетные разрушающие напряжения
сжатой полки,
.
.
Найденная площадь
распределена
между передним и задним лонжеронами пропорционально квадратам высот лонжеронов:
;
.
3.4 Определение толщин стенок
лонжеронов
При приближенных расчетах можно
считать, что центр жесткости поперечного сечения крыла лежит в центре тяжести
жесткостей лонжеронов на изгиб, т.е. можно записать:
где
и
- модули
упругости полок лонжеронов (
=
);
и
- моменты инерции переднего и
заднего лонжеронов относительно соответствующих центральных осей. При
вычислении моментов инерции
и
влияние стенок лонжеронов не учено,
считая, что последние работают только на сдвиг.
Рисунок 3.2 - Сечение лонжерона
;
;
.
Тогда:
Рисунок 3.3 - Положение центра
жесткости сечения, (м)
Расстояние
отложено от
переднего лонжерона (рисунок 3.4).
Опредеено распределение поперечной
силы
между
лонжеронами:
· для переднего лонжерона
· для заднего лонжерона
Поскольку положение центра жесткости
известно, определён крутящий момент, действующий в сечении:
где
- расстояние от центра жесткости до
точки приложения силы
,
.
От поперечных сил
и
в стенках
лонжеронов возникают потоки касательных усилий равные:
· для переднего лонжерона
· для заднего лонжерона
От воздействия крутящего момента
также возникает поток касательных усилий:
где
- удвоенная площадь контура,
воспринимаемого крутящий момент. Формула для определения
имеет вид:
Тогда:
Суммарные потоки касательных усилий
и
равны:
Толщины стенок определены по
зависимостям:
где
- разрушающее напряжение сдвига,
для пассажирских самолетов имеющих значительный ресурс
. Тогда:
· для переднего лонжерона
для заднего лонжерона
Окончательно принимаем
=

3.5 Расчёт расстояния между рядовыми
нервюрами
Расстояние между нервюрами определим
из условия равнопрочности при местной потере устойчивости стрингера в
растянутой зоне и при общей потере устойчивости стрингера с присоединенной
обшивкой в сжатой зоне.
Критические напряжения общей потери
устойчивости определяются по формуле:
,
где
- модуль упругости стрингера;
- расстояние между нервюрами;
- коэффициент, учитывающий условия
опирания на концах участка стрингера;
- момент инерции сечения,
относительно оси, проходящий через центр тяжести этого сечения, и параллельной
плоскости обшивки равный:
где
- момент инерции стрингера;
- координата центра тяжести
стрингера;
- координата
центра тяжести стрингера с присоединенной обшивкой, определяется по следующей
зависимости:
.
Определим
:
Исходя из полученных результатов
расстояние между рядовыми нервюрами равно:
Раздел 4. Проверочный расчёт крыла
самолёта на прочность
В проверочном расчете вычислены
нормальные и касательные напряжения в поперечном сечении крыла большого
удлинения, параметры которого получены при проектировочном расчете. Нормальные
напряжения найдены методом последовательных приближений на основе применения
теории редуцирования, а касательные - методом секущих модулей без разделения на
изгиб и кручение. При этом не учтено влияние заделки и местных возмущающих
факторов (вырезы, резкое изменение механических и геометрических параметров по
длине крыла и др.)
4.1 Расчёт сечения крыла на
эксплуатационные и расчётные нагрузки по методу редуционных коэффициентов.
Уточнение параметров поперечного сечения крыла
Первым в решении поставленной задачи
построена диаграмма
(рисунок
4.1.1) для полок лонжеронов, стрингеров и обшивки. Диаграммы построены по
четырем точкам на основе данных, приведенных в методическом пособии [1]. Первая
точка - начало координат, вторая - напряжения, равные пределу
пропорциональности
, и
деформации, определяемые по формуле
. Найденные точки соединены прямой
линией. Третья точка - напряжения предела текучести
. Для
определения третьей точки поведена линия
. Затем построена четвертая точка
(напряжения равны
). Соединив
точки 1, 2, 3, 4 плавной линией, получена диаграмма
в
растянутой зоне. В этой координатной системе построена диаграмма сжатого
стрингера.
Далее на диаграмму нанесён фиктивный
физический закон (ФФЗ). При расчетных нагрузках напряжение в наиболее прочном
элементе конструкции - лонжероне близки к временному сопротивлению, поэтому
фиктивный закон проведён через точку
лонжерона (рисунок 4.1).
Рисунок 4.1 - Диаграмма
Поскольку фиктивный закон проведен
через
лонжерона,
коэффициент редукции для лонжерона в сжатой и растянутой зоне равен единице (
).
Для стрингера: в растянутой зоне
; в сжатой
зоне
.
Коэффициенты редукции для обшивки не
вычисляют, поскольку к стрингеру присоединяют условную площадь обшивки.
После нахождения коэффициентов
редукции первого приближения находят редуцированные площади по следующим зависимостям
(таблица 4.1):
;
.
Нумерация силовых элементов для
проверочного расчета и положение начальных осей показаны на рисунке 4.2.
Рисунок 4.2 - Нумерация силовых
элементов.
4.1.1 Расчёт нормальных напряжений
(ручной счёт)
Ход вычислений представлен в таблице
4.1. В первой графе записан номер объединенных элементов, во второй -
уточненные площади. В третьей графе записаны редукционные коэффициенты первой
итерации.
В последующих 5-й и 6-й графах
внесены координаты центров тяжести элементов. В графах 7 и 8 с помощью формул:
определено положение центра тяжести
редуцированного сечения крыла, в 9-й и 10-й графах записаны координаты
элементов относительно центральных осей.
,
.
После нахождения этих координат, поверена
правильность их нахождения. Для этого использованы формулы:
Следующий шаг - определение
центральных осей сечения крыла:
Положение главных осей
характеризуются углом
:
Если угол поворота
сравнительно
мал, то есть
,то
центральные оси можно не поворачивать и считать главными центральными осями.
Редуцированные нормальные напряжения
получены по формуле:
Зная редуцированные напряжения
по
диаграмме
, для
элементов найдены действительные напряжения
следующим образом. На рисунке
для
элементов нанесена фиктивная диаграмма. Этому напряжению соответствует точка на
, из которой
проведена вертикальная линия
= const до
пересечения с диаграммой элемента.
В графу 18 внесен редукционный
коэффициент следующего приближения:
Таблица 4.1
|
N
элеМента
|
        
|
|
|
|
|
|
|
|
|
|
|
1
|
1.00
|
4629.78
|
1062.0
|
304.0
|
4916829.9
|
1407454.1
|
-1059.0
|
241.0
|
-4902868.1
|
1115801.4
|
|
2
|
0.67
|
349.48
|
1212.0
|
312.0
|
423564.7
|
109019.0
|
-909.0
|
249.0
|
-317668.0
|
87003.8
|
|
3
|
0.67
|
349.48
|
1362.0
|
316.3
|
475986.1
|
110539.2
|
-759.0
|
253.3
|
-265246.7
|
88524.0
|
|
4
|
0.67
|
349.48
|
1552.0
|
318.6
|
542386.5
|
111329.0
|
-569.0
|
255.6
|
-198846.3
|
89313.8
|
|
5
|
0.67
|
349.48
|
1752.0
|
317.7
|
612281.6
|
111014.5
|
-369.0
|
254.7
|
-128951.1
|
88999.3
|
|
6
|
0.67
|
349.48
|
1952.0
|
313.5
|
682176.8
|
109564.2
|
-169.0
|
250.5
|
-59055.9
|
87549.0
|
|
7
|
0.67
|
349.48
|
2152.0
|
307.0
|
752071.9
|
107299.6
|
31.0
|
244.0
|
10839.2
|
85284.4
|
|
8
|
0.67
|
349.48
|
2352.0
|
298.2
|
821967.1
|
104213.7
|
231.0
|
235.2
|
80734.4
|
82198.5
|
|
9
|
0.67
|
349.48
|
2552.0
|
287.2
|
891862.3
|
100376.4
|
431.0
|
224.2
|
150629.5
|
78361.3
|
|
10
|
0.67
|
349.48
|
2752.0
|
274.8
|
961757.4
|
96036.0
|
631.0
|
211.8
|
220524.7
|
74020.8
|
|
11
|
0.67
|
349.48
|
2952.0
|
260.8
|
1031652.6
|
91143.3
|
831.0
|
197.8
|
290419.9
|
69128.1
|
|
12
|
0.67
|
349.48
|
3152.0
|
245.1
|
1101547.7
|
85649.5
|
1031.0
|
182.1
|
360315.0
|
63634.3
|
|
13
|
0.67
|
349.48
|
3302.0
|
232.0
|
1153969.1
|
81064.4
|
1181.0
|
169.0
|
412736.4
|
59049.2
|
|
14
|
1.00
|
3315.05
|
3451.5
|
218.3
|
11441908.6
|
723510.5
|
1330.5
|
155.3
|
4410731.1
|
514679.0
|
|
15
|
1.00
|
2307.22
|
3451.5
|
-218.3
|
7963364.6
|
-503665.8
|
1330.5
|
-281.3
|
3069790.3
|
-649008.8
|
|
16
|
0.71
|
132.43
|
3321.5
|
-230.2
|
439859.2
|
-30484.9
|
1200.5
|
-293.2
|
158981.7
|
-38827.2
|
|
17
|
0.71
|
132.43
|
3186.6
|
-242.2
|
-32074.0
|
1065.6
|
-305.2
|
141117.2
|
-40416.3
|
|
18
|
0.71
|
132.43
|
3056.5
|
-252.8
|
404765.8
|
-33477.8
|
935.5
|
-315.8
|
123888.4
|
-41820.0
|
|
19
|
0.71
|
132.43
|
2926.5
|
-262.7
|
387550.2
|
-34788.8
|
805.5
|
-325.7
|
106672.7
|
-43131.1
|
|
20
|
0.71
|
132.43
|
2776.5
|
-273.2
|
367686.0
|
-36179.3
|
655.5
|
-336.2
|
86808.5
|
-44521.6
|
|
21
|
0.71
|
132.43
|
2626.5
|
-282.7
|
347821.8
|
-37437.4
|
505.5
|
-345.7
|
66944.4
|
-45779.6
|
|
22
|
0.71
|
132.43
|
2478.6
|
-291.9
|
328235.7
|
-38655.7
|
357.6
|
-354.9
|
47358.3
|
-46998.0
|
|
23
|
0.71
|
132.43
|
2326.5
|
-299.5
|
308093.5
|
-39662.1
|
205.5
|
-362.5
|
27216.0
|
-48004.4
|
|
24
|
0.71
|
132.43
|
2176.5
|
-306.1
|
288229.3
|
-40536.2
|
55.5
|
-369.1
|
7351.8
|
-48878.5
|
|
25
|
0.71
|
132.43
|
2026.5
|
-311.3
|
268365.1
|
-41224.8
|
-94.5
|
-374.3
|
-12512.4
|
-49567.1
|
|
26
|
0.71
|
132.43
|
1876.5
|
-315.4
|
248500.9
|
-41767.8
|
-244.5
|
-378.4
|
-32376.5
|
-50110.0
|
|
27
|
0.71
|
132.43
|
1726.5
|
-318.0
|
228636.7
|
-42108.1
|
-394.5
|
-381.0
|
-52240.7
|
-50450.4
|
|
28
|
0.71
|
132.43
|
1576.5
|
-318.6
|
208772.5
|
-42191.5
|
-544.5
|
-381.6
|
-72104.9
|
-50533.8
|
|
29
|
0.71
|
132.43
|
1446.5
|
-317.7
|
191556.9
|
-42072.3
|
-674.5
|
-380.7
|
-89320.5
|
-50414.6
|
|
30
|
0.71
|
132.43
|
1316.5
|
-315.2
|
174341.3
|
-41741.3
|
-804.5
|
-378.2
|
-106536.2
|
-50083.5
|
|
31
|
0.71
|
132.43
|
1192.0
|
-311.2
|
157854.0
|
-41211.6
|
-929.0
|
-374.2
|
-123023.4
|
-49553.8
|
|
32
|
1.00
|
3222.25
|
1062.0
|
-304.9
|
3422026.1
|
-982463.0
|
-1059.0
|
-367.9
|
-3412308.9
|
-1185448.1
|
|
19786.8641967616.631246471.020.00.0
|
|
|
|
|
|
|
|
|
|
|
|
|
|
|
|
|
|
|
|
|
|
|
4.1.2 Определение нормальных
напряжений на ЭВМ
Проверочный расчет предусматривает расчет
нормальных напряжений на ЭВМ. Так как расчет на ЭВМ предусматривает наличие
двухзамкнутого контура, для расчета на ЭВМ введены дополнительные фиктивные
элементы, расположенные в носке крыла. Коэффициенты редукции для обшивки и
стенок лонжеронов выбираны в соответствии с [1].
Расчет на ЭВМ для исходного сечения крыла
показан в таблице 4.2.
Таблица 4.2
|
общие
данные
|
M
|
XI
|
YI
|
FI
|
редуц
толщ
|
|
1
|
7.100E+10
|
33
|
0.00000
|
0.00000
|
0.00052
|
0.00380
|
|
2
|
-6.170E+08
|
4
|
1.06200
|
0.30400
|
0.00463
|
0.00380
|
|
3
|
-4.160E+08
|
5
|
1.21200
|
0.31190
|
0.00052
|
0.00380
|
|
4
|
3.248E+06
|
4
|
1.36200
|
0.31630
|
0.00052
|
0.00380
|
|
5
|
-1.950E+05
|
2
|
1.55200
|
0.31860
|
0.00052
|
0.00380
|
|
6
|
0.000E+00
|
33
|
1.75200
|
0.31770
|
0.00052
|
0.00380
|
|
7
|
4.576E+05
|
15
|
1.95200
|
0.31350
|
0.00052
|
0.00380
|
|
8
|
-2.740E+04
|
16
|
2.15200
|
0.30700
|
0.00052
|
0.00380
|
|
9
|
2.700E-01
|
|
2.35200
|
0.29820
|
0.00052
|
0.00380
|
|
10
|
|
|
2.55200
|
0.28720
|
0.00052
|
0.00380
|
|
11
|
|
|
2.75200
|
0.27480
|
0.00052
|
0.00380
|
|
12
|
|
|
2.95200
|
0.26080
|
0.00052
|
0.00380
|
|
13
|
|
|
3.15200
|
0.24510
|
0.00052
|
0.00380
|
|
14
|
|
|
3.30200
|
0.23200
|
0.00052
|
0.00700
|
|
15
|
|
|
3.45150
|
0.21830
|
0.00332
|
0.00540
|
|
16
|
|
|
3.45150
|
-0.21830
|
0.00237
|
0.00540
|
|
17
|
|
|
3.32150
|
-0.23020
|
0.00037
|
0.00540
|
|
18
|
|
|
3.18660
|
-0.24220
|
0.00037
|
0.00540
|
|
19
|
|
|
3.05650
|
-0.25280
|
0.00037
|
0.00540
|
|
20
|
|
|
2.92650
|
-0.26270
|
0.00037
|
0.00540
|
|
21
|
|
|
2.77650
|
-0.27320
|
0.00037
|
0.00540
|
|
22
|
|
|
2.62650
|
-0.28270
|
0.00037
|
0.00540
|
|
23
|
|
|
2.47860
|
-0.29190
|
0.00037
|
0.00540
|
|
24
|
|
|
2.32650
|
-0.29950
|
0.00037
|
0.00540
|
|
25
|
|
|
2.17650
|
-0.30610
|
0.00037
|
0.00540
|
|
26
|
|
|
2.02650
|
-0.31130
|
0.00037
|
0.00540
|
|
27
|
|
|
1.87650
|
-0.31540
|
0.00037
|
0.00540
|
|
28
|
|
|
1.72650
|
-0.31800
|
0.00037
|
0.00540
|
|
29
|
|
|
1.57650
|
-0.31860
|
0.00037
|
0.00540
|
|
30
|
|
|
1.44650
|
-0.31770
|
0.00037
|
0.00540
|
|
|
1.31650
|
-0.31520
|
0.00037
|
0.00540
|
|
32
|
|
|
1.19200
|
-0.31120
|
0.00037
|
0.00390
|
|
33
|
|
|
1.06200
|
-0.30490
|
0.00322
|
0.01020
|
|
MX=
|
3252200.0
|
MY=-.10205E+06
|
NZ=
|
0.0
|
IX=0.00031
|
|
IY=
|
0.01229
|
FS=
|
0.01020
|
итераций
|
25
|
|
|
напряжения
|
главные
|
центральные
|
|
|
|
|
действительные
|
х
|
y
|
редукц
коэфф
|
потоки
касат усилий
|
|
1
|
350300000
|
-2.19000
|
-0.26980
|
0.12360
|
-202900
|
|
2
|
-526900000
|
-1.13800
|
0.06440
|
0.78850
|
-179800
|
|
3
|
-306900000
|
-0.98780
|
0.07664
|
0.38510
|
-156700
|
|
4
|
-308900000
|
-0.83800
|
0.08527
|
0.34770
|
-133600
|
|
5
|
-310600000
|
-0.64810
|
0.09297
|
0.32010
|
-110600
|
|
6
|
-311700000
|
-0.44820
|
0.09779
|
0.30490
|
-87640
|
|
7
|
-312100000
|
-0.24810
|
0.09936
|
0.30000
|
-64790
|
|
8
|
-312000000
|
-0.04803
|
0.09860
|
0.30170
|
-42100
|
|
9
|
-311300000
|
0.15210
|
0.09549
|
0.31030
|
-19620
|
|
10
|
-310200000
|
0.35240
|
0.09023
|
0.32650
|
2610
|
|
11
|
-308700000
|
0.55260
|
0.08354
|
0.35010
|
24520
|
|
12
|
-306900000
|
0.75300
|
0.07526
|
0.38510
|
46030
|
|
13
|
-304800000
|
0.95330
|
0.06527
|
0.43890
|
67130
|
|
14
|
-302800000
|
1.10400
|
0.05644
|
0.50180
|
276300
|
|
15
|
-477700000
|
1.25300
|
0.04701
|
0.94380
|
77980
|
|
16
|
584600000
|
1.26600
|
-0.38940
|
0.14440
|
57760
|
|
17
|
380000000
|
1.13600
|
-0.40500
|
0.09000
|
37360
|
|
18
|
383600000
|
1.00200
|
-0.42080
|
0.08740
|
16820
|
|
19
|
386800000
|
0.87210
|
-0.43510
|
0.08520
|
-3875
|
|
20
|
389900000
|
0.74240
|
-0.44880
|
0.08330
|
-24720
|
|
21
|
393200000
|
0.59280
|
-0.46350
|
0.08130
|
-45720
|
|
22
|
396300000
|
0.44310
|
-0.47730
|
0.07950
|
-66850
|
|
23
|
399300000
|
0.29560
|
-0.49070
|
0.07790
|
-88110
|
|
24
|
402000000
|
0.14370
|
-0.50270
|
0.07650
|
-109500
|
|
25
|
404400000
|
-0.00601
|
-0.51360
|
0.07530
|
-131000
|
|
26
|
406600000
|
-0.15580
|
-0.52310
|
0.07430
|
-152500
|
|
27
|
408500000
|
-0.30560
|
-0.53150
|
0.07350
|
-174100
|
|
28
|
410000000
|
-0.45550
|
-0.53830
|
0.07280
|
-195800
|
|
29
|
411100000
|
-0.60540
|
-0.54320
|
0.07230
|
-217500
|
|
30
|
411800000
|
-0.73540
|
-0.54600
|
0.07210
|
-239200
|
|
31
|
412100000
|
-0.86540
|
-0.54730
|
0.07190
|
-260900
|
|
32
|
412000000
|
-0.99000
|
-0.54680
|
0.07200
|
-54950
|
|
33
|
602800000
|
-1.12000
|
-0.54420
|
0.10600
|
480300
|
|
|
Равнодействующие
нормальных напряжений:
|
|
|
|
|
MX=
|
3226800
|
MY=
|
-241.61000
|
NZ=-46405
|
|
|
|
|
|
|
|
|
|
|
|
|
|
|
|
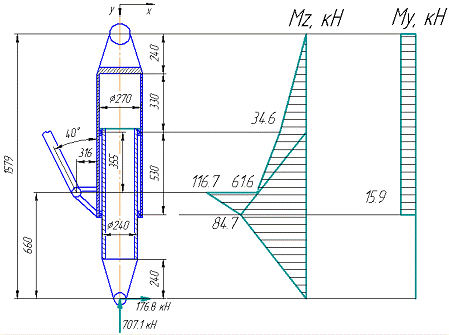
Раздел 5. Расчет стойки шасси на прочность и
ресурс
5.1 Разработка кинематической схемы стойки
шасси. Выбор и обоснование КСС стойки шасси
Проектировочный расчет шасси включает в себя
подбор колес, амортизатора, а также геометрических параметров стойки и ее
составляющих элементов.
5.1.1 Описание стойки шасси
Основные стойки четырёхколёсные, убираются назад
по полёту в гондолы, с одновременным переворотом тележки и установкой её вдоль
стойки (подобная кинематика широко используется на туполевских машинах). Колёса
типа КТ-81/3 с размерностью 930х305 мм. Передняя стойка убирается назад по полёту,
в нишу в передней части фюзеляжа. Колёса К-288 с пневматическими шинами
высокого давления размерностью 660х200 мм. Ширина колеи основных стоек шасси -
9.45 м (рисунок 5.1.1).
Рисунок 5.1 - Основная стойка шасси
На тормозных колёсах основных стоек установлена
антиюзовая автоматика.
Разворот колёс передней стойки осуществляется
посредством педалей у лётчиков. В рулёжном режиме угол разворота составляет ±
55º,
во
взлётно-посадочном режиме угол разворота ± 8º30´. При
буксировке самолёта колёса ставятся в режим самоориентирования.
Нетормозное колесо К-288 представляет собой
литой барабан из магниевого сплава со съемной ребордой 3, состоящий из двух
половин, соединенных между собой болтами. Съемная реборда удерживается на барабане
от боковых усилий буртиком, а отпроворотов - насечкой на буртике и торце
реборды. Для предотвращения попадания грязи во внутреннюю полость барабанов
колес барабаны имеют защитные щитки 1, 4. Давление в пневматиках колес передней
ноги - 9+0.5 кгс/см2, разность давления в шинах не должна превышать 0.25
кгс/см2. Стояночная усадка пневматиков равна 20 - 45 мм в диапазоне взлетных
масс и 15-40 мм в диапазоне посадочных масс. В процессе эксплуатации колес
допускается сетка старения шин, проколы и порезы глубиной до первого слоя корда
длиной не более 40 мм, износ протектора по всей окружности без повреждения
первого слоя корда.
5.1.2 Исходные данные
Выполнен расчет основной стойки шасси схемы с
носовым колесом и соответствующими параметрами:
b=9.45м; а=14.12м;
=0.24 рад; r =2 -
количество стоек;
=4 -
количество колес на основной стойке. При расчете учтем, что проектируемый
самолет будет эксплуатироваться на бетонных ВПП.
5.1.3 Подбор колес
Подбор колес начинается с выбора
типов пневматика, который выбирается с учетом условий эксплуатации и значений
посадочной и взлетной скоростей.
Так как самолет садится на бетонную
ВПП, то следует установить пневматики высокого давления. Для стояночной
нагрузки на колесо:
;
.
По полученным данным из сортамента
авиационных колес выбираем колесо КТ 81/2 с характеристиками:
,
,
,
,
,
.
При этом условия
,
-
выполняются.
Пересчитаем характеристики колес:
;
;
.
Коэффициент грузоподъемности колеса:
.
Коэффициент перегрузки:
.
При этом требование
удовлетворяется.
Учитывая то, что самолет садится на бетонную ВПП, принято
. Тогда
эксплуатационные нагрузки на колесо:
;
.
Так как стойка содержит спаренные
колеса, то при посадке более нагруженное колесо воспринимает усилие:
.
5.1.4 Определение основных
параметров амортизатора
Эксплуатационная работа, поглощаемая
амортизатором и пневматиком при посадке:
;
где
- редуцированная масса;
- приведенная вертикальная
составляющая скорости самолёта во время удара.
.
Одна стойка воспринимает
эксплуатационную работу:
.
Вычислена эксплуатационная работа,
поглощаемая одним пневматиком при посадке.
;
;
где
- максимально допустимая работа;
- максимально допустимое обжатие
пневматика;
- максимально допустимое усилие.
;
где
- стояночное обжатие пневматика;
-
коэффициент эксплуатационной перегрузки при посадке .
.
Для потребной энергоёмкости
амортизатора получим:
.
Ход амортизатора вычислен по
формуле:
.
где
- эксплуатационная работа
амортизатора;
- коэффициент полноты диаграммы
обжатия амортизатора при восприятии работы
;
- передаточное число при ходе
поршня
.
Полагаем, что стойка телескопическая
и в момент касания колёсами земли ось стойки перпендикулярна поверхности земли.
Для определения поперечных размеров
амортизатора найдена площадь
, по которой газ воздействует на
шток амортизатора. Выбраны значения параметров:
χ=0.1; φ0=0.97.
Тогда:
;
где х - количество амортизаторов на
стойке;
z -
количество колёс на основной стойке;
- стояночное усилие.
Для амортизатора с уплотнением,
закреплёнными на цилиндре: внешний диаметр штока равен величине:
.
где
- площадь, где газ воздействует на
шток амортизатора.
Толщина уплотнительных колец
. Тогда для
внутреннего диаметра цилиндра:
.
Начальный объём
газовой
камеры находим по формуле:
.
Высота газовой камеры при необжатом
амортизаторе равна:
.
Определён предельный ход
амортизатора
и
. Вычислены
вспомогательные величины:
,
- коэффициент полноты диаграммы
обжатия амортизатора при поглощении работы
.
.
;
где
- максимальная стояночная работа;
- максимально допустимая работа;
Z -
количество колёс в носовой стойке;
- начальное давление.
,
где
- предельный ход амортизатора;
- передаточное число,
соответствующее ходу штока
;
- коэффициент полноты диаграммы
обжатия амортизатора при поглощении работы
.
.
Давление газа в амортизаторе при его
максимальном обжатии равно:
.
Высота уровня жидкости над верхней
буксой равна:
,
где
- внешний диаметр штока;
- внутренний диаметр цилиндра.
При этом hжо+hг.о
Smax ; 0.7 +
0.33 ≥ 0.556.
Задаваясь значениями параметров
- конструктивный ход амортизатора;
- опорная база штока;
- суммарный размер узлов крепления
амортизатора;
.
Получаем длину амортизатора в не
обжатом состоянии:
.
Длина амортизатора при
эксплуатационном обжатии равна:
5.2 Определение нагрузок на стойку
шасси при посадке самолета
Коэффициент расчётной нагрузки
равен:

Далее в расчетах использовано
Расчётная величина
и
горизонтальная
нагрузки на
стойку шасси равны:
;
Нагрузка между передней и задней
парами колес распределена обратно пропорционально расстоянию от осей колес до
оси вращения всей тележки. Так как эти расстояния одинаковы, то нагрузка будет
распределена поровну между передней и задней парами колес
, а
распределение нагрузки на колеса одной оси проведено следующим образом:



Расчётное давление газа в
амортизаторе
Газ давит на шток с силой:
;
Несоответствие между силой
и внешней
нагрузкой
объясняется
наличием сил трения в буксах. Следовательно, сила трения в одной буксе:
На верхнем конце штока газ давит на
шток с силой:
Следовательно, между сечениями
верхней и нижней букс шток сжимается силой:
Ниже сечения нижней буксы:
;
На цилиндр газ воздействует с осевой
силой через уплотнение:
Эпюры изгибающих и крутящего
моментов и осевой силы по штоку и цилиндру показаны на рисунках 5.2, 5.3.
Рисунок 5.2 - Эпюры изгибающего и крутящего
моментов.
Рисунок 5.3 - Эпюры осевой силы по штоку и
цилиндру и изгибающего момента
5.3
Определение толщины стенок штока и цилиндра
Расчётным для штока выбрано сечение, проходящее
через центр нижней буксы, для цилиндра - сечение, содержащее шарнир узла
крепления цилиндра подъёмника.
В этих сечениях действуют изгибающие
моменты:
.
Материал для штока и цилиндра -
сталь 30ХГСА, для которой
. При
проектировочном расчете принято Кпл = 1.27,
.
Для цилиндра:
;
Определены вспомогательные величины
А и В:
Тогда толщины равны:
Их этих значений выбрано большее и
введён запас на восприятие осевой силы, т.е. принято:
.
Для штока:
;
Найдены вспомогательные величины А и
В:
;
;
Тогда толщины стенок штока и
цилиндра:
;
.
Принято:
.
5.3 Расчет конструктивных элементов
шасси на прочность
Вычислено напряжение в расчётном
сечении:
,
где
нормальные напряжения, направленные
вдоль оси z;
радиальные напряжения в
цилиндрических элементах;
тангенциальное напряжение разрыва
цилиндрических элементов;
касательные напряжения.
5.3.1 Проверочный расчёт штока
Найдены вспомогательные величины:
;
.
Для напряжений получено:
;
;
;
.
Для более опасного варианта
.
Коэффициент избытка прочности равен:
.
Для штока критические напряжения
потери устойчивости и предельный изгибающий момент:
, где
Тогда,
Т.к.
, то проведена корректировка по
формуле Тетмайера:
,
где
.
При
.
;
Коэффициент избытка прочности равен:
5.3.2 Проверочный расчёт цилиндра
Вспомогательные величины:
;
.
.
Для напряжений:
;
Для более опасного варианта
.
Коэффициент избытка прочности равен:
.
Для критических напряжений при
чистом изгибе:
.
Стенка цилиндра не теряет
устойчивость от сжатия:
;
;
.
Коэффициент избытка прочности равен:
.
5.4 Расчёт ресурса стойки шасси
Из-за опасности усталостного
разрушения элементов конструкции шасси необходимо проводить расчеты
долговечности, как на этапе проектирования, так и после начала эксплуатации
конструкции.
Исходными данными для расчета
долговечности элементов конструкции являются напряжения, возникающие в
элементах в процессе эксплуатации конструкции. Для элементов шасси должна быть
известна частота повторения напряжений на различных этапах типового полета,
включающего выруливание, разбег, пробег и заруливание самолета. При выполнении
проверочных расчетов долговечности конструкции шасси используют данные о
нагруженности элементов.
5.4.1 Расчёт размеров оси колеса
Диаметр оси колеса шасси
определяется по условию:
, где
,
= 1.27 - коэффициент пластичности;
= 1618 МПа (сталь 35ХГСА).
Тогда,
.
найдено, рассматривая ось как
балку, закрепленную жестко на одном конце (рисунок 5.4). На ось действует сила,
равная 176.6 кН. Разложим силу на две равные составляющие и приложим их в месте
расположения подшипников колеса.
Рисунок 5.4 - Схема закрепления оси
колеса
Значение d:
.
5.4.2 Расчёт коэффициента
концентрации напряжений
Коэффициент концентрации напряжений
найден по зависимости:
,
где
- определено методом конечных
элементов (КЭ).
Для проведения расчета
использован
КЭ пакет ANSYS. Создана
конечно-элементная модель оси шасси. В местах размещения подшипников прикложены
вертикальные усилия, равные 88.3 кН. Утолщенная часть оси жесткозакреплена.
Проведен статический расчет. На
рисунке 5.5показано распределение максимальных действующих напряжений.
Рисунок 5.5- Распределение максимальных
напряжений
По результатам расчета
= 3.1 МПа.
Определено номинальное напряжение:
Тогда коэффициент концентрации
напряжений:
.
5.4.3 Расчёт минимального
гарантийного ресурса оси колеса
Изгибающий момент при единичной
перегрузке:
.
Для максимальных напряжений на оси:
.
Величина предела выносливости
гладкого полированного образца из легированной стали:
.
Принимая коэффициент
,
учитывающий качество обработки поверхности детали равным 0.8, получен предел
выносливости:
.
Предел выносливости детали:
.
Для дальнейших расчетов принято
=0.17 -
величина математического ожидания,
- количество перегрузок за один
типовой полет, К=0.5 - учитывает влияние на долговечность минимальных
напряжений, m = 8 -
показатель степени кривой усталости.
Долговечность элементов шасси
, выраженная
в количестве типовых полетов (взлетов и посадок) :
Тогда величины:
;
.
Формула для расчета правой части
линейного суммирования усталостных повреждений имеет вид:
, где
значения
,
-сняты с
графиков P(x,z).
Для заданных условий получено
,
.
Тогда:
.
Долговечность оси колеса:
.
Принимая коэффициент запаса по
ресурсу
, найден
минимальный гарантийный ресурс оси колеса:
посадок.
Заключение о прочности крыла и шасси
самолета
В данной работе проведен расчет на
прочность крыла и шасси пассажирскиго самолета Ту-134.
В результате анализа полученных
результатов сделаны следующие выводы:
· после приложения расчётных нагрузок на крыло не
происходит разрушения, о чем свидетельствуют напряжения, не превышающие предел
прочности
, полученные
при проверочном расчётем (см. таблицу 4.2.
· в ходе проектировочного расчета определены
основные параметры амортизатора стойки шасси. При проведении проверочного
расчета получены коэффициенты запаса прочности, превышающие единицу
(выполняется условие
). Это
сведетельствует о статической прочности амортизатора стойки шасси.
· для предотвращения усталостного разрушении оси
колеса шасси проведен расчет ее долговечности. Минимальный гарантийный ресурс
оси колеса шасси составил
посадок.
Такой ресурс, полученный при проектировании по разрушающим нагрузкам,
недопустим. Поэтому проектировать ось колеса шасси следует на ресурс.
Список использованной литературы
1. Евсеев
Л.А. «Расчёт на прочность крыла большого удлинения». Харьков 1985 г.
. Стригунов
В.М. «Расчёт самолёта на прочность». М. машиностроение 1984 г.
. Кан,
Свердлов «Расчёт самолёта на прочность» М. машиностроение 1966 г.
. Евсеев
Л.А., Миронов К.В., Фомичёв П.А. «Расчёт шасси самолёта на прочность». Харьков
1988 г.