Проектирование завода по производству блоков из перлитобетона
Государственное
автономное образовательное учреждение высшего профессионально образования
«Астраханский инженерно-строительный институт»
РАСЧЕТНО-ГРАФИЧЕСКАЯ
РАБОТА
«ЭФФЕКТИВНОЕ
КОНСТРУИРОВАНИЕ И РАСЧЕТ ЗДАНИЙ И СООРУЖЕНИЙ»
Выполнил:
ст. гр. ПГС-41-11
Зимин А.В.
Астрахань
2015 г.
Содержание
Исходные данные
. Архитектурные решения
. Конструктивные и
объемно-планировочные решения
.1 Архитектурно-строительные решения
ниже отм. 0,000
.2 Архитектурно-строительные решения
выше отм. 0,000
.3 Конструкции железобетонные
3. Расчет многопустотной плиты
перекрытия
.1 Расчет по предельным состояниям
первой группы
.2 Расчет многопустотной плиты по
предельным состояниям второй группы
.3 Потери предварительного
напряжения арматуры
.4 Расчет по образованию трещин,
нормальных к продольной оси
.5 Расчет прогиба плиты
4. Расчет ребристой плиты перекрытия
. Технико-экономическое сравнение
двух видов перекрытия
Список литературы
Исходные данные
Проектируемый объект располагается на территории
Производственно-промышленного предприятия в г. Астрахани.
Климатические условия:
- расчетная температура наружного
воздуха - минус 23 °С;
- нормативное значение ветрового
давления - 38 кг/м ;
- расчетное значение веса снегового
покрова - 80 кг/м .
Основная пожарно-техническая классификация:
- степень огнестойкости сооружения -
II ;
- категория здания по взрывопожарной и
пожарной опасности - Д ;
- класс функциональной пожарной
опасности - Ф5.1 ;
- класс конструктивной пожарной
опасности - С0.
1. Архитектурные решения
Завод по производству боков из перлитобетона
представляет собой одноэтажное, двухпролетное здание с размерами в плане в осях
48,0х114,0 м. с АКБ на отметке +5.400 в осях Д/К и 1/4.
Первый этаж включает в себя следующие помещения:
производственный цех, санузлы. Второй: гардеробные, душевые комнаты, санузлы,
техническое помещение, кладовую и теплогенераторную.
За относительную отметку 0.000 принята отметка
чистого пола здания, соответствующая абсолютной отметке минус 21.450.
Основные технико-экономические
показатели по зданию:
- строительный объем - 65960,0 м3;
- площадь застройки - 8191,0 м2;
в т. ч. цеха - 5633,8 м2; навеса - 2557,2 м2;
- общая площадь - 6021,3 м2;
- площадь производственных помещений -
5524,6 м2;
- площадь бытовых и вспомогательных
помещений - 444,9 м2.
2. Конструктивные и объемно-планировочные
решения
.1 Архитектурно-строительные решения ниже отм.
0,000
Производственный цех
Фундаменты под производственный цех
запроектированы свайные с монолитным железобетонным ростверком.
За относительную отметку "0.000"
принят уровень чистого пола первого этажа, что соответствует абсолютной отметке
минус "21.450".
Сваи приняты марки С70.30-6 по серии 1.011.1 -
10.
Согласно СНиП 2.03.11-85 для защиты от коррозии
сваи выполнить из бетона класса прочности не менее В20 на портландцементе по
ГОСТ 10178-76. Марка бетона по водонепроницаемости W4, по морозостойкости -
F75. Категория требований к трещиностойкости ж/б конструкций - 3, предельно
допустимая ширина непродолжительного раскрытия трещин - 0,2 мм,
продолжительного раскрытия трещин - 0,15 мм, толщина защитного слоя не менее 30
мм.
Ростверк выполнить из бетона класса В20 с
армированием арматурой периодического профиля и гладкой класса А-III и А-I.
В основании железобетонного ростверка и балок
выполнить бетонную подготовку из бетона кл. В7,5 толщиной 100 мм, с обмазкой
верха горячим битумом за два раза.
Цокольные панели толщиной 80, 250 мм выполнить в
опалубке ЦСП по технологии VST. Боковые поверхности фундаментов и стен, соприкасающиеся
с грунтом, обмазать горя- чим битумом за два раза.
Цокольную часть фундаментов отделать в
соответствии с цветовым решением фасадов по утепляющему слою из минеральной
ваты группы НГ, g=80 кг/м3, толщ. 50 мм с защитным слоем из штукатурки по металлической
сетке.
Производство работ в зимних условиях выполнить в
соответствии со СНиП 3.02.01-87 «Земляные сооружения, основания и фундаменты» и
СНиП «Несущие и ограждающие конструкции».
Перечень видов работ на которые обязательно
составление актов на скрытые работы с освидетельствованием представителем
проектной организации:
- испытание свай;
- армирование ростверка;
- устройство бетонной подготовки;
- устройство гидроизоляции.
.2 Архитектурно-строительные решения выше отм.
0,000
Здание каркасное с сеткой колонн 24х6 м. Колонны
железобетонные, балки, прогоны, связи металлические. Ограждающие конструкции и
покрытие - панели трехслойные со стальными облицовками и негорючим
минераловатным утеплителем. Продольная жесткость каркаса обеспечивается вертикальными
связями по каждому ряду колонн. В состав каркаса также входят: - стойки
торцевого фахверка; - встроенные крановые эстакады; - конструкции встроенных
бытовых помещений .
Наружные стены - панели «сэндвич» трехслойные со
стальными облицовками и негорючим минеральным утеплителем по ТУ
5284-001-50901814-99.
Перегородки - из блоков мелких стеновых из
ячеистого бетона толщиной 200 мм по ГОСТ 21520-89 марки D600, F25, с
использованием специального клея для ячеистого бетона, толщина шва 5-7 мм;
гипсокартонные по серии 1.031.9-2.01 «Комплексные системы КНАУФ» Выпуск1.
Перекрытие - железобетонное из пустотных плит.
Перемычки - индивидуальные металлические.
Покрытие - панели «сэндвич» для кровли по ТУ
5284-001-50901814-99, кровельного типа ПКС с фальцем.
Водосток - наружный организованный.
Двери наружные и ворота индивидуальные. Двери
внутренние - индивидуальные. Особенности исполнения дверей в спец. помещениях в
соответствии с противопожарными требованиями.
Полы выполнить в соответствии с экспликацией
полов.
Все работы выполнить в строгом соответствии СНиП
3.03.01-87 "Несущие и ограждающие конструкции" и СНиП 12-03-2001
"Безопасность труда в строительстве".
.3 Конструкции железобетонные
Проект разработан для строительства в IVг
климатическом районе со следующими климатическими характеристиками:
- расчетная температура наружного
воздуха -23 С;
- расчетное значение веса снегового
покрова 80 кг/м2;
- нормативное значение ветрового
давления 38 кг/м2.
Основная пожарно-техническая классификация:
- степень огнестойкости сооружения II
;
- категория здания по взрывопожарной и
пожарной опасности. Д;
- класс функциональной пожарной
опасности Ф5.1;
- класс конструктивной пожарной
опасности С0;
- класс ответственности здания II.
За условную отметку 0.000 принята отметка
чистого пола цеха -21.450.
Производственный цех
В данном проекте разработаны рабочие чертежи
несущих железобетонных конструкций каркаса и ограждающих металлоконструкций
стен и кровли здания цеха.
Здание цеха производства конструкций по
технологии с применением несъемной опалубки представляет собой одноэтажное,
двухпролетное здание с размерами в плане в осях 48,0х114,0 м.
Отметка верха несущих ЖБ конструкций +10.200.
Здание каркасное с сеткой колонн 24х6 м. Колонны
ЖБ, балки, прогоны, связи металлические. Ограждающие конструкции и покрытие -
панели трехслойные со стальными облицовками и негорючим минераловатным
утеплителем.
Каркас здания состоит из поперечных
сплошностенчатых рам, прогонов и панелей кровли. В состав каркаса также входят:
- стойки торцевого фахверка; - встроенные крановые эстакады; - конструкции
встроенных бытовых помещений
Продольная жесткость каркаса обеспечивается
двумя системами вертикальных связей по каждому ряду колонн.
Горизонтальные диафрагмы жесткости по кровле
образуются в связевых панелях, у торцов в край- них 2-х шагах с каждой стороны.
На этих участках панел и покрытия крепятся к прогонам в каждой волне, между
собой панели крепятся с шагом 300 мм, прогоны к ригелям крепятся через
коротыши, имеющие ребра жесткости.
Рамы каркасов запроектированы из
сплошностенчатых элементов: ригели из тонкостенных сборных балок, колонны из
прокатных широкополочных и колонных двутавров (по ГОСТ 26020-83). Колонны рам
закреплены к фундаментам жестко. Узлы сопряжения ригелей между собой и ригелей
с колоннами запроектированы фланцевыми на высокопрочных болтах с
предварительным напряжением. Сопряжение ригелей с колоннами крайних рядов
шарнирное, с колоннами средних рядов - жесткое.
Прогоны в проекте предусмотрены из прокатных
профилей 22 по ГОСТ 8240-97.
Стойки фахверка запроектированы из сварных
гнутых С-образных равнополочных профилей 400Са по ГОСТ 8282-83.
Здание цеха оборудовано мостовыми опорными
кранами грузоподъемностью 5,0 т. Подкрановые балки запроектированы из 30Ш2 по
ГОСТ 26020-83. Продольная жесткость эстакад обеспечивается вертикальными
связями по каждому ряду стоек. Горизонтальные усилия от торможения крановых
тележек воспринимаются рамами каркаса. Узлы крепления подкрановых балок к
стойкам рам запроектированы на болтах. Рельсы для мостовых кранов - из
стального горячекатаного проката 50х50 по ГОСТ 2591-88.
В состав несущих конструкций входят: - колонны;
. Горизонтальную диафрагму жесткости конструкции образует система балок и
прогонов, а также металлический профилированный лист Н57-750-1,0 ГОСТ 24045-94.
Панели профнастила крепить к прогонам самонарезающими винтами через волну. По
концам профнастила - в каждой волне. Крепление профнастила между собой -
комбинированными заклепками.
Наружную и внутреннюю лестницы см. раздел
4.2-АС.
Огнезащитный состав ОЗС-МВ (сертификат
соответствия ССПБ.RU.УП 001.Н00306 от 27.01.04) наносить толщиной,
обеспечивающей пределы огнестойкости конструкций здания II, степени
огнестойкости: несущие конструкции (рамы каркаса, колонны фахверка, связи,
фермы и балки перекрытия антресольного этажа) R90. Толщину слоя уточнить по
фактическим сертификатам.
Изготовление и монтаж конструкций производить в
соответствии с требованиями:
- СНиП 3.03.01-87 «Несущие и
ограждающие конструкции»;
- СНиП II-23-81* «Cтальные
конструкции»;
- СНиП 2.03.11-85 «Защита строительных
конструкций от коррозии»;
- ГОСТ 23118-99 «Конструкции стальные
строительные. Общие технические условия»;
- СП 53-101-98 «Изготовление и контроль
качества стальных строительных конструкций».
Требования к материалу фланцев: - сталь для
фланцев поставляется в термически обработанном состоянии (нормализация или
закалка отпуском) с указанием об этом в сертификате металлургического завода; -
материал фланцев на заводе-изготовителе металлоконструкций подвергается
испытанию на статическое растяжение на образцах, вырезанных из листов в
направлении толщины, по специальной методике.
Монтаж конструкций производить на болтах
нормальной точности и монтажной сварке согласно рабочим чертежам.
Ригели соединять с колонной и между собой
болтами М24 по ГОСТ 22353-77 из стали 40Х "Селект" с характеристикой
6Д110ХЛ1, гайки для них по ГОСТ 22354-77 с характеристикой 6Н110ХЛ1, шайбы по
ГОСТ 22355-77; технические требования к высокопрочным болтам, гай- кам и шайбам
по ГОСТ 22356-77.
Болты - нормальной и грубой точности М20 класса
5.8 по ГОСТ 7798-70* и ГОСТ 15589-70*. Требования к болтам и гайкам по разделу
2 СНиП II-23-81. Применение автоматной стали не допускается.
Зазор между фланцами монтажных стыков до
предварительного напряжения болтов в зоне поперечного сечения ригеля должен
быть не более 0,3 мм, на краях фланца не более 1,0 мм.
Болты нормальной и грубой точности в болтовых
соединениях должны быть предохранены от раскручивания.
Усилие предварительного натяжения высокопрочных
болтов во фланцевых соединениях - 23 тс, во фрикционных 27 тс.
Коэффициент трения во фрикционных соединениях на
высокопрочных болтах принят равным 0,35 (очистка поверхности ручными или механическими
щетками).
3. Расчет многопустотной плиты перекрытия
.1 Расчет по предельным состояниям первой группы
Расчетный пролет плиты перекрытия ℓ0
= 5,98 м.
Проведем сбор нагрузок на 1 м2 плиты,
таблице 3.1
Таблица 3.1 Сбор нагрузок на перекрытие на 1 м2
|
Вид
нагрузки
|
Нормативная
нагрузка, Н/м2
|
gf
|
Расчетная
нагрузка, Н/м2
|
|
Постоянная
нагрузка:
|
|
Собственный
вес плиты
|
3000
|
1,1
|
3300
|
|
Состав
пола:
|
|
|
|
|
Линолеум,
6 кг/м2
|
60
|
1,3
|
78
|
|
Стяжка
из цементно-песчаного раствора М150, d=40 мм
|
600
|
1,3
|
780
|
|
ДВП
|
80
|
1,3
|
|
Керамзитобетон
М75
|
160
|
1,3
|
208
|
|
Итого
постоянная нагрузка:
|
4660
|
|
5458
|
|
Временная
в т.ч. длительная: перегородки
|
2160
|
1,2
|
2592
|
|
Полезная
нагрузка
|
2000
|
1,2
|
2400
|
|
Полная
нагрузка
|
8820
|
|
10450
|
Рис. 1
Расчетная нагрузка на 1 м при ширине плиты 1,5 м
с учетом коэффициента надежности по назначению здания gn=0,95;
постоянная:
кН/м;
полная:
кН/м;
кН/м.
Нормативная нагрузка на 1 м: постоянная:
кН/м;
полная:
кН/м;
Усилия от расчетных и нормативных нагрузок: от
расчетной нагрузки:
кН·м;
кН.
От полной нормативной нагрузки:

кН·м;
кН.
От нормативной постоянной и длительной нагрузок:
кН·м.
Высота сечения многопустотной (6 круглых пустот Æ159
мм) предварительно напряженной плиты:
см;
рабочая высота сечения:
см.
Размеры плиты:
толщина верхней и нижней полок (20-16)´0,5=2
см;
ширина ребер: средних 3,5 см, крайних 4,65 см.
В расчетах по предельным состояниям первой
группы расчетная толщина сжатой полки таврового сечения hf’=
2 см; отношение hf’/h=2/20=0,1³0,1,
при этом в расчет вводится ширина полки bf’=146
см; расчетная ширина ребра
b=146-6´15,9=51
см.
Пустотную предварительно напряженною плиту
армируют стержневой арматурой класса АV
с электротермическим натяжением на упоры форм. К трещиностойкости плит
предъявляют требования третьей категории. Изделие подвергают тепловой обработке
при атмосферном давлении. Бетон тяжелый класса В25 соответствующий напрягаемой
арматуре. Нормативная призменная прочность Rbn=Rb,
ser=18,5
Мпа, расчетная Rb=14,5
МПа, коэффициент условия работы бетона gb2=0,9;
нормативное сопротивление при растяжении Rbth=Rbt,
ser=1,6
МПа, расчетное Rbt=1,05
МПа, начальный модуль упругости бетона Eb=30000
МПа. Передаточная прочность бетона Rbp
устанавливается так, чтобы при обжатии отношение напряжений sbp/Rbp£0,75.
Арматура продольных ребер класса А-V,
нормативное сопротивление Rsn=785
МПа, расчетное сопротивление Rs=680
МПа; модуль упругости Еs=190000
МПа.
Предварительное напряжение арматуры принимаем
равным:
.
Проверяем выполнение условия:
где ssp
- значение предварительного напряжения в арматуре.
При электрохимическом способе натяжения p=30+360/ℓ,
где ℓ - длина натягиваемого стержня, p
= 30+360/6 = 90 МПа,
,
условие выполняется.
Вычисляем предельное отклонение предварительного
напряжения по формуле:
где n
- число напрягаемых стержней плиты np=2.
.
Коэффициент точности напряжения при
благоприятном влиянии предварительного напряжения определяется по формуле:
При проверке по образованию трещин в верхней
зоне плиты при обжатии принимают gsp=1+0,16=1,16.
Предварительное напряжение с учетом точности
натяжения:
.
Рассчитаем прочность плиты по сечению,
нормальному к продольной оси (М=64,4 МПа).
Сечение тавровое с полкой в сжатой зоне.
Подбираем сечение по заданному моменту.
Находим:
,
по СНиП находим x=0,125; c=xh0=0,125´17=2,13
см < 3 см, нейтральная ось проходит в пределах сжатой полки x=0,938.
Граничная высота сжатой зоны:
,
здесь
.
Коэффициент условий работы, учитывающий
сопротивление напрягаемой арматуры выше условного предела текучести, определяют
по формуле:
где h=1,15 - для
арматуры класса А-V; принимают gsb=h=1,15.
Вычисляем площадь сечения напрягаемой арматуры:
.
Принимаем 8Æ10А-V,
Аs=9,28
см2.
Проведем расчет прочности плиты по сечению,
наклонному к продольной оси, Q=43,8
кН.
Влияние усилия обжатия Р = 338 кН:
,
где jn
- коэффициент, учитывающий влияние продольных сил.
Проверяем, требуется ли поперечная арматура по
расчету. Условие:
При
и поскольку
,
принимаем с=2,5h0=2,5´17=42,5
см.
Другое условие (поперечная сила в вершине
наклонного сечения):
,
если
то
поперечная арматура по расчету не требуется:
следовательно, поперечная арматура по расчету не
требуется.
На приопорных участках длиной ℓ/4 арматуру
устанавливаем конструктивно, Æ4Вр-I
с шагом S = h/2
= 20 / 2 = 10 см, в средней части пролета поперечная арматура не ставится.
.2 Расчет многопустотной плиты по предельным
состояниям второй группы
Геометрические характеристики приведенного
сечения
Круглое очертание пустот заменяем эквивалентным
квадратным очертанием со стороной h=0,9d=0,9´16=14,4см.
Толщина полок эквивалентного сечения:
Ширина ребра равна:
Площадь приведенного сечения определим по
формуле:
Расстояние от нижней грани до центра тяжести
приведенного сечения определим по формуле:
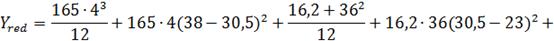
Момент инерции симметричного сечения равен:
Момент сопротивления сечения по нижней зоне
определим по формуле:
то же, по верхней зоне W’red=13689,7
см3.
Расстояние от ядровой точки, наиболее удаленной
от растянутой зоны (верхней), до центра тяжести сечения равно:
где 
Отношение напряжения в бетоне от нормативных
нагрузок и усилие обжатия к расчетному сопротивлению бетона для предельных
состояний второй группы предварительно принимаем равным - 0,75.
Упругопластический момент сопротивления по
растянутой зоне согласно формуле:
где g - коэффициент,
учитывающий влияние неупругих деформаций бетона растянутой зоны в зависимости
от формы сечения. Для тавровых сечений при hf/h<0,2;
принимают g=1,5.
Упругопластический момент сопротивления в
растянутой зоне в стадии изготовления и обжатия W’pl=20535
см3.
.3 Потери предварительного напряжения арматуры
Коэффициент точности натяжения арматуры
принимаем gsp=1.
Потери от релаксации напряжений в арматуре при электротермическом способе
натяжения s1=0,03; ssp=0,03´470=14,1
МПа. Потери от температурного перепада между натянутой арматурой и упорами s2=0,
т.к. при пропаривании форма с упорами нагревается вместе с изделием.
Усилие обжатия:
Эксцентриситет этого усилия относительно центра
тяжести сечения
еор=10-3= 7 см. Напряжение в бетоне
при обжатии определим по формуле:
Устанавливаем значение передаточной прочности
бетона из условия
Принимаем Rвр=12,5
МПа, тогда отношение
.
Вычисляем сжимающие напряжения в бетоне на
уровне центра тяжести площади напрягаемой арматуры от усилия обжатия (без учета
момента от веса плиты):
Потери от быстронатекающей текучести при
и
при
Первые потери
с
учетом slos1,
напряжение sвр=3,2 МПа;
Потери от усадки бетона sв=35
МПа.
Потери от ползучести бетона s9=150´0,85´0,35=44,6
МПа.
Вторые потери:
Полные потери:
т.е. больше установленного минимального значения
потерь.
Усилия обжатия с учетом полных потерь:
.4 Расчет по образованию трещин, нормальных к
продольной оси
Для расчета по трещиностойкости принимаем
значения коэффициентов надежности по нагрузке gf=1,
М=54,5 кН´м.
Поскольку М=54,5 кН´м
< 76,1 кН´м, трещины в растянутой зоне не
образуются.
Проверяем, образуются ли начальные трещины в
верхней зоне плиты при ее обжатии, при значении коэффициента точности натяжения
gsp=1,1
(момент от веса плиты не учитывается). Расчетное условие:
условие выполняется, следовательно, начальные
трещины не образуются.
.5 Расчет прогиба плиты
Прогиб определяется от постоянной и длительной
нагрузок и он не должен превышать ℓ/200=2,99 см.
Вычисляем параметры, необходимые для определения
прогиба плиты с учетом трещин в растянутой зоне.
Момент от постоянной и длительной нагрузок М =
54,5 кН´м.
Суммарная продольная сила равна усилию предварительного обжатия с учетом всех
потерь. Вычисляем jm
по формуле:
принимаем jm=1.
Коэффициент, характеризующий неравномерность
деформации растянутой арматуры на участке между трещинами, определяем по
формуле:
Вычисляем кривизну оси при изгибе по формуле:
Вычисляем прогиб плиты по формуле:
следовательно, плита имеет допустимый прогиб.
плита перекрытие арматура напряжение
4. Расчет ребристой
плиты
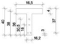
Рисунок 4.1 - Конструктивные размеры плиты
Масса плиты покрытия.
Где
-
объем бетона полки, продольных и поперечных ребер соответственно,
Рисунок 4.2 - Геометрические характеристики
полки и ребер
Расчетные характеристики материалов
Рисунок 4.3 - Определение характеристик,
приведение к тавровой форме
(мм)
где
-
защитный слой бетон, d
- диаметр продольной арматуры
Для арматуры класса А II
Класс бетона В30
Определение расчетных и нормативных нагрузок
Рисунок 4.4 - Расчетные и нормативные нагрузки
Расчетный пролет продольного ребра
Изгибающий момент от полной расчетной и
нормативной нагрузки
Поперечные силы от полной расчетной и
нормативной нагрузки
Установление размеров сечения плиты
Сечение плиты для упрощения расчета приводим к
тавровой форме образуемой полкой и ребрами.
Коэффициент запаса армирования не должен
превышать 5%
Рисунок 4.5- Армирование плиты
Расчет прочности плиты по сечению, нормальному к
продольной оси
Вычисляем
По таблице принимаем значения
Высота сжатой зоны
Проверка
;
3,7 мм<40 мм ;
Площадь продольной арматуры

Расчет полки плиты
В ребристых плитах ребрами вниз
защемление полки создают заливкой бетоном швов, препятствующей повороту ребра.
Максимальный изгибающий момент равен (для полосы 1м)
Где
- расчетный
пролет
с
Рабочая высота
=абочая высотаtn ребрами вниз нию должен превышать
a - защитный слой
бетона d=6 мм
По таблице принимаем значения
Высота сжатой зоны
Проверка
,85<8,322
Площадь продольной арматуры
По таблице принимаем сетку
с
шагом 350 мм ,
Расчет прочности поперечного ребра плиты
Поперечные ребра жестко заделаны в продольные ребра
и соединены с полкой. При расчете на прочность, поперечное ребро
рассматривается, как балка тавровой формы.
Рисунок 4.6 - Балка тавровой формы
Ширина полки
Выбираем наименьшее
=450
мм,
Постоянная нагрузка на 1 погонный метр ребра
Изгибающий момент на опоре и в пролете
Расчетная высота сечения
По таблице принимаем значения
,
x<
0,012<0,04
Принимаем
ВрI
,
=0,0071
Определение геометрических характеристик
приведенного сечения
Отношение модулей упругости:
Рисунок 4.7 - Геометрические характеристики
приведенного сечения
Площадь приведенного сечения
Статический момент площади приведенного сечения
относительно нижней грани.
Расстояние от нижней грани до центра тяжести
приведенного сечения.
Момент инерции
Момент приведенного сечения по нижней грани:
см
Расстояние от ядровой точки, наиболее удаленной
от растянутой зоны до центра тяжести
Тоже наименьшее удаленной от растянутой зоны
Где
Отношение напряжения в бетоне от нормативных
нагрузок усиление обжатия к расчетному сопротивлению бетона для предельных
состояний второй группы предварительно принимаем 0,75
Упругопластический момент сопротивления по
растянутой зоне определяем:
Где
для
таврового сечения с полкой в растянутой зоне.
5. Технико-экономическое
сравнение двух видов покрытия
Основным критерием выбора оптимального варианта
покрытия является его стоимость, которая может быть определена по укрупнённым
показателям.
Значительное влияние на выбор варианта могут
оказать трудоёмкость возведения перекрытия и его материалоёмкость.
Сравнение вариантов произведём под всю площадь
здания для монолитного и сборного вариантов перекрытия
Сравнение вариантов выполним в табличной форме.
Покрытия в случае необходимости должно
удовлетворять также и специальным требованиям: водонепроницаемости,
газонепроницаемости, противогнилостной устойчивости. Иногда покрытия участвуют
в обеспечении устойчивости многоэтажного здания. При этом сами покрытия должны
обладать необходимой жесткостью и передавать горизонтальные усилия на
расположенные в средней части здания устойчивые элементы, например, коробки
лестничных клеток, лифтовые шахты и пр.
Таблица 5.1. Сравнение вариантов покрытий
|
Конструкция
перекрытия
|
Приведенная
толщина в см
|
Расход
материала
|
|
|
Сталь
в кг
|
Цемент
в кг
|
Лес
в кг
|
|
Сборное
из многопустотных панелей
|
11
|
5,4
|
35
|
-
|
|
Сборное
из ребристых панелей
|
14
|
9,4
|
54
|
-
|
|
Из
сборных железобетонных балок с накатом из гипсобетонных плит
|
-
|
7
|
12
|
-
|
|
Деревянные
балки с накатом из гипсобетонных плит
|
-
|
-
|
-
|
0,33
|
Вывод: более экономичным является сборное
покрытия из многопустотных плит.
Список использованных источников
1.
СНиП
2.01.07-85 Нагрузки и воздействия. М.: ЦИТП Госстроя СССР, 1986.
2.
СНиП
2.03.01-89 Жилые здания. - М.: Изд. ЦИТП Госстроя СССР, 1989.
3. СНиП
2.03.01-84 Бетонные и железобетонные конструкции. М.: ЦИТП Госстроя СССР, 1985.
4.
Пищаленко
М.Ю. Технология возведения зданий и сооружений - Киев.: Высшая школа, 1982.
5.
Байков
В.Н., Сигалов Э.Е. Ж/бетонные конструкции. Общий курс. М.: Стройиздат, 1991.
6.
Дикман
Л.Г. Оргенизация, планирование и управление строительным производством. - М.:
Высшая школа, 1982 г.
7.
Конструкции
гражданских зданий. Т.Г. Маклонова, С.И. Насонова - М.: Стройиздат, 1986 г.
8.
Шерешевский
И.А. Конструирование гражданских зданий. Л.: Стройиздат, 1986.