Методика измерения дегазации твердых тел

  • Вид работы:
    Контрольная работа
  • Предмет:
    Физика
  • Язык:
    Русский
    ,
    Формат файла:
    MS Word
    961,8 Кб
  • Опубликовано:
    2015-05-20
Вы можете узнать стоимость помощи в написании студенческой работы.
Помощь в написании работы, которую точно примут!

Методика измерения дегазации твердых тел

Министерство образования и науки Российской Федерации Федеральное государственное автономное образовательное учреждение

высшего профессионального образования «Уральский федеральный университет имени первого Президента России Б.Н.Ельцина»

Физико-технологический институт

Кафедра технической физики







Контрольная работа

Методика измерения дегазации твердых тел


Студент

Скворцов Д.В.





Екатеринбург 2014

Содержание

Введение

.         Основы метода высокоточной гелиевой дефектоскопии

.1 Дефекты в кристаллах

.2 Растворимость гелия в кристаллах с дефектами вакансионного типа

. Схема термодесорбционной установки и методика измерений

.1 Экспериментальная установка

.1.1 Система вакуумирования

.1.2 Система калибровки масс-спектрометра

.1.3 Система повышения давления гелия в ячейке насыщения

.1.4 Диффузионная ячейка

.1.5 Система нагрева и контроля температуры ячеек насыщения и дегазации

Заключение

Список использованных источников

Введение

Данная работа посвящена исследованию диффузии гелия в кристаллах с дефектами вакансионного типа. Диффузия гелия представляет особый интерес ввиду его высокой подвижности в кристаллической решетке.

Метод термодесорбционной гелиевой дефектоскопии применяется в исследовании характеристик переноса и растворимости гелия в ионных системах и металлах. Данный метод позволяет исследовать процессы растворения и диффузии гелия в равновесных условиях. Представляется актуальным исследование взаимодействия гелия с многозарядными ионами в оксидном ядерном топливе и его структурных аналогах, поскольку для ионных систем были зарегистрированы аномально высокие энергии растворения гелия, свидетельствующие о химическом характере связи растворенного гелия с ионами.

Целью данной учебно-исследовательской работы является изучение различных типов дефектов и механизм диффузии гелия в них, знакомство со схемой термодесорбционной установки, принципом ее действия и потенциальными возможностями.

гелий дефектоскопия  температура спектрометр

1. Основы метода высокоточной гелиевой дефектоскопии

.1 Дефекты в кристаллах

Газы, обладая относительно высокой подвижностью, достаточно быстро проникают в кристалл, объединяясь с существующими дефектами решетки, приводя к изменению свойств, влияют на электронную плотность, искажают исходную решетку, изменяя ее геометрические параметры, динамические свойства, образуют новые фазы. При этом тип дефектов, с которыми взаимодействуют атомы, в существенной мере определяют характер измеряемых свойств. Указанное явление при реализации целенаправленного воздействия атомов газа на дефекты может применяться для получения заданных характеристик кристаллов. Наличие дефектов в кристаллах уже определяет существенные изменения свойств в оптических характеристиках, электропроводности, прочности, газовой проницаемости и т.д. Локальное воздействие с помощью газовых атомов на дефекты обладает не меньшей эффективностью, чем наличие самих этих дефектов. Изменение свойств можно достигать как при газовом легировании, так и при глубокой очистке при дегазации кристаллов.

В диффузионных экспериментах газ может выступать не только как средство достижения новых характеристик твердого тела, определения коэффициентов переноса, оценки энергетического состояния газа, характера его взаимодействия с дефектами кристалла, но и как инструмент исследования собственно дефектов решетки.

Растворимость газа в ионных кристаллах связано с наличием различных позиций для внедрения атомов. Ими могут служить междоузлия и различного рода структурные нарушения идеальной кристаллической решетки - дефекты, которые, как известно, присутствуют в любом реальном кристалле.

В соответствии с геометрической классификацией выделяют:

·        Нульмерные (точечные) дефекты - примесные атомы, вакансии и междоузельные ионы (рисунок 1.1).

·        Одномерные (линейные) дефекты - цепочки точечных дефектов, краевые и винтовые дислокации (рисунок 1.2.).

·        Двухмерные (поверхностные) дефекты - поверхность кристаллов, границы блоков, зерен, доменов (рисунок 1.3.).

·        Трехмерные (объемные) дефекты - скопления точечных дефектов, полости и поры, которые образуются в процессе роста кристалла и часто содержат газовожидкие включения и другие макроскопические образования. Энергетические позиции растворения газа в различных дефектах кристаллов представлены на рисунке 1.4.

Рисунок 1.1. Типы точечных дефектов кристаллической решетки: межузельный атом (1), вакансия (2), примесные внедрения (3) и замещения (4).

Рисунок 1.2. а - краевая дислокация в кристалле как появление лишней атомной плоскости; линия дислокации перпендикулярна плоскости рисунка; б - винтовая дислокация в кристалле; линия дислокации - вертикальная пунктирная линия.

Рисунок 1.3. а, б - большеугловые границы зерен; на рис.(б) четко видна неупорядоченность на границе; в,г - малоугловые границы субзерен; в наклонная, представляющая собой ряд краевых дислокаций; г - граница кручения, состоящая из винтовых дислокаций.

Рисунок 1.4. 1 - междоузлие; 2 - вакансия; 3,4 - объемные дефекты различного размера; EigP, EVgP, EdgP, EclP - энергия растворения атомов газа в междоузлиях, вакансиях, дислокациях и вакансионных кластерах; EiD, EVD - энергия активации междоузельной диффузии и диффузии по вакансиям.

Как следует из рисунка 1.4., большинство дефектов более выгодны для расположения примесных атомов газа, поскольку почти все они представляют собой зону разупорядочения идеального кристалла, имеющую меньшую плотность в сравнении с идеальной решеткой и содержащую в связи с этим вакантные места, в которых без особых энергетических затрат могут располагаться примесные газовые атомы.

.2 Растворимость гелия в кристаллах с дефектами вакансионного типа

Дефекты решетки подразделяют на равновесные и неравновесные. Равновесные дефекты обязаны своим происхождением тем или иным условиям термодинамического равновесия, в которых находится кристалл, например, вакансии и междоузельные ионы, образующиеся в результате собственного термического разупорядочения решётки (дефекты Шоттки и Френкеля).

Дефе́кт по Фре́нкелю (пара Френкеля) - точечный дефект кристалла <https://ru.wikipedia.org/wiki/%D0%94%D0%B5%D1%84%D0%B5%D0%BA%D1%82%D1%8B_%D0%BA%D1%80%D0%B8%D1%81%D1%82%D0%B0%D0%BB%D0%BB%D0%B0>, представляющий собой пару, состоящую из вакансии <https://ru.wikipedia.org/wiki/%D0%92%D0%B0%D0%BA%D0%B0%D0%BD%D1%81%D0%B8%D1%8F_%28%D1%84%D0%B8%D0%B7%D0%B8%D0%BA%D0%B0%29> и междоузельного атома <https://ru.wikipedia.org/wiki/%D0%9C%D0%B5%D0%B6%D1%83%D0%B7%D0%B5%D0%BB%D1%8C%D0%BD%D1%8B%D0%B9_%D0%B0%D1%82%D0%BE%D0%BC> (иона <https://ru.wikipedia.org/wiki/%D0%98%D0%BE%D0%BD>). Образуется в результате перемещения атома (иона) из узла кристаллической решётки в междоузлие, то есть в такое положение, которое в идеальной решётке атомы (ионы) не занимают (рисунок 1.5.).

Рисунок 1.5. Дефект по Френкелю в кристалле NaCl.

Дефект по Шо́ттки - вакансия <https://ru.wikipedia.org/wiki/%D0%92%D0%B0%D0%BA%D0%B0%D0%BD%D1%81%D0%B8%D1%8F_%28%D1%84%D0%B8%D0%B7%D0%B8%D0%BA%D0%B0%29> атома <https://ru.wikipedia.org/wiki/%D0%90%D1%82%D0%BE%D0%BC> (иона <https://ru.wikipedia.org/wiki/%D0%98%D0%BE%D0%BD>) в кристаллической решётке, один из видов точечных дефектов <https://ru.wikipedia.org/wiki/%D0%94%D0%B5%D1%84%D0%B5%D0%BA%D1%82%D1%8B_%D0%BA%D1%80%D0%B8%D1%81%D1%82%D0%B0%D0%BB%D0%BB%D0%B0> в кристаллах <https://ru.wikipedia.org/wiki/%D0%9A%D1%80%D0%B8%D1%81%D1%82%D0%B0%D0%BB%D0%BB>, от дефекта по Френкелю <https://ru.wikipedia.org/wiki/%D0%94%D0%B5%D1%84%D0%B5%D0%BA%D1%82_%D0%BF%D0%BE_%D0%A4%D1%80%D0%B5%D0%BD%D0%BA%D0%B5%D0%BB%D1%8E> отличается тем, что его образование не сопровождается возникновением междоузельного атома (иона) (рисунок 1.6.).

Рисунок 1.6. Дефект по Шоттки две вакансии ионов противоположных знаков в кристалле NaCl.

Существование неравновесных дефектов обусловлено условиями роста кристалла, это различного рода примесные атомы, отличающиеся по химическим свойствам от собственных атомов решетки, междоузельные ионы и вакансии, которые выполняют роль зарядовых компенсаторов иновалентных примесей, дислокации. Часто неравновесные дефекты решетки стабилизируются электрическими, магнитными или упругими полями, возникающими при росте кристалла, фазовых превращениях или внешних воздействиях. За счет только лишь теплового движения эти дефекты не могут полностью покинуть кристалл даже за длительный промежуток времени. Их плотность удается снизить лишь путем совершенствования методов получения и обработки кристаллов.

Для получения растворимости газа в дефектном кристалле рассмотрим термодинамическое равновесие газ - дефектный кристалл при постоянной температуре и давлении.

Тогда полный потенциал Гиббса для раствора газа в кристалле:

 (1.1)

где  - энергия Гиббса дефектного кристалла;

- число атомов, занимающих  энергетическую позицию;

 - число энергетических позиций, занимаемых атомами газа;

- изменение потенциала Гиббса для дефектного кристалла при введении одного атома газа в энергетическую позицию без учета конфигурационной энтропии;

 - конфигурационная энтропия, где  - число различных способов реализации данного энергетического состояния раствора газ-кристалл, где  - полное число мест, характеризуемых -м значением энергии, по которым распределяется  атомов газа.

Тогда:

 (1.2)

В условиях термодинамического равновесия между газом “растворенным” в кристалле и газам, образующим атмосферу вокруг кристалла выполняется равенство химических потенциалов атомов , где  - химический потенциал атомов газа, занимающих энергетическую позицию в дефектном кристалле,

 - химический потенциал для инертного газа при давлении в газовой фазе -  и температуре , имеет вид:

, (1.3)

где  - масса газа;  - кратность вырождения (, где  - ядерный спин атома)


Применяя формулу Стирлинга () и дифференцируя выражение (1.2), получим

 (1.5)

 (1.6)

 (1.7)

С учетом выражений (1.3) и () для концентраций газа, растворенного в кристалле в энергетической позиции имеем выражение :

 (1.8)

Общая концентрация газа в кристалле определяется соотношением:

, (1.9)

где ; (1.10)

- концентрация дефектов -го сорта.

Выражение устанавливает однозначную связь растворимости с давлением, температурой насыщения и концентрацией дефектов в кристалле.

Интерес представляет рассмотрение двух предельных случаев: малого и полного заполнения дефектов в кристалле.

Первый случай реализуется при малом давлении насыщения и высокой концентрации . При этом значение

 (1.11)

 (1.12)

При отличающихся энергиях растворения для различных позиций атомов газа в кристалле возможна смена механизмов растворения при некоторой температуре. Чем больше различие в энергиях, тем более явно должен выражаться переход от одного механизма растворения к другому, при его смене с изменением температуры. Значение температуры, при которой происходит изменение, зависит от предэкспоненциальных множителей и при наличии лишь двух механизмов может быть определено из (1.11).

При этом низкотемпературной области соответствует растворение газа в примесных дефектах, высокотемпературный - механизм, обусловленный собственным разупорядочением кристалла. В числе местоположений для атомов газа, концентрация которых зависит от температуры, следует отнести термические вакансии, неравновесные дефекты типа радиационных, комплексы дефектов. Если число вакансий растет с температурой, то количество неравновесных дефектов или комплексов в результате отжига уменьшается.

2. Схема термодесорбционной установки и методика измерений

.1 Экспериментальная установка

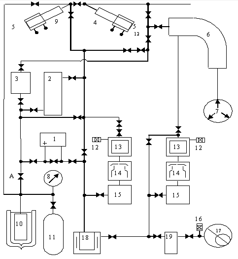
Для проведения термодесорбционных исследований поликристаллического диоксида церия с нанокристаллической структурой использована установка [1], схема которой представлена на рисунке 2.1. Установка гелиевой термодесорбционной дефектоскопии кристаллов состоит из системы вакуумирования, системы регистрации малых концентраций гелия, диффузионной ячейки, системы контроля и регулирования температуры камер диффузионной ячейки, системы калибровки масс-спектрометра и напуска газа в камеру насыщения образцов. Произведено восстановление камер диффузионной ячейки установки, с целью получения возможности проводить серии измерений на одиночных образцах, перебрасывая их в вакууме для насыщения и дегазации из одной камеры в другую. Так же заменены части трасс и вентили в системе калибровки.

.1.1 Система вакуумирования

Для предварительной откачки и глубокого вакуумирования системы использовали форвакуумный пластинчато-роторный насос (рисунок 2.1, 17), диффузионный паромаслянный насосы Н-100/350 (рисунок 2.1, 14), сорбционную (рисунок 2.1, 19), азотную и механическую ловушки (рисунок 2.1, 13). Помимо гелия в камере спектрометра обычно присутствуют остаточные газы: O2, CO2, CO, N2, H2, пары воды, молекулы органических соединений. Для обеспечения в замкнутом объеме камеры анализатора спектрометра необходимого разрежения один из диффузионных насосов заменен на геттерный насос (рисунок 2.1, 7), сорбирующий остаточные газы и не поглощающий гелий. Рабочей жидкостью в диффузионном насосе служит полифениловый эфир. Узлы и детали системы, как и установки в целом, изготовлены из стали марки 12Х18Н10Т. Разъемные соединения уплотняются медными или алюминиевыми прокладками стандартными методами, которые обеспечивают надежное вакуумно-плотное соединение прогреваемых высоковакуумных узлов.

Глубина разрежения на форвакуумной трассе контролируется с помощью манометрических термопарных преобразователей (ПМТ-4М) (рис. 2.1, 16). Величина давления остаточного газа в высоковакуумных узлах системы измеряется магнитоионизационным датчиком (МИД) (рисунок 2.1, 12). Предельно достижимое давление в системе составляет ~ 2.7×10-7 Pa.

Рисунок 2.1 - Схема установки.

- оптический манометр; 2 - калиброванный объём V1; 3 - калиброванный объём V2; 4 - измерительная камера; 5 - печи нагрева камер; 6 - масс-спектрометр МИ-1201Б; 7 - геттерный насос; 8 - пружинный манометр; 9 - камера насыщения; 10 - камера для подъёма давления с сосудом Дюара; 11 - баллон с газом; 12 - магнитоионизационный датчик давления (МИД); 13 - азотная ловушка; 14 - диффузионный насос; 15 - форвакуумный баллон; 16 - манометрический термопарный прибор (ПМТ-4М); 17 - форвакуумный насос; 18 - сорбционный насос; 19 - сорбционная ловушка.

.1.2 Система калибровки масс-спектрометра

Система калибровки масс-спектрометра (рисунок 2.2) состоит из двух объемов известной величины: малого объема V2 = (1.23 ± 0.02) сm3 (рисунок 2.2, 1) и большого V1 = (4057 ± 20) сm3 (рисунок 2.2, 2). Двух-объемная система используется по причине необходимости снижения давления гелия из баллона, т.к. паспортное значение давления при калибровке масс-спектрометра должно составлять ~ 3×10-5 Pа.

Рисунок 2.2 -Схема узла калибровки.

- масс-спектрометр МИ-1201Б; 2-геттерный насос; 3 - калиброванный объем V1; 4 - калиброванный объем V2; 5 - оптический манометр; 6 - пружинный манометр; 7 - баллон с гелием; А, В - к вакуумной системе.

Для контроля давления в объёме V2 к трассе подключен оптический манометр ОМ-7 величина давлений, регистрируемых оптическим манометром, лежит в пределах (0 ¸ 1) мм Hg. В ходе работы была произведена замена вентилей 1,2,3,4 (рисунок 2.1), по причине неустранимых натечек через фторопластовые уплотнения, и соединяющих данные вентиля с остальной системой трасс. Замена вентилей и трасс привела к необходимости измерения изменённых объемов.

.1.3 Система повышения давления гелия в ячейке насыщения

Для термодесорбционных исследований при давлениях насыщения порядка 10¸35 МПа возникает необходимость увеличения давления гелия, доступного для исследований. Гелий в объеме баллона (рисунок 2.1, 11) имеет давление не более 12 МПа. Чтобы увеличить его до больших величин, требуемых в эксперименте, использовали объем V3 (рисунок 2.1, 10), который охлаждали жидким азотом.

Методика повышения давления насыщения следующая. Образец помещается в камеру насыщения диффузионной ячейки, которую необходимо откачать до высокого вакуума, после чего ячейка насыщения отсекается вентилями (рисунок 2.1, А,16,14). Затем напускается в отсеченный объем гелий из баллона. При этом гелию из открытого баллона были доступны ячейка насыщения (рисунок 2.1, 9), манометр (рисунок 2.1, 8) и трассы их соединяющие. После того, как давление в этом объеме перестаёт уменьшаться при продолжающемся охлаждении объема V3, охлаждение прекращают, отсекается баллон и нагревается объем V3 до комнатной температуры, Полученное в результате давление контролируется по манометру, избыток гелия стравливается обратно в баллон.

2.1.4 Диффузионная ячейка

Диффузионная ячейка (рисунок 2.3), предназначена для дегазации в вакуум исследуемых образцов, насыщенных гелием при определенном давлении газа и заданной температуре.

Как показали термодесорбционные эксперименты, проведенные ранее, значительная трудность применения данного метода исследований заключается в необходимости учета фона, обусловленного гелием, диффундирующим из газонасыщенных стенок измерительной камеры при дегазации образца, в том случае, если камера ячейки используется как для насыщения так и для дегазации кристалла.

Данная конструкция ячейки дает возможность загружать образец в камеру дегазации, не нарушая вакуум в камере насыщения, что исключает возможность загрязнения ее поверхности газами и парами воды, адсорбирующимися из атмосферного воздуха при разгерметизации. Последние при нагреве могут вступать в химическое взаимодействие с образцом, вызывая образование в кристалле дополнительных дефектов. Ячейка дает возможность проводить серии измерений на одиночных образцах, перебрасывая их в вакууме для насыщения и дегазации из одной камеры в другую.

Камеры состоят из двух сваренных между собой частей - холодной и горячей. Холодная часть изготовлена из нержавеющей стали 12Х18Н10Т - немагнитного материала, позволяющего перемещать магнитом шток толкателя при перегрузке образцов.

Для повышения чистоты эксперимента горячие зоны обеих камер, в которых находился нагреваемый образец, изготовлены из никеля. Также из никеля изготовлены толкатели (рисунок 2.3, 3,5) и магнитные части штоков толкателей (рисунок 2.3, 4,6).

Рисунок 2.3 - Диффузионная ячейка: 1 - камера насыщения, 2 - камера дегазации, 3, 5 - толкатель, 4, 6 - шток толкателя, 7, 8 - печи, 9 - вакуумный вентиль.

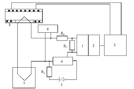
.1.5 Система нагрева и контроля температуры ячеек насыщения и дегазации

Установка и регистрация температуры, автоматическое слежение за ее стабильностью при насыщении или дегазации образцов осуществляется с помощью системы нагрева и контроля температуры (рисунок 2.4). Нагрев и отжиг ячеек насыщения и дегазации осуществляли наружной печкой.

Термопара, измеряющая температуру их поверхности, связана с цифровым вольтметром Р-385, регистрирующим ее ЭДС, и высокоточным регулятором температуры ВРТ-3 (ВРТ-3 состоит из измерительного блока И-102, регулирующего устройства Р-111 и тиристорного усилителя У-252), который по изменению ЭДС термопары, включённой в цепь обратной связи нагревательной печи с ВРТ-3, отслеживает и устраняет отклонение температуры камеры от заданной.

Для более гибкого управления нагревом печи в цепь термопара - ВРТ-3 включен источник питания и регулирующее устройство РУ-5 (2М), позволяющие регулировать температуру как в автоматическом (в соответствии с заданной температурно-временной зависимостью), так и в ручном режимах. Система поддерживает регулировку температуры камер с точностью не хуже 0.1 градуса в интервале 370¸1300 К.

Рисунок 2.4 - Система нагрева и контроля температуры камер диффузионной ячейки: 1 - измерительный блок И-102, 2- регулирующее устройство Р-111, 3 - тиристорный усилитель У-252, 4 - РУ-5(2М), 5 - источник питания, 6 -цифровой вольтметр Р-385, 7 - нуль-термостат, 8 - печь, R1, R2, R3 - резисторы делителей напряжения.

Заключение

В данной учебно-исследовательской работе были рассмотрены различные типы дефектов в кристаллах, рассмотрена растворимость гелия в кристаллах с дефектами вакансионного типа, получена однозначная связь растворимости с давлением, температурой насыщения и концентрацией дефектов в кристалле.

Также была рассмотрен принцип работы термодесорбционной установки и описаны ее основные узлы.

Список использованных источников

1. Попов Е.В., Купряжкин А.Я. Изучение диффузии гелия во фториде кальция в статическом режиме работы масс-спектрометра // ЖТФ. 1983. т. 53, вып. 2. с. 365-368.

2. Вайнштейн Б.К., Фридкин В.М., Инденбом В.Л. Современная кристаллография. т.2. М.: Наука. 1979. 359с.

3. Купряжкин А.Я. Диффузия, растворимость и межчастичное взаимодействие в системе газ - несовершенный кристалл: Дисс. доктора физ.-мат. наук. Свердловск: УПИ им. С.М. Кирова, 1990, 274 с.

4. Кунин Л.Л., Головин А.М., Суровой Ю.Н., Хохрин В.М. Проблемы дегазации металлов (феноменологическая теория) М.: Наука. 1972. 327с.

Похожие работы на - Методика измерения дегазации твердых тел

 

Не нашли материал для своей работы?
Поможем написать уникальную работу
Без плагиата!
Без нейросетей!