Расчет двигателя ВАЗ 21011
Содержание
Введение
Задание на КП
.Тепловой расчет
.1 Исходные данные
.2 Выбор топлива
.3 Процесс впуска
.4 Процесс сжатия
.5 Процесс сгорания
.6 Процесс расширения и выпуска
.7 Индикаторные показатели
.8 Эффективные показатели
.9 Определение основных параметров двигателя
.10 Тепловой баланс
. Кинематика ГШМ
.1 Исходные данные
.2 Расчет кинематических показателей
Динамический расчет
.1 Исходные данные
.2 Расчет усилий КШМ
.3 Уравновешивание двигателя
.4 Расчет маховика
Заключение
Список используемых источников
Приложения
Введение
Научно-техническая революция, которая произошла в конце 19 века, вместе
со многими гениальными открытиями привела к изобретению такого полезного
устройства, как двигатель внутреннего сгорания. Благодаря этому человечество смогло
кардинально изменить мир и сделать значительный шаг в развитии цивилизации.
Сегодня такие двигатели широко применяются не только в автомобилестроении, но и
в промышленности, где они являются важнейшей составной частью всей
технологической цепочки производства.
Задание на КП
Спроектировать
двигатель с номинальной мощностью 49 кВт при частоте вращения коленчатого вала 5700 об/мин. В качестве прототипа использовать двигатель ВАЗ 21011.
Тепловой расчет двигателя
.1 Исходные данные
|
Параметры
|
ВАЗ-21011
|
|
Номинальная мощность, кВт
|
49
|
|
Частота вращения коленчатого вала при номинальной мощности,
об/мин
|
5700
|
|
Диаметр цилиндра, мм
|
79
|
|
Ход поршня
|
66
|
|
Отношение хода поршня к диаметру цилиндра
|
0,835
|
|
Литраж двигателя,
|
1,3
|
|
Степень сжатия
|
8,5
|
|
Средняя скорость поршня, м/сек
|
12,32
|
|
Литровая мощность, кВт/
|
36,08
|
|
Максимальный крутящий момент, Н*м
|
92
|
|
Частота вращения коленчатого вала при максимальном крутящем
моменте, Мпа
|
3400
|
|
Применение на моделях автомобилей
|
ВАЗ-21011,21033,21063
|
.2 Выбор топлива
В соответствии с заданными степенями сжатия ε=8,5
можно использовать
бензины марок Премиум-95 и АИ-98 ЭК.
Средний элементарный состав бензинового топлива
С=0.855кг ; Н=0.145кг ;
=115 кг/кмоль
Низшая теплота сгорания
(1.1)
Параметры рабочего тела
Теоретически необходимое количество воздуха для сгорания 1 кг топлива
=
=0.516 (1.2)
=
=14.957 (кг.возд/кг.топл) (1.3)
Коэффициент избытка воздуха: стремление получить двигатель достаточно
экономический и с меньшей токсичностью продуктов сгорания, которая достигается
при α=0.95-0.98,
позволяет принять α=0.96.
Количество горючей смеси
(1.4)
(кмоль гор.см/кг топл.)
Количество отдельных компонентов при К=0,5
0.0655 (кмоль
/кг.топл)
(кмоль
/кг.топл)
=0.0696 (кмоль
/кг.топл)
(кмоль
/кг.топл)
(кмоль
/кг.топл)
Общее количество продуктов сгорания
(кмоль пр.сг/кг топл) (1.5)
Параметры окружающей среды и остаточные газы
Давление и температура окружающей среды при работе двигателей без надува
и
При номинальных режимах
.
Давление остаточных газов
за счет расширения фаз газораспределения и снижения
сопротивлений при конструктивном оформлении выпускных трактов рассчитываемых
двигателей можно принять на номинальной скорости:
МПа.
1.3 Процесс впуска
С целью получения хорошего наполнения двигателей на номинальных
скоростных режимах принимается ∆
.
Плотность заряда на впуске
(1.6)
где
-удельная газовая постоянная для воздуха
Потери
давления на впуске
В
соответствии со скоростными режимами и при учете качественной обработки
внутренних поверхностей впускных систем можно принять
и
м/с.
Тогда ∆
рассчитывается по формуле:
(
)
, (1.7)
где
=
=95/5700=0.01667
2.8*
1.189
=0.015Мпа
Давление
в конце впуска
В
карбюраторном двигателе:
МПа.
Коэффициент
остаточных газов
При
определении
для карбюраторного двигателя без надува принимается
коэффициент очистки
на номинальном режиме -
1,10.
(1.8)
Температура
в конце впуска
В
карбюраторном двигателе:
(1.9)
Коэффициент
наполнения
(1.10)
1.4
Процесс сжатия
Средний
показатель адиабаты сжатия
определяется
по номограмме (см. рис. 4.4 [1]), а средний показатель политропы сжатия
принимается несколько меньше
. Для карбюраторного двигателя при
,
и ε=8,5 показатель адиабаты
.
Давление
в конце сжатия
МПа (1.11)
где
принят несколько меньше
Температура
в конце сжатия
(1.12)
Средняя
мольная теплоемкость в конце сжатия
а)
свежей смеси (воздуха)
=20,6+2.638
где
=755-273=482 °C
=20,6+2.638*
кДж/(кмоль*град)
б)
остаточных газов (определяется методом интерполяции)
Теплоемкость
продуктов сгорания при
C и α=0,96:
кДж/(кмоль*град)
в)
рабочей смеси
кДж/(кмоль*град) (1.13)
1.5
Процесс сгорания
Коэффициент
молекулярного изменения горючей μ и рабочей смеси
(1.14)
μ =
(1.15)
Количество
теплоты, потерянное вследствие химической неполноты сгорания ∆
, и теплота сгорания рабочей смеси
∆
(1.16)
(1.17)
Средняя
мольная теплоемкость продуктов сгорания
(1.18)
Определяем
по эмпирическим формулам, приведённые в таблице 3.6 [1] для интервала
температур от 1501 до 2800°С.
=
Коэффициент
использования теплоты
На
рисунке 5.1 [1] приведена зависимость
от
скоростного режима. Примем
.
Температура
в конце видимого процесса сгорания
(1.20)
откуда
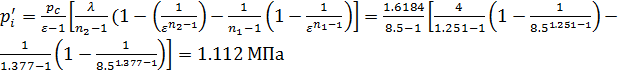
Максимальное давление сгорания (теоретическое)
(1.21)
Максимальное давление сгорания (действительное)
МПа (1.22)
1.6 Процессы расширения и выпуска
Средний показатель адиабаты расширения
определяется по монограмме (см. рис.
4.8 [1]) при заданном ε для соответствующих значений α
и
, а средний показатель политропы
расширения
оценивается по величине среднего показателя адиабаты.
При ε=8,5, α=0,96 и
, что позволяет принять
Давление и температура в конце процесса расширения
=6.4730/
(1.23)
(1.24)
Проверка ранее принятой температуры остаточных газов
(1.25)
∆
(1.26)
где ∆
1.7 Индикаторные параметры рабочего цикла
Теоретическое среднее индикаторное давление
(1.27)
Среднее индикаторное давление
0.96∙1.112=1.0675 МПа (1.28)
Индикаторный КПД
и индикаторный удельный расход топлива
=1.0675∙14.957∙0.96/(43.93∙1.189∙0.8794)=0.3341 (1.29)
(1.30)
1.8 Эффективные показатели
Среднее давление механических потерь
(1.31)
где
-значение средней скорости поршня.
м/с (1.32)
Тогда
МПа
Среднее эффективное давление
и механический КПД
МПа (1.33)
(1.34)
Эффективный КПД
и эффективный удельный расход топлива
(1.35)
г/кВт∙ч (1.36)
1.9 Основные параметры цилиндра и двигателя
вал топливо двигатель цилиндр
Литраж двигателя
(1.37)
где -тактность двигателя,
Рабочий объем одного цилиндра
(1.38)
где i-число цилиндров
Диаметр цилиндра
D=
(1.39)
Примем диаметр цилиндра 76 мм.
Ход поршня
S=D(S/D)=76∙0.835=63.5
мм (1.40)
Примем S=64 мм.
Основные параметры и показатели двигателей
а) площадь поршня
(1.41)
б) литраж двигателя
л (1.42)
в) мощность двигателя
кВТ (1.43)
г) литровая мощность двигателя
кВТ (1.44)
д) крутящий момент
/(π∙n)=
Н∙м (1.45)
е) часовой расход топлива
кг/ч (1.46)
Средняя скорость поршня:
м/с (1.47)
Проверка ранее принятой средней скорости поршня:
1.10 Построение индикаторных диаграмм
Построение индикаторной диаграммы производится аналитическим методом. Масштабы
диаграммы: масштаб хода поршня
масштаб давлений
Величины в приведенном масштабе, соответствующие рабочему объему цилиндра
и объему камеры сгорания:
(1.48)
(1.49)
Максимальная высота диаграммы (точка z):
(1.50)
Ординаты характерных точек:
мм
мм
мм
мм
мм
Построение политроп сжатия и расширения
а) политропа сжатия
(1.51)
где OB=OA+AB=91,4+12,2=103.6
мм
б) политропа расширения
(1.52)
Теоритическое среднее индикаторное давление
(1420∙0,033)/91,4=1.109 МПа (1.53)
где
=1415
- площадь диаграммы aczba
Таблица 1-Результыты расчета точек политроп
|
№ точек
|
, мм
|
|
Политропа сжатия
|
Политропа расширения
|
|
|
|
|
, мм
|
, МПа
|
|
, мм
|
, МПа
|
|
1,00
|
12,2
|
8,50
|
19,05
|
49
|
2,48
|
14,54
|
196,1
|
9,82
|
|
2,00
|
12,95
|
8,00
|
17,52
|
45,03
|
2,28
|
13,48
|
182,01
|
9,10
|
|
3,00
|
14,80
|
7,00
|
14,58
|
37,47
|
1,90
|
11,41
|
154,01
|
7,70
|
|
4,00
|
20,72
|
5,00
|
9,17
|
23,57
|
1,19
|
7,49
|
101,10
|
5,05
|
|
5,00
|
25,90
|
4,00
|
6,75
|
17,34
|
0,88
|
5,66
|
76,47
|
3,82
|
|
6,00
|
34,53
|
3,00
|
4,54
|
11,67
|
0,59
|
3,95
|
53,36
|
2,67
|
|
7,00
|
51,80
|
2,00
|
2,60
|
6,68
|
0,34
|
2,38
|
32,13
|
1,61
|
|
8,00
|
69,07
|
1,50
|
1,75
|
4,49
|
0,23
|
1,66
|
22,42
|
1,12
|
|
9,00
|
103,60
|
1,00
|
1,00
|
2,57
|
0,13
|
1,00
|
13,50
|
0,68
|
Величина
=1.109 МПа, полученная планиметрированием индикаторной
диаграммы, очень близка к величине
=1,112 МПа, полученной в тепловом
расчете.
В соответствии с принятыми фазами газораспределения и углом опережения
зажигания определяют положение точек
f,
по формуле для перемещения поршня:
AX=AB/2
(1.54)
где λ-отношение радиуса кривошипа к длине шатуна.
Выбор величины λ производится при проведении динамического расчета, а
при построении индикаторной диаграммы предварительно принимается λ=0,285.
Расчеты ординат точек
f,
сведены в табл. 2.
Таблица 2- расчет дополнительных точек
|
Обозначение точек
|
Положение точек
|
|
|
Расстояние точек от в.м.т (AX), мм
|
|
|
18° до в.м.т
|
18
|
0,0655
|
2,99
|
|
|
25° после в.м.т.
|
25
|
0,1223
|
5,59
|
|
|
60° после в.м.т
|
120
|
1,6069
|
73,44
|
|

|
35
|
0,2313
|
10,57
|
|
f
|
30° до в.м.т
|
30
|
0,1697
|
7,76
|
|
|
55° до н.м.т
|
125
|
1,6667
|
76,17
|
Положение точки
определяется из выражения:
∙
=1.25∙1.6184=2.023 МПа (1.55)
мм (1.56)
Действительное давление сгорания:
МПа (1.57)
мм (1.58)
Нарастание давления от точки
до
составляет 5,5021-2,023=3,479 МПа или
3,479/12= МПа/град п.к.в., где 12°-положение точки
по горизонтали.
1.11 Тепловой баланс
Общее количество теплоты, введеной в двигатели при номинальном скоростном
режиме
=169497
(1.59)
Теплота, эквивалентная эффективной работе за 1 с
(1.60)
Теплота, передаваемая охлаждающей среде
=
(1.61)
Теплота унесенная с отработавшими газами
(1.62)
где
=25,300 кДж/(кмоль∙град) - теплоемкость отработавших
газов(определена методом интерполяции при α=0,96 и
),
=20,775 кДж/(кмоль∙град) -
теплоемкость свежего заряда (определена методом интерполяции при
).
=
= =54274 Дж/с (1.63)
Теплота, потерянная из-за химической неполноты сгорания топлива
9553 Дж/с (1.64)
Неучтенные потери теплоты
169497-(
)=786 Дж/с (1.65)
. Кинематика КШМ
.1 Исходные данные
Табл. 3 Исходные данные
|
Отношение радиуса кривошипа к длине шатуна, λ
|
λ =0,285
|
|
Радиус кривошипа, R(мм)
|
|
|
Длина кривошипа, Lш (мм)
|
|
|
Частота вращения коленчатого вала, n
|
n=5700 об/мин
|
.2 Расчет кинематических показателей
Перемещение поршня
(2.1)
Для определения
берем значения из справочника и занесем их в таблицу 5
Угловая скорость коленчатого вала
(2.2)
Скорость поршня
(2.3)
Для определения
берем значения из справочника и занесем их в таблицу 5
Ускорение поршня
(2.4)
Для определения
воспользуемся значениями из справочника и занесем их в
таблицу 5
Табл. 4 Кинематические параметры
|
|
|
, мм
|
|
, м/с
|
|
, м/с2
|
|
0
|
0
|
0
|
0
|
0
|
1,285
|
14655,54
|
|
30
|
0,16965
|
5,4288
|
0,6234
|
11,90943
|
1,0085
|
11502,03
|
|
60
|
0,6069
|
19,4208
|
0,9894
|
18,9015
|
0,3575
|
4077,319
|
|
90
|
1,1425
|
36,56
|
1
|
19,104
|
-0,285
|
-3250,45
|
|
120
|
1,6069
|
51,4208
|
0,7426
|
14,18663
|
-0,6425
|
-7327,77
|
|
150
|
1,9016
|
60,8512
|
0,3766
|
7,194566
|
-0,7235
|
-8251,58
|
|
180
|
2
|
64
|
0
|
0
|
-0,715
|
-8154,64
|
|
210
|
1,9016
|
60,8512
|
-0,3766
|
-7,19457
|
-0,7235
|
-8251,58
|
|
240
|
1,6069
|
51,4208
|
-0,7426
|
-14,1866
|
-0,6425
|
-7327,77
|
|
270
|
1,1425
|
36,56
|
-1
|
-19,104
|
-0,285
|
-3250,45
|
|
300
|
0,6069
|
19,4208
|
-0,9894
|
-18,9015
|
0,3575
|
4077,319
|
|
330
|
0,16965
|
5,4288
|
-0,6234
|
-11,9094
|
1,0085
|
11502,03
|
|
360
|
0
|
0
|
0
|
0
|
1,285
|
14655,54
|
По данным таблицы 4 построим график пути, скорости и ускорения поршня
прототипа ДВС. Результат представлен в приложении Б.
. Динамический расчет
.1 Исходные данные
3.2 Расчет усилий КШМ
Сила давления газов. Индикаторная диаграмма полученная в тепловом
расчете, развертывается по углу поворота кривошипа по методу Брикса.
(4.1)
где ОВ - длина развернутой индикаторной диаграммы, мм
Поправка Брикса
мм (3.1)
Масштабы развернутой диаграммы
Принимаем масштаб давлений:
МПа в мм
Принимаем масштаб сил давлений на поршень:
Принимаем масштаб угла поворота кривошипа:
По развернутой диаграмме через каждые 30º угла поворота кривошипа определяем
значение
.
Привидение масс частей КШМ
Приведенная масса поршневой группы
кг (3.2)
Приведенная масса шатуна
кг (3.3)
Приведенная масса кривошипа
кг (3.4)
Масса шатуна, сосредоточенная на оси поршневого пальца
кг (3.5)
Масса шатуна, сосредоточенная на оси кривошипа
кг (3.6)
Массы, совершающие возвратно-поступательное движение
кг (3.7)
Массы, совершающие вращательное движение
кг (3.8)
Удельные и полные силы инерции
Определим удельные силы инерции возвратно-поступательно движущихся масс
по формуле:
(3.9)
Определим центробежную силу инерции вращающихся масс:
кН (3.10)
Определим центробежную силу инерции вращающихся масс шатуна:
кН (3.11)
Определим центробежную силу инерции вращающихся масс кривошипа:
кН (3.12)
Удельные суммарные силы
Определим удельную силу сосредоточенную на оси поршневого пальца по
формуле:
(3.13)
Определим удельную нормальную силу по формуле:
(3.14)
Определим удельную силу действующую вдоль оси шатуна по формуле:
(3.15)
Определим удельную силу действующую по радиусу кривошипа по формуле:
(3.16)
Определим удельную и полные тангенциальные силы по формулам:
(3.17)
(3.18)
Результаты всех расчетов представлены в Приложении .
Используя полученные значения строим графики изменения удельных сил
,
,
,
,
и
в зависимости от угла поворота
коленчатого вала φ. Результат представлен на листе 1.
Определим среднее значение тангенциальной силы за цикл по данным
теплового расчета:
Н (3.19)
Определим среднее значение тангенциальной силы за цикл по площади,
заключенной между кривой
и осью абсцисс:
∙0,033=0,17 (3.20)
0,17∙0,004534∙
=770,8 Н (3.21)
% (3.22)
Крутящий момент одного цилиндра
=T
Н
(3.23)
Период изменения крутящего момента четырехтактного двигателя с равными
интервалами между вспышками
Θ=720/i=720/4=180 º
Таблица 5-Значение крутящих моментов
|
фи
|
M
|
фи
|
М
|
фи
|
М
|
фи
|
М
|
M(cумм)
|
|
0
|
0
|
180
|
0
|
360
|
0
|
540
|
0
|
0
|
|
30
|
-157,48954
|
210
|
-67,347369
|
390
|
155,5425
|
570
|
-71,4753
|
-140,7697
|
|
60
|
-89,923789
|
240
|
-120,01457
|
420
|
81,32071
|
600
|
-120,0146
|
-248,6322
|
|
90
|
68,753948
|
270
|
-79,852086
|
450
|
174,9516
|
630
|
-73,53763
|
90,31588
|
|
120
|
116,47464
|
300
|
63,607712
|
480
|
167,8035
|
660
|
85,17359
|
433,0595
|
|
150
|
66,735824
|
330
|
91,115976
|
510
|
84,07494
|
690
|
154,4997
|
396,4265
|
|
180
|
0
|
360
|
0
|
540
|
0
|
720
|
0
|
0
|
По площади
заключенной под кривой
вычисляем
индикаторное
(3.24)
Рассчитаем эффективный крутящий момент
=
=91.9∙0.8354=76.8 H∙м (3.25)
Ошибка
(3.26)
Максимальный и минимальный крутящие моменты
Силы, действующие на шатунную шейку коленчатого вала
(3.27)
Где К=
0,004534∙
кН
Результирующую силу
, действующую на шатунную шейку, определим графическим
сложением векторов сил T и
при построении полярной диаграммы.
Масштаб сил на полярной диаграмме для суммарных сил
кН в мм. Результат построения
представлен на листе 1.
Произведем построение развернутой диаграммы
. Масштаб сил на развернутой
диаграмме
кН в мм. Результат представлен на листе 1.
Таблица 6-Силы, действующие на шатунную шейку
|
ϕ°
|
Полные силы, кН
|
|
T
|
K
|
|
|
K
|
|
|
0
|
0
|
-9,866378
|
-16,82
|
16,81638
|
19,72
|
25,77638
|
|
30
|
-4,93
|
-6,252335
|
-13,20
|
14,09278
|
-22,16
|
22,70405
|
|
60
|
-2,81
|
-0,79521
|
-7,75
|
8,239197
|
-16,71
|
16,9399
|
|
90
|
2,15
|
-0,633825
|
-7,58
|
7,882697
|
-16,54
|
|
120
|
3,64
|
-3,53654
|
-10,49
|
11,10032
|
-19,45
|
19,78427
|
|
150
|
2,09
|
-5,202643
|
-12,15
|
12,33105
|
-21,11
|
21,21584
|
|
180
|
0
|
-5,480468
|
-12,43
|
12,43047
|
-21,39
|
21,39047
|
|
210
|
-2,11
|
-5,250319
|
-12,20
|
12,38143
|
-21,16
|
21,26526
|
|
240
|
-3,75
|
-3,644023
|
-10,59
|
11,23814
|
-19,55
|
19,91036
|
|
270
|
-2,5
|
-0,736136
|
-7,69
|
8,082493
|
-16,65
|
16,83282
|
|
300
|
1,99
|
-0,562493
|
-7,51
|
7,771592
|
-16,47
|
16,59226
|
|
330
|
2,85
|
-3,617304
|
-10,57
|
10,94488
|
-19,53
|
19,73419
|
|
360
|
0
|
-1,241711
|
-8,19
|
8,191711
|
-17,15
|
17,15171
|
|
370
|
3,28
|
14,41106
|
7,46
|
8,150207
|
-1,50
|
3,606274
|
|
390
|
4,86
|
6,175038
|
-0,77
|
4,921399
|
-9,73
|
10,88067
|
|
420
|
2,54
|
0,719131
|
-6,23
|
6,728694
|
-15,19
|
15,40176
|
|
450
|
5,47
|
-1,612835
|
-8,56
|
10,16086
|
-17,52
|
18,35676
|
|
480
|
5,29
|
-5,095048
|
-12,05
|
13,1555
|
-21,01
|
21,66094
|
|
510
|
2,63
|
-6,55438
|
-13,50
|
13,75809
|
-22,46
|
22,61781
|
|
540
|
0
|
-6,308642
|
-13,26
|
13,25864
|
-22,22
|
22,21864
|
|
570
|
-2,24
|
-5,572127
|
-12,52
|
12,7209
|
-21,48
|
21,5986
|
|
600
|
-3,75
|
-3,644023
|
-10,59
|
11,23814
|
-19,55
|
19,91036
|
|
630
|
-2,15
|
-0,677925
|
-7,63
|
7,925133
|
-16,59
|
16,72668
|
|
660
|
2,81
|
-0,753203
|
-7,70
|
8,199722
|
-16,66
|
16,89847
|
|
690
|
4,93
|
-6,13364
|
-13,08
|
13,98165
|
-22,04
|
22,5882
|
|
720
|
0
|
-9,867284
|
-16,82
|
16,81728
|
-25,78
|
25,77728
|
По развернутой диаграмме
определим среднее, максимальное и минимальное значение силы
действующей на шатунную шейку:
F∙
=10223.8∙0.25/240=10.64 кН (3.28)
16.817 кН
кН
По полярной диаграмме строим диаграмму износа шатунной шейки. Для этого
определим силы действующие по каждому лучу диаграммы.
Результат представлен в таблице 7.
Таблица 7-Силы для построения диаграммы износа шатунной шейки
|
Угол,
|
Значения Rш.шi, кН, для лучей
|
|
град
|
1
|
2
|
3
|
4
|
5
|
6
|
7
|
8
|
9
|
10
|
11
|
12
|
|
0,00
|
16,82
|
16,82
|
16,82
|
-
|
-
|
-
|
-
|
-
|
-
|
-
|
16,82
|
16,82
|
|
30,00
|
14,09
|
14,09
|
14,09
|
-
|
-
|
-
|
-
|
-
|
-
|
-
|
-
|
14,09
|
|
60,00
|
8,24
|
8,24
|
8,24
|
-
|
-
|
-
|
-
|
-
|
-
|
-
|
-
|
8,24
|
|
90,00
|
7,88
|
7,88
|
-
|
-
|
-
|
-
|
-
|
-
|
-
|
-
|
7,88
|
7,88
|
|
120,00
|
11,10
|
11,10
|
-
|
-
|
-
|
-
|
-
|
-
|
-
|
-
|
11,10
|
11,10
|
|
150,00
|
12,33
|
12,33
|
-
|
-
|
-
|
-
|
-
|
-
|
-
|
-
|
12,33
|
12,33
|
|
180,00
|
12,43
|
12,43
|
12,43
|
-
|
-
|
-
|
-
|
-
|
-
|
-
|
12,43
|
12,43
|
|
210,00
|
12,38
|
12,38
|
12,38
|
-
|
-
|
-
|
-
|
-
|
-
|
-
|
-
|
12,38
|
|
240,00
|
11,24
|
11,24
|
11,24
|
-
|
-
|
-
|
-
|
-
|
-
|
-
|
-
|
11,24
|
|
270,00
|
8,08
|
8,08
|
8,08
|
-
|
-
|
-
|
-
|
-
|
-
|
-
|
-
|
8,08
|
|
300,00
|
7,77
|
7,77
|
|
-
|
-
|
-
|
-
|
-
|
-
|
-
|
7,77
|
7,77
|
|
330,00
|
10,94
|
10,94
|
|
-
|
-
|
-
|
-
|
-
|
-
|
-
|
10,94
|
10,94
|
|
360,00
|
8,19
|
8,19
|
8,19
|
-
|
-
|
-
|
-
|
-
|
-
|
-
|
8,19
|
8,19
|
|
390,00
|
-
|
-
|
-
|
-
|
-
|
-
|
-
|
4,92
|
4,92
|
4,92
|
4,92
|
|
420,00
|
6,73
|
6,73
|
-
|
-
|
-
|
-
|
-
|
-
|
-
|
-
|
6,73
|
6,73
|
|
450,00
|
10,16
|
-
|
-
|
-
|
-
|
-
|
-
|
-
|
-
|
10,16
|
10,16
|
10,16
|
|
480,00
|
13,16
|
13,16
|
-
|
-
|
-
|
-
|
-
|
-
|
-
|
-
|
13,16
|
13,16
|
|
510,00
|
13,76
|
13,76
|
-
|
-
|
-
|
-
|
-
|
-
|
-
|
-
|
13,76
|
13,76
|
|
540,00
|
13,26
|
13,26
|
13,26
|
-
|
-
|
-
|
-
|
-
|
-
|
-
|
13,26
|
13,26
|
|
570,00
|
12,72
|
12,72
|
12,72
|
-
|
-
|
-
|
-
|
-
|
-
|
-
|
-
|
12,72
|
|
600,00
|
11,24
|
11,24
|
11,24
|
-
|
-
|
-
|
-
|
-
|
-
|
-
|
-
|
11,24
|
|
630,00
|
7,93
|
7,93
|
7,93
|
-
|
-
|
-
|
-
|
-
|
-
|
-
|
-
|
7,93
|
|
660,00
|
8,20
|
8,20
|
-
|
-
|
-
|
-
|
-
|
-
|
-
|
-
|
8,20
|
8,20
|
|
690,00
|
13,98
|
13,98
|
-
|
-
|
-
|
-
|
-
|
-
|
-
|
-
|
13,98
|
13,98
|
|
∑Rш.шi
|
252,63
|
242,47
|
136,62
|
0,00
|
0,00
|
0,00
|
0,00
|
0,00
|
4,92
|
15,08
|
171,63
|
257,55
|
Используя полученные значения строим диаграмму износа шатунной шейки,
откладывая на каждом из ее лучей соответствующие величины суммарных сил от
окружности к центру в масштабе
кН в мм. Результат построения представлен на листе 1.
Используя диаграмму износа определим расположение оси масляного
отверстия:
Силы, действующие на колено вала.
Определим суммарную силу, действующую на колено вала по радиусу кривошипа
по формуле:
кН (3.40)
Результирующую силу действующую на колено вала определим по полярной
диаграмме. Результаты всех вычислений представлены в таблице 6.
.3 Уравновешивание
Центробежные силы инерции и их моменты полностью уравновешенны т.к.
центробежные силы равны и попарно направлены в разные стороны. Следовательно,
равнодействующая этих сил и момент равны нулю:
и
.
Силы инерции первого порядка и их моменты так же уравновешенны:
и
.
Силы инерции второго порядка для всех цилиндров равны и направлены в одну
сторону. Их равнодействующая:
Момент от сил инерции второго порядка в связи с зеркальным расположением
цилиндров полностью уравновешен:
.
В целях разгрузки коренных шеек от воздействия инерционных сил и
разгрузки вала от изгибающих моментов целесообразно установить противовесы на
продолжение щек прилегающих к 1-й, 3-й, и 5-й коренным шейкам. Схема
расположения противовесов представлена на рисунке 1.
Рисунок
1 - Схема уравновешивания коленчатого вала
Принимаем
мм. Составим уравнение равновесия коренной шейки:
где
- центробежная сила;
- сила
инерции противовеса.
Преобразовав
данное уравнение получим:
откуда
масса каждого противовеса:
кг (3.41)
.4 Расчет маховика
Определим коэффициент неравномерности крутящего момента:
(3.42)
Избыточная работа крутящего момента:
Дж (3.43)
Принимаем равномерность хода двигателя
Определим момент инерции движущихся масс двигателя:
кг∙м2 (3.44)
Принимаем момент инерции маховика:
кг∙м2 (3.45)
Принимаем средний радиус маховика
мм
Принимаем
мм
мм (3.46)
Принимаем
мм
Определим массу маховика:
кг (3.47)
Принимаем материал маховика - чугун СЧ10 с плотностью
кг/м3.
Определим толщину маховика:
(3.48)
Заключение
В данной курсовой работе я, используя метод теплового расчета, рассчитал
параметры рабочих процессов, а так же основные показатели работы двигателя.
Построил индикаторную диаграмму.
Произвел расчёт кинематики ГШМ. Изобразил графики перемещения, скорости и
ускорения поршня.
Также выполнил динамический расчет, по результатам которого я определил
суммарные силы и моменты, возникающие от давления газов и сил инерции. По этим
данным рассчитал износ шатунной шейки. Также осуществил уравновешивание
двигателя и расчет маховика.
Таким образом, мы выполнили расчет двигателя, прототипом которого
является ВАЗ-21011.
Список используемых источников
1. Колчин
А.И., Демидов. Расчет автомобильных и тракторных двигателей: Учеб. пособие для
вузов. / А.И. Колчин, В.П. Демидов - Изд. 3-е, перераб. и доп. М.: Высшая
школа, 2002. 496 с.