Вибір форми ряду Фур'є залежить від
поставленого завдання аналізу і форми завдання сигналу.
Ряд а) дозволяє оцінити
внесок ортогональних складових гармонік у загальний сигнал. Запис цього ряду
можна значно спростити, якщо певним чином вибрати систему координат. Так якщо
сигнал симетрично ділиться віссю часу
, то постійна складова
. Якщо
вертикальна вісь (ордината) ділить сигнал таким чином, що
, то він є
парною функцією й коефіцієнти
. Якщо
є непарною функцією, то в цьому випадку
коефіцієнти
.
Ряд б) зручний для гармонійного
відображення спектрального складу коливання
. При цьому:
розподіл початкових фаз
гармонік на частотній вісі називають фазовим спектром (ФС)
.
Очевидно, що при
або
, перехід
від ряду а) до ряду б) не потрібний.
Ряд
в) фізичного змісту не має, але виявляється зручним при аналітичному аналізі
сигналів та їх перетворень. Одним із вибору форми ряду Фур’є є метод
спектрального представлення сигналів, який можна поділити на три групи:
аналітичний, графоаналітичний та експериментальний.
Аналітичний
метод пов'язаний з безпосереднім розрахунками всіх складових ряду Фур'є з
використанням аналітичного представлення сигналу. Основна гідність - точність,
недолік - складність інтегральних обчислень.
Графоаналітичний
метод заснований на заміні інтегральних виражень кінцевими сумами. Основою
служить графічне представлення сигналу. Перевага - простота, недоліки -
громіздкість обчислень і низька їхня точність.
Експериментальний метод
заснований на використанні спеціальної апаратури - спектральних аналізаторів
(фізичних або віртуальних).
.1 Ряд Фур'є періодичних
функцій з періодом 2
р
Ряд Фур'є дозволяє вивчати
періодичні (неперіодичні) функції, розкладаючи їх на компоненти. Змінні струми
і напруга, зсуви, швидкість і прискорення кривошипно-шатунових механізмів і
акустичні хвилі - це типові практичні приклади вживання періодичних функцій в
інженерних розрахунках.
Розкладання в ряд Фур'є
ґрунтується на припущенні, що всі мають практичне значення функції в інтервалі
-
можна
виразити у вигляді тригонометричних рядів, що сходяться (ряд вважається таким,
що сходиться, якщо сходиться послідовність часткових сум, складених з його
членів):
Стандартний запис через суму
і
:
де
,
,
...,
,
- дійсні
константи, тобто
(1.4)
Де для діапазону від
до
коефіцієнти
ряду Фур'є розраховуються по формулах:
Коефіцієнти
,
і
називаються коефіцієнтами Фур'є, і,
якщо їх можна знайти, то ряд (1.4) називається рядом Фур'є, відповідним функції
. Для ряду
(1.4) член
називається
першою або основною гармонікою. Інший спосіб запису ряду - використання
співвідношення
:
;
Де
- константа,
з
, …,
- амплітуди
різних компонентів, а фазовий кут рівний
. Для ряду (1.4) член
або
називається
першою або основною гармонікою,
або
називається
другою гармонікою і так далі.
Для точного представлення
складного сигналу зазвичай потрібна нескінченна кількість членів. Проте в
багатьох практичних завданнях досить розглянути лише декілька перших членів.
1.2 Ряд Фур'є неперіодичних
функцій з періодом 2р
Розкладання неперіодичних
функцій. Якщо функція
неперіодична,
значить, вона не може бути розкладена в ряд Фур'є для всіх значень
. Проте
можна визначити ряд Фур'є, що представляє функцію в будь-якому діапазоні
шириною
.
Якщо задана неперіодична
функція, можна скласти нову функцію, вибираючи значення
в певному діапазоні і повторюючи їх поза цим
діапазоном з інтервалом
. Оскільки
нова функція є періодичною з періодом
, її можна розкласти в ряд Фур'є для
всіх значень
. Наприклад,
функція
не є періодичною. Проте, якщо необхідно
розкласти її в ряд Фур'є на інтервалі від 0 до
, тоді поза цим інтервалом будується
періодична функція з періодом
(як
показано на рис. 1.1).
Рисунок 1.1 - Періодична
функція з періодом
Для неперіодичних функцій,
таких як
, сума ряду
Фур'є дорівнює значенню
в усіх точках заданого діапазону, але вона не
рівна
для точок поза діапазоном. Для знаходження ряду
Фур'є неперіодичній функції в діапазоні
використовується
формула коефіцієнтів Фур'є.
2. Графоаналітичний метод
спектрального аналізу періодичних сигналів
Спектральний аналіз (Spectral
analysis, синоніми: Фур'є аналіз, гармонійний аналіз, Frequency analysis) - це
різновид обробки даних, пов'язаний з перетворенням їхнього частотного подання
або спектра. Спектр виходить у результаті розкладання вихідної функції, що
залежить від часу (часовий ряд) або просторових координат (наприклад,
зображення), у базис деякої періодичної функції. Найбільш часто для спектральної
обробки використовується спектр Фур'є, який одержують на основі базису синуса
(розкладання Фур'є, перетворення Фур'є).
Основний зміст перетворення Фур'є в
тому, що вихідна неперіодична функція довільної форми, яку неможливо описати
аналітично й у загальному випадку важка для обробки та аналізу, представляється
у вигляді сукупності синусів або косинусів з різною частотою і амплітудою.
Іншими словами, складна функція перетвориться в множину більш простих. Кожна
синусоїда (або косинусоїда) з певною частотою і амплітудою, отримана в
результаті розкладання Фур'є, називається спектральною складовою або
гармонікою. Спектральні складові створюють спектр Фур'є.
Спектром сигналу називається
сукупність гармонійних коливань, з яких складається сам сигнал. Якщо говорити
більш точно, то існує два основні типи спектрів: амплітудно-частотний
(амплітудний) і фазочастотний (фазовий) спектр. Амплітудним спектром
називається розподіл амплітуд гармонійних складових по частоті. Фазовим
спектром називається розподіл початкових фаз гармонійних складових по частоті.
Оскільки основна частина енергії
імпульсу зосереджена в області головної пелюстки, то за ширину спектру береться
ширина головної пелюстки.
, (2.1)
де
-
тривалість імпульсу.
Рисунок 2.1 - Амплітудний
спектр
Теоретично спектр тягнеться
до нескінченності.
Рисунок 2.2 - Фазовий спектр
Сутність графоаналітичного
методу полягає у визначенні спектральних складових (гармонік) сигналу на основі
його окремих дискретних значень (вибірок), узятих через обрані проміжки часу.
Порядок розрахунків
1. Період сигналу, заданого
графіком, розбити на М однакових проміжків, попередньо вибравши початок системи
координат.
2. Виписати значення сигналу
(орти)
, 
і розрахувати збільшення фази на
дискретний проміжок часу
.
Записати в загальному виді
ряд Фур'є з урахуванням обраної системи координат.
. Розрахувати коефіцієнти
ряду, використовуючи наступні формули, отримані шляхом заміни інтегральних
виражень наближеними сумами:
(2.5)
(2.6)
(2.7)
4. Розрахувати амплітуди й початкові
фази гармонік (косинусоїд) тригонометричного ряду Фур'є через
(2.8)
де 
амплітуда
-ої
гармоніки;
початкова фаза
-ної
гармоніки;
2.1 Спектральне представлення
сигналів
Окрім звичного тимчасового
(координатного) представлення сигналів і функцій при аналізі і обробці даних
широко використовується опис сигналів функціями частоти, тобто по аргументах,
зворотних аргументах тимчасової (координатної) вистави. Можливість такого опису
визначається тим, що будь-який скільки завгодно складний по своїй формі сигнал
можна представити у вигляді суми простіших сигналів, і, зокрема, у вигляді суми
простих гармонійних коливань, сукупність яких називається частотним спектром
сигналу.
Математично спектр сигналів
описується функціями значень амплітуд і початкових фаз гармонійних коливань по
безперервному або дискретному аргументу - частоті. Спектр амплітуд зазвичай
називається амплітудно-частотною характеристикою (АЧХ) сигналу, спектр фазових
кутів - фазочастотною характеристикою (ФЧХ). Опис частотного спектру відображує
сигнал так само однозначно, як і координатний опис.
Рисунок 2.3 - Часове представлення
сигналу
Як приклад на рисунку 2.3 приведений
відрізок сигнальної функції, яка отримана підсумовуванням постійної складової
(частота постійної складової дорівнює 0) і трьох гармонійних коливань.
Математичний опис сигналу визначається формулою
, (2.9)
де
- амплітуда коливань;
- частота коливань в герцах;
-
початковий фазовий кут коливань в радіанах;
.
Частотне представлення даного
сигналу (спектр сигналу у вигляді АЧХ і ФЧХ) приведене на рисунку 2.4. Звернемо
увагу, що частотне представлення періодичного сигналу
, обмеженого
по числу гармонік спектру, складає всього вісім відліків і вельми компактно в
порівнянні з неперервним часовим представленням, визначеним в інтервалі від
до
.
Рисунок 2.4 - Частотне
представлення сигналу
3. Розрахунок електричної величини
Таблиця 3.1 - Вхідні дані для
розрахунку
|
Вар.
|
Електрична величина
|
Im, A
|
T,мс
|
n
|
|
10
|
|
|
50
|
30
|
4
|
Завдання: Im =50 A; Т=30 мс; n=4.
Розв'язок: розбиваємо період сигналу
для обраної системи координат на М=18 однакових відрізків виписуємо дискретні
значення струму (з графіку):
Рисунок 3.1 - Графік відліків струму
електричної величини
|
I1=47,22 A
|
I7=30,55
AI13= 13,9 A
|
|
|
I2=44,45 A
|
I8= 27,78 A
|
I14=11,1 A
|
|
I3=41,68 A
|
I9=25 A
|
I15= 8,32 A
|
|
I4=38,9 A
|
I10=22,23 A
|
I16= 5,55 A
|
|
I5=36,1 A
|
I11=19,45 A
|
I17= 2,78 A
|
|
I6=33,32 A
|
I12=16,68 A
|
I18=0 A
|
Визначаємо збільшення фази на один
інтервал.
Будемо мати на увазі, що для
k-ої вибірки «набіг» фази рівний 
.
З урахуванням обраної системи
координат шуканий ряд Фур'є здобуває вид (для n=4):
.







Далі обчислимо амплітуди і
фази гармонік:
;
;
;
;
;
;
;
.
Отже, шуканий ряд Фур'є для заданого
періодичного струму має вигляд:
У цьому виразі враховано, що при
Т=30 мс=3∙10-2 с
частота першої (основної) гармоніки
або
,
частота другої гармоніки
або
,
частота третьої гармоніки
або
,
частота четвертої гармоніки
або
.
Амплітудний спектр заданого
сигналу має вигляд (рис. 3.2):
Рисунок 3.2 - Графік залежності
амплітудного спектру
Видно, що з підвищенням номеру
гармоніки її амплітуда зменшується.
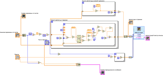
4. Комп’ютерне моделювання приладу
Комп’ютерна модель приладу, у
відповідності до другого пункту завдання, була створена у програмному
середовищі LabVIEW. Загальний вигляд лицевої панелі приладу показаний на
рисунку 4.1, блок-діаграма на рисунку 4.2.
Приведені на рисунку 4.1 графіки і
розрахункові дані показують практично однакові результати, як числових, так і
графічних даних аналітичних розрахунків і моделювання. Існуючу різницю можливо
пояснити лише точністю результатів проміжних обчислювань. Так при аналітичних
розрахунках точність представлення 10-1¸10-2,
комп’ютерне моделювання здійснювалось з точністю 10-324.

Рисунок 4.2 - Блок-діаграма приладу
Висновки
Спектральний аналіз заданого
періодичного сигналу, проведений графоаналітичним методом, та за допомогою
комп’ютерного моделювання, показав, що з підвищенням номеру гармоніки її
амплітуда поступово зменшується (зворотно пропорційно номеру гармоніки).
Основна енергія заданого коливання зосереджена в частотному діапазоні від 0 Гц
до 135 Гц і її несуть постійна складова і перші 4 гармоніки. Косинусні складові
в розкладанні сигналу в ряд Фур’є мають постійне значення амплітуди, тому
амплітуди спектральних складових з високими номерами будуть наближатись до
модуля амплітуди цієї складової. Результати розрахунків та графіки отримані
обома методами збігаються, що доводить їх правильність.
Список використаної літератури
1. Айчифер Э.С., Джервис Б.У.
Цифровая обработка сигналов: практический подход. М.: Издательский дом
«Вильямс», 2004. 992 с.
. Баскаков С.И.
Радиотехнические цепи и сигналы. Учебник для вузов. М.: Высшая школа, 2000. 448
с.
. Бендат Дж., Пирсол А.
Прикладной анализ случайных данных: пер. с англ. М.: Мир, 1989. 540 с.
. Бендат Дж., Пирсол А.
Применение корреляционного и спектрального анализа: пер. с англ. М.: Мир, 1983.
312 с.
. Васильев В.П., Муро Э.Л.,
Смольский С.М. Основы теории и расчёта цифровых фильтров. М.: ACADEMIA, 2007.
272 с.
. Введение в цифровую
фильтрацию / Под.ред. Р. Богнера и А. Константинидиса. М.: Мир, 1982. 216 с.
. Гадзиковский В.И.
Теоретические основы цифровой обработки сигналов. М.: Радио и связь, 2004. 344
с.