Расчет структурной схемы передатчика для радиолюбительской СИ-БИ радиостанции
Введение
Гражданский диапазон.
Диапазон 27 МГц, отведенный в нашей стране для гражданской, т.е. личной и
непрофессиональной служебной радиосвязи, сегодня используют десятки тысяч
граждан России. Этот своеобразный массовый прорыв в область "свободного
эфира" во многом стал возможен благодаря предложениям общественности и
выступлениям журнала "Радио", которые во многом повлияли на позицию
органов связи в этом вопросе.
Любое массовое явление требует для своего существования и развития
определенных организационных форм. Для "сибишников" ею стала
созданная в 1993 г. "Ассоциация-27".
К радиостанциям гражданского диапазона относятся приемные и передающие
средства, работающие в диапазоне 27 МГц и использующиеся гражданами в личных
интересах. На Западе их называют радиостанциями диапазона "CB"
(Citizen Band). Они занимают частотные каналы от 26960 до 27410 кГц, которые не
закреплены за какими-либо конкретными радиосетями или абонентами, и
используются на равных правах всеми владельцами таких станций. Главное правило работы
в этом диапазоне - соблюдать такт и не мешать радиосвязи, если канал в данный
момент занят другим пользователем.
В нашей стране возможность пользоваться радиостанциями гражданского
диапазона появилась только в 1989 г., после того как Государственная комиссия
по радиочастотам выделила для этих целей полосу радиочастот 26967...27281 кГц.
Были разрешены разработка и серийное производство портативных симплексных
радиостанций с амплитудной (тип А) и частотной (тип Б) модуляцией.
Предусматривалось, что их продажа должна осуществляться через
специализированные магазины и при наличии у покупателей разрешений Госинспекции
электросвязи (теперь - Госсвязьнадзора). Круг пользователей такими станциями
был достаточно широк. Это - туристы, альпинисты, автолюбители, члены садовых
товариществ и т.д. Наша радиопромышленность предложила более двадцати типов
новых разработок станций для личной радиосвязи, но все они имели ограниченные
возможности - были рассчитаны на работу лишь на одной частоте.
Именно этим, пожалуй, можно объяснить интерес к зарубежным радиостанциям
аналогичного назначения, которые ввозились в Россию. Их технические
характеристики - полоса частот, номиналы рабочих частот, мощность передатчика и
др. - существенно отличались от характеристик, определенных решением ГКРЧ.
Поэтому в ноябре 1991 г. комиссия внесла дополнения и изменения в действующее
положение. В частности, было разрешено разрабатывать (а также закупать по
импорту) радиостанции с сеткой и номиналами частот, принятыми за рубежом. Кроме
того, введена дополнительная полоса частот 27280...27410 кГц для радиостанций
типа Е (с амплитудной и частотной модуляцией для служебной радиосвязи на
предприятиях, в организациях и т.п.). Предполагалось, что последним
нововведением удастся исключить взаимные радиопомехи между радиостанциями,
используемыми частными лицами, и аппаратурой производственного назначения.
Однако эта мера себя не оправдала. Производство отечественных радиостанций типа
Е задерживалось, а в страну между тем стали поступать в большом количестве
радиостанции зарубежного производства, имеющие 40 частотных каналов в полосе
26960...27410 кГц. Приобретая их, владельцы начали использовать все имеющиеся
частотные каналы, в том числе и те, которые отводились для производственной
радиосвязи. Практика как бы сама выбрала наиболее оптимальный путь
использования гражданского диапазона, в том числе и при работе на международных
и национальных частотных каналах. Следует, однако, отметить, что это
обстоятельство не вызвало каких-либо организационных сложностей, так как каждый
пользователь сам для себя определял, какие радиостанции и с какой сеткой ему
следует применять.
Изменили свою техническую политику и наши разработчики аппаратуры. Они
задались целью создать унифицированную радиостанцию, имеющую международные и
национальные частотные каналы, смещенные на 5 кГц. Например, одна из них -
"Скаут" - будет иметь 88 частотных каналов.
Учитывая пожелания производителей аппаратуры гражданской связи и ее
пользователей, ГКРЧ своим решением от 29 августа 1994 г. разрешила
использование на вторичной основе полос радиочастот 26970...27410 кГц и
27410...27860 кГц. Этим же решением разрешено применение однополосной
амплитудной модуляции, а мощность передатчиков увеличена до 10 Вт.
Номиналы частотных каналов и их нумерация приняты международные. В
радиостанциях отечественного производства предусмотрено использование частотных
каналов 56, 62, 68, 70 и 74, которые в зарубежных радиостанциях отсутствуют.
Это, на наш взгляд, может сыграть положительную роль в конкурентной борьбе между
отечественными и зарубежными поставщиками радиостанций гражданского диапазона.
И еще об одном важном обстоятельстве хотелось бы сказать. Отдельные
граждане и юридические лица имеют теперь равные права при работе на
радиостанциях диапазона 27 МГц. Однако как одна, так и другая категория
пользователей должны получить соответствующее разрешение Госсвязьнадзора.
Последнее решение ГКРЧ предоставляет новые возможности для широкого
использования в нашей стране гражданского диапазона. Это имеет большое социальное
значение, так как пользоваться услугами связи радиальных и сотовых сетей стоит
пока весьма дорого.
Основными преимуществами данного вида связи являются:
§ открытость диапазона как у нас в стране, так и за рубежом. То есть в
отношение него действует регистрационный, а не разрешительный принцип
эксплуатации радиостанций пользователем;
§ Си-Би радиостанции по сравнению с другими радиосредствами
(транкинговыми станциями, сотовыми телефонами) существенно дешевле в
эксплуатации, так как не требуют поминутной или абонентской оплаты.
Вместе с разрешением на использование радиоаппаратуры диапазона 27МГц
широкие слои населения получили возможность организовывать дешевые, простые в
эксплуатации, независимые, системы связи.
1. Расширенное техническое задание
Студент: Назарчук А.Ю. Группа: РТ1001
Спроектировать ЧМ передатчик гражданского назначения мощностью 8 Вт СИ -
БИ диапазона с частотой 27 МГц.
1. Перечень нормативных документов.
1.1. Нормы 17-84. Общесоюзные нормы на допустимые отклонения частоты
радиопередатчиков всех категорий и назначений, - М.; Воениздат, 1985. - 24 с.
.2. Нормы 18-85. Общесоюзные нормы на уровни побочных излучений
радиопередающих устройств гражданского назначения, - М.; Воениздат, 1986. - 46
с.
.3. Нормы 17-84. Общесоюзные нормы на ширину полосы и внеполосные
излучения радиочастот радиопередатчиков гражданского назначения, - М.;
Воениздат, 1987. - 55 с.
.4. ГОСТ 12252 - 86. Радиостанция с частотной модуляцией сухопутной
подвижной службы. Типы, основные параметры, технические требования и методы
измерений.
.5. ГОСТ 5237 - 83. Аппаратура электросвязи. Напряжение питания и
методы измерений. ЦНИИС. 1983. 9стр.
2. Системные требования.
2.1. Мощность передатчика………….….....8 Вт
2.2. Диапазон частот………………………26975 - 27855 кГц
.3. Шаг сетки частот……………….........100 Гц
.4. Способ перестройки…………….......дискретный
.5. Вид модуляции…..……………………….…..ЧМ
3. Требования электромагнитной совместимости.
3.1. Максимальная девиация частоты…...………..0,5*10-7
3.2. Допустимый уровень побочный излучений……- 40 дБ
4. Показатели качества передачи.
4.1. Максимальная девиация частоты………………1,8 кГц
4.2. Полоса модулирующих частот………………..300 - 2700 Гц
.3. Индекс частотной модуляции на частоте 300 Гц………….6
.4. Индекс частотной модуляции на частоте 2700 Гц………0,7
.5. Коэффициент нелинейных искажений………………..≤ 1,5%
.6. Ширина полосы излучения передатчика на уровне -30 дБ при ЧМ……≤
9 кГц
5. Эксплуатационные показатели.
5.1. Назначение...................обеспечение надежной связи в Москве
5.2. Место установки…………………………легковой автомобиль
5.3. Вид
нагрузки………антенна типа штырь
, КСВ
.4. Источник
питания….………………………...аккумулятор 12 В
.5. Требования
к КПД………………………не регламентируются
6. Объём работы.
6.1. Изучение литературы и нормативных документов.
6.2. Определение и изучение прототипа.
.3. Составление блок-схемы передатчика.
.4. Расчет УМ, ПУ, ОГ, ГУН.
.5. Оформление курсового проекта.
Руководитель: к.т.н. Груздев В.В.
2. Выбор передатчика - прототипа
На данном этапе проектирования мной была изучена следующая техническая
литература: журнал Радиолюбитель и журнал Радиоконструктор. В процессе изучения
этой литературы были рассмотрены передатчики следующих радиостанций:
РАДИОСТАНЦИЯ "АСТРА-1-FM-CB", и РАДИОСТАНЦИЯ "ПИЛОТ".
Передатчики этих станций имеют такое же предназначение, что и проектируемый. В
качестве передатчика - прототипа мне более подходит передатчик РАДИОСТАНЦИИ
"ПИЛОТ".
Анализ
передатчика - прототипа
ОСНОВНЫЕ ТЕХНИЧЕСКИЕ ХАРАКТЕРИСТИКИ.
Диапазон частот...............................................26960 -
27405 кГц
Вид
модуляции..........................................................................
ЧМ
Число
каналов..............................................................................
40
Диапазон рабочих температур............................. -20 - +50 град.С
Напряжение
питания...................................................................12 В
Так же радиостанция имеет относительно малые габариты и вес.
ПЕРЕДАТЧИК.
Выходная мощность.................................................................4Вт
Максимальная девиация
частоты............................................2 кГц
Полоса передаваемых частот.....................................300 - 3000
Гц
Подавление побочных излучений............................ не менее 40 дБ
Выходной
импеданс.................................................................50 Ом
Также эта СВ (27 МГц) ЧМ-радиостанция имеет чувствительность приемника
0,15 мкВ и выходную мощность передатчика 1...1.5 Вт (при питании 9 В). Самое
существенное отличие от большинства радиостанций аналогичного класса - система
шумопонижения с плавной регулировкой.
Регулятор шумоподавителя является одновременно регулятором
чувствительности. Уровень шумов, прослушиваемых в громкоговорителе, уменьшается
плавно, что дает определенные преимущества:
обеспечивает возможность с помощью регулировки громкости и шумоподавителя
установить максимальную чувствительность при приемлемом уровне шумов:
позволяет судить о чувствительности приемника при конкретном уровне
шумопонижения
Питается "ПИЛОТ" напряжением 6,3...12 В, при этом выходная
мощность может достигать от 2 до 4 Вт, потребляя не больше 10 мА в режиме
дежурного приема. При передаче потребление тока -около 300 мА (при мощности 1
Вт).
Из принципиальной схемы можно отметить, что передатчик имеет два каскада
усиления. Фильтр гармоник выходного напряжения выполнен по П-образной схеме.
"ПИЛОТ", конечно, имеет и недостатки. Это, прежде всего,
относительно низкая избирательность приемника по соседнему (40 дБ) и побочным
(30 дБ) каналам, которая определяется параметрами фильтра промежуточной частоты
(465 кГц).
Выводы из анализа передатчика-прототипа:
Анализируемый передатчик не так стар, он разработан в 90-х годах, поэтому
он удовлетворяет всем нормам, чему свидетельствуют следующие документы: В
России внедрению этого вида радиосвязи положило Решение государственной
комиссии по радиочастотам СССР (ГКРЧ СССР) "О выделение радиочастот для
разработки и серийного производства радиоаппаратуры личного пользования, реализуемой
через торговую сеть", принятое в 1988 году. Его логическим продолжением
стало решение ГКРЧ России "О выделении дополнительных полос радиочастот в
диапазоне 27 МГц для радиостанций личного пользования", принятое 29
августа 1994 года.
Но данный передатчик обладает малой выходной мощностью, что существенно
сказывается на дальности связи, поэтому основной задаче будет добиться
требуемой выходной мощности путем применения большего числа каскадов усиления
или применения более мощных усилителей.
Также можно усовершенствовать данный передатчик более новой элементной
базой как активных (транзисторов ), так и пассивных (R,L,C) элементов, что существенно повлияет
на показатели качества работы передатчика, потому что мы будем бороться с
размерами деталей, потерями в резисторах, паразитными индуктивными выводами в
конденсаторах, межвитковыми емкостями индуктивностей и т.п.
Еще одной задачей будет применения более лучшей фильтрующей системы для
борьбы со 2-ой и 3-ей составляющей спектра.
Также для улучшения стабильности работы данного передатчика можно
применить стабилизацию частоты задающего генератора при помощи кварцевого
резонатора.
Таким образом основной задачей реализации проектируемого передатчика
будет улучшение показателей передатчика - прототипа.
транзистор
радиодеталь каскад фильтрация
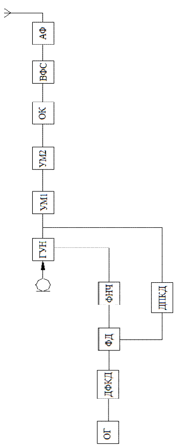
3. Структурная схема проектируемого
передатчика
Отметим основные особенности данных структурных схем:
Схема имеет синтезатор частот на основе ФАПЧ, что обусловлено тем, что
синтезаторы такого типа имеют в своем составе АГ с кварцем, что обуславливает
высокую стабильность частоты, также благодаря ФАПЧу наш синтезатор обладает
рядом преимуществ - малые габариты, потребляет малую мощность, формирует сетку
частот с любым нужным шагом, также этот синтез обеспечивает низкий уровень
побочных составляющих.
Можно
увидеть, что ЧМ получается за счет использования АГ с варикапом, т. е. возможно
получение большого значения
.
Использование варикапов для осуществления ЧМ определяется такими их свойствами,
как высокая механическая и электрическая надежность работы, малые габаритные
размеры, большая добротность емкости, возможность получения широкополосной ЧМ с
уровнем нелинейных искажений, не превышающим долей или единиц процентов.
4. Выбор метода синтеза частот
Одним из основных элементов современного возбудителя является синтезатор
частот, который вырабатывает одно или несколько когерентных или некогерентных
колебаний с заданной частотой. Основным отличием некогерентного и когерентного
синтеза является число используемых в процессе частотообразования источников
опорных частот. В первом случае используется множество генераторов с кварцевой
стабилизацией частоты, а во втором один источник опорной частоты. Таким образом
при некогерентном синтезе число каналов радиостанции определяется количеством
пар кварцев, установленных в задающем генераторе передатчика. Тем самым, чтобы
обеспечить 40-ка канальную радиостанцию необходимо будет установить большое
количество кварцев, при этом коммутация кварцев будет осуществляться
механическим ключом. Можно видеть, что при этом методе синтеза, произойдет
достаточное усложнение схемы, увеличение её объема и габаритов. Так же можно
отметить, что разработка одного генератора с кварцевой стабилизацией частоты
намного проще и дешевле чем разработка нескольких таких генераторов.
Теперь остановимся поподробнее на когерентном синтезе, при этом
синтезаторы частот строятся на основе метода прямого, либо косвенного синтеза.
В синтезаторах, построенных на основе метода прямого синтеза, выходные
колебания получаются с помощью операций сложения, вычитания, умножения и
деления эталонной опорной частоты, т.е. в прямом методы синтеза частот
выходного сигнала формируется из частоты ОГ (или из частот нескольких ОГ) путем
ее преобразования и последующей фильтрации. Прямым методам синтеза частот
свойственен ряд достоинств и недостатков: методы прямого синтеза частот
предпочтительны в тех случаях, когда на выходе синтезатора частот требуется
одновременно несколько когерентных сигналов с разными частотами. В прямых
синтезаторах частот можно обеспечить сколь угодно малый шаг частоты выходного
сигнала (до тысячных долей герца). Структурные схемы прямого синтеза частот
функционально просты. В синтезе частот прямого типа трудно получить выходной
сигнал с высокой чистотой спектра, при умножении и делении частоты возникают
комбинированные побочные составляющие, в этом случае приходится использовать
большое число фильтров. В результате либо увеличиваются габариты, масса, либо
ухудшаются показатели чистоты спектра выходного сигнала. Недостатками прямых синтезаторов
является высокий уровень побочных спектральных составляющих.
При косвенных методах синтеза частот выходной сигнал получают от
подстраиваемого по частоте генератора (ПГ) без каких-либо нелинейных
преобразований. Косвенный метод синтеза частот состоит из двух основных этапов:
- генерация колебаний с высоким содержанием гармоник, основная частота
которого равна шагу сетки выходных частот;
- выделение колебания нужной гармоники.
Системы косвенного синтеза частот обладают множеством преимуществ перед
системами прямого синтеза, в том числе такими, как малые габаритные размеры и
масса, потребление малой мощности. Также этот метод хорош при формировании
сетки частот с определенным фиксированным шагом, при этом на выходе синтезатора
можно получить конкретную частоту.
Таким образом одной из главных задач косвенного метода синтеза частот
является выделение колебания нужной гармоники. На практике используются
несколько способа ее выделения :
- можно использовать перестраиваемый фильтр, но он может быть использован
в тех случаях, когда разнос по частоте между соседними гармониками велик по
сравнению со значением выходной частоты, так что необходимое подавление
колебаний остальных гармоник может быть обеспечено фильтром с небольшим числом
звеньев, узкополосные перестраиваемые многозвенные фильтры дороги и сложны в
изготовлении;
- наиболее предпочтительно использование петли фазовой
автоматической подстройки частоты (ФАПЧ).
Для обеспечения требуемой стабильности частоты ПГ используют систему
фазовой автоматической подстройки частоты (ФАПЧ) по сигналу опорного
генератора. При косвенном синтезе приращения частоты получают, используя
принцип обратной связи. При использовании этого метода также применяются
смесители, умножители и делители частоты и фильтры, но наряду с ними широко
применяются генераторы управляемые напряжением (ГУН), программируемые делители
частоты, фазовые и частотные дискриминаторы.
Кратко опишем принцип работы синтезатора частот с ФАПЧ.
Суть его работы состоит в том, что в качестве источника колебаний
(генератора передатчика или гетеродина приемника) выступает ГУН - генератор,
управляемый напряжением. Его частота может меняться при изменении напряжения,
подаваемого на варикап, включенный в его колебательный контур. Понятно, что
колебания ГУН нестабильны. Все остальные узлы синтезатора частоты предназначены
для того, чтобы при отклонении частоты на выходе ГУН от требуемой, выработать
управляющее напряжение, которое будет приложено к варикапу ГУН и обеспечит устранение
возникшей его расстройки.
Таким образом выходной сигнал ГУН, кроме подачи его на узел назначения,
подается еще и на делитель с переменным коэффициентом деления (ДПКД). Задача
ДПКД - делить сигнал частоты ГУН каждый раз так, чтобы на его выходе всегда
присутствовал сигнал с частотой fд.
Этот сигнал подается на фазовый детектор (ФД). С другой стороны на ФД подается
сигнал с кварцевого генератора (КГ) с частотой fкг. Если частоты fд и fкг равны, напряжение на выходе ФД равно нулю. Однако, частота
fд несет сигнал расстройки, она
нестабильна, и при отклонении ее значения от fкг на выходе ФД образуется управляющее напряжение UУПР, причем с таким знаком, который
обеспечивает подстройку частоты ГУН в нужную сторону. Как только ГУН будет
подстроен, выходное напряжение системы ФАПЧ станет равным нулю, а выходная
рабочая частота синтезатора fраб
будет соответствовать заданному значению. Работой ДПКД управляет процессор.
Отсюда следует, что записанные в память ПЗУ параметры, определяющие
рабочий диапазон, количество каналов, шаг сетки, обеспечат работу радиостанции
на фиксированных каналах с высокой стабильностью частоты.
Выходная рабочая частота синтезатора определяется также режимом работы
радиостанции. Так в режиме передачи она будет равна несущей частоте установленного
канала, а в режиме приема - частоте первого гетеродина приемника.
Запишем основную формулу для расчета частоты ГУНа:
гун=fсдв+N*fш
где fгун- частота ГУН,
fсдв-
частота генератора сдвига,
N- код
программируемый ДПКД,
fш-
шаг сетки частот (100 Гц).
Основным преимуществом является низкий уровень побочных спектральных
составляющих. Основной недостаток- зависимость параметров от окружающих
условий.
Приняв во внимание все преимущества и недостатки косвенного когерентного
метода, выбираем его как оптимальный и будем использовать.
Выбор схемотехнического построения ЧМГ:
На практике выделяют два способа получения ЧМ.
Первый. Прямой метод получения ЧМ состоит в том, что передаваемый сигнал
непосредственно или после пред коррекции воздействует на АГ передатчика и
изменяет его частоту. Для этого в контур АГ вводится управляемый реактивный
элемент, емкость или индуктивность, которого меняется в зависимости от
приложенного к нему модулирующего напряжения.
Под пред коррекцией понимают следующее: на практике во всех передатчиках
с угловой модуляцией для повышения качества работы системы вещания или связи в
целом производится предварительная обработка (пред коррекция) передаваемого
сигнала. Обычно это подъем верхних модулирующих частот на 6 дБ на октаву, что
эквивалентно дифференцированию передаваемого сигнала.
Второй. Косвенный метод угловой модуляции реализуется с помощью
фазовращателя, поворачивающего фазу колебания, полученного от автогенератора
несущей частоты, пропорционально приложенному к нему модулирующему напряжению,
т. е. непосредственно модулирующему сигналу или (чаще) модулирующему сигналу,
подвергнутому предкоррекции.
Таким
образом косвенные методы предполагают получение нужного вида угловой модуляции
осуществлением другой модуляции и соответствующим преобразованием сигнала. Так
как частота и фаза гармонического колебания взаимосвязаны (
) ЧМ колебание можно получить, осуществляя модуляцию
по фазе, но при этом необходимо устранить зависимость девиации частоты
от частоты модуляции
,
присущую ФМ. Это нетрудно выполнить, пропустив модулирующий сигнал через цепь с
коэффициентом передачи, пропорциональным
.
Девиация фазы на выходе такого устройства
, а
девиация частоты при этом
будет зависеть только от амплитуды
, что характерно для ЧМ.
Из
сравнения двух методов можно заключить, что при прямом методе получения УМ
управляющее устройство УРЭ вместе с питающими напряжениями входит в состав АГ
неизбежно увеличит нестабильность его средней частоты. С другой стороны,
мгновенная частота такого генератора может меняться в довольно широких
пределах, т. е. возможно получение большого значения
.
При
косвенном методе УМ в АГ могут быть приняты все доступные меры стабилизации
частоты, поэтому в таких передатчиках без дополнительных мер достигается высокая
стабильность средней частоты (несущей). Но, глубина девиации фазы
в модуляторах таких передатчиков невелика. Для
увеличения девиации и получения заданной рабочей частоты применяют несколько
ступеней умножения частоты. Затем следует тракт усиления мощности радиочастоты.
Таким
образом для нашего проектируемого передатчика выберем метод прямого получения
ЧМ.
Конструктивно
ЧМГ выполнен на основе схемы емкостной трёхточки. Модуляция осуществляется с
помощью варикапа, при подаче на его вход модулирующего напряжения. В качестве
управляющего реактивного элемента чаще всего используем варикап, т. е.
полупроводниковый диод специальной конструкции, барьерная емкость запертого р-n-перехода
которого определенным образом зависит от приложенного напряжения.
Использование варикапов для осуществления ЧМ определяется такими их
свойствами, как высокая механическая и электрическая надежность работы, малые
габаритные размеры, большая добротность емкости, возможность получения
широкополосной ЧМ с уровнем нелинейных искажений, не превышающим долей или
единиц процентов.
Выбор активных элементов тракта радиочастоты:
В передатчиках используются различные электронные приборы и радиодетали.
Наиболее надежные из них - радиолампы и полупроводниковые приборы
(транзисторы).
В нашем проекте я буду использовать в качестве активных элементов-
транзисторы.
Отметим основные преимущества транзисторов:
· С точки зрения устойчивости к механическим воздействиям (вибрациям,
ускорениям, ударам) полупроводниковые приборы находятся в значительно лучшем
положении, чем электровакуумные лампы со стеклянными баллонами.
· Отсутствие цепей накала, что определяет практически
мгновенную готовность передатчика к работе (сюда не относятся разного рода
прецизионные устройства, например высокостабильные автогенераторы, в которых
заданная частота с высокой степенью точность устанавливается через некоторое
время после прогрева полупроводниковых приборов) и упрощает вопросы
резервирования. Кроме того, повышаются энергетические показатели передатчика
небольшой мощности (до 10..50 Вт), уменьшаются габаритные размеры и масса.
· Низкие питающие напряжения. Полупроводниковые приборы не требуют
высоковольтных выпрямителей, высоковольтных блокировочных конденсаторов.
Упрощаются меры по техники безопасности. В ряде случаев это позволяет несколько
уменьшить габариты и массу. Как правило, в передатчиках на полупроводниковых
приборах обходятся источником питания одного номинала, в отличие от ламповых,
где требуется отдельные источники питания цепей накала, управляющих сеток,
анодных цепей и экранных сеток, существенно различные по величине и полярности.
· Широкодиапазонность, схемные и конструктивные преимущества.
Ввиду низких напряжений и больших токов полупроводниковых приборов нагрузочные сопротивления
для них составляют всего десятки, и даже единицы ома, что в 10..1000 раз
меньше, чем в ламповых устройствах. Так как входные и выходные емкости ламп и
полупроводниковых приборов примерно одинаковы, малые нагрузочные сопротивления
позволяют применить в каскадах полупроводниковых передатчиков очень простые
схемы с апериодической (широкодиапазонной) нагрузкой на частотах до 50..200
МГц, а в ряде случаев-до 1000..2000 МГц. В таких устройствах не требуются
построечные и перестроечные элементы.
· Большой срок службы при условии защиты от недопустимых
напряжения, токах и нагрева
· Малые габаритные размеры, масса полупроводниковых приборов.
В качестве полупроводниковых приборов будем использовать биполярные
транзисторы т.к.
o транзисторные отличаются, способами включения (с ОЭ, ОБ, или
ОК), их конструктивным выполнением (p-n-p или n-p-n)
o транзисторные отличаются многообразием схем построения
(резонансные, широкополосные)
o транзисторные отличаются возможностью применения более
эффективного ключевого режима;
o большой срок службы.
В целях достижения высокой стабильности частоты при выполнении других
требований, современные передатчики чаще всего строят, как многокаскадные.
Задача составления структурной схемы состоит в том, чтобы определить
рациональное число каскадов высокой частоты между возбудителем и выходом
передатчика, обеспечивающее выполнение заданных технических требований к
передатчику при минимальных затратах средств на изготовление и при достаточно
высоком коэффициенте полезного действия. Колебания маломощного возбудителя
последовательно усиливаются несколькими каскадами усиления и доводятся до
заданной мощности.
На основании изложенных требований произведем выбор конкретных типов
транзисторов для каждого каскада усиления.
Выбор транзистора для оконечного каскада:
Расчет структурной схемы передатчика начинается с выходного каскада,
поскольку нам известна выходная мощность передатчика. Мощность транзисторов
выходного каскада Рок определяется выходной мощностью передатчика РА и потерями
в его выходной фильтрующей и согласующей цепи (ηВФС), а также потерями в фидере (КБВ
фидера). Из технической литературы [2],[3] выберем ηВФС=0.8, а КБВ фидера=0.85.
Таким образом, мощность на выходе оконечного каскада(УМ4):
Составим
исходные данные для расчета транзистора:
Требуемая
полезная мощность……………………12 Вт
Высшая
рабочая частота…………………………...27860 кГц
Предполагаемая
схема оконечного каскада………однотактная
Критерий
выбора транзистора:
· пригодность в разработке, т.е. подходить по заданным требованиям;
· удобное стандартное напряжение питание Ек;
· по
возможности высокое ожидаемое значение КР и
;
· невысокая
стоимость.
|
№ тр.
|
Тип транзистора
|
Вид проводимости
|
Диапазон рабочих частот, МГц
|
Номинальная мощность, Вт
|
Ек, В
|
Примерное (ожидаемое) значение КР
|
|
1
|
КТ997А
|
n-p-n
|
1.5-30
|
13
|
12
|
5
|
|
2
|
КТ955А
|
n-p-n
|
1.5-30
|
15
|
28
|
3.5
|
|
3
|
КТ633Б
|
n-p-n
|
1.5-175
|
0.25
|
12
|
6
|
Из выше приведенных транзисторов для оконечного каскада выбираем
транзистор КТ997, т.к. он имеет хороший Кр, подходящую мощность, невысокую
стоимость. Транзистор КТ955 имеет хороший Кр, но он не подходит по питанию.
Транзистор КТ633 имеет хороший Кр, но он не подходит по требуемой мощности.
Также можно видеть, что 1 и 2 транзистор имеют почти одинаковую выходную
мощность, но Ек 2-го в 2 раза больше, т.е. выходная мощность в 2 раза меньше.
Осуществим пересчет КР для заданных условий работы транзистора:
Следует
отметить, что в виду соображения устойчивости ГВВ к самовозбуждению в расчете
Кр следует принимать не выше 25..30.
Ограничимся КР = 4,5.
Выбор транзистора для предоконечного каскада:
Выберем транзистор для предоконечного каскада. Определим ожидаемую
мощность на выходе предоконечного каскада:
Вт
|
№ тр.
|
Тип транзистора
|
Вид проводимости
|
Диапазон рабочих частот, МГц
|
Номинальная мощность, Вт
|
Ек, В
|
Примерное (ожидаемое) значение КР
|
|
1
|
КТ967А
|
n-p-n
|
1.5-30
|
6
|
12
|
4,6
|
|
2
|
КТ815В
|
n-p-n
|
1.5-30
|
3
|
13.5
|
5.6
|
|
3
|
КТ932В
|
n-p-n
|
1.5-175
|
6
|
13.5
|
5.1
|
Из выше приведенных транзисторов для предоконечного каскада выбираем
транзистор КТ967А, т.к. он имеет хороший Кр, подходящую мощность, нормальное
напряжение питания, невысокую стоимость. Транзистор КТ815В имеет хороший Кр, но
он не подходит по требуемой мощности. Транзистор КТ932В имеет требуемой
мощности, но он не подходит по питанию.
Осуществим пересчет КР для заданных условий работы транзистора:
Ограничимся КР = 7,4.
Выбор транзистора для предварительного каскада:
Выберем транзистор для предварительного каскада. Определим ожидаемую
мощность на выходе предварительного каскада:
Вт
|
№ тр.
|
Тип транзистора
|
Вид проводимости
|
Диапазон рабочих частот, МГц
|
Номинальная мощность, Вт
|
Ек, В
|
Примерное (ожидаемое) значение КР
|
|
1
|
КТ630А
|
n-p-n
|
1.5-30
|
1.8
|
12
|
7
|
|
2
|
КТ684А
|
n-p-n
|
30-175
|
0.4
|
12
|
4.6
|
|
3
|
КТ819Г
|
n-p-n
|
1.5-175
|
18
|
12
|
4.2
|
Все выше приведенные транзисторы подходят нам по питанию. Но транзистор
КТ684А имеет номинальную мощность которая нам подходит, но он работает в другом
диапазоне частот, а транзистор КТ819Г имеет очень большую- он не подходит по
требуемой мощности. Транзистор КТ630А удовлетворяет всем требованиям.
Осуществим пересчет КР для заданных условий работы транзистора:
Ограничимся КР = 17.
Определим мощность на входе УМ1:
Вт
Таким образом, для возбуждения первого каскада предварительного усиления,
мощность подводимая на его вход должна быть 24 мВт. На этом расчет энергетики
структурной схемы тракта усиления РЧ можно считать законченным.
Выбор схемного построения и режимов работы тракта усиления:
Возможно два способа построения каскадов усиления: однотактное и
двухтактное. Двухтактное построение используют при построении наиболее мощных
широкополосных выходных каскадов. Основным достоинством однотактного построения
является простота и соответственно меньшие габариты, масса, стоимость,
повышенная надежность по сравнению с двухтактным построением.
В связи с тем, что мощность оконечного каскада небольшая и не требуется
широкополосность, целесообразно применить однотактное построение всех каскадов.
Усилители мощности будем строить на основе генераторов с внешним
возбуждением. Усилительный элемент, входящий в состав ГВВ (транзистор) включен
по схеме с общим эмиттером, так как при таком включении транзистор имеет самый
большой коэффициент усиления по мощности по сравнению со схемами ОБ и ОК.
Особенностью схемы ОБ является малое входное сопротивление транзистора,
активная составляющая которого может составлять десятые или сотые доли ома. Это
затрудняет построение межкаскадных цепей связи.
Основным недостатком схемы с ОК является низкий коэффициент усиления по
мощности по сравнению со схемой ОЭ, при существенной зависимости его от
частоты.
Режимы работы:
Режим А. В этом режиме точку покоя усилительного элемента выбирают таким
образом, чтобы выходной ток протекал в течение всего периода, т. е. точка покоя
должна находиться в середине используемой рабочей характеристики. Режим А
характеризуется сравнительно небольшими нелинейными искажениями, однако КПД
усилителя довольно низкий, так как независимо от амплитуды входного, а
следовательно, и выходного сигнала, в выходной цепи протекает постоянный. КПД
каскада в режиме А составляет около <20.%. Режим А используют в основном в
однотактных схемах.
Режим В. При работе в режиме В усилительный элемент работает с отсечкой
выходного тока, где ток в выходной цепи протекает в течение половины периода.
В пределе КПД составляет 78,5%. В энергетическом отношении режим В
намного выгоднее режима А, так как в отсутствие вреднее значение коллекторного
тока определяется как площадь импульса выходного тока за период, т. е. входного
сигнала (в паузе) потребляемый ток оконечного каскада равен нулю. Режим В
характеризуется значительными нелинейными искажениями за счет появления
гармоник четного порядка.
Если угол отсечки превышает л/2, то такой режим работы называется АВ.
Режим АВ занимает промежуточное положение между режимом А и В и позволяет
получить меньшие нелинейные искажения, чем в режиме В. В режиме АВ КПД
составляет около 50... 60%.
Режим С. При работе в режиме С угол отсечки меньше 90, что
обеспечивается определенным смещением, подаваемым на входной электрод
усилительного элемента. Преимущество режима С - большой КПД, так как амплитуда
первой гармоники больше среднего значения тока. Режим С применяется в мощных
генераторных устройствах и усилителях, где нагрузкой является колебательный
контур, который выделяет основную гармонику.
Выбор режима
работы предварительного каскада усиления:
В предварительном каскаде будем использовать режим работы с отсечкой
тока. При этом угол отсечки выберем равный 90 градусов, т.к. при этом можно
получить большую мощность при близком к максимальному КПД.
Выбор такого режима обусловлен тем, что класс А- обеспечивающий
наибольшую линейность усиления- нам это не нужно, т.к. мы имеем в нашем случае
передатчик с ЧМ, что обуславливает линейность как по амплитуде, так и по фазе.
Так же режим класса А плох тем, что требует затрат большой мощности, так как
потребляет ток Iк0 независимо от
подачи сигнала, тем самым имеет низкий КПД.
Выбор режима работы предоконечного каскада усиления:
Предоконечный каскад построим его по однотактной схеме, в силу ряда ее
достоинств: относительная простота ее построения, меньшие габариты, масса,
повышенная надежность без дополнительных затрат на дополнительный активный
элемент (например, при двухтактном построении с использованием балансных
транзисторов). В предоконечном каскаде будем обеспечивать режим работы с
отсечкой тока. Режим работы - граничный с углом отсечки Θ
= 900. Такой режим
позволяет получить хорошие энергетические характеристики (большая мощность при
высоком, близком к максимальному КПД). Выбор угла отсечки объясняется тем, что
при Θ
= 900 мы находим
оптимум, при котором получается достаточно большая мощность при высоком КПД.
Кроме того, достоинством режима работы с отсечкой тока Θ
= 900 является малая
величина нечетных гармонических составляющих, кроме первой.
Выбор схемы и режима работы оконечного каскада:
Каскад строим по однотактной схеме, в связи с тем, что мощность
оконечного каскада небольшая и не требуется широкополосность. Основным
достоинством однотактного построения является простота и соответственно меньшие
габариты, масса, стоимость, повышенная надежность по сравнению с двухтактным
построением.
Предпочтение отдадим схеме с ОЭ, ведь она обладает по сравнению с другими
наибольшим коэффициентом усиления по мощности, так как коэффициент усиления по
току и напряжению больше 1.
Выходной каскад работает в режиме отсечки, это значит повышение КПД
выходного каскада и всего передатчика в целом.
Выберем Θ из промежутка от 85 до 110, так как угол лежащий в данном
пределе считается оптимальным. Выберем угол отсечки Θ
= 900 , при этом мы
находим оптимум, при котором получается достаточно большая мощность при высоком
КПД. Кроме того, достоинством режима работы с отсечкой тока Θ
= 900 является малая
величина нечетных гармонических составляющих, кроме первой.
Ключевой режим не будем использовать, так как выходная мощность мала и
потери на нагрев транзистора также будут малы.
Выбор выходной фильтрующей системы:
Высшие гармоники тока или напряжения, образованные в результате работы
транзисторов в нелинейном режиме, должны быть ослаблены в нагрузке передатчика
(антенне, фидере) до уровня, определяемого международными и общесоюзными
нормами. Как правило, это обеспечивается выходной колебательной системой (ВКС),
устанавливаемой после оконечного каскада передатчика.
Заданную фильтрацию гармоник, в первую очередь наиболее интенсивных -
второй и третьей, ВКС должна обеспечить в рабочем диапазоне частот передатчика
при заданном уровне колебательной мощности и высоком КПД. В этом основное
отличие ВКС от резонансных контуров, межкаскадных цепей связи и т. д. Кроме
того, построение ВКС существенно зависит от рабочего диапазона передатчика.
Для определения вида ВФС рассчитаем коэффициент перекрытия по частоте
= 1,03 ≤
1,1..1,3
То
есть в нашем случае мы имеем дело с узкодиапазонной выходной фильтрующей
системой.
При построении ВКС узкодиапазонных генераторов и передатчиков в том числе
работающих на фиксированной частоте, ее полоса пропускания ограничивается
только снизу либо вообще не оговаривается. В связи с этим проектирование
выходной системы можно вести так, чтобы обеспечить наименьшие потери в ней, т.
е. максимальный КПД.
Поскольку в нашем случае требуется отфильтровать только высшие гармоники,
следует применять ФНЧ, у которых потери по сравнению с ПФ будут примерно в 2
раза меньше. При этом ВКС можно строить на основе многозвенных или однозвенных
Г-, П-, Т-цепочек.
В заключение отметим в качестве источника питания я выбрал машинный
аккумулятор, рассчитанный на 12 В.
5. Электрический расчет генератора, управляемого
напряжением с частотной модуляцией (ГУН ЧМ)
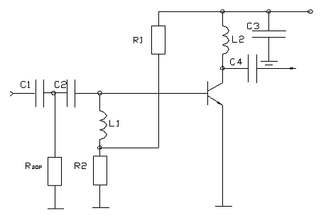
Расчет принципиальной схемы ГУН с ЧМ
Генераторы, управляемые напряжением, построим по обычным трехточечной
схеме. В схеме емкостной трехточки обозначены частотозадающие элементы. Все
остальные элементы обеспечивают подачу питающих напряжений и блокировку по
радиочастоте. Перестройку частоты в рабочем диапазоне осуществляют подачей на
варикап VD1 управляющего напряжения, снимаемого
с выхода синтезатора частоты. В передатчиках аналоговых систем связи в ГУН
осуществляют и частотную модуляцию. Для этого обычно в контур АГ включают
дополнительный варикап VD2.
Рис. 3
Исходные данные для расчета:
fраб =
26970 - 27860 МГц,
максимальная девиация частоты: Δƒmax = 1,8 кГц;
При разработке ГУН для диапазона рабочих частот подбирают варикап VD1 (табл. 8.1; [2]). Добротность
варикапа QB на рабочей частоте должна быть не
хуже 30. Выберем с учетом указанных требований варикап- КВ112А, обладающий
высокой добротностью 200 и еобр max =
25 В.
Расчету параметров варикапа:
. Определяем максимальное и минимальное значения емкости выбранного варикапа
Св1:
,
,
где
С0 - номинальная емкость варикапа при номинальном напряжении Е0;
С0
= 15 пФ,
Е0
= 3 В - номинальное напряжение,
Еφ = 0,7 - контактная разность потенциалов,
n = 0,5; 2,5 -
показатель степени характеристики диода с резким и сверхрезким переходом.
Примем n = 0,5, поскольку наш варикап с резким переходом.
Максимальное Umax и минимальное Umin управляющие
напряжения целесообразно брать в пределах от 6…8 до 12…16 В с размахом между
ними не менее 5…6 В.
Umax = 12 В;
Umin = 6 В.

Ф

Ф.
Емкость
варикапа на средней частоте
МГц:

Ф.
2. Находим эквивалентную емкость Ссв, включенную последовательно с
варикапом VD1 в контур, из выражения:
.
Вначале положим С1 = 0 и рассчитываем Ссв. Для этого решаем уравнение:
Таким
образом условие того что
выполняется.
Поскольку
Ссв < Св1, то варикап позволяет получить большее перекрытие по частоте fmax/fmin,
чем требуется. В этом случае целесообразно выбрать Ссв ≈ СВ1 = 9,6 пФ, а
параллельно варикапу подключить дополнительный конденсатор С1, величину
которого при выбранном Ссв определим, решая заново уравнение:
,
Решим
это квадратное уравнение:
Найдем
дискриминант:
Найдем
корень этого уравнения, второй корень не подходит так как имеет отрицательный
знак:
Ф.
Расчет
параметров колебательного контура:
1. Эквивалентная емкость контура
Ф.
Характеристическое
сопротивление контура:
Ом.
Эквивалентная
добротность контура:
Найдем
длину полосковой линии, которую можно поставить последовательно контуру
м.
При
такой длине ставить полосковую линию не имеет смысла. Поэтому поставим катушку
индуктивности.
Найдем
индуктивность контура:
, т.е.
= 3,6*10-6 Гн = 3,6 мкГн.
Расчету
электрического режима работы автогенератора:
Исходные данные:
высшая рабочая частота ступени: ƒmax = 27860 кГц.
допустимая нестабильность частоты ε = 50*10-6.
- полезная мощность автогенератора из РАГ ≈ 10 мВт.
Критерии выбора:
- допустимость использования в новых разработках;
-
- большая крутизна;
кремниевый транзистор - для использования в термостате или для узкого
интервала температур, германиевый транзистор - для широкого интервала
температур;
|
№ тр.
|
Тип транзистора
|
Вид проводимости
|
Граничная частота, МГц
|
Номинальная мощность, мВт
|
ЕК ДОП, В
|
|
1
|
КТ306А
|
n-p-n
|
300
|
15
|
15
|
|
2
|
КТ352А
|
n-p-n
|
200
|
300
|
15
|
|
3
|
КТ359А
|
n-p-n
|
300
|
15
|
15
|
Из данных транзисторов выберем КТ359А, т.к. он является наиболее новым и
удовлетворяет все требованиям. КТ306А- устарел, КТ352А- имеет очень большую
выходную мощность, и малую граничную частоту.
Основное
требование, предъявляемое к АГ, - высокая стабильность частоты генерируемых
колебаний. Стабильность частоты АГ в значительной мере определяется
добротностью колебательной системы, инерционностью используемого в нем
транзистора и выбранным режимом его работы. При воздействии дестабилизирующих
факторов меняется режим работы транзистора и его параметры (межэлектродные
емкости, - фаза средней крутизны). Чем больше значение
, тем сильнее влияют на генерируемую частоту
дестабилизирующие факторы.
Для
получения высокой стабильности генерируемой частоты угол отсечки
транзисторного АГ желательно выбирать так, чтобы токи
и напряжения на переходах транзистора были по форме близки к синусоиде. Чем
больше
, тем лучше форма тока. Однако с приближением
к 180° (мягкий колебательный режим) снижается
стабильность амплитуды колебаний вследствие того, что колебательная
характеристика и прямая обратной связи пересекаются под очень острым углом.
При
уменьшении
ток обогащается гармониками, что вызывает понижение
стабильности генерируемой частоты. Однако работа с
< 90° (жесткий колебательный режим) позволяет
обеспечить меньшее тепловое рассеяние на выходном электроде транзистора (более
высокий КПД) и более высокое значение входного сопротивления транзистора, что
способствует повышению стабильности частоты АГ. Но мягкое самовозбуждение
удобнее в эксплуатации, поскольку автоколебания возникают и самостоятельно
устанавливаются при произвольных условиях в момент включения АГ. Компромиссное
решение, при котором в момент включения АГ начинает работать без отсечки (в
режиме мягкого самовозбуждения) с последующим автоматическим переходом его в жесткий
режим, предусматривает автоматическое изменение, напряжения смещения по мере
нарастания амплитуды колебаний АГ При этом угол отсечки
в установившемся режиме автоколебаний транзисторного
АГ обычно выбирают равным (60...75)°.
Величина
коэффициента обратной связи с АГ
выбирается
с учетом относительного, шунтирующего влияния на колебательную систему АГ
входной и выгодной проводимостей транзистора. При малых Кос (т.е. при
относительно небольших, Uk1) в значительной степени проявляется нелинейность
барьерной емкости Ск. При больших Кос (т.е. при больших амплитудах Uб1)
возрастает влияние входной проводимости транзистора. Обычно в АГ на биполярных
транзисторах выбирают Кос = 1. При нежестких требованиях к стабильности частоты
с целью увеличения выходной мощности Кос можно уменьшить, выбрав Кос = 0,3 .
..0,5.
С
учетом изложенного в АГ необходимо использовать маломощные высокочастотные
транзисторы типа КТЗ___ или аналогичные им.
Для
повышения стабильности генерируемой частоты транзистор должен работать в
облегченном режиме. Напряжение питания коллекторного перехода и амплитуду
импульса коллекторного тока выбирают из условий iKМ = (0,2…0,4) iK
доп; еKМ = (0,2…0,4) еK доп, где iK
доп и еK доп - допустимые паспортные значения импульса
коллекторного тока и коллекторного напряжения.
Режим
работы транзистора АГ выбирают резко недонапряженным. При перенапряженном
режиме увеличивается дестабилизирующее влияние на генерируемую частоту
изменения питающего напряжения, из-за повышенного содержания высших гармоник в
импульсах коллекторного тока, малейшее изменение угла отсечки приводит к
заметным относительным изменениям уровней высших гармоник, что эквивалентно
изменениям
. Кроме того, использование перенапряженного режима
приводит к увеличению выходной проводимости транзистора, снижающей добротность
колебательной системы АГ.
1. Выбираем транзистор малой мощности и фиксируем его параметры:
- средний коэффициент усиления по току: β = 30…90,
- Pкmax = 15 мВт,
- Ск = 5пФ,
- Сэ = 6 пФ,
- fт = 300 МГц,
- Eотс = 0,7 В,
- Iк = 0,02 А,
- iK доп = 20 мА,
Ск.а = Ск/2 = 2,5 пФ,
τос = rБСк.а.
= 10 пс,
Вычисляем fβ
= fт/ β = 10 МГц,
fα = fт + fβ = 310 МГц,
rБ = τос/ Ск.а. = 4 Ом.
iKМ =
(0,2…0,4) iK доп =4 мА;
еKМ = (0,2…0,4) еK доп=5 В.
Выбираем
коэффициент обратной связи в АГ Кос = 1,
. Тогда
Расчет цепей смещения и питания транзистора:
1. Амплитуда первой гармоники коллекторного тока
2. Амплитуда постоянной составляющей тока коллектора
3. Амплитуда постоянной составляющей тока базы

4. Рассчитаем сопротивление делителей смещения
Известно,
что R1=(10..20)R2
Выберем
R2=R1/10=3900 Ом
5. Определим ток делителя
6. Рассчитаем резистор, включенный в эмиттерную цепь транзистора,
исходя из неравенства (для уменьшения влияния дестабилизирующих факторов на ток
базы, и соответственно на смещение на базе транзистора)
R1R2/( R1+ R2) << (1+ β0) R3
3500 << 31 R3
Ом << R3
Выберем R3 = 240 Ом
7. Рассчитаем смещение на базе транзистора в стационарном режиме
Здесь первый член - внешнее отпирающее смещение, второй- автоматическое
смещение за счет базового тока, третий- автоматическое смещение постоянной
составляющей эмиттерного тока.
8. Рассчитаем резистор стоящий в коллекторной цепи транзистора
(гасящее сопротивление необходимое для снижения напряжения на базе транзистора)
5.1 Расчет электрического режима АГ
1. Эквивалентное сопротивление нагрузки
2. Амплитуда первой гармоники напряжения на коллекторе транзистора
3. Полезная мощность отдаваемая в нагрузку
4. Мощность потребляемая от источника
5. Максимальная рассеиваемая мощность на коллекторе транзистора
6. КПД коллекторной цепи при номинальной нагрузки
Рассчитаем
коэффициент использования коллекторного напряжения в недонапряженном режиме
Неравенство
есть условие недонапряженного режима.
Произведем
анализ оценку полученного численного значения:
1. По эквивалентному сопротивлению нагрузки транзистора RН находим коэффициент включения
транзистора в схему:
=
=0,015
Сопротивление емкости делителя:
=
0,015*640 = 10 Ом.
Сопротивление емкости:
Эта величина должна быть больше 0.

= 525 Ом
> 0. - условие выполняется, значит можно продолжить расчет.
Найдем величину емкости С2: С2 = 1/(2πƒХс2) =1/2π
27,86*106 525= 11*10-12 Ф.
Напряжение радиочастоты на варикапе VD1 не должно превышать обратного смещения
1 [B] < Umin - 1 = 6-1 = 5 (B)
Примем UVD1 = 5 В.
2. Теперь произведем расчет частотного модулятора на варикапе VD2.
Так как относительная девиация частоты очень мала, то следует обратить
внимание на повышение уровня модулирующего напряжения. Варикап VD2 необходимо выбрать с резким
переходом (n=0,5). Пользуясь таблицей 8.1 в [2],
выберем варикап КВ109В.
Определяем максимальное и минимальное значения емкости выбранного
варикапа Св2
,
,
где
С0 - номинальная емкость варикапа при номинальном напряжении Е0;
С0
= 10 пФ,
Е0
= 4 В - номинальное напряжение,
Еφ = 0,7 - контактная разность потенциалов,
Umax = 12 В;
Umin = 6 В.

Ф

Ф.
Емкость
варикапа на средней частоте
МГц:

Ф.
Целесообразно
на VD2 в режиме молчания установить смещение ЕВТ ≈ 6
В и уменьшать коэффициент включения VD2 в схему. Для этого подберем
С3
< 0,2·СВ2 = 1,27 *10-12
Выберем
С3 = 1,1 пФ.
Коэффициент
включения варикапа в схему
Д
=
< 0,2 .
kД =
= 0,14 < 0,2 - условие выполняется, т.е. варикап
нам подходит,
где
СВ2 - емкость варикапа VD2 в отсутствии модуляции.
Тогда
амплитуда модулирующего напряжения на варикапе VD2:

= 4,5 В.
3. Определим остальные элементы каскада
Изобразим эквивалентную схему контура автогенератора:
Эквивалентная схема контура АГ
На
рисунке пунктирной линией обведена емкость делителя, сопротивление которой нам
известно
19 Ом. Емкости С3 , Св2 , Скб -емкость перехода транзистора
Были найдены ранее. Кроме того, по выбранному коэффициенту обратной связи в АГ:
Кос = С5/С4 = 1. Отсюда С4 = С5, их необходимо нам найти.
Из
рисунка:
(
) ||
|| (
)
= 1/(2πƒС3)=1/2π*27,86*106 1,1*10-12= 5000 Ом.
=1/(2πƒСВ2) =1/2π*27,86*106 6,3*10-12= 900 Ом.
=1/(2πƒСКБ)= 1/2π*27,86*106 5*10-12 = 1100 Ом.
(
) ||
=
= 920
Ом.

Отсюда найдем:
+
=
18 Ом.
= 9 Ом.
Тогда С4 = 1/(2πƒХС4)= 1/2π*27,86*106 9 = 600 пФ = С5.
Индуктивность
L2 выберем такой, чтобы ее сопротивление было
достаточно большим и не возникло обратной связи по переменному току:
ХL2 > (R1+ R2) =
41900 Ом. Отсюда L2 =ХL2/2πƒ=42000/2π*27,86*106 =240*10-6 Гн.
Блокировочную емкость С7 (служит для создания пути току высокой частоты)
найдем из условия блокировочная емкость должна быть много больше емкости
контура (Ск=9пФ), таким образом С7=300 пФ.
Индуктивность L3 выберем такой,
чтобы ее сопротивление было достаточно большим по сравнению с ХVD2 : ХL3 > ХVD2=
900 Ом.
Отсюда L2 =ХL2/2πƒ=2000/2π*27,86*106 =11*10-6 Гн.
Сопротивление R5 необходимо
выбрать таким, чтобы оно было минимальным для постоянных токов и большим для
переменных.
Емкость С8 (служит для создания пути току высокой частоты) найдем из
условия что сопротивление емкости должно быть много больше ХL2, ХL3 < ХVD2=4000
Ом.
Отсюда C8
=1/2πƒ=1/2π*27,86*4000*106 =1.4*10-12 Гн. таким образом С7=1.4 пФ.
Выбор конденсаторов:
Произведем сначала выбор контурных конденсаторов.
В фильтрующих цепях выходных каскадов транзисторных передатчиков
применяют керамические конденсаторы. В таблице 1 приведены стандартные
конденсаторы, соответствующие расчетным значениям контурных конденсаторов в
соответствии с рядом номинальных значений емкостей (табл.3,25, табл.3,27 из
[2]).
Таблица 1
|
Расчетное значение емкости конденсатора в схеме, пФ
|
Тип выбранного конденсатора
|
Номинальное значение емкости выбранного конденсатора, пФ
|
Номинальное напряжение, В
|
Допустимые отклонения от номинала, %
|
|
С1
|
140
|
|
|
|
|
|
С2
|
11
|
|
|
|
|
|
С3
|
1,1
|
|
|
|
|
|
С4
|
600
|
|
|
|
|
|
С5
|
600
|
|
|
|
|
Произведем теперь выбор блокировочных конденсаторов.
В таблице 2 приведены стандартные конденсаторы, соответствующие расчетным
значениям блокировочных конденсаторов в соответствии с рядом номинальных
значений емкостей (табл.3,26, табл.3,27 из [2]).
Таблица 2
|
Расчетное значение емкости конденсатора в схеме, пФ
|
Тип выбранного конденсатора
|
Номинальное значение емкости выбранного конденсатора, пФ
|
Номинальное напряжение, В
|
Допустимые отклонения от номинала, %
|
|
С7
|
300
|
|
|
|
|
|
С8
|
1,4
|
|
|
|
|
Выбор резисторов:
Как видно из приведенной схемы (рис. 3) для схемы ГУН с ЧМ нам нужно
выбрать резисторы R1, R2 - резисторы делителя, R3 - резистор, включенный в эмиттерную
цепь для стабилизации напряжения смещения за счет постоянной составляющей
эмиттерного тока, R4 - гасящее
сопротивление.
В генераторе, управляемом напряжением, будем использовать непроволочные
постоянные резисторы типа МЛТ благодаря малым габаритным размерам и тому, что
они являются резисторами общего применения и, как правило оказываются более
дешевыми .
Воспользовавшись справочником [16], выберем резисторы по расчетным
значениям сопротивлений:
R1 =
39 кОм,
R2 =
3,9 кОм,
R3 =
240Ом,
R4 Ом.
и по рассеиваемой на них мощностях (зная сопротивление и ток, протекающий
через него, можем найти мощность):(РрасR1 ≈ 3 мВт, РрасR2 ≈ 0,3 мВт, РрасR3 < 0,5 мВт)
Выберем резисторы типа МЛТ - неизолированный непроволочный постоянный
резистор в соответствии с рядом номинальных значений сопротивлений.
Таблица 3
|
Расчетное значение, Ом
|
Номинальное сопротивление в соответствии со справочными
данными, Ом
|
Допустимые отклонения от номинала, %
|
Предельное рабочее напряжение, В
|
Номинальная справочная мощность, Вт
|
|
R1
|
39000
|
39000
|
± 5
|
200
|
0,125
|
|
R2
|
3900
|
3900
|
± 5
|
200
|
0,125
|
|
R3
|
240
|
240
|
± 5
|
200
|
0,125
|
|
R4
|
8200
|
8200
|
± 5
|
200
|
0,125
|
6. Электрический расчет оконечного каскада
передатчика
Исходные данные для расчета:
1. Назначение каскада: усилитель мощности колебаний.
2. Требующаяся от каскада полезная мощность Р1 ≈ 12 Вт.
. Диапазон рабочих частот ступени: ƒраб = 26,97…27,86 МГц.
. Схемное построение оконечного каскада: однотактный.
. Режим работы оконечного каскада: режим с отсечкой коллекторного
тока.
. Напряжение питания Еп = 12 В.
. Тип транзистора: КТ997А.
Изобразим принципиальную схему оконечного каскада
Рис.4 Принципиальная схема оконечного каскада
Расчет коллекторной цепи:
Основные параметры транзистора КТ997А
- сопротивление насыщения: rнас = 0,5 Ом.
- сопротивление базы: rб = 0,5 Ом
сопротивление эмиттера: rэ = 0,15 Ом
сопротивление утечки эмиттерного перехода: Rуэ = 40 Ом
барьерная емкость эмиттерного перехода: Cэ= 160 пФ
барьерная емкость коллекторного перехода: Cк= 500 пФ
индуктивность выводов базы: Lб= 2 нГн
индуктивность выводов эмиттера: Lэ= 2 нГн
индуктивность выводов коллектора Lк=3,2 нГн
напряжение отсечки: Eотс=0,6 В
граничная частота: fТ=175 МГц
предельное напряжение на коллекторе: Eкэ доп=25 В
предельное напряжение на базе: Ебэ доп=5 В
предельный ток коллектора: Iк0 доп=4 А
Расчет выполняется из заданной номинальной мощности при работе
транзистора в граничном режиме, т.к. он является оптимальным на средних
частотах.
Обоснуем угол отсечки в котором будет работать данный оконечный каскад:
может
иметь различные значения в зависимости от того чего мы хотим получить от данного
каскада: высокий КПД, или максимальную полезную мощность, или высокий
коэффициент усиления. Однозначного значения
для всех
случаев не существует.
Поэтому
в каждом конкретном случае угол отсечки
выбирается
исходя из следующих критериев:
- получение мощности транзистора близкой к максимальной;
- получение высокого КПД при заданной мощности;
получение повышенного коэффициента усиления по мощности при
заданной мощности.
Поэтому,
· если
требуется получить максимальную мощность, то
=1200
при этом все остальные параметры становятся ниже своих максимальных значений;
· если важен
КПД, то чем меньше угол отсечки
, тем
больше КПД, но меньше КР и полезная мощность;
· если важен
коэффициент усиления, то он максимален при
=1800 ,но
при этом самый низкий КПД.
Поэтому
для получения хорошей полезной мощности, КПД и КР,
должен лежать в пределах от 85 до 110 градусов.
Возьмем
=900 , так как он входит в этот промежуток, при этом
реализуется максимальный коэффициент усиления по току, получается полезная мощность
близкая к максимальной и хороший КПД.
Перейдем
к расчету:
1. Амплитуда первой гармоники напряжения на коллекторе:
вторым
членом учитываем потери по постоянному току в блокировочном дросселе
Рассчитаем
напряженность режима:
Можно
видеть, что полученный параметр явно ниже требуемого значения, из конспекта
лекций
, данное заниженное значение можно пояснить тем, что
транзистор заранее питается от заниженного напряжения питания (аккумулятор 12
В).
Проверим
условие того, чтобы напряжение на коллекторе не превышало допустимого
Ек=12
В< Eкэ доп=25 В
2. Расчет амплитуды первой гармоники коллекторного тока
3. Расчет постоянной составляющей коллекторного тока
Коэффициенты a
определим из графика
Допустимое
значение постоянной составляющей коллекторного тока Iк0 доп=4 А
4. Расчет максимального коллекторного тока
5. Расчет максимальной мощности, потребляемой от источника
коллекторного питания
6. Расчет КПД коллекторной цепи при номинальной нагрузке
Произведем
анализ оценку полученного численного значения:
Полученное
выражение явно занижено, из [5, стр.36] КПД лежит в пределах:
.
Полученный
заниженный КПД можно пояснить заниженным
который
в свою очередь зависит от напряжения питания.
7. Расчет максимальной рассеиваемой мощности, на коллекторе транзистора
Произведем
тепловой расчет:
Исходные
данные:
Рк
рас=8,8 Вт
Rпк=1,25 Ом-
внутреннее тепловое сопротивление между структурой и корпусом транзистора
tп.доп=200-
максимально допустимая температура структуры
Rкт=(1..3)10-4/Sк=3*10-4/10-4=3
Ом- сопротивление теплового контакта между корпусом и теплоотводом.
Определим
тепловое сопротивление радиатора:
Теплоотвод
можно осуществить двумя путями: при помощи алюминиевой прямоугольной пластины,
либо при помощи ребристой пластины. Выберем второй вид, так как этот вид
достаточно распространен и он гораздо дешевле, не требует индивидуального
изготовления. При это из графика [3, стр 170] объем радиатора должен составлять
25 м3.
8. Расчет номинального сопротивления коллекторной нагрузки
Расчет
входной цепи:
При
расчете транзистора с ОЭ предполагается, что между базовыми и эмиттерными
выводами транзистора по радио частоте включен резистор, сопротивление которого
равно:
- Расчет сопротивления включенного параллельно база-эмиттер
Выберем
из [3] стандартное значение
Ом.
(
необходимо для выравнивания постоянной времени
эмитерного перехода в открытом и закрытом состоянии, при это ток и напряжения
имеют гармонический характер.)
Кроме
того, между коллекторным и базовым выводами включен резистор величиной:
- Расчет сопротивления включенного между коллектором и базой
- Расчет амплитуды тока базы
где
- Расчет напряжения смещения на эмитерном переходе
- Максимальное обратное напряжение на эмиттерном переходе
- Определим резистивную составляющую входного сопротивления
транзистора
Индуктивная
составляющая
Емкостная
составляющая
- Резистивная и резестивная составляющая входного сопротивления
транзистора
- Расчет входной мощности
- Коэффициент усиления по мощности транзистора
Произведем
оценку полученных двух последних выражений с принятыми ранее при выборе
транзисторов для оконечного каскада:
Можно
видеть, что полученные выражение в малой степени отличаются от ранее
прогнозируемых. Видно, что при расчете каскада выходная мощность достигается
большим коэффициентом усиления при более низкой входной мощности.
- Расчет постоянных составляющих базового и эмиттерного токов
Расчет цепей
питания оконечного каскада:
Исходные данные для расчета цепей питания.
Напряжение питания: Еп=12В
- Амплитуда напряжения первой гармоники: Uk1 гр=9,3 В
Постоянная составляющая коллекторного тока: Ik0=1.65 А
Рассчитаем сопротивления делителей R1 и R2
исходя из следующих соображений:
Таким
образом: R1=69 Ом, а R2=3 Ом.
Расчет
разделительных и блокировочных емкостей:
Расчет
разделительной емкости С1. При её расчете необходимо чтобы выполнялось условие
Из
этого условия следует
В
связи с тем, что разделительные емкости С1 и С2 равны и включены
последовательно, то их номинальные значения будут в 2 раза больше:
С1=С2=4
пФ
Расчет
блокировочной индуктивности L1. При её расчете необходимо чтобы выполнялось условие
Из
этого условия следует
Расчет
блокировочной индуктивности L5. При её расчете необходимо чтобы выполнялось условие
Из
этого условия следует
Расчет
блокировочной емкости С3. При её расчете необходимо чтобы выполнялось условие
Из
этого условия следует
Расчет
разделительной емкости С4. При её расчете необходимо чтобы выполнялось условие
Из
этого условия следует
7. Расчет выходной фильтрующей системы
Исходными данными для расчета являются:
o нижняя и верхняя рабочие частоты передатчика: ƒнп = 26,97 МГц, ƒвп = 27,86 МГц.
o номинальное нагрузочное сопротивление Rн = 50 Ом;
o допустимое значение КБВн нагрузки: КБВн = 0,8;
o допустимое значение КБВвх на входе ВФС: КБВвх = 0,7 для
оконечного каскада из [2, стр. 109];
o допустимый уровень высших гармоник в нагрузке передатчика:
адоп = - 40 дБ;
o дополнительное затухание асу, вносимое СУ с антенной: асу=
-10 дБ из [2];
o относительный уровень n - ой гармоники напряжения или тока на выходе генератора из
[2]:
аг2 = - 8 дБ.
Проведем сравнительный анализ фильтров:
Фильтр
Баттерворта с максимально гладкой АЧХ используется при значительно небольших
затуханиях аф<10..20 дБ и одновременно большом значении
>1.8, также предпочтение отдается полосовым
фильтрам, так как количество элементов у них меньше. Но полосовые фильтры хуже,
чем ФНЧ. Таким образом он нам не подходит.
При
аф=20..30 дБ и
=1,5..1,8 следует использовать фильтр Чебышева,
имеющий равно колебательный АЧХ, а при аф>20..30 дБ и малых
<1,5..1,8- фильтр Каура, имеющий равно
колебательную АЧХ в полосе пропускания и АЧХ со всплесками затухания в полосе
задерживания. Отметим, что для фильтрации на частотах высших гармоник аф при
заданном значении
или КБВ, следует применять ФНЧ Чебышева, фильтры Каура
в этом случае менее пригодны.
Поэтому
среди ФНЧ отдадим предпочтение ФНЧ Чебышева, так как у него больше полоса
пропускания, так же он имеет высокую крутизну характеристики и, кроме того, при
нашей малой неравномерности Δа <
(0,1…0,5) дБ путем незначительной подстройки LC элементов фильтров
можно добиться точного согласования генератора с нагрузкой на данной частоте
передатчика.
Расчет ведется в следующей последовательности:
1. Определим коэффициент перекрытия по частоте передатчика:
=1,03
Так
как
< 1,1 … 1,3 , то в нашем случае будем иметь дело с
узкодиапазонной выходной фильтрующей системой. В связи с этим полоса
пропускания такой системы будет ограничена только снизу. Поскольку в нашем
случае требуется отфильтровать только высшие гармоники, то следует применять
ФНЧ, у которого потери по сравнению с полосовым фильтром будут примерно в 2
раза меньше.
Определим КБВф, который должен обеспечивать фильтр:
=
2. Неравномерность АЧХ в полосе пропускания:
Δа = 10lg[(1+КБВф)2/4КБВФ] = 0,019 дБ
Минимально допустимое затухание аф, которое должен обеспечивать фильтр в
полосе задержания для n = 2:
аф ≥ -адоп + аг2 + аСУ =40 -10 - 8 = 22 дБ.
Найдем порядок фильтра, который практически можно ограничить величиной:
опт ≈ (0,1…0,15)*аф ≈ 4
Определим нормированную частоту в полосе задержания, на которой
необходимо обеспечивать заданное затухание аф:
Итак, в нашем фильтре будет 4 реактивных элемента.
Рис. 5 Схема фильтра
Рассчитаем элементы фильтра:
,
,
,
где
коэффициенты α
найдем из [14]:
α1 =0,6349;
α2 =1,203;
α3 =1,203;
α3 = 0,6349.
Также
необходимо отметить из [2] при расчете L,C для
ФНЧ необходимо принять fн=0.
Ф
Гн
Ф
Гн
Отметим
особенности цепи связи оконечного каскада с нагрузкой:
Цепи связи служат для трансформации сопротивления нагрузки в
сопротивление транзистора данного каскада. Если трансформация не будет
выполняться, то транзистор может работать в невыгодном режиме, т.е. снижаются
мощность и КПД, а также возникают искажения передаваемого сигнала. По этой
причине во входные, межкаскадные и выходные цепи транзисторных генераторов
включают специальные трансформирующие цепи.
Узкодиапазонные трансформирующие цепи с коэффициентом перекрытия по
частоте не более 1,1..1,2 выполняют на снове простейших Г-, Т-, П-цепочек в
виде ФНЧ. При этом обеспечивается более высокая фильтрация высших гармоник,
выходные емкости и индуктивности выводов транзистора сравнительно просто
включаются в соответствующие реактивные элементы трансформирующих цепочек или
образуют отдельные согласующие цепи, а также при таком построении L- и
C-элементы достаточно просто реализуются.
Выбор стандартных радиодеталей для цепей связи, фильтрации, питания для
схемы оконечного каскада
Выбор конденсаторов.
После расчета элементов необходимо выбрать стандартные радиодетали,
соответствующие расчетам:
С3 - блокировочный конденсатор в цепи коллекторного питания,
С1 , С2 - разделительные конденсаторы во входной цепи,
С4 - разделительные конденсаторы во входной цепи,
С5, С6 - конденсаторы в выходной фильтрующей системе (контурные).
Для обеспечения приемлемого КПД фильтрующих цепей, для уменьшения потерь
мощности и соответствующего нагрева самих конденсаторов, «контурные»
конденсаторы должны обладать малыми потерями, то есть высокой добротностью. На
высоких радиочастотах необходима малая паразитная индуктивность самого
конденсатора и его выводов во избежание паразитных резонансных и для уменьшения
зависимости эквивалентной емкости конденсатора от частоты. У блокировочного
конденсатора добротность может быть меньше, чем у контурного. У них допустимы
значительные отклонения фактического значения емкости от расчетного, особенно в
большую сторону.
Произведем сначала выбор контурных конденсаторов:
В фильтрующих цепях выходных каскадов транзисторных передатчиков
применяют керамические конденсаторы. В таблице 4 приведены стандартные
конденсаторы, соответствующие расчетным значениям контурных конденсаторов вт
соответствии с рядом номинальных значений емкостей (табл.3,25, табл.3,27 из
[2]).
Таблица 4
|
Расчетное значение емкости конденсатора в схеме, пФ
|
Тип выбранного конденсатора
|
Номинальное значение емкости выбранного конденсатора, пФ
|
Номинальное напряжение, В
|
Допустимые отклонения от номинала, %
|
|
С5
|
70
|
|
|
|
|
|
С6
|
130
|
|
|
|
|
Произведем теперь выбор блокировочных конденсаторов:
В таблице 2 приведены стандартные конденсаторы, соответствующие расчетным
значениям блокировочных конденсаторов в соответствии с рядом номинальных
значений емкостей (табл.3,26, табл. 3,27 из [2]).
Таблица 5
|
Расчетное значение емкости конденсатора в схеме, пФ
|
Тип выбранного конденсатора
|
Номинальное значение емкости выбранного конденсатора, пФ
|
Номинальное напряжение, В
|
Допустимые отклонения от номинала, %
|
|
С1
|
4000
|
|
|
|
|
|
С2
|
4000
|
|
|
|
|
|
С3
|
0,2
|
|
|
|
|
|
С4
|
1600
|
|
|
|
|
Выбор резисторов:
В радиочастотных каскадах транзисторных радиопередатчиков в основном
используются непроволочные постоянные резисторы общего применения. Наиболее
широко используются резисторы типа МЛТ и им подобные благодаря малым габаритным
размерам.
Таблица 6
|
Расчетное значение сопротивления резисторов, Ом
|
Номинальная мощность, Вт
|
Номинальное сопротивление, Ом
|
Допустимые отклонения от номинала, %
|
|
R1
|
69
|
|
|
|
|
R2
|
3
|
|
|
|
|
Rдоп
|
8,2
|
|
|
|
Заключение
В проделанной работе был произведен расчет структурной схемы передатчика
для радиолюбительской СИ-БИ радиостанции, а также электрический расчет
принципиальных схем оконечного каскада и генератора, управляемого напряжением,
с частотной модуляцией. Основной задачей проделанной работы была разработка
схемы передатчика на основе анализа передатчика-прототипа с целью улучшения
характеристик передатчика по сравнению с прототипом.
В работе были предприняты следующие меры по улучшению характеристик
передатчика, взятого в качестве прототипа:
- использование при проектировании новейшей литературы, в том числе
НОРМ и ГОСТов;
- в рассчитанных каскадах передатчика была по возможности
использована новая элементная база, например, транзисторы и варикапы с лучшими
характеристиками, конденсаторы, имеющие меньшие паразитные индуктивности
выводов;
обеспечение заданных технических передатчика в их совокупности;
были предприняты все меры по целесообразному увеличению
коэффициента полезного действия передатчика, а именно:
а) выбор наиболее эффективного с точки зрения КПД режима работы
оконечного каскада с отсечкой тока;
б) использование в предоконечном каскаде режима класса В, позволяющего
получить лучшие энергетические характеристики.
- использование новых схемных решений при построении генератора,
управляемого напряжением с частотной модуляцией (мы осуществляем частотную
модуляцию не в отдельном каскаде, а непосредственно в автогенераторе при помощи
включения дополнительного варикапа), что существенно упрощает построение
синтезатора передатчика;
Таким образом, разработанная схема передатчика является наиболее
современной и эффективной по сравнению со схемой передатчика-прототипа (она
обеспечивает лучшие технические характеристики при более простом построении).
Список литературы
1. Методические
указания по курсовому проектированию передатчиков. - М.: МИХМ, 1983. - 54 с.
2. Проектирование
радиопередатчиков. Под ред. В.В. Шахгильдяна. - М.: Радио и связь, 2000. - 656
с.
. Шумилин
М.С., Козырев В.Б., Власов В.А. Проектирование транзисторных каскадов
передатчиков.- М.: Радио и связь, 1987.-320 с.
. Радиопередающие
устройства. Под ред. В.В. Шахгильдяна. - М.: Радио и связь, 1996. - 560 с.
. Радиопередающие
устройства. Учебник для техникумов. Шумилин М.С. и др. - М.: Радио и связь,
1990. - 480 с.
. Си-Би
- радиосвязь для всех. Под редакцией В.В. Щербакова.- М.: Радио и связь, 2000.
- 368 с.
. Д.А.
Садченков. Техника и возможности Си-Би радиосвязи : Любителям СиБи связи.-
Солон- Р , Москва 2001.- 271 с.
. Общесоюзные
нормы на допустимые отклонения частоты радиопередатчиков всех категорий и
назначений. Нормы 17-84. - М.: Воениздат, 1985. - 24 с.
. Общесоюзные
нормы на уровни побочных излучений радиопередающих устройств гражданского
назначения. Нормы 18-85. - М.: Воениздат, 1986. - 46 с.
. Общесоюзные
нормы на ширину полосы и внеполосные излучения радиочастот радиопередатчиков
гражданского назначения. Нормы 19-86. - М.: Воениздат, 1987. - 55 с.
. ГОСТ
12252-86. Радиостанции с угловой модуляцией сухопутной подвижной службы. Типы,
основные параметры, технические требования и методы измерений.
. Петухов
В.М. Биполярные транзисторы средней и большой мощности сверхвысокочастотные и
их зарубежные аналоги. Справочник. Тома 3, 4. - М.: КубК-а, 1997. - 642с., 688
с.
. Петухов
В.М. Биполярные транзисторы маломощные высокочастотные и их зарубежные аналоги.
Справочник. - М.: КубК-а, 1997. - 634 с.
. Ханзель
Г. Справочник по расчету фильтров. - М.: Советское радио, 1974. - 288 с.
. Конденсаторы.
Справочник. Под ред. И.И. Четвертакова, М.Н. Дьяконова. - М.: Радио и связь,
1985. - 393 с.
. Резисторы.
Справочник. Под ред. И.И. Четвертакова и В.М. Терехова. - М.: Радио и связь,
1991. - 528 с.