Проектирование 5-этажного 20-квартирного жилого дома
Содержание
Введение
.
Объёмно-планировочное решение здания
.
Конструктивное решение здания
.1 Фундаменты
.2 Стены
.3 Перекрытия
.4 Лестницы
.4.1 Расчет и
графическая разбивка лестницы на плане и в разрезе
.5 Крыша
.6 Полы
.7 Окна и
двери
.8 Наружная и
внутренняя отделка
.
Спецификация и ведомости
.
Инженерно-техническое оборудование здания
. Охрана
окружающей природной среды
Список
литературы
Введение
Данная курсовая работа призвана научить самостоятельно разрабатывать
объёмно-планировочные и конструктивные решения малоэтажных гражданских зданий,
привить навыки архитектурно-строительного проектирования, закрепить знания,
полученные при изучении соответствующей теоретической части курса.
Малоэтажные гражданские здания предназначены для строительства на окраине
городов и в поселках городского типа.
В последнее время малоэтажное строительство становится все более
популярным на строительном рынке. Исследования рынка показывают, что
значительным спросом пользуются малоэтажные жилые дома, в том числе частные коттеджи.
Малоэтажные постройки значительно превосходят традиционные многоэтажные
сооружения и конструкции по многим параметрам. Преимущества строительства
малоэтажных зданий: мобильность, простота транспортировки, быстрота и легкость
сборки, эстетический вид, комфорт, индивидуальность, автономная инфраструктура,
безопасность. К недостаткам строительства малоэтажных зданий можно отнести:
дороговизну земли и часто отсутствие общественного транспорта. Эксплуатационные
расходы в малоэтажных зданиях больше, чем в многоэтажных. В сравнении с
многоэтажными домами недостатками во многих случаях являются отсутствие лифта и
мусоропровода.
В частном секторе к тому же больше таких огнеопасных коммуникаций, как
газовые и электрические; именно в частном секторе летом фиксируют такие причины
возгорания, как от попадания молнии.
Курсовой проект на тему "5-этажный 20-квартирный жилой дом"
разработан на основе задания на курсового проектирования, утвержденного в
соответствии с приказом.
Проектируемое здание предназначено для долговременного проживания людей.
Согласно объемно-планировочному решению:
а) класс ответственности данного здания - II;
б) степень огнестойкости - IV (по СНБ 2.02.01-98).
Площадка строительства расположена в г. Свислочь.
Климатический район строительства -IIB.
Расчетная зимняя температура - минус 220С.
Нормативная глубина промерзания грунтов - 1,0 м.
Нормативное значение веса снегового покрова на 1 м2 горизонтальной
поверхности земли - 0,8 кПа, ветрового давления - 0,23 кПа (в соответствии со
СНиП 2.01.07-85).
Рельеф местности спокойный, площадка строительства сложена грунтами -
песок, грунтовые воды встречены на отметке 162,90-163,80.
Для отвода атмосферных осадков от здания произведен расчет вертикальных
отметок углов проектируемого здания с учетом уклона i=0,01. А также по
периметру здания предусмотрена асфальтобетонная отмостка.
Участок находится в горизонталях: 101,00 и 102,00.
Произведен расчет вертикальных отметок углов проектируемого здания с
учетом уклона 10‰ по периметру здания.
Разрывы между зданиями запроектированы с учетом санитарных и
противопожарных норм, ширина дорог 6,0 м, тротуаров 3 м.
Растительный грунт до начала земляных работ срезается и подсыпается в
зелёных зонах.
Территория площадки благоустраивается. Проезды и тротуары усовершенствованные
асфальтобетонные.
1. Объемно-планировочное решение здания
Проектируемое здание "5-этажный 20-квартирный жилой дом"
привязано к территориальному району г. Свислочь.
Здание в плане имеет прямоугольную форму и размеры 27740x14620 мм.
запроектировано 5-этажей;
высота этажа - 2,8 м;
высота всего здания - 20,5 м.
В здании запроектирован подвал, высота подвала - 2,37 м.
В здании запроектировано 10-двухкомнатных квартир и 10-трехкомнатных.
Таблица 1.1 - Технико-экономические показатели
|
Наименование показателей
|
Ед. изм.
|
Количество
|
|
Площадь застройки здания
|
м2
|
405,56
|
|
Строительный объём здания
|
м3
|
7632,10
|
|
Площади квартир
|
м2
|
1244,32
|
|
Общая площадь
|
м2
|
1288,96
|
|
Жилая площадь
|
м2
|
712,18
|
|
Этажность
|
эт.
|
5
|
Таблица 1.2 - Экспликация помещений
|
Номер помещения
|
Наименование
|
Площадь, мІ
|
Категория
|
|
1
|
Жилая комната
|
20.33
|
|
|
2
|
Жилая комната
|
17.7
|
|
|
3
|
Жилая комната
|
12.40
|
|
|
4
|
Жилая комната
|
11.0
|
|
|
5
|
Жилая комната
|
12.24
|
|
|
6
|
Кухня
|
9.77
|
|
|
7
|
Кухня
|
9.03
|
|
|
8
|
Коридор
|
9.12
|
|
|
9
|
Коридор
|
14.49
|
|
|
10
|
Коридор
|
3.10
|
|
|
11
|
Коридор
|
10.39
|
|
|
12
|
Санузел
|
1.45
|
|
|
13
|
Санузел
|
3.45
|
|
|
14
|
Санузел
|
3.25
|
|
|
15
|
Санузел
|
1.37
|
|
2. Конструктивное решение здания
Жилой дом запроектирован 5-этажным с подвалом и чердаком, со стропильной
крышей. Пространственная жесткость и устойчивость здания обеспечивается совместной
работой горизонтальных дисков перекрытий и вертикальных диафрагм, которыми
являются несущие кирпичные стены.
2.1
Фундаменты.
Фундаменты
под здание запроектированы ленточные из фундаментных плит.
Плиты ленточных фундаментов укладывают на тщательно спланированную и
уплотнённую поверхность основания. После укладки плит необходимо проверить
нивелировкой их горизонтальность.
ГИ1 выполняют на отметке -0,380 м из двух слоёв изоляционного материала,
склеенных между собой мастикой толщиной 1-2 мм.
ГИ2 выполняю на отметке -2,780 м. из цементно-песчаного раствора состава
1:2 на портландцементе с уплотняющими добавками (хлорное железо).
ВИ выполняют на вертикальных поверхностях, соприкасающихся с грунтом,
окрасочную гидроизоляцию выполняют мастикой "Аутокрин" за 2 раза
толщиной 3 мм.
По всему периметру здания выполняется отмостка шириной 1000 мм и толщиной
150 мм с уклоном 2% от здания из бетона класса С8/10. Она предназначена для
защиты фундамента от дождевых и талых вод, проникающих в грунт близ стен
здания.
Смотри таблицу №1.3
2.2 Стены
Наружные продольные стены запроектированы из силикатных блоков толщиной
400 мм. Наружная верста - из кирпича силикатного. Слои конструктивно связаны
стеклопластиковыми связями по СТБ 1103-98. Наружные поперечные стены здания запроектированы
трехслойными. Внутренний несущий слой и наружная верста из кирпича силикатного.
Утеплитель - плиты пенополистирольные. В наружных стенах между облицовочным и
внутренним слоями предусмотрена воздушная прослойка 30 мм (см. рис. 1).
Рис. 1
Внутренние стены здания запроектированы из силикатного кирпича толщиной
380 мм.
Во внутренних стенах, разделяющих санузлы и кухни, предусмотрены
вентиляционные каналы размером 140x140 мм.
Кладку наружных и внутренних стен выполнять на цементно-известковом
растворе марки 50.
Перегородки в ванных комнатах и санузлах запроектированы из кирпича
керамического толщиной 120 мм на цементно-известковом растворе марки 50.
Перегородки толщиной 100 мм запроектированы из газосиликатных блоков на
цементно-известковом растворе марки 50.
Над проемами в стенах уложены сборные железобетонные перемычки. Перемычки
укладывать на кирпичные стены по слою цементного раствора М50.
Смотри таблицу 3.3, 3.4.
2.3
Перекрытия
В здании
запроектированы сборные железобетонные перекрытия из многопустотных плит
толщиной 220 мм. Перекрытия укладываются от внутреннего края стены на 120 мм.
Укладка плит покрытия на стены производится по слою цементно-песчаного
раствора марки М100 толщиной не более 20 мм. Швы между плитами перекрытия, а
так же швы в местах примыкания плит к стенам заделать цементным раствором марки
M200 на всю высоту шва.
После монтажа плит перекрытия и проверки правильности их положения,
выполнить анкеровку их со стенами и между собой. Анкера для крепления панелей
закладываются в процессе кладки стен.
Смотри таблицу 3.1.
2.4 Лестницы
В здании
запроектированы лестницы основного назначения из сборных железобетонных
лестничных площадок и маршей, расположенных в лестничных клетках, огражденных
капитальными стенами. Лестничные марши и площадки подобраны по каталогу на
основании расчета.
Элементы лестниц укладывать на цементно-песчаном растворе марки М100.
Зазоры между стенами лестничной клетки и площадками заделать цементным
раствором марки 100.
Смотри таблицу 3.1.
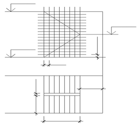
2.4.1 Расчет и графическая разбивка лестницы на плане и в разрезе
. Принимаем высоту этажа Hэт=2800 мм
. Определяем минимальное количество подъемов
. Принимаем количество подъемов 15
. Определяем высоту подступенка
=186,7 мм
. Задаемся уклоном i=1 : 1,25
. Вычисляем ширину подступенка
=186,7Ч1,25=233,3 (мм)
. С учетом требования, что ширина проступни должна быть не менее
величины стопы человека 250 мм, принимаем ширину проступи 250 мм, а
высоту - 186,7мм
. Проверяем условие
Чh+b=2Ч186,7+250=623
условие выполняется.
Разбивка лестницы в плане и по высоте:
Рис 2.
2.5 Крыша
Чердачная крыша запроектирована стропильной из пиломатериалов хвойных
пород II сорта с влажностью не более 20%. Покрытие кровли выполнить из
профнастила НС 35-1000-0,6 мм с полимерным покрытием "Пластизол".
Водоотвод наружный, организованный.
Чердачная крыша запроектирована стропильной из пиломатериалов хвойных
пород II сорта с влажностью не более 20%.
Огнезащиту и антисептирование деревянных элементов крыши производить
препаратом для огнезащиты "БАН" по ТУ 88-03535167-2.09-93 с учетом
требований пособия П-2-03 к СНБ 2.02.01-98 "Огнезащита строительных
конструкций".
Элементы деревянных конструкций, соприкасающиеся с кирпичной кладкой,
изолируются прокладкой из одного слоя гидроизоляционного материала Г-СТ-БЭ-М/ПП-3.5
СТБ 1107-98.
Металлические элементы окрасить двумя слоями эмали ПФ-115 по ГОСТ
6465-76* по слою грунтовки ГФ-021 по ГОСТ 25129-82*.
Кладку под стойки выполнить из газосиликатных блоков
288Ч289Ч400-2.5-500-25-3 по СТБ 1117-98.
Стойки высотой более 2,5м расшивать вертикальными связями через 1,2 м по
высоте.
В ендовах выполнить сплошной дощатый настил не менее 500мм в каждую
сторону от оси ендовы.
Выполнить антикорозионную защиту всех крепежных металлических элементов
(гвозди, скобы, болты) окрасочным слоем толщиной 120мкм или оцинкованием.
2.6 Полы
Запроектировано
13 видов полов. Полы запроектированы в соответствии с П1-03 к СНиП 2.03.13-88
"Проектирование полов".
См. таблицу
3.5.
.7 Окна и двери
здание фундамент инженерный планировочный
В здании запроектированы деревянные окна с двойным остеклением, и
деревянные двери. Всего запроектировано 10 типов окон и 16 типов дверей, также
2 типа балконных дверей. Деревянные коробки окон и дверей к стене крепить
самоанкерующимися дюбелями, не менее трех с каждой стороны. Все окна квартир
выполнить с устройством, обеспечивающим организованный приток наружного воздуха
(с инд. "П"). Заполнение зазоров оконных и дверных блоков после
установки и раскреповки выполнить строительной монтажной пеной. Все деревянные
элементы, соприкасающиеся с кирпичной кладкой, бетоном, металлом
антисептировать. Дверь наружную металлическую в подъезд (поз.1) установить с
кодово-домофонным устройством "ПИРРС-1000М" (ПП "ЭЛЕКТРУМ",
г. Минск). Входные квартирные и входные (тамбурные) двери установить с
уплотняющими прокладками в притворах.
Смотри
таблицу 3.2.
2.8 Наружная и внутренняя отделка
Наружная поверхность стен выполняется из силикатного кирпича с расшивкой
швов. Для внутренней отделки помещений используются: улучшенная штукатурка,
известковая побелка, шпатлевка, масляная, акриловая, клеевая покраска, оклейка
обоями.
Смотри
таблицу 3.6.
3. Спецификации и ведомости
Таблица 3.1 - Спецификации сборных железобетонных элементов
|
Поз.
|
Обозначение
|
Наименование
|
Кол
|
Масса, ед., кг
|
Примечание
|
|
|
Подушки ленточных
фундаментов
|
|
|
|
|
1
|
Б1.012.1 - 2.08
|
ФЛ 32.8-2
|
|
2050
|
|
|
2
|
|
ФЛ 32.12-2
|
|
3230
|
|
|
3
|
|
ФЛ 24.12-2
|
|
2300
|
|
|
4
|
|
ФЛ 20.12-2
|
|
1950
|
|
|
5
|
|
ФЛ 20.8-2
|
|
1250
|
|
|
6
|
|
ФЛ 14.12-3
|
|
910
|
|
|
7
|
|
ФЛ 14.8-2
|
|
580
|
|
|
8
|
|
ФЛ 12.12-2
|
|
780
|
|
|
9
|
|
ФЛ 8.12-3
|
|
550
|
|
|
10
|
|
ФЛ 8.24-1
|
|
1150
|
|
|
|
Блоки стен подвалов
|
|
|
|
|
11
|
Серия Б1.016.1-1
|
ФБС 24.6.6 - н
|
46
|
1960
|
|
|
12
|
|
ФБС 12.6.6 - н
|
32
|
960
|
|
|
13
|
|
ФБС 12.6.3 - н
|
40
|
460
|
|
|
14
|
|
ФБС 9.6.6 - н
|
32
|
700
|
|
|
15
|
|
ФБС 24.5.6 - н
|
48
|
1630
|
|
|
16
|
|
ФБС 12.5.6 - н
|
33
|
790
|
|
|
17
|
|
ФБС 12.5.3 - н
|
41
|
380
|
|
|
18
|
|
ФБС 9.5.6 - н
|
33
|
590
|
|
|
19
|
|
ФБС 24.3.6 - н
|
12
|
970
|
|
|
20
|
|
ФБС 12.3.6 - н
|
25
|
485
|
|
|
21
|
|
ФБС 12.3.3 - н
|
41
|
240
|
|
|
22
|
|
ФБС 9.3.6 - н
|
25
|
350
|
|
|
23
|
|
ФБС 24.4.6 - н
|
12
|
1300
|
|
|
24
|
|
ФБС 12.4.6 - н
|
9
|
640
|
|
|
25
|
|
ФБС 9.4.6 - н
|
9
|
470
|
|
|
|
Плиты перекрытия
|
|
|
|
|
26
|
Серия Б1.041.1-1.2000-Д2.02-НИ
|
ПК 33.12-8
|
59
|
1230
|
|
|
27
|
|
ПК 33.15-8
|
16
|
1630
|
|
|
28
|
Серия Б1.041.1-1.2000 вып.2
|
ПК 63.15-8 Аm800
|
19
|
2950
|
|
|
29
|
Серия Б1.041.1-1.2000 вып.1
|
ПК 63.12-8 Аm800
|
10
|
2200
|
|
|
30
|
Серия Б1.041.1-1.2000 вып.3
|
ПК 30.15-8
|
13
|
1470
|
|
|
31
|
|
ПК 42.12-4
|
12
|
1525
|
|
|
32
|
Серия Б1.041.1-1.4-НИ
|
ПК 72.15-10 Аm800
|
26
|
3350
|
|
|
33
|
|
ПК 72.12-6 Аm800
|
26
|
2530
|
|
|
34
|
|
ПК 72.12-8 Аm800
|
42
|
2530
|
|
|
35
|
Серия Б1.041.1-1.2000 вып.2
|
ПК 63.12-6 Аm800
|
30
|
2200
|
|
|
36
|
Серия Б1.041.1-1.4-НИ
|
ПК 72.15-8 Аm800
|
8
|
3350
|
|
|
37
|
Серия Б1.038.1-1 вып.5
|
9 ПБ 18-8
|
10
|
103
|
|
|
38
|
Серия Б1.041.1-1.4-НИ
|
ПК 72.15-6 Аm800
|
12
|
3350
|
|
|
39
|
Серия Б1.038.1-1 вып.1
|
5 ПБ 30-27 n
|
2
|
410
|
|
|
40
|
Серия Б1.038.1-1 вып.4
|
5 ПБ 36-20
|
4
|
500
|
|
|
41
|
Серия
Б1.041.1-1.2000-Д2.02-НИ
|
3
|
1350
|
|
|
42
|
Серия Б1.038.1-1 вып.4
|
5 ПБ 34-20
|
2
|
463
|
|
|
|
Монолитные участки
|
|
|
|
|
УМ1
|
Монолитный участок
|
УМ1
|
2
|
|
0,144 м3
|
|
УМ2
|
|
УМ2
|
2
|
|
0,132 м3
|
|
УМ3
|
|
УМ3
|
2
|
|
0,336 м3
|
|
УМ4
|
|
УМ4
|
2
|
|
0,062 м3
|
|
УМ5
|
|
УМ5
|
2
|
|
0,134 м3
|
|
УМ6
|
|
УМ6
|
1
|
|
0,126 м3
|
|
УМ7
|
|
УМ7
|
10
|
|
1,155 м3
|
|
|
Арматурные изделия
|
|
|
|
|
А1
|
Арматурные изделия
|
А1
|
166
|
0,44
|
|
|
А2
|
|
А2
|
100
|
0,53
|
|
|
|
Лестничные площадки
|
|
|
|
|
43
|
Серия 1.152.1-8 Выпуск 1
|
2ЛП 25.18-4-к
|
8
|
1530
|
|
|
44
|
|
2ЛП 25.18в-4-к
|
1
|
1560
|
|
|
|
Лестничный марш
|
|
|
|
|
45
|
Серия 1.151.1-6 Выпуск 1
|
1ЛМ 27.12.14-4
|
8
|
1520
|
|
Таблица 3.2 - Спецификации элементов заполнения оконных и дверных проёмов
|
Поз.
|
Обозначение
|
Наименование
|
Количество по фасадам
|
Масса ед., кг
|
Примечание
|
|
|
|
1-13
|
13-1
|
Всего
|
|
|
|
1
|
2
|
3
|
4
|
5
|
6
|
7
|
8
|
|
|
Окна
|
|
|
|
|
|
|
ОК1
|
СТБ 939-93
|
ОД 2С 15-18 П/С П ССП
|
5
|
5
|
10
|
|
|
|
ОК2
|
|
ОД 2С 15-18 П/С ПН ССП
|
5
|
5
|
10
|
|
|
|
ОК3
|
|
ОД 2С 15-15 П/С П ССП
|
10
|
5
|
15
|
|
|
|
ОК4
|
|
ОД 2С 15-15 П/С ПН ССП
|
10
|
5
|
15
|
|
|
|
ОК5
|
|
ОД 2С 15-7,5 Л П ССП
|
5
|
5
|
10
|
|
левое открыв.
|
|
ОК6
|
|
ОД 2С 15-7,5 П ССП
|
5
|
5
|
10
|
|
правое открыв.
|
|
ОК7
|
|
ОД 2С 6-9 П ССП
|
-
|
-
|
8
|
|
|
|
ОК8
|
|
ОД 10 (Ж) 1220-2910
|
-
|
-
|
1
|
|
инд.
|
|
ОК9
|
|
ОД 1 (Ж) 1050-2200
|
-
|
-
|
1
|
|
инд.
|
|
ОК10
|
|
ОД 1 (Ж) 800-1890
|
-
|
-
|
3
|
|
инд.
|
|
|
Подоконные доски
|
|
|
|
|
|
|
ПД1
|
СТБ 1074-97
|
ПД-1-34Ч450Ч1600
|
-
|
-
|
6
|
|
|
|
ПД2
|
|
ПД-1-34Ч450Ч1900
|
-
|
-
|
4
|
|
|
|
ПД3
|
|
ПД-1-34Ч400Ч1600
|
-
|
-
|
22
|
|
|
|
ПД4
|
|
ПД-1-34Ч400Ч1900
|
-
|
-
|
16
|
|
|
|
ПД5
|
|
ПД-1-34Ч400Ч850
|
-
|
-
|
18
|
|
|
|
ПД6
|
|
ПД-1-34Ч450Ч850
|
-
|
-
|
2
|
|
|
|
ПД7
|
|
ПД-1-34Ч450Ч1000
|
-
|
-
|
8
|
|
|
|
|
Дверные блоки
|
|
|
|
|
|
|
1
|
СТБ 1138-98
|
ДН С Ч 21-13 ЛП
|
-
|
-
|
1
|
|
см. п.2.7
|
|
2
|
СТБ 1138-98
|
ДВ 7 ДЧ 21-13 ЛПЩ
|
-
|
-
|
1
|
|
|
|
3
|
СТБ 1138-98
|
ДС С УСЧ 21-10 П
|
-
|
-
|
1
|
|
|
|
4
|
СТБ 1138-98
|
ДВ 5 ДГ УСЧ 21-10 Щ
|
-
|
-
|
5
|
|
|
|
5
|
СТБ 1138-98
|
ДВ 5 ДГ УСЧ 21-10 ЛЩ
|
-
|
-
|
5
|
|
|
|
6
|
СТБ 1138-98
|
ДВ 2 ДГ УСЧ 21-10 Щ
|
-
|
-
|
10
|
|
|
|
7
|
СТБ 1138-98
|
ДВ 2 ДГ УСЧ 21-10 ЛЩ
|
-
|
-
|
10
|
|
|
|
8
|
СТБ 1138-98
|
ДВ 1 ДО 21-13 Щ
|
-
|
-
|
10
|
|
|
|
9
|
СТБ 1138-98
|
ДВ 1 ДО 21-13 ЛЩ
|
-
|
-
|
10
|
|
|
|
10
|
|
ДВ 1 ДО 21-9 Щ
|
-
|
-
|
24
|
|
|
|
11
|
|
ДВ 1 ДО 21-9 ЛЩ
|
-
|
-
|
24
|
|
|
|
12
|
|
ДВ 6 ДГ 21-7 ПЩ
|
-
|
-
|
20
|
|
|
|
13
|
|
ДВ 6 ДГ 21-7 ЛПЩ
|
-
|
-
|
20
|
|
|
|
14
|
|
ДН Д Ч1 УТ 21-10 ПЩ
|
-
|
-
|
4
|
|
|
|
15
|
|
ДН СГ 21-9 П
|
-
|
-
|
1
|
|
|
|
16
|
СТБ 1394-2003
|
ЛП-2-С-1П-РП-10-10
|
-
|
-
|
1
|
|
|
|
|
Балконные двери
|
|
|
|
|
|
|
17
|
СТБ 939-93
|
БД 2С 22-7,5 Л ССП
|
5
|
6
|
11
|
|
левое открыв.
|
|
18
|
|
БД 2С 22-7,5 ССП
|
5
|
6
|
11
|
|
правое открыв.
|
Таблица 3.3 - Ведомость перемычек
Таблица 3.5 - Экспликация полов
|
Номер помещения
|
Тип пола
|
Схема пола
|
Данные элементов пола
(наименование, толщина, основание и др.), мм
|
Площадь, м2
|
|
Подвал
|
1
|
|
Покрытие - бетон класса
С20/25 - 40 мм
|
550,46
|
|
|
|
Подстилающий слой - бетон
класса С16/20 - 80мм
|
|
|
|
|
Уплотненный грунт основания
|
|
|
Входные тамбуры 1-го этажа
|
2
|
|
Покрытие- плитка
керамическая неполирован-
|
4,65
|
|
|
|
ная, противоскользящая
"Грес" - 8 мм
|
|
|
|
|
Прослойка - клеящий состав
"Полимикс-К" - 3мм
|
|
|
|
|
Стяжка - цементно-песчаный
раствор М150 - 40мм
|
|
|
|
|
Подстилающий слой - бетон
класса С8/10
|
|
|
Помещения уборочного
инвентаря, электрощитовая, 1-й этаж
|
3
|
|
Покрытие- плитка
керамическая неполирован-
|
6,9
|
|
|
|
ная, противоскользящая
"Грес" - 8 мм
|
|
|
|
|
Прослойка - клеящий состав
"Полимикс-К" - 3мм
|
|
|
|
|
Стяжка - цементно-песчаный
раствор М150 - 39мм
|
|
|
|
|
Теплоизоляция -
пенополистирол - 30 мм
|
|
|
|
|
Керамзитовый гравий - 120
мм
|
|
|
|
|
Плита перекрытия - 220 мм
|
|
|
Лестничные площадки 1-го этажа
|
4
|
|
Покрытие- плитка
керамическая неполирован-
|
12,52
|
|
|
|
ная, противоскользящая
"Грес" - 8 мм
|
|
|
|
|
Прослойка - клеящий состав
"Полимикс-К" - 3мм
|
|
|
|
|
Лестничная площадка
|
|
|
Внеквартирные коридоры,
тамбуры перед квартирами, 1-й этаж
|
5
|
|
Покрытие- плитка
керамическая неполирован-
|
15,32
|
|
|
|
ная, противоскользящая
"Грес" - 8 мм
|
|
|
|
|
Прослойка - клеящий состав
"Полимикс-К" - 3мм
|
|
|
|
|
Стяжка - цементно-песчаный
раствор М150 - 39мм
|
|
|
|
|
Керамзитовый гравий - 30 мм
|
|
|
|
|
Теплоизоляция -
пенополистирол - 60 мм
|
|
|
|
|
Плита перекрытия - 220 мм
|
|
|
Санузлы, ванные 1-го этажа
|
6
|
|
Покрытие- плитка
керамическая неполирован-
|
19,04
|
|
|
|
ная, противоскользящая
"Грес" - 8 мм
|
|
|
|
|
Прослойка - клеящий состав
"Полимикс-К" - 3 мм
|
|
|
|
|
Стяжка - цементно-песчаный
раствор М150 - 39мм
|
|
|
|
|
Гидроизоляция - полиэтиленовая
пленка 2 слоя
|
|
|
|
|
Теплоизоляция -
пенополистирол - 70 мм
|
|
|
|
|
Плита перекрытия - 220 мм
|
7
|
|
Покрытие - линолеум на
теплозвукоизоляцион-
|
212,78
|
|
|
|
ной основе на прослойке
клея - 5 мм
|
|
|
|
|
Стяжка - цементно-песчаный
раствор - 55 мм
|
|
|
|
|
Теплоизоляция -
пенополистирол - 80 мм
|
|
|
|
|
Плита перекрытия - 220 мм
|
|
|
Внеквартирные коридоры,
тамбуры перед квартирами, 2-5 этаж
|
8
|
|
Покрытие- плитка
керамическая неполирован-
|
61,28
|
|
|
|
ная, противоскользящая
"Грес" - 8 мм
|
|
|
|
|
Прослойка - клеящий состав
"Полимикс-К" - 3 мм
|
|
|
|
|
Стяжка - цементно-песчаный
раствор М150 - 39мм
|
|
|
|
|
Керамзитовый гравий - 30 мм
|
|
|
|
|
Плита перекрытия - 220 мм
|
|
|
Жилые комнаты, коридоры,
прохожие, кухни, кладовые, 2-5 этаж
|
9
|
|
Покрытие - линолеум на
теплозвукоизоляцион-
|
936,26
|
|
|
|
ной основе на прослойке
клея - 5 мм
|
|
|
|
|
Стяжка - цементно-песчаный
раствор - 55 мм
|
|
|
|
|
Пароизоляция -
полиэтиленовая пленка - 0,2 мм
|
|
|
|
|
Звукоизоляция - мягкое ДВП
марки М2 - 20 мм
|
|
|
|
|
Плита перекрытия - 220 мм
|
|
|
Санузлы, ванные, 2-5 этаж
|
10
|
|
Покрытие- плитка
керамическая неполирован-
|
76,24
|
|
|
|
ная, противоскользящая
"Грес" - 8 мм
|
|
|
|
|
Прослойка - клеящий состав
"Полимикс-К" - 3 мм
|
|
|
|
|
Стяжка - цементно-песчаный
раствор М150 - 39мм
|
|
|
|
|
Плита перекрытия - 220 мм
|
|
|
Лестничные площадки, 2-5 этаж
|
11
|
|
Покрытие- плитка
керамическая неполирован-
|
34,8
|
|
|
|
ная, противоскользящая
"Грес" - 8 мм
|
|
|
|
|
Прослойка - клеящий состав
"Полимикс-К" - 3мм
|
|
|
|
|
Лестничная площадка
|
|
|
Лоджии, сушки, 1-5 этаж
|
12
|
|
Стяжка - цементно-песчаный
раствор М100
|
141,06
|
|
|
|
F50 (по уклону) -20-40 мм
|
|
|
|
|
1 слой материала
Г-ПХ-БЭ-ПП/ПП-3 - 20 мм
|
|
|
|
|
Плита перекрытия - 220 мм
|
|
|
Чердак
|
13
|
|
Стяжка - цементно-песчаный
раствор М100 - 40 мм
|
355,2
|
|
|
|
Теплоизоляция -
пенополистирол - 130 мм
|
|
|
|
|
Пароизоляция -
полиэтиленовая пленка (только
|
|
|
|
|
над санузлами и ванными) -
0,2 мм
|
|
|
|
|
Плита перекрытия - 220 мм
|
|
Таблица 3.6 - Ведомость отделки помещений
|
Наименование или номер
помещения
|
Вид отделки элементов
интерьера
|
Примечание
|
|
Потолок
|
Площадь м2
|
Стены и перегородки
|
Площадь м2
|
Низ стен и перегородок
|
Площадь м2
|
|
|
1-й этаж
|
|
Входные тамбуры
|
затирка, шпатлевка за 1
раз, высококачественная окраска акриловой краской
|
4,65
|
улучшенная штукатурка,
окраска акриловой краской
|
|
масляная покраска
|
-
|
1,6 м
|
|
Лестничные клетки,
коридоры, тамбуры перед квартирами
|
|
12,52 14,06
|
|
|
|
|
|
|
Помещение уборочного
инвентаря
|
затирка, шпатлевка за 1
раз, высококачественная окраска акриловой краской
|
2,94
|
улучшенная штукатурка,
окраска акриловой краской
|
|
масляная покраска
|
-
|
1,6 м
|
|
Электрощитовая
|
|
3,96
|
|
|
|
|
|
|
Жилые комнаты
|
затирка, клеевая покраска
|
125,42
|
улучшенная штукатурка,
оклейка обоями на всю высоту
|
|
|
|
|
|
Прихожие, коридоры
|
|
49,76
|
|
|
|
|
|
|
Кухни
|
затирка, клеевая покраска
|
37,6
|
улучшенная штукатурка,
клеевая покраска
|
|
масляная покраска
|
|
1,6 м
|
|
Ванные, санузлы
|
затирка, известковая
побелка
|
19,04
|
улучшенная штукатурка,
клеевая покраска
|
|
Масляная покраска
|
|
1,8 м
|
|
2-5 этаж
|
|
Лестничные клетки,
коридоры, тамбуры перед квартирами
|
затирка, шпатлевка за 1
раз, окраска акриловой краской
|
60,82 61,28
|
улучшенная штукатурка,
окраска акриловой краской
|
|
Масляная покраска
|
|
1,6 м
|
|
Жилые комнаты
|
затирка, клеевая покраска
|
586,76
|
улучшенная штукатурка,
оклейка обоями на всю высоту
|
|
|
|
|
|
Прихожие, коридоры
|
|
199,04
|
|
|
|
|
|
|
Кухни
|
Затирка, клеевая покраска
|
150,46
|
улучшенная штукатурка,
клеевая покраска
|
|
масляная покраска
|
|
1,6 м
|
|
Ванные, санузлы
|
затирка, известковая
побелка
|
76,24
|
улучшенная штукатурка,
клеевая покраска
|
|
Масляная покраска
|
|
1,8 м
|
4.
Инженерно-техническое оборудование здания
Холодное и горячее водоснабжение запроектировано от центрального
водопровода. На вводе водопровода устраивается водомерный узел. Внутренние сети
водопровода запроектированы из стальных водогазопроводных оцинкованных труб
ш50-15мм. Поквартирная разводка запроектирована из пластмассовых труб ш25-20мм
по СТБ1293-2001.
Отвод хозяйственно-бытовых стоков от санитарных приборов осуществляется
самотеком в наружную сеть канализации. Сеть внутренней канализации
предусматривается из пластмассовых канализационных труб и фасонных частей
ш110-50мм по ТУ 2248-043-00284581-2000.
Отведение атмосферных вод с кровли здания осуществляется с помощью
наружных водосточных стояков на отмостку.
Монтаж систем водоснабжения и канализации вести в строгом соответствии с
пособием П1-2000 к СНиП 2.04.01-85.
Отопление жилого дома запроектировано… Теплоноситель в системах отопления
- вода с параметрами 84-59°С. Системы отопления запроектированы. Нагревательные
приборы - радиаторы 2КП-90Ч500. Системы отопления монтируются из стальных
черных водогазопроводных легких труб по ГОСТ 3262-75*. Трубопроводы и
нагревательные приборы окрашиваются масляной краской за два раза в тон стен.
Вентиляция запроектирована приточно-вытяжная с естественным побуждением
по схеме: приток в жилые комнаты через окна с фиксированным открыванием
створок, вытяжка - из санузлов и кухонь. Вытяжка осуществляется через
внутристенные каналы. Монтаж систем отопления и вентиляции производить в
соответствии с требованиями П1-2000 к СНиП2.04.01-85.
Проектом предусмотрено рабочее, аварийное и ремонтное освещение.
Аварийное освещение выполнено в электрощитовой.
Групповая сеть освещения запроектирована трехпроводная и выполнена
кабелем ВВГ-1,5 скрыто в пустотах панелей перекрытия и под штукатуркой. Кабели
от этажных щитков прокладываются в трубах раздельно для каждой квартиры в
специальных каналах. На каждом этаже секции в нишах стен поэтажных коридоров
устанавливаются совмещенные этажные щитки серии ЩЭ. Распределительные сети
выполнены пятипроводными проводом АПВ в винипластовых трубах.
Электромонтажные работы должны выполняться согласно ПУЭ, СНиП 3.05.06-85
и ГОСТ 30331.3-95.
Проектом предусмотрены: телефонизация, радиофикация и пожарная
сигнализация объекта.
5. Охрана окружающей природной среды
В процессе производства строительно-монтажных работ необходимо
осуществлять мероприятия по охране окружающей природной среды.
Не допускать попадания горюче-смазочных материалов в грунт и воду.
Необходимо соблюдать требования по предотвращению запыленности и
загазованности воздуха.
Запрещается хранить строительный мусор на строительной площадке, по
завершении строительных работ все строительные отходы необходимо вывезти с благоустраиваемой
площадки для дальнейшей утилизации. Запрещается делать захоронения бракованных
сборных элементов.
Пылевидные материалы надлежит хранить в закрытых емкостях, принимая меры
в процессе погрузки и разгрузки. Материалы, содержащие взрывопожарные
растворители, необходимо хранить в герметически закрытой таре.
Машины и механизмы с двигателем внутреннего сгорания должны иметь системы
удаления выхлопных газов. Необходимо отдавать предпочтение механизмам,
оборудованным электроприводами.
Борьба с шумом предусматривает запрещение длительной работы механизмов
вхолостую.
Мероприятия и работы по охране окружающей природной среды.
отведенным грунтом нельзя засыпать комли растущих деревьев,
при сохранении крупных деревьев и ценных кустарниковых пород необходимо
сделать ограждение стволов и корневой системы,
особое внимание следует проявлять к качеству заполнения конструктивных
швов, что резко повышает звукопроводимость,
обращать внимание на качество подгонки полотен дверей окон и коробок, а
также герметизацию оконного и дверного остекления,
по завершении работ по благоустройству проводят посадку зеленых
насаждений в указанные сроки и под наблюдением специалистов.
При строительстве здания предусмотрено снятие плодородного слоя почвы.
Снятый растительный грунт использовать на озеленение территории зданий. Излишек
грунта следует отвезти на рекультивацию.
Дождевые стоки с кровли здания посредством наружных водостоков отводятся
на отмостку и далее на рельеф, на существующую вертикальную планировку с
организацией отвода ливневых и талых вод.
Мероприятия, направленные на улучшение природного состояния местности,
где размещается проектируемый объект: устройство пешеходных дорожек и площадок
из плитки тротуарной мелкоштучной, бетонное основание под контейнер для мусора.
Так же предусмотрена установка малых архитектурных форм, установка ограждения
железобетонного декоративного, посадка кустарников, рабатки из цветов. На
территории свободной от застройки и проездов запроектирован газон.
Список литературы
1. Буг
П.Г. Гражданские, промышленные и сельскохозяйственные здания. - М.: Высшая
школа, 1987.
2. ГОСТ
2.105-95: Общие требования к текстовым документам. - М.: Издательство
стандартов, 1995.
. ГОСТ
21.101-93 СПДС. Основные требования к рабочей документации. - Мн.: Минский институт
типового проектирования, 1995.
. ГОСТ
21.204-94 СПДС. Условные графические обозначения и изображения элементов
генеральных планов предприятий, сооружений и жилищных, гражданских объектов.
. ГОСТ
21.204-94 СПДС. Условные обозначения элементов санитарно-технических систем. -
М.: Издательство стандартов, 1994.
. ГОСТ
21.501-93 СПДС. Правила выполнения архитектурно-строительных рабочих чертежей.
Мн.: Минский ин-т проектирования, 1995.
. Мандриков
А.П. Примеры расчета железобетонных конструкций. - М.: Стройизд, 1979.
. Неелов
В.А. Гражданские здания. - М.: Стройизд, 1988.
. СНиП
2.08.01-89 Жилые здания. - М.: 1989.
10. СНиП
3-4-80* Техника безопасности в строительстве, 1988.
11. СТБ
939-93. Окна и балконные двери для зданий и сооружений. Общие технические
условия.
. Территориальный
каталог индустриальных конструкций и изделий для жилищно-гражданского
строительства БССР.
. Территориальный
каталог типовых строительных конструкций и изделий для жилищно-гражданского
строительства.
. Шерешевский
И.А. Конструирование промышленных зданий. - М.: Стройизд., 1981.