Расчет активного полосового фильтра сигналов первичных измерительных преобразователей систем автоматического регулирования

  • Вид работы:
    Курсовая работа (т)
  • Предмет:
    Информатика, ВТ, телекоммуникации
  • Язык:
    Русский
    ,
    Формат файла:
    MS Word
    215,94 Кб
  • Опубликовано:
    2014-07-25
Вы можете узнать стоимость помощи в написании студенческой работы.
Помощь в написании работы, которую точно примут!

Расчет активного полосового фильтра сигналов первичных измерительных преобразователей систем автоматического регулирования

Содержание

 

Введение

. Выбор схемы

. Расчеты

. Расчет межкаскадных связей

. Схема в Micro Cap 8

. Расчет надежности

Заключение

Список использованной литературы

 

Введение


Активный полосовой фильтр предназначен для выделения и усиления сигналов в определенном диапазоне частот.

Рис. 1 Частотная характеристика активного полосового фильтра

Такие схемы применяются в системах, работающих на фиксированной частоте. В них они обеспечивают высокую помехоустойчивость. Частотная характеристика имеет вид острой резонансной кривой (рис. 1).

 

1. Выбор схемы


На основании вышеприведенной теории целесообразно применить активный полосовой фильтр на одном транзисторе (поскольку коэффициент усиления требуется не большой, т.е. К = 2). Режим работы транзистора - класс А. Схема включения транзистора - по схеме с общим эмиттером. Для того, чтобы обеспечить термостабилизацию работы транзистора применим схему с фиксирующей рабочей точкой базы на делителе напряжения. В качестве пассивного фильтра применим RC-цепи.

Формула расчета RC-элементов пассивного фильтра для полосы частот:

 

Нагрузка (Rн) включается в цепь коллектора обязательно через разделительный конденсатор. Построим эскиз схемы (рис. 2) и произведем теоретический расчет ее элементов.

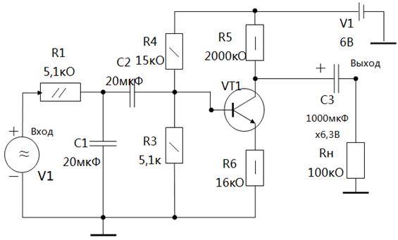
Рис. 2. Активный полосовой фильтр.

Краткое описание схемы и ее элементов.

Активный полосовой фильтр собран на одном транзисторе VT1 по схеме с общим эмиттером с пассивным фильтром на RC-цепях C1, C2, R1, R2, которые рассчитываются и настраиваются на заданный диапазон частот (по заданию 1000-2000 Гц).

Здесь R3, R2 - делитель напряжения, и выполняет роль выбора рабочей точки транзистора (режим его работы) и термостабилизацию. R5 - сопротивление эмиттера, задает чувствительность (коэффициент усиления) каскаду.

Между фильтром и нагрузкой имеются разделительный конденсатор (С 3). Они предназначены для удаления постоянных составляющих из выходных сигналов каскадов.

 

. Расчеты


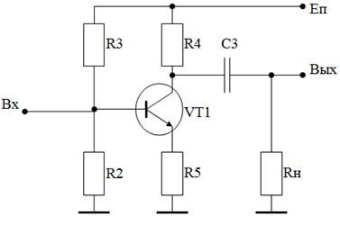
Рис. 3. Схема выходного каскада

Дано: выходная сопротивление Rвых=2 кОм, напряжение питания Uпит = 6 В, коэффициент усиления Ку = 2.

Приняли: Rн = 100 Ом

Определение параметров нагрузки

Ток на нагрузку:

Iн = Uпит / Rн = 6 / 100 = 60 mA.

Мощность нагрузки:

Pн = Uпит × Iн = 6×0,06=0,36 Вт

Выбор транзисторов, по допустимой мощности рассеяния на коллекторе, и максимальной амплитуде коллекторного тока:

Ток коллектора транзистора: Iк = Iн = 60 mA.

Мощность: Pmax = 0,36 Вт

Напряжение на переходе коллектор - эмиттер Uкэ = 6 В

По этим параметрам выбираем транзистор для фильтра:

BC547 со следующими параметрами:

Максимальный прямой ток коллектора: Ik max = 0,1 (A)

Максимальное напряжение на транзисторе Uкэ max = 45 (B)

Мощность рассеивания: Pk max = 0,5 (Bт)

Коэффициент усиления: h21 = 110-800 (среднее значение 440).

Материал полупроводника: Si.

Графоаналитический метод:


(при усилении переменных сигналов на коллекторе, как правило, устанавливается половина напряжения питания при закрытом транзисторе)


В системе координат выходной характеристики строим треугольник мощности: прямая Uнач. отсекает область существенной нелинейности токов базы, от Uнач. откладываем величину Uкэ, затем соединяем точки Iк и Uкэ. Далее строим Рк доп- нагрузочная кривая, которая в данных расчётах не должна заходить в область треугольника мощности, но максимально приближаться к нему. Из этого следует, что транзисторы работают без радиаторов (т.е. рассеиваемая мощность на транзисторе не превышает его допустимой выходной мощности).

Рис. 4 Семейство выходных характеристик транзистора ВС 547

Рис.5 Входная характеристика транзистора ВС 547

Определяем рабочую точку по входной характеристике

0 = 70 mкA Uбэ0 = 0,76 B

Определяем сопротивление резистора на коллекторе транзистора R4.

По заданию выходное сопротивление R4 = 2 кОм Примем 2 кОм по ряду Е 24.

Определяем сопротивление резистора на эмиттере транзистора R5

Этим сопротивлением определяется чувствительность каскада, т.е. коэффициент усиления. Поскольку в схеме применяется пассивный фильтр, то необходимо учитывать его коэффициент ослабления сигнала.


Как правило R1=R2=R, C1=C2=C. Тогда форбула примет вид:

Т.к. коэффициент ослабления сигнала 1/3 и коэффициент усиления фильтра должен быть 2 по заданию, то коэффициент транзисторного каскада должен быть 3*2=6


Определим Rэ:


По ряду Е 24 примем R5 = 16 Ом.

Выбираем ток делителя из условия:

Iдел = (2…5)*Iбр

бр = 70 mкA; Iдел=4 * 70 = 280 mкA.

Здесь Iдел - ток, протекающий по делителю напряжения;бр - ток рабочей точки в цепи базы транзистора.

Падение напряжения на резисторе R5:

;

Uбэ0 = 0,76 В.

Определение сопротивлений резисторов R3 и R2

Цепь этих сопротивлений представляет собой делитель напряжения - и обеспечивают выбор рабочей точки транзистора и условия эмиттерной термостабилизации (т.е. Iб 0 = const).


;

.

Определяем элементов пассивного фильтра (C1, R1, R2, C2), настроенные на заданный диапазон частоты

Эти элементы вычисляются по формуле:

0=1/(RС).

R1=R2=5.1 кОм

Тогда по формуле:


рассчитаем емкость конденсаторов фильтра:

Тогда C1 = C2 = 20 нФ.

 

. Расчет межкаскадных связей

транзистор нагрузка эмиттер амплитуда

Основные линейные искажения в схеме приходятся на разделительные конденсаторы:

С3 - между активным полосовым фильтром и нагрузкой;

Считаем, что заданный коэффициент ослабления разделен поровну между каскадами:

;

Тогда коэффициент линейных искажений:


Емкость рассчитывается по формуле:

 (мкФ);

Конденсаторы выбираем из ряда компонентов Е - 24, т.е.:

С3 = 1000 мкФ;

 

. Схема в Micro Cap 8


Построим модель схемы в пакете MicroCap (рис. 12).

Рис. 6 модель схемы в MicroCap.

Получим амплитудно-частотные характеристики схемы (рис. 6).

На рис. 7 изображен график выходной характеристики активного полосового фильтра от задающей частоты генератора (от 1 Гц до 1 ГГц).

Рис. 7. Выходная АЧХ схемы.

4. Расчет надежности


Вероятность безотказной работы:

ср - среднее время безотказной работы.- интенсивность отказов.

Если изделие содержит n-типов элементов, последний из которых содержит Ni равнонадежных элементов с надежностью li, то

li* Ni.

N,n/n

Тип

li*10-6

N кол-во

li* Ni

1. 2. 3. 4. 5. 6.

конденсаторы - электролитичские панели (на одно гнездо) резисторы - металопленочные соединения - паянные транзисторы - кремниевые плата

0.035 0.0244 0.04 0.004 0.5 0.1

1 2 5 23 1 1

0.14 0.0976 0.32 0.16 0.5 0.1


Заключение


Настоящая курсовая работа представляет собой полный расчет активного полосового фильтра сигналов первичных измерительных преобразователей систем автоматического регулирования.

В ходе работе выполнен полный электрический расчет активного и пассивного фильтров и анализ в MicroCap, произведена оценка надежности.

Схема выполнена на одном транзисторе. Пассивный фильтр выполнен на RC-цепочках. К выходу транзистора (коллектор) нагрузка подключается через разделительный конденсатор.

Произведен анализ схемы в среде Micro Cap. Представлен график амплитудно-частотной характеристики (АЧХ).

 

Список использованной литературы


1. Степаненко И.П. Основы микроэлектроники. - М.: Лаборатория базовых знаний, 2001. - 496 с.

. Ибрагим К.Ф. Основы электронной техники: Элементы. Схемы. Системы. - М.: Мир, 2001. - 398 с.

. Лачин В.И., Савёлов Н.С. Электроника: Учеб. пособие. - Ростов н /Д: изд-во "Феникс", 2001. - 448 с.

. Акимов Н.Н., и др. Резисторы. Конденсаторы. Трансформаторы. Дроссели. Коммутационные устойства. РЭА. Справочник. Минск. 1994. 591с.

. Кутдусов Ф.Х. Методические указания по выполнению курсовой работы по дисциплинам "Электроника" и "Электроника и основы схемотехники". Уфа.: УГАТУ. 2001. 33с.

Похожие работы на - Расчет активного полосового фильтра сигналов первичных измерительных преобразователей систем автоматического регулирования

 

Не нашли материал для своей работы?
Поможем написать уникальную работу
Без плагиата!
Без нейросетей!