Рассмотрение методов измерения комплексных характеристик четырехполюсников СВЧ
КУРСОВАЯ РАБОТА
Рассмотрение методов
измерения комплексных характеристик четырехполюсников СВЧ
Введение
четырехполюсник
сверхвысокий частота прибор
Диапазон СВЧ становится все более популярным в связи с бурным
развитием разных областей науки и техники, таких как связь с космическими
объектами и радиолокация, радиоуправление, связь, телевидение, промышленная
электроника. Вследствие чего требования к параметрам устройств, работающим в
диапазоне СВЧ, увеличиваются и, следовательно, возникает необходимость создания
специальных средств измерения, проверки и настройки устройств СВЧ.
Для решения этой задачи используют измерители комплексных
коэффициентов передачи и отражения (модуля и фазы) четырехполюсников СВЧ или
измерители S
- параметров.
В настоящий момент в мире существует аппаратура, позволяющая
измерять комплексные коэффициенты передачи и отражения в диапазоне частот до
110 ГГц и амплитудном диапазоне до 136 дБ.
Для разработчиков измерителей комплексных коэффициентов
передачи и отражения СВЧ устройств основной целью является увеличение
частотного и амплитудного диапазона измеряемых величин.
Настоящая курсовая работа посвящена рассмотрению методов
измерения комплексных характеристик четырехполюсников СВЧ.
Цель этой работы - изучить методы измерения комплексных
характеристик четырехполюсников СВЧ.
При этом существенным является решение следующих задач:
изучить и проанализировать все существующие методы измерения
комплексных характеристик четырехполюсников СВЧ;
провести сравнение всех известных методов;
изучить приборы, использующиеся для измерения комплексных
характеристик четырехполюсников СВЧ.
1. Элементы теории
четырехполюсников и матриц
В [1] дается определение четырехполюснику как электрическому
устройству, имеющему две пары зажимов (полюсов), одна из которых служит для
подключения системы к источнику энергии (генератору), а другая - к потребителю
энергии (нагрузке). Зажимы, к которым присоединен генератор, называют входными,
а зажимы, к которым присоединена нагрузка, - выходными зажимами четырехполюсника.
Известно, что каждый четырехполюсник может быть описан одной
из систем параметров [a], [z], [y], [h], которые не несут информации о характерных особенностях
диапазона СВЧ, его коэффициентах отражения, связанных с электрическими
неоднородностями СВЧ тракта. Для СВЧ диапазона дополнительно разработаны две
системы [s]
и [t] параметров, устраняющие
отмеченные недостатки.
В диапазоне СВЧ каждый четырехполюсник характеризуется
падающими Uпад и отраженными Uотр волнами напряжений. Рассмотрим особенности
систем параметров характеризующих четырехполюсник в диапазоне СВЧ. Начнем с
рассмотрения системы [s] параметров.
Рисунок 1 - Четырехполюсник в СВЧ диапазоне
На рисунке 1 приведен четырехполюсник в СВЧ диапазоне, который
описывается следующей системой уравнений:

(1)
Такая система уравнения называется матрицей рассеяния, т.к. в
левой ее части находится волны напряжения, отходящие и рассеиваемые от
четырехполюсника.
Но матрица рассеяния это индивидуальная матрица, описывающая
конкретный четырехполюсник и, к сожалению, по своему построению она не пригодна
для расчета общих параметров каскадно соединенных СВЧ четырехполюсников, правые
ее части принадлежат разным входам.
Поэтому для расчетов каскадно соединенных СВЧ четырехполюсников
применяют t-параметры, представляющие собой элементы
матрицы передачи, которая имеет следующий вид:

(2)
Представим элементы матрицы рассеяния в следующем виде.
Применяя режимы КЗ и ХХ и СН к (1) имеем:
При 
(КЗ) имеем:
коэффициент передачи четырехполюсника в обратном направлении

;
коэффициент отражения выхода

;
При 
(ХХ) имеем:
коэффициент отражения входа

;
коэффициент передачи от входа к выходу

.
В [2] указывается, что матрицы рассеяния удобно применять при
решении задач по согласованию устройств СВЧ, расчету погрешностей, обуславливаемых
отражениями, и т.д. С другой стороны, в ряде случаев, например, при
исследовании каскадного соединения нескольких устройств СВЧ применение матриц
рассеяния становится затруднительным. В этом случае пользуются матрицами
передачи.
Матрица рассеяния [s] параметров и
матрица передачи [t] параметров являются ненормативными
матрицами. Отметим, что к ненормативным матрицам также относятся матрицы
параметров, не применяемых в диапазоне СВЧ, такие как:
матрица передачи
- матрица сопротивлений
- матрица проводимостей
Рисунок 2 - Направление токов и напряжений в четырехполюснике при
прямой передаче
Для четырехполюсника, представленного на рисунке 2, можно
записать:

(3)

(4)

(5)
где 
,
,
- напряжения и токи на входе и выходе четырехполюсника (рисунок
2).
Величины выражений (1) - (5) связаны следующими соотношениями:

(6)

(7)
Выполняя в уравнениях (1) - (5) тождественные преобразования,
можно заменить напряжения и токи нормированными напряжениями и токами, имеющими
размерность 
(или корня из мощности); все элементы матриц становятся при этом
безразмерными. Нормированные матрицы обозначаются прописными буквами алфавита,
ненормированные - строчными.
2.
Способы измерения параметров четырехполюсников СВЧ
В [3] говорится, что в процессе развития
техники СВЧ и повышения требований к электрическим характеристикам СВЧ
устройств, актуальной является проблема повышения точности измерений их
электрических параметров. При разработке, создании и промышленном выпуске
радиоэлектронных средств, содержащих СВЧ - устройства, необходимо иметь
приборы, позволяющие достаточно точно измерять их основные электрические
параметры, такие как модуль и фазу коэффициента передачи, S-параметры в
диапазоне частот (в панораме), то есть их амплитудно-частотные и фазочастотные
характеристики.
Панорамные измерители скалярных параметров
СВЧ-устройств, их коэффициентов передачи и отражения наиболее распространённый
тип СВЧ-радиоизмерительных приборов, имеют ограниченный динамический диапазон
измерений и умеренную точность. Однако благодаря этому они обладают малыми
весогабаритными характеристиками, просты и удобны в эксплуатации.
Для измерения комплексных коэффициентов отражения и передачи
с помощью векторных анализаторов цепей или векторных анализаторов устройств СВЧ
требуется определить отношение амплитуд сигналов и фазовый сдвиг между ними.
Фазовые измерения непосредственно на частоте СВЧ сигнала в широкой полосе
частот трудно реализовать.
Метод
измерительного фазового моста
В [3] приводится классическая структурная схема построения
измерителя комплексных коэффициентов передачи четырёхполюсников СВЧ (или просто
измерителей).
На рисунке 3 указывается, что измеритель имеет два генератора
СВЧ качающейся частоты ГКЧ-1 и ГКЧ-2. Первый СВЧ генератор выполняет функцию
источника испытательных (зондирующих) сигналов СВЧ, второй - ГКЧ-2 - функцию
источника гетеродинного сигнала. Испытательный сигнал СВЧ с частотой fС из ГКЧ-1 через
направленный ответвитель (НО-1) 4 и делитель сигналов СВЧ (Д1) 8
поступает на вход испытуемого четырёхполюсника СВЧ (х) 10 с выхода которого он
подаётся на сигнальный вход смесителя СВЧ измерительного канала (СМ СВЧ ИК) 11,
на другой вход которого поступает сигнал СВЧ частотой fГ от ГКЧ-2 через
направленный ответвитель (НО-2) 5 и делитель СВЧ (Д2) 12.
Образующийся сигнал промежуточной частоты, равной разности частот fпч=fс-fг, подаётся на один
из входов смесителя промежуточной частоты измерительного канала (СМ ПЧ ИК) 14,
где преобразуется с помощью сигналов от генератора промежуточной частоты (ГПЧ)
15, в низкочастотный сигнал (~20 кГц), который с выхода СМ ПЧ ИК поступает на
вход измерительного канала (ИК) измерителя отношений (ИО) 17, где сравнивается
по амплитуде и фазе с сигналом опорного канала (ОК). Результат сравнения в виде
коэффициента передачи и фазового сдвига испытуемого четырёхполюсника СВЧ
выводится на панорамный индикатор измерителя отношений 17. Сигнал опорного
канала образуется аналогично сигналу измерительного канала, как разность частот
сигналов ГКЧ-1 и ГКЧ-2 в смесителе СВЧ опорного канала (СМ СВЧ ОК) 13 в
результате смешивания части испытательного сигнала СВЧ пришедшего из делителя
(Д1) 8 и гетеродинного сигнала СВЧ от ГКЧ-2 ответвлённого делителем (Д2)
12. Сигналы СВЧ от ГКЧ-1 и ГКЧ-2 автоматически перестраиваются (качаются) в
диапазоне частот линейно изменяющимся напряжением, вырабатываемым в блоке
управления (БУ) 3. Это же напряжение используется для развертки по горизонтали
панорамного индикатора измерителя отношений 17 в результате чего на его экране
наблюдается амплитудно-частотная (АЧХ) и фазочастотная (ФЧХ) характеристики
испытуемого четырёхполюсника СВЧ 10. В блоке управления 3 вырабатываются и
частотные метки для АЧХ и ФЧХ, с помощью которых определяют в любой их
частотной метке модуль и фазу комплексного коэффициента передачи испытуемого
четырёхполюсника СВЧ.
Рисунок 3 - Структурная схема измерителя комплексных
коэффициентов передачи четырёхполюсников СВЧ
Отметим, что в измерителе применена система ФАПЧ для фазовой
когерентности СВЧ сигналов от ГКЧ-1 и ГКЧ-2. Для работы ФАПЧ с помощью
направленных ответвителей НО-1 и НО-2 часть сигналов СВЧ от ГКЧ-1 и ГКЧ-2,
смешиваемых в смесителе ФАПЧ 6, и сигнал разностной частоты подаётся на один из
входов фазового детектора (ФД) 7, на другой вход которого поступает сигнал от
кварцевого генератора опорной частоты (ОГ) 9, результат сравнения которых в
виде сигнала ошибки подаётся на один из входов ГКЧ-1, управляя его частотой
так, что она с точностью до фазы обеспечивает разность частот сигналов СВЧ от
ГКЧ-1 и ГКЧ-2 равной частоте опорного генератора 9 промежуточной частоте
измерителя.
Система узлов, состоящая из делителей 8, 12 и смесителей 11,
13, образует ИФМ, с помощью которого и проводится измерение характеристик
испытуемого четырёхполюсника СВЧ 10, в рабочем режиме «на проход». Применив
гетеродинное преобразование частоты в измерителе комплексных характеристик
четырёхполюсников СВЧ возможно реализовать в нём достаточно узкие полосы
пропускания, что, как следует из формулы Найквиста, позволяет существенно
снизить его собственные шумы, что в свою очередь даёт возможность достигнуть
максимальной чувствительности до 10-14 Вт и реализовать динамический
диапазон амплитуд в 100 дБ и более.
Несмотря на то, что измеритель, построенный по структурной
схеме на рисунке 3, имеет все технические возможности для измерения комплексных
коэффициентов отражения испытуемых устройств СВЧ, он не может работать «на отражение»,
то есть, не может производить подобного рода измерения.
Режим «на отражение» в нём может быть реализован путём
дополнительного включения перед испытуемым четырёхполюсником СВЧ рефлектометра,
который в этом режиме нагружается на СН. Один из сигналов с выхода вторичного
канала направленного ответвителя рефлектометра подаётся на сигнальный вход
смесителя 11, а другой сигнал с выхода, включённого в обратном направлении,
поступает на сигнальный вход смесителя 13. Это позволяет наблюдать в панораме
на экране измерителя отношений 17 комплексные коэффициенты отражения входа
испытуемого четырёхполюсника СВЧ. В таком виде измеритель комплексных
коэффициентов передачи может измерять и комплексные коэффициенты отражения, что
даёт возможность с его помощью измерять полный набор S-параметров испытуемого
четырёхполюсника СВЧ и превращает его в измеритель S-параметров.
Рассматривая структурную схему на рисунке 3 с помощью
направленного графа её ИФМ на рисунке 4, проанализируем измерительные
возможности в виде динамического диапазона измеряемых амплитуд и выявим причины
и погрешности измерений, влияющие на точность самого измерителя комплексных
коэффициентов передачи и отражения четырёхполюсников СВЧ. Испытуемые
четырёхполюсники СВЧ в измерительном канале графа Т1 представлены ветвями
матрицы [Sxn], а в опорном канале графа Т4 - ветвями матрицы [Sxо].
Рисунок 4 - Ориентированный граф ИФМ для схемы
Отметим, что в представленный на рисунке 4 граф входят
делители Д1, Д2, направленные ответвители НО-1 и НО-2,
смеситель ФАПЧ [см1], опорный смеситель [СмО], входной порт [СмИ], а также
контуры Т2, Т3, Т5, Т7, Т8 и матрицы [Sxn] и [Sxо].
Метод
измерителя s-параметров на основе рефлектометра
Отметим, что измеритель на основе ИФМ не может измерять
коэффициенты отражения СВЧ устройств. Для ликвидации этого недостатка служат
анализаторы цепей на основе рефлектометров.
Общая структурная схема измерителя комплексных коэффициентов
передачи и отражения СВЧ устройств с возможностью измерения S-параметров приведена на
рисунке 5.
- переключатель, 2 - генератор испытательных сигналов СВЧ, 3
- гетеродин, 4 - направленный ответвитель, 5 - смеситель, 6 - векторный
вольтметр, 7 - смеситель, 8 - направленный ответвитель, 9 - направленный
ответвитель, 10 - смеситель, 11 - смеситель, 12 - направленный ответвитель, 13
- испытуемый четырёхполюсник
Рисунок 5 - Измеритель S-параметров
Схема работает следующим образом. Испытательный сигнал,
вырабатываемый генератором СВЧ2 частотой ω1, через переключатель 1 в
положении 1 его подвижного контакта подаётся через первичные каналы
направленных ответвителей 4 и 9, включённых по схеме рефлектометра (ответвитель
4 в прямом, а ответвитель 9 в обратном направлениях) на разъём 1 испытуемого
четырёхполюсника СВЧ 13, проходит через него и с разъёма 2 поступает в
первичные каналы системы направленных ответвителей 12 и 8, также включённых по
схеме рефлектометра аналогично 4 и 9. Сигналы СВЧ, ответвлённые вторичными
каналами направленных ответвителей 4, 9, 8 и 12, подают в смесители СВЧ 5, 7,
10, 11, где смешивают с сигналом от генератора СВЧ 3 частоты ω2, играющего роль гетеродина. Образовавшийся на входе смесителей
сигнал промежуточной частоты ω3 поступает во входные
порты А, B,
С, D векторного вольтметра 6.
Предметом измерения является комплексное отношение сигналов (по модулю и фазе)
А/D, несущее информацию о
комплексном коэффициенте передачи в направлении от разъёма 1 к разъёму 2
прохождения испытательного сигнала СВЧ и комплексное отношение сигналов А/B несущее информацию о
комплексном коэффициенте отражения разъёма 1 испытуемого четырёхполюсника СВЧ
13 в этом же направлении.
В положении подвижного контакта переключателя 1 в положении 2
меняется направление подачи испытательного сигнала СВЧ от генератора на
противоположное. В этом случае можно измерить отношение сигналов С/B, характеризующее
комплексный коэффициент передачи испытуемого сигнала СВЧ от разъёма 2 этого
четырёхполюсника при отношении сигналов С/D. При таких измерениях
свободный неподвижный контакт переключателя 1 должен нагружаться на
согласованную нагрузку. Поскольку сигнал гетеродина с частотой ω2 необходим для преобразования испытательного сигнала СВЧ с
частотой ω1, несущего
полную информацию о S-параметрах испытуемого четырёхполюсника СВЧ 13 в сигналы
промежуточной частоты ω3, на которой работает
векторный вольтметр 6, то наличие гетеродинного тракта на рисунке 6 не
принципиально.
Сигнал гетеродина с частотой ω2 может быть получен и от
генератора Г1 путём смещения его частоты на фиксированную величину, но только в
том случае, если сигналы ω1 и ω2 когерентны.
Такое построение измерителя комплексных коэффициентов
передачи и отражения четырёхполюсников СВЧ позволяет без переключения его
входных разъёмов получать сведения обо всех элементах матрицы рассеяния
испытуемого четырёхполюсника СВЧ, что даёт возможность путём математической
обработки вычислить все его параметры S11, S22, S12, S21. Направленные ответвители могут быть равнозначно
заменены измерительными мостами.
По выполняемым функциям измеритель можно разделить на две
основные части: измерительная СВЧ часть и векторный вольтметр.
Эквивалентная схема измерений в символике направленных графов
приведена на рисунке 6.
Рисунок 6 - Направленный граф параметров определяемых
измерителем S-параметров
Объект измерения на рисунке 6 - параметры Sx. Но кроме полезной
информации имеются и собственные параметры измерительной схемы, представленные
в виде четырехполюсников паразитных параметров, присоединённых к входу и выходу
испытуемого устройства Si и So. Рассматриваемая схема измерений максимально
упрощена, за счет того что в ней объединены все дублирующие друг друга
параметры, но при этом ни одна из потенциальных составляющих погрешности не
исключена.
Как показано выше и следует из рисунка 6 ИФМ измерителя
комплексных коэффициентов передачи и отражения четырёхполюсников СВЧ для
реализации возможности измерения их S-параметров должен быть видоизменён.
В работе [3] говорится, что структурная схема измерителя S-параметров, приведенная
на рисунке 6, может быть построена в двух вариантах. В первом варианте каждый
из трактов СВЧ от первого или второго неподвижного контакта переключателя 1 до
первого или второго разъёма испытуемого четырёхполюсника СВЧ в качестве
датчиков испытательных сигналов СВЧ содержит схему с рассогласованным делителем
(D) 6 дБ и направленный
ответвитель (НО).
Во втором варианте каждый из вышеописанных трактов СВЧ
полностью построен на базе рефлектометра, содержащего два встречно включённых
направленных ответвителя. Оба этих варианта приведены на рисунке 7.
Рисунок 7 - Варианты построения СВЧ трактов измерителя S-параметров
Популярность первого варианта вызвана минимальными затратами
для его реализации. Один из трудоёмких направленных ответвителей заменяется
несложным в производстве делителем мощности. В случае измерителя
S - параметров основное
внимание обращается на необходимость обеспечить максимальную точность измерений
в широком диапазоне измерения температур, а для измерителя с полной
математической коррекцией погрешностей его СВЧ части это означает высокую
стабильность и идентичность коэффициентов передачи СВЧ трактов. Однотипные узлы
СВЧ направленных ответвителей в схеме рефлектометра позволяют получить заведомо
лучшую идентичность и стабильность при воздействии внешних климатических и
механических факторов. Поэтому при выборе стоит отдать предпочтение второму
варианту построения измерителя S-параметров на базе рефлектометров.
При применении рефлектометров для измерения S-параметров важную роль
выполняет направленность НО, определяющая его рабочие характеристики, которая в
итоге определяет и динамический диапазон измеряемых величин и погрешностей
измерений. Особенно существенное влияние при измерении комплексных
коэффициентов отражений оказывают собственные S-параметры измерительного
порта, являющегося по сути дела выходным разъёмом первичного канала
направленного ответвителя рефлектометра.
Принцип
аттестации измерителя S-параметров
В работе [4] отмечается, что все многообразие методов
аттестации измерителей S-параметров являются вариациями двух основных методов,
именуемых аббревиатурами OSLT и TRL. Оба метода названы по первым буквам
используемых средств калибровки. ХХ нагрузка (Open), КЗ нагрузка (Short), согласованная нагрузка
(Load) и калибровка на проход
(True) для первого метода.
Калибровка на проход (True), отражающая нагрузка (Reflect), калибровка на проход с
отрезком линии (Line) - для второго. Оба метода калибровки хорошо изучены и дают прогнозируемые
результаты.
Процесс калибровки методом OSLT состоит из двух
малозависимых частей, а именно калибровки параметров измерительного порта и
калибровки с целью определения параметров передачи So21 и So11. Введем обозначения для
рисунка 6: разъём испытуемого четырёхполюсника СВЧ 13 - измерительный порт 1, а
его разъём 2 - измерительный порт 2.
Измерительный порт прибора полностью характеризуется своим
графом, приведённым на рисунке 8, который состоит из направленности порта S11, коэффициента отражения
входа порта S22, коэффициента обратной передачи порта (его неравномерности) S12, коэффициента прямой
передачи S21, принятого равным единице. Для упрощения выражений здесь и далее
символ «i»
(«in») опущен. К входу порта
присоединена нагрузка с коэффициентом отражения ГХ.
Рисунок 8 - Граф измерительного порта в системе S - параметров
Способ градуировки порта OSL (Open, Short, Load) предполагает
использование трех нагрузок с известными параметрами: ХХ, КЗ и СН. Также OSL градуировка прибора
предполагает измерение параметров трех нагрузок: ГХ1, ГХ2
и ГХ3 с известными параметрами и последующий расчет собственных
параметров измерительного порта: S11, S12 и S22.
Воспользуемся известным выражением для определения
эквивалентного коэффициента отражения на входе измерительного порта SХ в терминологии
направленных графов:
, (8)
где n - порядковый номер измерения с соответствующей нагрузкой ГХ1,
ГХ2, ГХ3, n = 1, 2, 3.
При аттестации порта требуется найти численные величины S11, S22, S12∙S21 решая систему из трёх
уравнений типа (8), составленных в результате измерения трёх нагрузок ГХ1,
ГХ2, ГХ3, содержащих собственные параметры порта SX, S11, S22, S12 в виде:
, (9)
,(10)
,(11)
;
;
.
Параметры нагрузок Гх1, Гх2, Гх3,
соответствующие коэффициентам отражения эталонных нагрузок КЗ, ХХ, СН,
записанных в аттестатах, отличаются от их истинных значений на величину погрешности
аттестации.
Выражения (9), (10), (11) рассчитываются для каждой частотной
точки в диапазоне аттестации и позволяют выполнять расчет собственных
параметров измерительного порта даже при произвольных, но известных, значениях
параметров нагрузок.
Анализ
рефлектометра
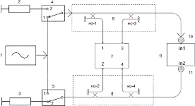
В работе [3] приводится общая структурная схема измерителя
комплексных коэффициентов передачи и отражения четырёхполюсников СВЧ, с
возможностью определять их S-параметры, используя рефлектометры. Она приведена на рисунке
9 и состоит из двух пар рефлектометров 6 и 8, каждый из которых включает два
встречно включённых направленных ответвителя НО-1, НО-3 и НО-2, НО-4.
При измерениях коэффициентов передачи испытуемого
четырёхполюсника СВЧ 9 со стороны его входного разъёма 10, испытательный сигнал
СВЧ от генератора СВЧ-1, подают через переключатель 4 в положении 2 его
подвижного контакта и векторным вольтметром 7 измеряют отношение сигналов на
его входах 1-3. При этом вторые неподвижные контакты переключателей 4 и 5
нагружены на согласованные нагрузки 2 и 3. Для проведения измерений
характеристик испытуемого четырёхполюсника 9 со стороны его входного разъёма 11
переключатель переводят в положение 2, а переключатель 5 в положение 1, и
измеряют для определения коэффициента передачи отношение сигналов на входах 2-3
векторного вольтметра 7, а для определения коэффициента отражения - отношение
сигналов на входах 2-4 этого вольтметра.
Рисунок 9 - Структурная схема измерителя характеристик
четырёхполюсников СВЧ
Ориентированный граф рефлектометра, состоящего из включенных
для измерения коэффициентов отражения встречно направленных ответвителей НО-1 и
НО-3, представлен на рисунке 10. Испытательный сигнал СВЧ, падающий на
испытуемый объект, детектируется детектором Д1 с вторичного
канала НО-1, а отраженный детектором Д2 - с вторичного канала
НО-3. Будем считать, что детекторы дают информацию и об амплитуде и о фазе
сигнала. Этот граф позволяет найти выражения для расчета элементов матрицы
рассеяния собственных Sin-параметров входных портов измерителя
характеристик четырехполюсников СВЧ.
- генератор испытательных сигналов в СВЧ, Д1, Д2
- детекторные диоды, Г2, Г3 - согласованная нагрузка
вторичных каналов но-1 и но-2, Гх - коэффициент отражения испытуемой нагрузки
Рисунок 10 - Ориентированный граф рефлектометра в режиме
измерения коэффициентов отражения
Устройство для измерения комплексных
коэффициентов передачи и отражения четырехполюсников
В работе [4] приводятся устройства для измерения комплексных
характеристик испытуемых четырехполюсников СВЧ, состоящие из двухчастотных
источников когерентных испытательных сигналов и двухканальных супергетеродинных
их приемников с индикаторами отношений этих сигналов.
Все существующие методы измерения
комплексных коэффициентов передачи и отражения четырехполюсников СВЧ, как
правило, осуществляют одним и тем же измерителем, отличающимся только видом
соединения с ним четырехполюсника СВЧ - «на проход» или» на отражение».
Предлагаемый способ одинаково справедлив при работе устройства и для измерения
комплексных коэффициентов передачи и для измерения комплексных коэффициентов
отражения.
Известен способ измерения комплексных
параметров четырехполюсников СВЧ, основанный на сравнении двух когерентных
сигналов, один из которых пропускают через испытуемый четырехполюсник СВЧ
(зондирующий сигнал). Для осуществления этого способа используют измеритель
комплексных параметров четырехполюсников СВЧ, состоящий из двух когерентных
генераторов СВЧ, охваченных системой ФАПЧ и вырабатывающих сигналы для
испытания четырехполюсников СВЧ, и двухканального супергетеродинного приемника,
в состав которого входит ИФМ для производства всех видов измерений, и
индикатора отношений уровней сигнала в двух каналах.
Векторные
анализаторы цепей
В [5] представлены векторные анализаторы цепей ОБЗОР-804,
ОБЗОР - 804/1, ОБЗОР-808, ОБЗОР-808/1, предназначенные для измерения
комплексных коэффициентов передачи и отражения (S-параметров) СВЧ-устройств в
диапазоне частот от 0,3 до 8000 МГц. А именно S11, S21, S12,
S22 - для «Обзор-804» и «Обзор - 804/1», S11 … S44
- для «Обзор - 808» и «Обзор - 808/1». Они обладают динамическим диапазоном
измерения модуля коэффициентов передачи более 145 дБ.
Рисунок 11 - ИККПО / Векторный анализатор цепей ОБЗОР-804 и
ОБЗОР 804/1
Векторные анализаторы цепей (ИККПО) «Обзор-804» и
«Обзор-804/1», представленные на рисунке 11, имеют два измерительных порта, а
«Обзор-808» и «Обзор-808/1» четыре измерительных порта и два генератора испытательного
сигнала. Измерители «Обзор-804» и «Обзор-808» идут в комплекте со встроенным
компьютером, сенсорным экраном и клавиатурой на передней панели. Модификации
измерителей «Обзор-804/1» и «Обзор-808/1» предназначены для работы с внешним
компьютером, не входящим в комплект поставки.
Наличие переключателя тестирующего сигнала на измерительные
порты прибора позволяет производить измерения всех параметров за одно
подключение. Для измерений нелинейных свойств четырёхполюсников и расширения
диапазона измерений в приборах используется регулировка выходной мощности
глубиной не менее 70 дБ. Возможность удаленного управления приборов позволяет
использовать их в составе измерительных комплексов.
На рисунке 12 приведем экраны, на которых представлены
внешние виды программ, получаемые с помощью рассматриваемых устройств.


Рисунок 12 - Внешний вид программ
В [6] представлен измеритель комплексных коэффициентов передачи
и отражения (векторный анализатор цепей) ОБЗОР-103. Он измеряет параметры:
комплексный коэффициент отражения S11, комплексный коэффициент передачи S21.
Его внешний вид приведен на рисунке 13.
Рисунок 13 - Векторный анализатор цепей ОБЗОР-103
Рассматриваемое устройство имеет следующие характеристики:
Диапазон частот от 0,3 до 1500 МГц;
Минимальное время измерения одной частотной точки 200 мкс;
Измерительные тракты: 50 Ом, 75 Ом.
Для индикации измеряемых S-параметров используются следующие
форматы: логарифм амплитуды, фаза, ГВЗ (групповое время задержки), КСВ
(коэффициент стоячей волны), реальная и мнимая части, расширенная фаза,
линейная амплитуда, мощность, полярная диаграмма и диаграмма Вольперта-Смита.
Измеритель комплексных коэффициентов передачи состоит из
измерительного блока, двух измерительных секций, направленного ответвителя и
компьютера (в комплект поставки не входит).
На рисунке 14 представлены экраны, на которых показаны
внешние виды программ, получаемые с помощью рассматриваемых устройств.


Рисунок 14 - Внешние виды программы
3.
Способы измерения комплексных сопротивлений многополюсника
В работе [7] рассматриваются варианты способов измерения
комплексных сопротивлений многополюсника, в частности четырехполюсника.
Первый способ: при измерении входного комплексного сопротивления
пассивного многополюсника источник сигнала сначала подключают к исследуемому
многополюснику через четырехполюсник - аттенюатор с известным затуханием,
измеряют на входе и выходе аттенюатора напряжение относительно земляного полюса
многополюсника. Измерения проводят дважды с различными значениями затухания
аттенюатора, по результатам измерений вычисляют активную и модуль реактивной
составляющей комплексного сопротивления, затем параллельно измеряемому
многополюснику подключают реактивное сопротивление с известным значением и
повторяют измерения напряжений на входе и выходе аттенюатора при двух различных
значениях его затухания. По результатам измерений вычисляют модуль реактивной
составляющей, по характеру изменения которого принимают решение о знаке реактивной
составляющей комплексного входного сопротивления многополюсника.
Второй из предложенных способов заключается в следующем: при
измерении входного комплексного сопротивления активного многополюсника источник
сигнала сначала подключают к исследуемому многополюснику через четырехполюсник
- аттенюатор с известным затуханием, измеряют на входе и выходе аттенюатора
напряжение относительно земляного полюса многополюсника, причем измерения
проводят дважды с различными значениями затухания аттенюатора, при этом,
управляя мощностью источника сигнала, поддерживают уровень напряжения на входе
многополюсника постоянным, по результатам измерений вычисляют активную и модуль
реактивной составляющей комплексного сопротивления, затем параллельно
измеряемому многополюснику подключают реактивное сопротивление с известным
сопротивлением и повторяют измерения напряжений на входе и выходе аттенюатора
при двух различных значениях его затухания, вычисляют по результатам измерений
модуль реактивной составляющей, по характеру изменения которого принимают
решение о знаке реактивной составляющей комплексного входного сопротивления
многополюсника.
Суть третьего способа заключается в том, что при измерении
выходного комплексного сопротивления активного многополюсника источник сигнала подключается
к входным полюсам многополюсника, к выходным полюсам подключается
четырехполюсник - аттенюатор с известным затуханием, на входе или выходе
аттенюатора измеряется напряжение относительно земляного полюса многополюсника,
причем измерения проводят трижды с различными значениями затухания аттенюатора,
по результатам измерений вычисляют активную и модуль реактивной составляющей
выходного комплексного сопротивления активного многополюсника, затем
параллельно выходным полюсам многополюсника подключают реактивное сопротивление
с известным значением и повторяют измерения напряжений на входе или выходе
аттенюатора при трех различных значениях его затухания, вычисляют по
результатам измерений модуль реактивной составляющей, по характеру изменения
которого принимают решение о знаке реактивной составляющей комплексного
выходного сопротивления многополюсника.
Заключение
Основные результаты курсовой работы состоят в следующем:
Изучены и проанализированы все существующие методы измерения
комплексных характеристик четырехполюсников СВЧ.
Для каждого рассмотренного метода приведены краткое описание
с поясняющим рисунком, произведено сравнение с другими методами.
Изучены приборы, использующиеся для измерения комплексных
характеристик четырехполюсников СВЧ.
В курсовой работе также кратко приведены описания некоторых
патентов, в которых дается описание устройствам, использующимся для измерения
комплексных характеристик четырехполюсника СВЧ.
Список использованных источников
1. Фельдштеин
А.Л. Справочник по элементам волноводной техники/ А.Л. Фельдштеин, Л.Р. Явич,
В.П. Смирнов - М. Сов. радио. 1967. - 652 с.
2 Силаев
М. Приложение матриц и графов к анализу СВЧ устройств/ М. Силаев, С. Брянцев. -
М.: Советское радио, 1970. - 247 с.
Абубакиров
Б.А. Справочник по радиоизмерительным приборам/ Б.А. Абубакиров, А.А. Авдеева,
М.Л. Гуревич. - М.:Сов. радио, 1976. - 232 с.
Мильченко
Д.Н. Разработка методов построения измерителей коэффициентов передачи и
отражения четырехполюсников свч/ Д.Н. Мильченко; Кубанский гос. ун-т. -
Таганрог, 2012 - 26 с. в ВИНИТИ 6.06.2009, №139680.
PLANAR // Москва: ООО. ПЛАНАР. -
2006. - Измерители комплексных коэффициентов передачи и отражения (векторные
анализаторы цепей) ОБЗОР-804, ОБЗОР-804/1, ОБЗОР-808, ОБЗОР-808/1 (0,3-8000
МГц). - (Рус). - URL: http://www.planar.chel.ru/Products/Measurement % 20instrument/obzor-804/[3 февраля 2013].
PLANAR // Москва: ООО.ПЛАНАР. -
2006.-Измеритель комплексных коэффициентов передачи и отражения (векторные
анализаторы цепей) ОБЗОР-103-Рус) URL:http://www.planar.chel.ru/Products/Measurement %
20instrument /OBZOR/ [4 февраля 2013].
7 Пат. 2317559 Poccийская Федерация, МПК G01R27/02. Способ измерений
комплексных сопротивлений многополюсника (варианты) /И. Озеров, Е. Озеров, С.
Озеров(Россия). - №2006119500/28; заявл. 05.06.06; опубл. 05.06.06. Бюл. №11;
приоритет 23.01.98, №68493 А/7 (Россия); УДК 621.43-225.17. - 3 с.