Разработка автотопливозаправщика для перевозки светлых нефтепродуктов, на шасси автомобиля МАЗ
ЗАДАНИЕ НА
КУРСОВОЙ ПРОЕКТ
Задачей
данного курсового проекта является разработка автотопливозаправщика для
перевозки светлых нефтепродуктов, на шасси автомобиля МАЗ, максимальный объемом
перевозимого груза 17 м3,3 видов одновременно перевозимого топлива.
Содержание
ВВЕДЕНИЕ
1. Определение вместимости цистерны
. Определение геометрических размеров цистерны
. Выбор конструкционного материала
. Определение расчетного давления в цистерне
. Расчет толщины стенки цистерны
. Расчет основных нагрузок
. Расчет приведенного напряжения изгиба
. Расчет устойчивости цистерны
. Выбор насосного оборудования
. Определение числа волнорезов
. Оборудование цистерны
11.1 Насос
.2 Клапан дыхательный
.3 Фильтр предварительной очистки
.4 Фильтр тонкой очистки
.5 Указатель уровня
.6 Донный клапан
.7 Счетчик жидкости
.8 Ограничитель налива
.9 Шаровые фланцевые краны
.10 Манометр
.11 Предохранительный клапан
.12 Наливной люк
.13 Площадка и лестница
. Описание технологических операций
ЗАКЛЮЧЕНИЕ
СПИСОК СОКРАЩЕНИЙ
СПИСОК ИСПОЛЬЗОВАННЫХ ИСТОЧНИКОВ
ВВЕДЕНИЕ
В настоящее время для транспортирования энергоносителей используют
железнодорожный, водный, автомобильный и трубопроводный транспорт. Наиболее
удобным и выгодным видом перевозки опасных грузов является автомобильный
транспорт.
Автотранспортом можно перевозить все типы углеводородных жидкостей. В
нашей стране его применяют для транспортирования нефтепродуктов и сжиженных
углеводородных газов.
Автомобильный транспорт используется для завоза нефтегрузов потребителям,
удаленным на небольшое расстояние от источников снабжения (наливных пунктов,
складов и баз). Например, автотранспортом отгружаются нефтепродукты с нефтебаз
в автохозяйства, на автозаправочные станции и сельские склады горючего.
Основными достоинствами автомобильных перевозок являются:
- высокая
маневровая подвижность, позволяющая быстро сосредо-тачивать транспортное
средство в необходимом количестве и в нужном месте;
- способность
доставки грузов от склада отправителя до склада получателя без дополнительных
перевалок в пути следования;
- более
высокая скорость доставки грузов, а в некоторых случаях и более короткий путь
перевозки;
- широкая
сфера применения по видам сообщений, возможность доставки груза небольшими
партиями.
Одним из видов автомобильного транспорта, предназначенного для перевозки
опасных грузов, являются АЦ, которые значительно упрощают нашу жизнь. В них
сосредоточено много механизмов, которые уменьшают время слива, время налива,
увеличивают безопасность.
1. Определение вместимости цистерны
Геометрическая вместимость цистерны должна быть больше эксплуатационной
на величину расширения НП, объема невыбранного остатка и объема занимаемого
внутреннего оборудования, м3
(1)
где
коэффициент, учитывающий объем невыбранного остатка и
объем, занимаемый внутренним оборудованием цистерны;
эксплуатационная вместимость цистерны, м3;
коэффициент, учитывающий объем температурного
расширения НП.
м3.
Коэффициент, учитывающий объем невыбранного остатка и объем, занимаемый
внутренним оборудованием цистерны
(2)
где
то же, что в формуле (1).
Коэффициент, учитывающий объем температурного расширения НП
(3)
где
относительный коэффициент температурного расширения
НП;
максимальный эксплуатационный перепад температур.
Для
расчетов принимаем
оC-1,
оC.
Геометрическая
вместимость цистерны по формуле (1):
м3.
Предельная
вместимость цистерны, м3
(4)
где
допустимая грузоподъемность транспортной базы, т;
масса специального оборудования, т;
плотность перевозимого НП, т/м3.
При
oC плотность перевозимого НП (бензин неэтилированный
АИ-92, АИ-95, АИ-92)
т/м3 [1].
Для
проектирования АТЗ принимаем шасси автомобиля МАЗ-631705. Допустимая
грузоподъемность
т.
Технические характеристики базового шасси МАЗ-631705:
колесная формула: 6
6;
снаряженная масса: 12700 кг;
полная масса: 33150 кг;
длина шасси: 9550 мм;
ширина шасси: 2550 мм;
высота шасси: 3500 мм [2].
На АТЗ масса специального оборудования по отношению к допускаемой
грузоподъемности транспортной базы составляет при использовании углеродистых и
легированных сталей 20-32%
(5)
где
то же, что в формуле (4).
т.
Предельная
вместимость цистерны по формуле (4):
м3.
Вычисленное
значение геометрической вместимости цистерны не должно быть больше, чем
предельная вместимость цистерны
(6)
где
то же, что в формуле (1);
то же, что в формуле (4).
.
Определение геометрических размеров цистерны
Выбираем
чемоданную форму поперечного сечения цистерны.
Площадь
поперечного сечения цистерны, м2
(7)
где
ширина цистерны, м;
высота прямоугольной части цистерны, м;
радиус сегмента, м;
угол дуги сегмента, град.
Для
расчетов принимаем
м,
м,
м,
о.
м2.
Длина
цистерны, м
(8)
где
то же, что в формуле (1);
то же, что в формуле (7).
м.
.
Выбор конструкционного материала
Материал цистерны - низколегированная углеродистая сталь 09Г2С ГОСТ
5520-79 [3].
Массовая
доля элементов, %: С
0,12, Si=0,50-0,80, Mn=1,30-1,70, S
0,040, Р
0,035.
Механические
характеристики:
предел
текучести
т=345 Н/мм2;
временное
сопротивление разрыву
в=490 Н/мм2;
относительное
удлинение при разрыве
=21%.
Допускаемые
напряжения, Н/мм2
(9)
где
нормативное допускаемое напряжение, Н/мм2;
поправочный коэффициент, учитывающий условия
эксплуатации цистерны.
Для
расчетов принимаем
За
нормативное допускаемое напряжение принимаем большее из двух значений
(10)
где
предел текучести стали, Н/мм2.
(11)
где
временное сопротивление разрыву, Н/мм2.
По
формуле (10):
Н/мм2.
По
формуле (11):
Н/мм2.
Принимаем
Н/мм2.
Тогда
по формуле (9) допускаемые напряжения:
Н/мм2.
.
Определение расчетного давления в цистерне
Расчетное
давление в цистерне, МПа
(12)
где
- давление насыщенных паров НП в зависимости от вида
НП, МПа;
-
коэффициент вертикальных нагрузок;
-
гидростатическое давление, МПа;
-
коэффициент горизонтальных нагрузок;
-
расчетное динамическое давление, МПа.
Для
расчетов принимаем
Давление
насыщенных паров
МПа [1].
(13)
где
- то же, что в формуле (12).
Гидростатическое
давление, МПа
(14)
где
- высота налива НП, м;
- то же,
что в формуле (4);
-
ускорение свободного падения,
.
(15)
где
площадь продольного сечения цистерны, м2
(16)
где
- то же, что в формуле (4);
- то же,
что в формуле (8).
м2.
Высота
налива НП по формуле (15):
м.
Гидростатическое
давление по формуле (14):
МПа.
Расчетное динамическое давление, МПа
(17)
где
- масса продукта, кг;
- максимальная
скорость, развиваемая топливозаправщиком, м/с [2];
-
тормозной путь автомобиля, м;
то же, что в формуле (7).
(18)
где
- то же, что в формуле (17).
м.
Масса
продукта, кг
(19)
где
- объем перевозимого продукта ;
- то же,
что в формуле (4).
кг.
Расчетное
динамическое давление по формуле (17):
МПа.
Расчетное давление в цистерне по формуле (12):
МПа.
.
Расчет толщины стенки цистерны
Толщина
стенки цистерны, изготовленной из металла с относительным удлинением д
22 - 27 % по ГОСТ Р 50913-96 [4], мм
(20)
где
- толщина стенки цистерны диаметром менее 1,8 м или
более 1,8 м при изготовлении ее из металла с временным
сопротивлением разрыву ув ≥ 360 МПа (3600 кгс/см2),
и относительным удлинением д = 22 - 27 %, мм;
то же, что в формуле (11);
относительное удлинение данного метала, %.
Для
определения
найдем эквивалентный диаметр цистерны, м
(21)
где
- то же, что в формуле (7).
м.
Следует,
что толщина стенки цистерны диаметром более 1,8 м при изготовлении ее из
металла с временным сопротивлением разрыву ув
≥ 360 МПа (3600 кгс/см2), и относительным удлинением д = 22 -
27 % равна 6 мм по ГОСТ Р 50913-96 [4].
Толщина стенки цистерны по формуле (20):
мм.
Согласно ГОСТ Р 50913-96 [4] цистерны эквивалентным диаметром более 1,8 м
должны иметь эквивалентную толщину стенок 6 мм и плюс 3 мм на коррозию,
следовательно принимаем толщину стенки 9 мм, а толщину днища на 1…2 мм больше
толщины обечайки, то есть 11 мм.
. Расчет основных нагрузок
Кольцевые напряжения от внутреннего давления, МПа
(22)
где
- то же, что в формуле (12);
- то же,
что в формуле (21);
- то же,
что в формуле (20).
Растягивающие
напряжения для сечения, перпендикулярного оси цистерны, МПа:
(23)
где
- то же, что в формуле (12);
- то же,
что в формуле (21);
- то же,
что в формуле (20).
Напряжения изгиба от действия распределенной нагрузки, кПа
(24)
где
- максимальный изгибающий момент в сечении цистерны,
кН
м;
- момент
сопротивления изгибу, м3.
Максимальный
изгибающий момент, кН
м
(25)
где
- распределенная нагрузка, кН/м;
- то же,
что в формуле (8).
Распределенная
нагрузка, кН/м
(26)
где
- то же, что в формуле (19);
- то же,
что в формуле (14);
- масса
цистерны, кг;
- то же,
что в формуле (8).
Принимаем
кг.
Максимальный
изгибающий момент по формуле (25):
кН
м.
Момент
сопротивления изгибу, м3
(27)
где
- то же, что в формуле (21);
- то же,
что в формуле (20).
м3.
Напряжения
изгиба от действия распределенной нагрузки по формуле (24):
.
Расчет приведенного напряжения изгиба
Приведенное
напряжение изгиба, МПа
(28)
где
- суммарное напряжение изгиба в нижней части
цистерны, МПа;
-
суммарное напряжение изгиба в верхней части цистерны, МПа.
Суммарное
напряжение изгиба в нижней части цистерны, МПа
(29)
где
- то же, что в формуле (23);
- то же,
что в формуле (24).
МПа.
Суммарное
напряжение изгиба в верхней части цистерны, МПа
(30)
где
- то же, что в формуле (23);
- то же,
что в формуле (24).
МПа.
Приведенное
напряжение изгиба по формуле (28):
МПа.
Для
обеспечения прочности цистерны должно выполняться неравенство
(31)
где
- то же, что в формуле (28);
- то же,
что в формуле (9).
Условие
выполняется.
Растягивающие
напряжения в днище цистерны, МПа
(32)
где
- то же, что в формуле (12);
- то же,
что в формуле (21);
-
толщина днища, м.
Сила
давления жидкости на днище цистерны при торможении, Н
(33)
где
- то же, что в формуле (19);
- сила
давления жидкости, МПа;
- полная
масса цистерны, кг;
- то же,
что в формуле (21).
Для
расчетов принимаем
Полная
масса цистерны, кг
(34)
где
- то же, что в формуле (26);
- то же,
что в формуле (4);
- то же,
что в формуле (19).
кг.
Сила
давления жидкости на днище цистерны при торможении по формуле (33):
Среднее
давление на поверхность днища при торможении, МПа
(35)
где
- то же, что в формуле (33);
- то же,
что в формуле (21).
Растягивающие
напряжения, возникающие в днище при торможении, МПа
(36)
где
- то же, что в формуле (35);
- то же,
что в формуле (21);
- то же,
что в формуле (32).
Наибольшее
напряжение в днище цистерны, МПа
(37)
где
- то же, что в формуле (32);
- то же,
что в формуле (36).
Условие
прочности
(38)
где
- то же, что в формуле (37);
- то же,
что в формуле (9).
Условие
выполняется, так как наибольшее растягивающее напряжение при повороте
транспортного средства меньше предельно допустимого.
.
Расчет устойчивости цистерны
Нарушение
устойчивости АТЗ в продольном и поперечном направлении возможно при аварии (как
правило, характерно для нарушения продольной устойчивости). К случаям
поперечного нарушения устойчивости относятся боковое скольжение и
опрокидывание, которые могут возникнуть при движении по наклонной плоскости или
радиусу, а так же от воздействия бокового давления. Вероятность бокового
опрокидывания зависит от соотношения ширины транспортной базы и высоты центра
тяжести и оценивается коэффициентом боковой устойчивости против опрокидывания
(39)
где B - ширина колеи;
Z -
высота центра тяжести.
Ширина колеи для автомобиля МАЗ-631705 равна 2,1 м, высота центра тяжести
равна 1,4 м[5].
Ускорение
опрокидывания, м/с2
(40)
где
то же, что в формуле (39);
то же,
что в формуле (14).
Скорость
опрокидывания, м/с
(41)
где R - радиус поворота базы автомобиля,
м;
то же,
что в формуле (40).
Радиус
поворота базы автомобиля МАЗ-631705 равен 12 м.
Скорость
скольжения автомобиля при повороте, м/с
(42)
где
- коэффициент сцепления шин с дорогой;
то же,
что в формуле (41);
- то же,
что в формуле (14).
Для
сухого грунта принимаем коэффициент сцепления шин с дорогой равный 0,55.
При
повороте боковой занос возникает раньше, чем опрокидывание, учитывая поперечный
крен на повороте 6-7%, предельную скорость поворота рассчитывается и
уменьшается на 15%, м/с
(43)
где
то же, что в формуле (41).
Опрокидывающий
момент, Н
м
(44)
где
- то же, что в формуле (21);
то же, что
в формуле (39);
то же,
что в формуле (43).
Удерживающий
момент, Н
м
(45)
где
- то же, что в формуле (34);
то же,
что в формуле (39);
то же,
что в формуле (14).
Условие устойчивости
(46)
где
- то же, что в формуле (45);
- то же,
что в формуле (44).
Условие
выполняется, ограничение скорости при повороте автомобильной цистерны не
требуется.
. Выбор насосного оборудования
Требуемая производительность насоса, м3/ч
(47)
где n - количество отсеков;
V - объем отсеков, м3.
м3/ч.
Принимаем
насос СВН-75 с номинальной производительностью
м3/ч
[6].
Секундный
расход, м3/с
(48)
где Qн - номинальная производительность, м3/ч.
м3/с.
Диаметр необходимого трубопровода, м
где W - скорость перекачивания, м/с;
- то же,
что в формуле (48).
Для
расчетов принимаем
м/с.
м.
Принимаем
м [4].
Уточняем
скорость перекачивания, м/с
(50)
где
- то же,
что в формуле (49);
- то же,
что в формуле (48).
м/с.
Давление
во всасывающем трубопроводе, Па
(51)
где Ра - атмосферное давление, Па;
- то же,
что в формуле (4);
- то же,
что в формуле (14);
- высота
взлива нефтепродукта, м;
- то же,
что в формуле (50);
- то же,
что в формуле (49);
о
- коэффициент местных потерь;
л
- коэффициент гидравлического
сопротивления;
L - длина
всасывающего трубопровода, м.
Высота
взлива
м.
Длину
всасывающего трубопровода примем равной 4 м [4].
Коэффициент
гидравлического сопротивления
(52)
где
- число Рейнольдса;
(53)
где з - кинематическая вязкость нефтепродукта, м2/с;
- то же, что в формуле (49);
- то же,
что в формуле (50).
Кинематическая
вязкость бензина при t = 20o равна 0,6 мм2/с.
Так
как Re > 2400, то режим течения жидкости турбулентный.
Коэффициент
местных потерь о складывается из гидравлических сопротивлений напорного
трубопровода:
сопротивление
входа;
сопротивление
двух задвижек;
сопротивление
фильтра грубой очистки;
сопротивление
выхода.
(54)
Давление во всасывающем трубопроводе по формуле (51):
Потери
в нагнетательном трубопроводе, м
(55)
где о - то же, что в формуле (51);
л -
то же, что в формуле (51);
L - длина нагнетательного трубопровода, м;
- то же, что в формуле (49);
- то же,
что в формуле (14);
- то же,
что в формуле (50).
Длину
нагнетательного трубопровода примем равной 5 м [4].
Потери
в нагнетательном трубопроводе по формуле (55):
Напор,
создаваемый насосом на выходе, должен быть больше потерь в нагнетательном
трубопроводе
(56)
где Н - напор, создаваемый насосом на выходе, м.
- то же,
что в формуле (55).
Напор,
создаваемый насосом СВН-75 на выходе, равен 60 м.
Условие
выполняется.
. Определение числа волнорезов
Для АТЗ должно выполняться следующее условие - расстояние между двумя
волнорезами должно быть больше 1,75 м, но объем цистерны между двумя
волнорезами не должен превышать 7,5 м3. Таким образом, волнорезы не
предусмотрены конструкцией, так как функцию волнорезов выполняют две
межсекционные перегородки [4].
Оборудование цистерны
.1 Насос
Универсальность
насоса СВН-75 (рисунок 1) заключается в изменении направления вращения - левого
или правого, при этом скорость вращения вала также может изменятся от 700 до
1250 оборотов за минуту. Насос имеет в своем составе винтообразные шестерни,
что позволяет при малых оборотах достигать высокую производительность, большой
напор, значительную высоту всасывания и низкий уровень шума. Корпус насоса
имеет малые габариты и меньший вес по сравнению с аналогами данного класса, что
позволяет его использовать как на топливозаправщиках, так и в составе насосного
агрегата с электродвигателем в насосных станциях на нефтебазах. Перекачиваемая среда - жидкость чистая без механических
примесей: бензин, керосин, дизельное топливо, пищевые продукты (вода, спирт и
т.п.), растворители, кислоты, а также другие жидкости вязкостью не более 2
10-4 м2/с.
Температура перекачиваемой жидкости от -40°С до +70°С, плотность не более 1000
кг/м3. Высота самовсасывания 7 м. Корпус такого насоса выполнен из алюминия с добавками, что полностью
исключает возникновение сложностей и пожароопасных ситуаций при работе с
нефтепродуктами. Насос часто используется на автотопливозаправщиках, поскольку
принцип его действия заключается в разряжении воздуха на стороне всасывания,
тем самым атмосферная сила служит движущей, заставляющей нефтепродукт попадать
во впадины между зубьями шестерней, а затем в полость всасывания с последующей
передачей в полость нагнетания. Привод насоса осуществляется от двигателя
машины, через коробку отбора мощности и промежуточную трансмиссию или от
электродвигателя при стационарной установке. Технические характеристики насоса
представлены в таблице 1 [6].
Таблица 1 -
Технические характеристики насоса СВН-75
|
Наименование показателя
|
СВН-75
|
|
Тип насоса
|
самовсасывающий
|
|
Производительность, л/мин
|
1000
|
|
Подача, /ч60
|
|
|
Напор, м
|
60
|
|
Частота вращения, об/мин
|
700-1250
|
|
Мощность насоса, кВт
|
11
|
|
Давление на выходе из прибора, МПа
|
0,5
|
|
Допускаемая высота всасывания, м
|
7
|
|
Направление вращения вала насоса
|
Левое, правое
|
|
Масса, кг
|
25
|

Рисунок 1 - Насос СВН-75
11.2 Клапан дыхательный
Клапан дыхательный УД-1 (рисунок 2)
служит для автоматического поддержания давления в АТЗ или других герметично
закрытых емкостей для хранения нефтепродуктов. Эксплуатируется клапан на
открытом воздухе с температурой до -40°С и влажностью до 100%. Клапан
дыхательный УД-1 устанавливается на крышку горловины цистерны.
Клапан дыхательный УД-1 состоит из
следующих основных элементов: клапан давления с прокладкой, клапан вакуум со
стержнем, пружина клапана давления, пружина клапана вакуума, регулирующая
втулка, сетка латунная с шайбой, отражатель, прокладка крышки.
При избыточном давление в цистерне (свыше
0,25 кгс/смІ) клапан давления поднимается и выпускает пары топлива, которые
увеличиваются при заполнении цистерны топливом или увеличении температуры
окружающей среды. При снижении давления в цистерне до 0,25 кгс/смІ, пружина
возвращает в исходное положение клапан давления. Технические характеристики
дыхательного клапана представлены в таблице 2 [7].
Таблица 2 - Технические характеристики дыхательного клапана УД-1
|
Наименование показателя
|
УД-1
|
|
Условный проход, мм
|
50
|
|
Рабочее давление, кгс/см2
|
0,25
|
|
Рабочее давление вакуумметрическое, кгс/см2
|
0,01
|
|
Пропускная способность при давлении 0,4 кгс/см2, м3/ч
|
30
|
|
Пропускная способность при вакуумметрическом давлении 0,4
кгс/см2, м3/ч
|
20
|
|
Габаритные размеры, мм
|
107 150
|
|
Масса, кг
|
0,35
|
1 - корпус; 2 - тарель впускного затвора; 3 - тарель
выпускного затвора; 4, 5 - регулировочные гайки; 6 - рукоятка; 7 - крышка
корпуса; 8 - огневой предохранитель; 9 - пылеулавливающий фильтр
Рисунок 2 - Клапан дыхательный УД-1
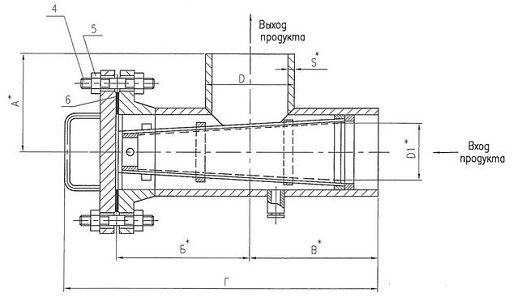
.3 Фильтр предварительной очистки
Фильтр сетчатый ФС-2-100-25 (рисунок 3) устанавливается во
всасывающей магистрали гидросистемы и предназначен для предварительной очистки
НП. Технические характеристики фильтра представлены в таблице 3 [8].
Таблица 3 - Технические характеристики фильтра ФС-2-100-25
|
Наименование показателя
|
ФС-2-100-25
|
|
Условный диаметр, мм
|
100
|
|
Условное давление, МПа
|
2,5
|
|
Материал корзины фильтра сетчатого
|
Сталь 20
|
|
Материал сетки фильтрующей
|
08Х18Н10Т
|
1 - корпус фильтра; 2 - фильтроэлемент; 3 - крышка фильтра; 4 - шпилька;
5- гайка; 6 - прокладка.
Рисунок 3 - Фильтр ФС-2-100-25
11.4 Фильтр тонкой очистки
Фильтр тонкой очистки устанавливают на линии выдачи топлива в целях
очистки продукта перед продажей его потребителю. В последнее время широко стали
применять чечевично-дисковые фильтры типа ФГН с фильтрующими элементами из
нетканного материала. Эти фильтры наиболее приемлемы. Пропускная способность
фильтров ФГН, выпускаемых промышленностью, составляет 30, 60 и 120 м3/ч.
Для данного автотопливозаправщика будет установлен фильтр ФГН-60. Краткие
характеристики приведены в таблице 4[9].
Таблица 4 - Характеристики фильтра ФГН-60
|
Наименование показателя
|
Нормы
|
|
|
Пропускная способность, м3/ч
|
60
|
|
|
Поверхность фильтрации, м2
|
3,1
|
|
|
Рабочее давление максимальное, кгс/см2
|
8
|
|
Габаритные размеры (высота, диаметр), мм
|
780Ч542Ч400
|
|
Масса, кг, не более
|
70,5
|
|
|
|
|
Фильтр ФГН-60 (рисунок 4) предназначен для фильтрации нефтепродуктов и
имеет тонкость фильтрации 10-20 мкм. Он состоит из корпуса, крышки фильтра,
фильтрационного пакета, центральной трубы и дифференциального манометра.
Соединение крышки с корпусом фланцевое и осуществляется десятью откидными
болтами через прокладку. Фильтрационный пакет состоит из фильтрационных чехлов,
сшитых из нетканого материала. Внутри каждого чехла размещено по восемь дисков.
Открытый конец чехла завернут и закреплен двумя зажимами. Для контроля давления
на фильтре установлен дифференциальный манометр МДФ1-100 на 10 кгс/см2,
класс точности - 1,6. Дифференциальный манометр укреплен на корпусе фильтра,
соединен медными трубками с выходным и входным патрубками фильтра и
предназначен для измерения избыточного давления жидкости до и после фильтра
одновременно, а также разности давления между ними. Стрелка и указатель
подвижной шкалы соответственно указывают на неподвижной шкале величину давления
до и после фильтра. Стрелка на подвижной шкале показывает на разность
измеряемых давлений (перепад давления на фильтре). Вентиль игольчатый служит
для выпуска воздуха из фильтра, а пробковый кран - для слива отстоя.
- фильтрационный пакет; 2 - нажимная гайка; 3,5,9,13 - прокладки; 4 -
игольчатый вентиль; 6 - центральная труба; 7 - дифференциальный манометр; 8 -
выходной патрубок; 10 - пробковый кран; 11 - входной патрубок; 12 -
доработанный корпус фильтра; 14 - гайка; 15 - шайба; 16- откидной болт; 17 -
крышка фильтра.
Рисунок 4 - Фильтр тонкой очистки ФГН - 60
.5 Указатель уровня
На проектируемой цистерне уставлен наиболее распространенный для
автомобильных средств транспортирования нефти и НП указатель уровня -
поплавковый указатель уровня.
Поплавковый указатель уровня (рисунок 5) состоит из шарового поплавка 21 с трубкой, при помощи которой он
крепится к оси 5 винтом 1. Ось вращается в подшипниках 3,
установленных в кронштейне 2. Осевое
перемещение подшипников предотвращается разжимными кольцами 4. Вращение оси через две шарнирные
муфты 6 и трубу 7 передается валу 8, на котором установлена
стрелка 18. Поворачиваясь вокруг своей оси, стрелка указывает количество
НП в цистерне на шкале 17. Для обеспечения герметичности вал 8 уплотняют
сальником 12, который поджимает втулка 15 через кольца 11. Подбором прокладок 10 ограничивают
осевое перемещение вала 8. Шкала и стрелка закрыты стеклом 16, поджатым
к прокладке 19 прижимным кольцом 14. Фланец 9 с корпусом 13
крепят шпильками 20 к патрубку цистерны. Винтом 1
поплавка регулируют расстояние поплавка от оси вращения и, следовательно, угол
поворота оси.
При этом угол поворота стрелки должен находиться в пределах делений
шкалы. При наполнении цистерны НП или выдаче из нее поплавок поднимается или
опускается (вместе с уровнем НП) и поворачивает ось 5.
Вращение оси передается на стрелку, которая по тарированной шкале
показывает количество НП в цистерне [10].
Рисунок 5 - Поплавковый указатель уровня
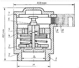
11.6 Донный клапан
Донный клапан SENING
серии BO100 (рисунок 6 ) являются запирающим устройством пневматического
привода, устанавливающегося в донной части автоцистерны и предназначены для
слива или налива светлых нефтепродуктов. Сбалансированный донный клапан с
защитным сетчатым фильтром изготовлен из алюминия и имеет перепускной вентиль ENV . Краткие характеристики приведены в
таблице 5[11].
Таблица 5 - Технические характеристики донного клапана BO100 Sening
|
Наименование показателя
|
Клапан донный
|
|
Максимальное рабочее давление, МПа
|
1,0
|
|
Диаметр условного прохода, мм
|
100
|
|
Максимальная пропускная способность, л/мин
|
2500
|
|
Операционное давление воздуха, МПа
|
0,75
|
|
Температура окружающей среды, °С
|
-29 - +65
|
|
Время срабатывания, с
|
0,5
|
|
Вязкость среды, сСт
|
Не более 80
|
|
Тип присоединения
|
фланцевое
|
Рисунок 6 - Донный
клапан сбалансированный BO100 Sening
.7 Счетчик жидкости
На топливозаправщик устанавливаем ППВ-100/1,6 - винтовой расходомер с
электронным и механическим (рисунок 6) счетчиком, который измеряет объем
перекаченного топлива. Измерение перекачанной жидкости происходит на основе
вращения винта внутри счетчика и преобразования оборотов в объем с выводом
значения на циферблат или электронный индикатор. Основные параметры и
характеристики приведены в таблице 6[12].
Таблица 6 - Основные параметры и характеристики
|
Параметр
|
Значение
|
|
Класс точности
|
0,25
|
|
Номинальный расход, м3/ч
|
18-180
|
|
Цена деления, л
|
10
|
|
Условный проход Ду, мм
|
100
|
|
Рабочее давление, МПа
|
до 1,6
|
|
Температура измеряемой жидкости, °C
|
от -50 °C до +50
|
|
Масса, кг
|
45
|
Рисунок 7- Механический счетчик жидкости ППВ-100/1,6
11.8 Ограничитель налива
Ограничитель уровня налива (рисунок 8) предназначен для подачи сигнала о
превышении предельного уровня продукта в цистерне при её нижней загрузке[13].
Ограничитель уровня работает в сочетании с пневматическим донным клапаном и
наборным блоком управления, которые запитываются от пневматической сети
автомобиля.
При заполнении цистерны до определенного уровня, ограничитель подает
пневматический сигнал на закрытие донного клапана, через который шло заполнение
цистерны. Технические характеристики ограничителя уровня налива представлены в
таблице 7.
Таблица 7 - Технические характеристики ограничителя налива
|
Наименование показателя
|
Ограничитель налива
|
|
Рабочее избыточное давление сети автомобиля, МПа
|
0,55
|
|
Минимальное погружение трубки, мм
|
50
|
|
Максимальное погружение трубки, мм
|
150
|
|
Температура окружающей среды, °С
|
-40 +50
|
|
Масса, кг
|
3,2
|
Рисунок 8 - Ограничитель налива
.9 Шаровые фланцевые краны

- корпус ; 2 - патрубок для фланцевых кранов; 3 - горловина ; 4 - шток ; 5 - шайба ограничительная ; 6
- шаровая пробка; 7 - седло ; 8 - кольцо опорное ; 9 - пружина тарельчатая ; 10
- уплотнение узла горловины ; 11 - уплотнительное кольцо ; 12 - фланец ; 13 -
рукоятка ; 14 - уплотнительное
кольцо круглого сечения ;15 - гайка.
Рисунок 9 - Шаровой фланцевый кран ДУ50
На трубопроводах слива отстоя и откачки нефтепродукта из рукавов в автомобильных
цистернах используют шаровые фланцевые краны ДУ50 (рисунок 9). Как и у других
видов шаровых кранов, главным рабочим элементом фланцевого крана является
стальной шар с пропускным отверстием, размещенный в корпусе устройства. В
открытом положении жидкость или газ свободно проходит сквозь отверстие, диаметр
которого совпадает с диаметром трубопровода. При повороте рукоятки запорный
элемент поворачивается, и поток рабочей среды останавливается.
Главной отличительной особенностью шарового фланцевого крана является наличие
фланцев, с помощью которых выполняется его крепление к трубопроводу.
Присоединение арматуры к трубопроводу осуществляется за счет ее крепления
болтами к ответным фланцам, размещенным на трубе [14].
11.10 Манометр
Манометры устанавливаются в целях регулирования избыточного давления и
вакуума в цистерне. В данном случае установлен манометр МВ-10М. Принцип
действия прибора основан на изменении деформации пружины под действием
давления. Шкала прибора черная, с отметками и цифрами, покрытыми светящимся
составом постоянного действия.
Основная приведенная погрешность данного манометра составляет порядка 4%.
Данный прибор обладает хорошей устойчивостью к отрицательным температурам -
интервал работы составляет от -60 до +50 °С. Также, он обладает малой массой -
не более 0,2 кг. Цена деления прибора - 0,1 кгс/см2. Диапазон
измерений - 1-6 кгс/см2. Диаметр корпуса составляет порядка 100мм,
то есть устройство весьма компактно [15].
11.11 Предохранительный клапан
Для защиты от возникновения опасного избыточного давления в трубопроводе
устанавливаем предохранительный клапан (рисунок 10).
В данном случае корпус 1 является частью трубопровода.
При давлении газа или жидкости, превышающем допускаемую величину, клапан 6
поднимается, сжимая пружину 5. При этом газ или жидкость выпускается
через боковые отверстия клапана и цилиндра 3. При нормальном давлении
пружина поджимает клапан 6 к седлу цилиндра 3.
Рисунок 10 - Предохранительный клапан
11.12 Наливной люк
Крышка люка (рисунок 11) предназначена для оснащения АЦ с верхним и
нижним наливом НП и авиационных топлив, устанавливается на автомобильных
средствах транспортирования и заправки НП. Она выполняет функцию сбросного
клапана, который необходим в случае механического воздействия на котёл
цистерны, при котором резко изменяется объём отсека и необходимо производить
сброс продукта на величину изменения объёма для сохранения герметизации.
Образцы крышки люка с установленными на ней приборами в закрытом состоянии
подвергаются испытаниям на специальном стенде по методике евростандарта.
Технические характеристики наливного люка представлены в таблице 8[6].
Таблица 8 - Технические характеристики наливного люка
|
Наименование показателя
|
Наливной люк
|
|
Диаметр заливной горловины, мм
|
600
|
|
Температура окружающей среды, °С
|
-40 +50
|
|
Материал крышки люка
|
Сталь 09Г2С по ГОСТ 27772-88
|
Рисунок 11 - Наливной люк
11.13 Площадка и лестница
Для беспрепятственного доступа к горловине и удобству обслуживания
персонала, на цистерну ставят специальные площадки и лестницы. Площадка
изготавливается из рифленого листа. Лестницы и поручни изготавливают из
стальных труб круглого сечения.
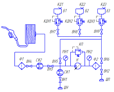
. Описание технологических операций
АЦ может осуществлять несколько различных операций по перекачке наливу и
выдачи НП. На рисунке 12
представлена гидравлическая схема АЦ.
ВН1-ВН9 - вентили; КДН1-КДН3 - клапан донный; КП - клапан
предохранительный; МН1-МН2 - манометры; Б1-Б3 - емкости гидробака; СЖ1-СЖ2 -
счетчики жидкости; Ф1 - фильтр тонкой очистки; Ф2- фильтр грубой очистки; ШН -
штуцер напорный; ШП - штуцер приемный; КД1-КД3 - дыхательные клапаны; Н - насос регулируемый.
Рисунок 12 - Гидравлическая схема автоцистерны
Описание технологических операций
Автотопливозаправщик может осуществлять несколько различных операций по
перекачке, наливу и выдачи нефтепродуктов:
наполнение цистерны своим насосом;
наполнение автоцистерны посторонним насосом;
опорожнение цистерны своим насосом;
опорожнение цистерны самотеком;
перекачка нефтепродукта, минуя цистерну.
Гидравлическая схема представлена на рисунке 14.
Для наполнения автоцистерны своим насосом необходимо:
. проверить закрытие вентилей ВН1, ВН3, ВН6, при необходимости
закрыть.
. открыть вентили ВН2, ВН5, ВН7, ВН8 или ВН9;
. включить насос и заполнить цистерну.
Для наполнения цистерны посторонним насосом, необходимо:
. проверить закрытие вентилей ВН1, ВН3, ВН5 и при необходимости
закрыть.
. открыть вентили ВН2, ВН6, ВН7,ВН8 или ВН9.
Для опорожнения цистерны своим насосом, необходимо:
. проверить закрытие вентилей ВН2, ВН5, ВН3, при необходимости закрыть;
. открыть вентили ВН1, ВН6, ВН7,ВН8 или ВН9;
. включить насос.
Для опорожнения цистерны самотеком, необходимо:
. проверить закрытие вентилей ВН2, ВН3, ВН6 и при необходимости
закрыть;
. открыть вентили ВН1, ВН5, ВН7,ВН8 или ВН9.
Для перекачки нефтепродукта своим насосом, минуя цистерну, необходимо:
. проверить закрытие вентилей ВН3, ВН5, ВН6 и при необходимости
закрыть;
. открыть вентили ВН1, ВН2 ;
. включить насос.
Обозначения выполнены в соответствии с ГОСТ 2.784-96 ЕСКД[13].
ЗАКЛЮЧЕНИЕ
Спроектированная АЦ предназначена для перевозки светлых нефтепродуктов,
по дорогам общего пользования и раздачи топлива на АЗС. Оно является
экономически выгодным, универсальным и удобным средством транспортирования
топлива.
Расчет цистерны по нагрузкам как для емкости для транспортирования
светлых нефтепродуктов обеспечивает безопасность доставляемого топлива.
Оборудование, установленное на цистерну, отвечает требованиям стандарта,
поэтому оно доступно и вследствие этого, легко заменяемо.
СПИСОК СОКРАЩЕНИЙ
НП - нефтепродукт;
АТЗ - автотопливозаправщик.
СПИСОК ИСПОЛЬЗОВАННЫХ ИСТОЧНИКОВ
автомобильный цистерна насос
1 ГОСТ Р 51866-2002 Топлива моторные. Бензин неэтилированный.
Технические условия. - Введ. 31.01.2002. - Москва :
Стандартинформ, 2002. - 42 с.
2 АВТОМАЗ: автотехника [Электронный ресурс] : база данных содержит сведения о шасси МАЗ-631705. -
Режим доступа: http://www.dm-maz.ru/shassi_631705-241.shtml.
ГОСТ 5520-79 Прокат листовой из углеродистой,
низколегированной и легированной стали для котлов и сосудов, работающих под
давлением. Технические условия. - Взамен ГОСТ
5520-69 ; введ. 01.01.1980. - Москва : Стандартинформ,
1980. - 16 с.
4 ГОСТ Р 50913-96 Автомобильные
транспортные средства для транспортирования и заправки нефтепродуктов.
Типы, параметры и общие технические требования. -
Введ. 10.06.1996. - Москва : Стандартинформ, 2009. -
20 с.
Такси-визит: координаты центра тяжести транспортных средств
[Электронный ресурс]: база данных содержит сведения о центре тяжести
транспортных средств. - Режим доступа:
http://taxi-vizit.ru/koordinaty-tsentra-tyazhesti-transportnykh-sredstv-v-mm.html.
Пензаспецавтомаш: насосы и электродвигатели [Электронный
ресурс] : база данных содержит сведения о всех
видах насосов для автомобилей-цистерн. - Режим доступа: http://www.avtomash.sura.ru/prod/zapchasti/svn75.htm.
АЗС комплекс [Электронный ресурс] :
база данных содержит сведения об оборудовании для спецтехники. - Режим доступа:
http://www.azsk74.ru/rezervuarnoe-oborudovanie.
Химнефтекомплект [Электронный ресурс]
: база данных содержит сведения о фильтрах сетчатых. - Режим доступа:
http://www.himnk.ru.
Специзделие [Электронный ресурс] :
база данных содержит сведения об оборудовании для автотопливозаправщиков. -
Режим доступа: http://pgsi-ug.ru/azg-azgs-nefte/ochineft/128-fgn60.html.
10 Рыбаков, К. В. Автомобильные цистерны для
транспортирования нефтепродуктов : учебное пособие / К. В. Рыбаков, В. Д.
Савин, В. А. Митягин. - Москва : Транспорт, 1993. - 160 с.
Спецавто ГРАЗ [Электронный ресурс] :
база данных содержит сведения об оборудовании для автотопливозаправщиков. -
Режим доступа:
http://www.graz.ru/market/komplektuyuwie/dorozhnye_zapchasti/razdel4/donnye_klapany.
Меркурий-ОЙЛ [Электронный ресурс] :
база данных содержит сведения об счётчиках жидкости для автотопливозаправщиков.
- Режим доступа: http://rashod.net/ppv.html.
13 Рыбаков К.В. Автомобильные цистерны для транспортирования
нефтепродуктов. М.: «Транспорт»: учеб. пособие / К.В. Рыбаков, В.Д. Савин, В.А.
Митягин. - Москва, 1979. - 163 с.
Энергопоток [Электронный ресурс] :
база данных содержит сведения об шаровых фланцевых кранов для
автотопливозаправщиков. - Режим доступа:
http://1armatura.ru/sharovyi-kran/teplosnabzhenie/flantcevyi-kran/standartnyi/ld-st20-du15-300/.
14 Энергопоток [Электронный ресурс] :
база данных содержит сведения об шаровых фланцевых кранов для
автотопливозаправщиков. - Режим доступа:
http://1armatura.ru/sharovyi-kran/teplosnabzhenie/flantcevyi-kran/standartnyi/ld-st20-du15-300/.