Разработка универсального тахометра
Содержание
Введение
. Схемотехническая часть
.1 Измерения радиальной скорости
.2 Методы измерения, используемые в устройстве
.3 Описание работы схемы
. Конструкторская часть
.1 Конструирование РЭА
.2 Методы обеспечения технологичности конструкции РЭС
.3 Организация процесса проектирования РЭС
.4 Основные требования, предъявляемые к РЭС
.5 Классификация РЭС
.6 Категории РЭС
.7 Выбор и обоснование конструкции универсального тахометра
. Технологическая часть
. Расчетная часть
.1 Электрический расчет
.2 Конструкторский расчет
.3 Конструктивно-технологический расчет
.4 Определение минимальной ширины печатного проводника
.5 Определение диаметров контактных отверстий
.6 Определение диаметра контактных площадок
.7 Определение минимального расстояния между элементами
проводящего рисунка
.8 Расчет надежности
. Производственные и экономические расчеты
.1 Производственные расчеты
.2 Экономические расчеты
. Мероприятия по охране труда, технике безопасности и охране
окружающей среды
Заключение
Список литературы
Введение
Угловая скорость - векторная физическая величина, характеризующая
скорость вращения материальной точки вокруг центра вращения. Вектор угловой
скорости по величине равен углу поворота точки вокруг центра вращения в единицу
времени
Современные приборы, основанные на разнообразных принципах, механических,
электрических, магнитных и т.д. применялись и применяются для измерения средних
значений скоростей. Поведение этих приборов при неустановившемся режиме работы
поддается измерению лишь некоторыми методами. Так же, многие приборы оказывают
воздействие на вращающуюся деталь либо имеют серьезные погрешности и сложности
в установке и настройке, еще чаще эти проблемы встречаются все вместе.
Задачей этого дипломного проекта становится разработка универсального тахометра,
основанного на методах, не требующих контакта с деталью, угловая скорость
которой измеряется, либо сводящих этот контакт к минимуму посредством меток или
дисков с метками. При этом универсальный тахометр способен измерять скорость
вращения используя данные всего одного оборота детали, что дает высокую
скорость и точность измерений, а так же возможность отслеживания динамики
изменений угловой скорости исследуемой детали.
Прибор предлагается использовать в лабораториях технических учебных
заведений, для наглядного сопровождения тем, касающихся измерений угловой
скорости и стробоскопического эффекта. Помимо этого прибор использует несколько
методов измерения, что расширяет область его применения на лекциях.
1. Схемотехническая часть
.1 Измерения радиальной скорости
Для измерения радиальной скорости объектов существуют следующие методы:
Центробежный метод, основанный на зависимости центробежных сил от угловой
скорости вращения инерционной массы;
Центробежный метод характерен тем, что чувствительный элемент реагирует
на центробежную силу, развиваемую неуравновешенными массами вращающегося вала.
Этот метод реализуется в коническом и кольцевом тахометрах.
В коническом тахометре (рис. 1, а) на шарнирах, вращающихся вместе с
осью, установлены грузики т, которые под действием центробежных сил расходятся,
перемещая вдоль оси муфту 1 и сжимая пружину 2. Изменение положения муфты 1
регистрируется показывающим элементом тахометра - стрелкой. В кольцевом
тахометре (рис. 1, б) при невращающейся оси 2 (щ = 0) плоскость кольца
наклонена по отношению к оси на определенный угол. При вращении кольцо
стремится занять положение, перпендикулярное оси вращения, и вызывает
перемещение муфты 1 и стрелки отсчетного устройства.
Центробежные тахометры нередко применяются в качестве преобразователей в
регуляторах частоты вращения. Недостатком этих средств измерения является
отсутствие дистанционности, значительные погрешности и технологические
трудности в изготовлении и регулировании.
Достоинствами центробежного тахометрического узла являются простота
конструкции, сравнительно высокая точность измерения, и независимость показаний
от направления вращения.
Рисунок
1. Механические тахометры
К недостаткам следует отнести нелинейность статической характеристики,
особенно заметную в начале шкалы; сравнительно малый диапазон измерения
скорости вращения,
который характеризуется величиной отношения от 4 до 6, малую
дистанционность измерения; ограниченную предельно допустимой длиной гибкого
валика (2,5 м).
Для расширения диапазона измерения центробежных тахометров применяют в
одних случаях пружины переменной жесткости, а в других - специальные
механические редукторы с ручным переключением скоростей вращения вала тахометра
при переходе с одного предела на другой. Так, например, переносные (ручные)
тахометры часто выполняются многопредельными, т.е. снабжаются коробкой
скоростей, позволяющей менять диапазон измеряемых скоростей. Ручной тахометр
ИО-10 имеет следующие диапазоны измерения скоростей: 25-100; 75-500; 250-1000;
750-5000; 2500-10000 об/мин. Тахометр имеет циферблат с двумя концентричными
шкалами, соответствующими двум группам диапазонов скоростей.
Часовой метод, основанный на зависимости угла поворота вала за фиксированный
промеж уток времени от угловой скорости его вращения;
Принцип действия часового тахометра состоит в том, что угловая скорость
измеряется по числу оборотов испытуемого вала за определенный промежуток
времени. Таким образом, с помощью часового тахометра определяется не мгновенное
значение
угловой скорости, а ее среднее
значение
за известный промежуток времени
.
(1)
(2)
где -
число оборотов испытуемого вала за промежуток времени;
Выражая угловую скорость числом оборотов в минуту, получаем зависимость
(3) в виде:
(3)
Часовые тахометры часто называют тахометрами средней скорости, а также
тахоскопами. Для определения промежутка времени в часовом тахометре имеется
часовой механизм, отчего эта группа тахометров и получила свое название. По
степени автоматизации процесса измерения часовые тахометры могут быть
неавтоматические, полуавтоматические и автоматические. Механизм ручного
неавтоматического часового тахометра (тахоскопа) состоят из счетчика оборотов,
секундомера с ценой оборота стрелки 60 с, пускового устройства и устройства для
установки счетчика оборотов и секундомера на нулевое показание. Приводной валик
тахоскопа соединяется с испытуемым валом, после чего оператор нажатием на
пусковую кнопку одновременно включает счетчик оборотов и секундомер. Наблюдая
показания секундомера оператор через 60 с выключает счетчик, показания которого
дают среднюю за 60 с скорость испытуемого вала в об/мин.
Полуавтоматический часовой тахометр отличается тем, что выключение
счетчика оборотов происходит автоматически через определенный промежуток
времени после пуска. Пуск и установка счетчика в нулевое положение производится
оператором вручную. Шкала счетчика градуируется в об/мин.
Схема полуавтоматического часового тахометра типа 9ЧП приведена на рис.
2.
Рисунок
2. Полуавтоматический часовой тахометр
Пуск механизма производится нажатием на кнопку пускового рычага 1. При
нажатии заводится пружина 14 часового механизма. Одновременно пусковой рычаг
поворачивает сердечко (кулачок) 11 сидящее фрикционно на центральной оси 10,
возвращая стрелку 12 на нулевую отметку циферблата 13. После опускания кнопки
стрелка и центральная ось остаются застопоренными собачкой 6, сцепленной с
колесом 9, неподвижно сидящим на центральной оси. Приводной валик 7 был
присоединен к испытуемому валу перед пуском тахометра: он может вращаться
благодаря проскальзыванию во фрикционной муфте 8. Заведенная пружина 14
приводит в действие часовой механизм, спусковое колесо 2 начинает вращаться,
палец 5 спускового колеса нажимает на собачку 6, освобождая колесо 9 и ось 10.
Стрелка начинает вращаться. По истечении определенного времени (обычно 3 или
6с.) палец 5 освобождает собачку 6, которая стопорит колесо 9 и ось 10. Стрелка
останавливается и по шкале можно произвести отсчет измеренной угловой скорости.
После измерения прибор отключают от испытуемого вала. Характеристика этого
тахометра имеет вид:
(4)
(5)
где,
- угол поворота стрелки счетчика в рад;
- передаточное отношение передачи между осью стрелки и
приводным валиком тахометра;
- время работы счетчика в с.
Относительная приведенная погрешность тахометров этого типа не должна
превышать ±1% при установке прибора в нормальном положении (шкала
горизонтальна, приводной вал и проверяемый соосны) и при температуре в пределах
20±5 °С.
Непрерывное измерение угловой скорости осуществляется автоматическими
часовыми тахометрами. В этих приборах включение и выключение счетчика
осуществляется периодически часовым механизмом, приводимым в действие от
приводного валика тахометра через фрикцион. Указатель счетчика после каждого
измерения не устанавливается на нулевую отметку шкалы, а показывает результат
последнего измерения до завершения следующего измерения.
Недостатками часовых тахометров считается неизбежность воздействия на
движущуюся деталь, и если на крупной детали с высокой скоростью вращения это
воздействие минимально, то на небольшой вал часовой тахометр может оказать
сильное воздействие, что приведет к высокой погрешности
· Фрикционный метод, основанный на самовыравнивании (за счет
трения скольжения) окружной скорости вращения фрикционного ролика с окружной
скоростью конуса, вращающегося с постоянной угловой скоростью;
Простейшая схема фрикционного тахометра представлена на рис. 3.
Рисунок
3. Фрикционный тахометр
Через
зубчатую передачу 1-2 электродвигатель вращает диск 3 с постоянной угловой
скоростью. Диск приводит во вращение ролик 4 за счет трения между ними. Угловая
скорость ролика будет пропорциональна угловой скорости диска и расстоянию от
ролика до оси вращения диска и обратно пропорциональна радиусу ролика.
Если
скорость винта 5 и ролика 4 неодинаковы, ролик будет перемещаться вдоль винта.
Направление перемещения таково, что скорость ролика будет приближаться к
скорости винта. При установившейся скорости винта ролик займет такое положение,
при котором его скорость будет равна скорости винта. При этом получается:
или: (6)
(7)
где
- расстояние ролика от оси вращения диска;
- радиус ролика.
Так
как
- величина постоянная для данного тахометра, то
следовательно расстояние ролика до оси вращения диска пропорционально
измеряемой угловой скорости.
Следовательно,
соединенный с роликом указатель будет показывать по шкале величину измеряемой
угловой скорости.
Чувствительным
элементом вибрационного тахометра является ряд упругих стальных полос,
закрепленных одним концом, каждая из которых настроена на определенную собственную
частоту колебаний. Настройка достигается за счет изменения толщины или длины
пластин, а также за счет изменения величины масс на свободных концах полосок.
Для измерения скорости вала какой-либо машины или станка тахометр крепится к
станине или кожуху машины. При вращении вала возникает вибрация частей машины;
эта вибрация передается основанию тахометра; при этом возбуждаются резонансные
колебания одной-двух полосок, собственные частоты которых близки к частоте
вибраций машины.
Недостатками данного метода можно считать необходимость контакта
тахометра с вращающейся деталью. Так же задействованные стальные полосы
подвержены эффекту «усталости металла» что может привести к погрешности
измерений.
Магнитоиндукционный метод, основанный на увлечении проводящего тела
(цилиндра, диска и др.) полем вращающегося постоянного магнита благодаря
взаимодействию наводимых в проводящем теле индукционных токов с магнитным полем
постоянного магнита;
Принцип действия измерительного механизма магнитоиндукционного тахометра
(рис. 4) основан на силовом взаимодействии поля постоянного магнита и токов,
возникающих в металлическом теле при его движении в магнитном поле.
Рисунок
4. Магнитоиндуктивный тахометр
Постоянный магнит 4 соединен с осью тахометра 5. При движении магнита его
магнитное поле непрерывно пересекает цилиндрический колпачок 3 из алюминия.
Возникающие в толще алюминия вихревые токи взаимодействуют с магнитным полем и
увлекают колпачок в сторону вращения магнита. С осью колпачка связана стрелка
указателя 1. Противодействующий момент создается спиральной пружиной 2. Сила
взаимодействия вихревых токов, индуктируемых во вращающемся колпачке, и
магнитного поля зависит от скорости вращения. Поэтому угол отклонения стрелки
пропорционален скорости вращения выходного вала и шкала магнитного тахометра
равномерная.
Магнитоиндукционные тахометры очень просты и надежны в эксплуатации. Они
нашли широкое применение на самолетах, в автомобильных спидометрах и во многих
других приборах. Приводной валик автомобильного спидометра соединяется с одним
из валов коробки передач автомобиля посредством гибкого валика. Механизм
самолетного тахометра обычно соединяется с контролируемым валом при помощи
электрической синхронной передачи.
Недостатком магнитоиндуктивного метода можно считать зависимость ЭДС от
скорости вращения вала. Так, если скорость вращения мала - ЭДС будет
недостаточной для измерений, а если слишком велика - избыточна, что тоже может
привести к погрешности. Из-за перепадов скоростей возникает необходимость
использования большого диапазона частот, что приводит к усложнению устройства.
Импульсный метод, основанный на определении частоты электрических
импульсов, формируемых с помощью контактного или бесконтактного
(фотоэлектрического, индуктивного, емкостного и др.) прерывателя или
коммутатора, связанного с валом, скорость вращения которого контролируется;
За последние годы начали развиваться электрические приборы, у которых
измерение угловой скорости сводится к измерению частоты импульсов
электрического тока, генерируемого вращающимся валом. Современная
электроизмерительная техника позволяет производить такие измерения с более
высокой точностью, чем непосредственное измерение угловой скорости. Благодаря
строгому постоянству соотношения между числом оборотов вала и частотой
импульсов точность измерения угловой скорости при помощи этих приборов удается
доводить до 0,01%. Приборы этого типа показывают мгновенное значение угловой
скорости и могут быть названы электрическими импульсными тахометрами. Показания
их выражают среднюю угловую скорость за короткий промежуток времени (0,5-0,6
сек.)
Такие приборы называют электронными тахоскопами, хотя вследствие
краткости измерительного периода (меньше секунды) они также дают практически
мгновенные значения угловой скорости. Значит, в каждом диапазоне тахометр
измеряет разницу между истинным значением скорости и наибольшим значением шкалы
предыдущего диапазона. К этой группе относятся импульсные приборы для измерения
средней угловой скорости, которые по принципу измерения подобны механическим
тахоскопам. Средняя угловая скорость измеряется путем счета импульсов,
генерируемых датчиком за определенный отрезок времени. Они были созданы для
счета импульсов, поступающих из счетчиков радиоактивного излучения, откуда и
были заимствованы для целей измерения угловой скорости. Сличение производится
при нескольких скоростях в пределах шкалы поверяемого тахометра. Для этой цели
служат специальные установки, позволяющие осуществить в широких пределах
плавное изменение угловой скорости вала, приводящего во вращение сличаемые
тахометры.
Недостатками таких приборов можно считать относительную сложность
исполнения.
Электрические тахометры основаны на косвенном принципе измерения. К валу,
скорость которого измеряется, присоединяется датчик в виде генератора, чаще
всего постоянного тока. Напряжение генератора измеряется вольтметром, шкала
которого градуируется в числах оборотов в минуту Достоинство электрических
тахометров - достаточно высокая точность показаний и возможность дистанционного
отсчета измеряемой величины одновременно в нескольких местах.
В электрических тахометрах измеряемая угловая скорость, преобразуется в
постоянный, переменный или импульсный ток. В зависимости от рода тока и
преобразователя, можно выделить электромашинные тахометры постоянного и
переменного тока, электроимпульсные емкостные тахометры и счетно-импульсные
тахометры. Тахометр с электрическим генератором представляет собой сочетание
генератора постоянного или переменного (рис. 5) и вторичного электроизмерительного
прибора.
Принцип действия электрического генератора заключается в том, что при
движении проводника в магнитном поле возникает электродвижущая сила. Величина
электродвижущей силы пропорциональна магнитной индукции, длине проводника и
скорости его движения.
У электрических тахометров постоянного тока характеристика линейная, а у
тахометров переменного тока - нелинейная. Тем не менее, более широкое
применение получили электромашинные тахометры переменного тока. Их основное
преимущество перед тахометрами постоянного тока состоит в том, что генератор
переменного тока не имеет коллектора, благодаря чему тахометр лучше сохраняет
свою первоначальную точность в процессе длительной работы.
Тахометры с электрическими генераторами в отличие от центробежных и
магнитных дают возможность дистанционной передачи показаний, так как вторичный
прибор мотет быть удален на значительное расстояние от места измерения. В
авиации находят широкое применение электрические тахометры типа ТЭ.
Дистанционный электрический тахометр типа ТЭ представляет собой сочетание
синхронной передачи и указателя, аналогичного магнитоиндукционному тахометру.
Рисунок
5. Электрический тахометр с переменным генератором
Датчиком
синхронной передачи служит трехфазный генератор (1) с ротором в виде
постоянного магнита. При вращении ротора в обмотках статора возникает
переменный ток, частота которого соответствует угловой скорости ротора. Датчик
связан трехпроводной линией с приемником (2), в котором имеется синхронный
электродвигатель. Для улучшения пусковых характеристик в роторе
электродвигателя, кроме постоянных магнитов, установлены три стальных диска
(3). Магниты посажены на ось ротора свободно и связаны с ней через пружину. Это
обеспечивает быстрый переход вращения ротора электродвигателя из асинхронного в
синхронный режим. На конце вала электродвигателя укреплен магнитный узел (4),
содержащий шесть пар полюсов постоянных магнитов, между которыми расположен
металлический диск (5) подвижной части указателя. В результате взаимодействия
вращающегося магнитного узла с вихревыми токами в металлическом диске возникнет
вращающий момент, пропорциональный измеряемой скорости. На одной оси с диском
расположены: противодействующая спиральная пружина (6), индукционный
успокоитель (7) и стрелка указателя прибора (8).
Рисунок
6. Магнитоиндукционный тахометр
Дистанционные
магнитные тахометры обладают сравнительно высокой точностью (погрешность не
более 0,2-0,5%) имеют равномерную шкалу, достаточно надежны в работе. Минусом
данного метода можно считать сложность и дороговизну исполнения.
1.2 Методы измерений, используемые в устройстве
Простейший из тахометров, применяемый для быстрых оценочных измерений -
механический тахометр. На валу тахометра, которому при контакте передается
вращение исследуемого объекта, установлена муфта с прикрепленными к ней на
шарнирах грузами. При вращении вала грузы расходятся и перемещают муфту вдоль
вала. Положение муфты на валу определяется скоростью вращения. Муфта связана
рычажками со стрелкой, движущейся по циферблату. Шкала прибора проградуирована
в единицах об/мин. Очевидным недостатком такого тахометра является
необходимость контакта вала тахометра с исследуемым вращающимся объектом, в
результате чего изменяется скорость вращения самого объекта. Предпочтительнее
поэтому пользоваться бесконтактными методами.
Главным минусом тахометров, требующих контакта с вращающейся деталью
считается то, то такие тахометры оказывают воздействие на деталь, что приводит
к погрешности измерений. Для данного устройства решено использовать три
бесконтактных метода измерения:
· Стробоскопический метод.
· Импульсный метод.
o Способ использующий фотопрерыватель
o Способ, использующий отраженный ИК-луч.
Мы подробно остановимся на этих методах:
Стробоскопический метод.
В старых фильмах наблюдался следующий эффект: колеса локомотива или
повозки медленно вращаются назад. Это происходит от того что фильмы снимались с
частотой 24 кадра в секунду, и колеса вращающиеся быстрее чем 24 оборота в
секунду испытывали на себе стробоскопический эффект. Первоначально, из-за этого
эффекта колеса в изображении замедлялись, и когда колесо набирало скорость,
которая совпадала со скоростью съемки - оно визуально останавливалось на
пленке. Если мы знаем число спиц на колесе, мы можем рассчитать скорость
вращения, при которой колесо «остановится». Например, если колесо имеет 8 спиц,
тогда его скорость эквивалентна 1440 (количество кадров в минуте), деленным на
8, или 180 оборотов в минуту. Точно так же, скорость вращения машины может быть
определена с помощью настройки частоты импульсов стробоскопа, при которой
движущаяся часть машины «остановится».
Так же необходимо принять во внимание количество крыльчаток на пропеллере
или вентиляторе или количество деталей, на которые можно опираться для отметки
на изделии. Например, если на пропеллере есть 2 лопасти, то он «остановится»
когда частота стробирования будет в два раза выше скорости вращения. Решение
данной проблемы - нанесение отметки на одну из лопастей пропеллера. Либо
внесение поправочного коэффициента, о котором будет рассказано ниже.
Различают два стробоскопических (стробос - вихрь, скопео - смотрю)
эффекта. Первый из них состоит в том, что быстрая смена отдельных фаз движения
тела воспринимается глазом как непрерывное движение. Это связано с тем, что
клетки сетчатой оболочки глаза сохраняют зрительный образ в течение примерно
0,1 с после исчезновения зримого объекта. И, если время между появлениями
отдельных изображений меньше 0,1 с, образы сливаются, и возникает иллюзия
непрерывности движения. На этом эффекте основаны кинематограф и телевидение.
Второй стробоскопический эффект состоит в том, что при определенных
условиях возникает иллюзия не движения, а, наоборот, покоя предмета, который на
самом деле движется.
Если какой-нибудь объект совершает периодическое движение (колеблется или
вращается), то при освещении его прерывистыми световыми вспышками, следующими
через равные промежутки времени, предмет будет казаться неподвижным, если
частота вспышек в точности равна частоте колебаний вращения. Объясняется это
тем, что глаз будет отмечать положение тела в момент световой вспышки и
сохранят этот зрительный образ до следующей вспышки, которая при равных
частотах вспышек и вращения застанет предмет на том же месте. Когда частота
вспышек в целое число раз больше частоты вращения картина тоже будет
неподвижной, но теперь будет видно несколько “экземпляров” предмета. Если
отношение частоты вспышек к частоте оборотов равно k, то за каждый оборот будет
происходить k вспышек, которые застанут предмет в разных положениях,
отличающихся на угол 2p/k.
Равенство всех углов означает, что тело вращается с постоянной угловой
скорость.
Если частота вспышек не в точности равна или не в точности кратна частоте
вращения тела, то оно будет казаться медленно вращающимся в ту, или другую
сторону в зависимости от соотношения частот. Если частота вспышек намного
больше частоты вращения или ей величины, каждая последующая вспышка будет
освещать предмет в положении, когда он еще не сделал полного оборота, и он
будет казаться вращающимся в сторону, противоположному реальному вращению тела.
Наоборот, если частота вспышек несколько меньше частоты вращения тела,
кажущееся движение будет совпадать с направлением истинным. Такие стробоскопические
иллюзии иногда наблюдаются в кино, когда, например, частота следования
кинокадров больше или меньше частоты вращения колес.
Стробоскопический метод измерения частоты вращения обладает одним
существенным недостатком, заключающийся в том, что одну и ту неподвижную
картину можно наблюдать при различных значениях k. Напомним, что k есть
отношение числа вспышек к числу оборотов предмета. Эта величина может быть как
больше, так и меньше единицы. Если число вспышек больше числа оборотов, то
k>1. Наоборот, если число вспышек меньше числа оборотов, то k<1.
Пусть наблюдается один “экземпляр” предмета. Это возможно, если за время,
равное периоду следования вспышек, предмет повернулся на угол 2p, 4p, 6p и т.д. (в общем случае этот угол равен 2pm, где m=1,2,3,¼) т.е. совершил 1,2,3,¼ оборотов (в общем случае m
оборотов). Другими словами, это возможно при k=1,1/2,1/3, ¼ (в общем случае k=1/m). Итак, если
при освещении вращающегося объекта импульсным осветителем наблюдается один
“экземпляр” предмета, то вывод, который из этого можно сделать заключается лишь
в том, что число оборот или равно числу вспышек или в целое число раз меньше
числа вспышек.
Такая же неоднозначность при наблюдении двух “экземпляров” предмета.
Аналогично можно показать, что такая ситуация возможна, если k=2,2/3,2/5 и т.д.
Нетрудно показать, что неоднозначность определения числа оборотов
стробоскопическим методом существует при наблюдении любой неподвижной картинки.
Рисунок
7. Использование стробоскопа при измерениях скорости
Явными недостатками данного метода является неоднозначность измерений,
использование такого метода сопряжено не только с простотой использования, но и
необходимостью четко понимать принцип действия стробоскопического метода.
Рисунок
8. Использование фотопрерывателя для измерения количества оборотов
Рисунок 8 демонстрирует другой способ измерения скорости. В этом случае,
сигнал запуска поступает в тахометр от сенсора, подключенного к машине. Это
может быть оптический датчик, либо датчик использующий эффект Холла, который
взаимодействует с вращающейся деталью или магнитом. Когда деталь вращается,
датчик посылает импульсы в тахометр, и тахометр вычисляет количество оборотов в
минуту и отображает это количество на экране.
Недостатком данного способа можно считать необходимость нанесения на вал
диска с отверстиями-метками, так как это не всегда представляется возможным.
Кроме того, диск оказывает воздействие на вал, в некоторых случаях весьма
серьезное. Например, если диск имеет всего одну метку, может возникнуть биение
вала, засчет разницы масс половин диска.
Рисунок
9. Пример разметки диска фотопрерывателя.
Третий способ измерения скорости вращения описан на рисунке 11. Это
бесконтактный метод, основанный на отражении света от маркера, нанесенного на
вращающуюся часть машины.
В некоторых случаях, отражающие полосы должны быть прикреплены к машине,
чтобы получить как можно больше отраженного света во время вращения машины. В
случае работы с пропеллером или лопастями вентилятора, изменение яркости будет
достаточным для того чтобы не прибегать к дополнительным отражающим
поверхностям.
В этом способе измерения инфракрасный луч направляется на вращающуюся
деталь, а инфракрасный фотодиод улавливает отраженные световые волны (скорее,
перепады от состояния «без отражения» и состояния «с отражением»).
Использование ИК диапазона позволяет обойтись без дополнительных источников
света для улучшения чтения.
Рисунок
10. Использование датчика ИК излучения при измерениях радиальной скорости.
Инфракрасное
излучение - не видимое глазом электромагнитное излучение
<#"804833.files/image029.gif">
Рисунок 11. Принципиальная схема фотопрерывателя
Рисунок 12. Принципиальная схема датчика отраженного излучения
2. Конструкторская часть
.1 Конструирование РЭА
Конструирование РЭА - сложный творческий процесс, не имеющей пока
всеохватывающеей строгой математизированной базы и ведущийся методом
многочисленных проб и последовательных приближений. Этот процесс больше
искусство, чем наука, хотя решение многих проблем конструирования основано на
использовании строгого математического аппарата (расчеты тепловых режимов, прочности,
электрических допусков). Поэтому незначительные на первый взгляд погрешности
или приближения, допущенные на ранних стадиях разработки РЭА, могут стать
причиной крупных и непоправимых ошибок в дальнейшей работе.
Основными стадиями, на которых определяется конструкция РЭА, являются:
подготовительная (аванпроект, или техническое предложение), эскизный проект,
технический проект и разработка опытных образцов (рабочий проект). На
подготовительной стадии анализируется техническое задание (ТЗ) на разработку
РЭА, требуемые параметры сравниваются с параметрами аналогичной существующей
РЭА, уточняются и согласуются с заказчиком неясные вопросы, после чего ТЗ
утверждается и становится основным документом для дальнейшей работы. Изменение
ТЗ допускается только с согласия заказчика и разработчика.
Если все основные параметры новой РЭА могут быть в первом приближении
выполнены по схемно-принципиальным и по конструктивно-технологическим
соображениям и ясны направления конструирования, можно переходить к следующей
стадии - эскизному проекту. На стадии эскизного проектирования обосновывается и
выбирается блок-схема РЭА, выполняются расчеты и макеты оригинальных элементов
РЭА и уточняются конструктивно-технологические параметры.
Только в том случае, если составленная блок-схема с использованием новых
и разработанных ранее функциональных узлов обеспечивает выполнение требований
ТЗ, а конструктивно-компоновочные характеристики позволяют нормально
эксплуатировать РЭА в дальнейшем, при приемлемом времени проектирования можно
переходить к основной части конструирования - техническому проекту.
На стадии технического проектирования выполняется разработка и
составление принципиальной схемы всей РЭА, ее компоновка, расчет априорной
надежности, точности, тепловых режимов, виброзащищенности, решаются другие
вопросы, определяющие конструкцию РЭА.
В процессе разработки и изготовления РЭС принимают участие специалисты
различных профилей: схемо- и системотехники, конструктора, технологи, механики,
теплотехники, специалисты по обеспечению надежности, спытатели и т.д. Успех
разработки любого изделия РЭС будет зависеть от того, насколько
квалифицированно и согласованно будут работать все звенья триады: схемотехник -
конструктор - технолог. Если где-то в этой цепочке произойдет сбой, качественного
и конкурентоспособного изделия не получить никогда! Согласованные действия
специалистов, принимающих участие в разработке и производстве изделий возможны
только в том случае, если каждый из них понимает, как его решения скажутся на
последующих этапах. Особенно это относится к инженерам схемо- и
системотехникам, задействованным в самом начале процесса проектирования РЭС. Их
неудачные или непродуманные решения, незнание ими специфики труда конструктора
или технолога приводят к значительным временным и материальным затратам на
всевозможные переделки уже готовых конструкций или технологических процессов.
2.2 Методы обеспечения технологичности конструкции РЭС
К основным конструкторским методам обеспечения технологичности относятся:
) использование наиболее простой и отработанной в производстве
конструкторской иерархии (базовой конструкции);
) выбор размеров и формы компонентов, деталей и узлов конструкции с
учетом экономически целесообразных для заданных условий производства способов
формообразования, при этом учитывается, что прогрессивные способы
формообразования, используемые в массовом и серийном производстве, позволяют
уменьшить материалоемкость изделий за счет уменьшения толщины элементов
конструкции и сокращения отходов;
) уменьшение числа уровней разукрупнения конструкций РЭС и выбор их формы
и размеров с учетом унифицированной оснастки и стандартного оборудования;
) уменьшение номенклатуры используемых материалов и полуфабрикатов;
) уменьшение применения дефицитных или токсичных материалов, драгоценных
металлов;
) обоснованный выбор квалитета точности, шероховатости поверхности,
установочных и технологических баз;
) конструктивная и функциональная взаимозаменяемость узлов, минимизация
числа подстроечных и регулировочных элементов (особенно с механической
подстройкой);
) контролепригодность и инструментальная доступность элементов, деталей и
узлов (в том числе подстроечных), особенно при автоматизированном и
механизированном изготовлении.
Характер конструкторской иерархии определяется: экономически целесообразной
функциональной сложностью РЭС и числом уровней разукрупнения РЭС, общим числом
объединенных узлов (ячеек, блоков, шкафов); характером
конструкторско-технологических решений, принятых для данного вида иерархии.
Конструкция РЭС отличается рядом особенностей, которые выделяют ее в
отдельный класс среди других конструкций:
Примером операции, результат которой трудно проконтролировать
непосредственно, является создание неразъемных контактных соединений на всех
уровнях конструкции РЭС (пайка электрорадиоэлементов на платах, пайка или
накрутка монтажных проводов на монтажных панелях и т.п.).
Более общим критерием оптимальности является максимум среднего
экономического выигрыша от упорядочения производства РЭС при проектировании и
внедрении параметрического ряда.
Таким способом построены различные конструкционные системы РЭС.
Технологичность конструкции РЭС обеспечивается на всех этапах разработки.
.3 Организация процесса проектирования РЭС
Как правило, в создании РЭС участвуют различные организации, подразделения,
исполнители. Организации делятся на заказчика, исполнителя, субподрядчика.
Заказчик формирует технические требования (ТТ) к РЭС и осуществляет
финансирование и приемку разработанного изделия. Технические требования
определяют показатели назначения (мощность, чувствительность, разрешающую
способность, частотный диапазон и т.д.), а также содержат требования к
конструкции: наименование, число и назначение основных частей; габаритные,
установочные и присоединительные размеры; требования по взаимозаменяемости
частей, унификации, типизации, стандартизации и преемственности. Кроме того, в
ТТ входят требования по охране окружающей среды, помехозащищенности, составу
запасного имущества, безопасности работы, эргономике и эстетике, условиям
эксплуатации (виду объекта установки, уровням климатических, механических,
радиационных и биологических воздействий, порядку обслуживания, квалификации
обслуживающего персонала.
Исполнитель на основе ТТ разрабатывает техническое задание (ТЗ), в
котором содержатся экономические, производственные и другие требования,
определяется порядок разработки и приемки изделия. Субподрядчик решает для
исполнителя частные вопросы: разработку и остановку новых материалов,
элементов, узлов, технологических процессов, методов измерений или проводит
испытания, отработку на соответствие требованиям эргономики и т.д.
В проектировании РЭС в той или иной степени на разных стадиях участвуют
различные подразделения предприятия:
• системотехнические определяют структуру РЭС, осуществляют разбивку на
наземную и бортовую части и др.
• схемотехнические разрабатывают и отлаживают схему, проводят ее разбивку
на отдельные узлы;
• конструкторские осуществляют общую компоновку изделия, выпускают
необходимую конструкторскую документацию;
• технологические устанавливают последовательность изготовления, проводят
отработку режимов, подготовку производства.
Кроме этого, в разработке изделия принимают участие различные
вспомогательные службы: надежности (рекомендации по структурной и
информационной избыточности, проведение испытаний); снабженческие (поставка
материалов и покупных изделий); патентные, автоматизированного конструкторского
проектирования и др. Координация работы предприятий, подразделений и
специалистов, участвующих в разработке проводится с помощью согласованных
календарных планов или сетевых графиков Для уменьшения вероятности неправильных
решений из-за противоречивости и неполноты исходных данных, личностных ошибок
исполнителей разработку РЭС проводят в несколько стадий (не менее двух): научно-исследовательская
(НИР) и опытно- конструкторская (ОКР) работы. Каждая стадия включает несколько
этапов. В ходе выполнения работ на стадиях и этапах происходит постепенное
уточнение и обсуждение принимаемых решений. При этом устраняются ошибки руководителей
(ошибки планирования и др.) и исполнителей (неправильный выбор технических
решений, ошибки в разработанной документации и т.д.). Основные стадии
жизненного цикла РЭС представлены в таблице 1.
Таблица 1
.4 Основные требования, предъявляемые к РЭС
Многообразие выполняемых функций и условий эксплуатации предъявляет к
конструкциям РЭС противоречивые требования. Это обстоятельство значительно
осложняет труд конструктора. Для облегчения этой задачи требования к конструкциям
объединяются в группы, стандартизируются и кодифицируются. Рассмотрим
содержание и особенности различных групп требований. Требования к конструкции
РЭС по назначению. Эта группа требований устанавливает первичную задачу, ради
которой собственно и ведется разработка. Общий перечень таких требований
затрагивает широкий круг вопросов: функциональное назначение; параметр,
определяющий конструкцию; класс объекта установки; климатическое исполнение;
категория размещения на объекте; массогабаритные характеристики; закрепление на
объекте; коммуникации на объекте; электромагнитная защита и т.д. Требования к
конструкции по надежности. Требования по надежности определяют стойкость
аппаратуры к климатическим, механическим, биологическим и радиационным
воздействиям, а также требования по безотказности долговечности, сохраняемости
и ремонтопригодности. Требования безопасности, эргономики и эстетики относятся
к задаче совместимости конструкции РЭС с человеком при эксплуатации и ремонте с
целью сохранения жизни и здоровья операторов и ремонтного персонала, снижения
утомляемости.
Требования технологичности и унификации определяют приспособленность
конструкции к ограниченному расходованию трудовых, материальных и
энергетических ресурсов при подготовке производства и промышленном выпуске
изделий в заданном количестве и определенной категории качества.
Патентно-правовые требования регламентируют условия, при которых принятые
при разработке конструкции технические решения становятся промышленной
собственностью с исключительным правом на нее предприятия-разработчика с
вытекающим из этого экономическим и престижным эффектом. Подробно содержание
требований отдельных групп будет рассматриваться в последующих разделах курса.
Здесь же познакомимся с наиболее общими, не зависящими от назначения аппаратуры
требованиями первой группы.
Климатическое исполнение и установка на объекте Климатическое исполнение.
Стандартизация и кодификация климатического исполнения существенно упрощает
задание соответствующих требований, так как позволяет четко представлять всю
программу комплексного воздействия внешней среды в количественном выражении.
Так, например, в зависимости от макроклиматического района, в котором будут
эксплуатироваться РЭС, по ГОСТ 019-78 различают девять основных климатических
исполнений изделий:
Исполнение У - для умеренного климата со среднегодовым максимумом и
минимумом температуры +40 град. и -45 град.
Исполнение УХЛ - для умеренного и холодного климата при минимуме
температуры ниже -45 град.
Исполнение ТВ - для влажного тропического климата с температурой +20
град. В сочетании с относительной влажностью 0 % и выше.
Исполнение ТС - для сухого тропического климата с температурой +40 град.
Исполнение М - для умеренно холодного морского климата при нахождении в
морях и океанах севернее 30 град. с.ш. и южнее 30 град. ю.ш.
Исполнение ТМ - для тропического морского климата (между 30 град. с.ш. и
30 град. ю.ш.).
Исполнение О - общеклиматическое для суши.
Исполнение ОМ - общеклиматическое морское для судов с неограниченным районом
плавания.
Исполнение В - всеклиматическое исполнение для суши и моря (за
исключением Антарктиды)
.5 Классификация РЭС
Как правило, конструкции РЭС различного назначения, устанавливаемые на
разные объекты значительно отличаются друг от друга, что вызвано спецификой
назначения и особенностями эксплуатации. По мере развития комплексной
миниатюризации происходит постепенное стирание резких граней между различными
видами радиоаппаратуры. Подобная универсализация предполагает разработку
конструкций, пригодных для работы на любых объектах и в любых условиях. Для
этого конструкция должна обладать функциональной избыточностью и
соответствовать наиболее жестким условиям эксплуатации. Это может быть
оправдано в тех случаях, когда достигается простыми средствами и позволяет
значительно увеличить объем производства. Такая тенденция отчетливо
прослеживается для электронно-вычислительной аппаратуры. Для остальных видов
РЭС первостепенное значение сохраняет специализация, обусловленная тем, что
объект установки задает специальное функциональное назначение для РЭС данной
категории, класса или группы
.6 Категории РЭС
По продолжительности работы РЭС принято разделять на четыре категории:
многократного, однократного, непрерывного и общего применения. РЭА
категории многократного применения способна выполнять свои функции несколько
раз по мере необходимости, однократного - один раз за период эксплуатации. РЭС
непрерывного применения предназначены для непрерывной работы за исключением
периодов профилактики. РЭА общего применения работает в смешанном режиме, как,
например, бытовая аппаратура.
Классы РЭС Классы подразделяют РЭС по трем глобальным зонам
использования: наземные РЭС (суша); морские (океан), бортовые (воздушное и
космическое пространство).
Внутри классов в зависимости от объекта установки РЭС делятся на группы.
Отличительный признак группы комплексный. Учитывается назначение и
тактика использования, условия совместимости с объектом, требования к
надежности, к защите от внешних воздействий и т.д.
Класс 1 - наземные РЭС.
Включает три основные группы: стационарной, для подвижных объектов,
носимой РЭА - и дополнительную группу бытовой РЭА. Группа бытовой РЭА
отличается спецификой применения в отличие от прочей РЭА, являющейся
профессиональной. В настоящее время тенденция развития конструкций бытовой РЭА
мирового класса направлена на профессионализацию, т.е. на конструирование ее по
общим правилам для соответствующей основной группы класса. При конструировании
РЭС наземного класса возникает общая задача защиты от вибраций, ударов, пыли в
условиях нормального атмосферного давления.
Стационарная аппаратура.
Эта группа характеризуется следующими отличительными признаками: - особой
продолжительностью эксплуатации и необходимостью постепенной модернизации; -
работой в помещении с нормальными климатическими условиями (температура 25+10
град. С; влажность 25+15 %; давление 1033+30 кПа); - отсутствием механических
перегрузок во время работы; - транспортированием в амортизирующей упаковке;
хранением в складских условиях в климатических зонах потребителя и
изготовителя; - высокой ремонтопригодностью при ремонте на месте установки.
Аппаратура для подвижных объектов.
Эта группа РЭС отличается тремя особенностями:
повышенными требованиями к защите от вибраций и ударов, включая необходимость
работы в условиях механических воздействий; - конструкция должна допускать
погрузку и разгрузку легко расчленяемых частей силами двух человек; - усиленным
воздействием абразивной дорожной пыли. Сюда относят мобильные связные,
радиолокационные и пеленгаторные станции, диспетчерские станции строительных,
сельскохозяйственных и транспортных предприятий, включая железнодорожный
транспорт, передвижные телевизионные студии, автомобильные приемники,
магнитофоны и др.
Носимая РЭА характеризуется размещением ее на человеке и необходимостью
защиты от случайных значительных ударов, неизбежных в полевых условиях
(геологоразведка). К этой группе относятся станции ближней связи, портативные
радиопеленгаторы, некоторые виды медицинской аппаратуры, различные виды
измерительных приборов. Здесь очень важными являются эргономические требования.
Например, человек может длительное время носить за плечами 10 кг, на ремне
через плечо 3 кг, в кармане 0,7 кг. Весьма характерным для носимой аппаратуры
является большая зависимость конструкции от габаритов и массы источников
питания, а также усложненные условия эксплуатации в холодное время года
(конденсация росы при внесении в теплое помещение).
Отличительными особенностями бытовой радиоаппаратуры являются: -
повышенное эстетическое значение внешнего вида и акустических данных; -
приспособленность к эксплуатации совершенно неподготовленным человеком; -
массовое или крупносерийное производство и определяющие значение стоимости.
Класс 2 - морские РЭС.
Этот класс включает три основные группы: судовую (пассажирские и грузовые
суда), корабельную (надводные военные корабли и подводные лодки) и буйковую
аппаратуру и отличается тремя особенностями: - комплексное воздействие
климатических и механических факторов (100 %-ная влажность при повышенной
температуре и солевом тумане в сочетании с непрерывной вибрацией от двигателей,
ударными перегрузками и линейными ускорениями); - длительное автономное
плавание с отрывом от ремонтных баз; - акустические, магнитные и радиационные
воздействия.
Отличительными чертами судовой и корабельной аппаратуры является:
высокий уровень типизации в целях упрощения снабжения судов запасными
частями;
возможность ремонта на месте установки в условиях ограниченного
пространства при минимальном количестве персонала и контрольно-измерительного
оборудования без захода на ремонтную базу;
необходимость учета ограниченного размера люков и проходов на судне;
защита от сильных высокочастотных и низкочастотных (от гидроакустических
станции) электромагнитных полей. Насыщенность современных судов различной
аппаратурой столь высока, что обеспечение удовлетворительной электромагнитной
совместимости возможно при принятии специальных мер при конструировании самого
судна;
вибростойкостью (работа механизмов) и ударостойкостью при ударах волн и
стрельбах, стойкостью к ускорениям, возникающим при качке. Радиолокационные
установки, устройства передачи сигналов бедствия должны сохранять
работоспособность в случае повреждения самого судна в результате столкновения
или других аварийных ситуациях.
Буйковая аппаратура служит навигационным и другим целям и
характеризуется:
особой продолжительностью необслуживаемой эксплуатации;
воздействием сильных ударов при волнении моря и постановке буя;
Класс 3 - бортовые РЭС.
Разделяется на группы авиационной, космической и ракетной техники.
Отличительными особенностями класса являются существенные требования к
массогабаритным характеристикам без снижения функциональных возможностей и
обеспечение работоспособности в условиях пониженного давления (до 2 кПа на
высоте 26 км).
Авиационная аппаратура характеризуется относительной кратковременностью
непрерывной работы, измеряемой часами. В остальное время она находится под
контролем персонала ремонтной базы: подвергается периодическому осмотру и контролю,
перед каждым полетом проводится предполетная проверка. Конструкция такой
аппаратуры должна обладать высокой контроле- и ремонтопригодностью, обеспечивая
свободный доступ к внутренним частям для уменьшения времени на поиск
неисправности. Самолетная аппаратура подвергается значительным ударным и
вибрационным воздействиям в широком диапазоне частот. Перепад температур также
может быть очень большим. Так, например, при стоянке в южных районах корпус
самолета нагревается до + 50 град, а при полете на высоте 10 км температура за
бортом опускается до -50 град. При разработке подобной аппаратуры следует также
учитывать большую загруженность летчика процессом управления самолетом.
К космическим и ракетным РЭС, помимо общих требований к бортовому классу,
предъявляют дополнительные и очень жесткие требования по ограничению массы и
габаритов, обеспечению сверхвысокой безотказности, высокой ремонтопригодности в
предстартовый период и стойкости к действию вибраций и линейных перегрузок при
запуске. Вполне очевидно, что любые затраты на повышение показателей
безотказности РЭС во время полета и ремонтопригодности в предстартовый период
будут малы по сравнению с общей стоимостью запуска космического корабля.
Поэтому функциональные узлы многих систем резервируются.
.7 Выбор и обоснование конструкции универсального тахометра
С точки зрения материалов, используемых для изготовления корпусов для
РЭА, все изделия можно разделить на 3 группы: 1. Стальные. Как правило это
стационарные довольно габаритные изделия. Изготовленные, чаще всего из листовой
стали. Элементы либо сварены между собой, либо крепятся винтами к специальным
сухарям или уголкам. Требования к таким конструкциям обычно предъявляются не
очень высокие, и используются они, как правило, в производственных цехах. 2.
Алюминиевые. Зачастую изготавливаются не из алюминия, а из алюминиевых сплавов.
Наиболее распространены дюралевые корпуса (изготовленные из дюралюминия). Этот
материал легок (удельный вес около 2,8 г/куб. см), не корродирует при
взаимодействии с водой, хорошо обрабатывается механически и позволяет получить
высокую чистоту поверхности. Иногда применяют алюминиевые сплавы АМг и АМц.
(Кстати сказать, при анодировании деталей из этих двух сплавов, покрытие на них
получается более равномерное, яркое и сочное по окраске, нежели на дюралевых).
Очень хорошо зарекомендовал себя во всех отношениях алюминиевый сплав В95. 3.
Неметаллические. Бывают случаи, когда корпуса радиоэлектронных устройств (или
их детали и компоненты) изготавливаются из неметаллов. Чаще всего это
полимерные материалы - текстолит, фторопласт, АБС-пластик.
Так как универсальный тахометр используется в лабораторных условиях, был
выбран корпус, предназначенный для настольной техники и радиоэлектронной
аппаратуры. Форма корпуса делает его более устойчивым. В крышке корпуса
предусмотрено отверстие для индикатора, кнопки «Режим» «Выше» «Ниже» и ручки
плавной настройка R2. Этот корпус изготовлен из ударопрочного АБС-пластика,
окрашиванию не подлежит.
Описание и марки полимера-АБС-пластика:
АБС пластик-это термопластическая ударопрочная техническая смола,
сополимер акрилонитрил-бутадиен-стирол. Это пластический материал с желтоватым
оттенком, хотя имеются и прозрачные модификации продукта. АБС-пластики легко
окрашиваются в любые цвета.
Благодаря сочетанию акрилонитрильных и бутадиеновых звеньев со стиролом
АБС пластик ударопрочен и эластичен. Он имеет уникальные физические свойства,
это самый востребованный материал для производства формованных изделий.
Промышленность производит АБС пластик в виде однородных гранул разных цветов.
На основе АБС материала производят различные композиты, которые относятся к
классу специальных полимеров.
Также на российском рынке могут встречаться и такие названия этого
материала, как: АБС, ABS, АБС сополимер, сополимер акрилонитрила, бутадиена и
стирола.
АБС-сополимер относится к группе инженерных пластиков. По показателям
механической прочности, жесткости и ударопрочности акрилонитрилбутадиенстирол
значительно превосходит ударопрочный полистирол, полистирол обычный и многие
другие стирольные сополимеры. АБС пластик износостоек, выдерживает
кратковременный нагрев до 90 -100 С. Максимальная температура при длительной
эксплуатации лежит в пределах от 75 до 80 оС.
АБС пластик широко применяется для нанесения на него гальванического
покрытия и вакуумной металлизации. Он легко сваривается, также применяется для
точного литья.
Преимущества АБС пластика:
· высокая стабильность размеров;
· устойчивость к щелочам;
· высокая устойчивость к растворам кислот и неорганических
солей;
· устойчивость к жирам, смазочным маслам, бензину и
углеводородам;
· ровная блестящая поверхность. Имеются марки как с
пониженным, так и с повышенным уровнем блеска, а также матовые.
Основные недостатки АБС пластика:
· Невысокая устойчивость к ультрафиолетовому излучению;
· Растворимость в бензоле, ацетоне, эфире, анизоле, анилине и
этилхлориде;
· Невысокая устойчивость к атмосферным воздействиям;
· Невысокие электроизоляционные свойства (в отличие от
полистирола);
Свойства АБС пластика можно значительно изменять, если модифицировать
исходный материал. Так, прозрачный АБС - сополимер получается при использовании
четырех мономеров (в качестве четвертого применяется метилметакрилат). Чтобы
повысить атмосфероустойчивость, бутадиен заменяют насыщенным эластомером. Чтобы
значительно повысить теплостойкость АБС пластика, к трем имеющимся мономерам
добавляют альфаметилстирол.
Конструкция корпуса универсального тахометра.
Степень защиты от внешних воздействий выполняется по ГОСТ 14254-96
На верхней части корпуса имеются фиксаторы, которые удерживают крышку
корпуса. На крышке просверливаются отверстия для кнопок SA1-3, ручки плавной
регулировки R2 и индикатора HG1.
Корпус выполняется литьем из гранулированного АБС-пластика.
Суть технологии состоит в использовании двухкомпонентных полимеров для
заливки в эластичные силиконовые формы в среде технологического вакуума.
Компоненты основы под пластиковые корпуса подбираются согласно требуемым
физико-механическим свойствам конечного изделия. Составляющие перемешиваются,
жидкая смесь подогревается для получения нужной текучести и через систему
литников заливается в подогретую силиконовую форму. Технологический срок жизни
жидкой смеси зависит от состава компонентов и их процентного соотношения.
Вакуум нужен для:
· удаления пузырьков воздуха и газов, образующихся при
смешивании компонентов основы;
· повышенной текучести и хорошего заполнения формы любой
сложности.
После полимеризации в условиях вакуума, пластиковые корпуса извлекается
из форм и подвергаются последующей обработке:
· отрезаются литники;
· удаляется облой.
Деталь готова к использованию, окрашиванию или дальнейшей обработке.
Такая конструкция обеспечивает малую трудоемкость и стоимость
изготовления. Корпус допускает использование его в лабораторных условиях. На
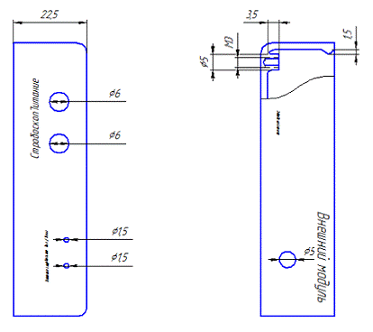
рисунке 13 приведен общий вид корпуса без крышки.
Рисунок
11 Общий вид корпуса без крышки
С левой и правой сторон корпуса выполняются отверстия для разъемов X1, X2
и X3, а так же отверстия для переключателей SB1 и SB2. Переключатели вынесены
из корпуса для экономии места в корпусе, так как устройство будет размещаться
на лабораторном стенде, эти переключатели могут включаться со стенда. Помимо
этого, эти переключатели реализуют включение устройства и включение
стробоскопа, которые производятся преподавателем или лаборантом.
Отверстия для разъемов производятся на этапе литья, диаметр отверстий для
разъемов составляет 6 мм. Так же от корпуса к разъемам подведены заглушки,
которые предохраняют устройство от попадания пыли. Таким образом, гнёзда
разъемов утоплены в корпус, и на боковых стенках устройства нет выступающих
частей. Боковые виды корпуса представлены на рисунке 14.
В районе отверстий необходимо нанести маркировку, поясняющую назначение
разъемов.
Так же для удобства перемещения устройства сделано скругление углов при
переходе от стенок корпуса к его дну. Радиус скругления - 3 мм.
Крышка корпуса так же выполнена из АБС-пластика, в ней выполнены
отверстия для кнопок SA1, SA2, SA3, регулятора R2 и индикатора HG1. Отверстия
для кнопок и регулятора выполнено сверлением, отверстие для индикатора
выполнено вырубкой. На крышку корпуса нанесена маркировка с названием
устройства и назначением кнопок.
Для крепления крышки и корпуса использованы фиксаторы, которые
обеспечивают надежное крепление крышки к корпусу, но в то же время дают
возможность быстро снять крышку для доступа к печатному узлу устройства с целью
ознакомления, ремонта, либо для проведения профилактических работ,
увеличивающих срок службы устройства.
Виды крышки представлены на рисунке 15.
Рисунок
12 Вид боковых стенок корпуса
Рисунок
13 Вид крышки корпуса устройства
Фиксация крышки на корпусе обозначена на рисунке 16. Окрашивание
производится шелкографией.
Рисунок
14 Крепление крышки на корпусе
Преимущества такой компоновки:
· Простота настройки и управления работой изделия;
· Быстрота замены составных частей блока;
· Уменьшение габаритных размеров корпуса устройства;
· Достаточная механическая прочность и устойчивость изделия;
· Уменьшение составных частей всего блока.
Установка индикатора HG1 на печатную плату осуществляется посредством
разъемов, стоек и крепежа. Это позволяет сэкономить много места на печатной
плате, индикатор занимает примерно 1/3 печатной платы.
Вид установки индикатора на печатную плату представлен на рисунке 17.
Рисунок
15. Установка индикатора на печатную плату.
3. Технологическая часть
Проводя анализ типовых технологических процессов (ТП) сборки и монтажа
печатных узлов необходимо пояснить ряд понятий и определений, необходимых для
наиболее верного описания.
Типовым ТП называется схематичный процесс сборки и монтажа
изделий одной классификационной группы, включающий основные элементы
конкретного процесса: способ установки базовой детали и ориентации остальных,
последовательность операций, типы технологического оснащения, режимы работы,
приближенную трудоемкость для заданного выпуска изделий. По типовому процессу
легко составляется конкретный процесс сборки изделия.
Сборка представляет собой совокупность технологических операций
механического соединения деталей и ЭРЭ в изделии или его части, выполняемых в
определенной последовательности для обеспечения заданного их расположения и взаимодействия.
Выбор последовательности операций сборочного процесса зависит от конструкции
изделия и организации процесса сборки.
Монтажом называется ТП электрического соединения ЭРЭ изделия в
соответствии с принципиальной или электромонтажной схемой. Монтаж проводится с
помощью печатных, проводных или тканных плат, одиночных проводников, жгутов и
кабелей. Основу монтажно-сборочных работ составляют процессы формирования
электрических и механических соединений.
В соответствии с последовательностью технологических операций
процесс сборки или монтажа делится на сборку (монтаж) отдельных сборочных
единиц (плат, блоков, панелей, рам, стоек) и общую сборку (монтаж) изделия.
Организационно он может быть стационарным или подвижным с концентрацией или
дифференциацией операций.
Стационарной называется сборка, при которой собираемый объект
неподвижен, а к нему в определенные промежутки времени подаются необходимые
сборочные элементы. Подвижная сборка характеризуется тем, что сборочная единица
перемещается по конвейеру вдоль рабочих мест, за каждым из которых закреплена
определенная часть работы. Перемещение объекта сборки может быть свободным по
мере выполнения закрепленной операции или принудительным в соответствии с
ритмом процесса.
Сборка по принципу концентрации операций заключается в том, что
на одном рабочем месте производится весь комплекс работ по изготовлению изделия
или его части. При этом повышается точность сборки, упрощается процесс
нормирования. Однако большая длительность цикла сборки, трудоемкость механизации
сложных сборочно-монтажных операций определяют применение такой формы в
условиях единичного и мелкосерийного производства.
Дифференцированная сборка предполагает расчленение
сборочно-монтажных работ на ряд последовательных простых операций. Это
позволяет легче механизировать и автоматизировать работы, использовать рабочих
низкой квалификации. Сборка по принципу дифференциации операций эффективна в
условиях серийного и массового производства. Однако чрезмерное дробление
операций приводит к возрастанию потерь вспомогательного времени на
транспортировку, увеличению производственных площадей, повышению утомляемости
рабочих при выполнении несложных однообразных действий. Поэтому в каждом
конкретном случае должна быть определена технико-экономическая целесообразность
степени дифференциации сборочных и монтажных работ.
Так как сборочные работы неоднородны, то их
следует разделять. Обычно механические сборочные работы выполняются раньше. В
тех случаях, когда полное окончание этих сборочных работ затрудняет доступ к
узлам и деталям для выполнения электрического соединения, допускается
чередование работ по механическому и электрическому соединению.
При детальном проектировании операций сборки
уточняют их намеченное ранее содержание, определяют последовательность
переходов во времени, схемы установки и закрепления базового элемента, выявляют
условия выполнения соединений, выбирают оборудование, оснастку и инструмент,
устанавливают режимы работы оборудования, определяют нормы времени на операции.
Задачей технолога при проектировании
сборочных операций является сокращение штучного времени. Это достигается
применением высокопроизводительного оборудования, инструмента и приспособлений
с быстродействующими установочно-зажимными устройствами. Хорошие результаты дают
механизированные сборочные инструменты (винто- и гайковерты, переносные
устройства для запрессовки и т.д.), В крупносерийном и массовом производстве
широко применяются сборочные автоматы и полуавтоматы, автоматические линии.
Последовательность выполнения операций технологического процесса:
1) Комплектовочная стадия.
На это стадии происходит получение деталей и материалов согласно
комплектовочной ведомости или сводной спецификации (в нашем случае на печатный
узел)
2) Входной контроль.
Входной контроль позволяет обнаружить возможные неисправности на ранней
стадии процесса изготовления устройства. Входной контроль производит проверку
комплектации на отсутствие межанических повреждений, сколов, трещин, наличие
клейма ОТК на ЭРЭ и так далее.
) Подготовка радиоэлементов
При необходимости, ЭРЭ правятся вручную при помощи пинцетов и
плоскогубцев. Производится лужение выводов в тигле, при температуре 240-260
градусов Цельсия. Полупроводниковые электрорадиоэлементы лудят с теплоотводом.
) Сборка
В процессе сборки производится формовка выводов ЭРЭ, установка ЭРЭ на ПП
согласно чертежу.
) Монтаж
Производится электрическое соединеие ЭРЭ на печатной плате посредством
пайки.
) Промывка
Производится промывка платы с ЭРЭ на виброустановке в спирто-нефрасовой
смеси.
) Маркировка
Маркировка выполняется эмалью ЭП-527 черной.
) Контроль
Производится визуальный контроль установки ЭРЭ в соответствии со
сборочным чертежом.
) Электропрозвонка
Плата прозванивается согласно схеме электрической принципиальной.
) Регулировка
Производится регулировка яркости индикатора HG1 с помощью потенциометра
R2.
) Выходной контроль
Плата проверяется по параметрам и укладывается в цеховую тару.
Технологический процесс на универсальный тахометр выполнен на стандартных
бланках.
4. Расчетная часть
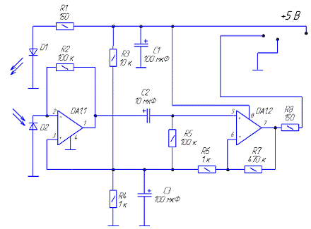
.1 Электрический расчет
Для электрического расчета был выбран участок принципиальной схемы
устройства
Рисунок 17
Для стробоскопа был выбран светодиод Luxeon white LED 1W, его
характеристики приведены ниже:
Электрические характеристики при токе 350 мА, температуре 25 градусов
Цельсия.
Прямое напряжение:
Минимальное - 2,79В
Среднее - 3,42В
Максимальное - 3,99В
Динамическое сопротивление - 1 Ом
Таким образом, Uпр = 3,42В, Imax = 350 мА
Определяем величину ограничения резистора R10.
Для увеличения надежности и уменьшения нагрева светодиода принимается
заданный рабочий ток 250 мА.
Где Uпит - напряжение питания
ДUhl - прямое напряжение светодиода HL1
ДUvt - напряжение насыщения VT1пр - прямой ток HL1
Исходные данные:пит = 12В
ДUhl = 3,42В
ДUvt = 0,8Впр = 0,25 А

Ом
Выберем
ближайший номинал R10 - 33 Ом
Определяем
мощность R10
=
(I2*R)/Q
Где: I - ток через резистор- сопротивление- скважность
Реальная мощность, выделяемая на резисторе R10 будет в Q раз меньше, где
Q - скважность которая учитывает время горения светодиода в течение периода.
При минимальной измеряемой скорости (166 об/мин) время горения светодиода будет
равно 6,5 миллисекунд. Чтобы устранить размытость изображения, время включения
HL1 уменьшается пропорционально росту скорости и составляет 32 микросекунды при
скорости 5200 оборотов в минуту.
Определяем минимальную скорость вращения в секунду:
l
= Vmin / 60 = 166/60 = 2,7 об/сек
Определяем скважность.
= Tповт / t имп
Где: Тповт - период повторенияимп - период импульса
(6,5 миллисекунд)
Следовательно,10 = (0,252 * 33) / 0,25 = 0,056 Вт
Для увеличения надежности выберем мощность резистора R10 - 1
Вт, потому что резисторы мощностью 0,125 - 0,25 Вт могут не обеспечить
требуемой надежности при импульсном токе 250 мА.
В качестве ключа для управления HL1 выберем n-p-n транзистор КТ630Е
Характеристики транзистора КТ630Е:коллектор-эмиттер максимальное -
60Вколлектора среднее - 1Аколлектора импульсное - 2А
Статический коэффицьент усиления в - 160- 480
Определим Iб VT1, необходимый для гарантированного насыщения
Iб
= 
= 
= 0,018
А
К
- коэффицьент запаса для гарантированного насыщения транзистора в условиях
изменения окружающей среды.
К
= 1,1; 1,2; 1,3; 1,4.
Определим
напряжение на резисторах R6, R7.
В
схеме используется микроконтроллер PIC16f86, к которому и подключены резисторы
R6 и R7. Напряжение единицы на сигнальных выводах микроконтроллера равно 5В.
Исходные
данные:DD1 = 5В бэ = 1В6,7 = 
= 200 Ом
Исходя
из расчета выбраны резисторы С2-23 220Ом.
Определим
мощность R6, R7.R6,7 = 
= 0,00125
Вт
4.2 Конструкторский расчет
Расчет площади печатной платы
Расчет площади печатной платы необходим для определения минимального
размера печатной платы, это позволяет получить представление о её параметрах
еще до начала разработки.
раб min = 2,5*Sмг+1,8*Sсг +1,2*Sкр
раб min =2,5 * 86 + 1,8 * 197 + 1,2 * 909 = 1660,4 (мм2)
Sмг - суммарная установочная площадь для
малогабаритных элементов;сг - суммарная установочная площадь для
среднегабаритных элементов;раб - площадь разработанной печатной
платы.
Sраб = 142* 78,5 = 11147 (мм2)
Выполняется неравенство:
1660,4 <11147
Таблица
4.1
|
Группа
|
Наименование элементов
|
Позиционное обозначение
|
Габаритные размеры, мм3
|
Вариант установки на плате
|
Установочная площадь, мм2
|
Установочная площадь группы элементов, мм2
|
|
Малогабаритные элементы
|
Резистор
|
R1,R3,R4,R5,R6,R7,R8
|
2 * 4 * 2
|
1а
|
56
|
86
|
|
Конденсатор
|
С2,С5
|
1 * 2 * 1
|
1а
|
4
|
|
|
Конденсатор
|
С1,С6,С7,С8
|
d 2,5 * 4
|
2г
|
20
|
|
|
Диод
|
VD1,VD2
|
1 * 3
|
1а
|
6
|
|
|
Среднегабаритные элементы
|
Конденсатор
|
С3
|
d 3 * 5
|
2г
|
6
|
197
|
|
Конденсатор
|
С9
|
2 * 3 * 2
|
1а
|
6
|
|
|
Микросхема
|
DD1
|
5 * 22 * 7
|
6a
|
110
|
|
|
Транзистор
|
VT1
|
d 5 * 7
|
2г
|
10
|
|
|
Разъем
|
X1
|
5 * 8 * 5
|
По чертежу
|
40
|
|
|
Потенциометр
|
R8
|
7 * 5 * 4
|
2г
|
35
|
|
|
Крупногабаритные элементы
|
Микросхема
|
DA1
|
15 * 8 * 5
|
По чертежу
|
120
|
909
|
|
Разъем
|
X2,X3
|
7 * 9 * 7
|
По чертежу
|
126
|
|
|
Разъем
|
Х4
|
4*15*10
|
По чертежу
|
60
|
|
|
Конденсатор
|
С10
|
d 10 * 14
|
5в
|
140
|
|
|
Резистор
|
R10
|
10 * 17*8
|
1a
|
170
|
|
|
Потенциометр
|
R2
|
17*13*30
|
По чертежу
|
221
|
|
|
Кнопка
|
SA1-SA3
|
d 12 * 17,5
|
1a
|
72
|
|
.3 Конструктивно-технологический расчет печатного монтажа
Выбор метода изготовления и класса точности печатной платы.
Выбор осуществляется по рекомендациям ОСТ 4.10.022-85. Исходя из того,
что плата двухсторонняя (ДПП) с металлизацией отверстий, то выбираем
комбинированный метод, а класс точности 4.
Конструктивные ограничения для печатных плат четвертого класса точности
указаны в таблице 4.3.
Таблица
4.2
|
Минимальное значение номинальной ширины проводника b, мм
|
0,15
|
|
Номинальное расстояние между проводниками S, мм
|
0,15
|
|
Отношение диаметра отверстия к толщине платы г
|
≥0,33
|
|
Допуск на отверстие Дd, мм, без металлизации, при Ш ≤1
мм
|
±0,05
|
|
Допуск на отверстие Дd, мм, без металлизации, при Ш >1
мм
|
±0,10
|
|
Допуск на отверстие Дd, мм, с металлизацией, при Ш ≤1
мм
|
+0,05 -0,10
|
|
Допуск на отверстие Дd, мм, с металлизацией, при Ш >1 мм
|
+0,10 -0,15
|
|
Допуск на ширину проводника ∆b, мм, без покрытия
|
±0,03
|
|
Допуск на ширину проводника ∆b, мм, с покрытием
|
±0,05
|
|
Допуск на расположение отверстий dd, мм, при размере платы менее 180
мм
|
0,05
|
|
Допуск на расположение отверстий dd, мм, при размере платы от 180 мм
до 360 мм
|
0,08
|
|
Допуск на расположение отверстий dd, мм при размере платы более 360
мм
|
0,10
|
|
Допуск на расположение контактных площадок dр, мм, на ОПП и ДПП при размере
платы менее 180 мм
|
0,15
|
|
Допуск на расположение контактных площадок dр, мм, на ОПП и ДПП при размере
платы от 180 мм до 360 мм
|
0,20
|
|
Допуск на расположение контактных площадок dр, мм, на ОПП и ДПП при размере
платы более 360 мм
|
0,25
|
|
Допуск на расположение проводников на ОПП и ДПП dl, мм
|
0,03
|
|
Расстояние от края просверленного отверстия до края
контактной площадки bм, мм
|
0,025
|
4.4 Определение минимальной ширины печатного проводника
Определяем минимальную ширину bmin I, мм, печатного проводника
по постоянному току для цепей питания и шин заземления по формуле:
min I = Imax / I доп hф,
где Imax - максимальный постоянный ток в проводниках, мА
(задается в ТЗ, либо определяется из конструктивного анализа работы
принципиальной схемы изделия);доп - допустимая плотность тока, мА/мм2
(выбирается по таблице 4.3);ф - толщина печатного проводника
(толщина фольги печатной платы), мм.
Таблица 4.3
|
Метод изготовления
|
Толщина фольги
|
Допустимая плотность тока
|
Удельное сопротивление
|
|
Комбинированный
|
0,035мм
|
75 А/мм2
|
0,0175 мм2/м
|
min I = 3/75000*0,035 = 0,0014 мм
Определяем минимальную ширину b min U, мм, печатного
проводника, исходя из допустимого падения напряжения на нем, по формуле:
min U = с Imax l / hф U доп,
где с - удельное сопротивление, Ом мм 2 / м (таблица 4.2);-
длина печатного проводника, м; доп - допустимое падение напряжения,
В, определяемое из анализа работы электрической схемы (не должно превышать 5%
от питающего напряжения и быть не более запаса помехоустойчивости). min U
= 0,0175*3*0,0128/0,018*0,25 = 0,149 мм
Минимальная ширина печатных проводников определяется по формуле:
min = b+1,5 hф + (0,03...0,08),
bmin = 0,15 + 1,5*0,018 + 0,03 = 0,207 мм
Максимальная ширина печатного проводника bmax, мм,
определяется по формуле:
bmax = 0,207 + 0,02 = 0,227
4.5 Определение диаметров монтажных отверстий
Определяем номинальное значение диаметров d, мм монтажных отверстий по
формуле:
= dэ + |∆dн.о.| + r,
где dэ - максимальный диаметр вывода элемента, устанавливаемого на плату,
мм;
∆d н.о. - нижнее предельное отклонение от номинального диаметра
монтажного отверстия, мм; - разница между минимальным диаметром отверстия и
максимальным диаметром вывода элемента, мм (выбирают по рекомендациям
ОСТ 4.070.010-78 «Платы печатные под автоматическую установку элементов.
Конструкция и основные размеры» в пределах 0,1…0,4 мм).
Рассчитанное значение d
округляют до ближайшего большего значения из ряда: 0,7; 0,8; 0,9; 1,0; 1,1;
1,2; 1,3; 1,4; 1,5… = 0,5 + 0,1 + 0,2 = 0,8
Проверяем наименьшее значение диаметра монтажного отверстия на
соответствие конструктивному ограничению
≥ dmin
= H Ч г
где Н - толщина печатной
платы, мм;
г - конструктивное
ограничение, связанное с рассеивающей способностью электролитов, используемых
при гальванической металлизации монтажных и переходных отверстий; min
- минимальный диаметр переходного отверстия.
0,8 ≥ 0,75 = 1,5*0,5
4.6 Определение диаметра контактных площадок
Минимальный диаметр контактной площадки определяется по формуле:
D min = D1 min +1,5 hф
+ 0,05,
где D1 min - минимальный эффективный диаметр контактной
площадки, мм.
Минимальный эффективный диаметр D1 min, мм, контактной
площадки определяется по формуле :
1 min = 2 (bм + dmax / 2 + дd
+ др),
где bм - расстояние от края просверленного отверстия до края
контактной площадки (таблица 1),
дd, др - допуски на расположение отверстий и контактных площадок (таблица
1).
dmax - максимальный диаметр просверленного отверстия, мм,
определяется по формуле:
max = d+∆d+(0,1...0,15),
где ∆d - допуск на
отверстие (таблица 4.1).
dmax = 0,8 + 0,1 +0,1 = 11 min = 2(0,025 + 1/ 2 +
0,05 + 0,15) = 1,45min = 1,45 + 1,5*0,018 + 0,05 = 1,53
Максимальный диаметр контактной площадки Dmax, мм,
определяется по формуле:
max = Dmin+(0,02...0,06)
max = 1,53 + 0,02 = 1,55
4.7 Определение минимального расстояния между элементами проводящего
рисунка
Минимальные расстояния между проводником и контактной площадкой
определяется по формуле:
1 min = L0 - [(Dmax / 2 + др) + (bmax / 2 +
дl)],
где дl - допуск на расположение проводников (таблица 1);0 -
расстояние между центрами элементов рисунка на чертеже, мм. 1 min =
1,27 - [(1,55/2+0,15)+(0,227/2+0,03)] = 0,2
Минимальные расстояния между двумя контактными площадками определяется по
формуле:
2 min = L0 - (Dmax + 2 др)
2 min = 1,7 - (1,5 + 2*0,03) = 0,14
Минимальные расстояния между двумя проводниками определяется по формуле:
S3 min = L0 - (bmax + 2 дl)]
3 min = 0,9 - (0,227 + 2 * 0,03) = 0,61
Минимальные расстояния между центрами двух контактных площадок при
прокладке между ними N печатных проводников определяется по формуле:
S4 min = 0,5D1max +0,5D2max+2др+(bmax+дl)N+S(N+1),
Минимальные расстояния центра отверстия от края платы для прокладки N
печатных проводников между контактной площадкой отверстия и краем платы
определяется по формуле:
5 min=0,5 Dmax + др + (S + bmax
+ дl) N + Sоп,
где Sоп - минимальное расстояние от края платы до печатного
проводника (для печатной платы толщиной менее 1 мм расстояние Sоп ≥
1мм, для печатной платы с толщиной более 1 мм расстояние Sоп должно
быть более толщины платы).
S5 min= 0,5*1,5 + 0,15 + (0,15 +0,227 + 0,03)*1+1,1 = 2,4
Минимальные расстояния между контактной площадкой металлизированного
отверстия и контактной площадкой под планарный вывод элемента для прокладки N
печатных проводников между ними определяется по формуле:
6 min=0,5Dmax+др+Sпл+(bmax+дl)N+S(N+1),
где Sпл - расстояние от края контактной площадки под планарный
вывод до ближайшей линии координатной сетки, мм.
S6 min = 0,5 * 1,5 + 0,15 +1,2+ (0,227 + 0,03)*1+ 0,15*(1+1) =
2,66
Минимальные расстояния для прокладки N печатных проводников между
контактными площадками под планарные выводы определяется по формуле:
S7 min = 2 Sпл + (bmax
+ дl) N + S (N + 1)
7 min = 2*1,2+(0,227 + 0,03)*1+1*(1+1) = 4,66
.8 Расчет надежности
Универсальный тахометр рассчитан на работу в лабораторных условиях,
описанных в ГОСТ Р ИСО/МЭК 17025-2000.
Исходные данные:
условия эксплуатации - лабораторные
температура окружающей среды - +20 єС);
влажность - нормальная;
атмосферное давление соответствует высоте над уровнем моря 0 - 1 км;
поправочные коэффициенты: К1- учитывающий воздействия вибраций, равен
1,04;
К2 - учитывающий ударные нагрузки, равен 1,03;
К3 - учитывающий воздействие влажности и температуры, равен 1;
К4 - учитывающий воздействие давления окружающий среды, равен 1.
Поправочный коэффициент, учитывающий коэффициент нагрузки и рабочей
температуры элементов:
резисторов - 0,5;
конденсаторов - 0,7;
резонаторов - 1;
операционных усилителей - 1;
соединения пайкой - 1.
Интенсивность отказов элементов с учетом условий эксплуатации
определяется по формуле:
лj =лoj*Кj,
где Кj - поправочный коэффициент;
лoj - интенсивность отказов элементов в номинальном режиме.
Кj = К1*К2*К3*К4
Кj = 1,04*1,03*1*1 = 1,07
Определим интенсивность отказа для резисторов:
лj = 0,071*1,07 = 0,076
Интенсивность отказов элементов в рабочем режиме определяется по формуле:
лjр =лj*бj,
где лj - интенсивность отказов элементов, с учетом условий
эксплуатации;
бj - поправочный коэффициент, учитывающий
коэффициенты нагрузки и рабочей температуры элементов.
лjр = 0,076*0,5 = 0,038
Расчеты для остальных элементов сведем в таблицу 3.
Интенсивность отказов прибора определяется по формуле:
л = ∑ лjр * Nj;
где ∑ лjр - сумма интенсивностей отказов
группы элементов;
Nj - количество элементов в группе.
Среднее время наработки до отказа определяется по формуле:
Тср = 1/л;
где л - интенсивность отказов прибора.
Расчеты сведем в таблицу 4.3.
Таблица
4.3
|
Порядковый номер группы элементов
|
Наименование элементов
|
Количество элементов
|
Поправочные коэффициент
|
Интенсивность отказов лЧ10^-6 1/час
|
|
|
|
|
Элементов в номинальном режиме
|
Элементов с учетом условий эксплуатации
|
Элементов в рабочем режиме
|
Группы элементов в рабочем режиме
|
|
J
|
|
Nj
|
бi
|
лoj
|
лj
|
лjp
|
лjp* Nj
|
|
1
|
Резистор
|
10
|
0,5
|
0,071
|
0,076
|
0,038
|
0,38
|
|
2
|
Конденсатор
|
10
|
0,7
|
0,019
|
0,02
|
0,014
|
0,14
|
|
3
|
Резонатор
|
1
|
1
|
0,5
|
0,535
|
0,6
|
0,6
|
|
4
|
Микросхема
|
2
|
1
|
0,3
|
0,321
|
0,3
|
0,6
|
|
5
|
Диод
|
2
|
0,5
|
0,1
|
0,107
|
0,0535
|
0,107
|
|
6
|
Транзистор
|
1
|
0,8
|
0,07
|
0,074
|
0,0592
|
0,0592
|
|
7
|
Индикатор
|
1
|
1
|
0,9
|
0,963
|
0,963
|
0,963
|
|
8
|
Кнопка
|
3
|
0,04
|
0,042
|
0,021
|
0,063
|
|
9
|
Разъем
|
4
|
0,5
|
0,05
|
0,535
|
0,2675
|
0,0633
|
|
10
|
Соединение пайкой
|
105
|
1
|
0,01
|
0,011
|
0,011
|
1,155
|
|
Интенсивность отказов, час
|
0,0000041305
|
|
Среднее время наработки до отказа Тср, час
|
242101
|
Расчет вероятности безотказной работы Р(t) проводится по формуле
Р(t) = e - Л t,
либо, если Л Ч t ≤ 0,1, по приближенной формуле
Р(t) = 1 - Л Ч t .
Расчет вероятности отказов Q(t) проводится по формуле
(t) = 1 - Р(t).
Таблица
4.4
|
Время работы t час
|
1
|
10
|
100
|
1000
|
100000
|
1000000
|
|
Вероятность безотказной работы
|
0,9999958695
|
0,999958695
|
0,99958695
|
0,9958695
|
0,958695
|
0,58695
|
|
Вероятность отказа
|
0,0000041305
|
0,000041305
|
0,00041305
|
0,0041305
|
0,958695
|
0,41305
|
График зависимости P(t) и Q(t) представлен на диаграмме 1.
Диаграмма
1 График зависимости P(t) и Q(t)
5. Производственные и экономические расчеты
Исходные данные
Тип производства - серийное производство.
Режим работы - 2 смены
Коэффициент выполнения норм выработки 5.1
Таблица 5.1 Технологический процесс
|
Наименование операция
|
Оборудование
|
Разряд работ
|
Норма штучного времени, мин
|
|
Комплектовочная Входной контроль Подготовительная Сборка
Монтаж Промывка Маркировка Контроль Электропрозвонка Регулировка Выходной
контроль
|
Стол контролера Стол контролера Стол сборщика Стол сборщика
Стол сборщика Стол сборщика Стол маркировщика Стол контролера Стол
регулировщика Стол регулировщика Стол контролера
|
3 3 2 3 4 2 3 3 2 3 3
|
5,4 6 7,8 10 9,6 4 10,5 3,8 5 2 5
|
|
ИТОГО
|
-
|
69,1
|
.1 Производственные расчеты
Расчет фонда времени работы оборудования
Таблица 5.2. Баланс времени работы оборудования в год
|
Показатели
|
Значения
|
|
Календарный период, в днях Праздничные и выходные, дни
Количества рабочих дней Режим работы Продолжительность смены, в часах Номинальный
фонд времени работы оборудования, час Потери рабочего времени на ремонт
оборудования, час Эффективный фонд времени работы оборудования, час
|
365 116 249 2 смены 8 80 4 3784,8
|
Расчет производственной программы.
Определяем годовой производственный объем выпуска изделий в штуках Nпр с
количеством рабочих мест принятых условно по формуле

, =
66509.82
где Fэф - эффективный фонд времени работы оборудования, в часах;
Кз - коэффициент загрузки оборудования(0,85);
åtшт - суммарная норма штучного времени по технологическому
процессу, в минутах;
Сус - условное число рабочих
мест, в единицах(20-30 ед)- процент потерь на переналадку (3-10% в зависимости
от типа производства)
Для примера рассчитаем
потребное количество столов сборщика.= 36358,70 / 4163,28 = 8,73
Принимаем количество столов
округляя вверх: 9.
Выработка на одно рабочие
место Впр, в часах определяется по формуле
Впр=Fэф*Квн = 4206,4
Расчет производим по одной
операции, остальные сводим в таблицу 5.3.
Таблица 5.3 Расчет потребного
количества оборудования
|
Наименование оборудования
|
Норма штучного времени мин
|
Программа выпуска
|
Выработка на 1 раб. место, в часах
|
Количество оборудования
|
% загрузки оборудования
|
|
|
Шт
|
Н/час
|
|
Расчетное
|
Принятое
|
|
|
Стол сборщика
|
32,8
|
6650,82
|
36358,70
|
4163,28
|
8,73
|
9
|
97%
|
|
Стол регулировщика
|
7
|
|
7759,48
|
|
1,86
|
2
|
93%
|
|
Стол маркировщика
|
10,5
|
|
11639,22
|
|
2,8
|
3
|
93%
|
|
Стол контролера
|
18,8
|
|
20839,74
|
|
5,01
|
6
|
83%
|
|
ИТОГО
|
69.1
|
|
2944048,9
|
|
17,93
|
20
|
91%
|
Принятое количество оборудования определяем, округляя расчетное до целого
числа в большую сторону.
Расчет загрузки оборудования. Процент загрузки оборудования %Заг, на
данной операции определяем по формуле
Заг = Срм/Спрм*100
где Срм - расчетное количество оборудования;
Спрм - принятое количество оборудования.
Для примера определяем процент загрузки столов сборщика:
Заг = 8,73 / 9 * 100 = 97%
Средний процент загрузки Заг.ср, определяем по формуле
Заг.ср = åСрм/åСпрм*100
= 91%
где åСрм -
суммарное количество единиц расчетного оборудования;
åСпрм - суммарное количество единиц принятого оборудования.
Оборудование загружается от 83,43% до 97,04%
Таблица 5.4. Сводная ведомость
стоимости оборудования
|
Наименование оборудования
|
Количество принятого оборудования
|
Стоимость оборудования, рублей
|
|
|
Единицы оборудования
|
Общая с учетом монтажа
|
|
Стол сборщика Стол контролера Маркировочный стол Стол
регулировщика
|
9 7 3 3
|
21567 165000 240000 185000
|
223218,45 1138500 828000 425500
|
|
ИТОГО
|
|
611567
|
2615218,45
|
Общая стоимость с учетом монтажа определяем, как произведение стоимости
единицы оборудования на количество принятых единиц оборудования на коэффициент
1,15.
Расчет численности рабочих
Расчет полезного фонда рабочего времени
Расчет полезного фонда рабочего времени одного рабочего произведем по
таблице 5.5.
Таблица 5.5. Баланс рабочего времени одного рабочего в год
|
Показатели
|
Дни
|
Часы
|
%
|
|
Календарный фонд времени Праздничные и выходные дни
Количество рабочих дней (номинальный фонд) Целодневные потери: а) Очередной
отпуск б) Дополнительный отпуск в) Не выходные по болезни г) Выполнение гос.
Обязанностей д) Ученический отпуск Итого потерь Внутрисменные потери Всего
потерь Полезный фонд времени (Fп) Средняя продолжительность рабочего дня
|
365 116 249 28 8 9 5 7 57 8 65 185
|
2920 928 1992 224 64 72 40 56 456 64 520 1480 0,79
|
11 3,2 3,6 2 2,8 22,6 3,2 25,8 74,2
|
Полезный фонд времени Fп, часах определяется по формуле
п = Fн - Fн*%П/100 = 1480 часов
где Fн - номинальный фонд работы одного рабочего в год, в часах;
П - процент потерь (всего) рабочего времени.
Среднюю продолжительность рабочего дня определяем, как частное от деления
полезного фонда на количество рабочих дней в году.
Расчет численности основных производственных рабочих
Численность основных производственных рабочих Чip, определяется по
формуле (человек)
Чip = Ni/Выр
где Выр - выработка одного рабочего, в часах.
Рассчитаем количество контролеров:
Чip = 36358,70 / 1628 = 2,7
Отсюда берем принятое значение количества контролеров - 3
Выработка одного рабочего Выр, в часах определяется по формуле
Выр = Fп*Квн = 1628
Принимаем численность рабочих, округляя расчетную до целого числа в
меньшую сторону. Рабочий должен быть загружен не менее 100%, если меньше, то
совмещаем операции или организуем многостаночное обслуживание.
Таблица 5.6. Расчет численности основных производственных рабочих
|
Профессия
|
Шт. мин
|
Программа выпуска
|
Выработка 1-го рабочего час
|
Численность
|
% загрузки
|
|
|
Шт
|
Н/час
|
|
расчетная
|
принятая
|
|
|
Контролер Сборщик Сборщик Сборщик Радиомонтажник Пропитчик
Маркировщик Регулировщик
|
10,4 6 7,8 10 9,6 4 10,5 5
|
66509
|
(данные указаны в таблице 3)
|
1628
|
2,7 1,5 2,03 2,6 2,51 1,04 2,74 2,29
|
3 2 2 3 3 1 3 3
|
90% 75% 101,5% 86% 83% 104% 91% 114%
|
|
ИТОГО
|
|
19
|
93%
|
Средний процент загруженности и загруженность по операциям производственных
рабочих Ср%, определяем аналогично формулам 36 и 37.
Расчет численности вспомогательных рабочих
Численность вспомогательных рабочих определяем по нормативным
справочникам исходя из нормы обслуживания рабочих мест (оборудования),
производственной площади.
Таблица 5.7. Численность вспомогательных рабочих
|
Профессия
|
Количество
|
Разряд
|
|
Электромонтер Транспортировщик Кладовщик Уборщик
|
2 2 2 2
|
3 3 3 1
|
|
Итого
|
8
|
|
Расчет численности инженерно - технических работников (ИТР).
Ведомость отражает какую долю составляет каждая категория работающих в
общей численности.
Таблица 5.8. Ведомость состава работающих на участке.
|
Категория работающих
|
Количество
|
Удельный вес %
|
По сменам
|
|
|
|
1
|
2
|
|
ИТР Вспомогательные рабочие Основные рабочие
|
5 8 19
|
14,7 23,5 61,7
|
3 4 9
|
2 4 10
|
|
ИТОГО
|
|
100
|
18
|
16
|
Численность рабочих по сменам распределяем равномерно, ИТР в 1-ю смену
большее количество.
Расчет общей удельной площади участка
Общая производительная площадь непосредственно предназначена для
осуществления производительного процесса. К ней относят площади занимаемые
установками, рабочими столами, станками, конвейерами и т.д. с учетом безопасных
проходов и проездов между оборудованием. Она складывается из площадей
занимаемых каждым рабочим местом.
Общая площадь участка Sуч, м2, Определяется по формуле
уч = åSрм = 2,8
* 20 = 80
где åSрм -
сумма производственной площади рабочих мест.
Производственная площадь каждого рабочего места Sрм, м2
Определяется по формуле
рм = (a+b+0.5c)(d+0.5e) = 2,8
где a - ширина оборудования с выходящими; 0,8- расстояние до стен,
колоны, в м; - 0
с - ширина прохода, в м; -
1,2- длина оборудования, в м; - 1,5- расстояние между оборудованием (столом,
стилажом, верстаком),в м. 1
Удельная площадь
определяется, как отношение общей производственной площади к принятому
количеству рабочих мест (единиц принятого оборудования), сравнивается с
нормативной площадью.
.2 Экономические расчеты
Расчет потребного материала.
Материалы необходимые для
производства, рассчитываются исходя из нормы расхода, по технологическому
процессу.
Данные расчета сводим в
таблицу 5.9.
Таблица 5.9. Материалы
|
Материалы
|
Единицы измерения
|
Расход
|
Цена за единицу, в рублях
|
Затраты, в рублях
|
|
|
На изделие
|
На выпуск
|
|
На изделие
|
На выпуск
|
|
Комплект деталей Припой Спирт Нефрас Лак
|
шт. кг. л. л. л.
|
1 0,02 0,5 0,5 0,05
|
66509 1330,18 33254,5 33254,5 3325,45
|
627 2300 15 10 150
|
627 46 7,50 5 7,50
|
41701143 3059414 498817,5 332545 498817,5
|
|
ИТОГО
|
|
|
|
|
å 693
|
å 46090737
|
Расчет фонда оплаты труда основных производственных рабочих.
Фонд заработной платы основных производственных рабочих складывается из
тарифной заработной платы и доплат. Для расчетов используем данные таблицы
5.10.
Таблица 5.10. Тарифная расценка
основных работ
|
Операция
|
Разряд работ
|
Норма штучного времени
|
Тарифная ставка, в рублях
|
Расценка, в рублях
|
Средняя ставка, в рублях
|
Средний разряд работ
|
|
Комплектование Входной контроль Подготовка Сборка Монтаж
Промывка Маркировка Контроль Электропрозвонка Регулировка Выходной контроль
|
3 3 2 3 4 2 3 3 2 3 3
|
5,4 6 7,8 10 9,6 4 10,5 3,8 5 2 5
|
50 50 45 54 59 45 50 50 45 50 50
|
4,5 5 5,85 9 9,44 3 8,75 3,16 3,75 1,6 4,1
|
49,1
|
2,8
|
|
ИТОГО
|
|
å 69,1
|
|
å 58,5
|
|
|
Определяем расценку по каждой операции Ri, в рублях по формуле
= tшт*Cmi/60
где Cim - тарифная часовая ставка соответствующая разряду выполняемой
операции.
Определяем среднюю тарифную ставку Cm ср, в рублях по формуле
ср = åRi*60/å tшт
где åR - общая
расценка по основным операциям
Определяем средний разряд работ Рср по формуле
Рср = å(Pi*tшт)/åTшт = 2,8
где Pi - разряд работ поданной операции.
Значения расчетов заносить в таблицу 5.11.
Определяем тарифную заработную плату Зтар, в рублях по формуле
Зтар = Сm ср * N = 58500
где N - трудоемкость годового выпуска в н/часах, по всем операциям
технологического процесса.
Определяем основную заработную плату с премией и поясной надбавкой Зосн,
в рублях по формуле
Зосн = Зтар(1+Пр/100%)*(1+Пн/100%) = 5475600
где Пр - процент премии от 10 до 40 %
Пн - процент поясной надбавки 15%
Определяем дополнительную заработную плату Здоп, в рублях по формуле
Здоп = Зосн*Д/100% = 4791150
где Д - процент доплат к основной заработной плате от 8 до 14%
Определяем общий фонд заработной платы Зобщ, в рублях по формуле
Зобщ = Зосн+Здоп = 10266750
Определяем среднемесячную заработную плату основных производственных
рабочих Зсрм, в рублях по формуле
где Чосн - принятое число основных рабочих
Данные расчетов сводим в таблицу 5.11
Таблица 5.11 Заработная плата основных рабочих, в рублях
|
Средняя тарифная ставка
|
Трудоемкость годового выпуска
|
Годовой фонд оплаты
|
Среднемесячная заработная плата
|
|
|
Зтар
|
Пр%
|
Зосн
|
Д%
|
Здоп
|
Зобщ
|
|
|
49,1
|
1000
|
58500
|
40
|
5475600
|
14
|
4791150
|
10266750
|
35648,4375
|
Расчет фонда оплаты труда вспомогательных рабочих
Общий фонд заработной платы вспомогательных рабочих определяется
аналогично расчету по основным рабочим.
Для расчета использовать данные таблицы 5.12.
Таблица 5.12. Тариф вспомогательных работ
|
Наименование показателя
|
Численность вспомогательных рабочих
|
Разряд рабочего
|
Тарифный коэффициент
|
|
Условное обозначение
|
n
|
p
|
Kт
|
Cт
|
|
Электромонтер Наладчик Кладовщик Уборщик
|
2 2 2 2
|
3 3 3 1
|
43,45 43,45 43,45 39,5
|
1844 1844 1844 1677
|
|
ИТОГО
|
å
|
2,7
|
42,46
|
1802,25
|
Средний разряд Рср, определяется по формуле
Рср = å(ni*Pi)/ån = 2,5
где ni - численность вспомогательных рабочих с данным разрядом;- разряд
данных рабочих.
Средний тарифный коэффициент определяется аналогично среднему разряду,
заменяется разряд на тарифный коэффициент.
Определяем среднюю тарифную ставку за час работ Ст ср, в рублях по
формуле
Ст ср = СтIp*Кт ср = 1802,25
где СтIр - ставка часовая первого разряд, в рублях;
Кт ср - средний тарифный коэффициент.
Определяем заработную плату вспомогательных рабочих по тарифу Зтар, в
рублях
Зтар = Ст ср*Fn*ån = 23020,70
где Fn - полезный годовой фонд времени работы вспомогательного рабочего,
в часах;
ån - общая численность вспомогательных рабочих.
Расчет фонда заработной платы и средний месячный заработной платы
сводится в таблицу 5.12.
Таблица 5.13 Заработная плата вспомогательных рабочих, в рублях
|
Численность рабочих
|
Полезный фонд времени
|
Годовой фонд заработной платы
|
|
|
Тарифная заработная плата
|
Премия
|
Основная заработная плата
|
Заработная плата доп
|
|
|
|
%
|
сумма
|
%
|
Сумма
|
|
8
|
11840
|
14424
|
40
|
20193,6
|
14
|
23020,70
|
Расчет фонда оплаты инженерно - технических работников.
Общий фонд заработной платы ИТР определяется исходя из установленных
окладов и планируемой премии. Расчет сводится в таблицу 5.14.
Таблица 5.14. Заработная плата
инженерно - технических работников, в рублях
|
Занимаемая должность
|
Численность
|
Месячный фонд заработной платы
|
Годовой фонд
|
|
|
Премия
|
Поясная
|
Заработная плата
|
|
|
|
%
|
Сумма
|
%
|
Сумма
|
|
|
|
Старший мастер, Мастер Технолог Техник
|
1 1 1 2
|
1,4 1,35 1,2 1,15
|
537,40 470,40 230,40 158,40
|
1,15 1,15 1,15 1,15
|
1545,60 1545,60 1324,80 1324,80
|
12674,76 12608,40 10636,56 9807
|
154022 153216 129254 21924,40
|
Оклад устанавливается исходя из разряда, соответствующего должности.
Премия определяется в % от оклада (10-40 %).
Заработная плата за месяц включает: оклад, премию, поясную надбавку.
Годовой фонд определяется по каждой должности путем умножения месячной
заработной платы на численность и число месяцев в году.
Средняя заработная плата определяется аналогично формуле 52.
Расчет себестоимости и цены.
Себестоимость изделия учитывает все статьи затрат на производство
продукции. Оптовая цена рассчитывается согласно методических указаний.
Таблица 5.15. Калькуляция на изделие и на готовой выпуск продукции, в
рублях.
|
затраты на изделия
|
изделие
|
годовой выпуск
|
|
основные материалы
|
693,00
|
46091305,35
|
|
вспомогательные материалы
|
82,50
|
5487060,16
|
|
основная з/п
|
8256,00
|
549105075,05
|
|
дополнительная з/п
|
10850,74
|
721680955,78
|
|
Соц нужды
|
2476,80
|
164731522,51
|
|
РЭСО
|
495,36
|
32946304,50
|
|
Цеховые расходы
|
38,21
|
2541572,06
|
|
Итого: цеховая себестоимость
|
120,71
|
8028632,22
|
|
Общехозяйственные расходы
|
8949,00
|
595196380,40
|
|
потери от брака
|
33,25
|
2211778,09
|
|
итого производственная себестоимость
|
19953,71
|
1327117746,49
|
|
внепроизводственный расходы
|
2972,16
|
197677827,02
|
|
итого полная себестоимость
|
22925,87
|
1524795573,50
|
|
коэффициент размера прибыли
|
1,15
|
76486,29
|
|
проект оптовой цены
|
26364,75
|
1753514909,53
|
Таблица 5.16. Основные показатели участка
|
Показатели
|
Единицы измерения
|
Значения
|
|
1)Годовой выпуск продукции
|
|
а) в натуральном выражении
|
шт
|
66509,82
|
|
б) по оптовой цене
|
тыс.руб
|
1753514909,53
|
|
в) в нормо-часах
|
Н/часов
|
76597,14
|
|
2)Общая стоимость оборудования
|
тыс.руб
|
2615218,45
|
|
3)Численность работающих
|
|
а) основные рабочие
|
чел.
|
19,00
|
|
б) вспомогательные рабочие
|
чел.
|
8,00
|
|
в) И.Т.Р.
|
чел.
|
5,00
|
|
4)Выпуск продукции на одного вспомогательного
|
|
А) По трудоемкости
|
Н/часов
|
11141,40
|
|
Б) По оптовой цене
|
тыс.руб
|
255056714,11
|
|
5)Выпуск продукции на одного ИТР
|
|
А) По трудоемкости
|
Н/часов
|
58492,36
|
|
Б) По оптовой цене
|
тыс.руб
|
1339047749,09
|
|
6)Выпуск продукции на 1 го основного рабочего
|
|
А) По трудоемкости
|
Н/часов
|
6963,38
|
|
Б) По оптовой цене
|
тыс.руб
|
159410446,32
|
|
7) Фонд заработной платы, всего
|
|
а) основных рабочих
|
тыс.руб
|
584236,80
|
|
б) вспомогательных рабочих
|
тыс.руб
|
73247,40
|
|
в) И.Т.Р.
|
тыс.руб
|
66804,00
|
|
Среднемесячная заработная плата одного работающего в т.ч.
рабочего
|
руб
|
9761,20
|
|
а) основных рабочих
|
|
35288,00
|
|
б) вспомогательных рабочих
|
|
72537,60
|
|
в) И.Т.Р.
|
|
57882,00
|
|
8) Фондовооруженность
|
руб
|
1348102,69
|
6. Мероприятия по охране труда, технике безопасности и охране окружающей
среды
Охрана труда - это система законодательных, социально-экономических,
организационных, технических, санитарно-гигиенических и лечебно
профилактических мероприятий и средств, обеспечивающих безопасность,
сохранность здоровья и работоспособность человека в процессе труда.
Основные разделы включают в себя положения о коллективном договоре,
трудовом договоре, рабочем времени и времени отдыха, заработной плате,
гарантиях и компенсациях, трудовой дисциплине, охране труда, труде женщин и
молодежи, льготах для рабочих и служащих, совмещающих работу с учебой, трудовых
спорах, профессиональных союзах, участки рабочих и служащих в управлении
производством, государственном социальном страховании, надзоре и контроле за
соблюдением законодательства о труде.
Любая производственная деятельность сопровождается наличием опасных и
вредных факторов, которые подразделяются на следующие группы:
физические;
химические;
биологические;
психофизиологические.
К физическим факторам относятся такие, как движущиеся машины и механизмы,
повышенная запыленность и загазованность воздуха рабочей среды и другие.
Химические факторы подразделяют: по характеру воздействия на организм
человека - на обще токсичные, раздражающие, канцерогенные, мутагенные и
влияющие на репродуктивную (детородную) функцию; по пути проникновения в
организм человека - через дыхательные пути, пищеварительную систему, кожный
покров.
Группа биологических факторов включает биологические объекты, которые
делятся на микроорганизмы (бактерии, вирусы, грибки и т.д.) и макро организмы
(растения и животные).
Группа психофизиологических факторов по характеру действия делится на
физические и нервно-психические перегрузки.
Все перечисленные факторы становятся опасными или вредными в условиях
характеризующих их свойства особыми параметрами: скоростью, температурой,
массой, концентрацией, напряжением электрического поля и т.д.
Систему правовых норм, регулирующих деятельность по охране труда,
составляют: система стандартов безопасности труда (ССБТ), правила, нормы,
инструкции по охране труда. ССБТ представляет собой комплекс взаимосвязанных
стандартов, содержащих требования и нормы, направленные на обеспечение
безопасности, сохранение здоровья и работоспособности человека в процессе
труда.
К средствам обеспечения экологической чистоты радиоприборного предприятия
относятся следующие мероприятия:
·
очистка
вентиляционных выбросов в атмосферу;
·
очистка
промышленных сточных вод;
·
обезвреживание и
удаление не регенерируемых отходов;
- переработка и повторное использование отходов дефицитных материалов.
Техника безопасности при изготовлении печатных плат.
Одним из наиболее распространенных методов создания электрических цепей в
радиоэлектронной, электронно-вычислительной и электротехнической аппаратуре
является применение печатного монтажа, реализуемого в виде односторонних,
двусторонних и многослойных печатных платах. Объем аппаратуры на печатных
платах и их производство в отечественной промышленности и за рубежом неуклонно
увеличивается. Именно поэтому знание опасных и вредных факторов производства,
возникающих при изготовлении печатных плат, является одним из непременных
условий подготовки специалистов электронной промышленности. К заготовительным
операциям относят раскрой заготовок, разрезку материала и выполнение базовых
отверстий и изготовление слоев на печатных платах. В крупносерийном
производстве разрезку материала выполняют методом штамповки в специальных
штампах на эксцентриковых прессах с одновременной пробивкой базовых отверстий
на технологическом поле. В серийном и мелкосерийном производстве широкое
распространение получили одно- и многоножевые роликовые ножницы, на которых
материал разрезается сначала на полосы заданной ширины, а затем на заготовки.
Разрезку основных и вспомогательных материалов (прокладочной стеклоткани,
кабельной бумаги и др.), необходимых при изготовлении многослойных печатных
плат в мелкосерийном и единичном производстве, осуществляют с помощью
гильотинных ножниц. Таким образом, выполнение заготовительных операций по
раскрою материала сопряжено с опасностью повреждения рук работающего в случае
попадания их в зону между пуансоном и матрицей, в частности верхним и нижним
ножом гильотинных ножниц, при ручной подаче материала.
Наибольшую опасность представляет работа пресса в автоматическом режиме,
требующая большого напряжения, внимания и осторожности работающего, так как
всякое замедление движения рабочего может привести к травматизму. Во избежание
попадания рук рабочего в опасную зону применяют систему двурукого включения,
при котором пресс включается только после одновременного нажатия обеими руками
двух пусковых кнопок. В прессах и ножницах с ножными педалями для
предотвращения случайных включений педаль ограждают или делают запорной. Часто,
кроме этого, опасную зону у пресса ограждают при помощи фотоэлементов, сигнал
от которых автоматически останавливает пресс, если руки рабочего оказались в
опасной зоне. При ручной подаче заготовок необходимо применять специальные
приспособления: пинцеты, крючки и т.д. Радикальным решением вопроса безопасности
является механизация и автоматизация подачи и удаления заготовок из штампа, в
том числе с использованием средств робототехники. Базовые отверстия получают
различными методами в зависимости от класса печатных плат. На печатных платах
первого класса базовые отверстия получают методом штамповки с одновременной
вырубкой заготовок. Базовые отверстия на заготовках плат второго и третьего
классов получают сверлением в универсальных кондукторах с последующим
развертыванием.
В настоящее время в серийном и крупносерийном производстве традиционное
сверление базовых отверстий по кондуктору на универсальных сверлильных станках
уступило место сверлению на специализированных станках (например, модель AB-2
фирмы "Schmoll", ФРГ).Таким образом, станки в одном цикле со
сверлением предусматривают установку фиксирующих штифтов, плотно входящих в
просверленное отверстие и скрепляющих пакет из 2-6 заготовок. Во избежание
травм при работе на сверлильных станках необходимо следить за тем, чтобы все
ремни, шестерни и валы, если они размещены в корпусе станка и доступны для
прикосновения, имели жесткие неподвижные ограждения. Движущиеся части и
механизмы оборудования, требующие частого доступа для осмотра, ограждаются
съемными или открывающимися устройствами ограждения. В станках без
электрической блокировки должны быть приняты меры, исключающие возможность
случайного или ошибочного их включения во время осмотра. Во избежание захвата
одежды и волос рабочего его одежда должна быть заправлена так, чтобы не было
свободных концов; обшлага рукавов следует застегнуть, волосы убрать под берет.
Образующуюся при сверлении, резке материала заготовок печатных плат пыль
необходимо удалять с помощью промышленных пылесосов.
Охрана окружающей среды при изготовлении печатных плат.
Современное производство печатных плат представляет собой комплекс
сложных химико-технологических процессов и является одним из опасных источников
загрязнения окружающей среды. Наибольшей экологической опасностью обладают
рабочие растворы для металлизации печатных плат, которые содержат токсичные
ионы меди, формальдегид и различные комплексообразователи, спирты,
неорганические кислоты и другие вещества.
Формальдегид представляет повышенную опасность для окружающей среды и
человека. Содержание его в воздухе и на рабочих местах ограничивается не более
0,5-2,0 мг/м3. Наличие комплексообразователей в растворах
значительно усложняет и удорожает обработку сточных вод.
Высокую экологическую опасность имеют также растворы для гальванических
покрытий медью, никелем, золотом, сплавом олово-свинец, сильные кислоты,
щелочи, цианиды и многие органические и неорганические добавки.
В последние годы очистке сточных вод в многочисленных гальванических
производствах и в процессах изготовления печатных плат уделяется довольно
серьезное внимание. Выпущено значительное количество публикаций по обработке
сточных вод и уменьшению нагрузки на окружающую среду. Имеется также большой
выбор химических (реагентных), электрохимических, сорбционных, ионообменных и
других методов очистки промывных и сточных вод.
Однако, несмотря на значительный прогресс в области очистки сточных вод в
гальванических производствах и процессах производства печатных плат, ни один из
применяемых сегодня методов очистки не обеспечивает в полной мере выполнения
современных требований: очистки до норм ПДК, по ионам тяжелых металлов,
исключение из производства токсичных для окружающей среды химикатов и возврат
очищенных сточных вод в производство. Часто достижение экологических норм
затрудняется высокой финансовой стоимостью очистных сооружений. Процессы
регенерации требуют больших финансовых вложений, главным образом на стадиях
установки и запуска оборудования в работу.
Сбросы концентрированных отработанных растворов, а также аварийные сбросы
неудовлетворительно работающих растворов часто связаны с несовершенством
методологии аналитического контроля, направленной, прежде всего, на контроль
качества продукции без учета требований экологического обеспечения
производства. Системы очистных сооружений, уменьшая вредное воздействие сточных
вод химических и гальванических производств, приводят к появлению другого
фактора, оказывающего вредное воздействие на окружающую среду - отходов
очистных сооружений.
С другой стороны, усложнение конструкций и повышение требований к
печатным платам приводят к необходимости применения все более широкой
номенклатуры химических соединений, что еще более усложняет очистку сточных
вод. К сожалению, до настоящего времени большая часть экологических проблем при
изготовлении печатных плат рассматривается на стадии сброса отработанных
растворов и сточных вод и не связана с технологическими процессами и качеством
изготавливаемой продукции. По нашему мнению, только концепция, при которой
экологические проблемы решаются на технологических стадиях совместно с повышением
качества продукции, может привести к созданию экологически безопасных
производств печатных плат.
Заключение
В ходе выполнения данного дипломного проекта был произведен анализ
методов измерения угловой скорости, были выбраны методы, позволяющие производить
точные измерения без длительной подготовки к ним и с минимизированным
воздействием на исследуемую деталь. Так же был выбран способ изготовления,
материал и конструкция корпуса устройства, составлен технологический процесс на
изготовление печатной платы устройства, при этом конструкция универсального
тахометра является балансом между высокоточным измерительным прибором и
простотой его изготовления. тахометр
радиоэлектронный скорость проводник
Так же был разработан технологический процесс, использующий
концентрированную сборку, которая облегчает процесс изготовления, экономя время
и повышая качество работы.
Расчеты произведены в полной мере, так же было уделено внимание
требованиям по охране труда, технике безопасности при изготовлении печатных
плат и экологической проблеме изготовления печатных плат.
Устройство может быть дополнено различными модулями, так же использующими
бесконтактные методы измерений, такие как магнитоиндуктивные и электрические.
Список литературы
1. Ненашев А.П. Конструирование радиоэлектронных средств:
Учеб. для вузов. - М.: Высш. шк., 2010. - 432 с.
. Савельев А.Я., Овчинников В.А. Конструирование ЭВМ и
систем: Учеб. для вузов. - М.: Высш. шк., 2009. - 312 с.
. Технология и автоматизация производства радиоэлектронной
аппаратуры: Учеб. для вузов/ Под ред. А.П. Достанко, Ш.М. Чабдарова. - М.:
Радио и связь, 2009. - 624 с.
. Ушаков Н.Н. Технология производства ЭВМ: Учеб. для вузов. -
М.: Высш. шк., 2011.-416 с.
. Журнал Everyday Practical Electronics #10 2012.
. Электрорадиоизмерения, учебник. В.И. Нефедов, А.С. Сигов,
В.К. Битюков, Ю.И. Борисов, В.И. Хахин, Е.В. Самохина.
. Предко М. Справочник по PIC-микроконтроллерам. Пер. с
английского - М, ДМК Пресс 2012.
. Лисицын Б.Л. Элементы индикации. М. «Энергия», 2008.
. Разработка и оформление конструкторской документации
радиоэлектронной аппаратуры, справочник. Э.Т. Романычева, А.К. Иванова, А.С.
Куликов, Н.Г. Миронова, А.В. Антипов.